Graco 311363L Ultra Max Ii Users Manual Parts List, (ENGLISH)
2015-04-02
: Graco Graco-311363L-Ultra-Max-Ii-Users-Manual-686201 graco-311363l-ultra-max-ii-users-manual-686201 graco pdf
Open the PDF directly: View PDF
.
Page Count: 10

311363L
Parts List
Ultra
®
Max II
3300 psi (228 bar, 22.8 MPa) Maximum Working Pressure
Vac Model Hi-Boy
240
Europe
695 24M693
795 24M696
253419
795 Plus 24M699
1095 24M700
240
Europe
Multi-cord
695 24M694
795 24M697
253420
1095 24M701
240
Asia
695 249681
795 249683
1095 249684
240
Australia/New
Zealand (ANZ)
695 249685
795 249687
1095 249688
EN
Important Safety Instructions
Read all warnings and instructions in
operations manual. Save these instructions.
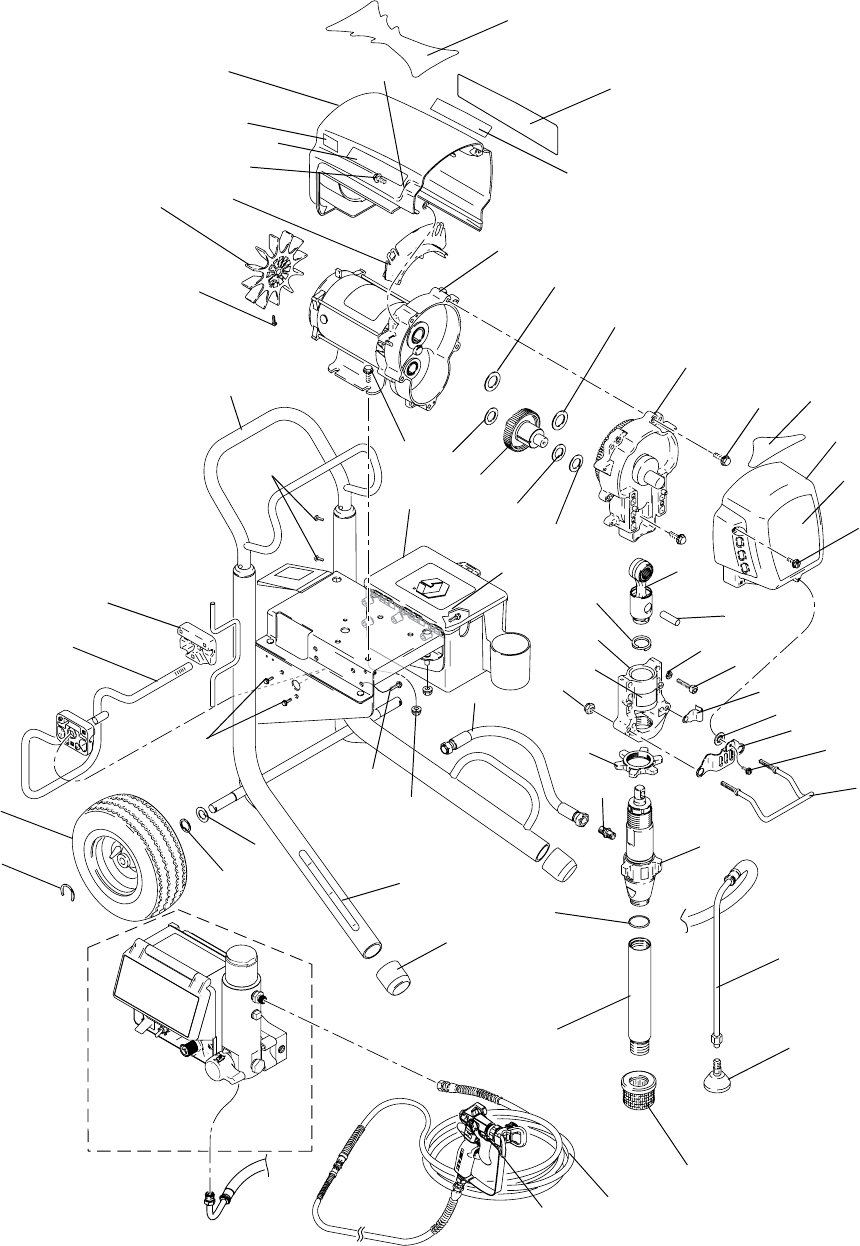
Parts List: Ultra Max II 695/795 Hi-Boy
2311363L
Parts List: Ultra Max II 695/795 Hi-Boy
Ref. Part No. Description Qty.
6 15C753 SCREW, mach, torx, hex 5
8 15E891 CLIP, retaining 2
10 156306 WASHER, flat 2
11* 119420 WHEEL, pneumatic 2
12 106115 WASH, lock, spring 4
14 107210 SCREW, cap, socket hd 4
17 15C871 CAP, leg 2
18 109032 SCREW, mach, pnh 4
19 112746 NUT, lock, nylon, thin 8
22 116038 WASHER, wave spring 2
23 110963 SCREW, cap, flng hd 2
28 114672 WASHER, thrust 2
30 114699 WASHER, thrust 1
31 118444 SCREW, machine, hex washer hd 4
36 116191 WASHER, thrust 1
37 100057 SCREW, cap, hex hd 4
41 162453 FITTING, (1/4 NPSM x 1/4 NPT) 1
43 176817 SPRING, retaining 1
44 176818 PIN, str, hdls 1
48 189920 STRAINER, (1-11 1/2 NPSM) 1
51 287291 COVER, drive, plastic, painted;
includes 31, 95
1
55 16C457 HANGER, pail 1
56 192723 NUT, retaining 1
58 SHIELD, motor, painted;
includes 123, 124
1
287281 695
287282 795
62 288605 FRAME, cart 1
71 LABEL, UltraMax II 695/795 1
15K374 695
15D068 795
15T428 795 Plus 1
72 LABEL, UltraMax II 695/795 1
15K381 695
15D069 795
15T429 795 Plus
76 248214 TUBE, intake; includes 109 1
77 278204 CLIP, drain line 1
83 240523 HOUSING, bearing;
includes 55, 162
1
84 MOTOR, electric 1
287241 695 Series A - C
257185 695 Series D
287242 795 Series A, B
257186 795 Series C
85 241008 ROD, connecting; includes 43 1
87 241920 DEFLECTOR, threaded 1
89 287289 GEAR, combination;
includes 28, 30
1
90 HOUSING, drive, M1;
includes 6, 36, 90a
1
287283 695
287284 795
90a 107089 WASHER, thrust 1
91 248204 PUMP, displacement 695/795;
includes 109, Manual 310643
1
93 244240 HOSE, coupled; includes 87 1
94 15D049 HOSE, coupled, 1/4 x 15.75 1
95 114000 SCREW, control housing 1
99 287489 HANDLE, assy, hi cart 1
103 287253 TOOLBOX; includes 104 1
104 118852 SCREW, hex washer hd 3
105 15D281 HANGER, stand, cart 1
106 15C982 CAM, cart 2
107 114531 SCREW, mach, hex washer 4
108 15C859 SHIELD, pump rod 1
109 118494 PACKING, o-ring 1
110 16D585 LABEL, premium, sides 2
117 187436 LABEL, torque 1
123 276980 GROMMET, cover 2
124 119250 SCREW, shoulder, hex, washer 2
126 15D088 FAN, motor 1
127 115477 SCREW, mach, torx, pan, hd 1
128▲222385 TAG, WARNING (not shown) 1
129 240794 HOSE, cpld, 1/4 in. x 50 ft 1
130 GUN (Manual 309639) 1
288475 Europe
246220 ANZ
288427 Asia
149 15T569 LABEL, shroud top 1
150 15T570 LABEL, crown 1
160 15Y118 LABEL, Made In The USA 1
161 124172 WASHER, retaining, nylon 10-32 1
162 112746 NUT, hex 2
163 288899 SHELF, PEM, assy 1
164 278075 BAFFLE 1
170▲243301 LABEL, set, stpro, int’l 1
172 238358 HOSE, cpld, 3/16 in. x 3 ft 1
* 253132 KIT, repair, tube, 11 in.
▲ Extra Danger & Warning tags & labels available free.
Ref. Part No. Description Qty.

Parts List: Ultra Max II 695/795 Hi-Boy
311363L 3
Parts Drawing: 695/795 Hi-Boy
48
87
93
55
95
108
14
12
44
85
31
76
109
17
62
10
22
8
11
105
107
106
23
19
41
94
56
162
117
83
104
43
103
18
28
30
89
28
37
51
6
90
90a
36
84
111
72
123
124
58
110
126
127
99
91
77
71
...
.
See page 12
130
129
149
.
150
.
.
.
695 Series A-C
795 Series A, B
695 Series D
795 Series C
ti13487b
164
See page 11
See page 13
161
.
160
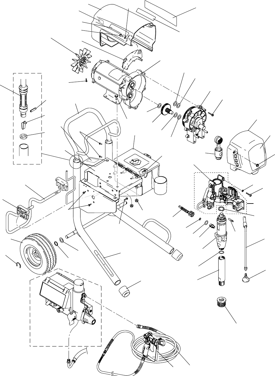
Parts List: UltraMax II 1095
4311363L
Parts List: UltraMax II 1095
Ref. Part No. Description Qty.
6 15C753 SCREW, mach, torx, hex 5
8 15E891 CLIP, retaining 2
10 156306 WASHER, flat 2
11* 119509 WHEEL, pneumatic 2
12 106115 WASH, lock, spring 4
14 114666 SCREW, cap, socket hd 4
16 101354 PIN, spring, straight 2
17 276974 CAP, leg 2
18 108795 SCREW, mach, pnh 4
19 110838 NUT, lock 8
22 116038 WASHER, wave spring 2
23 110963 SCREW, cap, flng hd 2
25 112827 BUTTON, snap 2
28 114672 WASHER, thrust 2
30 114699 WASHER, thrust 1
31 118444 SCREW, machine, hex washer hd 4
36 116192 WASHER, thrust 1
37 100057 SCREW, cap, hex hd 4
41 15E802 FITTING, pump, quick disc 1
43 119778 SPRING, retaining 1
44 15F110 PIN, pump 1
46 183350 WASHER 2
48 189920 STRAINER, (1-11 1/2 NPSM) 1
51 287292 COVER, drive, plastic, painted;
includes 31
1
54 187604 SLEEVE, cart 2
55 119790 PACKING, o-ring 1
58 287282 SHIELD, motor, painted;
includes 123, 124
1
62 288663 FRAME, cart 1095 1
71 15D071 LABEL, UltraMax II 1095 1
72 15D072 LABEL, UltraMax II 1095 1
76 248215 TUBE, intake; includes 109 1
83 287933 HOUSING, bearing 1
84 MOTOR, electric; includes 126, 127 1
287243 Series A
257187 Series B
85 287472 ROD, connecting; includes 43, 44 1
87 241920 DEFLECTOR, threaded 1
89 287290 GEAR, combination;
includes 28, 30
1
90 287295 HOUSING, drive, M1;
includes 6, 36, 90a
1
90a 114671 WASHER, thrust 1
91 287513 PUMP, displacement;
includes 41, 76, 109,
Manual 310894
1
93 287952 HOSE, drain; includes 87 1
94 287803 HOSE, coupled 1
99 245245 HANDLE, cart 1
103 287253 TOOLBOX; includes 104 1
104 118852 SCREW, hex washer hd 3
105 15C858 HANGER, stand, cart 1
106 15C982 CAM, cart 2
107 114531 SCREW, mach, hex washer 4
109 118494 PACKING, o-ring 1
110 16D585 LABEL, premium, sides 2
123 276980 GROMMET, cover 2
124 119250 SCREW, shoulder, hex, washer 3
126 15D088 FAN, motor 1
127 115477 SCREW, mach, torx, pan, hd 1
128▲222385 TAG, WARNING (not shown) 1
129 240794 HOSE, cpld, 1/4 in. x 50 ft 1
130 GUN Manual 309639 1
288475 Europe
246220 ANZ
288427 Asia
160 15Y118 LABEL, Made In The USA 1
163 288899 SHELF, PEM, assy 1
164 278075 BAFFLE 1
170▲243301 LABEL, set, stpro, int’l 1
172 238358 HOSE, cpld, 3/16 in. x 3 ft 1
* 253131 KIT, repair, tube, 13 in.
▲ Extra Danger & Warning tags & labels available free.
Ref. Part No. Description Qty.

Parts List: UltraMax II 1095
311363L 5
Parts Drawing: UltraMax II 1095
48
87
93
55
14
12
44
85 31
76
109
17
62
10
22
8
11
105
107
106
23
19
41
94
20
83
104
103
18
28
30
89
28
37 51
6
90
90a
36
84
111
72
123
124
58
110
126
127
54
16
25
46
99
91
71
..
.
.
See page 12
43
130 129
163
170
Series A
Series B
ti13488b
164
See page 11
See page 13
160
.
Parts List - Sprayer
6311363L
Parts List - Sprayer
UltraMax II: 695 Hi-Boy;
795 Hi-Boy; 1095
(Models with SIX large capacitors on control board)
Ref. Part No. Description Qty.
7 100721 PLUG, pipe 1
9 117285 PACKING, o-ring 1
13 C19817 SCREW, cap, socket 3
15 107505 PACKING, o-ring 2
20 111457 PACKING, o-ring 2
21* 15C972 PIN, grooved 1
23 110963 SCREW, cap, flng 2
26 114391 SCREW, grounding 1
27 113045 SCREW, sems, mach, phillips 6
29 15V996 GROMMET 1
33 15D527 SWITCH, rocker 1
34 116167 KNOB, potentiometer 1
35 105510 WASHER, lock, spring 3
38 116252 SCREW, #10 taptite phillips 4
39 112381 SCREW, mach, pan hd 4
40 15D033 GROMMET, transducer 1
42 164672 NIPPLE, adapter 695, 795, 1095 1
45 119541 SWITCH, toggle 1
47 186620 LABEL, symbol, ground 1
49 195428 BOOT, toggle 1
50* HANDLE 1
52 257449 CONTROL, board; includes 27, 102 1
59▲243301 LABEL, warning 1
60▲195793 LABEL, warning 1
61 15D431 BOX, control 1
63 198648 LABEL, LCD 1
64 15D063 LABEL, instruction 1
65 15D609 LABEL, ctrl, box cover 1
66 287285 CAP, filter; includes 9, 74 1
67 15C838 BASE, filter 1
68 PANEL, control 1
15X617 695, 795, 1095, panel, control
15X620 695, 795, 1095, Label
69 15V937 PLATE, power bar 1
70 15D036 GASKET, control box 1
73 248314 PLUG, Autoclean standard;
includes 125
74 15C766 TUBE, diffusion 1
75 CORD, power 1
75a 15D529 Europe Multicord, Asia & ANZ
75c 15D528 Europe CEE/7
80 24A381 VALVE, prime 1
81* BASE, valve 1
82 256219 POTENTIOMETER, adjustment 1
86 243222 TRANSDUCER, pressure control;
includes 20
1
92 FILTER, fluid 1
244071 30 mesh
244067 60 mesh, original equipment
244068 100 mesh
244069 200 mesh
96 287286 COVER, control, ultra; includes 38,
63, 64, 65
1
101 15V938 STUD, board 6
102 114420 SCREW, mach, pmh, sems 2
113 15F844 SPACER, manifold 1
114 104813 PLUG, pipe 1
115 15C973 GASKET 1
118 116793 FITTING, elbow, hydraulic;
695, 795, 1095
1
122 115478 SCREW, mach torx/slt 1
125 15D541 SEAL, washer 1
131 119228 SCREW, mach flat hd 4
132 257905 FILTER, board 1
134 CORD SET, ADAPTER 1
134a 242001 Europe Multicord and Asia 1
134b 242005 ANZ
137 195551 RETAINER, PLUG, ADAPTER,
Europe Multicord, Asia & ANZ
1
143 287121 CORD SET, Italy, Denmark,
Switzerland
1
144 258644 Reed Switch 1
▲ Extra Danger and Warning tags and labels available free.
* 24E233 Kit, handle, FastFlush is available (includes
21, 50, 81)
Ref. Part No. Description Qty.

Parts List - Sprayer
311363L 7
Parts Drawing - Sprayer
UltraMax II: 695 Hi-Boy;
795 Hi-Boy; 1095
(Models with SIX large capacitors on control board)
118
70
29
69 26 47 101 23
13
35
7
15
113
15
66
9
74
92
42
114
73
125
80
81
21
50
20
86
40
67
60
61
59
52
27
65
45
144
82
115
34
39
49
33
63
38
96
64
.
.
.
.
122
39
75c
75a
68
134a 134b
137
143
131
132
82
ti13490a
68

Parts Drawing - Bearing Housing
8311363L
Parts Drawing - Bearing Housing
Parts List - Bearing Housing
180
177
175
179
176
31
77
178
83
181
182
ti11443a
162
Ref. Part Description Qty.
83 240523 HOUSING, bearing (695/795) 1
287933 KIT, bearing housing 1
31 119250 SCREW, shoulder 1
77 278204 CLIP, drain line 1
162 100985 WASHER, lock ext 1
175 PIN, housing, bearing
15E779 695 1
15E625 795/1095 1
176 LATCH, housing, bearing
15G930 695 1
15G890 795/1095 1
177 NUT, lock hex
102040 695 2
111040 795/1095 2
178 15F503 SCREW, set, socket hd 1
179 15F498 SCREW, adjustment 1
180 15F116 LATCH 1
181 15G840 RECEIVER, latch (695) 1
15G584 RECEIVER, latch
(795/1095)
1
182 108859 SCREW, shoulder, sch (695) 1
116942 SCREW, shoulder, sch (795/1095) 1
Ref. Part Description Qty.

Wiring Diagram
311363L 9
Wiring Diagram
UltraMax II: 695 Hi-Boy;
795 Hi-Boy; 1095
(Models with SIX large capacitors on control board)
3UHVVXUH
7UDQVGXFHU
%ODFN
3RWHQWLRPHWHU
'LJLWDO'LVSOD\
212))
6ZLWFK
3RZHU3OXJ
0RWRU
JUHHQJURXQG
)DVW)OXVK
0RWRU
/HDGV
0RWRU
6HQVRU
/HDGV
7KHUPDO
6ZLWFK
%URZQ %OXH
%OXH
%URZQ
:KLWH %ODFN
21
'LS6ZLWFK
ti13486d
All written and visual data contained in this document reflects the latest product information available at the time of publication.
Graco reserves the right to make changes at any time without notice.
Original instructions. This manual contains English. MM 311363
Graco Headquarters: Minneapolis
International Offices: Belgium, China, Japan, Korea
GRACO INC. AND SUBSIDIARIES • P.O. BOX 1441 • MINNEAPOLIS MN 55440-1441 • USA
Copyright 2005, Graco Inc. All Graco manufacturing locations are registered to ISO 9001.
www.graco.com
Revised 02/2012
Graco Standard Warranty
Graco warrants all equipment referenced in this document which is manufactured by Graco and bearing its name to be free from defects in
material and workmanship on the date of sale to the original purchaser for use. With the exception of any special, extended, or limited warranty
published by Graco, Graco will, for a period of twelve months from the date of sale, repair or replace any part of the equipment determined by
Graco to be defective. This warranty applies only when the equipment is installed, operated and maintained in accordance with Graco’s written
recommendations.
This warranty does not cover, and Graco shall not be liable for general wear and tear, or any malfunction, damage or wear caused by faulty
installation, misapplication, abrasion, corrosion, inadequate or improper maintenance, negligence, accident, tampering, or substitution of
non-Graco component parts. Nor shall Graco be liable for malfunction, damage or wear caused by the incompatibility of Graco equipment with
structures, accessories, equipment or materials not supplied by Graco, or the improper design, manufacture, installation, operation or
maintenance of structures, accessories, equipment or materials not supplied by Graco.
This warranty is conditioned upon the prepaid return of the equipment claimed to be defective to an authorized Graco distributor for verification of
the claimed defect. If the claimed defect is verified, Graco will repair or replace free of charge any defective parts. The equipment will be returned
to the original purchaser transportation prepaid. If inspection of the equipment does not disclose any defect in material or workmanship, repairs will
be made at a reasonable charge, which charges may include the costs of parts, labor, and transportation.
THIS WARRANTY IS EXCLUSIVE, AND IS IN LIEU OF ANY OTHER WARRANTIES, EXPRESS OR IMPLIED, INCLUDING BUT NOT LIMITED
TO WARRANTY OF MERCHANTABILITY OR WARRANTY OF FITNESS FOR A PARTICULAR PURPOSE.
Graco’s sole obligation and buyer’s sole remedy for any breach of warranty shall be as set forth above. The buyer agrees that no other remedy
(including, but not limited to, incidental or consequential damages for lost profits, lost sales, injury to person or property, or any other incidental or
consequential loss) shall be available. Any action for breach of warranty must be brought within two (2) years of the date of sale.
GRACO MAKES NO WARRANTY, AND DISCLAIMS ALL IMPLIED WARRANTIES OF MERCHANTABILITY AND FITNESS FOR A
PARTICULAR PURPOSE, IN CONNECTION WITH ACCESSORIES, EQUIPMENT, MATERIALS OR COMPONENTS SOLD BUT NOT
MANUFACTURED BY GRACO. These items sold, but not manufactured by Graco (such as electric motors, switches, hose, etc.), are subject to
the warranty, if any, of their manufacturer. Graco will provide purchaser with reasonable assistance in making any claim for breach of these
warranties.
In no event will Graco be liable for indirect, incidental, special or consequential damages resulting from Graco supplying equipment hereunder, or
the furnishing, performance, or use of any products or other goods sold hereto, whether due to a breach of contract, breach of warranty, the
negligence of Graco, or otherwise.
FOR GRACO CANADA CUSTOMERS
The Parties acknowledge that they have required that the present document, as well as all documents, notices and legal proceedings entered into,
given or instituted pursuant hereto or relating directly or indirectly hereto, be drawn up in English. Les parties reconnaissent avoir convenu que la
rédaction du présente document sera en Anglais, ainsi que tous documents, avis et procédures judiciaires exécutés, donnés ou intentés, à la suite
de ou en rapport, directement ou indirectement, avec les procédures concernées.
Graco Information
For the latest information about Graco products, visit www.graco.com.
TO PLACE AN ORDER, contact your Graco distributor or call 1-800-690-2894 to identify the nearest distributor.