Graco 332921D Gmax 3400 Ii 3900 5900 7900 And Texspray 5900Hd 7900Hd Users Manual 3400, 3900/5900/7900 5900HD/7900HD Airless Sprayers, Parts (English)
2015-04-02
: Graco Graco-332921D-Gmax-3400-Gmax-Ii-3900-5900-7900-And-Texspray-5900Hd-7900Hd-Users-Manual-686178 graco-332921d-gmax-3400-gmax-ii-3900-5900-7900-and-texspray-5900hd-7900hd-users-manual-686178 graco pdf
Open the PDF directly: View PDF
.
Page Count: 46
- Notes
- GMAX 3400 Standard Series
- GMAX II 3900 Standard Series/Rental Pro 360G
- GMAX II 3900 Lo-Boy Series
- GMAX II 3900 ProContractor Series
- GMAX II 5900/5900HD Standard Series
- GMAX II 5900 Lo-Boy Series
- GMAX II 5900/5900HD ProContractor Series
- GMAX II 5900 IronMan Series
- GMAX II 5900 Convertible Series
- GMAX II 5900 Convertible Series
- Notes
- GMAX II 7900/TexSpray 7900HD Standard Series/Roof Rig
- GMAX II 7900/TexSpray 7900HD ProContractor Series
- GMAX II 7900/TexSpray 7900 IronMan
- GMAX II 7900 Lo-Boy
- LoBoy Suction Set Kits (Kits include suction set and drain hose)
- Control Box 16X821
- Control Box 16X822
- Control Box 16X744
- Filter
- Filter (3400 Models only)
- Hose Reel (ProContractor Sprayers)
- Pressure Control Wiring Diagrams
- Notes
- Graco Standard Warranty

Parts
GMAX
™
3400, GMAX
™
II 3900/5900/7900, and
TexSpray 5900HD/7900HD Airless Sprayers
For professional use only.
Not approved for use in European explosive atmosphere locations.
For the application of architectural paints and coatings.
3300 psi (22.8 MPa, 228 bar) Maximum Working Pressure
Important Safety Instructions
Read all warnings and instructions in this manual.
Save these instructions.
GMAX 3400
Model: Standard
16W863
✓
GMAX II 3900
Model: Standard ProContractor Lo-Boy RentalPro
360G
16W865
✓
16W866
✓
16W867
✓
16W984
✓
GMAX II 5900
Model: Standard ProContractor Lo-Boy IronMan Convertible
16W869
✓
16W870
✓
16W871
✓
16W881
✓
16W873
✓
GMAX II 7900
Model: Standard ProContractor Lo-Boy IronMan Roof Rig
16W883
✓
16W884
✓
16W885
✓
16W887
✓
16W987
✓
TexSpray 5900HD
Model: Standard ProContractor
16W889
✓
16W882
✓
TexSpray 7900HD
Model: Standard ProContractor IronMan
16W890
✓
16W888
✓
16X949
✓
ti23055a
Related Manual:
Operation 332919
332921D
EN
2332921D
Table of Contents
Notes . . . . . . . . . . . . . . . . . . . . . . . . . . . . . . . . . . . . . 3
GMAX 3400 Standard Series . . . . . . . . . . . . . . . . . 4
Parts List - GMAX 3400 Standard Series . . . . . . 5
GMAX II 3900 Standard Series/Rental Pro 360G . . 6
Parts List - GMAX II 3900 Standard Series/Rental
Pro 360G . . . . . . . . . . . . . . . . . . . . . . . . . . . 7
GMAX II 3900 Lo-Boy Series . . . . . . . . . . . . . . . . . . 8
Parts List - GMAX II 3900 Lo-Boy Series . . . . . . 9
GMAX II 3900 ProContractor Series . . . . . . . . . . . 10
Parts List - GMAX II 3900 ProContractor Series 11
GMAX II 5900/5900HD Standard Series . . . . . . . . 12
Parts List - GMAX II 5900/5900HD Standard Series
13
GMAX II 5900 Lo-Boy Series . . . . . . . . . . . . . . . . . 14
Parts List - GMAX II 5900 Lo-Boy Series . . . . . 15
GMAX II 5900/5900HD ProContractor Series . . . 16
Parts List - GMAX II 5900/5900HD ProContractor
Series . . . . . . . . . . . . . . . . . . . . . . . . . . . . . 17
GMAX II 5900 IronMan Series . . . . . . . . . . . . . . . . 18
Parts List - GMAX II 5900 IronMan Series . . . . 19
GMAX II 5900 Convertible Series . . . . . . . . . . . . . 20
Parts List - GMAX II 5900 Convertible Series . . 21
GMAX II 5900 Convertible Series . . . . . . . . . . . . . 22
Engine Detail . . . . . . . . . . . . . . . . . . . . . . . . . . . 22
GMAX II 5900 Convertible Series . . . . . . . . . . . 23
Engine Detail - Parts List . . . . . . . . . . . . . . . . . 23
GMAX II 5900 Convertible Series . . . . . . . . . . . 24
Clutch Housing - Parts Drawing and List . . . . . 24
Notes . . . . . . . . . . . . . . . . . . . . . . . . . . . . . . . . . . . . 25
GMAX II 7900/TexSpray 7900HD Standard
Series/Roof Rig . . . . . . . . . . . . . . . . . . . . . . . . 26
Parts List - GMAX II 7900/TexSpray 7900HD
Standard Series/Roof Rig . . . . . . . . . . . . . . 27
GMAX II 7900/TexSpray 7900HD ProContractor
Series . . . . . . . . . . . . . . . . . . . . . . . . . . . . . . . . 28
Parts List - GMAX II 7900/TexSpray 7900HD
ProContractor Series . . . . . . . . . . . . . . . . . 29
GMAX II 7900/TexSpray 7900 IronMan . . . . . . . . . 30
Parts List - GMAX II 7900/TexSpray 7900HD
IronMan . . . . . . . . . . . . . . . . . . . . . . . . . . . . 31
GMAX II 7900 Lo-Boy . . . . . . . . . . . . . . . . . . . . . . . 32
Parts List - GMAX II 7900/Lo-Boy . . . . . . . . . . . 33
LoBoy Suction Set Kits
(Kits include suction set and drain hose) . . . 34
Control Box 16X821 . . . . . . . . . . . . . . . . . . . . . . . . 35
Parts List - Control Box 16X821 . . . . . . . . . . . . 36
Control Box 16X822 . . . . . . . . . . . . . . . . . . . . . . . . 37
Parts List - Control Box 16X822 . . . . . . . . . . . . 38
Control Box 16X744 . . . . . . . . . . . . . . . . . . . . . . . . 39
Parts List - Control Box 16X744 . . . . . . . . . . . . 39
Filter . . . . . . . . . . . . . . . . . . . . . . . . . . . . . . . . . . . . 40
Parts List - Filter . . . . . . . . . . . . . . . . . . . . . . . . 40
Filter (3400 Models only) . . . . . . . . . . . . . . . . . . . . 41
Parts List - Filter . . . . . . . . . . . . . . . . . . . . . . . . 41
Hose Reel (ProContractor Sprayers) . . . . . . . . . . 42
Pressure Control Wiring Diagrams . . . . . . . . . . . 43
GMAX 3400 Sprayers . . . . . . . . . . . . . . . . . . . . 43
3900/5900/7900 Sprayers . . . . . . . . . . . . . . . . . 44
Notes . . . . . . . . . . . . . . . . . . . . . . . . . . . . . . . . . . . . 45
Graco Standard Warranty . . . . . . . . . . . . . . . . . . . 46

Notes
332921D 3
Notes

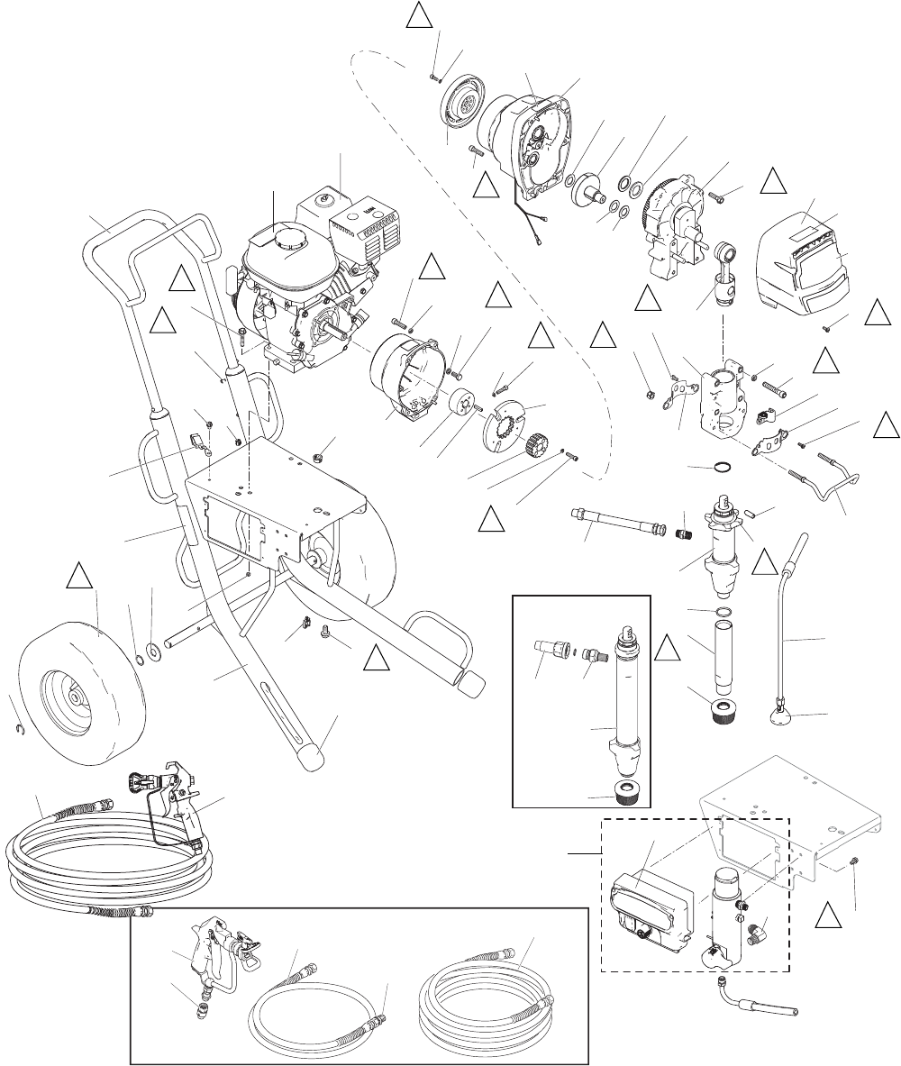
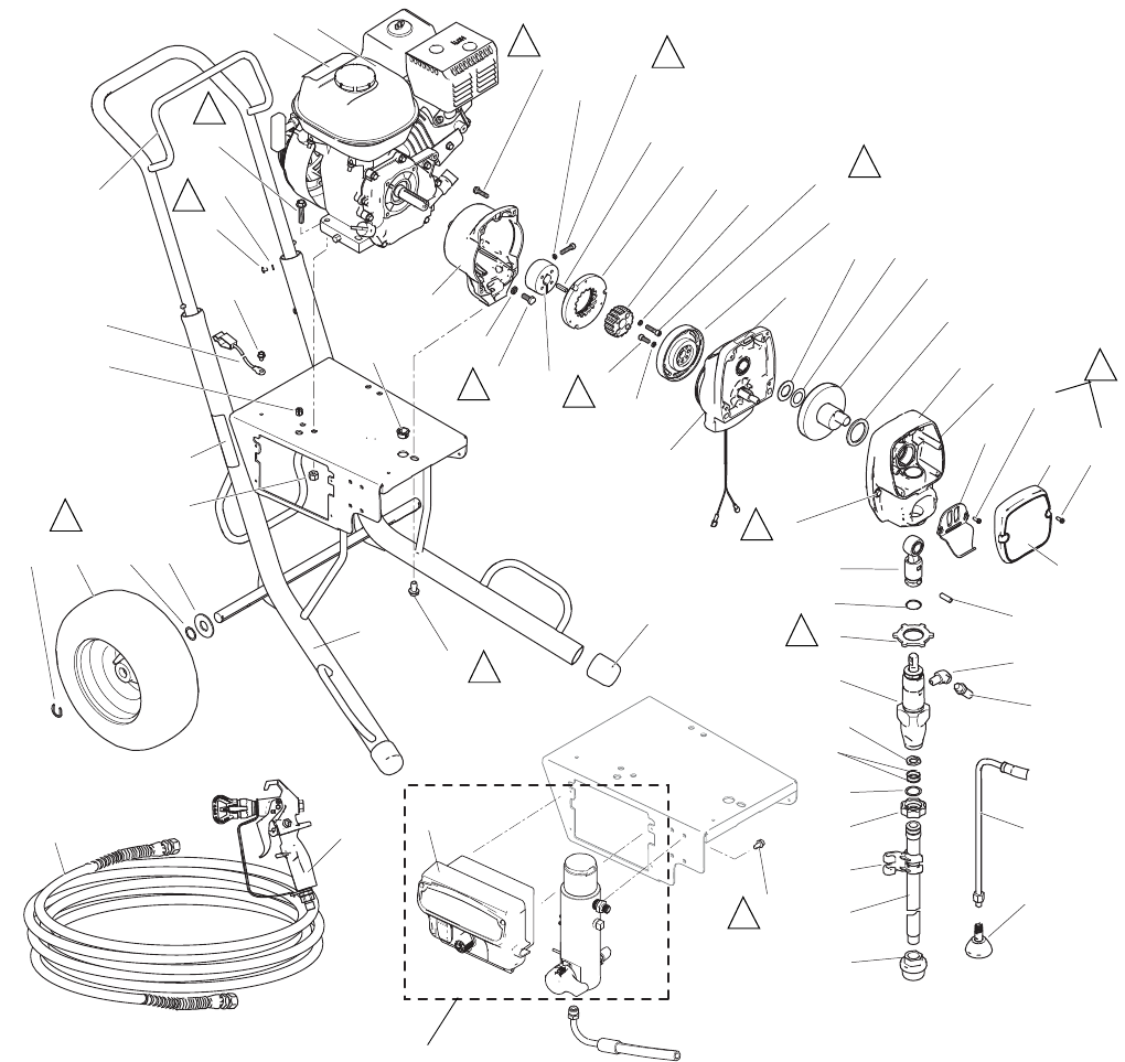
GMAX 3400 Standard Series
332921D 5
Parts List - GMAX 3400 Standard Series
Part Specifications:
Ref. Part Description Qty.
1 108879 ENGINE, gasoline, 4.0 HP 1
2 110837 SCREW, flange, hex 2
3 110838 NUT, lock 2
4 246428 PUMP, displacement, st 1
5 119789 FITTING, elbow, street, 45°, 1/4 npt 1
6 287053 ROD, connecting 1
6a 196750 SPRING, retaining 1
7 195150 NUT, jam, pump 1
8 196762 PIN, straight 1
9 15C146 HOOK, pail 1
10 117501 SCREW, mach, hex washer hd 4
11 115099 WASHER, garden hose 1
12 15E813 NUT, jam 1
13 15B652 WASHER, suction 1
14 103413 O-RING 2
15 15E805 TUBE, intake, 3400 1
16 246385 STRAINER, 7/8-14 unf 1
17 276888 CLIP, drain line 1
18 119426 SCREW, mach, hex washer hd 8
19 287411 FRAME, cart, GMAX 3400 hi 1
34 105510* WASHER, lock, spring (hi-collar) 10
35 108803 SCREW, hex, socket head 6
36 183401 KEY, parallel 1
37 193680 COLLAR, shaft 1
38 * ARMATURE, clutch, 4 in. 1
39 * HUB, armature 1
40 * ROTOR, clutch, 4 in. 1
41 101682* SCREW, cap, sch 4
46 287489 HANDLE, cart 1
48 109032 SCREW, mach, pnh 4
49 287483 HOUSING, drive, 3400 1
i
ncludes 9, 10, 18 & grease 110293
50 287376 HOUSING, pinion, 3400 1
51 15E535 HOUSING, clutch, mach, 3400 1
52 116074 WASHER, thrust 1
53 287484 CRANK, GMAX 3400 1
includes 52, 56, 57
54 244240 HOSE, coupled,
includes 55
1
55 241920 DEFLECTOR, threaded 1
56 180131 BEARING, thrust 1
57 107434 BEARING, thrust 1
59 100214 WASHER, lock 4
60 108842 SCREW, cap, hex hd 4
61 119420 WHEEL, pneumatic 2
62 287487 COVER, front, painted,
includes 10
1
64 112395 SCREW, cap, flng hd 1
67 15C871 CAP, leg 2
68 100020 WASHER, lock 4
72 237686 WIRE, ground assembly w/clamp 1
73 112798 SCREW, thread forming, hex hd 1
77 16X744 BOX, control, GMAX 3400 1
79 116038 WASHER, wave spring 2
80 156306 WASHER, flat 2
81 113161 SCREW, flange, hex hd 3
90▲194126 LABEL, warning 1
93 241926 HOSE, coupled 1
94 16X353 LABEL, brand 1
95 15E891 CLIP, retaining 2
99▲15F638 LABEL, warning 1
100 114678 BUSHING, strain relief 1
101 119569 BUSHING, strain relief 1
111▲290228 LABEL, caution 1
123 288420 GUN, contractor, RAC X, packaged 1
124 240794 HOSE, coupled, 1/4 in. x 50 ft 1
135
15F354 FUNNEL, oil (not shown) 1
149
16X983 LABEL, brand, standard 1
▲16Y631 LABEL, warning 1
▲16Y632 LABEL, warning 1
▲16Y633 LABEL, warning 1
▲
Replacement Danger and Warning Labels, Tags and
Cards are available at no cost.
*
Included in Clutch Replacement Kit 241109.
Ref. Instruction
Torque to 115-135 in-lb (12.9-15.2 N•m)
Torque to 70-80 ft-lb (94.9-108.4 N•m)
Torque to 130-150 in-lb (14.6-16.9 N•m)
Torque to 17-23 ft-lb (23.0-31.1 N•m)
Inflate tires to 28-32 psi (1.93-2.21
bar/0.193-0.221 MPa)
Torque to 25-35 in-lb (2.8-3.9 N•m)
Torque to 30-35 in-lb (3.3-3.9 N•m)
Torque to 170-190 in-lb (19.2-21.4 N•m)
Ref. Part Description Qty.
10
12
14
16
17
18
19
37

GMAX II 3900 Standard Series/Rental Pro 360G
6332921D
GMAX II 3900 Standard Series/Rental Pro 360G
46
10 33
67
30
11
12
51
16
16
52
50
52
66
13
72 46
14a
14b
53
55
52
56
47 16
16
17
149
42
18
7
8
40
93
19
86
100
96
85
92
308a
310
308
3
4
6114
101
36
122
27
11915
49
48
83
131
49
130
120
126
65
134
121
157
99
18
95
136
64
14
128
158
137
129
159
ti22995a
Bottom View
See pages 37 and 40
5
44
14
10
10
31
18
24
49
14
24 14
14
10
33
46
47
44

GMAX II 3900 Standard Series/Rental Pro 360G
332921D 7
Parts List - GMAX II 3900 Standard Series/Rental Pro 360G
Part Specifications:
Ref. Part Description Qty.
3 237686 WIRE, ground assembly w/ clamp 1
4 112798 SCREW, thread forming, hex hd 1
6 15C871 CAP, leg 2
7 110837 SCREW, flange, hex 2
8 110838 NUT, lock 2
10 183401 KEY, parallel 1
11 15E535 HOUSING, clutch, machine 1
12 193680 COLLAR, shaft 1
13 287463 HOUSING, pinion, 3900 1
14 287467 HOUSING, drive, 3900,
includes 14a,
14b
1
14a 116191 WASHER, thrust 1
14b 107089 WASHER, race, thrust 1
15 112395 SCREW, cap, flng hd 1
16 119426 SCREW, mach, hex washer hd 10
17 16Y747 COVER, front, (includes 18) 1
18 118444 SCREW, mach, slot hex wash hd 6
19 16Y598 PUMP, displacement,
includes 85, 92,
95
1
27 189920 STRAINER, (1-11 1/2 NPSM) 1
30 108879 ENGINE, gasoline, 4.0 HP 1
33 113467 SCREW, cap, socket hd 4
36 114678 BUSHING, strain relief 1
40 24V026 HOUSING, bearing 1
42▲194126 LABEL, warning 1
46 114699 WASHER, thrust 2
47 114672 WASHER, thrust 1
48 108842 SCREW, cap, hex hd 4
49 100214 WASHER, lock 8
50† 108803 SCREW, hex, socket head 6
51† HUB, armature 1
52† 105510 WASHER, lock, spring (hi-collar) 10
53 287653 GEAR, combination 1
55† ROTOR, clutch, 4 in. 1
56† 101682 SCREW, cap, sch 4
64 241920 DEFLECTOR, threaded 1
65▲15F638 LABEL, warning fire and skin, GMAX 1
66† ARMATURE, clutch, 4 in. 1
67 244240 HOSE, coupled,
includes 64
1
72 15F250 WASHER, thrust 1
83 15F855 PIN, pump 1
85 15E807 TUBE, intake 1
86 287411 FRAME, standard, cart 1
92 118494 PACKING, o-ring 1
93 241008 ROD, connecting 1
95 196178 FITTING 1
96 156306 WASHER, flat 2
99 16C457 HANGER, pail 1
100 119420 WHEEL, pneumatic 2
101 113161 SCREW, flange, hex hd 3
114 16X822 BOX, control 1
119 15E891 CLIP, retaining 2
120 111040 NUT, lock, insert, nylon 2
121 16X770 SHIELD, pump rod 1
122▲290228 LABEL, caution 1
126 116038 WASHER, wave spring 2
128 16X909 HOSE, coupled 1
129 119579 CONDUCTOR, ground 1
130 119676 SPRING, retaining 1
131 119569 BUSHING, strain relief 1
134 278204 CLIP, drain line 1
135 15F354 FUNNEL, oil (not shown) 1
136 16X348 LABEL, front, 3900 1
16X359 LABEL, front, 360G 1
137 114687 CLIP, retainer 1
149 16X983 LABEL, standard series 1
157 192723 NUT, retaining 1
158 240794 HOSE, coupled, 1/4 in. x 50 ft 1
159 288420 GUN, contractor, RAC X,
packaged
1
308 109032 SCREW, mach, pnh 4
308a 100020 WASHER, lock 4
310 287489 HANDLE, cart 1
▲16Y631 LABEL, warning 1
▲16Y632 LABEL, warning 1
▲16Y633 LABEL, warning 1
▲
Replacement Danger and Warning Labels, Tags and Cards
are available at no cost.
†
Included in Clutch Replacement Kit 241109.
Ref. Instruction
Torque to 190-210 in-lb (21.4-23.7 N•m)
Torque to 115-135 in-lb (12.9-15.2 N•m)
Torque to 130-150 in-lb (14.6-16.9 N•m)
Inflate tires to 28-32 psi (1.93-2.21
bar/0.193-0.221 MPa)
Torque to 17-23 ft-lb (23.0-31.1 N•m)
Torque to 25-35 in-lb (2.8-3.9 N•m)
Torque to 70-90 in-lb (7.9-10.1 N•m)
Torque to 30-35 in-lb (3.3-3.9 N•m)
Torque to 70-80 ft-lb (94.9-108.4 N•m)
Torque to 200-230 in-lb (22.5-25.9 N•m)
Torque to 170-190 in-lb (19.2-21.4 N•m)
Ref. Part Description Qty.
5
10
14
18
24
31
33
44
46
47
49

GMAX II 3900 Lo-Boy Series
8332921D
GMAX II 3900 Lo-Boy Series
177
176
171
175
10 52 50
16
86
96
126
100
119
6
36131
34
8
30
7
11
15
49
48
16
12 51
66
52 50
13
55 122
52
56
72
46 53
46
47
16
40
24
33
93
17
18
19
95
39
149
136
65
172
173
52
174
112
111
110
14
14a
14b
128
42
114
101
130
137
129
71 158
ti22996a
See pages 37 and 40
Bottom View
42 29
31
27
31
31
32
28
29
40
44
27
12
43
33
29
29
See page 34
23

GMAX II 3900 Lo-Boy Series
332921D 9
Parts List - GMAX II 3900 Lo-Boy Series
Part Specifications:
Ref. Part Description Qty.
3 237686 WIRE, ground assembly w/ clamp 1
4 112798 SCREW, thread forming, hex hd 1
6 276974 CAP, leg 2
7 110837 SCREW, flange, hex 2
8 110838 NUT, lock 2
10 183401 KEY, parallel 1
11 15E535 HOUSING, clutch, machine 1
12 193680 COLLAR, shaft 1
13 287463 HOUSING, pinion, 3900 1
14 287467 HOUSING, drive, 3900,
includes
14a, 14b
1
14a 116191 WASHER, thrust 1
14b 107089 WASHER, race, thrust 1
15 112395 SCREW, cap, flng hd 1
16 119426 SCREW, mach, hex washer hd 10
17 16Y747 COVER, front, 3900 (includes 18) 1
18 118444 SCREW, mach, slot hex wash hd 4
19 16X414 PUMP, displacement 3900,
includes 85, 92, 95
1
24 104008 WASHER, lock, spring 4
30 108879 ENGINE, gasoline, 4.0 HP 1
33 113467 SCREW, cap, socket hd 4
36 114678 BUSHING, strain relief 1
39 107505 PACKING, o-ring 1
40 24V087 HOUSING, bearing 3900 1
42▲194126 LABEL, warning 1
46 114699 WASHER, thrust 2
47 114672 WASHER, thrust 1
48 108842 SCREW, cap, hex hd 4
49 100214 WASHER, lock 4
50† 108803 SCREW, hex, socket head 6
51† HUB, armature 1
52† 105510 WASHER, lock, spring (hi-collar) 12
53 287653 GEAR, combination 3900 1
55† ROTOR, clutch, 4 in. 1
56† 101682 SCREW, cap, sch 4
65▲15F638 LABEL, GMAX warning fire
and skin
1
66† ARMATURE, clutch, 4 in. 1
71 240794 HOSE, coupled, 1/4 in. x 50 ft 1
72 15F250 WASHER, thrust 1
86 16Y519 FRAME 1
93 24V084 ROD, connecting 3900 1
95 16Y579 FITTING 1
96 156306 WASHER, flat 2
100 119509 WHEEL, pneumatic 2
101 113161 SCREW, flange, hex hd 3
110 109032 SCREW, mach, pnh 4
111 100020 WASHER, lock, 3900 only 4
112 16Y780 HANDLE, cart 1
114 16X822 BOX, control 1
119 15E891 CLIP, retaining 2
122▲290228 LABEL, caution 1
126 116038 WASHER, wave spring 2
128 16X950 HOSE, coupled 1
129 119579 CONDUCTOR, ground 1
130 122533 FITTING, 45 deg 1
131 119569 BUSHING, strain relief 1
136 16X348 LABEL, front, GMAX II 3900 1
137 114687 CLIP, retainer 1
149 16X979 LABEL, ProConnect 1
158 288420 GUN, contractor, RAC X,
packaged
1
171 16X228 PLATE, front, 3900, PC II 1
172 16X322 CLAMP, pump, small 1
173 101550 SCREW, cap, sch 2
174 16C457 HANGER, pail 1
175 111040 NUT, lock, insert, nylock, 5/16 2
176 120583 NUT, hand 1
177 16X833 FITTING, quick disconnect, 3/8
npsm
1
▲16Y631 LABEL, warning 1
▲16Y632 LABEL, warning 1
▲16Y633 LABEL, warning 1
▲
Replacement Danger and Warning Labels, Tags and Cards
are available at no cost.
†
Included in Clutch Replacement Kit 241109.
Ref. Instruction
Inflate tires to 28-32 psi (1.93-2.21
bar/0.193-0.221 MPa)
Torque clamp adjustment bolt to 90-110 in-lb
(10.1-12.4 N•m) with reference 19 installed and
ProConnect in locked position.
Torque to 17-23 ft-lb (23.0-31.1 N•m)
Torque to 190-210 in-lb (21.4-23.7 N•m)
Torque to 115-135 in-lb (12.9-15.2 N•m)
Torque to 130-150 in-lb (14.6-16.9 N•m)
Torque to 30-45 in-lb (3.3-5.0 N•m)
Torque to 90-110 in-lb (10.1-12.4 N•m)
Torque to 60-65 in-lb (6.7-7.3 N•m)
Torque to 170-190 in-lb (19.2-21.4 N•m)
Torque to 200-230 in-lb (22.5-25.9 N•m)
Torque to 25-35 in-lb (2.8-3.9 N•m)
Ref. Part Description Qty.
12
23
27
28
29
31
32
33
40
42
43
44

GMAX II 3900 ProContractor Series
10 332921D
GMAX II 3900 ProContractor Series
48
49
10
11
6
16
12 52
52
50
51
66 52
13
122
55
52
56
16
72
46
53
46
47
16
164
132
133 40 24
33
93
17
18
134
19
95
177
176
39
128
67
64
136
149
94
62
172
171
174
175 173
45
14b
14
14a
7
36
131
30
42
3
4
65
84
15
137
86
151
9
150
129
18
101
79
80
114
99
2
8
96
126
119
100
92
85
27
ti23022a
Bottom View
See pages 35 and 40
See page 42
29
31
31
32
28
33
26
30
12
27
42
25
27
31
35
29
43
50
29
37
29
24
15

GMAX II 3900 ProContractor Series
332921D 11
Parts List - GMAX II 3900 ProContractor Series
Part Specifications:
Ref. Part Description Qty.
2 16C384 TUBE, 3900 1
3 237686 WIRE, ground assembly w/ clamp 1
4 112798 SCREW, thread forming, hex hd 1
6 15C871 CAP, leg 2
7 110837 SCREW, flange, hex 2
8 110838 NUT, lock 2
9 288420 GUN, contractor, RAC X, packaged 1
10 183401 KEY, parallel 1
11 15E535 HOUSING, clutch, machine 1
12 193680 COLLAR, shaft 1
13 287463 HOUSING, pinion, 3900 1
14 287467 HOUSING, drive, 3900,
includes 14a, 14b
1
14a 116191 WASHER, thrust 1
14b 107089 WASHER, race, thrust 1
15 112395 SCREW, cap, flng hd 1
16 119426 SCREW, mach, hex washer hd 10
17 16Y747 COVER, front, 3900,
includes 18
1
18 118444 SCREW, mach, slot hex wash hd 5
19 16X414 PUMP, displacement 3900,
includes 85, 92,
95
1
24 104008 WASHER, lock, spring 4
27 189920 STRAINER, (1-11 1/2 NPSM) 1
30 108879 ENGINE, gasoline, 4.0 HP 1
33 113467 SCREW, cap, socket hd 4
36 114678 BUSHING, strain relief 1
39 107505 PACKING, o-ring 1
40 24V087 HOUSING, bearing 3900 1
42▲194126 LABEL, warning 1
45 116618 MAGNET 1
46 114699 WASHER, thrust 2
47 114672 WASHER, thrust 1
48 108842 SCREW, cap, hex hd 4
49 100214 WASHER, lock 4
50† 108803 SCREW, hex, socket head 6
51† HUB, armature 1
52† 105510 WASHER, lock, spring (hi-collar) 12
53 287653 GEAR, combination 3900 1
55† ROTOR, clutch, 4 in. 1
56† 101682 SCREW, cap, sch 4
62 LABEL, USA made with Honda 1
64 241920 DEFLECTOR, threaded 1
65▲15F638 LABEL, GMAX warning fire and skin 1
66† ARMATURE, clutch, 4 in. 1
67 244240 HOSE, coupled,
includes 64
1
72 15F250 WASHER, thrust 1
79 287253 TOOL BOX,
includes 94
1
80 118852 SCREW, thd forming, hex washer hd 3
85 15E807 TUBE, intake 1
84 278083 GUIDE, hose, 1
86 24D045 FRAME, hose reel 1
92 118494 PACKING, o-ring 1
93 24V084 ROD, connecting 3900 1
94 117633 SCREW, slot hex wash hd 2
95 16Y579 FITTING 1
96 156306 WASHER, flat 2
99 125926 FITTING, 90 deg 1
100 119420 WHEEL, pneumatic 2
101 113161 SCREW, flange, hex hd 3
114 16X821 BOX, control 1
119 15E891 CLIP, retaining 2
122▲290228 LABEL, caution 1
126 116038 WASHER, wave spring 2
128 16X904 HOSE, coupled 1
129 119579 CONDUCTOR, ground 1
131 119569 BUSHING, strain relief 1
132 119562 SWITCH, reed w/connector 1
133 114528 SCREW, mach, phillips, pnhd 2
134 16X203 CLIP, drain line 1
135 15F354 FUNNEL, oil (not shown) 1
136 16X348 LABEL, front, GMAX II 3900 1
137 114687 CLIP, retainer 1
149 16X981 LABEL, Proconnect 1
150 162453 NIPPLE, 1/4 npsm x 1/4 npt 1
151 240794 HOSE, coupled, 1/4 in x 50 ft 2
164 15F947 SHIELD, magnetic 1
171 16X228 PLATE, front, 3900, PC II 1
172 16X322 CLAMP, pump, small 1
173 101550 SCREW, cap, sch 2
174 16C457 HANGER, pail 1
175 111040 NUT, lock, insert, nylock, 5/16 2
176 120583 NUT, hand 1
177 16X833 FITTING, quick disconnect, 3/8 npsm 1
▲16Y631 LABEL, warning 1
▲16Y632 LABEL, warning 1
▲16Y633 LABEL, warning 1
▲
Replacement Danger and Warning Labels, Tags and Cards
are available at no cost.
†
Included in Clutch Replacement Kit 241109.
Ref. Instruction
Inflate tires to 28-32 psi (1.93-2.21
bar/0.193-0.221 MPa)
Torque clamp adjustment bolt to 90-110 in-lb
(10.1-12.4 N•m) with reference 19 installed and
ProConnect in locked position.
Torque to 38-42 ft-lb (51.5-56.9 N•m)
Torque to 120-130 in-lb (13.5-14.6 N•m)
Torque to 40-45 in-lb (4.5-5.0 N•m)
Torque to 17-23 ft-lb (23.0-31.1 N•m)
Torque to 190-210 in-lb (21.4-23.7 N•m)
Torque to 115-135 in-lb (12.9-15.2 N•m)
Torque to 30-40 in-lb (3.3-4.5 N•m)
Torque to 130-150 in-lb (14.6-16.9 N•m)
Torque to 30-45 in-lb (3.3-5.0 N•m)
Torque to 90-110 in-lb (10.2-12.4 N•m)
Torque to 8-12 in-lb (0.9-1.35 N•m)
Torque to 70-90 in-lb (7.9-10.1 N•m)
Torque to 170-190 in-lb (19.2-21.4 N•m)
Torque to 200-230 in-lb (22.5-25.9 N•m)
Ref. Part Description Qty.
12
15
24
25
26
27
28
29
30
31
32
33
35
37
42
43

GMAX II 5900/5900HD Standard Series
12 332921D
GMAX II 5900/5900HD Standard Series
19
21 20
22 18
26 24
23
27
24
28
33a
33
30
31
32
30
38 44
146
45
310
37
38
38
35
2
143
14
16
11
12
30840
45
105
43
107
141
47
47
90
89
24 23
25
4241
3
76
482
82
79
163
69
127
119
120
121
15
133
132
172
86
86
142
45
87
87
68
29
122
33b
17
164
182
181
165
164
130
99
100
184
165
1
ti22990a
5900HD
See pages 37 and 40
10
24 22
53
19
19
24
19
52
10
50
14
5
10
5
46
45
18
10

GMAX II 5900/5900HD Standard Series
332921D 13
Parts List - GMAX II 5900/5900HD Standard Series
Part Specifications:
Ref. Part Description Qty.
1 287370 FRAME, standard, cart 1
2 156306 WASHER, flat 2
3 119509 WHEEL, pneumatic 2
4 15E891 CLIP, retaining 2
11 237686 WIRE, ground assembly w/ clamp 1
12 112798 SCREW, thread forming, hex hd 1
14 276974 CAP, leg 2
15 114530 ENGINE, gas, 5.5 HP, Honda 1
16 110837 SCREW, flange, hex 2
17 110838 NUT, lock 2
18 183401 KEY, parallel 1
19 15E277 HOUSING, clutch, mach 5900/7900 1
20 108842 SCREW, cap, hex hd 4
21 100214 WASHER, lock 4
22 193680 COLLAR, shaft 1
23† 108803 SCREW, hex, socket head 6
24† 105510 WASHER, lock, spring (hi-collar) 10
25† ARMATURE, clutch, 5 in. 1
26† HUB, armature 1
27† ROTOR, clutch, 5 in. 1
28† 101682 SCREW, cap, sch 4
29 287465 HOUSING, pinion, 5900 1
30 114672 WASHER, thrust 2
31 114699 WASHER, thrust 1
32 287460 GEAR, combination, 5900 1
33 287469 HOUSING, drive, 5900,
includes 33a, 33b
1
33a 116192 WASHER, thrust 1
33b 194173 WASHER 1
35 112395 SCREW, cap, flng hd 1
37 104008 WASHER, lock, spring 4
38 15C753 SCREW, mach, hex wash hd 6
40 24V027 HOUSING, bearing, 5900 1
41 114666 SCREW, cap, socket head 4
42 106115 WASHER, lock (hi-collar) 4
43 24V021 ROD, connecting, 5900 1
44 16Y748 COVER, front, 5900,
includes 45
1
45 118444 SCREW, mach, slot hex wash hd 8
47 PUMP, displacement
16Y706 5900,
includes 86, 89, 90
1
16X429 5900HD,
includes 86
1
68 244240 HOSE, coupled,
includes 69
1
69 241920 DEFLECTOR, threaded 1
76 114678 BUSHING, strain relief 1
79 278204 CLIP, drain line 1
82 189920 STRAINER, (1-11 1/2 NPSM) 1
86 FITTING 1
196178 5900
16X834 5900HD
87 HOSE, coupled 1
16X909 5900
16X905 5900HD
89 248215 TUBE, intake 1
90 118494 PACKING, o-ring 1
99 113161 SCREW, flange, hex hd 3
100 125926 FITTING, 90 deg (5900HD) 1
105 111040 NUT, lock, insert, nylock, 5/16 2
107 15F856 PIN, pump, 5900 1
119 LABEL, front, GMAX II 5900
16X349 5900 1
16X352 5900HD 1
120▲15F638 LABEL, GMAX warning fire & skin 1
121▲194126 LABEL, warning 1
122▲290228 LABEL, caution 1
127 119569 BUSHING, strain relief 1
130 16X822 BOX, control 1
132 119778 SPRING, retaining 1
133 114687 CLIP, retainer 1
141 193031 NUT, retaining 1
142 16C457 HANGER, pail 1
143 116038 WASHER, wave spring 2
146 16X983 LABEL, standard series 1
155 15F354 FUNNEL, oil (not shown) 1
160 102982 PACKING, o-ring, 5900HD 1
163 16X770 SHIELD, pump rod 1
164 240794 HOSE, coupled, 1/4 in. x 50 ft, 5900 1
240797 HOSE, coupled, 3/8 in. x 50ft, 5900HD 1
165 288420 GUN, contractor, RAC X,
packaged, 5900
1
241705 GUN, spray, texture, 5900HD 1
172 15C762 SHIELD, pump rod 1
181 241735 HOSE, cpld, 1/4 in. x 3 ft, 5900HD 1
182 159841 BUSHING, 7250 psi, 3/8 in. x 1/4 in.,
5900HD
1
184 189018 SWIVEL, assembly, 5900HD 1
308 108795 SCREW, mach, pnh 4
310 24A250 HANDLE, cart (standard only) 1
▲16Y631 LABEL, warning 1
▲16Y632 LABEL, warning 1
▲16Y633 LABEL, warning 1
▲
Replacement Danger and Warning Labels, Tags and Cards
are available at no cost.
†
Included in Clutch Replacement Kit 241113.
Ref. Instruction
Torque to 190-210 in-lb (21.5-23.7 N•m)
Torque to 115-135 in-lb (12.9-15.3 N•m)
Torque to 130-150 in-lb (14.7-16.9 N•m)
Inflate tires to 28-32 psi (1.93-2.21
bar/0.193-0.221 MPa)
Torque to 30-35 in-lb (3.4-3.9 N•m)
Torque to 70-90 in-lb (7.9-10.2 N•m)
Torque to 23-29 ft-lb (31.2-39.3 N•m)
Torque to 25-35 in-lb (2.8-3.9 N•m)
Torque to 17-23 ft-lb (23.1-31.2 N•m)
Torque to 170-190 in-lb (19.2-21.5 N•m)
Torque to 200-230 in-lb (22.6-25.9 N•m)
Torque to 75 +/- 5 ft-lb (101.7 +/- 6.8 N•m)
Ref. Part Description Qty.
5
10
14
18
19
22
24
45
46
50
52
53

GMAX II 5900 Lo-Boy Series
332921D 15
Parts List - GMAX II 5900 Lo-Boy Series
Part Specifications:
Ref. Part Description Qty.
1 16Y519 FRAME, cart 1
2 156306 WASHER, flat 2
3 119509 WHEEL, pneumatic 2
4 15E891 CLIP, retaining 2
7 240794 HOSE, coupled, 1/4 in. x 50 ft 1
11 237686 WIRE, ground assembly w/ clamp 1
12 112798 SCREW, thread forming, hex hd 1
14 276974 CAP, leg 2
15 114530 ENGINE, gas, 5.5 HP, Honda 1
16 110837 SCREW, flange, hex 2
17 110838 NUT, lock 2
18 183401 KEY, parallel 1
19 15E277 HOUSING, clutch, mach
5900/7900
1
20 108842 SCREW, cap, hex hd 4
21 100214 WASHER, lock 4
22 193680 COLLAR, shaft 1
23† 108803 SCREW, hex, socket head 6
24† 105510 WASHER, lock, spring (hi-collar) 12
25† ARMATURE, clutch, 5 in. 1
26† HUB, armature 1
27† ROTOR, clutch, 5 in. 1
28† 101682 SCREW, cap, sch 4
29 287465 HOUSING, pinion, 5900 1
30 114672 WASHER, thrust 2
31 114699 WASHER, thrust 1
32 287460 GEAR, combination, 5900 1
33 287469 HOUSING, drive, 5900,
includes
33a, 33b
1
33a 116192 WASHER, thrust 1
33b 194173 WASHER 1
35 112395 SCREW, cap, flng hd 1
36 102962 SCREW, cap sch 4
37 104008 WASHER, lock, spring 4
38 15C753 SCREW, mach, hex wash hd 6
40 24V088 HOUSING, bearing, 5900 1
41 114666 SCREW, cap, socket head 4
42 106115 WASHER, lock (hi-collar) 4
43 24V085 ROD, connecting, 5900 1
44 16Y748 COVER, front, 5900,
includes 45
1
45 118444 SCREW, mach, slot hex wash hd 4
47 16X419 PUMP, displacement, 5900,
includes 86
1
76 114678 BUSHING, strain relief 1
86 15J413 FITTING 1
87 16X950 HOSE, coupled 1
88 122533 FITTING, 45 deg 1
99 113161 SCREW, flange, hex hd 3
112 16Y780 HANDLE, cart 1
119 16X349 LABEL, front, GMAX II 5900 1
120▲15F638 LABEL, GMAX warning fire & skin 1
121▲194126 LABEL, warning 1
122▲290228 LABEL, caution 1
127 119569 BUSHING, strain relief 1
130 16X822 BOX, control 1
132 109032 SCREW, mach, pnh 4
133 114687 CLIP, retainer 1
143 116038 WASHER, wave spring 2
146 16X979 LABEL, Proconnect 1
157 288420 GUN, contractor, RAC X,
packaged
1
160 107505 PACKING, o-ring 1
171 16X385 PLATE, front, ProConnect II,
5900 Lo-Boy
1
172 16X324 CLAMP, pump, large,
5900 Lo-Boy
1
173 101550 SCREW, cap, sch, 5900 Lo-Boy 2
174 16C457 HANGER, pail, 5900 Lo-Boy 1
175 111040 NUT, lock, insert, nylock, 5/16
5900 Lo-Boy
2
176 120583 NUT, hand, 5900 Lo-Boy 1
177 16X833 FITTING, quick disconnect, 3/8
npsm, 5900 Lo-Boy
1
▲16Y631 LABEL, warning 1
▲16Y632 LABEL, warning 1
▲16Y633 LABEL, warning 1
▲
Replacement Danger and Warning Labels, Tags and Cards
are available at no cost.
†
Included in Clutch Replacement Kit 241113.
Ref. Instruction
Inflate tires to 28-32 psi (1.93-2.21 bar/0.193-0.221 MPa)
Torque clamp adjustment bolt to 140-160 in-lb (15.8-18.1
N•m) with reference 47 installed and ProConnect in locked
position.
Torque to 17-23 ft-lb (23.1-31.2 N•m)
Torque to 190-210 in-lb (21.5-23.7 N•m)
Torque to 115-135 in-lb (12.9-15.3 N•m)
Torque to 23-29 ft-lb (31.2-39.3 N•m)
Torque to 130-150 in-lb (14.7-16.9 N•m)
Torque to 30-45 in-lb (3.9-5.1 N•m)
Torque to 90-110 in-lb (10.2-12.4 N•m)
Torque to 25-35 in-lb (2.8-3.9 N•m)
Torque to 170-190 in-lb (19.2-21.5 N•m)
Torque to 200-230 in-lb (22.6-25.9 N•m)
Ref. Part Description Qty.
12
23
27
28
29
30
31
32
33
37
42
43

GMAX II 5900/5900HD ProContractor Series
16 332921D
GMAX II 5900/5900HD ProContractor Series
24
173
37
36
100
101
1921 20 22
18
26 24 23
25
35
27
24
33
33a
33b
30
31
32
30
38
40
43
44
119
45
47
2
143
14
90
89
24
23
42
41
3
4
82
79
69
39
108
34
146
164
177
160
176
87
171
174
175
172
2829
68
45
86
16
122
121 15
1
17
11
12
76
127
133
120
151
9
150
152
151
153
9
155
154
99
5
93
94
130
38
98
ti23024a
See pages 35 and 40
See page 42
29
28
31 43
12
25
30
29
35
32
30
32
37
29
42
33
27
26
29
24
28
5900
5900HD
23

GMAX II 5900/5900HD ProContractor Series
332921D 17
Parts List - GMAX II 5900/5900HD ProContractor Series
Part Specifications:
Ref. Part Description Qty.
1 24D047 FRAME, hose reel, cart 1
2 156306 WASHER, flat 2
3 119509 WHEEL, pneumatic 2
4 15E891 CLIP, retaining 2
5 16C381 TUBE, hydraulic, GMAX 5900/7900 1
9 288420 GUN, contractor, RAC X,
packaged, 5900
1
241705 GUN, spray, texture, 5900HD 1
11 237686 WIRE, ground assembly w/ clamp 1
12 112798 SCREW, thread forming, hex hd 1
14 276974 CAP, leg 2
15 114530 ENGINE, gas, 5.5 HP, Honda 1
16 110837 SCREW, flange, hex 2
17 110838 NUT, lock 2
18 183401 KEY, parallel 1
19 15E277 HOUSING, clutch, mach, 5900/7900 1
20 108842 SCREW, cap, hex hd 4
21 100214 WASHER, lock 4
22 193680 COLLAR, shaft 1
23† 108803 SCREW, hex, socket head 6
24† 105510 WASHER, lock, spring (hi-collar) 12
25† ARMATURE, clutch, 5 in. 1
26† HUB, armature 1
27† ROTOR, clutch, 5 in. 1
28† 101682 SCREW, cap, sch 4
29 287465 HOUSING, pinion, 5900 1
30 114672 WASHER, thrust 2
31 114699 WASHER, thrust 1
32 287460 GEAR, combination, 5900 1
33 287469 HOUSING, drive, 5900,
includes 33a, 33b
1
33a 116192 WASHER, thrust 1
33b 194173 WASHER 1
34 116618 MAGNET 1
35 112395 SCREW, cap, flng hd 1
36 102962 SCREW, cap sch 4
37 104008 WASHER, lock, spring 4
38 15C753 SCREW, mach, hex wash hd 6
39 119562 SWITCH, reed w/connector 1
40 24V088 HOUSING, bearing, 5900 1
41 114666 SCREW, cap, socket head 4
42 106115 WASHER, lock (hi-collar) 4
43 24V085 ROD, connecting, 5900 1
44 16Y748 COVER, front, 5900,
includes 45
1
45 118444 SCREW, mach, slot hex wash hd 5
47 PUMP, displacement
16X419 5900 (includes 86, 89, 90) 1
16X421 5900HD,
includes 86
1
68 244240 HOSE, coupled,
includes 69
1
69 241920 DEFLECTOR, threaded 1
76 114678 BUSHING, strain relief 1
79 16X203 CLIP, drain line 1
82 189920 STRAINER, (1-11 1/2 NPSM) 1
86 FITTING, pump, QD 1
16Y579 5900
16X834 5900HD
87 HOSE, coupled 1
16X904 3/8 in., 5900
16X905 1/2 in., 5900HD
89 248215 TUBE, intake 1
90 118494 PACKING, o-ring 1
93 287253 TOOL BOX,
includes 94
1
94 118852 SCREW, thd forming, hex washer hd 3
98 125926 FITTING, 90 deg 1
99 113161 SCREW, flange, hex hd 3
100 278083 GUIDE, hose 1
101 117633 SCREW, slot hex wash hd 2
108 114528 SCREW, mach, phillips, pnhd 2
119 LABEL, front, GMAX II, 5900
16X349 5900 1
16X352 5900HD 1
120
▲
15F638 LABEL, GMAX warning fire & skin 1
121
▲
194126 LABEL, warning 1
122
▲
290228 LABEL, caution 1
127 119569 BUSHING, strain relief 1
130 16X821 BOX, control 1
133 114687 CLIP, retainer 1
134 15F354 FUNNEL, oil (not shown) 1
143 116038 WASHER, wave spring 2
146 16X981 LABEL, Proconnect 1
150 162453 NIPPLE, 1/4 npsm x 1/4 npt, 5900 1
151 240794 HOSE, coupled, 1/4 in. x 50 ft
5900
2
240797 HOSE, coupled, 3/8 in. x 50 ft, 5900HD 2
152 162485 ADAPTER, nipple, 5900HD 1
153 241735 HOSE, cpld, 1/4 in. x 3 ft, 5900HD 1
154 159841 BUSHING, 7250 psi, 3/8 x 1/4 in.
5900HD
1
155 189018 SWIVEL, assembly, 5900HD 1
160 PACKING, o-ring 1
107505 5900
102982 5900HD
164 15F947 SHIELD, magnetic 1
171 16X385 PLATE, front, 5900, PC II 1
172 16X324 CLAMP, pump, large 1
173 101550 SCREW, cap, sch 2
174 16C457 HANGER, pail 1
175 111040 NUT, lock, insert, nylock, 5/16 2
176 120583 NUT, hand 1
177 16X833 FITTING, quick disconnect, 3/8 npsm 1
▲16Y631 LABEL, warning 1
▲16Y632 LABEL, warning 1
▲16Y633 LABEL, warning 1
▲
Replacement Danger and Warning Labels, Tags and Cards are avail-
able at no cost.
†
Included in Clutch Replacement Kit 241113.
Ref. Instruction
Inflate tires to 28-32 psi (1.93-2.21 bar/0.193-0.221 MPa)
Torque clamp adjustment bolt to 140-160 in-lb (15.8-18.1
N•m) with reference 47 installed and ProConnect in locked
position.
Torque to 38-42 ft-lb (51.5-56.9 N•m)
Torque to 120-130 in-lb (13.6-14.7 N•m)
Torque to 40-45 in-lb (4.5-5.1 N•m)
Torque to 17-23 ft-lb (23.1-31.2 N•m)
Torque to 190-210 in-lb (21.5-23.7 N•m)
Torque to 115-135 in-lb (12.9-15.3 N•m)
Torque to 23-29 ft-lb (31.2-39.3 N•m)
Torque to 130-150 in-lb (14.7-15.9 N•m)
Torque to 30-45 in-lb (3.4-5.1 N•m)
Torque to 90-110 in-lb (10.2-12.4 N•m)
Torque to 8-12 in-lb (0.9-1.4 N•m)
Torque to 70-90 in-lb (7.9-10.2 N•m)
Torque to 170-190 in-lb (19.2-21.2 N•m)
Torque to 200-230 in-lb (22.6-25.9 N•m)
Ref. Part Description Qty.
12
23
24
25
26
27
28
29
30
31
32
33
35
37
42
43

GMAX II 5900 IronMan Series
18 332921D
GMAX II 5900 IronMan Series
23
19
26 24
29
38
27
24
28
33
30
31
32
30
38
40
43
44
45
45
47
2
143
90
42
41
4
82
68
69
127
39
34
86
177
160
176
87
24
174
175
33a
33b
15
21 20
22
18
25
1
37
36
14
16
17
11
12
89
24
3
76
122
121 146
35
164
120
119
108
79
171
172
173
157 181180
182
184
98
99
130
133
ti23025a
See pages 35 and 40.
29
28
28
31
33 32
30
26
37
29
42
27
30
35
43
29
23

GMAX II 5900 IronMan Series
332921D 19
Parts List - GMAX II 5900 IronMan Series
Part Specifications:
Ref. Part Description Qty.
1 16X778 FRAME, cart 1
2 156306 WASHER, flat 2
3 122267 WHEEL, pneumatic 2
4 120211 CLIP, retaining 2
11 237686 WIRE, ground assembly w/ clamp 1
12 112798 SCREW, thread forming, hex hd 1
14 15C871 CAP, leg 2
15 114530 ENGINE, gas, 5.5 HP, Honda 1
16 110837 SCREW, flange, hex 2
17 110838 NUT, lock 2
18 183401 KEY, parallel 1
19 15E277 HOUSING, clutch, mach, 5900/7900 1
20 108842 SCREW, cap, hex hd 4
21 100214 WASHER, lock 4
22 193680 COLLAR, shaft 1
23† 108803 SCREW, hex, socket head 6
24† 105510 WASHER, lock, spring (hi-collar) 12
25† ARMATURE, clutch, 5 in. 1
26† HUB, armature 1
27† ROTOR, clutch, 5 in. 1
28† 101682 SCREW, cap, sch 4
29 287465 HOUSING, pinion, 5900 1
30 114672 WASHER, thrust 2
31 114699 WASHER, thrust 1
32 287460 GEAR, combination, 5900 1
33 287469 HOUSING, drive, 5900,
includes 33a,
33b
1
33a 116192 WASHER, thrust 1
33b 194173 WASHER 1
34 116618 MAGNET 1
35 112395 SCREW, cap, flng hd 1
36 102962 SCREW, cap sch 4
37 104008 WASHER, lock, spring 4
38 15C753 SCREW, mach, hex wash hd 6
39 119562 SWITCH, reed w/connector 1
40 24V088 HOUSING, bearing, 5900 1
41 114666 SCREW, cap, socket head 4
42 106115 WASHER, lock (hi-collar) 4
43 24V085 ROD, connecting, 5900 1
44 16Y748 COVER, front, 5900,
includes 45
1
45 118444 SCREW, mach, slot hex wash hd 5
47 16X420 PUMP, displacement, 5900,
includes
86, 89, 90
1
68 244240 HOSE, coupled,
includes 69
1
69 241920 DEFLECTOR, threaded 1
76 114678 BUSHING, strain relief 1
79 16X203 CLIP, drain line 1
82 15V573 STRAINER, (1-11 1/2 NPSM) 1
86 16Y579 FITTING 1
87 16X904 HOSE, coupled 1
89 248215 TUBE, intake 1
90 118494 PACKING, o-ring 1
98 125926 FITTING, 90 deg 1
99 113161 SCREW, flange, hex hd 3
108 114528 SCREW, mach, phillips, pnhd 2
119 16X349 LABEL, front, GMAX II, 5900 1
120▲15F638 LABEL, GMAX warning fire & skin 1
121▲194126 LABEL, warning 1
122▲290228 LABEL, caution 1
127 119569 BUSHING, strain relief 1
130 16X821 BOX, control 1
133 114687 CLIP, retainer 1
134 15F354 FUNNEL, oil (not shown) 1
143 116038 WASHER, wave spring 2
146 16X982 LABEL, ProConnect 1
157 24A139 GUN, silver, RAC X, packaged 1
160 107505 PACKING, o-ring 1
164 15F947 SHIELD, magnetic 1
171 16X385 PLATE, front, 5900, PC II 1
172 16X324 CLAMP, pump, large 1
173 101550 SCREW, cap, sch 2
174 16C457 HANGER, pail 1
175 111040 NUT, lock, insert, nylock, 5/16 2
176 120583 NUT, hand 1
177 16X833 FITTING, quick, disconnect, 3/8
npsm
1
180 240797 HOSE, coupled, 3/8 in. x 50 ft 1
181 240794 HOSE, coupled, 1/4 in. x 50 ft 1
182 164672 ADAPTER 1
184 189018 SWIVEL, assembly 1
▲16Y631 LABEL, warning 1
▲16Y632 LABEL, warning 1
▲16Y633 LABEL, warning 1
▲
Replacement Danger and Warning Labels, Tags and
Cards are available at no cost.
†
Included in Clutch Replacement Kit 241113.
Ref. Instruction
Torque clamp adjustment bolt to 140-160 in-lb (15.8-18.1
N•m) with reference 47 installed and ProConnect in locked
position.
Torque to 40-45 in-lb (4.5-5.1 N•m)
Torque to 17-23 ft-lb (23.1-31.2 N•m)
Torque to 190-210 in-lb (21.5-23.7 N•m)
Torque to 115-135 in-lb (12.9-15.3 N•m)
Torque to 23-29 ft-lb (31.2-39.4 N•m)
Torque to 130-150 in-lb (14.7-16.9 N•m)
Torque to 30-45 in-lb (3.4-5.1 N•m)
Torque to 90-110 in-lb (10.2-12.4 N•m)
Torque to 8-12 in-lb (0.9-1.4 N•m)
Torque to 70-90 in-lb (7.9-10.2 N•m)
Torque to 170-190 in-lb (19.2-21.5 N•m)
Torque to 200-230 in-lb (22.6-25.9 N•m)
Ref. Part Description Qty.
23
26
27
28
29
30
31
32
33
35
37
42
43

GMAX II 5900 Convertible Series
20 332921D
GMAX II 5900 Convertible Series
3
2
4
10
8
11
132182190
133
118
142
134
63
19
62
61
9
147
37
36
148
145
29
27
24
28
30
32
33
30
31
38
38
44
40
42
41
43
47
86
87
90
89
82
150
69
88
174
151
114
187
172
188
189
45
45
52
117 185
68
1
14
12
173
146 119
35
98
78198 169
91
ti23026a
See pages 37 and 40
See page 24
See page 22
10
14
5
5
21
6
10
35
41
18
20
44
43
21

GMAX II 5900 Convertible Series
332921D 21
Parts List - GMAX II 5900 Convertible Series
Part Specifications:
Ref. Part Description Qty.
1 287423 FRAME, cart 1
2 156306 WASHER, flat 2
3 119509 WHEEL, pneumatic 2
4 15E891 CLIP, retaining 2
8 108795 SCREW, mach, pnh 4
9 121727 SCREW, cap, hex hd 1
10 24A250 HANDLE, cart 1
11 237686 WIRE, ground assembly w/ clamp 1
12 112798 SCREW, thread forming, hex hd 1
14 276974 CAP, leg 2
19 287519 HOUSING, clutch 1
24* 105510 WASHER, lock, spring (hi-collar) 4
27* ROTOR, clutch, 5 in. 1
28* 101682 SCREW, cap, sch 4
29 287465 HOUSING, pinion, 5900 1
30 114672 WASHER, thrust 2
31 114699 WASHER, thrust 1
32 287460 GEAR, combination 1
33 287700 HOUSING, drive, convert 1
35 112395 SCREW, cap, flng hd 3
36 102962 SCREW, cap sch 4
37 104008 WASHER, lock, spring 4
38 15C753 SCREW, mach, torx, hex wash hd 6
40 24V027 HOUSING, bearing 1
41 114666 SCREW, cap, socket hd 4
42 106115 WASHER, lock spring (hi-collar) 4
43 24V021 ROD, connecting 1
44 16Y748 COVER, front;
includes 45
1
45 118444
SCREW, machine hex washer head
8
47 16Y706 PUMP, displacement,
includes 86,
89, 90
1
52 111040 NUT, lock, insert, nylock, 5/16 2
61 112717 WASHER 1
62 198688 PULLEY, engine 1
63 114425 BUSHING, strain relief 1
68 244240 HOSE, coupled,
includes 69
1
69 241920 DEFLECTOR, threaded 1
78 240794 HOSE, coupled, 1/4 in. x 50 ft 1
82 189920 STRAINER, (1-11 1/2 npsm) 1
86 196178 FITTING, pump 1
87 16Y667 HOSE, coupled 1
88 15F856 PIN, pump 1
89† 248215 TUBE, intake 1
90† 118494 O-RING 1
91 122533 FITTING, 45 deg 1
98 113161 SCREW, flange, hex hd 3
114 16X358 LABEL, brand 1
117▲290228 LABEL, caution 1
118▲804495 LABEL, warning 1
119 195098 LABEL, instruction (English) 1
132 245688 BAR, torsion,
includes 133, 134
1
133 114808 CAP, vinyl 1
134 198772 COLLAR, torsion bar 2
142 119584 CORD, power, convertible 1
145 100078 SCREW, thd forming, hex hd 4
146 198996 BRACKET, belt guide 1
147 193547 BELT, Vee, 30 1
148 198691 GUARD, belt 1
150 278204 CLIP, drain line 1
151 116038 WASHER, wave spring 2
155 15F354 FUNNEL, oil (not shown) 1
169 16X822 BOX, control 1
172 15C762 SHIELD, pump rod 1
173 119569 BUSHING, strain relief 1
174 119778 SPRING, retaining 1
182▲15F638 LABEL, warning 1
185 16X983 LABEL 1
187 16X770 SHIELD, pump rod 1
188 16C457 HANGER, pail 1
189 193031 NUT, retaining 1
190 114687 CLIP, retainer 1
198 288420 GUN, contractor, RAC X, packaged 1
▲16Y631 LABEL, warning 1
▲16Y632 LABEL, warning 1
▲16Y633 LABEL, warning 1
▲
Replacement Danger and Warning labels, tags, and
cards are available at no cost.
* Included in Clutch Repair Kit 241113
Ref. Instruction
Torque to 190-210 in-lb (21.5-23.7 N•m)
Torque to 30-35 in-lb (3.4-3.9 N•m)
Torque to 115-135 in-lb (12.9-15.3 N•m)
Torque to 130-150 in-lb (14.7-16.9 N•m)
Inflate tires to 28-32 psi (1.93-2.21
bar/0.193-0.221 MPa)
Torque to 10-15 in-lb (1.1-1.7 N•m)
Torque to 20-30 ft-lb (27.1-40.1 N•m)
Torque to 25-35 in-lb (2.8-3.9 N•m)
Torque to 200-230 in-lb (22.5-25.9 N•m)
Torque to 75 +/- 5 ft-lb (101.6 +/- 6.7 N•m)
Torque to 70-90 in-lb (7.9-10.1 N•m)
Ref. Part Description Qty.
5
6
10
14
18
20
21
35
41
43
44

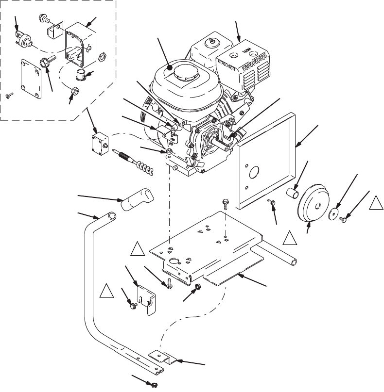
GMAX II 5900 Convertible Series
22 332921D
GMAX II 5900 Convertible Series
Engine Detail
129
143
17
17
128
131124
126
127
18
130
140
141
139
138
135137
115
15
144
125
20
61
16
17
136
ti5750b
135
24
24
5
10

GMAX II 5900 Convertible Series
332921D 23
GMAX II 5900 Convertible Series
Engine Detail - Parts List
Part Specifications:
Ref. Part Description Qty.
15 114530 ENGINE, gas, 5.5 Honda 1
16 114653 SCREW, cap, flange hd 4
17 110996 NUT, flng hd, hex 6
18 183401 KEY, parallel 1
20 119717 SCREW, cap, hex hd 1
61 112717 WASHER 1
115 194126 LABEL, warning 1
124 245272 BASE, mounting 1
125 116139 GRIP, handle 2
126 198689 BRACKET, belt guard (motor) 1
127 112406 SCREW 3
128 198997 BRACKET, tension 1
129 198693 HANDLE, slide, engine 2
130 198695 BRACKET, torsion bar 1
131 110963 SCREW, cap, hex hd, flange 2
135 114816 NUT, hex 1
136 116149 SPACER 1
137 194414 BRACKET, J-box 1
138 114813 SCREW, mach, hex washer hd 1
139 114678 BUSHING, snap 1
140 194181 BOX, junction, engine 1
141 114805 JACK, 1/4 engine 1
143 15E896 PULLEY, engine 1
144 15B314 SLEEVE, motor shaft 1
Ref. Instruction
Torque to 190-210 in-lb (21.5-23.7 N•m)
Torque to 115-135 in-lb (12.9-15.3 N•m)
Torque to 17-23 ft-lb (23.0-31.1 N•m)
Ref. Part Description Qty.
5
10
24

GMAX II 5900 Convertible Series
24 332921D
GMAX II 5900 Convertible Series
Clutch Housing - Parts Drawing and List
Ref Part Description Qty
19 287519 HOUSING, clutch, 1
includes 19b, 19c, 19e, 19j & 19k
19b 114962 RING, retaining, internal 1
19c 287422 SHAFT, drive, input 1
19e 15E887 HOUSING, clutch 1
19j 115078 O-RING 1
19k 115079 O-RING 1
21 15E894 STOP, armature 1
23 108803* SCREW, hex, socket head 4
24 105510* WASHER, lock, spring (hi-collar) 8
25 * ARMATURE, clutch, 5 in. 1
26 HUB, armature 1
27 * ROTOR, clutch, 5 in. 1
28 101682* SCREW, cap, sch 4
* Included in Clutch Repair Kit 241113
Ref Part Description Qty
19c
19b
23
24
19e
25
26
24
28
27
21
19j
19k
ti5754a
10
10
10
Torque to 115-135 in-lb (12.9-15.3 N•m)

Notes
332921D 25
Notes

GMAX II 7900/TexSpray 7900HD Standard Series/Roof Rig
26 332921D
GMAX II 7900/TexSpray 7900HD Standard Series/Roof Rig
22
44 75
45
30
15
19
21
20
18
26 24 23
25
29
27
24
28
33
33a
33b
30
31
32
38
38
63
64
1
133
37
36
43
47
47
2
17
146
82
24 23
3
4
79
68
69
41
114
121
129
110
112
40
111
81
45
87
87
154
76
12
11
308
16
310
126
14
86
86
134
90
89
80
35
149
153148
147
158
148
147
70
106
100
ti22997a
7900HD
See pages 37 and 40.
10
5
519
24
14
10
43
20
19
25
36
10
31
53
10
34
24
7900HD

GMAX II 7900/TexSpray 7900HD Standard Series/Roof Rig
332921D 27
Parts List - GMAX II 7900/TexSpray 7900HD Standard Series/Roof Rig
Part Specifications:
Ref. Part Description Qty.
1 287370 FRAME 1
2 156306 WASHER, flat 2
3 119509 WHEEL, pneumatic 2
4 15E891 CLIP, retaining 2
11 237686 WIRE, ground assembly w/ clamp 1
12 112798 SCREW, thread forming, hex hd 1
14 276974 CAP, leg 2
15 116080 ENGINE, gas, 6.5 HP, Honda 1
16 110837 SCREW, flange, hex 2
17 110838 NUT, lock 2
18 183401 KEY, parallel 1
19 15E277 HOUSING, clutch, mach, 5900/7900 1
20 108842 SCREW, cap, hex hd 4
21 100214 WASHER, lock 4
22 193680 COLLAR, shaft 1
23† 108803 SCREW, hex, socket head 6
24† 105510 WASHER, lock, spring 10
25† ARMATURE, clutch, 5 in. 1
26† HUB, armature 1
27† ROTOR, clutch, 5 in. 1
28† 101682 SCREW, cap, sch 4
29 287466 HOUSING, pinion, 7900 1
30 114672 WASHER, thrust 2
31 114699 WASHER, thrust 1
32 287459 GEAR, combination, 7900 1
33 287470 HOUSING, drive, 7900,
includes 33a,33b
1
33a 116192 WASHER, thrust 1
33b 194173 WASHER 1
35 112395 SCREW, cap, flng hd 1
36 102962 SCREW, cap sch 4
37 104008 WASHER, lock, spring 4
38 15C753 SCREW, mach, hex wash hd 6
40 24V028 HOUSING, bearing, 7900 1
41
▲
15F638 LABEL, GMAX warning fire & skin 1
43 24V022 ROD, connecting, 7900 1
44 16Y749 COVER, front, 7900 (includes 45) 1
45 118444 SCREW, mach, slot hex wash hd 6
47 16X423 PUMP, displacement, 7900,
includes 86,
89, 90
1
16X425 PUMP, displacement, 7900HD,
includes 86
1
63 112600 WASHER, lock, spring 4
64 112599 SCREW, cap, socket head 4
68 244240 HOSE, coupled,
includes 69
1
69 241920 DEFLECTOR, threaded 1
70 16X822 BOX, control, standard 1
75 16X983 LABEL, standard series 1
76 114678 BUSHING, strain relief 1
79 16X770 SHIELD, pump rod 1
80 278204 CLIP, drain line 1
81 16C457 HANGER, pail 1
82 189920 STRAINER, (1-11 1/2 NPSM) 1
86 FITTING, pump
196178 7900 1
16X835 TexSpray, 7900HD 1
87 HOSE, coupled
16X909 7900 1
16X905 TexSpray, 7900HD 1
89 248215 TUBE, intake,
includes 90
1
90 118494 PACKING, o-ring, 7900 1
100 125926 FITTING, 90 deg 1
106 113161 SCREW, flange, hex hd 3
110 119677 SPRING, retaining 1
111 193394 NUT, retaining 1
112 111040 NUT, lock, insert, nylock, 5/16 2
114 197443 PIN, pump 1
121
▲
194126 LABEL, warning 1
126 16X350 LABEL, identification, 7900 1
16X355 LABEL, identification, 7900HD 1
129
▲
290228 LABEL, caution 1
133 114687 CLIP, retainer 1
134 119569 BUSHING, strain relief 1
145 15F354 FUNNEL, oil (not shown) 1
146 116038 WASHER, wave spring 2
147 288420 GUN, contractor, RAC X, packaged 1
241705 GUN, spray, texture 1
148 240797 HOSE, coupled, 3/8 in. x 50 ft 1
149 159841 O-RING 1
153 241735 HOSE, coupled, 1/4 in. x 3 ft 1
154 102982 O-RING, TexSpray, 7900HD 1
158 189018 SWIVEL, assembly, 7900 HD 1
308 108795 SCREW, mach, pnh 4
310 24A250 HANDLE, cart 1
▲
16Y631 LABEL, warning 1
▲
16Y632 LABEL, warning 1
▲
16Y633 LABEL, warning 1
▲
Replacement Danger and Warning Labels, Tags and Cards
are available at no cost.
†
Included in Clutch Replacement Kit 241113.
Ref. Instruction
Torque to 190-210 in-lb (21.5-23.7 N•m)
Torque to 115-135 in-lb (12.9-15.3 N•m)
Torque to 130-150 in-lb (14.7-16.9 N•m)
Torque to 30-35 in-lb (3.4-3.9 N•m)
Torque to 35-45 ft-lb (47.5-61.0 N•m)
Torque to 20 +/- 3 ft-lb (21.7 +/- 4.1 N•m)
Torque to 75 +/- 5 ft-lb (101.7 +/- 6.8 N•m)
Torque to 25-35 in-lb (2.8-3.9 N•m)
Inflate tires to 28-32 psi (1.93-2.21
bar/0.193-0.221 MPa)
Torque to 70-90 in-lb (7.9-10.2 N•m)
Torque to 200-230 in-lb (22.6-25.6 N•m)
Torque to 170-190 in-lb (19.2-21.5 N•m)
Ref. Part Description Qty.
5
10
14
19
20
24
25
31
34
36
43
53

GMAX II 7900/TexSpray 7900HD ProContractor Series
28 332921D
GMAX II 7900/TexSpray 7900HD ProContractor Series
107
43
30
31
33b
25
1822
15 19
21 20
26
24 29129
38
27
24
33
32
30
38
40
171
174
47
172
24
173
175
63
64
44
45
1
34
37
36
35
214
16
17
11
12
90
89
82
24 23
86
177
149
176
87
115
3
4
79
69
126
133
134
146
75
109
108
121
28
68
39
33a
76
41
400 401
400
81
403
81
405
402
402
404
106
5
93
94
70
100
ti23028a
See pages 35 and 40
See page 42
31
29
28
27
43
29
28
35
33
30
25
45
30
12
32
26
24
29
37
7900
7900HD
23

GMAX II 7900/TexSpray 7900HD ProContractor Series
332921D 29
Parts List - GMAX II 7900/TexSpray 7900HD ProContractor Series
Part Specifications:
Ref. Part Description Qty.
1 24D047 FRAME, hose reel 1
2 156306 WASHER, flat 2
3 119509 WHEEL, pneumatic 2
4 15E891 CLIP, retaining 2
5 16C381 TUBE, hydraulic, GMAX 5900/7900 1
11 237686 WIRE, ground assembly w/ clamp 1
12 112798 SCREW, thread forming, hex hd 1
14 276974 CAP, leg 2
15 116080 ENGINE, gas, 6.5 HP, Honda 1
16 110837 SCREW, flange, hex 2
17 110838 NUT, lock 2
18 183401 KEY, parallel 1
19 15E277 HOUSING, clutch, mach (5900/7900) 1
20 108842 SCREW, cap, hex hd 4
21 100214 WASHER, lock 4
22 193680 COLLAR, shaft 1
23† 108803 SCREW, hex, socket head 6
24† 105510 WASHER, lock, spring 12
25† ARMATURE, clutch, 5 in. 1
26† HUB, armature 1
27† ROTOR, clutch, 5 in. 1
28† 101682 SCREW, cap, sch 4
29 287466 HOUSING, pinion, 7900 1
30 114672 WASHER, thrust 2
31 114699 WASHER, thrust 1
32 287459 GEAR, combination, 7900 1
33 287470 HOUSING, drive, 7900,
includes 33a, 33b
1
33a 116192 WASHER, thrust 1
33b 194173 WASHER 1
34 116618 MAGNET 1
35 112395 SCREW, cap, flng hd 1
36 102962 SCREW, cap sch 4
37 104008 WASHER, lock, spring 4
38 15C753 SCREW, mach, hex wash hd 6
39 119562 SWITCH, reed w/connector 1
40 24V089 HOUSING, bearing, 7900 1
41
▲
15F638 LABEL, GMAX warning fire & skin 1
43 24V086 ROD, connecting, 7900 1
44 16Y749 COVER, front, 7900,
includes 45
1
45 118444 SCREW, mach, slot hex wash hd 5
47 16X426 PUMP, displacement, 7900,
includes 86, 89,
90
1
16X427 PUMP, displacement, 7900HD,
includes 86
63 112600 WASHER, lock, spring 4
64 112599 SCREW, cap, socket head 4
68 244240 HOSE, coupled,
includes 69
1
69 241920 DEFLECTOR, threaded 1
70 16X821 BOX, control 1
75 16X981 LABEL, ProConnect 1
76 114678 BUSHING, strain relief 1
79 16X203 CLIP, drain line 1
81 288420 GUN, contractor, RAC X,
packaged, 7900
1
241705 GUN, spray, texture, 7900HD 1
82 189920 STRAINER, (1-11 1/2 NPSM) 1
86 FITTING, pump
16Y579 7900 1
16X835 TexSpray 7900HD 1
87 HOSE, coupled
16X904 7900 1
16X905 TexSpray 7900HD 1
89 248215 TUBE, intake,
includes 90
1
90 118494 PACKING, o-ring, 7900 1
93 287253 TOOL BOX,
includes 94
1
94 118852 SCREW, thd forming, hex washer HD 3
100 125926 FITTING, 90 deg 1
106 113161 SCREW, flange, hex hd 3
107 278083 GUIDE, hose 1
108 117633 SCREW, slot hex wash hd 2
109 15F947 SHIELD, magnetic 1
115 114528 SCREW, mach, phillips, pnhd 2
121
▲
194126 LABEL, warning 1
126 16X350 LABEL, identification, 7900 1
16X355 LABEL, identification, TexSpray 7900
129 290228 LABEL, caution 1
133 114687 CLIP, retainer 1
134 119569 BUSHING, strain relief 1
143 15F354 FUNNEL, oil (not shown) 1
146 116038 WASHER, wave spring 2
149 O-RING
107505 7900 1
102982 TexSpray, 7900HD 1
171 16X209 PLATE, front, ProConnect II 1
172 16X324 CLAMP, pump, large 1
173 101550 SCREW, cap, sch 2
174 16C457 HANGER, pail 1
175 112746 NUT, lock, nylon, thin pattern 2
176 120583 NUT, hand, 7900 only 1
177 16X833 FITTING, quick disconnect,
3/8 npsm, 7900 only
1
400 240797 HOSE, coupled, 3/8 in. x 50 ft, 7900 1
240797 HOSE, coupled, 3/8 in. x 50 ft, 7900HD 2
401 240794 HOSE, coupled, 1/4 in. x 50 ft, 7900 1
402 164672 ADAPTER, 7900 1
162485 ADAPTER, 7900HD
403 241735 HOSE, coupled, 1/4 in. x 3 ft mxf, 7900HD 1
404 159841 BUSHING, 7250 psi, 3/8 x 1/4 in., 7900HD 1
405 189018 SWIVEL 1
▲16Y631 LABEL, warning 1
▲16Y632 LABEL, warning 1
▲16Y633 LABEL, warning 1
▲
Replacement Danger and Warning Labels, Tags and Cards are avail-
able at no cost.
†
Included in Clutch Replacement Kit 241113.
Ref. Instruction
Inflate tires to 28-32 psi (1.93-2.21 bar/0.193-0.221 MPa)
Torque clamp adjustment bolt to 140-160 in-lb (15.8-18.1 N•m)
with reference 47 installed and ProConnect in locked position.
Torque to 38-42 ft-lb (51.5-56.9 N•m)
Torque to 120-130 in-lb (13.4-14.7 N•m)
Torque to 40-45 in-lb (4.5-5.1 N•m)
Torque to 17-23 ft-lb (23.1-31.2 N•m)
Torque to 190-210 in-lb (21.5-23.7 N•m)
Torque to 115-135 in-lb (12.9-15.3 N•m)
Torque to 23-29 ft-lb (31.2-39.2 N•m)
Torque to 130-150 in-lb (14.7-16.9 N•m)
Torque to 30-45in-lb (3.4-5.1 N•m)
Torque to 90-110 in-lb (10.2-12.4 N•m)
Torque to 8-12 in-lb (0.9-1.4 N•m)
Torque to 70-90 in-lb (7.9-10.2 N•m)
Torque to 170-190 in-lb (19.2-21.5 N•m)
Torque to 200-230 in-lb (22.6-25.9 N•m)
Ref. Part Description Qty.
12
23
24
25
26
27
28
29
30
31
32
33
35
37
43
45

GMAX II 7900/TexSpray 7900 IronMan
30 332921D
GMAX II 7900/TexSpray 7900 IronMan
33a
33b
4
68
86
24
26
173
175
40
15
19
21
20
22
18
23
25
29
129
38
27
24
28
33
30
31
32
30
38
43
171
174
47
172
63
64
44
1
34
37
36
35
2
14
16
17
11
12
90
89
82
24 23
177
149
176
87
115
39
76
79
69
126
133
134
146
75
109
41
121
3
180181
180
65
81188
187
182
184
184
81
45
106
5
70
100
ti23029a
See pages 35 and 40.
29
28
28
32
35
27
29
29
45
33
30
43
30
37
29
31
7900 7900HD
23

GMAX II 7900/TexSpray 7900 IronMan
332921D 31
Parts List - GMAX II 7900/TexSpray 7900HD IronMan
Part Specifications:
Ref. Part Description Qty.
1 16X778 FRAME 1
2 156306 WASHER, flat 2
3 122267 WHEEL, foam 2
4 120211 CLIP, retaining 2
11 237686 WIRE, ground assembly w/ clamp 1
12 112798 SCREW, thread forming, hex hd 1
14 15C871 CAP, leg 2
15 116080 ENGINE, gas, 6.5 HP, Honda 1
16 110837 SCREW, flange, hex 2
17 110838 NUT, lock 2
18 183401 KEY, parallel 1
19 15E277 HOUSING, clutch, mach, 5900/7900 1
20 108842 SCREW, cap, hex hd 4
21 100214 WASHER, lock 4
22 193680 COLLAR, shaft 1
23† 108803 SCREW, hex, socket head 6
24† 105510 WASHER, lock, spring 12
25† ARMATURE, clutch, 5 in. 1
26† HUB, armature 1
27† ROTOR, clutch, 5 in. 1
28† 101682 SCREW, cap, sch 4
29 287466 HOUSING, pinion, 7900 1
30 114672 WASHER, thrust 2
31 114699 WASHER, thrust 1
32 287459 GEAR, combination, 7900 1
33 287470 HOUSING, drive, 7900,
includes 33a, 33b
1
33a 116192 WASHER, thrust 1
33b 194173 WASHER 1
34 116618 MAGNET 1
35 112395 SCREW, cap, flng hd 1
36 102962 SCREW, cap sch 4
37 104008 WASHER, lock, spring 4
38 15C753 SCREW, mach, hex wash hd 6
39 119562 SWITCH, reed w/connector 1
40 24V089 HOUSING, bearing, 7900 1
41▲15F638 LABEL, GMAX warning fire & skin 1
43 24V086 ROD, connecting, 7900 1
44 16Y749 COVER, front, 7900,
includes 45
1
45 118444 SCREW, mach, slot hex wash hd 5
47 16X426 PUMP, displacement, 7900,
includes 86, 89,
90
1
16X427 PUMP, displacement, 7900HD,
includes 86
63 112600 WASHER, lock, spring 4
64 112599 SCREW, cap, socket head 4
65 162485 ADAPTER, nipple (7900HD) 1
68 244240 HOSE, coupled,
includes 69
1
69 241920 DEFLECTOR, threaded 1
70 16X821 BOX, control 1
75 16X982 LABEL, IronMan series 1
76 114678 BUSHING, strain relief 1
79 16X203 CLIP, drain line 1
81 24A139 GUN, silver, RAC X, packaged, 7900 1
241705 GUN, spray, texture, 7900HD 1
82 15V573 STRAINER, (1-11 1/2 NPSM) 1
86 FITTING, pump
16Y579 7900 1
16X835 TexSpray 7900HD 1
87 HOSE, coupled
16X904 7900 1
16X905 TexSpray 7900HD 1
89 248215 TUBE, intake,
includes 90
1
90 118494 PACKING, o-ring, 7900 1
100 125926 FITTING, 90 deg 1
106 113161 SCREW, flange, hex hd 3
109 15F947 SHIELD, magnetic 1
115 114528 SCREW, mach, phillips, pnhd 2
121▲194126 LABEL, warning 1
126 16X350 LABEL, identification, 7900 1
16X355 LABEL, identification, TexSpray 7900 1
129 290228 LABEL, caution 1
133 114687 CLIP, retainer 1
134 119569 BUSHING, strain relief 1
143 15F354 FUNNEL, oil (not shown) 1
146 116038 WASHER, wave spring 2
149 O-RING
107505 7900 1
102982 TexSpray 7900HD 1
171 16X209 PLATE, front, ProConnect II 1
172 16X324 CLAMP, pump, large 1
173 101550 SCREW, cap, sch 2
174 16C457 HANGER, pail 1
175 112746 NUT, lock, nylon, thin pattern 2
176 120583 NUT, hand, 7900 only 1
177 16X833 FITTING, quick disconnect,
3/8 npsm, 7900 only
1
180 240797 HOSE, coupled, 3/8 in. x 50 ft, 7900 1
240797 HOSE, coupled, 3/8 in. x 50 ft, 7900HD 2
181 240794 HOSE, coupled, 1/4 in. x 50 ft 1
182 159841 BUSHING, 7250 psi,
3/8 in. x 1/4 in.
1
184 189018 SWIVEL, assembly 1
187 164672 ADAPTER 1
188 241735 HOSE, cpld, 1/4 in. x 3 ft 1
▲16Y631 LABEL, warning 1
▲16Y632 LABEL, warning 1
▲16Y633 LABEL, warning 1
▲
Replacement Danger and Warning Labels, Tags and Cards are avail-
able at no cost.
†
Included in Clutch Replacement Kit 241113.
Ref. Instruction
Torque clamp adjustment bolt to 140-160 in-lb (15.8-18.1 N•m)
with reference 47 installed and ProConnect in locked position.
Torque to 17-23 ft-lb (23.1-31.2 N•m)
Torque to 190-210 in-lb (21.5-23.7 N•m)
Torque to 115-135 in-lb (12.9-15.3 N•m)
Torque to 23-29 ft-lb (31.2-39.3 N•m)
Torque to 130-150 in-lb (14.7-16.9 N•m)
Torque to 30-45 in-lb (3.4-5.1 N•m)
Torque to 90-110 in-lb (10.2-12.4 N•m)
Torque to 8-12 in-lb (0.9-1.4 N•m)
Torque to 70-90 in-lb (7.9-10.2 N•m)
Torque to 170-190 in-lb (19.2-21.5 N•m)
Torque to 200-230 in-lb (22.5-25.9 N•m)
Ref. Part Description Qty.
23
27
28
29
30
31
32
33
35
37
43
45

GMAX II 7900 Lo-Boy
332921D 33
Parts List - GMAX II 7900/Lo-Boy
Part Specifications:
Ref. Part Description Qty.
1 16Y519 FRAME 1
2 156306 WASHER, flat 2
3 119509 WHEEL, pneumatic 2
4 15E891 CLIP, retaining 2
7 240797 HOSE, coupled, 3/8 in. x 50 ft 1
11 237686 WIRE, ground assembly w/ clamp 1
12 112798 SCREW, thread forming, hex hd 1
14 276974 CAP, leg 2
15 116080 ENGINE, gas, 6.5 HP, Honda 1
16 110837 SCREW, flange, hex 2
17 110838 NUT, lock 2
18 183401 KEY, parallel 1
19 15E277 HOUSING, clutch, 5900/7900 1
20 108842 SCREW, cap, hex hd 4
21 100214 WASHER, lock 4
22 193680 COLLAR, shaft 1
23† 108803 SCREW, hex, socket head 6
24† 105510 WASHER, lock, spring 12
25† ARMATURE, clutch, 5 in. 1
26† HUB, armature 1
27† ROTOR, clutch, 5 in. 1
28† 101682 SCREW, cap, sch 4
29 287466 HOUSING, pinion, 7900 1
30 114672 WASHER, thrust 2
31 114699 WASHER, thrust 1
32 287459 GEAR, combination, 7900 1
33 287470 HOUSING, drive, 7900,
includes
33a, 33b
1
33a 116192 WASHER, thrust 1
33b 194173 WASHER 1
35 112395 SCREW, cap, flng hd 1
36 102962 SCREW, cap sch 4
37 104008 WASHER, lock, spring 4
38 15C753 SCREW, mach, hex wash hd 6
40 24V089 HOUSING, bearing 1
41▲15F638 LABEL, GMAX warning fire & skin 1
43 24V086 ROD, connecting, 7900 1
44 16Y749 COVER, front, 7900,
includes 45
1
45 118444 SCREW, mach, slot hex wash hd 4
47 16X426 PUMP, displacement, 7900,
includes 86, 89, 90
1
63 112600 WASHER, lock, spring 4
64 112599 SCREW, cap, socket head 4
67 107505 O-RING 1
70 16X822 BOX, control 1
75 16X979 LABEL, Proconnect 1
76 114678 BUSHING, strain relief 1
86 16Y579 FITTING, pump 1
87 16X950 HOSE, coupled 1
88 122533 FITTING, 45 deg 1
106 113161 SCREW, flange, hex hd 3
112 16Y780 HANDLE, cart 1
121▲194126 LABEL, warning 1
126 16X350 LABEL, identification 1
129 290228 LABEL, caution 1
132 109032 SCREW, mach, pnh 4
133 114687 CLIP, retainer 1
134 119569 BUSHING, strain relief 1
146 116038 WASHER, wave spring 2
155 159841 BUSHING, 7250 psi,
3/8 in. x 1/4 in.
1
156 241735 HOSE, cpld, 1/4 in. x 3 ft 1
157 288420 GUN, contractor, RAC X,
packaged
1
171 16X209 PLATE, front, ProConnect II,
7900
1
172 16X324 CLAMP, pump, large 1
173 101550 SCREW, cap, sch 2
174 16C457 HANGER, pail 1
175 112746 NUT, lock, nylon, thin pattern 2
176 120583 NUT, hand 1
177 16X833 FITTING, quick disconnect,
3/8 npsm
1
▲16Y631 LABEL, warning 1
▲16Y632 LABEL, warning 1
▲16Y633 LABEL, warning 1
▲
Replacement Danger and Warning Labels, Tags and Cards
are available at no cost.
†
Included in Clutch Replacement Kit 241113.
Suction Kit 16Y760 Kit is available
Ref. Instruction
Inflate tires to 28-32 psi (1.93-2.21 bar/0.193-0.221 MPa)
Torque clamp adjustment bolt to 140-160 in-lb (15.8-18.1 N•m)
with reference 47 installed and ProConnect in locked position.
Torque to 17-23 ft-lb (23.1-31.2 N•m)
Torque to 190-210 in-lb (21.5-23.7 N•m)
Torque to 115-135 in-lb (12.9-15.3 N•m)
Torque to 23-29 ft-lb (31.2-39.3 N•m)
Torque to 130-150 in-lb (14.7-16.9 N•m)
Torque to 30-45 in-lb (3.4-5.1 N•m)
Torque to 90-110 in-lb (10.2-12.4 N•m)
Torque to 25-35 in-lb (2.8-3.9 N•m)
Torque to 170-190 in-lb (19.2-25.9 N•m)
Torque to 200-230 in-lb (22.5-25.9 N•m)
Ref. Part Description Qty.
12
23
27
28
29
30
31
32
33
37
42
43

LoBoy Suction Set Kits (Kits include suction set and drain hose)
34 332921D
LoBoy Suction Set Kits
(Kits include suction set and drain hose)
GMAX ll 3900/5900 Kit: 16Y759
GMAX ll 7900 Kit: 16Y760
Ref. Part Description Qty.
509 24W028 HOSE, suction 3900/5900, 1
includes 510, 511, 512, 514, 557,
558, 559, 561
24U917 HOSE, suction 7900, 1
includes 510, 511, 512, 514, 557,
558, 559, 561
510 15C980 NUT, jam 1
511 15H854 O-RING 2
512 15C981 WASHER, suction, swivel 1
514 118505 RING, retaining, external 1
515 15D000 CLIP, drain line 2
555 241920 DEFLECTOR 1
556 HOSE, drain,
includes 555
288732 3900/5900 1
246331 7900 1
557 TUBE, suction
15D157 3900/5900 1
15F171 7900 1
558 24A561 FITTING, elbow, barbed,
includes
510, 512, 514
1
559 120330 CLAMP, hose 2
561 176450 GUARD, hose 1
582 189920 STRAINER, 1-11 1/2 npsm 1
586 Washer 1
115099 3900/5900
119566 7900
591 TIE STRAP 2
591
515
557
559
509
561
559
558
510
511
586
514
512
555
582
556

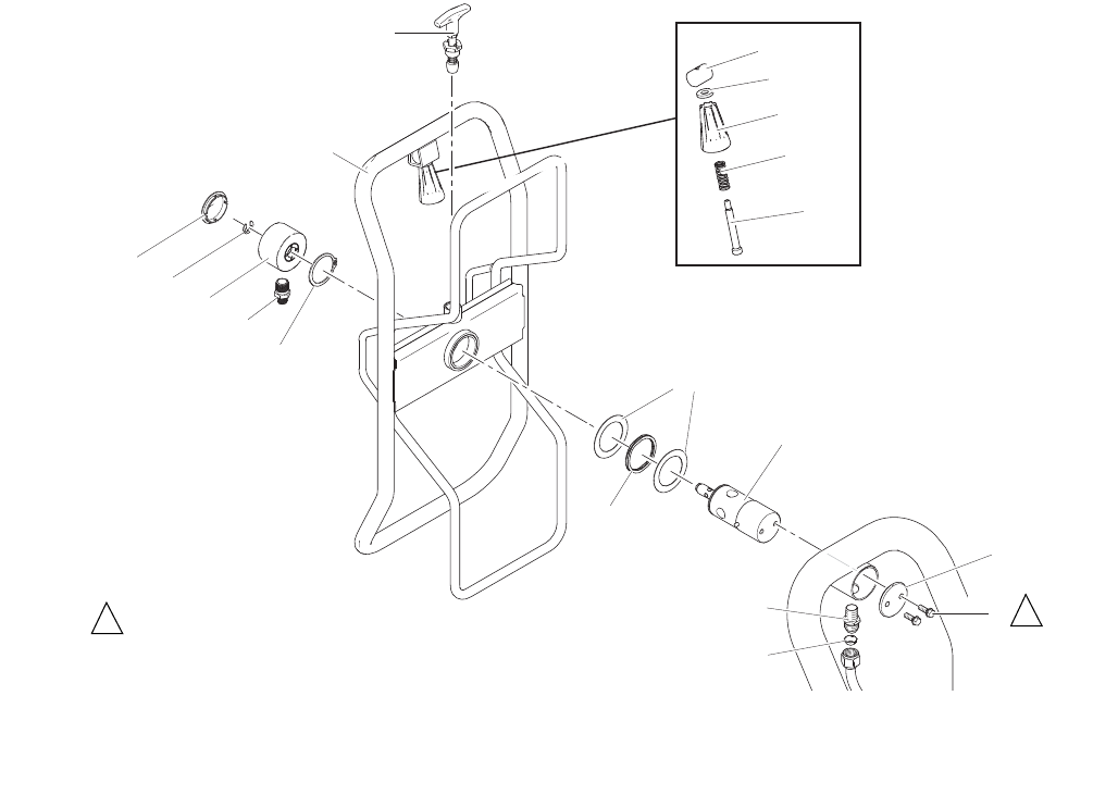
Control Box 16X821
332921D 35
Control Box 16X821
3900 5900 7900
GMAX II
3900
International
GMAX II 3900
GMAX II
5900/5900HD
GMAX II
5900/5900HD
International
GMAX II 5900
Convertible
GMAX II
7900/7900HD
GMAX II
7900/7900HD
International
1xx x
2xx
3xx xx
4xxxx
XX
1234
ti7053c
CUT X TO LEAVE THE CHOSEN MODEL.
GMAX II 7900 EXAMPLE SHOWN
70f
70j
73
70n
70a
70h 18
70d
70m
70t
70c
70b
70r
70a
130
70g
71
70d
70e
120
1 Refer to your sprayer repair manual for
the procedures.
2Perform Pressure Relief Procedure.
3 Remove pressure control cover.
4 Remove PC board.
5 Cut out and remove the resistor(s) on
PC board according to figure and
table.
6 Install PC board.
7 Install pressure control cover.
NOTICE
Electrostatic discharges can damage components on PC
board. Use a ground strap when handling or installing PC
board. Using configurations other than those listed results
in poor sprayer performance.
ti22999a
20
20
Torque to 8-12 in-lb (0.9-1.3 N•m)
20
10
10
Torque to 3-4 in-lb (0.4-0.5 N•m)

Control Box 16X821
36 332921D
Parts List - Control Box 16X821
70g
Ref. Part Description Qty.
18 15C973 GASKET 1
70 16X821 CONTROL BOX
70a 24U347 BOX 1
70b 17A095 CONTROL, board 1
70c 117317 SCREW, plastite, pan head 4
70d 256219 POTENTIOMETER 1
70f 116752 SWITCH, rocker 1
70e 198650 SPACER, shaft 1
70g 119541 SWITCH, toggle 1
70h 116167 KNOB, potentiometer 1
70j 195428 BOOT, toggle 1
70m 16Y496 KIT, display,
includes 70t
1
70n 16X801 LABEL, brand 1
70r 119545 BUSHING, strain, relief 1
70t 115522 SCREW, mach, pnh 3
71 116585 SCREW, pan, X recess, sst 2
73 113160 SCREW, mach, slot, hex
wash hd
4
120 16Y415 GASKET, transducer 1
130 119545 BUSHING, strain, relief 1
Ref. Part Description Qty.

Control Box 16X822
332921D 37
Control Box 16X822
3900 5900 7900
GMAX II
3900
International
GMAX II 3900
GMAX II
5900/5900HD
GMAX II
5900/5900HD
International
GMAX II 5900
Convertible
GMAX II
7900/7900HD
GMAX II
7900/7900HD
International
1xx x
2xx
3xx xx
4xxxx
XX
1234
ti7053c
CUT X TO LEAVE THE CHOSEN MODEL.
GMAX II 7900 EXAMPLE SHOWN
71
70b
70c
70f
70h
70r
70e
70a
74
70d
70d 120
70d
130
73
70n
70a
1 Refer to your sprayer repair manual for
the procedures.
2Perform Pressure Relief Procedure.
3 Remove pressure control cover.
4 Remove PC board.
5 Cut out and remove the resistor(s) on
PC board according to figure and
table.
6 Install PC board.
7 Install pressure control cover.
NOTICE
Electrostatic discharges can damage components on PC
board. Use a ground strap when handling or installing PC
board. Using configurations other than those listed results
in poor sprayer performance.
ti23003a
20
20
20
Torque to 8-12 in-lb (0.9-1.3 N•m)

Control Box 16X822
38 332921D
Parts List - Control Box 16X822
Ref. Part Description Qty.
70 16X822 CONTROL BOX
70a 24U346 BOX 1
70b 17A095 CONTROL, board 1
70c 117317 SCREW, plastite, pan head 4
70d 256219 POTENTIOMETER 1
70e 198650 SPACER, shaft 1
70f 116752 SWITCH, rocker 1
70h 116167 KNOB, potentiometer 1
70n 16Y782 LABEL, brand 1
70r 119545 BUSHING, strain, relief 1
71 116585 SCREW, pan, X recess, sst 2
73 116585 SCREW, pan, X recess, sst
(5900 Convertible)
4
113160 SCREW, mach, slot, hex
wash hd
4
74 15C973 GASKET 1
120 16Y415 GASKET, transducer 1
130 119545 BUSHING, strain, relief 1
Ref. Part Description Qty.

Control Box 16X744
332921D 39
Control Box 16X744
Parts List - Control Box 16X744
70a
70b
70c
70f 70d
70h
74
70r
73
130
70e
70n
70a
71
70d 120
ti23004a
20
20
20
Torque to 8-12 in-lb (0.9-1.3 N•m)
Ref. Part Description Qty.
70 16X744 CONTROL BOX, GMAX 3400
70a 24U346 BOX 1
70b 287486 KIT, repair, control board 1
70c 117317 SCREW, plastite, pan head 4
70d 256219 POTENTIOMETER 1
70e 198650 SPACER, shaft 1
70f 116752 SWITCH, rocker 1
70h 116167 KNOB, potentiometer 1
70n 16Y782 LABEL, brand 1
70r 119545 BUSHING, strain, relief 1
71 116585 SCREW, pan, X recess, sst 2
73 116585 SCREW, pan, X recess, sst
(5900 Convertible)
4
113160 SCREW, mach, slot, hex
wash hd
4
74 15C973 GASKET 1
120 16Y415 GASKET, transducer 1
130 119545 BUSHING, strain, relief 1
Ref. Part Description Qty.

Filter
40 332921D
Filter
Parts List - Filter
Part Specifications:
4
53
54
55
56
72
67
65
96
57
102
61
104
5
ti23005a
14
17
21
Ref. Part Description Qty.
4 243222 TRANSDUCER, pressure control
includes 63
1
5 16C381 TUBE, GMAX 5900/7900
(ProContractor)
1
16C384 TUBE, GMAX 3900 (ProContractor) 1
53 287285 CAP, filter,
includes 54, 55
1
54 117285 PACKING, o-ring 1
55 15C766 TUBE, diffusion 1
56 244067 FILTER, fluid 1
57 24E234 KIT, handle 2 position 1
61 123739 SEAL, fitting, flared 1
65 122533 FITTING, 45 deg elbow (ProConnect) 1
162485 FITTING, adapter (7900, IronMan) 1
196177 FITTING, adapter (3900/5900 Stan-
dard, Convertible and Lo-Boy)
1
196178 FITTING, adapter (5900 IronMan/ 7900
Standard/5900HD/7900HD Standard)
1
67 111457 PACKING, o-ring 1
72 15E284 HOUSING, filter 1
96 15G331 PLUG, pipe 1
102 257352 VALVE, prime, heavy duty,
includes 57,
104
1
104 15C972 PIN, spring 1
Ref. Instruction
Torque to 130-150 in-lb (14.6-16.9 N•m)
Torque to 90-110 in-lb (10.1-12.4 N•m)
Torque to 35-45 ft-lb (47.4-61.0 N•m)
Ref. Part Description Qty.
14
17
21

Filter (3400 Models only)
332921D 41
Filter (3400 Models only)
Parts List - Filter
Part Specifications:
20
63
31
58
28
29
30
22b
22a
2221
26
25
85
27
27
81
ti23013a
26
21
14
Ref. Part Description Qty.
20 243222 TRANSDUCER, pressure control,
includes 63
1
21 224807 BASE, valve 1
22 235014 VALVE, drain,
includes 22a, 22b
1
25 15C780 HANDLE, 1
26 15C972 PIN, grooved 1
27 196177 NIPPLE, adapter 2
28 15C766 TUBE, diffusion 1
29 244067 FILTER, fluid 1
30 15E284 HOUSING, filter 1
31 287285 CAP, filter,
includes 28, 58
1
58 117285 O-RING 1
63 111457 O-RING 1
81 113161 SCREW, flange, hex hd 3
85 15G331 PLUG, pipe 1
Ref. Instruction
Torque to 130-150 in-lb (14.6-16.9 N•m)
Torque to 35-45 ft-lb (47.4-61.0 N•m)
Torque to 90-110 in-lb (10.1-12.4 N•m)
Ref. Part Description Qty.
14
21
26

Hose Reel (ProContractor Sprayers)
42 332921D
Hose Reel (ProContractor Sprayers)
Parts List - Hose Reel (ProContractor Sprayers)
61
214
216
212
213
215
205
208
209
211
210
206
221
201
174203
204
68
9
ti22993a
25
25
Torque to 120-130 in-lb (13.5-14.6 N•m)
Ref. Part Description Qty.
6 121311 FITTING, connector, NPT x JIC 1
8 260212 SCREW, hex washer hd 2
9 16C975 PLATE, pivot mount 1
61 123739 SEAL, fitting, flared 1
201 24E016 TUBE, hose reel, pivot 1
203 122607 WASHER, flat 2
204 122534 SPRING, wave 1
205 24B691 REEL, hose 1
206 122524 RING, retaining, external 1
208 24B248 CAP, swivel, complete 1
209 122347 RING, retaining, external 1
210 122787 CAP 1
211 24E400 PIN, pop, lock out 1
212 278085 HANDLE, swivel 1
213 122518 SCREW, shoulder, sch 1
214 122542 SPRING, die 1
215 122669 WASHER, flat 1
216 15X618 NUT, swivel, handle 1
221 164672 ADAPTER
(3900/5900 ProContractor only)
1
162485 ADAPTER 1
Ref. Part Description Qty.

Pressure Control Wiring Diagrams
332921D 43
Pressure Control Wiring Diagrams
GMAX 3400 Sprayers
TO ENGINE
TO GROUND
ON/OFF SWITCH
POTENTIOMETER
TRANSDUCER
CONTROL BOARD
PINON
HOUSING
DRIVE
HOUSING
CLUTCH B CLUTCH A

Pressure Control Wiring Diagrams
44 332921D
3900/5900/7900 Sprayers
TO ENGINE
TO GROUND
3900
CLUTCH TEST POINTS
CONTROL
BOARD
PINON
DRIVE
TRANSDUCER
POTENTIOMETER
DISPLAY BOARD
ON/ OFF SWITCH
WATCHDOG
PUMP STROKE
COUNTER
D12
LED
J9
J5J4J3
J1
J2
J10

Notes
332921D 45
Notes

All written and visual data contained in this document reflects the latest product information available at the time of publication.
Graco reserves the right to make changes at any time without notice.
This manual contains English. MM 332921
Graco Headquarters: Minneapolis
International Offices: Belgium, China, Japan, Korea
GRACO INC. AND SUBSIDIARIES • P.O. BOX 1441 • MINNEAPOLIS MN 55440-1441 • USA
Copyright 2014, Graco Inc. All Graco manufacturing locations are registered to ISO 9001.
www.graco.com
Revision D- May 2014
Graco Standard Warranty
Graco warrants all equipment referenced in this document which is manufactured by Graco and bearing its name to be free from defects in
material and workmanship on the date of sale to the original purchaser for use. With the exception of any special, extended, or limited warranty
published by Graco, Graco will, for a period of twelve months from the date of sale, repair or replace any part of the equipment determined by
Graco to be defective. This warranty applies only when the equipment is installed, operated and maintained in accordance with Graco’s written
recommendations.
This warranty does not cover, and Graco shall not be liable for general wear and tear, or any malfunction, damage or wear caused by faulty
installation, misapplication, abrasion, corrosion, inadequate or improper maintenance, negligence, accident, tampering, or substitution of
non-Graco component parts. Nor shall Graco be liable for malfunction, damage or wear caused by the incompatibility of Graco equipment with
structures, accessories, equipment or materials not supplied by Graco, or the improper design, manufacture, installation, operation or
maintenance of structures, accessories, equipment or materials not supplied by Graco.
This warranty is conditioned upon the prepaid return of the equipment claimed to be defective to an authorized Graco distributor for verification of
the claimed defect. If the claimed defect is verified, Graco will repair or replace free of charge any defective parts. The equipment will be returned
to the original purchaser transportation prepaid. If inspection of the equipment does not disclose any defect in material or workmanship, repairs
will be made at a reasonable charge, which charges may include the costs of parts, labor, and transportation.
THIS WARRANTY IS EXCLUSIVE, AND IS IN LIEU OF ANY OTHER WARRANTIES, EXPRESS OR IMPLIED, INCLUDING BUT NOT
LIMITED TO WARRANTY OF MERCHANTABILITY OR WARRANTY OF FITNESS FOR A PARTICULAR PURPOSE
.
Graco’s sole obligation and buyer’s sole remedy for any breach of warranty shall be as set forth above. The buyer agrees that no other remedy
(including, but not limited to, incidental or consequential damages for lost profits, lost sales, injury to person or property, or any other incidental or
consequential loss) shall be available. Any action for breach of warranty must be brought within two (2) years of the date of sale.
GRACO MAKES NO WARRANTY, AND DISCLAIMS ALL IMPLIED WARRANTIES OF MERCHANTABILITY AND FITNESS FOR A
PARTICULAR PURPOSE, IN CONNECTION WITH ACCESSORIES, EQUIPMENT, MATERIALS OR COMPONENTS SOLD BUT NOT
MANUFACTURED BY GRACO
. These items sold, but not manufactured by Graco (such as electric motors, switches, hose, etc.), are subject to
the warranty, if any, of their manufacturer. Graco will provide purchaser with reasonable assistance in making any claim for breach of these
warranties.
In no event will Graco be liable for indirect, incidental, special or consequential damages resulting from Graco supplying equipment hereunder, or
the furnishing, performance, or use of any products or other goods sold hereto, whether due to a breach of contract, breach of warranty, the
negligence of Graco, or otherwise.
FOR GRACO CANADA CUSTOMERS
The Parties acknowledge that they have required that the present document, as well as all documents, notices and legal proceedings entered into,
given or instituted pursuant hereto or relating directly or indirectly hereto, be drawn up in English. Les parties reconnaissent avoir convenu que la
rédaction du présente document sera en Anglais, ainsi que tous documents, avis et procédures judiciaires exécutés, donnés ou intentés, à la suite
de ou en rapport, directement ou indirectement, avec les procédures concernées.
Graco Information
For the latest information about Graco products, visit www.graco.com.
For patent information, see www.graco.com/patents.
TO PLACE AN ORDER, contact your Graco distributor or call 1-800-690-2894 to identify the nearest distributor.


