Graco 333024E Reactor 2 E 30 And Xp2 Proportioning System Users Manual System, Repair Parts, English
2015-04-02
: Graco Graco-333024E-Reactor-2-E-30-And-E-Xp2-Proportioning-System-Users-Manual-686233 graco-333024e-reactor-2-e-30-and-e-xp2-proportioning-system-users-manual-686233 graco pdf
Open the PDF directly: View PDF
.
Page Count: 100
- toc
- Contents
- Warnings
- Important Isocyanate Information
- Models
- Approvals
- Accessories
- Supplied Manuals
- Related Manuals
- Troubleshooting
- Pressure Relief Procedure
- Shutdown
- Flushing
- Repair
- Before Beginning Repair
- Flush Inlet Strainer Screen
- Change Pump Lubricant
- Remove Pump
- Install Pump
- Repair Drive Housing
- Repair Electric Motor
- Repair Circuit Breaker Module
- Figure 8 Circuit Breakers
- Replace Fluid Inlet Sensor
- Replace Pressure Transducers
- Replace Fans
- Repair Primary Heater
- Repair Heated Hose
- Repair Fluid Temperature Sensor (FTS)
- Replace Power Supply
- Replace Surge Protector
- Replace Advanced Display Module (ADM)
- Replace Motor Control Module (MCM)
- Software Update Procedure
- Replace Temperature Control Module (TCM)
- Parts
- Electrical Schematics
- Reactor 2 Repair Spare Parts Reference
- Performance Charts
- Technical Specifications
- Notes
- Graco Extended Warranty for Reactor® 2 Components
- Contents
- tables

Repair-Parts
Reactor 2 E-30 and E-XP2
Proportioning System
333024E
PROVEN QUALITY. LEADING TECHNOLOGY.

Parts
Ref Part Description
24V150
E-30
24V151
E-XP2
101 24U050 MOTOR, brushless, double ended, 2 HP 11
102--- HOUSING, drive, Mark VII 22
257355 HOUSING, bearing 2103
245927 HOUSING, bearing 2
104287290 KIT, repair, gear 22
105-241279 KIT, rod, connecting 22
245971 PUMP, displacement A 1
106★
245972 PUMP, displacement A 1
107114699 WASHER, thrust; copper colored 22
108114672 WASHER, thrust; steel colored 44
110-183169 SPRING, retaining 22
111 183210 PIN, str, hdls 22
11215C753 SCREW, machine, hex wash hd; 1.25 in. x
5/16–18
10 10
113 114666 SCREW, cap, socket head; 2.25 x 3/8–16 88
114 106115 WASHER, lock (hi-collar) 88
246831 PUMP, displacement, B 1
115★
246832 PUMP, displacement, B 1
193031 NUT, retaining 2116
193394 NUT, retaining 2
118116192 WASHER, thrust (1595) 22
120 116618 MAGNET 11
121 24P728 SWITCH, reed, M8 4-pin 11
122 127301 SCREW, hexhead, thread cut, 4-40 x 0.375 22
125 187437 LABEL, torque 22
126▲192840 LABEL, warning 22
▲
★
-

Parts
Ref Part Description 24U843 24U842
15J090 HEATER, machined, 1 zone 1
201
15K825 HEATER, machined, dual zone 1
202 124132 O-RING 43
203 15H305 FITTING, plug, hollow, hex, 1-3/16 sae 45
204 121309 FITTING, adapter, sae-orb x jic 42
205 15H304 FITTING, plug 9/16 sae 23
206 15H306 ADAPTER, 9/16 x 1/8 21
207 120336 O-RING, packing 21
208 16A110 HEATER, immersion, 2550W, 230V 43
209 15B137 SWITCH, over temperature 11
210 15B135 MIXER, immersion heater 43
211* FITTING, compression 21
212* SENSOR, RTD 21
213 124131 SCREW, machine, pnhd; 5/16 in. x #6–32 22
214 15M178 HOUSING, rupture disc 21

Parts
Electrical Enclosure
24U087 ENCLOSURE 1
453 24U855 MODULE, TCM 1
454 24U848 FAN, cooling, 80 mm,
24VDC 1
455 24R736 SWITCH, disconnect,
door mounted 1
457 117666 TERMINAL, ground 1
458 120859 NUT, strain relief, M40
thread 1
459 120858 BUSHING, strain relief,
M40 thread 1
460 123967 KNOB, operator
disconnect 1
461 115942 NUT, hex, flange head 5
462 103181 WASHER, lock external 2
463 124131 SCREW, machine, pan
head; 5/16 in. x #6–32 2
464 194337 WIRE, grounding, door 1
466 113505 NUT, keps, hex head 6
468 111218 CAP, tube, square 2
469 114269 GROMMET, rubber 1
470 127282 GROMMET, rubber 2
471 127278 NUT, keps, hex 4
472 16W925 GASKET, enclosure,
foam 2
473 16W926 GASKET, enclosure,
foam 2
474 24R735 CABLE, CAN power, M12
female, pigtail 1
475 127068 CABLE, CAN,
female/female 1.0 meter 2
476 MODULE, breaker 1
477 127290 CABLE, 4-pin,
male/female, 1.3 meter,
molded (hose RTD) 1
478▲16X050 LABEL, safety; enclosure 1
479▲16X049 LABEL, safety; multi 1
▲

Parts
Ref Part Description Qty
501 16U529 HARNESS, breaker
module 1
502 16V515 HARNESS, hose out 1
503 16U522 MODULE, din rail, term
blk, power sup; see
System Circuit Breaker
Module, page 86 1
Ref Part Description Qty
504 16U526 MODULE, din rail,
circuit breakers; see
Power Supply and
Terminal Block Module,
page 86 1
505 16U530 MODULE, sys surge
protector 1
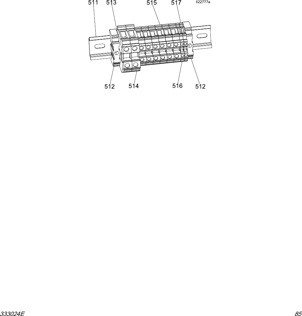
Heater and Transformer Terminal Block Module
24U849
Ref Part Description Qty
511 24T315 RAIL, DIN; 35 mm x 7.5
mm x 7 in.
1
512 126811 BLOCK, clamp, end 2
513 126383 COVER, end 1
514 126382 BLOCK, terminal 2
Ref Part Description Qty
515 120570 BLOCK, terminal 6
516 24R758 BLOCK, terminal,
UT-2.5, red
1
517 24R759 BLOCK, terminal,
UT-2.5, black
1

Parts
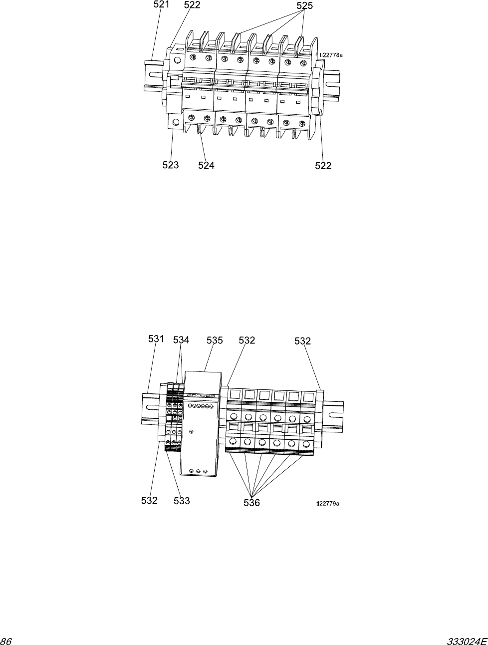
System Circuit Breaker Module
16U526
Ref Part Description Qty
521 514014 RAIL,DIN;35mmx
7.5 mm x 8.625 in.
1
522 120838 TERMINAL, end stop 2
523 17A319 CIRCUIT, breaker, 1
pole,50A,CCurve
1
Ref Part Description Qty
524 17A314 CIRCUIT, breaker, 2P,
20A, UL489
1
525 17A317 CIRCUIT, breaker, 2P,
40A, UL489
3
Power Supply and Terminal Block Module
16U522
Ref Part Description Qty
531 514014 RAIL,DIN;35mmx7.5
mm x 8.625 in.
1
532 120838 TERMINAL, end stop 3
533 24R722 BLOCK, terminal PE,
quad, ABB
1
Ref Part Description Qty
534 24R723 BLOCK, terminal, quad
M4, ABB
2
535 126453 POWER SUPPLY, 24V 1
536 24R724 BLOCK, terminal, UT35 6

Performance Charts
Proportioners For Coatings
3500
(241)
3000
(207)
2500
(172)
2000
(138)
1500
(103)
1000
(69)
500
(34)
AR2020
(000)
AR4242
(01)
AR2929
(00)
E-XP2
0 0.5
(1.9)
1.5
(5.7)
1.0
(3.8)
2.0
(7.6)
3500
(241, 24.1)
3000
(207, 20.7)
2500
(174, 17.4)
2000
(138, 13.8)
1500
(103, 10.3)
1000
(69, 6.9)
500
(35, 3.5)
AF2020
(FTXX24 TIP)
E-XP2
0 0.5
(1.9)
1.5
(5.7)
1.0
(3.8)
2.0
(7.6)
AF2929
(FTXX38 TIP)
AF4242
(FTXX38 TIP)
AF5252
(FTXX48 TIP)

Performance Charts
3500
(241, 24.1)
3000
(207, 20.7)
2500
(174, 17.4)
2000
(138, 13.8)
1500
(103, 10.3)
1000
(69, 6.9)
500
(35, 3.5)
XR2323
(RTM040)
XR2929
(RTM040)
E-XP2
0 0.5
(1.9)
1.5
(5.7)
1
(3.8)
2.0
(7.6)
MR3535
(RTM040)
MR4747
(RTM055)
XR3535
(RTM055) XR4747
(RTM055)
3500
(241, 24.1)
3000
(207, 20.7)
2500
(174, 17.4)
2000
(138, 13.8)
1500
(103, 10.3)
1000
(69, 6.9)
500
(35, 3.5)
E-XP2
0 0.4
(1.5)
0.6
(2.3)
0.8
(3.0)
0.2
(0.7)
1.4
(5.3)
1.2
(4.5)
1.6
(6.0)
1.8
(6.8)
1
(3.8)
2.0
(7.6)
XF1313
(FTM424)
MF1818
(FTM424)
XF1818
(FTM424)
XF2323
(FTM424)
MF2929
(FTM424)
XF2929
(FTM424)
MF3535
(FTM638)
MF4747
(FTM638)
XF3535
(FTM638)
MF5757
(FTM638)
XF5757
(FTM638)

Graco Extended Warranty for Reactor
®
2
Components

Graco Information

























































































