Graco 333347F Invisipac Hm25 And Hm50 Users Manual Tank Free Hot Melt Delivery System, Instructions Parts, English
2015-04-02
: Graco Graco-333347F-Invisipac-Hm25-And-Hm50-Users-Manual-686022 graco-333347f-invisipac-hm25-and-hm50-users-manual-686022 graco pdf
Open the PDF directly: View PDF
.
Page Count: 130 [warning: Documents this large are best viewed by clicking the View PDF Link!]

333347F
EN
Instructions - Parts
InvisiPac
™
HM25 and HM50 Tank-Free
™
Hot Melt Delivery System
For delivering and dispensing hot melt adhesive pellets. For professional use only.
Not approved for use in explosive atmospheres or hazardous locations.
1200 psi (8.3 MPa, 83 bar) Maximum Working Pressure
400°F (204°C) Maximum Fluid Operating Temperature
100 psi (0.7 MPa,7 bar) Maximum Air Inlet Pressure
Important Safety Instructions
Read all warnings and instructions in this
manual and in the applicator and hose manu-
als. Save all instructions.
WLD
9902471
Certified to
CAN/CSA C22.2 No. 88
Conforms to
ANSI/UL 499
2333347F
Contents
Related Manuals . . . . . . . . . . . . . . . . . . . . . . . . . . . . . . . . . . . 3
Required Tools . . . . . . . . . . . . . . . . . . . . . . . . . . . . . . . . . . . . 3
Models . . . . . . . . . . . . . . . . . . . . . . . . . . . . . . . . . . . . . . . . . . . 4
200-230 VAC, 350-415 VAC HM50 Models . . . . . . . . . . . 4
200-230 VAC, 350-415 VAC HM25 Models . . . . . . . . . . . 5
400 VAC Transformer HM25 Models . . . . . . . . . . . . . . . . 6
400 VAC Transformer HM25 Models . . . . . . . . . . . . . . . . 6
480 VAC Transformer HM25 Models . . . . . . . . . . . . . . . . 7
480 VAC Transformer HM50 Models . . . . . . . . . . . . . . . . 7
Warnings . . . . . . . . . . . . . . . . . . . . . . . . . . . . . . . . . . . . . . . . . 8
Component Identification . . . . . . . . . . . . . . . . . . . . . . . . . . 11
Heated Fluid Manifold . . . . . . . . . . . . . . . . . . . . . . . . . . . 12
Electrical Enclosure . . . . . . . . . . . . . . . . . . . . . . . . . . . . . 13
Advanced Display Module (ADM) . . . . . . . . . . . . . . . . . . 14
Setup . . . . . . . . . . . . . . . . . . . . . . . . . . . . . . . . . . . . . . . . . . . 17
Grounding . . . . . . . . . . . . . . . . . . . . . . . . . . . . . . . . . . . . 17
Location . . . . . . . . . . . . . . . . . . . . . . . . . . . . . . . . . . . . . . 17
Attach Components . . . . . . . . . . . . . . . . . . . . . . . . . . . . . 17
Recommended Air Setup . . . . . . . . . . . . . . . . . . . . . . . . 22
Connect Electrical Cord . . . . . . . . . . . . . . . . . . . . . . . . . . 23
208V Electrical Circuits . . . . . . . . . . . . . . . . . . . . . . . . . . 24
Select ADM Settings . . . . . . . . . . . . . . . . . . . . . . . . . . . . 24
Applicators . . . . . . . . . . . . . . . . . . . . . . . . . . . . . . . . . . . . 26
PLC Connection . . . . . . . . . . . . . . . . . . . . . . . . . . . . . . . 27
Operation . . . . . . . . . . . . . . . . . . . . . . . . . . . . . . . . . . . . . . . . 29
Overview . . . . . . . . . . . . . . . . . . . . . . . . . . . . . . . . . . . . . 29
Initial Startup and Prime . . . . . . . . . . . . . . . . . . . . . . . . . 29
Manual Refill . . . . . . . . . . . . . . . . . . . . . . . . . . . . . . . . . . 30
Automatic Refill . . . . . . . . . . . . . . . . . . . . . . . . . . . . . . . . 31
Dispense . . . . . . . . . . . . . . . . . . . . . . . . . . . . . . . . . . . . . 32
Shutdown . . . . . . . . . . . . . . . . . . . . . . . . . . . . . . . . . . . . . 33
Schedule . . . . . . . . . . . . . . . . . . . . . . . . . . . . . . . . . . . . . 33
Pressure Relief Procedure . . . . . . . . . . . . . . . . . . . . . . . 33
Drain the System . . . . . . . . . . . . . . . . . . . . . . . . . . . . . . . 34
Flush . . . . . . . . . . . . . . . . . . . . . . . . . . . . . . . . . . . . . . . . 34
Operation Tips to Minimize Charring . . . . . . . . . . . . . . . . 36
Maintenance . . . . . . . . . . . . . . . . . . . . . . . . . . . . . . . . . . . . . 37
Replace Outlet Filter . . . . . . . . . . . . . . . . . . . . . . . . . . . . 37
Replace Inlet Filter . . . . . . . . . . . . . . . . . . . . . . . . . . . . . . 37
Replace Funnel Filter . . . . . . . . . . . . . . . . . . . . . . . . . . . 38
Filter Maintenance Guidelines* . . . . . . . . . . . . . . . . . . . . 39
Troubleshooting . . . . . . . . . . . . . . . . . . . . . . . . . . . . . . . . . . 40
ADM Error Code Table . . . . . . . . . . . . . . . . . . . . . . . . . . 40
Mechanical and Electrical Troubleshooting . . . . . . . . . . 46
MZLP Troubleshooting . . . . . . . . . . . . . . . . . . . . . . . . . . 55
Repair . . . . . . . . . . . . . . . . . . . . . . . . . . . . . . . . . . . . . . . . . . . 56
Pump . . . . . . . . . . . . . . . . . . . . . . . . . . . . . . . . . . . . . . . . 56
Melter . . . . . . . . . . . . . . . . . . . . . . . . . . . . . . . . . . . . . . . . 60
Multi-Zone Low Power Temperature Control Module (MZLP)
67
System . . . . . . . . . . . . . . . . . . . . . . . . . . . . . . . . . . . . . . . 69
Air Controls . . . . . . . . . . . . . . . . . . . . . . . . . . . . . . . . . . . 72
Air Motor . . . . . . . . . . . . . . . . . . . . . . . . . . . . . . . . . . . . . 73
Transformer Fan . . . . . . . . . . . . . . . . . . . . . . . . . . . . . . . 76
Software Update Procedure . . . . . . . . . . . . . . . . . . . . . . 77
Electrical Schematics . . . . . . . . . . . . . . . . . . . . . . . . . . . . . . 78
Incoming Power . . . . . . . . . . . . . . . . . . . . . . . . . . . . . . . 78
Cable Identification . . . . . . . . . . . . . . . . . . . . . . . . . . . . . 78
System . . . . . . . . . . . . . . . . . . . . . . . . . . . . . . . . . . . . . . 79
480VAC Transformer Option . . . . . . . . . . . . . . . . . . . . . . 80
Typical Hose / Applicator Wiring . . . . . . . . . . . . . . . . . . . 80
2nd and 3rd MZLP Options . . . . . . . . . . . . . . . . . . . . . . . 81
Air Schematic . . . . . . . . . . . . . . . . . . . . . . . . . . . . . . . . . . . . 82
Parts . . . . . . . . . . . . . . . . . . . . . . . . . . . . . . . . . . . . . . . . . . . . 83
InvisiPac Systems . . . . . . . . . . . . . . . . . . . . . . . . . . . . . . 83
Electrical Enclosure . . . . . . . . . . . . . . . . . . . . . . . . . . . . . 89
Transformer Assemblies . . . . . . . . . . . . . . . . . . . . . . . . . 92
Melter and Pump Assembly . . . . . . . . . . . . . . . . . . . . . . 93
Air Motor, 24V558 . . . . . . . . . . . . . . . . . . . . . . . . . . . . . . 95
Feed System Shaker and Tube, 24V507 . . . . . . . . . . . . 96
Air Controls Assembly . . . . . . . . . . . . . . . . . . . . . . . . . . . 97
Pressure Relief Valve, 24P856 . . . . . . . . . . . . . . . . . . . . 98
Feed Inlet Funnel, 24V505 . . . . . . . . . . . . . . . . . . . . . . . 99
Accessories . . . . . . . . . . . . . . . . . . . . . . . . . . . . . . . . . . . . . 100
Special Tools . . . . . . . . . . . . . . . . . . . . . . . . . . . . . . . . . 100
Non-Graco Applicator Adapter Cables . . . . . . . . . . . . . 101
Air Adjustment Lock, 24R084 . . . . . . . . . . . . . . . . . . . . 101
System Stand, 24R088 . . . . . . . . . . . . . . . . . . . . . . . . . 102
Caster for Stand, 120302 . . . . . . . . . . . . . . . . . . . . . . . 102
Adapter Plate, 24R083 . . . . . . . . . . . . . . . . . . . . . . . . . 102
30 Gallon Vibrating Hopper, 24R136 . . . . . . . . . . . . . . 104
Light Tower Kit, 24R226 . . . . . . . . . . . . . . . . . . . . . . . . 106
Air Reservoir Kit, 16W366 . . . . . . . . . . . . . . . . . . . . . . . 107
4 Channel Upgrade Kit, 24V528 . . . . . . . . . . . . . . . . . . 108
6 Channel Upgrade Kit, 24V529 . . . . . . . . . . . . . . . . . . 110
InvisiPac ADM Simulator Kit, 24R323 . . . . . . . . . . . . . . 112
ADM Extension Kits . . . . . . . . . . . . . . . . . . . . . . . . . . . 112
ADM Remote Mount Bracket, 24A326 . . . . . . . . . . . . . 112
Overtemperature Jumper, 16Y727 . . . . . . . . . . . . . . . . 113
Air Metric Fitting Kit, 24W637 . . . . . . . . . . . . . . . . . . . . 113
Strain Relief Bushing Kit, 24X190 . . . . . . . . . . . . . . . . . 113
Hose Straps (4 Pack), 24R0294 . . . . . . . . . . . . . . . . . . 113
Pressure Gauge Replacement Kit, 24R635 . . . . . . . . . 113
Appendix A - ADM . . . . . . . . . . . . . . . . . . . . . . . . . . . . . . . . 114
General Operation . . . . . . . . . . . . . . . . . . . . . . . . . . . . . 114
Icon Identification . . . . . . . . . . . . . . . . . . . . . . . . . . . . . 114
Operation Screens . . . . . . . . . . . . . . . . . . . . . . . . . . . . 115
Setup Screens . . . . . . . . . . . . . . . . . . . . . . . . . . . . . . . . 117
Appendix B - USB Downloading, Uploading . . . . . . . . . . 120
Download Procedure . . . . . . . . . . . . . . . . . . . . . . . . . . . 120
Accessing Files . . . . . . . . . . . . . . . . . . . . . . . . . . . . . . . 120
Upload Procedure . . . . . . . . . . . . . . . . . . . . . . . . . . . . . 120
USB Logs . . . . . . . . . . . . . . . . . . . . . . . . . . . . . . . . . . . 121
System Settings File . . . . . . . . . . . . . . . . . . . . . . . . . . . 121
System Language File . . . . . . . . . . . . . . . . . . . . . . . . . 122
Technical Data . . . . . . . . . . . . . . . . . . . . . . . . . . . . . . . . . . . 123
Startup Time . . . . . . . . . . . . . . . . . . . . . . . . . . . . . . . . . 125
Dimensions . . . . . . . . . . . . . . . . . . . . . . . . . . . . . . . . . . 127
Graco Extended Warranty . . . . . . . . . . . . . . . . . . . . . . . . . 130
Graco Information . . . . . . . . . . . . . . . . . . . . . . . . . . . . . . . . 130

Related Manuals
333347F 3
Related Manuals
Manuals are available at www.graco.com. Component
manuals in English:
Required Tools
• Standard allen wrench set
• Metric allen wrench set
• Various sizes of crescent wrenches
• 11/16 in. wrench
• 3/8 in. ratchet
• 3/8 in. socket
• 5/16 in. driver
• 7/16 in. socket
• 7/8 in. deep well socket
• 1 in. socket
• 13 mm socket
• 10 mm socket
• 1/2 in. ratchet
• Side cutter
• Phillips head screwdriver
• Flat head screwdriver
• Multimeter
• Tubing cutter
Part Description
3A2805 InvisiPac GS35 Hot Melt Applicator Instruc-
tions - Parts
332072 InvisiPac Heated Hose Instructions - Parts
333348 HM50 Fuse Kit, Instructions-Parts
333349 InvisiPac 480V Transformer Upgrade Kit,
Instructions-Parts
333348 MZLP Fuse Kit, Instructions

Models
4333347F
Models
200-240 VAC, 350-415 VAC HM50 Models
See 400 VAC Transformer models on page 6.
See 480 VAC Transformer models on page 7.
Model Channels Voltage Type Description Frequency
Max
Amps
24T918 2
200-240 VAC 1 / PE
•
1-Phase
•
200-240VAC
•
2 wire and PE
50/60 Hz 32A
200-240 VAC 3 / PE
•
3-Phase without Neutral
•
200-240VAC
•
3 wire and PE
50/60 Hz 27A
350-415 VAC Y 3 / Neutral / PE
•
3-Phase with Neutral
•
350-415 VAC Line to Line
•
200-240 VAC Line to Neutral
•
3 wire, Neutral, and PE
50/60 Hz 16A
24T919 4
200-240 VAC 1 / PE
•
1-Phase
•
200-240 VAC
•
2 wire and PE
50/60 Hz 40A
200-240 VAC 3 / PE
•
3-Phase without Neutral
•
200-240 VAC Line to Line
•
3 wire and PE
50/60 Hz 27A
350-415 VAC Y 3 / Neutral / PE
•
3-Phase with Neutral
•
350-415 VAC Line to Line
•
200-240 VAC Line to Neutral
•
3 wire, Neutral, and PE
50/60 Hz 16A
24T920 6
200-240 VAC 1 / PE
•
1-Phase
•
200-240 VAC
•
2 wire and PE
50/60 Hz 40A
200-240 VAC 3 / PE
•
3-Phase without Neutral
•
200-240 VAC Line to Line
•
3 wire and PE
50/60 Hz 40A
350-415 VAC Y 3 / Neutral / PE
•
3-Phase with Neutral
•
350-415 VAC Line to Line
•
200-240 VAC Line to Neutral
•
3 wire, Neutral, and PE
50/60 Hz 30A

Models
333347F 5
200-240 VAC, 350-415 VAC HM25 Models
See 400 VAC Transformer models on page 6.
See 480 VAC Transformer models on page 7.
Model Channels Voltage Type Description Frequency
Max
Amps
24V423 2
200-240 VAC 1 / PE
•
1-Phase
•
200-240VAC
•
2 wire and PE
50/60 Hz 32A
200-240 VAC 3 / PE
•
3-Phase without Neutral
•
200-240VAC
•
3 wire and PE
50/60 Hz 27A
350-415 VAC Y 3 / Neutral / PE
•
3-Phase with Neutral
•
350-415 VAC Line to Line
•
200-240 VAC Line to Neutral
•
3 wire, Neutral, and PE
50/60 Hz 16A
24V424 4
200-240 VAC 1 / PE
•
1-Phase
•
200-240VAC
•
2 wire and PE
50/60 Hz 40A
200-240 VAC 3 / PE
•
3-Phase without Neutral
•
200-240VAC
•
3 wire and PE
50/60 Hz 27A
350-415 VAC Y 3 / Neutral / PE
•
3-Phase with Neutral
•
350-415 VAC Line to Line
•
200-240 VAC Line to Neutral
•
3 wire, Neutral, and PE
50/60 Hz 16A
24V425 6
200-240 VAC 1 / PE
•
1-Phase
•
200-240VAC
•
2 wire and PE
50/60 Hz 40A
200-240 VAC 3 / PE
•
3-Phase without Neutral
•
200-240VAC
•
3 wire and PE
50/60 Hz 40A
350-415 VAC Y 3 / Neutral / PE
•
3-Phase with Neutral
•
350-415 VAC Line to Line
•
200-240 VAC Line to Neutral
•
3 wire, Neutral, and PE
50/60 Hz 30A

Models
6333347F
400 VAC Transformer HM25 Models
400 VAC Transformer HM50 Models
Model Channels Voltage Type Description Frequency
Max
Amps
24V426 2 335-400 VAC 3 / PE
•
3-Phase without Neutral
•
335-400 VAC Line to Line
•
3 wire and PE
50/60 Hz 17A
24V427 4 335-400 VAC 3 / PE
•
3-Phase without Neutral
•
335-400 VAC Line to Line
•
3 wire and PE
50/60 Hz 17A
24V428 6 335-400 VAC 3 / PE
•
3-Phase without Neutral
•
335-400 VAC Line to Line
•
3 wire and PE
50/60 Hz 17A
Model Channels Voltage Type Description Frequency
Max
Amps
24V198 2 335-400 VAC 3 / PE
•
3-Phase without Neutral
•
335-400 VAC Line to Line
•
3 wire and PE
50/60 Hz 17A
24V199 4 335-400 VAC 3 / PE
•
3-Phase without Neutral
•
335-400 VAC Line to Line
•
3 wire and PE
50/60 Hz 17A
24V200 6 335-400 VAC 3 / PE
•
3-Phase without Neutral
•
335-400 VAC Line to Line
•
3 wire and PE
50/60 Hz 17A

Models
333347F 7
480 VAC Transformer HM25 Models
480 VAC Transformer HM50 Models
Model Channels Voltage Type Description Frequency
Max
Amps
24V429 2
400-480 VAC 3 / PE
•
3-Phase without Neutral
•
400-480 VAC Line to Line
•
3 wire and PE
50/60 Hz 14A
24V430 4
400-480 VAC 3 / PE
•
3-Phase without Neutral
•
400-480 VAC Line to Line
•
3 wire and PE
50/60 Hz 14A
24V431 6
400-480 VAC 3 / PE
•
3-Phase without Neutral
•
400-480 VAC Line to Line
•
3 wire and PE
50/60 Hz 14A
Model Channels Voltage Type Description Frequency
Max
Amps
24V201 2 400-480 VAC 3 / PE
•
3-Phase without Neutral
•
400-480 VAC Line to Line
•
3 wire and PE
50/60 Hz 14A
24V202 4 400-480 VAC 3 / PE
•
3-Phase without Neutral
•
400-480 VAC Line to Line
•
3 wire and PE
50/60 Hz 14A
24V203 6 400-480 VAC 3 / PE
•
3-Phase without Neutral
•
400-480 VAC Line to Line
•
3 wire and PE
50/60 Hz 14A

Warnings
8333347F
Warnings
The following warnings are for the setup, use, grounding, maintenance, and repair of this equipment. The exclama-
tion point symbol alerts you to a general warning and the hazard symbols refer to procedure-specific risks. When
these symbols appear in the body of this manual or on warning labels, refer back to these Warnings. Product-specific
hazard symbols and warnings not covered in this section may appear throughout the body of this manual where
applicable.
WARNING
ELECTRIC SHOCK HAZARD
This equipment must be grounded. Improper grounding, setup, or usage of the system can cause elec-
tric shock.
• Turn off and disconnect power at main switch before disconnecting any cables and before servicing
or installing equipment.
• Connect only to grounded power source.
• All electrical wiring must be done by a qualified electrician and comply with all local codes and
regulations.
BURN HAZARD
Equipment surfaces and fluid that’s heated can become very hot during operation. To avoid severe
burns:
• Do not touch hot fluid or equipment.
+
SKIN INJECTION HAZARD
High-pressure fluid from dispensing device, hose leaks, or ruptured components will pierce skin. This
may look like just a cut, but it is a serious injury that can result in amputation. Get immediate surgical
treatment.
• Do not point dispensing device at anyone or at any part of the body.
• Do not put your hand over the fluid outlet.
• Do not stop or deflect leaks with your hand, body, glove, or rag.
•Follow the Pressure Relief Procedure when you stop dispensing and before cleaning, checking, or
servicing equipment.
• Tighten all fluid connections before operating the equipment.
• Check hoses and couplings daily. Replace worn or damaged parts immediately.
MOVING PARTS HAZARD
Moving parts can pinch, cut or amputate fingers and other body parts.
• Keep clear of moving parts.
• Do not operate equipment with protective guards or covers removed.
• Pressurized equipment can start without warning. Before checking, moving, or servicing equipment,
follow the Pressure Relief Procedure and disconnect all power sources.

Warnings
333347F 9
EQUIPMENT MISUSE HAZARD
Misuse can cause death or serious injury.
• Do not operate the unit when fatigued or under the influence of drugs or alcohol.
• Do not exceed the maximum working pressure or temperature rating of the lowest rated system
component. See Technical Data in all equipment manuals.
• Use fluids and solvents that are compatible with equipment wetted parts. See Technical Data in all
equipment manuals. Read fluid and solvent manufacturer’s warnings. For complete information
about your material, request MSDS from distributor or retailer.
• Do not leave the work area while equipment is energized or under pressure.
• Turn off all equipment and follow the Pressure Relief Procedure when equipment is not in use.
• Check equipment daily. Repair or replace worn or damaged parts immediately with genuine manu-
facturer’s replacement parts only.
• Do not alter or modify equipment. Alterations or modifications may void agency approvals and create
safety hazards.
• Make sure all equipment is rated and approved for the environment in which you are using it.
• Use equipment only for its intended purpose. Call your distributor for information.
• Route hoses and cables away from traffic areas, sharp edges, moving parts, and hot surfaces.
• Do not kink or over bend hoses or use hoses to pull equipment.
• Keep children and animals away from work area.
• Comply with all applicable safety regulations.
FIRE AND EXPLOSION HAZARD
Flammable fumes, such as solvent and paint fumes, in work area can ignite or explode. To help prevent
fire and explosion:
• Do not use solvent-based adhesives that can create an explosive atmosphere when processed.
• Use equipment only in well ventilated area.
• Eliminate all ignition sources; such as pilot lights, cigarettes, portable electric lamps, and plastic drop
cloths (potential static arc).
• Keep work area free of debris, including solvent, rags and gasoline.
• Do not plug or unplug power cords, or turn power or light switches on or off when flammable fumes
are present.
• Ground all equipment in the work area. See Grounding instructions.
• Use only grounded hoses.
•Stop operation immediately if static sparking occurs or you feel a shock. Do not use equipment
until you identify and correct the problem.
• Keep a working fire extinguisher in the work area.
TOXIC FLUID OR FUMES HAZARD
Toxic fluids or fumes can cause serious injury or death if splashed in the eyes or on skin, inhaled, or
swallowed.
• Read MSDSs to know the specific hazards of the fluids you are using.
• Store hazardous fluid in approved containers, and dispose of it according to applicable guidelines.
WARNING

Warnings
10 333347F
PERSONAL PROTECTIVE EQUIPMENT
Wear appropriate protective equipment when in the work area to help prevent serious injury, including
eye injury, hearing loss, inhalation of toxic fumes, and burns. This protective equipment includes but is
not limited to:
• Protective eyewear, and hearing protection.
• Respirators, protective clothing, and gloves as recommended by the fluid and solvent manufacturer
PRESSURIZED ALUMINUM PARTS HAZARD
Use of fluids that are incompatible with aluminum in pressurized equipment can cause serious chemical
reaction and equipment rupture. Failure to follow this warning can result in death, serious injury, or prop-
erty damage.
• Do not use 1,1,1-trichloroethane, methylene chloride, other halogenated hydrocarbon solvents or
fluids containing such solvents.
• Many other fluids may contain chemicals that can react with aluminum. Contact your material sup-
plier for compatibility.
WARNING

Component Identification
333347F 11
Component Identification
F
IG
. 1
WLD
WLD
A
Key:
A Advanced Display Module (ADM)
B Electrical Enclosure
C Pump Air Pressure Regulator
D Pump Air Pressure Gauge
E Vacuum Transfer Air Pressure Regulator
F Vacuum Transfer Air Pressure Gauge
GShaker Tube
G1 Shaker Head
G2 Vacuum Transfer Tube
G3 Vacuum Transfer Inlet Funnel
G4 Vacuum Transfer 3/8 in. OD Air Supply
H Main Power Switch
J System Air Inlet
K Vacuum Transfer (Shaker) Inlet
L Air Motor and Pump
M Incoming Power Strain Relief
N Heated Fluid Manifold (Melter)
P Multi-Zone Low Power Temperature Control Module (MZLP)
R Fluid Outlets for connection to Heated Hoses (numbered 1-6)
S Customer I/O Cable (optional)
AC Drain Port
AD Transformer (optional)
B
F
G1
K
L
M
N
P
H
S
R
G
G2
G3
ECD
J
G4
AC
AD
G3

Component Identification
12 333347F
Heated Fluid Manifold
Key:
T Electrical Enclosure Front Access Door
UMelter
W1 Drain Port
W2 Drain Tray
X Inlet Filter (Low Pressure - Before Pump)
Y Outlet Filter (High Pressure - After Pump)
Z Adhesive Pellets Level Sensor (not shown; inside funnel)
AA Power and RTD Harness Connection to Heated Hose and
Applicator (harness connects from system to heated hose
then from heated hose to applicator)
AB Inlet Funnel Screen
F
IG
. 2
WLD
U
R
W1
Y
X
AA
AB
NOTE: System shown with plastic and metal shrouds removed.
W2
T

Component Identification
333347F 13
Electrical Enclosure
Key:
P Multi-Zone Low Power Temperature Control Module
(MZLP)
AC Incoming Power Connection
AF Chassis Ground
AG Automatic Wiring Board (AWB)
F
IG
. 3
WLD
P
AC
AF AG

Component Identification
14 333347F
Advanced Display Module (ADM)
User Interface
NOTE: See Appendix A - ADM on page 114 for com-
plete ADM operation details.
B
Key:
BK Part Number Identification Label
BL USB Interface
BM CAN Cable Connection (Power Supply and Communica-
tion)
BN Module Status LEDs
BP (Not used)
BR Software Token Access Panel
NOTICE
To prevent damage to soft key buttons, do not press
the buttons with sharp objects such as pens, plastic
cards, or fingernails.
F
IG
. 4
Key Function
BA Heating system and pump enable/disable
BB System status indicator (LED)
BC Stop all system processes
BD Defined by icon next to softkey
BE Abort current operation
BF Accept change, acknowledge error, select item,
toggle selected item
BG Toggle between Operation and Setup screens
BH Navigate within a screen or to a new screen
TI12362a1
BA
BB
BC
BE
BH
BG
BF
BD
F
IG
. 5
BR
BK
BL
BP BN
BM

Component Identification
333347F 15
Screen Components
F
IG
. 6: Main Screen Components
Current date and time Screens Order
Hose Actual Temperature
Operating Mode Faults, Status
Applicator Actual Temperature
Melter Actual Temperature
Hose and Applicator
Heating Status
Melter Heating Status
Operating Mode Description Component Status
System Off The system doesn’t have power.
• No System Status Indicator LED on the
ADM
• No heat
• Pump is off
Inactive The heating system and pumps are
disabled.
• Yellow system status indicator LED on the
ADM
• No heat
• Pump is off
Warm Up The system is heating the material to
the set temperature.
• Flashing green system status indicator LED
on the ADM
• Heat is increasing to setpoint temperature
• Pump is off
Active The system is ready to dispense
material.
• Solid green system status indicator LED on
the ADM
• Heat is at setpoint temperature
• Pump is on

Component Identification
16 333347F

Setup
333347F 17
Setup
Grounding
The InvisiPac system is equipped with a ground termi-
nal. A qualified electrician must ground the system using
this terminal. See Connect Electrical Cord on page 23.
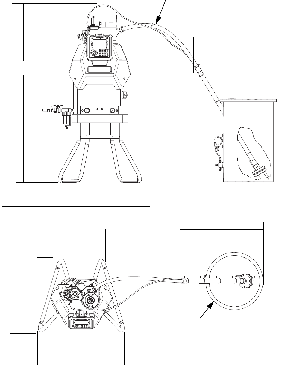
Location
Ambient temperature must be 32-120°F (0-49°C).
The supplied vacuum transfer hose length is 10 ft (3 m).
The maximum vacuum transfer hose length available is
30 ft (9.1 m). The adhesive pellets container must be
located within reach of the vacuum transfer hose and no
more than 30 ft (9.1 m) away.
The applicator(s) must be located no more than 25 ft
(7.6 m) from the melter.
Place the base system on a surface that is eye-level for
easiest operation. Use System Stand, 24R088, to
install system at eye-level. See page 102.
If installing the system in place of a non-Graco hot melt
system, purchase Adapter Plate, 24R083. See
page 102.
Optional 30 Gallon Vibrating Hopper, 24R136, avail-
able (purchase separately). See page 104.
To make repairing the system easier, locate the system
so that all sides are easily accessible and have sufficient
lighting.
Attach Components
NOTE: Only systems with transformers are supplied
with a lifting strap.
1. Use supplied lifting strap 127735, to transport sys-
tems with transformers. Wrap strap around all three
pump tie rods and loop the strap back through itself
in the Choker Configuration. See strap for details.
See F
IG
. 8, page 18.
The equipment must be grounded to reduce the risk of
static sparking and electric shock. Electric or static
sparking can cause fumes to ignite or explode.
Improper grounding can cause electric shock. Ground-
ing provides an escape wire for the electric current.
NOTICE
To prevent excessive static buildup on shaker or adhe-
sive bin, install optional grounding kit 24R708.
F
IG
. 7: Grounding Kit 24R708
WLD
To reduce the risk of electric shock, do not connect
electrical cord until after this Attach Components
procedure is complete.
NOTICE
To prevent strain on electrical or mechanical
connections around the pump assembly, loop the
strap around the tie rods as shown.

Setup
18 333347F
2. Place the base system in the desired operating
location and orientation. See Location, page 17.
• The bottom of the electrical enclosure has holes for
securing the InvisiPac system to a surface. The
holes are accessible through the bottom access
doors in the three rear walls of the electrical enclo-
sure.
•To install the InvisiPac system in place of a
non-Graco hot melt system, purchase Adapter
Plate, 24R083. See installation instructions on
page 102.
•To raise the system to eye-level, purchase System
Stand, 24R088. See installation instructions on
page 102.
NOTE: Supplied vacuum transfer hose must reach from
the system to the adhesive pellets container. Supplied
heated hose must reach from system to applicator(s).
3. Adjust the funnel inlet:
a. Remove plug (23) and insert the provided 5/16
in. nut driver (92) through the access hole in the
back of the system. Loosen the band clamp (81)
two turns.
b. Rotate the funnel inlet (G3) and re-tighten the
band clamp (81).
4. Insert 1.3 in. (33 mm) OD clear vacuum transfer
hose (G2) into vacuum transfer funnel (G3) inlet and
secure with supplied hose clamp. The hose clamp
should be placed over the cutouts in the funnel inlet
where it can firmly hold the transfer hose. See F
IG
.
9.
5. Connect the long supplied 3/8 in. OD air line (G4) to
the 3/8 in. push-to-connect fitting on the air line from
the system. See F
IG
. 9.
F
IG
. 8: Lifting Strap
WLD
F
IG
. 9
WLD
G3
23
92
81
WLD
G3
G2
G4

Setup
333347F 19
NOTE: In the following steps, when routing the vacuum
transfer hose, ensure there are no tight coils, turns, or
dips in the vacuum hose. These will inhibit optimal func-
tioning of the vacuum transfer system.
NOTE: Maximum vacuum hose length is 30 ft (9.1 m).
Use horizontal hose routing as much as possible. The
vacuum hose must not rise more than 10 ft (3.0 m),
measured from the vacuum inlet. Any vertical rise will
lower the maximum flow rate of the vacuum transfer
system.
6. Route the 1.3 in. (33 mm) OD clear vacuum transfer
hose (G2) from the system to the adhesive pellets
container location.
7. Apply pipe sealant to threads then attach steel
shaker tube (G) to shaker head (G1). See F
IG
. 10.
8. Attach 1.3 in. (33 mm) clear vacuum transfer hose
(G2) to steel shaker tube (G) and secure with sup-
plied hose clamp. See F
IG
. 10.
9. Route the 3/8 in. OD air line (G4) alongside the
1.3 in. (33 mm) clear vacuum transfer hose (G2)
and secure at multiple points with the supplied zip
ties (G5). See F
IG
. 10.
10. If desired, secure the 1.3 in. (33 mm) clear vacuum
transfer tube (G2) and 3/8 in. OD air line (G4) with
zip ties to a supporting structure at various points in
the routing.
11. Attach the other end of the long 3/8 in. OD air line
(G4) to the 3/8 in. push-to-connect fitting on the
shaker head (G1).
12. Ensure the adhesive pellets container is in the
desired operating location. The location should be
chosen to make it easy to fill the container with pel-
lets.
13. Place shaker assembly in an empty adhesive pel-
lets container then fill the container with adhesive
pellets.
NOTE: To promote optimal system performance, pur-
chase 30 Gallon Vibrating Hopper, 24R136. See
installation instructions on page 104.
NOTE: If static buildup on feed tube (G) is excessive,
install optional feed tube ground kit 24R708 to feed tube
end (G6). See F
IG
. 7.
NOTICE
To prevent shaker head (G1) galling to the shaker
tube (G), do not overtighten shaker head onto shaker
tube. These should be hand-tightened.
F
IG
. 10
ti21131a
G1
G
G2
G4
G5
G6

Setup
20 333347F
14. Install heated hoses, see F
IG
. 11:
a. Place a rag on the drain tray (W2) attached to
the melter. Residual oil may be in the system
from the factory. See F
IG
. 11.
b. Use a 1/4 in. allen wrench to remove the drain
port plug (W1). See F
IG
. 11.
NOTE: A 1/4 in. allen wrench is shipped loose with the
system.
c. When fluid stops draining, re-install drain port
plug (W1) then remove rag. See F
IG
. 11.
d. Remove plug (247) from the lowest numbered
outlet on the melter. Do not use the drain
plug (W1). See F
IG
. 11.
NOTE: In the following step, the o-ring side of the
hydraulic fitting (68) faces the system. See F
IG
. 11.
e. Install the supplied hydraulic fitting (68) with an
o-ring into the open port and tighten with an
11/16 in. wrench or socket.
f. Install hose onto hydraulic fitting (68) with male
electrical connector side toward the system.
Use 11/16 in. wrench to tighten hose onto
hydraulic fitting (68).
g. Locate MZLP (AA) connector marked with same
number as the hose fluid outlet port. Remove
that connector cover then install connector from
heated hose. See F
IG
. 11.
h. Repeat the procedure for the remaining chan-
nels. Use the bottom melter ports first to ease
installation.
i. Install cap on any unused MZLP electrical con-
nectors.
NOTE: Fluid outlet port 1 must be used and electrical
connector from that hose must be connected to MZLP
connector 1. The system will not operate unless a hose
is connected to MZLP connector 1. If a hose is not con-
nected to connector 1, “Invalid Sensor - hose/gun” faults
will result. If the melter must be run without a hose/appli-
cator electrically attached to MZLP connector, use
Overtemperature Jumper, 16Y727, page 113.
15. Install applicator(s), see F
IG
. 11:
NOTE: Use of a Graco applicator is not required with
this system. However, all applicators attached to the
system must be rated for 1200 psi (8.3 MPa, 83 bar),
400°F (204°C), have an RTD type sensor, and use no
more than 400W at 240 VAC.
a. Connect heated hose fluid outlet to applicator
fluid inlet. Use 11/16 in. wrench to tighten. See
F
IG
. 11.
b. For Graco applicators, attach applicator electri-
cal connector to heated hose electrical connec-
tor. See F
IG
. 11.
c. For non-Graco applicators, attach applicator
electrical connector to adapter harness 16T916,
16T917, or 16Y828 then attach adapter harness
connector to heated hose connector. See
Non-Graco Applicator Adapter Cables on
page 101 to determine which adapter cable to
use with your applicator.
To reduce the risk of fire and explosion, only use
Graco heated hoses with the InvisiPac system. Use of
non-Graco hoses will void agency approvals.
F
IG
. 11
ti23298a
W2
N
247
68
AA
Applicator
W1

Setup
333347F 21
d. Repeat for any additional applicators.
16. If necessary, set up the pattern controller (not
included) to control opening and closing of the appli-
cator. See pattern controller manual.
NOTE: The system controls applicator heating only. A
separate pattern controller must be set up to open and
close the applicator.
17. Install the supplied air inlet bleeding ball valve and
air filter kit (Graco Part No. 24R707) at the 1/4 NPT
female system air inlet (J). See F
IG
. 12.
NOTE: Elbows and riser tube provided with inlet air kit
are optional and may be used as desired.
NOTE: The system must have a bleed-type ball valve
that bleeds pressure downstream when closed. Other-
wise, the supplied air will need to be disconnected from
the system whenever the pressure is relieved.
NOTE: The system must use an air filter with a mini-
mum flow rate of 30 scfm.
18. If using the same air for the applicator(s), make sure
to install the tee in the air line before the ball valve.
There should not be anything between the ball valve
and the system. See applicator manual for applica-
tor air pressure requirements, and use a regulator
before the gun to decrease the air pressure, if nec-
essary.
19. Close the ball valve.
20. Attach a 3/8 in. minimum air supply line to air filter.
See F
IG
. 13.
NOTE: Air supply pressure must be between 80 psi
(550 kPa, 5.5 bar) and 100 psi (690 kPa, 6.9 bar). Rec-
ommended pressure is 100 psi (690 kPa, 6.9 bar). If air
pressure is expected to drop below 80 psi (0.5 MPa,
5 bar), there is an air reservoir kit that allows the system
to operate down to 60 psi (0.4 MPa, 4 bar). See Air
Reservoir Kit, 16W366, on page 107.
21. To lock access to the air pressure adjustments, pur-
chase Air Adjustment Lock, 24R084. See installa-
tion instructions on page 101.
22. To install a light tower that illuminates red when a
system error occurs, purchase Light Tower Kit,
24R226. See installation instructions on page 106.
23. To upgrade a 2 channel system to a 4 channel sys-
tem, purchase 4 Channel Upgrade Kit, 24V528.
See installation instructions on page 108.
24. To upgrade a 4 channel system to a 6 channel sys-
tem, purchase 6 Channel Upgrade Kit, 24V529.
See installation instructions on page 110.
25. Install MZLP electrical connector caps on all unused
channels.
F
IG
. 12
WLE
J
F
IG
. 13
WLE

Setup
22 333347F
Recommended Air Setup
F
IG
. 14
WLE
Main Air Line
Air to applicators
Air In:
Less than 50 ft (15.2 m): 3/8 in.
More than 50 ft (15.2 m): 1/2 in.
80-100 psi
(5.5-6.8 bar, 0.55-6.8 MPa)
30 scfm capacity.
Air Filter/Ball Valve at
System Air Inlet
(Graco Kit 24R707,
included)
Regulator set to
70 psi
(4.8 bar, 0.48 MPa)
Air In:
3/8 in.,
100 psi
(6.8 bar, 0.68 MPa),
30 scfm capacity
No dips in vacuum
transfer hose
Vacuum:
40 - 80 psi (2.8-5.5 bar,
0.28-0.55 MPa);
and at least 65% of hopper
shaker air pressure, if used
Pump:
20-100 psi
(1.4-6.8 bar,
0.14-0.68 MPa)
Ensure funnel air
is connected
Vacuum Pump

Setup
333347F 23
Connect Electrical Cord
NOTE: See Grounding section on page 17.
NOTE: The installed strain relief bushing (106) fits a
0.708-1.260 in. (18-32 mm) OD electrical cord. See F
IG
.
15. If needed, use a wrench to tighten the strain relief
bushing until it is snug on the cable.
The accessory strain relief bushing kit 24X190 is avail-
able for smaller (0.512-1.024 in, 13-26 mm) OD electri-
cal cords. See Accessories, page 100.
For 208V Electrical Circuits, see page 24.
1. Turn main power switch OFF.
2. Disconnect cable from ADM, push cable through
plastic shroud, then remove plastic shroud from sys-
tem.
3. Remove electrical enclosure access door (T). See
F
IG
. 2 on page 12.
4. Insert electrical cord through electrical enclosure
strain relief bushing (106). See F
IG
. 15.
a. Alternate electrical cord routing: using conduit,
run electrical cord from access port (X) through
hole (Y). Conduit is required when routing wires
near compressed air components.
5. Attach insulated ferrules to the end of each wire.
6. Connect ground wire to chassis ground (AF). See
F
IG
. 15.
7. Connect L1, L2, L3, and N as shown in F
IG
. 16. Not
all models use all 4 wires.
8. Use zip ties to secure the electrical cord to the
tie-downs located on the top of the inside of the
electrical enclosure.
9. Tighten screw-terminals to at least 10 in-lb
(1.1 N•m).
10. Install electrical enclosure door.
11. Perform Select ADM Settings on page 24 prior to
turning on heat.
Improper wiring may cause electric shock or other
serious injury if work is not performed properly. Have a
qualified electrician perform any electrical work. Be
sure your installation complies with all National, State
and Local safety and fire codes.
To reduce the risk of electric shock, perform the entire
Attach Components procedure beginning on
page 17 prior to connecting electrical cord.
F
IG
. 15
F
IG
. 16
WLD
106
AF
X
Y

Setup
24 333347F
208V Electrical Circuits
For 208V electrical supply, a qualified electrician can
install a 208V to 240V step-up transformer to improve
startup times.
Transformer Sizing
Minimum transformer rating can be calculated by taking
transformer output voltage times the ADM breaker set-
ting.
Single Phase, 20A ADM Breaker Setting Example:
240 volts x 20 amps = 4800 watts
Three Phase, 20A ADM Breaker Setting Example:
240 volts x 20 amps x SQRT(3) = 8315 watts
Select ADM Settings
NOTE: See Appendix A - ADM on page 114 for
detailed ADM information, including general operation.
1. Turn main power switch ON .
2. When the ADM is finished starting up, press
to switch from the Operation screens to the Setup
screens. Use , , , and to navigate
between screens.
3. On the System 2 screen:
a. Check the box in the “Installed” column for each
channel that has a heated hose and applicator
installed.
b. Select the RTD type used on each installed
applicator. See applicator manual.
NOTE: An incorrect RTD setting will cause the system
to be incapable of maintaining the temperature setting.
NOTE: The supported RTD types are Ni, 100 ohm; Ni,
120 ohm; NiFe, 604 ohm; Pt, 100 ohm (385), Pt,
100 ohm (392); and Pt, 1000 ohm. An “Auto” selection is
available but should only be used when the specific
RTD type cannot be identified. Using the “Auto” RTD
setting may result in inaccurate temperatures.
4. On the System 3 screen:
a. Enter the main circuit breaker size used. This is
the circuit breaker installed external to the sys-
tem for the system power supply.
NOTE: The InvisiPac system limits the amount of power
it pulls based on the input circuit breaker size. This
impacts the startup times because it affects the heating
energy used to warm up the materials.
5. On the Advanced 1 screen, set the system date and
time.
To prevent fire and explosion, a qualified electrician
must determine the proper circuit breaker size to use
for the power supplied to the system.

Setup
333347F 25
6. On the Advanced 2 screen, set the temperature and
mass units.
7. To setup the optional Schedule function, see
Schedule on page 33.
NOTE: The Schedule function enables the system to
automatically enable and disable heating at specified
times so that the system is already up to temperature
when a shift begins.
8. If desired, set any remaining settings in the Setup
screens before going on to the next steps that use
the Operation screens. These are not required for
system operation but include useful functions. See
Appendix A - ADM, beginning on page 114, for
detailed information about each setup item.
9. Press to switch from the Setup screens to the
Operation screens. Use , , , and to
navigate between screens.
10. On the Targets screen, use and , shown
next to , to adjust system melter setting.
Also, the desired temperature setting can be typed
in using the numeric keypad.

Setup
26 333347F
11. On the Targets screen, adjust heated hose and
applicator temperature settings:
NOTE: InvisiPac is a high powered tank-free system
that delivers heat faster than traditional tank systems.
Tanks are often run at a lower temperature than the
application temperature to avoid excessive adhesive
degradation since a large volume of adhesive sits at
temperature.
a. Press to select the channel.
b. Use and , shown next to , to
adjust applicator temperature setting to the
desired setting for that channel.
NOTE: If a higher applicator temperature is desired,
adjust all zones to the higher temperature or adjust only
the applicator in small increments.
NOTE: Alternatively, use the physical up and down
arrow push-buttons on the ADM keypad until is
next to the temperature setting to change then use the
numeric keypad to enter the desired temperature.
c. Use and , shown next to ,
to adjust heated hose temperature setting to the
desired setting for that channel.
NOTE: Alternatively, use the physical up and down
arrow push-buttons on the ADM keypad until is
next to the temperature setting to change then use the
numeric keypad to enter the desired temperature.
Applicators
Applicator heating is controlled by the system, but the
system does not control opening and closing the appli-
cators. Setup a separate pattern controller to open and
close the applicators.
NOTICE
Set melter, hose, and gun to the same setpoint
temperature for best performance. Do not set the
hose temperature higher than the melter. Running
the hose at a setpoint higher than the melter is
unnecessary in this tank-free system and could
lead to adhesive degradation in the hose. Short
adhesive residence time in the melter eliminates
the need to set the melter at a lower setpoint than
other zones.
See Operation Tips to Minimize Char-
ring, page 36.

Setup
333347F 27
PLC Connection
A PLC can control and monitor all items shown in the
dropdown menus on the System 1 screen in the Setup
screens.
Customer Input Dropdown Options
Customer Output Dropdown Options
NOTE: All outputs are normally open when power is
OFF. For Error (Alarm) output, the contacts open when
an alarm occurs. For all others, contacts close.
NOTE: The InvisiPac system ships with two screw-ter-
minal connectors that plug into MZLP connectors H1
and H2. Connectors are located in a bag on the inside of
the electrical enclosure front access door. To replace
the connectors, order kit 24P176.
1. On the System 1 screen (in the Setup screens)
select the function of each input on MZLP connector
H1 and each output on MZLP connector H2.
2. Turn main power switch OFF.
3. Remove electrical enclosure front access door.
4. Route I/O cable through strain relief in electrical
enclosure. See Customer I/O Cable (S) in F
IG
. 1 on
page 11.
5. Remove power from PLC.
6. Connect the PLC to connectors H1 and H2.
NOTE: Each connector has four signals. The MZLP
board specifies the input range for each signal. See the
following table for pin assignments.
Inputs: High: 10-30 Vdc, Low: 0-5 Vdc. Inputs function
without concern for polarity. Applying “high” voltage will
turn the heaters on and enable channels. Removing
voltage will turn the heaters off and disable channels.
Outputs: 0-250 Vac, 0-30 Vdc, 2A Maximum.
Option Description
Disable Not used.
Heater On/Off Turn on or off the heating system and
pump.
Channel 1, 2, 3,
4, 5, or 6
Enable/Disable
Enable or disable hose and applicator
heating for that individual channel.
Option Description
Disable Not used.
System Ready Indicates when the system is up to tem-
perature and the pump is stalled at
pressure.
Error (Alarm) Indicates when there is an active alarm.
An active alarm will disable the heating
system and pump.
Error (Devia-
tion/Advisory)
Indicates when there is an active devia-
tion or advisory. An active deviation or
advisory will NOT disable the heating
system and pump.
Maintenance Due Indicates when the maintenance total
has reached the preset notification
value.
F
IG
. 17: MZLP Board
H1 - Customer Input H2 - Customer Output
Signal Pin Signal Pin
1 1, 2 1 1, 2
2 3, 4 2 3, 4
3 5, 6 3 5, 6
4 7, 8 4 7, 8
J1
J2
J3
J6
J5
J7
F10 F9 F8 F7
F6 F5
F4 F3
F2 F1
WLD

Setup
28 333347F
PLC Connection Block Diagrams
The following block diagrams show how to connect customer inputs and outputs to the InvisiPac MZLP. For conve-
nience, each InvisiPac ships with connector kit 24P176. If a connector is lost or damaged, order kit 24P176 for
replacements.
F
IG
. 18: Customer Input
F
IG
. 19: Customer Output
Vin (no polarity)
30 VDC Max
Customer Output
MZLP Customer In
To Customer Input
Customer In
MZLP Customer Out
250 VAC, 0-30 VDC, 2A Max

Operation
333347F 29
Operation
NOTE: See Appendix A - ADM on page 114 for
detailed ADM information.
NOTE: See Appendix B - USB Downloading, Upload-
ing on page 120 for detailed USB information.
Overview
The system includes a vacuum transfer system that
pulls the adhesive pellets into the system as needed.
Once melted, the adhesive enters the pump where it is
pumped into the heated hoses then to the heated appli-
cators. The applicator then briefly opens to dispense the
desired quantity of adhesive.
Even though the system rises to operating temperature
quickly, there is a Schedule function in the ADM that
eliminates waiting for the system to heat up. The Sched-
ule function automatically enables the heating system at
the user-specified times so the system is ready to dis-
pense when a shift begins. The Schedule function also
disables the heating system at user-specified times to
ensure the heating system is disabled when not being
used.
Initial Startup and Prime
NOTE: All setup procedures must be completed prior to
initial startup. See Setup on page 17.
NOTE: Only 1/4 in. (6 mm) round hot melt adhesive pel-
lets can be used in the InvisiPac system. PSA-type
adhesive pellets will not work in the InvisiPac system.
1. Direct the applicator into an appropriate waste
container.
2. Verify the shaker inlet is at the bottom of the empty
adhesive pellets container. Optional vibrating adhe-
sive pellets container, part 24R136, is available.
See Accessories on page 100.
NOTE: The shaker inlet must be completely covered in
adhesive pellets to effectively pull pellets into the tube.
3. Fill adhesive pellets container with hot melt adhe-
sive pellets.
4. Turn main power switch ON .
5. Open system air inlet ball valve.
Heating and dispensing hot melt adhesive may create
potentially harmful vapors. Read material manufac-
turer’s warnings and material MSDS to know specific
hazards and precautions. Ventilation of the work area
may be required.
NOTICE
To prevent damage to soft key buttons, do not press
the buttons with sharp objects such as pens, plastic
cards, or fingernails.
WLE

Operation
30 333347F
6. Use pump air pressure regulator (C) to adjust pump
air pressure to 0.
7. Use vacuum transfer air pressure regulator (E) to
adjust vacuum transfer air pressure setting to
40-100 psi (280-690 kPa, 2.8-6.9 bar). Recom-
mended setting is 60 psi (414 kPa, 4.1 bar). See
F
IG
. 20.
NOTE: If using shaker accessory, regulator should be
set to at least 65% of air pressure connected to shaker.
NOTE: Vacuum transfer will not begin operating until
pump reaches operating temperature.
NOTE: A new system may have residual oil due to test-
ing at the factory prior to shipping. To prevent smoking,
make sure to perform the following step.
8. On new systems only: temporarily adjust the melter
temperature to 250°F (121°C). See Select ADM
Settings on page 24 for instructions.
9. Press to enable the heaters and pump.
NOTE: When system is up to temperature, the pump will
be activated automatically, but will not start because
there is no air pressure supplied to the pump.
NOTE: When the melter is up to temperature, the
auto-fill function will initiate to fill the funnel with pellets.
10. On new systems only: After the melter has reached
250°F (121°C) and the funnel is filled with pellets,
set the melter temperature back to the desired oper-
ating temperature. See Select ADM Settings on
page 24 for instructions.
11. Use separate pattern controller to open the applica-
tors and keep them open.
12. With the applicators open and the system up to tem-
perature, slowly increase pump air pressure until
the pump begins to run very slowly. Approximately
20 psi (140 kPa, 1.4 bar) should be sufficient.
NOTE: Operation may be erratic below 20 psi (140 kPa,
1.4 bar).
13. Continue running the pump until clean, air-free
material is dispensed from each applicator.
14. When each applicator is fully primed, adjust pump to
desired pressure setting:
a. Adjust pump pressure to between 20-100 psi
(140-690 kPa, 1.4-6.9 bar).
b. Use separate pattern controller to repeatedly
open and close each applicator while inspecting
the dispense pattern.
c. Repeat until desired dispense pattern is
achieved.
Manual Refill
NOTE: Use Automatic Refill whenever possible. The
system uses Automatic Refill by default and must be
manually changed to Manual Refill. Only use Manual
Refill if the Automatic Refill system is not functioning
properly and cannot be fixed in a timely manner. Per-
form service to automatic feed system as soon as possi-
ble to limit debris buildup on feed funnel.
F
IG
. 20
To prevent fire and explosion, never exceed the clean-
ing fluid’s rated temperature. If the system was just
flushed, residual cleaning fluid is still in the system
until the system is primed with adhesive. Do not raise
temperature above cleaning fluid rated temperature
until system is primed with adhesive.
E
C
NOTICE
In the following step, to prevent damage to the pump
due to pump cavitation, do not supply more than 20 psi
(140 kPa, 1.4 bar) air pressure to the pump until the
system is fully primed.

Operation
333347F 31
It is recommended to maintain a minimum flow rate of
1.5 lb/hour to prevent material from melting within the
feed cap and funnel. If production rate is below
1.5 lb/hour or system sits at temperature without dis-
pensing for extended periods of time, use manual refill-
ing with caution. System flow rate can be monitored by
enabling the Diagnostic screen.
1. On the System 3 screen (in the Setup screens),
select “Manual” from the Refill mode dropdown.
2. Remove the two bolts from the funnel bracket, then
remove the top portion of the funnel.
3. Disconnect the sensor cable and sensor cooling air.
4. Fill the funnel with adhesive pellets.
5. Refill the funnel as needed to maintain the required
dispense rate.
6. When finished dispensing for the day, dispense into
a waste container until the material level is down to
the melter core. See F
IG
. 23.
NOTE: This will lower the adhesive level within the fun-
nel cap to the correct level to prevent any issues upon
startup the following production day.
Automatic Refill
The system uses automatic refill by default. If the auto-
matic refill system is malfunctioning and cannot immedi-
ately be fixed, Manual Refill can be used.
To use automatic refill:
1. On the System 3 screen (in the Setup screens),
select “Automatic” from the Refill mode dropdown.
2. Verify shaker and tube are connected to the system.
See Attach Components on page 17.
3. Verify shaker inlet (K) is at the bottom of the adhe-
sive pellets container that is filled with hot melt
adhesive pellets. See F
IG
. 1 on page 11.
NOTE: The shaker inlet must be completely covered in
adhesive pellets in order for it to effectively pull pellets
into the tube.
F
IG
. 21
F
IG
. 22
WLD
WLD
F
IG
. 23
WLD

Operation
32 333347F
4. If not already set, use vacuum transfer air pressure
regulator (E) to adjust vacuum transfer air pressure
setting to 40-100 psi (280-690 kPa, 2.8-6.9 bar).
Recommended setting is 60 psi (414 kPa, 4.1 bar).
NOTE: The system will automatically transfer the pellets
to the system as necessary.
Dispense
NOTE: Only hot melt adhesive pellets can be used in
the InvisiPac system.
1. If the system is empty or has air in the lines, perform
Initial Startup and Prime procedure on page 29.
2. If main power switch is OFF, turn main power switch
ON .
NOTE: The main power switch should be left ON at all
times when using the Schedule function.
3. Prepare for dispensing:
a. Verify air inlet ball valve (J) is open. See F
IG
. 1
on page 11.
b. Check pressure gauges (D, F) to verify vacuum
transfer and pump air pressures are set as
desired. See F
IG
. 1 on page 11.
c. If using Automatic Refill, see Automatic Refill
on page 31.
d. If using Manual Refill, see Manual Refill on
page 30.
e. Verify applicators are closed.
4. Press to enable the heaters and pump.
NOTE: If using the Schedule function, the heaters and
pump will be enabled automatically at the set time. You
will not need to press if using the Schedule func-
tion unless you wish to enable the heating system
before the set time.
NOTE: When system is up to temperature, the pump will
begin running automatically. It will stall at pressure
unless an applicator is open. Material will be dispensed
whenever an applicator is open after the system is up to
temperature.
5. When the system is up to temperature, use sepa-
rate pattern controller to open and close the applica-
tors as desired to dispense material.
NOTE: While operating the system, the actual tempera-
tures of the hose, applicator, and system melter are dis-
played on the Home screen.
F
IG
. 24
E

Operation
333347F 33
Shutdown
Press to disable the heaters and pump. The
screen will say “Inactive”. If using the Schedule function,
the heaters and pump will be disabled automatically at
the set time. You will not need to press if using the
Schedule function unless you wish to disable the heat-
ing system before the set time. If the heaters were man-
ually disabled, the Schedule function will automatically
enable them at the next set time.
Do not turn the main power switch OFF if using the
Schedule function.
Schedule
The Schedule function allows the user to specify times
when the system will automatically turn ON and OFF the
heaters and pump.
Set Schedule Times
NOTE: Times are set using a 24-hour clock. Several on
and off times can be set each day.
1. On the Schedule screen (in the Setup screens), set
the ON times for each day of the week.
2. Set the OFF times for each day of the week.
Enable Schedule Function
The Schedule function is automatically enabled when
values are entered in the Schedule screen. To disable a
scheduled event, navigate to the event and press
The event will appear gray on the screen when it is dis-
abled. To re-enable an event, navigate to the event and
press . The event will appear red (system off) or
green (system on). If no events are needed, turn the
main power switch OFF to prevent system from auto-
matically enabling and disabling the heaters.
How to Use the Schedule Function
At the end of the work day leave main power switch ON
. The Schedule function will automatically enable
and disable the heaters and pump at the specified
times.
Pressure Relief Procedure
Follow the Pressure Relief Procedure whenever
you see this symbol.
1. Turn main power switch OFF .
2. Close the inlet air supply ball valve.
NOTE: Manually verify the pressure is relieved by open-
ing the applicator and ensuring no adhesive is dis-
pensed.
This equipment stays pressurized until pressure is
manually relieved. To help prevent serious injury from
pressurized fluid, such as skin injection, splashing
fluid and moving parts, follow the Pressure Relief Pro-
cedure when you stop spraying and before cleaning,
checking, or servicing the equipment.

Operation
34 333347F
Drain the System
NOTE: The system must be drained prior to flushing
and prior to some maintenance and repair procedures.
1. On the System 3 screen (in the Setup screens),
change the Refill Setting to “Manual”.
2. If the heating system is disabled, press to
enable the heaters and pump.
3. Decrease pump air pressure to 0.
4. Close system air inlet ball valve.
5. Disconnect hose from applicator inlet then place
hose outlet in a waste container. Repeat for all
hoses. Keep hose to applicator electrical connector
connected.
6. Open applicator to allow residual fluid in applicator
to drain.
7. When system is at operating temperature, slowly
increase pump air pressure until fluid begins flowing
into the waste container.
NOTE: It may take several minutes to empty the sys-
tem. When there is no melter fluid at the pump, the
pump will begin to cycle faster.
8. When the pump begins to cycle faster, close the
system air inlet ball valve.
9. Press to disable the heaters and pump.
10. Remove melter drain plug (W1). See F
IG
. 2 on page
12.
11. Disconnect hose from melter outlet.
12. Wait until system stops draining or at most 10 min-
utes.
NOTE: There will be some residual adhesive in the sys-
tem.
13. When done performing the procedure that required
draining the system, set Refill Setting back to “Auto”
on the System 3 screen.
Flush
NOTE: This procedure describes how to flush one hose
at a time for maximum effectiveness.
See the hot melt adhesive technical data sheet or
MSDS for the recommended cleaning fluid. Contact the
hot melt supplier if the technical data sheet or MSDS is
not available.
1. Perform Drain the System on page 34.
2. If the heating system is enabled, press to dis-
able the heaters and pump.
3. Loosen hose clamp securing funnel assembly to air
motor bracket then remove funnel assembly from
system. Keep 1.3 in. (33 mm) clear tube and funnel
cap attached to funnel.
4. Loosen clamp then remove plastic melter cap. Keep
fill sensor attached to cap.
To prevent fire and explosion, use the adhesive manu-
facturer’s recommended cleaning fluid.
• Never exceed the cleaning fluid’s rated
temperature.
• Never flush your system or clean any aluminum
components with halogenated hydrocarbon
cleaning solutions.
To prevent severe burns, wear protective clothing.

Operation
333347F 35
5. On the System 3 screen (in the Setup screens), ver-
ify the Refill Setting is set to “Manual”.
6. Change the melter, heated hoses, and applicators
temperature settings to the high temperature hot
melt cleaning fluid manufacturer’s recommended
temperature.
7. Verify the system air inlet ball valve is closed and
pump air pressure is set to 0.
8. Allow the system to heat or cool to the cleaning fluid
manufacturer’s recommended temperature.
9. Fill melter with high temperature rated hot melt
cleaning fluid. See hot melt adhesive material sup-
plier for recommended hot melt cleaning fluids.
Fluid level should be 1/2 in. (12.7 mm) from the top
of the melter.
10. Disconnect one hose from its applicator manifold.
NOTE: Keep all applicators closed throughout this pro-
cedure.
11. Route the disconnected hose to a waste container.
12. If heating system is disabled, press to enable
the heaters and pump.
13. Wait for the melter temperature to reach the hot
melt cleaning fluid manufacturer’s recommended
temperature.
NOTE: The pump will not run because the system air
inlet ball valve is closed.
14. Once the required melter temperature is reached,
let the hot melt cleaning fluid “soak” in the melter at
temperature for the duration specified by the hot
melt cleaning fluid manufacturer.
NOTE: "Soaking” is important to ensure the best possi-
ble cleaning.
15. After the hot melt cleaning fluid has “soaked” for the
specified amount of time, open the system air inlet
ball valve. Slowly increase the pump air pressure
until pump begins to cycle to begin pumping the hot
melt cleaning fluid and adhesive mixture out through
the hose into the waste container.
16. Once the pump begins to cycle faster, close the sys-
tem air inlet ball valve to stop the pump.
17. Repeat steps 7 through 16 until clean, adhe-
sive-free hot melt cleaning fluid is dispensed from
the detached hose.
NOTE: Now the melter and the disconnected hose are
thoroughly flushed.
18. Reattach the hose to the applicator manifold.
19. Repeat steps 7 through 18 for each additional
installed hose, leaving a different hose discon-
nected from the applicator manifold each time.
20. Remove and replace filter(s) in all applicator mani-
folds. See applicator manual.
21. Replace Outlet Filter. See page 37.
22. Turn main power switch OFF.
23. Place waste container below drain tray (W2) then
remove drain plug (W1) and wait for system to finish
draining. See F
IG
. 2 on page 12.
24. Allow the system and fluid to cool then perform any
required maintenance procedures beginning on
page 37.
To prevent fire and explosion, never exceed the clean-
ing fluid’s rated temperature.
WLD

Operation
36 333347F
25. Install fill cap onto melter rubber housing.
26. Slide funnel assembly through air motor bracket
then tighten clamp.
27. On the System 3 screen (in the Setup screens), set
the Refill Setting to “Auto”.
28. Perform Initial Startup and Prime on page 29.
Operation Tips to Minimize
Charring
Set the Pump Idle Time to System Inactive function
on the System 3 screen to lowest value that will not
interfere with normal operation. This feature automati-
cally disables the heating system if the pump is idle for
longer than the preset amount of time. Disabling the
heating system minimizes adhesive degradation and
limits char formation.
When possible, utilize the Schedule function, see
page 33, to automatically enable and disable the heat-
ing system in accordance with your production sched-
ule. This will ensure adhesive spends as little time at
temperature as possible. Less time at high temperature
ultimately means less adhesive degradation and less
char.
To prevent fire and explosion, never exceed the clean-
ing fluid’s rated temperature. Residual cleaning fluid is
still in the system until the system is primed with adhe-
sive.
NOTICE
Set melter, hose, and gun to the same setpoint
temperature for best performance. Do not set the
hose temperature higher than the melter. Running
the hose at a setpoint higher than the melter is
unnecessary in this tank-free system and could
lead to adhesive degradation in the hose. Short
adhesive residence time in the melter eliminates
the need to set the melter at a lower setpoint than
other zones.

Maintenance
333347F 37
Maintenance
Replace Outlet Filter
The outlet filter is designed to prevent small contami-
nants from entering the hoses and applicators. Inspect
filter regularly. Replace the filter after flushing and when
you change the adhesive used in the system.
1. If the system is not up to temperature, press to
enable the heaters and pump then wait for system
to reach operating temperature.
2. Perform Pressure Relief Procedure, page 33 but
do not allow system to cool. Adhesive must be a
fluid to perform this procedure.
3. Turn main power switch OFF.
4. Loosen two screws (8) then slide the small metal
shroud (28) on the back of the system up to remove.
See F
IG
. 25.
5. Use a 1 in. socket to unscrew outlet filter (236).
6. Insert allen wrench through the outlet filter cap to lift
outlet filter (236) out of the system.
7. Discard outlet filter assembly.
8. Place o-rings (232, 237) provided with new outlet fil-
ter onto new outlet filter (236).
9. Place new outlet filter with o-rings into housing.
Tighten with 1 in. socket.
10. Install small metal shroud (28) over outlet filter then
tighten two screws (8).
Replace Inlet Filter
The inlet filter is designed to prevent large items from
entering the system. The inlet filter can only be replaced
with the system empty.
1. Close the system air inlet ball valve.
NOTE: Some adhesives have different melting points.
The first temperature tried should be approximately half
of the dispensing temperature. If dispensing at 400°F
(204°C), first try 200°F (93°C) then increase in 20°F
(11°C) increments. If dispensing at 250°F (121°C), first
try 125°F (52°C) then increase in 20°F (11°C) incre-
ments.
NOTE: To ensure the adhesive is a gel, not a liquid, do
not remove inlet filter cap (215) when the temperature is
above the desired temperature. If the temperature is too
low, the adhesive viscosity may be too high to remove
the inlet filter (213). See F
IG
. 26, page 38.
2. If the melter is below the desired temperature and
heating system is disabled, press to enable
the heaters.
If the melter is above the desired temperature and
heating system is enabled, press to disable
the heaters.
3. Wait until melter temperature is the desired tem-
perature.
F
IG
. 25
To avoid severe burns, wear protective gloves and
clothing that will insulate your hands and body from
the hot surfaces and material.
WLD
236
232
237
28
8
To avoid severe burns, wear protective gloves and
clothing that will insulate your hands and body from
the hot surfaces and material.

Maintenance
38 333347F
4. When the melter temperature is the desired tem-
perature, turn main power switch OFF.
5. Disconnect cable from ADM, push cable through
plastic shroud, then remove plastic shroud from sys-
tem.
6. Place a piece of cardboard beneath the inlet filter
cap (215) to route fluid away from system into a
waste container in the event the adhesive is a fluid.
7. Use 1 in. socket to remove inlet filter cap (215).
8. If the adhesive is a thin enough gel to remove the
inlet filter: Use an o-ring pick or small allen wrench
to remove filter screen (213) from system.
Otherwise:
a. Install inlet filter cap (215).
b. Install shroud and ADM.
c. Turn main power switch ON.
d. Once ADM software finishes starting up,
press to enable the heaters.
e. Wait for temperature to rise 20°F (11°C) beyond
previous temperature.
f. Go to step 4.
9. Slide new screen (213) into melter base
manifold (201).
10. Install filter cap (215) then use a 1 in. socket to
tighten.
11. Feed ADM cable through plastic shroud (29) then
install shroud onto system. Connect cable to
ADM (30).
Replace Funnel Filter
Disassembly (see F
IG
. 27):
1. Turn main power switch OFF.
2. Rotate funnel cap (706) and remove. Lift out funnel
filter (705).
Reassembly (see F
IG
. 27):
1. Insert filter (705) in funnel assembly. Tighten funnel
cap (706) on funnel.
F
IG
. 26
WLD
215
213
201
F
IG
. 27
WLD
706
705

Maintenance
333347F 39
Filter Maintenance Guidelines*
* These recommendations are service level guidelines - actual service levels required in your factory will vary based
on environmental and operating conditions. High or low volume adhesive usage, as well as adhesives that contain a
powdered release agent or are otherwise dusty, will have an impact on the frequency of filter maintenance. To estab-
lish a preventative maintenance cycle tailored to your environment, Graco recommends inspecting filters every 4
weeks after installation and replacing when necessary. Document replacement intervals and use this as your preven-
tative maintenance schedule moving forward.
Environmental Classification
Clean Moderate Dusty
Pump inlet filter
Replace filter
every six
months
Replace filter
every four
months
Replace filter
every two
months
Pump outlet filter
Applicator manifold filter
System air filter
Solenoid exhaust filters
Feed funnel filter
Feed funnel inspection/cleanout

Troubleshooting
40 333347F
Troubleshooting
ADM Error Code Table
When an error occurs, press to acknowledge the error. If a Maintenance error occurs, navigate to the Mainte-
nance screen and press to clear the error.
The last digit of the error code indicates the melter, applicator (gun), or hose to which the error applies. The “_”
(underscore) character indicates the code applies to multiple items.
An alarm will disable the heating system and pump. A deviation or advisory will not disable the heating system and
pump.
To avoid injury due to unexpected machine operation
initiated by a remote controller, disconnect the cus-
tomer I/O cable from the system prior to troubleshoot-
ing.
Last Digit in Code Code Relates to:
0Melter
1 Applicator (Gun) 1
2 Hose 1
3 Applicator (Gun) 2
4 Hose 2
5 Applicator (Gun) 3
6 Hose 3
7 Applicator (Gun) 4
8 Hose 4
9 Applicator (Gun) 5
A Hose 5
B Applicator (Gun) 6
C Hose 6
Code Description Type Cause Solution
A1D0 Low Current
Melter
Advi-
sory
Melter current is less than 500mA. Faulty melter heater(s). Check heater resistance
and resistance to ground. Replace faulty
heater(s).
A1D_ Low Current
Gun X
Advi-
sory
Applicator current is less than 500mA. Faulty applicator heater. Verify applicator heater
has a minimum wattage of 90 Watts at 240 VAC.
Check heater resistance and resistance to
ground. Replace faulty heater.
A1D_ Low Current
Hose X
Advi-
sory
Hose current is less than 500mA. Faulty hose heater. Check heater resistance and
resistance to ground. Replace faulty hose.

Troubleshooting
333347F 41
A3MF High Fan Cur-
rent, Trans-
former
Devia-
tion
Transformer fan is greater than
600mA.
Replace transformer fan.
A4D0 High Current
Melter
Alarm Defective or shorted to ground on the
band heater or rod heater.
Measure resistance to ground between heater
leads. Should be a high reading.
A4D_ High Current
Hose X
Alarm Defective or shorted to ground on the
hose power wires.
Replace heated hose.
A4D_ High Current
Gun X
Alarm Defective or shorted to ground on the
heater rods in applicator manifold.
Replace applicator manifold.
A7D0 Unexpected
Current
Alarm Unexpected current flow to melter. Faulty melter heater(s). Check heater resistance
and resistance to ground. Replace faulty
heater(s). See Replace Heater Rod, page 64.
Replace MZLP.
A7D_ Unexpected
Current, Gun X
Alarm Unexpected current flow to applicator
X.
Faulty applicator heater element. Check heater
resistance and resistance to ground.
Faulty MZLP. Replace MZLP.
A7D_ Unexpected
Current, Hose X
Alarm Unexpected current flow to hose X. Faulty hose heat element. Check heater resis-
tance and resistance to ground.
Faulty MZLP. Replace MZLP.
A8D0 No Current
Melter
Alarm Power not getting to melter. Check fuses F1 and F2 on MZLP with daughter
board.
Check J1 is plugged into MZLP with daughter
board and J3 on AWB.
A8D_ No Current
Hose X
Alarm Power not getting to hose. Check fuses F5 and F6 (channels 1, 3, 5) or F9
and F10 (channels 2, 4, 6) on MZLP that the
error hose is connected to.
Check that electrical connector on the heated
hose is plugged into the MZLP.
Check continuity of pins C and D on electrical
connector at MZLP end of heated hose. See
heated hose manual for impedance measure-
ments. Replace hose if readings are too high.
If system only uses one hose and applicator, the
heated hose electrical connector must be
plugged into channel 1 of the MZLP.
A8D_ No Current Gun
X
Alarm Power not getting to applicator. Check fuses F3 and F4 (channels 1, 3, 5) or F7
and F8 (channels 2, 4, 6) on MZLP that controls
the error channel.
Check that electrical plug on hose is plugged into
back of MZLP and applicator is plugged into
hose.
Check continuity of hose pin A gun end to J on
MZLP connector end of hose and pin C on gun
end to pin A on the MZLP end of the hose. Read-
ing should be 0-1 ohm. Replace hose if measure-
ment is outside this range.
If system only uses one hose and applicator,
electrical connector of the heated hose must be
plugged into channel 1 of the MZLP.
A8MF No Fan Current,
Transformer
Devia-
tion
Power not getting to transformer fan. Verify that fan power cable is plugged into J7 on
the AWB.
Verify transformer fan is free of obstructions and
can spin freely.
Code Description Type Cause Solution

Troubleshooting
42 333347F
CAC_
1=MZLP 1
2=MZLP 2
3=MZLP 3
Comm Error
Module
Alarm System not responding to ADM. Dial not set correct on MZLP. Set to 1 on board
with daughter board. Set to 2 on MZLP without
the daughter board in center of electrical enclo-
sure. Set to 3 on MZLP without daughter board
on left of electrical enclosure.
System is not properly loaded with correct soft-
ware. Perform Software Update Procedure on
page 77.
CACX Missing DB Alarm System not acknowledging the daugh-
ter board.
Bad connection between daughter board and
MZLP board. Loosen daughter board, re-seat,
then secure.
Daughter board is not plugged into MZLP1. Plug
daughter board into MZLP with dial set to 1.
Defective MZLP daughter board. Replace.
DADX Pump Runaway Alarm Pump is trying to feed adhesive, no
adhesive to feed.
Storage bin out of adhesive. Refill adhesive.
Level sensor may be over heating. Verify air is
being delivered from tube (35).
Melter at incorrect temperature, too low. Check
setpoint and set to manufacturer’s recommenda-
tion.
Plugged vacuum transfer hose or funnel. Clear
plugged hose or funnel.
Worn or damaged pump seals Inspect pump seals. Repair if necessary.
DDDX Pump Diving Devia-
tion
Pump is trying to feed adhesive, no
adhesive to feed.
Storage bin out of adhesive pellets. Refill with
pellets.
Level sensor may be over heating. Verify air is
being delivered from tube (35).
Melter at incorrect temperature, too low. Check
melter temperature setting and set to manufac-
turer’s recommendation.
Plugged vacuum transfer hose or funnel. Clear
plugged hose or funnel.
Dispense rate too high. See technical ratings of
system.
Worn or damaged pump seals Inspect pump seals. Repair if necessary.
DE0X Cycle Switch
Error
Alarm No signal from air motor sensor. Check wiring on J16 of the daughter board. See
Electrical Schematics on page 78.
Loose cycle switch bolt. Tighten cycle switch bolt.
Defective cycle switch. Replace.
L0FX Manual Fill
Mode
Advi-
sory
System set to manual fill mode. Change to auto fill mode. See Setup Screen Sys-
tem 2.
L6FX Level Sensor
Error
Alarm No signal from the level sensor. Check that sensor cable is plugged into sensor.
Check connector at J14 of the daughter board.
Verify there is nothing blocking fill (level) sensor
line of sight.
Defective fill (level) sensor. Replace.
No air to fill cap. Check for air coming from 5/32 in. air line.
Plugged orifice in fill cap below fill sen-
sor.
Remove fill cap and remove object plugging the
orifice.
Code Description Type Cause Solution

Troubleshooting
333347F 43
L8FX Refill timeout Alarm Melter did not receive enough adhesive
pellets for flow rate.
Storage bin out of adhesive. Refill adhesive.
Plugged inlet feed hose or funnel. Clear plugged
hose or funnel.
Low air pressure on feed regulator. Check regu-
lator. See Setup, page 17 for air pressure regula-
tions.
Dirty or plugged funnel filter. Replace filter.
M8MF High Temp Run-
away, Trans-
former
Devia-
tion
At the current rate of temp rise, the
transformer will over heat in 15 minutes
or less.
Verify that fan power cable is plugged into J7 on
the AWB.
Verify transformer fan is free of obstructions and
can spin freely.
Replace transformer.
MMUX USB Log Full Advi-
sory
USB logs full. Data loss will occur if not
downloaded.
Download USB data. See Appendix B - USB
Downloading, Uploading on page 120.
MNDX Pump Mainte-
nance Due
Advi-
sory
Cycles are greater than user set main-
tenance interval.
Perform maintenance and reset “Due” counter to
0 at the Setup Maintenance screen.
T2D0 Low Tempera-
ture, Melter
Devia-
tion
Melter temperature dropped to
15°F(-9°C) below setpoint.
Verify system is operating within meltrate specifi-
cations. Consider incoming voltage and breaker
setting.
Verify that the fill system (vacuum) is operating
correctly. If the level of material in the melter gets
too low and a large amount of cold material
enters the melter, can cause the temperature to
drop significantly.
With the system on and not dispensing verify that
the temperature is properly controlled to the set-
point. If system cannot control temperature, ver-
ify the RTD is seated inside the melter.
Replace RTD if RTD was seated properly and
system cannot control temperature
Faulty melter heater(s). Check heater resistance
and resistance to ground. Replace faulty
heater(s).
T2D_ Low Tempera-
ture, Gun X
Devia-
tion
Applicator temperature dropped to
15°F(-9°C) below setpoint.
With the system on and not dispensing verify that
the temperature is properly controlled to the set-
point. If system cannot control temperature,
replace applicator RTD. See applicator manual.
Faulty applicator heater. Check heater resistance
and resistance to ground. Replace faulty heater.
Dispense rate too high for applicator to maintain
setpoint. Consider applicator power and voltage.
T2D_ Low Tempera-
ture, Hose X
Devia-
tion
Hose temperature dropped to
15°F(-9°C) below setpoint.
With the system on and not dispensing verify that
the temperature is properly controlled to the set-
point. If system cannot control temperature,
replace hose.
Faulty hose heater. Check heater resistance and
resistance to ground. Replace faulty hose.
T4C_ High MZLP PCB
Temp
Alarm MZLP board is overheating. Ambient temperature must be under 120°F.
Defective MZLP board. Replace.
Code Description Type Cause Solution

Troubleshooting
44 333347F
T4D0 High Temp
Melter
Alarm Melter continues to raise above the set-
point.
Check that RTD is seated in melter correctly.
Check that overtemperature switch is plugged in
and check switch resistance. The switch resis-
tance should be near 0 Below 400°F (204°C).
Check melter heaters’ resistance to ground.
Replace heater if a heater is shorted to ground.
Turn system on without dispensing. Verify tem-
perature is properly controlled to the setpoint. If
setpoint is not maintained, replace RTD. If heat
continues to rise past setpoint, replace MZLP.
T4D_ High Temp
Hose
Alarm Hose continues to raise above the set-
point.
Turn on system without dispensing. Check if
hose can maintain setpoint temperature. If the
hoses’ RTD readings are unstable, replace hose.
If hose continually heats past setpoint, replace
the MZLP.
T4D_ High Temp Gun Alarm Applicator assembly continues to raise
above the setpoint.
Turn on system without dispensing. Check if
applicator can maintain setpoint temperature. If
the applicator’s RTD readings are unstable,
replace the applicator RTD.
Check the applicator heater’s resistance to
ground if the RTD readings are stable but the
applicator’s temperature continues to rise. If the
heater is shorted to ground, replace the applica-
tor’s heater. If heater is not shorted to ground,
replace MZLP.
T4MX High Tempera-
ture, Trans-
former
Alarm Thermistor reading greater than 212°F
(100°C).
Verify transformer fan is operating correctly and
free of obstructions.
Replace transformer.
T6D0 Sensor Error
Melter
Alarm No reading from RTD. Verify connector J5 on MZLP board is securely
connected.
Defective RTD. Replace melter RTD. See
Replace Band Heater Temperature Sensor,
page 63.
T6D_ Sensor Error
Hose
Alarm No reading from RTD. Hose electrical connector not plugged into MZLP.
Defective RTD. Replace hose.
T6D_ Sensor Error
Gun
Alarm No reading from RTD. Hose electrical connector not plugged into MZLP
or applicator electrical connector not plugged into
heated hose.
Defective RTD. Replace applicator RTD.
T6MX Thermistor Sen-
sor Error, Trans-
former
Alarm No reading from transformer thermistor
sensor.
Verify that sensor wire is plugged into J7 on
AWB.
Replace transformer.
T8D_ No Temp Rise in
Gun (all zones)
Alarm Temperature reading does not change. Check fuses F3 and F4 (channels 1, 3, 5) or F7
and F8 (channels 2, 4, 6) on MZLP that error
channel is connected to.
Defective heater rods in applicator manifold.
Replace applicator manifold.
NOTE: Defective heaters rods in the applicator
manifold can also cause the no current error.
Heated hose electrical connector or wires are
defective. Check resistance of hose wiring. See
hose manual for proper resistance range.
Code Description Type Cause Solution

Troubleshooting
333347F 45
T8D_ No Temp Rise in
Hose (all zones)
Alarm Temperature reading does not change. Check fuses F5 and F6 (channels 1, 3, 5) or F9
and F10 (channels 2, 4, 6) on the MZLP that con-
trols the error channel.
Defective heater wires in hose. Replace heated
hose.
NOTE: Defective heaters wires in the hose can
also cause the no current error.
Heated hose electrical connector or wires are
defective. Check resistance of hose wiring. See
hose manual for proper resistance range.
T8D0 No Temp Rise in
Melter (all
zones)
Alarm Temperature reading does not change. Check fuses F1 and F2 on MZLP with daughter
board.
Defective heater wires in melter. Replace melter.
NOTE: Defective heaters wires in the melter can
also cause the no current error.
Defective heater element(s). Check heater resis-
tance and compare to reference table. See
Check Heater Rod Resistance, page 54.
Check J1 is properly plugged into the MZLP with
daughter board and in J3 on AWB.
Check that RTD is installed in the melter.
V1I_ Low Can Volt-
age
Alarm Bad or overloaded power supply. Verify power supply voltage is 24 VDC. If voltage
is low, disconnect the screw terminals +V and -V
on the power supply and re-check voltage read-
ing. If voltage is correct, then disconnect J8 and
J9 from AWB and re-check voltage. If still low
replace AWB. If correct, plug in J9 and recheck
voltage. If low, replace ADM. If correct, plug in
J8. If low, replace MZLP. If voltage is still low,
replace power supply.
V1MW Low Line Volt-
age
Devia-
tion
Incoming line to line voltage has
dropped below 175V.
Verify incoming power is correct gauge for cur-
rent draw and verify incoming power lines are
securely attached to disconnect.
V4I_ High Can Volt-
age
Alarm Bad or overloaded power supply. Verify power supply voltage is 24 VDC. If voltage
is high, replace power supply unit.
V4MW High Line Volt-
age
Alarm Incoming line to line voltage has
increased above 265V.
For 3 phase with neutral have qualified electri-
cian verify neutral wire.
V6MW Invalid Power
Type
Alarm During startup incoming line to line
power was either below 175V or above
265 V.
Verify incoming power is wired to the disconnect
correctly.
V8M_ No line voltage Alarm Incoming line voltage is less than
100 VAC.
Measure incoming power with system
unplugged. If line voltage is less than 100 VAC,
contact qualified electrician to correct the low
voltage.
WJDX Pump Solenoid
Error
Alarm No voltage draw from air solenoid for
air motor.
Check connector is properly connected to J13 of
the daughter board.
Defective air manifold, replace manifold.
WKFX Fill Solenoid
Error
Alarm No voltage draw from air solenoid for
fill.
Check connector at J13 of the daughter board.
Defective air solenoids. Replace. See page 72.
WSUX USB Invalid
Configuration
Devia-
tion
A valid configuration file can't be found
for the USB.
System is not properly loaded with correct soft-
ware. Perform Software Update Procedure on
page 77. Retry USB download.
Bad ADM. Replace ADM.
Code Description Type Cause Solution

Troubleshooting
46 333347F
Mechanical and Electrical Troubleshooting
Problem Cause Solution
Refill Timeout
Error
The system was unable
to refill in less than 30
seconds.
Check hopper for adequate material and material blocking.
Verify the vacuum transfer system air pressure is 40-80 psi (60 psi rec-
ommended) and that air is flowing to the feed wand while attempting to
refill.
Restart system. If the error persists after attempting another refill and
unit is needed immediately for production, place system into the man-
ual refill mode. See Manual Refill on page 30.
Check funnel filter. If plugged, see Replace Funnel Filter on page 38.
The InvisiPac
system takes a
long time to
refill adhesive.
Glue level in hopper is
low.
Check hopper for adequate material and material blocking.
Vacuum flow is
restricted.
Verify the vacuum transfer system air pressure is 40-80 psi (60 psi rec-
ommended) and that air is flowing to the feed wand while attempting to
refill.
Check funnel filter. If plugged, see Replace Funnel Filter on page 38.
Vacuum trans-
fer not working
Air to vacuum assem-
bly missing.
Verify the vacuum transfer system air pressure is 40-80 psi (60 psi rec-
ommended)
Air at system air gauge
but not to air to shaker.
Check that air line is connected or not pinched.
Air is at shaker but
there is no feed.
Plugged shaker unit, remove from system and remove plug.
Adhesive pel-
lets in storage
bin not cover-
ing shaker
head.
Shaker unit not vibrat-
ing.
Verify shaker is vibrating during material loading. If not, the ball in the
shaker assembly is stuck. Remove shaker housing and separate to
clean raceway and ball inside.
Materials are blocking
in the hopper. Some
adhesive materials are
prone to blocking. High
ambient temperature
and high humidity can
increase the likelihood
of blocking.
Some materials may require agitation periodically to breakup bridging.
Purchase and install 30 Gallon Vibrating Hopper, 24R136. See
page 104.
Fill Solenoid
Error
Failure of the fill sole-
noid or fill solenoid wir-
ing.
Verify wiring between J13 and the refill solenoid is not damaged.
Restart system. If the error persists after attempting another refill and
unit is needed immediately for production, place system into the man-
ual refill mode. See Manual Refill on page 30.

Troubleshooting
333347F 47
Level Sensor
Error
Failure of the level sen-
sor (20) or sensor
cable 16T108 (J14 to
level sensor (20)).
Check sensor cable J14 to level sensor (20).
Enable Diagnostic screen on ADM then check sensor readings on the
Diagnostic screen. Sensor readings should be about 4.3V if melter is
completely empty (melter passage holes are visible). The normal oper-
ating range is 3.8 to 4.3V. If the sensor is reading more than 4.2V the
system should be requesting additional material.
Restart system. If the error persists after attempting another refill and
unit is needed immediately for production, place system into the man-
ual refill mode. See Manual Refill on page 30.
The InvisiPac
system expels
adhesive pel-
lets dust when
refilling.
Some adhesives are
very dusty due to the
anti-blocking agents
used or because the
adhesive manufactur-
ing process has cre-
ated small adhesive
shavings. Feed inlet
cap filter may have
become clogged.
Replace Funnel Filter, see page 38.
NOTE: Feed cap filter maintenance should be performed at regular
service intervals. It is recommended that the feed cap filter be
inspected at a minimum of every 1200 lb dispensed, however with
some adhesives the frequency may need to be increased significantly
to maintain desired system cleanliness.
The InvisiPac
system will not
stall, pump
continues to
move even if
the applicators
are all closed.
Fluid leak. Verify that no external leakage is present.
Inspect and test the pressure relief valve.
Perform Flush Pressure Relief Valve, page 54.
If system is still unable to stall, the pump or pressure relief valve may
need to be repaired.
The system
will not dis-
pense mate-
rial.
System is not up to
temperature.
Verify that the system is active.
Incorrect temperature
set points entered into
ADM.
Verify the temperature settings are correct.
Air motor is not receiv-
ing compressed air or
air pressure too low.
Verify that the pump air pressure is set above 20 psi. Check the Pump
Air Solenoid Operation, page 54.
Feed pump not feed-
ing adhesive.
Repair or replace air control assembly as necessary.
Repair or replace pump assembly as necessary.
Timing control for appli-
cators not working.
InvisiPac system does not control the timing of the applicators. This is
a separate control that needs to be adjusted. Consult control manufac-
turer or qualified electrician.
Cycle Switch
Error
Cycle switch or cycle
switch wiring failure.
Check the wiring between the air motor cycle switch and J16.
Repair/replace as required.
Loose or missing fas-
tener (26).
Ensure fastener (26) is tight. See InvisiPac Systems section begin-
ning on page 83 for part identification.
Problem Cause Solution

Troubleshooting
48 333347F
USB Log Full The InvisiPac system
will display this notifica-
tion when the USB data
logs reach 90% full.
To prevent data loss, download system data. See Appendix B - USB
Downloading, Uploading on page 120.
The InvisiPac
system is dis-
playing pump
runaway or
pump diving.
This error generally
occurs when the pump
cavitates due to
improper material load-
ing.
This can occur if the melt rate for the system is exceeded, resulting in
air entrapment within the incoming adhesive material and lower than
desired material temperature.
1. Verify that the InvisiPac system is not exceeding (11 cpm- HM25,
22 cpm - HM50) by enabling the diagnostic screen.
2. If the cycle rate is below (11 cpm- HM25, 22 cpm - HM50)and the
system is still running away increase the InvisiPac system tempera-
ture in small increments over the current set point.
3. If the pump continues to runaway or dive continue increasing tem-
perature in small increments. Do not exceed maximum temperature
for the material being dispensed.
NOTE: If air has become trapped in the pump, it can be purged by fol-
lowing the Pressure Relief Procedure, page 33.
NOTE: Some materials are more difficult to melt than others and it may
be impossible to process them at the published melt rate. The InvisiPac
system was tested to achieve continuous published melt rates when
dispensing standard EVA packaging grade adhesives in pellet form
with an InvisiPac system temperature of 350°F and hose and applica-
tor temperatures of 350°F.
Level sensor blocked,
reading level incorrect.
Clean feed cap by fill sensor, make sure there are no adhesive pellets
blocking the sensor hole.
The system is not sup-
plying enough air to the
ultrasonic sensor ven-
turi.
Ensure supplied Air Filter Kit 24R707 is installed on system air inlet.
Perform a reverse pressure flush of the sensor venture orifice:
1. Disconnect incoming air from InvisiPac system air inlet (108).
2. Disconnect air tube poush-connect union (91) from ultrasonic sen-
sor air tube (35).
3. Plumb 80-100 psi (550-690 kPa, 5.5-6.9 bar) to outlet end o air tube
union (91).
4. Ensure air is flowing out of the InvisiPac system air inlet (108).
5. Reconnect ultrasonic sensor air tube (35) to air tube union (91).
Problem Cause Solution

Troubleshooting
333347F 49
Unable to
achieve pub-
lished melt rate
at the desired
adhesive tem-
perature.
The InvisiPac system
monitors temperature
within aluminum mass
of melter (202). As melt
rates exceed 20 lb/hr a
system temperature
offset may be required.
1. If the cycle rate is below (11 cpm - HM25, 22 cpm - HM50) and the
system is still running away increase the InvisiPac system
temperature in small increments over the current set point, leave
hoses and applicators at desired set point.
2. If the pump continues to runaway or dive continue increasing tem-
perature in small increments. Do not exceed maximum temperature
for the material being dispensed.
NOTE: A 50 amp breaker is required in order to maximize startup and
flow rate performance. Set the breaker size used in the Setup screens.
NOTE: Some materials are more difficult to melt than others, therefore
it may be impossible to process them at the published melt rate. The
InvisiPac system was tested to achieve continuous the published melt
rates when dispensing standard EVA packaging grade adhesives in
pellet form with an InvisiPac system temperature of 350°F and hose
and applicator temperatures of 350°F.
ADM not dis-
playing when
system turned
on
Main power circuit
breaker off or power
cord unplugged.
Turn main circuit breaker on or plug in power cord.
Cable on ADM
unplugged.
Reconnect ADM cable.
Connector on AWB
board not plugged in.
ADM cable should be plugged into J9 of the AWB board.
Bad 24VDC power sup-
ply.
Check output on power supply should measure 24VDC, if no voltage
reading replace power supply.
ADM defective. Replace ADM.
Main breaker
tripping
Wrong setting in ADM
breaker setup.
Wrong breaker setting on ADM in the breaker setting in the setup
screen.
Internal short to ground
in system.
Unplug or disconnect power and measure between each leg of the
power to ground. There should be an open resistance reading.
Too small of a circuit
breaker in main power
panel.
Consult qualified electrician for proper size circuit breaker.
Problem Cause Solution

Troubleshooting
50 333347F
Slow start-up
time or system
takes longer
than 10 min-
utes to startup
Wrong setting in ADM
breaker setup.
Wrong breaker setting on ADM in the breaker setting in the setup
screen.
Low incoming voltage. Incoming voltage should be 200-240VAC for a 230 volt unit and 380-
400 VAC for a 400 volt unit.
Heater rod defective.
Melter and gun mani-
fold.
Measure and check heater rods in melter or applicator. See applicator man-
ual. See Check Heater Rod Resistance, page 54.
Heated hose defective. Measure heater wires in hose, pins C and D. See repair section for
each hose resistance.
Insufficient power sup-
plied to system. Depend-
ing on hose and
applicator combinations,
along with minimal sup-
ply power, startup time
will vary.
Connect system to a power supply capable of maximum power per system
specification. All changes must be performed by a qualified electrician. See
Models on page 4 for full-power rating. See Startup Time, page 125, for
startup times under varying conditions.
No adhesive or
little adhesive
being dis-
pensed
Incorrect RTD setting in
system.
1. Verify melter, hose, and applicator temperatures are all with in the
same range of the room ambient.
2. If the applicator temperature is either much higher or much lower
than the melter temperature then the RTD setting is not correct for
the RTD being used. Select correct RTD setting in the setup screen
system 2 before beginning.
NOTE: Failure to have the correct RTD value will cause the applicator to either
under-heat or over-heat. Setting for RTD in the ADM screens is higher than
actual RTD value. Consult manufacturer for actual RTD value.
System indi-
cates no errors
and correct
temperature
however appli-
cator is over
the tempera-
ture setpoint
Incorrect RTD setting in
system.
1. Verify melter, hose, and applicator temperatures are all within the
same range of the room ambient.
2. If the applicator temperature is either much higher or much lower
than the melter temperature then the RTD setting is not correct for
the RTD being used. Select correct RTD setting in the setup screen
system 2 before beginning.
NOTE: Failure to have the correct RTD value will cause the applicator
to either under-heat or over-heat. Setting for RTD in the ADM screens
is lower than actual RTD value. Consult manufacturer for actual RTD
value.
Problem Cause Solution

Troubleshooting
333347F 51
No adhesive or
incorrect
amount of
adhesive out-
put when all
dispense mod-
ules are trig-
gered
Plugged applicator
manifold filter.
Replace applicator manifold filter. Graco applicator manifold filter in
bottom of manifold or inline filter on other applicators.
Clogged hose. Flush or replace hose.
Defective solenoid
valve.
Check that correct voltage is input into solenoid valve. If voltage is cor-
rect, replace solenoid.
No signal from control
to solenoid.
If no voltage is present at solenoid, check control cable and pattern
controller. Replace component.
Solenoid mufflers
plugged.
Replace solenoid mufflers.
No air to air solenoid. Re-establish air supply to solenoid.
Plugged system outlet
filter.
Replace Outlet Filter. See page 37.
If multiple applicators
are triggered simulta-
neously, maximum
pump rate may be
exceeded.
Stagger applicator opening to reduce the maximum required flow rate
to below maximum pump rate.
No adhesive or
incorrect
amount of
adhesive out of
one/some of
the dispense
modules when
triggered
Plugged tip on dis-
pense module.
Replace tip on dispense module.
Defective dispense
module in closed/par-
tial open position.
Replace dispense module.
Plugged applicator
manifold filter (single
dispense module appli-
cator).
Replace applicator manifold filter. Graco applicator manifold filter in
bottom of manifold or inline filter on other manifolds.
Clogged hose Flush or replace hose.
Defective solenoid
valve
Check that correct voltage is input into solenoid valve. If voltage is cor-
rect, replace solenoid.
No signal from control
to solenoid
If no voltage is present at solenoid, check control cable and pattern
controller. Replace component.
Plugged solenoid muf-
flers
Replace solenoid mufflers.
No air to solenoid Re-establish air supply to solenoid.
Plugged system outlet
filter.
Replace Outlet Filter. See page 37.
If multiple applicators
are triggered simulta-
neously, maximum
pump rate may be
exceeded.
Stagger applicator opening to reduce the maximum required flow rate
to below maximum pump rate.
Problem Cause Solution

Troubleshooting
52 333347F
Adhesive flow-
ing out of
one/some
applicators
when not trig-
gered
Failed valve in the open
position.
Replace dispense module.
Adhesive pressure too
high.
Reduce air pressure to air motor.
Applicator will
not heat.
Heat rod failure in appli-
cator manifold.
Check resistance on heater rods. Repair applicator manifold if heater rods
measure open.
Loose cable connection
at system or manifold.
Check cable connections on both ends of the hose.
RTD failure. Check resistance on the RTD, if out of normal range replace RTD.
Incorrect RTD setting in
the ADM setup.
Set correct RTD value in the ADM setup screen. Consult manufacturer for cor-
rect RTD value.
Thermal cutoff is tripped. Measure resistance of the thermal cutoff at room temperature. If open,
replace.
Adhesive leak-
ing from mani-
fold or dispense
module.
Dispense module is
loose on the manifold.
Tighten screws on loose dispense module.
Dispense module o-ring
failed.
Replace o-rings on the back of the leaking dispense module.
Failed dispense module,
adhesive leaking out
middle of dispense mod-
ule.
Replace dispense module.
Hose loose. Tighten hose.
No melter heat. Fuse blown in F1 and F2. Check heater rods for a short or a short between the rod wires and ground.
Cable to over-tempera-
ture switch off or broken.
Check connection of cable to over-temperature switch both to main board and
to switch. If connection good, look for break in wire.
Over-temperature switch
tripped.
Measure over-temperature switch resistance. It should read close to 0 ohms
when at room temperature. If open, replace over-temperature switch. Make
sure main system power is off when making measurement.
Air motor will
not function.
No air being supplied to
air motor.
Check incoming air supply. air motor is disabled until system reaches “Active”
state. When “Active”, the pump air solenoid should supply air to the air motor.
Air solenoid not enabling
the air motor.
Check solenoid voltage, if 24VDC present at air solenoid replace air solenoid.
Air present at air motor
but it will not work.
Replace air motor.
System not
turning on.
No power to unit. Check main power breaker is turned on.
Check that power plug is connected.
Problem Cause Solution

Troubleshooting
333347F 53
Static shock
when touching
shaker or
adhesive bin.
Ground wire not in
place on shaker
assembly. Some adhe-
sives, flow rates, and
ambient conditions can
cause excessive static
buildup on the shaker
tube.
Attach a ground wire from the shaft of the shaker unit to a true earth
ground. Order shaker grounding kit 24R708.
Adhesive not
dispensing at
the correct
time.
Dispense modules
opening at the wrong
time.
InvisiPac system does not control the opening and closing of the appli-
cators. The separate controller needs to be adjusted. Consult pattern
control manufacturer or qualified electrician.
Pump and vac-
uum feed sys-
tem cycle on
and off before
temperature
setpoint is
achieved.
Solenoid connector is
installed into the light
tower plug on the
MZLP daughter board
Move solenoid connector from J12 (light tower) to J13 (solenoid
valves) on the daughter board on the MZLP.
Problem Cause Solution

Troubleshooting
54 333347F
Flush Pressure Relief Valve
Perform this procedure when directed in the Trouble-
shooting table.
1. With the system active at the required adhesive
temperature, set the air motor air pressure to 20 psi
(140 kPa, 1.4 bar).
2. Remove the air line (36) from the pressure relief
valve.
3. Plug air line and allow the air motor to cycle.
4. Re-connect air line to relief valve and check whether
the system will stall.
5. If system still does not stall, purge ten pump cycles
of material through one applicator.
6. Repeat this entire procedure until no additional air is
expelled from the applicator.
Check the Pump Air Solenoid Operation
Perform this procedure when directed in the Trouble-
shooting table.
NOTE: System must be up to operating temperature for
pump solenoid to trigger on.
1. If the heating system and pump is disabled,
press to enable the heaters and pump.
2. Wait for system to reach the temperature setpoints.
3. Set pump air pressure to 20 psi (140 kPa, 1.4 bar).
4. Remove the 3/8 in. OD air line from the air motor.
5. Verify that air is flowing through the air line.
6. If air is not flowing, check the wiring between J13
and the pump solenoid.
Check Heater Rod Resistance
Use the table to determine if heater elements need to be
replaced.
F
IG
. 28
WLD
36
Ref. Element
HM25 HM50
Wattage Ohms Wattage Ohms
208 Band
Heater 1250 43.5-48.5 2000 27-31
209 Melter
Rod
500 109-121 1500 36.5-40.5
210 Base Rod 1500 36.5-40.5 1000 54-61
210 Pump Rod 1500 36.5-40.5 1000 54-61

Troubleshooting
333347F 55
MZLP Troubleshooting
NOTE: The MZLP LED is located on the inside of the
electrical enclosure. To view, remove the electrical
enclosure front access door.
F
IG
. 29: MZLP LED Signals
Signal Description
Green On MZLP is powered up and input
voltage is within operating con-
ditions.
Yellow On Internal communication in pro-
cess
Red Solid MZLP failure. See troubleshoot-
ing table.
Red Flashing Software update in process or
missing software.
WLD
MZLP
F
IG
. 30: MZLP Diagnostic LED Location
J3
1
4
5
6
7
8
9
2
3
0
Green
Yellow
Red
ti20348a

Repair
56 333347F
Repair
NOTE: Some procedures require special tools. Read
through each procedure prior to beginning it to ensure
you have the required tools to complete the entire pro-
cedure. Order any required tools and have them on
hand prior to beginning the procedure.
Pump
Replace Throat Seal, Throat Bearing, Piston Rod,
Piston Seal, and Piston Bearing
Disassembly (see F
IG
. 31):
1. Flush the system. See page 34.
2. Close the bleed-type ball valve installed at the sys-
tem air inlet to relieve all air pressure in the system.
3. Turn main power switch OFF.
4. Remove plastic shroud (27).
5. Remove vacuum transfer inlet funnel.
6. Remove air lines from relief valve (245) and air
motor (218).
7. Remove four nuts (3) securing melter shield (27) in
place then remove melter shield.
8. Remove air motor assembly:
a. Remove retaining ring (239).
b. Remove dowel pin (238).
c. Remove three screws (240).
9. Use a flat head screwdriver and a rubber mallet to
break loose the retaining nut (235).
10. Use channel lock pliers to remove the retaining
nut (235).
11. Insert an allen wrench through the hole in the top of
the piston rod (223) to lift the piston rod (223) up out
of the manifold. This will also pull out the throat
u-cup (234) and throat bearing (233).
12. Remove piston valve (222) from piston rod (223).
13. Remove and discard piston u-cup (225) and
bearing (226).
Reassembly (see F
IG
. 31):
1. Assemble piston rod:
a. Install new piston u-cup (225) onto piston
rod (223) with the lips facing the rod.
b. Install piston bearing (226) onto piston rod (223)
with grooved end towards the center of the pis-
ton rod.
NOTICE
When performing any procedure that requires
removal of seals or other soft parts, do not leave a
system that has not been flushed disassembled for
more than 30 minutes to prevent the adhesive from
hardening. Hardened adhesive will damage the seals
and other soft parts during installation.
F
IG
. 31
WLD
27
3
218
240 235
233
234
238
223
222
226
225
245
239
224

Repair
333347F 57
c. Install piston valve (222) onto piston rod (223).
Torque to 24-30 ft-lb (33-41 N•m).
2. To protect the seals from the sharp threads, place
seal installation tool 15B661 into the throat bore.
See F
IG
. 32.
3. Push the piston rod assembly (223) into the melter
outlet manifold (203).
4. Grease the throat u-cup (234) and slide the u-cup
over the piston rod (223) with the lips facing down.
5. Place a 7/8 in. deep-well socket (3/8 in. drive) over
the piston rod (223) then use a rubber mallet to gen-
tly tap throat u-cup (234) into place. See F
IG
. 33.
6. Slide throat bearing (233) over the piston rod (223).
Use socket and tap with a rubber mallet to press
throat bearing (233) into place and seat the throat
u-cup.
7. Remove seal installation tool.
8. Install retaining nut (235). See F
IG
. 32.
9. Install air motor assembly (see F
IG
. 31):
a. Install three screws (240).
b. With retaining ring around piston rod, install
dowel pin (238).
c. Install retaining ring (239) over dowel pin.
10. Use nuts (3) to install melter shield (27).
11. Connect air lines to relief valve and air motor.
12. Install plastic shroud (27).
F
IG
. 32
F
IG
. 33
ti20877a
15B661
203
ti21047a
234
F
IG
. 34
ti21144a
233
235

Repair
58 333347F
Replace Pump Inlet Housing Checks
Disassembly (see F
IG
. 35):
1. Flush the system. See page 34.
2. Close the bleed-type ball valve installed at the sys-
tem air inlet to relieve all air pressure in the system.
3. Turn main power switch OFF.
4. Remove four bolts (246) and pump manifold (203)
from melter outlet.
5. Use a 1/2 in. drive ratchet without a socket to
remove foot valve (230) from bottom of melter outlet
manifold (203).
6. Remove and discard seat (228), ball (227),
o-ring (229), and o-ring (231).
Reassembly (see F
IG
. 35):
1. Install new o-ring (231), o-ring (229), seat (228),
and ball (227) then use a 1/2 in. drive ratchet
without a socket to install and tighten foot
valve (230) onto melter.
2. Apply anaerobic thread sealant on threads of four
bolts (246) and connect pump to melter outlet.
Torque to 12-18 ft-lb (16-24 N•m).
Replace Pump Cylinder Seals and Piston Seals
Disassembly (see F
IG
. 31):
1. Flush the system. See page 34.
2. Close the bleed-type ball valve installed at the sys-
tem air inlet to relieve all air pressure in the system.
3. Turn main power switch OFF.
4. Remove plastic shroud (27). See F
IG
. 31 on
page 56.
F
IG
. 35
WLD
230
228
227
231
203
229
246
F
IG
. 36
WLD
218
235
233
234
233
224
226
222
230
217
217
216
239
203

Repair
333347F 59
5. Remove air lines from relief valve (245) and air
motor (218) See F
IG
. 31 on page 56.
6. Remove nuts (3) securing melter shield (27) in
place then remove melter shield. See F
IG
. 31 on
page 56.
7. Remove air motor assembly. See F
IG
. 31 on
page 56:
a. Remove retaining ring (239).
b. Remove dowel pin (238).
c. Remove three screws (240).
8. Use a flat head screwdriver and a rubber mallet to
break loose the retaining nut (235).
9. Use channel lock pliers to remove the retaining
nut (235).
10. Insert an allen wrench through the hole in the top of
the piston rod (223) to lift the piston rod (223) up out
of the manifold. This will also pull out the throat
u-cup (234) and throat bearing (233).
11. Replace Pump Inlet Housing Checks. See page
58.
12. Use a 1/2 in. drive ratchet without a socket to
remove foot valve (230) from bottom of melter outlet
manifold (203). See F
IG
. 36, page 58.
13. Insert cylinder tool (1301) into bottom of melter out-
let manifold (203). Use a rubber mallet to gently
remove cylinder (216).
14. Remove and discard cylinder seals (217). See F
IG
.
37.
Reassembly:
1. Apply grease to seals (217) then install new cylinder
seals (217) onto cylinder (216). See F
IG
. 37.
2. Place female cylinder installation tool (1302) into
melter outlet manifold (203) to protect seals from
sharp threads. See F
IG
. 38.
3. Use male cylinder installation tool (1303) to press
cylinder (216) into melter outlet manifold (203). If
necessary, use rubber mallet tap into place. See
F
IG
. 38.
4. Use a 1/2 in. drive ratchet without a socket to install
and tighten foot valve (230) into bottom of melter
outlet manifold (203). See F
IG
. 36, page 58.
5. Perform Replace Pump Inlet Housing Checks on
page 58.
6. Perform Reassembly portion of the Replace Throat
Seal, Throat Bearing, Piston Rod, Piston Seal,
and Piston Bearing procedure which starts on
page 56.
F
IG
. 37
ti20880a
217
216
217
1301
203
F
IG
. 38
ti21049a
203
217
216
217
1302
1303

Repair
60 333347F
Melter
Remove Melter Assembly
NOTE: This only needs to be done when replacing
items that require access to the bottom of the melter
assembly.
1. Perform Drain the System procedure on page 34
then wait for system to cool.
2. Close the bleed type ball valve at the system air
inlet.
3. Turn main power switch OFF.
4. Disconnect all heated hoses from the melter outlet
manifold.
5. Remove cable from ADM (30) then slide forward the
shroud (29) and remove it from the system.
6. Remove screws (8) then remove electrical enclo-
sure front access door (10).
7. Disconnect heater rod wires from J4 connector on
AWB board.
8. Remove the air tube (36) from the relief valve (245).
Pull the air tube from the metal shroud (27).
9. Remove nuts (3) on the back metal shroud (27)
then remove shroud.
10. Remove fabric melter insulator (53).
11. Loosen screw (AA) then remove sensor (125). See
F
IG
. 42, page 63.
12. Loosen hose clamp (81) then remove funnel (FF).
13. Remove wire connectors from the over-temperature
switch (251).
14. Remove insulators (53, 75) from the melter
assembly (5).
15. Disconnect the fill sensor cable from the fill
sensor (20). See Replace Fill Sensor, page 69.
16. Disconnect the pump cycle sensor cable from the
air motor.
17. Remove the air tube from the air motor (218).
18. Loosen screw (AA) then remove sensor (125). See
F
IG
. 41 on page 62.
19. Disconnect ground screw (87) and ring terminal (88)
from melter assembly.
20. Remove electrical enclosure front access door (10).
F
IG
. 39
WLD
FF
29
30
27
10
8
203
1
3
53
3
5
218
81
75 251
245
36
F
IG
. 40
WLD
87
88

Repair
333347F 61
21. Remove all heater wires from the following termi-
nals. Pull wires up through the rubber grommet on
the top of the electrical enclosure (1).
22. Remove four nuts (3) then remove melter assembly
from system. Save any loose insulators for reas-
sembly.
23. Remove bolts (259), insulators (249), washers
(268), and melter assembly from base (257).
Install Melter Assembly
1. Route melter heater rod (209) wire through large
hole in the melter base (257) then through small
hole in side of melter base (257).
2. With the 10 insulators (4) in place on the melter
assembly, place melter assembly on melter
base (257).
3. Use 4 bolts (259) to secure washers (268) and
melter assembly to melter base (257).
4. Use four nuts (3) to secure melter assembly to sys-
tem.
5. Group the 4 sets of heater wires together and run
them through the grommet on the top of the electri-
cal enclosure (1). Connect wires as noted below.
6. Connect air tube to air motor (218).
7. Connect fill sensor cable to the fill sensor (20).
8. Connect pump cycle sensor cable to air motor.
9. Install funnel (FF) then tighten clamp (81).
10. Install temperature sensor (125) into melter then
tighten screw (AA) on band heater. See F
IG
. 41 on
page 62.
11. Install insulators (53,75) onto the melter
assembly (5).
12. Connect ground wire ring terminal (87) and ground
screw (88) to melter assembly (5).
13. Connect wire connectors to the over-temperature
switch (251). See F
IG
. 43 on page 64.
14. Use nuts (3) to install metal shroud (27).
15. Pull the relief valve air tube (36) through the metal
housing then attach air tube to relief valve (245).
16. Install front access door (10) onto electrical
enclosure (1).
17. Feed ADM cable through shroud then install shroud
and connect cable to ADM.
18. Reconnect all heated hoses to the melter outlet
manifold (203).
19. Turn main power switch ON.
20. Open system air inlet ball valve.
Item
Wire Marking
1
Wire Marking
2
Band Heater (208) J4-1 J4-2
Melter Heater Rod
(209)
J4-5 J4-6
Base Heater Rod (210) J4-7 J4-8
Pump Heater Rod (210) J4-3 J4-4
NOTICE
To prevent crushing the soft insulators (4), do not
overtighten the 4 bolts (259) in the following step.
Torque to 5-11ft-lb (7-15 N•m).
Item
Wire Marking
1
Wire Marking
2
Band Heater (208) J4-1 J4-2
Melter Heater Rod (209) J4-5 J4-6
Base Heater Rod (210) J4-7 J4-8
Pump Heater Rod (210) J4-3 J4-4

Repair
62 333347F
Replace Band Heater
Disassembly (see F
IG
. 41):
1. Once the fluid level is low enough, close the
bleed-type ball valve installed at the system air inlet.
2. Turn main power switch OFF.
3. Disconnect cable from ADM (30) then remove
shroud (29).
4. Remove front access door (10) from electrical
enclosure (1).
5. Remove fabric melter insulators (53).
6. Loosen clamp (80) and then remove screws (8) and
funnel assembly (F).
7. Loosen screw (AA) then remove sensor (125).
8. Locate the J4-1 and J4-2 wires in AWB board and
remove wires.
9. Pull wires up through grommet (63) on top of the
electrical enclosure (1). Clip any wire ties that hold
the wires in place.
10. Continue loosing screw (AA) then slide band
heater (208) up to remove.
Reassembly (see F
IG
. 41):
1. Install band heater (208) on the melter with the
opening and screw facing the front of the system in
alignment with the sensor port.
2. Install sensor (125).
3. Slide band heater up then tighten screw (AA).
NOTE: Band heater should be oriented to hold sensor in
place when tightened. It should not bend the sensor.
4. Route band heater wires through grommet (63) in
the top of the electrical enclosure (1).
5. Connect wires to AWB board as marked. Wires
should be marked as shown in the following table.
6. Install electrical enclosure access door (10). See
F
IG
. 41.
7. Use clamp (80) and screws (8) to install funnel
assembly (F) on melter assembly.
8. Install fabric melter insulator (53).
9. Feed ADM cable through shroud then install shroud
and connect cable to ADM.
10. Open system air inlet ball valve.
11. Turn main power switch ON.
F
IG
. 41
WLD
53
AA
125
10
F
1
63
8
208
80
Item
Wire
Marking 1
Wire
Marking 2
Band Heater (208) J4-1 J4-2

Repair
333347F 63
Replace Band Heater Temperature Sensor
Disassembly (see F
IG
. 42):
1. Close the bleed-type ball valve installed at the
system air inlet to relieve all air pressure in the
system.
2. Turn main power switch OFF.
3. Disconnect cable from ADM then remove shroud.
4. Remove air tube (36) from relief valve. Pull the air
tube through the metal shroud (27).
5. Remove nuts (3) then remove metal shroud (27).
See F
IG
. 39, page 60.
6. Remove fabric melter insulator (53).
7. Loosen screw (AA) then remove sensor (125).
8. Remove electrical enclosure access door (10).
9. Disconnect the temperature sensor cable from
MZLP connector labeled J5. See F
IG
. 42.
NOTE: This connector also includes the over-tempera-
ture switch wires.
10. Disconnect wire connectors from over-temperature
switch (251). See F
IG
. 43 on page 64.
11. Pull cable out of the electrical enclosure then dis-
card sensor (125) and wires.
Reassembly (see F
IG
. 42):
1. Route new harness wires through grommet (63) in
the top of the electrical enclosure.
2. Connect wire connectors to over-temperature
switch (251). See F
IG
. 43 on page 64.
3. Place band heater temperature sensor (125) in
melter.
4. Tighten screw (AA).
NOTE: Screw should lightly squeeze the temperature
sensor to hold it in place. It should not bend the sensor.
5. Connect new harness to MZLP connector labeled
J5.
6. Install electrical enclosure access door (10). See
F
IG
. 41 on page 62.
7. Install fabric melter insulator (53).
8. Use nuts (3) to install metal shroud (27). See F
IG
.
39, page 60.
9. Route relief valve air tube through the metal shroud
then attach to the relief valve.
10. Feed ADM cable through shroud then install shroud
and connect cable to ADM.
11. Turn main power switch ON.
12. Open system air inlet ball valve.
F
IG
. 42
WLD
AA
125
53
40
80
10

Repair
64 333347F
Replace Heater Over-Temperature Switch
Disassembly (see F
IG
. 43):
1. Close the bleed-type ball valve installed at the
system air inlet to relieve all air pressure in the
system.
2. Turn main power switch OFF.
3. Disconnect cable from ADM then remove shroud.
4. Remove air tube (36) from relief valve. Pull the air
tube through the metal shroud (27). See F
IG
. 45,
page 65.
5. Use 7/16 in. socket to remove nuts (3) then remove
metal shroud (27).
6. Disconnect the wire connectors from the over-tem-
perature switch (251).
7. Remove the screws (255) securing the over-tem-
perature switch (251) to the melter assembly (5),
then remove the switch.
Re-assembly (see F
IG
. 43):
1. Use the two screws (255) to secure the new
over-temperature switch (251) to the melter.
2. Connect wire connectors to new over-temperature
switch.
3. Use 7/16 in. socket to install nuts (3) to secure
metal shroud (27).
4. Route relief valve air tube (36) through the metal
shroud then attach to the relief valve.
5. Feed ADM cable through shroud then install shroud
and connect cable to ADM.
6. Open system air inlet ball valve.
7. Turn main power switch ON.
Replace Heater Rod
Disassembly (see F
IG
. 44):
NOTE: This procedure is for replacing any of the above
heater rods.
1. Turn main power switch OFF.
2. If replacing the melter heater rod (209), Remove
Melter Assembly. See page 60.
3. Disconnect cable from ADM then remove
shroud (29).
F
IG
. 43
ti21052a
251
255
F
IG
. 44
WLD
210
210
209
209
206
206
206

Repair
333347F 65
4. If removing the pump heater rod (210):
a. Remove the air tube (36) from the relief
valve (245). Pull the air tube through the metal
shroud (27).
b. Remove nuts (3) then remove shroud (27).
5. Remove electrical enclosure front access door (10).
See F
IG
. 41, page 62.
6. Disconnect heater rod wires from terminal blocks
described in the following table.
7. Pull heater rod wires up through the grommet in the
top of the electrical enclosure (1).
8. Remove heater rod retaining ring (206) then remove
and discard heater rod (209, 210).
Reassembly (see F
IG
. 44):
1. Route new heater rod cable through grommet (63)
in top of electrical enclosure then connect new
heater rod wires to terminal blocks as described in
the previous table.
2. Install heater rod then install heater rod retaining
ring (206). See F
IG
. 44.
3. Install electrical enclosure access door (10). See
F
IG
. 41, page 62.
4. If replacing the melter heater rod (209), Install
Melter Assembly. See page 60.
5. If replacing pump heater rod (210), feed ADM cable
through shroud then install shroud and connect
cable to ADM.
6. If installing the pump heater rod (250), install the
metal shroud (27):
a. Place metal shroud on system.
b. Install and tighten nuts (3).
c. Pull the air tube through the metal shroud (27)
then connect the air tube (36) to the relief
valve (245).
7. Feed ADM cable through plastic shroud then install
plastic shroud and connect cable to ADM.
Replace Fluid Pressure Relief Valve
1. Drain the System. See page 34.
2. Close the system air inlet ball valve.
3. Turn main power switch OFF.
4. Remove the air tube (36) from the relief valve (245).
Pull the air tube through the metal shroud (27). See
F
IG
. 45.
5. Remove nuts (3) then remove shroud (27).
Item
Wire
Marking 1
Wire
Marking 2
Band Heater (208) J4-1 J4-2
Melter Heater Rod
(209)
J4-5 J4-6
Base Heater Rod (210) J4-7 J4-8
Pump Heater Rod
(210)
J4-3 J4-4
NOTICE
To prevent damaging the heater rod, do not use
thermal grease in the following step.
F
IG
. 45
ti20757a
245
244
36
3
27

Repair
66 333347F
6. Use crescent wrench to remove melter fluid pres-
sure relief valve (245). See F
IG
. 45.
7. Use an o-ring pick to remove o-ring (244).
8. Install o-ring (244) into manifold.
9. Thread new fluid pressure relief valve (245) into
manifold. See F
IG
. 45. Once hand-tight, use cres-
cent wrench to tighten.
10. Use nuts (3) to install metal shroud.
11. Connect air tube to pressure relief valve.
12. Feed ADM cable through plastic shroud then install
shroud and connect cable to ADM.
NOTICE
To prevent damage to o-ring, ensure o-ring is seated
properly prior to moving to next step.

Repair
333347F 67
Multi-Zone Low Power Temperature Control Module (MZLP)
Replace MZLP Fuse
MZLP Identification
Fuse Kits
1. Turn main power switch OFF.
2. Remove electrical enclosure front access door (10).
3. Use a proper non-conductive fuse puller tool to
remove the blown fuse.
NOTE: F1 and F2 are white ceramic and indicate 25A
on the barrel.
NOTE: F3-F10 are clear glass and indicate 8A on the
barrel.
4. Use a proper non-conductive fuse puller tool to
install the new fuse.
5. Install electrical enclosure front access door (10).
Key
24V510
AF1 and F2 fuses are physically larger than F3-F10
BBlue sticker on relay
CMarked 24V133
F
IG
. 46: MZLP ID and Fuse Locations
NOTICE
To prevent system damage, always use fast acting
fuses. Fast acting fuses are required for short-circuit
protection.
J1
J2
J3
J6
J5
J7
F10 F9 F8 F7
F6 F5
F4 F3
F2 F1
WLD
A
B
C
Fuse Part
24V510 MZLP Fuses
F1, F2 250VAC, 25A, fast acting, white, 0.25 in x 1.2 in
F3-F10 250VAC, 8A, fast acting
Kit MZLP Description
24V289 24V510 Includes standard clear fuses.
24X480 Includes ceramic fuses used for
food industries.
NOTICE
Using an improper tool, such as screw drivers or
pliers may break glass on fuse.
NOTICE
Using an improper tool, such as screw drivers or
pliers may break glass on fuse.

Repair
68 333347F
Replace MZLP
Disassembly:
1. Turn main power switch OFF.
2. Remove electrical enclosure front access door (10).
3. Disconnect heated hose electrical connectors from
outside of MZLP (112).
4. Note location of each cable, then unplug all cables
from the MZLP (112) that will be replaced. See F
IG
.
47.
5. Remove four screws (114) securing MZLP (112) to
electrical enclosure (1) then carefully remove MZLP
from electrical enclosure. See F
IG
. 47.
6. Replace MZLP. See F
IG
. 47 for MZLP #1, MZLP #2,
and MZLP #3 identification.
a. To replace MZLP #1, remove the daughter card
and standoffs, and re-install them on the new
MZLP #1.
b. To replace MZLP #3, remove the jumper (135)
from MZLP #3 J5 connector and reinstall it on
the new MZLP #3 J5 connector.
Reassembly:
1. Set MZLP rotary switch to “1” on MZLP with
daughter card. Set MZLP rotary switch to “2” or “3”
on MZLP without daughter card, based on location.
See F
IG
. 48 for rotary switch location.
2. Apply channel label stickers to new MZLP. See F
IG
.
47.
3. Use four screws (114) to install MZLP (112) to elec-
trical enclosure (1).
4. Reconnect cables to MZLP (112).
NOTE: Do not force the electrical connection. Minimal
force is required to seat the connector. If resistance is
felt, stop and verify the connector orientation.
NOTE: If unable to determine connector location, see
Electrical Schematics on page 78.
5. Install electrical enclosure front access door (10).
6. Connect heated hose electrical connectors to new
MZLP.
NOTE: MZLP may need updated software. See Soft-
ware Update Procedure on page 77.
Replace MZLP Daughter Card
Disassembly:
1. Turn main power switch OFF.
2. Remove electrical enclosure front access door (10).
3. Note location of each cable then unplug all cables
from MZLP daughter card (112a).
4. Remove four mounting screws (112b) from daugh-
ter card (112a) and set aside.
5. Unplug daughter card (112a) from the MZLP
#1 (112).
F
IG
. 47
114
112
MZLP
#1
MZLP
#2
MZLP
#3
F
IG
. 48
112b
112
112a
Rotary Switch
ti20342a

Repair
333347F 69
Reassembly:
1. Plug new daughter card (112a) into the MZLP (112).
2. Use screws (112b) to secure daughter card to
MZLP (112).
3. Connect cables to new daughter card (112a).
NOTE: Do not force the electrical connection. Minimal
force is required to seat the connector. If resistance is
felt, stop and verify the connector orientation.
NOTE: If unable to determine connector location, see
Electrical Schematics on page 78.
4. Install electrical enclosure front access door (10).
System
Replace Fill Sensor
Disassembly (see F
IG
. 49):
1. Turn main power switch OFF.
2. Remove filter cover (68) and filter element.
3. Gently pull up on cable while unscrewing fill sensor
connector then remove fill sensor cable from fill
sensor (20).
4. Loosen fill sensor jam nut then remove fill
sensor (20) from sensor housing (73).
Reassembly (see F
IG
. 49):
1. Thread new fill sensor (20) into sensor housing (73).
Bottom out the sensor in the sensor housing then
back out 1/2 turn.
2. Tighten jam nut on fill sensor (20).
3. Connect fill sensor cable to new fill sensor (20).
4. Replace filter element and cover (68).
Replace ADM
1. Turn main power switch OFF.
2. Disconnect cable (CC) from bottom of ADM (30).
See F
IG
. 50.
3. Remove ADM from bracket (58).
4. Install new ADM into bracket.
5. Connect cable to bottom of new ADM.
NOTE: ADM may need updated software. See Soft-
ware Update Procedure on page 77.
F
IG
. 49
WLD
20
68
73
F
IG
. 50
ti20763a
CC
30
58

Repair
70 333347F
Replace AWB
Disassembly:
1. Turn main power switch OFF.
2. Note location of each cable, then unplug all cables
from the AWB. See Electrical Schematics, page
78.
3. Remove 2 screws (131) securing AWB (143) to
electrical enclosure (1) then carefully remove AWB.
4. Remove power supply (146) from power supply
bracket (145) by releasing mounting tab on the side
of the power supply. See F
IG
. 51.
5. Remove two screws (144) securing power supply
bracket (145) to AWB (143) and remove power sup-
ply bracket. See F
IG
. 51.
Reassembly:
1. Use two screws (144) to secure power supply
bracket (145) to new AWB (143). See F
IG
. 51.
2. Mount power supply (146) to power supply bracket
(145). See F
IG
. 51.
3. Connect connector (labeled AWB-J1) on power sup-
ply harness (147) to J1 on AWB (143). See Electri-
cal Schematics, page 78.
4. Use two screws (131) to install AWB (143) to electri-
cal enclosure (1). See F
IG
. 51.
5. Reconnect cables to AWB (143).
NOTE: Do not force the electrical connection. Minimal
force is required to seat the connector. If resistance is
felt, stop and verify the connector orientation.
NOTE: If unable to determine the connector location,
see Electrical Schematics, page 78.
6. Install electrical enclosure front access door (10).
F
IG
. 51: AWB and Power Supply
145
144
146
145
131
131

Repair
333347F 71
Replace Power Supply
Disassembly:
1. Turn main power switch OFF.
2. Remove electrical enclosure front access door (10).
3. Remove power supply (146) from power supply
bracket (145) by releasing mounting tab on the side
of the power supply. See F
IG
. 51.
4. Disconnect screw terminal connections between
power supply (146) and power supply harness (147)
according to the following table. See F
IG
. 51.
Reassembly:
1. Make connections between power supply harness
(147) and new power supply (146) according to the
following table:
2. Reattach power supply (146) to power supply
bracket (145). See F
IG
. 51.
3. Install electrical enclosure front access door (10).
Replace Power Supply Harness
Disassembly:
1. Turn main power switch OFF.
2. Remove electrical enclosure front access door (10).
3. Disconnect screw terminal connections between
power supply (146) and power supply harness (147)
according to the following table.
4. Unplug power supply harness (147) from J1 on
AWB (143). See Electrical Schematics, page 78.
Reassembly:
1. Make connections between power supply harness
(147) and new power supply (146).
2. Connect connector (labeled AWB-J1) on power sup-
ply harness (147) to J1 on AWB (143). See Electri-
cal Schematics, page 78.
3. Install electrical enclosure front access door (10).
Power Supply
Connection Harness Label
V+ V+
V- V-
GND GND
LL
NN
Power Supply
Connection Harness Label
V+ V+
V- V-
GND GND
LL
NN

Repair
72 333347F
Air Controls
Replace Air Control Solenoids
NOTE: In order to replace the air control solenoids, the
system must be tipped back to access underneath the
electrical enclosure.
Disassembly (see F
IG
. 52):
1. Turn main power switch OFF.
2. Disconnect plug from power outlet or turn off circuit
breaker for incoming power.
3. Close the bleed-type ball valve installed at the sys-
tem air inlet to relieve all air pressure in the system.
4. Remove front access panel (10) from electrical
enclosure (1).
5. Remove the transformer assembly; for 480V sys-
tems only (see F
IG
. 53):
a. Disconnect transformer wires from J2 connector
on AWB board and the main power switch.
b. Remove three screws (142) and InvisiPac sys-
tem off of transformer assembly (140).
6. Use 3/8 in. socket to remove two screws (8).
7. Note location of each air line connection.
8. Insert hands through access holes (FF), see F
IG
.
52, in bottom of electrical enclosure then disconnect
air lines from air control solenoids (402).
9. Disconnect air control solenoids cable from MZLP
daughter board connector J13. Pull wire out of the
electrical enclosure.
10. Remove two screws (405) securing solenoids (402)
to air control assembly (9) then remove air control
solenoids.
Reassembly (see F
IG
. 52):
1. Use two screws (405) to secure new
solenoids (402) to air control assembly (409).
2. Feed the new solenoid cable into the electrical
enclosure and attach cable to MZLP daughter board
connector J13.
3. Insert hands through access holes (FF), see F
IG
.
52, in bottom of electrical enclosure then connect air
lines to air control solenoids (402).
4. Slide air control assembly (9) into place then use
two screws (8) to secure to electrical enclosure (1).
5. For 480V systems, install transformer assembly
(140) with screws (142) and reconnect transformer
wires to J2 connector on AWB board and the main
power switch.
F
IG
. 52
F
IG
. 53
WLD
8
9
1
405
402
FF
WLD
140
142

Repair
333347F 73
6. Install electrical enclosure front access door.
Replace Air Control Gauge
Disassembly (see F
IG
. 54):
1. Turn main power switch OFF.
2. Close the bleed-type ball valve installed at the sys-
tem air inlet to relieve all air pressure in the system.
3. Remove two screws (8) then slide air control
assembly (9) out from electrical enclosure (1) so the
back of the gauges are exposed.
4. Remove two nuts (403a) securing gauge (403) in
place then remove bracket (403c).
5. Place one small crescent wrench on the brass part
of the gauge then use a second small crescent
wrench to remove the air fitting (403b).
6. Remove air gauge from panel.
Reassembly (see F
IG
. 54):
1. Slide new air gauge into panel and slide the bracket
onto the back of the gauge. Install air fitting onto the
gauge by hand, do not tighten yet.
2. Install bracket (403c) then install two nuts (403a)
finger tight.
3. Place one small crescent wrench on the brass part
of the gauge then use a second small crescent
wrench to tighten the air fitting (403b).
4. Orient gauge as desired then tighten two
nuts (403a) to secure gauge (403) in place.
5. Slide air control assembly (9) into place then use
two screws (8) secure to electrical enclosure.
Air Motor
Replace Pilot Valve
1. Close the bleed-type ball valve installed at the
system air inlet to relieve all air pressure in the
system.
2. Turn main power switch OFF.
3. Replace top pilot valve (511):
a. Use crescent wrench to remove the rod cover
(C).
b. Use 10 mm socket to remove air motor pilot
valve (511) from air motor (218).
c. Lubricate with grease and install new air motor
pilot valve (511).
F
IG
. 54
WLD
403
8
9
403a
403b
403c
NOTICE
In the following step, do not overtighten the two
nuts (403a). Overtightening may cause the gauge to
break.
F
IG
. 55: Top Pilot Valve
WLD
511
218
C

Repair
74 333347F
d. Torque pilot valve to 95-105 in-lb (10.7-11.9
N•m).
4. Replace bottom pilot valve (511):
a. Remove cover (29) and insulation (6).
b. Use 10 mm socket to remove air motor pilot
valve (511) from air motor (218).
c. Lubricate with grease and install new air motor
pilot valve (511).
d. Torque pilot valve to 95-105 in-lb (10.7-11.9
N•m).
e. Replace insulation (6) and cover (29).
Replace Air Valve
Disassembly (see F
IG
. 57):
1. Close the bleed-type ball valve installed at the
system air inlet to relieve all air pressure in the
system.
2. Turn main power switch OFF.
3. Loosen clamp on air motor bracket (528) then
remove funnel assembly (61).
4. Loosen upper hose clamp on rubber housing then
remove fill cap.
5. Dispense until the fluid level in the melter is at or
below the honeycomb grid.
NOTE: If a screw or air valve seal is dropped during this
procedure it could fall into the melter. Melter fluid level
must be below honeycomb grid before moving to next
step.
6. Once the fluid level is low enough, close the
bleed-type ball valve installed at the system air inlet.
7. Disconnect air hose and cable from the air motor.
8. Use 10 mm socket to remove four screws (509)
securing air valve (512) to air motor (218).
9. Remove air valve (512) and seal (507) then discard.
Reassembly (see F
IG
. 57):
1. Lubricate with grease then place new air valve
seal (507) onto air valve (512).
2. Carefully place new air valve (512) against air motor
then thread in the four screws (509). Ensure the air
valve seal (507) stays in place by applying constant
pressure against the air motor.
F
IG
. 56: Bottom Pilot Valve
WLD
218
29
6
511
F
IG
. 57
507
512
509
218

Repair
333347F 75
3. Use 10 mm socket to torque screws (509) to
95-105 in-lb (10.7-11.9 N•m).
4. Install fill cap then tighten upper hose clamp on rub-
ber housing.
5. Connect air hose and cable to the air motor.
Remove Air Motor
1. Close the bleed-type ball valve installed at the
system air inlet to relieve all air pressure in the
system.
2. Turn main power switch OFF.
3. Disconnect air line (36) from pressure relief
valve (245) then pull through metal shroud (27). See
F
IG
. 45 on page 65.
4. Remove three nuts (3) securing metal shroud (27)
in place then remove metal shroud (27).
5. Disconnect air supply line from air motor (218).
6. Remove air motor assembly:
a. Slide retaining ring (239) down.
b. Remove dowel pin (238).
c. Remove three screws (240).
d. Remove screws (8), screws (74), and bracket
(82).
7. If replacing a damaged air motor with a new fully
assembled air motor:
a. Remove three screws (211) securing air motor
tie rods (220) to base plate (219).
b. Remove tie rods (220) from air motor (218).
Install Air Motor
See F
IG
. 58.
1. If replacing a damaged air motor with a new fully
assembled air motor:
a. Install tie rods (220) onto air motor (218).
b. Install three screws (211) securing air motor tie
rods (220) to base plate (219).
2. Connect air motor assembly to system:
a. Install three screws (240), two screws (8),
screws (74), and bracket (82) to secure air
motor assembly to system.
b. Install dowel pin (238).
c. Install retaining ring (239) over dowel pin (238).
3. Use four nuts (3) to install melter shield (27).
4. Reconnect air supply line to air motor (218).
5. Reconnect air line (36) to pressure relief
valve (245). See F
IG
. 45 on page 65.
F
IG
. 58
WLD
220
218
238
240
211
219
239
3
27
8
82
74

Repair
76 333347F
Transformer Fan
Replace Fan
1. Turn main power switch OFF.
2. Disconnect plug from power outlet or turn off circuit
breaker for incoming power.
3. Remove front access panel (10) from electrical
enclosure (1).
4. Remove connector from J7 connector on AWB
board. Remove red (+) and black (-) wires from con-
nector.
5. Remove screws (157) and fan grill (154). Pull two
fan wires down into the transformer enclosure.
6. Cut three zip ties on corrugated tube (167) and two
zip ties (161) on fan grill (154).
7. Remove four nuts (158), rear fan grill (170), and fan
(155).
Install Fan
1. Mount new fan (155), rear fan grill (170), and nuts
(158) on grill (154) with the arrow pointing toward
the grill (154).
2. Tie down fan wires onto tie down locations on grill
(154) using cable ties (161).
3. Route fan wires with transformer wires into the elec-
trical enclosure (1). Connect red and black fan wires
to J7 connector. Reconnect J7 connector to AWB
board. See F
IG
. 60.
4. Reinstall corrugated tube (167) on fan and trans-
former wires. See F
IG
. 59.
NOTE: To prevent fan errors on ADM, remove excess
slack and ensure cabling and zip ties do not contact fan
blades.
5. Reinstall fan grill (154) and front access panel (10).
F
IG
. 59
F
IG
. 60
WLE
158
1
151
154
157
167
161(x3)
WLD
J7
(+)
(-)
black
red
1
Front access panel (10) not shown.
F
IG
. 61
WLE
161
red (+)
black (-)

Repair
333347F 77
Software Update Procedure
When software is updated on the ADM the software is
then automatically updated on all connected GCA com-
ponents. A status screen is shown while software is
updating to indicate progress.
1. Turn system main power switch OFF.
2. Remove ADM from bracket.
3. Remove token access panel.
4. Insert and press InvisiPac software upgrade token
(T, part no. 24R324) firmly into slot.
NOTE: There is no preferred orientation of token.
5. Install ADM into bracket.
6. Turn system main power switch ON.
NOTE: When the screen turns on, you will see the fol-
lowing screens:
7. Remove token (T).
8. Replace token access panel.
9. Press to continue to the InvisiPac operation
screens.
F
IG
. 62: Remove Access Panel
F
IG
. 63: Insert Token
NOTICE
A status is shown while software is updating to
indicate progress. To prevent corrupting the software
load, do not remove token until the status screen
disappears.
r_24P860_3B9900_3a
T
r_24P860_3B9900_4a
Icon Description
Update successful.
Update unsuccessful.
Update complete, no changes
necessary.
Update was successful/com-
plete but one or more GCA
modules did not have a CAN
boot-loader so software was
not updated on that module.
First:
Software is checking
which GCA modules
will take the available
updates.
Second:
Status of the update
with approximate time
until completion.
Third:
Updates are complete.
Icon indicates update
success/failure. See
the following Icon
table.

Electrical Schematics
78 333347F
Electrical Schematics
Incoming Power
Cable Identification
Use the table to identify cables and other system com-
ponents in the electrical schematics.
To prevent electric shock and system damage, all
electrical work must be performed by a qualified elec-
trician.
NOTICE
To prevent severe system damage, ensure main power
leads are installed correctly. See Connect Electrical
Cord on page 23.
Ref Part Description
9 --- Manifold, air assembly
20 24R041 Sensor, ultrasonic
25 24A032 Switch, reed assembly
30 24P860 ADM
86 127666 Cable, Extension
87 --- WIRE, ground
90 --- Plug, Phoenix, 8pin
103 --- Harness, MZLP #1 AWB
112 24V288 Module, MZLP with daughter
board
118 24V510 Module, MZLP
121 16T087 Cable Board
123 127768 Cable, CAN,
124 16T103 Cable Pump
125 --- Sensor, RTD, 1M
126 16T108 Cable Ultrasonic
129 --- Harness, MZLP 2, AWB
--- Harness, MZLP 2/3, AWB
135 16W035 Connector Jumper
136 --- Harness, MZLP #1 AWB
138 --- Harness, Disc AWB
140 --- Transformer
143 24V816 AWB
146 126453 Power Supply
147 --- Harness Power Supply AWB
148 --- Cable, Board, Samtec
208 24V522 Band heater, HM50
24R093 Band heater, HM25
209 24R037 Heater Rod (1500 W), HM50
24R034 Heater Rod (500 W), HM25
210 24R036 Heater Rod (1000 W), HM50
24R037 Heater Rod (1500 W), HM25
251 24R040 SWITCH, OT
1201 16T102 Light Tower

Electrical Schematics
333347F 79
System
AWB
J2 J9
J4
J7
W1
W2
W4
GND
W3
1
2
4
3
5
1
2
4
3
5
1
2
4
3
5
ADM
1
2
3
4
5
6
7
8
1
2
3
4
5
6
7
8
L1
L2
GND
J3
1
2
1
2
J1
-
N
L
+
-
N
L
+
MZLP 1
J5
J12
J16
1
2
3
4
J14
J13
1
2
3
4
J15
112A J1
1
2
1
2
J6
1
2
4
3
5
1
2
4
3
5
J2
L1
L2
L3
GND
J3
1
2
4
3
5
J8
A
B
C
D
E
F
G
H
J
K
L
J9
A
B
C
D
E
F
G
H
J
K
L
L1
L2
L3
GND
J6
L1
L2
L3
GND
L1
L2
L3
GND
J8
1
2
4
3
5
1
2
4
3
5
6T3
4T2
2T1
5L3
3L2
1L1
NN
L3
DC OK
DC OK
-V
-V
+V
+V
GND
N
L
TEMP
TEMP
FAN +
FAN -
TEMP
TEMP
FAN +
FAN -
1
2
3
4
1
2
3
4
1
2
3
4
1
2
3
4
1
2
4
3
5
1
2
4
3
5
1
2
4
3
5
6
1
2
4
3
5
6
1
2
4
3
5
1
2
4
3
5
J5
L1
L2
L3
GND
L1
L2
L3
GND
1
2
3
4
140 138
143
123
30
129
90
148
136
103
112
1201
9
20 86 126
12425
125
251
121
Melter OT Switch
and Melter RTD
Motor Cycle Switch
Fill Sensor
Air Solenoid
Optional Light Tower
Hose / Applicator Wiring
Transformer
Option
87
208 210 209 210
147
146
Band Pump Melter Base
To MZLP #2 4 and 6
Channel Option, see
page 108 and 110.
To MZLP #2 4 and 6
Channel Option, see
page 108 and 110.
Ground
Stud
GB1

Electrical Schematics
80 333347F
480VAC Transformer Option
Typical Hose / Applicator Wiring
GB1
J7
6T3
4T2
2T1
N
TEMP
TEMP
FAN +
FAN -
TEMP
TEMP
FAN +
FAN -
GB
GND
J2
W1
W2
W4
GND
W3
PTC
L1
L2 5L3
3L2
1L1
N
L3
AWB
P2
P1
P3
143
OVER
TEMP
GUN
HEATER
T°
GUN
RTD
GND
J8
A
B
C
D
E
F
G
H
J
K
L
A
B
C
D
E
F
G
H
J
K
L
MZLP1
HOSE
HEATER
T°
HOSE
RTD
112

Electrical Schematics
333347F 81
2nd and 3rd MZLP Options
J3
1
2
4
3
5
1
2
4
3
5
J3
1
2
4
3
5
J6
1
2
4
3
5
1
2
4
3
5
1
2
4
3
5
1
2
4
3
5
J3
1
2
4
3
5
MZLP3 MZLP 2 MZLP 1
1
2
4
3
5
6
J5
1
2
4
3
5
6
121121
135
118 118 112

Air Schematic
82 333347F
Air Schematic
NOTE: Install an optional ramp up/down controller to
limit air to the air motor and slow down the system dis-
pense rate.
Level Sensor
Restrictor
Level Air Sensor Refill Gauge
Air Control Manifold
Refill Control Solenoid
Air Motor Control Solenoid
Air Motor Gauge
Pressure Relief
Valve
Air Motor
Feed Wand
Line Air Inlet
Under Control Box
Optional Ramp Up/Down
Controller
Safety Pop Off Valve

Parts
333347F 83
Parts
InvisiPac Systems
System Parts, Page 1 of 3
WLE
Apply door gaskets (11) to door (10) per layout diagram.
Apply pipe sealant to all non-swiveling pipe threads.
Bottom sensor (20) out then back off 1/2 turn.
Lubricate all seals and o-rings with water resistant grease.
Torque to 5-11 ft-lb (7-15 N•m).
Torque to 8-10 in-lb (0.9-1.1 N•m).
1
2
3
4
5
6
44
19
28
30
53
13
8, 14
3
8
83
27
25
1
26
24
18
75
6
38
58
22
10
11
8
29
8
23
23
38 31
39
64
43
43
43
6
64

Parts
84 333347F
System Parts, Page 2 of 3
WLD
54
7
5
8
8
9
1
63
20
68
67
69
66
72
74
73
69
69
62
61
81
80
79
74
82
8
8
41
49
40
4
85
63
87
89
88 3
42
3
86
43
5

Parts
333347F 85
System Parts, Page 3 of 3
WLD
76
78
32
34
16 in.
(406.4 mm)
34
8 in.
(203 mm)
34
2 in.
(50.8 mm)
36
13 in.
330.2 mm)
35
48 in.
(1219 mm)
34
48 in.
(1219 mm)
34
48 in.
(1219 mm)
49 35
48 in.
(1219 mm)
55
24
77
57
91
86
39

Parts
86 333347F
System Parts
Ref Part Description
Quantities
HM50 HM25
2 Channel 4 Channel 6 Channel 2 Channel 4 Channel 6 Channel
24T918
24V201
24V198
24T919
24V202
24V199
24T920
24V203
24V200
24V423
24V429
24V426
24V424
24V430
24V427
24V425
24V431
24V428
1 --- ENCLOSURE, electrical 111111111111111111
3 115942 NUT, hex, flange head 888888888888888888
4 167002 INSULATOR, heat 444444444444444444
5 24V169 SYSTEM, melter, HM25 111111111
24V542 SYSTEM, melter/pump,
HM50 111111111
6 16V540 GUARD, insulated 111111111
--- INSULATOR, wrap 111111111
7 --- TRAY, drip 111111111111111111
8† 113161 SCREW, flange, hex hd 17 17 17 17 17 17 17 17 17 17 17 17 17 17 17 17 17 17
9 --- MANIFOLD, air, assembly 111111111111111111
10 --- DOOR, front 111111111111111111
11 --- FOAM, border, door 111111111111111111
13✿
---
FITTING, straight, hydraulic 222444666222444666
14 16V153 WASHER, retaining 444444444444444444
15✖114271 STRAP, retaining 8 8 8 16 16 16 24 24 24 8 8 8 16 16 16 24 24 24
18✿126961 FITTING, 45 elbow, hydraulic 222444666222444666
19✿116793 FITTING 222444666222444666
20 24R041 SENSOR, ultrasonic 111111111111111111
21✖101976 TOOL, allen, wrench 111111111111111111
22 24N957 SHAKER, feed system 111111111111111111
23 114606 PLUG, hole 222222222222222222
24 120753 FITTING, push to connect
elbow 222222222222222222
25 24A032 SWITCH, reed assy 111111111111111111
26 --- SCREW, pan head, #8-32 x
1.5" 111111111111111111
27 --- BRACKET, back HM50 111111111
--- BRACKET, back 111111111
28 --- COVER, filter 111111111111111111
29 --- COVER, melter HM50 111111111
--- COVER, system, HM25 111111111
30❄24P860 MODULE, ADM 111111111111111111
31 117017 WASHER 222222222222222222
32 --- FITTING, tee, reducer 111111111111111111
34 --- HOSE, nylon, wpr 250 psi
8.10 8.10 8.10 8.10 8.10 8.10 8.10 8.10 8.10 8.10 8.10 8.10 8.10 8.10 8.10 8.10 8.10 8.10
35 598095 TUBE, 5/32 OD, nylon 444444444444444444
36 --- TUBE, ptfe, 1/4 in. OD
1.10 1.10 1.10 1.10 1.10 1.10 1.10 1.10 1.10 1.10 1.10 1.10 1.10 1.10 1.10 1.10 1.10 1.10
38 117126 SCREW, shcs; m5x16 333333333333333333

Parts
333347F 87
39 --- GROMMET, 1/4 ID 111111111111111111
40 --- BUSHING, strain relief 222222222222222222
41 --- GROMMET, tube 111111111111111111
42 --- GROMMET, tube 111111111111111111
43▲16Y781 LABEL, safety 111111111111111111
44 16U007 LABEL, InvisiPac, HM25 111111111
--- LABEL, InvisiPac HM50 111111111
45 --- LABEL 111111111111111111
47✖24P859 KIT, fuses, board, temp con-
trol 111111111111111111
48✖24P176 KIT, i/o connector 111111111111111111
49 125871 TIE, cable, 7.50 in. 10 10 10 10 10 10 10 10 10 10 10 10 10 10 10 10 10 10
50❄24R324 TOKEN, software 111111111111111111
53‡16W659 INSULATOR, melter 111111111
16T677 INSULATOR, melter 111111111
54 --- NUT, bushing 222222222222222222
57 123554 COUPLER, 3/8 in. OD tubing 111111111111111111
58 24A326 BRACKET, mounting,
assembly 111111111111111111
61† --- FUNNEL, large mouth 111111111111111111
62† --- BAFFLE, pellet 111111111111111111
63 121487 GROMMET, sheet metal, 3/4
in. 222222222222222222
64 24R707 KIT, inlet, air 111111111111111111
66† --- FUNNEL, insert 111111111111111111
67† 24V506 FILTER, HM50 feed 111111111111111111
68† --- FUNNEL, filter cover 111111111111111111
69† --- O-RING, fluoroelastomer,
160 333333333333333333
72 110932 CONNECTOR, male 111111111111111111
73† --- HOUSING, sensor, HM50 111111111111111111
74† --- SCREW, #10-16, thread
forming 555555555555555555
75 16T675 INSULATOR, melter mani-
fold 111111111
16W671 INSULATOR, melter, mani-
fold 111111111
76 --- FITTING, tee, 1/8npt x 3/8t x
3/8t 111111111111111111
77 --- RESTRICTOR, air, 0.0225
in. orifice 111111111111111111
78 198177 FITTING, push, straight 111111111111111111
79★24W001 ADAPTER, HM25 111111111
24W000 ADAPTER, melter HM50 111111111
Ref Part Description
Quantities
HM50 HM25
2 Channel 4 Channel 6 Channel 2 Channel 4 Channel 6 Channel
24T918
24V201
24V198
24T919
24V202
24V199
24T920
24V203
24V200
24V423
24V429
24V426
24V424
24V430
24V427
24V425
24V431
24V428

Parts
88 333347F
--- Not for sale.
▲Replacement Danger and Warning labels, tags, and cards
are available at no cost.
❄ADM does not come with software. Order software token
24R324.
✖Not shown.
Available kits (purchase separately):
80★--- CLAMP, hose, spacer 111111111
81★--- CLAMP, hose, spacer 111111111222222222
82† --- BRACKET, funnel, HM25 111111111
--- BRACKET, HM50, funnel,
mounting 111111111
83 123986 FITTING, elbow, 3/8 OD tube 111111111111111111
85 --- GROMMET 111111111111111111
86 122030 CABLE, gca, m12-5p 111111111111111111
87 --- WIRE, ground 111111111111111111
88 116343 SCREW, ground 111111111111111111
89 --- WASHER, 1/4 external tooth
lock 111111111111111111
90 --- PLUG, phoenix, 8 pos 111111111111111111
91 --- FITTING, 5/32 in. OD tube,
push-to-con 111 111
92
✖
17A345 TOOL, 5/16 nut driver 111111111111111111
93
✖
127735 STRAP, lifting 3 ft 11 11 11 11 11 11
Ref Part Description
Quantities
HM50 HM25
2 Channel 4 Channel 6 Channel 2 Channel 4 Channel 6 Channel
24T918
24V201
24V198
24T919
24V202
24V199
24T920
24V203
24V200
24V423
24V429
24V426
24V424
24V430
24V427
24V425
24V431
24V428
Kit Description Includes
24R885◆Cycle Switch 25, 26
24R028* Inlet housing 12, 13, 62
24V544 Tubing 32, 33, 34, 35, 36, 304. See
Feed System Shaker and
Tube, 24V507 on page 96 for
identification of item 304.
24V505† Funnel 8, 61, 62, 66, 67, 68, 69, 73,
74, 82. See Feed Inlet Fun-
nel, 24V505 on page 99.
24V508‡Melter 53, 202, 204, 207, 211, and
253. See Melter and Pump
Assembly on page 93 for
identification of items 202-253.
24V504✿Hydraulic Fittings 13, 18, 19
24U635 Acrylic Lens
Pressure Gauge
24W000★Melter Adapter 79, 80, 81

Parts
333347F 89
Electrical Enclosure
WLD
WLD
Apply sealant to all non-swiveling pipe
threads.
Set rotary switch to “1” on MZLP with
daughter card.
Set rotary switch to “2” on MZLP 2.
Set rotary switch to “3” on MZLP 3.
1
2
3
4
114 112
113
118
113
114
113
118
114
106, 107
120
110
108
109
101
132
105
104
2
3
117 111 143
112a
MZLP 2
MZLP MZLP 3
4
131
146
131
145
144

Parts
90 333347F
Electrical Enclosure Parts
WLD
142
141
137
140
Ref Part Description
Quantity
1 MZLP 2 MZLP 3 MZLP 1 MZLP 2 MZLP 3 MZLP
No Transformer 400/480 V Transformer
101
--- CABINET, controls 111111
102
122030 CABLE, gca, m12-5p 1 1 1
103
--- HARNESS, MZLP1, AWB 111111
104
123970 SWITCH, disconnect, 40a 111111
105
126839 CONTACT, n-pole 111111
106
120858 BUSHING, strain relief, m40 thread 111111
107
120859 NUT, strain relief, m40 thread 111111
108
104641 FITTING, bulkhead 111111
109
121141 FITTING, elbow, swivel, 3/8t 1/4mnpt 111111
110
114421 BUSHING, strain relief 111111
111
117666 TERMINAL, ground 111111
112*
--- MODULE, MZLP with daughter board 111111
112a
24R042 KIT, board, daughter 111111
113
16T440 CAP, souriau, uts14 246246
114
125856 SCREW, 8-32, serrated flange 12 12 12 12 12 12
116
24P175 PLATE, blank, sgl mztcm 2 1 2 1
117
115942 NUT, hex, flange head 111111
118
24V510 MODULE, gca, MZLP 1 2 1 2
119
--- GASKET, foam, mztcm 2 1 2 1
120
--- PIN, dowel 111111
121
16T087 CABLE, board, male/male, 21 in. 1 2 1 2
123
127768 CABLE, can, female/female 1.5 m 111111

Parts
333347F 91
* Purchase MZLP (118) and daughter board (112a) separately.
Available kits (purchase separately):
124
16T103 CABLE, pump 111111
125
◆--- SENSOR, rtd, 1m 111111
126
16T108 CABLE, ultrasonic, m12-4p, 1m 111111
129
--- HARNESS, MZLP 2, awb 1 1
--- HARNESS, MZLP 2/3, awb 1 1
130
114958 STRAP, tie 444444
131
--- SCREW, flange, serrated, 10-24 x 0.5 222222
132
123967 KNOB, operator disconnect 111111
135
16W035 CONNECTOR, jumper 1 1
136
--- HARNESS, MZLP 1, awb 111111
137
--- BUSHING, cable 111
138
--- HARNESS, disc, awb 111111
140
24V015 TRANSFORMER, assembly, 480v/240v 111
141
--- GROMMET, air fitting 111
142
113802 SCREW, hex hd, flanged, 3/8-16 x 5/8 333
143
24V816 MODULE, awb 111111
144
114331 SCREW, mach, pnh, sems; 6-32 x 3/8 222222
145
--- BRACKET, power supply 111
146
126453 POWER SUPPLY, 24v 111111
147
--- HARNESS, power supply, awb 111111
148
--- CABLE, board, samtec 111111
Ref Part Description
Quantity
1 MZLP 2 MZLP 3 MZLP 1 MZLP 2 MZLP 3 MZLP
No Transformer 400/480 V Transformer
Kit Description Includes
24V528† Upgrade from 2
channel system
to 4 channel sys-
tem
113, 118, 121, 129, a ground-
ing wrist strap, and a software
upgrade token. See 4 Channel
Upgrade Kit, 24V528 on
page 108.
24V529✿Upgrade from 4
channel system
to 6 channel sys-
tem
113, 118, 121, 129,134, 135,
grounding wrist strap, and a
software upgrade token. See 6
Channel Upgrade Kit, 24V529
on page 110.
24R040◆RTD 125, 251, and 255. See Melter
and Pump Assembly on
page 93.
24V289 MZLP fuses Qty 8 - 8 Amp, 250V Fuses
Qty 2 - 25 Amp, 250V Fuses
24P176 Customer I/O
Connectors
2 connectors for connecting to
H1 and H2 on MZLP daughter
board. Use for PLC connec-
tion.

Parts
92 333347F
Transformer Assemblies
Transformer Assemblies
▲Replacement Danger and Warning labels, tags, and cards
are available at no cost.
★Included in Fan Replacement Kit 24V911.
--- Not for sale.
WLD
Mount fan with arrow pointing towards grill.
Tie down cabling from transformer and fan using cable tie onto
tie down locations. Remove excess slack and ensure cabling
does not contact fan blades.
Use nut to lock down the ground wire from transformer.
Connect black fan wire labeled (-) from transformer (153) in the
pin labeled (-). Connect red fan wire labeled (+) to the
connector coming from transformer (153).
1
2
3
4
152
160
156
157
156
161
167
154
155
1
2
151
158
157
166 166
166
161
2
2 4
153
4
170
168
168
3
Ref. Part Description Qty
151 --- ENCLOSURE, base, 480v 1
152 --- ENCLOSURE, top, 480v 1
153 --- TRANSFORMER, 480v/240v,
6kva; 480V systems only
1
--- TRANSFORMER, 400v/240v,
6kva; 400V systems only
1
154 --- GRILL, fan 1
155
★
--- FAN, 24 vdc, 120m x 120m 1
156 115942 NUT, hex, flange head 5
157 119865 SCREW, mach, hex serrated, 1/4
x 3/8 in.
6
158 127278 NUT, keps, hex 4
160 --- GROMMET, air fitting 1
161 125871 TIE, cable, 7.5 in. 5
162 172953 LABEL, designation 1
166
▲
17A071 LABEL, safety, warning 1
167 --- TUBE, corrugated, slit; 6 in.
(152.4 mm)
1
168
169
170 127754 GRILL, fan
Ref. Part Description Qty

Parts
333347F 93
Melter and Pump Assembly
WLD
Lubricate all seals and o-rings with grease.
Orient melter (202) sensor hole in line with band heater (208)
clamp.
Torque to 5-11 ft-lb (7-15 N•m).
Torque to 24-30 ft-lb (33-41 N•m).
Orient u-cups (225, 234) with springs in direction shown.
Assemble inserts (252) 0.01-0.05 in. (0.3-1.3 mm) below surface.
Assemble inserts (252) 0.01-0.05 in. (0.3-1.3 mm) below surface.
Torque to 27-33 in.-lb (3-3.8 N•m).
Apply anaerobic thread sealant on threads.
Torque to 12-18 ft-lb (16-24 N•m).
1
2
3
4
5
6
7
8
9
10
217
216
217
223
224
225
226
222
221
227
228
229
231
232
230
5
4
218
239
235
233
234
220
240
219
206
211
7
246
245
244
243
242
247
255
236
208
211
204
202
207
253
213
215
206
210
201
249
257
258
209
206
252
6
214
2
2
5
3
205
254
203
268
259
249
251
252
238
210
3
3
8
9
10
HM25, 24V169
HM50, 24V542
4
10
4
4
10
10
10

Parts
94 333347F
HM25 Melter and Pump, 24V169
HM50 Melter and Pump, 24V542
--- Not for sale.
Available kits (purchase separately):
Ref. Part Description Qty.
201 --- BASE, melter, HM50 1
--- BASE, melter, HM50 1
202✖--- TANK, melter, HM50 1
--- TANK, melter, HM25 1
203• --- MANIFOLD, outlet 1
204✖--- PLATE, mounting; HM50 1
--- PLATE, mounting; HM25 1
205 --- HOUSING, fire rod; HM50 1
--- HOUSING, fire rod; HM25 1
206• 111317 RING, retaining, int. 3
207✖16W615 O-RING, fluoroelastomer;
(HM50 only)
1
126475 O-RING, fluoroelastomer;
(HM25 only)
1
208 24V522 BAND, heater; HM50 only 1
24R039 BAND, heater; HM25 only 1
209• 24R037 HEATER, rod,1500 watts; HM50 1
24R034 HEATER, rod, 500 watts; HM25 1
210 24R036 HEATER, rod,1000 watts; HM50 2
24R037 HEATER, rod,1500 watts; HM25 2
211✖116940 SCREW, cap,sh,5/16-18 7
213 --- SCREEN, wire 1
214• 112855 PACKING, o-ring 1
215
---
PLUG, o-ring boss 1
216‡• --- SLEEVE, cylinder 1
217†‡• 108526 PACKING, o-ring, ptfe 2
218 24V558 MOTOR, double ended, air; see
page 95
1
219 --- PLATE, pump adapter 1
220 --- ROD, tie, 1.5 in. stroke 3
221• 192624 GUIDE, ball 1
222†◆• 239932 VALVE, piston 1
223◆• --- ROD, piston 1
224†◆• 105444 BALL, (.31250) 1
225†◆• --- SEAL, u-cup, piston 1
226†◆• --- BEARING, piston 1
227†• 105445 BALL, (.5000) 1
228†• 192642 SEAT, carbide 1
229†• 107079 PACKING, o-ring 1
230• --- HOUSING, foot valve 1
231†• 105802 O-RING 1
232†• 113944 PACKING, o-ring 1
233†• --- BEARING, throat 1
234†‡• --- SEAL, u-cup, throat 1
235• 193046 NUT, packing 1
236• 24P855 FILTER, assy, 100 mesh, welded 1
238 196762 PIN, straight 1
239 196750 SPRING, retaining 1
240 101864 SCREW, cap, sch; 5/16 x 1 in. 3
242★• 117059 O-RING, fluoroelastomer 1
243★• --- RETAINER, seat, dump valve 1
244★• 15Y627 PACKING, o-ring #2-116, ptfe 1
245★• --- VALVE, relief 1
246• 121295 SCREW, cap, socket head; 5/16 x
2.5 in.
4
247• 15H304 FITTING, plug 9/16 sae 9
249 167002 INSULATOR, heat 10
251
✿
•24R040 SWITCH, overtemperature 1
252• --- INSERT, helical 7
253✖--- PLATE, melter; HM25 only 1
--- PLATE, melter; HM25 only 1
254 --- O-RING, -910 1
255
✿
•107388 SCREW, mach, pnh;
#4 x 3/8 in.
2
257 --- BRACKET, shelf; HM50 only 1
--- BRACKET, shelf; HM25 only 1
258 --- GROMMET, 1/4 ID 1
259 110298 SCREW, cap, sch,
1/4 x 7/8 in.
;
HM50 only
4
115506 SCREW, mach, hex wash hd, 1/4 x
3 in.; HM25 only
4
268 115814 WASHER, flat, sst; HM50 only 4
Kit Description Includes
24P852† Pump repair 217, 222, 224, 225, 226, 227,
228, 229, 231, 232, 233, 234,
and seal installation tool
15B661.
24P853‡ Cylinder 216, 217, 234, and seal instal-
lation tool 15B661.
24P854◆Pump rod 222, 223, 224, 225, 226
24P856★Pressure relief
valve
242, 243, 244, 245
24V508✖Melter 202, 204, 207, 211, 253, and
insulator (53). See InvisiPac
Systems parts starting on
page 83 for insulator (53)
identification.
24R040
✿
RTD 125, 251, and 255. See Elec-
trical Enclosure on page 89.
24R709 • Assembled pump
manifold
203, 206, 209, 214, 216, 217,
221, 222, 223, 224, 225, 226,
227, 228, 229, 230, 231, 232,
233, 234, 235, 236, 242, 243,
244, 245, 246, 247, 251, 252,
255
--- Special tools See Special Tools on page
100.
Ref. Part Description Qty.

Parts
333347F 95
Air Motor, 24V558
-
-- Not for sale.
†Included in Air Motor Valve Kit 24R026.
WLD
509
Apply water-resistant grease.
Torque to 95-105 in-lb (10.7-11.9 N•m).
1
2
505
522
507
511
511
2
513
506
512
509
4
1
21
2
Ref. Part Description Qty
505 24A579 MANIFOLD, medium, short 1
506 --- GASKET, cover, small 2
507† --- SEAL, air valve, manifold 1
509† --- SCREW, m6 x 25, thread forming 8
511 --- VALVE, pilot 2
512† --- VALVE, air, small 1
513 15M213 MUFFLER, 3/8 1

Parts
96 333347F
Feed System Shaker and Tube, 24V507
Parts
--- Not for sale.
† 30 ft (9.1 m) Feed Hose Kit 24R043 also available
(purchase separately). Kit also includes 2 hose
clamps.
★Included in Tubing Kit 24V544. See System Parts
on page 86 for other kit contents.
◆Not shown.
NOTE: Shaker Grounding Kit 24R708 (purchase sepa-
rately) also available. Kit includes a grounding wire
assembly, and a screw and washer for installing on the
shaker tube (301).
Apply pipe sealant to threads.
1
301
302
306
304
ti20738a
1
Ref Part Description Qty
301 24P861 SHAKER 1
302 24N954 TUBE, steel 1
303†◆--- TUBE, clear PVC, 1.3 in.
(33 mm) OD
10
304 --- HOSE, nylon, 3/8 in. OD,
250 psi (1.7 MPa, 17 bar)
15.5
305◆125370 CLAMP, hose, dia. 11/16 to
1-1/2 in.
3
306 125871 TIE, cable, 7.50 in. (190 mm) 4

Parts
333347F 97
Air Controls Assembly
Air Controls Assembly Parts
--- Not for sale.
WLD
Apply sealant to all non-swiveling pipe threads.
1
405
403
401
402
406
404
404
1
1
Ref Part Description Qty
401 --- PANEL, air, controls 1
402 24V520 CONTROL, air, vacuum trans-
fer and pump
1
403 15T500 GAUGE, pressure, air, panel
mount, 1/8 in. npt
2
404 15T498 FITTING, 90 degree, swivel,
5/32 in. tube x
1/8 in. female npt
2
405 100058 SCREW, cap, hex head 2
406 054753 TUBE, nylon, round, black 2
407 C38321 TIE, cable, 3.62 in. 1

Parts
98 333347F
Pressure Relief Valve, 24P856
--- Not for sale.
† Parts included in Relief Valve Repair Kit 24P857
(purchase separately).
606
607
601 614
605 611 608
602 609
612
610
610
613
Apply sealant to all non-swiveling pipe threads.
Apply grease.
Torque to 4-6 in-lb (0.5-0.7 N•m).
1
2
3
604
3
2
2
2
1
3
603
1
1
Ref Part Description Qty
601 --- BODY, fluid 1
602 --- BODY, air 1
603 15T413 PISTON, air 1
604 --- AIR CAP, valve 1
605 --- BEARING, shaft, needle 1
606 --- SHAFT, needle, valve 1
607 --- SOCKET, ball assembly 1
608† 108771 PACKING, o-ring 1
609† 110073 PACKING, o-ring 1
610 111841 WASHER, plain 5/8 in. 2
611† --- BEARING, valve 1
612† --- O-RING, FKM 1
613 --- FITTING, push to connect 1
614† --- SEAL, u-cup, relief valve 1

Parts
333347F 99
Feed Inlet Funnel, 24V505
--- Not for sale.
Ref. Part Description Qty
701 --- FUNNEL, large mouth 1
702 --- BAFFLE, pellet 1
703 --- O-RING, fluoroelastomer, 160 3
704 --- FUNNEL, insert 1
705 24V506 FILTER, feed 1
706 --- FUNNEL, filter cover 1
707 113161 SCREW, flange, hex hd 2
708 --- SCREW, #10-16, thread forming 5
709 --- BRACKET, funnel, mounting 1
710 --- HOUSING, sensor 1
WLD
706
704
705
703
708
707
708
709
710
703
702
703
701

Accessories
100 333347F
Accessories
Special Tools
These special tools are designed to make system repairs as easy as possible while ensuring that parts do not get
damaged.
* Parts included in Cylinder Tools Kit 24R227 (pur-
chase separately).
** Parts included in Rod Tools Kit 24R228 (purchase
separately).
Part Purpose
1301* Remove Cylinder
1302* Install Cylinder - Female
1303* Install Cylinder - Male
Part Purpose
1304** Install Rod - Female
1305** Install Rod - Male
1306** Install Rod - Bullet
ti20983a

Accessories
333347F 101
Non-Graco Applicator Adapter
Cables
16T916: For connecting to non-Graco applicators that
use a rectangular, 6-pin connector.
16T917: For connecting to non-Graco applicators that
use a circular, 9-pin connector.
16Y828: For connecting to non-Graco applicators that
use a circular, 6-pin connector. IPx6 rated.
Non-Graco Applicator Adapter Cable
Installation
See Attach Components on page 17.
Air Adjustment Lock, 24R084
Panel enables locking access to the air adjustment
screws.
Air Adjustment Lock Installation
1. Remove screws from system air panel.
2. Use screws to install panel (801).
3. Snap bracket (802) into panel (801).
4. Insert lock through hole in panel and bracket to lock
access to the air controls. Lock not included in kit.
ti21128a
ti21129a
WLD
Ref Part Description Qty
801 --- PANEL, lock, air control 1
802 --- BRACKET, lock, air control 1
WLD
NOTE: Screws are part of the base system and are
not included in the kit.
801
802

Accessories
102 333347F
System Stand, 24R088
Use the stand to mount the system at eye level. When
the system is mounted on the stand, the ADM is 45 in.
(1.14 m) above the bottom of the stand.
System Stand Installation
1. Place stand (1001) in desired location.
2. Use bolt holes to bolt stand in place.
3. Place system on stand.
4. Use screws and nuts to secure system to stand.
Caster for Stand, 120302
Caster with friction post mounts directly to
system stand using no extra hardware. Four
required. Casters raise stand an additional
4.25 in. (108 mm).
Adapter Plate, 24R083
Use this adapter plate to install InvisiPac in place of an
existing hot melt applicator system.
Adapter Plate Installation
1. Remove existing hot melt applicator system.
2. Use six screws (1102) and six nuts (1103) to secure
adapter plate (1101) through the existing holes from
the previous system.
3. Align the InvisiPac system with the bolts on the
adapter plate (1101) then place onto the adapter
plate (1101).
4. Use the remaining three nuts (1103) to secure the
InvisiPac system to the adapter plate (1101).
5. Use elbow fitting (1104) to install system air inlet
filter (A, not included with kit).
Ref Part Description Qty
1001 --- STAND 1
1002 112395 SCREW flange head cap 3
1003 112958 NUT, hex, flanged 3
WLD
1001
1003
1002
Ref Part Description Qty
1101 --- PLATE, adapter 1
1102 112395 SCREW flange head cap 6
1103 112958 NUT, hex, flanged 9
1104 121283 FITTING, elbow, 45 degree 1
WLD
A
C
B
Bolt Hole Dimensions
A 9.8 in. (249 mm)
B 14.843-15.157 in.
(377.0-385.0 mm)
C 17.003-17.317 in.
(431.9-439.9 mm)
1101
1102
1103
1104
A
Accessories
333347F 103

Accessories
104 333347F
30 Gallon Vibrating Hopper, 24R136
Hopper includes a shaker to ensure the adhesive pellets maintain a level surface at all times. Without this, the adhe-
sive pellets can stick together, preventing them from continuously covering the vacuum transfer system’s inlet. This
would cause the vacuum transfer system to be unable to transfer the adhesive pellets.
Input Air Pressure Requirement: 100 psi (7 bar, 0.7 MPa)
Air Consumption: 17.1 scfm (29.1 cubic meters per hour)
--- Not for sale.
* Metric fitting included in Air Metric Fitting Kit,
24W637, page 113.
905
910
903
902
901
907
915
903
915
904
909
914*
916
912
ti20928a
Ref Part Description Qty
901 --- HOPPER, 30 gallon 1
902 --- LID, hopper, 30 gallon 1
903 126930 SHAKER, ball vibrator 1
904 126929 VALVE, air pilot, 3-way, closed 1
905 --- BRACKET, shaker, container 1
907 --- HOSE, nylon, 3/8 in. OD, 250 psi
(1.7 MPa, 17 bar)
1
908 119798 CONNECTOR, tee, push-tube 1
909 113779 MUFFLER 1
910 111192 SCREW, cap flange head 2
912 125857 SCREW, 10-24, serrated flange 4
914* 121141 FITTING, elbow, swivel, 3/8 in.
tube connector, 1/4 male npt
1
915 120389 FITTING, tube 2
916 --- CONNECTOR, tube, 90 degree 1
917 125539 FITTING, splitter, 3/8 in. OD tub-
ing
1
Ref Part Description Qty

Accessories
333347F 105
30 Gallon Vibrating Hopper Installation
See F
IG
. 64 for illustration of installed vibrating hopper.
1. Turn main power switch OFF.
2. With the steel shaker rod fully assembled and the
3/8 in. OD air line connected to the shaker head, cut
the 3/8 in. OD air line where the 1.3 in. clear vac-
uum transfer hose connects to the steel shaker rod.
3. Use the splitter fitting (917) to reconnect the 3/8 in.
OD air line that was just cut.
4. Install the 48 in. section of 3/8 in. OD hose supplied
with the kit into the remaining connection on the
splitter fitting (917).
5. Connect the other end of the 48 in. section of 3/8 in.
OD air line to elbow fitting (916) on the piloted air
valve.
6. Connect shop air to elbow fitting (914) on the piloted
air valve. Shop air must be capable of 100 psi
(0.7 MPa, 7 bar).
NOTE: The piloted air valve must use shop air. Adding a
tee at the system inlet to run the hopper shaker may
impact pump and vacuum transfer performance.
7. Place steel shaker rod assembly into hopper (901)
with steel rod resting in the hopper groove in the rim
of the hopper.
8. Place lid (902) on hopper (901).
NOTE: The hopper shaker will be active while the vac-
uum transfer system is transferring pellets.
NOTE: The air supplied to the pilot valve from the sys-
tem vacuum must be set to 65% of the shop air supply
supplied to elbow fitting (914) or higher. If the pilot valve
air pressure is lower than this, increase the vacuum
transfer air pressure regulator (E, see F
IG
. 1 on page
11).
F
IG
. 64
To shop air
supply
Splitter fitting
To piloted
air valve To shaker
head
Piloted air
valve
Hopper
shaker
ti21350a

Accessories
106 333347F
Light Tower Kit, 24R226
The light tower enables someone away from the system to quickly see whether the system is inactive or OFF (no
lights), warming up (flashing green), at temperature (solid green), or has an active error (red).
24R226 Parts
--- Not for sale.
J1
J2
J3
J6
J5
J7
F10 F9 F8 F7
F6 F5
F4 F3
F2 F1
WLD
1201
1203
1202
1204
1205
J12
AA
BB
1201a
Ref Part Description Qty
1201 16T102 LIGHT, tower, red and green 1
1201a --- SCREW 3
1202 --- GROMMET, single cable 1
1203 16K322 BRACKET, light tower 1
1204 --- GROMMET, multiple wires 1
1205 125835 CLIP, ferrite bead 1

Accessories
333347F 107
Light Tower Kit Installation
1. Turn main power switch OFF.
2. Disconnect cable from ADM, push cable through
plastic shroud, then remove shroud from system.
3. Remove existing grommet (AA) from electrical
enclosure then install new grommet (1204) in its
place.
4. Insert grommet (1202) into hole on the light tower
bracket (1203).
5. Remove bolts (BB) from metal shroud on the sys-
tem then use the bolts (BB) to secure
bracket (1203) to metal shroud.
6. Route light tower cable through hole in
bracket (1203) then use supplied light tower
screws (1201a) to install light tower (1201).
7. Remove electrical enclosure front access door.
8. Route light tower cable through the other hole in the
bracket (1203), then through the grommet (1204)
into the electrical enclosure.
9. Connect light tower cable to MZLP connector
labeled J12.
Air Reservoir Kit, 16W366
This kit allows the system to operate as low as 60 psi
(0.4 MPa, 4 bar).
16W366 Parts
--- Not for sale.
* Metric fitting included in Air Metric Fitting Kit,
24W637, page 113.
Ref Part Description Qty
1501 --- HOSE, nylon (6 ft) 1
1502 100081 BUSHING, pipe 1
1503 113777 TEE, branch 1
1504* 114485 CONNECTOR, male, 3/8 npt 2
1505 155665 UNION, adapter 1
1506 --- TANK, air, accumulator 1
WLD
1501
1504
1504*
1503
1505
1505
1506

Accessories
108 333347F
4 Channel Upgrade Kit, 24V528
Use this kit to upgrade a 2 channel system to a 4 channel system.
◆Not shown.
--- Not for sale.
WLD
WLD
1301
1302
1306
1304
1305
AA
BB
CC
1307
1308
1308
Ref Part Description Qty
1301 --- MODULE, GCA, MZLP 1
1302 16T087 CABLE, jumper, male/male,
21 in.
1
1303 --- HARNESS, 2nd MZLP power 1
1304 112190 STRAP, wrist, grounding 1
1305 16T440 CAP, jam nut, sealing 2
1306 24R324 SOFTWARE UPGRADE TOKEN,
InvisiPac System
1
1307 --- FITTING, straight 2
1308 --- LABEL, InvisiPac Channel Num-
bers
1

Accessories
333347F 109
4 Channel Upgrade Kit Installation
1. Disconnect plug from power outlet or turn off circuit
breaker for incoming power.
2. Place grounding wrist strap (1304) over your wrist
and secure other end to a grounded surface.
3. Set the MZLP (1301) rotary switch to “2”.
4. Remove screws (BB) then remove plate (AA) from
system.
5. Use screws (BB) to install MZLP (1301) onto sys-
tem. Apply labels from label sheet (1308) to MZLP
#2. Place the “3” and “4” labels as shown in parts
illustration.
NOTE: The new MZLP (1301) with be referred to as
MZLP 2, and the original MZLP that came with the sys-
tem will be referred to as MZLP 1 from here on. See F
IG
.
65.
6. Remove electrical enclosure front access door.
NOTE: Do not force the electrical connection. Minimal
force is required to seat the connector. If resistance is
felt, stop and verify the connector orientation.
7. Connect CAN jumper cable (1302) to MZLP 1 con-
nector J3 and connect other end of jumper
cable (1302) to MZLP 2 connector J3. See F
IG
. 65.
8. Connect power harness (1303) to MZLP 2 connec-
tor J2.
9. Remove plugs (CC) from fluid manifold and replace
with straight fittings (1307) or the extra fittings
included with the InvisiPac system. Use the fittings
that meet your hose routing needs.
10. To ensure your InvisiPac system has the latest soft-
ware, insert token (1306) into ADM. Follow Soft-
ware Update Procedure, page 77.
F
IG
. 65
J3
J6
J5
J9
J8
J2
J1
J9
J5
J6
J3
J2
J8
J1
ti23596a
MZLP 1MZLP 2
Step 7: Install Jumper Cable (1302).

Accessories
110 333347F
6 Channel Upgrade Kit, 24V529
Use this kit to upgrade a 4 channel system to a 6 channel system.
WLD
1301
1302
1304
1305
BB
BB
AA
1303
1306
1308
CC
1307
Ref Part Description Qty
1301 --- MODULE, GCA, MZLP 1
1302 16T087 CABLE, jumper, male/male, 4 in. 1
1303 112190 STRAP, wrist, grounding 1
1304 24R324 TOKEN, software upgrade 1
1305 16T440 CAP, jam nut, sealing 2
1306 --- HARNESS, MZLP #3 1
1307 16W035 CONNECTOR, jumper 1
1308 --- FITTING, tee 2
1309

Accessories
333347F 111
6 Channel Upgrade Kit Installation
1. Disconnect plug from power outlet or turn off circuit
breaker for incoming power.
2. Place grounding wrist strap (1303) over your wrist
and secure other end to a grounded surface.
3. Set the kit’s MZLP (1301) rotary switch to “3”.
4. Remove screws (BB) then remove plate (AA) from
system.
5. Use screws (BB) to install MZLP (1301) onto sys-
tem.
NOTE: The new MZLP (1301) will be referred to as
MZLP 3, and the original MZLPs that came with the sys-
tem will be referred to as MZLP 1 and MZLP 2 from here
on. See F
IG
. 66.
6. Remove electrical enclosure front access door.
NOTE: Do not force the electrical connection. Minimal
force is required to seat the connector. If resistance is
felt, stop and verify the connector orientation.
7. Connect CAN jumper cable (1302) to MZLP 2 con-
nector J3 and connect other end of jumper
cable (1302) to MZLP 3 connector J3. See F
IG
. 66.
8. Install jumper connector (1307) in J5 on MZLP 3.
9. Connect wires from power harness (1306) between
AWB connector J5 and MZLP connector J2.
10. Remove plugs (CC) from fluid manifold and replace
with straight fittings (1309), tee fittings (1308), or the
extra fittings included with the InvisiPac system.
Use the fittings that meet your hose routing needs.
11. To ensure your InvisiPac system has the latest soft-
ware, insert token (1306) into ADM. Follow Soft-
ware Update Procedure, page 77.
F
IG
. 66
-
-
-
-
-
-
-
-
-
-
-
-
-
-
-
-
-
-
-
-
-
WLD
0=/3 0=/3
0=/3
Step 7: Install jumper cable (1302).

Accessories
112 333347F
InvisiPac ADM Simulator Kit, 24R323
Use this kit to train users in ADM operation without
using the full InvisiPac system. Kit includes everything
necessary to simulate the ADM screens. Does not
include an InvisiPac system.
Simulator Instructions
1. Remove ADM access panel and install InvisiPac
Simulator Token (1404).
2. Connect power supply (1402) to ADM (1401).
3. Connect cord (1403) to power supply (1402).
4. Perform Software Update Procedure on page 77.
ADM Extension Kits
Use the extension cables to remote mount the ADM dis-
play off of the InvisiPac system. Kits available sepa-
rately.
ADM Remote Mount Bracket,
24A326
This bracket is used to remote mount the ADM display,
along with an ADM extension cable.
Ref Part Description Qty
1401 24P860 MODULE, Advanced Display
(ADM)
1
1402 124149 POWER SUPPLY, GCA 1
1403 --- CORD SET, US, MX, PR, CA,
TW, 115V, 10A
1
1404 24R322 TOKEN, InvisiPac Simulator 1
1405 24R324 SOFTWARE UPGRADE
TOKEN, InvisiPac System
1
1401
1402
1403
1404
ti20990a
F
IG
. 67: Remove Access Panel
Kit No. Cable Length Qty.
24R710 16.4 ft (5 m) 1
24R711 49.2 ft (15 m) 1
24R712 164 ft (50 m) 1
Ref. Part Description Qty.
1 BRACKET, mounting assembly 1
r_24P860_3B9900_3a

Accessories
333347F 113
Overtemperature Jumper,
16Y727
Use the Overtemperature jumper plug to run the
InvisiPac melter without a hose and applicator attached
to the Channel 1 electrical connection.
Installation
1. In the ADM setup screens, uninstall Channel 1. All
other Channels can be installed or uninstalled as
needed.
NOTE: Failure to uninstall Channel 1 on the ADM setup
screens will result in several Alarms regarding Channel
1 when there is no hose/applicator attached to Channel
1.
2. Attach the Overtemperature jumper plug to Channel
1.
3. The ADM should have zero Active Alarms. The
melter is now ready to run without a hose and
applicator attached to Channel 1.
Air Metric Fitting Kit, 24W637
For replacing air fittings with metric air fittings on Invisi-
Pac systems. See manual 334358 for installation
instructions.
Strain Relief Bushing Kit,
24X190
The strain relief bushing kit allows the use of a smaller
outside diatmer (OD) power cord. This strain relief bush-
ing is intended for power cords with an OD of
0.512-1.024 in (13-26 mm).
Installation
1. Remove standard strain relief bushing (106). Retain
and reuse nut.
2. Install strain relief bushing from kit and secure with
retained nut.
Hose Straps (4 Pack), 24R0294
Use these straps to secure hoses without excessive
pinching.
Pressure Gauge Replacement
Kit, 24R635
To replace the air gauge glass lenses and glass fuses
used in the food or beverage industries.
WLD
Ref. Part Description Qty.
1 127922 FITTING, 3/8 npt(m) x M18(f) 1
2 127923 FITTING, 1/4 npt(m) x 10 mm
tube
1
3 127924 FITTING, 1/4 npt(m) x 10 mm
90° elbow tube
1
4 127925 FITTING, 3/8-18 npt(m) x 3/8-19
bspt (f)
1
Ref. Part Description Qty.
1 114271 STRAP, retaining 4
Ref. Description Qty.
1 GAUAGE, pressure, acrylic 2
2 TOOL, puller, fuse 1
3 FUSE, 250v, 8a 32

Appendix A - ADM
114 333347F
Appendix A - ADM
General Operation
ADM Power
The ADM automatically turns on when the main power
switch is turned ON.
Screen Navigation
To switch between the Setup and Operation screens,
press . Use , , , and to navigate
between screens.
Enable, Disable Heating System
To enable or disable the entire heating system,
press . To set which channels are active when the
heating system is enabled, use the System 2 screen.
See page 117.
Icon Identification
Icon Description
Operation Screens Only
Heating disabled
Warming up, actual tempera-
ture is below setting
Temperature setting achieved
Actual temperature of hose
(left) and applicator (right)
Actual temperature of system
(shown warming up)
System temperature setting.
Use and to adjust set-
ting.
Use the physical numeric key-
pad on ADM to enter tempera-
ture setting.
Select channel to view and/or edit
the applicator or hose temperature
setting
Applicator temperature setting.
Use and to adjust set-
ting.
Hose temperature setting.
Use and to adjust set-
ting.
Use to adjust temperature settings
Temperature settings of applicator
(top) and hose (bottom)
Reset weight total
Setup Screens Only
Enter screen to change settings
Exit screen
Reset Maintenance error
Schedule Screen Only
Edit schedule value
Erase schedule value
Accept schedule change
Cancel schedule change
Icon Description

Appendix A - ADM
333347F 115
Operation Screens
Home
This screen shows the actual temperatures of the sys-
tem melter and each applicator and hose.
Targets
This screen shows and allows editing of the temperature
settings for the system melter and each applicator and
hose. See Select ADM Settings on page 24.
Events
The Events screens store a maximum of 200 events.
The events list can be downloaded in the USB logs. See
Appendix B - USB Downloading, Uploading on
page 120.
*Zone
Tracked Events Code
Custom Language Downloaded EQU3
Custom Language Uploaded EQU4
Fill Valve Closed EBFX
Fill Valve Open EAFX
Heat Off EBDX
Heat On EADX
Logs Downloaded EQU5
Pump Cycles Total Reset ERD1
Pump Off EBPX
Pump On EAPX
Red Stop Button Pressed EB0X
Setup Value Changed EC0X
System Power Off EM0X
System Power On EL0X
System Settings Downloaded EQU1
System Settings Uploaded EQU2
USB Disabled EVUX
USB Drive Inserted EAUX
USB Drive Removed EBUX
User Maintenance Count Reset ERN1

Appendix A - ADM
116 333347F
Errors
The Errors screens store a maximum of 200 errors. See
ADM Error Code Table on page 40. The errors list can
be downloaded in the USB logs. See Appendix B -
USB Downloading, Uploading on page 120.
Diagnostic
This screen shows details of various items to aid in trou-
bleshooting the system. This screen can be hidden by
de-selecting “Enable Diagnostics Screen” on the Sys-
tem 3 screen. The flow rate updates every 15-20 sec-
onds with the average flow rate over the last 15-20
seconds.
The following information is displayed.
CAN: 24 VDC power supply voltage reading (18-28
VDC)
DI: System Digital Inputs
0: Not Used
1: Not Used
2: Pump Cycle Switch Up
3: Pump Cycle Switch Down
DO: System Digital Outputs
0: Pump Solenoid
1: Fill Solenoid
2: Light Tower Green Light
3: Light Tower Red Light
ISO DI: Customer Digital Inputs
0: Customer Input 1
1: Customer Input 2
2: Customer Input 3
3: Customer Input 4
ISO DO: Customer Digital Outputs
0: Customer Input 1
1: Customer Input 2
2: Customer Input 3
3: Customer Input 4
Fill: Reading of Ultrasonic Fill Sensor
• Old Fill Sensor (2400-2700 mV)
• New Fill Sensor (4200-3800 mV)
Fill Sol: Current draw of fill solenoid
• (0 mA - off)
• (150-250 mA - on)
Flow/H: Melt rate of the system
Life Cycles: total number of pump cycles over life of
system.
Life Weight: Weight of material dispensed over life of
system.
Pump Sol: Current draw of pump solenoid
• (0 mA - off)
• (150-250 mA - on)
PCB Temp: PCB Temperature on MZLP1
• 32-16°F (0-71°C)
Pump CPM: Pump cycles per minute.
USB DL%: Percentage Complete, only applies when
downloading USB data.
Diagnostic Data
ACurrent Draw
BRTD Reading
CDuty Cycle
A B C

Appendix A - ADM
333347F 117
Setup Screens
NOTE: It is important to set all settings in the System
screens correctly to ensure optimal system perfor-
mance.
Password
If the password is not “0000”, the password must be
entered to access the setup screens.
System 1
A PLC can be used to control or monitor the system.
See PLC Connection on page 27 for instructions.
System 2
Use this screen to enable the installed channels and
specify the type of applicator RTD type used. See
Select ADM Settings on page 24.
System 3
Enable Diagnostic Screen: Choose whether to hide
the Diagnostic screen.
Lock Run Screens: Disable setpoint changes on the
run (operation) screens. If the setup screens are pass-
word protected, the setpoints cannot be changed with-
out first entering the password.
Pump Idle Time to System Inactive: The heating sys-
tem will be disabled after the pump has been idle for the
set amount of time
Power Type: Select the system power type.
Circuit Breaker Size: Select the circuit breaker size.
Refill Setting: To use the automatic vacuum transfer,
select Auto. To disable the automatic vacuum transfer,
select Manual. The main reason to disable automatic
refill is while flushing. However, if an issue is present
with the automatic refill system that cannot be solved in
a timely manner, manual refill can be used to return the
system to service. See Manual Refill on page 30.
See Select ADM Settings on page 24.

Appendix A - ADM
118 333347F
Maintenance
The system will notify the user at the set interval that
maintenance is required. The fields in boxes can be
edited by the user. “Due” and “Current” are both the
number of cycles since the last reset. “Interval” is the set
number of cycles between maintenance notifications.
“Lifetime” is the number of cycles in the lifetime of the
system.
NOTE: The lifetime cycle count will only be reset if the
Advanced Display Module (ADM) is replaced.
Schedule
Use this screen to set times where the system will auto-
matically enable and disable heating. See Select ADM
Settings on page 24.
Advanced 1
Language: Language displayed on the screen.
Date Format: Choose format of the date.
Date: Set the date.
Time: Set the time.
Enter Password: If not “0000”, the Setup screens will
be password protected.
Screen Saver: The screen will go black after the set
amount of time.
Silent Mode: Disable ADM sounds.
Advanced 2
Temperature Units: Units of measure for displayed
temperatures.
Mass Units: Units of measure for mass.
Specific Gravity: Required to convert the volume dis-
pensed to mass dispensed for tracking the total weight
and flow rate.
NOTE: When the specific gravity value is populated, the
total mass dispensed since the last total weight reset is
shown on the Home screen and the mass flow rate is
shown on the Diagnostic screen.

Appendix A - ADM
333347F 119
Advanced 3
Disable USB Downloads/Uploads: Disables use of the
USB for downloading and uploading.
Disable USB Log Errors: When disabled, the system
will not warn the user when logs are full. If the logs are
full, data will be overwritten.
Download Depth: Last ___ Days: The USB download
will provide data as old as the number of days entered.
Old data may be in memory but will not be downloaded
if older than the number of days entered.
Advanced 4
This screen shows the part number and version of each
installed software module.

Appendix B - USB Downloading, Uploading
120 333347F
Appendix B - USB Downloading, Uploading
The system can store 250,000 entries in its logs and the
system adds a new entry to the logs every 15 seconds.
This means the system stores 1041 hours of system
operation data, or 43 days of around-the-clock opera-
tion. Once full, the system will overwrite the oldest data.
NOTE: To prevent losing any data, never go more than
43 days without downloading the logs.
Download Procedure
NOTE: The event log, error log, system settings, and
system language files are all downloaded in this proce-
dure. See USB Logs, System Settings File, and Sys-
tem Language File starting on page 121.
1. Insert USB flash drive into USB port. See F
IG
. 68.
NOTE: Flash drive must be 8 GB or smaller.
2. The menu bar and USB indicator lights indicate that
the USB is downloading files. Wait for USB activity
to complete. A pop-up will be present until the trans-
fer is complete if it is not acknowledged.
NOTE: If the pop-up screen does not appear, the flash
drive is not compatible with the ADM. Try a different
flash drive.
NOTE: The system can log up to 45 mb of additional
data per week, depending on system operation.
Accessing Files
All files downloaded from the USB are put in a DOWN-
LOAD folder on the stick drive. For example:
“E:\GRACO\12345678\DOWNLOAD\”. The 8-digit
numeric folder name matches the 8-digit ADM serial
number, which is located on the back of the ADM. When
downloading from multiple ADMs, there will be one
sub-folder in the GRACO folder for each ADM.
The log files should be opened in a spreadsheet pro-
gram.
NOTE: If emailing the files, zip (compress) them to mini-
mize file size.
Upload Procedure
Use this procedure to install a system configuration file
and/or a custom language file. See System Settings
File or System Language File starting on page 121.
1. If necessary, follow the Download Procedure,
page 120, to automatically generate the proper
folder structure on the USB flash drive.
2. Insert USB flash drive into USB port of computer.
3. The USB flash drive window automatically opens. If
it does not, open USB flash drive from within Win-
dows Explorer.
4. Open Graco folder.
5. Open system folder. If working with more than one
system, there will be more than one folder within the
Graco folder. Each folder is labeled with the corre-
sponding serial number of the ADM. (The serial
number is on the back of the module.)
6. If installing the system settings file, place SET-
TINGS.TXT file into UPLOAD folder.
NOTICE
Uploading an edited system configuration file can
damage the system. Never put a modified
SETTINGS.TXT file in the UPLOAD folder on the
flash drive.
F
IG
. 68: ADM USB Port
NOTICE
Uploading an edited system configuration file can
damage the system. Never put a modified
SETTINGS.TXT file in the UPLOAD folder on the
flash drive.

Appendix B - USB Downloading, Uploading
333347F 121
7. If installing the custom language file, place DISP-
TEXT.TXT file into UPLOAD folder.
8. Remove USB flash drive from computer.
9. Install USB flash drive into InvisiPac system USB
port.
10. The menu bar and USB indicator lights indicate that
the USB is uploading files. Wait for USB activity to
complete.
11. Remove USB flash drive from USB port.
NOTE: If a custom language file was installed, users
can now select the new language from the Language
drop-down menu.
NOTE: If the SETTINGS.TXT or DISPTEXT.TXT files
remain in the UPLOAD folder, they will be uploaded
every time the USB drive is inserted into the corre-
sponding ADM. To avoid unintentionally overwriting sys-
tem settings, delete the files from the UPLOAD folders
on the USB drive after the upload is complete.
USB Logs
During operation, InvisiPac stores system and perfor-
mance related information to memory in the form of log
files. InvisiPac maintains the events, data, GCA, Black
Box, and Diagnostics logs. Follow the Download Pro-
cedure, page 120, to retrieve log files.
Events Log
The event log (1-EVENT.CSV) maintains a record of the
last 175,000 events. Each event record in the log file
contains the date and time the event occurred, the event
type, event code, and event description.
Data Log
The data log (2-DATA.CSV) tracks the setpoint and
actual temperatures every 15 seconds. This log can
store up to 250,000 lines of data.
The system stores 1041 hours of system operation data,
or 43 days of around-the-clock operation. Once full, the
system will overwrite the oldest data.
NOTE: To prevent losing any data, never go more than
43 days without downloading the logs.
GCA Log
This log (3-GCA.CSV) lists the installed GCA modules
and their respective software versions.
Black Box, Diagnostics Logs
These logs (4-BLACKB.CSV, 5-DIAGN.CSV) are
designed to provide useful information to Graco when
calling for technical assistance.
System Settings File
The system configuration settings file name is
SETTINGS.TXT and is stored in the DOWNLOAD
folder.
A system configuration settings file automatically down-
loads each time a USB flash drive is inserted. Use this
file to back up system settings for future recovery or to
easily replicate settings across multiple InvisiPac sys-
tems. Refer to the Upload Procedure, page 120, for
instructions on how to use this file.
It is recommended to retrieve the SETTINGS.TXT file
after all system settings are set as desired. Store the file
for future use as a backup in case the settings are
changed and need to be quickly changed back to the
desired setup.
NOTE: System settings may not be compatible between
different versions of the InvisiPac software.
NOTICE
Uploading an edited system configuration file can
damage the system. Never put a modified
SETTINGS.TXT file in the UPLOAD folder on the
flash drive.
Appendix B - USB Downloading, Uploading
122 333347F
System Language File
The system language file name is DISPTEXT.TXT and
is stored in the DOWNLOAD folder.
A system language file automatically downloads each
time a USB flash drive is inserted. If desired, use this file
to create a user-defined set of custom language strings
to be displayed within the ADM.
The system is able to display the following Unicode
characters. For characters outside of this set, the sys-
tem will display the Unicode replacement character,
which appears as a white question mark inside of a
black diamond.
• U+0020 - U+007E (Basic Latin)
• U+00A1 - U+00FF (Latin-1 Supplement)
• U+0100 - U+017F (Latin Extended-A)
• U+0386 - U+03CE (Greek)
• U+0400 - U+045F (Cyrillic)
Create Custom Language Strings
The custom language file is a tab-delimited text file that
contains two columns. The first column consists of a list
of strings in the language selected at the time of down-
load. The second column can be used to enter the cus-
tom language strings. If a custom language was
previously installed, this column contains the custom
strings. Otherwise the second column is blank.
Modify the second column of the custom language file
as needed and then follow the Upload Procedure,
page 120, to install the file.
The format of the custom language file is critical. The
following rules must be followed in order for the installa-
tion process to succeed.
• The file name must be DISPTEXT.TXT.
• The file format must be a tab-delimited text file
using Unicode (UTF-16) character representa-
tion.
• The file must contain only two columns, with
columns separated by a single tab character.
• Do not add or remove rows to the file.
• Do not change the order of the rows.
• Define a custom string for each row in the sec-
ond column.

Technical Data
333347F 123
Technical Data
InvisiPac Hot Melt Delivery System
US Metric
Incoming Power
HM25: 24V423
HM50: 24T918
200-240 VAC, 1-ph, 50/60 Hz, 32A
200-240 VAC, 3-ph, , 50/60 Hz, 27A
350-415 VAC, 3-ph, Y, 50/60 Hz, 16A
HM25: 24V429
HM50: 24V201 400-480 VAC, 3-ph, , 50/60 Hz, 14A
HM25: 24V424
HM50: 24T919
200-240 VAC, 1-ph, 50/60 Hz, 40A
200-240 VAC, 3-ph, , 50/60 Hz, 27A
350-415 VAC, 3-ph, Y, 50/60 Hz, 16A
HM25: 24V430
HM50: 24V202 400-480 VAC, 3-ph, , 50/60 Hz, 14A
HM25: 24V425
HM50: 24T920
200-240 VAC, 1-ph, 50/60 Hz, 40A
200-240 VAC, 3-ph, , 50/60 Hz, 40A
350-415 VAC, 3-ph, Y, 50/60 Hz, 30A
HM25: 24V431
HM50: 24V203 400-480 VAC, 3-ph, , 50/60 Hz, 14A
HM25: 24V426
HM50: 24V198 335-400 VAC, 3-ph Y, 50/60 Hz, 17A
HM25: 24V427
HM50: 24V199 335-400 VAC, 3-ph Y, 50/60 Hz, 17A
HM25: 24V428
HM50: 24V200 335-400 VAC, 3-ph Y, 50/60 Hz, 17A
Electrical
Minimum Applicator Wattage Per Channel at 240
VAC
90 W
Maximum Applicator Wattage Per Channel 400 W
Input / Output Capability 4 inputs (0-30V), 4 outputs (240VAC, 24VDC, 2A)
Pump Flow Rate
HM25 96 lb/hr 43.5 kg/hr
HM50 130 lb/hr 59 kg/hr
Melt Rate / Constant Throughout
HM25 25 lb/hr 11.3kg/hr
HM50 50 lb/hr 22.6 kg/hr
Weight
HM25 85 lb 36 kg
HM50 105 lb 48 kg
General
Adhesive 1/4 in. (6 mm), round, adhesive pellets
Pump Output 19.3 cc/cycle
Time to Temperature * Less than 15 minutes
Pump Pneumatic Piston, 12:1
Channels 1 to 6
System Dimensions, without vacuum tube or
shaker (Width x Height x Depth) **
19.0 x 42 x 16.5 in. 483 x 1067 x 419 mm
Shaker Dimensions (Width x Height) 0.4 x 4.0 ft 0.12 x 1.22 m
Pressure and Temperature Ranges

Technical Data
124 333347F
Main System Air Supply Pressure Range (set with
regulator on front of system)
80-100 psi 0.55-0.69 MPa (5.5-7 bar)
Pump Operating Air Pressure Range 20-100 psi 0.14-0.69 MPa (0.7-7 bar)
Pump Operating Fluid Pressure Range 240-1200 psi 1.7-8 MPa (17-80 bar)
Control Temperature Range 100-400°F 38-204°C
Ambient Temperature Range 32-120°F 0-49°C
Vacuum Transfer Specifications
Maximum Vacuum Transfer Hose Length 30 ft 9.1 m
Maximum Vacuum Transfer Hose Maximum Verti-
cal Rise
10 ft 3.0 m
Vacuum Transfer Operating Pneumatic Pressure
Range (set with regulator on front of system)
40-100 psi 280-690 kPa (2.8-6.9 bar)
Vacuum Transfer Air Consumption at 40 psi (280
kPa, 2.8 bar),
9.5 scfm (intermittent duty; 4% at
25 lb/hr)
16.1 scmh (intermittent duty; 4% at
11.3 kg/hr)
Vacuum Transfer Air Consumption at 80 psi (550
kPa, 5.5 bar)
17.2 scfm (intermittent duty; 4% at
25 lb/hr)
29.2 scmh (intermittent duty; 4% at
11.3 kg/hr)
Required Air Tubing Size
Minimum Air Tubing Inner Diameter (less than 50
ft, 15.2 m of tubing)
3/8 in. 9.5 mm
Minimum Air Tubing Inner Diameter (50 ft, 15.2 m
or longer of tubing)
1/2 in. 12.7 mm
Sound
Sound Pressure Level*** 77 dB(A)
IP Code
InvisiPac Base System IP54
Wetted Parts
Wetted Parts PTFE, chemically resistant o-rings, aluminum, stainless steel, zinc plat-
ing, carbon steel, brass, carbide, chrome
Approvals and Standards UL499, CSA88, CE, ISO
30 Gallon Vibrating Hopper
Required Air Pressure Supplied To 30 Gallon
Vibrating Hopper
100 psi 0.7 MPa (7 bar)
Air Consumption 17.1 scfm 29.1 cubic meters per hour
* From 70°F to 350°F (21°C to 177°C), dependant upon power supply and machine configuration.
** Excludes vacuum transfer tube, shaker assembly, and pellet storage bin.
*** Sound pressure level measured 3.1 ft (1 meter) from equipment.
InvisiPac Hot Melt Delivery System
US Metric

Technical Data
333347F 125
Startup Time
Single Phase
NOTE: Times are approximate and may vary with ambient conditions, voltage configuration, and machine
configuration.
System
Channels
(#)
Hose
Length
ft (m)
Start Time in Minutes
20 Amp
Breaker
240V
30 Amp
Breaker
240V
40 Amp
Breaker
240V
50 Amp
Breaker
240V
20 Amp
Breaker
208V
30 Amp
Breaker
208V
40 Amp
Breaker
208V
50 Amp
Breaker
208V
1 4 (1.2) 11 9.9 9.9 9.9 13 13 13 13
1 12 (3.6) 13 9.9 9.9 9.9 14 13 13 13
1 25 (7.6) 15 9.9 9.9 9.9 17 13 13 13
2 4 (1.2) 13 9.9 9.9 9.9 15 13 13 13
2 12 (3.6) 16 9.9 9.9 9.9 18 13 13 13
225 (7.6)20139.99.923131313
3 4 (1.2) 15 9.9 9.9 9.9 17 13 13 13
312 (3.6)19129.99.922131313
3 25 (7.6) 26 16 12 9.9 29 19 13 13
4 4 (1.2) 16 9.9 9.9 9.9 18 13 13 13
412 (3.6)22149.99.925161313
425 (7.6)3120141235231613
54 (1.2)18119.99.920131313
5 12 (3.6) 25 16 11 9.9 28 18 13 13
525 (7.6)3623171441271915
64 (1.2)20129.99.922131313
612 (3.6)2818131032201313
625 (7.6)4127201647312218
14 (1.2)1715151520202020
112 (3.6) 19 15 15 15 21 20 20 20
125 (7.6) 21 15 15 15 24 20 20 20
24 (1.2) 19 15 15 15 21 20 20 20
212 (3.6) 23 15 15 15 26 20 20 20
225 (7.6) 27 17 15 15 30 20 20 20
34 (1.2) 21 15 15 15 24 20 20 20
312 (3.6) 27 17 15 15 30 20 20 20
325 (7.6) 32 21 15 15 36 23 20 20
44 (1.2) 23 15 15 15 26 20 20 20
412 (3.6) 30 19 15 15 34 22 20 20
425 (7.6) 37 24 18 15 42 27 20 20
54 (1.2) 25 16 15 15 28 20 20 20
512 (3.6) 34 22 16 15 38 25 20 20
525 (7.6) 42 28 20 16 48 31 23 20
64 (1.2) 27 17 15 15 30 20 20 20
612 (3.6) 37 24 18 15 42 27 20 20
625 (7.6) 47 31 23 18 54 36 26 21
HM25HM50

Technical Data
126 333347F
Three Phase
NOTE: Times are approximate and may vary with ambient conditions, voltage configuration, and machine
configuration.
System
Channels
(#)
Hose
Length
ft (m)
Start Time in Minutes
20 Amp
Breaker
240V
30 Amp
Breaker
240V
40 Amp
Breaker
240V
50 Amp
Breaker
240V
20 Amp
Breaker
208V
30 Amp
Breaker
208V
40 Amp
Breaker
208V
50 Amp
Breaker
208V
14 (1.2) 11 9.9 9.9 9.9 13 13 13 13
112 (3.6) 13 9.9 9.9 9.9 14 13 13 13
125 (7.6) 15 9.9 9.9 9.9 16 13 13 13
24 (1.2) 13 9.9 9.9 9.9 14 13 13 13
212 (3.6) 16 11 9.9 9.9 17 13 13 13
225 (7.6) 20 14 10 9.9 22 14 13 13
34 (1.2) 14 9.9 9.9 9.9 16 13 13 13
312 (3.6) 18 12 9.9 9.9 20 13 13 13
325 (7.6) 25 17 13 9.9 26 18 13 13
44 (1.2) 15 10 9.9 9.9 17 13 13 13
412 (3.6) 21 14 11 9.9 23 15 13 13
425 (7.6) 30 20 15 12 34 22 17 13
54 (1.2) 17 11 9.9 9.9 19 13 13 13
512 (3.6) 23 16 12 9.9 27 18 14 13
525 (7.6) 34 23 17 14 40 27 20 16
64 (1.2) 18 12 9.9 9.9 21 14 13 13
612 (3.6) 26 17 13 11 30 20 15 13
625 (7.6)3926191646312319
14 (1.2)1715151520202020
112 (3.6) 19 15 15 15 20 20 20 20
125 (7.6) 21 15 15 15 22 20 20 20
24 (1.2) 19 15 15 15 20 20 20 20
212 (3.6) 23 15 15 15 24 20 20 20
225 (7.6) 26 18 15 15 28 20 20 20
34 (1.2) 20 15 15 15 22 20 20 20
312 (3.6) 26 17 15 15 28 20 20 20
325 (7.6) 31 21 16 15 34 23 20 20
44 (1.2) 22 15 15 15 24 20 20 20
412 (3.6) 28 19 15 15 32 22 20 20
425 (7.6) 35 24 18 15 40 27 20 20
54 (1.2) 22 16 15 15 26 20 20 20
512 (3.6) 31 21 16 15 36 24 20 20
525 (7.6) 40 27 20 16 47 31 24 20
64 (1.2) 24 16 15 15 28 20 20 20
612 (3.6) 34 23 17 15 40 27 20 20
625 (7.6) 45 30 23 18 53 35 27 21
HM25HM50

Technical Data
333347F 127
Dimensions
System Dimensions
System With 480V Transformer
Mounting Hole Dimensions
WLD
35.8in.
(909 mm)
22.3 in.
(566 mm) 18.3 in.
(465 mm)
WLD
41.9 in.
(1064 mm)
18.3 in.
(465 mm)
22.3 in.
(566 mm)
WLD
WALL
Minimum distance from rear mounting
hole to wall: 7.0 in. (178 mm)
3.3 in.
(84 mm)
3.3 in.
(84 mm)
2.0 in.
(51 mm)
14.2 in.
(361 mm)
7.1 in. (180 mm)
101 in. (257 mm) 5.3 in. (133 mm)

Technical Data
128 333347F
System with Stand and Vacuum Feed Dimensions
ti22866b
A
ti22865a
Tube Bend Radius:
8.0 in. (203 mm)
12.0 in.
(305 mm)
30.0
(762 mm)
Radius:
9.1 in. (232 mm)
31.3
(795 mm)
17.4
(442 mm)
27.2 in.
(692 mm)
Ain. (mm)
System 60.7 in. (1542 mm)
System With Transformer 66.5 (1689 mm)
Technical Data
333347F 129

All written and visual data contained in this document reflects the latest product information available at the time of publication.
Graco reserves the right to make changes at any time without notice.
This manual contains English. MM 333347
Graco Headquarters: Minneapolis
International Offices: Belgium, China, Japan, Korea
GRACO INC. AND SUBSIDIARIES • P.O. BOX 1441 • MINNEAPOLIS MN 55440-1441 • USA
Copyright 2014, Graco Inc. All Graco manufacturing locations are registered to ISO 9001.
www.graco.com
Revsion F, January 2015
Graco Extended Warranty
Graco warrants all equipment referenced in this document which is manufactured by Graco and bearing its name to be free from defects in
material and workmanship on the date of sale to the original purchaser for use. With the exception of any special, extended, or limited warranty
published by Graco, Graco will, for a period of eighteen months from the date of sale, repair or replace any part of the equipment determined by
Graco to be defective. This warranty applies only when the equipment is installed, operated and maintained in accordance with Graco’s written
recommendations.
This warranty does not cover, and Graco shall not be liable for general wear and tear, or any malfunction, damage or wear caused by faulty
installation, misapplication, abrasion, corrosion, inadequate or improper maintenance, negligence, accident, tampering, or substitution of
non-Graco component parts. Nor shall Graco be liable for malfunction, damage or wear caused by the incompatibility of Graco equipment with
structures, accessories, equipment or materials not supplied by Graco, or the improper design, manufacture, installation, operation or
maintenance of structures, accessories, equipment or materials not supplied by Graco.
This warranty is conditioned upon the prepaid return of the equipment claimed to be defective to an authorized Graco distributor for verification of
the claimed defect. If the claimed defect is verified, Graco will repair or replace free of charge any defective parts. The equipment will be returned
to the original purchaser transportation prepaid. If inspection of the equipment does not disclose any defect in material or workmanship, repairs
will be made at a reasonable charge, which charges may include the costs of parts, labor, and transportation.
THIS WARRANTY IS EXCLUSIVE, AND IS IN LIEU OF ANY OTHER WARRANTIES, EXPRESS OR IMPLIED, INCLUDING BUT NOT
LIMITED TO WARRANTY OF MERCHANTABILITY OR WARRANTY OF FITNESS FOR A PARTICULAR PURPOSE.
Graco’s sole obligation and buyer’s sole remedy for any breach of warranty shall be as set forth above. The buyer agrees that no other remedy
(including, but not limited to, incidental or consequential damages for lost profits, lost sales, injury to person or property, or any other incidental or
consequential loss) shall be available. Any action for breach of warranty must be brought within two (2) years of the date of sale.
GRACO MAKES NO WARRANTY, AND DISCLAIMS ALL IMPLIED WARRANTIES OF MERCHANTABILITY AND FITNESS FOR A
PARTICULAR PURPOSE, IN CONNECTION WITH ACCESSORIES, EQUIPMENT, MATERIALS OR COMPONENTS SOLD BUT NOT
MANUFACTURED BY GRACO. These items sold, but not manufactured by Graco (such as electric motors, switches, hose, etc.), are subject to
the warranty, if any, of their manufacturer. Graco will provide purchaser with reasonable assistance in making any claim for breach of these
warranties.
In no event will Graco be liable for indirect, incidental, special or consequential damages resulting from Graco supplying equipment hereunder, or
the furnishing, performance, or use of any products or other goods sold hereto, whether due to a breach of contract, breach of warranty, the
negligence of Graco, or otherwise.
FOR GRACO CANADA CUSTOMERS
The Parties acknowledge that they have required that the present document, as well as all documents, notices and legal proceedings entered into,
given or instituted pursuant hereto or relating directly or indirectly hereto, be drawn up in English. Les parties reconnaissent avoir convenu que la
rédaction du présente document sera en Anglais, ainsi que tous documents, avis et procédures judiciaires exécutés, donnés ou intentés, à la suite
de ou en rapport, directement ou indirectement, avec les procédures concernées.
Graco Information
For more information about InvisiPac, visit www.InvisiPac.com.
For technical assistance or customer service, call toll free: 1-800-458-2133.