Graco 334466A Ultra 395 Pc Users Manual PC, Classic Electric Airless Sprayers, Operation,Parts (English)
2015-04-02
: Graco Graco-334466A-Ultra-395-Pc-Users-Manual-686211 graco-334466a-ultra-395-pc-users-manual-686211 graco pdf
Open the PDF directly: View PDF
.
Page Count: 59

334466A
EN
Operation, Parts
Electric Airless
Sprayers
For professional use only.
Not approved for use in explosive atmospheres or hazardous locations.
For portable airless spraying of architectural paints and coatings.
Ultra 395 PC Models:
3300 psi (228 bar, 22.8 MPa) Maximum Working Pressure
Ultra 395 PC Classic Model:
3000 psi (207 bar, 20.7 MPa) Maximum Working Pressure
See page 3 for additional model information.
Important Safety Instructions
Read all warnings and instructions in this manual and related manuals. Be familiar with
the controls and the proper usage of the equipment. Save these instructions.
Related Manuals
311861 (Contractor/FTx)
312830 (SG3) 334599
ti24762a
Use only genuine Graco replacement parts.
The use of non-Graco replacement parts may void warranty.

Contents
2334466A
Contents
Models . . . . . . . . . . . . . . . . . . . . . . . . . . . . . . . . . . . . . . . . . . . . . . . . . . . . . . . . . . . . . . . 3
Warnings . . . . . . . . . . . . . . . . . . . . . . . . . . . . . . . . . . . . . . . . . . . . . . . . . . . . . . . . . . . . . 4
Component Identification . . . . . . . . . . . . . . . . . . . . . . . . . . . . . . . . . . . . . . . . . . . . . . . . 8
Stand Models . . . . . . . . . . . . . . . . . . . . . . . . . . . . . . . . . . . . . . . . . . . . . . . . . . . . . . . 8
Lo-Boy Models . . . . . . . . . . . . . . . . . . . . . . . . . . . . . . . . . . . . . . . . . . . . . . . . . . . . . . 9
Hi-Boy Models . . . . . . . . . . . . . . . . . . . . . . . . . . . . . . . . . . . . . . . . . . . . . . . . . . . . . 10
Grounding . . . . . . . . . . . . . . . . . . . . . . . . . . . . . . . . . . . . . . . . . . . . . . . . . . . . . . . . . . . 12
Power Requirements . . . . . . . . . . . . . . . . . . . . . . . . . . . . . . . . . . . . . . . . . . . . . . . . 12
Extension Cords . . . . . . . . . . . . . . . . . . . . . . . . . . . . . . . . . . . . . . . . . . . . . . . . . . . 12
Pails . . . . . . . . . . . . . . . . . . . . . . . . . . . . . . . . . . . . . . . . . . . . . . . . . . . . . . . . . . . . . 12
Pressure Relief Procedure . . . . . . . . . . . . . . . . . . . . . . . . . . . . . . . . . . . . . . . . . . . . . . 13
Setup . . . . . . . . . . . . . . . . . . . . . . . . . . . . . . . . . . . . . . . . . . . . . . . . . . . . . . . . . . . . . . . 15
Startup . . . . . . . . . . . . . . . . . . . . . . . . . . . . . . . . . . . . . . . . . . . . . . . . . . . . . . . . . . . . . . 19
Operation . . . . . . . . . . . . . . . . . . . . . . . . . . . . . . . . . . . . . . . . . . . . . . . . . . . . . . . . . . . . 22
Spray Tip Installation . . . . . . . . . . . . . . . . . . . . . . . . . . . . . . . . . . . . . . . . . . . . . . . . 22
Spray . . . . . . . . . . . . . . . . . . . . . . . . . . . . . . . . . . . . . . . . . . . . . . . . . . . . . . . . . . . . 22
Clear Tip Clog . . . . . . . . . . . . . . . . . . . . . . . . . . . . . . . . . . . . . . . . . . . . . . . . . . . . . 23
Digital Display . . . . . . . . . . . . . . . . . . . . . . . . . . . . . . . . . . . . . . . . . . . . . . . . . . . . . 24
Cleanup . . . . . . . . . . . . . . . . . . . . . . . . . . . . . . . . . . . . . . . . . . . . . . . . . . . . . . . . . . 26
Maintenance . . . . . . . . . . . . . . . . . . . . . . . . . . . . . . . . . . . . . . . . . . . . . . . . . . . . . . . . . 29
Troubleshooting . . . . . . . . . . . . . . . . . . . . . . . . . . . . . . . . . . . . . . . . . . . . . . . . . . . . . . 30
Mechanical/Fluid Flow . . . . . . . . . . . . . . . . . . . . . . . . . . . . . . . . . . . . . . . . . . . . . . . 30
Electrical . . . . . . . . . . . . . . . . . . . . . . . . . . . . . . . . . . . . . . . . . . . . . . . . . . . . . . . . . 33
395 Stand Sprayers . . . . . . . . . . . . . . . . . . . . . . . . . . . . . . . . . . . . . . . . . . . . . . . . . . . . 42
395 Stand Sprayers Parts List . . . . . . . . . . . . . . . . . . . . . . . . . . . . . . . . . . . . . . . . . 44
395 Lo-Boy Sprayers . . . . . . . . . . . . . . . . . . . . . . . . . . . . . . . . . . . . . . . . . . . . . . . . . . 45
395 Lo-Boy Sprayers Parts List . . . . . . . . . . . . . . . . . . . . . . . . . . . . . . . . . . . . . . . . 47
395 Hi-Boy Sprayers . . . . . . . . . . . . . . . . . . . . . . . . . . . . . . . . . . . . . . . . . . . . . . . . . . . 48
395 Hi-Boy Sprayers Parts List . . . . . . . . . . . . . . . . . . . . . . . . . . . . . . . . . . . . . . . . 50
Accessories and Labels . . . . . . . . . . . . . . . . . . . . . . . . . . . . . . . . . . . . . . . . . . . . . . . . 51
395 Control Box . . . . . . . . . . . . . . . . . . . . . . . . . . . . . . . . . . . . . . . . . . . . . . . . . . . . . . 52
395 Control Box Parts List . . . . . . . . . . . . . . . . . . . . . . . . . . . . . . . . . . . . . . . . . . . . 53
Wiring Diagrams . . . . . . . . . . . . . . . . . . . . . . . . . . . . . . . . . . . . . . . . . . . . . . . . . . . . . . 54
120V, US/Japan . . . . . . . . . . . . . . . . . . . . . . . . . . . . . . . . . . . . . . . . . . . . . . . . . . . 54
110V, UK / 230V . . . . . . . . . . . . . . . . . . . . . . . . . . . . . . . . . . . . . . . . . . . . . . . . . . . 55
Technical Specifications . . . . . . . . . . . . . . . . . . . . . . . . . . . . . . . . . . . . . . . . . . . . . . . 56
Graco Standard Warranty . . . . . . . . . . . . . . . . . . . . . . . . . . . . . . . . . . . . . . . . . . . . . . 58
Graco Information . . . . . . . . . . . . . . . . . . . . . . . . . . . . . . . . . . . . . . . . . . . . . . . . . . . . . 59

Models
334466A 3
Models
VAC Model
Stand
Lo-Boy
Hi-Boy
120
USA
Ultra 395 PC 17C314 17C315 17C317
Ultimate NOVA
395 PC 826196 826197 826198
120
Japan/Taiwan Ultra 395 PC 17C391
230
CEE 7/7 ST MAX 395 PC 17C361 17C362
110
UK ST MAX 395 PC 17C359
230
Asia/ANZ Ultra 395 PC 17C390 17C408
230 ANZ Ultra 395 PC Pro 17C392
230
China
Ultra 395 PC
Classic 17C409
110474
Certified to
CAN/CSA
C22.2 No. 68
Conforms to
UL 1450

Warnings
4334466A
Warnings
The following warnings are for the setup, use, grounding, maintenance, and repair of this
equipment. The exclamation point symbol alerts you to a general warning and the hazard
symbols refer to procedure-specific risks. When these symbols appear in the body of this
manual or on warning labels, refer back to these Warnings. Product-specific hazard symbols
and warnings not covered in this section may appear throughout the body of this manual
where applicable.
WARNING
GROUNDING
This product must be grounded. In the event of an electrical short circuit, grounding reduces
the risk of electric shock by providing an escape wire for the electric current. This product is
equipped with a cord having a grounding wire with an appropriate grounding plug. The plug
must be plugged into an outlet that is properly installed and grounded in accordance with all
local codes and ordinances.
•Improper installation of the grounding plug is able to result in a risk of electric shock.
•When repair or replacement of the cord or plug is required, do not connect the grounding
wire to either flat blade terminal.
•The wire with insulation having an outer surface that is green with or without yellow stripes
is the grounding wire.
•Check with a qualified electrician or serviceman when the grounding instructions are not
completely understood, or when in doubt as to whether the product is properly grounded.
•Do not modify the plug provided; if it does not fit the outlet, have the proper outlet installed
by a qualified electrician.
•This product is for use on a nominal 110V, 120V, or 230V circuit and has a grounding plug
similar to the plugs illustrated below.
•Only connect the product to an outlet having the same configuration as the plug.
•Do not use an adapter with this product.
Extension Cords:
•Use only a 3-wire extension cord that has a grounding plug and a grounding receptacle that
accepts the plug on the product.
•Make sure your extension cord is not damaged. If an extension cord is necessary use 12
AWG (2.5mm2) minimum to carry the current that the product draws.
•An undersized cord results in a drop in line voltage and loss of power and overheating.
ti24583a
230V 230V ANZ
120V US

Warnings
334466A 5
WARNING
FIRE AND EXPLOSION HAZARD
Flammable fumes, such as solvent and paint fumes, in work area can ignite or explode. To help
prevent fire and explosion:
•Do not spray flammable or combustible materials near an open flame or sources of ignition
such as cigarettes, motors, and electrical equipment.
•Paint or solvent flowing through the equipment is able to result in static electricity. Static
electricity creates a risk of fire or explosion in the presence of paint or solvent fumes. All
parts of the spray system, including the pump, hose assembly, spray gun, and objects in
and around the spray area shall be properly grounded to protect against static discharge
and sparks. Use Graco conductive or grounded high-pressure airless paint sprayer hoses.
•Verify that all containers and collection systems are grounded to prevent static discharge.
Do not use pail liners unless they are antistatic or conductive.
•Connect to a grounded outlet and use grounded extensions cords. Do not use a 3-to-2
adapter.
•Do not use a paint or a solvent containing halogenated hydrocarbons.
•Do not spray flammable or combustible liquids in a confined area.
•Keep spray area well-ventilated. Keep a good supply of fresh air moving through the area.
•Sprayer generates sparks. Keep pump assembly in a well ventilated area at least 20 feet
(6.1 m) from the spray area when spraying, flushing, cleaning, or servicing. Do not spray
pump assembly.
•Do not smoke in the spray area or spray where sparks or flame is present.
•Do not operate light switches, engines, or similar spark producing products in the spray
area.
•Keep area clean and free of paint or solvent containers, rags, and other flammable
materials.
•Know the contents of the paints and solvents being sprayed. Read all Material Safety Data
Sheets (MSDS) and container labels provided with the paints and solvents. Follow the
paint and solvents manufacturer’s safety instructions.
•Fire extinguisher equipment shall be present and working.
SKIN INJECTION HAZARD
High-pressure spray is able to inject toxins into the body and cause serious bodily injury. In the
event that injection occurs, get immediate surgical treatment.
•Do not aim the gun at, or spray any person or animal.
•Keep hands and other body parts away from the discharge. For example, do not try to stop
leaks with any part of the body.
•Always use the nozzle tip guard. Do not spray without nozzle tip guard in place.
•Use Graco nozzle tips.
•Use caution when cleaning and changing nozzle tips. In the case where the nozzle tip clogs
while spraying, follow the Pressure Relief Procedure for turning off the unit and relieving
the pressure before removing the nozzle tip to clean.
•Equipment maintains pressure after power is shut off. Do not leave the equipment
energized or under pressure while unattended. Follow the Pressure Relief Procedure
when the equipment is unattended or not in use, and before servicing, cleaning, or
removing parts.
•Check hoses and parts for signs of damage. Replace any damaged hoses or parts.
•This system is capable of producing 3300 psi. Use Graco replacement parts or accessories
that are rated a minimum of 3300 psi.
•Always engage the trigger lock when not spraying. Verify the trigger lock is functioning
properly.
•Verify that all connections are secure before operating the unit.
•Know how to stop the unit and bleed pressure quickly. Be thoroughly familiar with the
controls.

Warnings
6334466A
WARNING
EQUIPMENT MISUSE HAZARD
Misuse can cause death or serious injury.
•Always wear appropriate gloves, eye protection, and a respirator or mask when painting.
•Do not operate or spray near children. Keep children away from equipment at all times.
•Do not overreach or stand on an unstable support. Keep effective footing and balance at
all times.
•Stay alert and watch what you are doing.
•Do not operate the unit when fatigued or under the influence of drugs or alcohol.
•Do not kink or over-bend the hose.
•Do not expose the hose to temperatures or to pressures in excess of those specified by
Graco.
•Do not use the hose as a strength member to pull or lift the equipment.
•Do not spray with a hose shorter than 25 feet.
•Do not alter or modify equipment. Alterations or modifications may void agency approvals
and create safety hazards.
•Make sure all equipment is rated and approved for the environment in which you are using
it.
ELECTRIC SHOCK HAZARD
This equipment must be grounded. Improper grounding, setup, or usage of the system can
cause electric shock.
•Turn off and disconnect power cord before servicing equipment.
•Connect only to grounded electrical outlets.
•Use only 3-wire extension cords.
•Ensure ground prongs are intact on power and extension cords.
•Do not expose to rain. Store indoors.
PRESSURIZED ALUMINUM PARTS HAZARD
Use of fluids that are incompatible with aluminum in pressurized equipment can cause serious
chemical reaction and equipment rupture. Failure to follow this warning can result in death,
serious injury, or property damage.
•Do not use 1,1,1-trichloroethane, methylene chloride, other halogenated hydrocarbon
solvents or fluids containing such solvents.
•Do not use chlorine bleach.
•Many other fluids may contain chemicals that can react with aluminum. Contact your
material supplier for compatibility.
MOVING PARTS HAZARD
Moving parts can pinch, cut, or amputate fingers and other body parts.
•Keep clear of moving parts.
•Do not operate equipment with protective guards or covers removed.
•Pressurized equipment can start without warning. Before checking, moving, or servicing
equipment, follow the Pressure Relief Procedure and disconnect all power sources.
TOXIC FLUID OR FUMES HAZARD
Toxic fluids or fumes can cause serious injury or death if splashed in the eyes or on skin,
inhaled, or swallowed.
•Read MSDSs to know the specific hazards of the fluids you are using.
•Store hazardous fluid in approved containers, and dispose of it according to applicable
guidelines.

Warnings
334466A 7
WARNING
PERSONAL PROTECTIVE EQUIPMENT
Wear appropriate protective equipment when in the work area to help prevent serious injury,
including eye injury, hearing loss, inhalation of toxic fumes, and burns. This protective
equipment includes but is not limited to:
•Protective eyewear, and hearing protection.
•Respirators, protective clothing, and gloves as recommended by the fluid and solvent
manufacturer.
CALIFORNIA PROPOSITION 65
This product contains a chemical known to the State of California to cause cancer, birth defects
or other reproductive harm. Wash hands after handling.

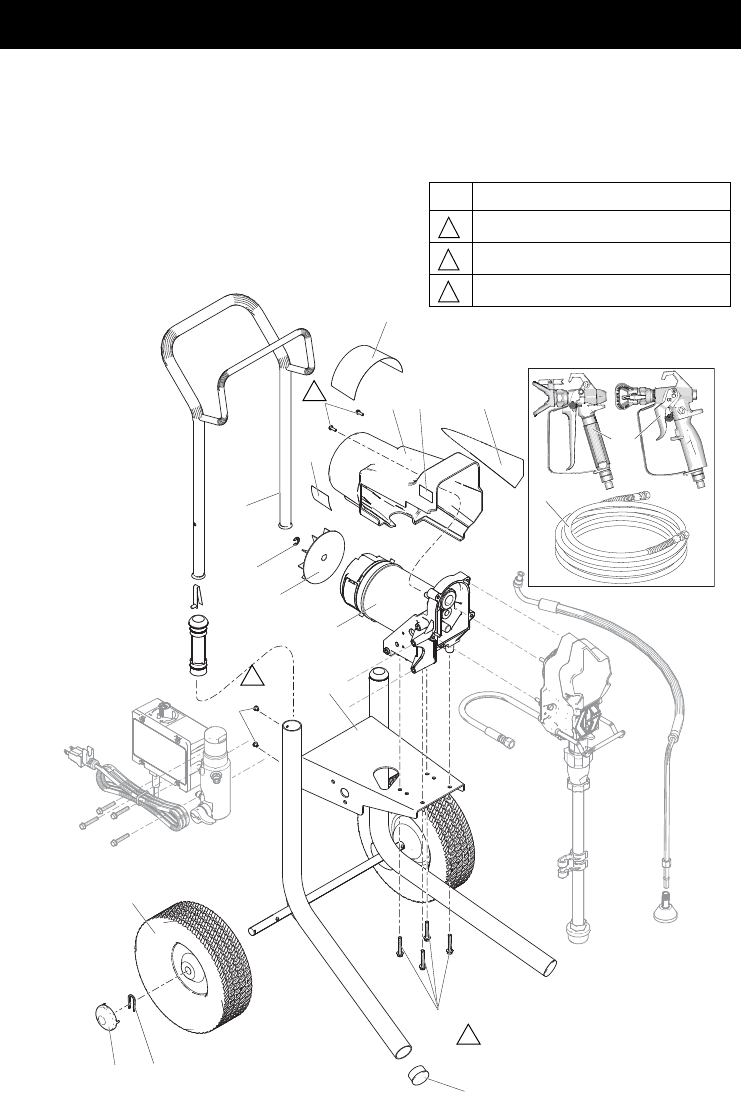
Component Identification
8334466A
Component Identification
Stand Models
D
U
K
S
M
N
V
P
R
B
ti24761a
J
A
G
F
L
H
F
A ON/OFF Switch
B Pressure Control
D Prime Valve
F Tip Guard
G Spray Tip
HGun
J Airless Hose
K Power Cord
L Trigger Lock
M Drain Tube
N Fluid Intake
PPump
R Fluid Outlet
S Power Cord Wrap
UFilter
V Finger Guard / TSL Fill Point
Model/Serial Tag (Not shown, located
on bottom of unit.)

Component Identification
334466A 9
Lo-Boy Models
D
U
K
M
N
V
P
R
B
ti24835a
J
A
G
F
L
H
F
A ON/OFF Switch
B Pressure Control
D Prime Valve
F Tip Guard
G Spray Tip
HGun
J Airless Hose
K Power Cord
L Trigger Lock
M Drain Tube
N Fluid Intake
PPump
R Fluid Outlet
UFilter
V Finger Guard / TSL Fill Point
Model/Serial Tag (Not shown, located
on bottom of unit.)

Component Identification
10 334466A
Hi-Boy Models
D
T
K
S
MN
U
V
P
R
B
ti24837a
J
A
G
F
L
H
F

Component Identification
334466A 11
Hi-Boy Models
A ON/OFF Switch
B Pressure Control
D Prime Valve
F Tip Guard
G Spray Tip
HGun
J Airless Hose
K Power Cord
L Trigger Lock
M Drain Tube
N Fluid Intake
PPump
R Fluid Outlet
S Hanger
TFilter
U Finger Guard / TSL Fill Point
V Pail Hook
Model/Serial Tag (Not shown, located
on bottom of unit.)

Grounding
12 334466A
Grounding
This sprayer includes a ground wire with an
appropriate ground contact.
The plug must be plugged into an outlet that
is properly installed and grounded in
accordance with all local codes and
ordinances.
Do not modify the plug provided; if it does not
fit the outlet, have the proper outlet installed
by a qualified electrician.
Power Requirements
•110-120V units require 100-120 VAC,
50/60 Hz, 13A, 1 phase.
•230V units require 230 VAC, 50/60 HZ,
7A, 1 phase.
Extension Cords
Use an extension cord with an undamaged
ground contact. If an extension cord is
necessary, use a 3-wire, 12 AWG (2.5 mm2)
minimum.
NOTE: Smaller gauge or longer extension
cords may reduce sprayer performance.
Pails
Solvent and oil-based fluids: follow local
code. Use only conductive metal pails,
placed on a grounded surface such as
concrete.
Do not place pail on a non-conductive surface
such as paper or cardboard which interrupts
grounding continuity.
Always ground a metal pail: connect a
ground wire to the pail. Clamp one end to the
pail and the other end to a true earth ground
such as a water pipe.
To maintain ground continuity when
sprayer is flushed or pressure is relieved:
hold metal part of spray gun firmly to the side
of a grounded metal pail then trigger the gun.
The equipment must be grounded to
reduce the risk of static sparking and
electric shock. An electric or static spark
can cause fumes to ignite or explode. An
improper ground can cause electric
shock. A good ground provides an escape
wire for the electric current.
ti24584a
ti24585a

Pressure Relief Procedure
334466A 13
Pressure Relief Procedure
Follow the Pressure Relief
Procedure whenever you see this
symbol.
1. Turn ON/OFF switch to OFF position.
Wait 7 seconds for power to dissipate.
2. Engage trigger lock.
3. Remove tip guard.
4. Turn pressure control to lowest setting.
Disengage trigger lock.
This equipment stays pressurized until
pressure is manually relieved. To help
prevent serious injury from pressurized
fluid, such as skin injection, splashed fluid
and moving parts, follow the Pressure
Relief Procedure whenever sprayer is
stopped and before sprayer is cleaned or
checked, and before equipment is
serviced.
ti24586a
ti24931a
ti24592a
ti24603a

Pressure Relief Procedure
14 334466A
5. Hold a metal part of the gun firmly to a
grounded metal pail. Trigger the gun to
relieve pressure.
6. Engage trigger lock.
7. Put drain tube in pail. Turn prime valve
down. Leave prime valve in down (drain)
position until you are ready to spray
again.
8. If you suspect the spray tip or hose is
clogged or that pressure has not been
fully relieved:
a. VERY SLOWLY loosen tip guard
retaining nut or hose end coupling to
relieve pressure gradually.
b. Loosen nut or coupling completely.
c. Clear hose or tip obstruction.
Trigger Lock
Always engage the trigger lock when sprayer
is stopped to prevent the gun from being
triggered accidentally by hand or if dropped
or bumped.
ti24585a
ti24607a
ti24612a

Setup
334466A 15
Setup
When unpacking sprayer for the first time or
after long term storage perform setup
procedure. When first setup is performed
remove shipping plug from fluid outlet.
1. Connect Graco airless hose to fluid
outlet. Use wrenches to tighten securely.
2. Connect other end of hose to gun.
3. Use wrenches to tighten securely.
4. Engage trigger lock.
ti24616a
ti24633a
ti24931a

Setup
16 334466A
5. Remove tip guard.
6. When unpacking sprayer for the first
time remove packaging materials from
inlet strainer. After long term storage
check inlet strainer for clogs and debris.
7. Fill throat packing nut with TSL to
prevent premature packing wear. Do this
daily or each time you spray.
a. Place the TSL bottle nozzle into the
top center opening in the finger
guard at the front of the sprayer.
b. Squeeze bottle to dispense enough
TSL to fill the space between the
pump rod and packing nut seal.
ti24592a
ti24638a
ti24639a

Setup
334466A 17
8. Make certain ON/OFF switch is OFF.
9. Plug power supply cord into a properly
grounded electrical outlet.
10. Turn prime valve down.
11. Place fluid intake with drain tube in
grounded metal pail partially filled with
flushing fluid. See Grounding, page 12.
12. Turn pressure control to lowest setting.
13. Turn ON/OFF switch to ON position.
14. Increase pressure 1/2 turn to start motor.
Allow fluid to flush through sprayer for
one minute.
ti24586a
ti24651a
ti24608a
NOTE: New sprayers are shipped with
storage fluid that must be flushed out
with mineral spirits prior to using the
sprayer.
Check flushing fluid for compatibility
with material that is to be sprayed. A
secondary flush with a compatible fluid
may be necessary. Water for latex
paint or mineral spirits for oil-based
paint.
ti24640a

Setup
18 334466A
15. Turn prime valve horizontal. Disengage
trigger lock.
16. Hold a metal part of the gun firmly to a
grounded metal pail. Trigger gun and
flush until clean.
17. Turn ON/OFF switch to OFF position.
18. Engage trigger lock.
19. After flushing storage fluid out of the
sprayer empty pail. Replace fluid intake
with drain tube in grounded metal pail
partially filled with flushing fluid. Use
water to flush water-based paint or
mineral spirits to flush oil-based paint.
20. Turn ON/OFF switch to ON position.
21. Turn prime valve horizontal. Disengage
trigger lock.
22. Hold a metal part of the gun firmly to a
grounded metal pail. Trigger gun and
flush for one minute.
23. Turn ON/OFF switch to OFF position.
24. Engage trigger lock.
25. Sprayer is now ready to start up and
spray.
ti24646a

Startup
334466A 19
Startup
1. Perform Pressure Relief Procedure,
page 13.
2. Turn pressure control to lowest
pressure.
3. Turn ON/OFF switch to ON position.
4. Place fluid intake in paint pail. Place
drain tube in waste pail.
5. Increase pressure 1/2 turn to start motor.
Allow paint to circulate through sprayer
until paint flows out the drain tube.
ti24603a
ti24644a
ti24645a
15 s

Startup
20 334466A
6. Turn prime valve horizontal. Disengage
trigger lock.
7. Hold gun against grounded metal waste
pail. Trigger gun until paint appears.
8. Move gun to paint pail and trigger for 20
seconds. Release trigger and allow
sprayer to build pressure. Engage
trigger lock.
9. Inspect for leaks. If leaks occur, perform
Pressure Relief Procedure, page 13,
then tighten all fittings and repeat
Startup procedure. If there are no leaks
continue with the next step.
ti24646a
ti24647a
1 m
High-pressure spray is able to inject
toxins into the body and cause serious
bodily injury. Do not stop leaks with hand
or rag.
ti24649a
20 s

Operation
22 334466A
Operation
Spray Tip Installation
1. Perform Pressure Relief
Procedure, page 13.
2. Use spray tip (A) to insert
OneSeal™ (B) into tip guard (C).
2. Insert Spray Tip.
3. Screw assembly onto gun. Tighten.
Spray
1. Spray test pattern. Adjust pressure to
eliminate heavy edges.
ti24653a
C
B
A
ti24664a
ti24652a
ti24669a

Operation
334466A 23
2. Use smaller tip size if pressure
adjustment cannot eliminate heavy
edges.
3. Hold gun perpendicular, 10-12 in. (25-30
cm) from surface. Spray back and forth;
overlap by 50%.
4. Trigger gun after moving. Release
trigger before stopping. For additional
spraying information, see separate gun
manual.
Clear Tip Clog
1. Release trigger. Engage trigger lock.
Rotate Spray Tip. Disengage trigger
lock. Trigger gun at waste area to clear
clog.
2. Engage trigger lock. Return Spray Tip to
original position. Disengage trigger lock
and continue spraying.
ti24673a
ti24674a
ti24676a

Operation
24 334466A
Digital Display
Some models are equipped with a digital
display. This section explains how to use this
feature.
Pressure Display
1. Perform Pressure Relief
Procedure, page 13.
2. Plug sprayer into grounded outlet. Turn
ON/OFF switch to ON position.
3. The pressure is displayed. Dashes
indicate pressure is less than 200 psi (14
bar, 1.4 MPa).
4. Press and hold display button to change
pressure units (psi, bar, or MPa).
Stored Data Display
1. Turn ON/OFF switch to OFF position.
2. To enter Stored Data Mode, press and
hold display button and turn ON/OFF
switch to ON position.
ti24651a
ti24644a
ti2786a
ti2888a
ti24586a
ti24644a

Operation
334466A 25
3. Sprayer model number is displayed
followed by Data Point 1 which is the unit
power on time in hours.
4. Press display button again to display
Data Point 2. Motor run time in hours is
displayed.
5. Press display button again to display
Data Point 3. This will be the last error
code.
6. To erase last error code, press and hold
display button.
7. Press display button again to display
Data Point 4. The software revision is
displayed.
8. Press display button again to return to
Data Point 1.
9. Turn ON/OFF switch to OFF position to
exit Stored Data.
ti2824a
ti24586a

Operation
26 334466A
Cleanup
1. Perform Pressure Relief Procedure,
page 13.
2. Remove tip guard and Spray Tip. For
additional information, see separate gun
manual.
3. Remove fluid intake and drain tube from
paint, wipe excess paint off outside.
4. Place fluid intake in flushing fluid. Use
water for water base paint and mineral
spirits for oil-based paint. Place drain
tube in waste pail.
ti24592a
ti24709a
ti24710a

Operation
334466A 27
5. Turn prime valve horizontal.
6. Increase pressure 1/2 turn to start motor.
Hold gun against paint pail. Disengage
trigger lock. Trigger gun and increase
pressure until the pump runs steady and
flushing fluid appears.
7. Stop triggering gun. Move gun to waste
pail, hold gun against pail, trigger gun to
thoroughly flush system.
8. While continuing to trigger gun, turn
prime valve down. Then, release gun
trigger. Allow flushing fluid to circulate
until fluid comes out of drain tube clear.
9. Raise fluid intake above flushing fluid.
ti24712a
ti24713a
ti24714a

Operation
28 334466A
10. Turn prime valve horizontal. Trigger gun
into flushing pail to purge fluid from hose.
11. Engage trigger lock.
12. Turn pressure control knob to the lowest
pressure setting and turn ON/OFF
switch to OFF position. Disconnect
power to sprayer.
13. Remove filter from gun and sprayer if
installed. Clean and inspect. Install filter.
See separate gun manual.
14. If flushing with water, flush again with
mineral spirits or Pump Armor to leave a
protective coating to prevent freezing or
corrosion.
15. Wipe sprayer, hose and gun with a rag
soaked in water or mineral spirits.
ti24649a
20 s
ti24717a
ti24718a
ti24719a
ti24720a

Maintenance
334466A 29
Maintenance
Routine maintenance is important to ensure proper operation of your sprayer. Maintenance
includes performing routine actions which keep your sprayer in operation and prevents trouble
in the future.
Activity Interval
Inspect/clean sprayer filter, fluid inlet strainer, and gun
filter.
Daily or each time you spray
Inspect motor shield vents for blockage. Daily or each time you spray
Fill TSL by adding through TSL fill point. Daily or each time you spray
Inspect motor brushes for wear. Brushes must be 1/2 in.
(13mm) minimum length. NOTE: Brushes do not wear at
the same rate on both sides of motor. Check both brushes.
Every 1000 gallons (3785 liters)
Check sprayer stall.
With sprayer gun NOT triggered, sprayer motor should stall
and not restart until gun is triggered again.
If sprayer starts again with gun NOT triggered, inspect
pump for internal/external leaks and check prime valve for
leaks.
Every 1000 gallons (3785 liters)
Throat packing adjustment
When pump packing begins to leak after extended use,
tighten packing nut down until leakage stops or lessens.
This allows approximately 100 gallons of additional
operation before a repacking is required. Packing nut can
be tightened without 0-ring removal.
As necessary based on usage

Troubleshooting
30 334466A
Troubleshooting
Mechanical/Fluid Flow
1. Follow Pressure Relief Procedure,
page 13, before checking or repairing.
2. Check all possible problems and causes
before disassembling the unit.
Problem
What to Check
If check is OK, go to next
check
What to Do
When check is not OK,
refer to this column
For units with display:
E=0X is displayed.
For units with no display: Control
board status light is blinking or the
light is off and there is power to the
sprayer.
Fault condition exists. Determine fault correction from
Electrical, page 33.
Pump output is low Spray tip worn. Follow Pressure Relief Procedure,
page 13, then replace tip. See
separate gun or tip manual.
Spray tip clogged. Relieve pressure. Check and clean
spray tip.
Paint supply. Refill and reprime pump.
Intake strainer clogged. Remove and clean, then reinstall.
Intake valve ball and piston ball are
not seating properly.
Remove intake valve and clean.
Check balls and seats for nicks;
replace if necessary. See pump
manual. Strain paint before using to
remove particles that could clog
pump.
Fluid filter or tip filter is clogged or
dirty.
Clean filter.
Prime valve leaking. Follow Pressure Relief Procedure,
page 13, then repair prime valve.
Verify pump does not continue to
stroke when gun trigger is released.
(Prime valve not leaking.)
Service pump. See pump manual.
Leaking around throat packing nut
which may indicate worn or damaged
packings.
Replace packings. See pump manual.
Also check piston valve seat for
hardened paint or nicks and replace if
necessary. Tighten packing
nut/wet-cup.

Troubleshooting
334466A 31
Pump output is low Pump rod damage. Repair pump. See pump manual.
Low stall pressure. Turn pressure knob fully clockwise.
Make sure pressure control knob is
properly installed to allow full
clockwise position. If problem
persists, replace pressure transducer.
Piston packings are worn or
damaged.
Replace packings. See pump manual.
O-ring in pump is worn or damaged. Replace o-ring. See pump manual.
Intake valve ball is packed with
material.
Clean intake valve. See pump
manual.
Large pressure drop in hose with
heavy materials.
Reduce overall length of hose.
Check extension cord for correct size. See Extension Cords, page 12.
Loose motor brushes and terminals. Tighten terminal screws. Replace
brushes if leads are damaged.
Worn motor brushes. (Brushes must
be 1/2 in. [13mm] minimum length).
Replace brushes.
Broken and misaligned motor brush
springs. Rolled portion of spring must
rest squarely on top of brush.
Replace spring if broken. Realign
spring with brush.
Motor brushes are binding in brush
holders.
Clean brush holders, remove carbon
dust with a small cleaning brush.
Align brush lead with slot in brush
holder to assure free vertical brush
movement.
Motor runs but pump does not stroke Connecting rod assembly damaged.
See pump manual.
Replace connecting rod assembly.
See pump manual.
Gears or drive housing damaged. Inspect drive housing assembly and
gears for damage and replace if
necessary.
Excessive paint leakage into throat
packing nut
Throat packing nut is loose. Remove throat packing nut spacer.
Tighten throat packing nut just
enough to stop leakage.
Throat packings are worn or
damaged.
Replace packings. See pump manual.
Displacement rod is worn or
damaged.
Replace rod. See pump manual.
Problem
What to Check
If check is OK, go to next
check
What to Do
When check is not OK,
refer to this column

Troubleshooting
32 334466A
Fluid is spitting from gun Air in pump or hose. Check and tighten all fluid
connections. Cycle pump as slowly as
possible during priming.
Spray tip is partially clogged. Clear tip. See Clear Tip Clog, page
23.
Fluid supply is low or empty. Refill fluid supply. Prime pump. See
pump manual. Check fluid supply
often to prevent running pump dry.
Pump is difficult to prime Air in pump or hose. Check and tighten all fluid
connections. Cycle pump as slowly as
possible during priming.
Intake valve is leaking. Clean intake valve. Be sure ball seat
is not nicked or worn and that ball
seats well. Reassemble valve.
Pump packings are worn. Replace pump packings. See pump
manual.
Paint is too thick. Thin the paint according to supplier
recommendations.
Sprayer operates for 5 to 10 minutes
then stops
Pump packing nut too tight. When
pump packing nut is too tight the
packings on the pump rod restrict
pump action and overloads the motor.
Loosen pump packing nut. Check for
leaks around throat. If necessary,
replace pump packings. See Pump
manual.
Problem
What to Check
If check is OK, go to next
check
What to Do
When check is not OK,
refer to this column

Troubleshooting
334466A 33
Electrical
Symptom: Sprayer does not run, stops
running, or will not shut off.
Perform Pressure Relief Procedure, page
13.
1. Plug sprayer into correct voltage,
grounded outlet.
2. Turn the ON/OFF switch OFF wait 30
seconds and then turn power back ON
again (this ensures sprayer is in normal
run mode).
3. Turn pressure control knob clockwise
1/2 turn.
4. View digital display or remove control
box cover to view control board status
light. To determine which code (or any
other code besides voltage supply) refer
to the control board status light. Turn the
ON/OFF switch OFF, remove the control
cover then turn power back ON. Observe
the status light. Blinking LED total count
equals the error code (for example: two
blinks equals CODE 02).
Keep clear of electrical and moving parts
during troubleshooting procedures. To
avoid electrical shock hazards when
covers are removed for troubleshooting,
wait 7 seconds after disconnecting power
cord for stored electricity to dissipate.
Problem What to Check How to check
Sprayer does not run at all
AND
Display is blank
OR
Control board status light never lights
See flow chart, page 39.
Sprayer does not shut off
AND
Display shows E=02
OR
Control board status light blinks 2
times repeatedly
Control board. Replace control board.

Troubleshooting
34 334466A
Sprayer does not run at all
AND
Display shows E=02
OR
Control board status light blinks 2
times repeatedly
Check transducer or transducer
connections
Make sure there is no pressure in the
system (see Pressure Relief
Procedure, page 13). Check fluid
path for clogs, such as clogged filter.
Use airless paint spray hose with no
metal braid. A small hose or metal
braid hose may result in
high-pressure spikes.
Turn ON/OFF switch OFF and
disconnect power to sprayer.
Check transducer and connections to
control board.
Disconnect transducer from control
board socket. Check that transducer
and control board contacts are clean
and secure.
Reconnect transducer to control
board socket. Connect power, turn
ON/OFF switch ON and control knob
1/2 turn clockwise. If sprayer does not
run properly, turn ON/OFF switch
OFF and go to next step.
Install new transducer. Connect
power, turn ON/OFF switch ON and
control knob 1/2 turn clockwise.
Replace control board if sprayer does
not run properly.
Sprayer does not run at all
AND
Display shows E=03
OR
Control board status light blinks 3
times repeatedly
Check transducer or transducer
connections (control board is not
detecting a pressure signal).
Turn ON/OFF switch OFF and
disconnect power to sprayer.
Check transducer and connections to
control board.
Disconnect transducer from control
board socket. Check to see if
transducer and control board contacts
are clean and secure.
Reconnect transducer to control
board socket. Connect power, turn
ON/OFF switch ON and control knob
to 1/2 turn clockwise. If sprayer does
not run, turn ON/OFF switch OFF and
go to next step.
Connect a confirmed working
transducer to control board socket.
Turn ON/OFF switch ON and control
knob to 1/2 turn clockwise. If sprayer
runs, install new transducer. Replace
control board if sprayer does not run.
Problem What to Check How to check

Troubleshooting
334466A 35
Sprayer does not run at all
AND
Display shows E=04
OR
Control board status light blinks 4
times repeatedly
Check voltage supply to the sprayer
(control board is detecting a multiple
voltage surges).
Turn ON/OFF switch OFF and
disconnect power to sprayer.
Locate a good voltage supply to
prevent damage to electronics.
Sprayer does not run at all
AND
Display shows E=05
OR
Control board status light blinks 5
times repeatedly
Control is commanding motor to run
but motor shaft does not rotate.
Possibly locked rotor condition, an
open connection exists between
motor and control, there is a problem
with motor or control board, or motor
amp draw is excessive.
1.Remove pump and try to run
sprayer. If motor runs, check for
locked or frozen pump or drive train.
If sprayer does not run, continue to
step 2.
2.Turn ON/OFF switch OFF and
disconnect power to sprayer.
3.Disconnect motor connector(s) from
control board socket(s). Check that
motor connector and control board
contacts are clean and secure. If
contacts are clean and secure,
continue to step 4.
4.Connect a DC voltmeter across the
two motor wires – red & black spin
the motor fan and check for a
voltage to register on the meter. If
voltage is not present, check
brushes. If OK, replace motor. If
voltage is present, go to step 5.
5.Perform a spin test by connecting a
9 –12 Volt battery to the motor
leads. Motor leads may vary in style
and size. Locate the two wires
going to the carbon brushes
normally Red and Black. Motor
should spin when battery is
connected to the motor leads.
Problem What to Check How to check
YELLOW
BLACK (-)
9-VOLT
BATTERY
RED (+)
ti24722a

Troubleshooting
36 334466A
6.Connect the Red and Black leads
from the motor to an Ohm meter.
Rotate the motor while checking for
opens. If an open is found replace
the motor.
7.Check motor thermal protection.
Motor should be at ambient
temperature for this test. Connect
the yellow leads from the motor to
an Ohm meter. Meter should
indicate continuity or Ohms
depending on the motor type.
Problem What to Check How to check
YELLOW
BLACK (-)
RED (+)
ti24723a
-
-
1-3 ohms
YELLOW
BLACK
RED
ti24725a

Troubleshooting
334466A 37
8.Use an Ohm meter to check motor
for shorts. Connect (–) meter lead
to motor case. Move the (+) meter
lead to each motor wire. Meter
should read open on all wires.
9.Reconnect motor connector(s) to
control board socket(s). Connect
power, turn ON/OFF switch ON and
control knob to 1/2 turn clockwise. If
motor does not run, replace control
board.
Sprayer does not run at all
AND
Display shows E=06
OR
Control board status light blinks 6
times repeatedly
Motor is hot or there is a fault in the
motor thermal device.
Allow sprayer to cool. If sprayer runs
when cool, correct cause of
overheating. Keep sprayer in cooler
location with good ventilation. Make
sure motor air intake is not blocked. If
sprayer still does not run, replace
motor.
Sprayer does not run at all
AND
Display shows E=08
OR
Control board status light blinks 8
times repeatedly
Check voltage supply to the sprayer
(incoming voltage too low for sprayer
operation).
Turn ON/OFF switch OFF and
disconnect power to the sprayer.
Problem What to Check How to check
YELLOW
BLACK
RED
ti24724a
-
OL
GROUND
-

Troubleshooting
38 334466A
Basic electrical problems Motor leads are securely fastened
and properly mated
Replace loose terminals; crimp to
leads. Be sure terminal are firmly
connected.
Clean circuit board terminals.
Securely reconnect leads.
For loose motor brush lead
connections and terminals.
Tighten terminal screws. Replace
brushes if leads are damaged.
Brushes must be 1/2 in. [13mm]
minimum. NOTE: Brushes do not
wear at the same rate on both sides
of motor. Check both brushes.
Replace brushes.
Broken or misaligned motor brush
springs. Rolled portion of spring must
rest squarely on top of brush.
Replace spring if broken. Realign
spring with brush.
Motor brushes may be binding in
brush holders.
Clean brush holders. Remove carbon
with small cleaning brush. Align brush
leads with slot in brush holder to
assure free vertical brush movement.
Motor armature commutator for burn
spots, gouges or extreme roughness.
Remove motor and have motor shop
resurface commutator if possible.
Problem What to Check How to check

Troubleshooting
334466A 39
Sprayer Will Not Run
(See following page for steps)
Remove Control box cover.
Turn sprayer ON. Observe
control board status light on
control board (see page 27).
No Light
Once
Light on
continuously
Flashing
Normal Operation
Control board
Commanding motor
to run
See Step 1. Do you
have over 100 VAC
(220 VAC for 230v units)?
NO
See Code section for
further troubleshooting
Sprayer Will Not Run
(see following pages for steps)
See Step 2. Do you
have over 100 VAC
(220 VAC for 230v units)?
Repair or
replace
power cord.
See Step 3. Is there
Continuity through the
thermal switch wires?
See Step 4.
Does the motor run?
Replace the
potentiometer.
Replace
the transducer
Replace
the control board
If motor is hot, let cool and retest. If Step 3 still
shows no continuity, replace motor. The motor
has a defective thermal device.
Connect a test transducer to the board.
Does the motor run?
Replace
the On/Off
switch.
NO
NO
NO
NO
YES
YES
YES
YES YES
ti24726a

Troubleshooting
40 334466A
110-120 AC
V
-
+
N
L
White
Black
-
+
Power
Cord
Control
Board
ti24727a
Step 1:
Plug Power cord in and turn
switch ON. Connect probes
to L and N on control board.
Turn meter to AC Volts.
Black
110-120 AC
V
-
-
+
Black
J11
J8
J7
N
L
C15
White
Control
Board
Step 2:
Plug power cord in and turn
switch ON. Connect Probes
to ON/OFF switch.
Turn meter to AC Volts.
ti24728a
-
BEEP
+
Yellow Thermistor
Wires to motor
-
Step 3:
Check motor thermal switch.
Unplug yellow wires. Meter
should read continuity.
NOTE: Motor should be cool
during reading.
ti24729a
J8
Control
Board
Step 4:
Disconnect potentiometer.
Plug power cord in and
turn switch ON.
ti24730a

Troubleshooting
334466A 41
Sprayer Will Not Shut Off
1. Perform Pressure Relief Procedure,
page 13. Leave prime valve open
(down) and turn ON/OFF switch OFF.
2. Remove control box cover so the
control board status light can be viewed
if available.
Troubleshooting Procedure
g
Plumb pressure gauge into paint hose,
plug sprayer in, and turn power switch ON.
Does sprayer reach or exceed
its maximum pressure?
Mechanical problem:
See the proper fluid pump
manual for the sprayer for
further troubleshooting procedures.
Is the control board status light on?
NO
Replace the control board.
NO
Replace the control board.
NO
YES
YES
Unplug the transducer from control board.
Does motor stop running?
Bad transducer.
Replace and test with a new one.
YES
ti24731a

395 Stand Sprayers
42 334466A
395 Stand Sprayers
Models 17C314, 17C359, 17C361, 17C390, 17C391, 17C392, 17C409, 826196
59
67
54
54b
54a
47
47
23
65
12
12
71
68
63
53
ti24754a
61
46
1
2
Ref. Torque
140-160 in-lb (15.8 - 18.1 N•m)
30-35 in-lb (3.4 - 4.0 N•m)
1
2

395 Stand Sprayers
334466A 43
Models 17C314, 17C359, 17C361, 17C390, 17C391, 17C392, 17C409, 826196
40
44
25 42
69
66
22
12
70
43
132
45
91
60
60
57
55
39
62
76
91
47
ti24753a
52
41
Ref. Torque
140-160 in-lb (15.8 - 18.1 N•m)
30-35 in-lb (3.4 - 4.0 N•m)
Hammer tight
25-30 ft-lb (33.9 - 40.7 N•m)
1
2
3
4
1
2
3
4

395 Stand Sprayers
44 334466A
395 Stand Sprayers Parts List
Models 17C314, 17C359, 17C361, 17C390, 17C391, 17C392, 17C409, 826196
Ref. Part Description Qty.
12 117501 SCREW, mach, hex
washer hd
4
22 17C539 COVER, front, painted 1
23 15B465 SHIELD, motor,
painted
1
25 180131 BEARING, thrust 1
33 206994 FLUID, TSL (not
shown)
1
34See page
51
CARD, medical alert
(not shown)
1
39 241920 DEFLECTOR,
threaded
1
40 249194 GEAR, reducer 1
41 PUMP, displacement,
PC
1
17C487 North America
17C488 Europe
17C489 Asia/ANZ/Japan
42 24W817 HOUSING, drive, PC,
includes 47
1
43 24W640 ROD, connecting, PC 1
44 24X020 KIT REPAIR,
crankshaft, includes
25
1
45 24W830 KIT, hose, cpld, PC,
includes 132
1
46 See page
51
HOSE, cpld, 1/4 in. x
50 ft
1
47 117493 SCREW, mach, hex
washer hd
9
52 See page
51
LABEL, front 1
53 See page
51
LABEL, side 1
54*MOTOR, includes 54a,
54b
1
287015 110V / 120V
287060 230V
54a 118716 RING, retaining 1
54b 248189 FAN, motor, includes
54a
1
55 246381 HOSE, drain, stand,
includes 39,62
1
57 246385 STRAINER, 7/8-14 unf 1
59 15E823 FRAME, standmount,
includes 67
1
60 246386 KIT, hose suction,
includes 57, 62, 76, 91
1
61 See page
51
GUN, spray 1
62 276888 CLIP, drain line 1
63See page
51
LABEL, danger 1
65See page
51
LABEL, warning 1
66 116139 GRIP, handle 1
67 15G857 CAP, leg 4
68 287903 CUP, suction/drain 1
69 287072 HANDLE, sprayer,
includes 47, 66
1
70 17C483 COVER, pump rod 1
71 122667 SCREW, drill, hex
washer head
1
76 115099 WASHER, hose 1
91 117559 O-ring 2
132 16H137 PACKING, O-ring 1
* For motor brush kit order 287735
Replacement Danger and Warning labels,
tags, and cards are available at no cost.
Ref. Part Description Qty.

395 Lo-Boy Sprayers
334466A 45
395 Lo-Boy Sprayers
Models 17C315, 826197
59
54
47
23
12
75
133
134
135
69
150
68
71
53
54a
54b
65
63
ti24829a
61
46
Ref. Torque
140-160 in-lb (15.8 - 18.1 N•m)
30-35 in-lb (3.4 - 4.0 N•m)
1
2
1
2

395 Lo-Boy Sprayers
46 334466A
Models 17C315, 826197
40
45
44
47
42
47
43
41
132
22
52
12
70
91
60
60
14
57
55
62
ti24826a
25
39
117
1
2
3
4
Ref. Torque
140-160 in-lb (15.8 - 18.1 N•m)
30-35 in-lb (3.4 - 4.0 N•m)
Hammer tight
25-30 ft-lb (33.9 - 40.7 N•m)
1
2
3
4

395 Lo-Boy Sprayers
334466A 47
395 Lo-Boy Sprayers Parts List
Models 17C315, 826197
Ref. Part Description Qty.
12 117501 SCREW, mach, hex
washer hd
4
14 117559 O-ring 2
22 17C539 COVER, front, painted 1
23 15B465 KIT, shield, motor,
painted
1
25 180131 BEARING, thrust 1
33 206994 FLUID, TSL (not
shown)
1
34See page
51
CARD, medical alert
(not shown)
1
39 241920 DEFLECTOR,
threaded
1
40 249194 GEAR, reducer 1
41 17C487 PUMP, displacement,
PC, North America
1
42 24W817 HOUSING, drive, PC,
includes 47
1
43 24W640 ROD, connecting, PC 1
44 24X020 GEAR, crankshaft,
includes 25
1
45 24W830 KIT, hose, cpld, PC,
includes 132
1
46 See page
51
HOSE, cpld, 1/4 in. x
50 ft
1
47 117493 SCREW, mach, hex
washer hd
8
52 See page
51
LABEL, front 1
53 See page
51
LABEL, side 1
54*287015 MOTOR, includes 54a,
54b
1
54a 118716 RING, retaining 1
54b 248189 FAN, motor, includes
54a
1
55 246381 HOSE, drain, stand,
includes 39,62
1
57 246385 STRAINER, 7/8-14 unf 1
59 246250 FRAME, cart, lo 1
60 246386 KIT, hose suction,
includes 14, 57, 62, 91
1
61 See page
51
GUN, spray (not
shown)
1
62 276888 CLIP, drain line 1
63See page
51
LABEL, danger 1
65See page
51
LABEL, warning 1
68 15B870 CUP, suction/drain 1
69 287488 HANDLE, assembly, lo
cart
1
70 17C483 COVER, pump rod 1
71 122667 SCREW, drill, hex
washer head
2
75 107310 PLUG, tubing 2
91 115099 WASHER, hose 1
117 15G447 PLUG, shield, painted 1
132 16H137 PACKING, O-ring 1
133 195766 WHEEL, semi
pneumatic
2
134 15B999 CLIP, retaining 2
135 104811 CAP, hub 2
150 109032 SCREW, pan hd 4
* For motor brush kit order 287735
Replacement Danger and Warning labels,
tags, and cards are available at no cost.
Ref. Part Description Qty.

395 Hi-Boy Sprayers
48 334466A
395 Hi-Boy Sprayers
Models 17C317, 17C362, 17C408, 826198
59
54
54a
54b
47
75
23
12 95 53
133
134
135
69
67
65
63
ti24834a
61
46
1
2
3
Ref. Torque
140-160 in-lb (15.8 - 18.1 N•m)
30-35 in-lb (3.4 - 4.0 N•m)
23-27 in-lb (2.6 - 3.1 N•m)
1
2
3

395 Hi-Boy Sprayers
334466A 49
Models 17C317, 17C362, 17C408, 826198
40 44
42
47
43
41
132
45
22
52
12
70
91
55
39
136
137
87 60
57
14
84
96
62
ti24830a
25
117
Ref. Torque
140-160 in-lb (15.8 - 18.1 N•m)
30-35 in-lb (3.4 - 4.0 N•m)
Hammer tight
25-30 ft-lb (33.8 - 40.6 N•m)
1
2
3
4
43
1
2

395 Hi-Boy Sprayers
50 334466A
395 Hi-Boy Sprayers Parts List
Models 17C317, 17C362, 17C408, 826198
Ref. Part Description Qty.
12 117501 SCREW, mach, hex
washer hd
4
14 103413 O-ring 1
22 17C539 COVER, front, painted 1
23 15B465 SHIELD, motor,
painted
1
25 180131 BEARING, thrust 1
33 206994 FLUID, TSL (not
shown)
1
34See page
51
CARD, medical alert
(not shown)
1
39 241920 DEFLECTOR,
threaded
1
40 249194 GEAR, reducer 1
41 PUMP, displacement,
PC
1
17C487 North America
17C488 Europe
17C489 Asia/ANZ/Japan
42 24W817 HOUSING, drive, PC,
includes 47
1
43 24W640 ROD, connecting, PC 1
44 24X020 GEAR, crankshaft,
includes 25
1
45 24W830 KIT, hose, cpld, PC,
includes 132
1
46 See page
51
HOSE, cpld, 1/4 in. x
50 ft
1
47 117493 SCREW, mach, hex
washer hd
8
52 See page
51
LABEL, front 1
53 See page
51
LABEL, side 1
54*MOTOR, includes 54a,
54b
1
287015 110V / 120V
287060 230V
54a 118716 RING, retaining 1
54b 248189 FAN, motor, includes
54a
1
55 244240 HOSE, drain, includes
39
1
57 246385 STRAINER, 7/8-14 unf 1
59 17C485 FRAME, cart, hi 1
60 17C992 KIT, stinger tube,
includes
14, 57, 84, 87,
91, 96
61 See page
51
GUN, spray 1
62 276888 CLIP, drain line 1
63See page
51
LABEL, danger 1
65See page
51
LABEL, warning 1
67 109032 SCREW, pan hd 4
69 287489 HANDLE 1
70 17C483 COVER, pump rod 1
75 108691 PLUG, tubing 2
84 15B652 WASHER, suction 1
87 17C281 TUBE, suction 1
91 115099 WASHER, hose 1
96 15E813 NUT, jam 1
117 15G447 PLUG, shield, painted 1
132 16H137 PACKING, O-ring 1
133 106062 WHEEL 2
134 15B999 CLIP, retaining 2
135 104811 CAP, hub 2
136 17C990 HANGER, pail 1
137 111040 NUT, lock, insert,
nylon
2
* For motor brush kit order 287735
Replacement Danger and Warning labels,
tags, and cards are available at no cost.
Ref. Part Description Qty.

Accessories and Labels
334466A 51
Accessories and Labels
Sprayer
Model
Ref. 34
Card,
Medical
Alert
Ref. 46
Hose, 1/4
in. x 50 ft
Ref. 52
Label, Front
Ref. 53
Label,
Side
Ref. 61
Gun,
Spray
Ref. 63
Label,
Danger
Ref. 65
Label,
Warning
17C314
17C315
17C317
222385 # 240794 17C823 17C824 288420 15B516 & 195793 &
17C359
17C361
17C362
222385 # 240794 17C865 17C874 288438 16G596 $ 16G596 $
17C390
17C408 17A134 % 240794 17C823 17C824 288427/
288436 15H087 @ 195792 @
17C391 17A134 % 240794 17C823 17C824 288427/
288436 15H086 * 195792 @
17C392 17A134 % 240794 17C963 17C962 17C926 15H087 @ 195792 @
17C409 17A134 % 247340 17C856 17C859 16X214 15H087 @ 195792 @
826196
826197
826198
222385 # 826079 17C825 17C826 826085 15B516 & 195793 &
288526 – Kit, accessory, hopper
# – English, Spanish, French
% – English, Chinese, Korean
& – North America
@ – Asia/ANZ
$ – Europe
* – Japan
Replacement Danger and Warning labels, tags, and cards are available at no cost.

395 Control Box
52 334466A
395 Control Box
48
37
129
20
47
47
15
4747
4
24
36
27
17
18
2
3
37
11
19
58
30 6
7
50
12
12
51
49
16
35
26
5
133
56
90 91
91
24
38
ti24755a
Ref. Torque
140-160 in-lb (15.8 - 18.1 N•m)
30-35 in-lb (3.4 - 4.0 N•m)
20-25 in-lb (2.3 - 2.8 N•m)
37-43 ft-lb (50.2 - 58.3 N•m)
130-150 in-lb (14.7 - 16.9 N•m)
48-72 in-lb (5.4 - 8.1 N•m)
1
2
5
6
7
8
1
2
2
7
5
6
1
8

395 Control Box
334466A 53
395 Control Box Parts List
Ref. Part Description Qty.
2 117828 PACKING, o-ring 1
3 111457 PACKING, o-ring 1
4 111600 PIN, grooved 1
5 277364 GASKET, seat, valve 1
6 115494 SCREW, mach,
Phillips, pan hd
6
7 115498 SCREW, mch,
slot/hex, wash hd
1
11 116167 KNOB, potentiometer 1
12 117501 SCREW, mach, hex
washer hd
4
15 MANIFOLD, fluid 1
15G455 Models without
pressure gauge
15T811 Models with pressure
gauge
16 FILTER, fluid 1
246425 30 mesh
246384 60 mesh, original
246382 100 mesh
246383 200 mesh
17 287902 CAP, manifold,
includes 18
1
18 15B071 INSERT, filter 1
19 15B118 BUSHING, motor wire 1
20 15B120 GROMMET,
transducer
1
24 162453 NIPPLE, (1/4 npsm x
1/4 npt)
2
26 15E022 SEAT, valve 1
27 187625 HANDLE, valve, drain 1
30 195428 BOOT, toggle 1
35 239914 VALVE, drain,
includes 5, 26
1
36 224807 BASE, valve 1
37 256219 POTENTIOMETER,
assembly
1
38 243222 TRANSDUCER,
pressure control,
includes 3
1
47 117493 SCREW, mach, hex
washer hd
4
48 276868 BOX, control 1
49 CONTROL, board 1
246378 110V, UK
246379 120V, US/Japan
246380 230V,
Europe/Asia/ANZ
24X292 230V, China
50 276882 COVER, control 1
287098 DIGITAL, display
includes 51
51 LABEL, control 1
15K393 ULTRA/ST MAX
15B373 Ultimate NOVA
15K400 Models with display
56 CORD, power 1
15J743 US/Japan
253368 UK
253369 Europe, CEE 7/7
253373 Multicord, Asia/ANZ
58 SWITCH, toggle 1
195429 120V, US/Japan
117492 110V / 230V,
Europe/Asia/ANZ/UK
90 195551 RETAINER, plug,
adapter
Multicord models 2
CEE 7/7 models 1
91 CORD SET, adapter 1
242001 Europe
242005 Australia
129 158674 O-ring, packing 1
133 244285 ADPTER, Japan 1
115523 GAUGE, pressure,
fluid, not shown (on
select models)
1
Ref. Part Description Qty.

Wiring Diagrams
54 334466A
Wiring Diagrams
120V, US/Japan
ON/OFF
Switch
Power Plug
from Motor
Red (+)
White
Black
Green
2 x White
Black (-)
Black
Black
ti2471a

Wiring Diagrams
334466A 55
110V, UK / 230V
NOTICE
Heat from inductor coil of filter board may
destroy wire insulation that comes in
contact with it. Exposed wires could cause
shorts and component damage. Bundle
and tie loose wires so none lay in contact
with inductor coil on the filter board.
ti2478x
L1L2
Digital Display
Potentiometer
Filter Board
Inductor Coil
Brown
Brown
Black
Black
ON/OFF
Switch
To Power
Plug
From Motor
Green
2 x White
Black /
white (-)
Blue
Blue
Red (+)
Transducer
TP1 TP2

Technical Specifications
56 334466A
Technical Specifications
Ultra 395 PC / Ultra 395 PC Classic
US Metric
Sprayer
Maximum fluid working pressure
Ultra 395 PC 3000 psi 207 bar, 20.7 MPa
Ultra 395 PC Classic 3300 psi 228 bar, 22.8 MPa
Maximum Delivery 0.50 gpm 1.9 lpm
Maximum Tip Size 0.023 0.023
Fluid Outlet npsm 1/4 in. 6.3 mm
Cycles 700 per gallon 185 per liter
Generator Minimum 3000 W 3000 W
110–120V, A, Hz 1Ø, 13, 50/60
220–240V, A, Hz 1Ø, 7, 50/60
Dimensions
Height
Stand 21 in. 53.3 cm
Lo-Boy 21 in. 53.3 cm
Hi-Boy 29.5 in. (Handle down)
39.5 in. (Handle up)
74.9 cm (Handle down)
100.3 cm (Handle up)
Length
Stand 15 in. 38.1 cm
Lo-Boy 26 in. 66.0 cm
Hi-Boy 21 in. 53.3 cm
Width
Stand 14 in. 35.6 cm
Lo-Boy 20.5 in. 52.1 cm
Hi-Boy 20.5 in. 52.1 cm
Weight
Stand 43 lb. 20 kg
Lo-Boy 63 lb. 29 kg
Hi-Boy 66 lb. 30 kg
Noise** (dBa) @ 70 psi (0.48 MPa, 4.8 bar)
Sound pressure 90 dBa
Sound power 100 dBa

Technical Specifications
334466A 57
Materials of Construction
Wetted materials on all models zinc- and nickel-plated carbon steel, nylon, stainless steel,
PTFE, Acetal, leather, UHMWPE, aluminum, tungsten
carbide, polyethylene, fluoroelastomer, urethane
Notes
* Startup pressures and displacement per cycle may vary based on suction condition,
discharge head, air pressure, and fluid type.
** Sound pressure measured 3 feet (1 meter) from equipment.
Sound power measured per ISO-3744.
Ultra 395 PC / Ultra 395 PC Classic
US Metric

Graco Standard Warranty
58 334466A
Graco Standard Warranty
Graco warrants all equipment referenced in this document which is manufactured by Graco and bearing
its name to be free from defects in material and workmanship on the date of sale to the original purchaser
for use. With the exception of any special, extended, or limited warranty published by Graco, Graco will,
for a period of twelve months from the date of sale, repair or replace any part of the equipment
determined by Graco to be defective. This warranty applies only when the equipment is installed,
operated and maintained in accordance with Graco’s written recommendations.
This warranty does not cover, and Graco shall not be liable for general wear and tear, or any malfunction,
damage or wear caused by faulty installation, misapplication, abrasion, corrosion, inadequate or
improper maintenance, negligence, accident, tampering, or substitution of non-Graco component parts.
Nor shall Graco be liable for malfunction, damage or wear caused by the incompatibility of Graco
equipment with structures, accessories, equipment or materials not supplied by Graco, or the improper
design, manufacture, installation, operation or maintenance of structures, accessories, equipment or
materials not supplied by Graco.
This warranty is conditioned upon the prepaid return of the equipment claimed to be defective to an
authorized Graco distributor for verification of the claimed defect. If the claimed defect is verified, Graco
will repair or replace free of charge any defective parts. The equipment will be returned to the original
purchaser transportation prepaid. If inspection of the equipment does not disclose any defect in material
or workmanship, repairs will be made at a reasonable charge, which charges may include the costs of
parts, labor, and transportation.
THIS WARRANTY IS EXCLUSIVE, AND IS IN LIEU OF ANY OTHER WARRANTIES, EXPRESS OR
IMPLIED, INCLUDING BUT NOT LIMITED TO WARRANTY OF MERCHANTABILITY OR WARRANTY
OF FITNESS FOR A PARTICULAR PURPOSE.
Graco’s sole obligation and buyer’s sole remedy for any breach of warranty shall be as set forth above.
The buyer agrees that no other remedy (including, but not limited to, incidental or consequential
damages for lost profits, lost sales, injury to person or property, or any other incidental or consequential
loss) shall be available. Any action for breach of warranty must be brought within two (2) years of the
date of sale.
GRACO MAKES NO WARRANTY, AND DISCLAIMS ALL IMPLIED WARRANTIES OF
MERCHANTABILITY AND FITNESS FOR A PARTICULAR PURPOSE, IN CONNECTION WITH
ACCESSORIES, EQUIPMENT, MATERIALS OR COMPONENTS SOLD BUT NOT MANUFACTURED
BY GRACO. These items sold, but not manufactured by Graco (such as electric motors, switches, hose,
etc.), are subject to the warranty, if any, of their manufacturer. Graco will provide purchaser with
reasonable assistance in making any claim for breach of these warranties.
In no event will Graco be liable for indirect, incidental, special or consequential damages resulting from
Graco supplying equipment hereunder, or the furnishing, performance, or use of any products or other
goods sold hereto, whether due to a breach of contract, breach of warranty, the negligence of Graco, or
otherwise.
FOR GRACO CANADA CUSTOMERS
The Parties acknowledge that they have required that the present document, as well as all documents,
notices and legal proceedings entered into, given or instituted pursuant hereto or relating directly or
indirectly hereto, be drawn up in English. Les parties reconnaissent avoir convenu que la rédaction du
présente document sera en Anglais, ainsi que tous documents, avis et procédures judiciaires exécutés,
donnés ou intentés, à la suite de ou en rapport, directement ou indirectement, avec les procédures
concernées.
All written and visual data contained in this document reflects the latest product information available at
the time of publication.
Graco reserves the right to make changes at any time without notice.
Original instructions. This manual contains English. MM 334466
Graco Headquarters: Minneapolis
International Offices: Belgium, China, Japan, Korea
GRACO INC. AND SUBSIDIARIES • P.O. BOX 1441 • MINNEAPOLIS MN 55440-1441 • USA
Copyright 2014, Graco Inc. All Graco manufacturing locations are registered to ISO 9001.
www.graco.com
Revision A, November 2014
Graco Information
For the latest information about Graco products, visit www.graco.com.
For patent information, see www.graco.com/patents.
TO PLACE AN ORDER, contact your Graco distributor or call 1-800-690-2894 to identify the
nearest distributor.
