Graco 334567B 190 290 390 Electric Airless Sprayers Users Manual 190/290/390 (English)
2015-04-02
: Graco Graco-334567B-190-290-390-Electric-Airless-Sprayers-Users-Manual-686210 graco-334567b-190-290-390-electric-airless-sprayers-users-manual-686210 graco pdf
Open the PDF directly: View PDF
.
Page Count: 49
- Models
- Warnings
- Component Identification
- Grounding
- Pressure Relief Procedure
- Setup
- Startup
- Operation
- Maintenance
- Troubleshooting
- Sprayers Parts
- 390 Lo-Boy Sprayer Parts
- 190, 290, 390 Hi-Boy Sprayers Parts
- Accessories and Labels
- Control Box and Filter
- Wiring Diagrams
- Technical Specifications
- Graco Standard Warranty
- Graco Information

334567B
EN
Operation, Parts
Electric Airless
Sprayers
For professional use only.
Not approved for use in explosive atmospheres or hazardous locations.
For portable airless spraying of architectural paints and coatings.
190/290/390 PC Classic Models:
3000 psi (207 bar, 20.7 MPa) Maximum Working Pressure
3300 psi (228 bar, 22.8 MPa) Maximum Working Pressure
See page 3 for additional model information.
Important Safety Instructions
Read all warnings and instructions in this manual and related manuals. Be familiar with
the controls and the proper usage of the equipment. Save these instructions.
Related Manuals
311861 (Contractor/FTx) 312830 (SG3) 334599 (Pump)
ti25126a
Use only genuine Graco replacement parts.
The use of non-Graco replacement parts may void warranty.

Contents
2334567B
Contents
Models . . . . . . . . . . . . . . . . . . . . . . . . . . . . . . . . . . . . . . . . . . . . . . . . . . . . . . . . . . . . . . . 3
Warnings . . . . . . . . . . . . . . . . . . . . . . . . . . . . . . . . . . . . . . . . . . . . . . . . . . . . . . . . . . . . . 4
Component Identification . . . . . . . . . . . . . . . . . . . . . . . . . . . . . . . . . . . . . . . . . . . . . . . . 8
Stand Models . . . . . . . . . . . . . . . . . . . . . . . . . . . . . . . . . . . . . . . . . . . . . . . . . . . . . . . 8
Lo-Boy Models . . . . . . . . . . . . . . . . . . . . . . . . . . . . . . . . . . . . . . . . . . . . . . . . . . . . . . 9
Hi-Boy Models . . . . . . . . . . . . . . . . . . . . . . . . . . . . . . . . . . . . . . . . . . . . . . . . . . . . . 10
Grounding . . . . . . . . . . . . . . . . . . . . . . . . . . . . . . . . . . . . . . . . . . . . . . . . . . . . . . . . . . . 11
Power Requirements . . . . . . . . . . . . . . . . . . . . . . . . . . . . . . . . . . . . . . . . . . . . . . . . 11
Extension Cords . . . . . . . . . . . . . . . . . . . . . . . . . . . . . . . . . . . . . . . . . . . . . . . . . . . 11
Pails . . . . . . . . . . . . . . . . . . . . . . . . . . . . . . . . . . . . . . . . . . . . . . . . . . . . . . . . . . . . . 11
Pressure Relief Procedure . . . . . . . . . . . . . . . . . . . . . . . . . . . . . . . . . . . . . . . . . . . . . . 12
Trigger Lock . . . . . . . . . . . . . . . . . . . . . . . . . . . . . . . . . . . . . . . . . . . . . . . . . . . . . . . 13
Setup . . . . . . . . . . . . . . . . . . . . . . . . . . . . . . . . . . . . . . . . . . . . . . . . . . . . . . . . . . . . . . . 14
Startup . . . . . . . . . . . . . . . . . . . . . . . . . . . . . . . . . . . . . . . . . . . . . . . . . . . . . . . . . . . . . . 17
Operation . . . . . . . . . . . . . . . . . . . . . . . . . . . . . . . . . . . . . . . . . . . . . . . . . . . . . . . . . . . . 19
Spray Tip Installation . . . . . . . . . . . . . . . . . . . . . . . . . . . . . . . . . . . . . . . . . . . . . . . . 19
Spray . . . . . . . . . . . . . . . . . . . . . . . . . . . . . . . . . . . . . . . . . . . . . . . . . . . . . . . . . . . . 19
Clear Tip Clog . . . . . . . . . . . . . . . . . . . . . . . . . . . . . . . . . . . . . . . . . . . . . . . . . . . . . 20
Cleanup . . . . . . . . . . . . . . . . . . . . . . . . . . . . . . . . . . . . . . . . . . . . . . . . . . . . . . . . . . 21
Maintenance . . . . . . . . . . . . . . . . . . . . . . . . . . . . . . . . . . . . . . . . . . . . . . . . . . . . . . . . . 24
Troubleshooting . . . . . . . . . . . . . . . . . . . . . . . . . . . . . . . . . . . . . . . . . . . . . . . . . . . . . . 25
Mechanical/Fluid Flow . . . . . . . . . . . . . . . . . . . . . . . . . . . . . . . . . . . . . . . . . . . . . . . 25
Electrical . . . . . . . . . . . . . . . . . . . . . . . . . . . . . . . . . . . . . . . . . . . . . . . . . . . . . . . . . 28
190, 290, 390 Stand Sprayers Parts . . . . . . . . . . . . . . . . . . . . . . . . . . . . . . . . . . . . . . . 32
190, 290, 390 Stand Sprayers Parts List . . . . . . . . . . . . . . . . . . . . . . . . . . . . . . . . 34
390 Lo-Boy Sprayer Parts . . . . . . . . . . . . . . . . . . . . . . . . . . . . . . . . . . . . . . . . . . . . . . 35
390 Lo-Boy Sprayer Parts List . . . . . . . . . . . . . . . . . . . . . . . . . . . . . . . . . . . . . . . . 37
190, 290, 390 Hi-Boy Sprayers Parts . . . . . . . . . . . . . . . . . . . . . . . . . . . . . . . . . . . . . . 38
190, 290, 390 Hi-Boy Sprayers Parts List . . . . . . . . . . . . . . . . . . . . . . . . . . . . . . . . 40
Accessories and Labels . . . . . . . . . . . . . . . . . . . . . . . . . . . . . . . . . . . . . . . . . . . . . . . . 41
Control Box and Filter . . . . . . . . . . . . . . . . . . . . . . . . . . . . . . . . . . . . . . . . . . . . . . . . . 42
Control and Filter Parts List . . . . . . . . . . . . . . . . . . . . . . . . . . . . . . . . . . . . . . . . . . . 43
Wiring Diagrams . . . . . . . . . . . . . . . . . . . . . . . . . . . . . . . . . . . . . . . . . . . . . . . . . . . . . . 44
120V, US/Japan . . . . . . . . . . . . . . . . . . . . . . . . . . . . . . . . . . . . . . . . . . . . . . . . . . . 44
110V, UK / 230V . . . . . . . . . . . . . . . . . . . . . . . . . . . . . . . . . . . . . . . . . . . . . . . . . . . 45
Technical Specifications . . . . . . . . . . . . . . . . . . . . . . . . . . . . . . . . . . . . . . . . . . . . . . . 46
Graco Standard Warranty . . . . . . . . . . . . . . . . . . . . . . . . . . . . . . . . . . . . . . . . . . . . . . 48
Graco Information . . . . . . . . . . . . . . . . . . . . . . . . . . . . . . . . . . . . . . . . . . . . . . . . . . . . . 49

Models
334567B 3
Models
VAC Model
Stand
Lo-Boy
Hi-Boy
120
USA
190 Express 17A322
390 PC 17C310 17C313
NOVA 390 PC 826195
120
Japan/Taiwan
390 PC 17C385
230
South America
190 Express 17C117
230
CEE 7/7
190 Express 17A323
190 PC Classic 17C438 17C342
290 PC Classic 17C344 17C343
390 PC Classic 17C348 17C349
230
Europe Multi
390 PC Classic 17C346 17C351
110
UK
190 PC Classic 17C341
390 PC Classic 17C347 17C350
230
Asia/ANZ
190 Express 17C384
390 PC 17C386 17C387 17C388
230
China
390 PC Classic 17C389
110474
Certified to
CAN/CSA
C22.2 No. 68
Conforms to
UL 1450

Warnings
4334567B
Warnings
The following warnings are for the setup, use, grounding, maintenance, and repair of this
equipment. The exclamation point symbol alerts you to a general warning and the hazard
symbols refer to procedure-specific risks. When these symbols appear in the body of this
manual or on warning labels, refer back to these Warnings. Product-specific hazard symbols
and warnings not covered in this section may appear throughout the body of this manual
where applicable.
GROUNDING
This product must be grounded. In the event of an electrical short circuit, grounding reduces
the risk of electric shock by providing an escape wire for the electric current. This product is
equipped with a cord having a grounding wire with an appropriate grounding plug. The plug
must be plugged into an outlet that is properly installed and grounded in accordance with all
local codes and ordinances.
•Improper installation of the grounding plug is able to result in a risk of electric shock.
•When repair or replacement of the cord or plug is required, do not connect the grounding
wire to either flat blade terminal.
•The wire with insulation having an outer surface that is green with or without yellow stripes
is the grounding wire.
•Check with a qualified electrician or serviceman when the grounding instructions are not
completely understood, or when in doubt as to whether the product is properly grounded.
•Do not modify the plug provided; if it does not fit the outlet, have the proper outlet installed
by a qualified electrician.
•This product is for use on a nominal 110V, 120V, or 230V circuit and has a grounding plug
similar to the plugs illustrated below.
•Only connect the product to an outlet having the same configuration as the plug.
•Do not use an adapter with this product.
Extension Cords:
•Use only a 3-wire extension cord that has a grounding plug and a grounding receptacle that
accepts the plug on the product.
•Make sure your extension cord is not damaged. If an extension cord is necessary use 12
AWG (2.5mm2) minimum to carry the current that the product draws.
•An undersized cord results in a drop in line voltage and loss of power and overheating.
ti24583a
230V 230V ANZ
120V US

Warnings
334567B 5
FIRE AND EXPLOSION HAZARD
Flammable fumes, such as solvent and paint fumes, in work area can ignite or explode. To help
prevent fire and explosion:
•Do not spray flammable or combustible materials near an open flame or sources of ignition
such as cigarettes, motors, and electrical equipment.
•Paint or solvent flowing through the equipment is able to result in static electricity. Static
electricity creates a risk of fire or explosion in the presence of paint or solvent fumes. All
parts of the spray system, including the pump, hose assembly, spray gun, and objects in
and around the spray area shall be properly grounded to protect against static discharge
and sparks. Use Graco conductive or grounded high-pressure airless paint sprayer hoses.
•Verify that all containers and collection systems are grounded to prevent static discharge.
Do not use pail liners unless they are antistatic or conductive.
•Connect to a grounded outlet and use grounded extensions cords. Do not use a 3-to-2
adapter.
•Do not use a paint or a solvent containing halogenated hydrocarbons.
•Do not spray flammable or combustible liquids in a confined area.
•Keep spray area well-ventilated. Keep a good supply of fresh air moving through the area.
•Sprayer generates sparks. Keep pump assembly in a well ventilated area at least 20 feet
(6.1 m) from the spray area when spraying, flushing, cleaning, or servicing. Do not spray
pump assembly.
•Do not smoke in the spray area or spray where sparks or flame is present.
•Do not operate light switches, engines, or similar spark producing products in the spray
area.
•Keep area clean and free of paint or solvent containers, rags, and other flammable
materials.
•Know the contents of the paints and solvents being sprayed. Read all Material Safety Data
Sheets (MSDS) and container labels provided with the paints and solvents. Follow the
paint and solvents manufacturer’s safety instructions.
•Fire extinguisher equipment shall be present and working.

Warnings
6334567B
SKIN INJECTION HAZARD
High-pressure spray is able to inject toxins into the body and cause serious bodily injury. In the
event that injection occurs, get immediate surgical treatment.
•Do not aim the gun at, or spray any person or animal.
•Keep hands and other body parts away from the discharge. For example, do not try to stop
leaks with any part of the body.
•Always use the nozzle tip guard. Do not spray without nozzle tip guard in place.
•Use Graco nozzle tips.
•Use caution when cleaning and changing nozzle tips. In the case where the nozzle tip clogs
while spraying, follow the Pressure Relief Procedure for turning off the unit and relieving
the pressure before removing the nozzle tip to clean.
•Equipment maintains pressure after power is shut off. Do not leave the equipment
energized or under pressure while unattended. Follow the Pressure Relief Procedure
when the equipment is unattended or not in use, and before servicing, cleaning, or
removing parts.
•Check hoses and parts for signs of damage. Replace any damaged hoses or parts.
•This system is capable of producing 3300 psi. Use Graco replacement parts or accessories
that are rated a minimum of 3300 psi.
•Always engage the trigger lock when not spraying. Verify the trigger lock is functioning
properly.
•Verify that all connections are secure before operating the unit.
•Know how to stop the unit and bleed pressure quickly. Be thoroughly familiar with the
controls.
EQUIPMENT MISUSE HAZARD
Misuse can cause death or serious injury.
•Always wear appropriate gloves, eye protection, and a respirator or mask when painting.
•Do not operate or spray near children. Keep children away from equipment at all times.
•Do not overreach or stand on an unstable support. Keep effective footing and balance at
all times.
•Stay alert and watch what you are doing.
•Do not operate the unit when fatigued or under the influence of drugs or alcohol.
•Do not kink or over-bend the hose.
•Do not expose the hose to temperatures or to pressures in excess of those specified by
Graco.
•Do not use the hose as a strength member to pull or lift the equipment.
•Do not spray with a hose shorter than 25 feet.
•Do not alter or modify equipment. Alterations or modifications may void agency approvals
and create safety hazards.
•Make sure all equipment is rated and approved for the environment in which you are using
it.

Warnings
334567B 7
ELECTRIC SHOCK HAZARD
This equipment must be grounded. Improper grounding, setup, or usage of the system can
cause electric shock.
•Turn off and disconnect power cord before servicing equipment.
•Connect only to grounded electrical outlets.
•Use only 3-wire extension cords.
•Ensure ground prongs are intact on power and extension cords.
•Do not expose to rain. Store indoors.
PRESSURIZED ALUMINUM PARTS HAZARD
Use of fluids that are incompatible with aluminum in pressurized equipment can cause serious
chemical reaction and equipment rupture. Failure to follow this warning can result in death,
serious injury, or property damage.
•Do not use 1,1,1-trichloroethane, methylene chloride, other halogenated hydrocarbon
solvents or fluids containing such solvents.
•Do not use chlorine bleach.
•Many other fluids may contain chemicals that can react with aluminum. Contact your
material supplier for compatibility.
MOVING PARTS HAZARD
Moving parts can pinch, cut, or amputate fingers and other body parts.
•Keep clear of moving parts.
•Do not operate equipment with protective guards or covers removed.
•Pressurized equipment can start without warning. Before checking, moving, or servicing
equipment, follow the Pressure Relief Procedure and disconnect all power sources.
TOXIC FLUID OR FUMES HAZARD
Toxic fluids or fumes can cause serious injury or death if splashed in the eyes or on skin,
inhaled, or swallowed.
•Read MSDSs to know the specific hazards of the fluids you are using.
•Store hazardous fluid in approved containers, and dispose of it according to applicable
guidelines.
PERSONAL PROTECTIVE EQUIPMENT
Wear appropriate protective equipment when in the work area to help prevent serious injury,
including eye injury, hearing loss, inhalation of toxic fumes, and burns. This protective
equipment includes but is not limited to:
•Protective eyewear, and hearing protection.
•Respirators, protective clothing, and gloves as recommended by the fluid and solvent
manufacturer.
CALIFORNIA PROPOSITION 65
This product contains a chemical known to the State of California to cause cancer, birth defects
or other reproductive harm. Wash hands after handling.

Component Identification
8334567B
Component Identification
Stand Models
U
K
S
M
N
V
P
R
A
B
D
ti24091a
JG
F
L
H
F
A ON/OFF Switch
B Pressure Control
D Prime Valve
F Tip Guard
G Spray Tip
HGun
J Airless Hose
K Power Cord
L Trigger Lock
M Drain Tube
N Fluid Intake
PPump
R Fluid Outlet
S Power Cord Wrap
UFilter
V Finger Guard / TSL Fill Point
Model/Serial Tag (Not shown, located
on bottom of unit.)

Component Identification
334567B 9
Lo-Boy Models
U
K
S
M
N
V
P
R
A
B
D
ti24093a
JG
F
L
H
A ON/OFF Switch
B Pressure Control
D Prime Valve
F Tip Guard
G Spray Tip
HGun
J Airless Hose
K Power Cord
L Trigger Lock
M Drain Tube
N Fluid Intake
PPump
R Fluid Outlet
UFilter
V Finger Guard / TSL Fill Point
Model/Serial Tag (Not shown, located
on bottom of unit.)

Component Identification
10 334567B
Hi-Boy Models
ti24092a
JG
F
L
H
F
U
K
M
N
V
P
RT
A
B
D
S
A ON/OFF Switch
B Pressure Control
D Prime Valve
F Tip Guard
G Spray Tip
HGun
J Airless Hose
K Power Cord
L Trigger Lock
M Drain Tube
N Fluid Intake
PPump
R Fluid Outlet
S Hanger
TFilter
U Finger Guard / TSL Fill Point
V Pail Hook
Model/Serial Tag (Not shown, located
on bottom of unit.)

Grounding
334567B 11
Grounding
This sprayer includes a ground wire with an
appropriate ground contact.
The plug must be plugged into an outlet that
is properly installed and grounded in
accordance with all local codes and
ordinances.
Do not modify the plug provided; if it does not
fit the outlet, have the proper outlet installed
by a qualified electrician.
Power Requirements
•110-120V units require 100-120 VAC,
50/60 Hz, 13A, 1 phase.
•230V units require 230 VAC, 50/60 HZ,
8A, 1 phase.
Extension Cords
Use an extension cord with an undamaged
ground contact. If an extension cord is
necessary, use a 3-wire, 12 AWG (2.5 mm2)
minimum.
NOTE: Smaller gauge or longer extension
cords may reduce sprayer performance.
Pails
Solvent and oil-based fluids: follow local
code. Use only conductive metal pails,
placed on a grounded surface such as
concrete.
Do not place pail on a non-conductive surface
such as paper or cardboard which interrupts
grounding continuity.
Always ground a metal pail: connect a
ground wire to the pail. Clamp one end to the
pail and the other end to a true earth ground
such as a water pipe.
To maintain ground continuity when
sprayer is flushed or pressure is relieved:
hold metal part of spray gun firmly to the side
of a grounded metal pail then trigger the gun.
The equipment must be grounded to
reduce the risk of static sparking and
electric shock. An electric or static spark
can cause fumes to ignite or explode. An
improper ground can cause electric shock.
A good ground provides an escape wire for
the electric current.
ti24584a
ti24585a

Pressure Relief Procedure
12 334567B
Pressure Relief Procedure
Follow the Pressure Relief
Procedure whenever you see this
symbol.
1. Turn ON/OFF switch to OFF position.
Wait 7 seconds for power to dissipate.
2. Engage trigger lock.
3. Remove tip guard.
4. Turn pressure control to lowest setting.
Disengage trigger lock.
This equipment stays pressurized until
pressure is manually relieved. To help
prevent serious injury from pressurized
fluid, such as skin injection, splashed fluid
and moving parts, follow the Pressure
Relief Procedure whenever sprayer is
stopped and before sprayer is cleaned or
checked, and before equipment is
serviced.
ti25130a
ti24931a
ti24592a
ti25230a

Pressure Relief Procedure
334567B 13
5. Hold a metal part of the gun firmly to a
grounded metal pail. Trigger the gun to
relieve pressure.
6. Engage trigger lock.
7. Put drain tube in pail. Turn prime valve
down. Leave prime valve in down (drain)
position until you are ready to spray
again.
8. If you suspect the spray tip or hose is
clogged or that pressure has not been
fully relieved:
a. VERY SLOWLY loosen tip guard
retaining nut or hose end coupling to
relieve pressure gradually.
b. Loosen nut or coupling completely.
c. Clear hose or tip obstruction.
Trigger Lock
Always engage the trigger lock when sprayer
is stopped to prevent the gun from being
triggered accidentally by hand or if dropped
or bumped.
ti24585a
ti24607a
ti24612a

Setup
14 334567B
Setup
When unpacking sprayer for the first time or
after long term storage perform setup
procedure. When first setup is performed
remove shipping plug from fluid outlet.
1. Connect Graco airless hose to fluid
outlet. Use wrenches to tighten securely.
2. Connect other end of hose to gun.
3. Use wrenches to tighten securely.
4. Engage trigger lock.
ti24616a
ti24633a
ti24931a

Setup
334567B 15
5. Remove tip guard.
6. When unpacking sprayer for the first
time remove packaging materials from
inlet strainer. After long term storage
check inlet strainer for clogs and debris.
7. Fill throat packing nut with TSL to
prevent premature packing wear. Do this
daily or each time you spray.
a. Place the TSL bottle nozzle into the
top center opening in the grill at the
front of the sprayer.
b. Squeeze bottle to dispense enough
TSL to fill the space between the
pump rod and packing nut seal.
8. Make certain ON/OFF switch is OFF.
9. Plug power supply cord into a properly
grounded electrical outlet.
10. Turn prime valve down.
ti24592a
ti24638a
ti24639a
ti25130a
ti24651a

Setup
16 334567B
11. Place fluid intake with drain tube in
grounded metal pail partially filled with
flushing fluid. See Grounding, page 11.
12. Turn pressure control to lowest setting.
13. Turn ON/OFF switch to ON position.
14. Increase pressure 1/2 turn to start motor.
Allow fluid to flush through sprayer for
one minute.
15. Turn prime valve horizontal. Disengage
trigger lock.
16. Hold a metal part of the gun firmly to a
grounded metal pail. Trigger gun and
flush until clean.
17. Turn ON/OFF switch to OFF position.
18. Engage trigger lock.
19. After flushing storage fluid out of the
sprayer empty pail. Replace fluid intake
with drain tube in grounded metal pail
partially filled with flushing fluid. Use
water to flush water-based paint or
mineral spirits to flush oil-based paint.
20. Turn ON/OFF switch to ON position.
21. Turn prime valve horizontal. Disengage
trigger lock.
22. Hold a metal part of the gun firmly to a
grounded metal pail. Trigger gun and
flush for one minute.
23. Turn ON/OFF switch to OFF position.
24. Engage trigger lock.
25. Sprayer is now ready to start up and
spray.
NOTE: New sprayers are shipped with
storage fluid that must be flushed out with
mineral spirits prior to using the sprayer.
Check flushing fluid for compatibility with
material that is to be sprayed. A secondary
flush with a compatible fluid may be
necessary. Water for latex paint or mineral
spirits for oil-based paint.
ti24608a
ti24640a
ti24646a

Startup
334567B 17
Startup
1. Perform Pressure Relief Procedure,
page 12.
2. Turn pressure control to lowest
pressure.
3. Turn ON/OFF switch to ON position.
4. Place fluid intake in paint pail. Place
drain tube in waste pail.
5. Increase pressure 1/2 turn to start motor.
Allow paint to circulate through sprayer
until paint flows out the drain tube.
6. Turn prime valve horizontal. Disengage
trigger lock.
ti25230a
ti25129a
ti25231a
ti24646a

Startup
18 334567B
7. Hold gun against grounded metal waste
pail. Trigger gun until paint appears.
8. Move gun to paint pail and trigger for 20
seconds. Release trigger and allow
sprayer to build pressure. Engage
trigger lock.
9. Inspect for leaks. If leaks occur, perform
Pressure Relief Procedure, page 12,
then tighten all fittings and repeat
Startup procedure. If there are no leaks
continue with the next step.
10. Screw tip assembly onto gun and
tighten. See Spray Tip Installation,
page 19. For gun assembly instructions,
see separate gun manual.
High-pressure spray is able to inject toxins
into the body and cause serious bodily
injury. Do not stop leaks with hand or rag.
ti24647a
1 m
ti24649a
20 s
ti24652a

Operation
334567B 19
Operation
Spray Tip Installation
1. Perform Pressure Relief
Procedure, page 12.
2. Use spray tip (A) to insert
OneSeal™ (B) into tip guard (C).
2. Insert Spray Tip.
3. Screw assembly onto gun. Tighten.
Spray
1. Spray test pattern. Adjust pressure to
eliminate heavy edges.
2. Use smaller tip size if pressure
adjustment cannot eliminate heavy
edges.
3. Hold gun perpendicular, 10-12 in. (25-30
cm) from surface. Spray back and forth;
overlap by 50%.
ti24653a
C
B
A
ti24664a
ti24652a
ti24669a

Operation
20 334567B
4. Trigger gun after moving. Release
trigger before stopping. For additional
spraying information, see separate gun
manual.
Clear Tip Clog
1. Release trigger. Engage trigger lock.
Rotate Spray Tip. Disengage trigger
lock. Trigger gun at waste area to clear
clog.
2. Engage trigger lock. Return Spray Tip to
original position. Disengage trigger lock
and continue spraying.
ti24673a
ti24674a
ti24676a

Operation
334567B 21
Cleanup
1. Perform Pressure Relief Procedure,
page 12.
2. Remove tip guard and Spray Tip. For
additional information, see separate gun
manual.
3. Remove fluid intake and drain tube from
paint, wipe excess paint off outside.
4. Place fluid intake in flushing fluid. Use
water for water base paint and mineral
spirits for oil-based paint. Place drain
tube in waste pail.
5. Turn prime valve horizontal.
ti24592a
ti24709a
ti24710a

Operation
22 334567B
6. Increase pressure 1/2 turn to start motor.
Hold gun against paint pail. Disengage
trigger lock. Trigger gun and increase
pressure until the pump runs steady and
flushing fluid appears.
7. Stop triggering gun. Move gun to waste
pail, hold gun against pail, trigger gun to
thoroughly flush system.
8. While continuing to trigger gun, turn
prime valve down. Then, release gun
trigger. Allow flushing fluid to circulate
until fluid comes out of drain tube clear.
9. Raise fluid intake above flushing fluid.
ti24712ati25232a
ti24713a
ti24714a

Operation
334567B 23
10. Turn prime valve horizontal. Trigger gun
into flushing pail to purge fluid from hose.
11. Engage trigger lock.
12. Turn pressure control knob to the lowest
pressure setting and turn ON/OFF
switch to OFF position. Disconnect
power to sprayer.
13. Remove filter from gun and sprayer if
installed. Clean and inspect. Install filter.
See separate gun manual.
14. If flushing with water, flush again with
mineral spirits or Pump Armor to leave a
protective coating to prevent freezing or
corrosion.
15. Wipe sprayer, hose and gun with a rag
soaked in water or mineral spirits.
ti24649a
20 s
ti25134a
ti24718a
ti24719a
ti24720a

Maintenance
24 334567B
Maintenance
Routine maintenance is important to ensure proper operation of your sprayer. Maintenance
includes performing routine actions which keep your sprayer in operation and prevents trouble
in the future.
Activity Interval
Inspect/clean sprayer filter, fluid inlet strainer, and gun
filter.
Daily or each time you spray
Inspect motor shield vents for blockage. Daily or each time you spray
Fill TSL by adding through TSL fill point. Daily or each time you spray
Inspect motor brushes for wear. Brushes must be 1/2 in.
(13mm) minimum length. NOTE: Brushes do not wear at
the same rate on both sides of motor. Check both brushes.
Every 1000 gallons (3785 liters)
Check sprayer stall.
With sprayer gun NOT triggered, sprayer motor should stall
and not restart until gun is triggered again.
If sprayer starts again with gun NOT triggered, inspect
pump for internal/external leaks and check prime valve for
leaks.
Every 1000 gallons (3785 liters)
Throat packing adjustment
When pump packing begins to leak after extended use,
tighten packing nut down until leakage stops or lessens.
This allows approximately 100 gallons of additional
operation before a repacking is required. Packing nut can
be tightened without O-ring removal.
As necessary based on usage

Troubleshooting
334567B 25
Troubleshooting
Mechanical/Fluid Flow
1. Follow Pressure Relief Procedure,
page 12, before checking or repairing.
2. Check all possible problems and causes
before disassembling the unit.
Problem
What to Check
If check is OK, go to next
check
What to Do
When check is not OK,
refer to this column
Pump output is low Spray tip worn. Follow Pressure Relief Procedure,
page 12, then replace tip. See
separate gun or tip manual.
Spray tip clogged. Relieve pressure. Check and clean
spray tip.
Paint supply. Refill and reprime pump.
Intake strainer clogged. Remove and clean, then reinstall.
Intake valve ball and piston ball are
not seating properly.
Remove intake valve and clean.
Check balls and seats for nicks;
replace if necessary. See pump
manual. Strain paint before using to
remove particles that could clog
pump.
Fluid filter or tip filter is clogged or
dirty.
Clean filter.
Prime valve leaking. Follow Pressure Relief Procedure,
page 12, then repair prime valve.
Verify pump does not continue to
stroke when gun trigger is released.
(Prime valve not leaking.)
Service pump. See pump manual.
Leaking around throat packing nut
which may indicate worn or damaged
packings.
Replace packings. See pump manual.
Also check piston valve seat for
hardened paint or nicks and replace if
necessary. Tighten packing
nut/wet-cup.

Troubleshooting
26 334567B
Pump output is low Pump rod damage. Repair pump. See pump manual.
Low stall pressure. Turn pressure knob fully clockwise.
Make sure pressure control knob is
properly installed to allow full
clockwise position. If problem
persists, replace pressure control.
Piston packings are worn or
damaged.
Replace packings. See pump manual.
O-ring in pump is worn or damaged. Replace o-ring. See pump manual.
Intake valve ball is packed with
material.
Clean intake valve. See pump
manual.
Large pressure drop in hose with
heavy materials.
Reduce overall length of hose.
Check extension cord for correct size. See Extension Cords, page 11.
Loose motor brushes and terminals. Tighten terminal screws. Replace
brushes if leads are damaged.
Worn motor brushes. (Brushes must
be 1/2 in. [13mm] minimum length).
Replace brushes.
Broken and misaligned motor brush
springs. Rolled portion of spring must
rest squarely on top of brush.
Replace spring if broken. Realign
spring with brush.
Motor brushes are binding in brush
holders.
Clean brush holders, remove carbon
dust with a small cleaning brush.
Align brush lead with slot in brush
holder to assure free vertical brush
movement.
Motor runs but pump does not stroke Connecting rod assembly damaged.
See pump manual.
Replace connecting rod assembly.
See pump manual.
Gears or drive housing damaged. Inspect drive housing assembly and
gears for damage and replace if
necessary.
Excessive paint leakage into throat
packing nut
Throat packing nut is loose. Remove throat packing nut spacer.
Tighten throat packing nut just
enough to stop leakage.
Throat packings are worn or
damaged.
Replace packings. See pump manual.
Displacement rod is worn or
damaged.
Replace rod. See pump manual.
Problem
What to Check
If check is OK, go to next
check
What to Do
When check is not OK,
refer to this column

Troubleshooting
334567B 27
Fluid is spitting from gun Air in pump or hose. Check and tighten all fluid
connections. Cycle pump as slowly as
possible during priming.
Spray tip is partially clogged. Clear tip. See Clear Tip Clog, page
20.
Fluid supply is low or empty. Refill fluid supply. Prime pump. See
pump manual. Check fluid supply
often to prevent running pump dry.
Pump is difficult to prime Air in pump or hose. Check and tighten all fluid
connections. Cycle pump as slowly as
possible during priming.
Intake valve is leaking. Clean intake valve. Be sure ball seat
is not nicked or worn and that ball
seats well. Reassemble valve.
Pump packings are worn. Replace pump packings. See pump
manual.
Paint is too thick. Thin the paint according to supplier
recommendations.
Sprayer operates for 5 to 10 minutes
then stops
Pump packing nut too tight. When
pump packing nut is too tight the
packings on the pump rod restrict
pump action and overloads the motor.
Loosen pump packing nut. Check for
leaks around throat. If necessary,
replace pump packings. See Pump
manual.
Problem
What to Check
If check is OK, go to next
check
What to Do
When check is not OK,
refer to this column

Troubleshooting
28 334567B
Electrical
Symptom: Sprayer does not run, stops
running, or will not shut off.
Perform Pressure Relief Procedure, page
12.
1. Plug sprayer into correct voltage,
grounded outlet.
2. Turn the ON/OFF switch OFF wait 30
seconds and then turn power back ON
again (this ensures sprayer is in normal
run mode).
3. Turn pressure control knob clockwise
1/2 turn.
Keep clear of electrical and moving parts
during troubleshooting procedures. To
avoid electrical shock hazards when
covers are removed for troubleshooting,
wait 7 seconds after disconnecting power
cord for stored electricity to dissipate.
Problem What to Check How to check
Sprayer does not run at all. Check electrical supply. Make certain that there is AC voltage.
100-130V for 110-120VAC models or
210-255V for 230VAC models.
Check pressure control connections. Make certain connector is clean and
firmly connected.
Check pressure control. Connect known good pressure
control. If the motor runs, replace
pressure control.
Check replaceable fuse. With sprayer unplugged (no power
applied), make certain there is
continuity through the fuse.
Check motor leads. Make certain terminals are clean and
firmly connected.

Troubleshooting
334567B 29
Check motor rotation. Perform a spin test by connecting a 9
–12 Volt battery to the motor leads.
Motor leads may vary in style and
size. Locate the two wires going to the
carbon brushes normally Red and
Black. Motor should spin when battery
is connected to the motor leads.
Check motor thermal switch. Motor should be at ambient
temperature for this test. Connect the
yellow leads from the motor to an
Ohm meter. Meter should indicate
continuity.
Problem What to Check How to check
YELLOW
BLACK (-)
RED (+)
ti25122a
9-VOLT
BATTERY
YELLOW
BLACK (-)
RED (+)
ti25123a
-
BEEP
+
-

Troubleshooting
30 334567B
Check motor armature resistance. Connect the Red and Black leads
from the motor to an Ohm meter.
Rotate the motor while checking for
opens. If an open is found replace the
motor.
Check for motor short. Use an Ohm meter to check motor for
shorts. Connect (–) meter lead to
motor case. Move the (+) meter lead
to each motor wire. Meter should read
open on all wires.
Problem What to Check How to check
BLACK (-)
RED (+)
YELLOW
-
-
1-3 ohms
ti25124
a
OL
BLACK (-)
RED (+)
YELLOW
ti25125a
-
-
GROUND

Troubleshooting
334567B 31
Sprayer will not shut off after reaching
or exceeding maximum pressure.
Check pressure control. Disconnect pressure control, if
sprayer still runs, replace control
board. If the sprayer stops, replace
pressure control.
Basic electrical problems Motor leads are securely fastened
and properly mated
Replace loose terminals; crimp to
leads. Be sure terminal are firmly
connected.
Clean circuit board terminals.
Securely reconnect leads.
For loose motor brush lead
connections and terminals.
Tighten terminal screws. Replace
brushes if leads are damaged.
Brushes must be 1/2 in. [13mm]
minimum. NOTE: Brushes do not
wear at the same rate on both sides
of motor. Check both brushes.
Replace brushes.
Broken or misaligned motor brush
springs. Rolled portion of spring must
rest squarely on top of brush.
Replace spring if broken. Realign
spring with brush.
Motor brushes may be binding in
brush holders.
Clean brush holders. Remove carbon
with small cleaning brush. Align brush
leads with slot in brush holder to
assure free vertical brush movement.
Motor armature commutator for burn
spots, gouges or extreme roughness.
Remove motor and have motor shop
resurface commutator if possible.
Problem What to Check How to check

Sprayers Parts
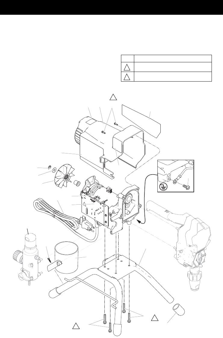
334567B 33
40
44
25
45 43
41
69
47
66
132
22
63
12
70
91
14
37
20
39
60
62
55
145
ti24098a
28
27
1
2
3
Ref. Torque
140-160 in-lb (15.8 - 18.1 N•m)
30-35 in-lb (3.4 - 4.0 N•m)
Hammer tight
1
2
3

Sprayers Parts
34 334567B
190, 290, 390 Stand Sprayers Parts List
Ref. Part Description Qty.
7 115498 SCREW, mch, slot/hex,
wash hd
1
12 117501 SCREW, mach, slot
hex wash hd
4
14 117559 O-RING 2
20 249051 KIT, tube, drain
includes 39,55, 62, 145
1
22 COVER, front 1
17C540 Stand models
17A322,17A323,
17C117, 17C341,
17C438,17C344,
17C384
17C539 Stand models
17C310, 17C346,
17C347, 17C348,
17C385, 17C386,
17C389, 826195
23 SHIELD, motor 1
15E341 Stand models
17A322,17A323,
17C117, 17C341,
17C438,17C344,
17C384
15J371 Stand models
17C310, 17C346,
17C347, 17C348,
17C385, 17C386,
17C389, 826195
25 180131 BEARING, thrust 1
27 See page
41
HOSE, cpld, 1/4 in. x 25
or 50 ft
1
28 See page
41
GUN, spray 1
34See page
41
CARD, medical alert
(not shown)
1
36189930 LABEL, caution 1
37 246385 STRAINER, 7/8-14 unf 1
39 244035 DEFLECTOR, barbed 1
40 249194 GEAR, reducer 1
41 PUMP, displacement 1
17C487 North America
17C488 Europe
17C489 Asia/ANZ/Japan
42 24W817 HOUSING, drive
includes 47
1
43 24W640 ROD, connecting 1
44 24X020 GEAR, crankshaft
includes 25
1
45 24W830 KIT, hose, cpld
includes 132
1
47 117493 SCREW, mach, hex
washer hd
9
52 See page
41
LABEL, front 1
53 See page
41
LABEL, side 1
54 * KIT, motor, electric
includes 54a, 54b, 54c
1
17C794 110/120V
17C799 230V
54a 119653 RING, retaining, E-ring 1
54b 17C583 FAN, motor, roller,
clutch
1
54c 16X726 WASHER, shim, round 1
55 15E818 TUBE, drain 1
56 See page
42
CORD, power 1
59 15E823 FRAME, stand mount 1
60 246386 HOSE, suction set
includes 14, 37, 91
1
62 404989 STRAP, tie 1
63See page
41
LABEL, warning 1
65See page
41
LABEL, warning icons
intl
1
66 116139 GRIP, handle 1
67 15G857 CAP, leg 4
68 287903 CUP, suction/drain 1
69 287072 HANDLE includes 47,
66
1
70 17C483 COVER, pump rod 1
71 122667 SCREW, drill, hex
washer head
1
91 115099 WASHER 1
132 16H137 PACKING, O-RING 1
206994 FLUID, TSL, 8 oz (not
shown)
1
145 M70809 FITTING, barbed, hose 1
* For motor brush kit order 249042
Replacement Danger and Warning labels,
tags, and cards are available at no cost.
Ref. Part Description Qty.

390 Lo-Boy Sprayer Parts
36 334567B
43
45
41
132
91
60
14
37
ti24100a
22
52
1270
47
42
117
25
44
40
20
39
62
55
145
28
27
3
1
2
Ref. Torque
140-160 in-lb (15.8 - 18.1 N•m)
30-35 in-lb (3.4 - 4.0 N•m)
Hammer tight
1
2
3

390 Lo-Boy Sprayer Parts
334567B 37
390 Lo-Boy Sprayer Parts List
Ref. Part Description Qty.
7 115498 SCREW, mch,
slot/hex, wash hd
1
12 117501 SCREW, mach, slot
hex wash hd
4
14 117559 O-RING 2
20 249051 KIT, tube, drain
includes 39,55, 62, 145
1
22 17C539 COVER, front 1
23 15J371 SHIELD, motor 1
25 180131 BEARING, thrust 1
27 240794 HOSE, cpld, 1/4 in. x
50 ft
1
28 288427 GUN, spray 1
3417A134 CARD, medical alert
(not shown)
1
37 246385 STRAINER, 7/8-14 unf 1
39 244035 DEFLECTOR, barbed 1
40 249194 GEAR, reducer 1
41 17C489 PUMP, displacement 1
42 24W817 HOUSING, drive
includes 47
1
43 24W640 ROD, connecting 1
44 24X020 GEAR, crankshaft
includes 25
1
45 24W830 KIT, hose, cpld
includes 132
1
46 107310 PLUG, tubing 2
47 117493 SCREW, mach, hex
washer hd
8
52 17C819 LABEL, front 1
53 17C820 LABEL, side 1
54 * 17C798 KIT, motor, electric,
230V includes 54a,
54b, 54c
1
54a 119653 RING, retaining, E-ring 1
54b 17C583 FAN, motor, roller,
clutch
1
54c 16X726 WASHER, shim, round 1
55 15E818 TUBE, drain 1
56 See page
42
CORD, power 1
59 246250 FRAME, cart, lo 1
60 246386 HOSE, suction set
includes 14, 37, 91
1
62 404989 STRAP, tie 1
6315H087 LABEL, warning 1
65189930 LABEL, warning icons
intl
1
66 15B999 CLIP, retaining 2
68 104811 CAP, hub 2
69 287488 HANDLE 1
70 17C483 COVER, pump rod 1
74 195766 WHEEL,
semi-pneumatic
2
82 122667 SCREW, drill, hex
washer hd
2
83 15B870 CUP, suction/drain 1
91 115099 WASHER 1
117 15G447 PLUG, shield, painted 1
132 16H137 PACKING, O-RING 1
145 M70809 FITTING, barbed, hose 1
150 109032 SCREW, mach, pnh 4
206994 FLUID, TSL, 8 oz (not
shown)
1
* For motor brush kit order 249042
Replacement Danger and Warning labels,
tags, and cards are available at no cost.
Ref. Part Description Qty.

190, 290, 390 Hi-Boy Sprayers Parts
334567B 39
43
41
132
62
39
55
45
13
60
37
14
87
95
70
136
40
22
12
47
42
25
137
44
52
ti24102a
145
28
27
1
2
3
Ref. Torque
140-160 in-lb (15.8 - 18.1 N•m)
30-35 in-lb (3.4 - 4.0 N•m)
Hammer tight
1
2
3

190, 290, 390 Hi-Boy Sprayers Parts
40 334567B
190, 290, 390 Hi-Boy Sprayers Parts List
Ref. Part Description Qty.
7 115498 SCREW, mch,
slot/hex, wash hd
1
12 117501 SCREW, mach, slot
hex wash hd
4
13 115099 WASHER 1
14 103413 PACKING, O-ring 1
22 COVER, front 1
17C540 Hi-Boy models
17C342, 17C343
17C539 Hi-Boy models
17C313, 17C349,
17C350, 17C351,
17C388
23 SHIELD, motor 1
15E341 Hi-Boy models
17C342, 17C343
15J371 Hi-Boy models
17C313,17C349,
17C350, 17C351,
17C388
25 180131 BEARING, thrust 1
27 See page
41
HOSE, cpld, 1/4 in. x
25 or 50 ft
1
28 See page
41
GUN, spray 1
34See page
41
CARD, medical alert
(not shown)
1
36189930 LABEL, caution 1
37 235004 STRAINER, 7/8-14 unf 1
39 244035 DEFLECTOR, barbed 1
40 249194 GEAR, reducer 1
41 PUMP, displacement 1
17C487 North America
17C488 Europe
17C489 Asia/ANZ/Japan
42 24W817 HOUSING, drive
includes 47
1
43 24W640 ROD, connecting 1
44 24X020 GEAR, crankshaft
includes 25
1
45 24W830 KIT, hose, cpld
includes 132
1
46 108691 PLUG, tubing 2
47 117493 SCREW, mach, hex
washer hd
8
52 See page
41
LABEL, front 1
53 See page
41
LABEL, side 1
54 * KIT, motor, electric
includes 54, 54b, 54c
1
17C794 110/120V
17C799 230V
54a 17C583 FAN, motor, roller,
clutch
1
54b 16X726 WASHER, shim, round 1
54c 119653 RING, retaining, E-ring 1
55 15K092 TUBE, drain 1
56 See page
42
CORD, power 1
59 17C485 FRAME, cart universal 1
60 15J801 HOSE, suction set
includes 13, 14, 37, 87,
95
1
62 195400 CLIP, spring 1
63See page
41
LABEL, warnings 1
65See page
41
LABEL, warning 1
67 109032 SCREW, mach, pnh 4
68 119452 CAP, hub 2
69 287489 HANDLE assy, hi cart 1
70 17C483 COVER, pump rod 1
74 119451 WHEEL,
semi-pneumatic
2
87 15B652 WASHER, suction 1
95 15E813 NUT, jam 1
132 16H137 PACKING, O-ring 1
136 17C990 HANGER, pail 1
137 111040 NUT, lock, insert 2
145 M70809 FITTING, barbed, hose 1
206994 FLUID, TSL, 8 oz (not
shown)
1
* For motor brush kit order 249042
Replacement Danger and Warning labels,
tags, and cards are available at no cost.
Ref. Part Description Qty.

Accessories and Labels
334567B 41
Accessories and Labels
Sprayer
Model
Ref. 27
Hose, 1/4
in. x ft
Ref. 28
Gun, Spray
Ref. 52
Label, Front
Ref. 53
Label,
Side
Ref. 65
Label,
Warning
Ref. 34
Card,
Medical
Alert
Ref. 63
Label,
Danger
17A322 247339 243012 17B217 17B218 195793 & 222385 # 15K359 #
17A323 247339 289843 17B217 17B218 - - - 222385 # 16G596 $
17C117 247339 244238 17B217 17B218 17C136 * 222385 # 17C135 *
17C310
17C313 240794 288430 17C819 17C820 195793 & 222385 # 15K359 #
17C341
17C342
17C438
240793 289843 17C860 17C861 - - - 222385 # 16G596 $
17C343
17C344 240794 288438 17C862 17C863 - - - 222385 # 16G596 $
17C346
17C347
17C348
17C349
17C350
17C351
240794 288438 17C853 17C854 - - - 222385 # 16G596 $
17C384 247339 16X214 17B217 17B218 17A134 % 15H087 @
17C385 240794 288430 17C819 17C820 195792 & 17A134 % 15H086 #
17C386
17C388 240794 288427 17C819 17C820 - - - 17A134 % 15H087 @
17C389 247340 16X214 17C853 17C854 - - - 17A134 % 15H087 @
826195 826079 288430 17C821 17C822 195793 & 222385 # 15K359 #
288526 – Kit, accessory, hopper
# – English, Spanish, French @ – Asia/ANZ
% – English, Chinese, Korean $ – Europe
& – North America * – English, Spanish, Portuguese
– 25 ft. (7.6m)
– 50 ft. (15.2m)
Replacement Danger and Warning labels, tags, and cards are available at no cost.

Control Box and Filter
42 334567B
Control Box and Filter
146
150
15
24
24
36
35
27
17 18
16
2
49
56
12
97
21
38
51
4
526
ti25121a
49a
133
56
90
91
91
2
1
8
7
1
Ref. Torque
140-160 in-lb (15.8 - 18.1 N•m)
30-35 in-lb (3.4 - 4.0 N•m)
130-150 in-lb (14.7 - 16.9 N•m)
48-72 in-lb (5.4 - 8.1 N•m)
1
2
7
8

Control Box and Filter
334567B 43
Control and Filter Parts List
Ref. Part Description Qty.
2 104361 PACKING, o-ring 1
4 111600 PIN, grooved 1
5 277364 GASKET, seat, valve 1
12 117501 SCREW, mach, hex
washer hd
3
15 MANIFOLD, fluid 1
17C590 Tall, no gauge, models,
17C310, 17C313,
17C385, 826195
17C591 Tall, with gauge,
models, 17C346,
17C347, 17C348,
17C349,17C350,
17C351, 17C386,
17C387, 17C388
17C592 Short, no gauge,
model, 17C389
17C593 Short with gauge,
models, 17C343,
17C344
15E295 With gauge, models,
17C341
No gauge, models,
17A322, 17A323,
17C342, 17C438,
17C384, 17C117
16 FILTER, fluid 1
Tall manifold
246425 30 mesh
246384 60 mesh, original
246382 100 mesh
246383 200 mesh
Short manifold
243080 60 mesh, original
243081 100 mesh
17 CAP, manifold 1
287902 KIT, cap, tall manifold,
includes 18
243102 KIT, cap, short
manifold, includes 18,
16 (60 mesh)
18 INSERT, filter 1
15B071 Tall
15E288 Short
19 115756 BUSHING, motor wire 1
21 17C725 INDICATOR, control
pressure
1
24 162453 NIPPLE, (1/4 npsm x
1/4 npt)
2
26 15E022 SEAT, valve 1
27 187625 HANDLE, valve, drain 1
35 239914 VALVE, drain, includes
5, 26
1
36 224807 BASE, valve 1
38 KIT, control, pressure,
includes 19, 20, 51
1
24X312 120V, models 17A322
24X313 230V, models 17A323,
17C438, 17C342,
17C389, 17C117
24X289 120V, models 17C310,
17C313, 17C347,
17C350, 17C385,
826195
24X290 230V, models 17C343,
17C344, 17C346,
17C348, 17C349,
17C351, 17C384,
17C387, 17C388
49 BOARD, control 1
249052 120V
16X295 230V includes 49a
49a 24R905 BOARD, capacitor,
230V
1
51 15A464 LABEL, control 1
56 CORD, power 1
15J743 US/Japan
242001 Europe
253370 CORD, IEC, jumper
16W745 CORD, CEE
257805 KIT, repair, Europe
253369 Europe, CEE 7/7
253373 Multicord, Asia/ANZ
90 195551 RETAINER, plug,
adapter
Multicord models 2
CEE 7/7 models 1
91 CORD SET, adapter 1
242005 Australia
253368 UK
97 17C735 SCREW, mach, HWH 2
133 244285 ADAPTER, Japan 1
145 M70809 FITTING, barbed 1
146 17D294 SPACER, manifold 2
150 119277 Fuse replacement 1
115523 GAUGE, pressure,
fluid, not shown (on
select models)
1
119783 FITTING, tee, swivel
(on models with gauge)
1
Ref. Part Description Qty.

Wiring Diagrams
44 334567B
Wiring Diagrams
120V, US/Japan
Red (+)
Black (-)
Pressure
Control
Assembly
Power
Plug White
Green
Black
from Motor
2 x Yellow
ON/OFF
Switch
ti5643a
Capacitor
Replaceable Fuse
ti5643a

Wiring Diagrams
334567B 45
110V, UK / 230V
Green with
Yellow Strip
Black (-)
Power
Plug
Blue
Brown
ON/OFF
Switch
Pressure Control
Assembly
Red (+)
from Motor
2 x Yellow
Capacitor
ti5857a
Replaceable Fuse
ti5857a

Technical Specifications
46 334567B
Technical Specifications
190/290/390
US Metric
Sprayer
Maximum fluid working pressure 3000 psi
3300 psi
207 bar, 20.7 MPa
228 bar, 22.8 MPa
Maximum Delivery 0.50 gpm 1.9 lpm
Maximum Tip Size 0.023 0.023
Fluid Outlet npsm 1/4 in. 6.3 mm
Cycles 700 per gallon 185 per liter
Generator Minimum 3000 W 3000 W
110–120V, A, Hz 1Ø, 13, 50/60
220–240V, A, Hz 1Ø, 8, 50/60
Dimensions
Height
Stand 21 in. 53.3 cm
Lo-Boy 21 in. 53.3 cm
Hi-Boy 29.5 in. (Handle down)
39.5 in. (Handle up)
74.9 cm (Handle down)
100.3 cm (Handle up)
Length
Stand 15 in. 38.1 cm
Lo-Boy 26 in. 66.0 cm
Hi-Boy 21 in. 53.3 cm
Width
Stand 14 in. 35.6 cm
Lo-Boy 20.5 in. 52.1 cm
Hi-Boy 20.5 in. 52.1 cm
Weight
Stand 43 lb. 20 kg
Lo-Boy 63 lb. 29 kg
Hi-Boy 66 lb. 30 kg
Noise** (dBa) @ 70 psi (0.48 MPa, 4.8 bar)
Sound pressure 90 dBa
Sound power 100 dBa

Technical Specifications
334567B 47
Materials of Construction
Wetted materials on all models zinc- and nickel-plated carbon steel, nylon, stainless steel,
PTFE, Acetal, leather, UHMWPE, aluminum, tungsten
carbide, polyethylene, fluoroelastomer, urethane
Notes
* Startup pressures and displacement per cycle may vary based on suction condition,
discharge head, air pressure, and fluid type.
** Sound pressure measured 3 feet (1 meter) from equipment.
Sound power measured per ISO-3744.
190/290/390
US Metric

Graco Standard Warranty
48 334567B
Graco Standard Warranty
Graco warrants all equipment referenced in this document which is manufactured by Graco and bearing
its name to be free from defects in material and workmanship on the date of sale to the original purchaser
for use. With the exception of any special, extended, or limited warranty published by Graco, Graco will,
for a period of twelve months from the date of sale, repair or replace any part of the equipment
determined by Graco to be defective. This warranty applies only when the equipment is installed,
operated and maintained in accordance with Graco’s written recommendations.
This warranty does not cover, and Graco shall not be liable for general wear and tear, or any malfunction,
damage or wear caused by faulty installation, misapplication, abrasion, corrosion, inadequate or
improper maintenance, negligence, accident, tampering, or substitution of non-Graco component parts.
Nor shall Graco be liable for malfunction, damage or wear caused by the incompatibility of Graco
equipment with structures, accessories, equipment or materials not supplied by Graco, or the improper
design, manufacture, installation, operation or maintenance of structures, accessories, equipment or
materials not supplied by Graco.
This warranty is conditioned upon the prepaid return of the equipment claimed to be defective to an
authorized Graco distributor for verification of the claimed defect. If the claimed defect is verified, Graco
will repair or replace free of charge any defective parts. The equipment will be returned to the original
purchaser transportation prepaid. If inspection of the equipment does not disclose any defect in material
or workmanship, repairs will be made at a reasonable charge, which charges may include the costs of
parts, labor, and transportation.
THIS WARRANTY IS EXCLUSIVE, AND IS IN LIEU OF ANY OTHER WARRANTIES, EXPRESS OR
IMPLIED, INCLUDING BUT NOT LIMITED TO WARRANTY OF MERCHANTABILITY OR WARRANTY
OF FITNESS FOR A PARTICULAR PURPOSE.
Graco’s sole obligation and buyer’s sole remedy for any breach of warranty shall be as set forth above.
The buyer agrees that no other remedy (including, but not limited to, incidental or consequential
damages for lost profits, lost sales, injury to person or property, or any other incidental or consequential
loss) shall be available. Any action for breach of warranty must be brought within two (2) years of the
date of sale.
GRACO MAKES NO WARRANTY, AND DISCLAIMS ALL IMPLIED WARRANTIES OF
MERCHANTABILITY AND FITNESS FOR A PARTICULAR PURPOSE, IN CONNECTION WITH
ACCESSORIES, EQUIPMENT, MATERIALS OR COMPONENTS SOLD BUT NOT MANUFACTURED
BY GRACO. These items sold, but not manufactured by Graco (such as electric motors, switches, hose,
etc.), are subject to the warranty, if any, of their manufacturer. Graco will provide purchaser with
reasonable assistance in making any claim for breach of these warranties.
In no event will Graco be liable for indirect, incidental, special or consequential damages resulting from
Graco supplying equipment hereunder, or the furnishing, performance, or use of any products or other
goods sold hereto, whether due to a breach of contract, breach of warranty, the negligence of Graco, or
otherwise.
FOR GRACO CANADA CUSTOMERS
The Parties acknowledge that they have required that the present document, as well as all documents,
notices and legal proceedings entered into, given or instituted pursuant hereto or relating directly or
indirectly hereto, be drawn up in English. Les parties reconnaissent avoir convenu que la rédaction du
présente document sera en Anglais, ainsi que tous documents, avis et procédures judiciaires exécutés,
donnés ou intentés, à la suite de ou en rapport, directement ou indirectement, avec les procédures
concernées.
All written and visual data contained in this document reflects the latest product information available at
the time of publication.
Graco reserves the right to make changes at any time without notice.
Original instructions. This manual contains English. MM 334567
Graco Headquarters: Minneapolis
International Offices: Belgium, China, Japan, Korea
GRACO INC. AND SUBSIDIARIES • P.O. BOX 1441 • MINNEAPOLIS MN 55440-1441 • USA
Copyright 2014, Graco Inc. All Graco manufacturing locations are registered to ISO 9001.
www.graco.com
Revision B, December 2014
Graco Information
For the latest information about Graco products, visit www.graco.com.
For patent information, see www.graco.com/patents.
TO PLACE AN ORDER, contact your Graco distributor or call 1-800-690-2894 to identify the
nearest distributor.


