Graco 3A0244G Gmax Ii 3900 7900 Texspray 5900Hd 7900Hd Users Manual 3900/7900, 5900HD/7900HD Airless Sprayers, Parts, English
2015-04-02
: Graco Graco-3A0244G-Gmax-Ii-3900-7900-Texspray-5900Hd-7900Hd-Users-Manual-686184 graco-3a0244g-gmax-ii-3900-7900-texspray-5900hd-7900hd-users-manual-686184 graco pdf
Open the PDF directly: View PDF
.
Page Count: 16

Parts
GMAX™ II 3900/5900/7900
TexSpray™ 5900HD/7900HD
Airless Sprayers
Korean patent: 10-0647761
- For Portable Airless Spraying of Architectural Coatings and Paints. For professional use only.
Not for use in explosive atmospheres.-
3300 psi (22.8 MPa, 228 bar) Maximum Working Pressure
IMPORTANT SAFETY INSTRUCTIONS
Read all warnings and instructions in this
manual. Save these instructions.
GMAX 3900
Model Hi-Boy
Premium
(QuikReel)
Hi-Boy
Standard
Lo-Boy
Premium
(QuikReel)
Lo-Boy
Standard
248683
248684
249335
258731
258736
GMAX 5900
Model Hi-Boy
Premium
(QuikReel)
Hi-Boy
Standard
Lo-Boy
Premium
(QuikReel)
Lo-Boy
Standard
248687
248688
258732
258737
TexSpray 5900 HD
Model Hi-Boy
Premium
(QuikReel)
Hi-Boy
Standard
Lo-Boy
Premium
(QuikReel)
Lo-Boy
Standard
258734
GMAX 7900
Model Hi-Boy
Premium
(QuikReel)
Hi-Boy
Standard
Lo-Boy
Premium
(QuikReel)
Lo-Boy
Standard
248700
248701
258733
258738
GMAX 7900
Model Hi-Boy
Premium
(QuikReel)
Hi-Boy
Standard
Lo-Boy
Premium
(QuikReel)
Lo-Boy
Standard
258735
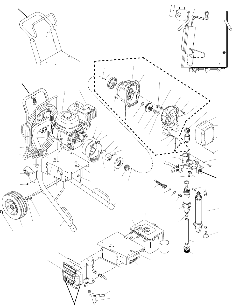
ti14916a
Related Manuals:
Operation 3A0242
Repair 3A0243
Gun 311861
3A0244G
EN

GMAX II 3900
23A0244G
GMAX II 3900
119
100
126
96
94
84
86
65
3
4
36
7
69
29
15
131
147
114
67 (Ref)
43
128 (Ref)
101
79
80
67
64
85
27
83
33
24
18
17
136
93
45
16
14
14b (Ref)
14a (Ref)
13
122
137
129
30
42
98
92
19
95
39
34
128
130
2134
49
48
66 51
52
50
50
52
12
10
11
16
133
132
47
46
53
72
16
55
52
56
2 (Ref)
149
308
308a
ti14910b
See page 12
See page 13
See
See page 8
310
40

GMAX II 3900
3A0244G 3
Parts List
Ref. Part Description Qty.
2 119250 SCREW, shoulder 1
3 237686 WIRE, ground assembly w/ clamp 1
4 112798 SCREW, thread forming, hex hd 1
5 16C384 TUBE, 3900 1
7 110837 SCREW, flange, hex 2
10 183401 KEY, parallel 1
11 15E535 HOUSING, clutch, machine 1
12 193680 COLLAR, shaft 1
13 287463 HOUSING, pinion, 3900 1
14 287467 HOUSING, drive, 3900 1
15 112395 SCREW, cap, flng HD 1
16 119426 SCREW, mach, hex washer HD 10
17 287521 COVER, front, 3900 (includes 18) 1
18 118444 SCREW, mach, slot hex wash hd 4
19 287512 PUMP, displacement 3900
(includes 85, 92, and 95)
1
24 104008 WASHER, lock, spring 4
27 189920 STRAINER, (1-11 1/2 NPSM) 1
29 15C871 CAP, leg 2
30 108879 ENGINE, gasoline, 4.0 HP 1
33 113467 SCREW, cap, socket hd 4
34 111457 PACKING, o-ring 2
36 114678 BUSHING, strain relief 1
39 119790 PACKING, o-ring 1
40 287932 HOUSING, bearing 3900 1
42194126 LABEL, warning 1
45 116618 MAGNET 1
46 114699 WASHER, thrust 1
47 114672 WASHER, thrust 1
48 108842 SCREW, cap, hex hd 4
49 100214 WASHER, lock 4
50† 108803 SCREW, hex, socket head 6
51† HUB, armature 1
52† 105510 WASHER, lock, spring (hi-collar) 10
53 287653 GEAR, combination 3900 1
55† ROTOR, clutch, 4 in. 1
56† 101682 SCREW, cap, sch 4
64 241920 DEFLECTOR, threaded 1
6515F638 LABEL, GMAX warning fire & skin 1
66† ARMATURE, clutch, 4 in. 1
67 244240 HOSE, coupled (includes 64) 1
69 110838 NUT, lock 2
72 15F250 WASHER, thrust 1
79287253 TOOL BOX (includes 94) 1
80118852 SCREW, thd forming, hex washer
hd
3
83 15F109 PIN, pump, 3900 1
85 15E807 TUBE, intake 1
86 FRAME
24D045 PREMIUM, hose reel 1
287411 STANDARD, cart 1
92 118494 PACKING, o-ring 1
93 287471 ROD, connecting 3900 1
94 117633 SCREW, slot hex wash hd 2
95 15E802 FITTING 1
96 156306 WASHER, flat 2
100 119420 WHEEL, pneumatic 2
101 113161 SCREW, flange, hex hd 3
114 BOX, control
287554 PREMIUM 1
256000 STANDARD 1
119 15E891 CLIP, retaining 2
122290228 LABEL, caution 1
126 116038 WASHER, wave spring 2
128 287419 HOSE, coupled 1
129 119579 CONDUCTOR, ground 1
130 119676 SPRING, retaining 1
131 119569 BUSHING, strain relief 1
132119562 SWITCH, reed w/connector 1
133 114528 SCREW, mach, phillips, pnhd 2
134 278204 CLIP, drain line 1
13515F354 FUNNEL, oil 1
136 15E851 LABEL, front, GMAX II 3900 1
137 114687 CLIP, retainer 1
147 15E854 LABEL, identification 1
149 15F584 LABEL, Proconnect 1
308 109032 SCREW, mach, pnh 4
308a 100020 WASHER, lock, 3900 only 4
310 287489 HANDLE, cart (standard only) 1
Replacement Danger and Warning Labels, Tags and Cards
are available at no cost.
† Included in Clutch Replacement Kit 241109.
Premium units only.
Ref. Part Description Qty.

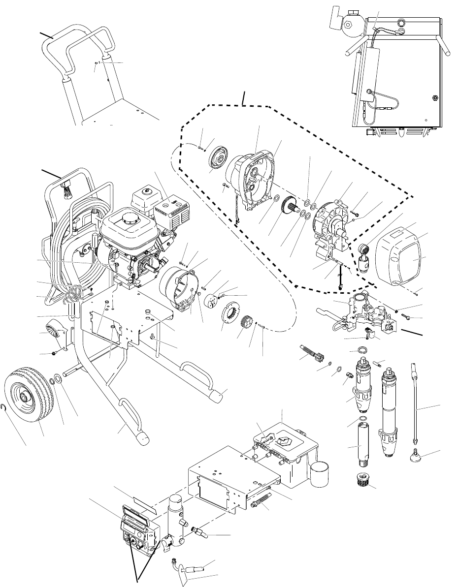
GMAX II 5900/5900HD
43A0244G
GMAX II 5900/5900HD
43
308
308a
4
3
143
2
101
100
1
120
11
12
76
16
17
14
35
127
115
130
68 (Ref)
125
87 (Ref)
99
93
94
68
69
89
82
107
41
42
45
44
119
146
34
38
33
33b (Ref)
33a (Ref)
29
122
133
15
121
40
90
47
86
160
67
87
132
10 79
21
20
25 26
24
23
23
24
22
18
19
38
108
39
30
31
32
30
38
27
24
28
5 (Ref)
37
164
See page 12
See page 13
See page 10. ti14911b
310
See page 8

GMAX II 5900/5900HD
3A0244G 5
Parts List
Ref. Part Description Qty.
1 FRAME, cart
24D047 PREMIUM, hose reel 1
287370 STANDARD, cart 1
2 156306 WASHER, flat 2
3 119509 WHEEL, pneumatic 2
4 15E891 CLIP, retaining 2
5 16C381 TUBE, hydraulic, GMAX
5900/7900
1
10 119250 SCREW, shoulder 1
11 237686 WIRE, ground assembly w/ clamp 1
12 112798 SCREW, thread forming, hex HD 1
14 276974 CAP, leg 2
15 114530 ENGINE, gas, 5.5 HP, Honda 1
16 110837 SCREW, flange, hex 2
17 110838 NUT, lock 2
18 183401 KEY, parallel 1
19 15E277 HOUSING, clutch, mach
5900/7900
1
20 108842 SCREW, cap, hex HD 4
21 100214 WASHER, lock 4
22 193680 COLLAR, shaft 1
23† 108803 SCREW, hex, socket head 6
24† 105510 WASHER, lock, spring (hi-collar) 10
25† ARMATURE, clutch, 5 in. 1
26† HUB, armature 1
27† ROTOR, clutch, 5 in. 1
28† 101682 SCREW, cap, sch 4
29 287465 HOUSING, pinion, 5900 1
30 114672 WASHER, thrust 2
31 114699 WASHER, thrust 1
32 287460 GEAR, combination 5900 1
33 287469 HOUSING, drive 5900 1
34 116618 MAGNET 1
35 112395 SCREW, cap, flng HD 1
37 104008 WASHER, lock, spring 4
38 15C753 SCREW, mach, hex wash hd 6
39 119562 SWITCH, reed w/connector 1
40 287933 HOUSING, bearing 5900 1
41 114666 SCREW, cap, socket head 4
42 106115 WASHER, lock (hi-collar) 4
43 287472 ROD, connecting 5900 1
44 287511 COVER, front, 5900 (includes 45) 1
45 118444 SCREW, mach, slot hex wash HD 4
47 PUMP, displacement
287513 5900 (includes 86, 89, 90) 1
287579 5900HD (includes 86) 1
67 111457 PACKING, o-ring 2
68 244240 HOSE, coupled (includes 69) 1
69 241920 DEFLECTOR, threaded 1
76 114678 BUSHING, strain relief 1
79 278204 CLIP, drain line 1
82 189920 STRAINER, (1-11 1/2 NPSM) 1
86 15E802 FITTING 1
87 287419 HOSE, coupled 1
89 248215 TUBE, intake 1
90 118494 PACKING, o-ring 1
93 287253 TOOL BOX (includes 94) 1
94118852 SCREW, THD forming, hex
washer HD
3
99 113161 SCREW, flange, hex HD 3
100 278083 GUIDE, hose 1
101 117633 SCREW, slot hex wash HD 2
107 15F110 PIN, pump, 5900 1
108114528 SCREW, mach, phillips, pnhd 2
115 15E854 LABEL, identification 1
119 LABEL, front, GMAX II 5900
15E852 5900 1
15E980 5900HD 1
12015F638 LABEL, GMAX warning fire & skin 1
121194126 LABEL, warning 1
122290228 LABEL, caution 1
125195119 LABEL, warning 1
127 119569 BUSHING, strain relief 1
130 BOX, control
287554 PREMIUM 1
256000 STANDARD 1
132 119778 SPRING, retaining 1
133 114687 CLIP, retainer 1
134 15F354 FUNNEL, oil 1
143 116038 WASHER, wave spring 2
146 15F584 LABEL, Proconnect 1
160 119790 PACKING, o-ring 1
308 108795 SCREW, mach, pnh 4
308a 100020 WASHER, lock, 3900 only 4
310 287489 HANDLE, cart (standard only) 1
Replacement Danger and Warning Labels, Tags and Cards
are available at no cost.
† Included in Clutch Replacement Kit 241113.
Premium units only.
Ref. Part Description Qty.

GMAX II 7900/TexSpray 7900 HD
63A0244G
GMAX II 7900/TexSpray 7900 HD
75
308
308a
4
3
146
2
108
107
1
41
11
12
16
17
14
35
134
122
70
68 (Ref)
132
87 (Ref)
106
93
94
68
69
89
82
114
64
63
45
44
126
43
34
38
33
33b (Ref)
33a (Ref)
29
129
133
15
40
90
47
86
149
67
87
110
10 80
21
20
25 26
24
23
23
24
22
18
19
36
115
39
30
31
32
30
38
27
24
28
5 (Ref)
37
109
76
ti14912b
See page 12
See page 13
See page 10.
310
See page 8

GMAX II 7900/TexSpray 7900 HD
3A0244G 7
Parts List
Ref. Part Description Qty.
1FRAME
24D047 PREMIUM, hose reel 1
287370 STANDARD, cart 1
2 156306 WASHER, flat 2
3 119509 WHEEL, pneumatic 2
4 15E891 CLIP, retaining 2
5 16C381 TUBE, hydraulic, GMAX
5900/7900
1
10 119250 SCREW, shoulder 1
11 237686 WIRE, ground assembly w/ clamp 1
12 112798 SCREW, thread forming, hex HD 1
14 276974 CAP, leg 2
15 116080 ENGINE, gas, 6.5 HP, Honda 1
16 110837 SCREW, flange, hex 2
17 110838 NUT, lock 2
18 183401 KEY, parallel 1
19 15E277 HOUSING, clutch, mach
(5900/7900)
1
20 108842 SCREW, cap, hex HD 4
21 100214 WASHER, lock 4
22 193680 COLLAR, shaft 1
23† 108803 SCREW, hex, socket head 6
24† 105510 WASHER, lock, spring 10
25† ARMATURE, clutch, 5 in. 1
26† HUB, armature 1
27† ROTOR, clutch, 5 in. 1
28† 101682 SCREW, cap, sch 4
29 287466 HOUSING, pinion 7900 1
30 114672 WASHER, thrust 2
31 114699 WASHER, thrust 1
32 287459 GEAR, combination 7900 1
33 287470 HOUSING, drive 7900 1
34 116618 MAGNET 1
35 112395 SCREW, cap, flng HD 1
36 102962 SCREW, cap sch 4
37 104008 WASHER, lock, spring 4
38 15C753 SCREW, mach, hex wash HD 6
39 119562 SWITCH, reed w/connector 1
40 287934 HOUSING, bearing (7900) 1
4115F638 LABEL, GMAX warning fire & skin 1
43 287473 ROD, connecting 7900 1
44 287520 COVER, front, 7900 (includes 45) 1
45 118444 SCREW, mach, slot hex wash HD 4
47 249122 PUMP, displacement 7900
(includes 86, 89, 90)
1
289590 PUMP, displacement 7900 HD
(includes 86, 90)
63 112600 WASHER, lock, spring 4
64 112599 SCREW, cap, socket head 4
67 O-RING
111457 7900 2
109450 TexSpray 7900HD 2
68 244240 HOSE, coupled (includes 69) 1
69 241920 DEFLECTOR, threaded 1
70 BOX, control
287554 PREMIUM 1
256000 STANDARD 1
75 15F584 LABEL, Proconnect 1
76 114678 BUSHING, strain relief 1
82 189920 STRAINER, (1-11 1/2 NPSM) 1
86 FITTING, pump
15E802 7900 1
15G509 TexSpray 7900HD 1
87 HOSE, coupled
287419 7900 1
289282 TexSpray 7900HD 1
89 248215 TUBE, intake 1
90 118494 PACKING, o-ring 7900 1
C20195 PACKING, o-ring 7900 HD 1
93 287253 TOOL BOX (includes 94) 1
94 118852 SCREW, THD forming, hex
washer HD
3
106 113161 SCREW, flange, hex HD 3
107278083 GUIDE, hose 1
108117633 SCREW, slot hex wash HD 2
10915F947 SHIELD, magnetic 1
110 119677 SPRING, retaining 1
114 15F097 PIN, pump, 7900 1
115114528 SCREW, mach, phillips, pnhd 2
121194126 LABEL, warning 1
122 15E854 LABEL, identification 1
126 15E853 LABEL, identification 1
129 290228 LABEL, caution 1
132195119 LABEL, warning 1
133 114687 CLIP, retainer 1
134 119569 BUSHING, strain relief 1
146 116038 WASHER, wave spring 2
149 O-RING
119790 7900 1
109450 TexSpray 7900HD 1
308 108795 SCREW, mach, pnh 4
308a 100020 WASHER, lock, 3900 only 4
310 287489 HANDLE, cart 1
Replacement Danger and Warning Labels, Tags and Cards
are available at no cost.
† Included in Clutch Replacement Kit 241113.
Premium units only.
Ref. Part Description Qty.

Pinion Housing and Drive Housing
83A0244G
Pinion Housing and Drive Housing
Ref 429: Pinion Housing
GMAX ll 3900: 287463
GMAX ll 5900: 287465
GMAX ll 7900: 287466
TexSpray 7900HD: 287466
Ref 433: Drive Housing
GMAX ll 3900: 287467
GMAX ll 5900: 287469
GMAX ll 7900: 287470
TexSpray 7900HD: 287470
Ref. Part Description
Qty
.
429 KIT, repair, field
287474 3900 1
287476 5900 1
287477 7900/TexSpray 7900HD 1
429a GEAR, driving, first
287525 3900 1
241114 5900/7900/TexSpray 7900HD 1
429b RING, retaining, large
113094 3900 1
112770 5900/7900/TexSpray 7900HD 1
429c 105489 PIN, dowel 2
429d O-RING
165295 3900 1
114683 5900/7900/TexSpray 7900HD 1
433a WASHER, thrust, steel
116191 3900 1
116192 5900/7900/TexSpray 7900HD 1
Ref Part Description Qty
433 DRIVE HOUSING 1
433a WASHER, thrust, steel
116191 3900 1
116192 5900/7900/TexSpray 7900HD 1
433b WASHER, thrust, brass
107089 3900 1
194173 5900/7900/TexSpray 7900HD 1
108 Ref*
34 Ref*
38 Ref
33
30,72 Ref
31 Ref
32 Ref
29
29c
29a
29b
27 Ref
28 Ref
ti5494c
38 Ref
39 Ref*
24 Ref
29d
30 Ref
1
33a
33b
109 Ref*
Pinion housing (29) includes clutch field
* Premium models
1

LoBoy Suction Set Kits (Kits include suction set and drain hose)
3A0244G 9
LoBoy Suction Set Kits
(Kits include suction set and drain hose)
GMAX ll 3900/5900/7900 5 Gallon Kit: 287631
GMAX ll 3900/5900/7900 55 Gallon Kit: 287541
Ref. Part Description
Qty
.
509 288038 HOSE, suction 3900/5900 287988
includes 582, 509 (suction hose),
510, 511, 512, 514, 515, 558, 559
1
288039 HOSE, suction 7900 288114
includes 582, 509 (suction hose),
510, 511, 512, 514, 515, 558, 559
1
510 15C980 NUT, jam 1
511 15H854 O-RING 2
512 15C981 WASHER, suction, swivel 1
514 118505 RING, retaining, external 1
515 CLIP, drain line
15D000 3900/5900 1
196723 7900 1
553 SCREW
108795 3900/5900 2
NONE 7900 and Hose Reel 3900/5900
555 241920 DEFLECTOR 1
556 HOSE, drain, includes 155
287654 3900/5900 1
246331 7900 1
557 TUBE, suction
15F149 3900/5900 1
15F171 7900 1
558 15F909 TUBE, angle 1
559 120330 CLAMP, hose 2
560 HOSE, suction
15H393 3900/5900 1
15H787 7900 1
561 176450 GUARD, hose 1
582 189920 STRAINER, 1-11 1/2 npsm 1
590 O-RING
115099 3900/5900 1
119566 7900 1
ti5755b
1Used on 3900 5900
1
559
561
509
590
512
510
511
514
559
558
515
556
582
555
553
557

Filter and Control Box
10 3A0244G
Filter and Control Box
67
66
120
70a
70d
70e
70d
70h
71
70j
70f
70k
70n
70p 70g
70m
70c
70c
70b
71
70r
70a
130
57
102
92
91
65
5
87
72
56
55
54
53
96
ti15029a
60

Filter and Control Box
3A0244G 11
Filter, Control Box, and Pressure Control Parts List
included
Ref. Part Description Qty.
5 16C381 TUBE, GMAX 5900/7900 1
16C384 TUBE, GMAX 3900 1
53 15C765 CAP, filter 1
54 117285 PACKING, o-ring 1
55 15C766 TUBE, diffusion 1
56 244067 FILTER, fluid 1
5724E234 KIT, handle, 2 position 1
60257352 KIT, HD dump valve 1
65 122533 FITTING, 45 deg elbow,
(all hose reel units)
1
164672 FITTING, adaptor
(3900/5900 non-hose reel)
1
162485 FITTING, adaptor
(7900, TexSpray
5900HD/7900HD non-hose reel)
1
66 243222 TRANSDUCER, pressure control 1
67 111457 PACKING, o-ring 2
70 CONTROL BOX
70a249583 BOX, premium 1
249584 BOX, standard 1
70b 24E359 CONTROL, board 1
70c 117317 SCREW, plastite, pan head 7
70d 256219 POTENTIOMETER 1
70e 198650 SPACER, shaft 1
70f 116752 SWITCH, rocker 1
70g 119541 SWITCH, toggle 1
70h 116167 KNOB, potentiometer 1
70j 195428 BOOT, toggle 1
70k 15E857 LABEL, identification 1
70m287515 DISPLAY, LCD, GMAX 1
70n15E855 LABEL, Smartcontrol, GMAX II 1
70r 119545 BUSHING, strain, relief 1
71 116585 SCREW, pan, X recess, sst 6
72 15E284 HOUSING, filter 1
87 287419 HOSE, coupled 1
289282 HOSE, coupled
(TexSpray 7900HD)
1
9115D541 SEAL, washer 1
92248314 PLUG, auto clean 1
96104813 PLUG, pipe 1
104 15C972 PIN, grooved 1
120 15E925 GASKET, transducer 1
130 119545 BUSHING, strain, relief 1
Included in Filter Replacement Kit 287510
Premium units only.
Ref. Part Description Qty.
Pressure Control
Wiring Diagram
ti5496a
TO ENGINE
5900/7900
TO GROUND
3900
CLUTCH TEST POINTS
CONTROL
BOARD
PINON
DRIVE
TRANSDUCER
POTENTIOMETER
PREMIUM DISPLAY BOARD
ON/ OFF SWITCH
WATCHDOG
PUMP STROKE
COUNTER
D12
LED
J9
J5J4J3
J1
J2
J10

Hose Reel
12 3A0244G
Hose Reel
Parts List
Ref. Part Description Qty.
6 121311 FITTING, connector, NPT x JIC 1
8 260212 SCREW, hex washer HD 2
9 16C975 PLATE, pivot mount 1
201 24E016 TUBE, hose reel, pivot 1
203 122607 WASHER, flat 2
204 122534 SPRING, wave 1
205 24B691 REEL, hose 1
206 122524 RING, retaining, external 1
208 24B248 CAP, swivel, complete 1
209 122347 RING, retaining, external 1
210 122787 CAP 1
211 24E400 PIN, pop, lock out 1
212 278085 HANDLE, swivel 1
213 122518 SCREW, shoulder, sch 1
214 122542 SPRING, die 1
215 122669 WASHER, flat 1
216 15X618 NUT, swivel, handle 1
221 164672 ADAPTER 1
214
216
212
213
215
205
208
209
211
210
206
221
201
203203
204
68
9
ti14917a

Sprayers, RAC™ X Tip, Gun & Hose
3A0244G 13
Sprayers, RAC™ X Tip,
Gun & Hose
Ref 40: Bearing Housing
Ref. Part Description Qty.
602 240794 HOSE, grounded, nylon; 1/4 in. ID; cpld
1/4 npsm(fbe); 50 ft (15 m); spring
guards both ends; 3300 psi (228 bar,
22.8 MPa) (3900/5900)
1
240797 HOSE, grounded, nylon; 3/8 in. ID; cpld
1/4 npsm(fbe); 50 ft (15 m); spring
guards both ends; 3300 psi
(228 bar, 22.8 MPa)
(5900HD/7900/TexSpray 7900HD)
1
604 288420 CONTRACTOR II SPRAY GUN
Includes RAC X 517-size SwitchTip
and HandTite Guard. See 311861 for
parts. (3900/5900/7900)
1
241705 TEXTURE SPRAY GUN
Includes LTX531 SwitchTip and Guard.
See 308491 for parts.
(5900HD/TexSpray 7900HD)
1
605 159841 BUSHING, 3/8 x 1/4 in. (5900HD/7900) 1
606 241735 HOSE, whip 1/4 in. x 3 ft
(TexSpray 7900HD)
1
604
605
602
Ref. Part Description Qty.
704+ PIN, housing, bearing
15E779 3900 1
15E625 5900/7900/TexSpray 7900HD 1
705+ LATCH, housing, bearing
15G930 3900 1
15G890 5900/7900/TexSpray 7900HD 1
706+ NUT, lock hex
102040 3900 2
111040 5900/7900/TexSpray 7900HD 2
740 HOUSING, bearing (3900) 1
HOUSING, bearing (5900) 1
HOUSING, bearing
(7900/TexSpray 7900HD)
1
741+ 15F503 SCREW, set, socket hd 1
742+ 15F498 SCREW, adjustment 1
745+ 119250 SCREW, mach hex wash hd 1
763+ 15F116 LATCH 1
765+ 15G840 RECEIVER, latch (3900) 1
15G584 RECEIVER, latch
(5900/7900/TexSpray 7900HD)
1
766+ 108859 SCREW, shoulder, sch (3900) 1
116942 SCREW, shoulder, sch
(5900/7900/TexSpray 7900HD)
1
779+ 278204 CLIP, spring 1
+ Included in Bearing Housing, ref. 40.
741 740
779
745
742
705
704
706
763
765
766

Notes
14 3A0244G
Notes
Graco Standard Warranty
3A0244G 15
Graco Standard Warranty
Graco warrants all equipment referenced in this document which is manufactured by Graco and bearing its name to be free from defects in
material and workmanship on the date of sale to the original purchaser for use. With the exception of any special, extended, or limited warranty
published by Graco, Graco will, for a period of twelve months from the date of sale, repair or replace any part of the equipment determined by
Graco to be defective. This warranty applies only when the equipment is installed, operated and maintained in accordance with Graco’s written
recommendations.
This warranty does not cover, and Graco shall not be liable for general wear and tear, or any malfunction, damage or wear caused by faulty
installation, misapplication, abrasion, corrosion, inadequate or improper maintenance, negligence, accident, tampering, or substitution of
non-Graco component parts. Nor shall Graco be liable for malfunction, damage or wear caused by the incompatibility of Graco equipment with
structures, accessories, equipment or materials not supplied by Graco, or the improper design, manufacture, installation, operation or
maintenance of structures, accessories, equipment or materials not supplied by Graco.
This warranty is conditioned upon the prepaid return of the equipment claimed to be defective to an authorized Graco distributor for verification of
the claimed defect. If the claimed defect is verified, Graco will repair or replace free of charge any defective parts. The equipment will be returned
to the original purchaser transportation prepaid. If inspection of the equipment does not disclose any defect in material or workmanship, repairs
will be made at a reasonable charge, which charges may include the costs of parts, labor, and transportation.
THIS WARRANTY IS EXCLUSIVE, AND IS IN LIEU OF ANY OTHER WARRANTIES, EXPRESS OR IMPLIED, INCLUDING BUT NOT
LIMITED TO WARRANTY OF MERCHANTABILITY OR WARRANTY OF FITNESS FOR A PARTICULAR PURPOSE.
Graco’s sole obligation and buyer’s sole remedy for any breach of warranty shall be as set forth above. The buyer agrees that no other remedy
(including, but not limited to, incidental or consequential damages for lost profits, lost sales, injury to person or property, or any other incidental or
consequential loss) shall be available. Any action for breach of warranty must be brought within two (2) years of the date of sale.
GRACO MAKES NO WARRANTY, AND DISCLAIMS ALL IMPLIED WARRANTIES OF MERCHANTABILITY AND FITNESS FOR A
PARTICULAR PURPOSE, IN CONNECTION WITH ACCESSORIES, EQUIPMENT, MATERIALS OR COMPONENTS SOLD BUT NOT
MANUFACTURED BY GRACO. These items sold, but not manufactured by Graco (such as electric motors, switches, hose, etc.), are subject to
the warranty, if any, of their manufacturer. Graco will provide purchaser with reasonable assistance in making any claim for breach of these
warranties.
In no event will Graco be liable for indirect, incidental, special or consequential damages resulting from Graco supplying equipment hereunder, or
the furnishing, performance, or use of any products or other goods sold hereto, whether due to a breach of contract, breach of warranty, the
negligence of Graco, or otherwise.
FOR GRACO CANADA CUSTOMERS
The Parties acknowledge that they have required that the present document, as well as all documents, notices and legal proceedings entered into,
given or instituted pursuant hereto or relating directly or indirectly hereto, be drawn up in English. Les parties reconnaissent avoir convenu que la
rédaction du présente document sera en Anglais, ainsi que tous documents, avis et procédures judiciaires exécutés, donnés ou intentés, à la suite
de ou en rapport, directement ou indirectement, avec les procédures concernées.
Graco Information
For the latest information about Graco products, visit www.graco.com.
For patent information, see www.graco.com/patents.
TO PLACE AN ORDER, contact your Graco distributor or call 1-800-690-2894 to identify the nearest distributor.
All written and visual data contained in this document reflects the latest product information available at the time of publication.
Graco reserves the right to make changes at any time without notice.
For patent information, see www.graco.com/patents
Original instructions. This manual contains English. MM 3A0244
Graco Headquarters: Minneapolis
International Offices: Belgium, China, Japan, Korea
GRACO INC. AND SUBSIDIARIES • P.O. BOX 1441 • MINNEAPOLIS MN 55440-1441 • USA
Copyright 2011, Graco Inc. All Graco manufacturing locations are registered to ISO 9001.
www.graco.com
Revised G August 2014