Graco 3A2598En E Users Manual 3A2598E, LineLazer IV 250SPS Self Propelled Line Striper, Parts, English
2015-04-02
: Graco Graco-3A2598En-E-Users-Manual-686076 graco-3a2598en-e-users-manual-686076 graco pdf
Open the PDF directly: View PDF
.
Page Count: 26

For the application of line striping materials. For professional use only. For outdoor use
only. Not for use in hazardous locations or explosive atmospheres.
Maximum Operating Speed: 10 mph (16 kph)
Maximum Operating Pressure: 3300 psi (22.8 MPa, 228 bar)
IMPORTANT SAFETY INSTRUCTIONS
Read all warnings and instructions in this manual and the engine manual.
Be familiar with the controls and the proper usage of the equipment.
Save these instructions.
Related Manuals
3A2593 Repair
3A2090 Operation
311254 Gun
309277 Pump
312307 Auto-Layout Application Methods
332230 Pressurized Bead System (PBS)
332226 Bead Gun Kit (PBS)
Parts
LineLazer IV 250SPS
Self-Propelled Line Striper 3A2598E
ti17520a
ti24910a
EN

23A2598E Parts
Table of Contents
ti24959a
Page 4
Page 6
Page 10
Page 14
Page 16
Page 17
Page 18

Models
3A2598E Parts 3
Models
Model Guns Series Pressurized Bead System Description
24F307 2 A, B, C No LLIV 250SPS (North America, Latin America, Asia Pacific)
24K960 1 A, B, C No LLIV 250SPS (Latin America, Asia Pacific)
24K961 1 A, B, C No LLIV 250SPS (Europe)
24K962 2 A, B, C No LLIV 250SPS (Europe)
24M608 1 A, B, C No FieldLazer G400 (North America)
16V470 1 A, B Yes, 1 Tank LLIV 250 SPS (Latin America, Asia Pacific)
16V471 1 A, B Yes, 1 Tank LLIV 250 SPS (Europe)
16V473 2 A, B Yes, 1 Tank LLIV 250 SPS (North America, Latin America, Asia Pacific)
16V474 2 A, B Yes, 1 Tank LLIV 250 SPS (Europe)
24U561 2 A, B Yes, 2 Tanks LLIV 250 SPS (North America, Latin America, Asia Pacific)

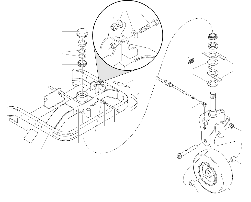
Parts
43A2598E Parts
Parts
ti19073b
235235
151
150
188
237
161
238
239
273
222
187
274
116
264
265
208
209
210
179
189
334
236
190
199
6
191
191
192
194
193
261
100
55
8
144
145
200
101
33
149
248
73
74
85
179
52
185
278
226
204
122
186
55
223
179
167
80
189a
189b
189c
335
336
ti24960a

Parts
3A2598E Parts 5
Parts List
Ref. Part Description Qty.
6 260212 SCREW, hex washer hd, thd form 13
8 100101 SCREW, cap, hex hd 4
33 101566 NUT, lock 16
52 111145 KNOB, pronged 4
55 100023 WASHER, flat 25
73* 16N100 TUBE, remote start, LL250 1
74* 16N101 BRACKET, support, recoil, engine 1
80 120721 SCREW, cap, 3/8-16, hexhd 9
85 107257 SCREW, thd forming 11
100 16M717 BRACKET, mount, pump, LL250,
paint
1
101 111801 SCREW, cap, hex hd 4
116 102040 NUT, lock, hex 2
122 124884 HOSE, coupled, 3/8 in. x 20 ft 1
144 116942 SCREW, shoulder, skt hd 2
145 24L909 FRAME, platform, painted, LL250 1
149 278421 PAD, foam 1
150 115753 BATTERY, 33 AH, sealed 1
151 801972 PAD, battery 1
161 118444 SCREW, mach, slot hex wash hd 7
167 24D618 PIN, handle, Grindlazer 1
179 111192 SCREW, cap flang hd 8
185 290159 LABEL, reflective 7
186 114271 STRAP, retaining 2
187 237686 WIRE, ground assembly w/ clamp 1
188 126071 STRAP, battery 1
189 17C925 MANIFOLD, hydraulic, two piston 1
189a 24N577 KIT, repair, coil, hydraulic manifold 1
189b 24N490 KIT, repair, solenoid
(includes 189a)
1
189c KIT, repair, actuator, piston
(includes 235, 236, 334, 335, 336)
1
24N491 For 16N513 MANIFOLD number
found on manifold
24V560 For 17C925 MANIFOLD number
found on manifold
190 16N102 BRACKET, manifold, hydraulic,
gun
1
191 116829 FITTING, 90 degree 2
192 15C753 SCREW, mach, hex wash hd 2
193 24M625 TUBE, supply, hydraulic 1
194 24M626 TUBE, supply, hydraulic 1
199 24N492 KIT, repair, gun cable
(includes 236)
1
200 16N380 BRACKET, pin ramp 1
204 196177 ADAPTER, nipple 2
208 16N595 BRACKET, tool holder 1
209 119293 JAR, 6 oz 1
210 119316 LID, 6 oz 1
222 16N541 WIRE, negative battery 1
223 16N540 HARNESS, light connection 2
226 245798 KIT, repair, hose 1
235 16W760 ADAPTER, manifold, cable, gun 2
236 126111 RETAINER, circlip, external, 8mm 6
237 126095 HOLDER, fuse 1
238 126096 FUSE, 30A 1
239 126097 COVER, fuse holder 1
248 110963 SCREW, cap, flange head 4
261 16P145 LABEL, gun indicator 1
264 801958 PROTECTOR, terminal, red 1
265 801959 TERMINAL, protector, black 1
273 WASHER, 1/4 external tooth lock 1
274 110755 WASHER, plain 1
278 16P138 LABEL, energy source 2
334 16P450 BELLOWS, constant volume 1
335 105510 WASHER, lock, spring, (hi collar) 1
336 126242 SCREW, cap, sch 1
* For Series A, B of 24F307, 24K960, 24K961, 24K962,
24M608 and Series A of 16V470, 16V471, 16V473,
16V474, 24U561
Ref. Part Description Qty.

Parts
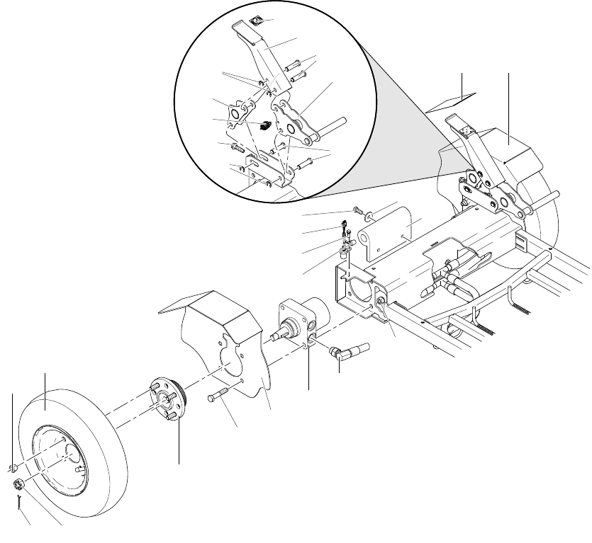
63A2598E Parts
Parts
156
157
159
158
141
168
169
178
262
263
85
161
160
161
83
184
86
89
89
90
36
36
87 39
88
207 135
99
135
136
98
97
137
138
206
3
40
3
131
48
205 90
154
275275
214
283
284
212
40
37
148
153
152
ti24961a
285
See page 8
Parts
3A2598E Parts 7
Parts List
Ref. Part Description Qty.
3 102393 NUT, lock 6
36 193658 SPACER, seal 2
37 113471 SCREW, cap, hex hd 1
39 112405 NUT, lock 1
40 125792 BALL, joint, rod end 6
48 16M273 CABLE, steering push/pull, LL250 2
83 113677 BUSHING, nylon 3
85 107257 SCREW, thd forming 7
86 24N494 KIT, repair, support, steering
(includes 89, 90)
1
87 24L900 BAR, handle, LL250 1
88 120151 RETAINER, caplug 2
89 113485 BEARING, cup/cone 2
90 115503 SEAL, grease 2
97 119569 BUSHING, strain relief 1
98 119554 NUT, lock, nylon, thin pattern 1
99 24M196 HANDLE, control, forward/reverse 1
131 112798 SCREW, thread forming, hex hd 1
135 119532 BEARING, flanged 2
136 15E780 PIN, fork 1
137 15K162 BLOCK 1
138 15K283 SWITCH, push button 1
141 16M702 FRAME, upright, LL250, paint 1
148 16M274 CABLE, forward/reverse, push/pull 1
152 16Y411 BUSHING, mount, panel 1
153 119775 NUT, panel 1
154 24V563 KIT, repair, shaft, flexible 1
155 176754 GLAND, packing, male 1
156 115999 RING, retaining 1
157 16Y408 KNOB, pressure control 1
158 101962 SCREW, set, sch, 1/4-20 1
159 15A464 LABEL, control 1
160 16N003 COVER, display, LL250, painted 1
161 118444 SCREW, mach, slot hex wash hd 7
168 24N496 KIT, repair, shield, paint
(includes 169)
1
169 114225 TRIM, edge protection 1
178 107439 SCREW, mach, hex hd 6
184 127372 BUSHING, strain relief 1
205 178342 CLIP, spring 1
206 C20004 SCREW, cap 1
207 114659 GRIP, handle 2
212 16N519 LABEL, brand, LineLazer, SPS, top 1
16N517 LABEL, brand, FieldLazer, G400,
top (Model 24M608 only)
1
214 24M235* KIT, repair, control panel 1
24X059**KIT, repair, control panel (see Page
8 for parts)
1
262 16N547 GASKET, display 1
263 16N548 GASKET, control 1
275 126215 TRIM, edge, protection 1
283 16P554 PLATE, cover, control board 1
284 122667 SCREW, drill, hex washer head 2
285 127373 PLUG, hole 1
* For Series A, B of 24F307, 24K960, 24K961, 24K962,
24M608 and Series A of 16V470, 16V471, 16V473,
16V474, 24U561
* *For Series C of 24F307, 24K960, 24K961, 24K962,
24M608 and Series B of 16V470, 16V471, 16V473,
16V474, 24U561
Ref. Part Description Qty.

Parts (Control Panel)
83A2598E Parts
Parts (Control Panel)
214m
214n
214k
214p
214u
214c
214e
214h
214j
214d
214s
214r
214b
214q
214f
214t
214g
214a
214f
214v
ti25664a
214v
152
154
214w
159
157
158
156
153 214v
Parts (Control Panel)
3A2598E Parts 9
Parts List (Control Panel)
Ref. Part Description Qty.
214a 16M781* PLATE, control, LL250 1
17D218**PLATE, control, LL250
214b 24N565 KIT, repair, control board
(includes 214q)
1
214c 24N564 KIT, repair, display board
(includes 214p)
1
214d 16N439* LABEL, control 1
17D217**LABEL, control 1
214e 16N374 SWITCH, membrane 1
214f 24N566 BOARD, switch 1
214g 16G332 SPACER, switch, toggle 2
214h 126078* SWITCH, rocker, dpdt 1
17C063**SWITCH, rocker, spst
214j 16M508 CABLE, choke 1
214k 16M509 CONTROL, throttle 1
214m 16N549 GASKET, throttle 1
214n 109466 NUT, lock, hex 2
214p 120743 SCREW, mach, pnh, sems 5
214q 111839 SCREW, mach, pnh, sems 8
214r 114225 TRIM, edge protection 1
214s 15M509 GASKET, board, LineLazer 1
214t 16P019 HARNESS, switch board 1
214u 119736 CLAMP, cable 1
214v** 16X075 SWITCH, ignition 1
214w** 17C064 WIRE, positive 1
* For Series A, B of 24F307, 24K960, 24K961, 24K962,
24M608 and Series A of 16V470, 16V471, 16V473,
16V474, 24U561
* *For Series C of 24F307, 24K960, 24K961, 24K962,
24M608 and Series B of 16V470, 16V471, 16V473,
16V474, 24U561
Ref. Part Description Qty.

Parts
10 3A2598E Parts
Parts
ti19069a
80
55
82
55
1
22
125
53
51
55
56
57
58
59
60
61
62
63
64
65
66
67
68
70
158
55
81
9
55
75
76
77
78
79
55
80
81
55
6
82
82
71
84
83
6
242
126
127
128
166
166
139
140
140
124
80
33
6
6
73
5
85
219
213
241
201
5
85
40
3
275
242
54
77
54a
282
282
ti24962a

Parts
3A2598E Parts 11
Parts List
Ref. Part Description Qty.
1 24L896 FRAME, painted, LL250 1
3 102393 NUT, lock 6
5 108868 CLAMP, wire 4
6 260212 SCREW, hex washer hd, thd form 13
9 111040 NUT, lock, insert, nylock, 5/16 2
22 16M271 HOSE, coupled, assembly, LL250 2
33 101566 NUT, lock 16
40 125792 BALL, joint, rod end 6
51 114982 SCREW, cap, flng hd 6
53 16M072 FRAME, mount, engine, paint 1
54 24N501* KIT, repair, engine, GX270
(includes 54a, 201, 202, 241, 247)
1
24V562** KIT, repair, engine GX390
(includes 54a, 60, 202, 241)
1
54a 24N502 KIT, repair, rectifier, voltage 1
55 100023 WASHER, flat 25
56 16M075 SPACER, clutch, 1.00 id x .5 thk 1
57 125877 CLUTCH, electric, LL250 1
58 16M076 WASHER, 7/16 id x .25 thk 1
59 116645 SCREW, cap, hex head 1
60 125919 KEY, parallel, square, 1/4 1
61 16M077 PULLEY, double 1
62 24N499 KIT, repair, bracket, hydro pump
(includes 75, 76, 77, 242)
1
63 247930 KIT, repair, hydraulic pump 1
64 16M078 PULLEY, 5 o.d. x 15mm 1
65 125793 BELT, vee, tri-power, AX44 1
66 125876 BELT, vee, tri-power, AX26 1
67 117222 KEY, square 1
68 16M084 TRAY, hyd reservoir, LL250, paint 1
70 16U205 PULLEY, fan 1
71 120087 SCREW, set, 1/4 in. x 1/2 in. 2
73* 16N100 TUBE, remote start, LL250 1
75 100678 SCREW, cap hex hd 1
76 100521 SCREW, cap hex hd 1
77 110996 NUT, hex, flange head 4
78 16M082 BRACKET, clutch, anti-rotation 1
79 112406 SCREW, cap, hex hd 2
80 120721 SCREW, cap, 3/8-16, hexhd 9
81 108481 SCREW, cap, hex hd 5
82 100004 SCREW, cap, hex hd 8
83 113677 BUSHING, nylon 3
84 16M715 BRACKET, mount, belt guard,
LL250
1
85 107257 SCREW, thd forming 7
124 108851 WASHER, plain 6
125 119695 DAMPENER, engine mount 4
126 24N498 KIT, repair, guard, belt
(includes 85, 127, 128, 242)
1
127 117284 GRILL, fan guard 1
128 123035 RIVET, blind 4
139 15R309 ROD, standoff, 1/4 in. od x 2.75 in.
LG
1
140 111006 SCREW, cap 2
158 101962 SCREW, set 1/4-20 x 0.38 2
166 16M276 HOSE, coupled, feed line, LL250 2
201* 16N154 LABEL, GX270 1
202 126072 KIT, Honda remote choke
(not shown)
1
213 16N518 LABEL, brand, FieldLazer, G400,
side (Model 24M608 only)
1
16N520 LABEL, brand, LineLazer, SPS,
side
1
219 189892 LABEL, Graco logo 1
241194126 LABEL, warning 1
24216M768 LABEL, pinch hazard iso 1
275 126215 TRIM, edge, protection 1
282 16P547 PLATE, backer, belt guard, paint 2
Replacement warning labels may be ordered free of charge.
* For Series A, B of 24F307, 24K960, 24K961, 24K962,
24M608 and Series A of 16V470, 16V471, 16V473,
16V474, 24U561
* *For Series C of 24F307, 24K960, 24K961, 24K962,
24M608 and Series B of 16V470, 16V471, 16V473,
16V474, 24U561
Ref. Part Description Qty.

Parts
12 3A2598E Parts
Parts
326
329
309
191
191
72
163 164
166
165
147
218
217
254
162
301
303
315
316
317
314
311
327
310
332
320
308
307
302
333
313
308
321
325
305
312
306306
281
285
287
292
283
245
247
121
290
282
154 320
162
246
175
174
284
ti2496
Parts
3A2598E Parts 13
Parts List
Ref. Part Description Qty.
72 125794 SCREW, taptite, hex washer hd 2
121 181072 KIT, repair, strainer 1
147 126061 FITTING, #8 jic tee, swivel 1
154 24V563 KIT, repair, shaft, flexible
(includes 162)
1
162 112303 SCREW, set, sch 2
163 15C958 GUARD, control, pressure 1
164 112166 SCREW, cap, sch 1
165 16M275 HOSE, coupled, return line, LL250 1
166 16M276 HOSE, coupled, feed line, LL250 1
191 116829 FITTING, 90 degree 2
217 15K440 LABEL, brand, GH/EH cooling 1
218 16P142 LABEL, hydraulic only icon 1
245 114967 COUPLING, pipe, 1 in. 1
246 189674 TUBE, intake 1
254189285 LABEL, caution 1
281 15F149 TUBE, suction 1
282 194306 HOSE, fluid 1
283 198119 FITTING, elbow, barbed 1
284 101818 CLAMP, hose 2
285 278722 GASKET, pail 1
287 16X071 DRAIN tube 1
290 248008 HOSE, cpld, 1/4 in. x 44 in. 1
292 196180 BUSHING 1
301 15J513 TANK, reservoir, blue 1
302 101754 PLUG, pipe 1
303 120604 GASKET, reservoir 1
305 24K967 TUBE, supply, hydraulic 1
306 116919 FILTER 2
307 15E587 TUBE, suction 1
308 154594 PACKING, o-ring 2
309 16M160 COVER, reservoir, LL250, painted 1
310 107188 PACKING, o-ring 4
311 156401 PACKING, o-ring 1
312 16M112 TUBE, suction, hydraulic, LL250 1
313 119426 SCREW, mach, hex washer hd 8
314 120726 CAP, breather, filler 1
315 198841 RETAINER, ball, pressure bypass 1
316 100084 BALL, metallic 1
317 116967 SPRING, compression 1
320 16X083 KIT, repair, pump, 200HS
(includes 310, 311, 332)
1
321 110792 FITTING, elbow, male, 90 deg 1
325 246167 KIT, repair, case drain
(includes 308)
1
326 17A582 TUBE, hydraulic, case drain 1
327 246173 KIT, repair, oil filter 1
329 127686 FITTING, tee 1
332 117471 SCREW, mach, hex flat head 4
333 120184 FITTING, hydraulic 1
174 278720 RESERVOIR, 15 gallon 1
175 24U687 KIT, pail lid assembly 1
247 127375 PLUG, 3.0” hole 1
Replacement warning labels may be ordered free of charge.
Ref. Part Description Qty.

Parts
14 3A2598E Parts
Parts
1
30
3232
243 31
43
44
34
41 42
41 42
43
4545
46
47
35
37
36
36
39
15
40
142 29 3
257
258
185
55
ti19066a
Parts
3A2598E Parts 15
Parts List
Ref. Part Description Qty.
1 24L896 FRAME, painted, LL250 1
3 102393 NUT, lock 6
15 15V264 SPRING, extension 2
29 113743 SCREW, cap, hex hd 2
30 24L902 ADJUSTER, caster, weldment,
LL250
1
31 126204 SCREW, cap, hex hd 1
32 100731 WASHER 2
34 24L897 CASTER, painted, LL250 1
35 113479 WHEEL, pneumatic (G400) 1
16W284 WHEEL, foam filled (LL250 SPS) 1
36 193658 SPACER, seal 2
37 113471 SCREW, cap, hex hd 1
39 112405 NUT, lock 1
40 125792 BALL, joint, rod end 6
41 125893 WASHER, thrust, 1-1/2 in. id 2
42 16M267 LEVER, self centering, LL250 2
43 126112 BEARING, tappered 1 1/4, cone 2
44 125892 SEAL, bearing, 1-1/4 shaft 1
45 126064 SHIM, caster 2
46 125890 NUT, 1 1/4-12 unf 1
47 126063 CAP, dust 1
55 100023 WASHER, flat 1
142 100133 WASHER, lock, 3/8 2
185 290159 LABEL, reflective 1
243 101714 NUT, lock 1
257 16P143 LABEL, release hydraulic drive 1
258 16P144 LABEL, caster wheel adjustment 1
Ref. Part Description Qty.

Parts
16 3A2598E Parts
Parts
Parts List
51
52
170
171
172
173
199
227
236
50
33
228
229
52
49
226
116116
172c
172b
172d
172a
172f
172k
172h
172m
172g
172j
116
ti19070a
Ref. Part Description Qty.
33 101566 NUT, lock 16
49 24N350 BRACKET, gun arm 1
5016P136 LABEL, injection read manual iso 1
51 114982 SCREW, cap, flng hd 6
52 111145 KNOB, pronged 4
116 102040 NUT, lock, hex 6
170 224052 BRACKET, support gun 1
171 287566 KIT, clamp 2
172 24M638 BAR, gun holder, LLIV 250 SPS 2
172a 287569 KIT, repair, gun holder 1
172b 16M850 BRACKET, cable, gun, 1
172c 16P047 ARM, holder, gun 1
172d 119647 SCREW, cap, socket, flthd 2
172f 15F750 KNOB, holder, gun 1
172g 15F209 STUD, pull, trigger 1
172h 15F210 STUD 1
172j 16N788 STUD, cable, gun, circlip 1
172k 119664 BEARING, sleeve
172m 15F214 LEVER, actuator
173 248157 KIT, accessory, gun, flex 2
199 16M671 CABLE, gun, solenoid 2
226 245798 KIT, repair, hose 2
227 188135 GUIDE, cable 2
228 224096 BRACKET, support, extension 1
229 224136 CLAMP, extension 1
236 126111 RETAINER, circlip, external, 8mm 6
Replacement warning labels may be ordered free of charge.
Ref. Part Description Qty.

Parts
3A2598E Parts 17
Parts
Parts List
12
10
14
16
17 12
1212
1313
13
15
255
2
19
20
21
25
4
5
6
26
25
28
7
124
8
259
22
146
2 ref
13
ti19068a
Ref. Part Description Qty.
2 125929 MOTOR, wheel 2
4 15K357 SENSOR, distance 1
5 108868 CLAMP, wire 4
6 260212 SCREW, hex washer hd, thd form 13
7 16M279 BUMPER, platform, LL250 1
8 100101 SCREW, cap, hex hd 4
10 24M214 BRACKET, plate, pivot, brake, LL250 1
12 16M656 PIN, brake 4
13 126073 RING, retaining, e ring, 1/2 dia 4
14 24M215 BRACKET, lock, brake, LL250 1
15 15V264 SPRING, extension 2
16 16M743 PEDAL, brake, LL250 1
17 112785 SCREW, hex hd, flanged 1
19 16M753 FENDER, wheel, right, LL250, paint 1
20 114766 BOLT, cap hex head 8
21 801020 NUT, lock, hex 8
22 16M271 HOSE, coupled, assembly, LL250 2
25 24N508 KIT, repair, hub and gear assy 2
26 245340 KIT, repair, tire 1
249083 KIT, turf tire, LineDriver
(Model 24M608 only)
1
28 100104 PIN, cotter 2
124 108851 WASHER, plain 6
146 16N394 FENDER, wheel, left, LL250, paint 1
255 16P141 LABEL, parking brake icon 1
25916P139 LABEL, multiple hazard iso
(Models 24K960, 24F307, 24M608)
1
16P137 LABEL, multiple hazard iso
(Models 24K961, 24K962)
1
Replacement warning labels may be ordered free of charge.
Ref. Part Description Qty.

Parts
18 3A2598E Parts
Parts
100
101
376
377
380
378
379
94
95
384
385
386
387
388
389
390
391
95
392
381
366
366
372
371
370
371
106
107
108
109
197
110
95
112
113
105
104
103
119
393
114
115
116
118
123
196
111
198
102
122
123
194
193
179
94
204
226
117
363
364
346
346
369
368
367
356
353
354
347
343
344
345
370
120
ti19074a
Parts
3A2598E Parts 19
Parts List
Ref. Part Description Qty.
94 196179 FITTING, elbow, street 1
95 196178 ADAPTER, nipple 2
100 16M717 BRACKET, mount, pump, LL250,
paint
1
101 111801 SCREW, cap, hex hd 4
102 107210 SCREW 4
103 287186 KIT, repair, magnet 1
104 116551 RING, retaining 1
105 197443 PIN, pump 1
106 193394 NUT, retaining 1
107 277068 KIT, repair, pump 200HS
(includes 95, 103, 104, 105)
1
108 117328 FITTING, nipple, straight 1
109 117441 VALVE, ball 1
110 287175 KIT, repair, hose, hydraulic, s 1
111 287176 KIT, repair, hose, hydraulic, r 1
112 119720 SWITCH, reed w/connector 1
113 114528 SCREW, mach, phillips, pnhd 2
114 15F911 GUARD, pump rod 1
115 100058 SCREW, cap, hex hd 1
116 102040 NUT, lock, hex 2
11715H108 LABEL, pinch point 1
118 15B804 LABEL, Graco logo 1
11915B063 LABEL 1
120 287206 KIT, repair, suction hose 1
122 124884 HOSE, coupled, 3/8 in. x 20 ft 1
123 245797 KIT, repair, hose 1
179 111192 SCREW, cap flang hd 8
193 24M625 TUBE, supply, hydraulic 1
194 24M626 TUBE, supply, hydraulic 1
196 126082 FITTING, tee, #8 x #8 x #6 jic 1
197 126080 FITTING, tee, street 1
198 126081 FITTING, nipple, 3/8-18 x #6 jic 1
204 196177 ADAPTER, nipple 2
226 245798 KIT, repair, hose 2
343 117739 WIPER, rod 1
344 15A726 NUT, jam 1
345 112561 PACKING, block 1
346 117283 PACKING, o-ring 1
347 288754 KIT, repair, trip rod/piston 1
353 108014 PACKING, o-ring 1
354 178226 SEAL, piston 1
356 178207 BEARING, piston 1
363 246176 SLEEVE, hydraulic, cylinder
(includes 346)
1
364 15A726 NUT, jam 1
366 117607 FITTING, elbow std thd 2
367 106276 SCREW, cap, hex head 1
368 155685 PACKING, o-ring 1
369 178179 WASHER, sealing 1
370 100139 PLUG, pipe 2
371 15F519 TUBE, hydraulic, supply 2
372 119841 FITTING, tee, branch 1
376* 15H561 MANIFOLD 1
377* 244067 FILTER, 60 mesh, ultra 1
378* 15C766 TUBE, diffusion 1
379* 117285 PACKING, o-ring 1
380* 287285 KIT, repair, filter cap
(includes 378, 379)
1
381 15G331 PLUG, pipe 1
384 193710 SEAL, seat, valve 1
385 193709 SEAT, valve 1
386* 245103 KIT, repair, drain valve
(includes 384, 385, 387, 388, 389)
1
387 114708 SPRING, compression 1
388* 15G563 HANDLE, valve 1
389 116424 NUT, cap 1
390* 111457 PACKING, o-ring 1
391* 24N516 KIT, repair, transducer
(includes 390)
1
392 196181 FITTING, nipple 1
393 15A728 MANIFOLD, adapter 1
* Included in Filter Repair Kit 24N517
Replacement warning labels may be ordered free of charge.
Ref. Part Description Qty.

Parts
20 3A2598E Parts
Hydraulic Diagram
196
189
22
22
63
191
166
166
350
327
110
111
366
108
109
198
197
190
333
350
193
194
189C
371
189A
189B
3YY
370
366
372
309 320
ti24964a
Parts
3A2598E Parts 21
Hydraulic Parts List
Ref. Part Description Qty.
2 125929 MOTOR, wheel 2
22 16M271 HOSE, coupled, assembly, LL250 2
63 247930 KIT, repair, hydraulic pump 1
108 117328 FITTING, nipple, straight 1
109 117441 VALVE, ball 1
110 287175 KIT, repair, hose, hydraulic s 1
111 287176 KIT, repair, hose, hydraulic r 1
166 16M276 HOSE, coupled, feed line, LL250 2
189 17C925 MANIFOLD, hydraulic, two piston 1
191 116829 FITTING, 90 degree, w/adjustable 2
193 24M625 TUBE, supply, hydraulic 1
194 24M626 TUBE, supply, hydraulic 1
196 126082 FITTING, tee, #8 x #8 x #6 JIC 1
197 126080 FITTING, tee, street 1
198 126081 FITTING, nipple, 3/8-18 x #6 JIC 1
309 16M160 COVER, reservoir, LL250, painted 1
320 16X083 KIT, repair, pump, 250SPS 1
333 122970 FITTING, hydraulic 1
350 116829 FITTING, 90° w/ adjustable o-ring 2
366 117607 FITTING, elbow std thd 2
370 100139 PLUG, pipe 2
371 15F519 TUBE, hydraulic, supply 2
372 119841 FITTING, tee, branch 1
Ref. Part Description Qty.

Parts
22 3A2598E Parts
Wiring Diagram
TO ENGINE
YELLOW
RED
BLACK
TO GROUND LUG
TO GROUND LUG
TO GROUND LUG
GUN 2
GUN 1
TO GROUND LUG
WHITE
RED
RED BLACK
BLACK
RED
BLACK
RED
BLACK
RED
RED
YELLOW
BLACK
YELLOW
WHITE
BLACK
RED
BLACK
214e
214c
391
224
225
189
4
112
223
187
238 237 221
150
222
253
54a
57
220
214h
214t
214f
214b
134
54
NOTE: For Series A, B of 24F307,
24K960, 24K961, 24K962, 24M608
and Series A of 16V470, 16V471,
16V473, 16V474, 24U561
Parts
3A2598E Parts 23
Wiring Parts List
NOTE: For Series A, B of 24F307, 24K960, 24K961,
24K962, 24M608 and Series A of 16V470, 16V471,
16V473, 16V474, 24U561
Ref. Part Description Qty.
54 24N501 KIT, repair, engine, GX270
(includes 54a)
1
54a 24N502 KIT, repair, rectifier, voltage 1
57 125877 CLUTCH, electric, LL250 1
112 119720 SWITCH, reed w/connector 1
134 24L904 CONTROL, handlebar 1
150 115753 BATTERY, 33 AH, sealed 1
187 237686 WIRE, ground assembly w/ clamp 1
189 17C925 MANIFOLD, hydraulic, two piston 1
214b 24N565 KIT, repair, control board 1
214c 24N564 KIT, repair, display board 1
214e 16N374 SWITCH, membrane 1
214f 24N566 KIT, repair, switch board 1
214h 126078 SWITCH, rocker, dpdt 1
214t 16P019 HARNESS, switch board 1
220 16N407 HARNESS, wire, LL250 1
221 16N542 WIRE, positive battery 1
222 16N541 WIRE, negative battery 1
223 16N540 HARNESS, light connection 1
224 16N539 HARNESS, sensor adapter 1
225 16N543 HARNESS, wire, hydraulic actuator 2
237 126095 HOLDER, fuse 1
238 126096 FUSE, 30A 1
253 114956 TERMINAL, wire tap, insulated 1
391 24N516 KIT, repair, transducer 1
Ref. Part Description Qty.

Parts
24 3A2598E Parts
Wiring Diagram
54
STARTER
SOLENOID
BLACK
RED
ENGINE GROUND
STARTER SOLENOID
RED
BLACK
GUN 2
GUN 1
214e
214c
DISPLAY BOARD
DISPLAY LABEL
69
189
4
112
223RED
BLACK
TO GROUND LUG
TO GROUND LUG
187
238 237 221 150
RED
BLACK
TO GROUND LUG
222
(GRAY)
TO ENGINE
57
214t
214f
214b
134
CONTROL BOARD
SWITCH BOARD
SWITCH
HARNESS
214h
CLUTCH SWITCH
RED
BLACK
BLACK
RED
BLACK
TO GROUND LUG
220
WHITE
RED
RED
BLUE
WHITE
BLACK
RED
BLACK
224
225
54
BLACK
RED
92
91
KEY SWITCH
ti25644a
NOTE: For Series C of 24F307,
24K960, 24K961, 24K962, 24M608
and Series B of 16V470, 16V471,
16V473, 16V474, 24U561
Parts
3A2598E Parts 25
Wiring Parts List
NOTE: For Series C of 24F307, 24K960, 24K961,
24K962, 24M608 and Series B of 16V470, 16V471,
16V473, 16V474, 24U561
Ref. Part Description Qty.
54 24V562 KIT, repair, engine GX390 1
54a 24N502 KIT, repair, rectifier, voltage 1
57 125877 CLUTCH, electric, LL250 1
91 16X079 CABLE, electric, battery, positive 1
92 16X080 CABLE, electric, battery, negative 1
112 119720 SWITCH, reed w/connector 1
134 24L904 CONTROL, handlebar 1
150 115753 BATTERY, 33 AH, sealed 1
187 237686 WIRE, ground assembly w/ clamp 1
189 17C925 MANIFOLD, hydraulic, two piston 1
214b 24N565 KIT, repair, control board 1
214c 24N564 KIT, repair, display board 1
214e 16N374 SWITCH, membrane 1
214f 24N566 KIT, repair, switch board 1
214h 17C063 SWITCH, rocker, spst 1
214j 16X075 SWITCH, key, switch 1
214t 16P019 HARNESS, switch board 1
220 16X078 HARNESS, wiring, LL250DC 1
221 16N542 WIRE, positive battery 1
222 16N541 WIRE, negative battery 1
223 16N540 HARNESS, light connection 1
224 16N539 HARNESS, sensor adapter 1
225 16N543 HARNESS, wire, hydraulic actuator 2
237 126095 HOLDER, fuse 1
238 126096 FUSE, 30A 1
391 24N516 KIT, repair, transducer 1
Ref. Part Description Qty.
All written and visual data contained in this document reflects the latest product information available at the time of publication.
Graco reserves the right to make changes at any time without notice.
For patent information, see www.graco.com/patents.
Original instructions. This manual contains English. MM 3A2598
Graco Headquarters: Minneapolis
International Offices: Belgium, China, Japan, Korea
GRACO INC. P.O. BOX 1441 MINNEAPOLIS, MN 55440-1441
Copyright 2010, Graco Inc. is registered to ISO 9001
www.graco.com
Revised D, January 215
Graco Standard Warranty
Graco warrants all equipment referenced in this document which is manufactured by Graco and bearing its name to be free from defects in
material and workmanship on the date of sale to the original purchaser for use. With the exception of any special, extended, or limited warranty
published by Graco, Graco will, for a period of twelve months from the date of sale, repair or replace any part of the equipment determined by
Graco to be defective. This warranty applies only when the equipment is installed, operated and maintained in accordance with Graco’s written
recommendations.
This warranty does not cover, and Graco shall not be liable for general wear and tear, or any malfunction, damage or wear caused by faulty
installation, misapplication, abrasion, corrosion, inadequate or improper maintenance, negligence, accident, tampering, or substitution of
non-Graco component parts. Nor shall Graco be liable for malfunction, damage or wear caused by the incompatibility of Graco equipment with
structures, accessories, equipment or materials not supplied by Graco, or the improper design, manufacture, installation, operation or
maintenance of structures, accessories, equipment or materials not supplied by Graco.
This warranty is conditioned upon the prepaid return of the equipment claimed to be defective to an authorized Graco distributor for verification of
the claimed defect. If the claimed defect is verified, Graco will repair or replace free of charge any defective parts. The equipment will be returned
to the original purchaser transportation prepaid. If inspection of the equipment does not disclose any defect in material or workmanship, repairs
will be made at a reasonable charge, which charges may include the costs of parts, labor, and transportation.
THIS WARRANTY IS EXCLUSIVE, AND IS IN LIEU OF ANY OTHER WARRANTIES, EXPRESS OR IMPLIED, INCLUDING BUT NOT
LIMITED TO WARRANTY OF MERCHANTABILITY OR WARRANTY OF FITNESS FOR A PARTICULAR PURPOSE.
Graco’s sole obligation and buyer’s sole remedy for any breach of warranty shall be as set forth above. The buyer agrees that no other remedy
(including, but not limited to, incidental or consequential damages for lost profits, lost sales, injury to person or property, or any other incidental or
consequential loss) shall be available. Any action for breach of warranty must be brought within two (2) years of the date of sale.
GRACO MAKES NO WARRANTY, AND DISCLAIMS ALL IMPLIED WARRANTIES OF MERCHANTABILITY AND FITNESS FOR A
PARTICULAR PURPOSE, IN CONNECTION WITH ACCESSORIES, EQUIPMENT, MATERIALS OR COMPONENTS SOLD BUT NOT
MANUFACTURED BY GRACO. These items sold, but not manufactured by Graco (such as electric motors, switches, hose, etc.), are subject to
the warranty, if any, of their manufacturer. Graco will provide purchaser with reasonable assistance in making any claim for breach of these
warranties.
In no event will Graco be liable for indirect, incidental, special or consequential damages resulting from Graco supplying equipment hereunder, or
the furnishing, performance, or use of any products or other goods sold hereto, whether due to a breach of contract, breach of warranty, the
negligence of Graco, or otherwise.
Graco Information
For the latest information about Graco products, visit www.graco.com.
For patent information, see www.graco.com/patents.
TO PLACE AN ORDER, contact your Graco distributor or call 1-800-690-2894 to identify the nearest distributor.