Grizzly H2934 H2933 34, G0447, G0581 Manual 7108 User To The 461fb518 5d18 487c 8d0c 65fb3ab797da
User Manual: Grizzly H2934 to the manual
Open the PDF directly: View PDF .
Page Count: 84

8DENG><=IH:EI:B7:G'%%*7N<G>OOAN>C9JHIG>6A!>C8#
7!2.).'./0/24)/./&4()3-!.5!,-!9"%2%02/$5#%$).!.93(!0%
/2&/2-7)4(/544(%72)44%.!002/6!,/&'2)::,9).$5342)!,).#
8G,&%-EG>CI:9>CI6>L6C
-/$%,
((''
$/5",%(%!$7)$%"%,43!.$%2
).3425#4)/.-!.5!,


4ABLEOF#ONTENTS
).42/$5#4)/.
;dgZldgY#################################################################################################################################### (
8dciVXi>c[d################################################################################################################################ (
8dcigdaEVcZa;ZVijgZh############################################################################################################## )
:miZgcVa;ZVijgZh####################################################################################################################### )
>ciZgcVa;ZVijgZh######################################################################################################################## *
BVX]^cZ9ViVH]ZZi='.((####################################################################################################+
BVX]^cZ9ViVH]ZZi='.()####################################################################################################,
BVX]^cZ9ViVH]ZZi<%)),####################################################################################################-
BVX]^cZ9ViVH]ZZi<%*-&####################################################################################################.
3%#4)/.3!&%49
HV[Zin>chigjXi^dch[dgBVX]^cZgn#############################################################################################&%
6YY^i^dcVaHV[Zin[dgL^YZ7ZaiHVcYZgh################################################################################## &'
3%#4)/.#)2#5)42%15)2%-%.43
''%K$))%K8dccZXi^dc############################################################################################################ &(
:miZch^dc8dgYh####################################################################################################################### &(
<gdjcY^c\################################################################################################################################# &(
6beZgV\ZAdVYh###################################################################################################################### &(
))%K8dccZXi^dc###################################################################################################################### &)
3%#4)/.3%450
JceVX`^c\################################################################################################################################ &*
>ckZcidgn################################################################################################################################### &*
=VgYlVgZ8]Vgi######################################################################################################################## &+
8aZVcJe################################################################################################################################## &,
H^iZ8dch^YZgVi^dch################################################################################################################## &,
7Z\^cc^c\6hhZbWan################################################################################################################# &-
6^gA^cZ>chiVaaVi^dc################################################################################################################### &-
9jhi8daaZXi^dc######################################################################################################################### &-
HVcY^c\7Zai############################################################################################################################# &.
EgZhhjgZGdaaZgh####################################################################################################################### '%
HiVgiJe#################################################################################################################################### '%
GZXdbbZcYZY6Y_jhibZcih#################################################################################################### '&
3%#4)/./0%2!4)/.3
DeZgVi^dcHV[Zin###################################################################################################################### ''
8]ddh^c\HVcYeVeZg############################################################################################################### ''
IVWaZBdkZbZci###################################################################################################################### '(
6Y_jhi^c\;ZZYGViZ################################################################################################################# '(
6be9gVlBZiZg###################################################################################################################### ')
HVcY^c\Ldg`e^ZXZ################################################################################################################## '*
EaViZc6Y_jhibZci#################################################################################################################### '*
3%#4)/.!##%33/2)%3
3%#4)/.-!).4%.!.#%
<ZcZgVa##################################################################################################################################### ',
HX]ZYjaZ################################################################################################################################## ',
HVcY^c\7Zaih########################################################################################################################### '-
6^gHnhiZb################################################################################################################################ '-
9jhiVcYLViZgIgVeh############################################################################################################## '-

"'" ='.(($='.()$<%)),$<%*-&L^YZ7ZaiHVcYZg
3%#4)/.3%26)#%
IVWaZ8Va^WgVi^dc###################################################################################################################### '.
EaViZcHZgk^XZ########################################################################################################################## '.
7gV`ZHZgk^XZ########################################################################################################################### (%
DhX^aaVi^dcI^b^c\#################################################################################################################### (&
DhX^aaVi^dcHeZZY##################################################################################################################### ((
IVWaZEVgVaaZa^hb###################################################################################################################### ((
EgZhhjgZGdaaZgh####################################################################################################################### ()
K"7Zai6Y_jhibZci#################################################################################################################### (*
8dckZndg7ZaiGZeaVXZbZci#################################################################################################### (+
;ZZY7ZaiIZch^dc#################################################################################################################### (-
;ZZY7ZaiIgVX`^c\################################################################################################################### (-
6^gHnhiZb9^V\gVb################################################################################################################# (.
IgdjWaZh]ddi^c\######################################################################################################################## )%
Idda7dmVcY6XXZhhdg^Zh9^V\gVb######################################################################################### *+
Idda7dmVcY6XXZhhdg^ZhEVgihA^hi####################################################################################### *,
HVcY^c\BdidgHnhiZb9^V\gVb############################################################################################## *-
HVcY^c\BdidgHnhiZbEVgihA^hi############################################################################################# *.
IVWaZA^[iHnhiZb9^V\gVb####################################################################################################### +%
IVWaZA^[iHnhiZbEVgihA^hi##################################################################################################### +&
8dckZndgHnhiZb9^V\gVb###################################################################################################### +'
8dckZndgHnhiZbEVgihA^hi##################################################################################################### +(
;ZZY!9gjb!VcYEgZhhjgZGdaaZg9^V\gVb############################################################################## +)
;ZZY!9gjb!VcYEgZhhjgZGdaaZgEVgihA^hi############################################################################ +*
HVcY^c\9gjb!VcYEaViZc9^V\gVb######################################################################################## ++
HVcY^c\9gjb!VcYEaViZcEVgihA^hi####################################################################################### +,
JeeZgGdaaZgHnhiZb9^V\gVb################################################################################################# +-
JeeZgGdaaZgHnhiZbEVgihA^hi################################################################################################+.
8VW^cZi6hhZbWan9^V\gVb###################################################################################################### ,%
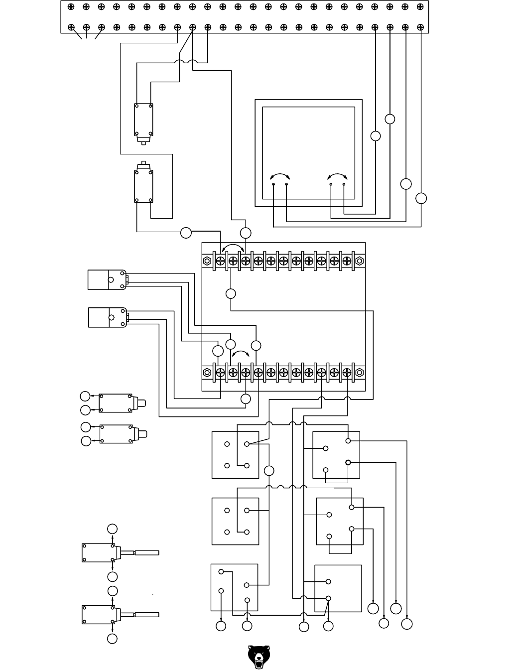
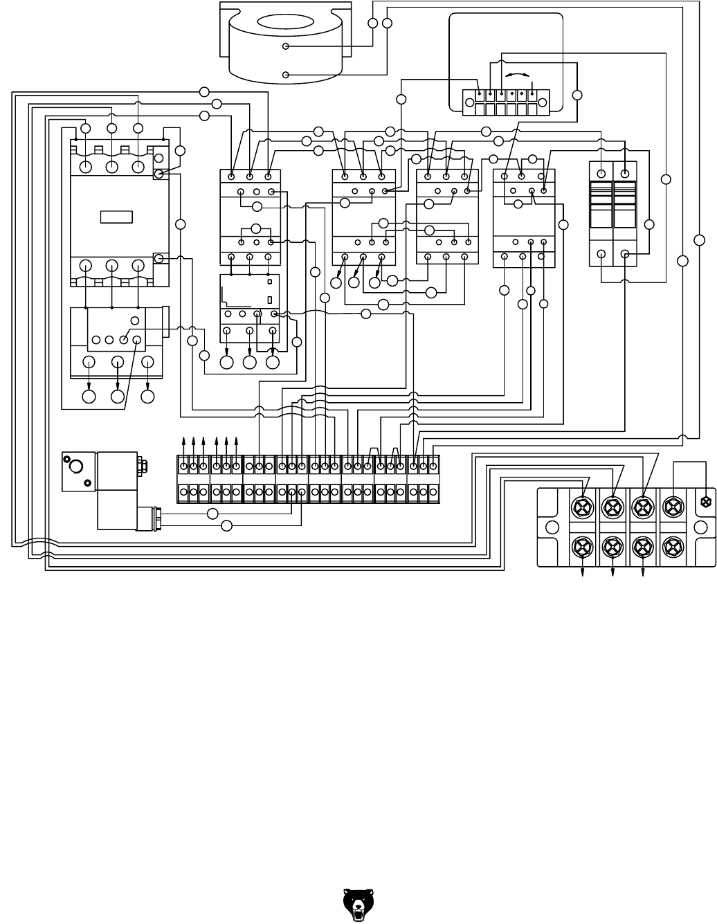
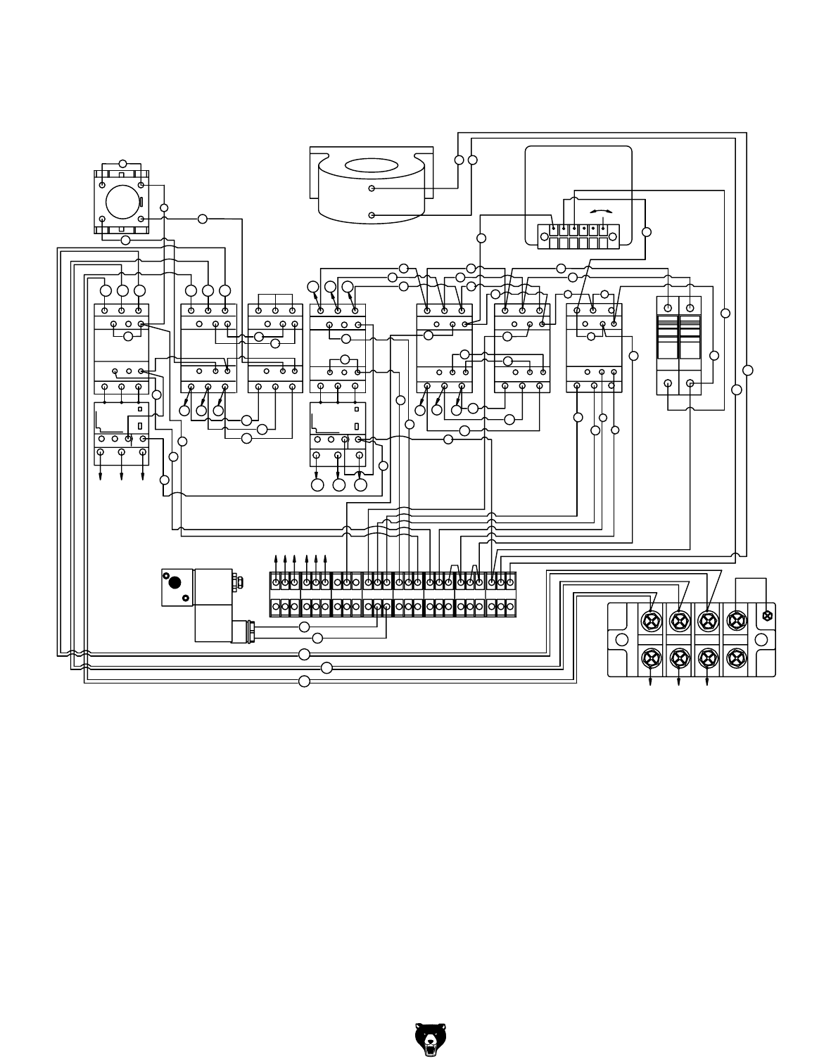
BV^c:aZXig^XVaEVcZaVcY8dcigdah9^V\gVb########################################################################### ,'
BV^c:aZXig^XVaEVcZaVcY8dcigdahEVgihA^hi########################################################################## ,(
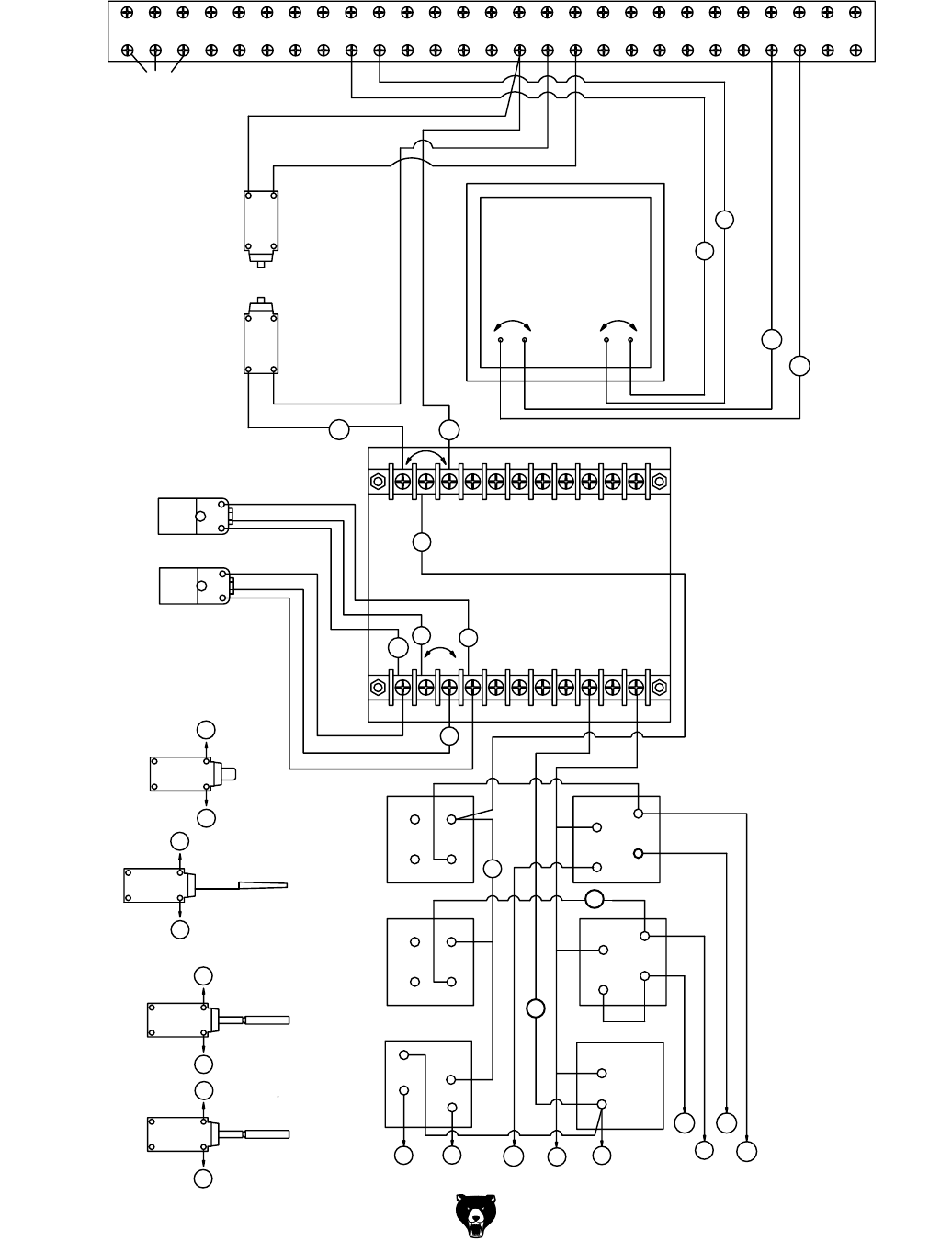
7ZaiDhX^aaVi^dcHnhiZb9^V\gVb############################################################################################## ,)
7ZaiDhX^aaVi^dcHnhiZbEVgihA^hi############################################################################################,*
BVX]^cZAVWZa9^V\gVb########################################################################################################### ,+
BVX]^cZAVWZaA^hi################################################################################################################### ,,
7!22!.492%452.3

='.(($='.()$<%)),$<%*-&L^YZ7ZaiHVcYZg "("
>[ndj]VkZVcnXdbbZcihgZ\VgY^c\i]^hbVcjVa!
eaZVhZlg^iZidjhVii]ZVYYgZhhWZadl/
<g^ooan>cYjhig^Va!>cX#
8$DIZX]c^XVa9dXjbZciVi^dcBVcV\Zg
E#D#7dm'%+.
7Zaa^c\]Vb!L6.-'',"'%+.
LZhiVcYWZ]^cYdjgbVX]^cZh#>[ndj]VkZVcn
hZgk^XZfjZhi^dchdgeVgihgZfjZhih!eaZVhZXVaadg
lg^iZjhVii]ZadXVi^dca^hiZYWZadl#
<g^ooan>cYjhig^Va!>cX#
&'%(AnXdb^c\BVaa8^gXaZ
BjcXn!E6&,,*+
E]dcZ/*,%*)+".++(
;Vm/-%%)(-"*.%&
:"BV^a/iZX]hjeedgi5\g^ooan#Xdb
LZWH^iZ/]iie/$$lll#\g^ooan#Xdb
&OREWORD
).42/$5#4)/.
#ONTACT)NFO
LZ VgZ egdjY id d[[Zg i]Z ='.(($='.()$<%)),$
<%*-& L^YZ 7Zai HVcYZg# I]^h bVX]^cZ ^h eVgi
d[ V \gdl^c\ <g^ooan [Vb^an d[ [^cZ lddYldg`^c\
bVX]^cZgn# L]Zc jhZY VXXdgY^c\ id i]Z \j^YZ"
a^cZh hZi [dgi] ^c i]^h bVcjVa! ndj XVc ZmeZXi
nZVgh d[ igdjWaZ"[gZZ! Zc_dnVWaZ deZgVi^dc VcY
egdd[d[ <g^ooan»hXdbb^ibZci idXjhidbZg hVi^h"
[VXi^dc#
LZ VgZ eaZVhZY id egdk^YZ i]^h bVcjVa l^i] i]Z
='.(($='.()$<%)),$<%*-& L^YZ 7Zai HVcYZg#
>i lVh lg^iiZc id \j^YZ ndj i]gdj\] VhhZbWan!
gZk^Zl hV[Zin Xdch^YZgVi^dch! VcY XdkZg \ZcZgVa
deZgVi^c\egdXZYjgZh#
I]Z heZX^[^XVi^dch! YgVl^c\h! VcY e]did\gVe]h
^aajhigViZY ^c i]^h bVcjVa gZegZhZci i]Z ='.(($
='.()$<%)),$<%*-& L^YZ 7Zai HVcYZg Vh hje"
ea^ZY l]Zc i]Z bVcjVa lVh egZeVgZY# ;dg ndjg
XdckZc^ZcXZ! lZ ValVnh `ZZe XjggZci <g^ooan
bVcjVah VkV^aVWaZ dc djg lZWh^iZ Vi WWWGRIZ
ZLYCOM# 6cn jeYViZh id ndjg bVX]^cZ l^aa WZ
gZ[aZXiZY ^c i]ZhZ bVcjVah Vh hddc Vh i]Zn VgZ
XdbeaZiZ#

")" ='.(($='.()$<%)),$<%*-&L^YZ7ZaiHVcYZg
#ONTROL0ANEL
&EATURES %XTERNAL&EATURES
! 9^\^iVa6be9gVlBZiZg
" IVWaZ"=Z^\]i9^\^iVaGZVYdji
# IVWaZJe@Zn
$ IVWaZ9dlc@Zn
% HVcY^c\7ZaiHiVgi7jiidc
& 8dckZndg7ZaiHiVgi7jiidc
' EdlZgA^\]i
( IVWaZHZi:ciZg@Zn
) IVWaZHiVgi@Zn
* IVWaZHide@Zn
+ HVcY^c\7ZaiHide7jiidc
, ;ZZY7ZaiHide7jiidc
- :bZg\ZcXnHide7jiidc
7
; A
<B
>
6
=
8
?
9
9
;
:@
:
8
&IGURE;gdciK^Zl#
&IGURE8dcigdaEVcZa#
! 8dcigdaEVcZa
" IVWaZ=Z^\]i=VcYl]ZZa
# :bZg\ZcXnHideEjh]"EVcZa
$ )9jhi8daaZXi^dcEdgih
% 6beZgV\ZAdVY8]Vgi
& 9^\^iVaIVWaZ=Z^\]i@ZnEVY
' 8dckZndgHeZZY8dcigda
( 6^gEgZhhjgZGZ\jaVidg
) BV^cL^g^c\7dm
7
&IGUREGZVgK^Zl#
<=
>
6

='.(($='.()$<%)),$<%*-&L^YZ7ZaiHVcYZg "*"
)NTERNAL&EATURES
! 7ZaiIZch^dc@cdW
" EaViZc6Y_jhibZciAZkZg
# EaViZc6Y_jhibZciAdX`AZkZg
$ AdX`EdhiGZaZVhZAZkZg
% IgVX`^c\6Y_jhibZci@cdW
&IGURE>ch^YZi]ZaZ[iVXXZhhYddg#
& JeeZgGdaaZgh
' 6^g[adl6Y_jhibZci@cdW
( HeZZY8dcigda6Y_jhibZci@cdW
) 6^g;dg`VcY6^g?Zi
* 9^Ve]gV\bKVakZ6hhZbWan
6
7
8
&IGURE>ch^YZi]Zg^\]iVXXZhhYddg#
<=
>
?
67
8
9
:
9
;

"+" ='.(($='.()$<%)),$<%*-&L^YZ7ZaiHVcYZg
9Zh^\cIneZ########################################################################################################################;addgBdYZa
/VERALL$IMENSIONS
DkZgVaa=Z^\]i######################################################################################################################,&&¿'
DkZgVaaL^Yi]#############################################################################################################################)'
DkZgVaa9Zei]#########################################################################################################################*.&¿'
8dckZndg=Z^\]iViAdlZhiHZii^c\###########################################################################################('
CZiLZ^\]i####################################################################################################################### '(&)aWh#
H]^ee^c\LZ^\]i############################################################################################################## '+)*aWh#
;ddieg^ci########################################################################################################################## )%m(&
#APACITIES
BVm^bjb7dVgYL^Yi]##############################################################################################################')
BVm^bjb7dVgYI]^X`cZhh#########################################################################################################+
B^c^bjb7dVgYAZc\i]#############################################################################################################&)
B^c^bjb7dVgYI]^X`cZhh#########################################################################################################&¿)
9gjbHeZZY;gdci###################################################################################################### (*)(;EB
9gjbHeZZYGZVg####################################################################################################### '*+*;EB
8dckZndgHeZZY########################################################################################################### &)"+%;EB
9jhiEdgih########################################################################################################################## ;djg!)
9gjb9^VbZiZg######################################################################################### ;gdci,#-,!GZVg)
3ANDING$RUM-OTOR
IneZ######################################################################################################################I:;8>cYjXi^dc
=dghZedlZg##########################################################################################################################&*=E
KdaiV\Z$E]VhZ$8nXaZ########################################################### ''%K$))%KI]gZZ"E]VhZ¿+%=O
6beh################################################################################################################################ (+$&-6
GEB##############################################################################################################################&,'*GEB
EdlZgIgVch[Zgid9gjbh########################################################################### Ig^eaZVcYIl^cK"7Zai
#ONVEYOR&EED-OTOR
IneZ######################################################################################################################I:;8>cYjXi^dc
=dghZedlZg############################################################################################################################&=E
KdaiV\Z$E]VhZ$8nXaZ########################################################### ''%K$))%KI]gZZ"E]VhZ¿+%=O
6beh############################################################################################################################## (#)$&#,6
GEB##############################################################################################################################&,'*GEB
EdlZgIgVch[Zg##################################################################################################################### K"7Zai
4ABLE,IFT-OTOR
IneZ######################################################################################################################I:;8>cYjXi^dc
=dghZedlZg########################################################################################################################### &¿)=E
KdaiV\Z$E]VhZ$8nXaZ########################################################### ''%K$))%KI]gZZ"E]VhZ¿+%=O
6beh############################################################################################################################## &#'$%#+6
GEB##############################################################################################################################&,'*GEB
EdlZgIgVch[Zg##################################################################################################################### K"7Zai
'ENERAL#ONSTRUCTION
8VW^cZi###################################################################################################################################HiZZa
DeZgVi^c\6^gEgZhhjgZ######################################################################################################## ,*EH>
HVcY^c\7ZaiDhX^aaVi^dc################################################################################################ 6Y_jhiVWaZ
:bZg\ZcXnHVcY^c\7Zai7gV`Z############################################################################## 6^g9^hX7gV`Z
8dcigdaEVcZa################################################# Ejh]7jiidcBdidg8dcigdah!VcY6beAdVYBZiZg
HVcY^c\7Zai#################################################################################################################### ')m+%
<gVe]^iZH^oZ################################################################################################################## ')m(#*
HVcY^c\IneZ#############################################################################################9gjbVcYEaViZcHinaZ
3PECIFICATIONSWHILEDEEMEDACCURATEARENOTGUARANTEED
-/$%,($/5",%(%!$
7)$%"%,43!.$%2
8jhidbZgHZgk^XZ/*,%*)+".++(IdDgYZg8Vaa/-%%*'("),,,;Vm/-%%)(-"*.%&
-!#().%$!4!
3(%%4
-ACHINE$ATA3HEET(

='.(($='.()$<%)),$<%*-&L^YZ7ZaiHVcYZg ","
9Zh^\cIneZ########################################################################################################################;addgBdYZa
/VERALL$IMENSIONS
DkZgVaa=Z^\]i######################################################################################################################,&&¿'
DkZgVaaL^Yi]#############################################################################################################################*)
DkZgVaa9Zei]#########################################################################################################################*.&¿'
8dckZndg=Z^\]iViAdlZhiHZii^c\###########################################################################################('
CZiLZ^\]i####################################################################################################################### (%-+aWh#
H]^ee^c\LZ^\]i############################################################################################################## (*',aWh#
;ddieg^ci########################################################################################################################## *'m(&
#APACITIES
BVm^bjb7dVgYL^Yi]###########################################################################################################(+&¿'
BVm^bjb7dVgYI]^X`cZhh#########################################################################################################+
B^c^bjb7dVgYAZc\i]#############################################################################################################&)
B^c^bjb7dVgYI]^X`cZhh#########################################################################################################&¿)
9gjbHeZZY;gdci###################################################################################################### (*)(;EB
9gjbHeZZYGZVg####################################################################################################### '*+*;EB
8dckZndgHeZZY########################################################################################################### &)"+%;EB
9jhiEdgih###########################################################################################################################H^m!)
9gjb9^VbZiZg######################################################################################### ;gdci,#-,!GZVg)
3ANDING$RUM-OTOR
IneZ######################################################################################################################I:;8>cYjXi^dc
=dghZedlZg##########################################################################################################################'%=E
KdaiV\Z$E]VhZ$8nXaZ########################################################### ''%K$))%KI]gZZ"E]VhZ¿+%=O
6beh################################################################################################################################ *%$'*6
GEB##############################################################################################################################&,'*GEB
EdlZgIgVch[Zgid9gjbh########################################################################### Il^cVcYIg^eaZK"7Zai
#ONVEYOR&EED-OTOR
IneZ######################################################################################################################I:;8>cYjXi^dc
=dghZedlZg############################################################################################################################&=E
KdaiV\Z$E]VhZ$8nXaZ########################################################### ''%K$))%KI]gZZ"E]VhZ¿+%=O
6beh############################################################################################################################## (#)$&#,6
GEB##############################################################################################################################&,'*GEB
EdlZgIgVch[Zg##################################################################################################################### K"7Zai
4ABLE,IFT-OTOR
IneZ######################################################################################################################I:;8>cYjXi^dc
=dghZedlZg######################################################################################################################### &¿)=E
KdaiV\Z$E]VhZ$8nXaZ########################################################### ''%K$))%KI]gZZ"E]VhZ¿+%=O
6beh############################################################################################################################## &#'$%#+6
GEB##############################################################################################################################&,'*GEB
EdlZgIgVch[Zg##################################################################################################################### K"7Zai
'ENERAL#ONSTRUCTION
8VW^cZi###################################################################################################################################HiZZa
DeZgVi^c\6^gEgZhhjgZ######################################################################################################## ,*EH>
HVcY^c\7ZaiDhX^aaVi^dc################################################################################################ 6Y_jhiVWaZ
:bZg\ZcXnHVcY^c\7Zai7gV`Z############################################################################## 6^g9^hX7gV`Z
8dcigdaEVcZa################################################# Ejh]7jiidcBdidg8dcigdah!VcY6beAdVYBZiZg
HVcY^c\7Zai#################################################################################################################### (,m+%
<gVe]^iZH^oZ################################################################################################################## (,m(#*
HVcY^c\IneZ#############################################################################################9gjbVcYEaViZcHinaZ
3PECIFICATIONSWHILEDEEMEDACCURATEARENOTGUARANTEED
-/$%,($/5",%(%!$
7)$%"%,43!.$%2
8jhidbZgHZgk^XZ/*,%*)+".++(IdDgYZg8Vaa/-%%*'("),,,;Vm/-%%)(-"*.%&
-!#().%$!4!
3(%%4
-ACHINE$ATA3HEET(

"-" ='.(($='.()$<%)),$<%*-&L^YZ7ZaiHVcYZg
9Zh^\cIneZ########################################################################################################################;addgBdYZa
/VERALL$IMENSIONS
DkZgVaa=Z^\]iL$9jhiEdgih####################################################################################################,.
DkZgVaa=Z^\]iL$D9jhiEdgih#################################################################################################,(
DkZgVaaL^Yi]##########################################################################################################################*(&¿'
DkZgVaa9Zei]#########################################################################################################################*.&¿'
8dckZndg=Z^\]iViAdlZhiHZii^c\###########################################################################################('
CZiLZ^\]i####################################################################################################################### (&.,aWh#
H]^ee^c\LZ^\]i############################################################################################################## (+(,aWh#
;ddieg^ci########################################################################################################################## *'m(&
#APACITIES
BVm^bjb7dVgYL^Yi]###########################################################################################################(+&¿'
BVm^bjb7dVgYI]^X`cZhh#########################################################################################################+
B^c^bjb7dVgYAZc\i]#############################################################################################################&&
B^c^bjb7dVgYI]^X`cZhh#########################################################################################################&¿)
9gjbHeZZY;gdci###################################################################################################### (*)(;EB
9gjbHeZZYGZVg####################################################################################################### '**);EB
8dckZndgHeZZY########################################################################################################### &,"+(;EB
9jhiEdgih############################################################################################################################ H^m!)
9gjb9^Vb^iZg########################################################################################## ;gdci,#-,!GZVg)
3ANDING$RUM-OTOR
IneZ######################################################################################################################I:;8>cYjXi^dc
=dghZedlZg##########################################################################################################################'%=E
KdaiV\Z$E]VhZ$8nXaZ########################################################### ''%K$))%KI]gZZ"E]VhZ¿+%=O
6beh################################################################################################################################ *%$'*6
GEB##############################################################################################################################&,'*GEB
EdlZgIgVch[Zgid9gjbh########################################################################################### Ig^eaZK"7Zai
#ONVEYOR&EED-OTOR
IneZ######################################################################################################################I:;8>cYjXi^dc
=dghZedlZg############################################################################################################################&=E
KdaiV\Z$E]VhZ$8nXaZ########################################################### ''%K$))%KI]gZZ"E]VhZ¿+%=O
6beh############################################################################################################################## (#)$&#,6
GEB##############################################################################################################################&,'*GEB
EdlZgIgVch[Zg########################################################################################### Il^cVcYIg^eaZK"7Zai
4ABLE,IFT-OTOR
IneZ######################################################################################################################I:;8>cYjXi^dc
=dghZedlZg######################################################################################################################### &¿)=E
KdaiV\Z$E]VhZ$8nXaZ########################################################### ''%K$))%KI]gZZ"E]VhZ¿+%=O
6beh############################################################################################################################## &#'$%#+6
GEB##############################################################################################################################&,'*GEB
EdlZgIgVch[Zg##################################################################################################################### K"7Zai
'ENERAL#ONSTRUCTION
8VW^cZi###################################################################################################################################HiZZa
DeZgVi^c\6^gEgZhhjgZ######################################################################################################## ,*EH>
HVcY^c\7ZaiDhX^aaVi^dc################################################################################################ 6Y_jhiVWaZ
:bZg\ZcXnHVcY^c\7Zai7gV`Z############################################################################## 6^g9^hX7gV`Z
8dcigdaEVcZa################################################# Ejh]7jiidcBdidg8dcigdah!VcY6beAdVYBZiZg
HVcY^c\7Zai#################################################################################################################### (,m,*
<gVe]^iZH^oZ############################################################################################################### (,#-m(#*
HVcY^c\IneZ##############################################################################################################EaViZcHinaZ
3PECIFICATIONSWHILEDEEMEDACCURATEARENOTGUARANTEED
-/$%,'$/5",%(%!$
4!,,7)$%"%,43!.$%2
8jhidbZgHZgk^XZ/*,%*)+".++(IdDgYZg8Vaa/-%%*'("),,,;Vm/-%%)(-"*.%&
-!#().%$!4!
3(%%4
-ACHINE$ATA3HEET'

='.(($='.()$<%)),$<%*-&L^YZ7ZaiHVcYZg "."
9Zh^\cIneZ########################################################################################################################;addgBdYZa
/VERALL$IMENSIONS
DkZgVaa=Z^\]iL$9jhiEdgih#################################################################################################,'&¿'
DkZgVaa=Z^\]iL$D9jhiEdgih##############################################################################################++&¿'
DkZgVaaL^Yi]##########################################################################################################################+(&¿'
DkZgVaa9Zei]#########################################################################################################################+%&¿'
8dckZndg=Z^\]iViAdlZhiHZii^c\###########################################################################################('
CZiLZ^\]i####################################################################################################################### (%-+aWh#
H]^ee^c\LZ^\]i############################################################################################################## (.+-aWh#
;ddieg^ci####################################################################################################################### +&m(&&¿'
#APACITIES
BVm^bjb7dVgYL^Yi]##############################################################################################################)(
BVm^bjb7dVgYI]^X`cZhh#########################################################################################################+
B^c^bjb7dVgYAZc\i]#############################################################################################################&)
B^c^bjb7dVgYI]^X`cZhh#########################################################################################################&¿)
;gdci9gjbHeZZY######################################################################################################### (*)(;EB
GZVg9gjbHeZZY######################################################################################################### '*+*;EB
8dckZndgHeZZY########################################################################################################### &)"+(;EB
9jhiEdgih########################################################################################################################### IZc!)
9gjb9^VbZiZg;gdci###########################################################################################################,#-,
9gjb9^VbZiZgGZVg#################################################################################################################)
3ANDING$RUM-OTOR
IneZ######################################################################################################################I:;8>cYjXi^dc
=dghZedlZg##########################################################################################################################'*=E
KdaiV\Z$E]VhZ$8nXaZ########################################################### ''%K$))%KI]gZZ"E]VhZ¿+%=O
6beh################################################################################################################################ +)$('6
GEB##############################################################################################################################&,'*GEB
EdlZgIgVch[Zgid9gjbh########################################################################### Il^cVcYIg^eaZK"7Zai
#ONVEYOR&EED-OTOR
IneZ######################################################################################################################I:;8>cYjXi^dc
=dghZedlZg############################################################################################################################'=E
KdaiV\Z$E]VhZ$8nXaZ########################################################### ''%K$))%KI]gZZ"E]VhZ¿+%=O
6beh#################################################################################################################################### +$(6
GEB##############################################################################################################################&,'*GEB
EdlZgIgVch[Zg##################################################################################################################### K"7Zai
4ABLE,IFT-OTOR
IneZ######################################################################################################################I:;8>cYjXi^dc
=dghZedlZg########################################################################################################################### &¿)=E
KdaiV\Z$E]VhZ$8nXaZ########################################################### ''%K$))%KI]gZZ"E]VhZ¿+%=O
6beh############################################################################################################################## &#'$%#+6
GEB##############################################################################################################################&,'*GEB
EdlZgIgVch[Zg##################################################################################################################### K"7Zai
'ENERAL#ONSTRUCTION
8VW^cZi###################################################################################################################################HiZZa
DeZgVi^c\6^gEgZhhjgZ######################################################################################################## ,*EH>
HVcY^c\7ZaiDhX^aaVi^dc################################################################################################ 6Y_jhiVWaZ
:bZg\ZcXnHVcY^c\7Zai7gV`Z############################################################################## 6^g9^hX7gV`Z
8dcigdaEVcZa################################################# Ejh]7jiidcBdidg8dcigdah!VcY6beAdVYBZiZg
HVcY^c\7Zai################################################################################################################# )(#(m+%
<gVe]^iZH^oZ################################################################################################################## )(m(#*
HVcY^c\IneZ#############################################################################################9gjbVcYEaViZcHinaZ
3PECIFICATIONSWHILEDEEMEDACCURATEARENOTGUARANTEED
-/$%,'$/5",%(%!$
7)$%"%,43!.$%2
8jhidbZgHZgk^XZ/*,%*)+".++(IdDgYZg8Vaa/-%%*'("),,,;Vm/-%%)(-"*.%&
-!#().%$!4!
3(%%4
-ACHINE$ATA3HEET'

"&%" ='.(($='.()$<%)),$<%*-&L^YZ7ZaiHVcYZg
!,7!93 53% (%!2).' 02/4%#4)/.
7(%. /0%2!4).' -!#().%29
BVX]^cZgn cd^hZ XVc XVjhZ eZgbVcZci
]ZVg^c\YVbV\Z#
7%!2 02/0%2 !00!2%, 9D CDI
lZVgaddhZXadi]^c\!\adkZh!cZX`i^Zh!g^c\h!
dg_ZlZagnl]^X]bVn\ZiXVj\]i^cbdk^c\
eVgih#LZVgegdiZXi^kZ]V^gXdkZg^c\idXdc"
iV^cadc\]V^gVcYlZVgcdc"ha^e[ddilZVg#
.%6%2 /0%2!4% -!#().%29 7(%.
4)2%$/25.$%24(%).&,5%.#%/&
$25'3/2!,#/(/,7ZbZciVaanVaZgi
ViVaai^bZhl]Zcgjcc^c\bVX]^cZgn#
2%!$4(2/5'(4(%%.4)2%-!.5!,
"%&/2% 34!24).' -!#().%29
BVX]^cZgnegZhZcihhZg^djh^c_jgn]VoVgYh
idjcigV^cZYjhZgh#
!,7!93 53% !.3) !002/6%$
3!&%49',!33%37(%./0%2!4).'
-!#().%29 :kZgnYVn ZnZ\aVhhZh dcan
]VkZ ^beVXi gZh^hiVci aZchZh! i]Zn VgZ
CDIhV[Zin\aVhhZh#
!,7!93 7%!2 !. !.3) !002/6%$
2%30)2!4/2 7(%. /0%2!4).'
-!#().%29 4(!4 02/$5#%3 $534
LddYYjhi^hVXVgX^cd\ZcVcYXVcXVjhZ
XVcXZgVcYhZkZgZgZhe^gVidgn^aacZhhZh#
&OR9OUR/WN3AFETY2EAD)NSTRUCTION
-ANUAL"EFORE/PERATINGTHIS-ACHINE
4HEPURPOSEOFSAFETYSYMBOLSISTOATTRACTYOURATTENTIONTOPOSSIBLEHAZARDOUSCONDITIONS4HIS
MANUALUSESASERIESOFSYMBOLSANDSIGNALWORDSWHICHAREINTENDEDTOCONVEYTHELEVELOF
IMPORTANCEOFTHESAFETYMESSAGES4HEPROGRESSIONOFSYMBOLSISDESCRIBEDBELOW2EMEMBER
THATSAFETYMESSAGESBYTHEMSELVESDONOTELIMINATEDANGERANDARENOTASUBSTITUTEFORPROPER
ACCIDENTPREVENTIONMEASURES
)NDICATESAPOTENTIALLYHAZARDOUSSITUATIONWHICHIFNOTAVOIDED
-!9RESULTINMINORORMODERATEINJURY)TMAYALSOBEUSEDTOALERT
AGAINSTUNSAFEPRACTICES
)NDICATESAPOTENTIALLYHAZARDOUSSITUATIONWHICHIFNOTAVOIDED
#/5,$RESULTINDEATHORSERIOUSINJURY
)NDICATESANIMMINENTLYHAZARDOUSSITUATIONWHICHIFNOTAVOIDED
7),,RESULTINDEATHORSERIOUSINJURY
4HISSYMBOLISUSEDTOALERTTHEUSERTOUSEFULINFORMATIONABOUT
PROPEROPERATIONOFTHEMACHINE
./4)#%
3AFETY)NSTRUCTIONSFOR-ACHINERY
3%#4)/.3!&%49

='.(($='.()$<%)),$<%*-&L^YZ7ZaiHVcYZg "&&"
/.,9 !,,/7 42!).%$ !.$ 02/0
%2,9 350%26)3%$ 0%23/..%, 4/
/0%2!4% -!#().%29 BV`Z hjgZ
deZgVi^dc^chigjXi^dchVgZhV[ZVcYXaZVgan
jcYZghiddY#
+%%0#(),$2%.!.$6)3)4/23!7!9
@ZZe Vaa X]^aYgZc VcY k^h^idgh V hV[Z Y^h"
iVcXZ[gdbi]Zldg`VgZV#
-!+%7/2+3(/0#(),$02//&JhZ
eVYadX`h! bVhiZg hl^iX]Zh! VcY gZbdkZ
hiVgihl^iX]`Znh#
.%6%2 ,%!6% 7(%. -!#().% )3
25..).'IjgcedlZg/&&VcYVaadlVaa
bdk^c\eVgihidXdbZ id VXdbeaZiZhide
WZ[dgZaZVk^c\bVX]^cZjcViiZcYZY#
$/ ./4 53% ). $!.'%2/53
%.6)2/.-%.43 9D CDI jhZ bVX]^c"
Zgn ^c YVbe! lZi adXVi^dch! dg l]ZgZ Vcn
[aVbbVWaZdgcdm^djh[jbZhbVnZm^hi#
+%%07/2+!2%!#,%!.!.$7%,,
,)48ajiiZgVcYYVg`h]VYdlhbVnXVjhZ
VXX^YZcih#
53%!'2/5.$%$ %84%.3)/.#/2$
2!4%$&/24(%-!#().%!-0%2!'%
JcYZgh^oZYXdgYhdkZg]ZViVcYadhZedlZg#
GZeaVXZ ZmiZch^dc XdgYh ^[ i]Zn WZXdbZ
YVbV\ZY# 9D CDI jhZ ZmiZch^dc XdgYh
[dg''%KbVX]^cZgn#
!,7!93 $)3#/..%#4 &2/- 0/7%2
3/52#% "%&/2% 3%26)#).'
-!#().%29#BV`ZhjgZ hl^iX]^h^c
D;;
edh^i^dcWZ[dgZgZXdccZXi^c\#
-!).4!). -!#().%29 7)4( #!2%
@ZZeWaVYZhh]VgeVcYXaZVc[dgWZhiVcY
hV[ZhieZg[dgbVcXZ#;daadl^chigjXi^dch[dg
ajWg^XVi^c\VcYX]Vc\^c\VXXZhhdg^Zh#
-!+% 352% '5!2$3 !2% ). 0,!#%
!.$ 7/2+ #/22%#4,9 "%&/2%
53).'-!#().%29
3AFETY)NSTRUCTIONSFOR-ACHINERY
2%-/6% !$*534).' +%93 !.$
72%.#(%3BV`ZV]VW^id[X]ZX`^c\[dg
`ZnhVcYVY_jhi^c\lgZcX]ZhWZ[dgZijgc"
^c\bVX]^cZgn/.#
#(%#+ &/2 $!-!'%$ 0!243
"%&/2% 53).' -!#().%29 8]ZX`
[dgW^cY^c\VcYVa^\cbZcid[eVgih!Wgd`Zc
eVgih!eVgibdjci^c\!addhZWdaih!VcYVcn
di]Zg XdcY^i^dch i]Vi bVn V[[ZXi bVX]^cZ
deZgVi^dc# GZeV^g dg gZeaVXZ YVbV\ZY
eVgih#
53% 2%#/--%.$%$ !##%33/2)%3
GZ[Zgidi]Z^chigjXi^dcbVcjVa[dggZXdb"
bZcYZYVXXZhhdg^Zh#I]ZjhZd[^begdeZg
VXXZhhdg^ZhbVnXVjhZg^h`d[^c_jgn#
$/ ./4 &/2#% -!#().%29 Ldg` Vi
i]ZheZZY[dgl]^X]i]ZbVX]^cZdgVXXZh"
hdgnlVhYZh^\cZY#
3%#52% 7/2+0)%#% JhZ XaVbeh dg
V k^hZ id ]daY i]Z ldg`e^ZXZ l]Zc egVXi^"
XVa# 6 hZXjgZY ldg`e^ZXZ egdiZXih ndjg
]VcYhVcY[gZZhWdi]]VcYhiddeZgViZi]Z
bVX]^cZ#
$/./4/6%22%!#(@ZZeegdeZg[ddi"
^c\VcYWVaVcXZViVaai^bZh#
-!.9 -!#().%3 7),, %*%#4 4(%
7/2+0)%#%4/7!2$4(%/0%2!4/2
@cdlVcYVkd^YXdcY^i^dchi]ViXVjhZi]Z
ldg`e^ZXZid`^X`WVX`#
!,7!93 ,/#+ -/"),% "!3%3
)& 53%$ "%&/2% /0%2!4).'
-!#().%29#
"% !7!2% 4(!4 #%24!). 7//$3
-!9#!53%!.!,,%2')#2%!#4)/.
^c eZdeaZ VcY Vc^bVah! ZheZX^Vaan l]Zc
ZmedhZY id [^cZ Yjhi# BV`Z hjgZ ndj
`cdl l]Vi ineZ d[ lddY Yjhi ndj l^aa WZ
ZmedhZYidVcYValVnhlZVgVcVeegdkZY
gZhe^gVidg#

"&'" ='.(($='.()$<%)),$<%*-&L^YZ7ZaiHVcYZg
!DDITIONAL3AFETYFOR7IDE"ELT3ANDERS
).&%%$/54&%%$ !2%! L]Zc [ZZY^c\
i]Zldg`e^ZXZ^cidi]ZbVX]^cZ!`ZZeXaZVg
d[`^X`WVX`eVi]#
7/2+0)%#% &%%$).' CZkZg [dgXZ i]Z
ldg`e^ZXZ ^cid i]Z hVcYZg! VcY [ZZY dcan
dcZldg`e^ZXZViVi^bZ#
#,/4().' Gdaa je dg Wjiidc haZZkZh! i^Z
VaaaddhZXadi]^c\dg]V^ghd^il^aa`ZZeXaZVg
d[ZciVc\aZbZci]VoVgYh#
.!22/7 7/2+0)%#%3 CZkZg hVcY
ldg`e^ZXZhcVggdlZgi]Vc&¿-#
4(). 7/2+0)%#%3 CZkZg hVcY ldg`"
e^ZXZhi]^ccZgi]Vc&¿-#
3(/247/2+0)%#%3CZkZghVcYldg`"
e^ZXZhh]dgiZgi]Vc&)#
(!.$3CZkZgeaVXZ]VcYhcZVg!dg^cXdc"
iVXi l^i]! hVcY^c\ Ygjbh dg XdckZndg WZai
Yjg^c\deZgVi^dc#
-!).4%.!.#%EZg[dgbbVX]^cZ^cheZX"
i^dchVcYbV^ciZcVcXZhZgk^XZVii]ZVeegd"
eg^ViZi^bZ^ciZgkVah#
0/7%2 !.$ !)2 $)3#/..%#4 JcaZhh
heZX^[^XVaan hiViZY ^c i]Z bVcjVa! ValVnh
Y^hXdccZXi i]Z edlZg hdjgXZ VcY V^g [gdb
i]ZbVX]^cZl]ZceZg[dgb^c\bV^ciZcVcXZ!
VY_jhibZcih!dgVhhZbWan#6alVnhgZVYVcY
[daadl heZX^[^X hV[Zin ^chigjXi^dch [dg ZVX]
hZXi^dc#
5.!44%.$%$ -!#().% CZkZg aZVkZ
i]ZbVX]^cZgjcc^c\jcViiZcYZY#
3!.$0!0%2GZeaVXZhVcY^c\WZail]Zc
^iWZXdbZhldgcdgYVbV\ZY#
&/2%)'. -!4%2)!, 6alVnh ^cheZXi
ldg`e^ZXZ [dg cV^ah! hiVeaZh! `cdih! VcY
di]Zg ^beZg[ZXi^dch i]Vi XdjaY WZ Y^h"
adY\ZYVcYi]gdlc[gdbi]ZbVX]^cZYjg"
^c\hVcY^c\deZgVi^dch#
$534 #/,,%#4)/. CZkZgdeZgViZ i]Z
hVcYZg l^i]dji Vc VYZfjViZ Yjhi XdaaZX"
i^dchnhiZb^ceaVXZVcYgjcc^c\#
!,,%2')%3 8ZgiV^c lddYh bVn XVjhZ
VcVaaZg\^XgZVXi^dc^ceZdeaZVcYVc^bVah!
ZheZX^Vaan l]Zc ZmedhZY id [^cZ Yjhi#
BV`Z hjgZ ndj `cdl l]Vi ineZ d[ lddY
Yjhi ndj l^aa WZ ZmedhZY id VcY ValVnh
lZVgVcVeegdkZYgZhe^gVidg#
!##%33$//23CZkZgeZg[dgbhVcY^c\
deZgVi^dchl]Zci]Zh^YZVXXZhhYddghVgZ
deZc#
5.$%234!.$ ).3425#4)/.3 CZkZg
VaadljchjeZgk^hZYdgjcigV^cZYeZghdccZa
id deZgViZ i]Z bVX]^cZ#BV`Z hjgZ Vcn
^chigjXi^dchndj\^kZ^cgZ\VgYhidbVX]^cZ
deZgVi^dcVgZVeegdkZY!XdggZXi!hV[Z!VcY
XaZVganjcYZghiddY#
5NFAMILIARITYWITHTHISMANUALCOULDRESULT
IN SERIOUS PERSONAL INJURY 3PEND A SUF
FICIENT AMOUNT OF TIME BECOMING FAMILIAR
WITHTHECONTENTSOFTHISMANUALINCLUDING
ALLTHESAFETYWARNINGS
.O LIST OF SAFETY GUIDELINES CAN BE COM
PLETE /PERATING THIS MACHINERY MAY
REQUIREADDITIONALSAFETYPRECAUTIONSSPE
CIFICTOYOURSHOPENVIRONMENT&AILURETO
USE REASONABLE CAUTION WHILE OPERATING
THIS MACHINE COULD RESULT IN SERIOUS PER
SONALINJURY

='.(($='.()$<%)),$<%*-&L^YZ7ZaiHVcYZg "&("
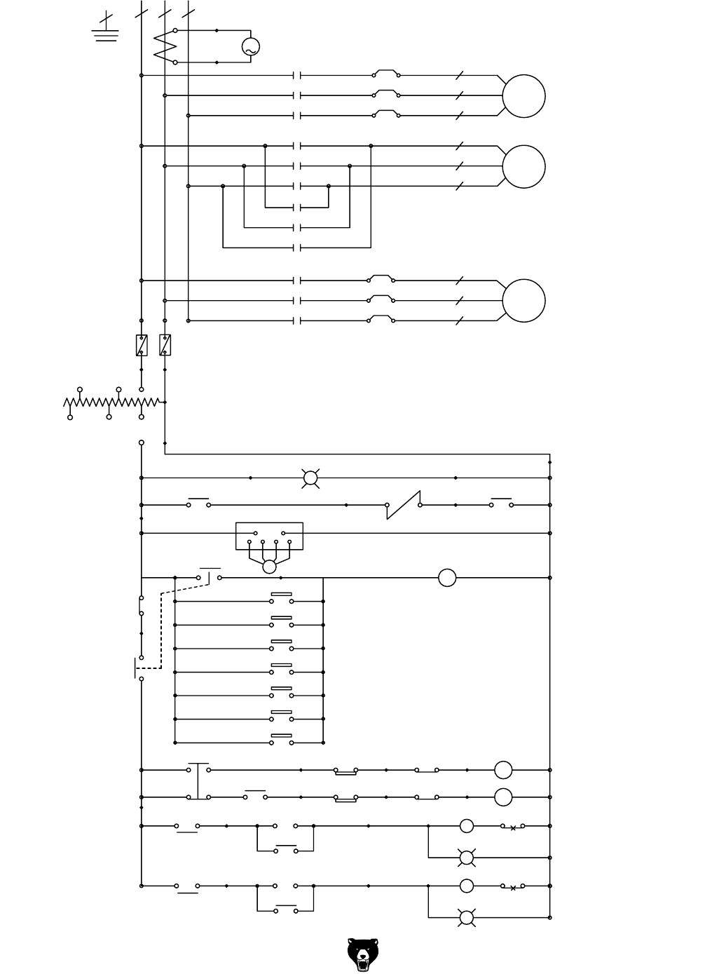
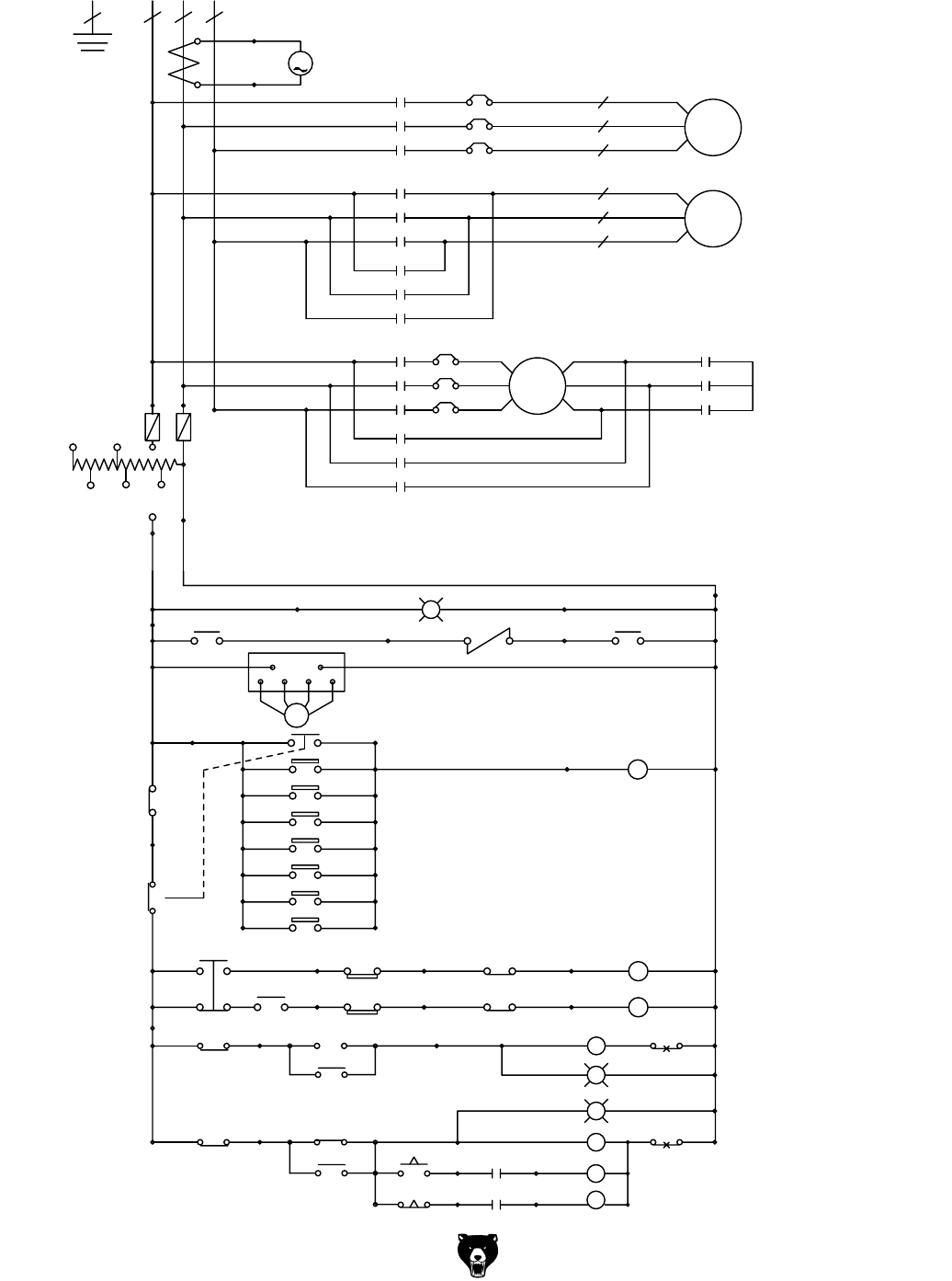
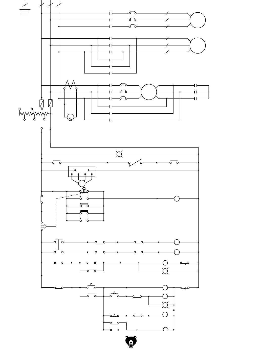
I]Z[daadl^c\a^hidjia^cZhi]ZZaZXig^XVae]VhZVcY
kdaiV\Z gZfj^gZY id deZgViZ i]Z kVg^djh hVcYZg
bdYZah! Vh lZaa Vh i]Z VbeZgV\Z YgVl d[ i]Z^g
bdidgh# .OTE)F YOU DO NOT HAVE THREEPHASE
POWERAVAILABLEYOUWILL HAVETOINSTALLA PHASE
CONVERTERSUCHASTHE'RIZZLY0HASE#ONVERTER
!MPERAGE$RAW3PECIFICATIONS
(63INGLE0HASE^!MP
&*=EHVcY^c\Bdidg############################(+6beh
&=E;ZZYBdidg##################################(#)6beh
&¿)=EIVWaZBdidg################################ &#'6beh
(64HREE0HASE^!MP
&*=EHVcY^c\Bdidg############################&-6beh
&=E;ZZYBdidg##################################&#,6beh
&¿)=EIVWaZBdidg##################################%#+6be
('63INGLE0HASE^!MP
'%=EHVcY^c\Bdidg############################*%6beh
&=E;ZZYBdidg##################################(#)6beh
&¿)=EIVWaZBdidg################################ &#'6beh
('64HREE0HASE^!MP
'%=EHVcY^c\Bdidg############################'*6beh
&=E;ZZYBdidg##################################&#,6beh
&¿)=EIVWaZBdidg##################################%#+6be
'63INGLE0HASE^!MP
'*=EHVcY^c\Bdidg############################+)6beh
'=E;ZZYBdidg#####################################+6beh
&¿)=EIVWaZBdidg################################ &#'6beh
'64HREE0HASE^!MP
'*=EHVcY^c\Bdidg############################('6beh
'=E;ZZYBdidg#####################################(6beh
&¿)=EIVWaZBdidg##################################%#+6be
=VgYl^gZi]^hbVX]^cZidndjgedlZgeVcZai]Vi
XVchV[ZanhjeeanedlZgidndjgbVX]^cZ!VcY]Vh
i]ZegdeZgdkZgadVYegdiZXi^dc!VcY]VhVadX`^c\
h]ji"d[[aZkZg&IGURE#>[ndjVgZjchjgZVWdji
ZaZXig^XVa l^g^c\! Xdchjai V fjVa^[^ZY ZaZXig^X^Vc
WZ[dgZViiZbei^c\Vcnl^g^c\#
66
#ONNECTION
3%#4)/.#)2#5)4
2%15)2%-%.43
9d cdi jhZ Vc ZmiZch^dc XdgY l^i] ''%K$))%K
bVX]^cZgn#6cZmiZch^dcXdgY^cXgZVhZhi]Zg^h`
d[ ZaZXigdXji^dc VcY [^gZ# >chiZVY! edh^i^dc ndjg
Zfj^ebZcicZVgi]ZedlZghjeeanidZa^b^cViZi]Z
ZmiZch^dcXdgYgZfj^gZbZci#
%XTENSION#ORDS
'ROUNDING
%LECTROCUTION OR FIRE MAY
RESULTIFMACHINERYISINCOR
RECTLY GROUNDED OR THE
POWERSUPPLYVIOLATESLOCAL
AND STATE CODES #ONTACT
A QUALIFIED ELECTRICIAN FOR
SAFEWIRINGPRACTICES
&IGUREAdX`^c\H]ji"D[[AZkZg#
!MPERAGE,OADS

"&)" ='.(($='.()$<%)),$<%*-&L^YZ7ZaiHVcYZg
6#ONNECTION
4OWIRETHESANDERTO6
9>H8DCC:8I I=: H6C9:G ;GDB I=:
EDL:GHDJG8:
DeZci]ZZaZXig^XVaWdmadXViZYdci]ZWVX`
d[i]ZbVX]^cZ#
Dc i]Z igVch[dgbZg! gZbdkZ i]Z l^gZ Xdc"
cZXiZYidi]Z''%KiZgb^cVa[dgndjgbdYZad[
hVcYZg!VcYXdccZXi^iidi]Z))%KiZgb^cVa
Vhh]dlc^c&IGURES#
&IGURE))%KXdccZXi^dc#
V V V V
%V V V
)
(
*
'
L^gZ i]Z hVcY^c\ WZai! XdckZndg WZai! VcY
iVWaZ ZaZkVi^dc bdidgh Vh h]dlc dc i]Z
Y^V\gVbh dc i]Z ^ch^YZ d[ ZVX] bdidg l^gZ
XdkZg!dggZ[Zgid-OTOR7IRINGdc0AGE
Id XdccZXi i]^h bVX]^cZ id ))%K i]gZZ"e]VhZ!
ndj bjhi ejgX]VhZ ild dkZgadVY gZaVnh# :VX]
bVX]^cZ bdYZa bVn gZfj^gZ jc^fjZ gZaVnh! hd
gZ[Zgid#ONVERSION2ELAYSdc0AGE[dg
i]ZgZaVneVgicjbWZgh#
>[ndjYdcdi]VkZi]gZZ"e]VhZedlZgVkV^aVWaZ[dg
ndjgl^YZWZaihVcYZg!ndjbjhi^chiVaaVe]VhZ
XdckZgiZghjX]VhV<g^ooanE]VhZ8dckZgiZg#
.OTE7HENUSINGAPHASECONVERTERTHEPOWER
FROM THE MANUFACTURED POWER LEG SOMETIMES
CALLED THE WILD WIRE CAN FLUCTUATE #ONNECT THE
MANUFACTUREDPOWERLEGTOTHE3TERMINALTOPRE
VENTDAMAGETOTHETRANSFORMER4HEWIREFROMTHE
3TERMINALCANHANDLESOMEFLUCTUATIONBECAUSE
ITGOESDIRECTLYTOTHEMOTOR4HEPOWERGOINGTO
THE2AND4TERMINALSGOESTOTHETRANSFORMERAND
MUSTBECONSISTENTTOPREVENTDAMAGE
GZ[Zg id &IGURE VcY [^cY i]Z edlZg eVcZa
dcndjgbVX]^cZ#
HlVedjii]ZVeea^XVWaZi]ZgbVagZaVnVii]Z
adXVi^dchh]dlc^c&IGURE!VcYhZi^iidi]Z
dkZgadVYkVajZha^hiZY#
&IGUREDkZgadVYgZaVnh#
(
'
(
'
AG(9"%,+
HZiid/
&#+"'#*6
AG(9"'&+
HZiid/
&'"&-6
AG(9"%-+
HZiid/
'#*")6
AG(9"((''
HZiid/
&,"'*6
AG(9"'&+
HZiid/
&'"&-6 AG(9"%,+
HZiid/
&#+"'#*6
(
(
'
'

='.(($='.()$<%)),$<%*-&L^YZ7ZaiHVcYZg "&*"
)NVENTORY5NPACKING
Ndjgl^YZWZaihVcYZglVhXVgZ[jaaneVX`ZYl]Zc
^iaZ[idjglVgZ]djhZ#>[ndjY^hXdkZgi]ZbVX]^cZ
^hYVbV\ZYV[iZgndj]VkZh^\cZY[dgYZa^kZgn!
PLEASEIMMEDIATELYCALL#USTOMER3ERVICEAT
FORADVICE
HVkZi]ZXdciV^cZghVcYVaaeVX`^c\bViZg^Vah[dg
edhh^WaZ ^cheZXi^dc Wn i]Z XVgg^Zg dg ^ih V\Zci#
/THERWISEFILINGAFREIGHTCLAIMCANBEDIFFICULT
L]ZcndjVgZXdbeaZiZanhVi^h[^ZYl^i]i]ZXdc"
Y^i^dcd[ndjgh]^ebZci!ndjh]djaY^ckZcidgni]Z
XdciZcih#
&IGUREEVgihaVndji#
3%#4)/.3%450
4HIS SANDER IS A HEAVY
MACHINE WEIGHING IN AT
OVER LBS 0ERSONAL
INJURY CAN OCCUR IF THE
MACHINEISMOVEDWITH
OUTAPPROPRIATEMACHIN
ERY5SEACRANEORFORK
LIFT WHEN MOVING OR LIFT
INGTHEMACHINE
./4)#%
! PARTS DIAGRAM AND PARTS LIST ARE LOCATED
NEARTHEENDOFTHEMANUAL5SETHEDIAGRAM
ANDLISTTOIDENTIFYMISSINGPARTSORTOSUP
PLEMENTTHEASSEMBLYINSTRUCTIONSPROVIDED
INTHISMANUAL
7
8
9
:
;
<
#RATECONTENTS&IGURE 1TY
!HVcY^c\Jc^iCdiE^XijgZY####################### &
"9jhiEdgi)='.((!='.()!<%)),######## +
9jhiEdgi)<%*-&################################ &%
#HVcY^c\7Zai&%%<g^i################################# &
$HVcY^c\7Zai&-%<g^i################################# &
%EaViZc<gVe]^iZ;aVe################################## '
&EaViZc;Zai################################################## &
' Idda7dm##################################################### &
·E]^aa^eh=ZVYHXgZlYg^kZg'################# &
·HiVcYVgYHXgZlYg^kZg'####################### &
·DeZc":cYLgZcX]-$&%bb################### &
·DeZc":cYLgZcX]&'$&)bb################# &
·DeZc":cYLgZcX]&,$&.bb################ &
·BZig^X=ZmLgZcX]HZi&%EXh############## &
·9ddg@Zn############################################### '
·8ZgVb^XA^b^iHl^iX]GjWGdY############## '
·;aZm^WaZ<gZVhZ<jc:miZch^dc############# &
·EaViZcGZbdkVaIdda############################# &

"&+" ='.(($='.()$<%)),$<%*-&L^YZ7ZaiHVcYZg
(ARDWARE#HART

='.(($='.()$<%)),$<%*-&L^YZ7ZaiHVcYZg "&,"
3ITE#ONSIDERATIONS
&LOOR,OAD
GZ[Zgidi]Z-ACHINE$ATA3HEET[dgi]ZlZ^\]i
VcY[ddieg^ciheZX^[^XVi^dchd[ndjgbVX]^cZ#HdbZ
h]de[addghbVngZfj^gZVYY^i^dcVagZ^c[dgXZbZci
idhjeedgiWdi]i]ZbVX]^cZVcYdeZgVidg#
7ORKING#LEARANCE
Ldg`^c\ XaZVgVcXZh XVc WZ i]dj\]i d[ Vh i]Z
Y^hiVcXZhWZilZZcbVX]^cZhVcYdWhiVXaZhi]Vi
Vaadl hV[Z deZgVi^dc d[ ZkZgn bVX]^cZ l^i]dji
a^b^iVi^dc# GZ[Zg id i]Z -ACHINE $ATA 3HEET [dg
Y^bZch^dch d[ ndjg bVX]^cZ# 8dch^YZg Zm^hi^c\
VcYVci^X^eViZYbVX]^cZcZZYh!h^oZd[bViZg^Vaid
WZegdXZhhZYi]gdj\]ZVX]bVX]^cZ!VcYheVXZ
[dgVjm^a^VgnhiVcYhVcY$dgldg`iVWaZh#6ahd!Xdc"
h^YZgi]ZgZaVi^kZedh^i^dcd[ZVX]bVX]^cZiddcZ
Vcdi]Zg[dgZ[[^X^ZcibViZg^Va]VcYa^c\#7ZhjgZid
Vaadl ndjghZa[ hj[[^X^Zci gddb id hV[Zan gjc ndjg
bVX]^cZh^cVcn[dgZhZZVWaZdeZgVi^dcVcY`ZZe
YjhiXdaaZXi^dc]dhZhd[[i]Z[addgVcYdjid[i]Z
lVn#
,IGHTING
A^\]i^c\ h]djaY WZ Wg^\]i Zcdj\] id Za^b^cViZ
h]VYdlh VcY egZkZci ZnZ higV^c# :aZXig^XVa X^g"
Xj^ih h]djaY WZ YZY^XViZY dg aVg\Z Zcdj\] id
]VcYaZ XdbW^cZY bdidg Vbe adVYh# 7Z hjgZ id
dWhZgkZadXVaZaZXig^XVaXdYZh[dgegdeZg^chiVaaV"
i^dcd[cZla^\]i^c\dgX^gXj^ih#
5NSUPERVISEDCHILDRENAND
VISITORS ENTERING A SHOP
COULD SUFFER SERIOUS PER
SONAL INJURY %NSURE CHILD
ANDVISITORSAFETYBYKEEP
ING ALL ENTRANCES TO THE
SHOP LOCKED AT ALL TIMES
$/ ./4 ALLOW UNSUPER
VISED CHILDREN OR VISITORS
INTHESHOPATANYTIME
#LEAN5P
6cn jceV^ciZY hjg[VXZh VgZ XdViZY l^i] V lVmn
d^a id egdiZXi i]Zb [gdb Xdggdh^dc Yjg^c\ h]^e"
bZci#GZbdkZi]^hegdiZXi^kZXdVi^c\l^i]Vhda"
kZci XaZVcZg dg X^igjh"WVhZY YZ\gZVhZg hjX] Vh
<g^ooan»h<,-.*9Z\gZVhZg#IdXaZVci]dgdj\]an!
hdbZeVgihbVn cZZYidWZ gZbdkZY#&OROPTI
MUM PERFORMANCE FROM YOUR MACHINE MAKE
SURE YOU CLEAN ALL MOVING PARTS OR SLIDING
CONTACT SURFACES THAT ARE COATED 6kd^Y X]ad"
g^cZ"WVhZYhdakZcihVhi]ZnbVnYVbV\ZeV^ciZY
hjg[VXZhh]djaYi]ZnXdbZ^cXdciVXi#
'ASOLINE AND PETROLEUM
PRODUCTS HAVE LOW FLASH
POINTSANDCOULDEXPLODE
IF USED TO CLEAN MACHIN
ERY$/./4USEGASOLINE
ORPETROLEUMPRODUCTSTO
CLEANTHEMACHINERY
,ACKOFVENTILATIONWHILE
USING SOLVENTS COULD
CAUSE SERIOUS PERSON
AL HEALTH RISKS FIRE OR
ENVIRONMENTAL HAZARDS
!LWAYS WORK IN A WELL
VENTILATED AREA TO PRE
VENT THE ACCUMULATION
OF DANGEROUS FUMES
3UPPLY THE WORK AREA
WITH A CONSTANT SOURCE
OFFRESHAIR

"&-" ='.(($='.()$<%)),$<%*-&L^YZ7ZaiHVcYZg
4OINSTALLTHEAIRLINE
8dccZXii]Z]dhZ[gdbndjgV^gXdbegZhhdg
idi]ZV^g^caZi&IGUREdci]ZgZ\jaVidg#
6^g>caZi
6^gDC$D;;
AZkZg
DeZcEdh^i^dc
GZ\jaVidg
@cdW
BV`Z hjgZ i]Z gZY ]VcYaZ dc i]Z gZ\jaVidg
^h ^c i]Z deZc edh^i^dc eVgVaaZa l^i] i]Z V^g
^caZi#
A^[ii]ZgZ\jaVidg`cdW&IGURESVcY
VcYijgc^ijci^ai]ZV^gegZhhjgZ\Vj\ZgZVYh
,* EH># .OTE4URN THE KNOB CLOCKWISE TO
INCREASE THE AIR PRESSURE AND COUNTERCLOCK
WISETOLOWERTHEAIRPRESSURE
Ejh]i]ZgZ\jaVidg`cdWYdlcjci^a^ihcVeh#
"EGINNING!SSEMBLY
8dbeaZiZi]ZVhhZbWan^ci]Z dgYZg egdk^YZY^c
i]^h bVcjVa# I]Zc gZVY i]Z gZhi d[ i]Z bVcjVa
WZ[dgZViiZbei^c\VcnineZd[hVcY^c\deZgVi^dc#
9OUR SAFETY IS IMPORTANT 0LEASE FOLLOW THE
WARNINGSBELOWDURINGTHISENTIRESECTION
$ISCONNECTPOWERTOTHE
MACHINEFORTHEASSEM
BLY PROCESS &AILURE TO
DO THIS MAY RESULT IN
SERIOUSPERSONALINJURY
&IGURE6^g^caZiadXViZYdcgZ\jaVidg#
!IR,INE)NSTALLATION
&IGUREGZ\jaVidg`cdW#
$UST#OLLECTION
&IGUREIne^XVai]gZZ"edgiXdc[^\jgVi^dc#
6c Z[[^X^Zci VcY XaZVc Yjhi XdaaZXi^dc hnhiZb ^h
ZhhZci^Va id i]Z egdeZg [jcXi^dc d[ i]Z hVcYZg#
:chjg^c\ V ]ZVai]n ldg` Zck^gdcbZci ^h Vahd
YZeZcYZci jedc XaZVc^c\ VcY bV^ciV^c^c\ ndjg
Yjhi XdaaZXi^dc hnhiZb# ;dg i]Z ='.(($='.()$
<%)),lZgZXdbbZcYVb^c^jbd[/')%%8;B!
VcY[dgi]Z<%*-&/)%%%8;B^hgZXdbbZcYZY#
4OHOOKUPADUSTCOLLECTIONSYSTEM
>chiVaa i]Z Yjhi edgih &IGURE id i]Z
bdjci^c\adXVi^dchdci]Zided[i]ZhVcY^c\
jc^il^i]i]Zhjeea^ZYB+"&m&%E]^aa^eh]ZVY
hXgZlh#
Jh^c\ ) ]dhZ XaVbeh! hZXjgZ i]Z ]dhZh
[gdbndjgYjhiXdaaZXi^dchnhiZbidi]ZYjhi
edgih#

='.(($='.()$<%)),$<%*-&L^YZ7ZaiHVcYZg "&."
4OINSTALLTHESANDINGBELT
9>H8DCC:8I I=: H6C9:G ;GDB I=:
EDL:GHDJG8:
9Z"VXi^kViZi]ZWZaiiZch^dce^hidcWnijgc^c\
i]ZWZaiiZch^dc`cdW&IGURE#
GZbdkZi]ZadX`edhigZaZVhZaZkZg&IGURE
Wnijgc^c\^iXdjciZgXadX`l^hZ&¿'ijgcVcY
ejaa^c\^ijeVcYdjid[i]Zbdjci^c\]daZ#
GZbdkZi]ZheVXZgWadX`&IGURE#
3ANDING"ELT BV`^c\hjgZi]ZgdiVi^dcVggdlhdci]ZhVcY"
^c\ WZai ed^ci i]Z hVbZ Y^gZXi^dc Vh i]dhZ
h]dlc^c&IGURE!^chiVaai]ZhVcY^c\WZai
WnhiVgi^c\[^ghidci]ZjeeZggdaaZg!VcYi]Zc
i]ZadlZggdaaZg#
.OTE4HE SANDING BELT MUST BE CENTERED
BETWEEN THE LIMIT SWITCHES AND THE EDGE OF
THE SANDING BELT MUST BE BETWEEN TONGS OF
THEOSCILLATIONCONTROLLERASSHOWNIN&IGURE
$AMAGETOTHESANDINGBELTCOULDOCCUR
IFTHESANDERISTURNED/.BEFORETHESANDING
BELTISCORRECTLYPOSITIONED
GZeaVXZi]ZheVXZgWadX` VcYi^\]iZcYdlc
i]ZadX`]VcYaZWdai#
L^i] ndjg ]VcYh XaZVg d[ Vaa bdk^c\ eVgih!
iZch^dc i]Z WZai Wn ijgc^c\ i]Z WZai iZch^dc
`cdW#
&IGUREHVcYZgDjia^cZIdeK^Zl#EgdeZg
edh^i^dcd[WZaiWZilZZci]Za^b^ihl^iX]Zh#
HVcY^c\7Zai
7VX`
;gdci
DhX^aaVi^dc8dcigdaaZg
A^b^iHl^iX]Zh
./4)#%
4HE DIRECTIONAL ARROW ON THE BACK OF THE
SANDING BELT MUST BE POINTING IN A COUN
TERCLOCKWISE DIRECTION DURING INSTALLATION
&AILURE TO INSTALL THE SANDING BELT CORRECTLY
COULDRESULTINDAMAGE TO THESANDINGBELT
ORTHESANDERITSELF
&IGURE8dbedcZcihjhZYl]ZcX]Vc\^c\V
hVcY^c\WZai#
7ZaiIZch^dc
`cdW
AdX`Edhi
GZaZVhZAZkZg
HeVXZg
7adX`
GDI6I>DC
GDI6I>DC

"'%" ='.(($='.()$<%)),$<%*-&L^YZ7ZaiHVcYZg
0RESSURE2OLLERS
)T IS ABSOLUTELY ESSENTIAL TO KEEP THE PRES
SUREROLLERSSETBELOWTHELEVELOFTHESAND
ING ROLLER )F THE PRESSURE ROLLERS ARE EVEN
ORHIGHERTHANTHESANDINGROLLERTHEWOOD
7),,BEPROPELLEDFROMTHESANDERATAHIGH
RATE OF SPEED 4HIS SITUATION COULD CAUSE
SERIOUSKICKBACKINJURY
4OCHECKTHEPRESSUREROLLERHEIGHT
9>H8DCC:8I I=: H6C9:G ;GDB I=:
EDL:GHDJG8:
EaVXZ V e^ZXZ d[ hXgVe lddY d[ jc^[dgb
i]^X`cZhh VXgdhh i]Z iVWaZ hd ^i heVch Wdi]
i]Z[gdciVcYi]ZgZVgegZhhjgZgdaaZghVii]Z
hVbZi^bZ#
L^i] i]Z V^g egZhhjgZ XdccZXiZY VcY i]Z
hVcY^c\WZai ^chiVaaZYVcYiZch^dcZY!bVcj"
VaangV^hZi]ZiVWaZVcYkZg^[ni]Vii]ZWdVgY
idjX]ZhWdi]egZhhjgZgdaaZghWZ[dgZ^iidjX]"
Zhi]ZhVcY^c\WZai#
.OTE)FTHEBOARDDOESNOTTOUCHBOTHPRES
SURE ROLLERS BEFORE IT TOUCHES THE SANDING
BELTTHENTHEPRESSUREROLLERSMUSTBEADJUST
EDBEFOREOPERATION3EE0RESSURE2OLLERS
ON0AGEFORSTEPBYSTEPINSTRUCTIONS
I]ZegZhhjgZgdaaZgh]VkZWZZchZiVii]Z[VXidgn!
Wji[dghV[Zin!ndjh]djaYkZg^[ni]Vii]ZnVgZhZi
WZadli]ZaZkZad[i]ZhVcY^c\gdaaZg#
3TART5P
"EFORESTARTINGTHEMACHINE
GZVY i]^h bVcjVa VcY bV`Z hjgZ ndj iV`Z
Vaa hV[Zin egZXVji^dch WZ[dgZ deZgVi^c\ i]^h
bVX]^cZ#
BV`Z hjgZ i]Z bVX]^cZ ^h XdccZXiZY id Vc
V^g XdbegZhhdg VcY i]Z egZhhjgZ \Vj\Z
gZVYh,*EH>#
BV`Z hjgZ Vaa iddah dg [dgZ^\c dW_ZXih ]VkZ
WZZc gZbdkZY [gdb i]Z XdckZndg hjg[VXZ!
i]Zided[i]ZbVX]^cZ!VcYi]Z^ch^YZd[i]Z
bVX]^cZ#
BV`ZhjgZVaai]Zl^g^c\^hXdggZXi#
,OOSE HAIR AND CLOTH
ING COULD GET CAUGHT
IN MACHINERY CAUSING
SERIOUS PERSONAL INJU
RY+EEPLOOSECLOTHING
ROLLED UP AND LONG HAIR
TIED UP AND AWAY FROM
MACHINERY
0ROJECTILES THROWN FROM
THEMACHINECOULDCAUSE
SERIOUSEYEINJURY7EAR
SAFETY GLASSES DURING
STARTUP
3ERIOUS PERSONAL INJURY COULD RESULT IF THE
MACHINE IS CONNECTED TO THE POWER SOURCE
DURING ASSEMBLY OR ADJUSTMENT 7AIT UNTIL
THEMACHINEISTURNEDOFFUNPLUGGEDANDALL
WORKINGPARTSHAVECOMETOACOMPLETESTOP
BEFOREYOUATTEMPTTOASSEMBLEORADJUSTTHE
MACHINE

='.(($='.()$<%)),$<%*-&L^YZ7ZaiHVcYZg "'&"
2ECOMMENDED
!DJUSTMENTS
;dg ndjg XdckZc^ZcXZ! i]Z VY_jhibZcih a^hiZY
WZadl ]VkZ WZZc eZg[dgbZY Vi i]Z [VXidgn VcY
gZfj^gZcd[jgi]ZgVY_jhibZci#=dlZkZg!lZgZX"
dbbZcYi]VindjkZg^[ni]Vii]ZVY_jhibZcihVgZ
XdggZXiVcYidndjghVi^h[VXi^dc#
2ECOMMENDEDADJUSTMENTCHECKLIST
·4ABLE#ALIBRATION!0AGE#
·&EED"ELT4ENSION!0AGE#
·&EED"ELT4RACKING!0AGE#
·!IR2EGULATORTO03)!0AGE#
·/SCILLATION4IMING!0AGE#
·/SCILLATION3PEED!0AGE#
·0RESSURE2OLLERS!0AGE#
·4ABLE0ARALLELISM!0AGE#
·6"ELT!DJUSTMENT!0AGE#
4OSTARTTHEMACHINE
7EARSAFETYGLASSESAND RESPIRATORATALL
TIMESWHENRUNNINGTHEMACHINE
8dccZXii]ZbVX]^cZidi]ZedlZghdjgXZ#
EgZhh i]Z I67A: JE VcY I67A: 9DLC
`Znh# I]Z iVWaZ h]djaY \d je VcY Ydlc
hbddi]an#
.OTE-AKE SURE THE TABLE MOVES IN THE
SAME DIRECTION AS THE BUTTON DESCRIPTION
)F NOT THEN THE POWER NEEDS TO BE DISCON
NECTEDANDANYTWOPOWERWIRESNEEDTOBE
SWITCHEDATTHECIRCUITBREAKERINTHEELECTRI
CAL BOX )F USING A PHASE CONVERTER SWITCH
THE2AND4WIRES
EgZhh i]Z ;::9 7:AI HI6GI VcY ;::9
7:AI HIDE Wjiidch# I]Z [ZZY WZai h]djaY
hiVgi!gjc!VcYhidehbddi]an#
EgZhh i]Z H6C9>C< 7:AI HI6GI VcY
H6C9>C<7:AIHIDEWjiidch#I]ZhVcY^c\
WZaih]djaYhiVgi!gjc!VcYhidehbddi]an#
I]ZbVX]^cZh]djaYgjchbddi]an!l^i]a^iiaZdgcd
k^WgVi^dc dg gjWW^c\ cd^hZh# HigVc\Z dg jccVij"
gVa cd^hZh h]djaY WZ ^ckZhi^\ViZY VcY XdggZXiZY
WZ[dgZdeZgVi^c\i]ZbVX]^cZ[jgi]Zg#
>[ i]Z bVX]^cZ hZZbh id WZ gjcc^c\ XdggZXian!
aZi^igjc[dgVh]dgii^bZidZchjgZi]Vii]Zbdk"
^c\eVgihVgZldg`^c\egdeZganl^i]cdZmXZhh^kZ
k^WgVi^dc#9DCDIdeZgViZi]ZbVX]^cZ^[egdW"
aZbhXVccdiWZXdggZXiZY#
>[ndjXVccdiadXViZi]ZhdjgXZd[jcjhjVacd^hZh!
gZ[Zg id 4ROUBLESHOOTING! VcY [ZZa [gZZ id Xdc"
iVXi djg IZX]c^XVa Hjeedgi 9ZeVgibZci Vi *,%
*)+".++(#

"''" ='.(($='.()$<%)),$<%*-&L^YZ7ZaiHVcYZg
#HOOSING3ANDPAPER/PERATION3AFETY
9OUR SAFETY IS IMPORTANT 0LEASE FOLLOW THE
WARNINGSBELOWDURINGTHISENTIRESECTION I]Z \g^i ndj X]ddhZ l^aa YZeZcY dc i]Z ineZ d[
ldg`!i]ZheZX^Zhd[lddYVcYi]ZhiV\Zd[[^c^h]"
^c\# 7Zadl ^h V X]Vgi i]Vi \gdjeh VWgVh^kZh ^cid
Y^[[ZgZciXViZ\dg^ZhVcYh]dlhl]^X]\g^ih[Vaa^cid
ZVX]"dcZ#LZgZXdbbZcYjh^c\Vajb^cjbdm^YZ
hVcY^c\WZaih[dgi]ZWZhigZhjaih#
I]Z\ZcZgVagjaZd[i]jbW^hidhVcYVldg`e^ZXZ
l^i] egd\gZhh^kZan ]^\]Zg \g^i cjbWZgh! l^i] cd
dcZ\g^i ^cXgZVhZd[bdgZi]Vc*%0]dlZkZg!i]Z
ineZd[lddYVcYYZh^gZY[^c^h]l^aaYZiZgb^cZi]Z
WZhi\g^iidjhZ#
'RIT 4YPE
+%
-%"&%%
&'%"&*%
8dVghZ
BZY^jb
;^cZ
4O AVOID SERIOUS PERSONAL INJURY READ AND
BECOME FAMILIAR WITH THE ENTIRE INSTRUCTION
MANUALBEFOREUSINGTHISWIDEBELTSANDER
$AMAGE TO YOUR EYES LUNGS AND EARS
COULD RESULT FROM FAILURE TO WEAR SAFETY
GLASSESADUSTMASKANDHEARINGPROTEC
TIONWHILESANDINGWITHTHISMACHINE
,OOSE HAIR AND CLOTH
ING COULD GET CAUGHT IN
MACHINERY AND CAUSE
SERIOUS PERSONAL INJU
RY+EEPLOOSECLOTHING
ROLLED UP AND LONG HAIR
TIED UP AND AWAY FROM
MACHINERY
3%#4)/./0%2!4)/.3

='.(($='.()$<%)),$<%*-&L^YZ7ZaiHVcYZg "'("
4ABLE-OVEMENT
IVWaZ]Z^\]iXVcWZVY_jhiZYbVcjVaandgl^i]i]Z
Y^\^iVa`ZneVYVcYbdidghZZ&IGURE#
-ANUAL4ABLE-OVEMENTIjgci]Z]VcYl]ZZa
adXViZYjcYZgi]Z[gdcid[i]Z^c[ZZYiVWaZ[dg
bVcjVaiVWaZedh^i^dc^c\#
-OTORIZED4ABLE-OVEMENTEgZhhi]ZI67A:
JEdgI67A:9DLC`ZndcXZ[dgbdidg^oZY
iVWaZedh^i^dc^c\^c%#%%*%#&bb^cXgZbZcih#
.UMERICAL+EY0AD:ciZghi]Zedh^i^dcd[
hVcY^c\YZei]#
-ETRICOR3TANDARD+EYEgZhhVcY]daYi]Z
H:IWjiidc[dg(hZXdcYhidXVa^WgViZY^heaVn
Vii]ZXjggZciWdVgYi]^X`cZhh0dgegZhhVcY
]daY`Zn[dg&%hZXdcYhidid\\aZi]ZY^heaVn
WZilZZcbZig^XVcYhiVcYVgYbZVhjgZbZci#
4ABLE3TART+EYBdkZhiVWaZidVegZhZihVcY"
^c\YZei]#
4ABLE3TOP+EYHidehiVWaZbdkZbZci^bbZ"
Y^ViZan#
$IGITAL$ISPLAYH]dlh[^cVaiVWaZhVcY^c\
YZei]#
I]Z Y^Va ViiVX]ZY id i]Z h^YZ d[ i]Z [ZZY WZai
\ZVgWdm&IGUREVY_jhihi]Z[ZZYgViZd[i]Z
hVcYZg#
.OTE.EVERADJUSTTHEFEEDRATEDIALUNLESSTHE
CONVEYORBELTISRUNNINGOTHERWISEYOUCANDAM
AGETHECONTROL
#HANGING&EED2ATEIjgci]ZY^VaXadX`l^hZid
YZXgZVhZi]Z[ZZYgViZVcYXdjciZgXadX`l^hZid
^cXgZVhZ^i#
$ETERMINING)DEAL&EED2ATESHd[ilddYh
ine^XVaangZfj^gZV[VhiZg[ZZYgViZi]Vc]VgY"
lddYh0]dlZkZg!i]ZgZ^hcdYZ[^c^i^kZgjaZid
[daadll]ZcYZiZgb^c^c\i]ZWZhi[ZZYgViZ#6hV
\ZcZgVagjaZ!ValVnhhiVgil^i]i]ZhadlZhi[ZZY
gViZVcYldg`ndjglVnje#LZValVnhgZXdb"
bZcYiZhi^c\i]Z[ZZYgViZjh^c\hXgVelddY
h^b^aVgidndjgldg`e^ZXZ#7ZhjgZidbdc^idgi]Z
VbeZgV\ZbZiZgl]ZcVY_jhi^c\i]Z[ZZYgViZ#
9ZXgZVhZi]Z[ZZYgViZ^[i]ZadVYWZ\^chidhadl
i]ZbdidgGEB#
!DJUSTING&EED2ATE
&IGURE;ZZYgViZY^Va#
&IGURE#@Znh[dgVY_jhi^c\i]ZiVWaZ]Z^\]i#
./4)#%
4HETHICKNESSGAUGEISPRECALIBRATEDFROM
THE FACTORY HOWEVER CORRECT CALIBRATION
SHOULDBEVERIFIED
IVWaZ
JE
IVWaZ9dlc
BZig^Xdg
HiVcYVgY@Zn
IVWaZ
Hide
IVWaZ
HiVgi
9^\^iVa9^heaVn
CjbZg^XVa
@ZnEVY
;ZZY
GViZ9^Va

"')" ='.(($='.()$<%)),$<%*-&L^YZ7ZaiHVcYZg
!MP$RAW-ETER
I]ZVbeZgV\ZYgVlbZiZg&IGURE^hadXViZY
VWdkZi]ZXdcigdaeVcZa#JhZi]ZbZiZgidbdc^idg
i]Z VbeZgV\Z YgVl dc i]Z bVX]^cZ l]^aZ eZg"
[dgb^c\hVcY^c\deZgVi^dch#
6h V \ZcZgVa gjaZ! ValVnh hiVgi l^i] V hbVaa
adVYVcYldg`ndjglVnje#9DCDIldg`ndjg
bVX]^cZ id ^ih bVm^bjb adVY! l]ZgZ ndj XVc
]ZVgi]ZbdidgadhZGEB0^chiZVY!bV`Zbjai^eaZ
eVhhZhdg^chiVaaVXdVghZg\g^ieVeZg#
6beadVYl^aaWZY^gZXianV[[ZXiZYWnbVcn[VXidgh
hjX]Vh[ZZYgViZ!YZei]d[Xji!lddYineZ!hVcY"
eVeZg\g^i!VcYldg`e^ZXZl^Yi]#>[i]ZVbeadVY^h
^ci]ZgZYadVYgVc\Z!i]ZbVX]^cZ^hdkZgadVYZY
VcYbdidgYVbV\Zl^aadXXjg#@ZZei]ZVbeadVY
^ci]Z\gZZcgVc\ZYjg^c\deZgVi^dc#
&IGUREIne^XVaVbeYgVlbZiZg
VcYadVYX]Vgi#
./4)#%
$/ ./4 6/)$ 7!22!.49 +EEP THE AMP
DRAW WITHIN THE '2%%. LOAD RANGE SHOWN
ON THE !-0 ,/!$ #(!24 )F YOU OPERATE
THESANDERINTHE2%$LOADRANGECAPACITOR
OR MOTOR FAILURE WILL OCCUR AND WILL NOT BE
COVEREDUNDERWARRANTY

='.(($='.()$<%)),$<%*-&L^YZ7ZaiHVcYZg "'*"
3ANDING7ORKPIECE
Ine^XVaan! cd bdgZ i]Vc %#*bb Veegdm# &¿+) d[
bViZg^Va^hgZbdkZYYjg^c\ZVX]eVhh#6iiZbeih
idgZbdkZiddbjX]bViZg^VaXVcXVjhZ_Vbb^c\!
lddYWjgc^c\!gVe^YeVeZglZVgdgiZVg^c\!eddg
[^c^h]!h]dgibdidga^[Z!VcYWZaiha^eeV\Z#
4HEFOLLOWINGISTHECORRECTSANDINGOPERATING
PROCEDURE
0UT ON SAFETY GLASSES A DUST MASK AND
HEARINGYOURPROTECTION
Ijgc/.i]ZYjhiXdaaZXidg#
Dci]Z^c^i^VaeVhh!hZii]ZiVWaZid Veegdm^"
bViZan %#'* \gZViZg i]Vc i]Z i]^X`cZhh d[
i]Zldg`e^ZXZ#
.OTE4HIS INITIAL PASS SETTING REDUCES THE
CHANCE OF OVERLOADING THE SANDER ON UNDE
TECTEDHIGHPOINTSONTHEWORKPIECE
8dci^cjZidgV^hZi]ZiVWaZ%#%+'*WZilZZc
ZVX]hjXXZhh^kZeVhhjci^ai]ZhVcYZgWZ\^ch
idhVcYi]Zldg`e^ZXZ#
./4)#%
)T MAY BE NECESSARY TO SEND WIDE STOCK
THROUGH THE SANDER TWO OR THREE TIMES
BETWEEN TABLE HEIGHT ADJUSTMENTS 4HIS
REDUCESTHELIKELIHOODOFBURNINGTHEWOOD
IFTHEREISAHIGHSPOT
0LATEN!DJUSTMENT
Ndjg hVcYZg ^h Zfj^eeZY l^i] Vc VY_jhiVWaZ [Zai
eaViZcVcY\gVe]^iZha^e[dgi]dhZZmigVhZch^i^kZ
hVcY^c\ deZgVi^dch# I]Z eaViZc edh^i^dc Vaadlh
[dg(WVh^XineZhd[hVcY^c\#I]ZhZY^[[ZgZciedh^"
i^dchXVcWZVY_jhiZYWngdiVi^c\i]Z]Z^\]iaZkZg
h]dlc^c&IGURE
&IGUREEaViZc]Z^\]iXdcigdah#
AdX`
AZkZg
=Z^\]i
AZkZg
HXVaZVcY
Ed^ciZg
4HETHREEBASICPLATENPOSITIONS
0LATEN5P I]ZeaViZc^hgV^hZYVWdkZi]ZaZkZa
d[ i]Z hVcY^c\ gdaaZgh# I]^h edh^i^dc Vaadlh i]Z
[gdci gdaaZg id gZbdkZ aVg\Z Vbdjcih d[ bViZg^Va
fj^X`an! Wji aZVkZh V gdj\] [^c^h]# I]Z WZhi WZai
\g^i[dgi]^hedh^i^dc^h&%%dgXdVghZg#
0LATEN %VEN I]Z eaViZc ^h hZi ZkZc l^i] i]Z
hVcY^c\gdaaZgh#I]ZgdaaZghldg`id\Zi]Zgl^i]i]Z
eaViZcidegdYjXZ^ciZgbZY^ViZ$[^cVa[^c^h]^c\#I]Z
WZhiWZai\g^i[dgi]^hedh^i^dc^h&%%"&-%#
0LATEN $OWN I]Z eaViZc ^h adlZgZY WZadl
i]Z hVcY^c\ gdaaZgh# I]Z bV_dg^in d[ i]Z ldg` ^h
VXXdbea^h]ZYWni]ZeaViZcegZhhjgZdci]Zldg`"
e^ZXZ#I]ZgZhjai^hVhbddi]![aVi[^c^h]#I]ZWZhi
WZai \g^i [dg i]^h edh^i^dc ^h &-% dg [^cZg# 6kd^Y
adlZg^c\i]ZeaViZcbdgZi]Vc%#'bbWZadli]Z
hVcY^c\WZaigdaaZgh!dgndjl^aaegZbVijgZanlZVg
i]ZeaViZc#
.OTEI]ZeaViZchXVaZ^hWgd`ZcYdlc^cb^aa^bZ"
iZg^cXgZbZcih#

"'+" ='.(($='.()$<%)),$<%*-&L^YZ7ZaiHVcYZg
&IGUREHVcY^c\WZaiXaZVc^c\eVY#
(#LEANING0ADS
8aZVc^c\ eVYh VgZ i]Z eZg[ZXi VXXZhhdgn [dg
l^YZWZaihVcYZgh#H^beanhZii]ZXdckZndgiVWaZ
id ]Z^\]i VcY [ZZY i]Z eVY i]gdj\] id ¸jcadVY¹
V Y^gin hVcY^c\ WZai# GZ\jaVg XaZVc^c\ \gZVian
^cXgZVhZh i]Z a^[ZheVc d[ hVcY^c\ WZaih# 8]ZX`
l^i]i]ZXjggZci<g^ooanXViVad\dgWWWGRIZZLY
COM[dgbdgZYZiV^ah#
3%#4)/.!##%33/2)%3
((02OTARY0HASE#ONVERTER
6YY ("e]VhZ! bjai^"bdidg XVeVW^a^in id ndjg h^c"
\aZ"e]VhZ ZaZXig^XVa hjeean# DeZgViZ h^c\aZ dg
bjai^eaZ bdidgh! igVch[dgbZgh! VcY gZh^hiVcXZ
adVYh Vi &%% edlZg VcY .* Z[[^X^ZcXn l]^aZ
hVk^c\ W^\ YdaaVgh Vi X]ZVean bZiZgZY! h^c\aZ"
e]VhZ ZaZXig^XVa gViZh# 8dbeaZiZ hiZe Wn hiZe
^chigjXi^dch VgZ [jgc^h]ZY Vadc\ l^i] XdbeaZiZ
l^gZ VcY [jh^c\ gZfj^gZbZcih [dg kVg^djh bdidg
adVYh#:VX]bdYZadeZgViZhjeidil^XZ^ihcVbZ"
eaViZ gVi^c\ ^c V b^mZY"bdidg adVY# Dc ]ZVk^an
adVYZY dg ]VgY"hiVgi Veea^XVi^dch! hjX] Vh ]^\]"
heZZY \ZVgZY"]ZVY aVi]Zh VcY V^g XdcY^i^dc^c\
XdbegZhhdgh! i]Z cVbZeaViZ gVi^c\ d[ i]Z Xdc"
kZgiZgndjX]ddhZh]djaYWZ'id(i^bZhi]Z=E
d[i]Zbdhi]ZVk^anadVYZYbdidg#HZZi]Z^cY^k^Y"
jVa("e]VhZbVX]^cZeV\Zh[dge]VhZXdckZgiZg
gZXdbbZcYVi^dch# ;dg Veea^XVi^dc Vhh^hiVcXZ!
eaZVhZ XVaa djg iZX]c^XVa hjeedgi Vi *,% *)+"
.++(#
&IGUREGdiVgne]VhZXdckZgiZg#

='.(($='.()$<%)),$<%*-&L^YZ7ZaiHVcYZg "',"
$ISCONNECTPOWERTO THE
MACHINE WHEN PERFORM
INGMAINTENANCEASSEM
BLY OR ADJUSTMENTS
&AILURE TO DO THIS MAY
RESULTINSERIOUSPERSON
ALINJURY
7EEKLY
<gZVhZ i]Z \gZVhZ [^ii^c\h adXViZY dc i]Z [ZZY
WZaigdaaZgVmaZhVcYi]ZhVcY^c\WZaigdaaZgVmaZh#
I]ZnVgZ^YZci^[^ZYl^i]nZaadlaVWZah#
-ONTHLY
6eeanV\ZcZgdjhVbdjcid[\gZVhZidi]ZiVWaZ
ZaZkVi^dchXgZlh#7ZhjgZidgZXdkZgi]ZVY_jhi"
bZcihXgZlhl^i]i]ZYjhiXdkZghl]Zc[^c^h]ZY#
GZbdkZi]ZadlZgh^YZeVcZaidVXXZhhi]ZiVWaZ
a^[i^c\bZX]Vc^hb#6eean\gZVhZidi]ZX]V^cVcY
\ZVghVhhdX^ViZYl^i]i]ZiVWaZa^[i^c\bZX]Vc^hb#
7ZXVgZ[jaidcdi\Zi\gZVhZdci]ZK"WZaih#I]^h
XdjaYXVjhZi]Zbidha^ed[[d[i]ZejaaZnh#
!FTERTHE&IRST(OURS
I]Zd^a^ch^YZi]ZXdckZndg\ZVggZYjXZgh]djaY
WZ gZeaVXZY V[iZg i]Z [^ghi &%% ldg`^c\ ]djgh d[
deZgVi^dc#LZgZXdbbZcY.%Li#\ZVgd^a#
%VERY(OURS
6[iZgi]Z[^ghiXdckZndg\ZVggZYjXZgd^aX]Vc\Z!
gZeaVXZi]Zd^aV[iZgZkZgn'*%%ldg`^c\]djghd[
deZgVi^dc#LZgZXdbbZcY.%Li#\ZVgd^a#
'ENERAL
9OUR SAFETY IS IMPORTANT 0LEASE FOLLOW THE
WARNINGSBELOWDURINGTHISENTIRESECTION
3%#4)/.-!).4%.!.#%
,OOSE HAIR AND CLOTH
INGCOULDGETCAUGHTIN
MACHINERYANDCAUSESERI
OUSPERSONALINJURY+EEP
LOOSE CLOTHING AND LONG
HAIR AWAY FROM MOVING
MACHINERY
3CHEDULE
4HEFOLLOWINGITEMSSHOULDBECHECKEDEACH
TIMETHESANDERISUSED
AddhZbdjci^c\Wdaih#
9VbV\ZYhVcY^c\WZai#
LdgcdgYVbV\ZYl^gZh#
LViZgXdaaZXi^dcXjeh[^aaZYl^i]lViZg#
9jhiigVe#
HV[Zin[ZVijgZh#
6cn di]Zg XdcY^i^dc i]Vi XdjaY ]VbeZg i]Z
hV[ZdeZgVi^dcd[i]^hbVX]^cZ#

"'-" ='.(($='.()$<%)),$<%*-&L^YZ7ZaiHVcYZg
&IGURELViZgigVedci]ZgZ\jaVidg#
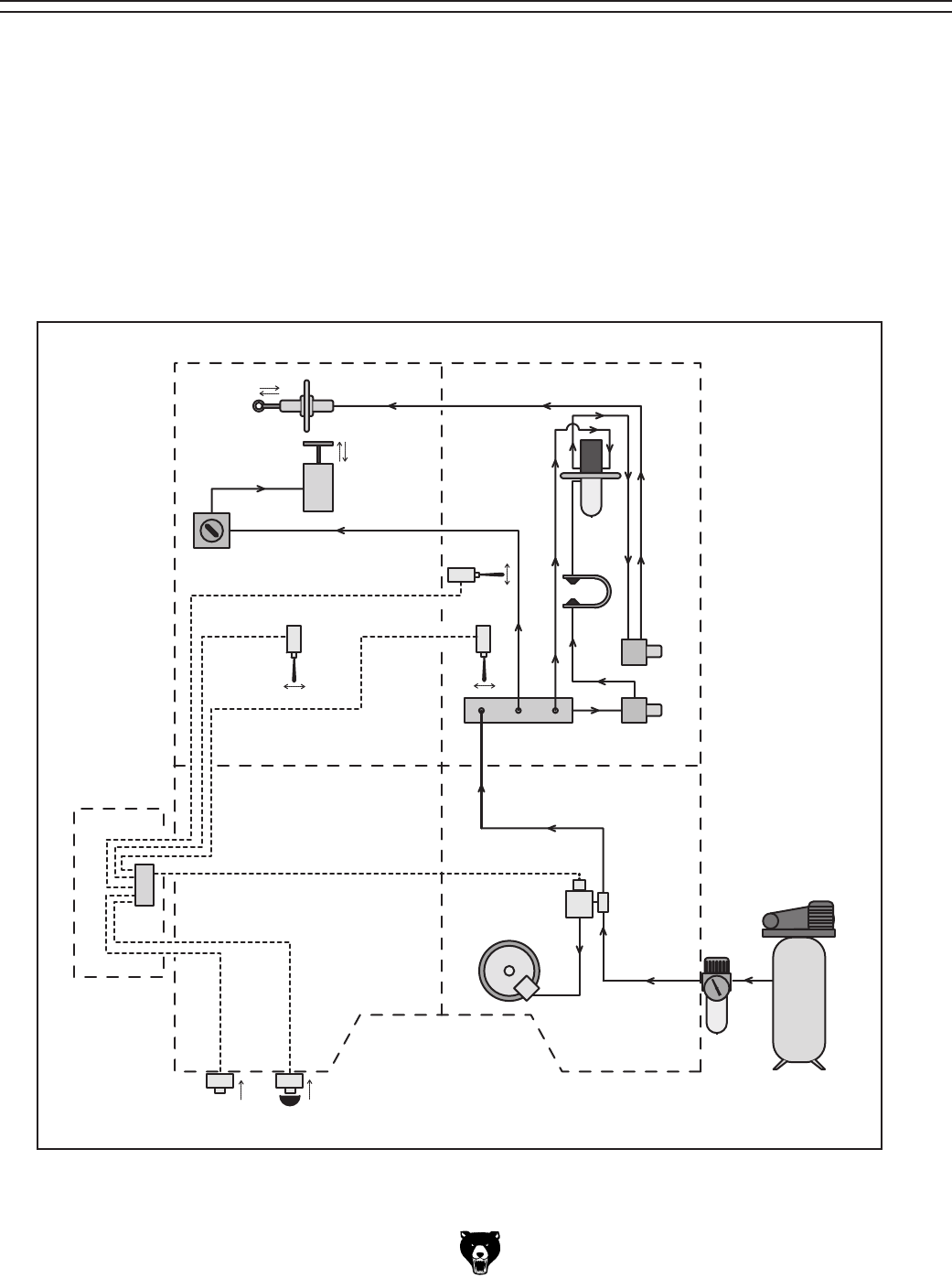
$USTAND7ATER
4RAPS
I]ZgZ VgZ i]gZZ igVeh dc i]^h l^YZ WZai hVcYZg#
DcZ lViZg igVe ^h ViiVX]ZY id i]Z Wdiidb d[ i]Z
V^ggZ\jaVidg!VcYildYjhiigVehVgZViiVX]ZYdc
i]ZV^gY^Ve]gV\bVhhZbWa^Zh#8aZVc^c\^hZVhn!
l^i]i]ZhnhiZbjcYZgV^gegZhhjgZ!ndjXVcejh]
i]ZadlZgYgV^ckVakZVcYZbeingZ\jaVidglViZg
igVe&IGURE#GZeaVXZi]Z^ciZgcVal]^iZbd^h"
ijgZ[^aiZghnZVgan#IdZbeini]ZYjhiigVeWdlah!
gZa^ZkZ i]Z V^g egZhhjgZ VcY i]Zc jchXgZl VcY
Zbeini]ZWdlah&IGURE#9DCDIVaadli]Z
lViZgigVeVcYYjhiWdlahidWZXdbZ[jaa#
&IGUREJchXgZli]ZXaZVgXVc^hiZgidZbein
i]ZV^ga^cZYjhiigVe#
GZ\jaVidgLViZg
IgVe
9gV^cKVakZ
3ANDING"ELTS
Ndj XVc \gZVian ^cXgZVhZ i]Z a^[ZheVc d[ ndjg
hVcY^c\ WZaih ^[ ndj XaZVc i]Zb d[iZc# 6h bZc"
i^dcZYdc0AGE!XaZVc^c\eVYhVgZi]Z[VhiZhi
lVnidgZbdkZhVlYjhiWj^aY"je#
!IR3YSTEM
)FACOMPONENTINTHEAIRSYSTEMISMALFUNC
TIONINGBLEEDALLAIRFROMTHESYSTEMANDFIX
THEPROBLEMBEFOREYOURESUMESANDING
I]ZV^ghnhiZb^hYjgVWaZVcYgZa^VWaZ0]dlZkZg!
XdbedcZcihYdlZVgl^i]V\Z#>[ndjhjheZXii]Vi
Vc^iZb^c ndjgV^ghnhiZbbVnWZ]Vk^c\egdW"
aZbh!hZZi]Z!IR3YSTEM$IAGRAMdc0AGE#
6Y_jhigZ\jaVidgid,*EH>#
8VgZ[jaan^cheZXiVaaV^ga^cZh[dgXgVX`h!iZVgh
dg]VgYZc^c\#GZeaVXZ[Vjain]dhZh#
8]ZX`i]ZV^gXdccZXi^dch[dgaZV`h#6hbVaa
Vbdjci d[ hdVen lViZg ^c V fjZhi^dcVWaZ
VgZVl^aaWjWWaZ^[i]ZgZ^hVaZV`#
BV`Z hjgZ a^cZh VgZ cdi Xad\\ZY# GZbdkZ
VfjZhi^dcVWaZa^cZVcYWadli]gdj\]^iVhV
iZhi#
9jhiIgVe
7dla

='.(($='.()$<%)),$<%*-&L^YZ7ZaiHVcYZg "'."
4ABLE#ALIBRATION
./4)#%
4HE DIGITAL THICKNESS GAUGE HAS BEEN CALI
BRATEDATTHEFACTORYANDSHOULDREQUIRENO
FURTHER ADJUSTMENT (OWEVER WE RECOM
MENDVERIFYINGITSACCURACY
JhZi]Z[^ghiWdVgY[ZYi]gdj\]i]ZhVcYZgidiZhi
i]ZVXXjgVXnd[i]ZY^\^iVai]^X`cZhh\Vj\Z#
4OCALIBRATETHEDIGITALTHICKNESSSCALE
Jh^c\VegdeZganhZi"jeeaVcZg!eaVcZVWdVgY
idjc^[dgbi]^X`cZhh#
AdlZgi]ZhVcYZgiVWaZ [VgZcdj\]ideaVXZ
i]ZeaVcZYWdVgYjcYZgi]ZhVcYZggdaaZg#
BVcjVaangV^hZi]ZiVWaZ jci^ai]ZWdVgY_jhi
idjX]Zhi]ZhVcY^c\gdaaZg#
GZbdkZ i]Z WdVgY l^i]dji X]Vc\^c\ i]Z
iVWaZ ]Z^\]i# I]^h ZchjgZh i]Z iVWaZ l^aa WZ
egdeZganVY_jhiZY[dgi]Z[^ghihVcY^c\eVhh#
Gjc i]Z WdVgY i]gdj\] i]Z hVcYZg hZkZgVa
i^bZh Vi i]Z ^c^i^Va ]Z^\]i hZii^c\# BVcjVaan
gV^hZ i]Z iVWaZ %#%'% VcY eVhh i]Z WdVgY
i]gdj\] i]Z hVcYZg hZkZgVa bdgZ i^bZh#
Bdc^idgi]ZVbeZgV\ZbZiZgVcYi]ZgZhjai"
^c\adVYdci]ZhVcYZg#
BZVhjgZ i]Z i]^X`cZhh Vi kVg^djh ed^cih
VgdjcY i]Z WdVgY jh^c\ V egZX^hZ b^Xgdb"
ZiZgdghZid[XVa^eZgh#8dci^cjZhVcY^c\i]Z
WdVgYVii]Vi]Z^\]ijci^ai]ZVkZgV\Zi]^X`"
cZhhbZVhjgZbZci^hl^i]^cb%#%%(#
.OTE4HESE FINAL PASSES SHOULD BE DONE
WITHOUT ADJUSTING THE TABLE HEIGHT 4HIS
ENSURES THE MOST CONSISTENT AVERAGE THICK
NESS
DWhZgkZi]ZY^\^iVaY^heaVngZVY"dji!^ih]djaY
^cY^XViZi]ZVkZgV\Zi]^X`cZhhd[i]ZhVcYZY
lddY#
·>[ ^i YdZh! i]Z hVcYZg ^h egdeZgan XVa^WgViZY
VcYVXXjgViZidi]ZcZVgZhi%#%%*#
·>[^iYdZhcdi!ndjbjhigZXVa^WgViZi]ZY^\^iVa
i]^X`cZhhhXVaZ#
4ORECALIBRATETHEDIGITALTHICKNESSSCALE
L^i]dji bdk^c\ i]Z iVWaZ ]Z^\]i! ZciZg i]Z
cjbZg^XVabZVhjgZbZcid[i]ZVkZgV\Zi]^X`"
cZhhd[i]ZhVcYZYlddY^cidi]ZY^\^iVa`Zn
eVYdci]ZXdcigdaeVcZa#
.OTE4HEAVERAGETHICKNESSOFTHESANDED
WOOD SHOULD NOW BE FLASHING ON THE DIGITAL
READOUT
EgZhhVcY]daYi]Z`Znjci^ai]ZY^heaVn
hideh [aVh]^c\# I]Z hVcYZg ^h cdl XdggZXian
XVa^WgViZY#
3%#4)/.3%26)#%
&IGUREGZbdk^c\eaViZc#
0LATEN3ERVICE
4OREPLACETHEPLATENFELTANDGRAPHITEPAD
9>H8DCC:8I I=: H6C9:G ;GDB I=:
EDL:GHDJG8:
DeZci]ZaZ[iVXXZhhYddg!VcYjhZi]ZeaViZc
idda!Vhh]dlc^c&IGUREidgZbdkZi]Z
eaViZc#
GZeaVXZeaViZc[ZaieVYVcY\gVe]^iZeVY#
GZ^chZgii]ZeaViZcjci^a^ihideh#
8adhZi]ZVXXZhhYddg#

"(%" ='.(($='.()$<%)),$<%*-&L^YZ7ZaiHVcYZg
4OREPLACETHEBRAKEPADS
$ISCONNECT THE SANDER FROM THE POWER
SOURCE AND REMOVE AIR PRESSURE COM
PLETELY
GZbdkZ i]Z cjih [gdb i]Z ild bdjci^c\
WdaihVcYi]ZildhcVeg^c\hdci]Zbdjci^c\
e^chWZ]^cYi]ZWgVX`Zi#
Ejaa i]Z bdjci^c\ e^ch dji d[ i]Z XVa^eZg
WgVX`Zi VcY gZbdkZ i]Z V^g a^cZ [gdb i]Z
XVa^eZg#I]ZXVa^eZgh]djaYcdlWZVWaZidWZ
gZbdkZY#
9^hVhhZbWaZ i]Z WgV`Z XVa^eZg VcY gZbdkZ
i]ZXVehXgZlhhZXjg^c\i]ZWgV`ZeVYh#
GZbdkZi]ZWgV`ZgdidgVcY ]VkZ^iegd[Zh"
h^dcVaangZhjg[VXZYViVcVjidbdi^kZbVX]^cZ
h]de^[^i]Vh\dj\Zh^c^i#>[k^h^WaZXgVX`hVgZ
egZhZci ^c i]Z WgV`Z gdidg! gZeaVXZ ^i l^i] V
cZldcZ#GZbdkZd^aVcYY^gi[gdbi]Zgdidg
l^i] Vjidbdi^kZ WgV`Z XaZVcZg# DcXZ XaZVc!
dcan ]VcYaZ i]Z gdidg l^i] V Ygn gV\ VcY
^chiVaaZmVXiani]ZgZkZghZd[gZbdkVa#
>chiVaa cZl WgV`Z eVYh! bdjci i]Z XVa^eZg
VcYgZXdccZXii]ZV^ga^cZ#
IZhi i]Z hV[Zin h]jiYdlc deZgVi^dc Wn gjc"
c^c\i]ZhVcYZgVcYegZhh^c\i]ZZbZg\ZcXn
hideXdcigdah#
"RAKE3ERVICE
4OOLS.EEDED 1TY
&)bbDeZc:cYLgZcX]################################## &
HbVaaHcVeG^c\Ea^Zgh##################################### &
+bb=ZmLgZcX]############################################## &
'E]^aa^ehHXgZlYg^kZg##################################### &
:kZcijVaani]ZWgV`ZeVYhl^aalZVgdji#8]ZX`^c\
VcYgZeaVX^c\i]ZhZ^hV h^beaZ egd_ZXii]ViXVc
WZYdcZ^ci]Zh]de!l^i]i]ZZmXZei^dcd[]Vk^c\
i]ZgdidggZhjg[VXZYdcVaVi]Z#
4OCHECKTHEBRAKEPADS
$ISCONNECT THE SANDER FROM THE POWER
SOURCE AND REMOVE AIR PRESSURE COM
PLETELY
GZbdkZ i]Z [djg hXgZlh i]Vi hZXjgZ i]Z
VXXZhh eVcZa dc i]Z g^\]i"]VcY h^YZ d[ i]Z
bVX]^cZ#
I]ZWgV`ZXVa^eZg^hadXViZYjcYZgcZVi]i]Z
gdidg^c&IGURE!l]^X]^hViiVX]ZYidi]Z
bdidgVgWdg#
I]ZWgV`ZeVYhXdch^hid[VbZiVaeaViZl^i]
VXdbedh^iZeVY#L^i]V[^cZgjaZg!bZVhjgZ
i]Z i]^X`cZhh d[ i]Z Xdbedh^iZ eVY dcan# >[
dcZd[i]ZeVYh^hWZadl&¿-Veegdm#(bb!
gZeaVXZWdi]#
&IGURE9^hXWgV`Z#
8Va^eZg

='.(($='.()$<%)),$<%*-&L^YZ7ZaiHVcYZg "(&"
/SCILLATION4IMING
L]Zc i]Z dhX^aaVi^dc ^h XdggZXian VY_jhiZY! i]Z
hVcY^c\WZaidhX^aaViZhidi]ZaZ[iVcYidi]Zg^\]i
Vi i]Z hVbZ heZZY# >[ i]Z hVcY^c\ WZai bV`Zh
XdciVXil^i]Va^b^ihl^iX]!Vhh]dlc^c&IGURE!
i]Z ZbZg\ZcXn WgV`^c\ hnhiZb l^aa VXi^kViZ VcY
hidei]ZhVcYZg^bbZY^ViZan#
./4)#%
4HEOSCILLATIONADJUSTMENTSHAVEBEENPER
FORMEDATTHEFACTORYANDSHOULDREQUIRENO
FURTHER ATTENTION (OWEVER WE RECOMMEND
VERIFYINGTHESETTINGS
&IGURE>begdeZgdhX^aaVi^dc#
HVcY^c\7Zai
A^b^i
Hl^iX]Zh
HVcYZgDjia^cZ
IdeK^Zl
6c VYZfjViZ higZVb d[ V^g i]gdj\] i]Z V^g
[dg`\Ve&IGURE^hZhhZci^Va[dgegdeZg
dhX^aaVi^dc# >[ i]Z _Zi d[ V^g ^h lZV` i]gdj\]
i]Z \Ve! i]Z WZai l^aa igVX` VlVn [gdb i]Z
XdcigdaaZg VcY ^cid i]Z a^b^i hl^iX] dc i]Z
deedh^iZZcYd[i]ZgdaaZg#I]Ze^kdiVXi^dcd[
i]ZjeeZggdaaZg!VcYi]ZgZhjai^c\dhX^aaVi^dc
d[ i]Z WZai! VgZ YZeZcYZci jedc VYZfjViZ
V^g[adli]gdj\]i]ZV^g[dg`\Ve#
4OSET THECORRECT AMOUNTOF AIRFLOWTHROUGH
THEAIRFORKGAP
GZbdkZ i]Z hVcY^c\ WZai VcY ijgc i]Z WZai
iZch^dc`cdWidi]ZiZch^dcZYedh^i^dc#
AddhZci]ZadX`cjidci]ZV^g[adlVY_jhibZci
`cdW&IGURE#
Ijgci]ZV^g[adlVY_jhibZci`cdW&IGURE
XadX`l^hZjci^ai]ZV^g[adl^hXdbeaZiZan/&&
I]ZjeeZggdaaZgh]djaYe^kdiidi]Zg^\]i#
Hadlan ijgc i]Z V^g[adl VY_jhibZci `cdW
XdjciZgXadX`l^hZ! VcY Xdci^cjZ ijgc^c\ je
i]ZV^gegZhhjgZjci^a i]Z gdaaZge^kdihidi]Z
aZ[i#
&IGUREDhX^aaVi^dcXdbedcZcih#
DhX^aaVi^dc8dcigdaaZg<Ve
6^g;dg`VcY6^g?Zi
4OCHECKTHESANDINGBELTOSCILLATION
7ZhjgZi]ZhVcY^c\WZai^hegdeZgan^chiVaaZY
VcYi]ZWZaiiZch^dc`cdWVcYV^ghjeeanVgZ
/.#
Ijgc/.i]ZhVcY^c\WZai#
·>[ i]Z WZai dhX^aaViZh l^i]dji XdciVXi^c\ i]Z
a^b^ihl^iX]Zh!Wjii]ZdhX^aaVi^dci^bZidi]Z
aZ[iVcYg^\]iVgZ./4ZfjVa!egdXZZYid3TEP
!dc0AGE#
·>[i]ZWZaiigVX`hVlVn [gdbi]ZV^g [dg`VcY
V^g_Zi!Xdaa^Y^c\^cidi]Za^b^ihl^iX]!Xdci^cjZ
l^i]3TEP#
&IGURE6^g[adlVY_jhibZci`cdW#
AdX`Cji

"('" ='.(($='.()$<%)),$<%*-&L^YZ7ZaiHVcYZg
I^\]iZc i]Z adX` cji &IGURE id hZXjgZ
i]ZV^g[adlVY_jhibZci`cdW#
GZhig^Xi i]Z V^g[adl VXgdhh i]Z V^g [dg` \Ve
l^i] V hXgVe e^ZXZ d[ lddY# Ndj h]djaY
cdi^XZi]ZgdaaZge^kdiidi]Zg^\]i#L]Zci]Z
hi^X`^hgZbdkZY!i]ZgdaaZgh]djaYe^kdiWVX`
idi]ZaZ[i#
IZhi i]Z dhX^aaVi^dc Wn gjcc^c\ i]Z hVcYZg#
BV`ZcdiZd[i]Zi^bZ^iiV`Zh[dgi]ZWZaiid
dhX^aaViZ [gdb aZ[i"id"g^\]i VcY [gdb g^\]i"id"
aZ[i#
L]ZcXdggZXiani^bZY!i]Z dhX^aaVi^dch]djaY
iV`ZVh^b^aVgVbdjcid[i^bZiddhX^aaViZ#
>[ i]Z dhX^aaVi^dc i^bZ id i]Z RIGHT ^h ' hZX"
dcYh! Wji i]Z dhX^aaVi^dc i^bZ id i]Z LEFT ^h
adc\Zg! addhZc i]Z dhX^aaVi^dc VY_jhibZci
`cdW&IGUREVcYbdkZ^iidi]ZLEFTjci^a
egdeZg igVX`^c\ ^h VX]^ZkZY# I^\]iZc Ydlc
i]Z dhX^aaVi^dc VY_jhibZci `cdW l]Zc hVi^h"
[^ZY#
&IGUREDhX^aaVi^dcVY_jhibZci`cdWh#
>[i]ZdhX^aaVi^dci^bZidi]ZLEFT^h'hZXdcYh!
Wjii]ZdhX^aaVi^dci^bZidi]ZRIGHT^hadc\Zg!
addhZc i]Z dhX^aaVi^dc VY_jhibZci `cdW VcY
bdkZ ^i id i]Z RIGHT jci^a egdeZg igVX`^c\ ^h
VX]^ZkZY# I^\]iZc i]Z dhX^aaVi^dc VY_jhibZci
`cdWl]ZchVi^h[^ZY#
8dci^cjZidi]ZcZmieV\ZidVY_jhii]ZdhX^a"
aVi^dcheZZY#

='.(($='.()$<%)),$<%*-&L^YZ7ZaiHVcYZg "(("
./4)#%
4HE TABLE HAS BEEN ADJUSTED AT THE FAC
TORYANDSHOULDREQUIRENOFURTHERATTENTION
(OWEVERWERECOMMENDVERIFYINGTHATITIS
PARALLELWITHTHESANDINGROLLER
I]Z dhX^aaVi^dc heZZY d[ i]Z hVcY^c\ WZai ^h
VY_jhiVWaZ# 9^[[ZgZci dhX^aaVi^c\ heZZYh n^ZaY Y^["
[ZgZci hVcY^c\ gZhjaih# LZ gZXdbbZcY ign^c\
kVg^djhheZZYhdcVhXgVee^ZXZd[lddYh^b^aVg
idi]Z[^cValdg`e^ZXZ#
4OADJUSTTHEOSCILLATIONSPEED
AddhZc i]Z adX` cji dc i]Z heZZY Xdcigda
VY_jhibZci`cdW&IGURE#
/SCILLATION3PEED 4ABLE0ARALLELISM
&IGUREHeZZYXdcigdaVY_jhibZci`cdW#
Ijgc i]Z `cdW XadX`l^hZ id YZXgZVhZ i]Z
dhX^aaVi^dc heZZY VcY XdjciZgXadX`l^hZ id
^cXgZVhZ^i#
I^\]iZc i]Z adX` cji addhZcZY ^c 3TEP id
hZXjgZi]Z`cdW#
AdX`Cji
I]Z XdgcZgh d[ i]Z iVWaZ XVc WZ ^cYZeZcYZcian
VY_jhiZYjedgYdlc#7nY^hXdccZXi^c\i]ZX]V^c
VcY ijgc^c\ i]Z eZgi^cZci iVWaZ ZaZkVi^dc hXgZl
hegdX`Zi! &IGURE iVWaZ eVgVaaZa^hb XVc WZ
VX]^ZkZY#
6Y_jhi^c\ i]Z iVWaZ eVgVaaZa^hb XVc WZ V kZgn
iZY^djhiVh`i]ViiV`ZhV\gZViVbdjcid[eVi^ZcXZ#
9DCDI VY_jhii]ZiVWaZjcaZhhndjVgZ]Vk^c\
igdjWaZ hVcY^c\ ndjg ldg`e^ZXZ id V jc^[dgb
i]^X`cZhh#
>[ V iVWaZ VY_jhibZci ^h cZZYZY! iV`Z egZX^hZ
cdiZh dc i]Z edh^i^dc^c\ d[ i]Z iVWaZ ZaZkVi^dc
hXgZlh# I]^h l^aa Vaadl i]Z dg^\^cVa hZii^c\ id WZ
gZ"ZhiVWa^h]ZY#
&IGUREK^Zld[ZaZkVi^dchXgZlhegdX`Zih#
:aZkVi^dcHXgZl
HegdX`Zih

"()" ='.(($='.()$<%)),$<%*-&L^YZ7ZaiHVcYZg
4OADJUSTTHETABLEPARALLELISM
EVhh V (, l^YZ WdVgY i]gdj\] i]Z hVcYZg
jci^ai]ZENTIREhjg[VXZd[i]ZWdVgY^hbV`"
^c\XdciVXil^i]i]ZhVcY^c\WZai#
BZVhjgZi]Zi]^X`cZhhd[i]ZWdVgYVikVg^"
djhed^cihVgdjcYi]ZZY\Z#
>[i]ZgZ^hVkVg^Vi^dc d[i]^X`cZhh!i]ZiVWaZ
XVcWZVY_jhiZYVXXdgY^c\an#
9>H8DCC:8I I=: H6C9:G ;GDB I=:
EDL:GHDJG8:
;dgb^cdgVY_jhibZci!addhZci]ZiVWaZ
bdjci^c\Wdaihh]dlc^c&IGUREVcYgdiViZ
i]ZZaZkVi^dchXgZl[aVc\Z#
·;dg bV_dg VY_jhibZci! bVg` i]Z X]V^c adXV"
i^dcdcVaahegdX`Zih!gZbdkZi]ZX]V^c[gdb
i]Z hegdX`Zi id WZ VY_jhiZY! VcY ijgc i]Z
hegdX`ZiXdjciZgXadX`l^hZidgV^hZi]ZiVWaZ#
DcZ fjVgiZg d[ V ijgc gV^hZh dg adlZgh Vc
ZaZkVi^dchXgZlVeegdm^bViZan%#%'%
GZ^chiVaai]ZX]V^c!i^\]iZci]ZWdaih!VcYiZhi
i]ZbVX]^cZ#
4OADJUSTTHEPRESSUREROLLERS
9>H8DCC:8I I=: H6C9:G ;GDB I=:
EDL:GHDJG8:
EaVcZV+ adc\ 'm) id V jc^[dgb i]^X`cZhh
VcYXji^i^c]Va[#EaVXZdcZWdVgYVadc\i]Z
aZc\i]d[i]Z[ZZYWZaidci]Zg^\]i"]VcYh^YZ
VcY eaVXZ i]Z di]Zg WdVgY dc i]Z aZ[i"]VcY
h^YZ#
L^i]i]ZhVcY^c\WZaiiZch^dcZY&IGURE!
bdkZi]ZhVcY^c\gdaaZghWn]VcYVcYbVcj"
VaangV^hZi]ZiVWaZjci^andj]ZVgi]ZhVcYeV"
eZg_jhiXdciVXii]Zhjg[VXZd[i]ZlddY#9D
CDIXdci^cjZidgV^hZi]ZiVWaZWZndcYi]Vi
ed^ci#
0RESSURE2OLLERS
8dccZXii]ZhVcYZgidi]ZedlZghdjgXZVcY
bV`ZcdiZd[i]Z gZVY^c\dci]ZY^\^iVa Y^h"
eaVn# I]Zc bVcjVaan adlZg i]Z iVWaZ %#%'%
id%#%(%#I]^h^h]dlbjX]adlZgi]Z^c[ZZY
egZhhjgZgdaaZgh]djaYWZhZil]ZcXdbeVgZY
idi]ZhVcY^c\hjg[VXZd[i]ZhVcY^c\gdaaZg#
9>H8DCC:8I I=: H6C9:G ;GDB I=:
EDL:GHDJG8:
&IGURE7ZaiiZch^dc`cdW#
./4)#%
7HEN ADJUSTING THE LEFT FRONT ELEVATION
SCREW MAKE THE SAME ADJUSTMENT TO THE
LEFT REAR ELEVATION SCREW 4HIS ENSURES THE
HEIGHTFROMTHEFRONTTOTHEBACKOFTHETABLE
REMAINS UNCHANGED $O THE SAME WHEN
ADJUSTINGTHERIGHTELEVATIONSCREWS
&IGUREIVWaZbdjci^c\Wdaih#
IVWaZBdjci^c\
7dai
:aZkVi^dc
HXgZl;aVc\Z

='.(($='.()$<%)),$<%*-&L^YZ7ZaiHVcYZg "(*"
&IGUREEgZhhjgZgdaaZgVY_jhibZciadXVi^dc#
AddhZc i]Z gdaaZg adX` cjih &IGURE dc
i]Z ^c[ZZY egZhhjgZ gdaaZg# Ijgc i]Z VY_jhi"
bZcihijYh&IGUREidadlZgi]ZegZhhjgZ
gdaaZgjci^a^i_jhiidjX]Zhi]ZWdVgY#
.OTE$/ ./4 CONTINUE TO LOWER THE ROLLER
BEYONDTHATPOINT
GdaaZgAdX`
Cjih
6Y_jhibZci
HijY
8dccZXi i]Z hVcYZg id i]Z edlZg hdjgXZ
VcYbV`ZcdiZd[i]Z gZVY^c\dci]ZY^\^iVa
Y^heaVn# I]Zc bVcjVaan adlZg i]Z iVWaZ Vc
VYY^i^dcVa%#%'%id%#%(%#I]^h^h]dlbjX]
adlZg i]Z dji[ZZY egZhhjgZ gdaaZg h]djaY
WZ hZi l]Zc XdbeVgZY id i]Z ]Z^\]i d[ i]Z
^c[ZZYgdaaZg#
AddhZc i]Z gdaaZg adX` cjih dc i]Z dji[ZZY
egZhhjgZgdaaZg#Ijgci]ZVY_jhibZciWdaihid
adlZgi]ZegZhhjgZgdaaZgjci^a^i_jhiidjX]Zh
i]ZWdVgY#
.OTE$/ ./4 CONTINUE TO LOWER THE ROLLER
BEYONDTHATPOINT
I^\]iZci]ZgdaaZgadX`cjihVcYgZX]ZX`ndjg
hZii^c\h#
.OTE6ARIABLES SUCH AS FEED RATE DEPTH OF
THE CUT AND THE TYPE OF SANDING BELT CAN PLAY
A BIG PART IN DETERMINING THE PROPER AMOUNT OF
DOWNWARDPRESSUREEXERTEDBYTHEROLLERS3OME
EXPERIMENTATION MAY BE NECESSARY TO ACHIEVE
THE DESIRED RESULTS (OWEVER UNDER NO CIRCUM
STANCESSHOULDTHEPRESSUREROLLERSBESETEVEN
ORHIGHERTHANTHESANDINGROLLER
I^\]iZci]ZgdaaZgadX`cjihVcYgZX]ZX`ndjg
hZii^c\h#
Ijgci]ZVY_jhibZcicjijedgYdlcjci^ai]Z
K"WZaihYZ[aZXi&d[[d[XZciZgl]Zcejh]ZY
l^i]ndjg[^c\Zg#
GZi^\]iZci]ZadX`cji#
&IGUREIVWaZZaZkVi^dcK"WZai#
&IGUREHVcY^c\YgjbK"WZaih#
6Y_jhibZci
Cji
6Y_jhibZciCji
AdX`Cji
AdX`Cji
K"7Zai
K"7Zaih
6"ELT!DJUSTMENT
4OADJUSTEITHER6BELT
9>H8DCC:8I I=: H6C9:G ;GDB I=:
EDL:GHDJG8:
AddhZci]ZadX`cji&IGURES#

"(+" ='.(($='.()$<%)),$<%*-&L^YZ7ZaiHVcYZg
>chZgiild'm)m-lddYZchijYhjcYZgi]Z
iVWaZ id hjeedgi i]Z iVWaZ! VcY i]Zc Wdi]
eZdeaZbjhia^[ii]ZiVWaZha^\]ianVcYbdkZ^i
djid[i]ZgZVgd[i]ZbVX]^cZ#
9^hXdccZXii]Za^b^ihl^iX]!gZbdkZVaabdjci"
^c\hXgZlh!VcYgZbdkZi]ZZbZg\ZcXnhide
ejh]"eVcZaVhhZbWan#
Ijgc Wdi] igVX`^c\ VY_jhibZci Wdaih Xdjc"
iZg"XadX`l^hZ [^kZ ijgch! gZbdkZ dcZ gdaaZg
hjeedgi!VcYha^YZi]ZYgjbdjid[i]ZiVWaZ
VhhZbWan#
GZbdkZ i]Z daY XdckZndg WZai! ^cheZXi gdaa"
Zgh!WZVg^c\h!iVWaZ[dglZVgVcYgZeaVXZVh
gZfj^gZY#
>chiVaai]ZcZlXdckZndgWZai#.OTE4HEBELT
ISNONDIRECTIONAL
>chiVaai]Z[gdcigdaaZg!i]ZgdaaZghjeedgi!VcY
ijgc Wdi] igVX`^c\ VY_jhibZci Wdaih XadX`"
l^hZ ZfjVaan hd i]Z XdckZndg WZai WZXdbZh
iVj\]i VcY YdZh cdi ]Vc\ addhZ# 9D CDI
DK:GI><=I:Ci]ZWZai#
L^i]V]ZaeZg!^chiVaai]ZiVWaZ[gdbi]ZgZVg
^cVh^b^aVg[Vh]^dcVh^ilVhgZbdkZY#
>chiVaai]ZiVWaZ\j^YZhVcYi]ZaZ[iVcYg^\]i
adlZgVXXZhheVcZah#
6a^\ci]ZaZVYhXgZl[aVc\Zhl^i]i]ZbVg`h
bVYZ^c3TEP!VcY^chiVaai]Z]ZmWdaih#
>chiVaa i]Z iVWaZ ]Z^\]i a^b^i hl^iX]Zh hd i]Z
jeeZg hl^iX] Xa^X`h l]Zc i]Z XdckZndg hjg"
[VXZ ^h &$) VlVn [gdb i]Z hVcYeVeZg! VcY
i]Z adlZg hl^iX] Xa^X`h l]Zc i]Z XdckZndg
iVWaZ ^h &$) ]^\]Zg i]Vc ^ih adlZhi edh^i^dc#
BV`ZhjgZi]VindjiZhindjghZii^c\hl^i]i]Z
]VcYl]ZZabVcjVaanhdndjYdciXgVh]i]Z
iVWaZ^[^cXdggZXianhZii]Z[^ghii^bZVgdjcY#
L^i] V ]ZaeZg! ^chiVaa i]Z \ZVgWdm! k^WgVi^dc
YVbeZcZglVh]Zgh!VcYbdjci^c\WgVX`Zi#
>chiVaai]ZZbZg\ZcXnhideejh]eVcZaVhhZb"
WanVcYi]Za^b^ihl^iX]#
HiVgi i]Z XdckZndg bdidg VcY ijgc i]Z Xdc"
kZndg igVX`^c\ Wdaih Vh gZfj^gZY jci^a i]Z
XdckZndgWZaiigVX`hhigV^\]il^i]djiadVY^c\
jedcdcZh^YZd[i]ZiVWaZ#
#ONVEYOR"ELT
2EPLACEMENT
4OOLS.EEDED 1TY
BV`ZhjgZi]Vindj]VkZVa^[i^c\YZk^XZdgVcdi]"
ZgeZghdcid]Zae^ciVWaZgZbdkVa#
.bb=ZmLgZcX]############################################# &
&.bb8dbW^cVi^dcLgZcX]############################# &
&'bb8dbW^cVi^dcLgZcX]############################# &
&)bb8dbW^cVi^dcLgZcX]############################# &
'E]^aa^ehHXgZlYg^kZg##################################### &
-'m)h############################################################# '
EZgbVcZciBVg`Zg############################################ &
4O REMOVE THE CONVEYOR BELT USE&IGURE
ANDFOLLOWTHESTEPSBELOW
GV^hZ i]Z iVWaZ je hd i]Z XdckZndg WZai
^h Veegdm^bViZan ild"^cX]Zh VlVn [gdb
i]Z hVcY^c\ gdaaZg dg eaViZc! VcY i]Zc
9>H8DCC:8I I=: H6C9:G ;GDB I=:
EDL:GHDJG8:
GZbdkZi]Z\ZVgWdmbdjci^c\WgVX`Zi!VcY
l^i]VcVhh^hiVcih]Zae!ha^YZi]ZbdidgVcY
\ZVgWdm[gdbi]ZgdaaZgh]V[iVcYadlZg^iid
i]Z[addg#
.OTE$ONOTLOOSENTHETWOVIBRATIONDAMP
ENERWASHERSSHOWNIN&IGURE
GZbdkZildiVWaZ]Z^\]ia^b^ihl^iX]Zh#
GZbdkZWdi]adlZgVXXZhheVcZah#
GZbdkZi]ZaZ[iVcYg^\]iiVWaZ\j^YZh#
Jh^c\ V eZgbVcZci bVg`Zg! bVg` Vaa [djg
aZVYhXgZl[aVc\Zedh^i^dch&IGURE!VcY
gZbdkZVaa]ZmWdaih[gdbi]Z[aVc\Zh#
&IGUREBVg`^c\aZVYhXgZl[dggZVhhZbWan#
I^b^c\BVg`

='.(($='.()$<%)),$<%*-&L^YZ7ZaiHVcYZg "(,"
)
L6GC>C<
9>H8DCC:8I
EDL:G
K^WgVi^dc
9VbeZc^c\
LVh]Zg
IVWaZ
<j^YZ
IgVX`^c\
6Y_jhibZci
7daih
&IGURE8dckZndgWZaigZbdkVahZfjZcXZ#

"(-" ='.(($='.()$<%)),$<%*-&L^YZ7ZaiHVcYZg
./4)#%
!DJUSTTHEFEEDBELTTENSIONBEFOREADJUSTING
THEFEEDBELTTRACKING
&EED"ELT4ENSION &EED"ELT4RACKING
4OADJUSTTHEFEEDBELTTRACKING
Ijgci]Z[ZZYWZai/.#
>[ i]Z [ZZY WZai ^h igVX`^c\ id i]Z RIGHT h^YZ
d[ i]Z iVWaZ! ijgc i]Z RIGHT VY_jhibZci Wdai
&IGUREXadX`l^hZ#
>[i]Z[ZZYWZai^higVX`^c\idi]ZLEFTh^YZd[
i]ZiVWaZ!ijgci]ZLEFTVY_jhibZciWdaiXadX`"
l^hZ#
.OTE4HEEDGEOFTHEFEEDBELTSHOULDJUST
TOUCHTHEGUIDEWHEELSASSHOWNIN&IGURE
$/./4SANDBOARDSWITHTHEGUARDREMOVED
&AILURETOFOLLOWTHISWARNINGCOULDRESULTIN
SERIOUSPERSONALINJURY
4OOLS.EEDED 1TY
'%bbLgZcX]dgHdX`Zi####################################&
'E]^aa^ehHXgZlYg^kZg#######################################&
4OADJUSTTHEFEEDBELTTENSION
9>H8DCC:8I I=: H6C9:G ;GDB I=:
EDL:GHDJG8:
;^cYi]ZVY_jhibZciedgih^ci]ZhV[Zin\jVgY
&IGURE Vi i]Z [gdci ZcY d[ i]Z [ZZY
iVWaZ#
Ijgc Wdi] aZ[i VcY g^\]i VY_jhibZci Wdaih
&IGURE XadX`l^hZ ZfjVaan id ^cXgZVhZ
iZch^dc#
&IGURE;ZZYWZaiiZch^dcVY_jhibZciWdaih#
.OTE3AFETYGUARDREMOVEDFORCLARITY
HV[Zin<jVgY
;ZZY7Zai
6Y_jhibZci
7dai
6Y_jhibZci7dai
L]ZciZch^dcZYegdeZganndjh]djaYcdiWZ
VWaZida^[ii]Z [ZZYWZaid[[d[ i]ZiVWaZhjg"
[VXZdgha^YZ^iWVX`VcY[dgi]#
Gjci]Z[ZZYWZai[dg("*b^cjiZhVcYgZX]ZX`
i]ZigVX`^c\#
>[ i]Z WZai ^h hi^aa igVX`^c\ XdggZXian! gZeaVXZ
i]Z hV[Zin \jVgY gZbdkZY ^c i]Z egZk^djh
hjWhZXi^dc#
&IGURE<j^YZl]ZZah#
<j^YZL]ZZa
4OOLS.EEDED 1TY
+bb=ZmLgZcX]###############################################&
6Y_jhibZciEdgi

='.(($='.()$<%)),$<%*-&L^YZ7ZaiHVcYZg "(."
) DhX^aaVi^dcI^b^c\E^hidcVcY9^Ve]gV\b6hhn#
* DhX^aaVi^dcHeZZY8dcigdaE^hidc
+ 7ZaiIZch^dc8dcigdaE^hidc
, 7ZaiIZch^dc8dcigdaHl^iX]
- :bZg\ZcXnHide7jiidcHl^iX]
.# :bZg\ZcXnHideEjh]7gV`ZHl^iX]
/ AZ[i7ZaiA^b^iHl^iX]
0 G^\]i7ZaiA^b^iHl^iX]
1 7ZaiIZch^dcA^b^iHl^iX]
2 :bZg\ZcXn7gV`Z8dciVXidg
! H]de8dbegZhhdg
" 6^gEgZhhjgZGZ\jaVidg
#:bZg\ZcXn7gV`ZHdaZcd^Y
$:bZg\ZcXn7gV`Z
% 6^g9^hig^Wji^dcBVc^[daY
& 6^g[adl6Y_jhibZci@cdW
DhX^aaVi^dcI^b^c\
' HeZZY8dcigda6Y_jhibZci@cdW
DhX^aaVi^dcHeZZY
( DhX^aaVi^dc8dcigdaaZg6^g;dg`
!IR3YSTEM$IAGRAM
:aZXig^XVaL^gZ
6^gA^cZ
!
"
#
$
%
&
'
)
*
+
,
(
;gdci
JeeZgG^\]i9ddg6XXZhh
AdlZgG^\]i
6XXZhhEVcZa
EdlZg7dm
JeeZgAZ[i9ddg6XXZhh
-
.
0
1
/
2

")%" ='.(($='.()$<%)),$<%*-&L^YZ7ZaiHVcYZg
4ROUBLESHOOTING
39-04/-
Bdidgl^aacdihiVgi#
Bdidgl^aacdihiVgi0[jhZhdg
X^gXj^iWgZV`ZghWadl#
BdidgdkZg]ZVih#
Bdidg hiVaah gZhjai^c\ ^c
Wadlc [jhZh dg ig^eeZY X^g"
Xj^i#
BVX]^cZ hadlh l]Zc deZg"
Vi^c\#
AdjY!gZeZi^i^djhcd^hZXdb"
^c\[gdbbVX]^cZ#
BVX]^cZ ^h adjY! dkZg]ZVih
dgWd\hYdlc^ci]ZXji#
GdjcYZYldg`e^ZXZZY\Zh#
JcZkZc i]^X`cZhh [gdb aZ[i
idg^\]id[WdVgY#
Ldg`e^ZXZ ha^eh dc [ZZY
WZai#
HigV^\]i hig^e d[ cdiX]Zh dc
ldg`e^ZXZ#
HcV`Z h]VeZY bVg`h dc
ldg`e^ZXZ#
0/33)",%#!53%
&# A^b^i hl^iX] dg ZbZg\ZcXn hide ^h
Vi[Vjai#
'# AdlkdaiV\Z#
(# DeZcX^gXj^i^cbdidgdgaddhZXdc"
cZXi^dch#
&# H]dgiX^gXj^i^ca^cZXdgYdgeaj\#
'# H]dgiX^gXj^i^cbdidgdgaddhZXdc"
cZXi^dch#
(# >cXdggZXi [jhZh dg X^gXj^i WgZV`Zgh
^cedlZga^cZ#
&# BdidgdkZgadVYZY#
'# 6^g X^gXjaVi^dc i]gdj\] i]Z bdidg
gZhig^XiZY#
&# H]dgiX^gXj^i^cbdidgdgaddhZXdc"
cZXi^dch#
'# AdlkdaiV\Z#
(# >cXdggZXi [jhZh dg X^gXj^i WgZV`Zgh
^cedlZga^cZ#
)# BdidgdkZgadVYZY#
&# ;ZZYgViZidd]^\]#
'# 9Zei]d[Xjiidd\gZVi#
&# EjaaZnhZihXgZlhdg`ZnhVgZb^hh"
^c\dgaddhZ#
'# Bdidg[Vc^h]^ii^c\i]ZXdkZg#
(# K"WZai^hYZ[ZXi^kZ#
&# :mXZhh^kZYZei]d[Xji#
'# 9jaadgY^ginhVcY^c\WZai#
&# :mXZhh^kZYZei]d[Xji#
&# ;ZZY iVWaZ cdi eVgVaaZa id hVcY^c\
gdaaZg#
'# 8dckZndgWZai^hldgc#
&# EgZhhjgZgdaaZghhZiidd]^\]#
'# 9^ginXdckZndgWZai#
(# 8dckZndgWZai^hldgc#
&# EgZhhjgZ gdaaZgh VgZ Y^gin dg YVb"
V\ZY#
&# HVcY^c\WZaiYVbV\ZYdgY^gin#
#/22%#4)6%!#4)/.
&# 8dggZXih^ijVi^dci]ViXVjhZYa^b^ihl^iX]idZc\V\Z!gZhZii]ZZbZg"
\ZcXnhideWjiidc#
'# 8]ZX`edlZga^cZ[dgegdeZgkdaiV\Z#
(# >cheZXi Vaa aZVY XdccZXi^dch dc bdidg [dg addhZ dg deZc XdccZX"
i^dch#
&# >cheZXiXdgYdgeaj\[dgYVbV\ZY^chjaVi^dcVcYh]dgiZYl^gZh#
'# >cheZXiVaaXdccZXi^dch dc bdidg [dgaddhZ dg h]dgiZYiZgb^cVah dg
ldgc^chjaVi^dc#
(# >chiVaaXdggZXi[jhZhdgX^gXj^iWgZV`Zgh#
&# GZYjXZadVYdcbdidg#
'# 8aZVcdjibdidgidegdk^YZcdgbVaV^gX^gXjaVi^dc#
&# >cheZXiXdccZXi^dchdcbdidg[dgaddhZdgh]dgiZYiZgb^cVahdgldgc
^chjaVi^dc#
' 8dggZXii]ZadlkdaiV\ZXdcY^i^dch#
(# >chiVaaXdggZXi[jhZhdgX^gXj^iWgZV`Zgh#
)# GZYjXZadVYdcbdidg#
&# ;ZZYldg`e^ZXZhadlZg#
'# GZYjXZYZei]d[Xji#
&# >cheZXi`ZnhVcYhZihXgZlh#GZeaVXZdgi^\]iZc^[cZXZhhVgn#
'# I^\]iZc[Vcdgh]^bXdkZg#
(# GZeaVXZK"WZai#GZ[Zgidi]Z-AINTENANCEhZXi^dc
&# 9ZXgZVhZYZei]d[Xji#
'# GZeaVXZdgXaZVchVcY^c\WZai#
&# GZYjXZYZei]d[Xji#
&# 6Y_jhii]ZiVWaZ#
'# GZeaVXZXdckZndgWZai#
&# AdlZgegZhhjgZgdaaZgh#
'# 8aZVcXdckZndgWZai#
(# GZeaVXZXdckZndgWZai#
&# 8aZVcdggZeV^gegZhhjgZgdaaZgh#
&# 8aZVcdggZeaVXZhVcY^c\WZai#
&OR YOUR SAFETY TURN THE
POWER SWITCH OFF AND DIS
CONNECTTHESANDERFROMTHE
POWER SOURCE AND THE AIR
SUPPLY BEFORE STARTING THE
APPLICABLETROUBLESHOOTING

='.(($='.()$<%)),$<%*-&L^YZ7ZaiHVcYZg ")&"
4ROUBLESHOOTING
39-04/-
A^cZhVXgdhhl^Yi]d[ldg`"
e^ZXZ#
<adhhn hedih dg higZV`h dc
ldg`e^ZXZ#
HVcY^c\WZaiXad\hfj^X`an#
HVcY^c\ WZai YdZh cdi iZc"
h^dc XdggZXian0 gdaaZgh ha^e
jcYZgWZai#
HVcY^c\WZaigjchd[[iddcZ
h^YZ!hidee^c\i]ZhVcYZg#
HVcY^c\WZail^aacdihiVgi#
Eddg!cdc"V\\gZhh^kZ hVcY"
^c\gZhjaih#
8dckZndg WZai cdi igVX`^c\
^cXZciZg#
8dckZndgWZaiha^ee^c\#
:bZg\ZcXn WgV`Z hideh
hadl#
<g^cY^c\ cd^hZ l]Zc WgV`"
^c\#
0/33)",%#!53%
&# HVcY^c\WZaihZVb^hdeZcdgYVb"
V\ZY#
&# LdgchVcY^c\WZai#
'# GZVgegZhhjgZgdaaZgiddadl#
&# HVcY^c\WZai \g^iiddhbVaa[dg eVg"
i^XjaVg_dW#
'# :mXZhh^kZYZei]d[Xji#
(# LddY^hiddbd^hi#
&# AdlV^gegZhhjgZ#
'# 6^gaZV`h^chnhiZb#
&# 6^gZnZ[dg`Xad\\ZY#
'# DhX^aaVi^dcgZijgckVakZXadhZY#
(# DhX^aaVi^dci^b^c\^cXdggZXi#
&# HVcY^c\WZai^hcdiiZch^dcZY#
'# A^b^ihl^iX]ZhZc\V\ZY#
(# :bZg\ZcXnhideeaViZZc\V\ZY#
&# LdgchVcY^c\WZai#
'# HVcY^c\WZaiadVYZYl^i]hVlYjhi#
&# 8dckZndg gdaaZgh bdkZY dji d[
VY_jhibZci#
&# 8dckZndg gdaaZgh ]VkZ ^cXdggZXi
iZch^dc#
'# 8dckZndggdaaZghXdciVb^cViZYl^i]
Y^gidgYjhi#
&# 6^gegZhhjgZ^cXdggZXi#
'# 6^gaZV`^chnhiZb#
(# 7gV`ZgdidgXdciVb^cViZYl^i]d^a#
)# 7gV`ZeVYhldgcdji#
&# 7gV`ZhhZkZgZanldgcdji#
#/22%#4)6%!#4)/.
&# GZeV^gdggZeaVXZhVcY^c\WZai#
&# GZeaVXZhVcY^c\WZai#
'# GV^hZgZVgegZhhjgZgdaaZg#3EEWARNINGIN0RESSURE2OLLERSEC
TION
&# GZeaVXZl^i]VXdVghZg\g^ihVcY^c\WZai#
'# GZYjXZYZei]d[Xji#
(# 6aadllddYidYgndji#
&# 6Y_jhiV^gegZhhjgZid,*EH>Vieg^bVgngZ\jaVidg#
'# >cheZXiVaa]dhZhVcYXdccZXi^dch[dgaZV`^c\V^g0jhZlViZgdchjh"
eZXiZYVgZVidYZiZXiWjWWaZh#
&# 8aZVci]Z^ciV`Z]daZdci]ZV^gZnZ[dg`#
'# DeZckVakZ#
(# 6Y_jhidhX^aaVi^dci^b^c\#
&# IZch^dchVcY^c\WZai#
'# 8ZciZghVcY^c\WZaihd^i^hcdiidjX]^c\i]Za^b^ihl^iX]Zh#
(# BV`ZhjgZZbZg\ZcXnhidehl^iX]^hgZaZVhZY#
&# GZeaVXZhVcY^c\WZail^i]VcZldcZ#
'# 8aZVchVcY^c\WZaiidjcadVYhVlYjhi#
&# GZ"VY_jhiXdckZndggdaaZgh#
&# 6Y_jhiXdckZndggdaaZghideaVXZbdgZiZch^dcdci]Zldg`e^ZXZ#
'# 8aZVcXdckZndggdaaZgh#
&# 6Y_jhiV^gegZhhjgZid,*EH>#
'# ;^cYVcY[^mV^gaZV`h#
(# 8aZVcWgV`Zgdidgl^i]Vjidbdi^kZWgV`ZeVgihXaZVcZg#
)# GZeaVXZWgV`ZeVYh#
&# GZeaVXZWgV`ZeVYh!]VkZgdidgijgcZYedhh^WangZeaVXZY#
&OR YOUR SAFETY TURN THE
POWER SWITCH OFF AND DIS
CONNECTTHESANDERFROMTHE
POWER SOURCE AND THE AIR
SUPPLY BEFORE STARTING THE
APPLICABLETROUBLESHOOTING

")'" ='.(($='.()$<%)),$<%*-&L^YZ7ZaiHVcYZg
#ONTROL0ANEL#OMPONENT,OCATIONS
((''
HVcY^c\7ZaiHIDE
7jiidc
8dckZndg7Zai
HIDE7jiidc
:bZg\ZcXnHide
7jiidc
HVcY^c\7Zai
HI6GI7jiidc
8dckZndg7Zai
HI6GI7jiidc
EdlZgAVbe
9^\^iVa6be9gVl
BZiZg
9^\^iVaEVcZa

='.(($='.()$<%)),$<%*-&L^YZ7ZaiHVcYZg ")("
9><>I6A6BE
B:I:G
9><>I6AE6C:A
H6C9>C<
7:AIHI6GI
HL>I8=
H6C9>C<
7:AIHIDE
HL>I8=
7AJ:
7A6 8 @
(
&
)
'&
)(
'
&)
&)
&)
&(
&(
&(
'&
'&
''
''
M&
M'
*+'(
.
-
&&
J& K& L& J' K' L' &- &. &( &' && &% .-+**(('&*
,
&+
&'K
DK
7
M&
M'
&%
&)
&(
'&
''
M&
M'
&)
&(
&)
&-
&
'
)
(
'
(
&)
&*
&& &% .-,+*)('&
&' &( &) &* &+ &, &- &. '% '& ''
,
8DCK:NDG
7:AIHI6GI
HL>I8=
EDL:G
A6BE
:B:G<:C8N
HIDE
7JIIDC
8DCK:NDG
7:AIHIDE
HL>I8=
:B:G<:C8NHIDE6C9
7:AII:CH>DCA>B>I
HL>I8=H
&(
'
)
&
'(
)
*
(
*
(
7:AIIG68@>C<
A>B>I
HL>I8=
7:AIIG68@>C<
A>B>I
HL>I8=
I67A:JE$9DLC
H6;:INA>B>I
HL>I8=
I67A:JE$9DLC
H6;:INA>B>I
HL>I8=
DJIID
H6C9>C<
BDIDG
I67A:=:><=IH:CHDG
7AJ:
7A68 @
6
&+ &,
&.
&-
&
'
)
(
&,
&+
#ONTROL0ANEL%LECTRICAL$IAGRAM
(('

"))" ='.(($='.()$<%)),$<%*-&L^YZ7ZaiHVcYZg
9><>I6A6BE
B:I:G
9><>I6AE6C:A
H6C9>C<
7:AIHI6GI
HL>I8=
H6C9>C<
7:AIHIDE
HL>I8=
7AJ:
7A6 8 @
(
&
)
'&
)(
'
&)
&)
&)
&(
&(
&(
'&
'&
''
''
M&
M'
-+'(
&%
J& K& L& J' K' L' ' ((--)*'' '( + .&% && &' &) &*
,
)
&'K
DK
7
M&
M'
.
&)
&(
'&
''
M&
M'
&)
&(
&( '% '&
*
&
'
)
(
-
(
'
(
&)
&*
&& &% .-,+*)('&
&' &( &) &* &+ &, &- &. '% '& ''
,
&
'
)
(
-
(
8DCK:NDG
7:AIHI6GI
HL>I8=
EDL:G
A6BE
:B:G<:C8N
HIDE
7JIIDC
8DCK:NDG
7:AIHIDE
HL>I8=
:B:G<:C8NHIDE
EJH="E6C:AA>B>I
HL>I8=
&(
'
)
&
'(
)
-
(
-
(
7:AII:CH>DC
A>B>I
HL>I8=
7:AIIG68@>C<
A>B>I
HL>I8=
7:AIIG68@>C<
A>B>I
HL>I8=
I67A:JE$9DLC
H6;:INA>B>I
HL>I8=
I67A:JE$9DLC
H6;:INA>B>I
HL>I8=
DJIID
H6C9>C<BDIDG
I67A:=:><=IH:CHDG
7AJ:
7A6 8 @
6
&'
&&
&(
(
.
#ONTROL0ANEL%LECTRICAL$IAGRAM
'

='.(($='.()$<%)),$<%*-&L^YZ7ZaiHVcYZg ")*"
.OTES

")+" ='.(($='.()$<%)),$<%*-&L^YZ7ZaiHVcYZg
.#
./
./
.#
./ .#
3!.$).' -/4/2
#/ . 4!#4/ 2
, , ,
5
4
6
4
7
4
4
4
4
, ,
!
4 4 4
.#
./
#/.4!#4/2
./ .#
!
,, ,
./ .#
#/ . 6%9/2
4
4 4
7
5
6
!
4 4 4
.#
./
!
4 4 4
.#
./
!
,, ,
./ .# !
,, ,
./ .# !
,, ,
./ .#
!
4 4 4
.#
./
#522%.43%.3/2
%32
3/,%./)$ 6!,6%
5 6 5 6 7
,
4
6
6
7
4
3
2
567
7
6
5
2
3
4
2
3
4
3
2
234
&53% &53%
42!.3&/2-%2
/6%2,/!$
2%,!9
#/.4!#4/2
/6%2,/!$
2%,!9
4!",%
50 $/7.
50 $/7.
4!",%
#/.4!#4/2
%-'.#9"2!+%
7IRING"OX%LECTRICAL$IAGRAM(
60(

='.(($='.()$<%)),$<%*-&L^YZ7ZaiHVcYZg "),"
7IRING"OX#OMPONENTS(
IgVch[dgbZg
HVcY^c\Bdidg
8dciVXidg 8dckZndgBdidg
8dciVXidg
6beBZiZg
8jggZciHZchdg
:bZg\ZcXn7gV`Z
8dciVXidg
JE$9DLCIVWaZBdidg
8dciVXidgh
HVcY^c\BdidgDkZgadVY
GZaVn
8dckZndgBdidg
DkZgadVYGZaVn
Ild)6be;jhZh
''%K$))%K
I]gZZ"E]VhZ
EdlZgHjeean
?jcXi^dc7adX`

")-" ='.(($='.()$<%)),$<%*-&L^YZ7ZaiHVcYZg
, ,
!
4 4 4
.#
./
&53%
&53%
./ .#
!
,, ,
./ .#
4
4 4
7
5
6
!
4 4 4
.#
./
!
4 4 4
.#
./
!
,, ,
./ .# !
,, ,
./ .# !
,, ,
./ .#
!
4 4 4
.#
./
%32
3/,%./)$ 6!,6%
5 6 5 6 7
,
4
6
6
7
567
./ .#
234
!
,, ,
./ .#
!
4 4
.#
./
!
,, ,
./ .#
!
4 4 4
.#
./
!
,, ,
./ .#
!
4 4 4
.#
./
4 4 4
4
3
2
5 6 7
:
9
8
234
3
2
4
7
6
5
./
.#
./
.#
2
3
4
2
3
4
3
2
9
8
:
#522%.43%.3/2
42!.3&/2-%2
/6%2,/!$
2%,!9
4
3!.$).'-/4/2
#/.4!#4/2
3!.$).'
#/.4!#4/2
-/4/2
#/.4!#4/2
3!.$).' -/4/2 -/4/2 #/.4!#4/2
#/.6%9/2 4!",%50$.
#/.4!#4/2
-/4/2
4!",%50$.
#/.4!#4/2
-/4/2
#/.4!#4/2
%-%2'%.#9"2!+%
4(%2-!,2%,!9
-/4/2
34!24
$%,!9
7IRING"OX%LECTRICAL$IAGRAM('
60(

='.(($='.()$<%)),$<%*-&L^YZ7ZaiHVcYZg ")."
7IRING"OX#OMPONENTS('
HVcY^c\Bdidg
HiVgi9ZaVn
8dckZndgBdidg
8dciVXidg
:bZg\ZcXn7gV`Z
8dciVXidg
JE$9DLCIVWaZBdidg
8dciVXidgh
8dckZndgBdidg
DkZgadVYGZaVn
Ild)6be;jhZh
''%K$))%K
I]gZZ"E]VhZ
EdlZgHjeean
?jcXi^dc7adX`
HVcY^c\Bdidg
8dciVXidg
HVcY^c\Bdidg
DkZgadVYGZaVn
6beBZiZg
8jggZciHZchdg IgVch[dgbZg

"*%" ='.(($='.()$<%)),$<%*-&L^YZ7ZaiHVcYZg
, ,
!
4 4 4
.#
./
./ .#
!
,, ,
./ .#
4
4 4
3
2
5
7
6
!
4 4 4
.#
./
!
4 4 4
.#
./
!
,, ,
./ .# !
,, ,
./ .# !
,, ,
./ .#
!
4 4 4
.#
./
%32
5 6 5 6 7
,
4
9
7
567
./ .#
234
!
,, ,
./ .#
!
4 4 4
.#
./
!
,, ,
./ .#
!
4 4 4
.#
./
!
,, ,
./ .#
!
4 4 4
.#
./
4 4 4
23
4
3
2
5 6 7
:
98
234
3
2
4
5
6
7
6
6
6
6
6%
4!",%
50$/7.
#/.4!#4/2
4!",%
50$/7.
#/.4!#4/2
%-%2'%.#9
"2!+%#/.4!#4/2
&53% &53%
#522%.43%.3/2
42!.3&/2-%2
3!.$).'
#/.4!#4/2
-/4/2
3!.$).'-/4/2
#/.4!#4/2
-/4/2
#/.4!#4/2
#/.6%9/2
4(%2-!,2%,!9
-/4/2
34!24
$%,!9
3!.$).'-/4/2
#/.4!#4/2
4(%2-!,2%,!9
3/,%./)$6!,6%
7IRING"OX%LECTRICAL$IAGRAM'
60(

='.(($='.()$<%)),$<%*-&L^YZ7ZaiHVcYZg "*&"
7IRING"OX#OMPONENTS'
HVcY^c\Bdidg
HiVgi9ZaVn
8dckZndgBdidg
8dciVXidg
:bZg\ZcXn7gV`Z
8dciVXidg
JE$9DLCIVWaZBdidg
8dciVXidgh
8dckZndgBdidg
DkZgadVYGZaVn
Ild)6be;jhZh
''%K$))%K
I]gZZ"E]VhZ
EdlZgHjeean
?jcXi^dc7adX`
HVcY^c\Bdidg
8dciVXidg
IgVch[dgbZg
HVcY^c\BdidgDkZgadVY
GZaVn 6beBZiZg8jggZci
HZchdg

"*'" ='.(($='.()$<%)),$<%*-&L^YZ7ZaiHVcYZg
'$+%$(#- ,)*
!"
'$+%$(#- +!&$
!"
!"
'ENERAL%LECTRICAL$IAGRAM(
60(

='.(($='.()$<%)),$<%*-&L^YZ7ZaiHVcYZg "*("
-/4/2
234
-
25
36
47
/, 5
6
7
23
6
6 6 6
6
7,
3/,
,3
,3
,3
,3
/,
-
',
34!24
34!24
-
!
34/0
%-'
34/0
/,
-
34/0
%
&
25
36
47
5
6
7
25
36
47
2
-
2
3
4
/,
5
6
7
2
3
4
$
9
:
!
0#
0#2 ,3 &
2
,3 2
&
-
3
$
%-'
34/0
!
34!2 $%,4!
!
!-
8 -
5
6
7
2
3
4
5
6
7
0#2
$
3
!
25 63
AB
42
',
,3
,3
,3
8DCK:NDG
7:AI
H6C9> C<
7:AI
EDL:G HDJG8:
7G6@:
:B:G<:C8N
7G6@:
8DCK:NDG 7:A I
H6C9>C< 7:AI
I67A: A> ;I> C<
ADL:G>C<
I67A: A> ;I>C<
ADL:G>C<
-/4/2
-/4/2
%-%2'%.#9"2!+%
&2/.4#/.6%9/2
34/0,)-)437)4#(
)6
;JH:
'ENERAL%LECTRICAL$IAGRAM('
60(

"*)" ='.(($='.()$<%)),$<%*-&L^YZ7ZaiHVcYZg
234
-
25
36
47
/, 5
6
7
2
6
6 6 6
6
3
7,
3/,
,3
,3
,3
,3
/,
-
',
34!24
34!24
-
!
34/0
%-' 34/0
/,
42
34/0
%
&
25
36
47
5
6
7
25
36
47
2
-
2
3
4
/,
:
8
9
2
3
4
$
9
:
!
0#
0#2 ,3 &
2
,3 2
&
42
3
%-' 34/0
&2/.4 #/.6%9/2 34/0
,)-)4 37)4#(
!
83
5
6
7
$
!
42
',
-/4/2
-/4/2
8DCK:NDG
7:AI
H6C9> C<
7:AI
EDL:G HDJG8
:
7G6@:
:B:G<:C8N
7G6@:
8DCK:NDG 7:A
I
H6C9>C< 7:AI
I67A: A> ;I>C
<
ADL:G>C<
:bZg\ZcXn 7gV`Z
:bZg\ZcXn Hide
-/4/2
50
$.
$3
3
$ -
)6
;JH:
I67A: A> ;I>
C
ADL:G>C<
!
!-
34!2$%,4!490%
'ENERAL%LECTRICAL$IAGRAM'
60(

='.(($='.()$<%)),$<%*-&L^YZ7ZaiHVcYZg "**"
6 6
6 6
3!.$).'"%,4-/4/2
#/.6%9/2"%,4-/4/2
!.$
4!",%50$/7.-/4/2
7
7
5
5
5
5
6
6
6
6
7
7
7
7
7
5
5
5
5
6
6
6
6
7
5 6 7
5 6 7
5 6 7
5 6 7
5 6 7
5 6 7
6 6
6 6
7
7
5
5
5
5
6
6
6
6
7
7
7
7
5
5
6
6
5 6 7
5 6 7
5 6 7
5 6 7
5 6 7
5 6 7
5 6 7
5 6 7
5 6 7
5 6 7
5 6 7
5 6
7
34!2 $%,4!
:89
:89
567
567
4!",%50$/7.-/4/2
6 6
#/.6%9/2"%,4-/4/2
3!.$).'"%,4-/4/2
-OTOR7IRING(
660(
-OTOR7IRING(''
660(

"*+" ='.(($='.()$<%)),$<%*-&L^YZ7ZaiHVcYZg
4OOL"OXAND!CCESSORIES$IAGRAM
3ERIES0ARTS

='.(($='.()$<%)),$<%*-&L^YZ7ZaiHVcYZg "*,"
4OOL"OXAND!CCESSORIES0ARTS,IST
! !$" %$ ! #!!"'
! "$#&$$!
! $ ' ! #!!"'
! $!$! ! #!!"'
! !$$
! !$$ ! #!!"'
! "!$'
! "!$' ! #!!"'
!#! !!##"&"%"
! "!$' !## #$"#"&"%"
! "( !&" &"'
! #!!"' !&" &"'
! #!!"' !&" &"'
! #!!"' ! '&"#$

"*-" ='.(($='.()$<%)),$<%*-&L^YZ7ZaiHVcYZg
&'*
&')
&%,
&%+
&%' &%)
&%+
&%*
&%-
&%(
&%+
&%)
&&)
&&*
&&+ &&(
&&' &&&
&'+
&'-
&',
'&'
'&% '&&
'%- '%''%(
(%'
(&'
&'(
&''
(%,
&'&
(&%
(&&
'%+
'%*
(%&
(%(
(%) (%*
(%+
(&(
(%&"&
(%-
'%.
&'.
&((
&('
&&.
'&(
&&,
&%&
&%.
'%&
&%."'
&%."&
&&%
&&-
3ANDING-OTOR3YSTEM$IAGRAM
3ERIES0ARTS

='.(($='.()$<%)),$<%*-&L^YZ7ZaiHVcYZg "*."
3ANDING-OTOR3YSTEM0ARTS,IST
#'#!
#'#!
$ $"
" ! "
" ! % "%!
" ! &"&
" ! "#"
" ! ! ! %&
" ! "!%"
"!%""
&#" &"&
" !#!"" % "%!
%! "! &
&"& % %!
"%! % "
" $$ % %!
&#"
" $$ &"&
&#"
" $$ %!"
((
" #'
" ((
" &" "
" $ $ $"
" $ "
" "#
" $ !"
#'
#' !!!
#' !
! ! %& "! &
% %!
'&& ! ! %&
&"& % %!
% %! &#"
" ! ! %&
$ $" !"
#'#!

"+%" ='.(($='.()$<%)),$<%*-&L^YZ7ZaiHVcYZg
(',
('(
(''
(%&
(%'
(%(
(%)
(%*
(%+
(%,
(%-
(%.
(&%(&&
(&'
(&(
(&)
(&*
(&+
(&,
(%,
(%(
&%&
&%(
&%*
&%'
&%-
&%,
&%+
&%)
'%+
'%)
'%'
'%(
&%.
&&%
)&%
)%.
)%&
)%-
)%,
)%+
)%+
)%*
)%)
)%(
)%'
((&
(((
(()
(('
((+
&&&
(&-
(&.
('%
('&
((,
((- ()%
(')
((*
((.
()&
(')
('*
('+
('-
('+
((&"'
((&"&
'%&
4ABLE,IFT3YSTEM$IAGRAM
3ERIES0ARTS

='.(($='.()$<%)),$<%*-&L^YZ7ZaiHVcYZg "+&"
4ABLE,IFT3YSTEM0ARTS,IST
%#"!& & &"!
'#' '#'
& #&"! "" "#"!&'
& &"! &
& &"! #!"
'#' '#'
%#" & &"!
$"## $"##!
'#' & #&"!
& &"! '$#
& &"!
#! %%
"
$#$" %!"
$# "
#!$"#! '$#
! '#!#! '#'
" !#& !'#("&# #
%#!' '#'
&!! !'#("&#
!)) " "!&'
! '$#
" "!&' (''
&!"# (''
!)) (''
! " !#&$"#!
" "!&* " !#&"#
! !))
) "!&' $"##" !#
" !#& $"##!
"" "#"!&' & #&"!
$( '$#
% %# '$#
$( & &"!
"" "#"!&' '#'

"+'" ='.(($='.()$<%)),$<%*-&L^YZ7ZaiHVcYZg
&%'
'%'
&((
&)'
&)(
&)%
&)&
&))
'%&
'%(
'%)
&(-
&(, &('
&(&
&(*
&(+
&%&
'%+
'%*
&%,
&%-
&&.
&&'
&&(
&&)
&&*
&&,
&'(
&'+
&',
&%(
&&-
&&+
&&,
&&(
&&(
&&(
&%+
&&%
&%)
&%.
&&&
&%*
&'&
&'%
&'- &')
&'.
&(%
&'&
&'("'
&'("&
#ONVEYOR3YSTEM$IAGRAM
3ERIES0ARTS

='.(($='.()$<%)),$<%*-&L^YZ7ZaiHVcYZg "+("
#ONVEYOR3YSTEM0ARTS,IST
%(!# #!%!
%(!# #!
%(!# #!
%(!# & &"!
%(!# ##%
%(!# " "!&'
!$!' # " #
$" %!" $#%!
& &"! '#'
'#' !!!#
$#!! " "!&*
$#!! !!!#
%(! "#&
$#!! " "!&'
!$ & &"!
!' '$#
!#! (! $" #
$
$ !$ (! $" #
& &"!
'#' (! $" #
!
!% $( "!'
'#' #"&#
!% $( " "!*
('' '#'
'#' !!"#
& &"! !!
#! %% !!
!!
#! %% !))
! '#!#!
#!%! %##!
" "!&'
E'.(((&)%
76AA7:6G>C<+'%+GH

"+)" ='.(($='.()$<%)),$<%*-&L^YZ7ZaiHVcYZg
&%(
(%&
(%(
'%*
'%'
'%&
'%'
'%(
'%)
'%(
'%)
'%&
&%(
(%&
'%* (%'
&%,
'%'
'%(
'%)
'%(
'%)'%& &%,
'%*
&%,
'
(%+
(&%
(%.
(%,
(%-
(%)
(%'
(&(
(&'
(&&
&%&
&%(
&%*
&%,
&%-
&%)
&%+
&%.
'%(
'%)
'%*
'%('%)
&%'
(%&
(%'
(%(
'%*
&%( &%,
(
(
'
'%&
'%'
&%'
&%'
&%'
(%'
&EED$RUMAND0RESSURE2OLLER$IAGRAM
3ERIES0ARTS

='.(($='.()$<%)),$<%*-&L^YZ7ZaiHVcYZg "+*"
&EED$RUMAND0RESSURE2OLLER0ARTS,IST
! !
!!"! ! #$
" !"
$ " !"
! #$ !!
$!$ $
$"! !!
$!$ !!
# # !!
! !
! ! !!
# #
! ! $!$
! !
! !
! !!
%%

"++" ='.(($='.()$<%)),$<%*-&L^YZ7ZaiHVcYZg
&&%
&&&
&%&
('%
(&.
(&-
(&,
'%&
'&& (%)
(%(
(%'
(%&
(%*
(%,
(%-
'%'
(&&
(&%
(%.
(&'
(&)
(&*
(&+
(&(
(%+
'%(
'%)
('&
(''
&%+
&%(
&%)
&%*
&%,
&%-
&&'
&&(
'%*
'%+
&&'
&&(
&%.
&&*
&&+
'%(
('&
(''
('(
&&,
&&-
&&.
&&.
&&%
&&&
&%)
&%,
'%(
)&& )%.
)&%
&%-
)%+
)%* )&,
)%-
&&)
&&'
&'%
&&*
&%'
)%,
'%* '%+
)%'
)%&
&%.
&&)
&&)
)%(
&&)
3ANDING$RUMAND0LATEN$IAGRAM
3ERIES0ARTS

='.(($='.()$<%)),$<%*-&L^YZ7ZaiHVcYZg "+,"
3ANDING$RUMAND0LATEN0ARTS,IST
! " %# ! "!$+
! "%"" " ! "!$(
! "%"" "
! "%"" " ! "!$(
! #$$% !# !!#"(
! "% ! "!$!"##%"!$
! !%)
!# !#"'( ! "!$!"##%"
! )(( !$
!' '#" ! "!$!"##%"
! "** !$
!' '#" ! "!$"$#
!# !#"'( ! "!$"$#$
!# !#"'(
! "! ! "!$"$#$
! "#$$'!
! "#$$'! ! "!$"$#$
! !%
! !%) &" ! "
!# !!#"( !## #$#"'(
! #!"%$ ! )(
! " %# ! !"## #!"
! #$" " ! %#
! #$" " ! "!$"$#$
! #$" " !# !#"'(
! #!#$#"'( !' $'#"
! "% !' $'#"
! !
! #!#"' !## #$#"'(
! ""$! ! %#$$"
! "!$"$ ! ( $(
!' $'#"
! "!$"$ !
! " %#
! "!$"$ ! "%"" "
! "%"" "
! "!$"$ ! "%"" "
! #$$%
! "!$"$ ! !%)
!# !#"'(
! "!$"$ ! " %#
! ""$!
! $!$! ! "**
! $!$! ! #!"!
! "!
! $!$! ! !%) &"
&'% MEH%, E=AE=9H8G&$)"'%M($-

"+-" ='.(($='.()$<%)),$<%*-&L^YZ7ZaiHVcYZg
&&.
&&+"'
&&& (%-(&,
(%, (&&
(&'
(%.
(&(
(&)
(&* (&+
(&.
&(&
&(.
(&-
&'*
&(+
&(*
&()
&'(
&'+
&')
&((
&''
&'&
&',
'%)
&&%
&%.
&%-
&%&
&&,
&&*"&
&'%
&(%
&(&
&&+
&&'
&(&
&%,
&%+
&&+"&
&&*
(&%
(%)
(%&
(%'
(%*
&%*
&%)
&%- (%)
(%(
&&&
('%
'%+
'%,
'%(
'%)
'%*
'%-
&%&"&
&%)"&
&%("&
'%(
'%'
'%'
&&+"&
&&(
&%'
(%+
&%(
'%*
'%-
&(%
&(&
&('
&'-
'%&
&'.
&&-
&&*
'%&
&&&
&&(
&%&
&&'
&%)
&%&"& &(,
&%(
&(.
&)%
&)&
&)'
'
&%)"&
&(-
&%("&
'%'
&%'
&%'
5PPER2OLLER3YSTEM$IAGRAM
3ERIES0ARTS

='.(($='.()$<%)),$<%*-&L^YZ7ZaiHVcYZg "+."
5PPER2OLLER3YSTEM0ARTS,IST
#!%"""" # #"(
#!%"""" #%$'"$
#!%"""" (%$
#!%"""" ' $'#"
#!%"""$ ' '#"
#!%"""$ ($(
#!%"""$ # #"(
#!%"""$ (%$
"#"$ $"
"#"$ #$
"#"$ "$
"#"$ "$
"#"$ # #"'(
"#"$"$ # #"'(
"#"$"$ ' '#"
"#"$"$ ($(
"#$ "$
"#$ "$
"#$ % """
"#$ % """
"#"$$ % """
"#"$$ % """"$
"#"$$ "%
"#"$$ ## #$#"'(
$#"( # #"'+
' '#" ' '#"
($( "#$$'%#$
' '#"
($(
# #"( $""
# #"'( # #"'(
($( ' $'#"
")" $"
$#'$'"$ &###)
"$ " ($"$"
$#'$' #$$ (%$
#$$ #$")"
$#'$ #$ (%$
$#'$" $$&"
"##"** "### "
"" %% $
"##"** $#"(
$"$$&& $
$"$$&&# $ &"
$ (%$
%###) # #"(
")"#
%% $ $"#$"

",%" ='.(($='.()$<%)),$<%*-&L^YZ7ZaiHVcYZg
&%,
&%-
&%)
&%.
&&%
&%+
&%&
&&(
&&*
&%(
&%."&
&&)
&%*
&&&
&%'
&&'
#ABINET!SSEMBLY$IAGRAM
3ERIES0ARTS

='.(($='.()$<%)),$<%*-&L^YZ7ZaiHVcYZg ",&"
#ABINET!SSEMBLY0ARTS,IST
$ !!%! !#!&!!
$ !!%!
$ !!%! #!&!!
$ !!%!
$"# !# #!&!!
" "!'
#"" #!&!!
#""
#"" #!&!!
#""
!#"" #"!'
!#"" !# !## #
!#""
!#"" !# !## #
!
'#' !# !## #
#&"!
!#!&!! !# !## #
!#!&!! & #&"!
" "!'
!#!&!! ' '#'
"#!#
=:M7DAIB+"&#%M&+
E7-(B

",'" ='.(($='.()$<%)),$<%*-&L^YZ7ZaiHVcYZg
-AIN%LECTRICAL0ANELAND#ONTROLS$IAGRAM
&',
&&)
&&(
&&'
&&)
&%)
&&+
&%.
&&%
&&(
&&&
&&&
&&*
(
(
'
'
(
(
'
'
&&'
&()))%K
&',
&&&
&&%
&%)
&&+
&')
&%'
&'.
&'+6
&%*
&%+
&%.
&&*
&&)
&&(
&&& &&%
&%)
&'&
&'%
&&.
&&+
&'(
&&,
&&-
&%.
&&*
&%,
&'-
&(%
&%-
&(&
&((
&%(
&%&
&(*))%K
&()))%K
&(*))%K
&(*))%K
(
(
'
'
&&-
&&-
&()))%K
&&'
&&*"&
&&*"&
&('
&('
&('
&''
&''
3ERIES0ARTS

='.(($='.()$<%)),$<%*-&L^YZ7ZaiHVcYZg ",("
-AIN%LECTRICAL0ANELAND#ONTROLS0ARTS,IST
! $" $" ( ! ")"&
! $" $" ( ! $$ "
! $$ "
! $" $" (
! $$ "
! ! ! '"'"$"
! " ! ! '"'"$"
! "
! " ! ! '"'"$"
! #!$ ! $"!$
! #!$ !' $'#"
! #!$ !' '#"
! (%$ ! ( $(
!' '#" ! !% $ "
! $" ! ! !% $ "
!# !!#"( ! $ "
! %""$## " ! $!$"#
! $"# "" ! #$"$)#
! $$ "
! $$ " ! #$"$)$"
#$ "
! ")"& ! #$"$#'$
! #$ !#'$
! ")"& ! ! '"$ $
! ")#$ !#'$
! ")"& ! '" %
! '" %
! %#$(&*
! ")"& ! !%$"
! ")"&
! ")"&
! ")"&
! ")"&
! ")"&
! ")"&
! ")"&
! ")"&
(6#/.6%23)/.2%,!93
(6#/.6%23)/.2%,!93
'6#/.6%23)/.2%,!93
'6#/.6%23)/.2%,!93
E%*-&-&(* G:A6NAG(9"%-+))%K'#*")6
G:A6NAG(9"%-+''%K'#*")6

",)" ='.(($='.()$<%)),$<%*-&L^YZ7ZaiHVcYZg
>C
&%&
&%'
&%(
&%)
&%*
&%+
&%,
&%-
&%.
&&%
&&&
&&&
&'(
&'(
&&'
&&'
&&(
&&(
&&)
&&)
&&*
&&*
&&+
&&+
&&+
&&+
&&,
&&,
&'(
&'(
&&.
&&.
&'%
&'%
&'&
&'&
&''
&')
&'(
&'(
&''
&')
&'*
&'*
&',
&'-
&'.
&(&
&('
&((
&()
&(*
&(,
&(-
&(+
&(-
&(&
&('
&()
&(,
&(*
&(+
&((
&(%
"ELT/SCILLATION3YSTEM$IAGRAM
3ERIES0ARTS

='.(($='.()$<%)),$<%*-&L^YZ7ZaiHVcYZg ",*"
"ELT/SCILLATION3YSTEM0ARTS,IST
"
! "
# !
" "
! "%
!
$ "%
!"% "
"
"" "
"
"
" "
!"% "
"% "
"% "
"
"
-BB

",+" ='.(($='.()$<%)),$<%*-&L^YZ7ZaiHVcYZg
'%%
'%,
'%+
'&)
CdiZ/HVbZAdXVi^dc
;gdciVcYGZVgd[
BVX]^cZ#'&(
'&'
'%&
'%'
'&%
'%-
'%.
'%*
'%)
'%'
'%&
'&&
'%(
CdiZ/HVbZ
AdXVi^dc
;gdciVcY
GZVgd[
BVX]^cZ#
'%&'%'
CdiZ/HVbZ
AdXVi^dc
AZ[iVcY
G^\]id[
BVX]^cZ#
'&* '&+ '&,
-ACHINE,ABEL$IAGRAM
3ERIES0ARTS
HV[ZinaVWZahlVgcVWdjibVX]^cZ]VoVgYhVcYlVnhidegZkZci^c_jgn#I]ZdlcZgd[i]^hbVX]^cZBJHI
bV^ciV^ci]Zdg^\^cVa adXVi^dc VcYgZVYVW^a^ind[ i]Z aVWZahdci]ZbVX]^cZ# >[VcnaVWZa^h gZbdkZYdg
WZXdbZh jcgZVYVWaZ! G:EA68: i]Vi aVWZa WZ[dgZ jh^c\ i]Z bVX]^cZ V\V^c# 8dciVXi <g^ooan Vi -%%
*'("),,,dRWWWGRIZZLYCOMTOOgYZgcZlaVWZah#

='.(($='.()$<%)),$<%*-&L^YZ7ZaiHVcYZg ",,"
#
#
#
!"
#
!
-ACHINE,ABEL,IST

",-" ='.(($='.()$<%)),$<%*-&L^YZ7ZaiHVcYZg
<g^ooan>cYjhig^Va!>cX#lVggVcihZkZgnegdYjXi^ihZaah[dgVeZg^dYd[YEARidi]Zdg^\^cVaejgX]VhZg[gdb
i]ZYViZd[ejgX]VhZ#I]^hlVggVcinYdZhcdiVeeanidYZ[ZXihYjZY^gZXiandg^cY^gZXianidb^hjhZ!VWjhZ!
cZ\a^\ZcXZ!VXX^YZcih!gZeV^ghdgVaiZgVi^dchdgaVX`d[bV^ciZcVcXZ#I]^h^h<g^ooan»hhdaZlg^iiZclVggVcin
VcYVcnVcYVaalVggVci^Zhi]VibVnWZ^bea^ZYWnaVl!^cXajY^c\VcnbZgX]VciVW^a^indg[^icZhh![dgVcneVg"
i^XjaVgejgedhZ!VgZ]ZgZWna^b^iZYidi]ZYjgVi^dcd[i]^hlg^iiZclVggVcin#LZYdcdilVggVcidggZegZhZci
i]Vii]ZbZgX]VcY^hZXdbea^Zhl^i]i]Zegdk^h^dchd[VcnaVldgVXihjcaZhhi]ZbVcj[VXijgZghdlVggVcih#
>ccdZkZcih]Vaa<g^ooan»ha^VW^a^injcYZgi]^hlVggVcinZmXZZYi]ZejgX]VhZeg^XZeV^Y[dgi]ZegdYjXiVcY
VcnaZ\VaVXi^dchWgdj\]iV\V^chi<g^ooanh]VaaWZig^ZY^ci]ZHiViZd[LVh]^c\idc!8djcind[L]ViXdb#
LZh]Vaa^ccdZkZciWZa^VWaZ[dgYZVi]!^c_jg^ZhideZghdchdgegdeZgindg[dg^cX^YZciVa!Xdci^c\Zci!heZX^Va!
dgXdchZfjZci^VaYVbV\ZhVg^h^c\[gdbi]ZjhZd[djgegdYjXih#
IdiV`ZVYkVciV\Zd[i]^hlVggVcin!XdciVXijhWnbV^adge]dcZVcY\^kZjhVaai]ZYZiV^ah#LZl^aai]Zc
^hhjZndjV¸GZijgcCjbWZg!¹ l]^X]bjhiWZXaZVganedhiZYdc i]Z djih^YZVhlZaaVhi]Z^ch^YZ d[i]Z
XVgidc# LZ l^aa cdi VXXZei Vcn ^iZb WVX` l^i]dji i]^h cjbWZg# Egdd[ d[ ejgX]VhZ bjhi VXXdbeVcn i]Z
bZgX]VcY^hZ#
I]ZbVcj[VXijgZghgZhZgkZi]Zg^\]iidX]Vc\ZheZX^[^XVi^dchViVcni^bZWZXVjhZi]ZnXdchiVcianhig^kZid
VX]^ZkZWZiiZgfjVa^inZfj^ebZci#LZbV`ZZkZgnZ[[dgiidZchjgZi]VidjgegdYjXihbZZi]^\]fjVa^inVcY
YjgVW^a^inhiVcYVgYhVcYlZ]deZndjcZkZgcZZYidjhZi]^hlVggVcin#
EaZVhZ[ZZa[gZZidlg^iZdgXVaajh^[ndj]VkZVcnfjZhi^dchVWdjii]ZbVX]^cZdgi]ZbVcjVa#
I]Vc`ndjV\V^c[dgndjgWjh^cZhhVcYXdci^cjZYhjeedgi#LZ]deZidhZgkZndjV\V^chddc#
7!22!.492%452.3

8JI6ADC<9DII:9A>C:
CVbZTTTTTTTTTTTTTTTTTTTTTTTTTTTTTTTTTTTTTTTTTTTTTTTTTTTTTTTTTTTTTTTTTTTTTTTTTTTTT
HigZZiTTTTTTTTTTTTTTTTTTTTTTTTTTTTTTTTTTTTTTTTTTTTTTTTTTTTTTTTTTTTTTTTTTTTTTTTTTTTT
8^in TTTTTTTTTTTTTTTTTTTTTTT HiViZTTTTTTTTTTTTTTTTTTTTTTTTT O^e TTTTTTTTTTTTTTTTTTTTT
E]dcZTTTTTTTTTTTTTTTTTTTT :bV^a TTTTTTTTTTTTTTTTTTTTTTTT >ckd^XZTTTTTTTTTTTTTTTTT
BdYZaTTTTTTTTTTTTTTTTTTTT DgYZgTTTTTTTTTTTTTTTTTTTTTTT HZg^VaTTTTTTTTTTTTTTTTTT
7!22!.49#!2$
4HEFOLLOWINGINFORMATIONISGIVENONAVOLUNTARYBASIS)TWILLBEUSEDFORMARKETINGPURPOSESTOHELPUSDEVELOP
BETTERPRODUCTSANDSERVICES/FCOURSEALLINFORMATIONISSTRICTLYCONFIDENTIAL
=dlY^YndjaZVgcVWdjijh4
TTTT 6YkZgi^hZbZci TTTT ;g^ZcY TTTT 8ViVad\
TTTT 8VgY9ZX` TTTT LZWh^iZ TTTT Di]Zg/
L]^X]d[i]Z[daadl^c\bV\Vo^cZhYdndjhjWhXg^WZid4
L]Vi^hndjgVccjVa]djhZ]daY^cXdbZ4
TTTT '%!%%%"'.!%%% TTTT (%!%%%"(.!%%% TTTT )%!%%%").!%%%
TTTT *%!%%%"*.!%%% TTTT +%!%%%"+.!%%% TTTT ,%!%%%
L]Vi^hndjgV\Z\gdje4
TTTT '%"'. TTTT (%"(. TTTT )%").
TTTT *%"*. TTTT +%"+. TTTT ,%
=dladc\]VkZndjWZZcVlddYldg`Zg$bZiValdg`Zg4
TTTT %"'NZVgh TTTT '"-NZVgh TTTT -"'%NZVgh TTTT'% NZVgh
=dlbVcnd[ndjgbVX]^cZhdgiddahVgZ<g^ooan4
TTTT %"' TTTT ("* TTTT +". TTTT &%
9dndji]^c`ndjgbVX]^cZgZegZhZcihV\ddYkVajZ4 TTTTTNZh TTTTTCd
LdjaYndjgZXdbbZcY<g^ooan>cYjhig^VaidV[g^ZcY4 TTTTTNZh TTTTTCd
LdjaYndjVaadljhidjhZndjgcVbZVhVgZ[ZgZcXZ[dg<g^ooanXjhidbZgh^cndjgVgZV4
CdiZ/7ENEVERUSENAMESMORETHANTIMES TTTTTNZh TTTTTCd
8dbbZcih/?????????????????????????????????????????????????????????????????????
?????????????????????????????????????????????????????????????????????????????????
?????????????????????????????????????????????????????????????????????????????????
?????????????????????????????????????????????????????????????????????????????????
TTTT 8VW^cZiBV`Zg
TTTT ;Vb^an=VcYnbVc
TTTT =VcYAdVYZg
TTTT =VcYn
TTTT =dbZH]deBVX]^c^hi
TTTT ?djgcVad[A^\]i8dci#
TTTT A^kZHiZVb
TTTT BdYZa6^geaVcZCZlh
TTTT BdYZaiZX
TTTT DaY=djhZ?djgcVa
TTTT EdejaVgBZX]Vc^Xh
TTTT EdejaVgHX^ZcXZ
TTTT EdejaVgLddYldg`^c\
TTTT EgVXi^XVa=dbZdlcZg
TTTT EgZX^h^dcH]ddiZg
TTTT Egd_ZXih^cBZiVa
TTTT G8BdYZaZg
TTTT G^ÄZ
TTTT H]deCdiZh
TTTT H]di\jcCZlh
TTTT IdYVn»h=dbZdlcZg
TTTT LddY
TTTT LddYZc7dVi
TTTT LddYh]deCZlh
TTTT LddYhb^i]
TTTT LddYldg`
TTTT LddYldg`ZgLZhi
TTTT LddYldg`Zg»h?djgcVa
TTTT Di]Zg/

I6E:6ADC<:9<:H""EA:6H:9DCDIHI6EA:
;DA96ADC<9DII:9A>C:
;DA96ADC<9DII:9A>C:
'2)::,9).$5342)!,).#
0/"/8
"%,,).'(!-7!
EaVXZ
HiVbe
=ZgZ
CVbZTTTTTTTTTTTTTTTTTTTTTTTTTTTTTTT
HigZZiTTTTTTTTTTTTTTTTTTTTTTTTTTTTTTT
8^inTTTTTTTTTTTTTTHiViZTTTTTTO^eTTTTTT
HZcYV<g^ooan8ViVad\idV[g^ZcY/

"UY$IRECTAND3AVEWITH'RIZZLY®n4RUSTED0ROVENANDA'REAT6ALUE
/2
s3%#52%/2$%2).'
s/2$%233()00%$7)4().(/523
s%-!),2%30/.3%7)4()./.%(/52
6ISIT/UR7EBSITE4ODAY!ND$ISCOVER7HY
'RIZZLY§)S4HE)NDUSTRY,EADER
#ALL4ODAY&OR!
&2%%
&ULL#OLOR#ATALOG