Grizzly W1702 Manual User To The 7940fc7d 5a62 8204 Dd93 1a0382af2bc3
User Manual: Grizzly w1702 to the manual
Open the PDF directly: View PDF
.
Page Count: 56

INSTRUCTION MANUAL
Phone: 1-360-734-3482 • On-Line Technical Support: tech-support@shopfox.biz
COPYRIGHT © SEPTEMBER, 2003 BY WOODSTOCK INTERNATIONAL, INC.
WARNING: NO PORTION OF THIS MANUAL MAY BE REPRODUCED IN ANY SHAPE OR FORM WITHOUT
THE WRITTEN APPROVAL OF WOODSTOCK INTERNATIONAL, INC. Printed in Taiwan
MODEL W1702
3 HP SHAPER

WARNING
Some dust created by power sanding, sawing,
grinding, drilling, and other construction activities
contains chemicals known to the State of California
to cause cancer, birth defects or other reproductive
harm. Some examples of these chemicals are:
• Lead from lead-based paints.
• Crystalline silica from bricks, cement, and
other masonry products.
• Arsenic and chromium from chemically
treated lumber.
Your risk from these exposures varies, depending on
how often you do this type of work. To reduce your
exposure to these chemicals: work in a well
ventilated area, and work with approved safety
equipment, such as those dust masks that are
specially designed to filter out microscopic
particles.

-1-
INTRODUCTION ............................................................................................2
About Your New Shaper ....................................................................................2
Woodstock Service and Support ..........................................................................2
Warranty and Returns........................................................................................3
Specifications ..................................................................................................3
SAFETY ......................................................................................................4
Standard Safety Instructions................................................................................4
Additional Safety Instructions for Shapers ..............................................................6
Avoiding Potential Injuries ..................................................................................7
ELECTRICAL ................................................................................................8
220V Operation................................................................................................8
Extension Cords ..............................................................................................8
Grounding ......................................................................................................8
ASSEMBLY ..................................................................................................9
Unpacking ......................................................................................................9
Inventory........................................................................................................9
Initial Cleaning ..............................................................................................10
Beginning......................................................................................................10
Dust Collection ..............................................................................................11
Shop Preparation ............................................................................................11
Fence Facing ................................................................................................12
Safety Guard..................................................................................................12
Auxiliary Guard ..............................................................................................12
Hold-Downs ..................................................................................................13
Handwheel ....................................................................................................13
Spindle ........................................................................................................14
ADJUSTMENTS............................................................................................16
Fence Positioning............................................................................................16
Fence Alignment ............................................................................................17
Table Inserts..................................................................................................18
Pulley Alignment ............................................................................................19
Spindle RPM ..................................................................................................20
Spindle Slide and Gib ......................................................................................21
OPERATIONS ..............................................................................................22
Start Up........................................................................................................22
Cutter Direction ............................................................................................23
Cutter Installation ..........................................................................................24
Setting Spindle Height ......................................................................................26
Straight Shaping..............................................................................................27
Freehand Shaping ..........................................................................................30
Pattern Shaping ..............................................................................................31
MAINTENANCE ............................................................................................32
General ........................................................................................................32
Table and Base ..............................................................................................32
Lubrication....................................................................................................32
Troubleshooting..............................................................................................33
Wiring Diagram ..............................................................................................35
PARTS ......................................................................................................36
Parts Breakdowns and Parts Lists....................................................................36-46
ELECTRICAL ADJUSTMENTS OPERATIONS MAINTENANCE
ASSEMBLYSAFETYINTRODUCTION
USE THE QUICK GUIDE PAGE LABELS TO SEARCH OUT INFORMATION FAST!
CONTENTS

-2-
INTRODUCTION
INTRODUCTION
About Your New Shaper
Your new SHOP FOX®Model W1702 3 HP Shaper is specially designed to provide many years of trouble-
free service. Close attention to engineering detail, ruggedly built parts, and a rigid quality control
program assure safe and reliable operation.
The Model W1702 features a 3 HP, 220V single-phase motor with forward/reverse spindle control. Also
included are a heavy-duty miter gauge, fence with safety guard, cast iron handwheel, large precision
ground cast iron table, and all ball bearing construction. The shaper comes with a 1⁄2" and 3⁄4" spindle,
and operates at either 7,000 or 10,000 RPM depending on the pulley ratio.
For further features and details, refer to the Specifications section on Page 3.
Woodstock International, Inc. is committed to customer satisfaction in providing this manual. It is our
intent to include all the information necessary for safety, ease of assembly, practical use and durability
of this product.
Woodstock Service and Support
We stand behind our machines! In the event that a defect is found, parts are missing or questions arise
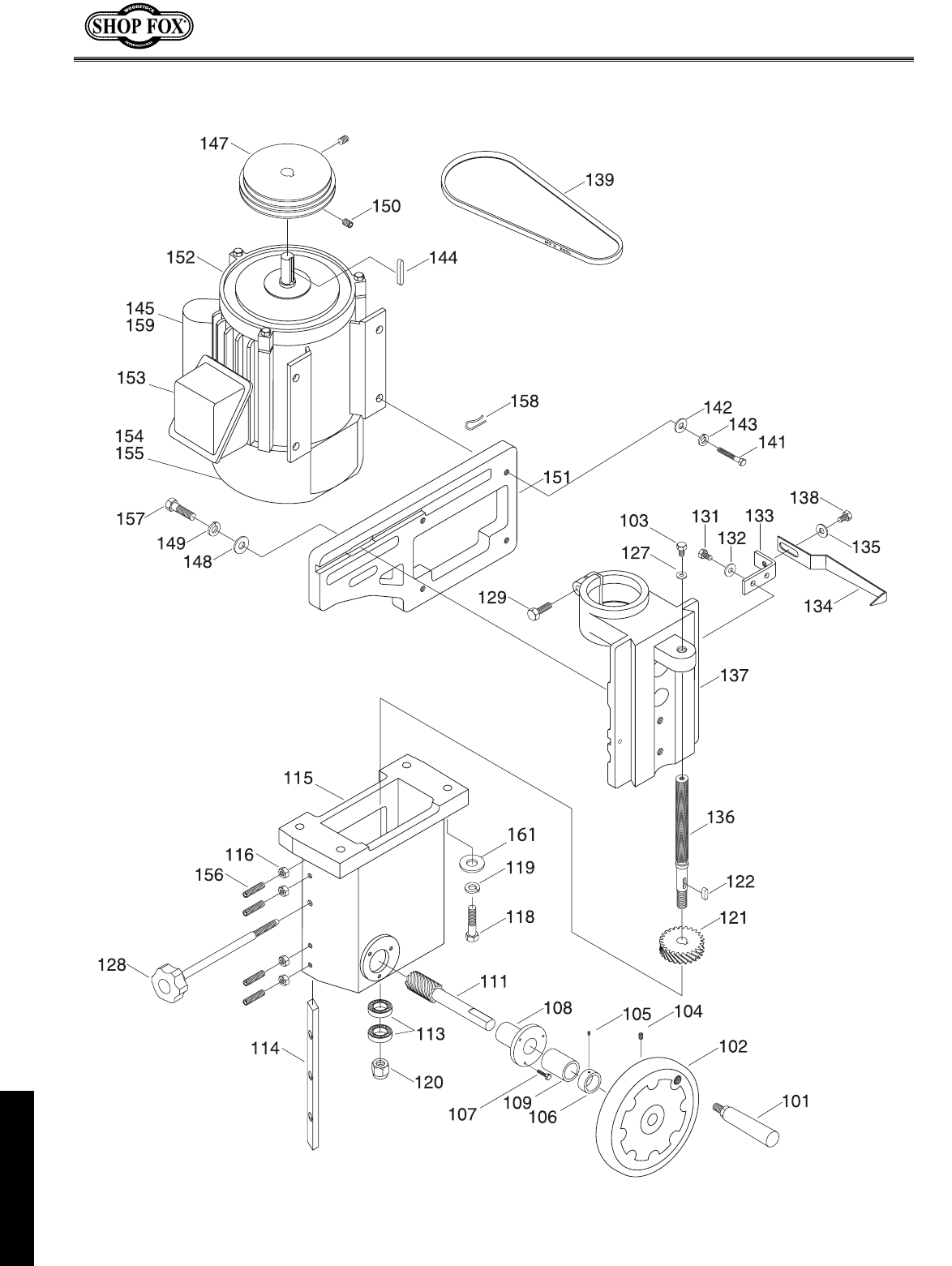
about your machine, please contact Woodstock International Service and Support at 1-360-734-3482 or
send e-mail to: tech-support@shopfox.biz. Our knowledgeable staff will help you troubleshoot problems,
order parts or arrange warranty returns.
If you need the latest edition of this manual, you can download it from http://www.shopfox.biz.
If you still have questions after reading the latest manual, or if you have comments please contact us at:
Woodstock International, Inc.
Attn: Technical Support Department
P.O. Box 2309
Bellingham, WA 98227

INTRODUCTION
Warranty and Returns
Woodstock International, Inc. warrants all SHOP FOX®machinery to be free of defects from workmanship
and materials for a period of 2 years from the date of original purchase by the original owner. This warranty
does not apply to defects due directly or indirectly to misuse, abuse, negligence or accidents, lack of
maintenance, or to repairs or alterations made or specifically authorized by anyone other than Woodstock
International, Inc.
Woodstock International, Inc. will repair or replace, at its expense and at its option, the SHOP FOX®
machine or machine part which in normal use has proven to be defective, provided that the original owner
returns the product prepaid to the SHOP FOX®factory service center or authorized repair facility
designated by our Bellingham, WA office, with proof of their purchase of the product within 2 years, and
provides Woodstock International, Inc. reasonable opportunity to verify the alleged defect through
inspection. If it is determined there is no defect, or that the defect resulted from causes not within the
scope of Woodstock International Inc.'s warranty, then the original owner must bear the cost of storing and
returning the product.
This is Woodstock International, Inc.'s sole written warranty and any and all warranties that may be implied
by law, including any merchantability or fitness, for any particular purpose, are hereby limited to the
duration of this written warranty. We do not warrant that SHOP FOX®machinery complies with the
provisions of any law or acts. In no event shall Woodstock International, Inc.'s liability under this warranty
exceed the purchase price paid for the product, and any legal actions brought against Woodstock
International, Inc. shall be tried in the State of Washington, County of Whatcom. We shall in no event be
liable for death, injuries to persons or property or for incidental, contingent, special or consequential
damages arising from the use of our products.
Every effort has been made to ensure that all SHOP FOX®machinery meets high quality and durability
standards. We reserve the right to change specifications at any time because of our commitment to
continuously improve the quality of our products.
Specifications
Motor Size ......................................................3 HP, 220V, 60 Hz Single-Phase
Motor Speed ..............................................................................3,450 RPM
Amps ................................................................................................18
Spindle Sizes ........................................................1⁄2", 3⁄4", and 1" (Included)
1⁄2" Spindle Max Cutter Height W/Bushings, Nuts, and Rub Collar ........................2"
3⁄4" Spindle Max Cutter Height W/Bushings, Nuts, and Rub Collar ....................21⁄2"
1" Spindle Max Cutter Height W/Bushings, Nuts, and Rub Collar ......................21⁄4"
Maximum Cutter Diameter ....................................................................51⁄2"
Spindle Travel ......................................................................................3"
Spindle Speeds ............................................................7,000 and 10,000 RPM
Handwheel Rotation to Spindle Travel ..........................................360º = 0.045"
Table W/Extension Wing ............................................301⁄2" Wide x 281⁄4" Deep
Stand ......................................................Cabinet Style, Powder Coated Paint
Footprint ....................................................................................21" x 20"
Cord ..................................................................................10' x 12 Gauge
Dust Port ............................................................................................3"
Power Transfer ........................................................................V-Belt Drive
Bearings ................................Shielded and Permanently Lubricated Ball Bearings
Switch ..............................Magnetic with Thermal Overload, Forward and Reverse
Shipping Weight ............................................................................367 lbs.
Machine Weight ............................................................................352 lbs.
-3-

-4-
SAFETY
SAFETY
READ MANUAL BEFORE OPERATING MACHINE.
FAILURE TO FOLLOW INSTRUCTIONS BELOW WILL
RESULT IN PERSONAL INJURY.
Standard Safety Instructions
1. Thoroughly read the instruction manual before operating your machine. Learn the applications,
limitations and potential hazards of this machine. Keep manual in a safe, convenient place for future
reference.
2. Keep work area clean and well lit. Clutter and inadequate lighting invite potential hazards.
3. Ground all tools. If a machine is equipped with a three-prong plug, it must be plugged into a three-
hole grounded electrical receptacle or grounded extension cord. If using an adapter to aid in
accommodating a two-hole receptacle, ground using a screw to a known ground.
4. Wear eye protection at all times. Use safety glasses with side shields or safety goggles that meet
the appropriate standards of the American National Standards Institute (ANSI).
5. Avoid dangerous environments. DO NOT operate this machine in wet or open flame environments.
Airborne dust particles could cause an explosion and severe fire hazard.
6. Ensure all guards are securely in place and in working condition.
7. Make sure the machine power switch is in the OFF position before connecting power to machine.
8. Keep the work area clean, free of clutter, grease, etc.
9. Keep children and visitors away. Visitors should be kept at a safe distance while operating unit.
10. Childproof your workshop with padlocks, master switches or by removing starter keys.
11. Stop and disconnect the machine when cleaning, adjusting or servicing.
Indicates an imminently hazardous situation which, if not avoided, WILL
result in death or serious injury.
Indicates a potentially hazardous situation which, if not avoided, COULD
result in death or serious injury.
Indicates a potentially hazardous situation which, if not avoided, MAY
result in minor or moderate injury.
This symbol is used to alert the user to useful information about proper
operation of the equipment, and/or a situation that may cause damage
to the machinery.
NOTICE

-5-
SAFETY
12. DO NOT force tool. The machine will do a safer and better job at the rate for which it was designed.
13. Use correct tool. DO NOT force machine or attachment to do a job for which it was not designed.
14. Wear proper apparel. DO NOT wear loose clothing, neck ties, gloves, jewelry, and secure long hair
away from moving parts.
15. Remove adjusting keys, rags, and tools. Before turning the machine on, make it a habit to check
that all adjusting keys and wrenches have been removed.
16.
16.Avoid using an extension cord. But if you must, examine the extension cord to ensure it is in good
condition. The amperage rating of the motor can be found on its nameplate. If the motor is dual
voltage, be sure to use the amp rating for the voltage you will be using. If you use an extension cord
with an undersized gauge or one that is too long, excessive heat will be generated within the circuit,
increasing the chance of a fire or damage to the circuit. Always use an extension cord that uses a
ground pin and connected ground wire. Immediately replace a damaged extension cord.
17. Keep proper footing and balance at all times and lock mobile base from freely rolling before using
your machine.
18. DO NOT leave machine unattended. Wait until it comes to a complete stop before leaving the area.
19. Perform machine maintenance and care. Follow lubrication and accessory attachment instructions
in the manual.
20. Keep machine away from open flame. Operating
machines near pilot lights and/or open flames
creates a high risk if dust is dispersed in the area.
Dust particles and an ignition source may cause an
explosion. DO NOT operate the machine in high-
risk areas, including but not limited to, those
mentioned above.
21. If at any time you are experiencing difficulties
performing the intended operation, stop using the
machine! Contact our service department or ask a
qualified expert how the operation should be
performed.
22. Habits are hard to break. Develop good habits in
your shop and consistent safety practices will
become second-nature to you.
Operating this equipment creates the
potential for flying debris to cause eye
injury. Always wear safety glasses or goggles
when operating equipment. Everyday glasses
or reading glasses only have impact resistant
lenses, they are not safety glasses. Be
certain the safety glasses you wear meet the
appropriate standards of the American
National Standards Institute (ANSI).

Additional Safety Instructions for Shapers
1. Never place your hands within 12 inches of the cutters. Never pass your hands directly over or
in front of the cutter. As one hand approaches the 12-inch radius point, move it in an arc motion
away from the cutter to the outfeed side and reposition that hand more than 12 inches beyond the
cutter.
2. DO NOT shape stock shorter than 12 inches without special fixtures or jigs. Where practical,
shape longer stock and cut to size.
3. Keep the cutters on the underside of the workpiece whenever possible. This provides a distance
guard for the operator.
4. UNPLUG THE SHAPER, and always rotate the spindle by hand to test any new setup to ensure
proper cutter clearance before starting the shaper.
5. When shaping contoured work and using a rub collar, NEVER start shaping at a corner. See the
rub collar section further on in the manual. The danger of kick-back is increased when the stock
has knots, holes, or foreign objects in it.
6. Always run warped stock through a jointer before you run it through the shaper.
7. Keep any unused portion of the cutter below the table surface.
8. Never attempt to remove too much material in one pass. Several light passes are safer and give
a cleaner finish.
9. In most applications it is advisable to use a push stick as a safety device; in others it can be quite
dangerous. If the push stick comes in contact with the cutter on the end grain, it can be violently
propelled from your hand—potentially causing serious injury. We recommend using some type of
fixture, jig, or hold-down device as a safer alternative. And ALWAYS use a guard or other type of
protective device at all times.
10. Always make sure cutter is positioned in the correct direction before starting shaper, and
always feed against the rotation of the cutter.
11. Use overhead guard when the fence is not in place.
12. Never operate the shaper without the second locking nut in place over the spindle nut. See
.Page 26,Figure 39.
SAFETY
USE this and other machinery with caution
and respect, and always consider safety
first, as it applies to your individual working
conditions. Remember, no list of safety
guidelines can be complete, and every shop
environment is different. Failure to follow
guidelines can result in serious personal
injury, damage to equipment and/or poor
work results.
READ and understand this
entire instruction manual
before using this machine.
Serious personal injury
may occur if safety and
operational information is
not understood and
followed. DO NOT risk
your safety by not reading!
-6-

-7-
SAFETY
Avoiding Potential Injuries
Figure 1. Use a SHOP FOX®Featherboard as
anti-kick back protection.
Figure 2. Use rubberized SHOP FOX®Push
Blocks to grip the workpiece when cutting.
Figure 3. Use the smallest insert the cutter will
allow to keep woodchips near the dust collection
suction area.
Figure 6. Unplug the shaper whenever making
adjustments or changing cutters.
Figure 4. Use SHOP FOX®BOARD BUDDIES®for
holding down the workpiece.
Figure 5. Use a SHOP FOX® Right Angle Jig
when making special cuts without a safety guard.
NOTE: Guard Removed for Clarity. Always Use Guard.
NOTE: Guard Removed for Clarity. Always Use Guard.
NOTE: Guard Removed for Clarity. Always Use Guard.
NOTE: Guard Removed for Clarity. Always Use Guard.

-8-
Figure 8. NEMA-style L6-20 plug and receptacle.
ELECTRICAL
We DO NOT recommend using an extension cord
with most equipment because the cord can
generate heat that may cause a fire or circuit
damage. If you must use an extension cord, use
the guidelines below.
•Use a cord rated for Standard Service
(Grade S) rated to carry 20 amps or more
•Use a cord that is 100 feet or less
•Use a cord with a ground pin
•Use an undamaged cord only
Extension Cords
220V Operation
The SHOP FOX®Model W1702 Shaper 220 volt
motor draws approximately 18 amps. Purchase a
NEMA-style L6-20 plug and receptacle for the
power supply circuit connection.
Since other machines may be using the same
circuit, make sure the circuit, circuit breaker,
or fuse can carry a 20 amp load. If the total
amperage load of all machines and the shaper
exceeds the amperage rating of the circuit
breaker or fuse, use a different circuit that can
carry the load.
DO NOT modify an existing low-amperage circuit
by only replacing the circuit breaker with a
breaker rated for a higher amperage. The
breaker and the complete circuit must be
replaced by a qualified electrician, otherwise
the wires can overheat and cause a fire.
Grounding
NOTICE
When using an electrical plug adapter, make
sure the adapter is grounded.
Any electrical outlet and
circuit that you plug your
machine into must be
grounded. Serious injury
and/or fire may occur if this
warning is ignored!
ELECTRICAL
NEVER cut the ground pin off so your shaper plug
will fit into a non-grounded receptacle.
Remember, an adapter with a grounding wire
does not guarantee the shaper is grounded. A
ground source must always be verified in the
electrical circuit within the wall or conduit.
Ground this machine! The electrical cord supplied
with the SHOP FOX®Model W1702 Shaper has a
ground wire for a grounded plug. See Figure 8. If
your power receptacle does not have a ground pin
hole, have the receptacle replaced by a qualified
electrician, or have an appropriate adapter
installed and grounded properly.

-9-
Layout and inventory the shipped parts to
familiarize yourself with your Model W1702
Shaper. See Figures 9 and 10. Familiarizing
yourself will help with the installation process,
set-up, and machine operation.
Shaper Unit 1
Miter Gauge 1
Handle 1
1⁄2" Spindle 1
3⁄4" Spindle 1
1" Spindle 1
1⁄2" Spindle Nut 2
3⁄4" Spindle Nut 2
1" Spindle Nut 2
Spacer Bag 1
Draw Bar and Nut 1
Spindle Wrench Set 2
Safety Guard 1
Safety Guard Shaft 1
Starting Pins 3
Hold-Downs 4
Hold-Down Bars 2
Hold-Down Brackets 4
Fence Faces 2
Washers 6
Hardware Bag 1
•Set Screw 1⁄4" - 20 x 3⁄8"4
•Hex Nut 5⁄16"- 18 2
•Flat Hd Screw 5⁄16" - 18 x 1⁄4"2
•Flat Washer 5⁄16"2
Guard Mounting Bar 1
Guard Holding Bracket 1
Guard Support 1
Fence Housing Assembly 1
Fence Housing Mounting Cap Screws 3
Shaft Holder Mounting Hex Bolts 2
Shaft Holder 1
Item Qty.
Unpacking
The Model W1702 is carefully packed. However,
if it is damaged or is missing any parts, please
contact Woodstock International Service and
Support at 1-360-734-3482 or send e-mail to:
tech-support@shopfox.biz.
ASSEMBLY
1.
2.
3.
4.
5.
6.
7.
8.
9.
10.
11.
12.
13.
14.
15.
16.
17.
18.
19.
20.
21.
22.
23.
24.
25.
26.
27.
28.
Inventory
GET lifting assistance
when removing the shaper
from the box. At 352
pounds, the Model W1702
Shaper is a heavy load.
ASSEMBLY
Figure 9. Shaper unit.
Figure 10. Layout of components.
4
5
7
8
14
16
18
19
20
26 27
28
25
24
23
21
1
22
9
6
12
13
2
3
15
10 17
11

-10-
ASSEMBLY
While the main components of the SHOP FOX®
Model W1702 are assembled at the factory,
some assembly is required including shop
preparation. The following is the recommended
sequence best suited for final installation and
assembly.
• Shop Preparation
• Fence Assembly
• Safety Guard Assembly
• Hold-Down Assembly
• Handwheel Assembly
• Spindle Installation
TOOLS REQUIRED: You will need a machinist’s
square, 12" to 18" straightedge, 10mm, 12mm,
14mm, and 15mm open-end wrenches and a
3mm Allen®wrench.
Beginning
WEAR your safety goggles
during any assembly or
maintenance. Failure to
comply may result in
serious personal injury.
KEEP loose clothing
rolled up and out of the
way of machinery and
keep hair pulled back.
Initial Cleaning
The exposed and unpainted shaper surfaces are
coated with a waxy oil to prevent rust during
storage and shipment. DO NOT use chlorine
based solutions or solvents to remove the waxy
oil, or you will damage the painted surfaces.
Remove the waxy oil with a solvent based
degreaser before you use the shaper. Always
follow all use and safety instructions of the
product that you are using.
DO NOT use flammables
such as gas or other
petroleum-based solvents
to clean your machine.
These products have low
flash points and present
the risk of explosion and
severe personal injury!
DO NOT smoke while using
cleaning solvents. Smoking
may cause explosion or
risk of fire when exposed
to these products!
ALWAYS work in a well
ventilated area when
using solvents with
fumes, and keep away
from any potential
ignition sources (pilot
lights). Most solvents
used to clean machinery
are toxic when inhaled or
ingested. Always dispose
of waste rags in a sealed
container to make sure
they do not cause fire or
environmental hazards.
UNPLUG the power cord
before you do any
assembly, adjustments,
or maintenance tasks!
Serious personal injury to
you or others may occur
if this warning is ignored!

-11-
Shop Preparation
• Machine Mobility: Use the Model D2057
SHOP FOX® Heavy-Duty Mobile Base so
you can make the most out of your shop
space by moving the Model W1702 3 HP
Shaper out of the way when not in use.
Contact your SHOP FOX® Dealer for price
and availability.
• Working Clearances: Consider your current
and future shop needs with respect to the
machinery and the lumber to be shaped.
Allow enough space for safe lumber support
as the lumber is fed into the shaper and as
it exits the machine.
• Outlets: Make sure the electrical circuits
have the capacity to handle the amperage
requirements for your Model W1702 3 HP
Shaper. Refer to Pages 3 and 8for more
information. Electrical outlets should be
located near the shaper, so power or
extension cords are clear of high-traffic
areas.
Make sure that you use an appropriate dust
collection system connected to your shaper. You
may have to create or modify other shop ducting
to achieve the correct dust collection system
clearances and airflow. Connect a 3" flexible dust
collection hose to the rear of the fence
adjustment tube. Use a 3" hose clamp to secure
the hose to the tube. See Figure 11.
For additional information on the correct dust
collection system, additions, or modifications;
contact your Woodstock International dealer for a
copy of the Dust Collection Basics handbook and
available accessories.
ONLY allow trained people
in your shop! Make sure
shop entrances are locked
and machines are
correctly turned off with
lock-out devices when not
in use. Otherwise, injury
or death can occur.
USE the correct dust
collection system and
respirator in your shop.
Some wood dust may
cause respiratory
illnesses. Ignoring this
warning may cause severe
personal injury or death.
Figure 11. Dust collection connection.
Connect
Ducting
Here
Fence
Adjustment
Tube
Dust Collection
ASSEMBLY

-12-
ASSEMBLY
Fence Facing
Fence facing can be custom made for special
needs—for example, mounting a hold-down
roller systems like the SHOP FOX® Model
W1105 Green BOARD BUDDIES®.
To install the fence facing, do these steps:
1. Using 1⁄4"-20 x 5⁄8" Countersunk Phillips®head
screws, 1⁄4" washers, and 1⁄4"-20 T-nuts;
install each fence facing to the fence mount
brackets as shown in Figure 12.
2. For custom fence facing, make sure the
screw heads are countersunk completely
below the surface of the fence face.
Always use a safety guard whenever possible.
The safety guard improve shaping safety.
To install the safety guard, do these steps:
1. Connect the extension bar to the safety
guard with two 1⁄4 "-20 x 3⁄8 " bolts and the
1⁄4 " hex nuts.
2. Thread the support into the main fence
housing. See Figure 13.
3. Position the extension bar and safety guard
on the main fence housing and install the
T-lock handle. See Figure 13.
Figure 12. Installing fence facing.
Safety Guard
Figure 13. Threading lock handle onto the
guard assembly.
Extension
Bar
Main
Fence
Housing
T-lock
Handle
T-nut
Support
Safety
Guard
Figure 14. Auxiliary wooden guards.
Auxiliary Wooden Guard
Guard Assembly
#10 Wood Screws
Auxiliary Guard
Certain freehand shaping procedures require
you to attach auxiliary wooden guards to the
safety guard assembly as shown in Figure 14.
To make and install auxiliary wooden guards,
do these steps:
1. From 1⁄2" wood stock, measure and cut one
front wooden guard at 6" long, and two side
guards at 21⁄2" long.
NOTE: Guard height depends on the thickness
of the material you are shaping. If using a
template attached to the workpiece, be sure
to include template height for the overall
height.
2. Secure the auxiliary wooden guards to the lip
of the guard assembly with six #10 wood
screws.

-13-
Handwheel
The handwheel comes installed from the
factory; however, you will need to install the
crank handle. NOTE: for each revolution of the
handwheel, the spindle moves up or down
approximately 0.045".
To install the crank handle, do these steps:
1. Thread the crank handle into the hole on the
face of the handwheel as shown in Figure 17.
2. Using a 14mm open-end wrench, tighten the
crank handle securely, making sure the hand
wheel rotates freely.
Figure 17. Attaching the crank handle.
Hold-Downs
The hold-downs hold the workpiece against the
fence and the table. NOTE: Remove the hold-
down assembly when not in use.
To install the hold-downs, do these steps:
1. Install two aluminum hold-down brackets
onto each of the hold-down bars as shown in
Figure 15.
2. Insert the long end of the hold-down bar
through the hole in the fence mount as
shown in Figure 15.
3. Adjust the hold-down fence mount to the
desired position along the top edge of the
fence casting.
4. Screw in, but do not tighten, the 1⁄4"-20 x 3⁄8"
setscrews into the aluminum hold-down
brackets as shown in Figure 15.
5. Slide each hold-down into the slot between
the aluminum hold-down bracket and hold-
down bar.
6. Position each of the hold-downs into place for
your workpiece as shown in Figure 16, and
tighten the setscrews in the fence mounts and
the aluminum hold-down brackets.
Figure 15. Assembling hold-down mechanism.
Figure 16. Assembled hold-down mechanism.
Hold-down
Bracket
ASSEMBLY

ASSEMBLY
-14-
Figure 18. Threading drawbar into spindle.
Figure 19. Spindle and guide pin alignment.
Spindle
The Model W1702 comes with 1⁄2", 3⁄4", and 1"
shaper spindles. Also available is a Model D3392
Optional Router Bit Spindle. It is very important
that any spindle you use, is seated securely into
the shaper so that safety is maintained.
To install the shaper spindle or router bit
spindle, do these steps every time in the
order below:
1. UNPLUG THE SHAPER!
2. Thread one end of the drawbar into the bottom
end of the desired spindle as shown in Figure
18, approximately 10-15 turns until tight.
3. Insert the spindle/drawbar assembly into the
spindle cartridge from the top side of the table.
See Figure 19
4. Observe and make sure the spindle keyway
on the spindle lines up with the guide pin on
the spindle cartridge as shown in Figure 19.
5. Lower the spindle/drawbar assembly until
the guide pin splines with the spindle keyway
and the spindle/drawbar assembly fully seats
into the tapered bore of the spindle
cartridge. When correctly installed, you will
feel the spindle/drawbar assembly seat
snugly with the spindle cartridge.
NOTICE
Make sure you remove any rust inhibiting
oil or contamination from the spindle, the
drawbar, and the spindle cartridge mating
surfaces before you install spindles.
Make certain the spindle keyway and pin are
aligned and properly seated before
tightening the drawbar nut. Improper
assembly can create an unsafe condition
and possibly injure the operator.

-15-
Figure 21. Tightening the drawbar nut onto the
end of the drawbar.
6. Thread the tapered drawbar nut onto the end
of the drawbar under the table, and make
sure that the taper side of the nut is facing
upward as shown in Figure 20.
7. Tighten your selected spindle in the shaper
as outlined below:
• For shaper spindles: Place the spindle
wrench on the top end of the spindle. Using
a 15mm open-end wrench, tighten the
drawbar nut while holding the spindle
wrench secure as shown in Figure 21. DO
NOT over-tighten the drawbar nut.
• For router bit spindles: Hold the router bit
spindle flat on the shank—NOT the collet
nut. Using a 15mm open-end wrench,
tighten the drawbar nut while holding the
router bit spindle in position with a wrench.
DO NOT over-tighten the drawbar nut.
Figure 20. Threading drawbar nut onto drawbar.
ASSEMBLY
Drawbar Nut
Taper Side Up
ONLY operate your shaper in the COUNTER-
CLOCKWISE direction as looking downward at
the spindle when when you use a router bit
adapter. Router bits are designed to cut in
the counter-clockwise direction only. DO
NOT operate the shaper in the clockwise
direction to make any sort of router-bit back
cut. If this caution is ignored, the workpiece
can kick back, or the collet can loosen and
throw the cutter causing severe injury or
death!

ADJUSTMENTS
-16-
NOTICE
You can adjust the relative position of the
fence mount lock handle head by pulling
and rotating the head either clockwise or
counter-clockwise. Adjusting the relative
position is sometimes necessary before
tightening or loosening the handle in tight
locations.
NOTICE
DO NOT over-tighten screws or bolts into
the cast iron. Cast iron threads strip more
easily than steel.
Figure 22. Fence mount lock handle.
Fence Positioning
The two fence faces are independently
adjustable to allow for different shaping tasks.
The fence faces can be set at different positions
to remove material from the entire edge of the
wood stock or the same position to allow the
shaping of part of the edge.
To adjust the fence, do these steps:
1. Loosen the fence mount lock handle located
on the side of the fence mount shown in
Figure 22.
2. Adjust the position of the fence by turning
the adjustment knob located on the back of
the fence mount shown in Figure 22.
3. Once the fence is in the desired position,
tighten down the fence mount lock handle.
ADJUSTMENTS
KEEP loose clothing
rolled up and out of the
way of machinery and
keep hair pulled back.
Adjustment
Knob
Fence Mount
Lock Handle
UNPLUG the power
cord before you do any
assembly, adjustments,
or maintenance tasks!
Otherwise, serious
personal injury to you
or others may occur!
WEAR your safety goggles
during any machine
assembly, operation, or
maintenance. Failure to
comply may result in
serious personal injury.

-17-
Fence Alignment
Before shaping, check that the two fence faces
are parallel.
To align the fences so they are parallel with
each other, do these steps:
1. Get a quality straightedge that is long enough
to span the entire length of the fence
assembly.
2. Make sure that the screws that hold the
fence faces to the fence mounts are tight and
secure.
3. Adjust the fence faces so they are in as close
to the same parallel position as possible.
4. Hold the straightedge across both of the
fence faces as shown in Figure 23.
5. If the fence faces are not parallel, place
shims between the back of the fence pieces
and the face of the fence mounts. With some
trial and error shim adjusting, parallel fence
faces can be achieved.
Figure 23. Use straightedge to check fence.
ADJUSTMENTS

-18-
Table Inserts
The table inserts are necessary for the safe
operation of the shaper. Two inserts are provided
allowing for three different opening sizes to be
achieved. Use the smallest-size opening for a
cutter to reduce wood chips falling into the
machine, which could cause flying debris. Using
the smallest-size opening also covers any unused
portion of the bit below the surface of the table,
thus reducing the chance of operator injury.
To adjust the table inserts, do these steps:
1. UNPLUG THE SHAPER!
2. Using a screwdriver, remove the three
Phillips®head screws holding the cast iron
insert in the table. See Figure 25.
3. Using a straightedge as a guide, turn the
barrel-head screws either way until the
insert is flush with the top of the table as
shown in Figures 24 and 25.
4. Once the entire insert is flush with the table
top, reinsert the three Phillips®head screws
and tighten.
Figure 25. Use a straightedge to make sure
insert is flush with table.
Figure 24. Barrel-head screw.
ADJUSTMENTS

-19-
Pulley Alignment
Pulley alignment is important to the
performance of your shaper. If the pulleys are
just slightly out of alignment, the shaper may
suffer from power loss as well as decreased V-
belt life. The pulleys need to be parallel with
one another for optimum shaper performance.
To align the pulleys, do these steps:
1. UNPLUG THE SHAPER!
2. Remove the motor cover from the side of the
shaper.
3. Hold a straightedge up to the pulleys to
determine if they are aligned correctly as
shown in Figure 26.
4. If the motor pulley is not aligned with the
spindle pulley, loosen the four motor mount
bolts as shown in Figure 27.
5. Wiggle the motor until the pulley is aligned
with the spindle pulley.
6. If the spindle pulley is not aligned with the
motor pulley, loosen the bolt on the spindle
slide that holds the spindle in place as shown
in Figure 28.
7. Place a pad on the floor underneath the
spindle to prevent damage if it falls to the
floor.
8. Slowly wiggle the spindle up or down into
alignment with the motor pulley. Wiggle the
spindle slowly so the spindle does not slide
too fast or drop to the floor.
9. After you adjust the pulleys, check the
alignment with the straightedge again. Once
you are satisfied with the results, tighten
down all the fasteners, and recheck one
more time after all the fasteners are secure.
Figure 26. Use straightedge to check V-belts.
Figure 27. Loosening motor mount bolts.
Figure 28. Loosening spindle cartridge bolt.
ADJUSTMENTS

-20-
Spindle RPM
This shaper spindle can be run at 7,000 or
10,000 RPM. The speed is changed by the
placement of the V-belt as shown in Figure 29.
To change the spindle RPM, do these steps:
1. UNPLUG THE SHAPER!
2. Loosen the two spindle slide bolts that hold
the motor mount plate to the spindle slide as
shown in Figure 30. DO NOT remove the
bolts completely.
3. Position the V-belt on the pulleys according
to the desired spindle speed.
4. Slide the motor and motor mount plate
assembly until the V-belt is snug and tighten
the bolts. The amount of V-belt deflection
should be 1⁄4" when pressed with your thumb.
5. Tighten all fasteners securely.
6. Make sure the V-belt is correctly aligned on
both pulleys.
Figure 29. Pulley speed chart.
Figure 30. Loosening spindle slide bolts.
ADJUSTMENTS
Choose Spindle RPM:
Always follow cutter manufacturer
recommendations; however, if not available
use these general specifications to help select
spindle and RPM. NOTE: Always use the
largest spindle possible, and only use a one
bushing at a time when reducing the cutter
inside diameter.
•For shaper cutters smaller than 31⁄2" in
diameter run the spindle at 10,000 RPM.
•For shaper cutters 31⁄2" and larger in
diameter, run the spindle at 7,000 RPM.

-21-
The spindle slide-to-gib clearance may need
adjusting so there is no play when pressure is
applied to the spindle. Gib adjustments are
made by loosening or tightening some or all of
the four setscrews on the side of the elevation
housing shown in Figure 31.
To check the spindle slide-to-gib clearance,
do these steps:
1. UNPLUG THE SHAPER!
2. Turn the handwheel until the spindle is in the
highest position.
3. Lock the spindle in place by tightening the
spindle lock handle on the side of the shaper.
4. Grasp and wiggle the top of the spindle to
see if there is side-to-side movement. If
there is movement, adjust the gib to remove
this play.
To adjust the spindle slide-to-gib clearance,
do these steps:
1. UNPLUG THE SHAPER!
2. Loosen the setscrew jam nuts.
3. Slowly turn the four setscrews. Alternate
between the top and bottom so the pressure
will be uniform.
4. Tighten the hex nuts while holding the
setscrews in position.
5. Recheck the spindle slide up and down
movement. No play should exist and the
spindle should move up-and-down smoothly.
It may take several attempts to adjust the
spindle slide-to-gib clearance to get the
spindle to move up and down smoothly.
Figure 31. Spindle slide, elevation housing,
spindle lock, and gib adjustment setscrews.
Spindle Slide and Gib
Elevation
Housing
Spindle
Slide
Spindle
Lock
Gib Adjustment
Setscrew
NOTICE
The spindle lock keeps the spindle in a
fixed position during shaping operations.
Since cast-iron threads can strip, DO NOT
over-tighten the spindle lock.
NOTICE
If the handwheel is adjusted so the spindle
slide completely moves to the lowest
position, and the handwheel is forced
further past the stop, the gib can fall out of
place and bind the spindle slide on future
upward travel. To correct this issue if it
occurs, loosen the setscrews, and reposition
the gib, and adjust the spindle slide-to-gib
clearance as outlined to the right.
ADJUSTMENTS

-22-
OPERATIONS
Start Up
Once assembly is complete and adjustments
have been made, the shaper is ready for start
up. Always pay attention to any unusual noises
and vibrations on every start up, as well as
make sure the shaper operates as intended.
1. MAKE SURE that the fence, any accessories,
Jigs, spindle, cutter, or router bit adapter
being used is tight and no loose items are on
the table.
2. Put your safety glasses on, and start the
shaper by turning the switch to the forward
position. Be sure to have your finger poised
to stop the machine if there is a problem.
3. Once the machine is running, listen for any
unusual noises coming from the shaper. The
shaper should run smoothly with little or no
vibrations.
•If there is an unusual noise or vibration,
shut the machine off immediately. DO NOT
run the shaper any further until the
problems are corrected. Refer to the
Troubleshooting section on Page 33 for
possible causes and solutions.
•If the problem continues and cannot be
easily identified, contact our customer
service department.
OPERATIONS
KEEP loose clothing
rolled up and out of the
way of machinery and
keep hair pulled back.
UNPLUG the power
cord before you do any
assembly, adjustments,
or maintenance tasks!
Otherwise, serious
personal injury to you
or others may occur!
WEAR your safety glasses
and dust mask during
machine operation.
Failure to comply may
result in serious personal
injury.

-23-
Cutter Direction
The Model W1702 is capable of operating in two
directions by use of a forward and reverse
switch as shown in Figure 32. It is very
important that the workpiece be fed against the
direction of the cutter rotation. This will
prevent a climb cut and maintains a safe cutting
procedure for the operator. There will be times
when it is necessary to flip the shaper cutter
over and run it in the opposite direction, and
feed the board from the opposite end of the
shaper.
•When the switch is pointing to the FWD
position, the spindle and cutter rotate
counter-clockwise.
•When pointing to the REV position, the
spindle and cutter rotate clockwise.
•When the forward and reverse switch is
pointing to the OFF position, the shaper
motor has no power, but power is still going
to the switch. ALWAYS UNPLUG the power
cord from the shaper to the power source
before changing cutters or doing an
adjustment or maintenance.
Always try to operate the shaper so the wood is
cut from the underside. Topside cutting is more
dangerous for the operator, because when the
wood is cut on the top side, the cutter can lift
and grab the wood and cause severe injury!
Refer to Rub Collars on page 29, for specific
recommendations.
NOTICE
Always check the direction of the cutterhead
before performing a shaper operation.
ALWAYS feed the workpiece against the
direction the cutters are turning. If you feed
the workpiece in the same direction as the
cutter rotation, a climb cut will result,
which may grab and pull the workpiece and
your hand through the shaping operation at
a high rate of speed causing severe injury!
Figure 32. Forward and reverse switch.
OPERATIONS
ONLY operate your shaper in the COUNTER-
CLOCKWISE direction as looking downward at
the spindle when you use a router bit
adapter. Router bits are designed to cut in a
counter-clockwise direction only. DO NOT
operate the shaper in the clockwise
direction to make any sort of router-bit back
cut. If this warning is ignored, the
workpiece can kick back, the collet can
loosen and throw the cutter, and cause
severe injury or death!

-24-
Cutter Installation
Figure 34. Bushing placement.
Figure 35. Cutter placement.
OPERATIONS
a) Choose Cutter Profile and Cutter:
To help select the correct cutter, you can go
online to select your cutter, bushings, and
rub collars.
• For shaper cutter profile selection go to
www.romancarbide.com and select
the applicable cutter.
b) Choose Cutter Height and Spindle Size:
Use these general specifications to help
select cutter and spindle size.
• For the 1⁄2" diameter spindle, the
maximum safe cutter height used with
washers, T-bushings, or rub collars, and
lock nuts installed is 2".
• For the 3⁄4" diameter spindle, the
maximum safe cutter height with
washers, T-bushings, or rub collars, and
lock nuts installed is 2 1⁄2".
• For the 1" diameter spindle, the
maximum safe cutter height with
washers, T-bushings, or rub collars, and
lock nuts installed is 2 1⁄4".
b) Choose Spindle and Cutter RPM:
Use these general specifications to help
select spindle and RPM. NOTE: Always use
the largest spindle possible, and only use a
single bushing if you need to reduce the
cutter inside diameter size.
•For shaper cutters smaller than 31⁄2" in
diameter run the spindle at 10,000 RPM.
•For shaper cutters 31⁄2" and larger in
diameter, run the spindle at 7,000 RPM.
Always follow the cutter manufacturer
recommendations; however, if not available use
the list below with your particular cutting needs
in mind to help select the correct cutter,
spindle, and RPM. Then install your cutter as
outlined.
Figure 33. Common shaper hardware.

-25-
Figure 38. Spindle nut placement.
Figure 37. Collar or spacer placement.
To install a cutter, do these steps:
1. UNPLUG THE SHAPER!
2. Place the bushing (if needed) onto the spindle
for cutter support as shown in Figure 34.
3. Slide the cutter onto the spindle, making
sure the rotation is correct for the specific
application as shown in Figure 35.
4. Place the spindle washer onto the spindle as
shown in Figure 36.
5. Install spacers or collars if necessary for the
specific application, followed by the nut and
locknut as shown in Figures 37 and 38.
OPERATIONS
Figure 36. Spindle washer placement.
UNPLUG the power
cord before you do any
assembly, adjustments,
or maintenance tasks!
Otherwise, serious
personal injury to you
or others may occur!

-26-
Setting Spindle Height
Correct spindle height is crucial to most shaping
applications. Use a piece of test wood to
confirm the correct spindle height before
cutting expensive lumber.
To set the spindle height, do these steps:
1. Loosen the spindle lock knob located on the
side of the shaper as shown in Figure 40.
2. Rotate the handwheel on the front of the
shaper shown in Figure 41 to raise or lower
the spindle.
3. Retighten the spindle lock knob on the side
of the shaper. DO NOT over-tighten the knob.
Only a small amount of tension is needed to
keep the spindle from moving during
operation.
Figure 40. Spindle lock knob.
Figure 41. Spindle height handwheel.
OPERATIONS
Figure 39. Spindle locknut placement.
6. Tighten down the nut and locknut with an
open-end wrench while holding the top of
the spindle with the provided spindle wrench
as shown in Figure 39.
7. Make sure the cutter will rotate in the
correct direction.
8. Go to the Spindle RPM section on Page 20
and set the spindle RPM as outlined.
9. Install applicable safety guard(s).
NOTICE
Always check the direction of the cutterhead
before performing a shaper operation.

-27-
Straight Shaping
Because the shaper fence is independently
adjustable, you can set up the shaper to cut
part or all of the workpiece edge.
To set the fence up for cutting material from
the whole edge of the workpiece, do these
steps:
1. Loosen the locking handles shown on the
sides of the fence mount in Figure 42.
2. Turn the adjustment knob located on the
back of the fence mount and adjust the
infeed fence until the workpiece contacts
the cutter at the desired location.
3. Tighten the lock handle located on the side
of the fence mount to lock the fence into
position.
4. Adjust the outfeed fence so that it is located
as far back from the front of the table as
possible.
5. Turn the shaper ON.
6. Using a piece of scrap wood, advance the
workpiece 8" into the cutters, and turn the
machine off. DO NOT remove the workpiece
from the infeed fence face.
7. Once the cutter has come to a complete
stop, adjust the outfeed fence so that it just
touches the newly cut edge as shown in
Figure 43.
8. Make sure all fence lock handles are tight.
Figure 42. Fence mount lock handle.
Figure 43. Fence setup for jointing-type
operations (Guard Not Shown For Clarity).
DO NOT use the miter gauge in conjunction
with the fence. The fence may not be
parallel to the miter slot and binding of the
workpiece could result. When there is
binding of the workpiece, the chance of
kickback increases and serious personal
injury can result.
Adjustment
Knob
Fence Mount
Lock Handle
OPERATIONS

-28-
To set up the fence for partial edge removal
or profiling an edge, do these steps:
1. Loosen the lock handles on the side of the
fence mount.
2. Turn the adjustment knob located on the
back of the fence mount and adjust the
infeed fence until the workpiece contacts
the cutter at the desired location.
3. Tighten the lock handle located on the side
of the fence mount to lock the fence into
position.
4. Adjust the outfeed fence so that it comes
into alignment with the infeed fence as
shown in Figure 44.
5. Now place a straightedge against both faces
of the fence to check alignment. Once they
are both in alignment, make sure both lock
handles are tightened.
Always feed the wood against the rotation of
the cutter as shown in Figure 45. Another way
to conceptualize this is to always feed the wood
into the cutter so that the cutter is pushing
against the direction of feed. Never feed wood
in the same direction as the cutter rotation.
This is called a “climb cut” and is extremely
dangerous.
Also, examine the grain on the side edge of the
board. Whenever possible, run the board so the
shaper cutters are cutting with the grain as
shown in Figure 44. This will minimize the
chance of tear out.
Figure 44. Fence setup for partial-edge
removal operations
(Guard Removed For Clarity).
Figure 45. Sequence for shaping an edge
around a workpiece
(Guard Removed For Clarity).
OPERATIONS
ALWAYS use the aid of a jig when shaping
small or narrow workpieces. A jig will reduce
the chance of your hands coming into
contact with the cutters. Failure to follow
this warning may result in serious personal
injury.

-29-
Rub Collars
When shaping workpieces that have irregular
shapes, rub collars are a necessity. There are
two types of rub collars: solid and ball bearing.
They are available in various diameters and can
be purchased individually or as sets as shown in
Figure 46. Some examples of when you would
use a rub collar are raising arched or tombstone
door panels, round table tops, or any other cut
that needs to have its depth of cut limited.
Refer to the set up examples below.
There are three set up positions for rub collars:
1. ABOVE THE CUTTER as shown in Figure 47.
This setup is the safest and produces the
most consistent results. The only drawback is
that the cut is on the underside of the
workpiece, out of view of the operator.
However, if the workpiece lifts off the table,
you simply run it through a second time to
finish the cut.
2. BETWEEN TWO CUTTERS as shown in Figure 48.
This setup has the advantage of making two
profile cuts in a single pass. Although you
have a rub collar beneath a cutter, this setup
is safer than the previous setup. Any lifting of
the workpiece will still cause the cutter to
make an uneven cut. A second pass will
correct the profile on the bottom edge, but
the top profile will still have the gouge from
lifting the workpiece into the cutter.
3. BELOW THE CUTTER as shown in Figure 49.
This setup allows the cut to be viewed by the
operator; however, it is also the most
dangerous. Any slight lifting of the workpiece
will cause the cutter to make too deep of a
cut. There is also an increased chance of
kickback.
WE DO NOT RECOMMEND SHAPING WITH A
RUB COLLAR BELOW THE CUTTER!
Figure 46. Rub collar set.
Figure 47. Rub collar mounted above cutter.
Figure 49. Rub collar mounted below cutter.
Figure 48. Rub collar mounted between two
cutters.
Below
NOT RECOMMENDED
Between
Above
OPERATIONS

-30-
Freehand Shaping
Freehand shaping is shaping without the aid of
the miter slot or fence. The most dangerous
part of shaping freehand is beginning the cut,
where the cutter first contacts the workpiece.
Often the workpiece will tend to jerk or
kickback, catching the operator off guard.
To reduce this tendency, use a starting pin. The
pin allows you to anchor and slowly pivot the
workpiece into the cutter as the cut is started.
Thus shaping freehand is more stable and safer.
See Figure 50.
To set up the shaper for freehand shaping, do
these steps:
1. UNPLUG THE SHAPER!
2. Remove the fence assembly from the shaper.
3. Insert the starting pin in the best suited hole
on the table so you can feed the workpiece
into and against the rotation of the cutter.
4. Install the cutter so it will cut in the correct
direction, and adjust the spindle height.
5. Install the auxiliary guard. DO NOT use the
shaper without a guard. Refer to Figure 14
on Page 12 for information on making and
using an auxiliary guard.
6. Use a supplemental hold-down jig like the
SHOP FOX®W1500 Right Angle Jig as shown
in Figure 51, or you can use rubberized-
handle push blocks to support or guide the
workpiece and protect your hands.
7. Place the workpiece against the starting pin.
8. Slowly pivot and feed the workpiece into the
cutter. Avoid starting the cut on the corner
of the workpiece as kickback could occur.
Once the cut is started, the workpiece should
be pulled away from the starting pin.
ALWAYS use an auxiliary jig and extreme
care when shaping with the fence removed.
Freehand shaping often requires you to
remove the fence resulting in reduced
protection from the cutters.
DO NOT start a cut on the corner of the
workpiece. This may cause kickback. Serious
personal injury could occur.
Figure 50. Starting pin operation
(Guard not shown for clarity).
Figure 51. Hold-down jig used to support
workpiece
(Complete guard not shown for clarity).
OPERATIONS
Starting
Pin

-31-
Figure 53. Using a rub collar against a
template.
Figure 52. A piece of wood clamped to the
table can serve as a make-shift starting pin
(Guard not shown for clarity).
Pattern Shaping
Sometimes the location of the starting pin holes
will not always be in the safest position. You
can clamp a piece of scrap wood to the shaper
table. The edge of the wood can be used as the
starting support as shown in Figure 52.
The use of patterns (templates) allows identical
parts to be cut with speed and accuracy.
Shaping with a pattern begins by attaching a
prefabricated template to the rough workpiece.
The edge of the template rides against a rub
collar on the spindle as the cutter cuts the
matching profile on the workpiece edge as
shown in Figure 53. You can incorporate extra
features into the template assembly (such as
toggle clamps) to hold the workpiece and hand
grips, or guards for safety and protection.
To make a template, do these steps:
1. UNPLUG THE SHAPER!
2. Make sure that screws or clamps will not
come into contact with the cutter.
3. Design the assembly so that cutting will occur
underneath the workpiece.
4. Make handles for safety and control.
5. Use materials that will move easily across the
table surface and rub collar.
6. Remember to consider the cutter and rub
collar diameter when making the pattern.
7. Install hold-down clamps at three sides of the
pattern assembly or screw the pattern
assembly to the back side of the workpiece.
8. Again, make sure screws will not come into
contact with cutters.
DESIGN jigs and fixtures so screws and clamps
DO NOT contact the cutter and the
workpiece is held securely to the jig. The jig
must be stable on the shaper table. Failure to
do so could result in serious personal injury.
OPERATIONS

-32-
MAINTENANCE
Lubrication
Since all bearings are shielded and permanently
lubricated, simply leave them alone until they
need to be replaced. Do not lubricate them.
For other items on this machine, an occasional
application of light machine oil is all that is
necessary. Before applying lubricant, clean off
sawdust.
Your goal is to achieve adequate lubrication.
Too much lubrication will attract dirt and
sawdust. Various parts of your machine could
lose their freedom of movement as a result.
Regular periodic maintenance on your Model
W1702 Shaper will ensure its optimum
performance. Make a habit of inspecting your
shaper each time you use it. Check for the
following conditions and repair or replace parts
when necessary.
1. Loose mounting bolts.
2. Worn switch.
3. Worn or damaged cords and plugs.
4. Damaged drive belt.
5. Any other condition that could hamper the
safe operation of this machine.
General
Table and Base
The table can be kept rust-free with regular
applications of products like Boeshield® T-9. For
long term storage you may want to consider
products like Kleen Bore's Rust Guardit™.
MAINTENANCE
KEEP loose clothing
rolled up and out of the
way of machinery and
keep hair pulled back.
UNPLUG the power
cord before you do any
assembly, adjustments,
or maintenance tasks!
Otherwise, serious
personal injury to you
or others may occur!
WEAR your safety glasses
and dust mask during any
machine operation or
maintenance. Failure to
comply may result in
serious personal injury.

-33-
Troubleshooting
MAINTENANCE

MAINTENANCE
-34-
Closure
The following pages contain parts diagrams/lists
and a warranty card for your SHOP FOX®
Model W1702 3HP Shaper.
If you need parts or help in assembling your
machine, or if you need operational
information, we encourage you to call our
Service Department. Our trained service
technicians will be glad to help you.
If you have comments dealing specifically with
this manual, please write to us using the address
in the General Information. The specifications,
drawings, and photographs illustrated in this
manual represent the Model W1702 3 HP Shaper
as supplied when the manual was prepared.
However, due to Woodstock International, Inc.’s
policy of continuous improvement, changes may
be made at any time with no obligation on the
part of Woodstock International, Inc. Whenever
possible, though, we send manual updates to all
owners of a particular tool or machine that have
registered their purchase with our warranty
card. Should you receive an update, add the
new information to this manual and keep it for
reference.
We have included some important safety
measures that are essential to this machine’s
operation. While most safety measures are
generally universal, we remind you that each
workshop is different and safety rules should be
considered as they apply to your specific
situation.
We recommend you keep this manual for
complete information regarding Woodstock
International, Inc.’s warranty and return policy.
Should a problem arise, we recommend that you
keep your proof of purchase with your manual.
If you need additional technical information
relating to this machine, or if you need general
assistance or replacement parts, please contact
the Service Department at 1-360-734-3482 or
tech-support@shopfox.biz.
Additional information sources are necessary to
realize the full potential of this machine. Trade
journals, woodworking magazines, and your
local library are good places to start.
The Model W1702 3 HP Shaper is specifically
designed for shaping operations. DO NOT
MODIFY AND/OR USE THIS MACHINE FOR ANY
OTHER PURPOSE. MODIFICATIONS OR
IMPROPER USE OF THIS TOOL WILL VOID THE
WARRANTY. If you are confused about any
aspect of this machine, DO NOT use it until all
your questions have been answered.

-35-
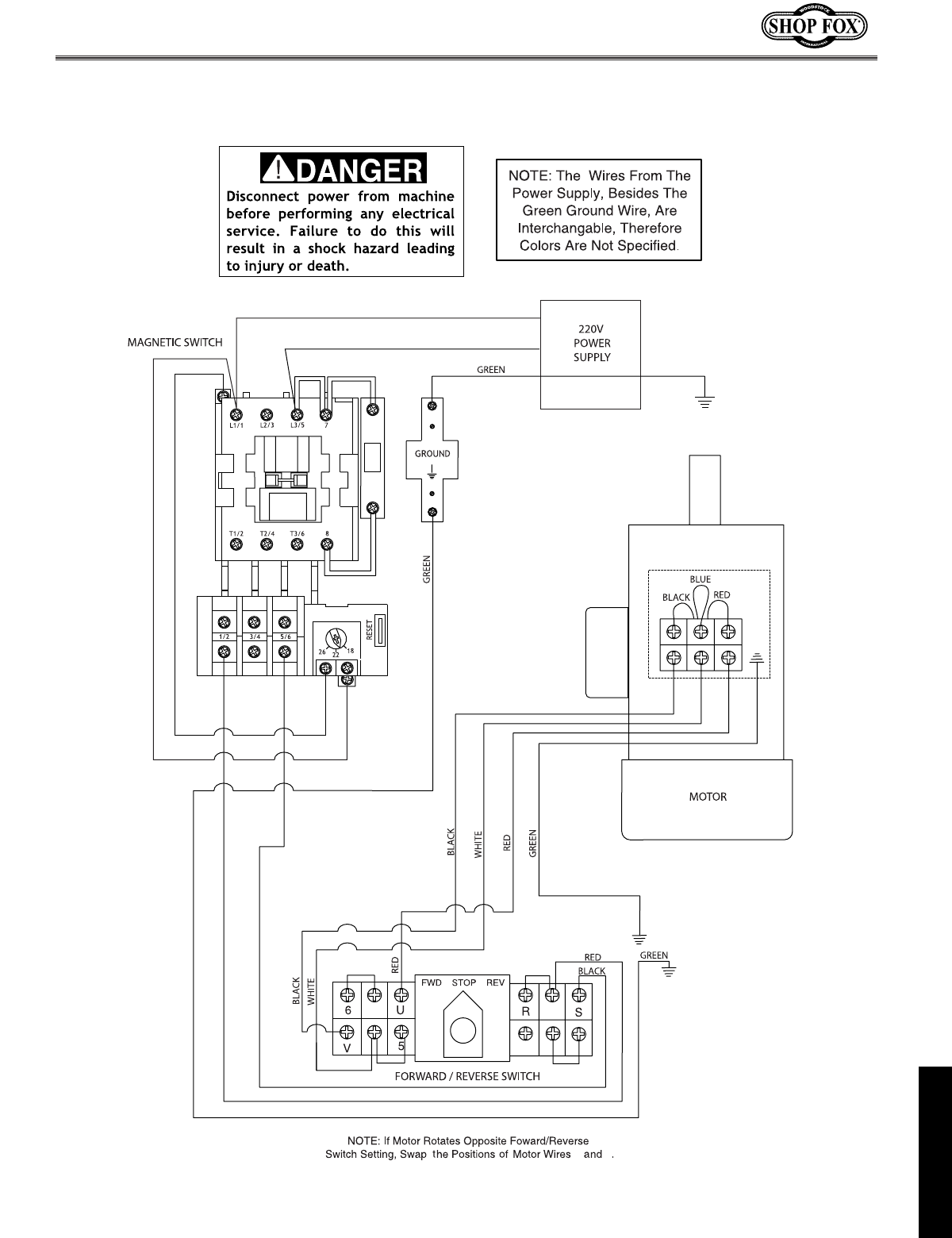
UV
Model W1702 220V Wiring Diagram
MAINTENANCE

-36-
PARTS

-37-
52 X1702052 READ MANUAL WARNING
53 X1702053 PINION SHAFT
55 XPSB77 CAP SCREW 3⁄8"-24 X 1"
56 X1702056 FENCE ADJ. SCREW
57 XPSS02 SET SCREW 5⁄16"-18 X 3⁄8"
58 X1702058 ADJUSTMENT BRACKET
59 X1702059 LOCKING HANDLE 5⁄16"-18
60 XPSB04 CAP SCREW
1⁄4"-20 X 1⁄2"
61 XPW06 FLAT WASHER 1⁄4"
62 X1702062 ADJUSTMENT KNOB
63 X1702063 SCALE
64 X1702064 SCALE
65 XPS07 PHLP HD SCRW 1⁄4"-20 X 3⁄8"
66 XPSS03 SETSCREW 1⁄4"-20 x 3⁄8"
67 X1702067 SCALE
68 XPFH07 PHLP HD SCR 5⁄16"-18 X 11⁄4"
69 X1702036 POWER CORD, 3 WIRE
70 X1702070 ADJUSTMENT TUBE
72 X1702072 COLOR STRIPE
73 X1702073 LABEL (W1702)
78 X1702035 MOTOR POWER CORD, 5 WIRE
79 XPHTEK1 SELF TAPPING SCREW
80 XPW02 FLAT WASHER 3⁄8"
81 XPW02 FLAT WASHER 3⁄8"
82 XPW06 FLAT WASHER 1⁄4"
83 XPSB17 CAP SCREW 1⁄4"-20 x 3⁄8"
85 X1702085 BARREL SCREW
86 XPFH21 FLAT HD SCR 10-24 x 3⁄4"
87 XPB24 HEX BOLT 3⁄8"-16 X 11⁄4"
88 XPS01 PHLP SCREW 10-24 X 1⁄2"
89 XPN07 HEX NUT 10-24
90 XPTLW02M EXT TOOTH WASHER 5mm
91 XPS07 PHLP SCREW 1/4"-20 X 3/8"
92 X1702092 SPECIAL COVER SCREW
93 X1702093 STRAIN RELIEF 16
601 X1702601 CAST LOGO
603 XPS50M PHLP HD SCR M3-0.5X12
1 X1702001 STAND
2 X1702002 TABLE WING
3 XPS07 PHLP SCREW 1/4"-20 X 3/8"
4 XPB21 HEX BOLT 3/8"-16 X 3/4"
5 XPLW06 LOCK WASHER 5/8"
6 X1702006 MOTOR COVER
7 X1702007 TABLE
9 X1702009 TABLE INSERT
10 X1702010 TABLE INSERT
11 X1702011 TABLE INSERT
12 X1702012 STARTING PIN
14 XPW02 FLAT WASHER 3/8"
16 X1702016 HOLD-DOWN BRACKET
17 X1702017 POINTER
18 X1702018 FENCE MOUNT (RIGHT)
19 X1702019 LOCK HANDLE
20 X1702020 PLASTIC FACING (LEFT)
21 X1702021 PLASTIC FACING (RIGHT)
22 X1702022 T-NUT
23 X1702029 WOOD FACING
25 XPSS04 SETSCREW 1⁄4"-20 x 5⁄16"
28 XPW06 FLAT WASHER 1⁄4"
29 X1702029 MAIN FENCE HOUSING
30 X1702030 KNURLED KNOB
31 X1702031 FENCE MOUNT (LEFT)
32 X1702032 BRACKET
33 X1702033 MAGNETIC SWITCH
35 X1702035 FWD⁄REV SWITCH
36 X1702036 BRACKET
37 X1702037 SWITCH BOX
39 X1702039 SWITCH BOX COVER
40 X1702040 SCALE
42 X1702042 GROMMET
46 X1702046 MACHINE ID/WARNING
48 X1702048 UNPLUG MACHINE WARNING
49 X1702049 ELECTRICITY WARNING
51 X1702047 SAFETY GLASSES WARNING
REF PART# DESCRIPTION
PARTS
REF PART # DESCRIPTION

-38-
PARTS

-39-
REF PART # DESCRIPTION
101 X1702101 HANDLE
102 X1702102 HANDWHEEL
103 XPB09 HEX BOLT 5⁄16"-18 x 1⁄2"
104 XPSS15 SETSCREW 3⁄8"-16 x 3⁄8"
105 XPSS08 SETSCREW 5⁄16"-18 x 1⁄2"
106 X1702106 COLLAR
107 XPSB07 CAP SCREW 5⁄16"-18 x 3⁄4"
108 X1702108 SHAFT MOUNT
109 X1702109 BUSHING
111 X1702111 WORM SHAFT
113 XP51103 BEARING
114 X1702114 GIB
115 X1702115 ELEVATION HOUSING
116 XPN02 HEX NUT 5⁄16"-18
118 XPB72 HEX BOLT 1⁄2"-13 x 2"
119 XPLW07 LOCK WASHER 1⁄2"
120 XPLN07 LOCK NUT 5⁄8"-11
121 X1702121 GEAR 25T
122 XPK06M KEY 5 x 5 x 10mm
127 XPW07 FLAT WASHER 5⁄16"
128 X1702128 HAND KNOB 3⁄8"-16
129 XPB25 HEX BOLT 3⁄8"-16 x 13⁄4"
131 XPB19 HEX BOLT 1⁄4"-20 x 1⁄2"
132 XPW06 FLAT WASHER 1⁄4"
133 X1702133 “L” BRACKET
134 W1702134 POINTER
135 XPW07 FLAT WASHER 5⁄16"
136 X1702036 ELEVATION LEAD SCREW
137 X1702137 CARTRIDGE SLIDE
138 XPB15 HEX BOLT 5⁄16"-18 x 3⁄8"
139 X1702146 V-BELT 7m690
141 XPB22 HEX BOLT 5⁄16"-18 x 13⁄4"
142 XPW07 FLAT WASHER 5⁄16"
143 XPLW01 LOCK WASHER 5⁄16"
144 XPK06M KEY 5 x 5 x 10
145 X1702145-2 CAPACITOR COVER
147 X1702147 MOTOR PULLEY
148 XPW01 FLAT WASHER 1⁄2"
149 XPLW07 LOCK WASHER 1⁄2"
150 XPSS02 SETSCREW 5⁄16"-18 x 3⁄8"
151 X1702151 MOTOR MOUNT PLATE
152 X1702152 MOTOR 3 HP
153 X1702145-3 WIRE BOX COVER
154 X1702145-4 MOTOR FAN
155 X1702145-5 MOTOR FAN COVER
156 XPSS20 SETSCREW 5⁄16"-18 x 11⁄2"
157 XPB55 HEX BOLT 1⁄2" - 13 x 11⁄2"
158 X1702137 CABLE CLAMPS
159 X1702152-1 START CAPACITOR
161 XPW01 FLAT WASHER 1⁄2"
REF PART # DESCRIPTION
PARTS

-40-
PARTS

-41-
202 XPR15M EXT RETAINING RING 30mm
204 X1702204 SPINDLE CARTRIDGE
205 XPK20M KEY 5 x 5 x 15mm
206 XP6205 BEARING 6205 ZZ
207 X170207 INT RETAINING RING 25mm
209 X170209 BEARING HOUSING
210 XPR14M EXT RETAINING RING 70mm
211 X1702211 PULLEY
212 X1702212 TOOTHED WASHER
213 X1702213 SPANNER NUT
214 X1702214 1⁄2" SPINDLE
215 X1702215 3⁄4" SPINDLE
216 X1702216 1" SPINDLE
217 X1702217 DRAW BAR
218 X1702218 DRAW BAR NUT
219 X1702219 1⁄2" SPINDLE NUT SET
220 X1702220 3⁄4" SPINDLE NUT SET
221 X1702221 1" SPINDLE NUT SET
222 X1702222 PIN
231 X1702231 1⁄2" SPINDLE WASHER
232 X1702232 3⁄4" SPINDLE WASHER
233 X1702233 SPINDLE WRENCH SET
234 X1702214A SPINDLE CARTRIDGE KIT
236 X1702236 1" SPINDLE WASHER
237 X1702237 HOUSING CAP
238 XPS01 PHLP HD SCR 10-24 x 1⁄2"
- W1161 1⁄2" ID x 1" OD x 1⁄2" OH SPACER
- W1162 1⁄2" ID x 1" OD x 3⁄4" OH SPACE
- W1164 3⁄4" ID x 11⁄4" OD x 1⁄4"OH SPACER
- W1165 3⁄4" ID x 11⁄4" OD x 3⁄8"OH SPACER
- W1166 3⁄4" ID x 11⁄4" OD x 1⁄2"OH SPACER
- W1167 3⁄4" ID x 11⁄4" OD x 3⁄4"OH SPACER
- W1169 1" ID x 11⁄2" OD x 1⁄4"OH SPACER
- W1170 1" ID x 11⁄2" OD x 3⁄8"OH SPACER
- W1171 1" ID x 11⁄2" OD x 1⁄2"OH SPACER
- W1172 1" ID x 11⁄2" OD x 3⁄4"OH SPACER
- W1173 1" ID x 11⁄2" OD x 1" OH SPACER
- W1163 1⁄2" ID x 1" OD x 1" OH SPACER
- W1168 3⁄4" ID x 11⁄4" OD x 1" OH SPACER
- W1159 1⁄2" ID x 1" OD x 1⁄4"OH SPACER
- W1160 1⁄2" ID x 1" OD x 3⁄8"OH SPACER
ID: INSIDE DIAMETER
OD: OUTSIDE DIAMETER
OH: OVERALL HEIGHT
-NOT SHOWN ON DIAGRAM
REF# PART # DESCRIPTION REF# PART # DESCRIPTION
PARTS

-42-
PARTS

-43-
301 XPSS02 SETSCREW 5⁄16"-18 x 3⁄8"
302 X1702302 SHAFT MOUNT
303 XPW02 LOCK WASHER
3⁄8"
304 XPB18 HEX BOLT 3⁄8"-16 x 1"
305 X1702305 EXTENSION BRACKET
306 X1702306 LOCK KNOB W/SHAFT
309 X1702309 SHAFT
310 X1702310 “T” HANDLE PEG
313 XPN02 HEX NUT 5⁄16"- 18
314 X1702314 EXTENSION BAR
315 X1702315 GUARD
316 XPFH14 FLAT HD SCRW 5⁄16" - 18 x 3⁄4"
317 X1702417 SUPPORT
REF PART # DESCRIPTION REF PART # DESCRIPTION
PARTS

-44-
PARTS

-45-
603 X1702603 MITER GAUGE BODY
604 X1702604 MITER BAR
605 X1702605 SPECIAL WASHER
606 XPFH19 FLAT HEAD SCREW 1⁄4"-20 X 3⁄8"
607 XPNO7 HEX NUT 10-24
608 XPSS32 SETSCREW 10-24 X 3⁄4"
609 XPSS29 SETSCREW 10-24 X 1⁄4"
610 X1702610 STOP
611 X1702611 POINTER
612 X1702612 SCALE
613 X1702613 GUIDE STUD
614 X1702614 SPRING PIN 3mm
615 X1702615 HANDLE
616 XPW07 FLAT WASHER 5⁄16"
REF PART# DESCRIPTION
REF PART# DESCRIPTION
PARTS

-46-
REF PART # DESCRIPTION
401 X1702401 HOLD-DOWN BAR
402 X1702402 HOLD-DOWN
403 X1702403 BRACKET, HOLD-DOWN
404 XPSS02 SETSCREW 5⁄16" - 18 x 3⁄8"
PARTS

-47-
Shaper Accessories
The following shaper accessories may be available through your local Woodstock International Inc.
Dealer. If you do not have a dealer in your area, these products are also available through online dealers.
Please call or e-mail Woodstock International Inc. Customer Service to get a current listing of dealers at:
1-800 840-8420 or at sales@woodstockint.com.
The W1105 Woodstock Board Buddies®hold down the workpiece on
the shaper during cutting operations. These Board Buddies®are made
from die-cast aluminum and feature non-marring green neoprene
rubber wheels. Because the wheels turn in both directions, they
function as hold-downs rather than anti-kickback devices. Mounts to
fences 3" to 3-1/2" high x 1" or wider with the optional W1107 12"
Tracks or the W1108 24" Tracks.
The W1500 SHOP FOX®Right Angle Jig allows you to make cuts on
board ends and various other cuts with complete accuracy and
improved safety. Constructed using top quality aluminum castings and
plates which are machined to exacting tolerances. It has the perfect
weight-use ratio to dampen vibration, yet is still light enough to easily
slide the workpiece through the shaping process. Its quality and
precision are evident from the first cut.
The D3096 SHOP FOX® Feather Board reduces the risk of kickback
and helps achieve consistent shaping results from your shaper.
Designed to lock into 3/8" x 3/4" miter gauge slots, these SHOP FOX®
Featherboards are adjustable for various stock widths and miter slot
locations. No drilling or bulky “C” clamp arrangements needed.
The D2057 SHOP FOX®Adjustable Mobile Base supports your shaper
so you can move it easily and lock it in position. Designed for long
term and frequent moving of heavy machinery. All SHOP FOX®
Adjustable Mobile Bases are the first mobile bases designed strong
enough to move heavy machines on a continual basis. The stands are
adjustable to fit a variety of machines, and can be leveled without
the use of shims or tools.
PARTS
The SHOP FOX®Heavy-Duty Roller Stands and Roller Tables make
your shaper safer and easier to use. All models feature convenient
hand knobs for fast height adjustment and offer rigid steel
construction. These stands are invaluable for supporting work on
shapers. Go to http://www.shopfox.biz/rollerstand.cfm to view all
of the available roller tables and stands.

Shaper Accessories
The Woodstock Rub Collars deliver extremely smooth, bump-free
shaping cuts. All Woodstock rub collars are manufactured from solid
steel on CNC lathes. We assemble these in the USA using high-quality,
maintenance free bearings. Contact your local Woodstock
International Dealer for kits or specific single sizes.
The SHOP FOX®Router Bit Spindle takes advantage of your existing
selection of router bits, so you can use many router bits with your
shaper. The router bit spindle accepts 1/4" and 1/2" shank bits.
The Roman Carbide®Shaper Cutters and Router Bits use extra thick
Micro-Grain C2 carbide for extra sharpness and shock resistance, and
a special anti-friction coating to reduce shaper power loss and cutter
gumming. The European "controlled cut" profiles on select bits reduce
the danger of kickback, and Shear angle profiles minimize wood
tearing and reduce or eliminate sanding. View the Hottest Line In
America at http://www.romancarbide.com
The D1700 Woodstock Moulding Head and available knives let you
cut many profiles for your projects. This system uses a wide variety
of precision-ground cutter patterns for use in a specially-designed
CNC-machined, aircraft aluminum cutterhead. The 2" moulding head
accepts all 2" knives and works on shapers with 3/4" diameter spindles
and motors 1-1/2 HP or larger. The 2" moulding head requires a 3" tall
spindle.
The Woodstock Straight Bushings and T-bushings allow you to take
advantage of your existing selection of shaper cutter bits that
do not fit a current shaper spindle. These straight bushings and
T-bushings allow for special cutting dimension adjustment on a
variety of spindle and shaper cutter sizes. Go to
http://www.shopfox.biz/index.cfm
PARTS
-48-

Your Notes

Your Notes

CUT ALONG DOTTED LINE
10. What stationary woodworking tools do you own? Check all that apply.
___Air Compressor ___Panel Saw
___Band Saw ___Planer
___Drill Press ___Power Feeder
___Drum Sander ___Radial Arm Saw
___Dust Collector ___Shaper
___Horizontal Boring Machine ___Spindle Sander
___Jointer ___Table Saw
___Lathe ___Vacuum Veneer Press
___Mortiser ___Wide Belt Sander
___Other__________________________________________________
11. Which benchtop tools do you own? Check all that apply.
___1" x 42" Belt Sander ___6" - 8" Grinder
___5" - 8" Drill Press ___Mini Lathe
___8" Table Saw ___10" - 12" Thickness Planer
___8" - 10" Bandsaw ___Scroll Saw
___Disc/Belt Sander ___Spindle/Belt Sander
___Mini Jointer
___Other__________________________________________________
12. Which portable/hand held power tools do you own? Check all that apply.
___Belt Sander ___Orbital Sander
___Biscuit Joiner ___Palm Sander
___Circular Saw ___Portable Planer
___Detail Sander ___Saber Saw
___Drill/Driver ___Reciprocating Saw
___Miter Saw ___Router
___Other__________________________________________________
13. What machines/supplies would you like to see?
_________________________________________________________
_________________________________________________________
_________________________________________________________
_________________________________________________________
14. What new accessories would you like Woodstock International to carry?
_________________________________________________________
_________________________________________________________
15. Do you think your purchase represents good value?
___Yes ___No
16. Would you recommend SHOP FOX®products to a friend?
___Yes ___No
17. Comments:________________________________________________
__________________________________________________________
__________________________________________________________
__________________________________________________________
__________________________________________________________
__________________________________________________________
__________________________________________________________
1. Where did you purchase your SHOP FOX®machine?
_________________________________________________________
2. How did you first learn about us?
___Advertisement ___Friend
___Mail order Catalog ___Local Store
___World Wide Web Site
___Other__________________________________________________
3. Which of the following magazines do you subscribe to.
___American Woodworker ___Today’s Homeowner
___Cabinetmaker ___Wood
___Family Handyman ___Wooden Boat
___Fine Homebuilding ___Woodshop News
___Fine Woodworking ___Woodsmith
___Home Handyman ___Woodwork
___Journal of Light Construction ___Woodworker
___Old House Journal ___Woodworker’s Journal
___Popular Mechanics ___Workbench
___Popular Science ___American How-To
___Popular Woodworking
___Other__________________________________________________
4. Which of the following woodworking/remodeling shows do you watch?
___Backyard America ___The New Yankee Workshop
___Home Time ___This Old House
___The American Woodworker ___Woodwright’s Shop
___Other__________________________________________________
5. What is your annual household income?
___$20,000-$29,999 ___$60,000-$69,999
___$30,000-$39,999 ___$70,000-$79,999
___$40,000-$49,999 ___$80,000-$89,999
___$50,000-$59,999 ___$90,000 +
6. What is your age group?
___20-29 ___50-59
___30-39 ___60-69
___40-49 ___70 +
7. How long have you been a woodworker?
___0 - 2 Years ___8 - 20 Years
___2 - 8 Years ___20+ Years
8. How would you rank your woodworking skills?
___Simple ___Advanced
___Intermediate ___Master Craftsman
9. How many SHOP FOX®machines do you own? _____________
Name __________________________________________________________________________________________
Street __________________________________________________________________________________________
City ____________________________________________________________________State________Zip_________
Phone Number_______________________E-Mail_________________________________FAX___________________
MODEL # _____________________ SERIAL #___________________________________________________________
The following information is given on a voluntary basis and is strictly confidential.
WARRANTY CARD

TAPE ALONG EDGES--PLEASE DO NOT STAPLE
FOLD ALONG DOTTED LINE
FOLD ALONG DOTTED LINE
WOODSTOCK INTERNATIONAL, INC.
P.O. BOX 2309
BELLINGHAM, WA 98227-2309
Place
Stamp
Here

