MACHINE MANUAL BP 10 27 REV D
2017-06-16
: Guide Machine Manual - Bp-10-27 Rev D MACHINE MANUAL - BP-10-27 REV D manuals 2016 Blastpro manuals Niagara-Library
Open the PDF directly: View PDF
.
Page Count: 57

BP-10-27
MACHINE MANUAL

BLASTPRO MANUFACTURING, INC. ~ WARRANTY & REGISTRATION CARD
ONE YEAR LIMITED WARRANTY
(1-877-495-6464)
A COPY OF THE WARRANTY CARD ON THE FOLLOWING PAGE, TOGETHER WITH PROOF OF PAYMENT, MUST BE
SUBMITTED WITH ANY SERVICE REQUEST. THIS WARRANTY CARD MUST BE RETURNED TO: BLASTPRO
MANUFACTURING, INC., 6021 MELROSE LANE, OKLAHOMA CITY, OK 73127, WITHIN TEN (10) DAYS OF ACQUIRING
BLASTPRO PRODUCTS IN ORDER TO QUALIFY FOR THE ONE YEAR LIMITED WARRANTY CONTAINED IN THE SALES
AGREEMENT.
BlastPro provides as a limited warranty to Original Purchasers of BlastPro equipment, purchased within and situated within the
United States of America, who notify BlastPro in writing through completion of the BlastPro Equipment Warranty Card within ten
(10) days of acquiring BlastPro Equipment, the following limited warranty.
Subject to the exclusions, limitations and conditions stated above and below, BlastPro will warrant its products against defects in
materials and workmanship, provided the Original Purchaser uses such equipment under normal and proper use, for a period of
one year or 1,000 hours, whichever occurs first, from the date of delivery to the Original Purchaser.
During the applicable limited warranty period and subject to the exclusions, limitations and conditions contained herein, BlastPro
shall, within a reasonable period of time, repair or replace, at its option, any defective components of the equipment. The limited
warranty does not cover wear parts, including but not limited to, tires, magnets, seals, casters, liners, wear plates, bearings, cages,
blast wheels, blades, belts, electrical wiring components and items of a similar nature.
This limited warranty does not cover damage to BlastPro equipment caused by any of the following: the use of the equipment for
purposes other than which the equipment was designed and intended, all external causes such as (without limitation) acts of God,
accidents, dropping, collision, fire, water damage, freezing, striking other objects, misuse or otherwise using the equipment
contrary to the instructions and warnings contained in the User Manual; altering or modifying BlastPro equipment or accessories;
exposure to environmental conditions beyond reasonable limits and the limits stated in the equipment manual; failure to properly
maintain and service the equipment; damage caused by the use of any non-BlastPro parts or attachments on the equipment.
To obtain repair or replacement under this limited warranty, the Original Purchaser must contact BlastPro at 1-877-495-6464. The
Original Purchaser must be prepared to describe any alleged problem, as well as provide proof of purchase and proof of date of
delivery and return of the Equipment Warranty Card. Written authorization from BlastPro must be obtained prior to any BlastPro
equipment being returned to BlastPro.
Once BlastPro provides the Original Purchaser with a written authorization, then the Original Purchaser shall deliver the
equipment as instructed by BlastPro. The Original Purchaser shall pay the cost of shipping and shall also bear any risk of loss
during shipping. Providing the BlastPro equipment is defective and the limited warranty applies, BlastPro shall, within a
reasonable period of time, repair or replace any defective components. The Original Purchaser shall be responsible for picking up
the repaired equipment or may arrange for shipment at Original Purchaser’s expense.
BlastPro’s repair or replacement of any defective parts on the equipment does not extend the term of this limited warranty, which
shall expire on expiration of the period of one year from the date of Original delivery, subject to the further terms of this warranty.
THIS LIMITED WARRANTY IS THE ONLY WARRANTY APPLICABLE TO BLASTPRO EQUIPMENT.
BLASTPRO DISCLAIMS ALL OTHER WARRANTIES, EXPRESS OR IMPLIED, INCLUDING IMPLIED
WARRANTIES OF MERCHANTABLILITY OR FITNESS FOR A PARTICULAR PURPOSE, OTHER
THAN THOSE WARRANTIES IMPLIED AND INCAPABLE OF EXCLUSION, RESTRICTION OR
MODIFICATION UNDER APPLICABLE LAW. ANY SUCH IMPLIED WARRANTIES WHICH MAY BE
REQUIRED BY LAW AND ARE NOT DISCLAIMED HEREBY, ARE LIMITED TO THE EXTENT
ALLOWED BY LAW TO THE APPLICABLE PERIOD OF THIS IMPLIED WARRANTY OR TO THE
APPLICABLE TIME PERIOD PROVIDED BY THE APPLICABLE STATE LAW, WHICHEVER PERIOD
IS SHORTER.
UNDER NO CIRCUMSTANCES SHALL BLASTPRO BE LIABLE TO THE ORIGINAL PURCHASER OR
ANY OTHER PERSON FOR ANY DIRECT, INDIRECT OR CONSEQUENTIAL DAMAGES RESULTING
FROM THE USE OR MISUSE OF THE EQUIPMENT OR ARISING OUT OF ANY BREACH OF ANY
WARRANTY OR FOR ANY SPECIAL OR CONSEQUENTIAL DAMAGES OF ANY CHARACTER,
INCLUDING WITHOUT LIMITATION, DAMAGES FOR ANY LOSS OF GOODWILL, WORK STOPPAGE
OR ANY AND ALL OTHER COMMERCIAL DAMAGES OR LOSSES.
NO CHANGE TO OR ADDITIONAL WARRANTY, NO MATTER BY WHOM MADE OR WHEN MADE,
SHALL APPLY TO ANY EQUIPMENT SOLD BY BLASTPRO.

Keep this top portion for your record
s
Delivery Date Machine Model No.
Delivering Distributors Name Machine Serial No.
and Address Modifications
Operating Manual Received Training Scheduled
(Please Print)
Company
Address
City State Zip
Phone Number
Contact Person
Purchase Date Delivery Date
Machine Model No.
Distributor Name
BlastPro Warranty Registration Card
NOTICE!
USER'S REFERENCE INFORMATION
WARRANTY REGISTRATION CARD
6021 Melrose Lane, Oklahoma City, OK 73127, or Fax to 405-495-1331
(All boxes must be checked or date filled in)
the attached card COMPLETELY and ACCURATELY and return to BlasPro Mfg.
To ensure the proper warranty coverage is extended to the owner of this machine, fill out
IMPORTANT! To ensure that your BlastPro machine is covered under warranty, please
fill in the following information and mail it to BlastPro Manufacturing, Inc.
Training Complete
CUT HERE

MACHINE MANUAL BP-10-27
MAINTENANCE
©2010 Blastpro Manufacturing, Inc.
®
31
SECTION 4.8: MAINTENANCE CHECK LIST
The items on the check list must be inspected before each operation. This will
maximize production and minimize down time. Always place machine into
“Maintenance Mode” prior carrying out any maintenance or repairs. See
Machine Manual Section 2.2.
Blast wheel Check for balance and excessive wear.
Blades Check for excessive wear. Change blades
as a kit.
Top and Lower liner Check for excessive wear; Change when ½
worn through.
Pinch Bar Check for proper clearance and excessive
wear.
Pinch Bar/Blade Gap
Gap should be approximately 1/8” – 3/16”.
Rotate pinch bar ¼ turn every 8 hours of
operation.
Blast Wheel Bearings
Check and tighten set screws as necessary.
Apply 5 pumps of grease every 8-10 hours
of operation
2
.
Shot Valve Check for shot leaks.
Filters
Inspect filters for damage. Replace if
clogged with dust. DO NOT BANG
FILTERS ON THE GROUND.
Engine Oil Check level. Change oil every 100 hours
1
.
Air Cleaner Check for dirty, loose or damaged parts.
Change every 100 hours
1
.
Transmission Oil Inspect transmission for leaks.
Axle Seals Inspect for leaks.
Blast Housing seals
Inspect for excessive wear. Insure seals
provide a solid seal around the blast
housing.
Blower Bearings
Check and tighten set screws as necessary.
Apply 5 pumps of grease every 8-10 hours
of operation
2
.
Steering Assembly
Check chain tension. Check and tighten set
screws as necessary. Apply 1 pump of
grease to bearings every 40 hours of
operation
2
.
Belts Check condition and tension. Re-tension as
necessary and replace damaged belts.

MACHINE MANUAL BP-10-27
MAINTENANCE
©2010 Blastpro Manufacturing, Inc.
®
32
Idler Assembly
Check and tighten set screws as necessary.
Apply 1 pump of grease to bearing every 40
hours.
1
Dust Collector Latches
Verify latches securely close the dust
collector door. Adjust as necessary.
Replace damaged latches.
Air Compressor Oil
2
Check level.
Change at 20 hours (New comp. break in)
Change at 40 hours (New comp. break in)
Change every 100 hours (Following break in
period).
3
Air Tank Water Drain Drain water from the air tank.
Other Engine
Maintenance
See Engine “Owner’s Manual” for additional
maintenance points and schedule
1. Care should be taken not to over-grease bearings.
Recommended: Mystik JT6 Hi-Temp multi-purpose grease.
2. Use only SAE 30, non-detergent, single-viscosity, compressor oil.
3. Perform maintenance interval more frequently under extremely dusty
conditions.

5
24 590 35 Rev. D KohlerEngines.com
Maintenance Instructions
WARNING Before working on engine or equipment, disable
engine as follows: 1) Disconnect spark plug
lead(s). 2) Disconnect negative (–) battery cable
from battery.
Accidental Starts can cause
severe injury or death.
Disconnect and ground spark
plug lead(s) before servicing.
Normal maintenance, replacement or repair of emission control devices and systems may be
performed by any repair establishment or individual; however, warranty repairs must be performed
by a Kohler authorized dealer found at KohlerEngines.com or 1-800-544-2444 (U.S. and Canada).
For safety and health reasons, many states require special licensing or certifi cation for servicing
propane fuel systems. Check local and state regulations before choosing a repair establishment to
perform fuel system repairs.
Maintenance Schedule
Every 25 Hours1
● Service/replace low-profi le precleaner (if equipped).
Every 100 Hours1
● Check oil cooler fi ns, clean as necessary (if equipped).
● Change oil.
● Replace low-profi le air cleaner element (if equipped).
● Remove cooling shrouds and clean cooling areas.
Every 150 Hours1
● Check heavy-duty fi lter minder.
● Inspect heavy-duty air fi lter paper element and inlet screen area.
Every 200 Hours1
● Change oil fi lter.
● Replace unique EFI fuel fi lters.
Every 300 Hours1
● Replace heavy-duty air cleaner element and check inner element.
Every 500 Hours or Annually1
● Check all lines (high pressure/vacuum) including fi ttings for leaks.
● Drain vaporizer/regulator of accumulated fuel deposits.
● Replace spark plugs and set gap.
Every 500 Hours or Annually1,2
● Inspect lock-off assembly for damage/leakage.
● Have combustion deposits removed if using non-synthetic oil.
Every 600 Hours or Annually1
● Replace heavy-duty air cleaner inner element.
Every 1500 Hours1,2
● Have vaporizer/regulator tested.
1 Perform these procedures more frequently under severe, dusty, dirty conditions.
2 Must be performed by a Kohler authorized dealer or qualifi ed propane personnel only.

MACHINE MANUAL BP-10-27
TABLE OF CONTENTS
©2010 Blastpro Manufacturing, Inc. ®
2
SECTION 1.1: APPLICATIONS.....................................................................................................4
SECTION 1.2: SPECIFICATIONS ................................................................................................. 4
SECTION 1.3: MANUFACTURER................................................................................................. 5
SECTION 2.1: GENERAL.............................................................................................................. 7
SECTION 2.2: MAINTENANCE AND WEAR PARTS REPLACEMENT MODES........................ 7
SECTION 2.3: WORK SITE ASSESSMENT AND INSPECTION ................................................. 8
SECTION 2.4: PERSONAL PROTECTIVE EQUIPMENT........................................................... 11
SECTION 2.5: OPERATIONAL ................................................................................................... 11
SECTION 3.1: START-UP ........................................................................................................... 14
FIGURE 3.1.1..................................................................................................15
SECTION 3.2: SHUT DOWN ....................................................................................................... 17
SECTION 3.3: SHOT SELECTION.............................................................................................. 18
SECTION 3.4: TRANSPORT ....................................................................................................... 19
FIGURE 3.4.1..................................................................................................19
SECTION 4.1: WEAR BAR REMOVAL AND INSTALLATION .................................................. 21
FIGURE 4.1.1..................................................................................................22
SECTION 4.2: BLAST WHEEL REMOVAL AND INSTALLATION............................................ 22
SECTION 4.3: TOP LINER REMOVAL AND INSTALLATION................................................... 23
SECTION 4.4: BLADE REMOVAL AND INSTALLATION.......................................................... 24
FIGURE 4.4.1..................................................................................................25
SECTION 4.5: DUST COLLECTOR FUNCTION AND MAINTENANCE.................................... 25
SECTION 4.6: PARTS LIST ........................................................................................................ 28
SECTION 4.7: ELECTRICAL SCHEMATIC ................................................................................ 30
SECTION 4.8: MAINTENANCE CHECK LIST ............................................................................ 31

MACHINE MANUAL BP-10-27
SPECIFICATIONS
©2010 Blastpro Manufacturing, Inc.
®
3
SECTION 1.1: APPLICATIONS
SECTION 1.2: SPECIFICATIONS
SECTION 1.3: MANUFACTURER

MACHINE MANUAL BP-10-27
SPECIFICATIONS
©2010 Blastpro Manufacturing, Inc.
®
4
SECTION 1.1: APPLICATIONS
The BP-10-27 shot blast machine is specifically designed for horizontal
applications. It is designed to simultaneously remove material, clean and profile
the substrate.
The BP-10-27 shot blast machine runs on a Kohler 27 hp lp motor
When in operation, the machine continuously recycles shot so that up to 1,500
square feet of surface area can be cut per hour while achieving a brush blast. To
accomplish this feat, the machine first moves shot from the shot valve into the
blast wheel. After being thrown by the blast wheel onto the surface below the
machine, the shot and the debris then rebound up to the dust separator where
the dust is automatically transferred to the dust collector. Next, the shot returns
to the shop hopper where it is once again passed through the machine. The BP-
10-27 constantly recycles the shot from the time the shot valve is opened until
the time when the shot valve is closed by the operator by the operator. While the
machine is in operation, the auto pulse dust collector cleans all six cartridge
filters.
SECTION 1.2: SPECIFICATIONS
DIMENSIONS (L x W x H) 78” x 34” x 57” (1981.5mm x 863.5mm x 1448mm)
WEIGHT 1525 LBS (692 kg
DRIVE MOTOR 27 hp Kohler
DUAL FUEL LP
FUEL CAPACITY 33LB
BLASTING WIDTH 10”
ELECTRICAL SYSTEM 12 VDC
DUST COLLECTOR
COMPRESSOR
90 PSI
DUST COLLECTOR FAN 2600 CFM
FRONT END LIFT HYDRAULIC
SHOT VALVE ELECTRIC
STEERING MANUAL STEERING WHEEL

MACHINE MANUAL BP-10-27
SPECIFICATIONS
©2010 Blastpro Manufacturing, Inc.
®
5
SECTION 1.3: MANUFACTURER
BlastPro Manufacturing, Inc.
6021 Melrose Lane
Oklahoma City, OK 73127
Toll free: 877-495-6464
Phone: 405-491-6464
Fax: 405-495-4994
Website: www.BlastProMfg.com


MACHINE MANUAL BP-10-27
SAFETY
©2010 Blastpro Manufacturing, Inc.
®
6
SECTION 2.1: GENERAL
SECTION 2.2: MAINTENANCE AND WEAR PARTS REPLACEMENT MODES
SECTION 2.3: WORK SITE ASSESSMENT AND INSPECTION
SECTION 2.4: PERSONAL PROTECTIVE EQUIPMENT
SECTION 2.5: OPERATIONAL

MACHINE MANUAL BP-10-27
SAFETY
©2010 Blastpro Manufacturing, Inc.
®
7
SECTION 2.1: GENRAL
Read and understand this Machine Manual prior to operating or performing
maintenance on the BP-10-27.
This Machine Manual has been developed as a guideline for machine operation.
It is not a substitute for proper organizational training and management.
All machine operators and maintenance personnel should be properly trained in
operation and safety features of the BP-10-27.
Make these operating instructions accessible to all operating and maintenance
personnel.
Never weld, modify, cut or grind components of the BP-10-27 without prior
written consent from the manufacturer.
Never use aggressive cleaning chemicals to clean the machine.
All operators and maintenance personnel should receive training on the dangers
of carbon monoxide, or CO. All personnel should be able to identify signs and
symptoms of CO poisoning. Common signs associated with overexposure
include headache, nausea, weakness, dizziness, lethargy, visual disturbances,
and changes in personality and/or loss of consciousness.
SECTION 2.2: MAINTENANCE AND WEAR PARTS REPLACEMENT MODES
Maintenance mode is defined as placing the machine in a configuration, which
minimizes potential electric, hydraulic or stored energy hazards.
In general, the machine should be placed in Maintenance Mode prior to
performing any maintenance and/or troubleshooting activities.
MAINTENANCE MODE:
1. Move the machine to a level surface.
2. Reduce machine RPM to low idle.
3. Turn key switch to “OFF” position.
4. Remove key from switch to prevent accidental or unintended starting.
5. Block wheels to prevent the machine from moving.
6. Turn the LP bottle valve to “CLOSED” position.
7. Allow engine and exhaust tube to cool down prior to carrying out any
maintenance work.

MACHINE MANUAL BP-10-27
SAFETY
©2010 Blastpro Manufacturing, Inc.
®
8
In general, the machine should be placed in Wear Parts Replacement Mode prior
to changing the blade(s).
WEAR PARTS REPLACEMENT MODE:
1. Move the machine to a level surface.
2. Raise the blast head to the upper most position.
3. Reduce machine RPM to low idle.
4. Turn key switch to “OFF” position.
5. Remove key from switch to prevent accidental or unintended starting.
6. Place jack stands or blocks under blast head to ensure it does not move
down.
7. Verify all rotating parts have stopped moving and are secured against
unintended movement.
After performing any maintenance or repair work verify that all safety labels,
guards, lids and bolted connections are properly and securely installed on the
machine.
SECTION 2.3: WORK SITE ASSESSMENT AND INSPECTION
Before starting blasting operations, a site assessment must be performed.
During the site assessment verify the following:
• Work area is flat, clean, and dry, free of debris, frost-free, and has no
flammable liquids nearby. Also, make sure that the machine will be able
to clear all obstructions. NEVER BLAST A WET FLOOR. NEVER
BLAST OVER BOLTS, NUTS, SCREWS, NAILS, OR OTHER DEBRIS
AS THIS MAY RESULT IN SIGNIFICANT DAMAGE TO THE MACHINE
AND SERIOUS INJURY TO THE OPERATOR.
• Work area is well ventilated. IF WORK AREA IS ENCLOSED OR
PARTIALLY ENCLOSED (WAREHOUSE, PARKING GARAGE,
TUNNELS, ETC.), THEN GASOLINE CAN NEVER BE USED AS THE
FUEL SOURCE FOR THE BP-10-27 SHOT BLASTING MACHINE. This
is because carbon monoxide, which is a byproduct all internal combustion
engines, can be extremely hazardous when allowed to accumulate in an
area. An odorless, tasteless, and non-irritating gas, carbon monoxide can
quickly become lethal. As a result, liquid propane must be used in all
instances when the work area is enclosed or partially enclosed. THE
WORK AREA MUST STILL BE WELL VENTILATED, HOWEVER, AS
LIQUID PROPANE ALSO RELEASES CARBON MONOXIDE. THIS
MEANS THAT EXTREME CAUTION MUST STILL BE USED WHEN
USING THIS FUEL SOURCE.

MACHINE MANUAL BP-10-27
SAFETY
©2010 Blastpro Manufacturing, Inc.
®
9
• Each worker has a carbon monoxide monitor on their persons. These
carbon monoxide monitors should be calibrated, in working order, and
should be equipped with audible alarms that will warn workers if carbon
monoxide levels become too high. IF CARBON MONOXIDE LEVELS
EXCEED 35 PARTS PER MILLION, ALL WORK MUST CEASE
IMMEDIATELY! THIS REPRESENTS A POTENTIALLY DEADLY
SITUATION WHICH NECESSITATES AN IMMEDIATE SHUTDOWN.
• All workers have received training on the dangers of overexposure to
carbon monoxide. Staff members must also be able to identify all of the
signs and the symptoms associated with carbon monoxide poisoning.
This training should ensure that work would stop immediately and
emergency medical personnel would be notified promptly if one or more
workers exhibited or complained of any of the common signs and
symptoms associated with carbon monoxide overexposure, including:
headache, nausea, weakness, dizziness, lethargy, visual disturbances,
changes in personality, and/or loss of consciousness.
• All operators and other personnel within the work area have received
training on proper ventilation procedures and on proper operation
procedures for the engine and for other types of equipment.
• FLOORS HAVE BEEN THOROUGLY INSPECTED. SOME FLOOR OR
DECK SURFACES MAY BE COATED WITH OR CONTAMINATED BY
DANGEROUS MATERIALS SUCH AS:
o PCBs
o LEAD
o ASBESTOS
o PESTICIDES
o SOLVENTS
o CLEANING FLUIDS
o AND/OR OTHER HARMFUL CHEMICALS
THE DUST PRODUCED FROM SHOT BLASTING SUCH SURFACES
CAN CREATE A SERIOUS HEALTH THREAT TO THOSE WHO INHAIL
OR COME INTO CONTACT WITH THE DUST. THE WORK AREA
MUST BE CHECKED FOR THESE MATERIALS BEFORE WORK CAN
BEGIN. BLASTPRO MANUFACTURING, INC. DOES NOT WARRANT
ITS EQUIPMENT TO BE SUITABLE FOR, OR APPROVED FOR,
REMOVING DANGEROUS MATERIALS. IT IS THEREFORE THE
RESPONSIBILITY OF THE CONTRACTOR TO CONFIRM THE SAFETY
OF THE WORK AREA AND THE EQUIPMENT WITH THE PROPER
AUTHORITIES. IT IS ALSO THE RESPONSIBILITY OF THE
CONTRACTOR TO WARN ALL STAFF MEMBERS OF ALL THE

MACHINE MANUAL BP-10-27
SAFETY
©2010 Blastpro Manufacturing, Inc.
®
10
POTENTIAL SHORT-TERM AND LONG-TERM HEALTH RISKS
ASSOCIATED WITH INHALING AND COMING INTO CONTACT WITH
DANGEROUS MATERIALS. THE CONTRACTOR IS RESPONSIBLE
FOR PROTECTING ALL WORKERS FROM BEING EXPOSED TO
DANGEROUS MATERIALS. SINCE THE BP-10-27 SHOT BLASTING
MACHINE HAS NOT BEEN DESIGNED TO REMOVE, CLEAN,
PROFILE, OR ALTER ANY SURFACE COATED WITH OR OTHERWISE
CONTAMINATED BY DANGEROUS MATERIALS, BLASTPRO
MANUFACTURING, INC. EXPRESSLY DISCLAIMS ANY LIABILITY
FOR INJURY, ILLNESS, DEATH, OR DAMAGE THAT MIGHT OCCUR
OR RESULT FROM SUCH IMPROPER USE.
• Operator and any other personnel in the work area are wearing safety
glasses with side shields, dust masks, ear plugs, hard hats, steel toed
work boots, long sleeved shirts, tight fitting clothing, and gloves. It is also
imperative for staff to tie back long hair and to remove all jewelry.
• Work area has been blocked off to pedestrians, unprotected personnel,
and untrained personnel. In the event pedestrians, unprotected
personnel, or untrained personnel enter the work area, blasting operations
are to be stopped immediately.
• Fire extinguishers are nearby. Also, take note of the location and the
contact information of fire departments close to the work site.
• All guards and protective shields are properly installed and secured.
• All glass and equipment, including vehicles, are protected from steel shot.
This can be done by loosely hanging a sheet of visqueen or other
protective material in front of the glass or equipment in a curtain-like
fashion. The importance of protecting glass and equipment from steel
shot cannot be overemphasized.
• Plug or cover all floor drains to prevent steel shot from falling into the
drains.
• This equipment is only to be used for commercial purposes. This
equipment is only to be operated by professional, trained, and competent
operators.
• The operator must be aware of their surroundings and use common
sense. THE OPERATOR IS NOT TO OPERATE THE EQUIPMENT IF
HE IS TIRED, DISTRACTED, OR UNDER THE INFLUENCE OF DRUGS,
ALCOHOL, OR MEDICATION THAT DECREASES AWARENESS.

MACHINE MANUAL BP-10-27
SAFETY
©2010 Blastpro Manufacturing, Inc.
®
11
SECTION 2.4: PERSONAL PROTECTIVE EQUIPMENT
All personnel working with, or in the vicinity of the BP-10-27 should, at a
minimum, utilize the following PPE:
• Protective boots or shoes
• Eye protection with side shields
• Hearing protection
• Appropriate respiratory protection
• Protective leather gloves for handling blades
Additionally, all personnel should utilize a carbon monoxide monitor while
working indoors. The BP-10-27 utilizes an internal combustion engine, which
produces carbon monoxide, or CO. CO can be fatal at high exposure levels. In
addition to CO monitoring equipment, the work site should be properly ventilated
to minimize exposure potential.
All personnel should observe PPE requirements particular to each job site.
SECTION 2.5: OPERATIONAL
When operating the BP-10-27, perform the following safety procedures:
• SUPPORT PERSONNEL MUST KEEP A SAFE DISTANCE FROM THE
MACHINE WHILE IT IS IN OPERATION! DO NOT STAND IN FRONT OF
THE MACHINE WHILE IT IS IN OPERATION.
• Since the speed of the machine determines the depth of its cut, it is
advised that the operator run a test pattern. Failure to run a test pattern
could result in the machine gouging the floor.
• The pattern needs to be inspected by the operator at least every ten feet
as variation in concrete means that the concrete or the coated surface
may be softer in some areas than it is in others.
• Whenever the dust collector becomes full, it must be emptied. Failure to
empty the dust collector could result in the machine losing its suction to
the floor. If this happens, then all of the shot will fall out of the shot
hopper.
• If the gap between the blades and the wear bar is 3/16 of an inch or
greater, then shot will begin to fall out of the machine. Eventually, all shot
will escape if the gap between the blades and the wear bar remains at
3/16 of an inch or greater.

MACHINE MANUAL BP-10-27
SAFETY
©2010 Blastpro Manufacturing, Inc.
®
12
• HYDRAULIC FLUID UNDER PRESSURE IS DANGEROUS AND CAN
CAUSE SERIOUS INJURY OR EVEN DEATH. WHEN IGNITED,
HYDRAULIC FLUIDS CAN EXPLODE AND/OR CAUSE FIRES.
• THE HYDRAULIC SYSTEM RUNS AT OR BELOW 500 PSI, NEVER
LOOK FOR A LEAK WHEN THE BP-10-27 SYSTEM IS UNDER
PRESSURE. HANDS SHOULD NEVER BE USED TO LOOK FOR A
LEAK WHEN THE SYSTEM IS UNDER PRESSURE! EVEN A PINHOLE
LEAK CAN CAUSE SERIOUS INJURY. THE LEAK COULD BE
ALMOST INVISIBLE WHEN ESCAPING FROM A PINHOLE-SIZED
LEAK. ESCAPING HYDRAULIC FLUID UNDER PRESSURE CAN
PIERCE THE SKIN AND ENTER THE BODY. NEVER ALLOW
PERSONNEL TO TOUCH ANY HYDRAULIC LINE OR FITTING WITH
ANY PART OF THEIR BODY WHEN THE SYSTEM IS UNDER
PRESSURE.

MACHINE MANUAL BP-10-27
MAINTENANCE
©2010 Blastpro Manufacturing, Inc.
®
13
SECTION 3.1: START-UP
SECTION 3.2: SHUT DOWN
SECTION 3.3: SHOT SELECTION
SECTION 3.4: TRANSPORT

MACHINE MANUAL BP-10-27
MAINTENANCE
©2010 Blastpro Manufacturing, Inc.
®
14
SECTION 3.1: START-UP
Only trained, authorized personnel should be allowed to run the BP-10-27. If
training is needed, please consult with your Blastpro Manufacturing
representative or authorized distributor.
Prior to start-up, the work surface should be inspected for hidden studs, electrical
boxes, or any other hidden obstructions. These items should be removed or
clearly marked so they can be avoided.
To move machine:
1. Verify that LP bottle is installed and has fuel in it.
2. Verify that the LP bottle valve is turned to the “OPEN” position.
3. Operator should be firmly seated in the operator’s seat.
4. Turn the key switch to start until the motor starts (SEE FIGURE 3.1.1).
5. Increase the RPM enough to move the machine, but not to full throttle.
6. Only raise the blast head enough to clear obstacles. Some abrasive may
escape, so it is important to minimize the gap between the seals and the
surface.
7. Push lever forward to move forward; pull backward to reverse and use the
steering wheel to guide the machine.
8. Move machine to desired location.
Normal Operation:
1. Verify that personnel are competent and that they have read and
understood the safety information in this manual. Make certain that all
personnel follow all safety instructions and programs required by their
company and by the worksite.
2. Verify that the BP-10-27 is on a level, clean, debris-free, and dry surface.
3. Verify that the dust bin in the dust collector is empty.
4. Open propane tank valve.
5. Sit down in the seat of the BP-10-27.
6. Ground drive control lever is centered.
7. Make sure that the throttle is pushed all the way down.
8. Adjust throttle by pulling up on the throttle control.
9. Lock throttle for shot blasting by turning the throttle clockwise.
10. Turn the ignition switch to the ON position.
11. To steer the machine, rotate the steering wheel in the desired direction.
12. Start moving the machine forward and then slowly open up the shot valve
(the slower the machine moves while the blast wheel is engaged, the
deeper the cut will be to the underlying surface).

MACHINE MANUAL BP-10-27
MAINTENANCE
©2010 Blastpro Manufacturing, Inc.
®
15
13. When arriving at a stopping point, shut off the shot valve about ten feet
before stopping the machine. Performing this operation will clear the
machine’s housing of shot which will prevent the BP-10-27 from blasting a
hole in the underlying surface when it comes to a complete stop.
14. Turn ignition switch on BP-10-27 to the OFF position.
FIGURE 3.1.1
Operational Adjustments:
The BP-10-27 can be manipulated to make blasting easier for the operator.
• Wear Bar: Before operating the BP-10-27, the wear bar clearance must
be checked by the operator. The wear bar should have 3/16 of an inch of
clearance for all applications in order to ensure the best blasting results.
After adjusting the wear bar, it is highly recommended that the operator
spin the blast wheel to make certain that all blades have clearance.
• Vacuum Adjust Plate: This plate allows the operator to adjust the amount
of vacuum force that is pulled through the blast housing. It can be
adjusted to alter the amount of air flow allowed. Located within the shot
hopper, opening this plate allows more vacuum force and air flow. Closing
this plate, conversely, dampens/restricts the vacuum force and air flow.
• Front End Lift: Although used primarily for loading and unloading the BP-
10-27, this feature can also be used to adjust the blasting seals while the
IGNITION
WORK LIGHTS
THROTTLE
LIFT
TACH/HOUR METER SPEEDOMETER

MACHINE MANUAL BP-10-27
MAINTENANCE
©2010 Blastpro Manufacturing, Inc.
®
16
machine is in operation. This allows the operator to adjust the seals
without having to stop the machine and manually manipulate the seals.
• Seals: In order to set the seals to the correct height, first make sure that
the machine is on a level surface. Then, put the BP-10-27 in a slow
forward motion. Next, bump the machine lower switch until the front seal
touches the surface being blasted and bends slightly. Finally, stop the
machine and assure that the side seals are also touching the floor.
Additional Operational Considerations:
• SUPPORT PERSONNEL MUST KEEP A SAFE DISTANCE FROM THE
MACHINE WHILE IT IS IN OPERATION. DO NOT STAND IN FRONT OF
THE MACHINE WHILE IT IS IN OPERATION.
• Since the speed of the machine determines the depth of its cut, it is
advised that the operator run a test pattern. Failure to run a test pattern
could result in the machine gouging the floor.
• The pattern needs to be inspected by the operator at least every ten feet
as variation in concrete means that the concrete or the coated surface
may be softer in some areas than it is in others.
• Whenever the dust collector becomes full, it must be emptied. Failure to
empty the dust collector could result in the machine losing its suction to
the floor. If this happens, then all of the shot will fall out of the shot
hopper.
• If the gap between the blades and the wear bar is 3/16 of an inch or
greater, then shot will begin to fall out of the machine. Eventually, all shot
will escape if the gap between the blades and the wear bar remains at
3/16 of an inch or greater.
• HYDRAULIC FLUID UNDER PRESSURE IS DANGEROUS AND CAN
CAUSE SERIOUS INJURY OR EVEN DEATH! WHEN IGNITED,
HYDRAULIC FLUIDS CAN EXPLODE AND/OR CAUSE FIRES.
• THE HYDRAULIC SYSTEM RUNS AT OR BELOW 500 PSI, NEVER
LOOK FOR A LEAK WHEN THE BP-10-27 SYSTEM IS UNDER
PRESSURE. HANDS SHOULD NEVER BE USED TO LOOK FOR A
LEAK WHEN THE SYSTEM IS UNDER PRESSURE. EVEN A PINHOLE
LEAK CAN CAUSE SERIOUS INJURY. THE LEAK COULD BE
ALMOST INVISIBLE WHEN ESCAPING FROM A PINHOLE-SIZED
LEAK. ESCAPING HYDRAULIC FLUID UNDER PRESSURE CAN
PIERCE THE SKIN AND ENTER THE BODY. NEVER ALLOW
PERSONNEL TO TOUCH ANY HYDRAULIC LINE OR FITTING WITH
ANY PART OF THEIR BODY WHEN THE SYSTEM IS UNDER
PRESSURE.

MACHINE MANUAL BP-10-27
MAINTENANCE
©2010 Blastpro Manufacturing, Inc.
®
17
SECTION 3.2: SHUT DOWN
At end of shift or work day:
1. Move machine to level ground for storage.
2. Lower the blast head until the seals just touch the surface.
3. Lower RPM to low idle.
4. Turn key switch to “OFF” position.
5. Remove key to protect against unauthorized operation.
6. Turn the LP bottle valve to “CLOSED” position.
For long term storage:
The steps for long term storage are the same as the end-of-shift/day procedures,
with a few additions. For long term storage, the LP tank should be removed and
stored in a secure location. Additionally, the BP-10-27 should be covered to
protect it from dust and moisture.
Additional Steps for Machine Shut Down or Storage:
• Empty dust from the dust collector. WHEN REMOVING DUST FROM
DUST COLLECTOR, ALWAYS WEAR A PARTICLE MASK.
CONCRETE DUST MAY CONTAIN PARTICLES WHICH ARE
EXTREMELY HAZARDOUS! THESE PARTICLES SHOULD NEVER BE
INHALED.
• Empty all shot from the shot hopper on the BP-10-27. Shot should never
be left in BP-10-27 after work is performed. Never move or transport BP-
10-27 with shot in the shot hopper as this may result in damage to the
equipment.
• AFTER COMPLETING WORK, CLEAN ALL STRAY SHOT FROM
WORK AREA. SHOT CAN BE CLEANED WITH A MAGNETIC BROOM
OR WITH A SHOP VACUUM. NEVER LEAVE STRAY SHOT IN WORK
AREA AS SHOT REPRESENTS A SLIP AND FALL HAZARD!
STEPPING AND FALLING ON STEEL SHOT CAN RESULT IN
SERIOUS INJURY OR EVEN DEATH.

MACHINE MANUAL BP-10-27
MAINTENANCE
©2010 Blastpro Manufacturing, Inc.
®
18
SECTION 3.3: SHOT SELECTION
The BP-10-27 can utilize a variety of shot. Selection of shot is important to
achieve the most efficient removal, cleaning and profiling of the surface.
Incorrect shot selection can lead to increased production times and cost.
In general, if the machine is being used to simply profile a surface, a smaller shot
size should be used. This will provide more impacts per square inch, resulting in
a better profile.
If the job calls for heave removal, a larger shot size should be used. This will
result in fewer impacts, but each impact will carry more momentum for removal.
Jobs involving heavy removal, which also need a more aggressive profile, can
employ mixed shot sizes. This will allow for more efficient removal of material by
the larger shot, while imparting a profile with the smaller shot.
For particularly difficult removal jobs, such as non-skid on naval vessels, grit can
be used. The irregular, angular nature of grit will speed wear on internal
components. Generally, grit should be mixed with shot to achieve a more
aggressive removal, while trying to minimize wear to internal components.

MACHINE MANUAL BP-10-27
MAINTENANCE
©2010 Blastpro Manufacturing, Inc.
®
19
SECTION 3.4: TRANSPORT
Only use factory installed tie-down/lifting lugs when transporting or moving the
equipment (SEE FIGURE 3.4.1).
FIGURE 3.4.1
Verify that lifting straps or chains are rated for the weight of the machine.
Verify that trailer or truck bed is rated for the weight of the machine.
Remove all shot from the hopper and dust from the dust collector prior to loading
onto a truck or trailer.
Never allow personnel to stand under the machine when it is being lifted.
Verify that LP bottle valve is in “CLOSED” position and that the bottle is securely
stored during transport.
TIE DOWN
TIE DOWN
LIFTING LUGS

MACHINE MANUAL BP-10-27
MAINTENANCE
©2010 Blastpro Manufacturing, Inc.
®
20
SECTION 4.1: WEAR BAR REMOVAL AND INSTALLATION
SECTION 4.2: BLAST WHEEL REMOVAL AND INSTALLATION
SECTION 4.3: TOP LINER REMOVAL AND INSTALLATION
SECTION 4.4: BLADE REMOVAL AND INSTALLATION
SECTION 4.5: DUST COLLECTOR FUNCTION AND MAINTENANCE
SECTION 4.6: PARTS LIST
SECTION 4.7: ELECTRICAL SCHEMATIC

MACHINE MANUAL BP-10-27
MAINTENANCE
©2010 Blastpro Manufacturing, Inc.
®
21
SECTION 4.1: WEAR BAR REMOVAL AND INSTALLATION
PLACE THE MACHINE INTO MAINTENANCE MODE PRIOR TO
PERFORMING ANY MAINTENANCE. SEE SECTION 2.2.
When the blast wheel is turned the blades are as close as possible to the wear
bar. There should be a gap of no more than 1/8 of an inch. If the gap is greater
than 1/8 of an inch, the wear bar will need to be repositioned.
Caution: All power must be disconnected and all rotation parts completely
stopped before attempting any maintenance procedure.
1. Remove the Pinch Bar retaining lug.
2. Insert a slide hammer into the threaded hole in the end of the Pinch Bar.
NOTE: Slide hammer is provided with all Pinch Bar machines.
3. Withdraw the Pinch Bar from the blast head.
4. Insert the new Pinch Bar and tap into place with a hammer.
5. Reinstall the Pinch Bar lug bolt.
Caution: All power must be disconnected and all rotation parts completely
stopped before attempting any maintenance procedure.
1. Remove the Pinch Bar retaining lug.
2. Rotate the Pinch Bar clockwise one notch if it does not exceed 1/8 inch from
blast wheel blades.
3. If Pinch Bar gap is larger than 1/8 inch, the Pinch Bar should be rotated two
(2) notches clockwise.
4. Rotate Pinch Bar with a large adjustable wrench.
5. Reinstall the Pinch Bar lug bolt.

MACHINE MANUAL BP-10-27
MAINTENANCE
©2010 Blastpro Manufacturing, Inc.
®
22
FIGURE 4.1.1
SECTION 4.2: BLAST WHEEL REMOVAL AND INSTALLATION
PLACE THE MACHINE INTO MAINTENANCE MODE PRIOR TO
PERFORMING ANY MAINTENANCE. SEE SECTION 2.2.
Blast Wheel Removal:
1. Belts:
a) Remove the seat for better access to the work area.
b) Remove the lower portion of the belt guard and take the six belts off the
blast wheel sheave using a flathead screwdriver.
2. Taper Lock and Sheave Assembly:
a) Remove the two set screws from the taper lock.
b) Install one set screw in the hole, which did not originally have a set screw.
c) Tighten the set screw until you hear the taper lock “pop”. If the taper lock
does not pop, tap the outside of it lightly with a hammer.
d) Slide the taper lock off the shaft. If the assembly does not slide off the
shaft easily, insert a screwdriver in the slot and pull off.
Note: Be careful not to pry open too far as the taper lock can split in half.
WEAR BAR
RETAINING CLIP

MACHINE MANUAL BP-10-27
MAINTENANCE
©2010 Blastpro Manufacturing, Inc.
®
23
3. Bearing Collar:
a) Remove the two Allen head set screws on each of the two bearing collars.
b) Remove the bearing collars.
4. Blast Wheel Bearing:
a) Remove the two bolts holding the outside bearing.
b) Pry the outside bearing off of the shaft.
5. Inspection Plate:
a) Remove the two bolts, which connect the inspection plate to the housing.
b) Remove the inspection plate.
6. Cover Plate:
a) Remove the four nuts, which connect the cover plate to the housing.
b) Remove the cover plate.
7. Blast Wheel:
1. Remove the blast wheel drum by pulling the drum shaft through the inside
bearing.
Note: If the drum shaft is resistant to come through the bearing, you may
use a block of wood and a hammer to force it through.
Install the new blast wheel by reversing the blast wheel removal steps listed
above. Make sure that all the liners come together, that the blast wheel blades
are aligned and are parallel to the edge of the wear bar, and that the blast wheel
is centered equidistant from both sides of the inside of the housing.
SECTION 4.3: TOP LINER REMOVAL AND INSTALLATION
PLACE THE MACHINE INTO MAINTENANCE MODE PRIOR TO
PERFORMING ANY MAINTENANCE. SEE SECTION 2.2.
Top Liner Removal:
1. COMPLETE BLAST WHEEL REMOVAL BEFORE ATTEMPTING TO
REMOVE THE TOP LINER.
2. Remove the two 1/2 inch bolts and washers that hold the top liner in
place.
Note: These bolts and washers are on both sides of the outside of
the housing, just above and to the rear of the machine from where
the blast wheel is.
3. There is a nut behind a protective bar attached to the bottom front on
the top liner; loosen this nut all the way.

MACHINE MANUAL BP-10-27
MAINTENANCE
©2010 Blastpro Manufacturing, Inc.
®
24
Note: You will have to go underneath and inside the housing to
access this nut.
4. Rotate the top liner slightly clockwise until you can see the tabs
through a small square cutout that the bolts went in to.
5. Pull the top liner out.
Top Liner Installation:
Install the new top liner by reversing the top liner removal steps listed above.
SECTION 4.4: BLADE REMOVAL AND INSTALLATION
PLACE THE MACHINE INTO MAINTENANCE MODE PRIOR TO
PERFORMING ANY MAINTENANCE. SEE SECTION 2.2.
1. Remove inspection plate below outside blast wheel bearing by removing
the 1/2 inch nuts and washers and the one 3/8 inch nut and washer (SEE
FIGURE 4.4.1).
2. Remove the liner located behind the outside inspection plate.
3. Remove the four Allen head screws that hold the blade retainers.
a. Rotate blast wheel until one of the blades is straight up.
b. Insert Allen wrench through the small notch at the top center of the
blast wheel retaining plate.
c. Remove the screw.
d. Rotate blast wheel ninety degrees, or a quarter of a turn, and
remove the next screw.
e. Repeat two more times.
4. Pull retaining ring out and allow it to drop down.
5. Remove each blade individually by pulling each out with pliers or vice
grips and then turning the blast wheel one quarter of a turn to remove the
next blade.
Note: If the blade is difficult to remove, then it may be necessary to
remove the inside inspection plate and knock the blade out with a
hammer and a large punch or something similar.
6. Replace blades individually in the same manner that they were removed.
Note: Never replace individual blades. When replacing blades, all
must be removed and replaced as a set.
7. Replace retainers and screws.
8. Replace the half moon liner and upper outside inspection plate.

MACHINE MANUAL BP-10-27
MAINTENANCE
©2010 Blastpro Manufacturing, Inc.
®
25
FIGURE 4.4.1
SECTION 4.5: DUST COLLECTOR FUNCTION AND MAINTENANCE
Dust Collector Function:
The BP-10-27 shot blasting machine is equipped with an auto pulse dust
collector that helps to both separate the dust from the shot and to return clean air
back into the environment.
The most fundamental part of the dust collector is referred to as the filter
chamber. Air containing dust particles enters the filter chamber from the
blasthead via the exhaust hose. This air then moves into the dust collector inlet
connection located on the left, front side of the dust collector. Next, the air
passes through a plenum and moves through eight filter cartridges. These eight
filter cartridges capture the dust particles and prevent them from moving on with
the air. Now dust-free, the air then passes to the clean air portion of the dust
collector where it is subsequently released back into the environment by way of
the silencer box.
The dust captured by the filter cartridges is removed at regular intervals. This
dust is removed by the pulsing of the filter cartridges with a blast of compressed
air released from the header tank by means of a diaphragm valve. One of the
BP-10-27’s three blow-down tubes delivers the compressed air. The temporary
pulse of compressed air causes the dust to plummet into the dust bins located at
INSPECTION
PLATE
BLADE ACCESS
NOTCH

MACHINE MANUAL BP-10-27
MAINTENANCE
©2010 Blastpro Manufacturing, Inc.
®
26
the base of the filter chamber. Three filters are sequentially pulsed. The timing
of the pulsing is determined by a timer board which is located in the control box
on the front of the dust collector. The timer board is typically configured so as to
pulse a three filter section every ten seconds. The timer board acts to determine
the time between pulses and the length of each pulse. Venturi valves are
positioned above each filter cartridge to increase the effectiveness of the filter
cleaning process.
Dust Collector Maintenance:
The dust collector must be examined on a regular basis. This is because
adequate ventilation is essential for the dust collector. It is therefore essential
that the following areas are routinely examined.
• Leaks on the blower housing assembly seal and on the dust collector
access door seal should be kept at a minimum. The dust collector access
door seal can be checked for leaks by carefully feeling for air leaks around
the seal.
• Check door seal for missing or damaged sections.
• The hose connections between the blast head and the dust collector must
be tight and kept in place with the use of metal clamps.
• The hose must be in good condition. Flattened spots, holes, and wear
spots should be corrected without haste. Hose must be replaced if
necessary.
• Filter cartridges must be kept in good, working condition.
If the dust collector is not in proper, working order, this can have a detrimental
effect on the entire system. Improper ventilation can result in inadequate
abrasive cleaning which hastens blast wheel and liner wear. It is essential that
the dust collector be well maintained. A dust collector that receives timely,
regular maintenance will result in less abrasive contamination which will help to
both reduce operating costs and increase overall effectiveness.

MACHINE MANUAL BP-10-27
MAINTENANCE
©2010 Blastpro Manufacturing, Inc.
®
27
Filter Cartridge Removal:
PLACE THE MACHINE INTO MAINTENANCE MODE PRIOR TO
PERFORMING ANY MAINTENANCE. SEE SECTION 2.2.
Filter cartridges can be accessed through the same door from which the dust is
removed. To remove filter cartridges:
1. Remove dust from the dust collector with a shovel.
2. Remove wing nut from the bottom of the filter cartridge.
3. Slide filter cartridge down hanger rod.
To replace filter cartridges reverse steps 2-3 above.

MACHINE MANUAL BP-10-27
MAINTENANCE
©2010 Blastpro Manufacturing, Inc.
®
28
SECTION 4.6: PARTS LIST
PART NUMBER DESCRIPTION QTY
BT08300173 10-18 SEAL PINCH BAR 1
BTSL023506 SIDE SEAL FOR BLASTHOUSING 2
BTSL023507 FRONT SEAL FOR BLASTHOUSING 1
BTWP163711 REAR BRUSH 1
BTWP193708 ABRASIVE CONTROL SEAL 1
BTWP183709 RETAINER/ABR CNTL VALVE SEAL/ 2
BTWP103710 PINCH BAR LINER 1018 1
BTWP103713 LOWER PINCH BAR LINER 10-18 1
BTP000524 BLASTHOUSING 10-27 1
BTP000526 BLAST HOUSING INSP COVER 10-18 1
BTWP033710 PINCH BAR 1018 1
BT08300044 RETAINER OUTER PINCH BAR 10-18 1
BT06150031 3/3V 4.75 SHEAVE 1
BT06300024 1610 X 1 TL BUSHING 1
BT06100006 3VX425 V-BELT/BLASTWHEEL 1018 3
BTP001083 2 BOLT FLANGE BR 1018 BW 2
BT08300170 SHAFT SEAL GPX 10-18LP 2
BT08300173 10-18 SEAL PINCH BAR 1
BTP000525 HOUSING COVER PLATE 10-18 1
BTWKIT1018 DOVETAIL BLADES 1018/ SET OF 3 1
BTP001183 BELT GUARD/FRONT/GPX 10-18 1
BT4835510 CLAMP/DE-STA-CO 351 1
BT4835510-BLOCK BT4833510-MOUNTING BLOCK 1
SHAFT COLLAR-05 1" SHAFT COLLAR 4
BT06430030 10 X 3 CASTER 10-18 3
BT02100002 1" PILLOW BLOCK BEARING 10-18 1
BT07300010 TRANSAXLE CABLE 10-18 1
BT03400013 E CLIP/FOR 1.0" OD SHAFT .822 2
BT03500004 Wave Washer, 1" I.D. 2
BT4528370 OFF SET LINK # 40 CHAIN 1
BT4920110 CHAIN ASA #40 10'feet 1 box 2
BT4920110-1 MASTER LINK #40 CHAIN 1
BT02110025 10-18 PILOT BEARING 1" STEERIN 2
BT02110026 10-18 LIFT PILOT BEARING 2
BT08300137-A 1 SPROCKET 1
BT08300007 FRONT FORK ASSEMBLY 1018 1
BT06300064 1500 LB LIFT ACTUATOR 10-18 1
BT-06-550-17 RIGHT ANGLE CORD GRIP 4
BTP000510 DECK WELDMENT 10-18 1
BT06600001 TRANSAXLE ASSBLY 10-18 1
BT06800001 PUMP TRANSAXLE/ CCW ROTATION 1
BT06300030 17MM TAPERLOCK/FOR 06150002 1
BT06300064 1500 LB LIFT ACTUATOR 10-18 1

MACHINE MANUAL BP-10-27
MAINTENANCE
©2010 Blastpro Manufacturing, Inc.
®
29
BT08300075 KEY/REAR WHEEL GPX 10-18 2
BT03400013 E CLIP/FOR 1.0" OD SHAFT .822 2
BTP004043 1018 DUST COLLECTOR 1
BT4984990 HANGER RODS 9-54 6
BT4932060 FILTER/ELEMENT 6-54 9-54 6
BT06150007 1GR3V6.9 PULLEY 10-27 1
BT02110003 2 BOLT FLANGE BRG 1 1/8" 2
BT09100002 HOUSING/BLOWER #PB-12A CCW 1
BT09200003 BLOWER/WHEEL 14 X 3.25 1
BT4835510 CLAMP/DE-STA-CO 351 2
BT4835510-BLOCK BT4833510-MOUNTING BLOCK 2
BP75000001 SHEAVE BLOWER SHAFT 10-18 1
BP75000002 T/L BUSHING BLOWER SHAFT 10-18 1
BT6765530 GOYEN VALVE 9-54 dust coll-17 2
BTP001181 WIRING HARNESS 1018 1
BTP004044 SILENCER BOX 1018 1
ZT-00043 COMPRESSOR 1
ZT-00043-1 FILTER/SILENCER 1
BT06150001 SHEAVE/TL 1A4.2BF.6-1610 1
BTP003734 ENGRAVED LEGEND PLATE 10-18 1
BT-06300065 500 LB ACTUATOR 1018 1
BT6749040 VENTURI 2186900 6
ZT-00006 GEAR BOX BELT-3VX560 1
BELT SYSTEMS-05 3VX710 V-BELT 1
BT06100006 3VX425 V-BELT/BLASTWHEEL 1018 3
BT06120005 ACCULINK BELT 5
BT03130002 U BOLT 7/16" X 2" X 5" 10-27 4
BP1027-0001 36" BRAIDED AIRLINE 1
BT6916120 SHOT VALVE NIPPLE 1
BTP004104 ENGINE ASSEMBLY 27 HP 1
BTP001409-27HP 27HP MOTOR FOR 10-27 1
BT06150045 SHEAVE/TL 4GR3V8.0-2517 1
BT06300025 1610 TAPERLOCK 1 1/8" 1
BT06300052 2517 X 1 1/8" TL BUSHING 1
BT07100030 MUFFLER TIP 1018/BMS 270 1
BTP000882 IDLER ASSEMBLY GPX 10-18 1
BTP003066 TERMINAL HOUSING 5P CABLE 1018 1
PIPE ELBOW-01 3/8" ELBOW BLACK PIPE 1
PIPE NIPPLES-07 3/8" X 6" BLACK PIPE NIPPLE 1
PIPE NIPPLES-06 3/8" X 3" BLACK PIPE NIPPLE 1
PIPE CAP-01 3/8" PIPE CAP BLACK 1
BTP001409-8 VAPORIZER ASSBLY/W FILTER 1
BTP001409-13 REGULATOR 25HP/KOEHLER 1
BP75000503 3/8" LPG GAS HOSE 1

MACHINE MANUAL BP-10-27
MAINTENANCE
©2010 Blastpro Manufacturing, Inc.
®
30
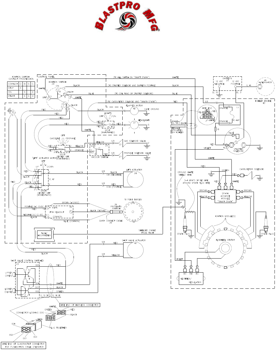
SECTION 4.7: ELECTRICAL SCHEMATIC

MACHINE MANUAL BP-10-27
MAINTENANCE
©2010 Blastpro Manufacturing, Inc.
®
31
SECTION 4.8: MAINTENANCE CHECK LIST
The items on the check list must be inspected before each operation. This will
maximize production and minimize down time. Always place machine into
“Maintenance Mode” prior carrying out any maintenance or repairs. See
Machine Manual Section 2.2.
Blast wheel Check for balance and excessive wear.
Blades Check for excessive wear. Change blades
as a kit.
Top and Lower liner Check for excessive wear; Change when ½
worn through.
Pinch Bar Check for proper clearance and excessive
wear.
Pinch Bar/Blade Gap
Gap should be approximately 1/8” – 3/16”.
Rotate pinch bar ¼ turn every 8 hours of
operation.
Blast Wheel Bearings
Check and tighten set screws as necessary.
Apply 5 pumps of grease every 8-10 hours
of operation
2
.
Shot Valve Check for shot leaks.
Filters
Inspect filters for damage. Replace if
clogged with dust. DO NOT BANG
FILTERS ON THE GROUND.
Engine Oil Check level. Change oil every 100 hours
1
.
Air Cleaner Check for dirty, loose or damaged parts.
Change every 100 hours
1
.
Transmission Oil Inspect transmission for leaks.
Axle Seals Inspect for leaks.
Blast Housing seals
Inspect for excessive wear. Insure seals
provide a solid seal around the blast
housing.
Blower Bearings
Check and tighten set screws as necessary.
Apply 5 pumps of grease every 8-10 hours
of operation
2
.
Steering Assembly
Check chain tension. Check and tighten set
screws as necessary. Apply 1 pump of
grease to bearings every 40 hours of
operation
2
.
Belts Check condition and tension. Re-tension as
necessary and replace damaged belts.

MACHINE MANUAL BP-10-27
MAINTENANCE
©2010 Blastpro Manufacturing, Inc.
®
32
Idler Assembly
Check and tighten set screws as necessary.
Apply 1 pump of grease to bearing every 40
hours.
1
Dust Collector Latches
Verify latches securely close the dust
collector door. Adjust as necessary.
Replace damaged latches.
Air Compressor Oil
2
Check level.
Change at 20 hours (New comp. break in)
Change at 40 hours (New comp. break in)
Change every 100 hours (Following break in
period).
3
Air Tank Water Drain Drain water from the air tank.
Other Engine
Maintenance
See Engine “Owner’s Manual” for additional
maintenance points and schedule
1. Care should be taken not to over-grease bearings.
Recommended: Mystik JT6 Hi-Temp multi-purpose grease.
2. Use only SAE 30, non-detergent, single-viscosity, compressor oil.
3. Perform maintenance interval more frequently under extremely dusty
conditions.

MACHINE MANUAL BP-10-27
MAINTENANCE
©2010 Blastpro Manufacturing, Inc.
®
33
4.

MACHINE MANUAL BP-10-27
MAINTENANCE
©2010 Blastpro Manufacturing, Inc.
®
34




2924 690 32 Rev. -- KohlerEngines.com
Propane EFI System
W
B
A
D
M
W
K
I
M
S
P
H
Y
OC
A
K
X
N
QR
J
G
U
T
G B F B B M B H H D B F H M M L G L M E F M MJ
KMGB
ZAJ
AI
AH
AG
AFAEADACAB
AA
V
D
EFI Wiring Diagram 5-Terminal Connector (Key Switch Optional)
ARed BRed/Black CRed/White DYellow ELight Green
FDark Green GDark Blue HPurple IPink JTan
KWhite LGrey MBlack NStator ORectiÞ er-Regulator
P30A Fuse QBattery RVaporizer/Regulator/
Lock-Off
S5-Terminal Connector TStarter Motor
UOil Pressure Switch VMIL W10A Fuse XBlack Connector YGrey Connector
ZFuel Injector #1 AA Fuel Injector #2 AB Ignition Coil #1 AC Ignition Coil #2 AD Crankshaft Position
Sensor
AE Oxygen Sensor AF Throttle Position
Sensor
AG Manifold Absolute
Pressure Sensor
AH Oil Temperature
Sensor
AI Intake Air
Temperature Sensor
AJ Diagnostic Connector


24 590 35 Rev. D KohlerEngines.com
Owner's Manual
IMPORTANT: Read all safety precautions and instructions carefully before
operating equipment. Refer to operating instruction of
equipment that this engine powers.
Ensure engine is stopped and level before performing any
maintenance or service.
Warranty coverage as outlined in warranty card and on
KohlerEngines.com. Please review carefully as it provides you
specifi c rights and obligations.
To maintain compliance with applicable emission regulations,
exhaust system backpressure may not exceed limits which can
be found on KohlerEngines.com. Search by Model No., select
Read More, then select Specs tab.
Record engine information to reference when ordering parts or obtaining warranty coverage.
Engine Model
Specifi cation
Serial Number
Purchase Date
PCH680, PCH740
PCV680, PCV740
Propane Electronic Fuel Injection (EFI)

2 24 590 35 Rev. DKohlerEngines.com
Safety Precautions
WARNING: A hazard that could result in death, serious injury, or substantial property damage.
CAUTION: A hazard that could result in minor personal injury or property damage.
NOTE: is used to notify people of important installation, operation, or maintenance information.
WARNING
Explosive Fuel
can cause fi res
and severe
burns.
If a gaseous
odor is detected,
ventilate area
and contact
an authorized
service
technician.
Propane is extremely
fl ammable and is heavier
than air and tends to settle
in low areas where a spark
or fl ame could ignite gas.
Do not start or operate this
engine in a poorly ventilated
area where leaking gas
could accumulate and
endanger safety of persons
in area.
To ensure personal safety,
installation and repair
of propane fuel supply
systems must be performed
only by qualifi ed propane
system technicians.
Improperly installed and
maintained propane
equipment could cause
fuel supply system or other
components to malfunction,
causing gas leaks.
Observe federal, state
and local laws governing
propane fuel, storage, and
systems.
WARNING
Carbon
Monoxide can
cause severe
nausea, fainting
or death.
Avoid inhaling
exhaust fumes.
Engine exhaust gases
contain poisonous carbon
monoxide. Carbon
monoxide is odorless,
colorless, and can cause
death if inhaled.
WARNING
High Pressure
Fluids can
puncture skin
and cause
severe injury or
death.
Do not work
on fuel system
without proper
training or safety
equipment.
Fluid puncture injuries are
highly toxic and hazardous.
If an injury occurs, seek
immediate medical attention.
WARNING
Rotating Parts
can cause
severe injury.
Stay away while
engine is in
operation.
Keep hands, feet, hair,
and clothing away from all
moving parts to prevent
injury. Never operate engine
with covers, shrouds, or
guards removed.
CAUTION
Electrical Shock
can cause injury.
Do not touch
wires while
engine is
running.
California Proposition 65 Warning
Engine exhaust from this product contains chemicals known
to State of California to cause cancer, birth defects, or other
reproductive harm.
WARNING
Accidental
Starts can cause
severe injury or
death.
Disconnect and
ground spark
plug lead(s)
before servicing.
Before working on engine or
equipment, disable engine
as follows: 1) Disconnect
spark plug lead(s). 2)
Disconnect negative (–)
battery cable from battery.
Before disconnecting
negative (-) ground cable,
make sure all switches
are OFF. If ON, a spark
will occur at ground cable
terminal which could cause
an explosion if hydrogen
gas or propane fuel vapors
are present.
WARNING
Hot Parts can
cause severe
burns.
Do not touch
engine while
operating or just
after stopping.
Never operate engine with
heat shields or guards
removed.
California Proposition 65 Warning
This product contains chemicals known to State of California to
cause cancer, birth defects, or other reproductive harm.

3
24 590 35 Rev. D KohlerEngines.com
I
KJ
L
P
M
E
F
G
N
O
D
B
A
C
H
Q
Y
S
T
Z
AB
U
W
R
AC
V
X
AD
AE
AA
AEnd Cap BElement CInner Element DRetaining Clip
EInlet Screen FAir Cleaner
Housing GEjector Area HHeavy-Duty Air
Cleaner
IAir Cleaner
Knob JWing Nut KAir Cleaner
Cover LElement Cover
MPrecleaner NPaper Element OAir Cleaner
Base PRubber Seal
QLow-Profi le Air
Cleaner RDebris Screen SOil Filter TVaporizer/
Regulator
U
Vaporizer/
Regulator Inlet
Filter
V
Vaporizer/
Regulator Drain
Plug
WLock-Off XUnique EFI Fuel
Filter
YSpark Plug ZOil Cooler AA Oil Fill/Dipstick AB Filter Minder
AC Oil Fill AD Oil Drain Plug AE Dipstick
Visit KohlerEngines.com for service parts information and purchasing options.

4 24 590 35 Rev. DKohlerEngines.com
Pre-Start Checklist
1. Check oil level. Add oil if low. Do not overfi ll.
2. Check fuel gauge (if equipped). If propane
tank is low, have it refi lled. Check fuel system
components and lines for leaks.
3. Check and clean cooling areas, air intake
areas and external surfaces of engine
(particularly after storage).
4. Check that air cleaner components and all
shrouds, equipment covers, and guards are
in place and securely fastened.
5. Check spark arrestor (if equipped).
Starting
WARNING
Carbon Monoxide can cause
severe nausea, fainting or death.
Avoid inhaling exhaust fumes.
Engine exhaust gases contain poisonous
carbon monoxide. Carbon monoxide is
odorless, colorless, and can cause death if
inhaled.
WARNING
Rotating Parts can cause severe
injury.
Stay away while engine is in
operation.
Keep hands, feet, hair, and clothing away
from all moving parts to prevent injury. Never
operate engine with covers, shrouds, or
guards removed.
NOTE: Do not crank engine continuously for
more than 10 seconds. Allow a 60
second cool down period between
starting attempts. Failure to follow
these guidelines can burn out starter
motor.
NOTE: Upon start-up, a metallic ticking may
occur. Run engine for 5 minutes. If
noise continues, run engine at mid
throttle for 20 minutes. If noise persists,
take engine to your local Kohler
authorized dealer.
1. Place throttle control midway between slow
and fast positions.
2. Slowly turn fuel valve on propane tank to full
open position.
3. Turn key switch to START position. Release
switch as soon as engine starts. If starter
does not turn engine over, shut off key switch
immediately. Do not make further attempts to
start engine until condition is corrected. Do
not jump start. See your Kohler authorized
dealer for trouble analysis.
Cold Weather Starting Hints
1. Use proper oil for temperature expected.
2. Disengage all possible external loads.
Stopping
1. If possible, remove load by disengaging all
PTO driven attachments.
2. Turn fuel valve to full closed position and
allow engine to continue running until it runs
out of fuel. Turn key switch to OFF position.
Angle of Operation
Refer to operating instructions of equipment
this engine powers. Do not operate this engine
exceeding maximum angle of operation; see
specifi cation table. Engine damage could result
from insuffi cient lubrication.
Engine Speed
NOTE: Do not tamper with governor setting to
increase maximum engine speed.
Overspeed is hazardous and will void
warranty.

5
24 590 35 Rev. D KohlerEngines.com
Maintenance Instructions
WARNING Before working on engine or equipment, disable
engine as follows: 1) Disconnect spark plug
lead(s). 2) Disconnect negative (–) battery cable
from battery.
Accidental Starts can cause
severe injury or death.
Disconnect and ground spark
plug lead(s) before servicing.
Normal maintenance, replacement or repair of emission control devices and systems may be
performed by any repair establishment or individual; however, warranty repairs must be performed
by a Kohler authorized dealer found at KohlerEngines.com or 1-800-544-2444 (U.S. and Canada).
For safety and health reasons, many states require special licensing or certifi cation for servicing
propane fuel systems. Check local and state regulations before choosing a repair establishment to
perform fuel system repairs.
Maintenance Schedule
Every 25 Hours1
● Service/replace low-profi le precleaner (if equipped).
Every 100 Hours1
● Check oil cooler fi ns, clean as necessary (if equipped).
● Change oil.
● Replace low-profi le air cleaner element (if equipped).
● Remove cooling shrouds and clean cooling areas.
Every 150 Hours1
● Check heavy-duty fi lter minder.
● Inspect heavy-duty air fi lter paper element and inlet screen area.
Every 200 Hours1
● Change oil fi lter.
● Replace unique EFI fuel fi lters.
Every 300 Hours1
● Replace heavy-duty air cleaner element and check inner element.
Every 500 Hours or Annually1
● Check all lines (high pressure/vacuum) including fi ttings for leaks.
● Drain vaporizer/regulator of accumulated fuel deposits.
● Replace spark plugs and set gap.
Every 500 Hours or Annually1,2
● Inspect lock-off assembly for damage/leakage.
● Have combustion deposits removed if using non-synthetic oil.
Every 600 Hours or Annually1
● Replace heavy-duty air cleaner inner element.
Every 1500 Hours1,2
● Have vaporizer/regulator tested.
1 Perform these procedures more frequently under severe, dusty, dirty conditions.
2 Must be performed by a Kohler authorized dealer or qualifi ed propane personnel only.

6 24 590 35 Rev. DKohlerEngines.com
Oil Recommendations
Synthetic oil is recommended for use in
propane fueled engines. Non-synthetic oil must
be low ash* rated oil. Oils (including synthetic)
must meet API (American Petroleum Institute)
service class SG, SH, SJ, or SL. Select
viscosity based on air temperature at time of
operation as shown in table below.
*Low ash is defi ned as less than 1% sulfated
ash.
°F -20 020324060
50 80 100
°C -30 -20 -10 0 10 20 30 40
5W-30
10W-30
SAE 30
Check Oil Level
NOTE: To prevent extensive engine wear or
damage, never run engine with oil level
below or above operating range
indicator on dipstick.
Ensure engine is cool. Clean oil fi ll/dipstick
areas of any debris.
1. Remove dipstick; wipe oil off.
a. Press-in cap: reinsert dipstick into tube;
press completely down.
or
b. Thread-on cap: reinsert dipstick into
tube; rest cap on tube, do not thread cap
onto tube.
2. Remove dipstick; check oil level. Level
should be at top of indicator on dipstick.
3. If oil is low on indicator, add oil up to top of
indicator mark.
4. Reinstall and secure dipstick.
Change Oil and Filter
Change oil while engine is warm.
1. Clean area around oil fi ll cap/dipstick and
drain plug. Remove drain plug and oil fi ll cap/
dipstick. Allow oil to drain completely.
2. Clean area around oil fi lter. Place a container
under fi lter to catch any oil and remove fi lter.
Wipe off mounting surface. Reinstall drain
plug. Torque to 10 ft. lb. (13.6 N·m).
3. Place new fi lter in shallow pan with open end
up. Fill with new oil until oil reaches bottom of
threads. Allow 2 minutes for oil to be
absorbed by fi lter material.
4. Apply a thin fi lm of clean oil to rubber gasket
on new fi lter.
5. Refer to instructions on oil fi lter for proper
installation.
6. Fill crankcase with new oil. Level should be
at top of indicator on dipstick.
7. Reinstall oil fi ll cap/dipstick and tighten
securely.
8. Start engine; check for oil leaks. Stop engine;
correct leaks. Recheck oil level.
9. Dispose of used oil and fi lter in accordance
with local ordinances.
Oil Sentry™ (if equipped)
This switch is designed to prevent engine
from starting in a low oil or no oil condition. Oil
Sentry™ may not shut down a running engine
before damage occurs. In some applications
this switch may activate a warning signal. Read
your equipment manuals for more information.

7
24 590 35 Rev. D KohlerEngines.com
Fuel Recommendations
WARNING
Explosive Fuel can cause fi res
and severe burns.
If a gaseous odor is detected,
ventilate area and contact an
authorized service technician.
Propane is extremely fl ammable and is
heavier than air and tends to settle in low
areas where a spark or fl ame could ignite
gas. Do not start or operate this engine in
a poorly ventilated area where leaking gas
could accumulate and endanger safety of
persons in area.
To ensure personal safety, installation and
repair of propane fuel supply systems must
be performed only by qualifi ed propane
system technicians. Improperly installed and
maintained propane equipment could cause
fuel supply system or other components to
malfunction, causing gas leaks.
Observe federal, state and local laws
governing propane fuel, storage, and
systems.
This engine is certifi ed to operate on
commercial propane (per GPA STD 2140). If
you have any questions, contact your propane
supplier.
Propane from an appropriate propane fuel tank
(supplied separately) is required to operate this
engine.
Vaporizer/Regulator
In compliance with government emission
standards, vaporizer/regulator is preset
at factory to provide proper supply of fuel.
No adjustment or resetting of vaporizer/
regulator is to be made. All service relating to
vaporizer/regulator must be performed by a
Kohler authorized dealer or qualifi ed propane
personnel only.
Vaporizer/regulator can change propane from
supply tank to a gaseous/vapor state.
Lock-Off assembly opens and closes controlling
fuel fl ow from supply tank before reaching
vaporizer/regulator.
Over time, fuel deposits can accumulate inside
vaporizer/regulator. Removing these deposits
is recommended. Follow steps below to drain
vaporizer/regulators.
1. Turn fuel supply valve off, run engine out of
fuel, and turn off ignition switch.
2. Disconnect and ground spark plug leads.
3. Remove drain plug from bottom of vaporizer/
regulator. Remove any accumulated
deposits.
4. Reinstall plug and tighten securely. If
required, a replacement plug can be found at
KohlerEngines.com.
Fuel Line
High pressure fuel line meeting a minimum of
SAE R7 standard must be installed on Kohler
Co. engines equipped with propane EFI system
(from vaporizer/regulator to injectors).
Spark Plugs
CAUTION
Electrical Shock can cause injury.
Do not touch wires while engine
is running.
Clean out spark plug recess. Remove plug and
replace.
1. Check gap using wire feeler gauge. Adjust
gap, see specifi cation table for adjustment.
2. Install plug into cylinder head.
3. Torque plug to 20 ft. lb. (27 N·m).
Electronic Fuel Injection (EFI) System
EFI is an electronically-controlled fuel
management system which is monitored by an
Electronic Control Unit (ECU). A Malfunction
Indicator Light (MIL) will illuminate if problems
or faults are detected. Servicing by a Kohler
authorized dealer is necessary.
Fuel System Components
Engines are equipped with special EFI fuel
fi lters. See Maintenance Schedule.
Fuse Replacement
This engine has three (3) blade type automotive
fuses. Replacement fuses must have same
rating as blown fuse. Use fuse chart below to
determine correct fuse.
Wire Color Fuse Rating
2 Solid Red Wires 10-amp Fuse
1 Red Wire with Black Stripe
1 Red Wire with White Stripe 10-amp Fuse
2 Purple Wires 30-amp Fuse

8 24 590 35 Rev. DKohlerEngines.com
Air Cleaner
NOTE: Operating engine with loose or
damaged air cleaner components
could cause premature wear and
failure. Replace all bent or damaged
components.
NOTE: Paper element cannot be blown out
with compressed air.
Low-Profi le
Loosen knob and remove air cleaner cover.
Precleaner:
1. Remove precleaner from paper element.
2. Replace or wash precleaner in warm water
with detergent. Rinse and allow to air dry.
3. Saturate precleaner with new engine oil;
squeeze out excess oil.
4. Reinstall precleaner over paper element.
Paper Element:
1. Clean area around element. Remove wing
nut, element cover, and paper element with
precleaner.
2. Separate precleaner from element; service
precleaner and replace paper element.
3. Check condition of rubber seal and replace if
necessary.
4. Install new paper element on base; install
precleaner over paper element; reinstall
element cover and secure with wing nut.
Reinstall air cleaner cover and secure with
knob.
Heavy-Duty
1. Unhook retaining clips and remove end
cap(s).
2. Check and clean inlet screen (if equipped).
3. Pull air cleaner element out of housing and
replace. Check condition of inner element;
replace when dirty.
4. Check all parts for wear, cracks, or damage,
and that ejector area is clean.
5. Install new element(s).
6. Reinstall end cap(s) with dust ejector valve/
screen down; secure with retaining clips.
Breather Tube (if equipped)
Ensure end of breather tube is properly
connected.
Oil Cooler (if equipped)
1. Clean fi ns with a brush or compressed air.
2. Remove two screws securing oil cooler, and
tilt to clean back side.
3. Reinstall oil cooler.
Air Cooling
WARNING
Hot Parts can cause severe
burns.
Do not touch engine while
operating or just after stopping.
Never operate engine with heat shields or
guards removed.
Proper cooling is essential. To prevent over
heating, clean screens, cooling fi ns, and other
external surfaces of engine. Avoid spraying
water at wiring harness or any electrical
components. See Maintenance Schedule.
Repairs/Service Parts
We recommend that you use a Kohler
authorized dealer for all maintenance, service,
and engine parts. To fi nd a Kohler authorized
dealer visit KohlerEngines.com or call 1-800-
544-2444 (U.S. and Canada).
Leakage Check/Testing
With fuel valve fully opened, engine not
running, turn key switch ON. Check all fuel
system connections and lines for leaks using
soapy water. Any leakage must be corrected
before restarting engine. Have service
performed by a Kohler authorized dealer or
qualifi ed propane personnel only.
Storage
If engine will be out of service for 2 months or
more follow procedure below.
1. Change oil while engine is still warm from
operation. Remove spark plug(s) and pour
about 1 oz. of engine oil into cylinder(s).
Replace spark plug(s) and crank engine
slowly to distribute oil.
2. Disconnect negative (-) battery cable.
3. Separate propane tank from unit and store
separately in an area designated for safe
propane tank storage.
4. Store engine in a clean, dry place.

9
24 590 35 Rev. D KohlerEngines.com
Troubleshooting
Do not attempt to service or replace major engine components, or any items that require special timing or adjustment procedures. This work should be
performed by a Kohler authorized dealer.
Possible Cause
Problem
No Fuel
Tank
Nearly
Empty
Improper
Fuel
Dirt In
Fuel Line
Broken
Fusible Link
Dirty/
Restricted
Vaporizer/
Regulator
Inlet Filter
Dirty
Debris
Screen
Incorrect
Oil Level
Engine
Overloaded
Dirty Air
Cleaner
Faulty
Spark
Plug
Dirty/
Restricted
Vaporizer/
Regulator
Will Not Start ●●●●●●●●●●
Hard Starting ●●● ●●●●●●●
Stops Suddenly ●●●●●●●●
Lacks Power ●●● ● ● ● ● ●● ●
Operates Erratically ●● ● ● ● ●● ●
Knocks or Pings ●●●●●●
Skips or Misfi res ●● ● ● ●● ●
Backfi res ●● ●●●
Overheats ●● ● ● ● ● ● ●
High Fuel
Consumption ●●

10 24 590 35 Rev. DKohlerEngines.com
Engine Specifi cations
Model Bore Stroke Displacement Oil Capacity
(Refi ll) Spark Plug
Gap
Maximum Angle
of Operation
(@ full oil level)*
PCH680
3.27 in.
(83 mm)
2.72 in.
(69 mm)
45.6 cu. in.
(747 cc)
1.7-2.0 U.S. qt.
(1.6-1.9 L) 0.03 in.
(0.76 mm) 25°
PCV680
PCH740
PCV740
*Exceeding maximum angle of operation may cause engine damage from insuffi cient lubrication.
Additional specifi cation information can be found in service manual at KohlerEngines.com.
Exhaust Emission Control System for propane EFI models PCH680, PCH740, and PCV680,
PCV740 is EM, O2S, ECM, MPI for U.S. EPA, California, and Europe.
Any and all horsepower (hp) references by Kohler are Certifi ed Power Ratings and per SAE J1940
& J1995 hp standards. Details on Certifi ed Power Ratings can be found at KohlerEngines.com.
11
24 590 35 Rev. D KohlerEngines.com
24 590 35 Rev. DKohlerEngines.com
© 2015 by Kohler Co. All rights reserved.