HARRIS KRC121109-1 Licensed Base Station for Part 24E User Manual Exhibit 8
HARRIS CORPORATION Licensed Base Station for Part 24E Exhibit 8
  
    HARRIS   >  
Exhibit 8 User Manual

RBS 884 Macro with MCPA, 1900 MHz
PRELIMINARY User Guide (NOT FOR OPERATION)
DC/DC
DC/DC
Tx Out Tx Out Tx Out Tx Out Tx Out Tx Out Tx Out Tx Out Tx Out Tx Out Tx Out Tx Out Tx Out 
Tx Out Tx Out Tx Out  MCA1 
24V 
TRX  TRX  TRX TRX TRX TRX TRX TRX TRX TRX TRX TRX TRX TRX 
POWER 
ERROR 
TRX 
PFCON 
POWER 
ERROR 
POWER 
ERROR 
FAN 
CID 
24V
PFCON 
POWER 
ERROR 
POWER 
ERROR 
FAN 
CID 
24V 
24V 
PSP16TRX 
POWER 
ERROR 
MCA3 
MCA2 
MCA4 
MCB4 
MCB2 
MCB3 
MCB1 
DCON 
PW 
CLINK 
CLINK 
SYNCout 
SYNCin 
DCON 
PW 
CLINK 
CLINK 
SYNCout 
SYNCin 
TCB 
PFCON 1 
TRX 1  TRX 2 
PSP 
DCON 1 
POWER 
ERROR 
POWER 
ERROR 
STATUS 
POWER 
ERROR 
POWER 
ERROR 
POWER 
ERROR 
POWER 
ERROR 
POWER 
ERROR 
POWER 
ERROR 
POWER 
ERROR 
POWER 
ERROR 
S
POWER 
ERROR 
POWER 
ERROR 
POWER 
ERROR 
POWER 
ERROR 
S 
Pos 1  2  3 
TRX 1  TRX 2  TRX 3  TRX 4  TRX 5  TRX 6  TRX 7  TRX 8 
TRX 3  TRX 4 
4 5 TRX 5  TRX 6 
6 7 TRX 7  TRX 8 
8 9 TRX 9  TRX 10 
10 11 TRX 11  TRX 12 
12 13 
TRX 13  TRX 14 
14 15 
TRX 15  TRX 16 
16 17 18 19 
DCON 2 PF CON 2 
20 21 
TATUSS
TATUSS TATUSS TATUSS TATUSS TATUSS TATUSS TATUSS TATUS
STATUS STATUS STATUS STATUS TATUS TATUSS
Tx Out Tx Out Tx Out Tx Out Tx Out Tx Out Tx Out Tx Out Tx Out Tx Out Tx Out Tx Out Tx Out 
Tx Out Tx Out Tx Out  MCA1 
24V 
TRX  TRX  TRX TRX TRX TRX TRX TRX TRX TRX TRX TRX TRX TRX 
POWER 
ERROR 
TRX 
PFCON 
POWER 
ERROR 
POWER 
ERROR 
FAN 
CID 
24V
PFCON 
POWER 
ERROR 
POWER 
ERROR 
FAN 
CID 
24V 
24V 
PSP16TRX 
POWER 
ERROR 
MCA3 
MCA2 
MCA4 
MCB4 
MCB2 
MCB3 
MCB1 
DCON 
PW 
CLINK 
CLINK 
SYNCout 
SYNCin 
DCON 
PW 
CLINK 
CLINK 
SYNCout 
SYNCin 
TCB 
PFCON 1 
TRX 1  TRX 2 
PSP 
DCON 1 
POWER 
ERROR 
POWER 
ERROR 
STATUS 
POWER 
ERROR 
POWER 
ERROR 
POWER 
ERROR 
POWER 
ERROR 
POWER 
ERROR 
POWER 
ERROR 
POWER 
ERROR 
POWER 
ERROR 
S
POWER 
ERROR 
POWER 
ERROR 
POWER 
ERROR 
POWER 
ERROR 
S 
Pos 1  2  3 
TRX 1  TRX 2  TRX 3  TRX 4  TRX 5  TRX 6  TRX 7  TRX 8 
TRX 3  TRX 4 
4 5 TRX 5  TRX 6 
6 7 TRX 7  TRX 8 
8 9 TRX 9  TRX 10 
10 11 TRX 11  TRX 12 
12 13 
TRX 13  TRX 14 
14 15 
TRX 15  TRX 16 
16 17 18 19 
DCON 2 PF CON 2 
20 21 
TATUSS
TATUSS TATUSS TATUSS TATUSS TATUSS TATUSS TATUSS TATUS
STATUS STATUS STATUS STATUS TATUS TATUSS
ON    OFF
ON    OFF
ON    OFF
ON    OFF
1234
AMPLIFIER
1234
AMPLIFIER
ON    OFF
ON    OFF
ON    OFF
ON    OFF
1234
AMPLIFIER
1234
AMPLIFIER
DC/DC
DC/DC
Tx Out Tx Out Tx Out Tx Out Tx Out Tx Out Tx Out Tx Out Tx Out Tx Out Tx Out Tx Out Tx Out 
Tx Out Tx Out Tx Out  MCA1 
24V 
TRX  TRX  TRX TRX TRX TRX TRX TRX TRX TRX TRX TRX TRX TRX 
POWER 
ERROR 
TRX 
PFCON 
POWER 
ERROR 
POWER 
ERROR 
FAN 
CID 
24V
PFCON 
POWER 
ERROR 
POWER 
ERROR 
FAN 
CID 
24V 
24V 
PSP16TRX 
POWER 
ERROR 
MCA3 
MCA2 
MCA4 
MCB4 
MCB2 
MCB3 
MCB1 
DCON 
PW 
CLINK 
CLINK 
SYNCout 
SYNCin 
DCON 
PW 
CLINK 
CLINK 
SYNCout 
SYNCin 
TCB 
PFCON 1 
TRX 1  TRX 2 
PSP 
DCON 1 
POWER 
ERROR 
POWER 
ERROR 
STATUS 
POWER 
ERROR 
POWER 
ERROR 
POWER 
ERROR 
POWER 
ERROR 
POWER 
ERROR 
POWER 
ERROR 
POWER 
ERROR 
POWER 
ERROR 
S
POWER 
ERROR 
POWER 
ERROR 
POWER 
ERROR 
POWER 
ERROR 
S 
Pos 1  2  3 
TRX 1  TRX 2  TRX 3  TRX 4  TRX 5  TRX 6  TRX 7  TRX 8 
TRX 3  TRX 4 
4 5 TRX 5  TRX 6 
6 7 TRX 7  TRX 8 
8 9 TRX 9  TRX 10 
10 11 TRX 11  TRX 12 
12 13 
TRX 13  TRX 14 
14 15 
TRX 15  TRX 16 
16 17 18 19 
DCON 2 PF CON 2 
20 21 
TATUSS
TATUSS TATUSS TATUSS TATUSS TATUSS TATUSS TATUSS TATUS
STATUS STATUS STATUS STATUS TATUS TATUSS
Tx Out Tx Out Tx Out Tx Out Tx Out Tx Out Tx Out Tx Out Tx Out Tx Out Tx Out Tx Out Tx Out 
Tx Out Tx Out Tx Out  MCA1 
24V 
TRX  TRX  TRX TRX TRX TRX TRX TRX TRX TRX TRX TRX TRX TRX 
POWER 
ERROR 
TRX 
PFCON 
POWER 
ERROR 
POWER 
ERROR 
FAN 
CID 
24V
PFCON 
POWER 
ERROR 
POWER 
ERROR 
FAN 
CID 
24V 
24V 
PSP16TRX 
POWER 
ERROR 
MCA3 
MCA2 
MCA4 
MCB4 
MCB2 
MCB3 
MCB1 
DCON 
PW 
CLINK 
CLINK 
SYNCout 
SYNCin 
DCON 
PW 
CLINK 
CLINK 
SYNCout 
SYNCin 
TCB 
PFCON 1 
TRX 1  TRX 2 
PSP 
DCON 1 
POWER 
ERROR 
POWER 
ERROR 
STATUS 
POWER 
ERROR 
POWER 
ERROR 
POWER 
ERROR 
POWER 
ERROR 
POWER 
ERROR 
POWER 
ERROR 
POWER 
ERROR 
POWER 
ERROR 
S
POWER 
ERROR 
POWER 
ERROR 
POWER 
ERROR 
POWER 
ERROR 
S 
Pos 1  2  3 
TRX 1  TRX 2  TRX 3  TRX 4  TRX 5  TRX 6  TRX 7  TRX 8 
TRX 3  TRX 4 
4 5 TRX 5  TRX 6 
6 7 TRX 7  TRX 8 
8 9 TRX 9  TRX 10 
10 11 TRX 11  TRX 12 
12 13 
TRX 13  TRX 14 
14 15 
TRX 15  TRX 16 
16 17 18 19 
DCON 2 PF CON 2 
20 21 
TATUSS
TATUSS TATUSS TATUSS TATUSS TATUSS TATUSS TATUSS TATUS
STATUS STATUS STATUS STATUS TATUS TATUSS
DC/DC
DC/DC
Tx Out Tx Out Tx Out Tx Out Tx Out Tx Out Tx Out Tx Out Tx Out Tx Out Tx Out Tx Out Tx Out 
Tx Out Tx Out Tx Out  MCA1 
24V 
TRX  TRX  TRX TRX TRX TRX TRX TRX TRX TRX TRX TRX TRX TRX 
POWER 
ERROR 
TRX 
PFCON 
POWER 
ERROR 
POWER 
ERROR 
FAN 
CID 
24V
PFCON 
POWER 
ERROR 
POWER 
ERROR 
FAN 
CID 
24V 
24V 
PSP16TRX 
POWER 
ERROR 
MCA3 
MCA2 
MCA4 
MCB4 
MCB2 
MCB3 
MCB1 
DCON 
PW 
CLINK 
CLINK 
SYNCout 
SYNCin 
DCON 
PW 
CLINK 
CLINK 
SYNCout 
SYNCin 
TCB 
PFCON 1 
TRX 1  TRX 2 
PSP 
DCON 1 
POWER 
ERROR 
POWER 
ERROR 
STATUS 
POWER 
ERROR 
POWER 
ERROR 
POWER 
ERROR 
POWER 
ERROR 
POWER 
ERROR 
POWER 
ERROR 
POWER 
ERROR 
POWER 
ERROR 
S
POWER 
ERROR 
POWER 
ERROR 
POWER 
ERROR 
POWER 
ERROR 
S 
Pos 1  2  3 
TRX 1  TRX 2  TRX 3  TRX 4  TRX 5  TRX 6  TRX 7  TRX 8 
TRX 3  TRX 4 
4 5 TRX 5  TRX 6 
6 7 TRX 7  TRX 8 
8 9 TRX 9  TRX 10 
10 11 TRX 11  TRX 12 
12 13 
TRX 13  TRX 14 
14 15 
TRX 15  TRX 16 
16 17 18 19 
DCON 2 PF CON 2 
20 21 
TATUSS
TATUSS TATUSS TATUSS TATUSS TATUSS TATUSS TATUSS TATUS
STATUS STATUS STATUS STATUS TATUS TATUSS
Tx Out Tx Out Tx Out Tx Out Tx Out Tx Out Tx Out Tx Out Tx Out Tx Out Tx Out Tx Out Tx Out 
Tx Out Tx Out Tx Out  MCA1 
24V 
TRX  TRX  TRX TRX TRX TRX TRX TRX TRX TRX TRX TRX TRX TRX 
POWER 
ERROR 
TRX 
PFCON 
POWER 
ERROR 
POWER 
ERROR 
FAN 
CID 
24V
PFCON 
POWER 
ERROR 
POWER 
ERROR 
FAN 
CID 
24V 
24V 
PSP16TRX 
POWER 
ERROR 
MCA3 
MCA2 
MCA4 
MCB4 
MCB2 
MCB3 
MCB1 
DCON 
PW 
CLINK 
CLINK 
SYNCout 
SYNCin 
DCON 
PW 
CLINK 
CLINK 
SYNCout 
SYNCin 
TCB 
PFCON 1 
TRX 1  TRX 2 
PSP 
DCON 1 
POWER 
ERROR 
POWER 
ERROR 
STATUS 
POWER 
ERROR 
POWER 
ERROR 
POWER 
ERROR 
POWER 
ERROR 
POWER 
ERROR 
POWER 
ERROR 
POWER 
ERROR 
POWER 
ERROR 
S
POWER 
ERROR 
POWER 
ERROR 
POWER 
ERROR 
POWER 
ERROR 
S 
Pos 1  2  3 
TRX 1  TRX 2  TRX 3  TRX 4  TRX 5  TRX 6  TRX 7  TRX 8 
TRX 3  TRX 4 
4 5 TRX 5  TRX 6 
6 7 TRX 7  TRX 8 
8 9 TRX 9  TRX 10 
10 11 TRX 11  TRX 12 
12 13 
TRX 13  TRX 14 
14 15 
TRX 15  TRX 16 
16 17 18 19 
DCON 2 PF CON 2 
20 21 
TATUSS
TATUSS TATUSS TATUSS TATUSS TATUSS TATUSS TATUSS TATUS
STATUS STATUS STATUS STATUS TATUS TATUSS
ON    OFF
ON    OFF
ON    OFF
ON    OFF
1234
AMPLIFIER
1234
AMPLIFIER
1234
AMPLIFIER
1234
AMPLIFIER
ON    OFF
ON    OFF
ON    OFF
ON    OFF
1234
AMPLIFIER
1234
AMPLIFIER
ON    OFF
ON    OFF
ON    OFF
ON    OFF
1234
AMPLIFIER
1234
AMPLIFIER
ON    OFF
ON    OFF
ON    OFF
ON    OFF
AE/LZB 119 4239 PRELIM 2001-03-15 © Ericsson Radio Systems AB 2000 – All Rights Reserved

The contents of this document are subject to revision without notice due to
continued progress in methodology, design, and manufacturing.
Ericsson shall have no liability for any error or damages of any kind resulting
from the use of this document.
i 001 52-AE/LZB 119 4239 Uae Rev PRELIM 2001-03-15

Table of Contents
Part1 Introduction ...................... 1-1
1 ReasonforReissue ............... 1-3
2 AboutthisUserGuide .............. 1-3
3 HowtoUseTheUserGuide ........... 1-4
Part2 GeneralProductInformation .............. 2-1
1 Introduction ................... 2-3
2 Features .................... 2-3
3 ProductLines .................. 2-4
Part3 SystemDescription ................... 3-1
1 Introduction ................... 3-3
2 SystemArchitecture ............... 3-4
3 RBSOverview .................. 3-8
4 EquipmentConfiguration ............. 3-19
5 EquipmentDescription .............. 3-21
6 TechnicalSpecifications ............. 3-36
001 52-AE/LZB 119 4239 Uae Rev PRELIM 2001-03-15 ii

Contents
iii 001 52-AE/LZB 119 4239 Uae Rev PRELIM 2001-03-15

List of Figures
Figure Title Page
Figure 2-1 Product Lines in the RBS 884 Series . . . . . . . . 2-4
Figure 3-1 1900 MHz Sub-Band Spectrum . . . . . . . . . . 3-4
Figure 3-2 General Overview of RBS 884 Configuration . . . . 3-5
Figure 3-3 General Overview of RBS 884 Configuration . . . . 3-6
Figure 3-4 Block Diagram of a Radio Base Station . . . . . . . 3-7
Figure3-5 MacrowithMCPA,1900MHz ........... 3-9
Figure 3-6 CRI and TCB Functional Block Diagram . . . . . . 3-10
Figure 3-7 HCC and ANPC Functional Block Diagram . . . . 3-11
Figure 3-8 Macro with MCPA, 1900 MHz Receive Path . . . . 3-12
Figure 3-9 Macro with MCPA, 1900 MHz Transmit Path . . . . 3-13
Figure 3-10 Macro with MCPA, 1900 MHz Synchronization . . . 3-15
Figure 3-11 3x15 CRI-PCM (T1) Configuration . . . . . . . . 3-17
Figure 3-12 3x24 CRI-PCM (T1) Configuration . . . . . . . . 3-18
Figure 3-13 3x31 CRI-PCM (T1) Configuration . . . . . . . . 3-19
Figure 3-14 Typical Macro with MCPA, 1900 MHz Configuration . 3-20
Figure 3-15 Macro with MCPA, 1900 MHz Equipment (Omni-site) 3-23
Figure3-16 CRIBoardLayout ............... 3-24
Figure 3-17 Macro with MCPA, 1900 MHz TCB . . . . . . . . 3-27
Figure 3-18 Macro with MCPA, 1900 MHz ANPC . . . . . . . 3-29
Figure3-19 HybridCombinerUnit ............. 3-30
Figure3-20 TXBPandMCU ............... 3-31
Figure 3-21 MCPA Rack and Amplifier Modules . . . . . . . 3-32
Figure 3-22 RBS Power Distribution Cabinet . . . . . . . . . 3-34
Figure 3-23 MCPA Power Distribution Cabinet . . . . . . . . 3-35
001 52-AE/LZB 119 4239 Uae Rev PRELIM 2001-03-15 iv

Contents
v 001 52-AE/LZB 119 4239 Uae Rev PRELIM 2001-03-15

List of Tables
Table Title Page
Table 3-1 POWD Circuit Breaker Assignments . . . . . . . 3-33
Table 3-2 POWD Circuit Breaker Assignments . . . . . . . 3-34
Table 3-3 Macro with MCPA, 1900 MHz Technical Specifications
....................... 3-36
Table 3-4 Macro with MCPA, 1900 MHz Technical Specifications
....................... 3-38
001 52-AE/LZB 119 4239 Uae Rev PRELIM 2001-03-15 vi

Contents
vii 001 52-AE/LZB 119 4239 Uae Rev PRELIM 2001-03-15

Part 1
Introduction
001 59-AE/LZB 119 4239 Uae Rev PRELIM 2001-03-15 1-1

Introduction
1-2 001 59-AE/LZB 119 4239 Uae Rev PRELIM 2001-03-15

Introduction
This section describes the information contained in the manual and the
conventions used in its presentation.
1 Reason for Reissue
This is the first issue of this user guide.
2 About this User Guide
The target audience for the user guide is Radio Base Station (RBS) site
installation, site testing, and site maintenance personnel.
This manual contains the information required to install, troubleshoot, and
maintain the RBS 884 Macro with MCPA, 1900 MHz hardware.
2.1 User Guide Contents
It is assumed that before the user guide is used to perform any activities at a
radio base station site, telephone transmission facilities, alternating current
(AC) electrical line power, and grounding have been made available. Ensure
the antenna system is installed.
When the radio base station equipment has been installed using the
information in this manual, it will be left powered up ready for integration
into the network by personnel at the Mobile Services Switching Center
(MSC).
This user guide is divided into the following parts:
• Introduction – a description of the contents of the manual and how
the manual can be used.
• General Product Information – a description of the various systems,
platforms, and enclosures within the RBS 884 family of Radio
Base Stations.
• System Description – a description of the hardware and functions of
the RBS 884 Macro with MCPA, 1900 MHz equipment.
• Installation – procedures for the installation of the RBS equipment
on the site.
• Administration – procedures for
001 59-AE/LZB 119 4239 Uae Rev PRELIM 2001-03-15 1-3

Introduction
• Integration and Verification– procedures for
• Operations and Maintenance– procedures for
• Troubleshooting – provides LED indications.
• Hardware Replacement – procedures for basic troubleshooting and
replacement of equipment suspected to be faulty.
• Glossary of Terms – definitions of key terms used in the manual.
• Acronyms and Abbreviations – expanded versions of all of the
acronyms and abbreviations used in the manual.
• Appendix A, RF Guidelines.
• Appendix B, Documentation Overview.
• Appendix C, User Feedback.
• Appendix D, Conversion Table
Many of the procedures in the user guide require site-specific data from the
Site Installation Documentation relating to the particular radio base station
site where the installation is to take place. This documentation should be
available at the site.
The procedures in the user guide for installation and maintenance are
normally intended to be performed sequentially, in the order presented.
3 How to Use The User Guide
This user’s guide contains information required to install, test, operate, and
troubleshoot the RBS 884 Macro with MCPA, 1900 MHz system. Prior to
beginning a specific task or operation, do the following:
• Read the related Part or Appendix.
• Verify that all required materials and tools are available.
• Observe all dangers, warnings, and cautions for the task or operation.
The following document conventions apply to this user’s guide:
admonishments and typefaces. The admonishments alert the user to
hazardous or damaging actions. The typefaces emphasize text to enhance
the use of this user guide.
1-4 001 59-AE/LZB 119 4239 Uae Rev PRELIM 2001-03-15

Introduction
•Admonishments
–Danger indicates that death or critical injury to the person
or persons performing a task can result if procedures are not
followed correctly.
–Warning indicates that equipment can be seriously damaged,
resulting in equipment or system failure or service interruption,
if procedures are not followed correctly.
–Caution indicates potential damage to the equipment, system, or
data if procedures are not followed correctly.
•Typefaces
Typeface indicates software menu selections that must be typed
(entered) by the user.
–Bold typeface emphasizes headings, admonishments,
trademarks, and examples of command names.
–Italics typeface indicates a reference to additional information
provided in another section or document.
001 59-AE/LZB 119 4239 Uae Rev PRELIM 2001-03-15 1-5

Introduction
1-6 001 59-AE/LZB 119 4239 Uae Rev PRELIM 2001-03-15

Part 2
General Product Information
1 Introduction .................. 2-3
2 Features .................... 2-3
3 ProductLines .................. 2-4
3.1 RBS884Macro ............. 2-5
3.2 RBS884Micro .............. 2-6
1/1551 AE/LZB 119 4239 Uae Rev PRELIM 2001-03-15 2-1

General Product Information
2-2 1/1551 AE/LZB 119 4239 Uae Rev PRELIM 2001-03-15

General Product Information
1 Introduction
The General Product Information provides general information on
unconfigured radio base stations. Refer to the RBS 884 Site Engineering
Manual for descriptions of the available working base station configurations
and for information on RBS interfaces (for instance, power, transmission,
and antennas).
2 Features
The RBS 884 Series is a series of products in the CMS 8800 family. The
products in the RBS 884 Series are fully featured modular RBSs for both
the analog AMPS EIA 553 and the digital D-AMPS EIA IS 136 systems
(Advanced Mobile Phone System Electronics Industry Association 553
system and Digital American Mobile Phone System Electronics Industry
Association Interim Standard 136 system).
A base station in the RBS 884 Series can support one, two, or three cells. A
cell is a defined area covered by one antenna system, and each cell has one
control channel for digital or one for analog, or both. There is one cell at an
omni site, and one to three cells at a sectorized site.
The RBS 884 Series utilizes multi-mode, multi-functional transceivers
(TRXs). The same hardware TRX module can be used for analog and digital
voice, control and monitoring purposes.
The hot repair capability allows replacement of defective units when power
is still applied.
The RBS 884 Series is designed for remote control monitoring allowing
control and fine tuning of all functions and parameters, such as power output,
frequencies, and switching of redundant units from the MSC.
A Radio Frequency Test Loop (RFTL) is an optional feature that enables
precise output power settings, Voltage Standing Wave Ratio (VSWR) alarm,
and Receive Signal Strength Indicator (RSSI) test measurements.
The device software is stored in non-volatile memory within the RBS, and
the control part software is downloaded from the MSC, which ensures a
short time to service at power-up.
1/1551 AE/LZB 119 4239 Uae Rev PRELIM 2001-03-15 2-3

General Product Information
3 Product Lines
RBS 884
RBS 884
Micro 800
RBS 884 Outdoor
RBS 884 Micro
(1900 MHz)
RBS 884
High Capacity
Self-Contained Cell Site
RBS 884 Macro
with MCPA, 
850 MHz
1234
AMPLIFIER
1234
AMPLIFIER
ON    OFF
ON    OFF
ON    OFF
ON    OFF
1234
AMPLIFIER
1234
AMPLIFIER
ON    OFF
ON    OFF
ON    OFF
ON    OFF
1234
AMPLIFIER
1234
AMPLIFIER
ON    OFF
ON    OFF
ON    OFF
ON    OFF
RBS 884 Macro
with MCPA, 1900 MHz
Figure 2-1. Product Lines in the RBS 884 Series
2-4 1/1551 AE/LZB 119 4239 Uae Rev PRELIM 2001-03-15

General Product Information
The RBS 884 Series includes product lines for macro and micro cells. See
Figure 2-1 on page 2-4.
Note: The maximum number of carriers for each sector stated is the
technical limitation for the defined standard configurations. The
practical usable sector sizes may be limited by the frequency
plan. The capacity of all product lines, with the exception of the
RBS 884 Micro (1900 MHz) is calculated for analog systems.
The capacity of the RBS 884 Micro (1900 MHz) is calculated for
digital systems. See the integration information in the RBS 884
Operations and Maintenance Manual for system limitations in
digital systems.
3.1 RBS 884 Macro
The macro cell products are intended for normal indoor installations and are
built on-site with a number of cabinets of uniform size and design.
The RBS 884 Macro 850 MHz supports TDMA. This system operates
at 824–894 MHz and provides up to 78 low power or medium power
transceivers (3x24 carriers), or up to 96 high power and 6 low power
transceivers (3x32 carriers).
The RBS 884 Macro 1900 MHz supports TDMA and operates at 1850–1990
MHz (A-, B-, or C-band). It provides up to 48 medium power transceivers
(3x15 carriers).
A special configuration, High-Capacity Self Contained Cell Site (HC-SCCS),
providing up to 31 transceivers in three sectors (3x31 carriers), can be
installed in an outdoor container.
The RBS 884 Macro DBC (Down Banded Cellular) supports TDMA and
is applicable to frequencies at 806–860 MHz. Up to 39 medium power
transceivers (3x12 carriers) can be used in one installation.
The RBS 884 Macro PACS (4-High) is an RBS 884 Macro Pre-Assembled
Cell Site (PACS) that supports 1900 MHz and 850 MHz TDMA using
single-sector (omni-site) modules. Multi-sector systems can be configured
using two or three omni-site modules. Each module consists of two racks
with four cabinets in each rack. The Macro PACS (4-High) system is
available in 1900 MHz medium power, 1900 MHz QUAD, 850 MHz
medium power, and 850 MHz high power.
The RBS 884 Macro with MCPA is an RBS 884 Macro Pre-Assembled
Cell Site (PACS) that supports 1900 MHz and 850 MHz TDMA using
single-sector (omni-site) modules. The system uses a hybrid combiner and
multi-carrier power amplifiers. Multi-sector systems can be configured using
two or three omni-site RBS modules.
1/1551 AE/LZB 119 4239 Uae Rev PRELIM 2001-03-15 2-5

General Product Information
3.2 RBS 884 Micro
The RBS 884 Micro products are used wherever local capacity or coverage is
required.
The RBS 884 Micro 850 MHz is intended for indoor installation, and typical
applications include convention centers, office buildings, parking areas and
tunnels. The RBS 884 Micro comprises one small main cabinet and two
possible expansion cabinets of the same size. It is a completely functional
cell, with a drop and insert transmission interface and RF equipment built-in.
Up to 10 1.5W transceivers can be used in one cabinet (8 carriers). Up to
30 transceivers can be provided with two auxiliary cabinets (24 carriers).
This gives a total capability of up to 23 analog or 68 digital voice channels
(71 with E1 PCM links).
The RBS 884 Micro with Multi Carrier Power Amplifier (MCPA) (850
MHz) supports TDMA and operates at 824–894 MHz. It is a standard RBS
884 Micro (850 MHz) equipped with a MCPA for higher output power in one
cell. The MCPA is a separate cabinet mounted below the RBS 884 Micro
(850 MHz) cabinet. Up to three RBS 884 Micro (850 MHz) cabinets and one
MCPA can be mounted in a 19-inch rack cabinet. An RBS 884 Micro with
MCPA (850 MHz) can provide up to 23 analog or 68 digital voice channels
(71withE1PCMlinks)inonecell.
The RBS 884 Micro Outdoor (850 MHz) supports TDMA and operates at
824–894 MHz. Designed for outdoor use, it is contained in an all-weather
steel enclosure with an environmentally-controlled interior and can be
installed in a wide variety of locations and climatic zones. The RBS 884
Micro (850 MHz) can be provided with up to 26 transceivers and a total of
24 carriers. This provides a total capacity of up to 23 analog or 68 digital
voice channels (71 with E1 PCM links).
The RBS 884 Micro (1900 MHz) supports TDMA and operates at
1850–1910 MHz. The RBS 884 Micro (1900 MHz) is a self-contained base
station intended primarily for outdoor use. The cabinet is cooled directly with
outdoor air, using a combination of variable speed blowers and a variable
power heater to maintain the cabinet air temperature within equipment
operating limits. Typical applications include hot spot areas within mature
1900 MHz networks and areas not covered by the RBS 884 Macro. The RBS
884 Micro (1900 MHz) is comprised of one small main cabinet and up to
two auxiliary primary cabinets of the same size. The cabinets can be easily
mounted on poles, on the sides of buildings, on rooftops, or on concrete
pads. The RBS 884 Micro (1900 MHz) is a complete functional cell, with
a drop and insert transmission interface and built-in RF equipment. Up to
5 transceivers can be used in one cabinet providing 4 carriers. Up to 15
transceivers can be used in a three-cabinet installation providing 3x4 carriers.
The three-cabinet installation allows up to 33 digital traffic channels.
2-6 1/1551 AE/LZB 119 4239 Uae Rev PRELIM 2001-03-15

Part 3
System Description
1 Introduction .................. 3-3
2 SystemArchitecture .............. 3-4
3 RBSOverview ................. 3-8
3.1 FunctionalOverview ........... 3-8
3.2 CallPaths ................ 3-12
3.3 Signaling ................. 3-13
3.4 Synchronization ............. 3-15
3.5 CRI and PCM Link Configuration (T1) . . . 3-16
4 EquipmentConfiguration ............ 3-19
5 EquipmentDescription ............. 3-21
5.1 Control Radio Interface Cabinet (CRI) . . . 3-23
5.2 TransceiverCabinet(TCB) ........ 3-26
5.3 Antenna Near Part Cabinet (ANPC) . . . . 3-28
5.4 HybridCombiner ............. 3-30
5.5 Transmit Bandpass Filter (TXBP) . . . . . 3-31
5.6 Measurement Coupler Unit (MCU) . . . . . 3-31
5.7 Multi-Carrier Power Amplifier (MCPA) . . . 3-32
5.8 RBS Power Distribution Cabinet (POWD) . . 3-33
5.9 MCPA Power Distribution Cabinet
(HC-POWD) ............... 3-34
6 TechnicalSpecifications ............ 3-36
6.1 Electrical and RF Specifications . . . . . . 3-36
6.2 Mechanical and Environmental
Specifications .............. 3-38
2/1551-AE/LZB 119 4239 Uae Rev A 2001-03-15 3-1

System Description
3-2 2/1551-AE/LZB 119 4239 Uae Rev A 2001-03-15

System Description
1 Introduction
This section provides an overview of the RBS 884 Macro with MCPA, 1900
MHz radio base station (RBS). Areas covered include system architecture,
configuration, functional units and technical specifications.
This RBS supports digital TDMA and operates at 1850–1990 MHz (divided
into 6 sub-bands) and is part of the Mobile Base Station (MBS) subsystem. It
handles the communication between a Mobile Switching Center (MSC) and
Mobile Stations (MSs). This radio base station also supervises the quality of
radio transmission during a call in progress. The MBS consists of hardware
and software located in the MSC as well as in the RBS.
The Macro with MCPA, 1900 MHz system is available in the following
configurations:
• 1, 2, and 3 Sector x 15 carriers
• 1, 2, and 3 Sector x 23 carriers
• 1, 2, and 3 Sector x 31 carriers
2/1551-AE/LZB 119 4239 Uae Rev A 2001-03-15 3-3

System Description
A  BC
DEF
1850
1865
1870
1885
1890
1895
1910
1900 MHz Uplink Sub-bands
A  BC
DEF
1930
1945
1950
1965
1970
1975
1990
1900 MHz Downlink Sub-bands
Figure 3-1. 1900 MHz Sub-Band Spectrum
2 System Architecture
The Macro with MCPA, 1900 MHz controls and handles communication
between the MSC and the mobile stations. The configuration of the
equipment in a specific system depends on the following:
• Number of sectors
• Number of voice channels in each sector
• Transmit power
3-4 2/1551-AE/LZB 119 4239 Uae Rev A 2001-03-15

System Description
• Number and type of antennas
• System mode (analog, digital, or both)
Figure 3-2 on page 3-5 shows the main RBS connections.
TX
RX RX
TX
RX RX
TX
RX RX
Sector A
Sector B Sector C
Antennas
PCM Links Radio
Base
Station
MSC
Figure 3-2. General Overview of RBS 884 Configuration
Figure 3-3 on page 3-6 shows the primary components of the MSC and RBS.
2/1551-AE/LZB 119 4239 Uae Rev A 2001-03-15 3-5

System Description
Public 
Switched
Telephone
Network
MSC RBS
Mobile
Terminals
Group
Switch
Central
Processor
Switch Transceivers
Regional
Processors
Figure 3-3. General Overview of RBS 884 Configuration
The Group Switch (GS) at the MSC is responsible for switching calls between
subscriber terminals. The calls can be between two mobile subscribers
or between a mobile subscriber and a subscriber in the public telephone
network. The RBS contains several regional processors which are controlled
by and work with the central processor. The regional processors control the
switch and the transceivers (TRXs) in the base station. The switch in the base
station ensures the speech signals from the MSC are connected to the correct
TRX. The TRXs generate RF that is emitted by the base station antenna to
the mobile terminals. The semipermanent connections are set up in the MSC.
Figure 3-4 on page 3-7 shows the logical parts of an RBS.
3-6 2/1551-AE/LZB 119 4239 Uae Rev A 2001-03-15

System Description
Mobile Switching Center (MSC)
Control Part
 - MSC/traffic control communication
- Remote Multiplexer (terminates PCM)
- Signal Terminal (decodes control info)
- EMRPs (control TRXs)
Modem Part
- Converts speech and data to RF
- Power Splitters for RF input
- Tranceiver Units (TRXs)
Antenna Near Part
- Filters
- Multi-Coupler (Rx amplifier)
- Combiners (one Tx antenna per sector)
- Test and calibration
Support Part
Power distribution, fans,  external alarms
Rx Tx
T1/PCM Link Power
Radio Base
Station (RBS)
Figure 3-4. Block Diagram of a Radio Base Station
The logical parts of the RBS 884 Macro are as follows:
• Control Part (COP) – provides communication between the MSC
and the RBS hardware for radio traffic control and statistical data
gathering. In the RBS 884 Macro, the COP consists of Control and
Radio Interface (CRI) cabinet.
• Modem Part (MOP) – converts digitized speech and data into radio
frequency signals, hosts channel coding and decoding functions,
and performs measurements on radio transmission quality. It is
comprised of transceiver modules (TRXs) in the RBS and voice
coders (TRABs) in the MSC. In the RBS 884 Macro, the MOP
consists of the Transceiver cabinet (TCB).
• Antenna Near Part (ANP) – contains components associated with the
RF signal paths, such as combiners, power splitters, multicouplers,
2/1551-AE/LZB 119 4239 Uae Rev A 2001-03-15 3-7

System Description
and bandpass filters. In the RBS 884 Macro with MCPA the ANP
consists of the Antenna Near Part Cabinet (ANPC) and the Hybrid
Combiner Cabinet (HCC). The combined ANP/RFTL/Filter unit
provides RSSI measurement, output power measurement and
calibration, VSWR supervision, and RF path testing. The main
functions of the ANP are as follows:
– Combine multiple TRX output signals to a single TX antenna
– Filter TX and RX signals
– Pre-amplify and distribute RX signals
– Protect TRXs from reflected power
– Provide isolation between the TRXs
– Calibrate and supervise the TRXs and associated RF components
• Support Part (SP) – provides general support, such as power supply
and cooling. The components of this part vary significantly between
the product lines.
3 RBS Overview
The Macro with MCPA, 1900 MHz is a modular RBS that supports digital
Time Division Multiple Access (TDMA). The RBS is an omni-site consisting
of one standardized 19” rack of radio equipment and one 24” rack with
MCPAs. Additional RBS equipment racks are combined a to form two-
and three-sector systems.
3.1 Functional Overview
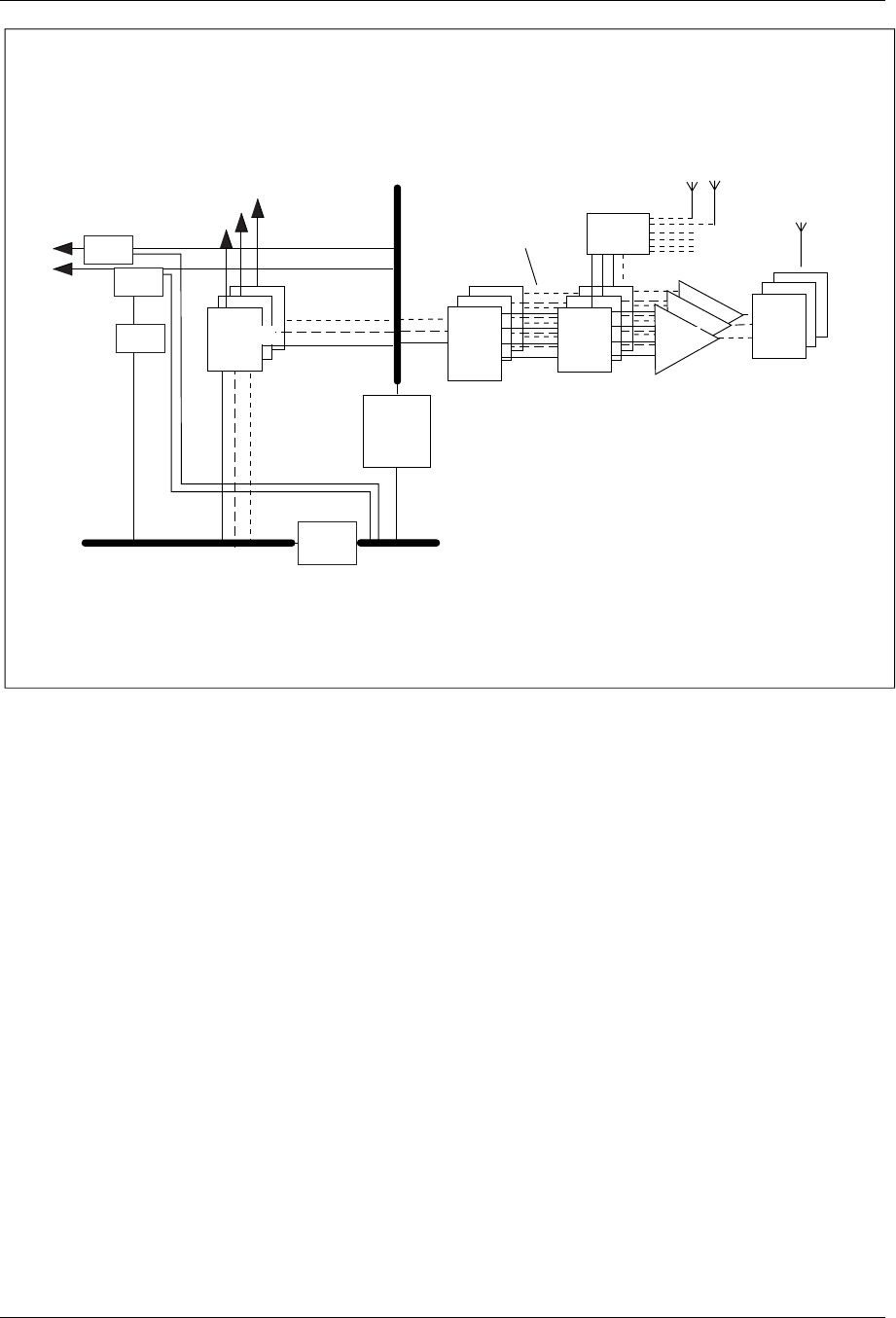
Figure 3-5 on page 3-9 is a functional block diagram of the Macro with
MCPA.
3-8 2/1551-AE/LZB 119 4239 Uae Rev A 2001-03-15

System Description
External Alarms
ETB
ETB
DEVSS
C-links
Time
Switch
EMRPB EMRP DEVCB
EMRPS
V24
TRX
RTT
RX antennas
TX antennas
PSP
HCC
STR
ETB
TRX
Figure 3-5. Macro with MCPA, 1900 MHz
Figure 3-6 on page 3-10 is an example of the units and their interaction in the
Control Radio Interface (CRI) cabinet and Transceiver Cabinet (TCB).
2/1551-AE/LZB 119 4239 Uae Rev A 2001-03-15 3-9

System Description
EMRPB DEVCB
DEVSB
1
2
3
4
5
6
7
8
C-link
C-link
CRI TCB
EMRPS
EMRPS
EMRP
RTT
NTSW
TRX
ETB
ETB
STR
PSP
1 2    ...16
V24 C-link/T-link RX
RF to HCC
DCON
DCON
C-links
in backplane
1-5
.
.
.
RXBRXA
PCM links 
and MCPA
Figure 3-6. CRI and TCB Functional Block Diagram
The Exchange Terminal Boards (ETBs) end the PCM links and connect the
RBS to the MSC. The control signals for the RBS are carried on one time
slot of the PCM link, and are ended by the Signal Terminal Receiver (STR).
A set of Extension Module Regional Processor Speech Bus Interfaces
(EMRPSs) is used to control the devices on a load sharing basis.
Communication Links (C-links) connect device equipment (TRX, ALM,
RFTL, and TIM) to the Radio Transceiver Terminals (RTTs).
A Node Clock Time Switch (NTSW) connects control paths from the
EMRPSs to the devices. The time switch also routes the traffic data on paths
set up between a time slot on an ETB and a device connected to an RTT. The
time switch is controlled by a dedicated EMRP.
The received RF signal is split to all Transceiver modules (TRXs) by the
Power Splitters (PSPs) and the Power Splitter backplane in the Transceiver
Cabinet (TCB).The RF output from the TRXs are connected to the HCC.
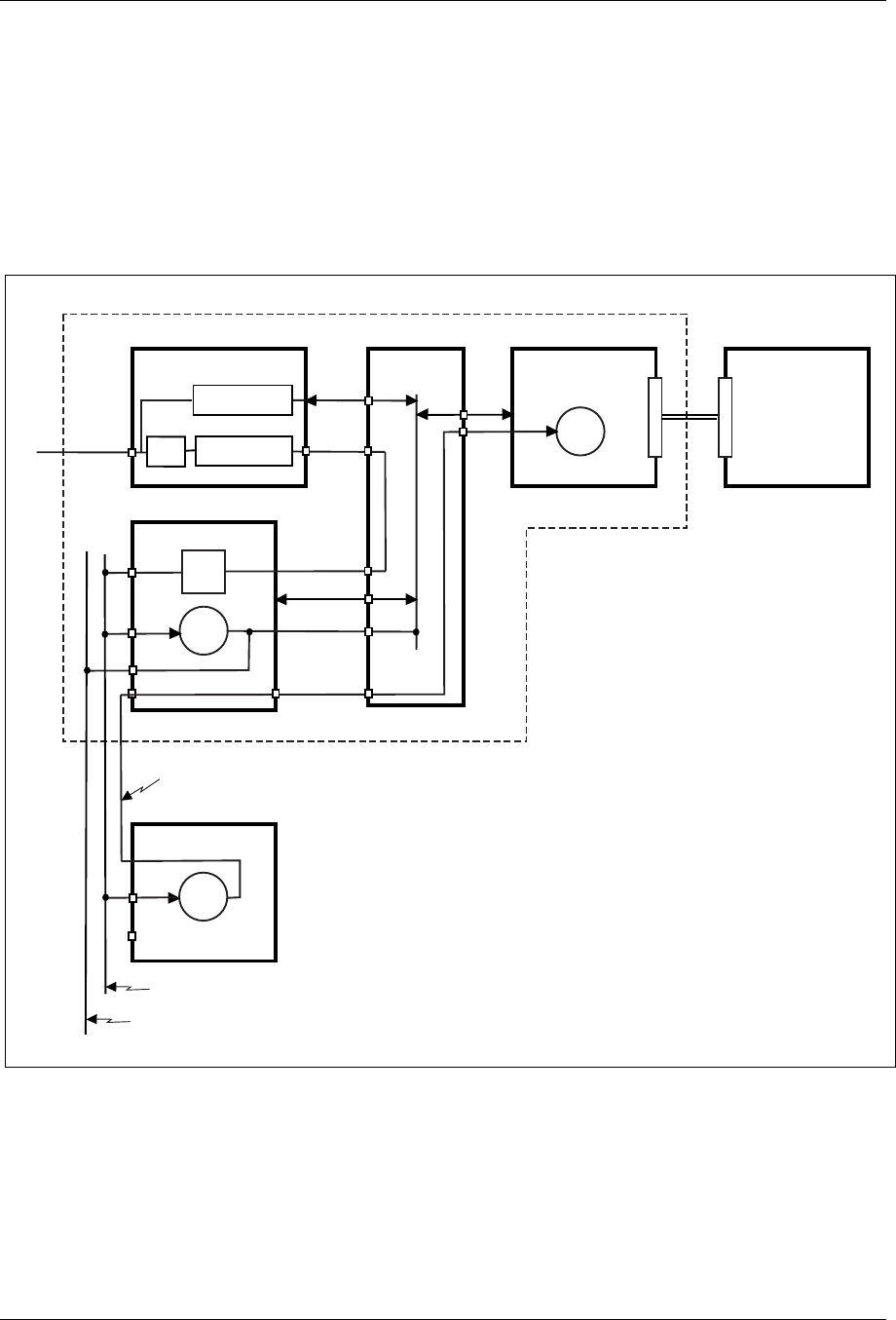
Figure 3-7 on page 3-11 is an example of unit interaction in the HCC and
ANPC. The configuration shows separate receive and transmit antennas.
3-10 2/1551-AE/LZB 119 4239 Uae Rev A 2001-03-15

System Description
TXBP TX
MCU
To RFTL
in ANPC1
TRX
TRX
TRX
TRX
TRX
TRX
TRX
TRX
TRX
MCPA
HCC
R
R
ANPC
MCA BIAS-T RX
XA
PO-ALNARFTL
MCB BIAS-T RX
XB
Gain
TIM ALM
RXBP
RXBP
From MCU
in HCC
LNA
LNA
Figure 3-7. HCC and ANPC Functional Block Diagram
The receive antenna signal input is first passed through a Receiver Bandpass
filter (RXBP). It is then fed to the Multicoupler A (MC A) and B (MC B)
units, where the signal is amplified to compensate for Power Splitter (PSP)
losses. The multicouplers also receive signals from the Radio Frequency
Test Loop (RFTL) unit so that the receive path can be tested. Multicoupler
outputs are fed to the PSPs, which distribute the signals to the TRXs through
the TCB backplane. Each TRX receives both A- and B-branch receive
signals and demodulate the signals to baseband.
TRX transmit outputs are connected to the combiners where they are
combined into one signal. This signal is directed to the MCPA, Transmitter
Bandpass (TXBP) filter, and Measurement Coupler Unit (MCU), after
which it is output to the antenna. The MCU acts as an interface to the Radio
Frequency Test Loop (RFTL), which performs various tests on the RF
signals, such as measuring forward and reflected power.
2/1551-AE/LZB 119 4239 Uae Rev A 2001-03-15 3-11

System Description
3.2 Call Paths
3.2.1 Receive Path
As shown in Figure 3-8 on page 3-12, the received signal is passed through
the Receiver Bandpass (RXBP) filters in the TMAs (if used) and ANPC.
The signals are fed to MCUs, MC-A, and MC-B, that amplify the signal to
compensate for Power Splitter (PSP) losses. The MCs also receive signals
from the Radio Frequency Test Loop (RFTL). The MC outputs are fed to the
PSPs which distribute the signals through the TCB backplane to the TRXs.
Each TRX receives both A- and B-branch receive signals and demodulate
the signals to baseband. Nominal gain from the receive antenna is 5.2 dB
(6.5 dB with a TMA).
BIAS
RFTL
PSP
ANPC TCB
TRX
TRX
TRX
TRX
-T
MC A
MC B
TMA
with
RXBP
TMA
with
RXBP
RXBP
RX Antennas
RXBP
Figure 3-8. Macro with MCPA, 1900 MHz Receive Path
3.2.2 Transmit Path
As shown in Figure 3-9 on page 3-13, TRX transmit outputs are connected
to the HCC which combines the signals into a single output. The signal is
passed through the MCPA, TXBP filter, and MCU. The MCU provides an
3-12 2/1551-AE/LZB 119 4239 Uae Rev A 2001-03-15

System Description
interface to the RFTL for measuring forward and reflected power. The signal
is tranmitted to the TMA (if installed) and then to the tranmit antenna.
TCB HCC ANPC
TRX
TRX
TRX
TRX
MCU
RFTL
HCC TXBPTXBP
MCPA
Figure 3-9. Macro with MCPA, 1900 MHz Transmit Path
3.3 Signaling
3.3.1 Control Signaling
Control signaling for RBS equipment is as follows:
• The MSC Central processor (CP) sends the control signal to the
Signaling Terminal Central (STC) board.
• The STC board converts the signal format and sends the signal to the
Exchange Terminal Circuit (ETC).
• The ETC inserts the control signal into a time slot on the PCM (T1)
link to the Control Radio Interface (CRI).
• The control signal in the time slot is extracted by the Exchange
Terminal Board (ETB) and sent to the Signaling Terminal Regional
(STR).
• The STR converts the information back to processor format and
outputs it on the Extension Module Regional Processor Bus
(EMRPB).
• The EMRPB and the Extension Module Regional Processor with
Speech Bus (EMRPS) boards are connected to the EMRPB.
2/1551-AE/LZB 119 4239 Uae Rev A 2001-03-15 3-13

System Description
– The EMRP controls equipment in the CRI cabinet including the
Node Clock Time Switch (NTSW) and ETB boards
– The EMRPS is an EMRP with extended processor power and
a speech bus interface. It is connected to both the EMRP bus
and the TSW speech bus and controls equipment in the TCB
and ANPC. These boards also facilitate communication with
the MSC’s Man-Machine Interface (MMI) by providing a V.24
interface for a teletype or Typewriter (TW) peripheral.
3.3.2 Speech Signaling
Speech signaling for RBS equipment is as follows:
• A speech or data signal from the Public Telephone Switching
Network (PSTN) is received by the group switch (GS) at the MSC
• A digital call is:
– Routed to the Transcoder and Rate Adaptation Board (TRAB)
– Converted into compressed format used in the air interface either
with Algebraic Code Excited Linear Prediction (ACELP) or
Vector Sum Excited Linear Prediction (VSELP)
– Combined with two other voice paths which share same
frequency
– Routed to the correct Exchange Terminal Circuit (ETC)
• The signal is sent over a T1 line to the Control and Radio Interface
(CRI) where it is:
– Routed to an Exchange Terminal Board (ETB)
– Routed through the Time Switch (TSW)
– Routed to a Radio Transceiver Terminal (RTT), which is an
interface to a transceiver (TRX) in the Transceiver Cabinet
(TCB) via a Communication Link (C-link)
• In the TCB the signal is passed through a Transceiver (TRX) where
it is :
– Converted to RF
– Sent to the Hybrid Combiner (HCC)
• In the HCC, signals are combined 16:1 and then combined 2:1
(32:1) and sent to the MCPA
• The MCPA sends the signal to the TXBP and MCU where it is
sent to the ANPC
• In the ANPC, RF is coupled to the antenna(s)
3-14 2/1551-AE/LZB 119 4239 Uae Rev A 2001-03-15

System Description
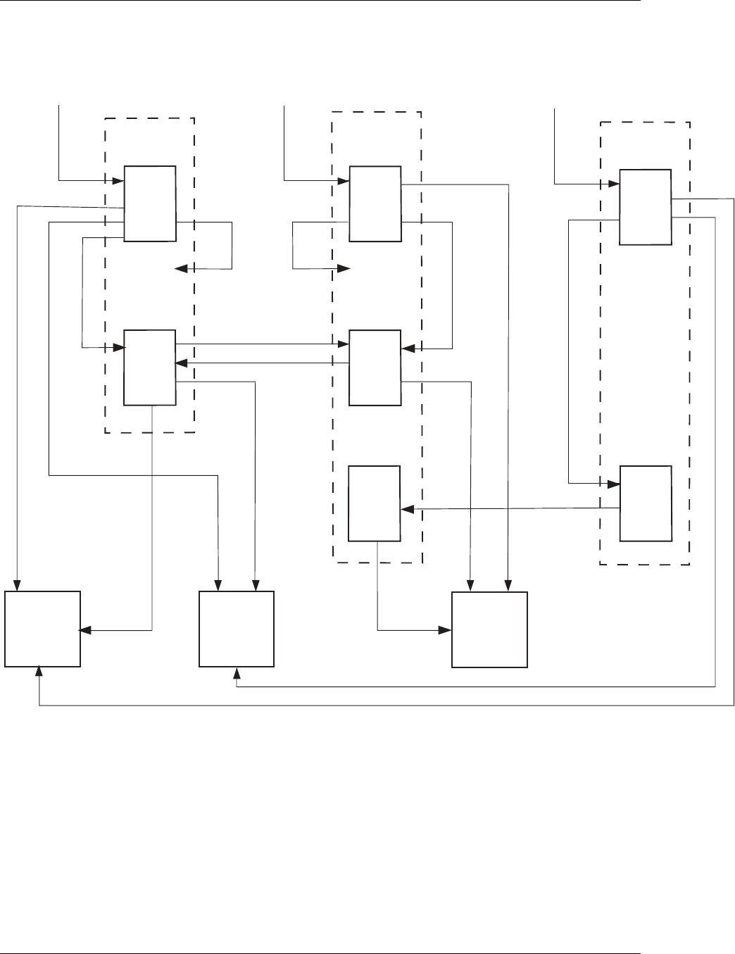
3.4 Synchronization
The Macro with MCPA, 1900 MHz platform provides the following
synchronization:
• Network Synchronization
• Carrier Frequency Synchronization
• Air Frame Synchronization
ETB RTT
NTSW
Backplane
TRX
TIM
PLL
PLL
PLL
EXT
BUFFER
FRAMEDET
4 kHz 8 kHz
CRI
CFR, 64 kHz
Master Reference
Node Reference, 64 kHz
PCM
Figure 3-10. Macro with MCPA, 1900 MHz Synchronization
3.4.1 Network Synchronization
Network Synchronization is provided by the ETB with buffers and the
NTSW clock for error-free transmission of data to and from the MSC. The
clock is locked to the reference signal provided from the MSC. The signal is
2/1551-AE/LZB 119 4239 Uae Rev A 2001-03-15 3-15

System Description
superimposed on the traffic link connecting the RBS to the MSC. Using this
signal, the ETB creates a synchronization clock with a frequency of 8 kHz.
3.4.2 Carrier Frequency Synchronization
Carrier Frequency Synchronization is provided by the NTSW and TIM. The
8kHzclockisscaleddownto4kHzbytheNTSWintoaMasterReference
(MR) signal (see Figure 3-10 on page 3-15). The MR is used by the TIM to
generate a 64 kHz Carrier Frequency Reference (CFR) that is distributed to
the TRXs via the RTTs and the C-Links.
Carrier Frequency Stabilization is handled by the TIM and holdover is at
least 72 hours after a loss of the synchronization signal on the network. To
obtain carrier frequency accuracy, the reference signal must be traceable to a
source of Stratum 2 level or better.
3.4.3 Air Frame Synchronization
Air Frame Synchronization phase aligns all air frames transmitted from the
RBS. The TIM provides the synchronization that is distributed to each TRX.
The DCON board provides daisy-chain connections between TCBs.
3.5 CRI and PCM Link Configuration (T1)
The Extension Module Regional Processor (EMRP) bus is the local
comunication link between the regional processors (RPs) and the Signal
Terminal Regional (STR). The STR and the Signal Terminal Central (STC)
in the MSC make up the control link between any RP and the central
processor (CP).
The CRI can be configured with two EMRP buses, A and B, to facilitate
multiple PCM links. Up to four (4) PCM (T1) links can be connected to three
CRIs. Each CRI-CRI connection can cascade in both directions to allow time
slots to be routed from any incoming PCM (T1) to any of the three sectors.
Figure 3-12 on page 3-18 shows the 3x15 configuration.
The first PCM (T1) link is connected to ETB-1 in CRI-a. Eight time slots are
used in Sector A and the remaining sixteen time slots are routed to Sector B
and Sector C. Eight time slots are routed from ETB-3 in CRI-a to ETB-2 in
CRI-b. Also, eight time slots are routed from ETB-2 in CRI-a to ETB-2 in
CRI-c. As a result, eight time slots are available in each sector.
The second PCM (T1) link is connected to ETB-1 in CRI-b. Eight time slots
are used in Sector B and the remaining sixteen time slots are routed to Sector
A and Sector C. Eight time slots are routed from ETB-2 in CRI-b to ETB-3
in CRI-a. Also, eight time slots are routed from ETB-3 in CRI-b to ETB-3
in CRI-c. It should be noted that this configuration re-routes the time slots
from ETB-3 in CRI-b back to ETB-3 in CRI-a on the same physical link as
3-16 2/1551-AE/LZB 119 4239 Uae Rev A 2001-03-15

System Description
the original eight time slots from Sector A to Sector B. This bidirectional
configuration results in 16 time slots in each sector.
The third PCM (T1) link is connected to ETB-1 in CRI-c. Eight time slots
are used in Sector C and the remaining sixteen time slots are routed to
Sector A and Sector B. This bidirectional configuration results in 24 time
slots in each sector.
3x15 (T1 and ETB Connections)
CRI-a
ETB-1
T1 #1
24 Time Slots
(Pos 5)
1 slot for
CTRL
Sector 1
15 Slots Sector 2
15 Slots Sector 3
15 Slots
ETB-2
(Pos 6)
CRI-b
ETB-1
(Pos 5)
ETB-2
(Pos 6)
8 Slots to Sector 1
8 Slots to Sector 2
7 Slots to 
Sector 1
7 Slots to Sector 2
8 Slots to Sector 3
7 Slots to Sector 3
7 Slots to CRI-b ETB-2
14 Slots to CRI-a ETB-2
14 Slots to ETB-2
1 slot for
CTRL &
1 spare
T1 #2
24 Time Slots
7 Slots to ETB-2
Figure 3-11. 3x15 CRI-PCM (T1) Configuration
2/1551-AE/LZB 119 4239 Uae Rev A 2001-03-15 3-17

System Description
3x23 (T1 and ETB Connections)
CRI-a
ETB-1
T1 #1
24 Time Slots
(Pos 5)
1 slot for
CTRL
Sector 1
23 Slots Sector 2
23 Slots Sector 3
23 Slots
ETB-2
(Pos 6)
8 Slots to Sector 1
8 Slots to Sector 2
7 Slots to Sector 1
7 Slots to Sector 2
8 Slots to Sector 3
7 Slots to Sector 3
7 Slots to CRI-b ETB-2
14 Slots to CRI-a ETB-2
14 Slots to ETB-2
CRI-b
ETB-1
(Pos 5)
ETB-2
(Pos 6)
1 slot for
CTRL &
1 spare
T1 #2
24 Time Slots
7 Slots to ETB-2
CRI-c
ETB-1
(Pos 5)
T1 #3
24 Time Slots
ETB-3
(Pos 20)
ETB-3
(Pos 20)
8 Slots to 
CRI-b ETB-3
8 Slots to ETB-3
8 Slots to Sector 1
8 Slots to Sector 2
8 Slots to Sector 3
Figure 3-12. 3x24 CRI-PCM (T1) Configuration
Figure 3-13 on page 3-19 shows the 3x31 configuration. In addition to the
connections for the 3x24 configuration, a fourth PCM (T1) link is connected
to ETB-3 in CRI-c. Eight time slots are used in Sector C and the remaining
sixteen time slots are routed to Sector A and Sector B. This bidirectional
configuration results in 32 time slots in each sector.
3-18 2/1551-AE/LZB 119 4239 Uae Rev A 2001-03-15

System Description
3x31 (T1 and ETB Connections)
CRI-a
ETB-1
T1 #1
24 Time Slots
(Pos 5)
1 slot for
CTRL
Sector 1
23 Slots Sector 2
23 Slots Sector 3
23 Slots
ETB-2
(Pos 6)
8 Slots to Sector 1
8 Slots to Sector 2
7 Slots to Sector 1
7 Slots to Sector 2
8 Slots to Sector 3
7 Slots to Sector 3
7 Slots to CRI-b ETB-2
14 Slots to CRI-a ETB-2
14 Slots to ETB-2
CRI-b
ETB-1
(Pos 5)
ETB-2
(Pos 6)
1 slot for
CTRL &
1 spare
T1 #2
24 Time Slots
7 Slots to ETB-2
CRI-c
ETB-1
(Pos 5)
T1 #3
24 Time Slots
ETB-3
(Pos 20)
ETB-3
(Pos 20)
16 Slots to 
CRI-b ETB-3
8 Slots to ETB-3
8 Slots to Sector 1
8 Slots to Sector 2
16 Slots to Sector 3
ETB-2
(Pos 6)
T1 #4
24 Time Slots
8 Slots to ETB-3
Figure 3-13. 3x31 CRI-PCM (T1) Configuration
4 Equipment Configuration
Figure 3-14 on page 3-20 shows a typical Macro with MCPA, 1900 MHz
three-sector system configuration.
2/1551-AE/LZB 119 4239 Uae Rev A 2001-03-15 3-19

System Description
1234
AMPLIFIER
1234
AMPLIFIER
ON    OFF
ON    OFF
ON    OFF
ON    OFF
1234
AMPLIFIER
1234
AMPLIFIER
ON    OFF
ON    OFF
ON    OFF
ON    OFF
1234
AMPLIFIER
1234
AMPLIFIER
ON    OFF
ON    OFF
ON    OFF
ON    OFF
Figure 3-14. Typical Macro with MCPA, 1900 MHz Configuration
Typical 1900 MHz configurations are as follows:
• 1, 2, or 3 Sector(s) x 15 channels (1x15, 2x15, 3x15)
• 1, 2, or 3 Sector(s) x 23 channels (1x23, 2x23, 3x23)
• 1, 2, or 3 Sector(s) x 31 channels (1x31, 2x31, 3x31)
The Macro with MCPA supports up to 16 TRXs per Transceiver Cabinet
(TCB) with two TCBs per sector. This configuration allows up to 30 carriers
per sector with a 360 KHz channel spacing (4/12 reuse factor).
3-20 2/1551-AE/LZB 119 4239 Uae Rev A 2001-03-15

System Description
5 Equipment Description
The Macro with MCPA, 1900 MHz system is a modular single-sector RBS
consisting of one to three 19-inch RBS racks and one or two 24-inch MCPA
racks. As shown in Figure 3-15 on page 3-23, the RBS rack contains four
equipment magazines, one hybrid combiner, and one POWD. A two-sector
system consists of two RBS racks (two single sector modules) and a
three-sector system consists of three RBS racks (three single-sector modules).
The RBS rack contains the following equipment:
• (1) Control Radio Interface Cabinet (CRI) containing:
– Exchange Terminal Board (ETB)
– Extension Module Regional Processor (EMRP)
– Node Clock Time Switch (NTSW)
– EMRP Speech Bus Interface (EMRPS)
– Signal Terminal Regional (STR)
– Radio Transceiver Terminal (RTT)
– DC/DC Converter
Note: The Macro with MCPA CRI does not have a fan unit. As a result,
the Fan Fail alarm is disabled.
• (2) Transceiver Cabinets (TCB) containing:
– Transceiver Module (TRX)
– Power Splitter (PSP)
– RF Backplane
– Power and Fan Connection Board (PFCON)
– Data Connection Board (DCON)
– Digital Verification Receiver (DVER)
• (1) Antenna Near Part Cabinet (ANPC) containing:
– Power Connection Board (POC)
– Alarm Module (ALM)
– Timing Module (TIM)
– Multicoupler (MC)
– Receive BandPass filter (RXBP)
2/1551-AE/LZB 119 4239 Uae Rev A 2001-03-15 3-21

System Description
• (1) 32:1 Hybrid Combiner
• (1) Power Distribution Cabinets (POWD)
The Multi-Carrier Power Amplifier (MCPA) Rack contains the following
equipment:
• (1) MCPA Cabinet with four (4) MCPA modules (per sector)
• High-Current POWD
• Transmit Bandpass Filter (TXBP)
• Measurment Coupler Unit (MCU)
3-22 2/1551-AE/LZB 119 4239 Uae Rev A 2001-03-15

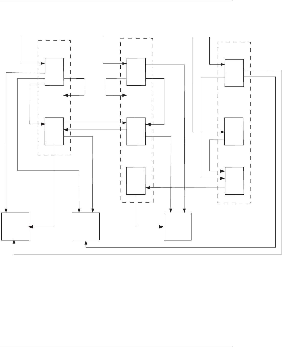
System Description
DC/DC
DC/DC
CRI
POWD
TCB
TCB
ANPC
HCC
POWD
MCPA
TXBP/MCU
ON    OFF
ON    OFF
ON    OFF
ON    OFF
1234
AMPLIFIER
1234
AMPLIFIER
Tx Out Tx Out Tx Out Tx Out Tx Out Tx Out Tx Out Tx Out Tx Out Tx Out Tx Out Tx Out Tx Out 
Tx Out Tx Out Tx Out  MCA1 
24V 
TRX  TRX  TRX TRX TRX TRX TRX TRX TRX TRX TRX TRX TRX TRX 
POWER 
ERROR 
TRX 
PFCON 
POWER 
ERROR 
POWER 
ERROR 
FAN 
CID 
24V
PFCON 
POWER 
ERROR 
POWER 
ERROR 
FAN 
CID 
24V 
24V 
PSP16TRX 
POWER 
ERROR 
MCA3 
MCA2 
MCA4 
MCB4 
MCB2 
MCB3 
MCB1 
DCON 
PW 
CLINK 
CLINK 
SYNCout 
SYNCin 
DCON 
PW 
CLINK 
CLINK 
SYNCout 
SYNCin 
TCB 
PFCON 1 
TRX 1  TRX 2 
PSP 
DCON 1 
POWER 
ERROR 
POWER 
ERROR 
STATUS 
POWER 
ERROR 
POWER 
ERROR 
POWER 
ERROR 
POWER 
ERROR 
POWER 
ERROR 
POWER 
ERROR 
POWER 
ERROR 
POWER 
ERROR 
S
POWER 
ERROR 
POWER 
ERROR 
POWER 
ERROR 
POWER 
ERROR 
S 
Pos 1  2  3 
TRX 1  TRX 2  TRX 3  TRX 4  TRX 5  TRX 6  TRX 7  TRX 8 
TRX 3  TRX 4 
4 5 TRX 5  TRX 6 
6 7 TRX 7  TRX 8 
8 9 TRX 9  TRX 10 
10 11 TRX 11  TRX 12 
12 13 
TRX 13  TRX 14 
14 15 
TRX 15  TRX 16 
16 17  18 19 
DCON 2  PFCON 2 
20 21 
TATUSS
TATUSS TATUSS TATUSS TATUSS TATUSS TATUSS TATUSS TATUS
STATUS STATUS STATUS STATUS TATUS TATUSS
Tx Out Tx Out Tx Out Tx Out Tx Out Tx Out Tx Out Tx Out Tx Out Tx Out Tx Out Tx Out Tx Out 
Tx Out Tx Out Tx Out  MCA1 
24V 
TRX  TRX  TRX TRX TRX TRX TRX TRX TRX TRX TRX TRX TRX TRX 
POWER 
ERROR 
TRX 
PFCON 
POWER 
ERROR 
POWER 
ERROR 
FAN 
CID 
24V
PFCON 
POWER 
ERROR 
POWER 
ERROR 
FAN 
CID 
24V 
24V 
PSP16TRX 
POWER 
ERROR 
MCA3 
MCA2 
MCA4 
MCB4 
MCB2 
MCB3 
MCB1 
DCON 
PW 
CLINK 
CLINK 
SYNCout 
SYNCin 
DCON 
PW 
CLINK 
CLINK 
SYNCout 
SYNCin 
TCB 
PFCON 1 
TRX 1  TRX 2 
PSP 
DCON 1 
POWER 
ERROR 
POWER 
ERROR 
STATUS 
POWER 
ERROR 
POWER 
ERROR 
POWER 
ERROR 
POWER 
ERROR 
POWER 
ERROR 
POWER 
ERROR 
POWER 
ERROR 
POWER 
ERROR 
S
POWER 
ERROR 
POWER 
ERROR 
POWER 
ERROR 
POWER 
ERROR 
S 
Pos 1  2  3 
TRX 1  TRX 2  TRX 3  TRX 4  TRX 5  TRX 6  TRX 7  TRX 8 
TRX 3  TRX 4 
4 5 TRX 5  TRX 6 
6 7 TRX 7  TRX 8 
8 9 TRX 9  TRX 10 
10 11 TRX 11  TRX 12 
12 13 
TRX 13  TRX 14 
14 15 
TRX 15  TRX 16 
16 17  18 19 
DCON 2  PFCON 2 
20 21 
TATUSS
TATUSS TATUSS TATUSS TATUSS TATUSS TATUSS TATUSS TATUS
STATUS STATUS STATUS STATUS TATUS TATUSS
Figure 3-15. Macro with MCPA, 1900 MHz Equipment (Omni-site)
5.1 Control Radio Interface Cabinet (CRI)
The CRI controls communication between the MSC and the RBS. The CRI
provides an interface to the transmission network (PCM), a time switch for
2/1551-AE/LZB 119 4239 Uae Rev A 2001-03-15 3-23

System Description
setting up semi-permanent paths, and an interface to the devices (C-link).
The clocks in the CRI are synchronized to the network by the TIM. Incoming
clock are filtered and used as a reference frequency for the carriers. Figure
3-16 on page 3-24 shows the location of devices in a fully-equipped CRI.
Device descriptions are provided in the following sections.
The Macro with MCPA CRI is not equipped with a Fan Unit. As a result, the
Fan Fail signal is disabled.
DC/DC
STR
EMPC
0ETB
1
EMRPS
1-8 RTT
1-5
ETB
0NTSW
DC/DC
1 2 3 4 5 6 7 8 910 1112131415161718 19 20 2122 23
ETB
2
Figure 3-16. CRI Board Layout
5.1.1 Exchange Terminal Board (ETB)
The ETB is located in the CRI cabinet and is an interface to the transmission
network. It is a demultiplexer that extracts the 64 kbit/sec control link from
a 24/32 channel PCM link. Two variants are available: ETB/ETP for E1
3-24 2/1551-AE/LZB 119 4239 Uae Rev A 2001-03-15

System Description
and ETB/24 for T1. Refer to Part 3 –Installation and Start-up for E1/T1
DIP switch settings.
Note: The Macro with MCPA system utilizes cascaded CRIs and
multiple PCM links. As a result, an additional ETB replaces the
RTT unit at position 20 and an additional ETB is installed in
position 5 in the second and third CRIs.
5.1.2 Extension Module Regional Processor (EMRP)
The EMRP is located in the CRI cabinet and handles the hardware in the
base station on behalf of the central processor. It controls the time switch
(NTSW) and the signaling hardware used for communication with the
central processor. The EMRP is connected to the time switch by the Device
Control Bus (DEVCB).
5.1.3 Node Clock Time Switch (NTSW)
The NTSW is located in the CRI cabinet and handles switching of time slots,
clock synchronization, and stabilization of the carrier frequency reference.
The NTSW sets up semi-permanent connections between the transmission
link and the RTTs for traffic signaling. The NTSW also sets up connections
between the EMRPS and RTT for control signaling. Other support functions
include PCM link redundancy handling between the RBS and MSC and
to other RBS sites
Note: Since a Timing Module (TIM) is used with a Macro with MCPA,
1900 MHz system, the RITSW is replaced with a Node Clock
Time Switch (NTSW).
5.1.4 EMRP Speech Bus Interface (EMRPS)
The EMRPS module is located in the CRI cabinet and is an EMRP with
extended processor power and a speech bus interface. The EMRPS controls
the transceivers and other support equipment in the base station. The
EMRPS is connected to the EMRP bus and to the time switch speech bus.
OneEMRPScancontrolupto5TRXs(4TRXsas12DVC),orupto32
ANPC devices. The EMRPS can also control a combination of TRX and
ANPC devices. A V.24 port and MMI port is provided.
5.1.5 Signal Terminal Regional (STR)
The STR is located in the CRI cabinet and handles control signaling to and
from the MSC. The STR is an interface between the control link and the
Extension Module Regional Processor Bus (EMRPB).
2/1551-AE/LZB 119 4239 Uae Rev A 2001-03-15 3-25

System Description
5.1.6 Radio Transceiver Terminal (RTT)
The RTT is located in the CRI cabinet and provides eight C-link connections.
Each C-link connection carries control information and speech data to
equipment in other cabinets (TRXs, ALMs, and RFTLs).
5.1.7 DC/DC Converter
The DC/DC converter is located in the CRI cabinet and converts the
+24 V DC into other DC voltage levels used by the CRI.
5.2 Transceiver Cabinet (TCB)
The TCB contains the modem function that converts speech and data into RF
signals. As shown in Figure 3-17 on page 3-27, the Macro with MCPA, 1900
MHz TCB contains up to (16) 200 mW TRXs.
Note: The first TCB in each sector uses one TRX as the DVER. All 16
TRXs are assigned to one sector.
3-26 2/1551-AE/LZB 119 4239 Uae Rev A 2001-03-15

System Description
PFCON TRX 1-16 PSP
DCON
Fan
PFCON
Tx Out Tx Out Tx Out Tx Out Tx Out Tx Out Tx Out Tx Out Tx Out Tx Out Tx Out Tx Out Tx Out 
Tx Out Tx Out Tx Out  MCA1 
24V 
TRX  TRX  TRX TRX TRX TRX TRX TRX TRX TRX TRX TRX TRX TRX 
POWER 
ERROR 
TRX 
PFCON 
POWER 
ERROR 
POWER 
ERROR 
FAN 
CID 
24V
PFCON 
POWER 
ERROR 
POWER 
ERROR 
FAN 
CID 
24V 
24V 
PSP4 TRX 
POWER 
ERROR 
MCA3 
MCA2 
MCA4 
MCB4 
MCB2 
MCB3 
MCB1 
DCON 
PW 
CLINK 
CLINK 
SYNCout 
SYNCin 
DCON 
PW 
CLINK 
CLINK 
SYNCout 
SYNCin 
TCB 
PFCON 1 
TRX 1  TRX 2 
PSP 
DCON 1 
POWER 
ERROR 
POWER 
ERROR 
STATUS  
POWER 
ERROR 
POWER 
ERROR 
POWER 
ERROR 
POWER 
ERROR 
POWER 
ERROR 
POWER 
ERROR 
POWER 
ERROR 
POWER 
ERROR 
S
POWER 
ERROR 
POWER 
ERROR 
POWER 
ERROR 
POWER 
ERROR 
S 
Pos 1  2  3 
TRX 1  TRX 2  TRX 3  TRX 4  TRX 5  TRX 6  TRX 7  TRX 8 
TRX 3  TRX 4 
4 5 TRX 5  TRX 6 
6 7 TRX 7  TRX 8 
8 9 TRX 9  TRX 10 
10 11 TRX 11  TRX 12 
12 13 
TRX 13  TRX 14 
14 15 
TRX 15  TRX 16 
16 17  18  19 
DCON 2  PFCON 2 
20 21 
TATUSS
TATUSS TATUSS TATUSS TATUSS TATUSS TATUSS TATUSS TATUS
STATUS STATUS STATUS STATUS TATUS TATUSS
Figure 3-17. Macro with MCPA, 1900 MHz TCB
5.2.1 Transceiver Module (TRX)
The TRX transmits and receives radio signals to and from wireless mobile
stations. It includes all functions for handling one radio channel, such
as channel coding and decoding, modulation and demodulation, power
amplification, diversity combination, and measurements. Each TRX is
assigned to one carrier frequency and each channel is divided into three time
slots for digital and one time slot for analog voice channels. All TRXs in a
TCB are used in a single sector. The connected C-Link has two duplex 64
kbit/sec channels (time slots) connected. One timeslot is the digital control
channel and the other timeslot is the voice channel.
2/1551-AE/LZB 119 4239 Uae Rev A 2001-03-15 3-27

System Description
5.2.2 Power Splitter (PSP8+))
The PSP8+ located in each TCB distributes the received RF to the power
splitters in the RF backplane of the TCB. The PSP8+ in TCB-1 splits each
branch into four outputs that are connected to the RF backplane.
5.2.3 RF Backplane
The RF Backplane, also called Power Splitter backplane, feeds the TRXs
with receive signals. Incoming signals from the PSP outputs are connected to
the RF backplane. The backplane also splits each signal to feed the TRXs.
5.2.4 Power and Fan Connection Board (PFCON)
The PFCON filters and bypasses power to the TRXs and to the fan. It also
connects the air frame sync to the backplane for distribution to each TRX.
5.2.5 Data Connection Board (DCON)
The DCON provides the C-link connections for up to eight TRXs. The
C-links come from the RTT units in the CRI.
5.2.6 Digital Verification Receiver (DVER)
The DVER TRX is used for digital signal verification and is assigned to the
TRX fitted in the last TRX position of the first TCB in each sector.
5.3 Antenna Near Part Cabinet (ANPC)
A Macro with MCPA RBS module (omni site) contains one ANPC that
functions as the radio transmitter/receiver interface. It also includes external
alarm, test, and calibration functionality.
The ANPC filters, amplifies (in the receive path), and monitors the RF
signal. Other functions include looping radio signals, output and reflected
power measurement, and RSSI calibration.
The Macro with MCPA, 1900 MHz ANPC contains the following
components:
• Multicoupler (2)
• Receiver Bandpass Filter (1)
• Radio Frequency Test Loop
• Timing Module (2 – Sector 1 only)
3-28 2/1551-AE/LZB 119 4239 Uae Rev A 2001-03-15

System Description
• Power Connection Board
• Alarm Module
TIM
Power
Error
STA 1
STA 2
CLINK
AFS
In
AFS
CFR
a
AFS
CFR
b
AFS
CFR
c
MR
CFR
a
CAL
DEB
MR
CFR
b
MR
CFR
c
✚
✚
TIM
Power
Error
STA 1
STA 2
CLINK
AFS
In
AFS
CFR
a
AFS
CFR
b
AFS
CFR
c
MR
CFR
a
CAL
DEB
MR
CFR
b
MR
CFR
c
✚
✚
RFTL Out B
REF A
REF B
FWD B
FWD A
RFTL
RFTL Out A
CLINK
Power
Error
Status
✚
✚ ✚
✚
ALM
Power
Error
Status
CLINK
Alarm Control
✚
✚
DC2 DC1
POC
Fan 1
CID
Fan 2
✚
✚
✚
✚
OUT 3
OUT 4
INPUT
MC
Power
Error
OUT 1
OUT 2
EXP
RFTL
RFTL
✚
✚
OUT 3
OUT 4
INPUT
MC
Power
Error
OUT 1
OUT 2
EXP
RFTL
RFTL
✚
✚✚ ✚
✚ ✚
✚ ✚
✚ ✚
✚ ✚
✚ ✚
✚ ✚
✚ ✚
POC
ALM
TIM
RFTL
MC RXBP
Figure 3-18. Macro with MCPA, 1900 MHz ANPC
5.3.1 Multicoupler (MC)
The MC amplifies and splits the received antenna signal before it is
connected to the PSP. There are two MCs for each sector for improved
reception through diversity.
5.3.2 Receiver Bandpass Filter (RXBP)
The RXBP filters the receive band. It comprises two bandpass filters, one
for each branch. The RX inputs are connected to the antenna feeders. The
RXBP also includes a directional coupler for connection to the RFTL.
5.3.3 Radio Frequency Test Loop
The RFTL has a C-link connection to the CRI for control. The RFTL
provides measurement of forward and reverse output power, alarm
supervision of the Voltage Standing Wave Ratio (VSWR), and Receive
Signal Strength Indicator (RSSI) measurement.
2/1551-AE/LZB 119 4239 Uae Rev A 2001-03-15 3-29

System Description
5.3.4 Timing Module (TIM)
The TIM supports separate clocks for network synchronization and carrier
frequency stabilization.
5.3.5 Power Connection Board
The Power Connection Board connects power to the ANPC.
5.3.6 Alarm Module (ALM)
The Alarm Module has 16 internal alarm inputs (for instance, fan and MC
failure) and 32 external alarm inputs (for instance, fire alarms and intrusion
alarms). The ALM is controlled over a C-link by the CRI.
5.4 Hybrid Combiner
The Hybrid Combiner cabinet contains two 16:1 combiners and one 2:1
combiner to connect 32 TRXs to one transmit antenna. The 16:1 combines
16 TRX outputs (with minimum insertion loss while providing suffcient
isolation between the TRXs) and feeds the signal to a 2:1 combiner. A
total of 32 carriers feed the Multi-Carrier Power Amplifier (MCPA).The
Transmit Bandpass Filter (TXBP) and the Measurement Coupler Unit
(MCU) are located in the MCPA rack. The combiner is also equipped with a
–40 dB sample port.
RF Out 1-32
-40dB Sample Port
In 1-16
In 17-32
Figure 3-19. Hybrid Combiner Unit
3-30 2/1551-AE/LZB 119 4239 Uae Rev A 2001-03-15

System Description
5.5 Transmit Bandpass Filter (TXBP)
The Transmit Bandpass Filter (TXBP) attenuates the high level of
out-of-band emissions associated with the MCPA. The TXBP consists of an
eight-pole bandpass filter designed for 1930–1990 MHz. The TXBP has an
RF inlet from the MCPA and an output which is fed to the MCU.
TXBP/MCU
1234
AMPLIFIER
1234
AMPLIFIER
ON    OFF
ON    OFF
ON    OFF
ON    OFF
1234
AMPLIFIER
1234
AMPLIFIER
ON    OFF
ON    OFF
ON    OFF
ON    OFF
Figure 3-20. TXBP and MCU
5.6 Measurement Coupler Unit (MCU)
The Measurement Coupler Unit (MCU) measures reflected and forward
power. It diverts a fraction of the forward and reflected transmit signals to
the RFTL. The TX input is connected to the TXBP and the TX output is
connected to the antenna feeder. The MCU contains a low-pass filter to
attenuate harmonics.
2/1551-AE/LZB 119 4239 Uae Rev A 2001-03-15 3-31

System Description
5.7 Multi-Carrier Power Amplifier (MCPA)
The MCPA is a linear feed-forward power amplifier that operates in the
1930–1990 MHz band. The MCPA can simultaneously transmit multiple
carriers at rated full power of up to 320 watts at the MCPA output and
exceeds –63 dBc third order intermodulation distortion (IMD).
The MCPA design is modular and consists of up to four amplifiers mounted
in a subrack. Each amplifier can operate independently at 80 watts output
power. The four amplifiers in the Macro with MCPA system operate in
parallel to increase peak power output and provide redundancy.
Performance monitoring is provided by a status connector on each amplifier
module. The front panel of each amplifier contains unit level status
indicators and an RF on/off/reset switch.
ON    OFF
1234
AMPLIFIER
1234
AMPLIFIER
ON    OFF
ON    OFF
ON    OFF
ON    OFF
1234
AMPLIFIER
1234
AMPLIFIER
ON    OFF
ON    OFF
ON    OFF
ON    OFF
Power Switch
ON    OFF
Over
Pwr
High
Temp
VSWR
DC
Fail
Fan
Fail
Loop
Fail
Low
Pwr
LPA
DISAB
ALARMS
STATUS
+27 VDC
+15 VDC
+5 VDC
-5 VDC
Reset
Figure 3-21. MCPA Rack and Amplifier Modules
3-32 2/1551-AE/LZB 119 4239 Uae Rev A 2001-03-15

System Description
5.8 RBS Power Distribution Cabinet (POWD)
The Power Distribution (POWD) cabinets provide power distribution,
breaker protection and alarm indications for active areas of the radio base
station. One POWD is mounted in the top of each 19-inch rack.
As shown in Figure 3-22 on page 3-34, each POWD contains twelve (12)
30-amp circuit breakers. The breaker assignments are as follows:
Table 3-1. POWD Circuit Breaker Assignments
Circuit Breaker Function
CB 1 TCB 1 –PFCON1–DC1
CB 2 TCB 1 – PFCON 1 – DC 2
CB 3 ANPC – DC 1
CB 4 ANPC – DC2
CB 5 TCB 2 – PFCON 1 – DC 1
CB 6 TCB 2 – PFCON 1 – DC 2
CB 7 CRIa–FILTL
CB 8 CRIa–FILTR
CB 9 TCB 2 – PFCON 2 – DC 1
CB 10 TCB 2 – PFCON 2 – DC 2
CB 11 TCB 1– PFCON 2 – DC 1
CB 12 TCB 1– PFCON 2 – DC 2
2/1551-AE/LZB 119 4239 Uae Rev A 2001-03-15 3-33

System Description
Power Distribution
Circuit Breakers 1-12
Figure 3-22. RBS Power Distribution Cabinet
5.9 MCPA Power Distribution Cabinet (HC-POWD)
The MCPA Power Distribution cabinet provides high current power
distribution (HC-POWD) and circuit breaker protection for the MCPA
amplifiers mounted in the MCPA rack. One POWD is mounted in the top of
the 24-inch MCPA rack.
As shown in Figure 3-23 on page 3-35, each POWD contains sixteen (16)
breaker positions with twelve (12) 60-amp circuit breakers (one for each
MCPA amplifier). The breaker assignments are as follows:
Table 3-2. POWD Circuit Breaker Assignments
Circuit Breaker Function
CB 1 Sector 1 –MCPAAmpModule4
CB 2 Sector 1 – MCPA Amp Module 3
CB 3 Sector 1 – MCPA Amp Module 2
CB 4 Sector 1 – MCPA Amp Module 1
3-34 2/1551-AE/LZB 119 4239 Uae Rev A 2001-03-15

System Description
Table 3-2. POWD Circuit Breaker Assignments (Continued)
CB 5 Sector 2– MCPA Amp Module 4
CB 6 Sector 2– MCPA Amp Module 3
CB 7–8 Not used
CB 9 Sector 2– MCPA Amp Module 2
CB 10 Sector 2– MCPA Amp Module 1
CB 11 Sector 3– MCPA Amp Module 4
CB 12 Sector 3– MCPA Amp Module 3
CB 13 Sector 3– MCPA Amp Module 2
CB 14 Sector 3– MCPA Amp Module 1
CB 15–16 Not used
CB1-CB6 CB9-CB14
Figure 3-23. MCPA Power Distribution Cabinet
2/1551-AE/LZB 119 4239 Uae Rev A 2001-03-15 3-35

System Description
6 Technical Specifications
General technical specifications for the Macro with MCPA, 1900 MHz
Medium Power system are shown in the following tables:
6.1 Electrical and RF Specifications
Table 3-3. Macro with MCPA, 1900 MHz Technical Specifications
Description Specification
up to 32 per sectorNumber of transceivers (TRX) in
each sector Note: Includes 30 carriers and one TRX in each sector for digital verification
(DVER) and one TRX for signal strength receiver (SR).
Number of transceivers (TRX) in
each TCB
up to 16 in each cabinet (14+2 in TCB-1)
Number of carriers 31 in each sector (maximum)
Transmitting Characteristics
Transmitting frequency band 1930–1990 MHz
Output Power at output port 54 ±0.5 dBm (depending on configuration)
Output power/carrier 15TRXs–18.2W
23TRXs–11.8W
31TRXs–8.78W
Channel spacing 360 kHz
Receiving Characteristics
Receiving frequency band 1850–1910 MHz
Minimal receive channel spacing in
one cell
270 kHz
Receiver sensitivity (fading, 8~100
km/h, with diversity, 3% BER)
—113 dBm
PCM Connection
Bit rate 1.544 Mbit/s
Board connector RPV 301 302/1
PCM Connection ANSI
T1.403-1989
Electrical characteristics TR-NWT-000499
Number of T1 Lines supported Up to 4
Format Alternate Mark Inversion (AMI) and B8ZS formats; however, B8ZS should
be used when possible. Both the superframe and extended superframe are
supported. Bit robbed signaling is not used.
Synchronization Traceable to a Stratum 2 reference
Powerwave®MCPA (Module Specifications)
Frequency Range 1930–1990 MHz
3-36 2/1551-AE/LZB 119 4239 Uae Rev A 2001-03-15

System Description
Table 3-3. Macro with MCPA, 1900 MHz Technical Specifications (Continued)
Total Maximum Input Power -12 dBm
Power Output 1 Module — 80 Watts (49.5 dBm)
2 Modules — 160 Watts (52.5 dBm)
3 Modules — 240 Watts (54.3 dBm)
4 Modules — 320 Watts (55.5 dBm)
Intermodulation Distortion and
In-Band Spurious Emissions (30
KHz bandwidth)
-63dBc(Min)@+26to+28Vdc@ratedpower
(24 carriers and 360 KHz channel spacing)
RF Gain 54.5 dB
Gain Adjustment Range 0to-15dB
Gain Variation ±0.6 dB from 26 Vdc to 28 Vdc
-0.8 to +0.6 from 24 Vdc to 26 Vdc
Total Maximum Input Power +3.0 dBm
Input Port Return Loss -14 dB (Minimum)
Out of Band Spurious Emissions <-60 dBc (minimum) @ +24 Vdc to +28 Vdc
Duty Cycle Continuous
DC Input Voltage +23 Vdc to 30 Vdc
DC Input Current 180 Amps (45 Amps per module) @ 27 Vdc Input Voltage and 360 Watts
Output
TXBP Specifications (Bandpass / Attenuation)
100 KHz – 824 MHz >45dB
824 MHz – 849 MHz >85dB
849 MHz – 854 MHz >45dB
910 MHz – 1700 MHz >45dB
1700 MHz to the 2nd Harmonic >30dB
2nd Harmonic to the 3rd Harmonic >5dB
Insertion Loss <0.4dB
Power 350 Watt average (4QAM modulated)
Inter-Modulation generation for
two-tone at x44dBm
IM3 < –130 dBm
Combiner Specifications
Frequency Band 869 – 894 MHz
Capacity 32:1 (two 16:1, one 2:1)
Insertion Loss 16.3 dB ±0.5 dB
Maximum Input Power ≤2 Watts per Input Port
Input Return Loss ≥17.5 dB
2/1551-AE/LZB 119 4239 Uae Rev A 2001-03-15 3-37

System Description
Table 3-3. Macro with MCPA, 1900 MHz Technical Specifications (Continued)
Output Return Loss ≥17.5 dB
Isolation between Ports ≥40 dB
Power Supply
DC Supply voltage Nominal 27.2 V
Normal operation 26.2 V to 27.4 V
Safe function 21.7 V to 31.0 V
Power consumption (TRX) Power OFF
Maximum
17 W
30.4 W
Power consumption, Cabinets (fully
equipped)
CRI 155 W
TCB (with 16 TRXs) 571 W )
ANPC 80 W
POWD 9W
MCPA Rack 14.7 kW
6.2 Mechanical and Environmental Specifications
Table 3-4. Macro with MCPA, 1900 MHz Technical Specifications
Description Specification
Dimensions and Weight
Width 23.50 in (597 mm)
Height 67 in (1702 mm)
External dimensions
(single RBS stack)
Depth 15.75 in (400 mm)
RBS stack weight Single Stack 600 lbs (273 kg)
Width 29 in (737 mm)
Height 72 in (2108 mm)
External dimensions
(MCPA rack)
Depth 20 in (508 mm)
MCPA rack weight Single Stack 850 lbs (386 kg)
Environment
Temperature: -40 Cto+70C
Temperature change ≤1C/min
Relative humidity 5 –100%
Absolute humidity ≤35 g/m³
Climatic conditions during
transport
Time ≤3months
3-38 2/1551-AE/LZB 119 4239 Uae Rev A 2001-03-15

System Description
Table 3-4. Macro with MCPA, 1900 MHz Technical Specifications (Continued)
Temperature -25 Cto+60C
Temperature change ≤0.5 C/min
Relative humidity 5-95%
Absolute humidity ≤29 g/m³
Climatic conditions during
storage
Time ≤12 months
+5 Cto+40CTemperature
(TMA -33 Cto+55C)
Temperature change ≤0.5 C/min and ≤10 C/h
Relative humidity 15 – 80%
Climatic conditions during
normal operation
Absolute humidity 1–20g/m³
Sinusoidal vibration 20 m/s² 10 – 150 Hz
Random vibration (ASD) 2 m²/s³ 5 – 150 Hz
Mechanical shock 200 m/s² <11 ms
Mechanical conditions
during transport and
storage
Air pressure 60 — 108 kPa (60 kPa corresponds to an
altitude of 4500 m)
Sinusoidal vibration 5 m/s² 10-150 Hz
Random vibration (ASD) 0.5 m²/s³ 5-150 Hz
Seismic exposure (safe
function)
35s1–15Hz(AccordingtoIEC68-2-57)
Mechanical conditions
during normal operation
Air pressure 60 – 108 kPa (60 kPa corresponds to an
altitude of 4500 m)
EMC
Radiated emission 30 MHz
-1GHz
Class B digital device (According to FCC Part
15)
Radiated emission 30 MHz
-1GHz
-13 dBm (transmitter) (According to FCC Part
22)
Conducted emission DC
Supply
120 Hz - 100 MHz: According to Bellcore 3.2.4
Electromagnetic Emission
Conducted emission
Telecommunication Lines
120Hz–100MHz:AccordingtoBellcore3.2.4
Radio frequency field 80
MHz - 1 GHz except RX
band ±5%
10 V/m (According to IEC 1000-4-3)Electromagnetic immunity,
Enclosure
ESD 8kVcontactdischarge(AccordingtoBellcore
2.2 and 2.4, and IEC 1000-4-2 level 4)
2/1551-AE/LZB 119 4239 Uae Rev A 2001-03-15 3-39