HARRIS TR-0041-E UHF MASTR-III Base Station - Paging User Manual MM102554V1RevB
HARRIS CORPORATION UHF MASTR-III Base Station - Paging MM102554V1RevB
  
    HARRIS   >  
users manual

Installation Manual 
MM102554V1 
Rev. B, Dec- 04 
MASTR® III 
Conventional and P25 
Base Stations 
TABLE OF CONTENTS 
Application and Assembly Diagrams........................MM102555V1 
Antenna Systems.............................................................LBI-38983 
Site Grounding and Lightning Protection ........AE/LZT 123 4618/1 
Tower Requirements and Specifications......................... LBI-39185 
Advanced Digital Capable 

MM102554V1 REV B 
2 
MANUAL REVISION HISTORY 
REV  DATE  REASON FOR CHANGE 
R1A  August 2003  Initial Release.  
B December 2004 Modified Regulatory Section. 
NOTICE! 
This manual covers M/A-COM, Inc. products manufactured and sold by M/A-COM, Inc. 
This device made under license under one or more of the following US patents: 4,590,473; 4,636,791; 5,148,482; 
5,185,796; 5,271,017; 5,377,229. 
The voice coding technology embodied in this product is protected by intellectual property rights including patent rights, 
copyrights, and trade secrets of Digital Voice Systems, Inc.  The user of this technology is explicitly prohibited from 
attempting to decompile, reverse engineer, or disassemble the Object Code, or in any way convert the Object Code into 
human-readable form.   
MASTR and Voice Guard are registered trademarks and Aegis is a trademark of is a registered trademark of M/A-COM, 
Inc. 
Microsoft, Windows, and WindowsNT are registered trademarks of Microsoft Corporation 
Pentium is a registered trademark of Intel Corporation. 
All other brand and product names are registered trademarks, trademarks, or service marks of their respective holders. 
NOTICE! 
Repairs to this equipment should be made only by an authorized service technician or facility designated by the supplier. 
Any repairs, alterations or substitutions of recommended parts made by the user to this equipment not approved by the 
manufacturer could void the user's authority to operate the equipment in addition to the manufacturer's warranty. 
This manual is published by M/A-COM, Inc. , without any warranty. Improvements and changes to this manual necessitated by typographical errors, 
inaccuracies of current information, or improvements to programs and/or equipment, may be made by M/A-COM, Inc. , at any time and without notice. 
Such changes will be incorporated into new editions of this manual. No part of this manual may be reproduced or transmitted in any form or by any means, 
electronic or mechanical, including photocopying and recording, for any purpose, without the express written permission of M/A-COM, Inc.  
Copyright© 2003 M/A-COM, Inc. All rights reserved. 

MM102554V1 REV B 
 3 
TABLE OF CONTENTS 
 Page 
1. REGULATORY AND SAFETY INFORMATION............................................................................ 7 
1.1  MAXIMUM PERMISSIBLE EXPOSURE LIMITS........................................................................ 7 
1.2 DETERMINING MPE RADIUS......................................................................................................7 
1.3  SAFETY TRAINING INFORMATION........................................................................................... 7 
1.4  IMPORTANT SAFETY INFORMATION....................................................................................... 9 
1.5  SAFETY SYMBOLS IN THIS DOCUMENT ............................................................................... 10 
2. SPECIFICATIONS (GENERAL)...................................................................................................... 11 
2.1 CABINET........................................................................................................................................ 11 
2.2 STATION........................................................................................................................................ 11 
2.3 INTERFACE................................................................................................................................... 12 
3. INTRODUCTION ............................................................................................................................... 13 
4. GENERAL INFORMATION............................................................................................................. 15 
4.1 REFERENCE MANUALS ............................................................................................................. 15 
4.2 OPTIONS........................................................................................................................................ 17 
5. SITE PREPARATION........................................................................................................................ 19 
5.1 INTRODUCTION........................................................................................................................... 19 
5.2 FACILITY PREPARATION .......................................................................................................... 19 
5.2.1 Floor Plan........................................................................................................................... 19 
5.2.2  Equipment Cabinet Placement ........................................................................................... 19 
5.2.3 Ceiling Requirements......................................................................................................... 20 
5.2.4  Size and Weight Considerations ........................................................................................ 20 
5.2.5 Operating Environment...................................................................................................... 20 
5.3 POWER INSTALLATION............................................................................................................. 20 
5.3.1  Existing Input Power.......................................................................................................... 20 
5.3.2 AC Distribution.................................................................................................................. 21 
5.3.3 Generator System............................................................................................................... 21 
5.3.4 AC-DC Supply................................................................................................................... 21 
5.3.5 Battery Backup................................................................................................................... 22 
5.3.6 UPS System........................................................................................................................ 22 
5.3.7 Electrical Power ................................................................................................................. 22 
5.4 INTER-SITE COMMUNICATIONS ............................................................................................. 23 
5.4.1 Hardwire Installation.......................................................................................................... 23 
5.4.2  Leased Telephone Lines..................................................................................................... 24 
5.4.3  T1 or E1 Links ................................................................................................................... 24 
5.5 PROTECTIVE GROUNDING ....................................................................................................... 25 
5.6 ANTENNA SYSTEM..................................................................................................................... 26 
5.6.1 Antenna Mounting ............................................................................................................. 26 
5.6.2 Transmission Lines ............................................................................................................ 27 
5.7 QUALITY AUDIT.......................................................................................................................... 29 
5.7.1 Antenna System ................................................................................................................. 29 

MM102554V1 REV B 
4   
TABLE OF CONTENTS 
 Page 
5.7.2 Electrical System................................................................................................................ 30 
6. EQUIPMENT INSTALLATION ....................................................................................................... 31 
6.1 INTRODUCTION........................................................................................................................... 31 
6.2 UNPACKING EQUIPMENT ......................................................................................................... 31 
6.3 EQUIPMENT INSTALLATION.................................................................................................... 32 
6.3.1  Mounting Vendor Supplied RF Equipment ....................................................................... 32 
6.3.2  Mounting Base Station Cabinet (Typical).......................................................................... 34 
6.4 INTERIOR RF CABLING.............................................................................................................. 35 
6.4.1 Cable Routing..................................................................................................................... 35 
6.4.2  Install RF Cables................................................................................................................ 35 
6.5  CONNECTING ELECTRICAL POWER....................................................................................... 37 
6.5.1  AC Power Distribution....................................................................................................... 38 
6.5.2 Generator Backup............................................................................................................... 38 
6.5.3 AC-DC Supply................................................................................................................... 38 
6.5.4 Battery Backup................................................................................................................... 38 
6.5.5 UPS System........................................................................................................................ 39 
6.6 POWER-UP SEQUENCE............................................................................................................... 39 
7. DC AND TONE REMOTE CONTROL INSTALLATION ............................................................ 40 
7.1  DC REMOTE INSTALLATION.................................................................................................... 40 
7.1.1  Wiring Methods for DC Remote........................................................................................ 40 
7.1.2  Installation Method 1 – Single Metallic Pair...................................................................... 43 
7.1.3  Installation Method 2 – Single Metallic Pair with Earth Ground....................................... 43 
7.1.4  Installation Method 3 - Metallic Control Pair, Audio Pair................................................. 43 
7.1.5  Installation Method 4 - Full Duplex................................................................................... 45 
7.2  E & M SIGNALING....................................................................................................................... 45 
7.2.1  Standard (Type II) E & M Signaling.................................................................................. 45 
7.2.2  Type 1 E & M Signaling .................................................................................................... 46 
7.3  TONE REMOTE INSTALLATION............................................................................................... 46 
7.3.1  Voting System Considerations........................................................................................... 48 
7.3.2 Function Tones................................................................................................................... 48 
7.3.3  Wiring Methods for Tone Remote ..................................................................................... 49 
7.3.4  Installation Method 1 – Two Wire Tone Remote............................................................... 50 
7.3.5  Installation Method 2 - Four Wire Tone Remote............................................................... 50 
7.4  T/R SHELF REMOTE CONTROL CONNECTIONS ................................................................... 50 
7.4.1  Interface Board Connections.............................................................................................. 50 
7.5  SQUELCH OPERATED RELAY OPTION (SXSU3D)................................................................ 53 
7.5.1 Installation.......................................................................................................................... 53 
7.5.2 Operation............................................................................................................................ 53 
7.6  SHARED REPEATER PANEL INSTALLATION........................................................................ 55 
7.6.1 General ............................................................................................................................... 55 
7.6.2  Repeater Panel Interface..................................................................................................... 55 
8. STATION TEST AND ALIGNMENT PROCEDURES .................................................................. 58 
8.1 INTRODUCTION........................................................................................................................... 58 

MM102554V1 REV B 
 5 
TABLE OF CONTENTS 
 Page 
8.2 GENERAL ...................................................................................................................................... 58 
8.3  SUPPORT EQUIPMENT REQUIRED .......................................................................................... 58 
8.3.1 Hardware............................................................................................................................ 58 
8.3.2 Software ............................................................................................................................. 59 
8.4 STATION CONFIGURATION...................................................................................................... 60 
8.5 STATION ALIGNMENT............................................................................................................... 61 
8.5.1 Preparation ......................................................................................................................... 63 
8.5.2  Station Pot Defaults............................................................................................................ 64 
8.5.3  Channel Guard (CG) Pot.................................................................................................... 64 
8.5.4  Transmit Limiter (TX) Pot................................................................................................. 65 
8.5.5  Repeater Gain (RG) Pot ..................................................................................................... 66 
8.5.6  DSP Line Input (DLI) Pot.................................................................................................. 66 
8.5.7  Compressor Gain (CP) Pot................................................................................................. 67 
8.5.8  Compressor Threshold (CT) Pot ........................................................................................ 68 
8.5.9  DSP Line Cancellation (DC) Pot ....................................................................................... 68 
8.5.10  Line Output (LO) Pot......................................................................................................... 69 
8.5.11  P25 C4FM Deviation (DSP Module Adjustments)............................................................ 69 
8.5.12  Enable the P25 Operation in the System Module............................................................... 69 
8.5.13  Adjust P25 C4FM Deviation.............................................................................................. 70 
8.5.14 SINAD Test........................................................................................................................ 71 
8.5.15 Squelch Adjustment ........................................................................................................... 72 
8.5.16  Transmitter Forward and Reverse Power........................................................................... 72 
9. SYSTEM FUNCTIONAL TESTS...................................................................................................... 74 
9.1 GENERAL ...................................................................................................................................... 74 
9.2 SETUP............................................................................................................................................. 74 
9.3  CONVENTIONAL RADIO TEST ................................................................................................. 74 
9.4  P25 RADIO TEST .......................................................................................................................... 74 
9.4.1  P25 Individual Calls........................................................................................................... 74 
9.4.2  P25 Group Calls................................................................................................................. 74 
9.5  REMOTE STATION OPERATION............................................................................................... 75 
10. MODULE TESTING AND ALIGNMENT....................................................................................... 76 
10.1 GENERAL ...................................................................................................................................... 76 
10.2 BENCH TESTING.......................................................................................................................... 77 
10.2.1 Procedure............................................................................................................................ 78 
10.3 IN-STATION TESTING................................................................................................................. 79 
10.3.1 Procedure............................................................................................................................ 79 
10.4  CHANGING THE BASE STATION FREQUENCY..................................................................... 79 
10.4.1 Vendor Equipment ............................................................................................................. 80 
10.4.2  800 MHz Stations............................................................................................................... 80 
10.4.3 UHF Stations...................................................................................................................... 81 
10.4.4 VHF Stations...................................................................................................................... 81 
10.5  STATION ADJUSTMENTS FOR REMOTE CONTROL OPERATION..................................... 82 
10.5.1  Line Out Level Adjustment................................................................................................ 82 
10.5.2  Line In Level Adjustment .................................................................................................. 83 

MM102554V1 REV B 
6   
TABLE OF CONTENTS 
 Page 
10.5.3  DSP Level Adjustments ..................................................................................................... 83 
11. PREVENTATIVE MAINTENANCE ................................................................................................ 84 
11.1 GENERAL ...................................................................................................................................... 84 
11.2 BASE STATIONS .......................................................................................................................... 84 
11.2.1 Test Equipment .................................................................................................................. 84 
11.2.2 Tests ................................................................................................................................... 84 
11.3 RF SYSTEM ................................................................................................................................... 85 
11.3.1 Combiner............................................................................................................................ 85 
11.3.2 Multicoupler....................................................................................................................... 85 
11.3.3 Receive Filter ..................................................................................................................... 85 
11.3.4  RF Cabling to Bulkhead..................................................................................................... 85 
11.4 POWER SYSTEM.......................................................................................................................... 85 
12. CHECKLISTS ..................................................................................................................................... 86 
12.1  SITE DATA SHEET....................................................................................................................... 87 
12.2  INSTALLER PROFILE DATA SHEET......................................................................................... 88 
12.3  ANTENNA SYSTEM INSTALLATION CHECKLIST................................................................ 89 
12.4  EQUIPMENT INSTALLATION CHECKLIST............................................................................. 90 
12.5  POWER SYSTEM INSTALLATION CHECKLIST ..................................................................... 91 
12.6  REPEATER TEST DATA .............................................................................................................. 92 
12.7  PREVENTATIVE MAINTENANCE REPEATER TEST DATA................................................. 93 

MM102554V1 REV B 
 7 
1.  REGULATORY AND SAFETY INFORMATION 
1.1  MAXIMUM PERMISSIBLE EXPOSURE LIMITS 
DO NOT TRANSMIT with this base station and antenna when persons are within the MAXIMUM 
PERMISSIBLE EXPOSURE (MPE) Radius of the antenna.  The MPE Radius is the minimum distance 
from the antenna axis that ALL persons should maintain in order to avoid RF exposure higher than the 
allowable MPE level set by the FCC. 
WARNING
FAILURE TO OBSERVE THESE LIMITS MAY ALLOW ALL PERSONS WITHIN 
THE MPE RADIUS TO EXPERIENCE RF RADIATION ABSORPTION, WHICH 
EXCEEDS THE FCC MAXIMUM PERMISSIBLE EXPOSURE (MPE) LIMIT. IT IS 
THE RESPONSIBILITY OF THE BASE STATION OPERATOR TO ENSURE THAT 
THE MAXIMUM PERMISSIBLE EXPOSURE LIMITS ARE OBSERVED AT ALL 
TIMES DURING BASE STATION TRANSMISSION. THE BASE STATION 
OPERATOR IS TO ENSURE THAT NO BYSTANDERS ARE WITHIN THE RADIUS 
LIMITS. 
1.2  DETERMINING MPE RADIUS 
THE MAXIMUM PERMISSIBLE EXPOSURE RADIUS is unique for each site and is determined at 
during site licensing time based on the complete installation environment (i.e.. co-location, antenna type, 
transmit power level,  etc.).  Determination of the MPE distance is the responsibility of the installation 
licensee.  Calculation of the MPE radius is required as part of the site licensing procedure with the FCC. 
1.3  SAFETY TRAINING INFORMATION 
WARNING
YOUR M/A-COM MASTR III BASE STATION GENERATES RF 
ELECTROMAGNETIC ENERGY DURING TRANSMIT MODE.  THIS BASE 
STATION IS DESIGNED FOR AND CLASSIFIED AS “OCCUPATIONAL USE ONLY” 
MEANING IT MUST BE USED ONLY IN THE COURSE OF EMPLOYMENT BY 
INDIVIDUALS AWARE OF THE HAZARDS OF RF ENERGY AND THE WAYS TO 
MINIMIZE EXPOSURE.  THIS BASE STATION IS NOT INTENDED FOR USE BY 
THE “GENERAL POPULATION” IN AN UNCONTROLLED ENVIRONMENT.  IT IS 
THE RESPONSIBILITY OF THE LISENSEE TO ENSURE THAT THE MAXIMUM 
PERMISSIBLE EXPOSURE LIMITS ARE OBSERVED AT ALL TIMES DURING 
TRANSMISSION.  THE BASE STATION OPERATOR IS TO ENSURE THAT NO 
BYSTANDERS COME WITHIN THE RADIUS OF THE LIMITS. 
When licensed by the FCC, this base station complies with the FCC RF exposure limits when persons are 
beyond the MPE radius of the antenna.  In addition, your M/A-COM base station installation complies 
with the following Standards and Guidelines with regard to RF energy and electromagnetic energy levels 
and evaluation of such levels for exposure to humans: 

MM102554V1 REV B 
8   
FCC OET Bulletin 65 Edition 97-01 Supplement C, Evaluating Compliance with FCC Guidelines 
for Human Exposure to Radio Frequency Electromagnetic Fields. 
American National Standards Institute (C95.1 – 1992), IEEE Standard for Safety Levels with 
Respect to Human Exposure to Radio Frequency Electromagnetic Fields, 3 kHz to 300 GHz. 
American National Standards Institute (C95.3 – 1992), IEEE Recommended Practice for the 
Measurement of Potentially Hazardous Electromagnetic Fields – RF and Microwave. 
CAUTION
TO ENSURE THAT YOUR EXPOSURE TO RF ELECTROMAGNETIC ENERGY IS 
WITHIN THE FCC ALLOWABLE LIMITS FOR OCCUPATIONAL USE, DO NOT 
OPERATE THE BASE STATION IN A MANNER THAT WOULD CREATE AN MPE 
DISTANCE IN EXCESS OF THAT ALLOWABLE BY THE FCC. 

MM102554V1 REV B 
 9 
1.4  IMPORTANT SAFETY INFORMATION 
The following general safety precautions must be observed during all phases of operation, service, and 
repair of this product.  Failure to comply with these precautions or with specific warnings elsewhere in 
this manual violates safety standards of design, manufacture, and intended use of the product.  M/A-COM 
Inc. assumes no liability for the customer's failure to comply with these standards. 
SAVE THIS MANUAL - It contains important safety and operating instructions. 
1. Before using this equipment, please follow and adhere to all warnings, safety and operating 
instructions located on the product and in the manual. 
2. DO NOT expose equipment to rain, snow or other type of moisture. 
3. Care should be taken so objects do not fall onto or liquids do not spill into the equipment. 
4. DO NOT expose equipment to extreme temperatures. 
5. DO NOT connect auxiliary equipment to the MASTR III System that is not recommended or sold by 
M/A-COM.  To do so may result in the risk of fire, electric shock or injury to persons. 
6. GROUND THE EQUIPMENT - To minimize shock hazard, the station equipment cabinet must be 
connected to an electrical ground.   
If AC powered, the correct type of AC power cable and plug must be used.  This cable and plug 
assembly must conform to local standards and the installation of power cords must conform to local 
standards and practices. 
7. To reduce risk of damage to electrical cords, pull by plug rather than cord when disconnecting a unit. 
8. Make sure all power cords are located so they will not be stepped on, tripped over, subjected to 
damage or stress, or located such that they may be hazardous to health. 
9. An extension cord should not be used unless absolutely necessary.  Use of an improper extension 
cord could result in a risk of fire or electric shock.  If an extension cord must be used, ensure: 
a) The extension conforms to local standards and practices, 
b) The pins on the plug of the extension cord are the same number, size, and shape as those of the 
plug on the power supply, 
c) The extension cord is properly wired, in good condition, and 
d) The wire size is capable of handling the AC ampere rating of unit/s being supplied. 
10. DO NOT operate equipment with damaged power cords or plugs - replace them immediately. 
11. DO NOT attempt to operate this product in an explosive atmosphere unless it has been specifically 
certified for such operation. 
12. To reduce risk of electric shock, isolate the unit and unplug from outlet before attempting any 
maintenance or cleaning. 
13. DO NOT attempt to operate this product with covers or panels removed.  Refer all servicing to 
qualified service personnel. 
14. Use only fuses of the correct type, voltage rating and current rating as specified in the parts list.  
Failure to do so can result in fire hazard. 
15. GROUNDING AND AC POWER CORD CONNECTION - To reduce risk of electrical shock use 
only a properly grounded outlet.  The system components are equipped with electric cords having 

MM102554V1 REV B 
10   
equipment grounding conductors and a grounding plug.  Be sure all outlets are properly installed and 
grounded in accordance with all local codes and ordinances. 
16. DANGER - Never alter the AC cord or plug.  Plug into an outlet properly wired by a qualified 
electrician.  Improper connection or loss of ground connection can result in risk of an electrical shock. 
17. ELECTROSTATIC DISCHARGE SENSITIVE COMPONENTS - This station contains CMOS 
and other circuit components that may be damaged by electrostatic discharge.  Proper precaution must 
be taken when handling circuit modules.  As a minimum, grounded wrist straps should be used at all 
times when handling circuit modules. 
1.5  SAFETY SYMBOLS IN THIS DOCUMENT 
The following conventions are used throughout this manual to alert the user to general safety precautions 
that must be observed during all phases of operation, service, and repair of this product. Failure to comply 
with these precautions or with specific warnings elsewhere in this manual violates safety standards of 
design, manufacture, and intended use of the product. M/A-COM, Inc. assumes no liability for the 
customer's failure to comply with these standards. 
WARNING
The WARNING symbol calls attention to a procedure, practice, or the like, which, if not 
correctly performed or adhered to, could result in personal injury. Do not proceed beyond a 
WARNING symbol until the conditions identified are fully understood or met. 
CAUTION
The  CAUTION symbol calls attention to an operating procedure, practice, or the like, 
which, if not performed correctly or adhered to, could result in damage to the equipment or 
severely degrade the equipment performance. 
NOTE
The NOTE symbol calls attention to supplemental information, which may improve system 
performance or clarify a process or procedure. 
The ESD symbol calls attention to procedures, practices, or the like, which could expose 
equipment to the effects of Electro-Static Discharge. Proper precautions must be taken to 
prevent ESD when handling circuit modules. 

MM102554V1 REV B 
 11 
2. SPECIFICATIONS (GENERAL) 
2.1 CABINET 
Cabinet Size (H x W x D):     Total Rack Capacity 
  37-Inch Cabinet (37 x 21-1/2 x 18-1/4), (940 x 550 x 460 mm)  17 
  69-Inch Cabinet (69 x 23-3/16 x 21), (1750 x 590 x 533 mm)  33 
  83-Inch Cabinet (83 x 22-1/2 x 20-1/4), (2108 x 571 x 514 mm)  41 
Weight (minimum)  Continuous Duty  Packed, Domestic Shipping 
  37-Inch Cabinet  150 lbs (68 kg)  165 lbs (75 kg) 
  69-Inch Cabinet (w/3 repeaters)  520 lbs (236 kg)  550 lbs (250 kg) 
  83-Inch Cabinet (w/3 repeaters)  550 lbs (250 kg)  580 lbs (263 kg) 
Options    Required Rack Units 
  MASTR III Base Station & Power Supply  8 
  Auxiliary receivers (1 or 2 receivers)  4 
  Battery Shelf and Batteries (CH1R)  6 
  Duplexers (factory installed) (DU1J, DU1K, DU1M)  3 
  Receiver Voting Selector  4 
 AegisTM/Voice Guard® Shelf (VG3E, VG3F)  1 
  Aegis Voice Guard Module and Shelf (VV1N, VW1J, VG3D, VV1S)   
1 Rack Unit = 1.75-inches   
2.2 STATION 
  Basic station occupies 8 RU  
(includes T/R Shelf, PA, & Power. Supply) 
Service Speaker:  1 watt at 8 ohms 
Service Microphone:  Transistorized Dynamic 
Duty Cycle (EIA) Continuous:  Transmit and Receive at 100% 
Operating Temperature:  -22° to +140°F (-30°C to +60°C) 
Humidity (EIA):  90% at 122°F (50°C) 
Input Power Source:  5 Amps at 120 VAC (±20%) 60 Hz or 
 3 Amps at 230 VAC (±15%) 50 Hz 

MM102554V1 REV B 
12   
DC Input Power:   
  With 19D902797 Power Amplifier:  33 Amps at 13.8 VDC (transmit, full power) 
  25 Amps at 13.8 VDC (transmit, half power) 
  2.0 Amps at 13.8 VDC (receive only, standby) 
  With EA101292 Power Amplifier:  12 Amps at 26.4 VDC (transmit, full power) 
  8 Amps at 26.4VDC (transmit, half power) 
  0.5 Amps at 26.4 VDC (receive only, standby) 
Antenna Connection:  Type N 
Altitude:   
Operating:  Up to 15,000 ft (4,570 m) 
Shippable:  Up to 50,000 ft (15,250 m) 
2.3 INTERFACE 
Line Interface   
Line Interface   2-wire or 4-wire (programmable) 
Line Cancellation   (2-wire) 20 dB amplitude only (programmable) 
Audio (line to transmitter)   
Line Terminating Impedance  600 ohms (2-wire or 4-wire) 
Line Input Level (adjustable)  -20 dBm to +7 dBm 
Frequency Response  ±3 dB @ 300 to 3000 Hz 
Remote Tone Control    
Function Tones (Hz):  1050, 1150, 1250, 1350, 1450, 1550, 1650, 1750, 1850, 
1950, & 2050 
Secur-it Tone and Transmit Tone  2175 Hz 
Permissible Control Line loss @ 2175 Hz:  30 dB 
Audio (receiver to line)   
Output Impedance to Line  600 ohms (2-wire or 4-wire) 
Output Level to Line (adjustable):  Zero to +7 dBm (Reference at 1 kHz) 
Frequency Response  +1 and –3 dB @ 300 to 3000 Hz 
Hum and Noise, Noise Squelch:  -55 dBm (Reference 7 dBm) 
Tone Squelch:  -30 dBm (Reference 7 dBm) 
DC Remote Control Currents:  -2.5 mA, ±6.0 mA, ±11.0 mA 
Line Loop Resistance (maximum)  11K ohms (includes 3K ohm termination) 

MM102554V1 REV B 
 13 
3. INTRODUCTION 
This manual describes how to install, setup, and test the MASTR® III Advanced Digital Capable (ADC) 
Base Station configured for Conventional or P25 operation.  Before attempting to install or checkout the 
equipment, you should become familiar with the contents of this manual and observe all safety 
precautions and warnings.   
This manual is used with the MASTR III Conventional and P25 Application and Assembly Diagrams 
Manual MM102555V1.  The Application and Assembly Diagrams manual includes specific application 
information, cable diagrams, and parts lists for the cabinet hardware.  The installer should consult the 
Application and Assembly Diagrams manual when installing and cabling the base station and for detailed 
instructions for installing options and accessories. 
16 RU 
14 RU 
12 RU 
10 RU 
8 RU 
6 RU 
4 RU 
2 RU 
0 RU 
J802
J801 F801A/F801B
POWER AMPLIFIER 
FRONT VIEW REAR VIEW 
POWER
OFF
ON
Figure 3-1:  Single Channel MASTR III ADC Conventional Base Station in 37" Cabinet 

MM102554V1 REV B 
14   
This manual is divided into the following chapters: 
1. Regulatory and Safety Information – This chapter provides critical safety information governing 
the installation and operation of the base station. 
2. Specifications – This chapter provides the specifications for a typical conventional base station 
installed in a 37" or 69" cabinet. 
3. Introduction - This chapter provides a brief introduction on how this manual is structured. 
4. General Information – This chapter lists many of the options and other technical manuals, which 
may affect the installation of this base station. 
5. Site Preparation - This chapter identifies site requirements and installation practices for the antenna 
tower, transmission lines, and the equipment shelter. 
6. Equipment Installation - This chapter provides instructions for unpacking and physically installing 
the electronic equipment cabinets. 
7. DC and Tone Remote Control Installation – This chapter provides information for configuring the 
base station for operation with a DC or Tone Remote Control system. 
8. Base Station Test and Alignment Procedures – This chapter provides detailed instructions for 
testing and aligning each of the individual system components. 
9. System Functional Tests - This chapter provides detailed instructions for verifying the overall 
operation of the equipment as a system. 
10. Module Testing and Alignment - This chapter provides details for bench testing or aligning 
individual modules or testing and aligning the modules “in-station.”  It also provides procedures for 
changing the base station frequency. 
11. Preventative Maintenance - This chapter defines those tests to be performed as part of Periodic 
Preventative Maintenance. 
12. Checklists  – This chapter includes support features, such as Installation and Preventative 
Maintenance Checklists. 

MM102554V1 REV B 
 15 
4. GENERAL INFORMATION 
4.1 REFERENCE MANUALS 
It may be necessary to consult one or more of the following manuals.  These manuals will also provide 
additional guidance if you encounter technical difficulties during the installation or testing process. 
DESCRIPTION  MANUAL NUMBER 
OVERVIEW MANUALS   
  MASTR III Conventional ADC Base Station  MM102558V1 
  MASTR III P25Conventional ADC Base Station  MM102559V1 
MASTR III CONVENTIONAL & P25 INSTALLATION MANUAL  MM102554V1 
  MASTR III Conventional & P25 Application and Assembly Diagrams  MM102555V1 
MASTR III ADC T/R SHELF  MM102244V1 
  System Module (19D902590G6)  LBI-39176 
  Power Module (19D902589G2)  LBI-38752 
DSP MODULE (EA101800V1)  MM101943V1 
DATA MODULE (19D904558G1)  LBI-38918 
MASTR III RF PACKAGE: VHF (136 - 174 MHZ)  MM102557V1 
  Transmit Synthesizer Module (19D902780G1)  LBI-38640 
  Receive Synthesizer Module (19D902781G1)  LBI-38641 
  Receiver Front End Module (19D902782G1)  LBI-38642 
  Receiver IF Module (EA101401V1)  MM101886V1 
  Power Amplifier (EA101292V10, V11, & V12)  MM101383V2 
MASTR III RF PACKAGE: UHF (380 - 512 MHZ)  MM102557V2 
  Transmit Synthesizer Module (19D902780G3, G6-G10)  LBI-38671 
  Receive Synthesizer Module (19D902781G3)  LBI-38672 
  Receiver Front End Module (19D902782G11)  LBI-39129 
  Receiver IF Module (19D902783G11)  LBI-39123 
  Power Amplifier (19D902797G11)  LBI-38674 
MASTR III RF PACKAGE: 800 MHz  LBI-39025 
  Transmit Synthesizer Module (19D902780G5)  LBI-39026 
  Receive Synthesizer Module (19D902781G5)  LBI-39027 
  Receiver Front End Module (19D902782G5)  LBI-39028 

MM102554V1 REV B 
16   
DESCRIPTION  MANUAL NUMBER 
  Receiver IF Module (19D902783G5)  LBI-39029 
  Power Amplifier, 110 Watt (EA101292V1)  MM101383V1 
OPTIONS AND ACCESSORIES   
Electrostatic Discharge Protection  LBI-38737 
Antenna Systems Assembly Manual  LBI-38983 
Standard for Site Grounding and Protection  LBI-39067 
Duplexer Maintenance Manual  LBI-38763 
Base Station Power Supply Maintenance Manual (19D149978)  LBI-38550 
Base Station Power Supply Maintenance Manual (19D149979)  LBI-38551 
Emergency Power (Battery Charger) Maintenance Manual  LBI-38625 
AC Outlet Strip Maintenance Manual  LBI-4841 
Blower Kit Maintenance Manual  LBI-4842 
MASTR III Fuse Panel (12/24 Volt) Maintenance Manual  LBI-30246 
GETC Trunking Shelf Installation and Configuration Manual  AE/LZB 119 2905/1 
MASTR III Back-to-Back Repeater Configuration Manual  LBI-39118 
Conventional MASTR III Voice Guard Options Installation Manual  AE/LZB 119 2905/2 
Voice Guard System Manual  LBI-31600 
Voice Guard Interface Board Maintenance Manual  LBI-38882 
TEST AND DIAGNOSTICS   
RF Module Test Fixture (TQ0650)  - Model 344A4153P1 
    - Model TS101285V11  LBI 38805 
MM101885V1 
MASTR IIe Utility Handset Manual  LBI-38599 
MASTR III Programming Guide TQS3353  MM102518V1 
MASTR III DSP Module Programming Guide TQS3413  MM102533V1 

MM102554V1 REV B 
 17 
4.2 OPTIONS 
The MASTR III Conventional Base Station is available in the following frequencies and may be 
combined with the options listed.   
MODEL 
NUMBER  DESCRIPTION 
SXGPNX  136-150.8 MHZ, CONVENTIONAL ADVANCED DIGITAL CAPABLE (ADC) P25, 
110W 
SXHPNX  150.8-174 MHZ, CONVENTIONAL ADVANCED DIGITAL CAPABLE (ADC) P25, 
110W 
SXGMCX  136-150.8 MHZ, CONVENTIONAL ADVANCED DIGITAL CAPABLE (ADC), 
110W 
SXHMCX  150.8-174 MHZ, CONVENTIONAL ADVANCED DIGITAL CAPABLE (ADC), 
110W 
SXRMCX  403-425 MHZ, CONVENTIONAL ADVANCED DIGITAL CAPABLE (ADC), 90W 
SXPMCX  410-430 MHZ, CONVENTIONAL ADVANCED DIGITAL CAPABLE (ADC), 90W 
SXTMCX  425-450 MHZ, CONVENTIONAL ADVANCED DIGITAL CAPABLE (ADC), 90W 
SXUMCX  450-470 MHz, CONVENTIONAL ADVANCED DIGITAL CAPABLE (ADC), 100W 
SXVMCX  470-494 MHz, CONVENTIONAL ADVANCED DIGITAL CAPABLE (ADC), 90W 
SXWMCX  492-512 MHz, CONVENTIONAL ADVANCED DIGITAL CAPABLE (ADC), 90W 
SX8MCX  800 MHZ, CONVENTIONAL ADVANCED DIGITAL CAPABLE (ADC), 100W 
OTHER OPTIONS 
   CABINETS & FANS 
SXCA1D 69" CABINET 
SXCA1U 83" CABINET 
SXCA1S 37" CABINET 
SXMR1D  86" OPEN RACK 
SXCA1X  45" OUTDOOR CABINET 
SXFN1A  2-SPD FAN, 120 VAC. (Must be included when installing more than 1 repeater in a 69" 
or 83" cabinet) 
SXFA1L  2-SPD FAN, 230 VAC. (Must be included when installing more than 1 repeater in a 69" 
or 83" cabinet) 
SXFA1N  2-SPD FAN, 12 VDC. (Must be included when installing more than 1 repeater in a 69" 
or 83" cabinet) 

MM102554V1 REV B 
18   
MODEL 
NUMBER  DESCRIPTION 
   POWER SUPPLIES 
SXPS5G  POWER SUPPLY, 120 VAC, 60 HZ, 12 VDC, 33A. For UHF applications. 
SXPS5H  POWER SUPPLY, 230 VAC, 50 HZ, 12 VDC, 33A. For UHF applications. 
SXPS5S  POWER SUPPLY, 120 VAC, 60 HZ, 12/24 VDC, 33A. For 800 MHz and VHF 
applications 
SXPS5Y  POWER SUPPLY, 230 VAC, 50 HZ, 12/24 VDC, 33A. For 800 MHz and VHF 
applications 
SXCN1Z  OUTLET STRIP. 120 VAC 
SXCN3H  OUTLET STRIP, 230 VAC 
PROGRAMMING  
TQS3353  MASTR IIE/MIII PROGRAMMING SOFTWARE, Provides capability of changing 
radio's functions and features. Includes TQ0619 Utility Programming Software. 
TQ0653  MASTR IIE/MASTR III MSEDIT SOFTWARE 
SPK9024 UTILITY HANDSET 
TQS3413  DSP MODULE PROGRAMMING SOFTWARE 
TQ3356  MASTR IIE/MIII PROGRAMMING CABLE  

MM102554V1 REV B 
 19 
5. SITE PREPARATION 
5.1 INTRODUCTION 
Before you install a MASTR III ADC Base Station, you need to prepare your site.  Consider the 
installation of the antenna system, space requirements, and weight.  These issues are addressed in this 
chapter.   
This chapter is divided into the following sub-sections: 
• Facility Preparation 
• Power Installation 
• Inter-Site Communication 
• Protective Grounding 
• Antenna System 
• Power Up Sequence 
5.2 FACILITY PREPARATION 
This section provides information for preparing the facility prior to receiving or installing the MASTR III 
ADC Base Station equipment. 
5.2.1 Floor Plan 
When creating the floor plan for cabinet placement, ensure consideration is given to safety, lighting, fire 
suppression systems, access to other equipment and storage facilities in the room, etc.  
5.2.2  Equipment Cabinet Placement 
Direct access (for antenna cables and personnel) between the tower and the equipment room is necessary 
for installation purposes). 
The equipment cabinet you plan to install should be in an area that is: 
• A dedicated equipment room or closet, wired in accordance with local electrical codes 
• Large enough to allow easy access for service and maintenance 
• Free of dust, smoke, and electrostatic discharge 
• Properly ventilated 
• Well lighted 
NOTE
The recommended aisle spacing is 29.5 in. (750 mm). 

MM102554V1 REV B 
20   
5.2.3 Ceiling Requirements 
Consider the following ceiling requirements before you install the equipment cabinet: 
• The ceiling should be clear of obstructions such as beams, heating and air conditioning ducts, water 
pipes, and lights. 
• The ceiling should not have sprinklers; however, appropriate fire protection devices should be 
available. 
5.2.4  Size and Weight Considerations 
Before you install the equipment at your site, make sure that the equipment room can accommodate the 
size and weight of the cabinet and the MASTR III ADC Base Station.  To determine the total weight, add 
the weight of the radio system (about 150 lbs, 68 kg for each radio system), and the weight of the rack. 
Typical equipment size and weight is listed in the Specifications section.  For the specific weight of 
individual units or optional equipment, you should refer to the applicable maintenance manuals or product 
Data Sheets. 
5.2.5 Operating Environment 
The equipment room or area where the MASTR III ADC Base Station is installed must meet the 
environmental conditions listed in the Station Specifications section of this manual.  In addition, the site 
grounding must conform to the requirements of the Standards for Site Grounding and Protection manual 
AE/LZT 123 4618/1. 
Although the temperature requirements for individual components may be broader, when several units are 
assembled together in a cabinet more heat is generated.  Because of this condition, the ambient room 
temperature outside the cabinet must be lowered to ensure the temperature inside the cabinet does not 
exceed the limits for the equipment.   
5.3 POWER INSTALLATION 
In all cases where the customer provides a single AC supply input to a site, for AC or DC systems, the 
input must be protected with a Joselyn AC protector, or equivalent.  The AC Protector is installed after 
the disconnect switch and must be connected to the external ground system.  
If the AC supply is provided from wall outlets, the fuse panel breaker for the room must be sized for the 
load of the proposed equipment that is to be installed in the site. 
5.3.1  Existing Input Power 
If the site already has an existing input power source, then the installers and a certified electrician should 
ensure the power meets site requirements and is equipped with the necessary breakers to conform to both 
design and local regulatory standards. 
If the site input power source does not meet the site requirements or is not equipped with the necessary 
breakers to conform to both design and local regulatory standards, refer the matter to the Site Manager. 

MM102554V1 REV B 
 21 
5.3.2 AC Distribution 
If the site requires an AC distribution system to be installed, ensure it installed by qualified installers in 
agreement with the customer.  The Applications Engineer will provide the Site Manager with drawings 
containing the installation requirements. 
Ensure the input supply is isolated and power is not applied until the installation is complete. 
5.3.3 Generator System 
If the system already has a backup generator system providing backup supply to the site, inspect and test 
the generator as defined in the equipment manuals.  
Sites equipped with generator systems will use a manual or an automatic transfer switch system.  Inspect 
the customer system to ensure that it is fitted with the appropriate transfer switch system.  This is to be 
inspected and tested as defined in the equipment manuals.  
If a new generator system is being installed, ensure it is installed by qualified generator installers in 
agreement with the customer.  When installing generator system remote controls, ensure that the installer 
thoroughly understands the application and necessary generator connections.  The Applications Engineer 
will provide the Site Manager with drawings containing the installation requirements. 
5.3.3.1  Manual Transfer Switch 
If a Manual Transfer Switch is to be installed, the same team who installed the generator should install the 
transfer switch.  If this is an additional or new feature, the system is to be modified by qualified engineers 
in agreement with the customer.  The Applications Engineer will provide the Site Manager with drawings 
containing the installation requirements. 
5.3.3.2  Automatic Transfer Switch 
If an Automatic Transfer Switch is to be installed, the same team who installed the generator should 
install the transfer switch.  If this is an additional or new feature, the system is to be modified by qualified 
engineers in agreement with the customer.  The Applications Engineer will provide the Site Manager with 
drawings containing the installation requirements. 
5.3.4 AC-DC Supply 
If the system already has an AC-DC conversion system that meets the system requirements, then inspect 
and test the system as defined in the equipment manuals.  
If the site requires an AC-DC conversion system to be installed, this is to be performed by qualified 
installers in agreement with the customer.  The Applications Engineer will provide the Site Manager with 
drawings containing the installation requirements. 
The system will normally include input circuit breakers, a rectifier stage, converters and individual output 
circuit breakers. These components will have their voltage and/or current specified on the site design 
drawings.  Ensure that input supply is isolated and not re-apply power until installation is complete. 

MM102554V1 REV B 
22   
5.3.5 Battery Backup 
A Battery backup system is normally installed to ensure smooth supply voltages during normal operation 
or in the event of an input power failure.  
If the site already has a battery backup system that meets the system’s requirements, then inspect and test 
as defined in the equipment manuals. 
The battery backup system will normally be a battery cell system.  The backup battery system capacity 
should be sufficient to provide the radio system with the desired voltage for a specified time.  This should 
also include power needed for the inverter equipment, input and output breakers, and either manual or 
automatic switches to switch the system into circuit.  The installation requirements will be in the site 
design drawings agreed to by the customer and Application Engineer.  
5.3.6 UPS 
An Uninterruptible Power Supply (UPS) system may be an alternative to other backup supply options.  It 
may comprise some or all of the following components: 
• Input supply and protection 
• Various DC outputs (additional equipment that is required) 
• Output protection 
• Battery backup 
• Bypass switch 
• Automatic switch-over to generator 
If the site already has an UPS system that meets the system requirements, then inspect and test the UPS as 
defined in the equipment manuals.  
If the site requires an UPS system to be installed, ensure the installation is made by a qualified installer in 
agreement with the customer.  The Applications Engineer will provide the Site Manager with drawings 
containing the installation requirements. 
5.3.7 Electrical Power 
5.3.7.1 AC Power 
Each MASTR III cabinet is equipped with its own AC power cord.  Each of these power cords should be 
connected to a separate circuit breaker.  The following circuit breakers are recommended. 
• 115 VAC (60 Hz) - a 20-amp circuit breaker for each power cord. 
• 230 VAC (50 Hz) - a 15-amp circuit breaker for each power cord. 
Receptacles must be installed within reach of the power cords and should be individually fused.  They 
may be installed on the wall behind the cabinets, in the floor under the cabinets, on the cable ladder above 
the cabinets, or in the cabinet top cable ducts.  The power cords must not be installed such that they cause 
a hazard to persons in the site. 
AC Power Installation must conform to local Installation Regulations. 

MM102554V1 REV B 
 23 
5.3.7.2 DC Power 
When required, DC power options are available, but will be customized for the particular system.  The 
power supplies will be omitted from the cabinets and replaced by a fused DC panel.  In this case, power 
must be supplied to the repeaters from an external 13.8 or 24 VDC power source through a separate 30-
amp circuit breaker for each repeater.  
The supply system will normally consist of an AC to DC converter, a Circuit Breaker Panel and various 
DC-DC Converters sized for the equipment. DC feeds to the equipment that will be direct from the circuit 
breaker panel.  
5.3.7.3 Generators 
Some systems, predominately remote sites, will require emergency generators with automatic switchover 
systems.  The generators must be connected to the external site grounding system and should be located 
external to the equipment room.  
Automatic switchover systems must be disabled during installation. 
5.3.7.4 Battery Backup 
Some systems will require a battery backup connected to the supply system in case of input power failure.  
The battery bank should be located either separate from the equipment room or within the room but at a 
point furthest from the entrance.  It should have a separate fume extraction system or should be located 
below the air extraction system for the site. 
5.4 INTER-SITE COMMUNICATIONS 
There are various types of Inter-Site Communication Systems, which require interfaces to be pre-installed 
within the site.  These interfaces will be the agreed demarcation points to which the Customer, Sub-
Contractor and system installer will make connections. 
There are three types of inter-site connections: 
• Hardwire Installation 
¾ Direct Connection 
• Leased Line 
¾ Leased or Dedicated Telephone Line 
• T1 or E1 
¾ Leased T1 or E1 
¾ Microwave 
¾ Fiber Optic Cable 
5.4.1 Hardwire Installation 
When the media specified is to be Hardwire, that is point-to-point wiring on-site, the following 
specifications apply: 

MM102554V1 REV B 
24   
• Audio: 2-wire or 4-wire shielded cable; screen connected to site ground system and cable core is to be 
solid in order that it may be punched-down.  
• Data: Shielded twisted pair, shield connected to site ground system and cable core is to be solid in 
order that it may be punched-down.  
5.4.2  Leased Telephone Lines 
When the media specified is to be Leased-Line via the local telephone company, request a 4-Wire 43202 
Type 5 Data-Grade line from the local or regional telephone carrier.  If using an equivalent line (old 
specification is 3002 Data Grade), it must meet the following specifications: 
• Frequency response: 
1000 Hz  Reference 
500 - 2400 Hz  -1 to +3 dB 
300 - 2700 Hz  -2 to +6 dB 
• Max Frequency Error = ±5 Hz 
• Max Net Loss = 16 dB 
• Max Group Delay (800-2400Hz) = 2000µS 
• Min S/N Ratio = 24 dB 
The Telephone Company or customer will provide a point of interface for the telephone system within the 
site known as the Demarcation Point.  The installer will make necessary connections between the 
Demarcation Point and the equipment 
5.4.3  T1 or E1 Links 
A T1 or E1 link may be leased from the Local or Regional Telephone Carrier.  The physical link may be 
via a Microwave System or via Fiber Optic cable.  The Microwave or Fiber Optic system may also be 
provided by the customer or sub-contracted from an alternate provider.   
5.4.3.1 Leased T1/E1 
If the link is Leased-Line T1 or E1, the carrier may provide the Multiplex (Mux) equipment and Channel 
Service Unit (CSU).  If so, they will connect to an agreed Demarcation Point (Punchblock) and collect the 
data and modem audio as appropriate.  If they do not provide the Mux or CSU, a Mux and CSU will be 
provided and the demarcation point will be the appropriate T1/E1 interface on the Mux or CSU.  
5.4.3.2 Microwave 
The Microwave system may be provided by the Customer, M/A-COM, or a Sub-Contractor.  Whichever 
is the case, the Inter-Site Communications System should be in place prior to equipment installation and 
the system provided will have a Demarcation Point to which the installer will connect the Inter-Site 
Communications.  This may be Punchblocks or the input connection to the multiplexer and the length of 
the cross-connect cabling must be calculated to allow for the agreed location of the interface.  
It is normal for the microwave radio to be close to its antenna and, in some installations, this may mean 
some distance between radio and multiplexer.  If the distance between radio and multiplex equipment is 
excessive, consideration must be given to type of cable used for the connection, cable shield/ground, 

MM102554V1 REV B 
 25 
grounding through in-building cable routes, etc.  This subject is to be discussed with microwave provider 
and must conform to local installation regulations. 
5.4.3.3 Fiber Optic 
It is a requirement that the demarcation point for fiber optic cable is the fiber optic interface on the 
multiplexer.  If the multiplexer is not equipped with such an interface, a fiber optic line driver will be 
provided and will be the point to which the cable is to be connected. 
All other considerations are as for Microwave. 
5.5 PROTECTIVE GROUNDING 
For information on protective grounding outside the equipment room and general information for internal 
grounding refer to the Site Grounding and Lightning Protection Standard manual AE/LZT123 4618/1.   
However, a general rule for the external grounding system is that the resistance to ground should be five 
(5) ohms or less, as measured with a Biddle DET2/2 Megger or equivalent, per IEEE STD 81-1983 or 
local equivalent. 
All equipment that is within the site must be connected to an internal halo ground of No. 2 AWG copper 
wire six (6) inches below the ceiling.  This interior halo ground must be connected to the external ground 
system at each corner, using separate No. 2 AWG copper wires.  The halo may be mounted on the cable 
ladder, in the ducting or beneath the false floor. 
All metal (electrically conductive) objects within the equipment room must be grounded.  These objects 
are divided into the following three (3) groups. 
• Room Fixtures 
• Power Supply  
• RF equipment 
All metallic fixtures and room parts, such as doorframes, sheet metal, ventilation louvers, air conditioning 
units, light fixtures, etc., should be connected to the internal halo ground. 
In addition to all other AC power protection, the AC power must be equipped with a Jocelyn AC 
protector, or equivalent, placed immediately after the main disconnect switch.  This protector must be 
connected to the external ground system using a separate No. 2 AWG copper wire. 
All equipment cabinets, cable trays, and protectors for cables connecting to this equipment must be 
connected to a single grounding plate or bulkhead panel mounted on the wall where the antenna cables 
enter the equipment room.  This grounding plate must be connected to the external ground system using 
two (2), two-inch wide copper strapping, or equivalent.  A separate No. 6 AWG copper wire must be used 
for each cabinet, each cable tray/ladder, and each group of cable protectors. 
A few general rules of thumb are as follows: 
• Make ground wires as short as possible and direct as possible - avoid bends if possible - absolutely no 
bends with a radius of less than eight (8) inches. 
• Surface area of ground wires is more important than cross sectional area. 
• All connections must be clean, free of non-conductive coatings, and be coated with an anti-oxidant. 

MM102554V1 REV B 
26   
5.6 ANTENNA SYSTEM 
This section covers installing the antenna system, including RF cables from the antenna to the equipment 
room wall feed through connector.   
NOTE
Refer to LBI-39185 for Tower Requirements and General Specifications. 
Crews trained and equipped for working on antenna towers generally install antenna systems.  As a result, 
this manual assumes crews with the specialized equipment and skills required for working on towers and 
installing the antenna cables will install the Antenna Systems.  However, it may be necessary for the 
system installer to provide information and directions to the crew installing the antenna system and to 
verify proper installation. 
5.6.1 Antenna Mounting 
The antennas must be installed on the tower in such a way as to ensure that there is at least 25 dB of 
separation between the TX and RX antennas.  This is necessary to avoid interference in the receivers 
caused by the transmitters.  An isolation of greater than 25 dB is easily obtained by placing one antenna 
directly above the other on the tower (minimum 10-foot separation). 

MM102554V1 REV B 
 27 
Figure 5-1:  Antenna System Requirements 
5.6.2 Transmission Lines 
When installing the transmissions lines, refer to the block diagram for UHF and 800 MHz Antenna 
Systems contained in LBI- 38983. 
5.6.2.1 Length 
The length of the main coaxial cable for each antenna should be planned as a continuous run with no 
connectors or splices between the antenna and the equipment room.  Each cable includes a 50-foot 
allowance for the distance from the bottom of the tower to the equipment room.  Smaller diameter, more 
flexible coaxial cables are used at both ends of the main coaxial cable to facilitate installation. 

MM102554V1 REV B 
28   
5.6.2.2  Minimum Bending Radius 
Always adhere to the minimum bending requirements provided by the manufacturer.  For Andrew 
Products, the values are: 
CABLE SIZE  BENDING RADIUS 
1/4-inch  1-inch   (25 mm) 
1/2-inch 1.25-inch (32 mm) 
7/8-inch 10-inches (250 mm) 
1 5/8-inch  20-inches  (510 mm) 
5.6.2.3 Hoisting Grips 
Hoisting grips provide the means to attach a lifting mechanism to the coaxial cable without damaging the 
cable.  Each hoisting grip is capable of safely lifting 200 feet of cable without causing damage.  
Therefore, one hoisting grip is required for every 200-foot section of cable.  The grips may be left 
attached to the cable after the cable installation is completed. 
Some situations may require more hoisting grips, such as: 
• When installing cables on a tower mounted on top of another structure. 
• When installing a cable whose length is greater than the height of the tower. 
In these situations, additional hoisting grips should be ordered. 
5.6.2.4  Hangers and Adapters 
Coaxial cables on the tower should be secured at intervals of 3-5 feet (maximum). 
Securing 7/8-inch and 1-5/8-inch diameter coaxial cables is accomplished by using either hangers or 
hanger-adapter combinations.  The hangers secure the cables to the tower structure by using prepunched 
holes or attachment adapters. 
• When the tower structure is prepunched with 3/4-inch holes, snap-in hangers are used (preferred 
method). 
• When the tower is prepunched with 3/8-inch holes, the hanger is secured by a 3/8-inch bolt. 
For towers without prepunched holes, the hangers are attached with adapters.  The type of adapter 
depends on the type of tower structure.  Adapters are available for either angle tower members or round 
tower members. 
Adapters for each antenna system are selected when ordering the system.  If the coaxial cable must be 
attached to a structure that is not compatible with any of the above hangers or adapters, then additional 
materials or other special considerations may be required 
To secure 1/4-inch or 1/2-inch vertical or horizontal coaxial cables of any size, use nylon cable ties. 

MM102554V1 REV B 
 29 
5.6.2.5 Weatherproofing 
A kit of weatherproof tape is provided to protect coaxial connectors from the outside elements.  One roll 
of tape is sufficient to weatherproof four exposed outside connector joints. 
5.7 QUALITY AUDIT 
5.7.1 Antenna System 
After the Antenna System is installed, it should be inspected before the installers leave.  A checklist of 
tasks performed on the antenna system is provided in section 12.3.  Be sure to complete this visual 
inspection before the installers leave, so any obvious errors can be corrected. 
Using field glasses, if necessary, view the Antenna System from various positions on the ground.  Using 
copies of the Antenna System Installation Checklist 12.3, fill out a checklist for each antenna as you go 
through the following inspection procedure.  This will provide a record of the inspection, and of some 
antenna information for future reference. 
• Record the make of antenna. 
• Record the type of antenna (omni or directional). 
• Record the design gain of the antenna. 
• If the antenna is directional, record the bearing of the main lobe.  If it is omni, write "Omni" in the 
data entry line. 
• Record the height of the antenna above ground. 
• Confirm that cable-hoisting grips were installed as required to prevent damage to the coaxial cable.  
Hoisting grips should have been installed at the antenna end of the cable plus one for each 200 feet of 
cable length. 
• Confirm the cable is secured to the tower at intervals, which do not exceed 3 feet. 
• Confirm the cable is grounded at the top of the tower. 
• Confirm the cable is grounded at the point where it leaves the tower. 
• Confirm the cable is grounded at the point where it enters the building. 
• Confirm the coaxial cable run looks OK.  The cable must be tight (nothing to flap in the breeze), have 
no kinks, is one continuous run (no connectors or splices), and not exceed the minimum-bending 
radius on any bend. 
• Confirm the cable feed through is properly installed where the cable enters the building. 
• Confirm the coaxial connectors have been properly weather sealed with tape. 
• Confirm the cable entrance to the building has been properly weather sealed. 

MM102554V1 REV B 
30   
5.7.2  Electrical System 
If the electrical supply system has been installed by other than the company, it must be inspected to 
ensure that it is safe and complies with both local regulations and the requirements of the site.  Complete 
the Power System Installation Checklist found in section 12.5, as required. 
• Confirm that the supply system is rated to handle the full operating load of the equipment. 
• Confirm that all outputs to which the site equipment will be connected have suitably rated breakers 
installed. 
• Confirm that electrical cabling to the equipment is correctly rated, installed and meets local 
regulations. 
• Confirm that the system is correctly grounded. 
• Confirm that cables, bus bars and associated equipment are not a hazard to installers or maintenance 
teams. 
• Confirm that manuals for the supply system have been provided at the site. 

MM102554V1 REV B 
 31 
6. EQUIPMENT INSTALLATION 
6.1 INTRODUCTION 
NOTE
AC power adequate to meet system requirements, environmental control, civil works and 
site preparation, and digital or voice grade phone lines must be available at the site prior 
to installation. 
WARNING
DO NOT apply power at this time! 
During installation, all circuit breakers must be left in the OPEN position.  Make sure all 
equipment circuit breakers are in the OPEN position.   
To prevent damage to equipment, ensure power is not accidentally applied at this time.  
This chapter is divided into the following sub-sections: 
• Unpacking the Equipment 
• Equipment Installation  
• Interior RF Cabling 
• Connecting Electrical Power 
• Quality Audit 
6.2 UNPACKING EQUIPMENT 
Station equipment is generally packed in one of the following ways: 
• Bolted vertically to a mini pallet approximately 36” deep x 32” wide, with a corrugated cardboard 
cover held down with two plastic straps.  This technique is generally used for domestic shipments.  
The mini pallet adds approximately three inches to the overall cabinet height.  The weight varies 
according to the content, but generally runs from 300 pounds to 600 pounds. 
• Crated vertically or horizontally.  This technique is generally used for open-racked equipment and 
overseas shipments of 69-inch and 83-inch cabinets.  Crates may contain one or several cabinets or 
racks, and the dimensions and weight will vary accordingly.  If size and weight limits are required, 
contact the factory for special packing instructions. 
Cabinets packed on mini pallets can be moved with a hand-truck, crates may need a forklift or pallet jack, 
depending on the size.  Wrenches will be needed to unbolt the cabinets from the mini pallets, and a 
crowbar and hammer will be useful in opening the crates.  Do not leave packed or unpacked equipment 
exposed to the weather. 
Upon receipt of the station equipment, carefully examine each carton.  If any packaging damage is 
detected, note the damage on the Bill of Lading. 

MM102554V1 REV B 
32   
Move the cartons as close as possible to their mounting location. 
Carefully unpack the equipment and examine each item.  If there is any damage to the equipment, contact 
the carrier immediately and have their representative verify the damage. If you fail to report the shipping 
damage immediately, you may forfeit any claim against the carrier. 
When unpacking the equipment, check the contents against the packing list.  Contact your M/A-COM 
representative and the carrier if any discrepancies are noted. 
Carefully open each cabinet and inspect the contents to ensure that enclosed equipment has not been 
damaged during delivery.  If damage has occurred, note details of the damage and, if necessary, contact 
the carrier immediately and have their representative verify the damage.  Contact your M/A-COM 
representative if the damage is such that installation cannot proceed. 
6.3 EQUIPMENT INSTALLATION 
NOTE
Refer to AE/LZT 123 4618/1 for Site Grounding and Protection Standards. 
NOTE
These procedures are for M/A-COM standard installations.  If the system is non-
standard, installation procedures may differ.  In this event, installers should consult with 
M/A-COM. 
• This section provides instructions for installing the RF Equipment and for running the necessary RF 
cables to the equipment room wall TX and RX feed through connectors.   
6.3.1  Mounting Vendor Supplied RF Equipment 
RF Equipment used for interfacing the Antenna System to the Repeaters may be pre-racked by M/A-
COM or dropped shipped from the individual vendors directly to the customer.  If the RF equipment is 
supplied directly from the vendor, it will be necessary to install the equipment into the RF Equipment 
Cabinet. 
NOTE
The system is designed to use either a Tower Top Amplifier or a Receiver Filter.  When a 
Tower Top Amplifier is used, the Receiver Filter is not required. 

MM102554V1 REV B 
 33 
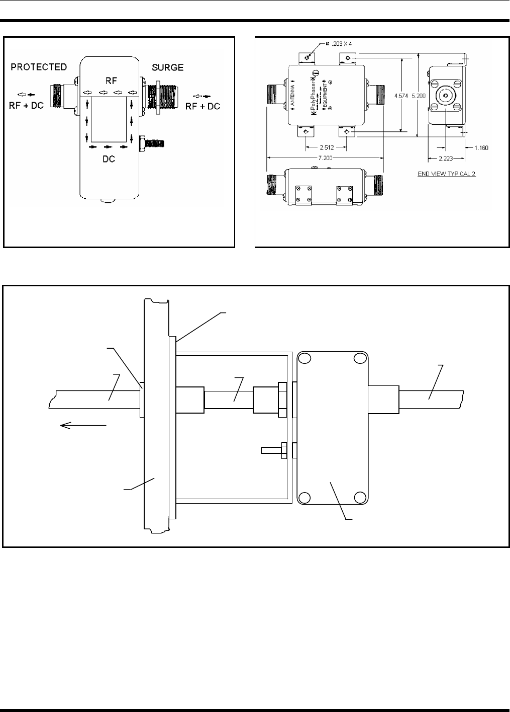
RX SURGE PROTECTOR IS-DC50LNZ-MA 
Suffix: -MA for male connector bulkhead port (not 
threaded like female shown) 
 TX SURGE PROTECTOR IS-CT50HN-MA 
Suffix: -MA for male antenna port (not threaded like female 
shown) 
Figure 6-1:  Surge Protectors 
GROUNDED
BULKHEAD PANEL
IS-DC50LNZ
SURGE PROTECTOR
WALL
FEEDTHRU
RF CABLE 1/2" SUPERFLEX
JUMPER
WALL
TO ANTENNA
RF CABLE
FROM
EQUIPMENT
CABINET
Figure 6-2:  Typical Mounting of the RX Surge Protectors 
1. Install the vendor supplied RF equipment into the RF Equipment cabinet.  
2. Secure each component to the cabinet using standard mounting screws and clips that come as part of 
the cabinet hardware kit. 
3. Mount the Receive Surge Protector (IS-DC50LNZ-MA), if not previously installed, to the grounded 
bulkhead panel, located at the wall feed through where the antenna system enters the building.  Other 
installers (refer to Surge Protector Diagrams in Figure 6-1 and Figure 6-2) should have already 
installed this panel. 

MM102554V1 REV B 
34   
4. Mount the transmit surge protector (IS-CT50LNZ-MA) to the grounded bulkhead panel, located at 
the wall feed through where the antenna system enters the building.  Installers should have already 
installed this panel. (Refer to Surge Protector Diagrams in Figure 6-1 and Figure 6-2) 
5. Install Top Cover (if cabinet). 
6.3.2  Mounting Base Station Cabinet (Typical) 
The following tools and materials are typically needed to fasten the cabinets to concrete floor (if installing 
on wood flooring - do not use lead anchors): 
• ½" x 2" Lag screws (4 per rack) 
• 1/2" Flat washers (4 per cabinet/rack) 
• Lead anchor for 1/2" lag screws (4 per rack) 
• Measuring tape 
• Heavy-duty marker (suitable for marking coarse concrete) 
• Eye protection 
• Ear protection 
• Drill with masonry bit (see size marked on anchor) 
• 1/4" x 24" Flexible plastic tubing (blow debris out of hole) 
• Hammer (seat anchor in hole) 
• Wrench (screw lag screw into anchor) 
The following additional hardware is supplied with each optional open-rack.  The hardware enables the 
installer to fasten adjacent side rails together at the top and bottom: 
• 3/8" x 1 1/2" Hex machine screws (2 per open-rack) 
• 3/8" Hex nut (2 per open-rack) 
• 3/8" Flat washers (4 per open-rack) 
• 3/8" Lock washer (2 per open-rack) 
The RF Equipment cabinet(s) should be located at a point nearest the RF Bulkhead, where the antenna 
cables enter the building.  This allows the antenna cable lengths to be minimized. 
Position the cabinet(s) on the floor exactly where they are to be mounted.  Allow one (1) meter (3 feet) of 
free space in front of and behind each cabinet, to allow the cabinet doors to swing completely open.  Also 
allow one (1) meter (3 feet) of free space around at least one end of each row of cabinets, to get to the 
back of the cabinets. 
Mark the position of the mounting bolt holes on the floor using the four holes in the bottom of each 
cabinet as a template.  Move the cabinets, drill the holes in the floor for the screw anchors, seat the 
anchors in the holes, reposition the cabinets, and fasten the cabinets down with lag screws (use a flat 
washer under each lag screw head, to prevent damage to the cabinet). 

MM102554V1 REV B 
 35 
6.4  INTERIOR RF CABLING 
Some RF coaxial cables may be pre-made and included with the system.  However, most cables must be 
custom made, on site, to the required length.  Table 6-1 lists the cables and associated connectors, which 
are typically fabricated at the site. 
The coaxial cable and connectors are supplied in bulk.  To cut the cable properly for easy connector 
attachment, use an Andrew's "EASIAX" coaxial cable cutting tool (or equivalent). 
NOTE
When installing the RF or power cables, refer to the Antenna System Block Diagrams in LBI-
38983 and the Application Assembly Diagrams in technical manual MM102556V1 for in 
installation instructions.   
6.4.1 Cable Routing 
If cabinet-top cable ducts are supplied, install per LBI-38875 using the hardware provided.  However, 
leave the duct covers off until the site wiring is complete.  These cable ducts are not available for open-
type equipment racks.  
Larger systems should make use of cable ladders for ease of installation and maintenance. It is preferable 
that dual ladders be used for large systems such that audio and data may occupy one level of the ladder 
and RF and power occupy the other. If dual systems are not available, ensure maximum separation 
between Audio/Data runs and RF/Power runs.  
Install as shown on the site plans and install all grounding leads across ladder section connections. 
6.4.2  Install RF Cables 
Assemble and install the RF coaxial cables.  Be careful not to exceed minimum bend radius (refer to Site 
Preparation - Antenna System for specifications). 
Refer to the Antenna Systems Assembly Manual LBI-38983 and applicable vendor manuals for TX and 
RX connection points.  (For specially engineered systems, refer to the Site Antenna System drawings for 
the site.) 
Use cable ties to secure the coaxial cables to the back rails of the cabinets.  Ensure cables do not impede 
access to the internal equipment and the installation appears neat and orderly.  Exercise caution and 
ensure cables are routed away from the sharp ends of mounting screws (on the backside of the equipment 
rails).  Allow room for equipment mounting screws to be removed and re-installed without damaging the 
cables. 
NOTE
If overhead cable ladders are used, ensure the RF cable are of sufficient length to run from 
point A to point B via the cable ladder.  Do not loosely ‘drape’ cables on the top of cable 
ladders or racks. 
Begin the cable installation by installing receiver cables first.  Then complete the installation by installing 
the transmitter cables. 

MM102554V1 REV B 
36   
Table 6-1:  RF Cables and Connectors Required 
CABLE 
REF. 
NUMBER  CABLE DESCRIPTION  CABLE TYPE  CONNECTORS 
1.  RX RF coaxial cables. 
(Connects between the RX 
Multicoupler and Receiver RF 
inputs.) 
[V] 1/4-inch Superflex RF 
coaxial cable (FSJ1-50A).  [U] Type BNC (M) - 41ASWB 1/4-inch 
Superflex connector. 
[W] Type N (M) - 41ASW 1/4-inch 
Superflex connector. 
2.  RX RF coaxial cable. 
(Connects between the RX 
Multicoupler and the Tower 
Top Amplifier Power 
Supply/RX Filter.) 
[M] 1/2-inch Superflex RF 
coaxial cable (FSJ4 -50B).  [L] Type N (M) - 44ASW 1/2-inch 
Superflex connectors (qty. 2). 
3.  TX RF coaxial cables.  (These 
cables connect between the 
transmitter outputs and the TX 
Combiner.)  
[M] 1/2-inch Superflex RF 
coaxial cable (FSJ4 -50B)  [L] Type N (M) - 44ASW Superflex 
connector. 
[Y] Type N (M) - 49600-1, 1/2-inch 
Superflex right angle connector. 
4.  RX RF coaxial cables.  
(Connects between the RX 
Tower Top Amplifier Power 
Supply and the RX surge 
protector.) 
[M] 1/2-inch Superflex RF 
coaxial cable (FSJ4 -50B)   [L] Type N (M) - 44ASW 1/2-inch 
Superflex connectors (qty. 2). 
5.  TX RF coaxial cables.  
(Connects between the 
Antenna Power Sensor and 
the TX surge protector.) 
[M] 1/2-inch Superflex RF 
coaxial cable (FSJ4 -50B)   [L] Type N (M) - 44ASW 1/2-inch 
Superflex connectors (qty. 2). 
6.  TX RF coaxial cables.  
(Connects between the Surge 
Protector and the wall 
feedthrough connector.) 
[M] 1/2-inch Superflex RF 
coaxial cable (FSJ4 -50B)   [L] Type N (M) - 44ASW 1/2-inch 
Superflex connectors. 
[N] Type N (F) - 44ASN 1/2-inch 
Superflex connectors. 
[ ] – References in brackets refer to material callouts in the Antenna Systems manual LBI-38983. 

MM102554V1 REV B 
 37 
6.4.2.1 Receive Section 
Use the following procedures to install the RF cables for the receive section of the system.  Refer to LBI-
38983 and Table 6-1 for cable references. 
1. Route receiver RF cables (item 1) from the RX Multicoupler to the receiver RF input connectors.  
One cable is required for each receive channel as labeled (RX CH 1, RX CH 2, RX CH 3, etc.). 
NOTE
These cables may be connected inside the repeater cabinets at the factory.  If they are 
already connected to the repeaters, they only need to be routed to the RX Multicoupler.  
Pay close attention to cable labeling and connect to the correct port on the Multicoupler. 
2. Make sure any unused ports on the RX Multicoupler are terminated with 50-ohm loads (refer to the 
vendor Maintenance Manual). 
3. Connect a 1/2-inch Superflex RF cable (item 2) from the input of the RX Multicoupler to the output 
of the Tower Top Amplifier Power Supply (or RX Filter, if installed). 
4. Connect a 1/2-inch Superflex RF jumper from the surge protector to a wall feedthrough. 
5. Connect a 1/2-inch Superflex RF cable (item 4) from the output of the Tower Top Amplifier Power 
Supply (or RX Filter) to the receive surge protector. 
6. Connect the Tower Top Amplifier Power Supply and the RX Multicoupler to the appropriate supply 
source or power strip.  (Ensure the circuit breaker is OFF prior to plugging cord into power source.) 
6.4.2.2 Transmit Section 
Use the following procedures to install the RF cables for the transmit section of the system.  Refer to LBI-
38983 and Table 6-1 for cable references. 
1. Route the TX RF (1/2-inch Superflex) cables (item 3) from the power output connector of each 
transmitter to the RF Equipment Cabinet/rack. 
2. Connect each TX RF (item 3) cable to the TX Combiner input corresponding to the channel number 
as labeled (TX CH1, TX CH2, TX CH3, etc.). 
3. To make any other required connections to the TX Combiner, refer to Installation & Operation 
Manual supplied by vendor. 
4. Connect the TX Combiner channels as instructed in the vendor manual. 
5. Connect a 1/2-inch Superflex RF jumper (item 6) from the surge protector to the Bulkhead Panel.  
6. Connect a 1/2-inch Superflex RF cable (item 5) from the TX Combiner - RF Power Sensor (if 
supplied) output to the TX surge protector. 
6.5  CONNECTING ELECTRICAL POWER 
The site, regardless of complexity of equipment, is to be powered-up in a controlled fashion.  This is to 
ensure that, should a power problem occur, possible damage can be limited and the problem can be 
quickly located and resolved.  In general, a site is to be powered-up with all breakers open and site 
equipment that is isolated.  Breakers will be closed in a logical progression through the power system 
until it can be applied direct to the site equipment.  Annotate findings on the Electrical Power Checklist. 

MM102554V1 REV B 
38   
6.5.1  AC Power Distribution 
Before connecting power to the base station equipment, perform the following tests to ensure correct 
voltage levels and breaker operation. 
1. Visually inspect the power distribution panel and note any discrepancies.   
2. Test the input supply and confirm that the input supply can provide the correct voltage and current. 
3. Visually inspect the breakers on the input to the site.  Confirm that they are rated as required for the 
site loading.  The requirement is stated in the site survey requirements document. 
4. Confirm that the power cabling is sufficient for the expected load.  
5. Confirm operation of input AC protection breaker. 
6. Close each breaker in turn to provide AC power to individual equipment.   
7. If the breakers are fitted with an over voltage test facility, perform the test once an equipment has 
been powered up.  
8. Confirm that each station or cabinet supply is operating correctly and that output voltages are as 
required. 
6.5.2 Generator Backup 
If the generator system has remote control or alarms to be connected to the site equipment, ensure these 
are connected prior to test.  Also ensure that the fuel system is ready for operation and that the system is 
correctly grounded. 
1. Switch the generator on. 
2. Confirm output supply is as specified in the drawings. 
3. If remote control option is installed, remotely control the operation of the generator. 
4. If alarms are configured, toggle the alarm conditions and confirm that the alarm system correctly 
reports the conditions.  
6.5.3 AC-DC Supply 
Ensure that each converter output breaker to the equipment is open. 
1. Confirm operation of input AC protection breaker. 
2. Confirm that the rectifier output is at the desired voltage. 
3. Confirm that the rectifier output breaker operates. 
4. With converter output breakers open, confirm each converter output is as rated. 
5. Close each breaker in turn to provide DC power to individual equipment.   
6. Confirm that each station or cabinet supply is operating correctly and that output voltages are as 
required. 
6.5.4 Battery Backup 
Prior to powering on the site, it is essential to inspect the battery system and confirm that the installation 
is safe, that the connectivity is correct, that the cells are serviceable and that the installation conforms to 
regulatory and site requirements. 

MM102554V1 REV B 
 39 
1. Confirm that the battery system connectivity is correct as detailed in the Site Drawings. 
2. Confirm the battery system is electrically safe. 
3. Confirm that “wet” cells have been prepared and have adequate fume extraction capability provided. 
4. Confirm that all cabling is safely installed such that it is not a hazard. 
5. Confirm that output voltage is as specified across all the cells. 
6. With site equipment breakers disconnected, connect the battery system to the site power system. 
7. Confirm that the battery system is in Charge mode. 
8. Confirm that the power system is providing power to the open site equipment breakers by checking 
voltage across breakers. 
9. Close the Repeater Cabinet #1 equipment breakers to connect power to that cabinet only. Confirm 
that equipment powers up correctly and that there are no abnormal indications. 
10. Confirm that battery power has been applied to site equipment power distribution equipment. 
11. Confirm that the battery supply applied on site equipment is as specified. 
12. When the battery cell system has fully charged, disconnect the AC input to the site by opening the 
site supply protection breaker. 
13. Confirm that the battery supply can provide power to the site equipment as required. 
6.5.5 UPS 
Follow the instructions in the UPS installation manual and test the operation of the UPS.  Ensure the UPS 
can provide power to the site equipment as required. 
6.6 POWER-UP SEQUENCE 
Open all site equipment power distribution breakers or power down station or cabinet power supplies. 
1. Close customer power breaker to apply power into site power system.  Confirm that input power is at 
rated voltage and that there are no abnormal indications. 
2. If the system is fitted with auxiliary or backup power systems, connect these to the power system.  
Check backup power is at the rated voltage, is correctly applied to the main power source equipment 
that is either in normal or emergency modes and that there are no abnormal indications. 
3. If the system provides DC to the site, connect the power source to the converters.  Check the outputs 
of each converter and confirm that the output is as designed and rated for the equipment. 
4. Apply power to each repeater, or to the repeater cabinet, if power is not provided individually to each 
station.  Switch the repeaters on, one-by-one.  Confirm that there are no abnormal indications. 
5. Apply power to the any ancillary cabinets on site and confirm that there are no abnormal indications. 

MM102554V1 REV B 
40   
7.  DC AND TONE REMOTE CONTROL INSTALLATION 
This chapter provides information for connecting a DC or Tone Remote Control system to the base 
station. 
The DC Current or Tone Signaling Remote controllers available from M/A-COM are full-function 
controllers used to operate the base station from a remote location.  The DC Current Remote Controller 
can control and display up to four channels, and the Tone Remote Controller can control and display up 
to eight channels.  Parallel controllers can receive indications of transmit and remote selections.  In 
addition, 10 or more dispatch points (remote controllers) can operate a single base station. 
Wiring between a remote controller and the base station is usually made using direct wire lines or leased 
telephone lines.  This wiring may also be used in conjunction with a Multiplex or Microwave system. 
7.1  DC REMOTE INSTALLATION 
The MASTR III Conventional ADC Base Station can be remotely controlled by DC control currents.  A 
DC remote control unit can initiate a transmission, listen to received audio, and select or deselect certain 
base station functions.  Control current signaling from a DC remote control unit consists of applying 
different current levels on a wire pair having DC continuity.  The six control current levels used for 
controlling the base station are:  
• -11 milliamperes  • 0 milliamperes 
• -6 milliamperes  • +6 milliamperes 
• -2.5 milliamperes  • +11 milliamperes 
The following station functions can be controlled by using control currents:  
• Repeater Disable  
• Channel Guard Monitor  
• Transmit Frequency Selection  
• Receive Frequency Selection  
• Scan 
• Receiver Selection (Auxiliary Receiver selection)  
Table 7-1 is a list of DC Control Currents and their corresponding functions. 
7.1.1  Wiring Methods for DC Remote 
DC Remote Control units can be connected to the base station in one of four connection schemes.  The 
choice of which installation method should be used is based on the cost, availability, and performance as 
compared to controller’s operating environment. 
Table 7-2 provides a description of the four methods and gives some of the advantages and disadvantages 
of each method.  After the table, installation procedures are available for each method.  The procedures 
contain detailed wiring instructions.  These instructions assume a M/A-COM DC Remote Control unit is 
being connected to the base station. 

MM102554V1 REV B 
 41 
Table 7-1:  DC Control Currents and Functions 
 CONTROL CURRENT IN MILLIAMPS 
FUNCTION -11  -6  -2.5  0  +6  +11 
1 FREQ TX 
1 FREQ RX     RECEIVE TRANSMIT  
2 FREQ TX 
2 FREQ RX 
2 FREQ TX 
2 FREQ RX 
WITH SCAN 
RX-F2 
RX-F2 
RX-F1 
RX-F1 
SCAN 
TX-F1 
TX-F1 
TX-F2 
TX-F2 
1 FREQ TX 
1 FREQ RX 
WITH CHANNEL 
GUARD 
DISABLE 
  CG 
DISABLE  RECEIVE 
WITH CG  TRANSMIT  
2 FREQ TX 
2 FREQ RX 
WITH CHANNEL 
GUARD 
DISABLE 
RX-F2 
CG 
DISABLE 
RX-F2 
WITH 
CG 
RX-F1 
CG 
DISABLE 
RX-F1 
WITH 
CG 
TX-F1 
TX-F2 
REPEATER 
DISABLE    REPEATER 
DISABLE   RECEIVE TRANSMIT  
REPEATER 
DISABLE & 
CHANNEL 
GUARD 
DISABLE 
REPEATER 
DISABLE 
& CG 
DISABLE 
REPEATER 
DISABLE 
CG 
DISABLE 
RECEIVE 
WITH 
CG 
TRANSMIT   
1 FREQ TX 
2 SEPARATE 
RECEIVERS 
(AUX RX) 
RX-F2 
RX-F1 
 RX-F1 
 & 
RX-F2 
TRANSMIT   
2 FREQ TX 
2 SEPARATE 
RECEIVERS 
(AUX RX) 
RX-F2 
RX-F1 
 RX-F1 
 & 
RX-F2 
TX-F1 
TX-F2 

MM102554V1 REV B 
42   
Table 7-2:  DC Remote Wire Line Installation Methods 
METHOD  DESCRIPTION  ADVANTAGES OR 
DISADVANTAGES 
1  Single metallic pair (the control 
currents are simplexed to line, a two 
wire cable is required). 
This is the most economical method. It is 
dependable where earth ground currents may be 
large or good earth grounds cannot be obtained. 
The keying clicks will be heard on paralleled 
remotes. 
2  Single metallic pair (the control 
currents are simplexed line to earth 
ground, a two wire cable is 
required). 
This method is also economical.  It minimizes 
keying clicks in paralleled remotes. Large ground 
currents may result in interference with control 
functions if remotes are located near sub-stations. 
3  Two wire pairs needed. One is a 
voice grade pair for bidirectional 
audio and the other is a metallic pair 
used for control current. 
Provides excellent performance by eliminating 
keying clicks and providing no path for ground 
loop current. However, it does require two wire 
pairs.  
4  Two wire pairs needed. One is a 
voice grade pair for receive audio. 
The second is a metallic pair for 
transmit audio and control Currents.  
Provides full duplex operation in which the 
remote can receive and transmit at the same time. 
However, it does require two wire pairs. 
J101,
J109,
TB101
2
5
3
4
1
6
T101
LINE_A
LINE_B
DC_CNTLR
DC_CNTLR
Telephone Line +
Telephone Line -
VDC
RX
TX
_
+
DC Remote Controller
MASTR III ADC T/R SHELF
Interface Board
DC Control +
DC Control -
J104
1
2
3
J105
1
2
3
T102
DPLX_LINE_A
DPLX_LINE_B
Duplex Audio +
Duplex Audio -
+
_
2
5
1
6
3
4
Figure 7-1:  Method 1 – Single Metallic Pair 

MM102554V1 REV B 
 43 
7.1.2  Installation Method 1 – Single Metallic Pair 
1. Connect the metallic pair to TB101-3 (red) and TB101-4 (green).  Refer to Figure 7-1. 
2. On the Interface Board, place a jumper on J104, pins 1 & 2 and on J105, pins 1 & 2. 
NOTE
Polarity must be maintained, if the metallic control pair is being used for DC control. 
7.1.3  Installation Method 2 – Single Metallic Pair with Earth Ground 
1. Connect the metallic pair to TB101-3 (red) and TB101-4 (green).  Refer to Figure 7-2. 
2. On the Interface Board, place a jumper on J104, pins 1 & 2 and on J105, pins 1 & 2. 
3. Connect a wire between TB101-6 and earth ground. 
J101,
J109,
TB101
T101
LINE_A
LINE_B
DC_CNTLR
DC_CNTLR
Telephone Line +
Telephone Line -
VDC
RX
TX
_
+
DC Remote Controller
MASTR III ADC T/R SHELF
Interface Board
DC Control +
DC Control -
J104
1
2
3
J105
1
2
3
T102
DPLX_LINE_A
DPLX_LINE_B
Duplex Audio +
Duplex Audio -
+
_
2
5
1
6
3
4
2
5
3
4
1
6
Figure 7-2:  Single Metallic Pair with Earth Ground 
7.1.4  Installation Method 3 - Metallic Control Pair, Audio Pair 
1. Connect the audio pair to TB101-3 (red) and TB101-4 (green).  Refer to Figure 7-3. 
2. On the Interface Board, remove jumpers from J104 and J105. 
3. Connect the control metallic pair to TB101-1 (white) and TB101-6 (blue). 

MM102554V1 REV B 
44   
J101,
J109,
TB101
T101
LINE_A
LINE_B
DC_CNTLR
DC_CNTLR
Telephone Line +
Telephone Line -
VDC
RX
TX
+
-
DC Remote Controller
MASTR III ADC T/R SHELF
Interface Board
DC Control +
DC Control -
J104
1
2
3
J105
1
2
3
T102
DPLX_LINE_A
DPLX_LINE_B
Duplex Audio +
Duplex Audio -
-
+1
6
3
4
2
5
2
5
1
6
3
4
AUDIO
Figure 7-3:  Metallic Control Pair, Audio Pair 
J101,
J109,
TB101
T101
LINE_A
LINE_B
DC_CNTLR
DC_CNTLR
Telephone Line +
Telephone Line -
VDC
RX
TX
_
+
DC Remote Controller
MASTR III ADC T/R SHELF
Interface Board
DC Control +
DC Control -
J104
1
2
3
J105
1
2
3
T102
DPLX_LINE_A
DPLX_LINE_B
Duplex Audio +
Duplex Audio -
+
_
2
5
1
6
3
4
TX AUDIO
1
6
3
4
2
5
RX AUDIO
VDC
Figure 7-4:  Method 4 – Full Duplex 

MM102554V1 REV B 
 45 
7.1.5  Installation Method 4 - Full Duplex 
1. On the Interface Board, place a jumper on J104, pins 3 & 4 and on J105, pins 3 & 4. 
2. Connect the transmit metallic pair to TB101-2 (black) and TB101-5 (yellow).  Refer to Figure 7-4. 
3. Connect the remote receive pair to TB101-3 (red) and TB101-4 (green). 
7.2  E & M SIGNALING 
E & M lead signaling systems derive their name from certain historical designations of the signaling leads 
on circuit drawings.  An “M” lead is associated with the transMit function or Mouth, while the “E” lead 
is associated with the recEive function or Ear.  In some two-way radio systems with remote control, E & 
M Signaling may be the only type of control offered by the available carrier circuits. 
Generally, both 4-Wire Audio and E & M Signaling options are used to interface between the radio and 
carrier systems.  However, 2-Wire Audio can be used in the two-way radio portion of the control system 
if hybrids are installed to provide transition between the 2-Wire and 4-Wire connections.  Usually the E & 
M Signaling is separated from the audio (separate line) in both 2-Wire and 4-Wire installations. 
7.2.1  Standard (Type II) E & M Signaling 
The Standard or Type II E & M (+48 V) signaling method uses four wires for signaling, the “E” pair at 
the Remote Control Console and the “M” pair at the base station.  This configuration uses four wires for 
audio.  One voice grade pair is used for TX audio and the other pair is used for RX audio.  This is 
illustrated in Figure 7-5, which also shows the interface between a two-way radio system and a 
multiplex/microwave system.   
At the console a regulated -48 VDC output (or -24 VDC with minor modifications) is applied to the "M" 
lead when the TRANSMIT switch is pressed.  This -48 VDC activates a tone encoder (usually 3825 Hz) 
in the multiplex rack.  The tone encoder modulates the carrier frequency, which is transmitted over the 
microwave link. 
At the station end of the microwave link, the signal is demodulated and the 3825 Hz tone operates a tone 
decoder in the multiplex rack.  The output of the decoder results in a contact closure, which applies +48 
VDC (or +24 VDC) to the DC control lines on T/R Shelf.  The DC Current Detection Circuit detects the 
presence of the +48 V signaling as a +11mA current.  The station then executes a “Channel 1 – Remote 
PTT” which then keys the transmitter and routes the audio from the Line Input to the transmitter. 
7.2.1.1 Installation 
1. Connect the E & M control lines to TB101 pins 1 and 6. 
2. Connect the remote control transmit pair (which modulates the transmitter) to TB101-2 and -5. 
3. Connect the remote control receive pair (which listens to the receiver) to TB101-3 and TB101-4. 
4. Remove jumpers from J104 and J105 on the Interface Board 

MM102554V1 REV B 
46   
Figure 7-5:  Typical E & M Signaling Application 
7.2.2  Type 1 E & M Signaling 
E & M Type 1 signaling uses two leads, E and M, which share a common ground path.  Type 1 E & M 
signaling was originally designed for use with electromechanical switching systems and is not 
recommended for use in electronic systems due to the noise induced by the ground path. 
Type 1 E & M signaling keys the station remotely by using a contact closure to ground.  When this option 
is selected, control is exercised by applying a ground to P110 pin 1 (Repeater Hot Standby) on the station 
Interface Board or by applying a ground to P5 Pin 16 on the station backplane.  This causes the station to 
execute a “Channel 1 – Remote PTT” which routes the audio from the Line Input to the transmitter. 
7.3  TONE REMOTE INSTALLATION 
In contrast with DC systems, where audio level setting is not as critical, it is important that levels in tone 
applications be set properly.  Failure to do so results in the control function not working properly.  For 
example, after the installation when the user has gained a little experience, the user may find that they are 
not always picking up the function selected.  A little extra time spent at the installation will save many 
problems of this type later. 
This equipment is designed so that the tone control sequence consists of two or three parts.  The first part 
is the “Secur-it” tone (2175 Hz), which is sent at the highest level for approximately 125 milliseconds. 
This is followed by the “Function” tone which is sent at a level 10 dB lower for approximately 40 ms. In 
the case of a transmit function, the “Function” tone is followed by 2175 Hz “Hold” tone at a level 30 dB 
down from the “Secur-it” tone burst (therefore, it is 20 dB down from the “Function” tone burst).  This 
tone continues for the duration of the transmit function.  The average voice (0 VU) is sent at the same 
level as the “Function” tone, therefore, the test tone for the voice is sent at the same level as the “Secur-
it” tone. 

MM102554V1 REV B 
 47 
125 ms 40 ms As long as PTT switch is pressed
2175 Hz SECUR-IT Tone
+10 dB
FUNCTION Tone
0 dB 2175 Hz Transmit HOLD Tone
-20 dB
Figure 7-6:  Tone Control Sequence 
The “Secur-it” tone must arrive at the base station at no less than -20 dBm.  The transmit “Hold” tone 
must arrive at the base station at no less than -50 dBm.  The test tone for the voice must arrive at the base 
station at no less than -20 dBm.  Therefore, the limits of system operation are usually established by only 
three things: 
1. The maximum level at 2175 Hz that the phone company will allow to be sent from the most distant 
point in the system. Normally this will not be higher than 0 dBm.  In some cases, it can even be less, 
or on rare occasions, it can be +5 or +10 dBm.  
2. The loss of the circuit at 2175 Hz.  Do not forget the long-term variation of up to 4 dB more. 
3. The requirement that the “Secur-it” burst must arrive at the base station at no less than -20 dBm. 
Normally, most systems will not crowd these limits.  However, if the result is a few dB short, consider 
adding C-1 conditioning (at an added cost).  Resist the natural desire to just turn up the tone sending level 
as this will cause improper system operation. 
Increasing the level will cause the “Secur-it” tone burst to go into limiting in the phone company 
equipment.  The limited tone causes the “Secur-it” tone filter in the base station to ring.  This will result 
in picking up or dropping out functions, which were not selected. NEVER allow the “Secur-it” tone to be 
in limiting. 
There is an easy way to check and see if the “Secur-it” tone is in limiting.  With the phone lines 
connected to the equipment at both ends, connect an AC voltmeter across the phone line at the base 
station.  Arrange to send a burst of “Secur-it” tone long enough to measure the incoming level on the AC 
voltmeter.  Then arrange to send a burst of 1950 Hz “Function” tone long enough to measure the 
incoming level on the AC voltmeter.  If the 1950 Hz tone does not arrive 10 dB (1 dB) less than the 
“Secur-it” tone, then the “Secur-it” tone is in limiting. It will become necessary to lower the sending 
level at the remote controller until it is below limiting. 

MM102554V1 REV B 
48   
If the audio is high enough to cause the telephone equipment to go into limiting, it will cause amplitude 
distortion.  On a high loss line, the amplitude distortion will cause the “Hold” tone (2175 Hz) to vary and 
the transmitter to drop out. 
On remote systems using tone control, care must be used when connecting two telephone lines in tandem. 
For example, for a base station and two remotes, a phone line is ordered to connect the station to the first 
remote, and a second line to connect the second remote to the first remote.  The loss of each line is now 
added together and the tones from the second remote cannot operate the base station.  The installer can 
either specify a low loss on each line, or run each line directly to the base station. 
A check with the phone company can determine which approach is the least expensive over a period of 
time; i.e., an analysis of non-recurring costs versus recurring costs over the expected length of time the 
circuit will be used. 
7.3.1  Voting System Considerations 
A voting system uses a continuous 1950 Hz tone on the telephone line when the receiver is squelched. 
This voting tone is normally sent from the station to the voting selector 3 dB lower than the 1000 Hz test 
tone level. Most telephone lines have a frequency response, which attenuates the 1950 Hz tone with 
respect to a 1000 Hz test tone; therefore, care should be taken to ensure that the correct levels are received 
at the voting selector. 
If the telephone company will not allow a continuous tone as high as -8 dBm to be sent, then a lower loss 
circuit should be requested or C-1 conditioning added. 
When ordering phone lines for a voting system, if possible, all lines should be of the same type. Different 
telephone line responses will cause the voter to prefer one signal to others. 
It is improper system design to have the received signal selection biased by a “poorer” telephone circuit. 
Many telephone companies will add pads to build out the lines. If this is considered when the lines are 
ordered, it should not be difficult to build all of the lines out to have the same frequency response. 
A tone remote control unit can initiate a transmission, listen to received audio, and select or deselect base 
station functions.  Functions selected by the different available tones can be programmed so that a 1450 
Hz “Function” tone, for example, can be used for different functions.  
Signaling from a tone remote control unit consists of a high level “Secur-it” tone, followed by the 
appropriate medium level “Function” tone (as well as a “Hold” tone if the transmitter is keyed).  The 
tone control sequence is shown in Figure 7-6. 
The “Secur-it” tone is a +10 dB, 2175 Hz tone that is present for 125 milliseconds.  The “Secur-it” tone 
is followed by a 40 millisecond, 0 dB “Function” tone.  The “Function” tone can be followed by a -20 
dB, 2175 Hz “Hold” tone if PTT is selected.  The “Hold” tone is present as long as the PTT is pressed.  
7.3.2 Function Tones 
The frequency of the “Function” tone determines the function selected by a tone remote control unit. 
“Function” tones range from 1050 Hz to 2050 Hz, and are spaced 100 Hz apart.  
The following station functions can be controlled by tone signaling from a remote control unit:  
•  Repeater Enable (disable)  

MM102554V1 REV B 
 49 
•  Channel Guard Decode Enable (disable)  
•  Channel Guard Monitor  
•  Transmit Frequency Selection  
•  Receive Frequency Selection  
• Scan  
•  Receiver Selection (Auxiliary Receiver selection)  
•  Auxiliary Output Enable (disable) (Auxiliary Control)  
See Table 7-3 for a list of “Function” tones and their corresponding function.  
Table 7-3:  Tone Control Function and Frequency 
FUNCTION  TONE 
RX Channel Guard Disable  (Reset by PTT)  2050 Hz 
TX-Freq. No. 1  1950 Hz 
TX-Freq. No. 2  1850 Hz 
RX-Freq. No. 1   1750 Hz 
RX-Freq. No. 2   1650 Hz 
Channel Guard Decode On or Repeater Enable*  1550 Hz 
Channel Guard Decode Off or Repeater Disable*  1450 Hz 
TX-Freq. No. 3 or Aux. Function 1 On  1350 Hz 
TX-Freq. No. 4 or Aux. Function 1 Off  1250 Hz 
Repeater Enable*  1150 Hz 
Repeater Disable* or Scan or Simultaneous Monitor  1050 Hz 
* Repeater Enable (disable) is 1150/1050 only when Channel Guard On/Off is present. 
7.3.3  Wiring Methods for Tone Remote 
Table 7-4:  Tone Remote Wire Line Installation Methods 
METHOD  DESCRIPTION  ADVANTAGES OR 
DISADVANTAGES 
1  Standard two-wire configuration. 
Single voice grade pair used for both 
control and audio frequencies. 
This is the most economical method and simplest to 
install. The cost varies depending on local service. 
2  Standard four-wire configuration. 
One voice grade pair is used for TX 
audio and the other pair is used for 
RX audio. 
This method is also economical.  It minimizes 
keying clicks in paralleled remotes. Large ground 
currents may result in interference with control 
functions if remotes are located near sub-stations. 

MM102554V1 REV B 
50   
7.3.4  Installation Method 1 – Two Wire Tone Remote 
When the control shelf is used with a two-wire tone remote/console, the remote control pair should be 
connected to TB101-3 and TB101-4.  Jumpers on P104 and P105 located on the Interface Board are not 
required and should be removed. 
J101,
J109,
TB101
2
5
3
4
1
6
T101
LINE_A
LINE_B
DC_CNTLR
DC_CNTLR
Telephone Line +
Telephone Line -
Tone Remote Controller
MASTR III ADC T/R SHELF
Interface Board
DC Control +
DC Control -
J104
1
2
3
J105
1
2
3
T102
DPLX_LINE_A
DPLX_LINE_B
Duplex Audio +
Duplex Audio -
2
5
1
6
3
4
Figure 7-7:  Tone Remote Installation Method 1 
7.3.5  Installation Method 2 - Four Wire Tone Remote 
When the control shelf is used with a four wire tone remote/console, the remote control transmit pair 
(which modulates the transmitter) should be connected to TB101-2 and -5. The remote control receive 
pair (which listens to the receiver) should be connected to TB101-3 and TB101-4.  
7.4  T/R SHELF REMOTE CONTROL CONNECTIONS 
7.4.1  Interface Board Connections 
Telephone line connections may be made on the terminal block (TB101) or with an RJ-11 connector to 
J101 or J109.  The telephone line cable may be routed through the top rear or bottom rear of the cabinet 
(refer to Figure 7-10 and the station Assembly Diagrams).  The telephone line connections are shown in 
Figure 7-9. 
If the system uses remote control, perform the following operations: 
1. Make the connections to the Interface Board according to the remote control method described earlier 
in this section.   
2. Ensure the Remote Control unit is properly installed and configured for the desired control method. 

MM102554V1 REV B 
 51 
3. Verify the jumpers on the Interface Board are set for the desired control method (refer to Table 7-5:  
Remote Control Jumper Installation). 
J101,
J109,
TB101
T101
LINE_A
LINE_B
DC_CNTLR
DC_CNTLR
Telephone Line +
Telephone Line -
Tone Remote Controller
MASTR III ADC T/R SHELF
Interface Board
DC Control +
DC Control -
J104
1
2
3
J105
1
2
3
T102
DPLX_LINE_A
DPLX_LINE_B
Duplex Audio +
Duplex Audio -
2
5
1
6
3
4
TX AUDIO
to T/R Shelf
1
6
3
4
2
5
RX AUDIO
from T/R Shelf
Figure 7-8:  Tone Remote Installation Method 2 
Table 7-5:  Remote Control Jumper Installation  
CONTROL METHOD  P104  P105 
DC Control, 2-wire  1 & 2  1 & 2 
DC Control, 4-wire   2 & 3  2 & 3 
Tone Control  None  None 
E & M   None  None 
NOTE
The pin connections on TB101 are wired in parallel on the Interface Board with the 
corresponding pins on modular connectors J101 and J109.  J101 and TB101 are accessible 
from the top of the T/R Shelf Interface Board.  If the top of the Interface Board is 
inaccessible, then use J109, which is accessible from the rear of the cabinet.  Connectors 
J101 and J109 are RJ-11 6-pin modular jacks. 

MM102554V1 REV B 
52   
Figure 7-9:  T/R Shelf Telephone Line Connections 
Figure 7-10:  T/R Shelf Interface Board Connections 

MM102554V1 REV B 
 53 
7.5  SQUELCH OPERATED RELAY OPTION (SXSU3D)  
This section provides additional information for installing the Squelch  Operated  Relay (SOR) option 
SXSU3S.  The option kit includes the following items:  
• K3, SOR – 19B235003P2 
• K1, AUX1 Relay - 19B235003P1 
• K2, AUX1 Relay - 19B235003P1 
• DB25 Extension Ribbon Cable – 19B802395P1 
7.5.1 Installation 
To install the kit, insert the relays and the ribbon cable on the Interface Board as shown in Figure 7-11. 
Figure 7-11:  Squelch Operated Relay Option Installation 
7.5.2 Operation 
The SOR (K3) contains four form "C" contacts and is rated for 2 amps at 20 VDC.  The relay operates 
under control of signal RX_1_MUTE, which is derived from CAS, with the coil of K3 being picked up by 
transistor switch Q110.  (Refer to the SOR diagrams in Figure 7-12.) 
AUX1 relay (K1) and AUX2 relay (K2) each contain two form "C" contacts and operate under remote 
control.  When AUX1 function is started via remote control, the system microprocessor sets signal 
RXF3/AUX1 to logic high which turns on transistor switch Q112 picking up the coil of K1.  When 
AUX2 function is started, the system microprocessor sets bit 4 of output register U106 high, turning on 
transistor switch Q111 picking up the coil of K2.  When the AUX functions are stopped, the control bits 
are toggled, and the relay coil drops out. 

MM102554V1 REV B 
54   
Figure 7-12:  Squelch Operated Relay Option Connections 

MM102554V1 REV B 
 55 
7.6  SHARED REPEATER PANEL INSTALLATION 
This section provides information for installing and configuring the MASTR III Conventional ADC Base 
Station for use with a Shared Repeater Tone Panel. 
7.6.1 General 
The MASTR III ADC Base Station may be used as a “community” or “shared” repeater.  This allows 
multiple users to share a common repeater.  However, a common or shared repeater allows anyone 
transmitting on frequency and in some cases undesirable noise to pass through or unsquelch the system.  
This reduces the system availability and is annoying to radio users.  To keep the nuisance listening to a 
minimum, a sub-audible tone signaling system, the Continuous Tone Coding Squelch System (CTCSS) 
and the Continuous Digital Coded Squelch System (CDCSS or DCS) were developed.  In the MASTR III 
Base Station these squelch systems are referred to as Channel Guard (CG) and Digital Channel Guard 
(DCG).  When used, an encoded sub-audible tone is sent over the air to the receiving station, which, in 
turn, has a decoder.  The decoder doesn't let any sound through to the speaker until it hears the specific 
tone or code it was programmed to listen for.  In the repeater system, decoding a given tone or code by 
the receiver results in encoding the tone or code along with the repeated audio on the repeater transmit 
frequency.   
The MASTR III ADC Base Station can be programmed for multi-channel scanning with different CG 
tones (CTCSS) or DCG (CDCSS) codes.  Programming the station requires using the MASTR III 
Programmer, (TQS3353) or MSEDIT (TQ0619) on site and scanning beyond two channels is impractical 
because of the time involved.   
One solution to making a MASTR III Base Station into a “community” repeater is to use an external 
“shared” repeater panel or multi-tone CTCSS device.  The repeater panel allows the system operator to 
program the repeater and to remotely add or remove users.  Some repeater panels add other features, such 
as; audio processing, courtesy beeps, alarms, and timing and billing. 
7.6.2  Repeater Panel Interface 
The MASTR III ADC Base Station does not have a single connector for interfacing between the base 
station and the repeater panel.  As a result, it is necessary to fabricate a special cable with three 
connectors or to solder wires directly to the backplane.  The field engineer or installer should decide 
which method is most practical.  The most reliable and least expensive method is to solder the interface 
wires to the connections on the backplane.  However, a specially fabricated cable harness has definite 
advantages in time saved when installing or troubleshooting multiple repeaters. 
The following tables (Table 7-6 through Table 7-8) can be used to identify the signal lines that interface 
with the repeater panel and where they can be found on the MASTR III ADC Base Station backplane (see 
Figure 7-13 for Backplane connector locations). 

MM102554V1 REV B 
56   
Table 7-6:  Community Repeater Interface Signal Lines 
SIGNAL NAME  DESCRIPTION 
RCVR_VOL/SQ_HI  The receiver volume and squelch high line is the non de-emphasized output 
from the RX IF board.  The level for standard deviation is 1-Vrms.  Expect 
about 170 mVrms of CTCSS level when modulated at 15% system deviation. 
SYS_VOL/SQ_HI  The System Volume Squelch High lead is normally the same point as the 
RCVR_VOL/SQ_HI.  Jumper J11 must be removed from P11 on the backplane 
to separate the two leads.  The SYS_VOL/SQ_HI is the return path of audio to 
the station.  Removing the jumper and using this lead is undesirable.  
Processing of speech audio will be performed by the system module and any 
further external processing will complicate and sometimes cause problems.  
Reasons for using this circuit however may include squelch tail elimination, 
adding courtesy tones, or muting repeated audio.  The overall gain of any audio 
processing should be unity and with a flat frequency response. 
CAS  Carrier Activity Sensor (CAS) indicates the condition of the noise squelch 
circuit.  A TTL level high (5 Volts) indicates an on channel carrier while a logic 
low indicates a lack of carrier. 
EXT_LSD  External Low Speed Data lead goes to the system module.  There the lead is 
switched to the high side of the CG electronic potentiometer.  The level of the 
encode CTCSS or CDCSS should be set to between 0.5 and 1 Vrms.  The final 
deviation level will be set by the CG electronic potentiometer during station 
alignment. 
REPEAT_PTT_IN  Logic low or ground on this lead will key the transmitter and route audio from 
the SYS_VOL/SQ_HI and EXT_LSD leads to the transmitter audio circuits. 
A+  Unfiltered power coming from the main station power supply.  This point is not 
regulated to a specific value.  Its voltage may vary with the load of the station, 
but usually it makes a good point for providing A nominal 12 VDC to the 
station.  Do not use the +12 volt circuits to provide power to external devices. 
DGND  Same as the chassis ground of the station. Can be use for DC return path.  
AGND  Analog ground.  Can be used to ground cable shields.  If hum exists, add or 
remove the shield from the AGND to eliminate the problem. 
Figure 7-13:  T/R Shelf Backplane Connections 

MM102554V1 REV B 
 57 
Table 7-7:  MASTR III Backplane Connections for Community Repeater Interface 
 MASTR III BACKPLANE CONNECTIONS   
SIGNAL NAME  P2 
(GETC)  P3 
(GETC)  P5 
(VOICE 
GUARD) 
REPEATER 
PANEL 
RCVR_VOL/SQ_HI P2.5    P5.10   
SYS_VOL/SQ_HI   P5.8  
CAS  P3.5 P5.17  
EXT_LSD  P3.14   
REPEAT_PTT_IN P2.13      
A+ P2.1  P5.1  
DGND P2.2 P3.10 P5.12  
AGND    P5.4  
Table 7-8:  Mating Connector Part Numbers  
NOMENCLATURE  M/A-COM PARTS 
NUMBER  MOLEX PART NUMBER 
J2 (connect to P2)  19A700041P42  22-01-2165 
J3 (connect to P3)  19A700041P44  22-01-2185 
J5 (connect to P5)  19A700041P50  22-01-2155 
Pins (individual)  19A704779P26  08-55-0101 

MM102554V1 REV B 
58   
8.  STATION TEST AND ALIGNMENT PROCEDURES 
8.1 INTRODUCTION 
This chapter provides instructions for testing and aligning the MASTR III Conventional or P25 Base 
Station.  The base station is normally pre-aligned at the factory and ready to install.  However, after initial 
installation and prior to placing the equipment into operation, it should be rechecked to ensure it is 
operating properly and meets the required specifications.   
These procedures assume the receiver and transmitter modules have been previously tuned and aligned 
and should be used whenever a module or system component is repaired or replaced. 
8.2 GENERAL 
The MASTR III ADC Base Station comes pre-programmed and ready to install, the only adjustments 
needed are the required Line Output Level, the Line Input Level necessary to produce Standard 
Deviation, and the Line Cancellation for 2-wire Tone Remote Orientation.  These adjustments can be 
made using the PC Programming option TQS3353, the Utility PC software TQ0619, or with the Utility 
Handset SPK9024. 
The rated system deviations are as follows: 
• 5.0 kHz  Standard (25 kHz IF) 
• 4.0 kHz  NPSPAC 
• 2.5 kHz  Narrow  (12.5 kHz narrowband) 
• 2.8 kHz  P25 
8.3  SUPPORT EQUIPMENT REQUIRED 
The following equipment and software may be require to perform the MASTR III ADC Base station 
alignment and tests:  
8.3.1 Hardware 
Table 8-1:  Hardware Requirements 
DESCRIPTION  MODEL NUMBER  PURPOSE 
Communication Test Set  IFR 1200, 1500 or 
equivalent  System test and alignment 
Directional Coupler  Narda 3020A or 
equivalent  Test output power 
RF Coaxial Load Resistor  Bird 8235  Test and alignment 
RF Power Meter with 3% 
measurement accuracy  Boonton 
4220A/51033er or 
equivalent 
Test output power 
Attenuator, 10 dB, 100 W  Bird 8343-100  Test and alignment 

MM102554V1 REV B 
 59 
DESCRIPTION  MODEL NUMBER  PURPOSE 
Extender boards  188D5338G1 
188D5338G2 
Use to extend System and Power Modules 
Use to extend RF Modules 
RF Module Test Fixture  TQ0650  Individually test, align, and troubleshoot RF 
modules off station 
PC Computer  See Table   Test, alignment and station personality 
programming 
RS-232 Programming Cable   TQ3356 or equivalent 
DB9(M) to DB9(F)  Connect PC computer to T/R Shelf 
Utility Handset  SPK9024  Test and alignment 
Table 8-2:  PC Computer Requirements 
 Windows® NT 4.0
(Service Pack 4)  Windows 2000  Windows XP 
Processor Speed  Pentium II 90 MHz  Pentium II 133 MHz  Pentium II 233 MHz 
RAM for Windows  128 Megabytes  128 Megabytes  128 Megabytes 
Hard Drive Space  160 Megabytes  160 Megabytes  160 Megabytes 
Drives  CD-ROM CD-ROM CD-ROM 
Ports  1 Serial  1 Serial  1 Serial 
Microsoft Internet 
Explorer  Version 5.01 or higher Version 5.01 or higher  Version 5.01 or higher
8.3.2 Software 
Table 8-3:  Software Requirements 
DESCRIPTION  PART NUMBER  PURPOSE 
MASTR III Programmer  TQS3353  Test, alignment and station personality 
programming 
MASTR Utility Programmer 
(MASTRUTL)  TQ0619  Test and alignment (subset of MIII Programmer 
TQS3353) 
Utility Handset  SPK9024  Test and alignment 
DSP Module Programmer  TQS3413  DSP Module configuration and personality 
programming 

MM102554V1 REV B 
60   
8.4 STATION CONFIGURATION 
Use the following procedures when setting up the station using a Personal Computer (PC).  If the Utility 
Handset is plugged into the MIC connector, it must be removed prior to resetting the system and using the 
PC Programming software.  Levels may be adjusted using the MASTR III Utility program TQ0619 
(MASTRUTL) supplied with the PC Programming package TQS3353.   
1. Ensure proper connections are made to receive and transmit antenna(s).  
2. Apply power to the equipment. 
3. Connect the PC computer’s serial COM port to the T/R Shelf DATA PORT using the TQ3356 
Interconnect cable (19B801348P2) or equivalent.  Refer to Figure 8-1. 
NOTE
The base station may also be programmed from the rear by connecting the computer to the 
rear Data Port connector (J108) located on the T/R Shelf Logic Board shown in Figure 7-10. 
TQ3356 or
RS-232 Cable
SPK2094
Utility Handset
MIC
(Note:  handset and PC
cannot be connected to
shelf at the same time)
DATA Port
DSP Port
Laptop computer
Software
MIII Programmer - TQS3353
MIII Programmer Utility- TQ0619
Figure 8-1:  MASTR III Programmer Connections 

MM102554V1 REV B 
 61 
NOTE
If the computer has a 25-pin connector instead of a 9-pin serial connector, an adapter must 
be used.  The adapter may be either purchased or locally manufactured.  Making your own 
requires only three wire connections (Figure 8-2). 
Pin 2
Pin 3
Pin 7
Pin 2
Pin 3
Pin 5
Pin 2
Pin 3
Pin 5
DB9 (M) DB9 (F)DB25 (M)
PGM TXD
PC PGM RXD
GND
Figure 8-2:  DB9 to DB25 Adapter Cable 
4. Run the TQS3353 software and enter M3 to start the MASTR III program. 
5. Initiate a RESET (on the Power Module) before programming starts. 
6. The SQUELCH and VOLUME adjustments should be made for proper operation.  Unsquelch the 
receiver by turning the SQUELCH adjustment counter-clockwise.  (If your base station has Channel 
Guard, also activate the CG switch.)  Verify that unsquelched noise is going to the speaker by 
increasing the VOLUME (clockwise).  Adjust the SQUELCH pot for critical squelch (squelch just 
closes). 
7. Verify the current personality or create a new personality as required.  Do not change Pot settings. 
8. Following the initial setup, the MIC port may be used for one of the following purposes: 
a. Connecting the local microphone equipped with a modular connector. 
b. Connecting the multi-purpose Utility Handset. 
8.5 STATION ALIGNMENT 
Alignment of the MASTR III base station was performed prior to shipment.  The factory assumed the 
following characteristics: 
1. There is no loss or gain for repeated audio deviation. 
2. If a remote exists, it is connected to the base station through a telephone line with 10 dB of loss. 
3. The base station drives the line output at -10 dBm with nominal receive deviation. 
The base station should deliver –10 dBm to the line with a signal applied with standard 3 kHz deviation.  
A –10 dBm audio signal applied to the Station Line In should result in transmitter deviation of 3 kHz. 
These values may be altered by following one of the alignment procedures as provided.  For minor 
adjustments, you may want to adjust only one or two digital potentiometers or leave the setting as set.  In 
any case, it is important to carefully examine the Alignment Diagram (Figure 8-3). 

MM102554V1 REV B 
62   
NOTE
It is a good idea to record the potentiometer settings on paper, until you’re familiar with all 
the digital potentiometer setting process. 
Figure 8-3 shows the relationship of the alignment pots in the station: 
ADJUSTMENT  MSEDIT/MASTRUTL POT NAME 
CG Channel Guard 
CP  DSP Compressor Gain 
CT Compressor Threshold 
DC Line Cancellation 
DLI  DSP Line In 
LI  Line Input  
LO Line Out 
PA PA Power 
RG Repeater Gain 
TX Transmit 
NOTE
Refer to the Software Release Notes (SRN’s) specific to release of software and hardware 
installed in this system for additional details on test setup and jumpers. 
CAUTION
Only qualified field service technicians should perform these procedures.  Each test has step-
by-step procedures, along with visual aids when necessary, to check the performance or make 
alignment adjustments if needed to the individual system elements. 
Table 8-4:  Digital Potentiometer Settings 
 LO 
POT  DC 
POT  LI 
POT  DLI 
POT  CP 
POT  CT 
POT  RG 
POT  TX 
POT  CG 
POT 
 Line 
Out  DSP Line 
Cancellations  Line 
In  DSP 
Line In  DSP 
Compressor 
Gain 
Compression 
Threshold  Repeater 
Gain  Transmit  Channel 
Guard 
HANDSET 
NUMBER  1 5  3 6  7  2  2  2  1 
POT PAGE 
(Note 1)  P_1 P_1  P_1  P_1  P_1  P_2  P_3  P_1  P_1 
HANDSET 
DISPLAY  P LO  P DC  P LI  P DI  CP  CT  RG  P TX  P CG 
DEFAULT 
VALUES  45   75 (2W) 
0 (4W)  0   34 (2W) 
28 (4W)  1023 1890  1023 127 
150*  123 
0* 
*No Channel Guard 
NOTES: 1) Refer to Handset manual, LBI-38599, for instructions on page selection. 

MM102554V1 REV B 
 63 
LINE
IN
LINE
OUT
TB101-2
TB101-5
TB101-3
TB101-4
M
U
X
CP
CT
M
U
XRG
DSP Board
PRE-
EMPH POST LIM
FILTER
LIM M
U
X
MIC HI
TX
U36
CG
U35
TX AUDIO HI
EXT
HSD
RCVR
VOL SQ HI
TO
PA
DLI
U15
LO
U36
CG
Generator
DSP Module
U14
455 kHz IF
MDM Line TXD
MDM Line RXD
System Module
LI
U35
DC
U12
U15
Figure 8-3:  MASTR III Conventional Base Station Alignment Controls 
8.5.1 Preparation 
Unless otherwise stated, all adjustments and alignments in this section are to be made using the MASTR 
III PC Programming Utility Software (TQ0619).  Tests may also be made using the Utility Handset 
(SPK9024).  Refer to the Utility PC Programmer Manual (LBI-38540) or the Utility Handset Manual 
(LBI-38599) if necessary. 
Perform the following steps before starting the alignment procedure: 
1. Perform a controlled power up if station is not on.  Check equipment for any abnormal indications 
2. On stations that are assembled less MASTR III power supplies, supply adequate DC power to the 
station from an external power supply.  Adjust the input voltage to the PA to 13.4 ±0.3 VDC  
(26.0 ±0.3 VDC for the EA101292 Power Amplifier). 
3. Connect the signal generator to the antenna system jack in all but repeater combinations or duplex 
stations.  In repeater stations, a separate Receive antenna jack is provided. 
4. For multi-frequency stations, activate the TX Disable switch on the System Module and select the 
desired receive frequency using the PC. 
5. Adjust the SQUELCH and VOLUME for proper operation.  Unsquelch the receiver by turning the 
SQUELCH adjustment counter-clockwise.  Verify that unsquelched noise is going to the speaker.  
Adjust the volume if needed (clockwise to increase level).   
6. Terminate Line Input (TB101-2, 5), and Line Output (TB101-3, 4), with 600 ohms. 

MM102554V1 REV B 
64   
7. Plug the Utility PC Programmer cable into the DATA connector, or Utility Handset cable into the 
MIC jack, both located on the front of the T/R Shelf.  (Refer to Figure 8-1.) 
NOTE
The Utility Handset and the Utility Programmer cannot be connected to the T/R Shelf at the 
same time. 
8.5.2  Station Pot Defaults 
Adjust the following Station level control POT settings to the value indicated: 
• Transmit Limiter (TX)  150 
• Repeater Gain (RG)  1023 
• Compressor Threshold (CT) 32767 
• Compressor Gain (CP)  1023 
• DSP Line Input (DI)  100 
• Line Input (LI)  0 
• DC 75 
8.5.3  Channel Guard (CG) Pot 
The Channel Guard (CG) pot on conventional systems, sets the deviation level 
If the station is not programmed for Channel Guard, set the CG pot to zero (0).   
For stations programmed for channel guard encode, perform the following steps: 
1. Connect the base station TX Synthesizer RF OUT (J2) to the Communications Test Set ANT IN. 
2. Setup the Communication Test set to measure deviation. 
3. Ensure the base station receiver is squelched for this test since RX audio will be routed to the 
transmitter. 
4. Execute a REMOTE PTT by pushing the System Module REM PTT switch to the up position.  This 
keys the transmitter. 
5. Measure the transmitter deviation.  Deviation must be within ±25 Hz of the value listed in Table 8-5. 
6. Adjust the Channel Guard deviation pot (CG) for the appropriate deviation as listed in Table 8-5. 
7. Unkey the transmitter by releasing the REMOTE PTT.   
8. Repeat this procedure for each frequency with channel guard.  
9. Disable channel guard decode for the remainder of the station alignment. 

MM102554V1 REV B 
 65 
Table 8-5:  Channel Guard Deviations 
SYSTEM TYPE  CHANNEL GUARD 
DEVIATION 
Standard (25 kHz IF)  750 (750 Hz) 
NPSPAC  600 (600 Hz) 
Narrow (12.5 kHz narrowband)  500 (500 Hz) 
P25   500 (500 Hz) 
8.5.4  Transmit Limiter (TX) Pot 
The Transmit Limiter (TX) pot adjusts the limit of deviation for both Line In and Repeat Audio.   
1. Preset the following pots as indicated: 
• RG  (Repeater Gain)   - 1023 
• CT  (Compressor Threshold)   - 5000 
• CP  (Compressor gain Pot)   - 1023 
• DLI  (DSP Line Input)   - 100 
2. Apply a 1000 Hz tone at 0 dBm (775 mVrms) to the line input (TB101-2 and TB101-5).   
3. Execute a REMOTE PTT by placing the System Module REM PTT switch to the up position.  This 
keys the transmitter. 
4. Measure the transmitter deviation.  The deviation maximum value must be within ±100 Hz of the 
value listed in Table 8-6 
5. Adjust the Transmit Limit pot (TX) for the appropriate maximum deviation as listed in Table 8-6. 
6. Unkey the transmitter by releasing the REMOTE PTT.   
7. Remove the input signal from line input.  
8. Repeat this procedure for each channel. 
Table 8-6:  TX Limiter Max Deviation 
SYSTEM TYPE  TRANSMIT MAXIMUM 
DEVIATION 
Standard (25 kHz IF)  4.5 kHz ±100 Hz 
NPSPAC  3.6 kHz ±100 Hz 
Narrow (12.5 kHz narrowband)  2.250 kHz ±100 Hz 
P25   2.250 kHz ±100 Hz 

MM102554V1 REV B 
66   
8.5.5  Repeater Gain (RG) Pot 
The Repeater Gain (RG) pot is set so that the deviation of the unsquelched receiver audio results in the 
transmitted audio having the same deviation.   
If this is not a repeater station, leave the RG pot at 1023. 
For a repeater station, perform the following steps to set the RG pot: 
1. Set the Communication Test set for an “on-frequency” RF signal modulated by a 1 kHz tone at 60% 
of rated system deviation (see Table 8-7).  
2. Connect the Test Set RF OUT to the Receiver Front End Module RF IN connector (J2). 
3. Execute a REMOTE PTT by placing the System Module REM PTT switch to the up position.  This 
keys the transmitter. 
Table 8-7:  60% of System Deviation 
SYSTEM TYPE  60% DEVIATION 
 CG Disabled  CG Enabled 
Standard (25 kHz IF)  3.00 kHz   3.75 kHz 
NPSPAC  2.40 kHz  3.00 kHz 
Narrow (12.5 kHz narrowband)  1.50 kHz   2.00 kHz  
P25   1.50 kHz  2.00 kHz  
4. Measure the transmitter deviation.  Verify the transmitted tone is 1 kHz and adjust the Repeater Gain 
(RG) pot for the required deviation listed in Table 8-7 ±100 Hz. 
5. Unkey the transmitter by releasing the REMOTE PTT.   
6. Remove the input signal from the receiver.  
7. Repeat this procedure for each channel. 
8.5.6  DSP Line Input (DLI) Pot 
The DSP Line Input (DLI) pot adjusts the signal level going to the System Module DSP board. 
If this is not a remote station, set the DLI pot to zero (0). 
For a remote station, perform the following steps to set the DLI pot: 
1. Apply a 1000 Hz tone at -10 dBm (245 mVrms) to the line input (TB101-2 and TB101-5).   
2. Execute a REMOTE PTT by setting the System Module REM PTT switch to the up position.  This 
keys the transmitter. 
(This level is the function tone level, and is usually -10 dBm across 600 ohms, or 245 mVrms. This 
level MUST be 10 dBm below the "maximum system audio level" even if your actual secur-it tone 
and function tone are at the same level.) 
3. Adjust the DSP Line In DLI Pot for 60% of maximum system deviation if operating with 
compression. (Table 8-8). 

MM102554V1 REV B 
 67 
Table 8-8:  Deviation For Setting Line In Pot With Compression 
SYSTEM TYPE  DEVIATION FOR SETTING LINE 
IN POT WITH COMPRESSION 
 CG Disabled  CG Enabled 
Standard (25 kHz IF)  2.80 kHz   3.55 kHz 
NPSPAC  2.25 kHz  2.85 kHz 
Narrow (12.5 kHz narrowband)  1.40 kHz   1.90 kHz  
P25   1.40 kHz  1.90 kHz  
4. Unkey the transmitter by releasing the REMOTE PTT.   
5. Remove the input signal from the line input.  
6. Repeat this procedure for each channel. 
8.5.7  Compressor Gain (CP) Pot 
The DSP Compressor (CP) Pot is used to indicate the setting, which determines the level of line input 
voltage that will lead to compression.  For remote systems using the DSP Compressor (all tone remote 
systems use the DSP Compressor), this field should be set so that nominal line input audio results in 
output audio, which is at rated (see Table 8-9). 
If not a remote station set the CP pot to zero (0). 
For a remote station, perform the following steps to set the CP pot: 
1. Apply a 1000 Hz tone at -10 dBm (245 mVrms) to the line input (TB101-2 and TB101-5).   
2. Execute a REMOTE PTT by switching the System Module REM PTT switch to the up position.  This 
keys the transmitter. 
3. Measure the transmitter deviation.  Adjust the Compressor Gain (CP) pot for the required deviation 
listed in Table 8-9 ±100 Hz. 
4. Unkey the transmitter by removing the REMOTE PTT.   
5. Remove the input signal from the line input.  
6. Repeat this procedure for each channel. 

MM102554V1 REV B 
68   
Table 8-9:  Deviation for Setting Compressor Gain Pot 
SYSTEM TYPE  DEVIATION FOR SETTING 
COMPRESSOR GAIN POT 
 CG Disabled  CG Enabled 
Standard (25 kHz IF)  3.00 kHz   3.75 kHz 
NPSPAC  2.40 kHz  3.00 kHz 
Narrow (12.5 kHz narrowband)  1.50kHz   2.00 kHz  
P25   1.50 kHz  2.00 kHz  
8.5.8  Compressor Threshold (CT) Pot 
The Compressor Threshold (CT) pot adjusts the maximum signal level appearing at the output of the 
compressor  
If this is not a remote station, set the CT pot to zero (0). 
For a remotely controlled station, perform the following steps to set the CT pot: 
1. Apply a 1000 Hz tone at 0 dBm (775 mVrms) to the line input (TB101-2 and TB101-5).   
2. Execute a REMOTE PTT by switching the System Module REM PTT switch to the up position.  This 
keys the transmitter. 
3. Measure the transmitter deviation.  Adjust the Compressor Threshold (CT) pot for the required 
deviation listed in Table 8-10 ±100 Hz. 
4. Unkey the transmitter by removing the REMOTE PTT.   
5. Remove the input signal from the line input.  
6. Repeat this procedure for each channel. 
Table 8-10:  Compressor Threshold Deviation 
SYSTEM TYPE  COMPRESSOR 
THRESHOLD DEVIATION 
Standard (25 kHz IF)  4.00 kHz  
NPSPAC 3.20kHz  
Narrow (12.5 kHz narrowband)  2.00 kHz  
P25   2.00 kHz  
8.5.9  DSP Line Cancellation (DC) Pot 
The DSP Line Cancellation (DC) pot is used to specify 2-wire system settings for tone remote 
configurations.  This separates the T/R Shelf’s line output audio from the line input audio. 
For stations using 2-wire tone remote control, set the DC pot to 75. 
In all other configurations, set the DC pot to zero (0). 

MM102554V1 REV B 
 69 
8.5.10  Line Output (LO) Pot 
The Line Out (LO) pot adjusts the line out level for an output signal level of 0 dBm. 
If this is not a remotely controlled station, set the LO pot to zero (0). 
To perform receiver tests on a remote station, the LO level may be set to 0 dBm into a 600 ohm load.  
After these tests are completed, return the LO pot to zero. 
For a remotely controlled station, perform the following steps to set the LO pot: 
1. Set the Communication Test set for an “on-frequency” RF signal modulated by a 1 kHz tone at 60% 
of rated system deviation (see Table 8-11).  
2. Connect the Test Set RF OUT to the Receiver Front End Module RF IN connector (J2). 
Table 8-11:  Line Out Deviation Setting 
SYSTEM TYPE  60% DEVIATION 
Standard (25 kHz IF)  3.00 kHz  
NPSPAC 2.40 kHz 
Narrow (12.5 kHz narrowband)  1.50 kHz  
P25   1.50 kHz 
3. Measure the line output level at J101-3 and J101-4 across a 600-ohm load.  Adjust the LO pot for a 0 
dBm (775 mVrms) indication.   
4. Remove the input signal from the receiver.  
5. Repeat this procedure for each channel. 
6. If this is a channel guard station, re-enable Channel Guard Decode. 
Note:  1) the line input is terminated to prevent line audio deviation while adjusting channel guard 
deviation. 
8.5.11  P25 C4FM Deviation (DSP Module Adjustments) 
This section provides instructions for aligning the DSP Module. 
NOTE
Before aligning the DSP Module, the base station must be setup and aligned for conventional 
analog operation as described in sections 8.5.1 through 8.5.10. 
8.5.12  Enable the P25 Operation in the System Module 
Perform the following steps to enable the P25 Operation in the System Module. 
1. Connect the programming PC to the Data Port on the front of the T/R Shelf. 
2. Run the Master-III programming software.  Configure the base station for the desired analog 
operation. 
3. Set the P25 parameter on the OPTIONS screen to YES. 

MM102554V1 REV B 
70   
4. Write the new personality to the base station. 
5. Cycle base station power to ensure proper operation. 
TQ3356 or
RS-232 Cable
DSP Port
Laptop computer
Software
DSP Programmer - TQS3413
Figure 8-4:  MASTR III DSP Module Programmer Connections 
8.5.13  Adjust P25 C4FM Deviation  
1. Run the DSP Module Programmer software (TQS3413). 
2. Connect the programming PC to the T/R Shelf DSP Port using the TQ3356 RS-232 cable. 
3. Ensure the PC Serial Port is properly configured. 
4. From the DSP Module Programmer menu or toolbar, choose Device⇒Personality⇒Read to get the 
current personality saved in the DSP Module or File⇒Open to get a personality from the PC hard 
drive. 
5. Modify the DSP Module personality as described below.  (Refer to Table  and review the personality 
parameters if needed). 
• On the P25 Base station Settings menu, set the Transmit Test Mode for High Deviation Dotting 
Pattern.  

MM102554V1 REV B 
 71 
• Select Device⇒Personality⇒Write from the Programmer menu or toolbar to upload the revised 
personality.  
NOTE:  Recycling power to the base station is not required. 
6. Observe that the base station is transmitting.   
7. Measure the transmitter deviation of the P25 High Pattern.  The deviation should be 2826 ±25 Hz.  If 
the deviation is within limits proceed to step 11. 
8. If the deviation out of limits, adjust the High Deviation personality parameter.  Entering a higher 
value increases the deviation. 
9. Select Device⇒Personality⇒Write from the Programmer menu or toolbar and upload the revised 
personality.  
NOTE:  Recycling power to the base station is not required. 
10. Repeat steps 6 thru 9 until the deviation is 2826 ±25 Hz. 
11. Disable the Transmit Test Mode (Normal Operation) as described below. 
• On the P25 Base station Setting menu, set the Transmit Test Mode for Disabled.  
• Select Device⇒Personality⇒Write from the Programmer menu or toolbar to upload the 
personality.  
NOTE:  Recycling power to the base station is not required. 
Table 8-12:  P25 Personality Parameters 
PERSONALITY 
PARAMETER  DESCRIPTION  RANGE  DEFAULT 
VALUE 
Source ID   Transmit Source ID for Landline Analog Interface.  1-  1 
Talk Group ID   Transmit Talk Group ID for Landline Analog 
Interface.   1-65535   65535 
TX Network 
Access Code 
(NAC) 
Transmit Network Access Code for P25 Repeater and 
Landline Analog Interface. Review TIA 102.BAAD 
for detail NAC operation. 
1-4095   659 
(293 hex) 
RX Network 
Access Code  Receive Network Access Code for P25 Repeater 
operation.  1-4095 3967 
(F7F hex) 
Preempt Enable  Enables a landline analog preempt over a RF Rx P25.  On/Off  On 
Repeater Enable  Enables P25 RF Rx to P25 RF TX operation. When 
disabled, P25 RF Rx is only routed to the landline 
analog interface. 
On/Off On 
Transmit Test 
Mode  Enables or disables various transmit test modes.  N/A  Disabled 
High Deviation  P25 High Pattern deviation setting.  0-32767  15000 
8.5.14 SINAD Test 
There are different SINAD values depending on the frequency band of the equipment (see step 3). 
1. Connect the Communication Test Set output to the RF IN (J2) on the Receiver Front End module.  

MM102554V1 REV B 
72   
2. Connect the Communication Test Set Audio Input to the Line Output. The line output in 
differential; some test sets may require conversion to a single ended signal. If the conversion 
hardware is not available, measure just one side of the line out, but do not use the other line out as 
ground; connect test set ground to the MIII ground. Open the squelch. 
3. Set the Communication Test Set to measure SINAD and adjust the RF level until an average 12 dB 
SINAD is attained.  For 800MHz systems, the level must be less than -119dBm (i.e. more negative 
for example -120 dBm).  For UHF and VHF systems, the level must be less than -116dBm (i.e. more 
negative for example -117 dBm). 
4. If the SINAD is worse than (i.e. greater than) the required level, service the receiver.  Record the 12 
dB SINAD value on the Repeater data sheet in section 12.6. 
8.5.15 Squelch Adjustment 
1. Connect the Communication Test Set as for the previous test. 
2. Adjust the Communication Test Set RF level for an average 3 dB below the previous SINAD reading. 
3. Adjust the Squelch until it just closes. 
4. Record the Squelch setting on the data sheet. Remove the Communication Test Set from the station. 
8.5.16  Transmitter Forward and Reverse Power   
This test measures the Forward and Reverse power of each channel.  After the station forward and reverse 
power are verified, the station forward power will be adjusted to provide the required Effective Radiated 
Power at the transmit antenna. 
EFFECTIVE RADIATED POWER 
Effective Radiated Power (ERP) is the result of the calculation of Station Forward Power, Combiner loss, 
Feeder loss and Antenna gain. 
CABLE LOSS (dB/100 meter) 
FREQUENCY SUPERFLEX HELIAX 
 1/2” 7/8” 1 5/8” 
150 MHz  2.77  1.50  0.919 
450 4.96 2.74 1.69 
824 6.90 3.85 2.40 
960 7.51 4.20 2.62 
8.5.16.1  TX Forward Power (TX) 
1. Connect the 20 dB Directional Coupler to the station PA output at the back of the Repeater cabinet 
2. Attach a 20 dB directional coupler and 150-watt RF load to the Transmitter RF Output.  
3. Connect the RF Power meter to the attenuator port on the coupler. 
4. Connect the MASTR-III Utility Programmer to the station and select PA Power. 
5. Key the station, measure the Transmitter Output Power and adjust PA Power, if necessary, for the 
forward power level required to achieve maximum power for the station.  Record the output power. 
6. Add directional coupler loss plus cable and connector loss to the RF Power meter measurement. 

MM102554V1 REV B 
 73 
POWER MEASUREMENT ACCURACY 
If the measured value is within ±5% of maximum power, do not adjust. 
7. Toggle the TX DISABLE switch and disable transmission (TX Disable LED on). 
8.5.16.2  TX Reverse Power 
1. Connect the RF Power meter to the reverse power port on the 20 dB coupler.  Terminate the forward 
directional coupler port. 
2. Key the station, read the reflected power and record this value on the RF System data sheet.  If this 
value is greater than 4 watts, service is required to reduce the reflected power.  
3. Toggle TX DISABLE to disable transmission. 
4. Remove directional coupler and reconnect cable to antenna. 

MM102554V1 REV B 
74   
9.  SYSTEM FUNCTIONAL TESTS 
9.1 GENERAL 
The chapter describes the methods for functionally testing the MASTR III Conventional Base Station.  
Upon completion of these tests, the base station is considered operational. 
9.2 SETUP 
The following system functional tests may require up to four (4) portable or mobile radios of the type to 
be used on this system (conventional analog or P25 digital) - ideally they should be specimens from the 
customer’s order.  Many of the tests will only require two of these to be used.   
Program all test radios with a minimum generic personality.  The personalities should closely reflect the 
personalities of the customer’s radios where possible.   
9.3  CONVENTIONAL RADIO TEST 
This test verifies the operation of a conventional analog base station. 
1. Set the radios to the desired system or channel. 
2. Ensure the channel is not busy and make a series of radio calls.  
3. Confirm that the transmission can be heard in the receiving radio. 
4. Set the radios for coded transmission (if programmed) and make a series of coded calls. 
5. Ensure the receiving radio decodes the call. 
9.4  P25 RADIO TEST 
This test verifies the operation of a P25 base station. 
9.4.1  P25 Individual Calls 
1. Ensure the radios and base station are configured for P25 operation. 
2. Select the desired P25 system.  
3. Select the radio unit to call (callee source ID) from the pre-programmed individual call list or enter 
the ID number on the radio keypad. 
4. Make the call. 
5. Confirm that the called radio unmutes according to the squelch mode defined in the radio personality 
(monitor, normal, selective). 
9.4.2  P25 Group Calls 
1. Ensure the radios and base station are configured for P25 operation. 
2. On the transmitting radio, select P25 system and the desired Talk Group/Conventional Channel.  

MM102554V1 REV B 
 75 
3. On the receiving radios, select the desired P25 system and Talk Group/Channel or turn scan on and 
make sure the desired channel is in the scan list. 
4. Make the call. 
5. Confirm that the called radios unmute and receive the P25 call.  The radio will unmute according to 
the squelch mode defined in the radios’ personality (monitor, normal, selective). 
9.5  REMOTE STATION OPERATION 
This test verifies the remote control of the base station. 
1. In multi-frequency stations, check remote frequency control. 
2. In channel guard stations, the MONITOR switch on the console should disable channel guard decode.  
Momentarily keying the transmitter will re-enable CG decode. 
3. For Tone systems with CG ENABLE/DISABLE: 
• When the console is switched to CG DISABLE, CG Decode should be disabled.  Keying the 
transmitter will not enable CG Decode.   
• Switching to CG ENABLE will enable CG Decode unless the MONITOR switch has been 
depressed.  The microphone monitor switch will disable CG Decode even if the CG 
DISABLE/ENABLE switch is in the enable position. 
4. Place a series of individual and group calls to radios.  Ensure radios receive calls. 
5. Make a series of calls using conventional and P25 (if applicable) radios and verify Remote Controller 
can monitor and respond to calls.   

MM102554V1 REV B 
76   
10.  MODULE TESTING AND ALIGNMENT 
10.1 GENERAL 
The chapter describes the methods available for testing and aligning individual modules.  If modules are 
suspected of being faulty, they should be tested and realigned by using one of the methods described in 
Table 10-1. 
Table 10-1:  Module Test and alignment methods 
TEST OR ALIGNMENT METHOD  AFFECTED MODULES 
Bench Testing 
(Removing the modules from the Station and 
using the TQ0650 RF Test Fixture)  
All RF modules 
In-Station Testing  
(Using the extender cards)  All modules 
WARNING
Before removing or replacing any module, power to the station must be switched off. 
The preferred method for testing and aligning individual modules is to perform the Bench Test and 
Alignment.  This involves removing the module from the base station and using the TQ0650 RF Module 
Test Fixture to test and align the module as described in section 10.2.  After the module realignment is 
complete and it is reinstalled into the base station, it will be necessary to perform a full station alignment 
according to the procedures in chapter 8. 
Individual modules may also be tested in the base station by using an extender card.  Refer to section 10.2 
for instructions on using an extender card to test individual modules.   
There are two types of extender cards available for use with the MASTR III Base Station T/R Shelf.  One 
extender card extends the modules installed in the RF section and the other for modules in the control 
section. Table 10-2 indicates which modules can be extended by each extender card.  

MM102554V1 REV B 
 77 
Table 10-2:  Extender Cards 
EXTENDER CARD TYPE  AFFECTED MODULES 
188D5338G2      RF Section Extender Card  • Transmit Synthesizer 
• Receive Synthesizer 
• RX Front End RF Module 
• IF Module 
188D5338G1      Control Section Extender Card  • Power Module 
• System Module 
• DSP Module 
• AMPF Module 
• Data Module 
10.2 BENCH TESTING 
Bench Testing must be performed in a relatively clean shop environment using the TQ0650 RF Module 
Test Fixture.  Usually when a module is suspected of being defective or out of alignment, the affected 
channel is to be taken out of service and the failed module is to be removed and replaced with a known 
good module.  If a replacement module is installed, the station should be completely realigned and the 
channel returned to service.  The module removed is then taken to a Maintenance Facility for bench 
testing and alignment.   
The TQ0650 RF Module Test Fixtures 344A4235P1 (no longer available) and the TS101285V1 are 
capable of testing the modules listed in Table 10-3.  Instructions for using the RF Module Test Fixture are 
contained in manuals LBI-38805 (344A4235P1) and MM101885V1 (TS101285V1), which are included 
in the TQ0650 package.  These manuals provide instructions for setting up the test fixture and running the 
test software.  A personal computer is also required. 
The test technician should refer to the applicable technical manual for the module under test for detailed 
alignment requirements.   
NOTE
There are no bench tests for the System Module.  Should this module fail during in-station 
alignment, it is to be replaced and the failed module returned for repair. 
WARNING
Before removing or replacing a module, power to the station must be switched off. 

MM102554V1 REV B 
78   
Table 10-3:  TQ0650 and MASTR III RF Module Compatibility Chart 
RF MODULE TEST FIXTURE MODULE  PART NUMBER 
TS101285V11  344A4253P1 
19D902780 X  X 
Transmit Synthesizer  EA101685 X   
19D902781 X  X 
Receive Synthesizer  EA101684 X   
RX Front End RF Module  19D902782  X  X 
19D902783 X  X 
EA101401 X   
IF Module 
EA101794 X   
19D902797 X  X 
Power Amplifier  EA101292 X   
10.2.1 Procedure 
To remove a module for bench testing, the following steps are to be taken: 
1. Switch OFF power to the affected channel (T/R Shelf). 
2. Remove the module.  
3. If possible, replace the module with a known good module and realign the Base Station and return it 
to service. 
4. Return the defective module to the test facility and connect it to the RF Module Test Fixture. 
5. Bench Test the module according to the instructions in LBI-38805 or MM101885V1.  Test and 
realign the module if possible.  If it fails the testing, it should be sent for warranty repair or 
replacement. 
When testing is complete, replace the module and re-check alignment as follows: 
1. Power to the channel must be switched off. 
2. Place the module into the correct slot in the station. 
3. Reapply power to the channel. 
4. Perform complete station alignment. 
5. Return the channel into service. 

MM102554V1 REV B 
 79 
10.3 IN-STATION TESTING 
For In-Station Testing, refer to the appropriate technical manual for the module under test. 
WARNING
Before removing or replacing a module, power to the station must be switched off. 
10.3.1 Procedure 
To prepare the module for In-Station Testing, the following steps are to be taken: 
1. Remove power to the affected channel (T/R Shelf). 
2. Remove the module and place the RF Module Extender Card into the T/R Shelf. 
3. Insert the module into the Extender Card. 
4. Reapply power to the channel (T/R Shelf). 
5. Tests may now be performed.  Refer to the applicable module maintenance manual for testing 
information. 
When testing is complete, replace the module and re-check alignment as follows: 
1. Power to the channel must be switched off. 
2. The Extender Card is to be removed and the module replaced into the correct slot in the station. 
3. Power is to be reapplied to the channel. 
4. Alignment must be verified and station realigned if necessary. 
5. Return the channel into service. 
10.4  CHANGING THE BASE STATION FREQUENCY 
NOTE
The following procedures may be used in the field to retune a station if an RF module 
has been repaired or replaced or the station frequency has been changed.  The 
preferred method is to use the RF Test fixture and the module alignment found in 
section 10.2 and the specific RF module maintenance manual. 
Changing the frequency in a MASTR III ADC Base Station requires frequency planning, examination of 
the antenna system specifications, realignment of the RF system, and realignment of the Base Station.  
The preferred method for retuning modules is to remove the modules from the Station as described in 
section 10.2 and to use the RF Test Fixture to realign the RF modules.  
The only modules that require realignment are the TX and RX Synthesizer and RX Front End modules, 
but the remaining modules should be checked to ensure that they still operate correctly.  When the 
module realignment is complete, reinstall the modules and perform a complete station alignment using the 
procedures in the Station Alignment section 8.4. 

MM102554V1 REV B 
80   
If it is necessary to retune the modules in the field and an RF Test Fixture is not available, then use the 
following procedures to realign the modules.  The TX and RX Synthesizers can be retuned in the field by 
using the metering functions available with the Utility handset SPK9024, MASTRUTL (TQ0619), or 
MSEDIT (TQ0653).  The VCO tune voltage from the RX Synthesizer slot in the T/R shelf is connected to 
the external metering jack (EXT_JCK) in the System Module.  
10.4.1 Vendor Equipment 
The specifications of the following equipment, if used, must be checked for Frequency Isolation and 
Frequency Separation issues and should be realigned where necessary: 
• Combiner 
• Multicoupler 
• Filter 
• Antenna element 
10.4.2  800 MHz Stations 
NOTE
There is no requirement to tune 800 MHz Station Front End or IF Modules. 
WARNING
Before removing or replacing a module, power to the station must be switched off. 
1. Remove the cover of the RX Synthesizer and place on an extender card. 
2. Program the station for the desired TX and RX frequencies. 
3. Adjust the RX Synthesizer trimmer until the LED on the front of the module goes out. 
4. Monitor the EXT metering field and adjust the trimmer for a V Test reading of 5 VDC on the EXT 
Metering field or on J3 pin 23A. 
5. Remove RX and TX Synthesizers.  Place the RX Synthesizer in slot farthest to the left and the TX 
Synthesizer on the extender in the slot next to the RX Synthesizer.  Using a U-Link (344A3052P1), 
connect the TX Synthesizer Ref In (J1) to the RX Synthesizer Ref Out (J3). 
6. Key the station with the REM PTT switch on the System Module. 
7. Adjust the trimmer on the TX Synthesizer for a reading of 5 VDC on the EXT Metering field or on J3 
pin 23A. 
8. Replace all modules into the Station and confirm complete station alignment as described in Station 
Alignment section. 

MM102554V1 REV B 
 81 
10.4.3 UHF Stations 
NOTE
There is no requirement to align UHF Station TX Synthesizer or IF Modules. 
WARNING
Before removing or replacing a module, power to the station must be switched off. 
1. Remove the cover of the RX Synthesizer and place on an extender card. 
2. Program the station for the desired TX and RX frequencies. 
3. Adjust the RX Synthesizer trimmer until the LED on the front of the module goes out 
4. Monitor J2 and align FL1 for a peak output level using a Spectrum Analyzer or RF Voltmeter.  
Programmable bandwidth is ±1MHz. 
5. Place the Front End Module on an extender card and connect the LO out of the RX Synthesizer and 
the IF out of the Front End to the IF Module with 50Ω Coax cable. 
6. Preset the Front End tuning slugs according to the instructions in the RX Front End technical manual 
and apply an “on frequency” signal into the RF In on the Front End Module. 
7. Monitor the RSSI metering function and adjust the level of the “on frequency” signal to the 
responsive range of the meter. 
8. Tune the Front End tuning slugs for a peak on the RSSI meter while reducing the input signal level to 
keep the meter in the responsive reading range. 
9. Replace all modules into the Station and confirm complete station alignment as described in Station 
Alignment section. 
10.4.4 VHF Stations 
NOTE
There is no requirement to tune the 19D902780G1 VHF TX Synthesizer Module. 
WARNING
Before removing or replacing a module, power to the station must be switched off. 
1. Ensure that the TX Synthesizer Dip switches are set for the required frequency range. 
2. Align the RX Synthesizer trimmers until the LED on the front panel of the module goes out. 

MM102554V1 REV B 
82   
3. Monitor J2 and align FL1 for a peak output level using a Spectrum Analyzer or RF Voltmeter.  
Programmable bandwidth is ±1MHz. 
4. Place the Front End Module on an extender card and connect the LO out of the RX Synthesizer and 
the IF out of the Front End to the IF Module with 50Ω Coax cable. 
5. Preset the Front End tuning slugs according to the instructions in the RX Front End technical manual 
and apply an “on frequency” signal into the RF In on the Front End Module. 
6. Monitor the RSSI metering function and adjust the level of the “on frequency” signal to the 
responsive range of the meter. 
7. Tune the Front End tuning slugs for a peak on the RSSI meter while reducing the input signal level to 
keep the meter in the responsive reading range. 
8. Replace all modules into the Station and confirm complete station alignment as described in Station 
Alignment section. 
10.5  STATION ADJUSTMENTS FOR REMOTE CONTROL OPERATION 
Although audio levels should be considered on a system basis, it is appropriate to set the levels of the 
remote controller and the control station panel by themselves with reference to the levels required by the 
transmission path and then connect the controller(s) and station to the path. The transmission path, if it is 
more than just a simple twisted pair, is usually set up with a "test tone". The "average voice" level is 
defined as being a certain number of decibels below the test tone. The test tone is normally the maximum 
level that can be sent through the path without clipping or being regulated. Although there is no definite 
agreement on the difference between the test tone and average voice levels, 10 dB is an appropriate level. 
In order to align the Remote Controller and T/R Shelf properly, it will be necessary to have some 
information on the transmission path. This will help to determine the levels at each end required by the 
system. Specifications needed include: 
1. Loss at 1 kHz 
2. Test tone or maximum level 
3. Average voice level (if defined) 
4. Loss at 2175 Hz (if tone remote) 
The DSP Board performs tone detection in a tone remote installation. The "Secur-it" tone Decoder on 
this board has a dynamic range of approximately 9 dB. The system must be set up such that the "Secur-it" 
tones from all remotes in the system arrive at the T/R Shelf within this 9 dB window. 
10.5.1  Line Out Level Adjustment 
U36-1 is used to set the line out level. Analog switch U14 selects which audio source is routed to the line. 
Possible sources are LOCAL MIC, VOL/SQ, auxiliary receiver audio, auxiliary receiver audio summed 
with VOL/SQ (simultaneous monitor), DSP LINE/TX AUDIO, MODEM LINE data, OPEN (used for 
battery alarm), GROUND (used for no transmission, and LINE IN audio (used for four wire loop around). 
A battery alarm tone and/or VG ALERT tone may also be summed in with whichever source is selected 
with the exception of GROUND. Typically LOCAL MIC, VOL/SQ, DSP LINE/TX AUDIO, OPEN, or 
GROUND will be selected. 
The gains in the circuitry are set such that 100 mVrms in on MIC HI or 1 Vrms (3 kHz deviation) in on 
VOL/SQ HI (REPEAT AUDIO) will produce the same line output level. The gains for VG ALERT tone 

MM102554V1 REV B 
 83 
and battery alarm are also designed to provide the proper levels without adjustments. The LINE output 
level should be adjusted with a 100 mVrms, 1 kHz signal in on MIC HI or a 1 Vrms, 1 kHz signal in on 
VOL/SQ HI. 
10.5.2  DSP Line In Level Adjustment 
Typically, the TX AUDIO and LINE OUT levels should be adjusted prior to adjusting the DSP LINE IN 
level. DSP TX AUDIO and DSP LINE/TX AUDIO are typically line audio or VOL/SQ HI audio that has 
been processed by the DSP Board. 
A DSP Board is always present; this DSP processed line in audio will normally be selected by analog 
switches U14 (DSP LINE/TX AUDIO to line out) and U15 (DSP TX AUDIO to transmit audio) on the 
System Module when line in audio is selected. The level for DSP TX AUDIO and DSP LINE/TX AUDIO 
must be adjusted on the DSP Board.  
10.5.3  DSP Level Adjustments 
The DSP LINE IN level into the DSP must be adjusted using U15-0 (DSP line cancellation level) and 
U15-1 (DSP line input level) located on the DSP Board. If two-wire audio is used then both electronic 
pots must be adjusted. If four-wire audio is used then only U15-1 needs to be adjusted. 
For two wire installations the DSP line cancellation level pot (U15-0) is used to remove what the T/R 
Shelf is sending to the line. While the T/R Shelf is sending received audio down the line, the line 
cancellation pot should be adjusted to minimize the signal level at TP1 on the DSP Board. This leaves 
only what is received from the remote. This signal is then level adjusted using the DSP line input level 
adjust pot (U15-1) and input into the DSP. 
NOTE
System Modules 19D902590G6 & G7 have TP1 extended to the board edge connector and 
may be metered on the MASTR III backplane at J5, Pin 28A. 
If four-wire audio is used, the DSP line cancellation pot must be set to zero. 
The DSP also performs a compressor function on its DSP line input. The threshold for this compressor 
must be adjusted as well. The line level should be adjusted on the DSP Board prior to setting the 
compressor threshold. 

MM102554V1 REV B 
84 
11. PREVENTATIVE MAINTENANCE 
11.1 GENERAL 
Preventative Maintenance is a periodic check of the station’s operation.  The results of the check may 
indicate that the station needs realignment if its performance has drifted from the installation values or the 
values documented in the previous inspection.  
It allows for: 
1. Operational test and re-adjustment of each Base Station’s alignment, 
2. Operational test and re-adjustment of RF System equipment, 
3. Operational test and re-adjustment of the Power System. 
Preventative Maintenance should be performed every 6 months, or sooner if required by the customer. 
The tests will follow those defined in this manual and will require the test engineer to refer to the 
Installation Checklists or last Preventative Maintenance Checklists to determine any variance in 
performance. 
The results of these tests are to be recorded on the Preventative Maintenance Checklists in section 12.7 
11.2 BASE STATIONS 
WARNING
To disconnect the power to the base station for maintenance, unplug the power supply 
from the AC outlet. 
11.2.1 Test Equipment 
The Test Equipment requirement is as defined in the “Station Test and Alignment” Section.  Ideally, the 
same test equipment should be used for every channel at the site.  If more than one of a particular type of 
Test Equipment is used, ensure that they are calibrated to each other. 
NOTE
For checking station frequency, a high accuracy reference is required (better than 1 part in 
10-7).  The internal oscillator on many counters is not sufficiently precise. 
11.2.2 Tests 
Refer to the “Station Test and Alignment” Section for detail of the tests.  Perform tests to ascertain 
current levels and note these on the Checklist.  If adjustment is necessary, perform the realignment and 
note the new levels and Control Pot settings for each test. 

MM102554V1 REV B 
 85 
11.3 RF SYSTEM 
This test does not address RF System between the bulkhead and the antenna elements.  The RF System 
comprises: 
1. Combiner 
2. Multicoupler 
3. Receive Filter 
4. RF Cabling to Bulkhead 
11.3.1 Combiner 
Follow the test procedures defined in the Combiner vendor manual to ensure correct performance for each 
and for all channels.  If alignment is required, follow the procedures outlined in the vendor’s manual.  
Document and file the results with the Base Station Checklists. 
11.3.2 Multicoupler 
Follow the test procedures defined in the Multicoupler vendor manual to ensure correct performance for 
each and for all channels.  If alignment is required, follow the procedures outlined in the vendor’s 
manual.  Document and file the results with the Base Station Checklists. 
11.3.3 Receive Filter 
Follow the test procedures defined in the Receive Filter vendor manual to ensure correct performance for 
each and for all channels.  If alignment is required, follow the procedures outlined in the vendor’s 
manual.  Document and file the results with the Base Station Checklists. 
11.3.4  RF Cabling to Bulkhead 
RF Cabling includes coaxial cables, power sensors and RF protection.  If tests indicate that the RF 
Cabling is in error, follow the test procedures in this manual for power sensors and RF protection to 
ensure correct performance.  If alignment is required, follow the procedures outlined this manual.  
Document and file the results with the Base Station Checklists. 
11.4 POWER SYSTEM 
Follow the Power System test procedures defined in the Power System section of this manual to ensure 
correct performance.  If alignment is required, follow the procedures outlined in the vendor’s manual.  
Document and file the results with the Base Station Checklists. 

MM102554V1 REV B 
86   
12. CHECKLISTS 
These checklists, when filled in, will provide a complete record of the MASTR III Conventional or P25 
Base Station installation. 

MM102554V1 REV B 
 87 
12.1  SITE DATA SHEET   
Customer Name:  _________________________________________________________ 
Local Customer Contact Name:  _________________________________________________________ 
Local Customer Phone:  _________________________________________________________ 
Site Name:  _________________________________________________________ 
Site Address:  _________________________________________________________ 
   _________________________________________________________ 
   _________________________________________________________ 
Site Telephone Number:  _________________________________________________________ 
If Site is Leased, Owner's Name\Tel:  _________________________________________________________ 
Access Controlled by (Name, Phone):  _________________________________________________________ 
Site Latitude (Deg., Min., Sec.):  _________________________________________________________ 
Site Longitude (Deg., Min., Sec.):  _________________________________________________________ 
Site Elevation above sea level:  _________________________________________________________ 
FCC License ID/Call Sign:  _________________________________________________________ 
Site Equipment Type:  Conventional Station    P25 Station    Encrypted Station    
Number of Channels:  _________________________________________________________ 
Check Control Options:  DC Remote Operation     Repeater Option   
    DC Remote /Repeater   Tone/Remote Repeater   
Multisite Audio Link Loss (dB)  _________________________________________________________ 
Multisite Link type:  Leased Line      Microwave      FiberOptic    
Installation Date:  _________________________________________________________ 
Installed By (Company Name):  _________________________________________________________ 
Tower Type:  Self Supporting   
   Guyed   
   Monopole   
   Other   
Tower Height:  _________________________________________________________ 
Tower FAA Options:  Painted     Lights    
Antenna System:   Single     Multi    
If Multi-Antennas, Number of Transmit:   ______________  Transmit Antenna Height:  _______________  
If Multi-Antenna, Number of Receive:  ______________ Receive Antenna Height:  _______________ 
Transmit Helix Type:  ______________  Transmit Antenna Azimuth:  _______________ 
Receive Helix Type: ______________ Receive Antenna Azimuth:  _______________ 
Transmit Antenna Model ______________ Transmitter Combiner Model:  _______________  
Receive Antenna Model: ______________ Tower Top Amplifier: YES  NO  
If Tower Top Amplifier, Model:  _________________________________________________________ 
Receiver Multicoupler Model: _________________________________________________________ 

MM102554V1 REV B 
88   
12.2   INSTALLER PROFILE DATA SHEET 
 Installer’s Company Name:  ______________________________________  
 Installer’s Telephone Number:  ______________________________________  
 Installer’s Name (s):  ______________________________________ 
   ______________________________________ 
 Technician’s Name (s):  ______________________________________ 
   ______________________________________ 
  Date of Testing Complete:  ______________________________________  
  Test Equipment Used, 
if other than specified: ______________________________________ 
   ______________________________________ 
   ______________________________________ 
   ______________________________________ 
   ______________________________________ 
   ______________________________________ 
   ______________________________________ 

MM102554V1 REV B 
 89 
12.3  ANTENNA SYSTEM INSTALLATION CHECKLIST 
 SITE  ______________ 
 ANTENNA  ______________ 
 INSPECTED BY  ______________ 
 DATE  ______________ 
CHECKLIST:  
1.  What is make of antenna?  ______________   
2.  What is type of antenna?  ______________   
3.  What is design gain of antenna?  ______________  dB 
4.  What is bearing of antenna?  ______________   
5.  What is height of antenna above ground?  ______________  Ft 
6.  Are hoisting grips installed as specified?  ______________   
7.  Is cable secured to tower at specified intervals?  ______________   
8.  Is cable grounded at top of tower?  ______________   
9.  Is cable grounded at bottom of tower?  ______________   
10.  Is cable grounded at point where it enters building?  ______________   
11.  Is cable feed-through properly installed?  ______________   
12.  Are coaxial connectors weather-sealed?  ______________   
13.  Is cable entrance weather-sealed? ______________  
14.  Is there an AM mast within 2 miles of this site?  ______________   

MM102554V1 REV B 
90   
12.4  EQUIPMENT INSTALLATION CHECKLIST 
 SITE  ______________ 
 CABINET  ______________ 
 INSPECTED BY  ______________ 
 DATE  ______________ 
CHECKLIST 1:   
1.  Verify that the cabinets are installed as located in the site plan drawing.   
______________   
2.  Verify each cabinet/rack is correctly fastened to the floor in all four (4) 
corners.   
______________   
3.  For cabinets, verify the optional cable ducts have been correctly 
installed.  ______________  
4.  For racks, verify all racks are bolted to adjacent rack at the top and 
bottom.  ______________  
5.  For cabinets, verify the top plate is correctly installed on the RF 
cabinet.  ______________  
6.  Verify the RF equipment is correctly installed.  ______________   
7.  Ensure all special installation requirements, provided by System 
Engineering, have been completed correctly.   
______________   
8.  Verify all metallic fixtures and room parts are connected to the internal 
ground HALO.   
______________   
9.  Verify the AC power is equipped with a Joselyn, or equivalent, AC 
protector in addition to all other AC power protection.    
______________   
10.  Verify all EDACS cabinets, cable trays, and/or cable duct systems are 
connected to the internal ground HALO.   
______________   
11.  Verify the GETC lightening circuitry is properly installed for each 
GETC.  ______________  
12.  Ensure all special installation requirements, provided by System 
Engineering, have been completed properly.   
______________   

MM102554V1 REV B 
 91 
12.5  POWER SYSTEM INSTALLATION CHECKLIST 
AC SYSTEM  YES/NO  SITE  ______________ 
GENERATOR YES/NO 
 ______________ 
AC/DC SYSTEM  YES/NO  INSPECTED BY  ______________ 
BATTERY SYSTEM  YES/NO  DATE  ______________ 
UPS SYSTEM  YES/NO    
CHECKLIST: 
 AC SYSTEM    
1.  Site isolation and protection is installed and operating  ______________   
2.  Input AC power, (voltage and current) is as specified  ______________   
3.  Input AC power breaker is correctly rated for the site power load  ______________   
4.  Input AC power cabling is sufficient for site loading  ______________   
5.  Customer’s input AC power breaker operates correctly  ______________   
6.  AC distribution, voltages and individual breaker operation to equipments  ______________   
 GENERATOR SYSTEM    
7.  Generator, bypass switch and automatic switch-over operates correctly  ______________   
8.  Generator output voltages are as specified  ______________   
 AC / DC SYSTEM    
9.  Rectifier output to converters is as specified   ______________   
10.  Rectifier output breaker operates correctly  ______________   
11.  Converter output breakers operate correctly  ______________   
12.  Converter output voltages are as specified  ______________   
13.  Each associated equipment or cabinet is operating correctly  ______________   
 BATTERY SYSTEM    
14.  Battery system connectivity is correct as per design document  ______________   
15.  Battery system is electrically safe ______________  
16.  “Wet” cells prepared and adequate fume extraction provided  ______________   
17.  Cabling is safely installed such that it is not a hazard  ______________   
18.  Output voltage is as specified across all the cells  ______________   
19. Battery system will Charge ______________  
20.  Battery power applied to power distribution equipments  ______________   
21.  Battery voltage applied to site equipment is as specified  ______________   
 UPS SYSTEM    
22.  UPS system installed to specifications and successfully completes all Vendor 
manual tests  ______________  

MM102554V1 REV B 
92   
12.6  REPEATER TEST DATA 
CUSTOMER:  ________________________________  SITE NAME:  _________________________________ 
CHANNEL NUMBER:  _______ TESTED BY:  ________________________________ DATE:  ____________ 
REPEATER GENERAL IDENTIFICATION: 
MODEL NO.: 
RX FCC ID #: 
RX FREQUENCY (MHz): 
SERIAL NO.: 
TX FCC ID # 
TX FREQUENCY (MHz): 
P25 REPEATER IDENTIFICATION: 
SOURCE ID #: 
TALK GROUP ID #: 
TX NETWORK ACCESS CODE: 
STATION ALIGNMENT 
ALIGNMENT/TEST POT UNITS LEVEL POT VALUE 
LINE INPUT  LI       
CHANNEL GUARD  CG  Hz  ____________  ____________ 
TRANSMIT LIMITING  TX  kHz  ____________  ____________ 
REPEATER GAIN  RG  kHz  ____________  ____________ 
DSP LINE INPUT  DLI  kHz  ____________  ____________ 
COMPRESSOR GAIN  CP  kHz  ____________  ____________ 
COMPRESSOR THRESHOLD  CT  kHz  ____________  ____________ 
DSP CANCELLATION  DC    ____________  ____________ 
LINE OUTPUT  LO  dBm  ____________  ____________ 
SENSITIVITY @ 12 dB SINAD  SINAD  dB  ____________  ____________ 
SQUELCH SQUELCH dB ____________ ____________ 
TRANSMIT FORWARD POWER  PA  Watts  ____________  ____________ 
TRANSMIT REVERSE POWER    Watts  ____________  ____________ 

MM102554V1 REV B 
 93 
12.7  PREVENTATIVE MAINTENANCE REPEATER TEST DATA 
REPEATER # __________ 
Alignment/Test  Pot Required 
Value  Measure
d Value  Adjusted 
Value  Pot 
Value 
Channel Guard  WB  CG  750 ± 25 Hz       
  NPSPAC    600 ± 25 Hz       
  NB    500 ± 25 Hz       
  P25    500 ± 25 Hz       
Transmit Limiting  WB  TX  4.50± 0.1 kHz       
  NPSPAC    3.60 ± 0.1 kHz       
  NB    2.25± 0.1 kHz       
  P25    2.25± 0.1 kHz       
Repeater Gain (CG Disabled)  WB  RG  3.00 ± 0.1 kHz       
  NPSPAC    2.40 ± 0.1 kHz       
  NB    1.50 ± 0.1 kHz       
  P25    1.50 ± 0.1 kHz       
DSP Line Input Deviation  WB  DLI  2.80 ± 0.1 kHz       
  (CG Disabled)  NPSPAC    2.25 ± 0.1 kHz       
  NB    1.40 ± 0.1 kHz       
  P25    1.40 ± 0.1 kHz       
Compressor Gain (CG Disabled)  WB  CP  3.00 ± 0.1 kHz       
  NPSPAC    2.40 ± 0.1 kHz       
  NB    1.50 ± 0.1 kHz       
  P25    1.50 ± 0.1 kHz       
Compressor Threshold  WB  CT  4.00 ± 0.1 kHz       
    NPSPAC    3.20 ± 0.1 kHz       
  NB    2.00 ± 0.1 kHz       
  P25    2.00 ± 0.1 kHz       
Repeater Line Output Level    LO  +11 to -20 
dBm     
DSP Line Input Level    LI  +11 to -20 
dBm     
SINAD    12 dB    
Squelch   Squelch 10 dB    
Transmit Forward Power    PA  50-100% 
Watts     
Transmit Reverse Power      <4 Watts     
INSPECTED BY 
________________________________________________________ 
DATE 
________________________________________________________ 

M/A-COM Wireless Systems 
221 Jefferson Ridge Parkway 
Lynchburg, Virginia 24501 
(Outside USA, 434-385-2400) Toll Free 800-528-7711 
http://www.macom-wireless.com/ Printed in U.S.A.