HITACHI Projector Manual L0110061
User Manual: HITACHI HITACHI Projector Manual HITACHI Projector Owner's Manual, HITACHI Projector installation guides
Open the PDF directly: View PDF
.
Page Count: 36

HITACHI
Liquid Crystal Projector
Model
CP-S860W/E
USER'S GUIDE
Thank you for purchasing the Hitachi liquid crystal projector. Please read this user's manual
thoroughly to ensure correct usage through understanding. After reading, store this instruction
manual in a safe place for future reference.
Outline
This liquid crystal projector is used to project
various computer signals as well as
NTSC/PAL/SECAM video signals onto a
screen. Little space is required for installation
and large images can easily be realized.
Features
(1) Outstanding brightness
The UHB lamp and high-efficiency optical
system assure a high level of brightness.
(2) Partial magnification function
Interesting parts of images can be magnified for
closer viewing.
(3) Distortion correction function
Distortion-free images are quickly
available.
(4) Power zoom and power focus.
(5) P in P function
(6) USB jack
Contents Page
Before Use ............. 8. •
Checking the package Contents .... _-.
Names and functions of each part •••8..
Installation ............. ,1£..
'13.,
Basic operations
Adjustments andf_n;ti;ns: : : : : :
Connection to the vido signal
terminals .........
Connection to the RGB signal
terminal .........
Connecting to the USB .......
Connection to the CONTROL signal
terminal .........
Example of system setup • • •
Cleaning the air filter .....
Lamp ..........
Message table ........
When you think something wrong
Specifications ........
About the warranty and
after-service • ••••••
££*•,
£2•
k;_--
£6 •
8,1••,
8£,•,
82,
88•
84•,
i
•••••••1
•••••
•••••••


Before Use
<Before Using>
About the Symbols Various symbols are used in this instruction manual and on the product itself to
ensure correct usage, to prevent danger to the user and others, and to prevent
property damage. The meanings of these symbols are described below. It is
important that you read these descriptions thoroughly and fully understand the
contents.
Warning
Caution
This symbol indicates information that, if ignored, could possibly
result in personal injury or even death due to incorrect handling.
This symbol indicates information that, if ignored, could result
possibly in personal injury or physical damage due to incorrect
handling.
Typical Symbols
This symbol indicates an additional warning (including cautions). An
illustration is provided to clarify the contents (the illustration to the left
indicates danger of electrical shock).
This symbol indicates a prohibited action. The contents will be clearly
indicated in an illustration or nearby (the symbol to the left indicates that
disassembly is prohibited).
This symbol indicates a compulsory action. The contents will be clearly
indicated in an illustration or nearby (the symbol to the left indicates that
the power plug should be disconnected from the power outlet).
3

[Safety Precaution]
•If a problem should occur.
® If smoke or a strange odor arise, continued
use could result in fire or electrical shock. In
such case, immediately turn off the power
switch and then disconnect the power plug
from the power outlet. After making sure that
the smoke or odor has stopped, contact your
dealer for repairs. Never attempt to make
repairs yourself because this is dangerous.
® Do not use this projector if
there is no image or
sound, or if the sound is
distorted. Continued use
could result in fire or
electrical shock.
Disconnect the
plug from the
power outlet.
In such case, immediately turn off the power
switch, disconnect the power plug from the
power outlet and contact your dealer.
® If water should enter the inside of this
projector, immediately turn off the power
switch, disconnect the power plug from the
power outlet and contact your dealer.
•Do not install on an unstable surface.
® Do not install this projector on an A
unstable surface such as a wobbly _'_
stand or incline because this could
result in the projector falling and
causing injury.
•Do not open the cabinet.
® Never open the cabinet.
Ther eis high voltage _
inside which can cause
electrical shock. Do not Do not use
Contact your dealer for disassemble, nearwater.
internal inspection, adjustment and
repair.
•Do not modify. _._
Do not modify this projector because Donot
this could result in fire or electrical shock, disassemble"
•Do not use in the bathroom. /_
Do not use this projector in the
bathroom because this could result in De net use near
fire or electrical shock, water.
•Do not insert foreign objects.
® Do not insert metal objects through
the ventilation openings, etc., of LN
this projector or drop such objects
inside because this could result in
fire or electrical shock.
If a foreign object should enter this
projector, immediately tum off the power
switch, disconnect the
power plug from the
power outlet and contact
your dealer.
Continued use could result in Disconnectthe
plug from the
fire or electrical shock. Use power outlet.
special caution in households
where children are present.
•Do not look through the lens _
when the lamp is on. V
Never look through the lens when the
lamp is on. The powerful light could adversely
affect vision. Use special caution in households
where children are present.
•Avoid shock or impact on the projector.
If the projector should fall,
resulting in damage to the
cabinet, immediately turn off
the power switch, disconnect
the power plug from the power
outlet and contact your dealer.
Continued use could result in
Disconnect the
plug from the
power outlet.
fire or electrical shock.
•Do not place this projector in
a container containng liquid.
Do not place flower vases, flower
pots, cups, cosmetics, liquids
such as water, etc., on top of this projector.
Spillage could result in fire or electrical shock.
•Use only the indicated power
supply.
Use only the indicated power
supply. The us eof any other power supply
could result in fire or electrical shock.
4

•Handle the power cord with care.
Do not damage, cut, process or
strongly twist the power cord. Placing
heavy objects on the power cord, heating or
strongly pulling the power cord can result in
damage as welt as fire or electrical shock.
•Pulling on the power cord A
• Placing heavy objects on the power cord _'_
• Damaging the cord
• Placing near heaters
Do not position the power
cord under the projector. This can
damage the power cord and cause fire or
electrical shock. Also, do not place a spread,
cover, etc., over the power cord because this
could result in the inadvertent placing of
heavy objects on the concealed power cord.
® If the power cord is damaged
(exposed or broken core wires, /11_
etc.), contact your dealer for /.'x
replacement; otherwise, fire or
electrical shock could result.
® Make sure there is no dust, etc., on the power
plug and insert a knife blade to make sure that
there is no looseness.
•Do not allow the laser beam to enter the
eyes.
This remote control is equipped with a
laser pointer and a laser beam is emitted
from the laser outlet. Do not look directly
into the laser beam outlet or direct the
laser beam at other people.
Vision can be impaired if the laser beam
enters the eyes. Use special caution in
households where children are
present.
Laser beam outlet
LASER RADIATION IS
EMITTED FROM THIS
APERTURE
5

•Do not sit or place heavy objects on
this projector.
®Do not sit on this projector. A
This could result in overturning, _"_
leading to damage or personal injury.
Use special caution in households
where children are present.
Do not place heavy objects on this
projector.
Placing heavy objects on this projector
could result in loss of balance or falling
and cause personal injury.
•Clean the projector interior once
every two years.
Request your dealer to clean the interior
of the projector approximately every two
years. Accumulations of dust inside the
projector can result in fire or A
malfunction if not cleaned for an /€|_
/,'x
extended period. This cleaning is
more effective if performed befor
every humid periods such as rainy
season, etc. Ask your dealer for details about
internal cleaning.
•Do not block the ventilation openings.
Do not block the ventilation openings of
this projector. Blocking ventilation could lead
to internal overheating which could result in
fire. Do not place this projector on its
side during use or push it into a small,
poorly ventilated location. Do not t,N
place this projector on a carpet or
bedding or cover it with a table cloth,
etc. Also, when installing this projector, make
sure the ventilation openings are at least 10cm
from the wall.
•Care and maintenance.
For safety purposes, disconnect the power
plug from the power outlet
before starting the care and
maintenance of this projector.
Disconnect the
plug from the
power outlet.
•Battery usage.
®Use only the specified batteries with
this projector. Do not mix old A
and new batteries because this _'_
could result in fire or personal
injury due to battery cracking or
leakage.
®Make sure the plus and minus
terminals are correctly aligned A
when loading the batteries, f|_k
Incorrect loading could result in
personal injury or contamination of
the surroundings due to battery cracking or
leakage.
•Avoid installation in humid or dusty
locations.
®Do not install this projector in a humid
or dusty location. This could
result in fire or electrical shock.
®Avoid installation near the
kitchen, a humidifier or other locations
where there is oily smoke or humidity.
This could result in fire or electrical shock.
•Use the caster brakes.
When installing this projector on a stand
with casters, use the caster A
brakes to prevent the stand
moving or overturning and
causing personal injury.
•Do not handle the power cord roughly.
®Keep the power cord away from
heaters because the heat could melt the
power cord and cause fire or electrical shock.
Do not touch the power plug
with wet hands because this
could result in electrical shock.
®When disconnecting the
power plug, do not pull on the power
cord. This could damage the power cord and
cause fire or electrical shock. Always grip the
plug when disconnecting.
6

•When the projector is not to be used
for an extended period.
For safety purposes when the
projector is not to be used for an
extended period because of travel,
etc., always disconnect the power Disconnect the
plug from the
plug from the power outlet. Also power outlet.
close the lens cover to prevent the lens
surface being scratched.
•Moving the projector.
® When moving the projector, be sure _1_
to close the lens cover, disconnect
the power plug from the power outlet
and disconnect all external Disconnect the
plug from the
connections. Failure to do this power outlet.
could damage the power cord
and cause fire or electrical shock.
Avoid any impact or shock to the projector
because this could result in malfunction.
® When moving this projector outdoors, protect
it from wetting due to rain, etc. If the
projector should become wet, dry it
thoroughly before further use. I_1._
Continued use while wet could
result in fire or electrical shock.
[General Cautions]
•Avoid excessively hot locations.
Do not place this projector in direct
sunlight or near a hot object such as a
stove, etc., because the heat could t.y
have adverse influence on the cabinet
and other parts.
•Sound volume.
Set the volume at a suitable level to avoid
bothering other people. It is also better to keep
the volume level low and close the windows at
night to protect the neighborhood environment.
•Lens care
Use commercially available lens
tissue to clean the lens (used to clean
cameras, eyeglasses, etc.). Be careful
not to scratch the lens with hard
objects.
®
•Cabinet care.
® The cabinet is made of plastic and discoloration
or paint peeling can occur if wiped with a solvent
such as benzine, thinner, etc.
® Before using chemical wipes, be sure to read
and observe the instructions.
® Do not spray volatile substances such as
insect repellent on the cabinet. Also, do not
allow long-term close contact with rubber or
vinyl products because this could result in
discoloration, peeling paint, etc.
® Use a soft cloth to clean the cabinet and
operation panel. When excessively soiled,
dilute a neutral detergent in water, wet and
wring out the cloth and afterward wipe with a
dry cloth. Do not apply undiluted detergent
directly to the projector.
•Extended usage.
When using this projector for an extended
period, stop periodically to rest the eyes to
prevent eye fatigue.
7

Checking the package Contents
Make sure all of the following items are included in the package. If anything is missing, please contact your
dealer.
Projector unit Remote control
Remote control
Batteries
User's Guide (this document)
Power Cord 3_Conductor )
CP-S860W 110V-US video/Audio cable
220-UK, Europe RGB cable Mac adapter
CP.S860E ( 220.UK, Europe __ ) (154 5 pin MIMj witb dip switch
Mouse cable x3
Names and functions of each part
Main unit
ZOOM button
Used to adjust the size of the
image. (Refer to page 13.)
MUTE button
This button turns the sound
off. Press once to turn the sound off;
then press again to turn the sound
back on.
STANDBY /ON button
Press this button to turn the power on
and off. When turned off, the projector
enters standby status. Refer to page
13-14 for details.
LAMP indicator
This indicator lights or blinks when the lamp is
off. Refer to page 33 for details.
ON indicator
This indicatorlights or blinks during standby
and during operation. Refer to page 33 for
details.
Remote control
FOCUS button
Used to adjust the focus of the image on the
screen. (Refer to page 13.)
INPUT button
Press this button to switch the input. The input
changes in the following sequence each time
this button is pressed.
RGB1 _ RGB2 _ VIDEO
MENU button
Displays the image menu. Referto page 17-21
for details.
Used to reset the initial settings.
Refer to page 17 for details.
TEMP indicator
This indicator lights or blinks when the internal
temperature of the projector rises and when
the fan malfunctions. Refer to page 33 for
details.
Speaker
Speaker
Cooling fan
(exhaust side)
Lens cap
Handle
Cooling fan
(intake side)
•Use the remote control in front of the remote control photoreceptor at a distance
of about 5 m or less and an angle of 30 degrees to the left or fight of the center.
8

Names and functions of each part (continued)
Remote control photoreceptor
Main power switch
Used to turn the power on and off,
© : OFF
I:ON
AC IN jack /
Used to connect the
accessory power cord.
I/_Cautionl Connecting to the AC IN jack
Make sure the accesory power cord is plugged into
the AC IN jack as far as it will go. Incomplete
connection can result in fire or electrical shock.
VIDEO IN jack
S-VIDEO iN jack
Mini DIN 4-pin connector
VIDEO IN jack
RCA jack
AUDIO L/R IN jack
RCA jack
RGB IN jack
D-sub 15-pin shrink (1/2)
CONTROL jack_
D-sub 15-pin shrink
1 RGB IN 2
CONTROL RGB OUT
VIDEO IN
AUDIO IN
[]
f--
AUDIO IN jack (RGB)
Stereomini jack
USB jack
The meusecursor can be controlled by
remote control by connecting to a
personalcomputer.
AUDIO OUT jack (RGBNIDEO)
Stereomini jack
RGB OUT jack
D-sub 15-pin shrink
9

Names and functions of each part (continued)
Remote control transmitter
VIDEO, RGB button F \
Press to switch the input. (Refer to page 13, 19.)
STANDBY /ON button
Used to turn the power on and off.
Press for 1 sec. or more to turn the power off
(enter standby status).
(Refer to pages13 and 14.)
DISK PAD
(1) Used to select menu items when the menu
screen is displayed (refer to page 16-18).
(2) When the menu is not displayed, the mouse
shift function and left click function are active.
"I (3)After the POSITION button has been
pressed, the screen can be moved upward,
downward and ght.
MENU button
Used to turn the menu screen display on and off.
(referto page 17-21).
MAGNIFY button
Used to magnify the displayed =mage.
P in P button *2
Used to turnP in P (PictureIn Picture:displays sub video
signal images in the RG8 signal) on and off.
Each time this button is pressed, operation will change in
the following sequence:
(1)
(1)- (3) t
BLANK button
Used to turn blanking on and off,
(Refer to page 20,)
FOCUS button
Used to adjust the focus of the image on the
screen. (Refer to page 13,)
VIDEO
Y
LASER button
Turns the laser beam on and off. Refer to page
11cocneming usage and observe the cautions.
POSITION button
Pressingthe top, bottom, left or right of Disk Pad
after pressing this button causes corresponding
movement (effective only for RGB signal output).
RESET MOUSE /RIGHT button
(1)Operates as the RESET batten when the menu
is displayed. Press this button to return to the
initial settings,
(2)Used to click the right mouse button when the
menu is not displayed (refer to page 25,26).
(3)Pressing this button after scrolling the screen
with POSITION returns the screen to the original
position.
FREEZE button
Used to turn the freeze (still) image display on
andoff.
VOLUME button
Adjusts the volume of the sound. Press [/\] to
increase the volume and ( y/ ) to decrease the
volume.
MUTE button
Mutes the sound when pressed and restores the
sound when pressed again.
TIMER button
Turns the time display of the timer displayed on
the menu screen on and off.
The timer is not displayed during blanking.
Refer to page 20, 21 concerning the method
used to set the timer.
Used to adjust the size of the image. (Refer to
page 13.)
AUTO button
Used to execute auto-adjust.*3
*i POSITION icon
When the POSiTiON button is pressed, the remote control
buttons will light and the moving display icon will appear at the
bottom dght of the screen.
*2
With the P in P function, signals are input to both RGB and
VIDEO. This function operates only when the RGB signal has
been selected. There is no display in the case of the no signal and
when the RGB signal is outside the sync range.
When P in P is used, audio is automatically switched to video.
In P in P, audio input can be switched by pressing the VOL /\and
VOL Y/keys of the remote control, displaying the audio bar and
moving Disk Pad left and right during the display.
u_ _ RGB/VIDEO
10
*3 Auto adjustment function
The projector automatically adjusts 4 items (V, POSIT, H, POSIT,
H. PHASE, H. SIZE).
When you choose AUTO (move the cursor to the right from the
manual operation position), the AUTO confirmation menu shown
below is indicated.
• Auto adjust requires several tens of seconds.
• Auto adjust may not operate correctly in some cases
depending on the computer connected and the signal.
• Auto adjust may not operate correctly in some case:
depending on the type of image.
• Execute auto adjust with the display ot" the applicafior
being run by the computer at maximum.
• After auto adjust, the image may be slightly dark in
some cases due to automatic adjustment of the signal
level.
•AutO adiust canot execute when the initial display is
"NO INPUT IS DETECTED" or "SYNC IS OUT OF
RANGE" during FREEZE or MAGNIFY.

Names and functions of each part (continued)
fLoading the batteries Loading AA batteries into the remote control.
[_Remove the battery
cover.
Press the battery cover
and slide it in the
direction of the arrow.
[_Loading the batteries.
Make sure the plus and
minus poles are correctly
oriented.
_]Close the battery cover.
[/t_Caution] Battery usage cautions
®Use only the specified batteries with this
projector. Also, do not mix new and old
batteries. This could cause in battery cracking or
leakage, which could result in fire or personal
injury.
When loading the batteries, make sure the plus
and minus poles are correctly oriented as
indicated in the projector. Incorrect orientation
could cause battery cracking or leakage, which
could result in personal injury or pollution of the
surrounding environment.
Remote control usage cautions
®Do not drop the remote control or apply impact.
®Do not wet the remote control or place it on any
wet object. Such actions could result in
malfunction.
®When not to be used for an extended period,
remove the batteries from the remote control.
®Replace the batteries when remote control
operation becomes difficult.
®Do not place the remote control close to the
cooling fan of the projector.
®Do not disassemble the remote control in case of
malfunction, please bring it to the service station.
CAUTION
LASER RADIATION IS
EMITTED FROM THIS
APERTURE
A
11

Installation
Typical LCD Projector and Screen Installation
Use the diagram below as reference to determine the screen size and projection distnace.
Screen
-" S
_) Side view
To_D view )\_
/
_h )
)
Screen size (inches) b (inches)
a (inches)
Minimum Maximum
55 73
85 114
114 151
144 191
176 231
220 282
291 386
4O 1
6O 2
8O 2
100 3
120 3
150 4
200 6
Using the adjusters ]
a. Distance from the LCD projector to the screen
b.Distance from the lens center to the bottom of
the screen (a,b : +/-10%).
(Caution)
The LCD projector should normally be used
level (the legs can point upward).
Positioning the projector sideways, or with the
lens pointing upward or downward can cause the
internal temperature to rise, which could result in
a malfunction.
The projection distances shown in the diagram to
the left are for full size (800 x 600 dots).
Use the adjusters on the bottom to adjust the projection angle.
f,Side view
(Front view ) __ \
J
\\
Adjuster Variable within the range of approximately 0° - 9 °
1. Lift up the projector and release the adjuster lock.
2. After adjusting the projection angle, firmly lock the adjusters.
3. Rotate the adjusters for fine adjustment.
IAkCautionl •Do not release the locks unless the projector is being held; otherwise, the projector could
overturn or the fingers could get caught and cause personal injury.
• Do not force the adjusters to rotate. This could damage the adjusters or cause the lock to fail.
• Lock the adjusters firmly. If the lock is difficult to operate, change the angle slightly and try again.
12

Basic operations
To project 1
1
,
5 7 42
m
5_
_7
/4
1Turn on the main power switch of the projector [ I: ON].
•The ON indicator will light orange.
2Press the STANDBY /ON button.
• The ON indicator will blink green and then light green.
• The green blinking indicates warmup.
• After the power is turned on, the lamp will be cooled for approximately 1 rain. and the power cannot
be turned on even by pressing the STANDBYJON button.
3Remove the lens cap.
4Use the ZOOM button to adjust the screen size.
5Use the FOCUS button to adjust the focus.
(1) The display shown to the right will appear when the FOCUS button is pressed.
(2) Use the FOCUS button to adjust the focus until the image is sharp.
(3) The message "Focus" will disappear if any other button is pressed.
+++FOCUS+++
6Turn on the power to the connected equipment.
Refer to page 31 concerning the connection of other equipment.
7Press either the INPUT button of the
projector or the VIDEO/RGB button of the
remote control to select the signal to be
projected on the screen.
The selected signal input channel will be displayed in the lower right part of the screen.
Exampleon-screendisplay
RGB 1
13

Basic operations (continued)
Turning off the power]
2
1
P _nP MUTE
BLANK AUTO TIMER
1Press the STANDBY/ON button for approximately 1 sec.
•The ON indicator will blink orange, then the lamp wilt turn off. Approximately 1 sec. after that, the
lamp will light orange.
• After the power is turned off, the lamp will be cooled for approximately 1 rnin. and the power cannot
be turned off even by pressing the STANDBY/ON button.
• The standby status wilt not be entered if the time which the STANDBY/ON button is pressed is too
short.
2Turn off the main power switch of the projector [ _: OFF].
3Attach the lens cap.
(Caution-) The fan will continue nmning for approximately 1 rnin. after the STANDBY/ON button is pressed.
Do not turn offthe main power switch while the lamp is on because this will shorten the service life of
the lamp.
Plug & Play
This projector is VESA DDC 1/2B compatible. Plug & play is possible by connecting to a computer that is
VESA DDC (Display Data Channel) compatible.
(Plug & play is a system configured with peripheral equipment including a computer and display, and an
operating system.
7
[Caution') Use the RGB cable included with this projector when using plug & play. With other cables, pins ]
(12) - (15) are sometimes not connected (effective only for RGB). J
14

Basic operations (continued)
Freeze function ]
This function is used to freeze the image being displayed.
This function can be used together with the MAGN1FY function
(refer to page 10).
P _nP MUTE
C) @
BkANK AUTO TIMER
C)(2)C)
1Press the FREEZE button.
•The image being displayed will freeze.
• The [ || ] mark will be displayed for approximately 3 sec. when the FREEZE function is on.
Cancelling the FREEZE function I
1Press the FREEZE button.
• The FREEZE function will be cancelled.
• The [ _ ] mark will be displayed for approximately 3 sec. when the FREEZE function is cancelled.
(Caution) •Pressing the FREEZE button alternately turns the freeze function on and off.
• The FREEZE function will be cancelled when the input select button is pressed or the display
mode of the PC being used for display is changed.
• The POSITION icon is not displayed while the FREEZE function is being used. The screen cannot
be moved with D1SK PAD.
• When a still image signal is input when the FREEZE function is on, make sure not to forget to
cancel the FREEZE function.
• Cancelled when the menu display is turned on during freeze operation.
15

Basic operations (continued)
IMagnify function
Part of an image can be displayed magnified. This function can
be used together with the FREEZE function (refer to page 10).
5
p _np MUTE
BL_NK AUTO TIMER
1 Press the MAGNIFY + button.
•The center part of the image wilt be displayed magnified approximately two times.
Changing the magnification ratio ]
Press the MAGNIFY + button.
• When this button is pressed, the image wilt be displayed even larger.
m4
j6
3 Press the MAGNIFY- button.
• When this button is pressed, the image wilt be displayed even smaller.
Moving the display area
4Press the POSITION button.
5 Press the DISK PAD up, down, left and right buttons.
• The magnified area will move in accordance with the button pressed.
Returning to normal display I
6Press the MAGNIFY OFF button.
(-Caution) •The magnify function will be cancelled when the input select button is pressed or the display
mode of the PC being used for display is changed.
• Cancelled when the magnified display or menu display is on.
16

Adjustments and functions
1,2,3
1
j2,3
\3
1Press the MENU ( @@(_)@ ) buttons of the projector or the
MENU button of the remote control.
•The Menu screen wilt appear. (refer to page 18-21 for details.)
2Press the MENU ( _)@ ) buttons of the projector or the DISK PAD
button of the remote control to select the menu item to be adjusted.
• The selected menu item wilt be displayed in green.
3Press the MENU ( @(_)(_i)@ ) buttons of the projector or the
DISK PAD button of the remote control to select the menu
item to be adjusted.
• The selected menu item will be displayed in green.
The menu wilt disappear after 5 - 10 sec.
Returning to the initial settings I
• Select the adjustment item to be returned to the initial settings.
• Press the RESET button.
17

Adjustments and functions (continued)
SET UP
hnages and display positions can be adjusted from the SETUP menu.
RGB signal input Video signal input
[ ETUP INPUT /__
VOLUME _ E_
BRtGHT _ C>
CONTRAST _ G)
V POSIT 100 ds_
H POSIT
H PHASE
H SIZE 800
COLOR BALE
Adjustment item Adjustment description
VOLUME Volume decreases _ Volume increases
BRIGHT
(BRIGHTNESS) Darker _ Brighter
CONTRAST Lower contrast _ Stronger contrast
SHARPNESS Softer image _ Sharper image
COLOR Weaker colors _ Darker colors
TINT Redder _ Greener
V. POSIT
(V. POSITION) Moves the image up and down.
H. POSIT
(H. POSITION) Moves the image left and right.
H. PHASE Eliminates blanking.
H. SIZE Adjusts the horizontal size of the image.
COLOR BAL R
(COLORBALANCERed) Red Lighter _ Darker
COLOR BAL B
COLORBALANCEBlue) Blue Lighter _ Darker
Using the SETUP Menu
Move the cursor to the item to be adjusted and move the MENU button of the projector or the DISK PAD
button of the remote control to change the length of the bar display.
_Caution ) • Menu setting is not possible while the initat screen ("No input is detected" or Sync is out of
range") is being displayed.
• Tint cannot be adjusted with PAL or SECAM video signal input.
• Tint, color and sharpness cannot be adjusted with RGB signal input.
• V. POSIT, H. POSIT, H. PHASE and H. SIZE cannot be adjusted with video signal input.
• Menu operation is not possible during magnify or freeze operations.
• Displaying the menu cancels magnify and freeze operations.
18

Adjustments and functions (continued)
INPUT 1
The INPUT menu is used to select RGB signal sync signal frequency of the monitor and the VIDEO signal.
I M A G E
RGB fH:38kHz
VtDEO t* fV:60Hz
t M A G E
RGB t,AUTO
VIDEO _. NTSC
PAL
SECAM
NTSC4 43
M_PAL
N-PAL
Adjustment item Adjustment description
Displays the following RGB inputs
RGB fH: horizontal sync frequency
fV: vertical sync frequency
VIDEO Sets the video signal system. When the screen is unstble (no color)
or rolls, select the mode that matches the input signal,
19

Adjustments and functions (continued)
IMAGE
Projection image inversion, etc., can be selected from the IMAGE menu.
_E5
_P_ IN FL b
SETUP INPUT IMAGE OPT
SETUP INPUT IMAGE OPT
EL1
SETUP iNPUT iMAGE OPT
E
SETUP INPUT _M_,GE OPT
KEYSTONE _
STARTUP •
[SETUP ]INPUT
KEYSTONE } _ /_
MIRROR_
BLANK •
Adjustment item Adjustment description
Reduces keystone Reduces keystone
KEYSTONE distortion at the bottom _ distortion at the top
Sets vertical or horizontal inversion of the projected image,
H: horizontal inversion only
MIRROR V: vertical inversion only
H&V: both horizontal and vertical inversion,
Sets the color to be used for blanking with BLANK ON or when there is no signal.
BLANK Blanking is turned on when there is no signal for approximately 5 min,
START UP Opens and closes the initial settings screen during signal input at start up.
P in P Selects the P in P sub screen display position.
2O

Adjustments and functions (continued)
OPT
Communication functions, etc., can be set from the OPT menu.
[SETUP[ _NPUT
COMSPEED
COMBITS
TIMER
LANGUAGE
AUTO OFF
SYNC ON G •
OM BITS
TIMER
LANGUAGE
SETUP INPUT IMAGE bOR_
C_COM_TS
_MER
COMSPEED
SYNC ON G •
[ S E T U P ] IN P U T [ [ M A G E
COMSPEED
_TIMER
LANGUAGE
Adjustment item Adjustment description
COM. SPEED Sets the communication speed (5 steps).
Sets the bit configuration for the communication data.
COM. BITS 7N1...7 data bits, No parity, 1 stop bit.
8N1...8 data bits, No parity, 1 stop bit.
TIMER Sets the timer display time (0 - 99) min.
Selects the menu screen language
LANGUAGE (English, French, German, Spanish, Italian, Norwegian, Dutch, Japanese).
Sets the time after which the power will be turned off (standby status) when
AUTO OFF there is no input signal. The settings are 1 - 99 min, 0 and None.
SYNC ON G Sets the SYNC ON G feature on/off.
21

Connection to the video signal terminals
1. Input signals
Brightness signal
Color signal
S-VIDEO signal
VIDEO signal
Audio signal
Input
Output
2. Signal input jacks
1.0V p-p, 75 £2terminator
0.286V p-p (burst signal), 75 £2terminator
1.0V p-p, 75 £2terminator
200mV rms, 20k £2or less (max. 3.0V p-p)
0-200mVrms, 1k
Color signal Brightness signal
Ground Ground
S-VIDEO input (mini DIN 4-pin)
_Caution_ The priority sequence of the video input jacks is as follows.
(1) S-VIDEO input jack (2) RCA jack input jack
When video signals are being projected, the audio input by the video is output to the audio
output jack (RGB/V1DEO).
Connection to the RGB signal terminal
1. Input signals
Video signal
Horizontal sync signal
Vertical sync signal
Compound sync signal
Input
Audio signal
Output
2. Signal input jacks
1 Video input (red)
2 Video input (green)
3 Video input (blue)
4 N.C
5 N.C
6 Ground (red)
7 Ground (green)
8 Ground (blue)
Analog, 0.7V p-p, 75 £2terminator (positive polarity)
TTL level (positive/negative polarity)
TTL level (positive/negative polarity)
TTL level
200mV rms, 20k £2or less (max. 3.0V p-p)
O~200mVrms, 1k £2
9 N.C
10 Ground
11 N.C
12 DDC jack (Display Data Channel)
13 Horizontal sync signal/compound sync signal
14 Vertical sync signal
15 DDC jack (Display Data Channel)
51
,0(OoOoOoOoo&
15 11
D-sub 15-pin
shrink jack
22

ConnectiontotheRGBsignalterminal(continued)
3. Example of computer signal
Resolution fH fV
HxV (kHz) (Hz) Rating Signal mode Display mode Note 1
640 x 400 24.8 56,4 NEC PC9800 Zoom in
640 x 350 37.9 85,1 VESA VGA-1 Zoom in
640 x 400 37.9 85.1 VESA VGA-2 Zoom in
720 x 400 37.9 85.0 VESA TEXT Zoom in
640 x 480 31,5 59.9 VESA VGA-3 Zoom in
SW 1 ON
640 x 480 35,0 66.7 Mac13"mode Zoom in SW 2 ON
640 x 480 37,9 72.8 VESA VGA-3(72Hz) Zoom in
640 x 480 37,5 75.0 VESA VGA-3(75Hz) Zoom in
640 x 480 43,3 85.0 VESA VGA-3(85Hz) Zoom in
800 x 600 35,2 56.3 VESA SVGA(56Hz)
800 x 600 37,9 60.3 VESA SVGA(6OHz)
800 x 600 48,1 72.2 VESA SVGA(72Hz)
800 x 600 46,9 75.0 VESA SVGA(75Hz)
800 x 600 53,7 85.1 VESA SVGA(85Hz)
SW 2 ON
832 x 624 49,7 74.5 Mac16"mode Partial SW 4 ON
1024 x 768 48,4 60.0 VESA XGA(6OHz) Zoom out
1024 x 768 56,5 70.1 VESA XGA(7OHz) Zoom out
1024 x 768 60,0 75.0 VESA XGA(75Hz) Zoom out
Note 1: Mac adapter is necessary to the resolution mode.
Projector is compatible with 13 inch mode and 16 inch mode.
Mac 13" mode switch 1 and switch 2 are ON.
Mac 16" mode switch 2 and switch 4 are ON.
n[uuuuu]n
[o. ]/J
iNWI JW
(Example 16 inch mode)
(Caution) •Some computers may have multiple display screen modes. Use of some of these modes will
not be possible with this projector.
• Be sure to check jack type, signal level, timing and resolution before connecting this
projector to a computer.
• Depending on the input signal, full-size display may not be possible in some cases. Refer to
the number of display pixels above.
23

ConnectiontotheRGBsignalterminal(continued)
4. Initial set signals
The following signals are used for the initial settings.
The signal timing of some computer models may be different. In such case, refer to pages 17 and 18 and adjust
the V_POS1T and H.POS1T of the menu.
Back porch b
:_'-! _ ,q Display interval c
DATA !
HSYNC _C_ Synca
Front porch d
i
1
i
1
i
Horizontal signal timing (ps)
Computer/Signal a b c d
VGA-1(85Hz) 2.0 3.0 20.3 1.0
VGA-2(85Hz) 2.0 3.0 20.3 1.0
PC-9800 3.0 3.8 30.4 3.0
TEXT 2.0 3.0 20.3 1.0
VGA-3 3.8 1.9 25.4 0.6
Mac 13"mode 2.1 3.2 21.2 2.1
VGA-3(72Hz) 1.3 3.8 20.3 1.0
VGA-3(75Hz) 2.0 3.8 20.3 0.5
VGA-3(85Hz) 1.6 2.2 17.8 1.6
SVGA(56Hz) 2.0 3.6 22.2 0.7
SVGA(60Hz) 3.2 2.2 20.0 1.0
Horizontal signal timing (ps)
Computer/Signal a b c d
SVGA (72Hz) 2.4 1.3 16.0 1.1
SVGA (75Hz) 1.6 3.2 16.2 0.3
SVGA (85Hz) 1.1 2.7 14.2 0.6
Mac 16"mode 1.1 3.9 14.5 0.6
XGA (60Hz) 2.1 2.5 15.8 0.4
XGA (70Hz) 1.8 1.9 13.7 0.3
XGA (75Hz) 1.2 2.2 13.0 0.2
DATA
VSYNC
Back porch b
i
i-
1
i
1
i
1
]_ Sync a
Front
_ Display intervalc "]'Hi
)orch d
Vertical signal timimg (lines)
Computer/Signal a b c d
VGA-1 (85Hz) 3 60 350 32
VGA-2 (85Hz) 3 41 400 1
PC-9800 8 25 400 7
TEXT 3 42 480 1
VGA-3 2 33 480 10
Mac 13"mode 3 39 480 3
VGA-3 (72Hz) 3 28 480 9
VGA-3 (75Hz) 3 16 480 1
VGA-3 (85Hz) 3 25 480 1
SVGA (56Hz) 2 22 600 1
SVGA (60Hz) 4 23 600 1
Computer/Signal Vertical signal timimg (lines)
SVGA (72Hz)
SVGA (75Hz)
SVGA (85Hz)
Mac 16"mode
XGA (60Hz)
XGA (70Hz)
XGA (75Hz)
a
6
3
3
3
6
6
3
b c d
23 600 37
21 600 1
27 600 1
39 624 1
29 768 3
29 768 3
28 768 1
24

Connecting the USB
1. Connect the projector and computer with a suitable commercially available cable.
2. Press the 1NPUT button of the projector or the RGB 1/2 button of the remote control and select the input
where the computer is to be connected.
3. Start the mouse function.
4. Refer to page 10, 26 concerning the remote control of mouse operations.
5. Varying the force with which the DISK PAD button is pressed varies the speed of mouse operation.
USB jack Projector Computer USB jack
(B type) (A type)
2 1 +5V@ @+5V
-DATA@ @-DATA
+DATA@ @+DATA
3 4 GND@ @GND
USB cable
1 2 3 4
_Caution-) •Before making connections, read the instruction manual of the equipment to be connected.
• Use the optional USB cable to connect.
• Effective with USB only when the mouse is used.
• Do not use with any device other than a personal computer.
• When using with Windows 95, it is necessary to set so that USB can be used with version
OSR 2.1 or higher. Depending on the version of the host controller, operation may not be
possible in some cases.
• In the case of notebook type computers with a built-in pointing device such as a track ball, in
some cases the built-in pointing device wilt have priority even if a mouse is connected and
the mouse may not be selected.
In such case, disable the built-in pointing device and change the BIOS setting (system setup)
so that an external mouse can be selected.
After changing the B1OS setting, perform the operations described in 1 - 3 above.
Refer to the computer hardware manual concerning the BIOS setting.
Also, some computers may not have a utility program to operate a mouse. Refer to the
computer hardware manual.
25

Connection to the control signal terminal
1. Mouse functions
(1) Turn off the main power switches of the projector and computer and connect the two units with the cable
provided or an optional suitable commercially available cable. Disconnect the USB cable from the
projector.
(2) Turn on the main switch of the projector (the ON indicator lamp will light green).
(3) Press the 1NPUT button of the projector or the RGB button of the remote control and select the input
where the computer is to be connected.
(4) Turn on the computer power supply.
(5) Start the mouse function.
If the mouse has not been started, reboot the computer (soft reboot or reboot buttons).
(6) Refer to page 10 concerning remote control operation.
(7) Varying the force with which the DISK PAD button is pressed varies the speed of mouse operation.
PSI2 Mouse Projector Corn _uter
control jack
D-sub 15-pin shrink jack
1 5
0IoOOOOoOL
11 15
CLK
DATA
SEL0
RTS
+5V
GND
Mouse jack Mini
DIN 6-pin
Use the mouse cable provided or a PS/2 mouse cable (for IBM and compatibles).
Cables for ADB mouse (Apple), bus mouse (NEC) and serial mouse are available as options.
Mouse cable Product name Model
ADB mouse COE-MAC (ADB)-2 SC-MA201XC
Bus mouse COE-PC98 (BUS)-2 SC-MN201XC
Serial mouse COE-SERIAL-2 SC-MS201XC
(Caution-) •Before making connections, read the instruction manual of the equipment to be connected.
• Turn off the projector and computer power supplies before connecting.
Connecting the mouse cable with the computer power on can result in a malfunction.
Use the mouse cable provided or an optional mouse cable to make the connection.
• In the case of notebook type computers with a built-in pointing device such as a track ball, in
some cases the built-in pointing device wilt have priority even if a mouse is connected and
the mouse may not be selected.
In such case, disable the built-in pointing device and change the B1OS setting (system setup)
so that an external mouse can be selected.
After changing the B1OS setting, perform the operations described in (1) - (3) above.
Refer to the computer hardware manual concerning the BIOS setting.
Also, some computers may not have a utility program to operate a mouse. Refer to the
computer hardware manual.
26

Connectiontothecontrolsignalterminal(continued)
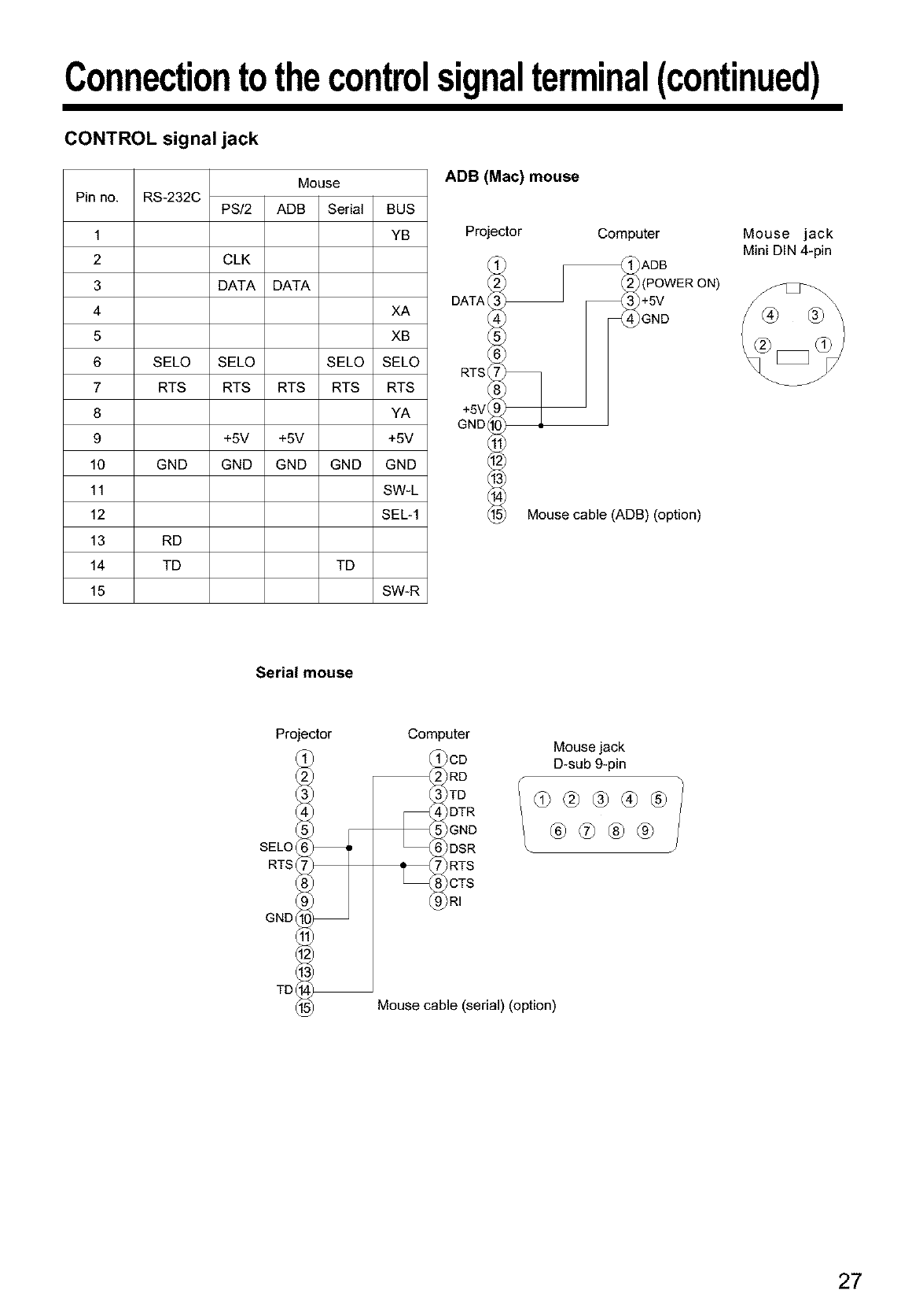
CONTROL signal jack
Mouse
Pin no. RS-232C PS/2 ADB Serial BUS
1 YB
2 CLK
3 DATA DATA
4 XA
5 XB
6 SELO SELO SELO SELO
7 RTS RTS RTS RTS RTS
8 YA
9 +5V +5V +5V
10 GND GND GND GND GND
11 SW-L
12 SEL-1
13 RD
14 TD TD
15 SW-R
ADB (Mac) mouse
Projector Computer
I
DATA_ _G5VD
+5V_
GND_
Mouse cable (ADB) (option)
Mouse jack
Mini DIN 4-pin
Serial mouse
Pro
SELO
RTS
GND
TD
_ctor Computer
RD
TD
DTR
GND
_DSR
t _RTS
_CTS
Mouse jack
D-sub 9-pin
_@®®®
®_®®
\
Mouse cable (serial) (option)
27

Connectiontothecontrolsignalterminal(continued)
2. RS232C communication
(1) Turn off the projector and computer power supplies and connect with the RS232C cable.
(2) Turn on the computer power supply and, after the computer has started up, mm on the projector power supply.
(3) Refer to page 20, 21 and set the communication speed and the number of communication bits.
(4) Start RS232C communication.
Control jack
D-sub 15-pin shrink
15
6_10
11 15
SELO
RTS
GND
Projector
RD
TD
Computer
RD
TD
DTR
GND
_)DSR
RTS
DTS
RS232C jack
D-sub 9-pin
®®®®
RS232C cable
DeNults_ting cede
Command 1st 2nd
40h 05h
40h 06h
MOUSE
COMMUNICATE
POWER
ZOOM
FOCUS
MIRROR
INPUT
(VIDEO)SYSTEM
VOLUME
MUTE
BRIGHT
CONTRAST
COLOR
TINT
SHARPNESS
H.PHASE
H.POSIT
H.SlZE
V.POSIT
COLOR BALANCE R
COLOR BALANCE B
AUTO ADJUST
BLANK
MAGNIFY
Inqui_ code
1st 2nd
20h 05h
20h 06h
20h 11h
Pr_ector-_computer
Response code
1st 2nd da_
11h 05h +1
11h 06h +1
11h 11h +1
11h 12h +1
11h 13h +1
11h 14h +1
11h 21h +1
12h 22h +2
11h 23h +1
11h 24h +1
13h 31h +3
13h 32h +3
13h 33h +3
13h 34h +3
13h 35h +3
13h 37h +3
14h 38h +4
14h 36h +4
14h 3Ah +4
13h 3Bh +3
13h 3Dh +3
11h 3Ch +1
11h 41h +1
11h 15h +1
11h 16h +1
20h 14h
20h 21h
20h 22h
20h 23h
20h 24h
20h 31h
20h 32h
20h 33h
20h 34h
20h 35h
20h 37h
20h 3Bh
20h 3Dh
20h 3Ch
20h 41h
20h 15h
FREEZE 20h 16h
Computer4projector
Setting code
1st 2rid data
31h 05h +1
31h 06h +1
31h 11h +1
31h 12h +1
31h 13h +1
31h 14h +1
31h 21h +1
32h 22h +2
31h 23h +1
31h 24h +1
33h 31h +3
33h 32h +3
33h 33h +3
33h 34h +3
33h 35h +3
33h 37h +3
34h 38h +4
34h 36h +4
34h 3Ah +4
33h 3Bh +3
33h 3Dh +3
31h 3Ch +1
31h 41h +1
31h 15h +1
31h 16h +1
40h 14h
40h 21h
40h 22h
40h 23h
40h 24h
40h 31h
40h 32h
40h 33h
40h 34h
40h 35h
40h 37h
40h 38h
40h 36h
40h 3Ah
40h 3Bh
40h 3Dh
40h 3Ch
40h 41h
40h 15h
40h 1Dh
28

Connectiontothecontrolsignalterminal(continued)
Command data chart
Item
MOUSE
COMMUNICATE
POWER
ZOOM
FOCUS
MIRROR
INPUT
SYSTEM (VIDEO)
VOLUME
MUTE
BRIGHT
CONTRAST
COLOR
TINT
SHARPNESS
H.PHASE
H.POSIT
H.SIZE
V.POSIT
COLOR BALANCE R
COLOR BALANCE B
AUTO ADJUST
BLANK
MAGNIFY
FREEZE
Data code
00h=disable mouse function, 01 - 7Fh=start mouse function
OXh=8N1, 1Xh=7N1
X0h=1200bps, X1h=2400bps, X2h=4800bps, X3h=9600bps, X4h=19200bps
3Eh=power off (standby status), 3Fh=power on
01 - 3Fh=Zoom+, 41 - 7Fh=Zoom-, 01, 04 (zoom out) - 3F, 7F (zoom in)
01 - 3Fh=Focus+, 41 - 7Fh=Foous-, 01, 04 (short) _ 3F, 7F (long)
00h=Normal, 01h=H : Invert, 02h=V : Invert, 03h=H & V : Invert
1lh=VIDEO, 21h=RGB1, 22h=RGB2
O0h 00h=Auto, O0h 01h=NTSC, 00h 04h=NTSC4.43
00h 02h=PAL, 00h 03h=SECAM, OOh 05h=M-PAL, 00h 06h=N-PAL
00h (low volume) _ 24h (high volume)
00h=mute off, 01h=mute on
00h 00h 00h (dark)_00h 00h 24h (bright)
00h 00h 00h(Iow)_00h 00h 24h(strong)
00h 00h 00h(pale)-00h 00h 24h (dense)
00h 00h 00h(reddish)-00h 00h 24h(greenish)
00h 00h 00h (soft)_00h 00h 24h (sharp)
00h 00h 00h _00h 00h 24h
00h 00h 00h 01h (Right) moves one step
00h 00h 00h 7Fh (Left) moves one step
00h 00h 00h 01h(Large) moves two step
00h 00h 00h 7Fh (Small) moves two step
00h 00h 00h 01h(Up) moves one step
00h 00h 00h 7Fh (Down) moves one step
00h 00h 00h (Light red)-00h 00h 24h (Dark red)
00h 00h 00h (Light blue) _ 00h 00h 24h (Dark blue)
00h (AUTO ADJUST (Play)), 07h (AUTO ADJUST (stop))
0Xh=blanking off, 1Xh=blanking on
X=8 Black, X=9 Blue, X=F White
(1) Inquiry code, response code in case of having sent default setting code (data length=l byte)
00h=normal display, 01h=magnified display
(2) In case of setting magnification rate of the setting code (data length=6 bytes)
1st, 2nd data byte: starting positionfor horizontal magnification (left end) 00h 00h (left) ~ 30h O5h(right)
3rd, 4th data byte: starting position for vertical magnification (upper end) 0Oh00h (up) ~ 00h 04h (down)
5th, 6th data byte: data for number of dots for horizontal magnification 64h 00h (large) ~ 20h 06h (small)
00h=normal display, 01h=still image display
The command code configuration consists of a 2-byte command and the following data.
• The first byte of a command indicates the command type with 3 bits on the MSB side and the data length
with 4 bits on the LSB side.
Projector - computer
'0xH' : Error code
'lxH' : response code
'70H' : frame error code
Computer - projector
'2xH' : inquiry code
'3xH' : setting code
'4xH' : default setting code
'x' indicates the data length (example: x_ means a 2-byte command).
• The second byte of a command indicates the command contents.
29

Connectiontothecontrolsignalterminal(continued)
Requesting projector status
(1) Send the request code '20H' + 'yyH' from the computer to the projector.
(2) The projector returns the response code ' 1xH' + 'yyH' +data to the computer.
Changing the projector settings
(1) Send the setting code '3xH' + 'yyH' +data from the computer to the projector.
(2) The projector changes the setting based on the above setting code.
(3) The projector returns the response code ' 1xH' + 'yyH' +data to the computer.
(Caution ) The response data in (3) above need not match the setting data in (1).
For example, when the projector cannot set the setting data in (1), the projector may set the/
closest value. That value will be used as the response data in (3). Or else the projector wilt]
return the error code '0xH' + 'yyH' +data. J
Using the projector default settigns
(1) The computer sends the default setting code '40H' + 'yyH' to the projector.
(2) The projector changes the specified setting to the default value.
(3) The projector returns the default value with the response code ' 1xH' + 'yyH' -data.
When a command sent by the projector cannot be understood by the computer
(1) The computer sends the command code '3xH', '4xH' or '4xH' + 'yyH' +data to the projector.
(2) When the command sent by the projector cannot be understood, the error command '0OH' + 'yyH' is
returned by the computer.
When data sent by the projector cannot be understood
(1) The computer sends the command code '3xH', '4xH' or '4xH' + 'yyH' +data to the projector.
(2) When the command sent by the projector cannot be understood, the the error code '0xH' +'yyH' +data is
returned.
When the data length is greater than indicated by the data length code, the projector wilt ignore the excess data code.
Conversely, when the data length is shorter than indicated by the data length code, an error code will be
retumed to the projector.
When a frame error occurs
Repeats 10 times per second until there is some sort of response to the error code 70H + 70H.
When the interval between bytes in one command is 500ms or greater
When a command or data is not sent within 500ms after the command code '2xH', '3xH' or '4xH' is sent by
the computer, the error command '70H' +'70H' will be returned as soon as the 500ms elapses. After this, if
there is no response within 1 sec, a frame error will occur.
(Caution) •Operation cannot be guaranteed when the projector receives an undefined command or data.
• Provide an interval of at least 40ms between the response code and any other code.
30

Example of system setup
Computer
(desktop type)
Computer
(notebook type) AC input
@
i
i
i
ii
i
I
/\
Video tape recorder with S jack
Video tape recorder
Speaker (with built-in amp) Display monitor
(Caution Turn power off to all devices before connecting.
Refer to the instruction manual of each device before connecting.
Cleaning the Air filter
Clean the air filter about every 100 hours.
1 Turn off the MAIN POWER switch of the projector and
pull out the power cord.
2Remove the front air filter.
Filter Model
Air Filter MU00831
31

Cleaning the Air filter (continued)
3Cleaning the air filter with a vacuum cleaner
4Installing the air filter
(Caution) When the air filter becomes clogged with dust, etc., the projector power may turn off to]
prevent the internal heat level rising.
Do not operate the projector with the air filter removed.
Lamp
The light source lamp has a service life.
When used for an extended time, the images may become darker and the colors may deteriorate.
A malfunction could occur if the projector is used in this condition, so replace the lamp with a new one.
The following indicator or a message which appears when the power is turned on will indicate when the lamp
should be replaced.
At such time, it is necessary to replace the lamp with a new one. For lamp replacement, please contact your
dealer or service company.
(Caution_ The indicator lamp will also light red when the lamp unit overheats. In such case, turn off the 1
main power switch, wait for a while (approx. 20 min.) and then turn the power on again. If the]
indicator lamp lights red again when the power is turned on, contact your dealer or service]
company, j
Message table
Screen displays
The following messages are displayed on the screen.
CHANGE THE LAMP"CALL The total lamp usage time is nearing the service life of the lamp. Replace whith a new lamp.
A MAINTENANCE PERSON" The lamp will turn off automatically when the lamp replacement time has been exceeded. '1
"CHANGE THE LAMP" The total lamp time is nearing the lamp replacement time. After (*) hours, the lamp will turn
"CALL off. Quickly replace with a new lamp. "1
A MAINTENANCE PERSON" *Indicates the number of hours until the lamp turns off automatically.
"THE POWER WILL
TURN OFF AFTER * Hr."
Blinking of The total lamp time has exceeded the replacement time. The lamp will blink for
"CHANGE THE LAMP" approximately 10 min. and then turn off automatically. Replace with a new lamp.
NO INPUT IS DETECTED There is no signal input (refer to pages 22, 23).
SYNC IS OUT OF RANGE The current horizontal or vertical frequency cannot be used by this projecter (refer to pages 23, 24).
• 1 This display will disappear after 3min. but wilt reappear when the power is turned on again.
32

Message table (continued)
Indicators
The ON indicator, LAMP indicator and TEMP indicator light or blink in the following cases.
ON
indicator
Lights orange
Flashes green
Lights green
Flashes orange
LAMP
indicator
Turns off
Turns off
Turns off
Turns off
TEMP
indicator
Turns off
Turns off
Turns off
Turns off
Message Processing
Standby status
Warming up
Operation status ,1
Cool down
Wait some time (approx. 20 min.) before
Lights red Lights red Turns off The lamp does not light. *2 turning the power on again, If the
indicator still lights, the lamp may have
failed and. Replace with a new lamp.
Lights red Flashes red Turns off A lamp has not been inserted Firmly insert the lamp as far as possible
or the lamp cover is missing, and screw the lamp cover in place,
Lights red Turns off Flashes red The coolingfan is notoperating. Contact your dealer,
Flashes red Flashes red Turns off The totallamp time has Contact your dealer,
exceededthe replacementtime.
When the LAMP or TEMP indicator lights or flashes, turn off the MAIN POWER switch before proceeding. If the problem still persists, contact your
dealer or service company.
*1: When the cooling fan is stopped and the interior becomes overheated, the power will tam off automatically to allow cooling (the indicator will turn
off). In such cases, turn offthe projector power, allow the set to cool and then tam the projector power on again. The lamp will then ligN. If the lamp
does not light, contact your dealer or service company.
*2: In some cases, when the air holes becomes blocked and the interior temperature rises, the lamp will be turned off for protection and the LAMP
iMicator will flash red. In such cases, turn offthe MAIN POWER switch, allow the set to cool (for approx. 20 min.) and then turn the power on again.
When you think something wrong
Before requesting repair, check in accordance with the following chart. If the situation cannot be corrected, then
contact your dealer.
Symptom Possible cause Remedy Page
The power is not ,The main power switch is not turned on. ,Tom on the main power switch. P.13
turned on. ,The power cord is disconnected. ,Plug the powercord into anAC poweroutlet. P.9
No video or audio. ,The input is not correctly set. ,Use the projector or remote control to set. P.8.10,
13,19
•No signal input. ,Connect correctly. P.9.31
Video is present but ,The projector is not correctly connected. ,Connect correctly. P.9.31
no audio. ,The volume is seet to minimum. ,Press VOLUME + on the remote control or display P.10.18
the menu screen and adjust the volume.
•Mute is turned on. ,Press the MUTE button. P.8.10
Audio is present but ,The projector is not correctly connected. ,Connect correctly. P.9.31
no video. ,The brightness adjustment knob is rotated ,Select BRIGHT with the MENU button and then P.17
fully clockwise, press the ((_) key.
•The lens cap is still on. ,Remove the lens cap. P.13
Colorsare pale and Color density and color matching are not Adjust the video. P.18
colormatching is poor. correctly adjusted.
Images are dark. ,Brightness and contrast are not correctly ,Adjust the video. P.18
adjusted.
•The lamp is nearing the endof its servicelife. ,Replace with a new lamp. P.32
Video is blurred. Focus or H PHASE is out of adjustment. Adjust the focus or H PHASE. P.13.18
The LAMP indicator Lamp failure. Wait approximately 20 min. and then turn the P.33
lights red. power on again.
The TEMP indicator Internal overheating. ,Make surethe ventilationopeningsare notblocked. P.31.32
lights red. ,Clean the air filter.
•Lowertheambienttemperatureto 35degreesC orless.
Abright dot may be seen in the picture. This is a phenomenon peculiar to the liquid crystal and is not a problem.
33

• These specifications are subject to change without notice•
• ._m J ||| I[.|t_ m,_ec..,l[_., call...on s •This liquid crystal projector is designed for use in Japan and
cannot be used in any other country.
Product name Liquid crystal projector
Model CP-S860W/E
Display method Three liquid crystal panels, three primary color system.
Liquid crystal Panel size 3.3 cm (1.3 type)
panel Drive system TFT active matrix
Number of pixels 480,000 pixels (600 horizontal xS00vertical)
Lens Zoom lens F=1.7-2.3 f=49-64mm
Lamp 190w UHB
Speaker 1.2W+ 1.2W (Stereo)
Power supply AC100 ~ 120V, 3.7A /AC220 - 240V, 1.5A.
Power consumption 320W
Operating temperature range 0-35°C
Size 289 (W) x 124 (H) x 345 (D)
Weight (mass) 13 Ibs
S VIDEO: mini DIN 4-pin jack
VIDEO signal input jacks VIDEO: RCA jack
AUDIO: RCA jack
RGB signal input/output jacks RGB signals: D-sub 15-pin shrink jack
Audio: stereo mini-jack
CONTROL signal jack D-sub 15-pin shrink jack
Dimensional Diagram]
Unit: mm
O3
289
34

About the warranty and after-service
About the warranty 1
A warranty is provided for this product. Fill in the necessary items and store in a safe place.
About after-service 1
When a problem occurs, please check first using the Troubleshooting Chart provided in this instruction manual.
If the problem still persists, contact your dealer or service company.
About repairs during the warranty period
Repairs will be made as described in the warranty.
For details, please read the warranty.
Repairs after the warranty period has elapsed ]
paid repairs will be made if desired in the event that the function can be restored by such repairs.
Parts will be made available for a minimum period of 8 years.
35

QR41821 Printed in Japan KY-K (S)