HUIZHOU FORYOU GENERAL ELECTRONICS FGENY800CH600 Car DVD PLAYER User Manual
HUIZHOU FORYOU GENERAL ELECTRONICS CO.,LTD. Car DVD PLAYER
User Manual

DVD/VCD/CD/MP3/MPEG4/SD/MMC/USB PLAYER WITH FM/AM TUNER
GPS & BLUETOOTH
Operating Instructions

1
Safety Precautions
Never expose this unit, amplifier, and
speakers to moisture or water for
RTGXGPVKPIGNGEVTKEURCTMUQTſTGU
Please don't change the fuse on
the power cord without professional
guidance, using improper fuse may
cause damage to this unit or even cause
ſTG
Please power off this unit at once and
send it back to the after-sales service
center or the dealer /distributor you
purchased from if one of the following
symptoms is found:
C9CVGTQTQVJGTQDUVCENGGPVGTUVJG
unit;
D5OQMKPI
E2GEWNKCTUOGNN
Only connect the unit to a 12-volt power
UWRRN[YKVJPGICVKXGITQWPFKPI
Never install this unit where the
operation & condition for safety driving
KUTGUVTCKPGF
Never use the video display function
in the front when driving to prevent the
violation of laws & regulations and also
VQTGFWEGVJGTKUMQHVTCHſECEEKFGPV
except using for rear view video
ECOGTC
6JCPM[QWHQTRWTEJCUKPIVJKURTQFWEV
Please read through these operating
instructions so you will know how to
QRGTCVG[QWTOQFGNRTQRGTN[#HVGT[QW
have finished reading the instructions,
keep this manual in a safe place for
HWVWTGTGHGTGPEG
To ensure safe driving, please adjust
the volume to a safe and comfort level
KPECUGQHGOGTIGPE[UKVWCVKQPU

2
0GXGTFKUCUUGODNGQTCFLWUVVJGWPKVYKVJQWVCP[RTQHGUUKQPCNIWKFG
(QTFGVCKNURNGCUGEQPUWNVCP[RTQHGUUKQPCNECTUJQRFGCNGTHQTKPSWKT[
+HVJGHTQPVRCPGNQT6(6OQPKVQTKUUSWCNKFRNGCUGWUGCENGCPUKNKEQPGENQVJCPFPGWVTCN
FGVGTIGPVVQYKRGQHHVJGURQV7UKPICTQWIJENQVJCPFPQPPGWVTCNFGVGTIGPVUWEJCUCNEQJQN
HQTENGCPKPIOC[TGUWNVKPUETCVEJKPIQTFGEQNQTCVKQPVQVJGCRRNKECPV
+HCP[CDPQTOCNDGJCXKQTQHVJGWPKVKUHQWPFRNGCUGTGHGTVQVTQWDNGUJQQVKPIIWKFGQHVJKU
OCPWCN+HPQTGNGXCPVKPHQTOCVKQPKUHQWPFRNGCUGRTGUUVJG=4'5'6?MG[QPVJGHTQPVRCPGNVQ
TGUWOGHCEVQT[FGHCWNV
+H[QWJCXGRCTMGFVJGECTKPJQVQTEQNFYGCVJGTHQTCNQPIVKOGRNGCUGYCKVWPVKNVJG
VGORGTCVWTGKPVJGECTDGEQOGUPQTOCNDGHQTGQRGTCVKPIVJGWPKV
7UKPIKPECTJGCVGTKPNQYVGORGTCVWTGGPXKTQPOGPVOC[TGUWNVKPDGCFUEQCIWNCVGKPUKFGVJG
WPKV&1016WUGVJGWPKVKPVJKUUKVWCVKQPGLGEVVJGFKUECPFYKRGQHHVJGDGCFQPVJGFKUE+H
VJGWPKVUVKNNFQGUPVYQTMCHVGTCHGYJQWTURNGCUGEQPVCEVYKVJCHVGTUCNGUUGTXKEGEGPVGT
0Q ſGTEGKORCEVVQ VJG.%&OQPKVQT YJGPKV KUKPQRGP RQUKVKQPHQTRTGXGPVKPI VJGFCOCIG VQ
CP[OGEJCPKUOUKPUKFG
6QRTGXGPVVJGFCOCIGVQVJGUETGGPCXQKFVQWEJKPIKVYKVJUJCTRQDLGEVU
6QRTQXKFGCENGCTFGOQPUVTCVKQPCPFCPCNVGTPCVKXGHQTGCU[WPFGTUVCPFKPIVQVJGQRGTCVKQPQH
VJKUWPKVITCRJKEKNNWUVTCVKQPUCTGWUGF
*QYGXGTVJGUGKNNWUVTCVKQPUCTGUQOGFKHHGTGPVHTQOVJGCEVWCNKOCIGUFKURNC[GFQPVJGUETGGP
1RGTCVGVJGWPKVEQTTGEVN[CEEQTFKPIVQVJKUOCPWCNVQRTGXGPVWPPGEGUUCT[RTQDNGO6JG
IWCTCPVGGYQPVDGXCNKFKHVJGRTQDNGOKUECWUGFD[KPCRRTQRTKCVGQRGTCVKQP
Precautions

3
Contents
Safety Precautions ...................................1
Precautions...............................................2
Contents....................................................3
Before using..............................................4
Front Panel4
4GOQVG%QPVTQN5
Notes of remote control using6
7PKPUVCNN$CVVGT[6
+PUVCNN$CVVGT[6
Basic operations.......................................7
Power On/Off 7
1RGP5174%'/'077
Playing source selection7
5GV&CVG6KOG7
5GVFCVG7
5GVENQEMOQFG7
5GVVKOG7
Radio mode...............................................8
5GNGEVTCFKQCURNC[KPIUQWTEG8
5GNGEVQPGTCFKQDCPF8
Tune8
Preset station8
.QECN5GGMKPI9
'35GNGEVKQP9
4&5$CUKEU9
#FLWUV4&55GVVKPIU9
PLAY........................................................10
.QCF&KUE10
'LGEVVJG&KUE10
6QWEJ5ETGGP%QPVTQNU10
%QPPGEV75$K2QF&GXKEG10
4GOQXGVJG75$K2QF&GXKEG10
+PUGTV5&//%%CTF10
4GOQXGVJG5&//%%CTF10
Play/Pause11
Previous/Next11
(CUV(QTYCTF$CEMYCTF11
5GCTEJHQTC(QNFGT11
4GRGCV11
4GRGCV#$12
4CPFQO2NC[12
5GNGEV#WFKQ/QFG12
5GNGEV5WDVKVNG.CPIWCIG12
%JCPIG8KGY#PING12
4QVCVG2KEVWTGU13
Zoom13
Bluetooth mode ......................................14
2CKTVJG$NWGVQQVJGPCDNGFFGXKEGU14
&KUEQPPGEV$NWGVQQVJFGXKEG14
/CMGCECNN14
4GEGKXGECNN15
5YKVEJ2JQPG%CNNVQVJG/QDKNG15
#FLWUV$NWGVQQVJ5GVVKPIU15
5GNGEVK2QFCURNC[KPIUQWTEG16
Play16
Adjust sound ..........................................17
#FLWUVXQNWOG17
/WVG17
5GNGEVRTGUGVGSWCNK\GT17
#FLWUVHCFGTDCNCPEG17
SETUP......................................................18
&KURNC[5[UVGO18
#FLWUVXKFGQUGVVKPIU18
#FLWUVIGPGTCN5GVVKPIU18
#FLWUVVKOGUGVVKPIU18
#FLWUVUQWPFUGVVKPIU19
#FLWUVNCPIWCIGUGVVKPIU19
#FLWUV$NWGVQQVJUGVVKPIU19
#FLWUV&8&TCVKPI20
#FLWUVXQNWOGUGVVKPIU20
Other modes ...........................................21
.KUVGPVQQVJGTFGXKEGU21
4GUGV21
4GOQXGVJGWPKV21
4GRNCEGHWUG21
)2521
7UGT&GſPGF9CNNRCRGT22
Device connections................................23
5RGEKſECVKQPU .........................................25
4GIKQPEQFG26
%CWVKQPUQHFKUEWUKPI26
Troubleshooting .....................................27
No power27
No sound27
No response to the remote control27
Disc does not play27
No image27
+OCIGƀCUJGUQTFKUVQTVGF27
Noise in broadcasts27
Preset stations lost27
Fuse is broken28
&KURNC[UJQY'4428
#DQWV$NWGVQQVJFGXKEG28
Appendix .................................................29

4
Front Panel
= ?-G['LGEVFKUE
=/'07?-G[5YKVEJVQVJGEWTTGPVUQWTEGCPFVJGOCKPOGPW
=0#8?-G['PVGTPCXKICVKQPOQFG
/KETQRJQPG
=81.7/' ?-PQD
#FLWUVXQNWOGTQVCVG
/WVGUJQTVRTGUU
Turn off the unit (long press)
4GUGV.QCFVJGQTKIKPCNUGVVKPI
5&5&*%//%ECTFUNQV
75$EQPPGEVQT
#8KPLCEM
/CRECTFUNQV
&KUEUNQV
Before using
Notice:
The graphic in this manual is for reference
only, and may be different from that in real
WPKV4GHGTGPEGVQTGCNWPKVKUUWIIGUVGF

5
Remote Control
Before using
4GVWTPVQVJGJQOGOGPW
'LGEVVJGFKUE
5GNGEV&8&FKCNQIWGNCPIWCIG
5JQYOWUKEECVCNQI
&KURNC[KPHQTOCVKQP
<QQO
5GNGEVTCFKQDCPF
%CNNQWV
)QVQUGCTEJ
#$4GRGCV
4GRGCVRNC[DCEM
5GVWROGPW
2NC[2CWUG'PVGT
/QXGVJGEWTUQTWRFQYPNGHVTKIJV
7RFQYP/CPWCNVWPKPI
5NQYRNC[DCEM
0WOGTKEMG[U
4CPFQORNC[DCEM
+PVTQRNC[DCEM
5VQRRNC[DCEM
/WVGVJGXQNWOG
#FLWUVXQNWOG
+OCIGUGVVKPI
2TGXKQWU0GZV
#WVQVWPKPI
*CPIWR
%NGCTKPHQTOCVKQP
&8&VKVNG
&8&OGPW2$%
5GNGEVXKGYCPING
5JQYXKFGQECVCNQI
GNGEV&8&UWDVKVNGNCPIWCIG
5JQYRJQVQECVCNQI
7PKVRQYGT
1RGP'3UGVVKPIOGPW

6
Notes of remote control using
#KOVJGTGOQVGEQPVTQNCVVJGTGOQVGUGPUQTQPVJGWPKV
4GOQXGVJGDCVVGT[HTQOVJGTGOQVGEQPVTQNQTKPUGTVCDCVVGT[KPUWNCVQTKHVJGDCVVGT[JCUPQV
DGGPWUGFHQTCOQPVJQTNQPIGT
3) DO NOT store the remote control under direct sunlight or in high temperature environment, or it
OC[PQVHWPEVKQPRTQRGTN[
6JG DCVVGT[ECPYQTMHQTOQPVJUWPFGTPQTOCNEQPFKVKQP+HVJGTGOQVGEQPVTQNECPVYQTM
RNGCUGEJCPIGVJGDCVVGT[
7UGőDWVVQPUJCRGFŒNKVJKWODCVVGT[ő%4Œ8QPN[
&1016TGEJCTIGFKUCUUGODNGJGCVQTGZRQUGVJGDCVVGT[KPſTG
+PUGTVVJGDCVVGT[KPRTQRGTFKTGEVKQPCEEQTFKPIVQVJGCPFRQNGU
5VQTGVJGDCVVGT[KPCRNCEGYJGTGEJKNFTGPECPPQVTGCEJVQCXQKFVJGTKUMQHCEEKFGPV
Uninstall Battery
5NKFGQWVVJGDCVVGT[ EQORCTVOGPVVTC[
at the bottom on the back of the remote
EQPVTQN
Install Battery
7UGDWVVQPUJCRGFNKVJKWODCVVGT[
%48ŒQPN[+PUGTVVJGDCVVGT[
to the battery tray with proper direction
CEEQTFKPIVQVJGCPFRQNGU
Before using
PULL OUT PUSH IN

7
Power On/Off
6WTPQP5JQTVRTGUUDWVVQPQPVJGHTQPVRCPGNQT=219'4?MG[QPVJGTGOQVGEQPVTQN
6WTPQHH9JGPQPNQPIRTGUUDWVVQP QPVJGRCPGN QTRTGUU=219'4? MG[QPVJGTGOQVG
EQPVTQN
Open SOURCE MENU
2TGUUVJG=/'07?MG[QPVJGHTQPVRCPGNQTVQWEJVJGVQR
NGHVEQTPGTQHVJGUETGGPVQQRGPVJG5174%'/'07
Playing source selection
1RGPVJG5174%'/'07CPFVJGPVQWEJVJGUQWTEG[QWFGUKTGFQTUGNGEVQPGUQWTEGD[
OQXKPIVJGEWTUQTCPFVJGPEQPſTO
Notes:
2NC[KPIUQWTEGUGNGEVKQPOGCPUUGNGEVKPIYQTMOQFGUWEJCU&8&OQFG4CFKQOQFG%COGTC
OQFGGVE
Basic operations
Set Date /Time
6QWEJ=5GVVKPIU?
6QWEJ=6KOG?
6JGFCVGVKOGUGVWROGPWKUFKURNC[GF
Set date
6QWEJ=&CVG?
6QWEJVJGFCVGKPHQTOCVKQPQPQPVJGUETGGP
#UWDOGPWKUFKURNC[GF
6QWEJ or VQUGV[GCTOQPVJCPFFC[
Set clock mode
6QWEJ=%NQEMOQFG?
6QWEJ=*T?QT=*T?VQUYKVEJENQEMOQFG
Set time
6QWEJ=6KOG?
6QWEJVJGVKOGQPVJGUETGGPCUWDOGPWKUFKURNC[GF
6QWEJ or VQUGVJQWTCPFOKPWVG
Tip:
9JGPFCVGVKOGKUUGVVQWEJVJGWRRGTNGHVEQTPGTQHUETGGPVQGZKV

8
Select radio as playing source
1RGPVJG5174%'/'07CPFVJGPVQWEJ=4CFKQ?
Select one radio band
2TGUUVJG=$#0&?MG[QPTGOQVGEQPVTQNQTVQWEJVJG= ?KEQP
QPVJGWUGTKPVGTHCEGVQUGNGEVQPGTCFKQDCPFCOQPI(/(/
(/#/CPF#/
Tune
Auto tuning
2TGUUVJG= ?= ?MG[QPVJGTGOQVGEQPVTQNDTKGƀ[QTJQNF
= ?= ?KEQPQPVJGWUGTKPVGTHCEGOQTGVJCPUGEQPFVQ
UGGMCJKIJGTNQYGTUVCVKQP
To stop searching, repeat the operation above or press other
MG[UJCXKPITCFKQHWPEVKQPU
Note:
9JGPCUVCVKQPKUTGEGKXGFUGCTEJKPIUVQRUCPFVJGUVCVKQPKURNC[GF
Manual tuning
Method 1:
&WTKPIOCPWCNVWPKPIVJGHTGSWGPE[YKNNDGEJCPIGFKPUVGRU
Press the = ?QT= ?MG[QPTGOQVGEQPVTQNQTVQWEJVJG
= ?= ?KEQPQPVJGWUGTKPVGTHCEGVQVWPGKPCJKIJGTNQYGT
UVCVKQP
Method 2:
6QWEJVJGPWOGTKEMG[RCFKEQP= ?0WOGTKEMG[DQCTF
KUFKURNC[GFVQWEJPWODGTVQKPRWVHTGSWGPE[
6QWEJ= ?VQFGNGVGVJGKPRWVPWODGTUVGRD[UVGR
6QWEJ=%?VQENGCTCNNQHVJGKPRWVPWODGTU
6QWEJ= ?VQGPVGT
Preset station
6JGWPKVJCUDCPFUUWEJCU(/(/(/#/#/CPF'CEJDCPFECPUVQTGUVCVKQPU
JGPEGVJGWPKVECPUVQTGUVCVKQPUKPVQVCN
Search stations automatically
6QWEJ= ?VQUGCTEJUVCVKQPCPFUVQTGUVTQPIGUVUVCVKQPUKPEWTTGPVDCPFCWVQOCVKECNN[
Manual store
6WPGVQCUVCVKQP
6QWEJ= ?
6QWEJQPGQHVJGEJCPPGNUVQVQUCXGVJGUGNGEVDCPF
Tune to a preset station
6QWEJ=4CFKQ?
5GNGEVDCPF
6QWEJQPGQHVJGRTGUGVEJCPPGNUVQQPVJGDQVVQOQHVJGUETGGP
Radio mode

9
Local Seeking
6QWEJVJG=.1%?KEQPCPFEJQQUGVJG4CFKQ.QECNQT&KUVCPEG
9JGPVJG=.1%?KEQPVWTPUDTKIJVQPN[UVCVKQPUYKVJUWHſEKGPVUKIPCNUVTGPIVJYKNNDGFGVGEVGF
EQ Selection
2TGUUVJG= ?KEQPCPFGPVGTVJG'3UGVWR
RDS Basics
4&5UGTXKEGCXCKNCDKNKV[XCTKGUYKVJCTGCU2NGCUGWPFGTUVCPFKH4&5UGTXKEGKUPQVCXCKNCDNGKP
[QWCTGCVJGHQNNQYKPIUGTXKEGKUPQVCXCKNCDNG
AF Mode
#(#NVGTPCVKXG(TGSWGPE[9JGPVJGTCFKQUKIPCNUVTGPIVJKURQQTGPCDNKPIVJG#(HWPEVKQPYKNN
CNNQYVJGWPKVVQCWVQOCVKECNN[UGCTEJCPQVJGTUVCVKQPYKVJVJGUCOG2+RTQITCOKFGPVKſECVKQPCU
VJGEWTTGPVUVCVKQPDWVYKVJUVTQPIGTUKIPCNUVTGPIVJ
6QWEJ=#(?QPVJGUETGGPVQVWTPQPQHH#(HWPEVKQP
#(VWTPUTGF#(HWPEVKQPKUCEVKXCVGF
#(VWTPUITC[#(HWPEVKQPKUFKUCDNGF
TA Mode
5QOG4&5(/UVCVKQPURGTKQFKECNN[RTQXKFGVTCHſEKPHQTOCVKQP
626TCHſE2TQITCO+FGPVKſECVKQP
6JKUUVCVKQPECPDTQCFECUVVTCHſEKPHQTOCVKQP
6#6TCHſE#PPQWPEGOGPVU+FGPVKſECVKQP
4CFKQCPPQWPEGOGPVUQPVTCHſEEQPFKVKQPUQT'10UVCVKQP
6QWEJ=6#?QPVJGUETGGPVQVWTPQPQHH6#HWPEVKQP
9JGP6#OQFGKUVWTPGFQPVJG6#KPFKECVQTYKNNVWTPUTGF
9JGPVTCHHKECPPQWPEGOGPVKU TGEGKXGFVJGWPKVYKNNVGORQTCTKN[UYKVEJVQVJGVWPGTOQFG
TGICTFNGUUQHVJGEWTTGPVOQFGCPFDGIKPDTQCFECUVKPIVJGCPPQWPEGOGPVCV6#XQNWOGNGXGN
#HVGTVJGVTCHſECPPQWPEGOGPVKUQXGTKVYKNNTGVWTPVQVJGRTGXKQWUOQFGCPFXQNWOGNGXGN9JGP
6#KUVWTPGFQP5''-5%#0#/5HWPEVKQPECPQPN[DGTGEGKXGFQTUCXGFYJGPVTCHſERTQITCO
KFGPVKſECVKQP62EQFGKUTGEGKXGF
'10FGHCWNVKUQP
Adjust RDS Settings
+P4CFKQOGPWVQWEJ= ?
6JGQRVKQPOGPWKUFKURNC[GF
6QWEJQPVJGUGNGEVGFQRVKQPVQEJCPIGVJGUGVVKPI
ŧ =4&5?VQVWTPQPQTQHHő4&5ŒHWPEVKQP
ŧ =%6?VQVWTPQPQTQHHő%NQEM6KOGŒU[PEJTQPK\CVKQPHWPEVKQP
ŧ =6#81.?6QWEJ = ?QT= ?VQVQCFLWUVVTCHſECPPQWPEGOGPV
XQNWOG
ŧ =26;.KUV?VQUGVRCTKPIEQFG
Radio mode

10
Load Disc
;QWECPRNC[XKFGQCWFKQQTKOCIGUUVQTGFQPVJGHQNNQYKPIFKUEU
Ŗ &8&8KFGQ&8&4&8&49
Ŗ 8%&
Ŗ #WFKQ%&%&4%&49
Note:
'PUWTGVJCVVJGFKUEEQPVCKPURNC[CDNGEQPVGPV
Eject the Disc
2TGUUVJG= ?MG[QPVJGHTQPVRCPGNQTTGOQVGEQPVTQNVQGLGEVVJGFKUE9JGPVJGFKUEKUGLGEVGF
VJGWPKVUYKVEJGUVQVJGRTGXKQWUUQWTEG
Touch Screen Controls
6JGVQWEJMG[CTGCUHQT&8&RNC[DCEMCTGQWVNKPGFDGNQY
B
C
A
#4GVWTPVJGOCKPOGPW
$2NC[VJGXKFGQCPFFKURNC[RNC[DCEMKPHQTOCVKQP
%&KURNC[QPUETGGPEQPVTQNOGPW
Connect USB/iPod Device
1RGPVJG75$FQQT
+PUGTVVJGUOCNNGPFQHVJGUWRRNKGF75$K2QFECDNGVQVJG
75$UQEMGVVJGPEQPPGEVVJGQVJGTGPFQHVJGECDNGVQ[QWT
75$K2QFFGXKEG
;QWECPCNUQEQPPGEVVJG75$K2QFVQVJGTGCT75$RQTV
Remove the USB/iPod Device
5GNGEVQVJGTUQWTEGQPVJGOCKPOGPW
4GOQXGVJG75$K2QFFGXKEG
Insert SD/MMC Card
1RGP5&//%ECTFEQXGT
+PUGTVVJG5&//%ECTFKPVQVJG5&//%ECTFUNQV
2NC[UVCTVUCWVQOCVKECNN[
Remove the SD/MMC Card
5GNGEVQVJGTUQWTEGQPVJGOCKPOGPW
2TGUUVJGECTFWPKV[QWJGCTCENKEMUQWPF
4GOQXGVJG5&QT//%ECTF
PLAY

11
Play/Pause
1PEGCFKUE75$QT5&//%ECTFKUKPUGTVGFRNC[UVCTVU
CWVQOCVKECNN[
(QT&8&OQXKGKHCOGPWCRRGCTURTGUU= ?VQUVCTVRNC[
6QRCWUGVQWEJ= ?
6QTGUWOGRNC[VQWEJ= ?
5MKRVQRTGXKQWUPGZVVTCEMEJCRVGTRTGUU= ?= ?MG[
Previous/Next
6QWEJ= ?= ?MG[QPVJGUETGGPVQUMKRVQRTGXKQWUPGZVVTCEMEJCRVGT
Fast Forward/Backward
6QWEJ= ?= ?MG[QPVJGUETGGPTGRGCVGFN[VQRNC[DCEMHCUVHQTYCTFDCEMYCTF
Search for a Folder
(QTXKFGQſNGU
6QWEJ= ?VQFKURNC[CNNCXCKNCDNGXKFGQHQNFGTU
6QWEJCHQNFGTVJGPVQWEJ= ?QT= ?VQUGNGEVCſNG
6QWEJ= ?VQUVCTVRNC[
6QWEJ= ?VQUVQRCPFTGVWTPVQVJGTQQVOGPW
(QTCWFKQſNGU
6QWEJ= ?VQFKURNC[CNNCXCKNCDNGCWFKQHQNFGTU
6QWEJCHQNFGTVJGPVQWEJ= ?QT= ?VQUGNGEVCſNG
6QWEJ= ?VQUVCTVRNC[
6QWEJ= ?VQUVQRCPFTGVWTPVQVJGTQQVOGPW
(QTRKEVWTGſNGU
6QWEJ= ?VQFKURNC[CNNCXCKNCDNGRKEVWTGHQNFGTU
6QWEJCHQNFGTVJGPVQWEJ= ?QT= ?VQUGNGEVCRKEVWTG
6QWEJ= ?VQXKGYVJGRKEVWTG
6QWEJ= ?VQGZKVRNC[KPICPFTGVWTPVQVJGTQQV
Repeat
For DVD/VCD movie disc:
6QWEJDQVVQOJCNHQHVJGUETGGPVQFKURNC[OGPWQPVJGUETGGPKHPGEGUUCT[
6QWEJ=?VQFKURNC[VJGPFOGPW
6QWEJ=4GRGCV?VQUGNGEV
&8&
4GRGCVEJCRVGTRNC[VJGEWTTGPVEJCRVGTTGRGCVGFN[
4GRGCVVKVNGRNC[CNNEJCRVGTUKPVJGVKVNGTGRGCVGFN[
4GRGCVQHHECPEGNTGRGCVRNC[
8%&
4GRGCVUKPINGRNC[VJGEWTTGPVUKPINGTGRGCVGFN[
4GRGCVCNNRNC[CNNKPVJGCNNTGRGCVGFN[
4GRGCVQHHECPEGNTGRGCVRNC[
PLAY
&8&
%&/2

12
(QT%&/29/#ſNGU
6QWEJCP[YJGTGGZEGRVVJGWRRGTNGHVEQTPGTVQFKURNC[OGPWQPVJGUETGGPKHPGEGUUCT[
6QWEJ= ?VQUGNGEV
= ?2NC[VJGEWTTGPVEJCRVGTTGRGCVGFN[
= ?2NC[CNNVJGVTCEMUKPVJGHQNFGTTGRGCVGFN[
= ?%CPEGNTGRGCVRNC[
Tip
;QWECPCNUQRTGUU4'2'#6QPVJGTGOQVGEQPVTQNVQUGNGEVTGRGCVGFRNC[OQFG
Repeat A-B
;QWECPTGRGCVCURGEKſEQHXKFGQſNGTGRGCV#$
6QWEJDQVVQOJCNHQHVJGUETGGPVQFKURNC[EQPVTQNOGPWKHPGEGUUCT[
6QWEJ=?VQFKURNC[VJGPFOGPWKHPGEGUUCT[
6QWEJ=#$?TGRGCVGFN[VQOCTM
4GRGCV#VJGUVCTVQHVJGUGEVKQPVQTGRGCV
4GRGCV#$VJGGPFQHVJGUGEVKQPVQTGRGCV
6JGUGNGEVGFUGEVKQPRNC[UTGRGCVGFN[
6QGZKV#$TGRGCVOQFGVQWEJ#$TGRGCVGFN[=4GRGCV#$QHH?KUFKURNC[GF
Random Play
;QWECPRNC[CWFKQVTCEMUſNGUKPTCPFQOQTFGT
&WTKPIRNC[VQWEJ=4&/?QPVJGTGOQVGEQPVTQNTGRGCVGFN[VQVWTPTCPFQORNC[QPQTQHH
Select Audio Mode
9JGP[QWRNC[8%&U[QWECPUGNGEVCPCWFKQOQFG4.5VGTGQ
&WTKPI RNC[VQWEJ DQVVQOJCNH QHVJG UETGGPVQ FKURNC[OGPWQP
VJGUETGGPKHPGEGUUCT[
6QWEJ=?VQFKURNC[VJGPFOGPW
6QWEJ=#WFKQ?TGRGCVGFN[WPVKNVJGCWFKQOQFGKUUGNGEVGF
Select Subtitle Language
(QT&8&QT&KXZFKUEUVJCVEQPVCKPVYQQTOQTGUWDVKVNGNCPIWCIGU
&WTKPIRNC[VQWEJDQVVQOJCNHQHVJGUETGGPVQFKURNC[OGPWQPVJGUETGGPKHPGEGUUCT[
6QWEJ=?VQFKURNC[VJGPFOGPW
6QWEJ=5WD6KVNG?TGRGCVGFN[VQUGNGEVCNCPIWCIG
6JGUGNGEVGFNCPIWCIGKUFKURNC[GF
Tip
;QWOC[CNUQRTGUU57$6+6.'QPVJGTGOQVGEQPVTQNTGRGCVGFN[VQUGNGEVUWDVKVNGNCPIWCIG
Change View Angle
5QOG&8&UEQPVCKPCNVGTPCVGUEGPGUUWEJCUUEGPGUTGEQTFGFHTQOFKHHGTGPV
ECOGTCCPINGU(QTUWEJ&8&U[QWECPUGNGEVHTQOVJGCXCKNCDNGCNVGTPCVGUEGPGU
&WTKPIRNC[VQWEJDQVVQOJCNHQHVJGUETGGPVQFKURNC[OGPWQPVJGUETGGPKHPGEGUUCT[
2TGUU=#0).'?TGRGCVGFN[QPVJGTGOQVGEQPVTQN
6JGXKGYCPINGKUEJCPIGF
PLAY

13
Rotate Pictures
9JGP[QWXKGYRKEVWTGUVQWEJDQVVQOJCNHQHVJGUETGGPVQFKURNC[
OGPWQPVJGUETGGPKHPGEGUUCT[
6QWEJ=4QVCVG?TGRGCVGFN[VQTQVCVGVJGRKEVWTG
Zoom
;QWECP\QQOKPRKEVWTGUHQTCENQUGXKGY
9JGP[QWXKGYRKEVWTGUVQWEJDQVVQOJCNHQHVJGUETGGPVQ
FKURNC[OGPWQPVJGUETGGPKHPGEGUUCT[
6QWEJ=?VQFKURNC[VJGPFOGPWKHPGEGUUCT[
6QWEJ=<QQO?TGRGCVGFN[VQ\QQOKPVJGRKEVWTG
7UG= ?= ?= ?= ?MG[UVQRCPVJTQWIJVJGGPNCTIGF
RKEVWTG
PLAY

14
;QWECPOCMGQTTGEGKXGRJQPGECNNUYKVJ$NWGVQQVJGPCDNGFRJQPGUVJTQWIJVJGWPKV;QWECP
CNUQNKUVGPVQOWUKEHTQOC$NWGVQQVJGPCDNGFFGXKEG
Pair the Bluetooth-enabled devices
6QEQPPGEV[QWT$NWGVQQVJFGXKEGVQVJGWPKV[QWPGGFVQRCKTVJGFGXKEGVQVJGWPKV2CKTKPIPGGFU
QPN[VQDGFQPGQPEG;QWECPRCKTWRVQſXGFGXKEGU
6WTPQPVJG$NWGVQQVJHWPEVKQPQPVJGFGXKEG
5GCTEJHQT$NWGVQQVJFGXKEGYKVJVJGFGXKEG
5GNGEVő%'ŒKPVJGRCKTKPINKUV
'PVGTFGHCWNVRCUUYQTFőŒ
+HRCKTKPIUWEEGGFURJQPGECNNTGEQTFKUFKURNC[GF
Tip:
Ŗ 6JGQRGTCVKQPCNTCPIGDGVYGGPVJKUWPKVCPFC$NWGVQQVJFGXKEGKUCRRTQZKOCVGN[OGVGTU
HGGV
Ŗ $GHQTG[QWEQPPGEVC$NWGVQQVJFGXKEGVQVJKUWPKVHCOKNKCTK\G[QWTUGNHYKVJVJG$NWGVQQVJ
ECRCDKNKVKGUQHVJGFGXKEG
Ŗ %QORCVKDKNKV[YKVJCNN$NWGVQQVJFGXKEGKUPQVIWCTCPVGGF
Ŗ #P[QDUVCENGDGVYGGPVJKUWPKVCPFC$NWGVQQVJFGXKEGECPTGFWEGVJGQRGTCVKQPCNTCPIG
Ŗ -GGRVJKUWPKVCYC[HTQOCP[QVJGTGNGEVTQPKEFGXKEGVJCVOC[ECWUGKPVGTHGTGPEG
Disconnect Bluetooth device
6QFKUEQPPGEVQPGFGXKEGVQWEJ= ?$NWG
= ?)TGGPKUFKURNC[GF
Tip
Ŗ 6JGFGXKEGYKNNCNUQDGFKUEQPPGEVGFYJGPVJGFGXKEGKUOQXGFDG[QPFVJGQRGTCVKQPCNTCPIG
Ŗ +H[QWYCPVVQTGEQPPGEVVJGFGXKEGVQVJGWPKVRNCEGKVYKVJKPVJGQRGTCVKQPCNTCPIG
Ŗ +H[QWFQPQVYCPVVQTGEQPPGEVVJGFGXKEGVQVJGWPKVCWVQOCVKECNN[VQWEJ= ?VJGPVQWEJ
=#WVQEQPPGEV?WPVKN=1HH?CRRGCTUCHVGT=#WVQEQPPGEV?(QTFGVCKNUUGGVJGő#FLWUV$NWGVQQVJ
UGVVKPIUŒUGEVKQP
Make a call
5GNGEV=$NWGVQQVJ?KPVJGJQOGOGPW
2CKTVJGRJQPGYKVJVJGWPKV
6QWEJ= ?= ?VQUGNGEVVJGRCKTGFRJQPGVQWEJKVVQUGNGEV
6QWEJ= ?= ?VQUGCTEJHQTRJQPGPWODGTHTQOVJGHQNNQYKPI
list:
ŧ=/KUUGFECNNU?
ŧ=4GEGKXGFECNNU?
ŧ=&KCNGFECNNU?
ŧ=2JQPGDQQM?
1TVQWEJ= ?VQFKCNPWODGTFKTGEVN[VJGPVQWEJ= ?VQFKCN
Bluetooth mode

15
Receive call
$[FGHCWNVCNNKPEQOKPIECNNUCTGTGEGKXGFCWVQOCVKECN[
+HVJGTGKUKPEQOKPIECNN=+PEQOKPIECNN?ƀCUJGFQPVJGUETGGP
5RGCMKPVQVJG$NWGVQQVJOKETQRJQPG
9JGPEQPXGTUCVKQPGPFUVQWEJ= ?TGFVQVGTOKPCVGVJGECNN
Tip
ŧ ;QWECPUGNGEVVQTGEGKXGECNNUOCPWCNN[D[UGV=#WVQCPUYGT?VQ=1HH?UVCVWU
Switch Phone Call to the Mobile
+H[QWFQPQVYCPV[QWTRCUUGPIGTVQJGCT[QWTKPEQOKPIECNN[QWECPUYKVEJVJG
ECNNVQVJGOQDKNG
&WTKPIVCNMKPIVQWEJ= ?
6JGXQKEGKUVTCPUHGTTGFHTQOVJGWPKVŏUNQWFURGCMGTVQVJGOQDKNGRJQPG
Adjust Bluetooth Settings
+P$NWGVQQVJOGPWVQWEJ= ?
6JGQRVKQPOGPWKUFKURNC[GF
6QWEJQPVJGUGNGEVGFQRVKQPVQEJCPIGVJGUGVVKPI
ŧ=$NWGVQQVJ?VQVWTPQPQTQHHő$NWGVQQVJŒHWPEVKQP
ŧ=#WVQ%QPPGEV?VQVWTPQPQTQHHő#WVQEQPPGEVŒHWPEVKQP
ŧ=#WVQ#PUYGT?VQVWTPQPQTQHHő#WVQCPUYGTŒHWPEVKQP
ŧ=2CKTKPI%QFG?VQUGVRCTKPIEQFG
ŧ=2JQPG$QQM5[PE? VQU[PEJTQPK\GRJQPGDQQMVQWEJ= ?QP
VJGUWDOGPWRQRRGFQWV
Tip
ŧ;QWECPCNUQCFLWUV$NWGVQQVJUGVVKPIUKPVJGő5GVVKPIUŒOGPW
Bluetooth mode

16
Select iPod as playing source
Turn on the unit’s power, and connect an iPod to the unit via a iPod cable, the unit will load the
K2QFCWVQOCVKECNN[
Play
1PVJGK2QFOCKPOGPWQRGTCVGVJGK2QFXKCVQWEJRCPGN
(QTCWFKQſNGU
9JGPVJGOWUKETQQVOGPWCRRGCTUQPVJGUETGGP
VQWEJCPQRVKQPUWEJCU2NC[.KUVU#TVKUVU
VJGPVQWEJ= ?QT= ?VQUGNGEVCſNG
6QWEJVJGUGNGEVGFQRVKQPVQRNC[DCEM
6QRCWUGVQWEJ= ?
6QTGUWOGRNC[VQWEJ= ?
5MKRVQRTGXKQWUPGZVVTCEMRTGUU= ?= ?MG[
0QY2NC[KPI+H[QWTGVWTPVQVJGTQQVOGPWYJGPRNC[KPICUQPI[QWECPVQWEJ= ?VQEQPVKPWG
VJGRTGXKQWURNC[DCEM
(QTXKFGQſNGU
6QWEJ= ?VQFKURNC[XKFGQHQNFGTUTQQV
6QWEJCPQRVKQPVJGPVQWEJ= ?QT= ?VQUGNGEVCſNG
6QWEJ= ?VQUVCTVRNC[
6QWEJ= ?VQUVQRCPFTGVWTPVQVJGTQQVOGPW
(QTRKEVWTGſNGU
6QWEJ= ?VQTGVWTPVQRNC[NKUVOGPW
6QWEJ= ?VJGPQRGTCVGQP[QWTK2QF
iPod

17
Adjust volume
6QCFLWUVXQNWOGTQVCVGVJGXQNWOGMPQDQPVJGHTQPVRCPGN
Mute
9JGPRNC[DCEMRTGUUVJG81.7/'MPQDQPVJGRCPGNQT= ?QPVJGUETGGPKHCXCKNCDNGVJG
UQWPFKUEWVQHH
6QTGUWOGUQWPFRTGUUVJGDWVVQPCICKP
Select preset equalizer
;QWECPUGNGEVRTGUGVGSWCNK\GT
ŧ=7UGT?ŧ=,C\\?
ŧ=6GEJPQ?ŧ=1RVKOCN?
ŧ=4QEM?ŧ=(NCV?
ŧ=%NCUUKE?ŧ=2QR?
6QWEJ= ?QPVJGUETGGP
6JGEWTTGPV'SWCNK\GTUGVVKPIKUFKURNC[GF
6QWEJ=?QT=?VQUGNGEVCP'3
6QWEJ=?QT=?VQCFLWUVDGNQYUGVVKPIU
ŧ=$CUU?DCUUTCPIGVQ
ŧ=/KF?OKFFNGTCPIGVQ
ŧ=6TGD?VTGDNGTCPIGVQ
ŧ=.2*?NQYRCUUſNVGTTCPIG
ŧ=/2(?OKFFNGRCUUſNVGTTCPIG----
ŧ=*2(?JKIJRCUUſNVGTTCPI----
6QWEJ= ?VQTGUVQTGVJGCDQXGUGVVKPIUKPVQFGHCWNVUGVVKPIU
6QWEJVJGWRRGTNGHVEQTPGTQHVJGUETGGPVQGZKV
Adjust fader/balance
;QWECPCNUQCFLWUVVJGHTQPVCPFTGCTURGCMGTDCNCPEGVJGNGHVCPFTKIJVURGCMGTDCNCPEGCPF
UWDYQQHGTUGVVKPIU
6QWEJ= ?QPVJGUETGGP
6QWEJ= ?
$GNQYQRVKQPUCTGFKURNC[GF
6QWEJ=?QT=?VQUGNGEVUWDYQQHGTXQNWOG
ŧ =5WD?UWDYQQHGTXQNWOGVQ
6QWEJ= ?= ?QT= ?= ?VQCFLWUVHCFGTDCNCPEGXCNWG
ŧ =(CFG?HCFGTTCPIGVQ(HTQPVTCPIG4TGCTTCPIG
ŧ =$CNCPEG?DCNCPEGTCPIGVQ.NGHVTCPIG4TGCTTCPIG
6QWEJVJGWRRGTNGHVEQTPGTQHVJGUETGGPVQGZKV
Adjust sound

18
Display System
6QWEJVJGWRRGTNGHVEQTPGTVQFKURNC[OCKPOGPW
6QWEJ=5GVVKPIU?
6JGUGVVKPIUOGPWKUFKURNC[GF
Adjust video settings
6QWEJ=8KFGQ?
6QWEJCPQRVKQPTGRGCVGFN[VQUGNGEV
6QWEJVJGWRRGTNGHVEQTPGTQHVJGUETGGPVQGZKV
Video settings Options Description
#URGEVTCVKQ Full For widescreen display
Normal For normal display
4GCTECOGTC Normal 9JGP[QWFTKXGKPTGXGTUGVJGTGCTXKGYFKURNC[GFKPPQTOCNN[
/KTTQT 9JGP[QWFTKXGKPTGXGTUGVJGTGCTXKGYKUFKURNC[GFKPOKTTQT
DivX registration
code 8KGYEQFGHQT&KX:TGIKUVTCVKQP
SETUP
Adjust general Settings
6QWEJ=)GPGTCN?KHPGEGUUCT[
6QWEJ= ?QT= ?VQJKIJNKIJVCUGVVKPI
6QWEJQPVJGQRVKQPVQFKURNC[UGNGEVCPQRVKQP
6QWEJDNCPMCTGCQHVJGUETGGPVQGZKV
General settings Options Description
4CFKQTGIKQP
75#
5GNGEVQPGVJCVOCVEJGU[QWTNQECVKQP
#UKC
,CRCP
'WTQRG
'WTQRG.9
1+46
$NCEMQWV
Off 0GXGTVWTPQPVJGUETGGPUCXGT
5 Turn on the screen saver automatically 10 seconds after
NCUVQRGTCVKQP
5 Turn on the screen saver automatically 20 seconds after
NCUVQRGTCVKQP
$GGR On $WTPQPVJGDGGRUQWPF'CEJVKOG[QWRTGUUCDWVVQP
VJGWPKVDGGRU
Off 6WTPQHHVJGDGGRUQWPF
9CNNRCRGT $NCEM5JQTG9CXGU.QVWU(NQYGT
5OCTV%CTU&GPUG(NQYGTU ;QWECPUGNGEVVJGHQPFYCNNRCRGT
%CNKDTCVKQP %CNKDTCVGVJGVQWEJUETGGP
Adjust time settings
2NGCUGTGHGTTGPEGHQTVJGRCIG

19
Adjust sound settings
6QWEJ=5QWPF?
6QWEJCPQRVKQPTGRGCVGFN[VQUGNGEV
6QWEJVJGWRRGTNGHVEQTPGTQHVJGUETGGPVQGZKV
Sound settings Options Description
5WDYQQHGT On 6WTPQPVJGUWDYQQHGT
Off Turn off the subwoofer
5WDYQQHGTſNVGT
*\
5GNGEVUWDYQQHGTſNVGTETKVGTKC*\
*\
.QWFPGUU On 6JGF[PCOKE$CUU$QQUVHWPEVKQPUKUQP
Off 6JGNQWFPGUUHWPEVKQPKUQHH
Adjust language settings
6QWEJ=.CPIWCIG?
6QWEJCPQRVKQPTGRGCVGFN[VQUGNGEV
6QWEJVJGWRRGTNGHVEQTPGTQHVJGUETGGPVQGZKV
Language settings Description
15& 5GNGEVQPUETGGPFKURNC[NCPIWCIG
&8&CWFKQ 5GNGEV&8&CWFKQNCPIWCIG1RVKQPUCXCKNCDNGCTGFGRGPFUQP&8&FKUE
&8&UWDVKVNG 5GNGEV&8&UWDVKVNGNCPIWCIG1RVKQPUCXCKNCDNGCTGFGRGPFUQP&8&FKUE
Disc menu 5GNGEV&8&OGPWNCPIWCIG1RVKQPUCXCKNCDNGCTGFGRGPFUQP&8&FKUE
Adjust Bluetooth settings
6QWEJ=$NWGVQQVJ?
6QWEJCPQRVKQPTGRGCVGFN[VQUGNGEV
6QWEJVJGWRRGTNGHVEQTPGTQHVJGUETGGPVQGZKV
Bluetooth settings Options Description
$NWGVQQVJ On 6WTPQPVJG$NWGVQQVJHWPEVKQP
Off 6WTPQHHVJG$NWGVQQVJHWPEVKQP
#WVQEQPPGEV On +HVJGRTGRCKTGFFGXKEGKUYKVJKPVJGGHHGEVKXGTCPIGVJGWPKVTGEQQPGEVU
VQRTGRCKTGFFGXKEGCWVQOCVKECNN[
Off 0GGFVQTGEQPPGEVOCPWCNN[
#WVQCPUYGT On #PUYGTRCKTGFRJQPGECNNCWVQOCVKECNN[
Off #PUYGTRJQPGECNNOCPWCNN[
/KETQRJQPG +PVGTPCN 7UGKPVGTPCNOKETQRJQPG
'ZVGTPCN 7UGGZVGTPCNOKETQRJQPGPGGFVQDGEQPPGEVGF
Pairing code 5GVVJGRCUUYQTFHQTRCKTKPIVJGWPKVYKVJQVJGT$NWGVQQVJFGXKEG
SETUP

20
Adjust DVD rating
6QWEJ=&8&TCVKPI?
6QWEJCPQRVKQPTGRGCVGFN[VQUGNGEV
6QWEJVJGWRRGTNGHVEQTPGTQHVJGUETGGPVQGZKV
DVD rating Options Description
5GVRCUUYQTF 5GVRCUUYQTFVQTGUVTKEVVJGRNC[QHFKUEU6JGUWRRGTRCUUYQTFKU
4CVKPINGXGN
-KFUCHG #EEGRVCDNGHQTEJKNFTGP
G#EEGRVCDNGHQTIGPGTCNXKGYGTU
PG 2CTGPVCNIWKFCPEGUWIIGUVGF
PG-13 7PUWKVCDNGHQTEJKNFTGPWPFGTCIG
2)4 4GEQOOGPFRCTGPVUVQTGUVTKEVEJKNFTGPWPFGTVQXKGY
4 4GUVTKEVGFTGEQOOGPFRCTGPVUVQIWKFGEJKNFTGPWPFGTVQXKGY
0% 7PUWKVCDNGHQTEJKNFTGPWPFGTCIG
#FWNV #EEGRVCDNGHQTCFWNVUQPN[
.QCFHCEVQT[ 4GUVQTGVQFGHCWNVUGVVKPIU
Adjust volume settings
;QWECPUGVFKHHGTGPVXQNWOGHQTFKHHGTGPVOQFGU
6QWEJ=8QNWOG?
6JGXQNWOGUGVVKPIUWDOGPWKUFKURNC[GF
6QWEJQPCUQWTEG
ŧ =&8&? ŧ =#8+0?
ŧ =75$? ŧ =#8+0?
ŧ =5&*%? ŧ =0CXKICVKQP?
ŧ =4CFKQ? ŧ =K2QF??
ŧ =$NWGVQQVJ? ŧ
6QWEJ= ?QT= ?VQCUUKIPXCNWGVQ
9JGPUYKVEJGUVQVJGUQWTEGVJGXQNWOGKPETGCUGUCWVQOCVKECNN[
6QWEJVJGWRRGTNGHVEQTPGTQHVJGUETGGPVQGZKV
SETUP

21
Listen to other devices
;QWECPEQPPGEVCPGZVGTPCNCWFKQXKFGQFGXKEGVQDGWPKV
%QPPGEVVJGECTCWFKQVQVJGFGXKEGYKVJVJGUWRRNKGF#8ECDNG
6QWEJVJGWRRGTNGHVEQTPGTVQFKURNC[VJGOCKPOGPW
6QWEJ=#8+0?=#8+0?
1RGTCVGFVJGEQPPGEVGFVJGFGXKEGUGGVJGKPUVTWEVKQPUOCPWCNQHVJGFGXKEG
Tip
+H[QWEQPPGEVGFVJGU[UVGOVQQVJGTCWFKQFGXKEGVJTQWIJVJG4'#4176.4EQPPGEVQVUGG
ő%QPPGEVYKTGUŒUGEVKQPVQWEJ=#8+0?VQNKUVGPVQVJCVFGXKEG
Reset
9JGPVJGWPKVJCPIUWR[QWECPTGUGVKV
2TGUU4'5'6YKVJCDCNNRQKPVRGPQTUKOKNCTVQQN
Tip
9JGPVJGWPKVKUTGUGVCNNVJGUGVVKPIUTGOCKPWPEJCPIGF
Remove the unit
To repair ,replace fuse ,or replace the unit with another car audio,remove it from
VJGFCUJDQCTF
6CMGQHHVJGVTKORNCVG
5ETGYQHHVJGHQWTUETGYUQPVJGNGHVTKIJVUKFGQHVJGWPKV
2WNNVJGWPKVQWVHTQOVJGFCUJDQCTF
Replace fuse
+HVJGTGKUPQRQYGTVJGHWUGOC[DGFCOCIGFCPFPGGFVQDGTGRNCEGF
6CMGQWVVJGWPKVHTQOFCUJDRCTF
%JGEMVJGGNGEVTKEEQPPGEVKQP
$W[CHWUGVJCVOCVEJGUVJGXQNVCIGQHVJGFCOCIGFHWUG
4GRNCEGVJGHWUG
GPS
6QWEJVJGWRRGTNGHVEQTPGTVQFKURNC[JQOGOGPW
6QWEJ=0CXKICVKQP?VJGPCXKICVKQPOGPWKUFKURNC[KPCHGYUGEQPFU
4GHGTVQVJGOCROCPWCNVQQRGTCVGVJGPCXKICVKQPVQQN
Tip:
;QWECPRTGUU=0#8?DWVVQPQHVJGRCPGNVQGPVGTGZKVVJGPCXKICVKQPU[UVGO
Other modes
4GCGV

22
7UGT&GſPGF9CNNRCRGT
'PVT[
5GNGEV5GVVKPIOQFGQPVJG5QWTEGOGPWVQWEJ=YCNNRCRGT?KPVJG)GPGTCNUGVVKPIVJGPVQWEJ
VJGFQYPYCTFUDWVVQPQHVJGNKUVGFUWDOGPWWPVKN[QWſPF=WUGTFGſPGF?VQWEJKVVQGPVGTWUGT
FGſPGFYCNNRCRGTOCPCIGOGPV
.QCFRKEVWTGHTQO5&%CTFCPFWUGKVCUYCNNRCRGT
+H[QWKPUGTVVJG5&%CTFYKVJRKEVWTGUKPKVCHVGT[QWTGPVT[[QWOC[JCXGVQYCKVUGXGTCN
UGEQPFUHQTVJG5&%CTFTGCFKPI1VJGTYKUG[QWOC[WUGKVFKTGEVN[
6Q5GNGEVCRKEVWTGKP5&%CTF[QWUJQWNFVQWEJő5GCTEJ5&%CTFŒDWVVQPHKTUVVJGPVJG
FKTGEVQTKGUCPFVJGſNGUYKNNDGNKUVGF+H[QWUGNGEVCFKTGEVQT[CPFVJGPVQWEJőŨŒDWVVQP[QW
YKNNGPVGTVJGFKTGEVQT[+H[QWUGNGEV CRKEVWTGCPF VJGPVQWEJőŨŒDWVVQPVJGRKEVWTGYKNNDG
NQCFGFKPVQVJGƀCUJCPFWUGFCUEWTTGPVYCNNRCRGTCVVJGUCOGVKOG
6QWEJVJGDWVVQPDGNQYőŨŒVQIQDCEMVQXKGYVJGRKEVWTGUKPƀCUJ
6QWEJVJGDWVVQPCVVJGTKIJVUKFGQHVJGFKURNC[QHFKTGEVQT[VQIQDCEMVQVJGWRRGTFKTGEVQT[
7UGQTFGNGVGRKEVWTGUKPƀCUJ
#HVGTVJGUVUVGR[QWECPUGGVJGRKEVWTGUKPƀCUJNKUVGFQWV[QWECPRTGXKGYVJGOD[UGNGEV
QPGQHVJGOVJGPVQWEJVJGőŨŒDWVVQPVQWUGKVCUYCNNRCRGT
;QWECPCNUQFGNGVGRKEVWTGUKPƀCUJYJKEJ[QWCTGPQVEWTTGPVN[WUKPI5GNGEVQPGCPFVQWEJ
VJGICTDCIGDQZDWVVQP
Other modes

23
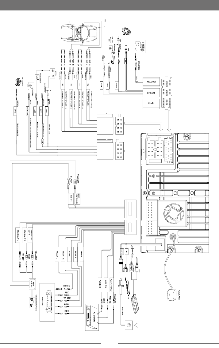
Device connections
Parking Brake Cable Connections
Reverse Driving Cable Connections

24
Device connections
Installation Guide
+HTGNGXCPVTGOQXGCP[QVJGTCWFKQU[UVGOHTQOVJGECT
2GTHQTOVJGTGSWKTGFGNGEVTKECNEQPPGEVKQPU
+HPGEGUUCT[EQPPGEVVJGJCPFDTCMGYKTGVQ[QWTJCPFDTCMGEQPVCEVKPQTFGTVQCEVKXCVGVJG
XKFGQFKURNC[YJGPRNC[KPIC&8&YJGPVJGECTKURCTMGF
%QPPGEVVJGYKTGVJCVCEVKXCVGUVJGTGXGTUKPIECOGTCVQVJGTGXGTUKPIUGPUQTQTVQCTGXGTUKPI
NKIJV+HPGEGUUCT[EQPPGEV[QWTTGXGTUKPIECOGTCVQVJGECTTCFKQŏUTGXGTUKPIECOGTCKPRWV
WUKPICXKFGQECDNGPQVUWRRNKGF
'PUWTGVJCV[QWPQYRNCEGVJG75$ECDNGNQECVGFCVVJGDCEMQHVJGWPKVKPUWEJCYC[VJCVKV
EQOGUQWVQHVJGFCUJDQCTFQTVJGINQXGDQZ
6JGPEJGEMVJCVGXGT[VJKPIYQTMUDGHQTGKPUVCNNKPIVJGOCKPWPKV
4GOQXGVJGVYQUETGYUQPVJGVQRQHVJGWPKVQVJGTYKUGVJGWPKVYKNNPQVYQTM
+PUVCNNVJGECTTCFKQKPVJGFCUJDQCTFWUKPIVJGUWRRNKGFUETGYU/ZOO
#VVCEJVJGQWVGTVTKOHTCOG
+H[QWCTGPQVUWTGJQYVQKPUVCNNVJKUWPKVEQTTGEVN[EQPVCEVCSWCNKſGFVGEJPKEKCP

25
Geneal
4GHGTGPEG5WRRN[8QNVCIG 8&%
1RGTCVKPI8QNVCIG4CPIG8&%
/CZ1RGTCVKPI%WTTGPV#
)TQWPFKPI5[UVGO %CT$CVVGT[0GICVKXG2QNG
&KOGPUKQPU9:*:& 178X100X173mm
9GKIJVOCKPWPKV MI
FM
5KIPCN0QKUG4CVKQ ŮF$
4GUKFWCN0QKUG5GPUKVKXKV[50F$ F$z8
(TGSWGPE[4GURQPUGvF$*\`-*\
5VCVKQP5GGMKPI.GXGN `F$z8
Distortion ŭ
5VGTGQ5GRCTCVKQP-*\ ŮF$
#PVGPPC+ORGFCPEGš
AM
4GUKFWCN0QKUG5GPUKVKXKV[50F$ F$z8
5GNGEVKXKV[v-*\ ŮF$
LCD
5ETGGPUK\G KPEJGU
Display resolution800X480dots
%QPVTCUVTCFKQ 400
$TKIJVPGUU 280cd/m2
DVD Player
5KIPCN0QKUG4CVKQF$
&[PCOKE4CPIGF$
Distortion(line out) ŭ
(TGSWGPE[4GURQPUGvF$*\`-*\
/CZKOWO1WVRWV2QYGTª9
.QCF+ORGFCPEGš
AUX IN
Distortion ŭ
(TGSWGPE[4GURQPUGvF$*\`-*\
#WFKQ+PRWV.GXGN8TOU
Audio
#WFKQ1WVRWV+ORGFCPEGš
#WFKQ1WVRWV.GXGN 8TOU/CZ
Video
0QTOCN8KFGQ+PRWV.GXGN%8$5v8
8KFGQ+PRWV+ORGFCPEGš
8KFGQ1WVRWV+ORGFCPEGš
8KFGQ1WVRWV.GXGNv8
Environment
Operating Temperatureu%`u%
5VQTKPI6GORGTCVWTGu%`u%
Operating Humidity `4*
5VQTKPI*WOKFKV[ `4*
Notice:
9JGPVJGWPKVKUQRGTCVGFGZVTGOGN[UWEJCUQRGTCVGFYKVJOCZKOWORQYGTQWVRWVHQTCNQPI
VKOGQTVJGVGORGTCVWTGKUQXGTu%KVYKNNGPVGTJGCVRTQVGEVKQPOQFGVJGXQNWOGYKNNDGNQYGT
CWVQOCVKECNN[6JKUKUPQTOCN
0LA?Eł?=PEKJO

26
Supported formats:
|75$QTOGOQT[ſNGHQTOCV(#6(#6
|/RDKVTCVGFCVGTCVG-DRUCPFXCTKCDNGDKVTCVG
|9/#XQTGCTNKGT
·Directory nesting up to a maximum of 8 levels
·Number of albums/folders:maximum 99
·Number of tracks/titles:maximum 999
|+&VCIXQTNCVGT
|(KNGPCOGKP7PKEQFG76(OCZKOWONGPIVJD[VGU
Unsupported formates:
|'ORV[CNDWOUCPGORV[CNDWOKUCPCNDWOVJCVFQGUPQVEQPVCKP/29/#
ſNGUCPFKUPQVDGUJQYPKPVJGFKURNC[
|7PUWRRQTVGFſNGHQTOCVUCTGUMKRRGF(QTGZCORNG9QTFFQEWOGPVUFQEQT
/RſNGUYKVJGZVGPUKQPFNHCTGKIPQTGFCPFPQVRNC[GF
|##%9/82%/CWFKQſNGU
|&4/RTQVGEVGF9/#ſNGUYCXOCORORCCE
|9/#ſNGUKP.QUUNGUUHQTOCV
Supported MP3 disc format:
|+51,QNKGV
|/CZKOWOVKVNGPWODGTFGRGPFKPIQPſNGPCOGNGPIVJ
|/CZKOWOCNDWOPWODGT
|5WRRQTVGFUCORNKPIHTGSWGPEKGUM*\M*\M*\
|5WRRQTVGF$KVTCVGU-DRUCPFXCTKCDNGDKVTCVG
Supported video formats:
|&8&
|/2
·Xvid
Region code
#EEQTFKPIVQ&8&UCNGTGIKQPVJGYJQNGYQTNFKUFKXKFGFKPVQUKZTGIKQPU#&8&FKUEECP DG
RNC[GFDCEMQPN[YJGPKVUTGIKQPEQFGKUEQORCVKDNGYKVJVJCVQHVJGRNC[GTKPWUG
4GIKQP75#%CPCFC'CUV2CEKſE1EGCP+UNCPFU
4GIKQP,CRCP9GUV'WTQRG0QTVJ'WTQRG'I[RV5QWVJ#HTKEC/KFFNG'CUV
4GIKQP6CKYCPQH%JKPC*QPI-QPIQH%JKPC5QWVJ-QTGC6JCKNCPF+PFQPGUKC5QWVJ'CUV
#UKC
4GIKQP#WUVTCNKC0GY<GCNCPF/KFUQWVJ#OGTKEC5QWVJ2CEKſE1EGCP+UNCPFU1EGCPKC
4GIKQP4WUUKC/QPIQNKC+PFKC/KFFNG#UKC'CUV'WTQRG0QTVJ-QTGC0QTVJ#HTKEC0QTVJ
9GUV#UKC
4GIKQP%JKPGUG/CKPNCPF
Cautions of disc using
1) DO NOT use irregular shaped disc
&KUE%NGCPKPI
7UGCFT[UQHVENQVJVQYKRGVJGFKUEHTQOEGPVGTVQGFIGQPN[PGWVTCNFGVGTIGPVECPDGWUGF
9JGPRNC[KPICPGYFKUE
0GYFKUEOC[JCXGUQOGTQWIJURQVUCTQWPFVJGKPPGTCPFQWVGTGFIGU+HUWEJCFKUEKUWUGF
TGOQXGVJGUGTQWIJURQVUYKVJCRGPEKNQTDCNNRQKPVRGPGVE
0LA?Eł?=PEKJO

27
Warning
0GXGTTGOQXGVJGECUKPIQHVJKUCRRCTCVWU
6QMGGRVJGYCTTCPV[XCNKFPGXGTVT[VQTGRCKTVJGU[UVGO[QWTUGNH
+H[QWGPEQWPVGTRTQDNGOUYJGPWUKPIVJKUCRRCTCVWUEJGEMVJGHQNNQYKPIRQKPVUDGHQTGTGSWGUVKPI
UGTXKEG+HVJGRTQDNGOTGOCKPUWPUQNXGFRNGCUGEQPVCEV[QWTFGCNGT
No power
ŧ%CTGPIKPGJCUPQVDGGPUVCTVGF5VCTVVJGECTGPIPG
ŧ%QPPGEVKQPUKUPEQTTGEV
ŧ(WUGJCUDGGPFCOCIGF4GRNCEGHWUG
No sound
ŧ8QNWOGKUVQQNQY#FLWUVXQNWOG
ŧ5RGCMGTEQPPGEVKQPUKUKPETTGEV
No response to the remote control
ŧ'PUWTGVJCVVJGRCVJDGVYGGPVJGTGOQVGEQPVTQNCPFVJGWPKVKUENGCTHTQOQDUVCENGU
ŧ(TQOCENQUGFKUVCPEGRQKPVVJGTGOQVGEQPVTQNFKTGEVN[CVVJGWPKV
ŧ4GRNCEGVJGTGOQVGEQPVTQNDCVVGT[
ŧ6JGHWPEVKQPFQGUPQVYQTM4GHGTVQVJGKPUVTWEVKQPU
Disc does not play
ŧ&KUEKUWRUKFGFQYP'PUWTGVJGRTKPVGFUKFGKUWRYCTFU
ŧ&KUEKUFKTV[%NGCPVJGFKUEYKVJCENGCPUQHVNKPVHTGGENQVJ9KRGVJGFKUEQWVYCTFU
HTQOVJGEGPVGT
ŧ&KUEKUFGHGEVKXG6T[CPQVJGTFKUE
ŧ+PEQORCVKDNGFKUEKUWUGF6T[CPQVJGTFKUE
ŧ&KUETCVKPIGZEGGFUVJGTGUVTKEVUGVVKPI%JCPIGVJGTCVKPIUGVVKPIUVQNQYGTQPG
ŧ&KUETGIKQPEQFGKUPQVEQORCVKDNGYKVJVJGWPKV7UGFKUEYKVJRTQRGTTGIKQPEQFG
No image
ŧ2CTMKPIDTCMGYKTGEQPPGEVKQPKUKPEQTTGEV%JGEMVJGRCTMKPIYKTKPI
+OCIGƀCUJGUQTFKUVQTVGF
ŧ8KFGQ&8&UGVVKPIUFQPQVOCVEJYKVJVJG&8&#FLWUVXKFGQ&8&UGVVKPIU
ŧ8KFGQEQPPGEVKQPKUKORTQRGT%JGEMVJGEQPPGEVKQPU
Noise in broadcasts
ŧ5KIPCNUCTGVQQYGCM5GNGEVQVJGTUVCVKQPUYKVJUVTQPIGTUKIPCNU
ŧ%JGEMVJGEQPPGEVKQPQHVJGECTCPVGPPC
ŧ%JCPIGDTQCFECUVHTQOUVGTGQVQOQPQ
Preset stations lost
ŧ$CVVGT[ECDNGKUPQVEQTTGEVN[EQPPGEVGF%QPPGEVVJGDCVVGT[ECDNGVQVJGVGTOKPCN
VJCVKUCNYC[UNKXG
Troubleshooting

28
Fuse is broken
ŧ6JG(WUGV[RGKUKPEQTTGEV4GRNCEGKVYKVJC#HWUG
ŧ5RGCMGTYKTGQTRQYGTYKTGKUITQWPFGF
%JGEMVJGEQPPGEVKQPU
Display show ERR-12
ŧ75$FCVGGTTQT%JGEMVJG75$FGXKEG
About Bluetooth device
/WUKERNC[DCEMKUWPCXCKNCDNGQPVJGU[UVGOGXGPCHVGTUWEEGUUHWN$NWGVQQVJEQPPGEVKQP
ŧ6JGFGXKEGECPPQVDGWUGFYKVJVJGUUVGOVQRNC[OWUKE
The audio quality is poor after connection with a Bluetooth-enabled device.
ŧ6JG$NWGVQQVJTGEGRVKQPKURQQT/QXGVJGFGXKEGENQUGTVQVJGU[UVGOQTTGOQXGCP[
QDUVCENGDGVYGGPVJGFGXKEGCPFVJGU[UVGO
Cannot connect with the system.
ŧ6JGFGXKEGFQGUPQVUWRRQTVVJGRTQſNGUTGSWKTGFHQTVJGU[UVGO
ŧ6JG$NWGVQQVJHWPEVKQPQHVJGFGXKEGKUPQVGPCDNGF4GHGTVQVJGWUGTOCPWCNQHVJG
FGXKEGHQTJQYVQGPCDNGVJGHWPEVKQP
ŧ6JGU[UVGOKUPQVKPVJGRCKTKPIOQFG
ŧ6JGU[UVGOKUCNTGCF[EQPPGEVGFYKVJCPQVJGT$NWGVQQVJGPCDNGFFGXKEG&KUEQPPGEV
VJCVFGXKEGQTCNNQVJGTEQPPGEVGFFGXKEGUCPFVJGPVT[CICKP
The paired mobile phone connects and disconnects constantly.
ŧ6JG$NWGVQQVJTGEGRVKQPKURQQT/QXGVJGOQDKNGRJQPGENQUGTVQVJGU[UVGOQT
TGOQXGCP[QDUVCENGDGVYGGPVJGOQDKNGRJQPGCPFVJGU[UVGO
ŧ5QOGOQDKNGRJQPGUOC[EQPPGEVCPFFKUEQPPGEVEQPUVCPVN[YJGP[QWOCMGQTGPF
ECNNU6JKUFQGUPQVKPFKECVGCP[OCNHWPEVKQPQHVJGU[UVGO
ŧ(QTUQOGOQDKNGRJQPGUVJG$NWGVQQVJEQPPGEVKQPOC[DGFGCEVKXCVGFCWVQOCVKECNN[
CUCRQYGTUCXKPIHGCVWTG6JKUFQGUPQVKPFKECVGCP[OCNHWPEVKQPQHVJGU[UVGO
Troubleshooting

29
Appendix
FCC warning statement
This equipment has been tested and found to comply with the limits for a Class B
digital device, pursuant to part 15 of the FCC Rules. These limits are designed to
provide reasonable protection against harmful interference in a residential installation.
This equipment generates, uses and can radiate radio frequency energy and, if not
installed and used in accordance with the instructions, may cause harmful interference
to radio communications. However, there is no guarantee that interference will not
occur in a particular installation. If this equipment does cause harmful interference to
radio or television reception, which can be determined by turning the equipment off
and on, the user is encouraged to try to correct the interference by one or more of the
following measures:
• Reorient or relocate the receiving antenna.
• Increase the separation between the equipment and receiver.
• Connect the equipment into an outlet on a circuit different from that to which the
receiver is connected.
• Consult the dealer or an experienced radio/TV technician for help
This equipment complies with FCC radiation exposure limits set forth for an
uncontrolled environment. This equipment should be installed and operated with
minimum 20 cm between the radiator and your body. This transmitter must not be
collocated or operating in conjunction with any other antenna or transmitter unless
authorized to do so by the FCC.
Changes or modifications not expressly approved by the party responsible for compliance.
could void the user's authority to operate the equipment.