HUNAN FN LINK TECHNOLOGY 8223A-SR WIFI+BT Module User Manual 15 8223A SR UserMan
FN-LINK TECHNOLOGY LIMITED WIFI+BT Module 15 8223A SR UserMan
15_8223A-SR UserMan

欧智通科技
Fn-Link
8223A-SR
WiFi Dual-band 1X1 +
11ac + Bluetooth v4.2
User's Manual

8223A-SR
FN-LINK
TECHNOLOGY LIMITED 1 Proprietary & Confidential Information
Revision History
Date Revision Content Revised By Version
2016/05/30 -Preliminary Ken 1.0
2016/06/11 Pin Definition Modified Ken 1.1
2016/11/01 Added power timing requirements Ken 1.2
2016/11/22 Modified power timing requirements Ken 1.3
2016/12/12 Deleted Pin 45 46 47 ken 1.4
2016-12-13 Add the key material list and reference design Colin Ming 1.5
2017-1-17 Modified the BT version Colin Ming 1.6
2017-02-09 Modified the RF Specification Colin Ming 1.7
2017-03-08 Update shield cover image Colin Ming 1.8
2017-04-11 Modified cover of the datasheet Colin 1.9

8223A-SR
FN-LINK
TECHNOLOGY LIMITED 1 Proprietary & Confidential Information
CONTENTS
1. Introduction ................................................................................................................... 1
2. Features ......................................................................................................................... 2
3. General Specification ................................................................................................... 3
3.1 General Specification .................................................................................................................. 3
4. WiFi RF Specification ................................................................................................... 4
4.1 2.4GHz RF Specification ............................................................................................................. 4
4.2 5GHz RF Specification ................................................................................................................ 5
5. Bluetooth Specification ................................................................................................ 8
5.1 Bluetooth Specification................................................................................................................ 8
6. Pin Assignments ........................................................................................................... 9
6.1 Pin Outline................................................................................................................................... 9
6.2 Pin Definition ............................................................................................................................... 9
7. Dimensions.................................................................................................................. 11
7.1 Physical Dimensions ................................................................................................................. 11
7.2 Module Physical Dimensions .................................................................................................... 12
7.3 Layout Recommendation .......................................................................................................... 13
8. Host Interface Timing Diagram .................................................................................. 14
8.1 SDIO Pin Description ................................................................................................................ 14
8.2 SDIO Default Mode Timing Diagram......................................................................................... 14
8.3 SDIO High Speed Mode Timing Diagram.................................................................................. 15
8.4 SDIO Bus Timing Specifications in SDR Modes ....................................................................... 16
8.5 SDIO Bus Timing Specifications in DDR50 Mode ..................................................................... 18
9. Power timing requirements........................................................................................ 19
10. Reference Design...................................................................................................... 20
11. Recommended Reflow Profile ................................................................................. 21
12. Packing Information.................................................................................................. 22

8223A-SR
FN-LINK
TECHNOLOGY LIMITED 1 Proprietary & Confidential Information
1. Introduction
Fn-Link Technology would like to announce a low-cost and low-power consumption module
which has all of the Wi-Fi, Bluetooth functionalities. The highly integrated module makes the
possibilities of web browsing, VoIP, Bluetooth headsets applications. With seamless roaming
capabilities and advanced security, also could interact with different vendors’
802.11a/b/g/n/ac Access Points in the wireless LAN.
The wireless module complies with IEEE 802.11 a/b/g/n/ac standard and it can achieve up
to a speed of 433.3Mbps with single stream in 802.11ac draft to connect to the wireless LAN.
The integrated module provides SDIO interface for Wi-Fi, UART / PCM interface for
Bluetooth.
This compact module is a total solution for a combination of Wi-Fi + BT technologies. The
module is specifically developed for Smart phones and Portable devices.

8223A-SR
FN-LINK
TECHNOLOGY LIMITED 2 Proprietary & Confidential Information
2. Features
z Highly integrated wireless local area network(WLAN) system-on-chip (SOC) for 5 GHZ
802.11ac, or 2.4G/5G 802.11n WLAN applications.
z Supports 20/40MHz at 2.4GHz and supports 20/40/80MHz at 5GHz
z Supports low power SDIO3.0 interface for WLAN and UART/PCM interface for
Bluetooth.
z Supports Bluetooth V4.2+HS, BLE and be backwards compatible with Bluetooth 1.2,
2.X+ enhance data rate.
z Supports WLAN-Bluetooth coexistence and ISM-LTE coexistence.
z Supports Bluetooth for class1 and class2 power level transmissions without requiring
an external PA.
z BT host digital interface:
- HCI UART (up to 4 Mbps)
- PCM for audio data
The block diagram of module is depicted in the figure below.

8223A-SR
FN-LINK
TECHNOLOGY LIMITED 3 Proprietary & Confidential Information
3. General Specification
3.1 General Specification
3.1.2 Recommended Operating Rating
Min. Typ. Max. Unit
Operating
Temperature -40 25 85 deg.C
VCC33 3.15 3.3 3.45 V
VDDIO 1.7 1.8 or 3.3
3.45 V
Model Name 8223A-SR
Product Description Support WiFi/Bluetooth functionalities
Dimension L x W x H: 12 x 12 x 1.7 (typical) mm
WiFi Interface Support SDIO V3.0
BT Interface UART / PCM
Operating temperature
-40°C to 85°C
Storage temperature -40°C to 125°C

8223A-SR
FN-LINK
TECHNOLOGY LIMITED 4 Proprietary & Confidential Information
4. WiFi RF Specification
4.1 2.4GHz RF Specification
Feature Description
WLAN Standard IEEE 802.11b/g/n, WiFi compliant
Frequency Range 2.400 GHz ~ 2.4835 GHz (2.4 GHz ISM Band)
Number of Channels
2.4GHz:Ch1 ~ Ch11
802.11b /CCK : EVM ≤ -9dB
802.11g /64-QAM(R=3/4): EVM ≤ -25dB
EVM
802.11n /64-QAM(R=5/6): EVM ≤ -28dB
Test Items Typical Value Standard Value
- 1Mbps PER @ -96 dBm ≤-83
- 2Mbps PER @ -90 dBm ≤-80
- 5.5Mbps PER @ -88 dBm ≤-79
Receive Sensitivity
(11b) @8% PER
- 11Mbps PER @ -87 dBm ≤-76
- 6Mbps PER @ -90 dBm ≤-85
- 9Mbps PER @ -88 dBm ≤-84
- 12Mbps PER @ -87 dBm ≤-82
- 18Mbps PER @ -85 dBm ≤-80
- 24Mbps PER @ -83 dBm ≤-77
- 36Mbps PER @ -80 dBm ≤-73
- 48Mbps PER @ -76 dBm ≤-69
Receive Sensitivity
(11g) @10% PER
- 54Mbps PER @ -74 dBm ≤-68
- MCS=0 PER @ -89 dBm ≤-85
- MCS=1 PER @ -85 dBm ≤-82
- MCS=2 PER @ -84 dBm ≤-80
- MCS=3 PER @ -80 dBm ≤-77
- MCS=4 PER @ -77 dBm ≤-73
- MCS=5 PER @ -75 dBm ≤-69
- MCS=6 PER @ -72 dBm ≤-68
Receive Sensitivity
(11n,20MHz)
@10% PER
- MCS=7 PER @ -71 dBm ≤-67
- MCS=0 PER @ -89 dBm ≤-82
- MCS=1 PER @ -85 dBm ≤-79
- MCS=2 PER @ -84 dBm ≤-77
- MCS=3 PER @ -80 dBm ≤-74
Receive Sensitivity
(11n,40MHz)
@10% PER
- MCS=4 PER @ -76 dBm ≤-70

8223A-SR
FN-LINK
TECHNOLOGY LIMITED 5 Proprietary & Confidential Information
- MCS=5 PER @ -72 dBm ≤-66
- MCS=6 PER @ -70 dBm ≤-65
- MCS=7 PER @ -69 dBm ≤-64
4.2 5GHz RF Specification
Feature Description
WLAN Standard IEEE 802.11a/n/ac, Wi-Fi compliant
Frequency Range 5.150 GHz ~ 5.250 GHz and 5.725 ~ 5.850 GHz (5.0GHz Band)
Number of Channels
5.0GHz:Please see the table1
Modulation 802.11a/n : 64-QAM,16-QAM, QPSK, BPSK
802.11ac : 256-QAM, 64-QAM,16-QAM, QPSK, BPSK
802.11a /64-QAM(R=3/4): EVM ≤ -25dB
802.11n /64-QAM(R=5/6): EVM ≤ -28dB
802.11ac/256-QAM(R=3/4): EVM ≤ -30dB
Output Power
802.11ac/256-QAM(R=5/6): EVM ≤ -32dB
Test Items Typical Value Standard Value
- 6Mbps PER @ -91 dBm ≤-85
- 9Mbps PER @ -89 dBm ≤-84
- 12Mbps PER @ -88 dBm ≤-82
- 18Mbps PER @ -86 dBm ≤-80
- 24Mbps PER @ -82 dBm ≤-77
- 36Mbps PER @ -79 dBm ≤-73
- 48Mbps PER @ -74 dBm ≤-69
Receive Sensitivity
(11a, 20MHz) @10%
PER
- 54Mbps PER @ -73 dBm ≤-68
- MCS=0 PER @ -90 dBm ≤-85
- MCS=1 PER @ -88 dBm ≤-82
- MCS=2 PER @ -85 dBm ≤-80
- MCS=3 PER @ -82 dBm ≤-77
- MCS=4 PER @ -78 dBm ≤-73
- MCS=5 PER @ -74 dBm ≤-69
- MCS=6 PER @ -72 dBm ≤-68
Receive Sensitivity
(11n,20MHz)
@10% PER
- MCS=7 PER @ -71 dBm ≤-67
- MCS=0 PER @ -88 dBm ≤-85
- MCS=1 PER @ -85 dBm ≤-82
Receive Sensitivity
(11n,40MHz)
@10% PER - MCS=2 PER @ -83 dBm ≤-80

8223A-SR
FN-LINK
TECHNOLOGY LIMITED 6 Proprietary & Confidential Information
- MCS=3 PER @ -79 dBm ≤-76
- MCS=4 PER @ -76 dBm ≤-73
- MCS=5 PER @ -71 dBm ≤-68
- MCS=6 PER @ -70 dBm ≤-67
- MCS=7 PER @ -68 dBm ≤-65
- MCS=0 PER @ -89 dBm ≤-83
- MCS=1 PER @ -87 dBm ≤-82
- MCS=2 PER @ -84 dBm ≤-80
- MCS=3 PER @ -81 dBm ≤-75
- MCS=4 PER @ -77 dBm ≤-72
- MCS=5 PER @ -73 dBm ≤-68
- MCS=6 PER @ -71 dBm ≤-67
- MCS=7 PER @ -70 dBm ≤-62
Receive Sensitivity
(11ac,20MHz)
@10% PER
- MCS=8 PER @ -66 dBm ≤-60
- MCS=0 PER @ -87 dBm ≤-80
- MCS=1 PER @ -83 dBm ≤-77
- MCS=2 PER @ -81 dBm ≤-74
- MCS=3 PER @ -78 dBm ≤-70
- MCS=4 PER @ -75 dBm ≤-69
- MCS=5 PER @ -70 dBm ≤-65
- MCS=6 PER @ -68 dBm ≤-64
- MCS=7 PER @ -66 dBm ≤-59
- MCS=8 PER @ -64 dBm ≤-57
Receive Sensitivity
(11ac,40MHz)
@10% PER
- MCS=9 PER @ -63 dBm ≤-55
- MCS=0 PER @ -83 dBm ≤-79
- MCS=1 PER @ -80 dBm ≤-76
- MCS=2 PER @ -78 dBm ≤-74
- MCS=3 PER @ -74 dBm ≤-71
- MCS=4 PER @ -71 dBm ≤-67
- MCS=5 PER @ -69 dBm ≤-63
- MCS=6 PER @ -65 dBm ≤-62
- MCS=7 PER @ -63 dBm ≤-61
- MCS=8 PER @ -60 dBm ≤-56
Receive Sensitivity
(11ac,80MHz)
@10% PER
- MCS=9 PER @ -59 dBm ≤-54

8223A-SR
FN-LINK
TECHNOLOGY LIMITED 7 Proprietary & Confidential Information
15GHz Channel table
Band (GHz) Operating Channel
Numbers
Channel center
frequencies(MHz)
36 5180
38 5190
40 5200
5.15GHz~5.25GHz 42 5210
44 5220
46 5230
48 5240
149 5745
151 5755
153 5765
155 5775
157 5785
159 5790
161 5805
165 5825
5.725GHz~5.825GHz

8223A-SR
FN-LINK
TECHNOLOGY LIMITED 8 Proprietary & Confidential Information
5. Bluetooth Specification
5.1 Bluetooth Specification
Feature Description
General Specification
Bluetooth Standard Bluetooth V4.2 of 1, 2 and 3 Mbps.
Host Interface UART
Antenna Reference External Antenna
Frequency Band 2402 MHz ~ 2480 MHz
Number of Channels 79 channels
Modulation FHSS, GFSK, DPSK, DQPSK
RF Specification
Min. Typical. Max.
Output Power
Sensitivity @ BER=0.1%
for GFSK (1Mbps) -92 dBm
Sensitivity @ BER=0.01%
for π/4-DQPSK (2Mbps) -92 dBm
Sensitivity @ BER=0.01%
for 8DPSK (3Mbps) -85 dBm
GFSK (1Mbps):-20dBm
π/4-DQPSK (2Mbps) :-20dBm
Maximum Input Level
8DPSK (3Mbps) :-20dBm
Class 1.5

8223A-SR
FN-LINK
TECHNOLOGY LIMITED 9 Proprietary & Confidential Information
6. Pin Assignments
6.1 Pin Outline
6.2 Pin Definition
NO
Name Type
Description
1 GND - Ground connections
2 WL_BT_ANT I/O RF I/O port
3 GND - Ground connections
4 NC - Floating (Don’t connected to ground)
5 NC - Floating (Don’t connected to ground)
6 HOST_WAKE_BT I HOST to wake-up Bluetooth device
7 BT_WAKE_HOST O Bluetooth device to wake-up HOST
8 NC - Floating (Don’t connected to ground)
9 VCC33 P Main power voltage source input 3.3V
10
NC - Floating (Don’t connected to ground)
11
NC - Floating (Don’t connected to ground)
12
WL_EN I Enable pin for WLAN device
ON: pull high ; OFF: pull low
13
WL_HOST_WAKE O WLAN to wake-up HOST
14
SDIO_DATA_2 I/O SDIO data line 2
15
SDIO_DATA_3 I/O SDIO data line 3
16
SDIO_DATA_CMD I/O SDIO command line

8223A-SR
FN-LINK
TECHNOLOGY LIMITED 10 Proprietary & Confidential Information
17
SDIO_DATA_CLK I/O SDIO clock line
18
SDIO_DATA_0 I/O SDIO data line 0
19
SDIO_DATA_1 I/O SDIO data line 1
20
GND - Ground connections
21
NC - Floating (Don’t connected to ground)
22
VDDIO P I/O Voltage supply input 1.8V or 3.3V
23
NC - Floating (Don’t connected to ground)
24
LPO I External Low Power Clock input (32.768KHz)
25
PCM_OUT O PCM Data output
26
PCM_CLK I/O PCM
clock
27
PCM_IN I PCM data input
28
PCM_SYNC I/O PCM
sync signal
29
NC - Floating (Don’t connected to ground)
30
NC - Floating (Don’t connected to ground)
31
GND - Ground connections
32
NC - Floating (Don’t connected to ground)
33
GND - Ground connections
34
BT_EN I Enable pin for Bluetooth device
ON: pull high ; OFF: pull low
35
NC - Floating (Don’t connected to ground)
36
GND - Ground connections
37
NC - Floating (Don’t connected to ground)
38
NC - Floating (Don’t connected to ground)
39
Debug_UART_TXD O Floating (Don’t connected to ground)
40
Debug_UART_RXD I Floating (Don’t connected to ground)
41
UART_RTS_N O Bluetooth UART interface
42
UART_TXD O Bluetooth UART interface
43
UART_RXD I Bluetooth UART interface
44
UART_CTS_N I Bluetooth UART interface

8223A-SR
FN-LINK
TECHNOLOGY LIMITED 11 Proprietary & Confidential Information
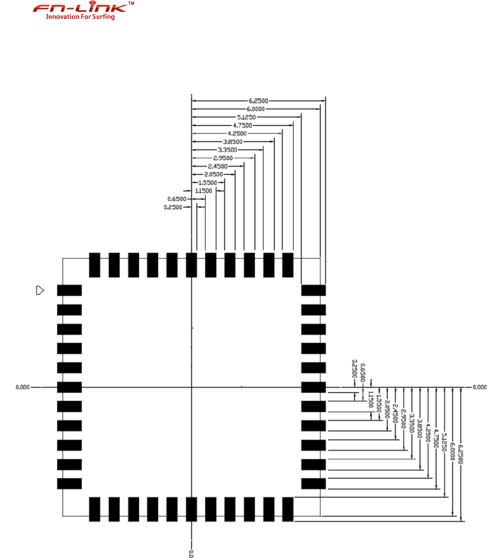
7. Dimensions
7.1 Physical Dimensions
(Unit: mm)
<
TOP VIEW > < Side View >
Marking Description
< TOP VIEW >
1.7±0.1

8223A-SR
FN-LINK
TECHNOLOGY LIMITED 12 Proprietary & Confidential Information
7.2 Module Physical Dimensions
(
Unit: mm)
< TOP VIEW >

8223A-SR
FN-LINK
TECHNOLOGY LIMITED 13 Proprietary & Confidential Information
7.3 Layout Recommendation
(Unit: mm)
< TOP VIEW >

8223A-SR
FN-LINK
TECHNOLOGY LIMITED 14 Proprietary & Confidential Information
8. Host Interface Timing Diagram
8.1 SDIO Pin Description
The module supports SDIO version 3.0 for all 1.8V 4-bit UHSI speeds: SDR50(100
Mbps),SDR104(208MHz) and DDR50(50MHz, dual rates) in addition to the 3.3V default
speed(25MHz) and high speed (50 MHz). It has the ability to stop the SDIO clock and map
the interrupt signal into a GPIO pin. This ‘out-of-band’ interrupt signal notifies the host when
the WLAN device wants to turn on the SDIO interface. The ability to force the control of the
gated clocks from within the WLAN chip is also provided.
SDIO Pin Description
SD 4-Bit Mode
DATA0
Data Line 0
DATA1
Data Line 1 or Interrupt
DATA2
Data Line 2 or Read Wait
DATA3
Data Line 3
CLK Clock
CMD Command
Line
8.2 SDIO Default Mode Timing Diagram

8223A-SR
FN-LINK
TECHNOLOGY LIMITED 15 Proprietary & Confidential Information
8.3 SDIO High Speed Mode Timing Diagram

8223A-SR
FN-LINK
TECHNOLOGY LIMITED 16 Proprietary & Confidential Information
8.4 SDIO Bus Timing Specifications in SDR Modes
Clock timing(SDR Modes)

8223A-SR
FN-LINK
TECHNOLOGY LIMITED 17 Proprietary & Confidential Information
Card Input timing (SDR Modes)
Card output timing (SDR Modes up to 100MHz)

8223A-SR
FN-LINK
TECHNOLOGY LIMITED 18 Proprietary & Confidential Information
Card output timing (SDR Modes 100MHz to 208MHz)
8.5 SDIO Bus Timing Specifications in DDR50 Mode

8223A-SR
FN-LINK
TECHNOLOGY LIMITED 19 Proprietary & Confidential Information
Data Timing
9. Power timing requirements

8223A-SR
FN-LINK
TECHNOLOGY LIMITED 20 Proprietary & Confidential Information
10. Reference Design

8223A-SR
FN-LINK
TECHNOLOGY LIMITED 21 Proprietary & Confidential Information
11. Recommended Reflow Profile
Referred to IPC/JEDEC standard.
Peak Temperature : <250°C
Number of Times : ≤2 times
2.5 /se℃
2.5
°
C
/sec
40~70 sec
2
50
℃

8223A-SR
FN-LINK
TECHNOLOGY LIMITED 22 Proprietary & Confidential Information
12. Packing Information
Tape and Reel Package
Using self-adhesive tape
Size of black tape: 24mm*32.6m the cover tape: 2.13mmm*32.6m
Color of plastic disc: blue
A roll of 2000pcs
NY bag size:460mm*385mm size :350*350*35mm

8223A-SR
FN-LINK
TECHNOLOGY LIMITED 23 Proprietary & Confidential Information
The packing case size:350*210*370mm
FCC Statement:
This device complies with Part 15 of the FCC Rules. Operation is subject to the following two
conditions: (1) This device may not cause harmful interference. (2) This device must accept any
interference received, including interference that may cause undesired operation.
NOTE: This equipment has been tested and found to comply with the limits for a Class B digital
device, pursuant to Part 15 of the FCC Rules. These limits are designed to provide reasonable
protection against harmful interference in a residential installation. This equipment generates
uses and can radiate radio frequency energy and, if not installed and used in accordance with
the instructions, may cause harmful interference to radio communications. However, there is no
guarantee that interference will not occur in a particular installation. If this equipment does
cause harmful interference to radio or television reception, which can be determined by turning
the equipment off and on, the user is encouraged to try to correct the interference by one or
more of the following measures:
---Reorient or relocate the receiving antenna.
---Increase the separation between the equipment and receiver.
---Connect the equipment into an outlet on a circuit different from that to which the receiver is
connected.
---Consult the dealer or an experienced radio/TV technician for help.
WARNING: Changes or modifications not expressly approved by the party responsible for
compliance could void the user's authority to operate the equipment.
LABEL OF THE END PRODUCT:
The final end product must be labelled in a visible area with the following "Contains TX FCC ID:
2AATL-8223A-SR". If the size of the end product is smaller than 8x10cm, then additional FCC
part 15.19 statement is required to be available in the users manual: This device complies with
Part 15 of the FCC Rules. Operation is subject to the following two conditions: (1) this device
may not cause harmful interference, and (2) this device must accept any interference received,
including interference that may cause undesired operation.
RF Exposure
This device has been evaluated and shown compliant with the FCC RF Exposure limits under
fixed exposure conditions (antennas are greater than 20cm from a person's body) when
installed in certain specific OEM configurations.
This modular complies with FCC RF radiation exposure limits set forth for an uncontrolled
environment. This transmitter must not be co-located or operating in conjunction with any other
antenna or transmitter. Due to missing shielding the module is strictly limited to integration by
the Grantee himself or his dedicated OEM integrator under control of the Grantee. However,
the OEM integrator is still responsible for testing their end-product for any additional compliance
requirements required with this module installed.
FN-LINK TECHNOLOGY LIMITED 24 Proprietary & Confidential Information

IMPORTANT NOTE:
This module is intended for OEM integrator only and the OEM integrators and instructed to
ensure that the end user has no manual instructions to remove or install the device. The OEM
integrator is still responsible for the FCC compliance requirement of the end product, which
integrates this module.
Integration is typically strictly restricted to Grantee himself or dedicated OEM integrators under
control of the Grantee.
In the event that these conditions can not be met (for example certain laptop configurations or
co-location with another transmitter. then the FCC authorization is no longer considered valid
and the FCC ID can not be used on the final product. In these circumstances, the OEM
integrator will be responsible for re-evaluating the end product (including the transmitter) and
obtaining a separate FCC authorization.
The module will be responsible to satisfy SAR/RF Exposure requirements, when the module
integrated into any (portable, mobile, fixed) host device.
This module has been designed to operate with a PIFA antenna having a maximum gain of
2.95dBi. Only this type of antenna may be used, the manufacturer recommended antenna as
below:
The module must in the end-product be installed in such manner that the authorized antennas
can be used, any change of the antenna will void the certification.
EU Regulatory Conformance
Hereby, we(FN-LINK TECHNOLOGY LIMITED) declared that this device is in compliance with
the essential requirements and other relevant provisions of Directive 2014/53/EU
FN-LINK TECHNOLOGY LIMITED 25 Proprietary & Confidential Information
Ant. Brand Model name Antenna
Type Connector Gain
(dBi) Application
range
0.0 2.4G Band
1 XK
XKFPC-2D4-5D8-1
50 PIFA I-PEX
2.95 5G Band
2 ZHONGTIA
N XUN 2.00001050 PIFA I-PEX 0.38
2.4/5G
Dual Band