HUNG WAI DT215-AC4G1 21.5 inch LCD touch screen android quad core player User Manual
HUNG WAI HOLDINGS LIMITED 21.5 inch LCD touch screen android quad core player
HUNG WAI >
User manual
User Manual
For
DT215-AC4G1-1080-SL/DT215-AS4G1-1080-SL

This device is an Android OS based media player that will allow content designs a much
greater deal of flexibility when designing advertising displays for the retail market
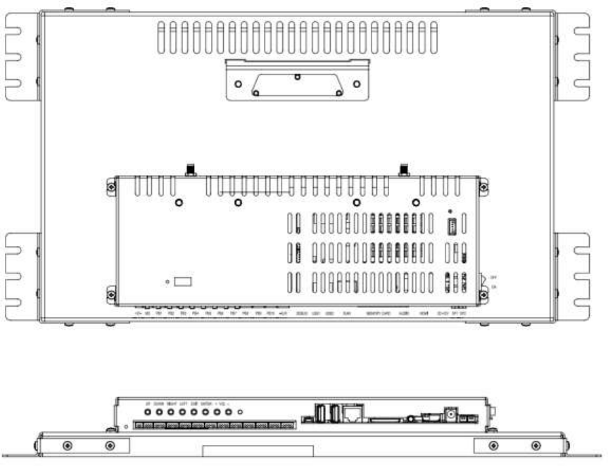
1. Specifications:

Input port:
1pc 5.5mm female barrel jack - for +12V power input
1pc SD Card Slot - for SD
1pc DTCN-A-4F 4-pin connector for UART device connection
2pcs USB-A standard USB receptacle
Output port:
1pc 15.6in TFT LCD module with 1920x1080 resolution
1set Antenna connector for 2.4G + 5G WiFi network
1pc 3.5mm headphone jack - for 85mW audio
2pcs DTCN-A-2F - 2-pin female connector for SP1-SP2
1pc HDMI standard connector
1pc Optical connector
1pc DTCN-A 2F 2-pin connector for 5V output
Other ports:
1pc RJ45 jack - for hardwired network compatibility
1pc mini USB receptacle
10pcs DTCN-A-4F – 4-pin connector for PB control
1pc 21.5in capacitive touch screen for optional function.
Antennas:
Removable antennas with 2dBi gain. Provided by Lian Chuang Xin (Shenzhen) Ltd, Co.
Operation temperature:-10℃-50℃
Frequency Stability: +/-3.2 ppm
Adapter: Input 100-240VAC 50-60Hz, Output 12VDC 1.5~5A
2. Operation description
Turn the media player Power on and Off
Switch the power button to ON, the media player will power on and android system will start
up, then wait until APP running automatic.
Switch the power button to OFF, the media player will power off.
Control Panel(Located on back)
Up, Down, Left, Right - For navigation
Enter - To accept/enter a highlighted option during setup mode
Exit - To exit setup mode
Vol+/- - To adjust volume level
Video play
The custom video will player automatic when system start up, and can play the custom video
when press the PB button accordingly.
Connect to a Wi-Fi network
1. Turn on the Wi-Fi radio if it is not already on
2. When Wi-Fi is on, the player will look for and display a list of a list of available Wi-Fi networks.
3. Select an available Wi-Fi network to connect to,If the network is open, the tablet will prompt you
to confirm connection to the network, Touch connect to confirm.If the network is secured(as
indicated by a lock icon), the tablet will prompt you to enter a password or other credentials . Touch
the Wireless password box to show the on-screen keyboard and then use it enter the password,
touch connect to confirm.When you have successfully connected to a Wi-Fi network,then
notifications bar at the bottom of the screen will show a Wi-Fi signal indicator.
Connecting to Bluetooth devices
1. Check Bluetooth to turn it on
2. Pair with a BT device before you can connect to it. Once pair with a device, they stay
paired unless you unpair them.The media player scans for and displays the IDs of all
available Bluetooth devices in range. If the device you want to pair with isn’t in the list,
make it discoverable.
The mini USB connector of the device only used for upgrading software, but can’t communicate
data with PC
The product is in-door used only.
FCC Statement
This device complies with part 15 of the FCC Rules. Operation is subject to the
following two conditions: (1) This device may not cause harmful interference, and (2)
this device must accept any interference received, including interference that may
cause undesired operation.
Changes or modifications not expressly approved by the party responsible for
compliance could void the user's authority to operate the equipment.
NOTE: This equipment has been tested and found to comply with the limits for a
Class B digital device, pursuant to Part 15 of the FCC Rules. These limits are
designed to provide reasonable protection against harmful interference in a
residential installation. This equipment generates, uses and can radiate radio
frequency energy and, if not installed and used in accordance with the instructions,
may cause harmful interference to radio communications. However, there is no
guarantee that interference will not occur in a particular installation. If this
equipment does cause harmful interference to radio or television reception, which
can be determined by turning the equipment off and on, the user is encouraged to try
to correct the interference by one or more of the following measures:
-- Reorient or relocate the receiving antenna.
-- Increase the separation between the equipment and receiver.
-- Connect the equipment into an outlet on a circuit different from that to which the
receiver is connected.
-- Consult the dealer or an experienced radio/TV technician for help.
This product uses the RF module:
Module name: Android player main board with Wireless Module
Model: MOD-A18RK3188MBA-00
FCC ID: 2AB6Z-A18RK31
RF Exposure warning:
The distance between device include antenna and user should be no less than 20 cm.