HYUNDAI MOBIS AC1B0TMKN DIGITAL CAR AUDIO SYSTEM User Manual IQS AN hma 4c audio 20121008 qxp
HYUNDAI MOBIS CO., LTD. DIGITAL CAR AUDIO SYSTEM IQS AN hma 4c audio 20121008 qxp
User Manual

4157
Features of your vehicle
✽
NOTICE
If you install an aftermarket HID
headlamp, your vehicle's audio and
electronic device may malfunction.
Antenna
Roof antenna
Your vehicle uses a roof antenna to
receive both AM and FM broadcast
signals.
AUDIO SYSTEM
OANNMM2901
CAUTION
Before entering a place with a
low height clearance or a car
wash, remove the antenna by
rotating it counterclockwise. If
not, the antenna may be dam-
aged.

Features of your vehicle
1584
Steering wheel audio control
(if equipped)
The steering wheel may incorporate
audio control buttons.
MODE (1)
Press the button to change audio
source.
PRESET/SEEK ( / ) (2)
The SEEK/PRESET button has dif-
ferent functions based on the system
mode.
For the following functions the button
should be pressed for 0.8 second or
more.
RADIO mode
It will function as the AUTO SEEK
select button.
CD/USB/iPod®mode
It will function as the FF/REW button.
If the SEEK/PRESET button is
pressed for less than 0.8 second, it
will work as follows in each mode.
RADIO mode
It will function as the PRESET STA-
TION buttons.
CD/USB/iPod®mode
It will function as TRACK UP/DOWN
button.
VOLUME (VOL+/-) (3)
• Push the lever upward (+) to
increase the volume.
• Push the lever downward (-) to
decrease the volume.
MUTE (4)
• Press the button to mute the sound.
• Press the button to turn off the
microphone during a telephone call.
Detailed information for audio control
buttons are described in the following
pages in this section.
CAUTION
Do not operate audio remote
control buttons simultaneously.
ODM042327

4159
Features of your vehicle
How vehicle audio works
AM and FM radio signals are broad-
cast from transmitter towers located
around your city. They are intercept-
ed by the radio antenna on your vehi-
cle. This signal is then processed by
the radio and sent to your vehicle
speakers.
When a strong radio signal has
reached your vehicle, the precise
engineering of your audio system
ensures the best possible quality
reproduction. However, in some
cases the signal coming to your vehi-
cle may not be strong and clear.
This can be due to factors, such as
the distance from the radio station,
closeness of other strong radio sta-
tions or the presence of buildings,
bridges or other large obstructions in
the area.
AM broadcasts can be received at
greater distances than FM broad-
casts. This is because AM radio
waves are transmitted at low fre-
quencies. These long distance, low
frequency radio waves can follow the
curvature of the earth rather than
travelling straight. In addition, they
curve around obstructions resulting
in better signal coverage.
ቍቋᆲ
JBM001
FM reception
ቍቋᆲ
ቍቋᆲ
JBM002
AM reception

Features of your vehicle
1604
FM broadcasts are transmitted at
high frequencies and do not bend to
follow the earth's surface. Because
of this, FM broadcasts generally
begin to fade within short distances
from the station. Also, FM signals are
easily affected by buildings, moun-
tains, and obstructions. This can lead
to undesirable or unpleasant listen-
ing conditions which might lead you
to believe a problem exists with your
radio. The following conditions are
normal and do not indicate radio
trouble:
• Fading - As your vehicle moves
away from the radio station, the
signal will weaken and sound will
begin to fade. When this occurs,
we suggest that you select another
stronger station.
• Flutter/Static - Weak FM signals or
large obstructions between the
transmitter and your radio can dis-
turb the signal causing static or
fluttering noises to occur. Reducing
the treble level may lessen this
effect until the disturbance clears.
• Station Swapping - As an FM sig-
nal weakens, another more power-
ful signal near the same frequency
may begin to play. This is because
your radio is designed to lock onto
the clearest signal. If this occurs,
select another station with a
stronger signal.
• Multi-Path Cancellation - Radio
signals being received from sever-
al directions can cause distortion
or fluttering. This can be caused by
a direct and reflected signal from
the same station, or by signals
from two stations with close fre-
quencies. If this occurs, select
another station until the condition
has passed.
JBM003
FM radio station
ቍቋᆲ
JBM004 JBM005

4161
Features of your vehicle
Using a cellular phone or a two-
way radio
When a cellular phone is used inside
the vehicle, noise may be produced
from the audio system. This does not
mean that something is wrong with
the audio equipment. In such a case,
try to operate mobile devices as far
from the audio equipment as possi-
ble.
Caring for disc
• If the temperature inside the car is too
high, open the car windows to venti-
late before using the system.
• It is illegal to copy and use
MP3/WMA files without permission.
Use CDs that are created only by
lawful means.
• Do not apply volatile agents, such
as benzene and thinner, normal
cleaners and magnetic sprays
made for analogue disc onto CDs.
• To prevent the disc surface from
getting damaged, hold CDs by the
edges or the center hole only.
• Clean the disc surface with a piece
of soft cloth before playback (wipe
it from the center to the outside
edge).
• Do not damage the disc surface or
attach pieces of sticky tape or
paper.
• Make certain only CDs are insert-
ed into the CD player (Do not insert
more than one CD at a time).
• Keep CDs in their cases after use to
protect them from scratches or dirt.
CAUTION
When using a communication
system such as a cellular phone
or a radio set inside the vehicle,
a separate external antenna
must be fitted. When a cellular
phone or a radio set is used
with an internal antenna alone,
it may interfere with the vehi-
cle's electrical system and
adversely affect safe operation
of the vehicle.
WARNING
Do not use a cellular phone
while driving. Stop at a safe
location to use a cellular phone.

Features of your vehicle
1624
• Depending on the type of CD-
R/CD-RW CDs, certain CDs may
not operate normally according to
the manufacturing companies. In
such circumstances, continued
use may cause malfunctions to
your audio system.
✽
NOTICE
- Playing an Incompatible
Copy Protected Audio CD
Some copy protected CDs, which do
not comply with international audio
CD standards (Red Book), may not
play on your car audio. Please note
that inabilities to properly play a
copy protected CD may indicate
that the CD is defective, not the CD
player.
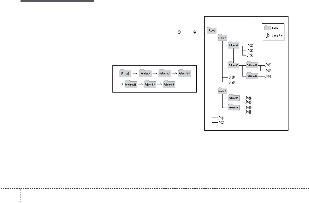
NOTE:
Order of playing files (folders) :
1. Song playing order : to
sequentially.
2. Folder playing order :
❋If no song file is contained in the
folder, that folder is not displayed.

4163
Features of your vehicle
CAUTION
• Operating the device while
driving could lead to acci-
dents due to a lack of atten-
tion to external surroundings.
First park the vehicle before
operating the device.
• Adjust the volume to levels
that allow the driver to hear
sounds from outside of the
vehicle. Driving in a state
where external sounds cannot
be heard may lead to acci-
dents.
• Pay attention to the volume
setting when turning the
device on. A sudden output of
extreme volume upon turning
the device on could lead to
hearing impairment. (Adjust
the volume to a suitable levels
before turning off the device.)
(Continued)
WARNING
• Do not stare at the screen
while driving. Staring at the
screen for prolonged periods
of time could lead to traffic
accidents.
• Do not disassemble, assem-
ble, or modify the audio sys-
tem. Such acts could result in
accidents, fire, or electric
shock.
• Using the phone while driving
may lead to a lack of attention of
traffic conditions and increase
the likelihood of accidents.
Use the phone feature after
parking the vehicle.
• Heed caution not to spill water
or introduce foreign objects
into the device. Such acts
could lead to smoke, fire, or
product malfunction.
(Continued)
(Continued)
• Please refrain from use if the
screen is blank or no sound
can be heard as these signs
may indicate product mal-
function. Continued use
in such conditions could lead
to accidents(fires, electric
shock) or product malfunc-
tions.
• Do not touch the antenna dur-
ing thunder or lightening as
such acts may lead to light-
ning induced electric shock.
• Do not stop or park in park-
ing-restricted areas to operate
the product. Such acts could
lead to traffic accidents.
• Use the system with the vehi-
cle ignition turned on.
Prolonged use with the igni-
tion turned off could result in
battery discharge.

Features of your vehicle
1644
(Continued)
• If you want to change the posi-
tion of device installation,
please inquire with your place
of purchase or service mainte-
nance center. Technical
expertise is required to install
or disassemble the device.
• Turn on the car ignition before
using this device. Do not oper-
ate the audio system for long
periods of time with the igni-
tion turned off as such opera-
tions may lead to battery dis-
charge.
• Do not subject the device to
severe shock or impact. Direct
pressure onto the front side of
the monitor may cause dam-
age to the LCD or touch
screen.
(Continued)
(Continued)
• When cleaning the device,
make sure to turn off the
device and use a dry and
smooth cloth. Never use
tough materials, chemical
cloths, or solvents (alcohol,
benzene, thinners, etc.) as
such materials may damage
the device panel or cause
color/quality deterioration
• Do not place beverages close
to the audio system. Spilling
beverages may lead to system
malfunction.
• In case of product malfunction,
please contact your place of pur-
chase or After Service center.
• Placing the audio system
within an electromagnetic
environment may result in
noise interference.

4165
Features of your vehicle
✽
NOTICE - USING THE
USB DEVICE
• To use an external USB device,
make sure the device is not con-
nected when starting up the
vehicle. Connect the device after
starting up.
• If you start the engine when the
USB device is connected, it may
damage the USB device. (USB
flashdrives are very sensitive to
electric shock.)
• If the engine is started up or
turned off while the external USB
device is connected, the external
USB device may not work.
• The System may not play unau-
thenticated MP3 or WMA files.
1) It can only play MP3 files with
the compression rate between
8Kbps~320Kbps.
2) It can only play WMA music
files with the compression rate
between 8Kbps~320Kbps.
• Take precautions for static elec-
tricity when connecting or dis-
connecting the external USB
device.
(Continued)
(Continued)
• An encrypted MP3 PLAYER is
not recognizable.
• Depending on the condition of
the external USB device, the
connected external USB device
can be unrecognizable.
• When the formatted byte/sector
setting of External USB device
is not either 512BYTE or
2048BYTE, then the device will
not be recognized.
• Use only a USB device format-
ted to FAT 12/16/32.
• USB devices without USB I/F
authentication may not be rec-
ognizable.
• Make sure the USB connection
terminal does not come in con-
tact with the human body or
other objects.
• If you repeatedly connect or dis-
connect the USB device in a
short period of time, it may
break the device.
• You may hear a strange noise
when connecting or disconnect-
ing a USB device.
(Continued)
(Continued)
• If you disconnect the external
USB device during playback in
USB mode, the external USB
device can be damaged or may
malfunction. Therefore, discon-
nect the external USB device
when the audio is turned off or
in another mode. (e.g, Radio,
CD)
• Depending on the type and
capacity of the external USB
device or the type of the files
stored in the device, there is a
difference in the time taken for
recognition of the device.
• Do not use the USB device for
purposes other than playing
music files.
• Playing videos through the USB
is not supported.
• Use of USB accessories such as
rechargers or heaters using USB
I/F may lower performance or
cause trouble.
(Continued)

Features of your vehicle
1664
(Continued)
• Some USB flash memory read-
ers (such as CF, SD, micro SD,
etc.) or external-HDD type
devices can be unrecognizable.
• Music files protected by DRM
(DIGITAL RIGHTS MANAGE-
MENT) are not recognizable.
• The data in the USB memory
may be lost while using this
audio. Always back up impor-
tant data on a personal storage
device.
• Please avoid using
USB memory prod-
ucts which can be
used as key chains or
cellular phone acces-
sories as they could cause dam-
age to the USB jack. Please
make certain only to use plug
type connector products.
(Continued)
• If you use devices such as a USB
hub purchased separately, the
vehicle’s audio system may not
recognize the USB device. In that
case, connect the USB device
directly to the multimedia termi-
nal of the vehicle.
• If the USB device is divided by
logical drives, only the music files
on the highest-priority drive are
recognized by car audio.
• Devices such as MP3 Player/
Cellular phone/Digital camera can
be unrecognizable by standard
USB I/F can be unrecognizable.
• Charging through the USB may
not be supported in some mobile
devices.
• USB HDD or USB types liable to
connection failures due to vehicle
vibrations are not supported.
(i-stick type)
• Some non-standard USB devices
(METAL COVER TYPE USB)
can be unrecognizable.
(Continued)

4167
Features of your vehicle
✽
NOTICE - USING THE
iPod®DEVICE
• Some iPod models may not sup-
port communication protocol
and files may not properly play.
Supported iPod models:
- iPod Mini
- iPod 4th(Photo) ~ 6th(Classic)
generation
- iPod Nano 1st~4th generation
- iPod Touch 1st~2nd generation
• The order of search or playback
of songs in the iPod can be dif-
ferent from the order searched
in the audio system.
• If the iPod is disabled due to its
own malfunction, reset the iPod.
(Reset: Refer to iPod manual)
• An iPod may not operate nor-
mally on low battery.
(Continued)
(Continued)
• Some iPod devices, such as the
iPhone, can be connected
through the Bluetooth®Wireless
Technology interface. The
device must have audio
Bluetooth®Wireless Technology
capability (such as for stereo
headphone Bluetooth®Wireless
Technology ). The device can
play, but it will not be controlled
by the audio system.
• To use iPod features within the
audio, use the cable provided
upon purchasing an iPod device.
• Skipping or improper operation
may occur depending on the
characteristics of your
iPod/Phone device.
• If your iPhone is connected to
both the Bluetooth®Wireless
Technology and USB, the sound
may not be properly played. In
your iPhone, select the Dock
connector or Bluetooth®
Wireless Technology to change
the sound output (source).
(Continued)
(Continued)
• When connecting iPod with the
iPod Power Cable, insert the
connector to the multimedia
socket completely. If not insert-
ed completely, communications
between iPod and audio may be
interrupted.
• When adjusting the sound
effects of the iPod and the audio
system, the sound effects of both
devices will overlap and might
reduce or distort the quality of
the sound.
• Deactivate (turn off) the equal-
izer function of an iPod when
adjusting the audio system’s
volume, and turn off the equal-
izer of the audio system when
using the equalizer of an iPod.
• When not using iPod with car
audio, detach the iPod cable
from iPod. Otherwise, iPod may
remain in accessory mode, and
may not work properly.

Features of your vehicle
1684
✽
NOTICE -
Bluetooth®
Wireless Technology
• The Bluetooth®word mark and
logos are registered trademarks
owned by Bluetooth SIG, lnc. and
any use of such marks is under
license.
ABluetooth®enabled call phone is
required to use Bluetooth®wire-
less technology.
•Bluetooth®Wirelss Technology
phone compatibility can be checked
by visiting www. hyundaiusa.com
and under the SERVICE & PARTS
- BLUETOOTH COMPATIBILI-
TY menu.
-The website provides types of
Pairing, Connection, HandsFree
Calling, HUC (Hang Up
Call),Transfer To Privacy, Caller
ID, Redial, Multiple Call Handling,
IBS (lndicator Battery Symbol),
Auto Phonebook Downloading,
Streaming, and more.
✽
NOTICE - BEFORE USING
THE
Bluetooth®
HANDSFREE
What is Bluetooth®?
•Bluetooth®refers to a short-dis-
tance wireless networking technol-
ogy which uses a 2.45GHz fre-
quency to connect various devices
within a certain distance.
• Supported within PCs, external
devices, Bluetooth®phones, PDAs,
various electronic devices, and
automotive environments,
Bluetooth®allows data to be trans-
mitted at high speeds without hav-
ing to use a connector cable.
•Bluetooth®Handsfree refers to a
device which allows the user to
conveniently make phone calls
with Bluetooth®mobile phones
through the AV/Navigation system.
•Bluetooth®Handsfree may not be sup-
ported in some mobile phones. To
learn more about mobile device com-
patibility, visit www. hyundaiusa.com.
✽
NOTICE - PRECAUTIONS
FOR SAFE DRIVING
•Bluetooth®Handsfree is a feature
that enables drivers to practice
safe driving. Connecting the head
unit with a Bluetooth®phone
allows the user to conveniently
make and receive calls and use
contacts. Before using Bluetooth®,
carefully read the contents of this
user’s manual.
• Excessive use or operations while
driving may lead to negligent driv-
ing practices and result in acci-
dents. Refrain from excessive
operations while driving.
• Viewing the screen for prolonged
periods of time is dangerous and
may lead to accidents. When driv-
ing, view the screen only for short
periods of time.

4169
Features of your vehicle
✽
NOTICE -WHEN CON-
NECTING A
Bluetooth®
PHONE
• Before connecting the head unit
with the mobile phone, check to
see that the mobile phone supports
Bluetooth®features.
• Even if the phone supports
Bluetooth®, the phone will not be
found during device searches if the
phone has been set to hidden state
or the Bluetooth®power is turned
off. Disable the hidden state or
turn on the Bluetooth®power
prior to searching/connecting with
the Head unit.
• Bluetooth phone is automatically
connected when the ignition on.
• If you do not want automatic con-
nection with your Bluetooth®
device, turn off the Bluetooth®fea-
ture within your mobile phone.
• The Handsfree call volume and
quality may differ depending on
the mobile phone.
• Park the vehicle when connecting
the head unit with the mobile
phone.
•Bluetooth®connection may become
intermittently disconnected in
some mobile phones. Follow these
steps to try again.
1. Within the mobile phone, turn
the Bluetooth®function off/on
and try again.
2. Turn the mobile phone power
Off/On and try again.
3. Completely remove the mobile
phone battery, reboot, and then
again.
4. Reboot the Audio Video
Navigation System and try
again.
5. Delete all paired devices, pair
and try again.
• Handsfree call quality and volume
may differ depending on the
model of your mobile phone.

Features of your vehicle
1704
✽
NOTICE - USING THE
Voice Recognition
• When using the voice recognition
feature, only commands listed
within the user's manual are sup-
ported.
• Be aware that during the opera-
tion of the voice recognition sys-
tem, pressing any key other than
the key terminate voice
recognition mode.
• For superior voice recognition
performance, position the micro-
phone used for voice recognition
above the head of the driver’s
seat and maintain a proper posi-
tion when saying commands.
• Within the following situations,
voice recognition may not func-
tion properly due to external
sound.
- When the windows and sunroof
are open
- When the wind of the cooling /
heating device is strong
- When entering and passing
through tunnels
(Continued)
(Continued)
- When driving on rugged and
uneven roads
- During severe rain (heavy rains,
windstorms)
• Phone related voice commands
can be used only when a
Bluetooth®Wireless Technology
device is connected.
• When making calls by stating a
name, the corresponding contact
must be downloaded and stored
within the audio system.
• After downloading the Bluetooth®
Wireless Technology phone book,
it takes some times to convert the
phone book data into voice infor-
mation. During this time, voice
recognition may not properly
operate.
• Pronounce the voice commands
naturally and clearly as if in a
normal conversation.

4171
Features of your vehicle
■
CD Player : AM1B2DMKN, AM1B3DMAN

Features of your vehicle
1724
SYSTEM CONTROLLERS
AND FUNCTIONS
❈Display and settings may differ
depending on the selected audio.
Audio Head Unit
1. (EJECT)
• Ejects the disc.
2.
• Changes to FM/AM/XM mode.
• Each time the key is pressed, the
mode is changed in order of FM1 ➟
FM2 ➟AM ➟XM1 ➟XM2 ➟XM3.
❈In Setup>Display, the radio pop up
screen will be displayed when
[Mode Pop up] is turned .
When the pop up screen is dis-
played, use the TUNE knob or
keys ~ to select the
desired mode.
3.
• Changes to CD, USB(iPod), AUX,
My Music, BT Audio mode.
• Each time the key is pressed, the
mode is changed in order of CD,
USB(iPod), AUX, My Music, BT
Audio.
❈In Setup>Display, the media pop
up screen will be displayed when
[Mode Pop up] is turned .
When the pop up screen is dis-
played, use the TUNE knob or
keys ~ to select the
desired mode.
4.
• Operates Phone Screen
❈When a phone is not connected,
the connection screen is displayed.
5. PWR/VOL knob
• Power : Turns power On/Off by
pressing the knob
• Volume : Sets volume by turning
the knob left/right
6.
• Radio Mode : Automatically search-
es for broadcast frequencies.
• CD, USB, iPod, My Music modes
-
Shortly press the key (under 0.8 sec-
onds): Moves to next or previous song
(file)
-
Press and hold the key (over 0.8
seconds): Rewinds or fast-forwards
the current song.
• BT Audio mode : Moves to next or
previous song(file)
❈
The Play/Pause feature may oper-
ate differently depending on the
mobile phone.
SEEK
TRACK
PHONE
51
On
MEDIA
61
On
RADIO

4173
Features of your vehicle
7.
• Radio Mode
- XM RADIO : Category Search
• MP3, CD, USB mode : Folder
Search
8. ~ (Preset)
• Radio Mode: Saves frequencies
(channels) or receives saved fre-
quencies (channels)
• CD, USB, iPod, My Music mode
- : Repeat
- : Random
• In the Radio, Media, Setup, and
Menu pop up screen, the number
menu is selected.
9.
• Each time the button is shortly
pressed (under 0.8 seconds), it
sets the screen Off ➟Screen On ➟
Screen Off
❈Audio operation is maintained and
only the screen will be turned Off.
In the screen Off state, press any
key to turn the screen On again.
10.
• Radio Mode
- Shortly press the key (under 0.8
seconds): Previews each broad-
cast for 5 seconds each.
- Press and hold the key (over 0.8
seconds): Previews the broadcasts
saved in Preset ~ for 5
seconds each.
❈Press the key again to
continue listening to the current
frequency.
❈XM Radio does not support the
Preset scan feature.
• CD, USB, My Music mode
- Shortly press the key (under 0.8
seconds): Previews each song
(file) for 10 seconds each.
❈Press the key again to
continue listening to the current
song (file).
11.
• Shortly press the key (under 0.8
seconds) : Moves to the Display,
Sound, Clock, Phone, System set-
ting modes.
• Press and hold the key (over 0.8
seconds) : Move to the Time set-
ting screen.
12.
• Displays menus for the current mode.
13. TUNE knob
• Radio mode : Changes frequency
by turning the knob left/right.
• CD, USB, iPod, My Music mode:
Searches songs (files) by turning
the knob left/right.
MENU
SETUP
CLOCK
SCAN
SCAN
61
SCAN
DISP
2
1
61
CAT
FOLDER

Features of your vehicle
1744
❈When the desired song is dis-
played, press the knob to play the
song.
• Moves focus in all selection menus
and selects menus.
14. DISC-IN LED
• LED that indicates whether a disc is
inserted

4175
Features of your vehicle
SETUP
Display Settings
Press the key Select [Display]
through TUNE knob or key
Select menu through TUNE knob
Mode Pop up
[Mode Pop up] Changes /
selection mode
• During On state, press the
or key to display the mode
change pop up screen.
Text Scroll
[Text Scroll] Set /
• : Maintains scroll
• : Scrolls only one (1) time.
Media Display
When playing an MP3 file, select the
desired display info from ‘Folder/File’
or ‘Album/Artist/Song’.
Sound Settings
Press the key Select [Sound]
through TUNE knob or key
Select menu through TUNE knob
2
SETUP
Off
On
OffOn
MEDIA
RADIO
OffOn
1
SETUP

Features of your vehicle
1764
Sound Settings
This menu allows you to set the ‘Bass,
Middle, Treble’ and the Sound Fader and
Balance.
Select [Sound Settings] Select
menu through
TUNE knob
Tu r n
TUNE knob
left/right to set
• Bass, Middle, Treble : Selects the
sound tone.
• Fader, Balance : Moves the sound
fader and balance.
• Default : Restores default settings.
❈Back : While adjusting values, re-
pressing the TUNE knob will
restore the parent menu.
Virtual Sound
The PoewrBass, PowerTreble, and
Surround can be set.
Select [Virtual Sound] Set menu
through
TUNE
knob Set /
through
TUNE
knob
• PowerBass : This is a sound sys-
tem feature that provides live bass.
• PowerTreble :This is a sound system
feature that provides live tremble.
• Surround : This is a sound system
feature that provides surround
sound.
❈ May differ depending on the selected
audio.
Speed Dependent Volume Control
This feature is used to automatically
control the volume level according to
the speed of the vehicle.
Select [Speed Dependent Vol.] Set
in 4 levels [Off/Low/Mid/High] of
TUNE
knob
Voice Recognition Volume
Adjusts voice recognition volume.
Select [Voice Recognition Vol.] Set
volume of
TUNE
knob
Off
On

4177
Features of your vehicle
Blue Link®Voice Volume
(for Blue Link®equipped model)
Sets the Blue Link®voice recognition
volume.
❈While using Blue Link®voice
recognition, turning the tune knob
will display the volume control
popup screen.
❈May differ depending on the
selected audio.
Clock Settings
Press the key Select [Clock]
through TUNE knob or key
Select menu through TUNE knob
Clock Settings
This menu is used to set the time.
Select [Clock Settings] Set through
TUNE
knob Press
TUNE
knob
❈ Adjust the number currently in
focus to set the [hour] and press
the tune knob to set the [minute].
3
SETUP
CLOCK

Features of your vehicle
1784
Calendar Settings
This menu is used to set the date
(MM/DD/YYYY).
Select [Calendar Settings]] Set
through
TUNE knob Press
TUNE knob
❈ Adjust the number currently in
focus to make the settings and
press the tune knob to move to the
next setting. (Set in order of
Year/Month/Day)
Time Format
This function is used to set the 12/24
hour time format of the audio system.
Select [Time Format] Set 12Hr /
24Hr through
TUNE
knob
Clock Display when Power is
OFF
Select [Clock Disp.(Pwr Off)]
Set
/ through TUNE knob
• : Displays time/date on screen
• : Turn off.
Off
On
OffOn

4179
Features of your vehicle
SYSTEM SETTINGS
Press the key Select
[System] through tune knob or
key Select menu through TUNE
knob
Memory Information
Displays currently used memory and
total system memory.
Select [Memory Information] OK
The currently used memory is dis-
played on the left side while the total
system memory is displayed on the
right side.
Prompt Feedback
This feature is used to change voice
command feedback between Normal
and Expert modes.
Select [Prompt Feedback] Set
through
TUNE
knob
• On : This mode is for beginner
users and provides detailed instruc-
tions during voice command opera-
tion.
• Off : This mode is for expert users
and omits some information during
voice command operation. (When
using Expert mode, guidance
instructions can be heard through
the [Help] or [Menu] commands.
Language
This menu is used to set the display
and voice recognition language.
Select [Language]
Set through TUNE knob
❈ The system will reboot after the
language is changed.
❈ Language support by region
- English, Francais, Espanol
5
SETUP

Features of your vehicle
1804
RADIO : FM, AM OR XM
Changing RADIO mode (FM,
AM or XM)
Press the key to change the
mode in order of FM1➟FM2➟
AM➟XM1➟XM2➟XM3.
(❈ For XM Radio equipped Model)
• When the power is off, press the
key to turn on the audio sys-
tem and receive radio broadcasts.
• [Mode Pop up] On state : Displays
the change radio mode pop up
screen.
While the pop up screen is dis-
played, you can change the radio
mode (FM1➟FM2➟AM➟ XM1➟XM2
➟XM3) through the tune knob or
~ keys.
Adjust Volume
Turn the VOL knob left/right to
adjust the volume.
SEEK
Press the key
• Shortly pressing the key (under 0.8
seconds): Changes the frequency.
• Pressing and holding the key (over
0.8 seconds): Automatically search-
es for the next frequency.
Preset SEEK
Press the ~ key
• Shortly pressing the key (under 0.8
seconds): Plays the frequency
saved in the corresponding key.
• Pressing and holding the key (over
0.8 seconds): Pressing and holding
the desired key from ~
will save the currently playing
broadcast to the selected key and
sound a BEEP.
SCAN
Press the key
• Shortly pressing the key (under 0.8
seconds): The broadcast frequency
increases and previews each
broadcast for 5 seconds each. After
scanning all frequencies, returns
and plays the current broadcast fre-
quency.
• Pressing and holding the key (over
0.8 seconds): Previews the broad-
casts saved in Preset ~
for 5 seconds each.
Selecting through manual
search
Turn the TUNE knob left/right to
adjust the frequency.
• FM : Changes by 200KHz
• AM : Changes by 10MHz
61
SCAN
61
61
SEEK
TRACK
61
RADIO
RADIO

4181
Features of your vehicle
MENU
Within key are the A.Store
(Auto Store) and Info functions.
A.Store
Press the key Set [A.Store]
through TUNE knob or key.
Saves broadcasts with superior
reception to ~ keys. If no
frequencies are received, then the
most recently received frequency will
be broadcast.
61
1
MENU
MENU

Features of your vehicle
1824
XM RADIO
Using XM satellite Radio
Your vehicle is equipped with a 3
month complimentary period of XM
Satellite Radio. XM provides access
to over 130 channels of music, infor-
mation, and entertainment program-
ming.
SEEK
Press the key
• Shortly pressing the key: select
previous or next channel.
• Pressing and holding the key (over
0.8 seconds): continuously move to
previous or next channel.
❈ If the “Category” icon is displayed,
channels are changed within the
current category.
SCAN
Press the key
• Shortly pressing the key: Previews
each broadcast for 5 seconds
each
❈ Press the key again to
continue listening to the current
frequency
❈ If the “Category” icon is displayed,
channels are changed within the
current category.
Category
Press the key Set through
the
TUNE
knob
• The display will indicate the catego-
ry menus, highlight the category
that the current channel belongs to.
• In the Category List Mode, press
the key to navigate cat-
egory list.
• Press the tune knob to select the
lowest channel in the highlighted
category.
❈ If channel is selected by selecting
category, then the “CATEGORY”
icon is displayed at the top of the
screen.
Preset
Press the ~ key
• Shortly pressing the key: Plays the
frequency saved in the correspon-
ding key.
• Pressing and holding the key (over
0.8 seconds): Pressing and holding
the desired key from ~
will save the current broadcast to
the selected key and sound a
BEEP.
61
61
CAT
FOLDER
CAT
FOLDER
SCAN
SCAN
SEEK
TRACK

4183
Features of your vehicle
Tune
• Rotate TUNE knob : Changes the
channel number or scrolls category
list.
• Press TUNE knob : Selects the
menu.
Menu
Select category menu through the
TUNE knob Press the key
Select [ Info] through the TUNE
knob or key
Info (Information)
Displays the Artist/Song info of the
current song.
1
MENU

Features of your vehicle
1844
BASIC METHOD OF USE :
Audio CD / MP3 CD / USB /
iPod / My Music
Press the key to change the
mod mode in order of
CD➟USB(iPod)➟AUX ➟My
Music➟BT Audio.
The folder/file name is displayed on
the screen.
<Audio CD>
<CD MP3>
<USB>
<My Music>
❈ The CD is automatically played
when a CD is inserted.
❈ The USB music is automatically
played when a USB is connected.
Repeat
While song (file) is playing
(RPT) key
Audio CD, MP3 CD, USB, iPod, My
Music mode: RPT on screen
• To repeat one song (Press the key):
Repeats the current song.
MP3 CD, USB mode: FLD.RPT on
screen
• To repeat folder (pressing twice):
repeats all files within the current
folder.
❈ Press the key again to turn
off repeat.
Random
While song (file) is playing
(RDM) key
Audio CD, My Music mode: RDM on
screen
• Random (Press the key): Plays all
songs in random order.
2 RDM
1 RPT
1 RPT
MEDIA

4185
Features of your vehicle
MP3 CD, USB mode: FLD.RDM on
screen
• Folder Random (Press the key) :
Plays all files within the current fold-
er in random order.
iPod mode: ALB RDM on screen
• Album Random (Press the key) :
Plays all files within albums of the
current category in random order.
MP3 CD, USB, iPod mode: ALL RDM
on screen
• All Random (pressing twice): Plays
all files in random order.
❈ Press the key again to turn
off repeat.
Changing Song/File
While song (file) is playing
key
• Shortly pressing the key : Plays the
current song from the beginning.
❈ If the key is pressed
again within 3 second, the previ-
ous song is played.
• Pressing and holding the key (over
0.8 seconds): Rewinds the song.
While song (file) is playing
key
• Shortly pressing the key : Plays the
next song.
• Pressing and holding the key (over
0.8 seconds): Fast forwards the
song.
Scan
While song (file) is playing
key
• Shortly pressing the key : Scans all
songs from the next song for 10
seconds each.
❈ Press the key again to turn
off.
❈ The SCAN function is not support-
ed in iPod mode.
Folder Search : MP3 CD, USB
Mode
While file is playing
(Folder Up) key
• Searches the next folder.
While file is playing
(Folder Down) key
• Searches the parent folder.
❈ If a folder is selected by pressing
the TUNE knob, the first file
within the selected folder will be
played.
❈ In iPod mode, moves to the Parent
Folder.
Searching Songs (File)
• Turning
TUNE
knob : Searches
for songs (files)
• Pressing TUNE knob : Plays
selected song (file).
CAT
FOLDER
CAT
FOLDER
SCAN
SCAN
SEEK
TRACK
SEEK
TRACK
SEEK
TRACK
2RDM

Features of your vehicle
1864
MENU : Audio CD
Press the CD MP3 mode key
to set the Repeat, Random,
Information features.
Repeat
Press the key Set [ RPT]
through the TUNE knob or key
to repeat the current song.
❈ Press RPT again to turn off.
Random
Press the key Set [ RDM]
through the
TUNE
knob or
key to randomly play songs within
the current folder.
❈ Press RDM again to turn off.
Information
Press the key Set [ Info]
through the
TUNE
knob or
key to display information of the cur-
rent song.
❈ Press the key to turn off
info display.
MENU : MP3 CD / USB
Press the CD MP3 mode key
to set the Repeat, Folder Random,
Folder Repeat, All Random,
Information, and Copy features.
Repeat
Press the key Set [ RPT]
through the
TUNE
knob or
key to repeat the current song.
❈ Press RPT again to turn off.
1 RPT
MENU
MENU
MENU
3
MENU
2 RDM
MENU
1 RPT
MENU
MENU

4187
Features of your vehicle
Folder Random
Press the key Set [ F.RDM]
through the
TUNE
knob or
key to randomly play songs within the
current folder.
❈ Press F.RDM again to turn off.
Folder Repeat
Press the key Set [ F.RPT]
through the
TUNE
knob or
key to repeat songs within the cur-
rent folder.
❈ Press F.RPT again to turn off.
All Random
Press the key Set [ A.RDM]
through the
TUNE
knob or key
to randomly play all songs within the
CD.
❈ Press A.RDM again to turn off.
Information
Press the key Set [ Info]
through the
TUNE
knob or
key to display information of the cur-
rent song.
❈ Press the key to turn off
info display.
Copy
Press the key Set [
Copy] through the
TUNE
knob
or key.
This is used to copy the current
song into My Music. You can play
the copied Music in My Music
mode.
❈ If another key is pressed while
copying is in progress, a pop up
asking you whether to cancel
copying is displayed.
❈ If another media is connected or
inserted (USB, CD, iPod, AUX)
while copying is in progress, copy-
ing is canceled.
❈ Music will not be played while
copying is in progress.
MENU : iPod
In iPod mode, press the key to
set the Repeat, Album Random, All
Random, Information and Search fea-
tures.
Repeat
Press the key Set [ RPT]
through the
TUNE
knob or
key to repeat the current song.
❈ Press RPT again to turn repeat off.
Album Random
Press the key Set [ Alb.RDM]
through the TUNE knob or key.
Plays albums within the currently
playing category in random order.
❈ Press Alb.RDM again to turn off.
2 RDM
MENU
1 RPT
MENU
MENU
6
MENU
MENU
5
MENU
4
MENU
3
MENU
2 RDM
MENU

Features of your vehicle
1884
All Random
Press the key Set [
A.RDM] through the TUNE knob
or key.
Plays all songs within the currently
playing category in random order.
❈ Press A.RDM again to turn off.
Information
Press the key Set [ Info]
through the
TUNE
knob or
key.
Displays information of the current
song.
❈ Press the key to turn off
info display.
Search
Press the key Set [ Search]
through the
TUNE
knob or
key.
Displays iPod category list.
❈ Searching iPod category is
key pressed, move to parent cate-
gory.
MENU
5
MENU
MENU
4
MENU
3
MENU

4189
Features of your vehicle
MENU : My Music Mode
In My Music mode, press the
key to set the Repeat, Random,
Information, Delete, Delete All, and
Delete Selection features.
Repeat
Press the key Set [ RPT]
through the TUNE knob or
key.
Repeats the currently playing song.
❈ Press RPT again to turn repeat
off.
Random
Press the key Set [ RDM]
through the TUNE knob or key.
Plays all songs in random order.
❈ Press RDM again to turn random off.
Information
Press the key Set [ Info]
through the
TUNE
knob or
key.
Displays information of the current
song.
❈ Press the key to turn off
info display.
Delete
Press the key Set [ Delete]
through the TUNE knob or
key.
Deletes currently playing file
In the play screen, pressing delete
will delete the currently playing song.
Deletes file from list
➀ Select the file you wish to delete
by using the TUNE knob.
➁ Press the key and select
the delete menu to delete the
selected file.
Delete All
Press the key Set [ Del.All]
through the TUNE knob or key.
Deletes all songs of My Music.
Delete Selection
Press the key Set [ Del.Sel]
through the TUNE knob or
key.
Songs within My Music are selected
and deleted.
➀ Select the songs you wish to
delete from the list.
6
MENU
5
MENU
MENU
4
MENU
MENU
3
MENU
2 RDM
MENU
1 RPT
MENU
MENU

Features of your vehicle
1904
➁ After selecting, press the key and
select the delete menu.
✽
NOTICE - USING THE My
Music
• Even if memory is available, a
maximum of 6,000 songs can be
stored.
• The same song can be copied up to
1,000 times.
• Memory info can be checked in
the System menu of Setup.
AUX
AUX is used to play external MEDIA
currently connected with the AUX
terminal.
AUX mode will automatically start
when an external device is connect-
ed with the AUX terminal.
If an external device is connected,
you can also press the key to
change to AUX mode.
❈ AUX mode cannot be started
unless there is an external device
connected to the AUX terminal.
✽
NOTICE - USING THE AUX
• Fully insert the AUX cable into the
AUX terminal for use.
MEDIA

4191
Features of your vehicle
Bluetooth®
Wireless Technology
AUDIO
What is
Bluetooth®
Wireless
Technology
?
Bluetooth
®
Wireless Technology is a wire-
less technology that allows multiple
devices to be connected in a short range,
low-powered devices like hands-free,
stereo headset, wireless remote con-
troller, etc. For more information, visit
the
Bluetooth
®
Wireless Technology
website at
www.Bluetooth.com
Before using
Bluetooth
®
Wireless
Technology audio features
•
Bluetooth
®
Wireless Technology
audio may not be supported depend-
ing on the compatibility of your
Bluetooth
®
Wireless Technology
mobile phone.
• In order to use
Bluetooth
®
Wireless
Technology audio, you must first
pair and connect the
Bluetooth
®
Wireless Technology mobile phone.
•
Bluetooth
®
Wireless Technology
audio can be used only when the
[Audio Streaming] of Phone is turned
.
❈ Setting
Bluetooth
®
Wireless Technology
Audio Streaming : Press the
key Select [Phone] through the tune
knob or key Select [Audio
Streaming] through the TUNE
knob Set
/
Starting
Bluetooth®
Wireless
Technology Audio
• Press the key to change the
mode in order of
CD➟USB➟AUX➟My Music➟BT
Audio.
• If BT Audio is selected,
Bluetooth®
Wireless Technology audio will start
playing.
❈ Audio may not automatically start
playing in some mobile phones.
Using the
Bluetooth®
Wireless
Technology audio features
• Play / Stop
Press the TUNE knob to play and
pause the current song.
❈ The play / pause functions may
not be supported in some mobile
phones.
MEDIA
OffOn
4
SETUP
On

Features of your vehicle
1924
PHONE
Making a call using the steer-
ing wheel remote controller
1) button : Activates voice recog-
nition.
2) button : Places and transfers
calls.
3) button : Ends calls or cancels
functions.
• Check call history and making call
➀ Shortly press (under 0.8 seconds)
the key on the steering
remote controller .
➁ The call history list will be dis-
played on the screen.
➂ Press the key again to con-
nect a call to the selected number.
• Redialing the most recently called
number
➀ Press and hold (over 0.8 seconds)
the key on the steering
remote controller.
➁ The most recently called number
is redialed.
❈ If call history does not exist, a
screen asking whether to down-
load call history is displayed. (The
download feature may not be sup-
ported in some mobile phones)

4193
Features of your vehicle
Pairing a
Bluetooth®
Wireless
Technology wireless technolo-
gy Device
What is Bluetooth®Wireless
Technology Pairing?
Pairing refers to the process of syn-
chronizing your
Bluetooth®
Wireless
Technology phone or device with the
car audio system for connection.
Pairing is necessary to connect and
use the
Bluetooth®
Wireless
Technology feature.
Pairing Key / Key
on the Steering Remote
Controller
When No Devices have been
Paired
1. Press the key or the
key on the steering remote con-
troller. The following screen is dis-
played.
2. Select [OK] button to enter the
Pair Phone screen.
1) Car Name : Name of device as
shown when searching from your
Bluetooth®
Wireless Technology
device
2) Passkey : Passkey used to pair
the device
3. From your
Bluetooth®
Wireless
Technology device (i.e. Mobile
Phone), search and select your
car audio system.
4. After a few moments, a screen is
displayed where the passkey is
entered. Here, enter the
passkey “0000” to pair your
Bluetooth®
Wireless Technology
device with the car audio system.
5. Once pairing is complete, the fol-
lowing screen is displayed.
PHONE
PHONE

Features of your vehicle
1944
✽
NOTICE
If Bluetooth®Wireless Technology
devices are paired but none are cur-
rently connected, pressing the
key or the key on the
steering remote controller displays
the following screen. Select [Pair]
button to pair a new device or select
[Connect] to connect a previously
pair device.
Pairing through [PHONE]
Setup
Press the key Select
[Phone] Select [Pair Phone]
Select TUNE knob
1. The following steps are the same
as the steps described in the
“When No Devices have been
Paired” section.
✽
NOTICE
•Bluetooth®features supported
within the vehicle are as follows.
Some features may not be sup-
ported depending on your
Bluetooth®device.
- Outgoing/Incoming
Handsfreecalls
- Operations during a call (Switch
to Private, Switch to call waiting,
MIC on/off)
- Downloading Call History
- Downloading Mobile Contacts
-Bluetooth®device auto connec-
tion
- Bluetooth Audio Streaming
• Up to five Bluetooth®devices can
be paired to the Car
Handsfreesystem.
• Only one Bluetooth®device can be
connected at a time.
• Other devices cannot be paired
while a Bluetooth®device is con-
nected.
• Only Bluetooth®Handsfreeand
Bluetooth audio related features
are supported.
SETUP
PHONE

4195
Features of your vehicle
• Normal operations are possible
only within devices that support
Handsfreeor audio features, such
as a Bluetooth®mobile phone or a
Bluetooth audio device.
• If a connected Bluetooth®device
becomes disconnected due to
being out of communication
range, turning the device OFF, or
aBluetooth®communication error,
corresponding Bluetooth®devices
are automatically searched and
connected.
• the system becomes unstable due
to communication errors between
the car Handsfreeand the
Bluetooth®device, reset the
Bluetooth®and try again. Upon
resetting Bluetooth®, the system is
restored to its factory release
state.
• After Pairing is complete, a con-
tacts download request is sent
once to the mobile phone. As some
mobile phones may require confir-
mation upon receiving a download
request, check the mobile phone
screen.
Connecting a Device
Press the key Select
[Phone] Select [Paired Phone List]
1) Connected Phone : Device that is
currently connected
2) Paired Phone : Device that is
paired but not connected
From the paired phone list, select the
device you want to connect and
select [Connect].
SETUP

Features of your vehicle
1964
Changing Priority
What is Priority?
It is possible to pair up to five
Bluetooth®
Wireless Technology
devices with the car audio system.
As a result, the “Change Priority’ fea-
ture is used to set the connection pri-
ority of paired phones.
Press the key Select
[Phone] Select [Paired Phone List]
From the paired phone list, select
the phone you want to change to the
highest priority, then select [Change
Priority] button from the Menu. The
selected device will be changed to
the highest priority.
✽
NOTICE
Priority icon will be displayed
whenset a priority phone
SETUP

4197
Features of your vehicle
Disconnecting a Device
Press the key Select
[Phone] Select [Paired Phone List]
From the paired phone list, select the
currently connected device and
select [Disconnect] button.
Deleting a Device
Press the key Select
[Phone] Select [Paired Phone List]
From the paired phone list, select the
device you want to delete and select
[Delete] button.
✽
NOTICE
• When deleting the currently con-
nected device, the device will auto-
matically be disconnected to pro-
ceed with the deleting process.
• If a paired Bluetooth®Wireless
Technology device is deleted, the
device’s call history and contacts
data will also be deleted.
• To re-use a deleted device, you
must pair the device again.
SETUP SETUP

Features of your vehicle
1984
USING
Bluetooth®
Wireless
Technology
Phone Menu Screen
Phone Menus
With a
Bluetooth®
Wireless
Technology device connected, press
the key to display the Phone
menu screen.
1) Favorite : Up to 20 frequently used
contact saved so help your fast
call.
2) Call History : Device the call histo-
ry list screen
3) Contacts : Displays the Contacts
list screen
4) Setup : Displays Phone related
settings.
✽
NOTICE
• If you select the [Call History] but-
ton but there is no call history
data, a prompt is displayed which
asks to download call history data.
• If you select the [Contacts] button
but there is no contacs data, a
prompt is displayed which asks to
download contacts data.
• This feature may not be supported
in some mobile phones. For more
information on download support,
refer to your mobile phone user’s
manual.
Answering Calls
Answering a Call
Answering a call with a
Bluetooth®
Wireless Technology device connect-
ed will display the following screen.
To accept the call, press key on
the steering wheel during call is
incoming.
1) Caller : Displays the other part’s
name when the incoming caller is
saved within your contacts
2) Incoming Number : Displays the
incoming number
PHONE

4199
Features of your vehicle
✽
NOTICE
• When the incoming call pop-up is
displayed, most Audio and
SETUP mode features will not
operate. Only the call volume can
be operated.
• The telephone number may not be
properly displayed in some mobile
phones.
• When a call is answered with the
mobile phone, the call mode will
automatically convert to Private
mode.
Favorites
Press the key Select
[Favorites]
1) Saved favorite contact : Connects
call upon selection
2) To add favorite : Downloaded con-
tacts are saved as favorite.
✽
NOTICE
• In order to save Favorite, contacts
should be downloaded.
• Contact which saved in Favorite
not changed automatically
although the information changed
in the mobile phone. In this case,
delete it and save new informa-
tion.
Call History
Press the key Select [Call
History]
A list of incoming, outgoing and
missed calls is displayed.
• The call history may not be saved
in the call history list in some
mobile phones.
• Calls received with hidden caller
ID will not become saved in the
call history list.
• Calling through the call history is
not possible when there is no call
history or the Bluetooth® phone
has not been connected.
• Up to 20 received, dialed and
missed calls are each saved.
PHONE
PHONE

• Time of received/dialed calls and
call time information are not saved.
Contacts
Press the key Select
[Contacts]
The list of saved phone book entries
is displayed.
✽
NOTICE
• Up to 1,000 contacts saved in your
Bluetooth®phone can be down-
loaded into the car contacts.
Contacts that have been down-
loaded to the car cannot be edited
or deleted on the phone.
• Mobile phone contacts are man-
aged separately for each paired
Bluetooth®device(max 1 devices x
5,000 contacts each). Previously
downloaded data is maintained
even if the Bluetooth®device has
been disconnected. (However, the
contacts and call history saved to
the phone will be deleted if a
paired phone is deleted.)
• It is possible to download contacts
even during Bluetooth streaming
audio.
• When downloading contacts, the
icon will be displayed within the
status bar.
• It is not possible to commence
download when the contacts down-
load feature has been turned off
within the Bluetooth®device. In
addition, some devices may require
device authorization upon
attempting to download contacts.
If downloading does not normally
occur, check the Bluetooth®device
settings or the screen state.
• The download feature may not be
supported in some mobile phones.
Check to see that the Bluetooth®
device supports the download fea-
ture. For more information of sup-
ported Bluetooth®devices and
function support, visit.
PHONE
Features of your vehicle
2004

4201
Features of your vehicle
Bluetooth®
Wireless
Technology Setting
Pairing a New Device
Press the key Select
[Phone] Select [Pair Phone]
Bluetooth
®
Wireless Technology
devices can be paired with the audio
system.
For more information, refer to the
“Pairing through Phone Setup” sec-
tion within
Bluetooth
®
Wireless
Technology.
Viewing Paired Phone List
Press the key Select
[Phone] Select [Paired Phone List]
This feature is used to view mobile
phones that have been paired with
the audio system. Upon selecting a
paired phone, the setup menu is dis-
played.
For more information, refer to the
“Setting
Bluetooth
®
Wireless
Technology Connection” section
within
Bluetooth
®
Wireless
Technology.
1) Connect/Disconnect Phone :
Connect/ disconnects currently
selected phone
2) Change Priority : Sets currently
selected phone to highest connec-
tion priority
3) Delete : Deletes the currently
selected phone
4) Return : Moves to the previous
screen
SETUP
SETUP

✽
NOTICE BEFORE DOWN-
LOADING CONTACTS
• Only contacts within connected
phones can be downloaded. Also
check to see that your mobile
phone supports the download fea-
ture.
• To learn more about whether your
mobile phone supports contacts
downloads, refer to your mobile
phone user’s manual.
• The contacts for only the connect-
ed phone can be downloaded.
Before downloading, check to see
whether your phone supports the
download feature.
Downloading Contacts
Press the key Select
[Phone] Select [Contacts Download]
The contacts is downloaded from the
mobile phone and the download
progress is displayed.
✽
NOTICE
• Upon downloading phone contacts,
the previous corresponding data is
deleted.
• This feature may not be supported
in some mobile phones.
• Voice Recognition may not operate
for several moments while con-
tacts are being downloaded.
Auto Download (Contacts)
Press the key Select
[Phone] Select [Auto Download]
This feature is used to automatically
download mobile contacts entries
once a
Bluetooth
®
Wireless
Technology phone is connected.
✽
NOTICE
• The Auto Download feature will
download mobile contacts entries
every time the phone is connected.
The download time may differ
depending on the number of saved
contacts entries and the communi-
cation state.
• Before downloading contacts, first
check to see that your mobile
phone supports the contacts
download feature.
SETUP SETUP
Features of your vehicle
2024

4203
Features of your vehicle
Audio Streaming
Press the key Select
[Phone] Select [Audio Streaming]
When Audio Streaming is turned on,
you can play music files saved in
your
Bluetooth
®
Wireless
Technology device from the car.
Outgoing Volume
Press the key Select
[Phone] Select [Outgoing Volume]
Use TUNE know to adjust the out-
going volume level.
✽
NOTICE
Even while on a call, the volume can
be changed by using the
key.
Turning Bluetooth System Off
Press the key Select
[Phone] Select [Bluetooth System
Off]
Once
Bluetooth
®
Wireless
Technology is turned off,
Bluetooth
®
Wireless Technology related features
will not be supported within the audio
system.
✽
NOTICE
To turn Bluetooth®Wireless
Technology back on, go to
[Phone] and select “Yes”.
SETUP
SETUP
SEEK
TRACK
SETUP
SETUP

Features of your vehicle
2044
VOICE RECOGNITION
Using Voice Recognition
Starting Voice Recognition
Shortly press the key on the
steering remote controller .Say a
command
If prompt feedback is in [ON], then
the system will say “Please say a
command after the beep (BEEP)”
• If prompt feedback is in [OFF], then
the system will only say “(BEEP)”
• To change Prompt Feedback
[On]/[Off], go to [System]
[Prompt Feedback]
✽
NOTICE
For proper recognition, say the com-
mand after the voice instruction and
beep tone.
Skipping Prompt Messages
While prompt message is being stat-
ed Shortly press the key on the
steering remote controller (under 0.8
seconds)
The prompt message is immediately
ended and the beep tone will sound.
After the “beep”, say the voice com-
mand.
Re-starting Voice Recognition
While system waits for a command
Shortly press the key on the
steering remote controller (under 0.8
seconds)
The command wait state is immedi-
ately ended and the beep ton will
sound. After the “beep”, say the voice
command.
SETUP

4205
Features of your vehicle
ENDING VOICE
RECOGNITION
While Voice Recognition is operating
Press and hold the key on the
steering remote controller (over 0.8
seconds)
✽
NOTICE
• While using voice command,
pressing any steering wheel control
or a different key will end voice
command.
• In a state where the system is wait-
ing for a voice command, say “can-
cel” or “end” to end voice com-
mand.
• In a state where the system is wait-
ing for a voice command, press and
hold the key on the steering
remote controller to end voice
command.

Features of your vehicle
2064
Illustration on using voice commands
• Starting voice command.
Shortly pressing the key (under 0.8 seconds):
• Skipping Voice Recognition
Shortly pressing the key (under 0.8 seconds):
• End voice command.
Shortly pressing the key (under 0.8 seconds):
while guidance message is being stated
More Help
Contacts
Cancel
More Help
Please say a command after
the beep (BEEP)
Please say a...
More Help.
You can say Radio, FM, AM, XM, Media, CD, USB,
Aux, My Music, iPod, Bluetooth Audio, Phone, Call
History or Contacts. Please say a command.
Contacts.
Please say the name of the contact you want
to call.
More Help.
You can say Radio, FM, AM, XM, Media, CD, USB,
Aux, My Music, iPod, Bluetooth Audio, Phone, Call
History or Contacts. Please say a command.
(BEEP)
(BEEP)
Beep Beep.. (end beep)
Shortly pressing the
key (under 0.8 seconds)
Beep~

4207
Features of your vehicle
Voice Command List
• Common Commands: These are commands that can be used in all situations. (However, some commands may not
be supported in special circumstances.)
Command Function
More Help Provides guidance on commands that can be
used anywhere in the system.
Help Provides guidance on commands that can be
used within the current mode.
Call<Name> Calls <Name> saved in Contacts
Ex) Call “John”
Phone Provides guidance on Phone related com-
mands. After saying this command, say
“Favorites”,“Call History”, “Contacts” or ”Dial
Number” execute corresponding functions.
Favorites Display the Favorite screen.
Call History Displays the Call History screen.
Contacts Displays the Contacts screen. After saying
this command, say the name of a contact
saved in the Contacts to automatically con-
nect the call.
Dial Number Display the Dial number screen. After saying
this command, you can say the number what
you want to call.
Redial Connects the most recently called number.
Command Function
•
When listening to the radio, displays the
next radio screen. (FM1
➟
FM2
➟
AM
➟
XM1
➟
XM2
➟
XM3
➟
FM1)
Radio
•
When listening to a different mode, displays
the most recently played radio screen.
•
When currently listening to the FM radio,
maintains the current state.
•
When listening to a different mode, displays
the most recently played FM screen.
FM1(FM One) Displays the FM1 screen.
FM2(FM Two) Displays the FM2 screen.
AM Displays the AM screen.
FM Preset 1~6 Plays the most recently played broadcast
saved in FM Preset 1~6.
AM Preset 1~6 Plays the broadcast saved in AM Preset 1~6.
FM 87.5~107.9 Plays the FM broadcast of the corresponding
frequency.
AM 530~1710 Plays the AM broadcast of the corresponding
frequency.
XM (Satellite)
•
When currently listening to the XM, main-
tains the current state.
•
When listening to a different mode, displays
the most recently played XM screen.
(Call by Name)

Features of your vehicle
2084
Command Function
XM (Satellite) 1~3
Displays the selected XM screen.
XM Channel Plays the selected XM channel.
Media Moves to the most recently played media
screen.
CD Plays the music saved in the CD.
USB Plays USB music.
iPod Plays iPod music.
Command Function
My Music Plays the music saved in My Music.
AUX (Auxiliary) Plays the connected external device.
Bluetooth Audio Plays the music saved in connected Bluetooth
®
device.
Please repeat Repeats the most recent comment.
Cancel (Exit) Ends voice command.
0~255

4209
Features of your vehicle
• FM/AM radio commands: Commands that can be
used while listening to FM, AM radio.
• Satellite radio commands: Commands that can be
used while listening to Satellite Radio.
Command Function
Preset 1~6 Plays the broadcast station saved in Preset 1~6.
Auto Store Automatically selects radio broadcast fre-
quencies with superior reception and saves in
Presets 1~6.
Seek up Plays the next receivable broadcast.
Seek down Plays the previous receivable broadcast.
Scan Scans receivable frequencies from the current
broadcast and plays for 10 seconds each.
Preset Scan Moves to the next preset from the current
present and plays for 10 seconds each.
Information Displays the information of the current broad-
cast.(This feature can be used when receiving
RBDS broadcasts.)
Command Function
Scan Scans receivable channels from the current
broadcast and plays for 10 seconds each.
Preset 1~6 Plays the broadcast saved in Preset 1~6.
Information Displays the information of the current broad-
cast.

Features of your vehicle
2104
• Audio CD commands: Commands that can be used
while listening to Audio CD.
• MP3 CD / USB commands: Commands that can be
used while listening to music files saved in CD and
USB.
Command Function
Random Randomly plays the tracks within the CD.
Random Off Cancels random play to play tracks in sequen-
tial order.
Repeat Repeats the current track.
Repeat Off Cancels repeat play to play tracks in sequen-
tial order.
Scan Scans the tracks from the next track for 10
seconds each.
Track 1~30 Plays the desired track number.
Information Displays the information screen of the current
track.
Command Function
Random Randomly plays the files within the current
folder.
All Random Randomly plays all saved files.
Random Off Cancels random play to play files in sequential
order.
Repeat Repeats the current file.
Folder Repeat Repeats all files in the current folder.
Repeat Off Cancels repeat play to play files in sequential
order.
Next File Plays the next file.
Previous File Plays the previous file.
Scan Scans the files from the next files for 10 sec-
onds each.
Information Displays the information screen of the current
file.
Copy Copies the current file into My Music.

4211
Features of your vehicle
• iPod Commands: Commands that can be used while
playing iPod.
• My Music Commands: Commands that can be used
while playing My Music.
Command Function
Random Randomly plays the songs within the current
category.
Random Off Cancels random play to play songs in sequen-
tial order.
Repeat Repeats the current song.
Repeat Off Cancels repeat play to play songs in sequen-
tial order.
Information Displays the information screen of the current
song.
Command Function
Random Randomly plays all saved files.
Random Off Cancels random play to play files in sequential
order.
Repeat Repeats the current file.
Repeat Off Cancels repeat play to play files in sequential
order.
Scan Scans the files from the next files for 10 sec-
onds each.
Information Displays the information screen of the current
file.
Delete Deletes the current file. You will bypass an
additional confirmation process.
Delete All Deletes all files saved in My Music. You will
bypass an additional confirmation process.

Features of your vehicle
2124
•
Bluetooth
®
Wireless Technology Audio Commands:
Commands that can be used while playing Phone
Music.
Command Function
Play Plays the currently paused song.
Pause Pauses the current song.

4213
Features of your vehicle
Blue Link®
Hyundai aims to offer differentiated
customer values through a
‘Connected Car Life,’ which is to pro-
vide consumers with fast and reliable
IT technology. As consumers’
lifestyles become more and more
mobile in thanks to remarkable
advances in smart phones, tablet
PCs and overall wireless telecommu-
nication, new lifestyle patterns
demand seamless connection
between one’s office, home, out-
doors and automobiles.
Automobile companies are now
faced with the task of shifting their
paradigm from vehicle-centered
services to customer value-centered
services, with the ultimate goal of
securing global leadership in the
field of vehicle IT and telematics.
Hyundai Motor plans to achieve this
by realizing a terminal platform flexi-
ble to changes in IT technology,
cooperating with global IT compa-
nies, creating an eco-system and
providing the latest contents & serv-
ices based on an open environment.
Using the Room Mirror Key
Selecting the room mirror key will
allow you to make service required
inquiries, POI info searches, and
emergency rescues by connecting to
the Blue Link®Center.
Such features can be used only after
subscribing to the Blue Link®service.
➀ (Blue Link®Center)
Makes requests for Blue Link®serv-
ice related inquiries and consulta-
tions.
A call is connected to the Blue Link®
ser-vice center employee.
Pressing the key again will end the
call.
This feature does not operate when
you are on a Bluetooth®phone call.
➁ (Blue Link®for POI)
• Blue Link®for Voice command
Starts Blue Link®voice command.
Voice receiving voice guidance,
shortly press the button to convert to
voice command mode. Press and
hold the button to end voice com-
mand.
• TBT VR Commands
1. Navigate to
“Navigate to” voice command is used
to request the download of route
data for a new destination, saved
destinations, daily routes and previ-
ous destinations.

Features of your vehicle
2144
2. Save Destination
“Save Destination” VR command is
used to assign a voice tag to the last
downloaded destination and store it
in a destination directory.
NOTE:
The Turn by Turn(TBT) feature sup-
ports the store of ten(10) destina-
tions in the TBT destinations
directory.
3. Route Preview
“Route Preview” VR command allows
the user to preview the route instruc-
tions (upcoming maneuver instruc-
tions) at any time during the route
guidance.
4. Destinations List
“Destinations List” VR command
allows the user to preview and delete
the stored destinations with their
associated voice tags in the Turn by
Turn destinations directory.
5. Voice Guidance
“Voice Guidance” VR command
allows the user to mute/unmute the
Turn by Turn(TBT) direction
announcements.
6. Suspend Route
“Suspend Route” VR command
allows the user to suspend and
pause Turn by Turn(TBT) route guid-
ance while in the guidance mode.
7. Resume Route
“Resume Route” VR command
allows the user to resume Turn by
Turn(TBT) route guidance.
➂ (Blue Link®for SOS)
In the case of an emergency,
requests for help to the Blue Link®
center.
Call is connected to the Blue Link®
emergency rescue center. Pressing
the key again will end the call.
If already on a Bluetooth®phone call,
the call will end to connect you to the
Blue Link®Emergency Rescue Center.
CAUTION
• You cannot talk simultaneous-
ly on the Bluetooth
®
phone
and Blue Link
®
phone.
• While on a Bluetooth
®
call,
pressing the key or
key will display a message
indicating that you are cur-
rently on a call.
• A message will be displayed if
you receive a Bluetooth
®
Bluetooth
®
Wireless
Technology call while already
on a Blue Link
®
call. At this
time, press the key on the
steering wheel remote con-
troller to accept the call. The
phone bell will not ring.

4215
Features of your vehicle
Eco Coach
• What is Eco Coach?
Every 2.5 minutes, Eco Coach com-
pares your fuel economy against the
government tested average (EPA) or
other similar Hyundai models (com-
munity), based on your preference.
Each month, or after every tank fill
up, Eco Coach rates your extended
average and gives you a reward star
if you best the average.
See your My Hyundai web page for
more information.
• What does the bar graph and hori-
zontal line mean?
The horizontal line is adjusted once
per month or at each tank full, based
on your preference; it represents the
EPA combined average or communi-
ty average fuel economy target.
• What is My Eco MPG?
Your actual fuel economy average
over 2.5 minutes.
This value is also shown in bar graph
as your “now” rating.
• What are Eco Rewards?
If you beat the average (the EPA or
community), you will receive an Eco
Reward point.
See your my Hyundai web page for
more information.
[Eco Driving] will not operate if the
vehicle ignition is not turned on.
Please operate with the ignition
turned on.

Features of your vehicle
2164
Turn by Turn
The Turn by Turn feature can be used
through Blue Link®.
1. Direction Indicator Image
2. Remaining distance until next point
3. The Count bar is divided into a
total of 9 levels.
9 Level 0.5mi 8 Level 0.4mi
7 Level 0.3mi 6 Level 0.2mi
5 Level 0.1mi 4 Level 400ft
3 Level 300ft 2 Level 200ft
1 Level 100ft
4. Next Street name
5. Distance to destination
6. Expected Time Arrival
❈ For information on specific
Blue Link®operations, please refer
to a separate manual.

4217
Features of your vehicle
■
CD Player : AM9B2DMKN, AM943DMAN
❋No logo will be shown if the HD RadioTM feature is not supported.
AM9B
:
KN AM943DMAN
MK
dx
f

Features of your vehicle
2184
SYSTEM CONTROLLERS
AND FUNCTIONS
Audio Head Unit
(for HD RADIOTM equipped model)
1. (EJECT)
• Ejects the disc.
2.
• Convert to Radio mode.
• Each time the key is pressed,the
mode is changed in order of FM1,
FM2, AM, XM1, XM2, XM3.
3.
• Convert to Media Mode
• Each time the key is pressed, the
mode is changed in order of CD,
USB(iPod), AUX, My Music, BT
Audio.
4. (for
Bluetooth®
Wireless
Technology equipped model)
• Converts to Phone mode
❈ When a phone is not connected,
the connection screen is dis-
played.
5. PWR/VOL knob
• Power : Press to turn power
on/off.
• Volume : Turn left/right to control
volume.
6.
• When pressed shortly(under 0.8 sec-
onds)
- Radio mode : plays previous/next
frequency.
- Media (CD/USB/iPod/My Music)
modes : changes the track,
Song(file)
• When pressed and held (Over 0.8
seconds)
- Radio mode : continuously
changes the frequency. Upon
release, plays the
current frequency.
- Media(CD/USB/iPod/My Music)
modes : rewinds or fast forwards the
track or file
- During a Handsfree call, controls
the call volume.
7.
• HD RADIO : Channel Change
• XM RADIO : Category Search
• CD/USB/MP3 mode : Search
Folder
HD/CAT
FOLDER
SEEK
TRACK
PHONE
MEDIA
RADIO

4219
Features of your vehicle
8.
• Turns the monitor display on/off.
9.
Displays the time/date/day.
10.
• Radio Mode : previews all receiv-
able broadcasts for 5 seconds each
• Media (CD/USB/My Music) modes
: previews each song (file) for 10
seconds each.
11.
Converts to Setup mode.
12. TUNE knob
• Radio mode : turn to change broad-
cast frequencies.
• Media (CD/USB/iPod/My Music)
modes : turn to search tracks/chan-
nels/files.
13. DISC-IN LED
• LED that indicates whether a disc is
inserted.
14. RESET
• Forced system termination and
system restart.
Audio Head Unit
15.
• XM RADIO : Category Search
• CD, USB/MP3 mode : Search
Folder
CAT
FOLDER
SETUP
SCAN
CLOCK
DISP

Features of your vehicle
2204
Steering remote controller
1. VOLUME
• Used to control volume.
2. MUTE
• Mutes audio volume.
3. SEEK
• When pressed shortly (under 0.8 sec-
onds)
- Radio mode : searches broadcast
frequencies saved to presets.
- Media(CD/USB/iPod/My
Music/BT Audio) modes :
changes the track, file or chapter.
• When pressed and held (over 0.8 sec-
onds)
- Radio mode, automatically search-
es broadcast frequencies and
channels
- Media(CD/USB/iPod/My Music)
modes, rewinds or fast forwards
the track or song(file)
- BT Audio mode may not be sup-
ported in some mobile phones.
4. MODE
• Each time this key is pressed, the
mode is changed in order of
FM1➟FM2➟AM➟XM1➟XM2➟XM3
➟CD➟USB or iPod➟AUX➟My
Music➟BT Audio
• If the media is not connected or a
disc is not inserted, corresponding
modes will be disabled.
5.
• When pressed shortly
- Starts voice recognition
- When selecting during a voice
prompt, stops the prompt and
converts to voice command wait-
ing state
• When pressed and held (over 0.8 sec-
onds)
- Ends voice recognition

4221
Features of your vehicle
6.
• When pressed shortly
- When pressed in the phone
screen, displays call history
screen
- When pressed in the dial screen,
makes a call
- When pressed in the incoming
call screen, answers the call
- When pressed during call waiting,
switches to waiting call (Call
Waiting)
• When pressed and held (over 0.8 sec-
onds)
- When pressed in the
Bluetooth®
Wireless Technology Handsfree
wait mode, redials the last call
- When pressed during a
Bluetooth®
Wireless Technology
Handsfree call, switches call back
to mobile phone (Private)
- When pressed while calling on the
mobile phone, switches call back
to
Bluetooth®
Wireless Technology
Handsfree (Operates only when
Bluetooth®
Wireless Technology
Handsfree is connected)
7.
• Ends phone call

Features of your vehicle
2224
HD RadioTM Technology
(for HD RADIOTM equipped model)
HD Radio Technology manufactured
under license from iBiquity Digital
Corporation. U.S. and Foreign
Patents. HD Radio™ and the HD, HD
Radio, and “Arc” logos are propri-
etary trademarks of iBiquity Digital
Corp.
Program Service Data: Contributes
to the superior user experience of
HD Radio Technology. Presents song
name, artist, station IDs, HD2/HD3
Channel Guide, and other relevant
data streams.
Adjacent to traditional main stations
are extra local FM channels. These
HD2/HD3 Channels provide new,
original music as well as deep cuts
into traditional genre.
Digital, CD-quality sound. HD Radio
Technology enables local radio sta-
tions to broadcast a clean digital sig-
nal. AM sounds like today’s FM and
FM sounds like a CD.
HD RadioTM signal delay
To overcome the delay that digital
systems inherently produce, HD
RadioTM technology first uses the
audio signal of the analog broadcast-
ing when you tune to an AM station
or to the main channel of a FM sta-
tion. After that, the system will blend
from analog to digital signal.
Normally, this blending is very
smooth. If you experience a skip in
program content of several seconds,
the radio station has not implement-
ed HD RadioTM broadcasting correct-
ly. This is not a problem with your
audio system.
Due to the fact that sub channels are
only broadcasting digital, blending
from analog to digital signal is not pos-
sible if you tune to a sub channel. In
this case playback of the sub channel
starts after several seconds, this is a
normal function.

4223
Features of your vehicle
RADIO MODE
Basic Mode Screen
1. Mode Display
Displays currently operating mode.
2. Frequency
Displays the current frequency.
3. Preset
Displays current preset number [1] ~
[6].
4. Preset Display
Displays preset buttons.
5. Info
Displays broadcast information.
6. HD
Changes HD Radio channels.
7. A.store
Automatically saves frequencies with
superior reception to Preset buttons.

Features of your vehicle
2244
HD RADIO MODE
(for HD RADIOTM equipped model)
Basic Mode Screen
1. Mode Display
Displays currently operating mode.
2. HD Channel
Displays information for the currently
playing HD Radio broadcast.
3. Song Information
Displays the album, artist, and title
information.
4. Frequency
Displays the current frequency.
5. HD Radio Broadcast Station
Displays the HD Radio broadcast
station name.
6. Preset
Displays currently playing preset
number [1] ~ [6].
7. Preset Display
Displays saved presets.
8. Info
Displays broadcast information.
9. HD
Changes HD Radio channels.
10. A.Store
Automatically saves frequencies with
superior reception to Preset buttons.

4225
Features of your vehicle
Switching to Radio Mode
Pressing the key will change
the operating mode in order of FM1
➟
FM2
➟
AM
➟
XM1
➟
XM2
➟
XM3
If [Mode Pop up] is turned on within
[Display], then pressing the
key will display the Radio
Pop-up Mode screen.
Turn the TUNE knob to move the
focus. Press the knob to select.
Searching Radio Frequencies
Using Seek
Press the key to play the
previous/next frequency.
Using TUNE
Turn the TUNE knob to select the
desired frequency.
• FM : Increases/decreased by
200kHz
• AM : Increases/decreased by
10kHz
Using Radio Mode
Selecting Presets/Saving Presets
Press the button to display
the broadcast information for the fre-
quency saved to each button.
Press the ~ buttons to play
the desired preset.
✽
NOTICE
While listening to a frequency you
want to save as a preset, press and
hold one of the ~ preset
buttons (over 0.8 seconds) to save
the current frequency to the selected
preset.
61
61
Preset
SEEK
TRACK
RADIO
SETUP
RADIO

Features of your vehicle
2264
Auto Store
Press the button to automati-
cally save receivable frequencies to
Preset buttons.
✽
NOTICE
While Auto Store is operating, press-
ing the [Cancel] button again will
cancel Auto Store and restore the
previous frequency.
Scan
Press the key to preview fre-
quencies with superior reception for
5 seconds each.
Press and hold the key (over
0.8 seconds) to preview presets for 5
seconds each.
Once scan is complete, the previous
frequency will be restored.
While Scan is operating, pressing
the key will cancel the scan
operation.
Listening to HD Radio
Stations
HD Radio Technology is a digital
radio technology used by AM and
FM radio station to transmit audio
and data via a digital signal in con-
junction with their analog signals.
While listening to the radio, the HD
Radio icon will become displayed if
receiving an HD Radio broadcast.
Changing HD Radio stations
Press the button to change
HD Radio station.
Viewing Station Information
Press the button to view sta-
tion information.
Info
SCAN
SCAN
SCAN
A.Store

4227
Features of your vehicle
XM RADIO MODE
Features of your vehicle
Satellite radio reception
You may experience difficulties in
receiving XM™ satellite radio signals
in the following situations.
• If you are driving in a tunnel or a
covered parking area.
• If you are driving beneath the top
level of a multi-level freeway.
• If you are driving under a bridge.
• If you are driving next to a tall vehi-
cle (such as a truck or a bus) that
blocks the signal.
• If you are driving in a valley where
the surrounding hills or peaks
block the signal from the satellite.
• If you are driving on a mountain
road where is the signal blocked by
mountains.
• If you are driving in an area with tall
trees that block the signal (30 ft.
/10m or more), for example on an
road that goes through a dense for-
est.
• The signal can become weak in
some areas that are not covered
by the XM™ repeater network.
NOTE:
There may also be additional
unforeseen circumstances leading
to reception problems with the
XM™ satellite radio signal.
Advisory Messages, such as ‘CH
Unavailable’ may occur when start-
ing XM Radio.
SATELLITE2
SATELLITE1

Features of your vehicle
2284
XM RADIO MODE
Basic Mode Screen
1. Mode Display
Displays currently operating mode.
2. Channel Information
Displays the category, channel num-
ber, channel name, artist and title
information.
3. Preset
Displays currently playing preset
number [1] ~ [6].
4. Preset Display
Displays saved presets.

4229
Features of your vehicle
Using SEEK
Press the key to play the
previous/next channel.
❈If the “Category” icon is displayed,
channels are changed within the
current category.
Using Tune
Turn the TUNE knob to select the
desired channel.
SCAN
Press the key to scan all
channels with superior reception for
5 seconds each.
Once scan is complete, the previous-
ly played channel will be restored.
During Scan, pressing the
key again will cancel the scan opera-
tion and restore the previously
played channel.
If the “Category” icon is displayed,
channels are changed within the cur-
rent category.
Searching Categories
Select the category by using the
()key and press
the TUNE knob to select.
Channels for the selected category
are played.
Selecting Presets/Saving
Presets
Press the button to display
the broadcast information for the
channel saved to each button.
Press the ~ buttons to play
the desired preset.
✽
NOTICE
While listening to a channel you
want to save as a preset, press and
hold one of the ~ preset
buttons (over 0.8 seconds) to save
the current channel to the selected
preset.
61
61
Preset
CAT
FOLDER
HD/CAT
FOLDER
SCAN
SCAN
SEEK
TRACK

Features of your vehicle
2304
✽
NOTICE - USING THE
DISCS
• This device has been manufac-
tured to be compatible with soft-
ware bearing the following logo
marks.
• Do not clean discs with chemical
solutions, such as record sprays,
antistatic sprays, antistatic liq-
uids, benzene, or thinners.
• After using a disc, put the disc
back in its original case to prevent
disc scratches.
• Hold discs by their edges or with-
in the center hole to prevent dam-
ages to disc surfaces.
• Do not introduce foreign sub-
stances into the disc insert/eject slot.
Introducing foreign substances
could damage the device interior.
• Do not insert two discs simultane-
ously.
• When using CD-R/CD-RW discs,
differences in disc reading and
playing times may occur depend-
ing on the disc manufacturer, pro-
duction method and the recording
method as used by the user.
(Continued)
(Continued)
• Clean fingerprints and dust off
the disc surface (coated side) with
a soft cloth.
• The use of CD-R/CD-RW discs
attached with labels may result in
disc slot jams or difficulties in disc
removal. Such discs may also
result in noise while playing.
• Some CD-R/CD-RW discs may
not properly operate depending
on the disc manufacturer, produc-
tion method and the record
method as used by the user. If
problems persist, trying using a
different CD as continued use
may result in malfunctions.
• The performance of this product
may differ depending on the CD-
RW Drive Software.
• Copy-protected CDs such as S-
type CDs may not function in the
device. DATA discs cannot be
played. (However, such discs may
still operate but will do so abnor-
mally.)
(Continued)
(Continued)
• Do not use abnormally shaped
discs (8cm, heart-shaped, octa-
gon-shaped) as such discs could
lead to malfunctions.
• If the disc is straddled on the disc
slot without removal for 10 sec-
onds, the disc will automatically
be re-inserted into the disc player.
• Only genuine audio CDs are sup-
ported. Other discs may result in
recognition failure (e.g. copy CD-
R, CDs with labels)

4231
Features of your vehicle
MEDIA MODE
Pressing the key will change
the operating mode in order of
CD
➟
USB(iPod)
➟
AUX
➟
My Music
➟
BT Audio.
If [Mode Pop up] is turned on within
[Display], then pressing the
key will display the Media
Pop-up Mode screen.
Turn the TUNE knob to move the
focus. Press the knob to select.
✽
NOTICE
• The media mode pop up screen
can be displayed only when there
are two or more media modes
turned on.
Title Icon
When a
Bluetooth®
Wireless
Technology, iPod, USB, or AUX
device is connected or a CD is
inserted, the corresponding mode
icon will be displayed.
Icon Title
Bluetooth®
Wireless Technology
CD
iPod
USB
AUX
MEDIA
SETUP
MEDIA

Features of your vehicle
2324
AUDIO CD MODE
Basic Mode Screen
1. Mode
Displays currently operating mode.
2. Operation State
From Repeat/Random(Shuffle)/ Scan,
displays the currently operating func-
tion.
3. Track Info
Displays information about the cur-
rent track.
4. Play/Pause
Changes the play/pause state.
5. Play Time
Displays the current play time.
6. Info
Shows detailed information about
the current track.
7. Random(Shuffle)
Turns the Random(Shuffle) feature
on/off.
8. Repeat
Turns the Repeat feature on/off.
9. List
Moves to the list screen.

4233
Features of your vehicle
Using Audio CD Mode
Playing/Pausing CD Tracks
Once an audio CD is inserted, the
mode will automatically start and
begin playing.
While playing, press the button
to pause and press button to
play.
✽
NOTICE
• Only genuine audio CDs are sup-
ported. Other discs may result in
recognition failure (e.g. copy CD-
R, CDs with labels)
• The artist and title information are
displayed on the screen if track
information is included within the
audio CD.
Changing Tracks
Press the key to move to
the previous or next track.
✽
NOTICE
• Pressing the key after the
track has been playing for 2 sec-
onds will start the current track
from the beginning.
• Pressing the key before
the track has been playing for 1
seconds will start the previous
track.
Selecting from the List
Turn the TUNE knob left/right to
search for the desired track.
Once you find the desired track,
press the TUNE knob to start
playing.
Rewinding / Fast-forwarding
Tracks
While playing, press and hold the
key (over 0.8 seconds) to
rewind or fast-forward the current
track.
Scan
Press the key to play the first
10 seconds of each file.
SCAN
SEEK
TRACK
SEEK
TRACK
SEEK
TRACK
SEEK
TRACK

Features of your vehicle
2344
Audio CD Mode Menu
Within this mode, you will have
access to the Info, Random(Shuffle),
Repeat and List features.
Info
Press the button to display
details about the current disc.
Random(Shuffle)
Press the button to play tracks
in random(Shuffle) order.
Press the button again to turn
the Random(Shuffle) feature off.
• Random(Shuffle): Plays all tracks in
random(Shuffle) order.
Repeat
Press the button to repeat the
current track. Press the button again
to turn the repeat feature off.
• Repeat : Repeats the current track.
List
Press the button to display the
track list screen.
Turn the TUNE knob left/right to
search for tracks. Once the desired
track is displayed, press the knob to
select and play.
List
Repeat
Shuffle
Shuffle
Info

4235
Features of your vehicle
MP3 CD MODE
Basic Mode Screen
1. Mode
Displays currently operating mode.
2. Operation State
From Repeat/Random(Shuffle)/
Scan, displays the currently operat-
ing function.
3. File Index
Displays the current file number.
4. File Info
Displays information about the cur-
rent file.
5. Play/Pause
Changes the play/pause state.
6. Play Time
Displays the current play time.
7. Info
Shows detailed information about
the current file.
8. Random(Shuffle)
Turns the Random(Shuffle) feature
on/off.
9. Repeat
Turns the Repeat feature on/off.
10. Copy
Copies the current file into My Music
11. List
Moves to the list screen.

Features of your vehicle
2364
Using MP3 CD Mode
Playing/Pausing MP3 Files
Once an MP3 disc is inserted the
mode will automatically start and
being playing.
While playing, press the button
to pause and press button to
play.
✽
NOTICE
• If there are numerous files and
folders within the disc, reading
time could take more than 10 sec-
onds and the list may not be dis-
played or song searches may not
operate. Once loading is complete,
try again.
Changing Files
Press the key to move to
the previous or next file.
✽
NOTICE
• Pressing the key after the
file has been playing for 2 seconds
will start the current file from the
beginning.
• Pressing the key before
the file has been playing for 1 sec-
onds will start the previous file.
Selecting from the List
Turn the TUNE knob left/right to
search for the desired file.
Once you find the desired file, press
the TUNE knob to start playing.
Rewinding / Fast-forwarding Files
While playing, press and hold the
key (over 0.8 seconds) to
rewind or fast-forward the current file.
Scan
Press the key to play the first
10 seconds of each file.
Searching Folders
Press the () key to
select and search folders.
Once the desired folder is displayed,
press the TUNE knob to select.
The first file within the selected fold-
er will begin playing.
CAT
FOLDER
HD/CAT
FOLDER
SCAN
SEEK
TRACK
SEEK
TRACK
SEEK
TRACK
SEEK
TRACK

4237
Features of your vehicle
MP3 CD Mode Menu
Within this mode, you will have
access to the Info, Random(Shuffle),
Repeat, Copy and List features.
Info
Press the button to display
details about the current file.
✽
NOTICE
• When the ‘Folder File’ option is set
as the default display within
Display setup, the album/artist/file
information are displayed as
detailed file information.
• When the ‘Album Artist Song’
option is set as the default display,
the folder name/file name are dis-
played as detailed file information.
• The title, artist and album info are
displayed only when such informa-
tion are recorded within the MP3
file ID3 tag.
Random(Shuffle)
Press the button to play files
in random(Shuffle) order.
Each time the button is pressed, the
feature changes in order of Random
(Shuffle) Folder ➟ Random (Shuffle)
All➟ Off.
• Random(Shuffle) Folder : Plays all
files within the current folder in
Random (Shuffle) order.
• Random(Shuffle) All : Plays all files
in Random(Shuffle) order.
Repeat
Press the button to repeat the
current file or folder.
Each time the button is pressed, the
feature changes in order of Repeat
➟Repeat Folder➟Off.
• Repeat: Repeats the current file.
• Repeat Folder: Repeats all files
within the current Folder.
Copying Files
Press the button to copy the
current file into My Music.
✽
NOTICE
Selecting another feature during
copying will display a pop-up asking
whether you wish to cancel copying.
To cancel, select 'Yes’.
Copy
Repeat
Shuffle
Info

Features of your vehicle
2384
List
Press the button to display the
file list screen.
Turn the TUNE knob left/right to
search for files. Once the desired file
is displayed, press the knob to select
and play.
List

4239
Features of your vehicle
✽
NOTICE - USING THE
USB DEVICE
• Connect the USB device after
turning on the engine. The USB
device may become damaged if
it is already connected when the
ignition is turned on.The USB
device may not operate properly
if the car ignition is turned on or
off with the USB device connect-
ed.
• Heed caution to static electricity
when connecting/disconnecting
USB devices.
• Encoded MP3 Players will not
be recognized when connected
as an external device.
• When connecting an external
USB device, the device may not
properly recognize the USB is in
some states.
• Only products formatted with
byte/sectors under 64Kbyte will
be recognized.
• This device recognizes USB
devices formatted in FAT
12/16/32 file formats. This
device does not recognize files in
NTFS file format.
(Continued)
(Continued)
• Some USB devices may not be
supported due to compatibility
issues.
• Avoid contact between the USB
connector with bodily parts or
foreign objects.
• Repeated connecting/discon-
necting of USB devices within
short periods of time may result
in product malfunction.
• A strange noise may occur when
disconnecting the USB.
• Make sure to connect/discon-
nect external USB devices with
the audio power turned off.
• The amount of time required to
recognize the USB device may
differ depending on the type,
size or file formats stored in the
USB. Such differences in time
are not indications of malfunc-
tions.
• The device only supports USB
devices used to play music files.
• USB images and videos are not
supported.
(Continued)
(Continued)
• Do not use the USB I/F to
charge batteries or USB acces-
sories that generate heat. Such
acts may lead to worsened per-
formance or damage to the
device.
• The device may not recognize
the USB device if separately
purchased USB hubs and exten-
sion cables are being used.
Connect the USB directly with
the multimedia terminal of the
vehicle.
• When using mass storage USB
devices with separate logical
drives, only files saved to the
root drive can be played.
• Files may not properly operate
if application programs are
installed to the USBs.
• The device may not operate nor-
mally if MP3 Players, cellular
phones, digital cameras, or
other electronic devices (USB
devices not recognized as
portable disk drives) are con-
nected with the device.

Features of your vehicle
2404
(Continued)
• Avoid use of USB
memory products
that can also be used
as key chains or
mobile phone acces-
sories. Use of such products may
cause damage to the USB jack.
• Connecting an MP3 device or
phone through various chan-
nels, such as AUX/BT or Audio/
USB mode may result in pop
noises or abnormal operation.
(Continued)
• Charging through the USB may
not work for some mobile
devices.
• The device may not support
normal operation when using a
USB memory type besides
(Metal Cover Type) USB
Memory.
• The device may not support
normal operation when using
formats such as HDD Type, CF,
or SD Memory.
• The device will not support files
locked by DRM (Digital Rights
Management.)
• USB memory sticks used by
connecting an Adaptor (SD
Type or CF Type) may not be
properly recognized.
• The device may not operate
properly when using USB HDDs
or USBs subject to connection
failures caused by vehicle vibra-
tions. (e.g. i-stick type)
(Continued)

4241
Features of your vehicle
USB MODE
Basic Mode Screen
1. Mode
Displays currently operating mode.
2. Operation State
From Repeat/Random(Shuffle)/
Scan, displays the currently operat-
ing function.
3. File Index
Displays the current file number.
4. File Info
Displays information about the current
file.
5. Play/Pause
Changes the play/pause state.
6. Play Time
Displays the current play time.
7. Info
Displays detailed information for the
current file.
8. Random(Shuffle)
Turns the Random(Shuffle) feature
on/off.
9. Repeat
Turns the Repeat feature on/off.
10. Copy
Copies the current file into My Music.
11. List
Moves to the list screen.

Features of your vehicle
2424
Using USB Mode
Playing/Pausing USB Files
Once a USB is connected, the mode
will automatically start and begin
playing a USB file.
While playing, press the button
to pause and press button to
play.
✽
NOTICE
• Loading may require additional
time if there are many files and
folders within the USB and result
in faulty list display or file search-
ing. Normal operations will resume
once loading is complete.
• The device may not support nor-
mal operation when using a USB
memory type besides (Metal Cover
Type) USB Memory.
Changing Files
Press the keys to move to
the previous or next file.
✽
NOTICE
• Pressing the key after the
file has been playing for 2 seconds
will start the current file from the
beginning.
• Pressing the key before
the file has been playing for 1 sec-
onds will start the previous file.
Selecting from the List
Turn the TUNE knob left/right to
search for the desired file.
Once you find the desired file, press
the TUNE knob to start playing.
Rewinding / Fast-forwarding Files
While playing, press and hold the
key (over 0.8 seconds) to
rewind or fast-forward the current file.
Scan
Press the key to play the first
10 seconds of each file.
SCAN
SEEK
TRACK
SEEK
TRACK
SEEK
TRACK
SEEK
TRACK

4243
Features of your vehicle
Searching Folders
Press the ()key
to select and search folders.
Once the desired folder is displayed,
press the TUNE knob to select.
The first file within the selected fold-
er will begin playing.
USB Mode Menu
Within this mode, you will have
access to the Info, Random(Shuffle),
Repeat, Copy and List features.
Info
Press the button to display
details about the current file.
✽
NOTICE
• When the ‘Folder File’ option is set
as the default display within Display
setup, the album/artist/file informa-
tion are displayed as detailed file
information.
• When the ‘Album Artist Song’
option is set as the default display,
the folder name/file name are dis-
played as detailed file information.
• The title, artist and album info are
displayed only when such informa-
tion are recorded within the MP3
file ID3 tag.
Random(Shuffle)
Press the button to play files
in random(Shuffle) order.
Each time the button is pressed, the
feature changes in order of
Random(Shuffle) Folder➟Random
(Shuffle) All➟Off.
• Random(Shuffle) Folder : Plays the
files in the current folder in ran-
dom(Shuffle) order.
• Random(Shuffle) All : Plays all files
in random(Shuffle) order.
Shuffle
Info
CAT
FOLDER
HD/CAT
FOLDER

Features of your vehicle
2444
Repeat
Press the button to repeat the
current file or folder.
Each time the button is pressed, the
feature changes in order of Repeat➟
Repeat Folder ➟Off.
• Repeat (Icon) : Repeats the current
file.
• Repeat Folder (Icon) : Repeats all
files within the current folder.
Copying Files
Press the button to copy the
current file into My Music.
✽
NOTICE
Selecting another feature during
copying will display a pop-up asking
whether you wish to cancel copying.
To cancel, select 'Yes’.
List
Press the button to display the
file list screen.
Turn the TUNE knob left/right to
search for files. Once the desired file
is displayed, press the knob to select
and play.
List
Copy
Repeat

4245
Features of your vehicle
✽
NOTICE - USING THE
iPod®DEVICE
• iPod®is a registered trademark
of Apple Inc.
• In order to use the iPod while
operating the keys, you must use
a dedicated iPod cable. (the
cable that is supplied when pur-
chasing iPod/iPhone products)
• If the iPod is connected to the
vehicle while it is playing, a high
pitch sound could occur for
approximately 1-2 seconds
immediately after connecting. If
possible, connect the iPod to the
vehicle with the iPod
stopped/paused.
• During ACC ON state, connect-
ing the iPod through the iPod
cable will charge the iPod
through the car audio system.
• When connecting with the iPod
cable, make sure to fully insert
the jack to prevent communica-
tion interference.
(Continued)
(Continued)
• When the EQ features of an
external device, such as the
iPod, and the audio system are
both active, EQ effects could
overlap and cause sound deteri-
oration and distortion.
Whenever possible, turn off the
EQ feature within the external
device upon use by connecting
with the audio system.
• Noise may occur when an iPod
or AUX device is connected.
When such devices are not
being used, disconnect the
device for storage.
• When the iPod or AUX device
power is connected to the power
jack, playing the external device
may result in noise. In such
cases, disconnect the power con-
nection before use.
• Skipping or improper operation
may occur depending on the
characteristics of your
iPod/Phone device.
(Continued)
(Continued)
• If your iPhone is connected to
both the Bluetooth®Wireless
Technology and USB, the sound
may not be properly played. In
your iPhone, select the Dock
connector or Bluetooth®
Wireless Technology to change
the sound output (source).
• iPod mode cannot be operated
when the iPod cannot be recog-
nized due to versions that do not
support communication proto-
cols.
• For fifth generation iPod Nano
devices, the iPod may not be
recognized when the battery
level is low. Please charge the
iPod for use.
• Search/play orders shown within
the iPod device may differ with
the orders shown within the
audio system.
• If the iPod malfunctions due to
an iPod device defect, reset the
iPod and try again. (To learn
more, refer to your iPod manual)
(Continued)

Features of your vehicle
2464
iPod MODE
Basic Mode Screen
1. Mode
Displays currently operating mode.
2. Operation State
From Repeat/Random(Shuffle), dis-
plays the currently operating func-
tion.
3. Song Index
Displays the current song/total num-
ber of songs.
4. Song Info
Displays information about the cur-
rent song.
5. Play/Pause
Changes the play/pause state.
6. Play Time
Displays the current play time.
7. Random(Shuffle)
Turns the Random(Shuffle) feature
on/off.
8. Repeat
Turns the Repeat feature on/off.
9. List
Moves to the list screen.
(Continued)
• Some iPods may not sync with
the System depending on its ver-
sion. If the Media is removed
before the Media is recognized,
then the system may not proper-
ly restore the previously operat-
ed mode. (iPad charging is not
supported.)

4247
Features of your vehicle
Using iPod Mode
Playing/Pausing iPod Songs
Once an iPod is connected, the
mode will automatically start and
begin playing an iPod song.
While playing, press the button
to pause and press button to
play.
✽
NOTICE
• iPods with unsupported communi-
cation protocols may not properly
operate in the audio system.
Changing Songs
Press the key to move to
the previous or next song.
✽
NOTICE
• Pressing the key after the
song has been playing for 2 sec-
onds will start the current song
from the beginning.
• Pressing the key before
the song has been playing for 1 sec-
onds will start the previous song.
• Slight time differences may exist
depending your iPod product.
Rewinding / Fast-forwarding
Songs
While playing, press and hold the
key (over 0.8 seconds) to
rewind or fast-forward the current
song.
Searching Categories
Turn the TUNE knob left/right to
search for the desired category.
Once you find the desired category,
press the TUNE knob to select
and play.
✽
NOTICE
There are eight categories that can
be searched, including Playlists,
Artists, Albums, Genres, Songs,
Composers, Audiobooks and
Podcasts.
SEEK
TRACK
SEEK
TRACK
SEEK
TRACK
SEEK
TRACK

Features of your vehicle
2484
Category Menu
Within the iPod Category menu, you
will have access to the , Home,
and features.
1. : Displays the play screen
2. Home : Moves to the iPod root cate-
gory screen
3. : Moves to the previous cate-
gory
✽
NOTICE
• If the search mode is accessed
while playing a song, the most
recently searched category is dis-
played.
• Search steps upon initial connec-
tion may differ depending on the
type of iPod device.

4249
Features of your vehicle
iPod Mode Menu
Within this mode, you will have
access to the Random(Shuffle),
Repeat and List features.
Random(Shuffle)
Press the button to play
songs in random(Shuffle) order.
Each time the button is pressed, the
feature changes in order of
Random(Shuffle) Album➟Random
(Shuffle) All➟Off.
• Random(Shuffle) Album : Shuffle
Album plays album in
Random(Shuffle) order.
• Random(Shuffle) All : Plays all
songs in Random(Shuffle) order.
Repeat
Press the button to repeat the
current song. Press the button again
to turn the repeat feature off.
• Repeat : Repeats the current song
List
Press the button to display the
Category Menu.
Turn the TUNE knob left/right to
search for the desired category.
Once you find the desired category,
press the TUNE knob to select
and play.
AUX MODE
Using AUX Mode
Press the key Select [AUX]
An external device can be connected
to play music.
MEDIA
List
Repeat
Shuffle

Features of your vehicle
2504
Connecting an External Device
External audio players (Camcorders,
car VCR, etc.) can be played through
a dedicated cable.
✽
NOTICE
• If an external device connector is
connected with the AUX terminal,
then AUX mode will automatically
operate. Once the connector is dis-
connected, the previous mode will
be restored.
• AUX mode can be used only when
an external audio player (cam-
corder, car VCR, etc.) has been
connected.
• The AUX volume can be controlled
separately from other audio
modes.
• Connecting a connector jack to the
AUX terminal without an external
device will convert the system to
AUX mode, but only output noise.
When an external device is not
being used, also remove the con-
nector jack.
• When the external device power is
connected to the power jack, play-
ing the external device may output
noise. In such cases, disconnect the
power connection before use.
• Fully insert the AUX cable to the
AUX jack upon use.

4251
Features of your vehicle
MY MUSIC MODE
Basic Mode Screen
1. Mode
Displays currently operating mode.
2. Operation State
From Repeat/Random(Shuffle)/
Scan, displays the currently operat-
ing function.
3. File Index
Displays the current file/total number
of files.
4. File Info
Displays information about the cur-
rent file.
5. Play/Pause
Changes the play/pause state.
6. Play Time
Displays the current play time.
7. Info
Displays detailed information for the
current file.
8. Random(Shuffle)
Turns the Random(Shuffle) feature
on/off.
9. Repeat
Turns the Repeat feature on/off.
10. Delete
Deletes the current file.
11. List
Moves to the list screen.

Features of your vehicle
2524
Using My Music Mode
Playing/Pausing My Music Files
While playing, press the button
to pause and press button to
play.
✽
NOTICE
If there are no files saved within My
Music, the [My Music] button will
be disabled.
Changing Files
Press the key to move to
the previous or next file.
✽
NOTICE
• Pressing the key after the
file has been playing for 2 seconds
will start the current file from the
beginning.
• Pressing the key before
the file has been playing for 1 sec-
onds will start the previous file.
Selecting from the List
Turn the TUNE knob left/right to
search for the desired file.
Once you find the desired file, press
the TUNE knob to start playing.
Rewinding / Fast-forwarding Files
While playing, press and hold the
key (over 0.8 seconds) to
rewind or fast-forward the current file.
Scan
Press the key to play the first
10 seconds of each file.
SCAN
SEEK
TRACK
SEEK
TRACK
SEEK
TRACK
SEEK
TRACK

4253
Features of your vehicle
My Music Mode Menu
Within this mode, you will have
access to the Info, Random(Shuffle),
Repeat, Delete and List features.
Info
Press the button to display
details about the current file.
✽
NOTICE
The title, artist and album info are
displayed only when such informa-
tion is recorded within the MP3 file
ID3 tag.
Random
Press the button to play files
in random order. Press the button
again to turn the Random feature off.
Repeat
Press the button to repeat the
current song. Press the button again
to turn the repeat feature off.
Deleting Files
Press the button to delete the
current file.
List
Press the button to display the
file list screen.
Turn the TUNE knob left/right to
search for files. Once the desired file
is displayed, press the knob to select
and play.
List Menu
From the List screen, it is possible to
delete files you previously saved into
My Music.
Press the button or individ-
ually select the files you want to
delete. Once files are selected, the
button and buttons
will be enabled.
1) : Moves to the previous screen
2) Sellect All: Selects all files
3) Unsellet All: Deselects all selected
files
4) Delete: Deletes selected files
Delete
Unselect All
Select All
List
Delete
Repeat
Shuffle
Info

Features of your vehicle
2544
After selecting the files you want to
delete, press the button to
delete the selected files.
✽
NOTICE
• If there is memory available, up to
6,000 files can be saved.
• Identical files cannot be copied
more than 1,000 times.
• To check memory information, go
to [System] [Memory
Information]
SETUP
Delete

4255
Features of your vehicle
✽
NOTICE - USING THE
Bluetooth®
Wireless
Technology Audio Mode
•Bluetooth®Wireless Technology
Audio Mode can be used only
when a Bluetooth®Wireless
Technology phone has been con-
nected.
•Bluetooth®Wireless Technology
Audio Mode will not be available
when connecting mobile phones
that do not support this feature.
• While Bluetooth®Wireless
Technology Audio is playing, if the
Bluetooth®Wireless Technology
phone is connected, then the music
will also stop.
• Moving the Track up/down while
playing Bluetooth®Wireless
Technology audio mode may
result in pop noises in some mobile
phones.
•Bluetooth®Wireless Technology
streaming audio may not be sup-
ported in some mobile phones.
(Continued)
(Continued)
• When returning to Bluetooth®
Wireless Technology Audio mode
after ending a call, the mode may
not automatically restart in some
mobile phones.
• Receiving an incoming call or mak-
ing an outgoing call while playing
Bluetooth®Wireless Technology
Audio may result in audio interfer-
ence.

Features of your vehicle
2564
Bluetooth
®
Wireless
Technology AUDIO MODE
Using
Bluetooth®
Wireless
Technology Audio Mode
Playing/Pausing Bluetooth®
Wireless Technology
Audio
Once a
Bluetooth
®
Wireless
Technology device is connected, the
mode will automatically start.
While playing, press the button
to pause and press button to
play.
✽
NOTICE
The play/pause feature may operate
differently depending on the mobile
phone.
Changing Files
Press the key to move to
the previous or next file.
Setting Connection
If a
Bluetooth®
Wireless Technology
device has not been connected, press
the key [Phone] button to
display the
Bluetooth®
Wireless
Technology connection screen.
It is possible to use the pair phone,
connect/disconnect and delete fea-
tures from your
Bluetooth
®
Wireless
Technology phone.
✽
NOTICE
• If the Bluetooth®Wireless
Technology audio is not operating
properly, check whether the fea-
ture is turned off at
[Phone] [Streaming Audio]. If the
feature is off, turn back on and try
again.
• If music is not yet playing from
your mobile device after converting
to Bluetooth®Wireless Technology
Audio mode, pressing the play but-
ton once may start playing the
mode. Check to see that music is
playing from the Bluetooth®
Wireless Technology device after
converting to Bluetooth®Wireless
Technology Audio Mode.
SETUP
SETUP
SEEK
TRACK

4257
Features of your vehicle
Pairing a
Bluetooth®
Wireless
Technology wireless technolo-
gy Device
What is Bluetooth® Wireless
Technology Pairing?
Pairing refers to the process of syn-
chronizing your
Bluetooth®
Wireless
Technology phone or device with the
car audio system for connection.
Pairing is necessary to connect and
use the
Bluetooth®
Wireless
Technology feature.
Pairing Key / Key
on the Steering Remote
Controller
When No Devices have been
Paired
1. Press the key or the
key on the steering remote con-
troller. The following screen is dis-
played.
2. Press the button to enter
the Pair Phone screen.
1) Car Name : Name of device as
shown when searching from your
Bluetooth®
Wireless Technology
device
2) Passkey : Passkey used to pair
the device
3. From your
Bluetooth®
Wireless
Technology device (i.e. Mobile
Phone), search and select your
car audio system.
4. After a few moments, a screen is
displayed where the passkey is
entered. Here, enter the
passkey “0000” to pair your
Bluetooth®
Wireless Technology
device with the car audio system.
5. Once pairing is complete, the fol-
lowing screen is displayed.
OK
PHONE
PHONE

Features of your vehicle
2584
✽
NOTICE
If Bluetooth®Wireless Technology
devices are paired but none are cur-
rently connected, pressing the
key or the key on the
steering remote controller displays
the following screen. Press the [Pair]
button to pair a new device or press
the [Connect] to connect a previous-
ly pair device.
Pairing through [PHONE]
Setup
Press the key Select
[Phone] Select [Pair Phone]
Select TUNE knob
1. The following steps are the same
as the steps described in the
“When No Devices have been
Paired” section.
✽
NOTICE
•Bluetooth®features supported
within the vehicle are as follows.
Some features may not be support-
ed depending on your Bluetooth®
device.
- Outgoing/Incoming
Handsfreecalls
- Operations during a call (Switch
to Private, Switch to call waiting,
MIC on/off)
- Downloading Call History
- Downloading Mobile Contacts
-Bluetooth®device auto connection
- Bluetooth Audio Streaming
• Up to five Bluetooth®devices can
be paired to the Car
Handsfreesystem.
• Only one Bluetooth®device can be
connected at a time.
• Other devices cannot be paired
while a Bluetooth®device is con-
nected.
• Only Bluetooth®Handsfreeand
Bluetooth audio related features
are supported.
• Normal operations are possible
only within devices that support
Handsfreeor audio features, such
as a Bluetooth®mobile phone or a
SETUP
PHONE

4259
Features of your vehicle
Bluetooth audio device.
• If a connected Bluetooth®device
becomes disconnected due to being
out of communication range, turn-
ing the device OFF, or a Bluetooth®
communication error, correspon-
ding Bluetooth®devices are auto-
matically searched and connected.
• If the system becomes unstable due
to communication errors between
the car Handsfreeand the
Bluetooth®device, reset the
Bluetooth®and try again. Upon
resetting Bluetooth®, the system is
restored to its factory release state.
• After Pairing is complete, a con-
tacts download request is sent once
to the mobile phone. As some
mobile phones may require confir-
mation upon receiving a download
request, check the mobile phone
screen.
Connecting a Device
Press the key Select
[Phone] Select [Paired Phone List]
1) Connected Phone : Device that is
currently connected
2) Paired Phone : Device that is
paired but not connected
From the paired phone list, select the
device you want to connect and
press the button.
Connect
SETUP

Features of your vehicle
2604
Changing Priority
What is Priority?
It is possible to pair up to five
Bluetooth®
Wireless Technology
devices with the car audio system.
As a result, the “Change Priority’ fea-
ture is used to set the connection pri-
ority of paired phones.
Press the key Select
[Phone] Select [Paired Phone List]
From the paired phone list, select
the phone you want to change to the
highest priority, then press the
button from the Menu.
The selected device will be changed
to the highest priority.
✽
NOTICE
Priority icon will be displayed
whenset a priority phone.
Disconnecting a Device
Press the key Select
[Phone] Select [Paired Phone List]
From the paired phone list, select the
currently connected device and
press the button.
Disconnect
SETUP
Change priority
SETUP

4261
Features of your vehicle
Deleting a Device
Press the key Select
[Phone] Select [Paired Phone List]
From the paired phone list, select the
device you want to delete and press
the button.
✽
NOTICE
• When deleting the currently con-
nected device, the device will auto-
matically be disconnected to pro-
ceed with the deleting process.
• If a paired Bluetooth®Wireless
Technology device is deleted, the
device’s call history and contacts
data will also be deleted.
• To re-use a deleted device, you
must pair the device again.
Delete
SETUP

Features of your vehicle
2624
USING
Bluetooth®
Wireless
Technology
Phone Menu Screen
Phone Menus
With a
Bluetooth®
Wireless
Technology device connected, press
the key to display the Phone
menu screen.
1) Favorite : Up to 20 frequently used
contact saved so help your fast
call.
2) Dial Number : Displays the dial
screen where numbers can be
dialed to make calls
3) Call History : Device the call histo-
ry list screen
4) Contacts : Displays the Contacts
list screen
5) Setup : Displays Phone related
settings.
✽
NOTICE
• If you press the [Call History] but-
ton but there is no call history
data, a prompt is displayed which
asks to download call history data.
• If you press the [Contacts] button
but there is no contacs data, a
prompt is displayed which asks to
download contacts data.
• This feature may not be supported
in some mobile phones. For more
information on download support,
refer to your mobile phone user’s
manual.
Favorites
Press the key Select
[Favorites]
1) Saved favorite contact : Connects
call upon selection
2) To add favorite : Downloaded con-
tacts are saved as favorite.
3) Delete All : Delete all stored
favorite contacts
✽
NOTICE
• In order to save Favorite, contacts
should be downloaded.
• Contact which saved in Favorite
not changed automatically
although the information changed
in the mobile phone. In this case,
delete it and save new information.
PHONE
PHONE

4263
Features of your vehicle
Calling by Dialing a Number
Press the key Select [Dial
Number]
1) Dial Pad : Used to enter phone
number
2) Call : If a number has been
entered, calls the number If no
number has been entered,
switches to call history screen
3) End : Deletes the entered phone
number
4) Delete : Deletes entered numbers
one digit at a time
Answering Calls
Answering a Call
Answering a call with a
Bluetooth®
Wireless Technology device connect-
ed will display the following screen.
1) Caller : Displays the other part’s
name when the incoming caller is
saved within your contacts
2) Incoming Number : Displays the
incoming number
3) Accept : Accept the incoming call
4) Reject : Reject the incoming call
✽
NOTICE
• When the incoming call pop-up is
displayed, most Audio and
SETUP mode features will not
operate. Only the call volume can
be operated.
• The telephone number may not be
properly displayed in some mobile
phones.
• When a call is answered with the
mobile phone, the call mode will
automatically convert to Private
mode.
PHONE

Features of your vehicle
2644
During a Handsfree Call
1) Caller : Displays the other party’s
name if the incoming caller is
saved within your contacts
2) Incoming Number : Displays the
incoming number
3) Call time : Displays the call time
4) End : Ends call
5) Private : Converts to Private mode
6) Out Vol. : Sets call volume as
heard by the other party
7) Mute : Turns Mic Mute On/Off
✽
NOTICE
If the mic is muted, the other party
will not be able to hear your voice.
Call History
Press the key Select [Call
History]
A list of incoming, outgoing and
missed calls is displayed.
Press the button to down-
load the call history.
1) Call History :
- Displays recent calls (call history)
- Connects call upon selection
2) Download : Download Recent Call
History
• The call history may not be saved
in the call history list in some
mobile phones.
• Calls received with hidden caller ID
will not become saved in the call
history list.
• Calling through the call history is
not possible when there is no call
history or the
Bluetooth®
phone has
not been connected.
• Up to 20 received, dialed and
missed calls are each saved.
• Time of received/dialed calls and
call time information are not saved.
Download
PHONE

4265
Features of your vehicle
Contacts
Press the key Select
[Contacts]
The list of saved phone book entries
is displayed. Press the but-
ton to download the call history.
1) Contacts List :
- Displays downloaded contacts
entries
- Connects call upon selection
2) Download : Download contacts
entries
✽
NOTICE
• Up to 1,000 contacts saved in your
Bluetooth®phone can be down-
loaded into the car contacts.
Contacts that have been down-
loaded to the car cannot be edited
or deleted on the phone.
• Mobile phone contacts are man-
aged separately for each paired
Bluetooth®device(max 1 devices x
5,000 contacts each). Previously
downloaded data is maintained
even if the Bluetooth®device has
been disconnected. (However, the
contacts and call history saved to
the phone will be deleted if a
paired phone is deleted.)
• It is possible to download contacts
even during Bluetooth streaming
audio.
• When downloading contacts, the
icon will be displayed within the
status bar.
• It is not possible to commence
download when the contacts
download feature has been turned
off within the Bluetooth®device. In
addition, some devices may
require device authorization upon
attempting to download contacts.
If downloading does not normally
occur, check the Bluetooth®device
settings or the screen state.
• The download feature may not be
supported in some mobile phones.
Check to see that the Bluetooth®
device supports the download fea-
ture. For more information of sup-
ported Bluetooth®devices and
function support, visit
www.hyundaiusa.com.
Download
PHONE

Features of your vehicle
2664
Bluetooth®
Wireless
Technology Setting
Pairing a New Device
Press the key Select
[Phone] Select [Pair Phone]
Bluetooth
®
Wireless Technology
devices can be paired with the audio
system.
For more information, refer to the
“Pairing through Phone Setup” sec-
tion within
Bluetooth
®
Wireless
Technology.
Viewing Paired Phone List
Press the key Select
[Phone] Select [Paired Phone List]
This feature is used to view mobile
phones that have been paired with
the audio system. Upon selecting a
paired phone, the setup menu is dis-
played.
For more information, refer to the
“Setting
Bluetooth
®
Wireless
Technology Connection” section
within
Bluetooth
®
Wireless
Technology.
1) : Moves to the previous screen
2) Connect/Disconnect Phone :
Connect/ disconnects currently
selected phone
3) Delete : Deletes the currently
selected phone
4) Change Priority : Sets currently
selected phone to highest connec-
tion priority
SETUP
SETUP

4267
Features of your vehicle
✽
NOTICE BEFORE DOWN-
LOADING CONTACTS
• Only contacts within connected
phones can be downloaded. Also
check to see that your mobile
phone supports the download fea-
ture.
• To learn more about whether your
mobile phone supports contacts
downloads, refer to your mobile
phone user’s manual.
• The contacts for only the connect-
ed phone can be downloaded.
Before downloading, check to see
whether your phone supports the
download feature.
Downloading Contacts
Press the key Select
[Phone] Select [Contacts Download]
The contacts is downloaded from the
mobile phone and the download
progress is displayed.
✽
NOTICE
• Upon downloading phone contacts,
the previous corresponding data is
deleted.
• This feature may not be supported
in some mobile phones.
• Voice Recognition may not operate
for several moments while con-
tacts are being downloaded.
Auto Download (Contacts)
Press the key Select
[Phone] Select [Auto Download]
This feature is used to automatically
download mobile contacts entries
once a
Bluetooth
®
Wireless
Technology phone is connected.
✽
NOTICE
• The Auto Download feature will
download mobile contacts entries
every time the phone is connected. The
download time may differ depending
on the number of saved contacts
entries and the communication state.
• Before downloading contacts, first
check to see that your mobile
phone supports the contacts
download feature.
SETUP SETUP

Features of your vehicle
2684
Streaming Audio
Press the key Select
[Phone] Select [Streaming Audio]
When Streaming Audio is turned on,
you can play music files saved in
your
Bluetooth
®
Wireless
Technology device from the car.
Outgoing Volume
Press the key Select
[Phone] Select [Outgoing Volume]
Use the , buttons to adjust the
outgoing volume level.
✽
NOTICE
Even while on a call, the volume can
be changed by using the
key.
Turning Bluetooth System Off
Press the key Select
[Phone] Select [Bluetooth System
Off]
Once
Bluetooth
®
Wireless
Technology is turned off,
Bluetooth
®
Wireless Technology related features
will not be supported within the audio
system.
SETUP
SEEK
TRACK
SETUP SETUP

4269
Features of your vehicle
✽
NOTICE
To turn Bluetooth®Wireless
Technology back on, go to
[Phone] and press “Yes”.
SETUP

Features of your vehicle
2704
VOICE RECOGNITION
Using Voice Recognition
Starting Voice Recognition
Shortly press the key on the
steering remote controller .Say a
command
If prompt feedback is in [ON], then
the system will say “Please say a
command after the beep (BEEP)”
• If prompt feedback is in [OFF], then
the system will only say “(BEEP)”
• To change Prompt Feedback
[On]/[Off], go to [System]
[Prompt Feedback]
✽
NOTICE
For proper recognition, say the com-
mand after the voice instruction and
beep tone.
Skipping Prompt Messages
While prompt message is being stat-
ed Shortly press the key on the
steering remote controller (under 0.8
seconds)
The prompt message is immediately
ended and the beep tone will sound.
After the “beep”, say the voice com-
mand.
Re-starting Voice Recognition
While system waits for a command
Shortly press the key on the
steering remote controller (under 0.8
seconds)
The command wait state is immedi-
ately ended and the beep ton will
sound. After the “beep”, say the voice
command.
SETUP

❈ Illustration on using voice commands
• Starting voice command.
Shortly pressing the key (under 0.8 seconds):
• Skipping Voice Recognition
Shortly pressing the key
(under 0.8 seconds):
• End voice command.
Shortly pressing the key (under 0.8 seconds):
More Help
Contacts
Cancel
More Help
Please say a command after
the beep (BEEP)
Please say a command after
the beep (BEEP)
Please say a...
More Help.
You can say Radio, FM, AM, Media, CD, USB, Aux,
My Music, iPod, Bluetooth Audio, Phone, Call
History or Phone book. Please say a command.
Contacts
Please say the name of the contacts you want
to call (BEEP)
More Help.
You can say Radio, FM, AM, Media, CD, USB, Aux,
My Music, iPod, Bluetooth Audio, Phone, Call
History or Phone book. Please say a command.
Ding~
(BEEP)
Ding~
Di-Ding~(Cancel Sound)
Shortly pressing the
key (under 0.8 seconds)
4271
Features of your vehicle

Features of your vehicle
2724
Command Function
More Help Provides guidance on commands that can be
used anywhere in the system.
Help Provides guidance on commands that can be
used within the current mode.
Call<Name> Calls <Name> saved in Contacts
Ex) Call “John”
Phone Provides guidance on Phone related com-
mands. After saying this command, say
“Favorites”,“Dial Number”, “Call History” or
“Contacts” execute corresponding functions.
Favorites Display the Favorite screen.
Call History Displays the Call History screen.
Contacts Displays the Contacts screen. After saying
this command, say the name of a contact
saved in the Contacts to automatically con-
nect the call.
Dial Number Display the Dial number screen. After saying
this command, you can say the number what
you want to call.
Redial Connects the most recently called number.
Command Function
•
When listening to the radio, displays the
next radio screen. (FM1
➟
FM2
➟
AM
➟
XM1
➟
XM2
➟
XM3
➟
FM1)
Radio
•
When listening to a different mode, displays
the most recently played radio screen.
•
When currently listening to the FM radio,
maintains the current state.
•
When listening to a different mode, displays
the most recently played FM screen.
FM1(FM One) Displays the FM1 screen.
FM2(FM Two) Displays the FM2 screen.
AM Displays the AM screen.
FM Preset 1~6 Plays the most recently played broadcast
saved in FM Preset 1~6.
AM Preset 1~6 Plays the broadcast saved in AM Preset 1~6.
FM 87.5~107.9 Plays the FM broadcast of the corresponding
frequency.
AM 530~1710 Plays the AM broadcast of the corresponding
frequency.
XM (Satellite)
•
When currently listening to the XM, main-
tains the current state.
•
When listening to a different mode, displays
the most recently played XM screen.
(Call by Name)
Voice Command List
• Common Commands: These are commands that can be used in all situations. (However, some commands may not
be supported in special circumstances.)

4273
Features of your vehicle
0~255
Command Function
XM (Satellite) 1~3
Displays the selected XM screen.
XM Channel Plays the selected XM channel.
Media Moves to the most recently played media
screen.
CD Plays the music saved in the CD.
USB Plays USB music.
iPod Plays iPod music.
Command Function
My Music Plays the music saved in My Music.
AUX (Auxiliary) Plays the connected external device.
Bluetooth Audio Plays the music saved in connected Bluetooth
®
device.
Please repeat Repeats the most recent comment.
Cancel (Exit) Ends voice command.

Features of your vehicle
2744
• FM/AM radio commands: Commands that can be
used while listening to FM, AM radio.
• Satellite radio commands: Commands that can be
used while listening to Satellite Radio.
Command Function
Preset 1~6 Plays the broadcast saved in Preset 1~6.
Auto Store Automatically selects radio broadcast fre-
quencies with superior reception and saves in
Presets 1~6.
Seek up Plays the next receivable broadcast.
Seek down Plays the previous receivable broadcast.
Scan Scans receivable frequencies from the current
broadcast and plays for 10 seconds each.
Preset Scan Moves to the next preset from the current
present and plays for 10 seconds each.
Information Displays the information of the current broad-
cast.(This feature can be used when receiving
RBDS broadcasts.)
Command Function
Scan Scans receivable channels from the current
broadcast and plays for 10 seconds each.
Preset 1~6 Plays the broadcast saved in Preset 1~6.
Information Displays the information of the current broad-
cast.

4275
Features of your vehicle
• Audio CD commands: Commands that can be used
while listening to Audio CD.
• MP3 CD / USB commands: Commands that can be
used while listening to music files saved in CD and
USB.
Command Function
Play Plays the currently paused track.
Pause Pauses the current track.
Shuffle Randomly plays the tracks within the CD.
Shuffle Off Cancels random play to play tracks in sequen-
tial order.
Repeat Repeats the current track.
Repeat Off Cancels repeat play to play tracks in sequen-
tial order.
Scan Scans the tracks from the next track for 10
seconds each.
Track 1~30 Plays the desired track number.
Information Displays the information screen of the current
track.
Command Function
Play Plays the currently paused file.
Pause Pauses the current file.
Shuffle Randomly plays the files within the current
folder.
All Shuffle Randomly plays all saved files.
Shuffle Off Cancels random play to play files in sequential
order.
Repeat Repeats the current file.
Folder Repeat Repeats all files in the current folder.
Repeat Off Cancels repeat play to play files in sequential
order.
Next File Plays the next file.
Previous File Plays the previous file.
Scan Scans the files from the next files for 10 sec-
onds each.
Information Displays the information screen of the current
file.
Copy Copies the current file into My Music.

Features of your vehicle
2764
• iPod Commands: Commands that can be used while
playing iPod.
• My Music Commands: Commands that can be used
while playing My Music.
Command Function
Play Plays the currently paused song.
Pause Pauses the current song.
Shuffle Randomly plays the songs within the current
category.
Shuffle Off Cancels random play to play songs in sequen-
tial order.
Repeat Repeats the current song.
Repeat Off Cancels repeat play to play songs in sequen-
tial order.
Command Function
Play Plays the currently paused file.
Pause Pauses the current file.
Shuffle Randomly plays all saved files.
Shuffle Off Cancels random play to play files in sequential
order.
Repeat Repeats the current file.
Repeat Off Cancels repeat play to play files in sequential
order.
Scan Scans the files from the next files for 10 sec-
onds each.
Information Displays the information screen of the current
file.
Delete Deletes the current file. You will bypass an
additional confirmation process.
Delete All Deletes all files saved in My Music. You will
bypass an additional confirmation process.

4277
Features of your vehicle
SETUP
Starting Mode
Press the key to display the
Setup screen.
You can select and control options
related to [Display], [Sound],
[Clock/Calendar], [Phone] and
[System].
Display Settings
Adjusting the Brightness
Press the key Select
[Display] Select [Brightness]
Use the , buttons to adjust the
screen brightness or set the
Brightness on Automatic, Daylight, or
Night mode.
Press the button to reset.
1) Automatic : Adjusts the brightness
automatically
2) Daylight : Always maintains the
brightness on high
3) Night: Always maintains the
brightness on low
Pop-up Mode
Press the key Select
[Display] Select [Mode Pop up]
This feature is used to display the
Pop-up Mode screen when entering
radio and media modes.
When this feature is turned on,
pressing the or key
will display the Pop-up Mode screen.
✽
NOTICE
The media Pop-up Mode screen can
be displayed only when two or more
media modes have been connected.
MEDIA RADIO
SETUP
Default
SETUP
SETUP

Features of your vehicle
2784
Text Scroll
Press the key Select
[Display] Select [Text Scroll]
This feature is used to scroll text dis-
played on the screen when it is too
long to be displayed at once.
When turned on, the text is repeat-
edly scrolled. When turned off, the
text is scrolled just once.
MP3 Information Display
Press the key Select
[Display] Select [Media Display]
This feature is used to change the
information displayed within USB
and MP3 CD modes.
1) Folder File : Displays file name
and folder name
2) Album Artist Song : Displays
album name/artist name/song
Sound Settings
Sound Settings
Press the key Select
[Sound] Select [Sound Setting]
SETUP
SETUP
SETUP

4279
Features of your vehicle
Use the , , , buttons to
adjust the Fader/Balance settings.
Use the , buttons to adjust the
Bass/Middle/Treble settings.
Press the button to reset.
Virtual Sound
Press the key Select
[Sound] Select [Virtual Sound]
This feature is used to set the Power
Bass, Power Treble and Surround
sound options.
SDVC (Speed Dependent Volume
Control)
Press the key Select
[Sound] Select [Speed Dependent
Vol.]
The volume level is controlled auto-
matically according to the vehicle
speed. SDVC can be set by selecting
from Off/Low/Mid/High.
Voice Recognition Volume
Press the key Select
[Sound] Select [Voice Recognition
Vol.]
Turn the TUNE knob to adjust the
Voice Recognition volume.
SETUP
SETUP
SETUP
Default

Features of your vehicle
2804
Touch Screen Beep
Press the key Select
[Sound] Select [Touch Screen
Beep]
This feature is used to turn the touch
screen beep on/off.
Blue Link Voice Volume
Press the key Select
[Sound] Select [Blue Link Voice
Vol.]
Turn the TUNE knob to adjust the
Blue Link Voice Volume.
❈ Blue Link®may differ depending
on the selected audio.
Clock/Calendar Setting
Clock Setting
Press the key Select
[Clock/Calendar] Select [Clock
Settings]
Use the , buttons to set the
Hour, Minutes and AM/PM setting.
✽
NOTICE
Press and hold the key (over
0.8 seconds) to set the
Clock/Calendar screen.
CLOCK
SETUP
SETUP SETUP

4281
Features of your vehicle
Calendar Setting
Press the key Select
[Clock/Calendar] Select [Calendar
Settings]
Use the , buttons to set the
Month, Day and Year setting.
Time Format
Press the key Select
[Clock/Calendar] Select [Time
Format]
This feature is used to change the
clock
format between 12hr or 24hr.
Clock Display
Press the key Select
[Clock/Calendar] Select [Clock
Display (Power off)]
This feature is used to display a clock
on the screen when the audio sys-
tem is turned off.
SETUP SETUP SETUP

Features of your vehicle
2824
System Setting
HD Radio On/Off
Press the key Select
[System] Select [FM], [AM]
This feature is used to set whether to
receive FM/AM HD Radio broad-
casts.
Prompt Feedback
Press the key Select
[System] Select [Prompt Feedback]
This feature is used to select the
desired prompt feedback option from
ON and OFF.
1) ON : When using voice recognition,
provides detailed guidance prompts
2) OFF : When using voice recognition,
omits some guidance prompts
Language
Press the key Select
[System] Select [Language]
This feature is used to change the sys-
tem and voice recognition language.
If the language is changed, the sys-
tem will restart and apply the select-
ed language.
SETUP SETUP
SETUP

4283
Features of your vehicle
Memory Information
Press the key Select
[System] Select [Memory Information]
This feature displays information
related to system memory.
1) Using : Displays capacity currently
in use
2) Capacity : Displays total capacity
REAR VIEW CAMERA
(if equipped)
• The system has been equipped
with a rear view camera for user
safety by allowing a wider rear
range of vision.
• The rear view camera will automat-
ically operate when the ignition key
is turned ON and the transmission
lever is set to R.
• The rear view camera will automat-
ically stop operating when set to a
different lever.
SETUP
CAUTION
• The rear view camera has
been equipped with an optical
lens to provide a wider range
of vision and may appear dif-
ferent from the actual dis-
tance. For safety, directly
check the rear and left/right
sides.

Features of your vehicle
2844
Blue Link®
(if equipped)
Hyundai aims to offer differentiated
customer values through a
‘Connected Car Life,’ which is to pro-
vide consumers with fast and reliable
IT technology. As consumers’
lifestyles become more and more
mobile in thanks to remarkable
advances in smart phones, tablet
PCs and overall wireless telecommu-
nication, new lifestyle patterns
demand seamless connection
between one’s office, home, out-
doors and automobiles.
Automobile companies are now
faced with the task of shifting their
paradigm from vehicle-centered
services to customer value-centered
services, with the ultimate goal of
securing global leadership in the
field of vehicle IT and telematics.
Hyundai Motor plans to achieve this
by realizing a terminal platform flexi-
ble to changes in IT technology,
cooperating with global IT compa-
nies, creating an eco-system and
providing the latest contents & serv-
ices based on an open environment.
Using the Room Mirror Key
Selecting the room mirror key will
allow you to make service required
inquiries, POI info searches, and
emergency rescues by connecting to
the Blue Link®Center.
Such features can be used only after
subscribing to the Blue Link®service.
➀ (Blue Link®Center)
Makes requests for Blue Link®serv-
ice related inquiries and consulta-
tions.
A call is connected to the Blue Link®
ser-vice center employee.
Re-pressing the key will end the call.
This feature does not operate when
you are on a Bluetooth®phone call.
➁ (Blue Link®for POI)
• Blue Link®for Voice command
Starts Blue Link®voice command.
Voice receiving voice guidance,
shortly press the button to convert to
voice command mode. Press and
hold the button to end voice com-
mand.
• TBT VR Commands
1. Navigate to
“Navigate to” voice command is used
to request the download of route
data for a new destination, saved
destinations, daily routes and previ-
ous destinations.

4285
Features of your vehicle
2. Save Destination
“Save Destination” VR command is
used to assign a voice tag to the last
downloaded destination and store it
in a destination directory.
NOTE:
The Turn by Turn(TBT) feature sup-
ports the store of ten(10) destina-
tions in the TBT destinations
directory.
3. Route Preview
“Route Preview” VR command allows
the user to preview the route instruc-
tions (upcoming maneuver instruc-
tions) at any time during the route
guidance.
4. Destinations List
“Destinations List” VR command
allows the user to preview and delete
the stored destinations with their
associated voice tags in the Turn by
Turn destinations directory.
5. Voice Guidance
“Voice Guidance” VR command
allows the user to mute/unmute the
Turn by Turn(TBT) direction
announcements.
6. Suspend Route
“Suspend Route” VR command
allows the user to suspend and
pause Turn by Turn(TBT) route guid-
ance while in the guidance mode.
7. Resume Route
“Resume Route” VR command
allows the user to resume Turn by
Turn(TBT) route guidance.
➂ (Blue Link®for SOS)
In the case of an emergency,
requests for help to the Blue Link®
center.
Call is connected to the Blue Link®
emergency rescue center. Re-press-
ing the key will end the call.
If already on a Bluetooth®phone call,
the call will end to connect you to the
Blue Link®Emergency Rescue Center.
CAUTION
• You cannot talk simultaneous-
ly on the Bluetooth
®
phone
and Blue Link
®
phone.
• While on a Bluetooth
®
call,
pressing the key or
key will display a message
indicating that you are cur-
rently on a call.
• A message will be displayed if
you receive a Bluetooth
®
Bluetooth
®
Wireless
Technology call while already
on a Blue Link
®
call. At this
time, press the key on the
steering wheel remote con-
troller to accept the call. The
phone bell will not ring.

Features of your vehicle
2864
Eco Coach
• What is Eco Coach?
Every 2.5 minutes, Eco Coach com-
pares your fuel economy against the
government tested average (EPA) or
other similar Hyundai models (com-
munity), based on your preference.
Each month, or after every tank fill
up, Eco Coach rates your extended
average and gives you a reward star
if you best the average.
See your My Hyundai web page for
more information.
• What does the bar graph and hori-
zontal line mean?
The horizontal line is adjusted once
per month or at each tank full, based
on your preference; it represents the
EPA combined average or communi-
ty average fuel economy target.
• What is My Eco MPG?
Your actual fuel economy average
over 2.5 minutes.
This value is also shown in bar graph
as your “now” rating.
• What are Eco Rewards?
If you beat the average (the EPA or
community), you will receive an Eco
Reward point.
See your my Hyundai web page for
more information.
[Eco Driving] will not operate if the
vehicle ignition is not turned on.
Please operate with the ignition
turned on.
This equipment has been tested and found to comply with the limits for a Class A digital device, pursuant to part 15 of the FCC Rules.
These limits are designed to provide reasonable protection against harmful interference in a residential installation. This equipment
generates, uses and can radiate radio frequency energy and, if not installed and used in accordance with the instructions, may cause
harmful interference to radio communications. However, there is no guarantee that interference will not occur in a particular
installation. If this equipment does cause harmful interference to radio or television reception, which can be determined by turning the
equipment off and on, the user is encouraged to try to correct the interference by one or more of the following measures:
•• Reorient or relocate the receiving antenna.
•• Increase the separation between the equipment and receiver.
•• Connect the equipment into an outlet on a circuit different from that to which the receiver is connected.
•• Consult the dealer or an experienced radio/TV technician for help.
Caution: Any changes or modifications to this device not explicitly approved by manufacturer could void your authority to operate this
equipment.
This device complies with part 15 of the FCC Rules. Operation is subject to the following two conditions: (1) This device may not
cause harmful interference, and (2) this device must accept any interference received, including interference that may cause undesired
operation.
IC warning
Operation is subject to the following conditions: (1) this device may not cause interference, and (2) this device must accept any interference, including
interference that may cause undesired operation of the device.
Le présent appareil est conforme aux CNR d'Industrie Canada applicables aux appareils radio exempts de licence. L'exploitation est autorisée aux deux conditions
suivantes : (1) l'appareil ne doit pas provoquer de brouillage, et (2) l'appareil doit accepter tout brouillage radioélectrique subi, même si le brouillage est
susceptible d'en compromettre le fonctionnement.

4287
Features of your vehicle
Turn by Turn
The Turn by Turn feature can be used
through Blue Link®.
1. Direction Indicator Image
2. Remaining distance until next point
3. The Count bar is divided into a
total of 9 levels.
9 Level 0.5mi 8 Level 0.4mi
7 Level 0.3mi 6 Level 0.2mi
5 Level 0.1mi 4 Level 400ft
3 Level 300ft 2 Level 200ft
1 Level 100ft
4. Next Street name
5. Distance to destination
6. Expected Time Arrival
7. Current Street name
❈ For information on specific
Blue Link®operations, please refer
to a separate manual.