Haier 10571564 Users Manual
0010571564 to the manual 6b7c9b9e-691f-4daa-a2b7-9d31d3de86c1
2015-01-23
: Haier Haier-10571564-Users-Manual-258723 haier-10571564-users-manual-258723 haier pdf
Open the PDF directly: View PDF
.
Page Count: 16

No.*0010571564
After reading this attached manual, please keep it properly. If the user is
changed, please do give this manual to him
For the sake of safety and in order to use the air conditioner correctly,
please read this manual and the operation manual of indoor unit carefully
before using
7-10
14
11
3-6
1
2
Electric Wiring
CONTENTS
Installation Instruction
Name of Parts
To User
Safety Precautions
Operation and Performance
Pipe System Chart
Inside front cover
12-13
Troubleshooting
AU422BIBAA
Free Combination Multi-split Type Room Air Conditioner
Haier Network Air Conditioner
Outdoor unit

Characteristics of Products
Characteristics of Products
1.220~230V normal power, suitable for both commercial use and home
use.
2.Free choice of wire control and remote control.
3.Several types of indoor units, free combination of specification.
4.Single outdoor unit, space-saving and cost-saving.
5.Far distance network technology, realize the intelligentized living area
(For details, please refer to the manual of indoor unit).
6. POWER FAILURE RESUME FUNCTION. Automatic set when
power resumes.

If still using the unit under
this circumstance, the air
conditioner may be damaged
and may also cause electric
shock or fire accidents.
When needing repair, please ask the after-
sales service work for help.
Improper maintenance and repair may
cause water leakage, electric shock and
fire.
If abnormal conditions (sear smell) occur,
please stop the unit, turning off the electric
power and contact the after-sales service
center for solution.
During the unit operation,
do not insert fingers or other
articles alike into the air
inlet, outlet and louver.
Because the high-speed
fan is very dangerous,
it may cause hurt.
Ask after-sales service worker to take
measure to prevent refrigerant from
leaking.
If the leaked refrigerant exceeds a certain
density, it will cause lack of oxygen. If
the room installed with air conditioner
is too small, do take enough measure in
order to avoid lack of oxygen even if
refrigerant leaks.
When the air conditioner must be
dismantled and reinstalled, please ask
the after-sales service center to do this
work.
Improper installation may cause water
leakage, electric
shock and fire.
Cut off
power
Commissioned installation
The installation work should be done by
the after-sales service worker. Self-
installation may cause water leakage,
electric shock and fire accident because of
improper installation.
After a long-time using of the air
conditioner, please check if the
foundation of the unit is damaged.
If the foundation is damaged without
repair, the unit may fall
down leading to body hurt.
Any inflammable spray liquid cannot
be place or use near the air conditioner,
otherwise, fire
accident may happen.
Only after stopping the unit and cutting
off power can clean the air
conditioner to avoid
electric shock or injury.
It is strictly prohibited to rebuild the air
conditioner by yourself. Improper
rebuilding may cause fire, electric shock
and water leakage.
Safety Precautions
The following lists four kinds of safety precaution items and suggestions:
Warning: Improper use may cause death or serious injury.
: Those contents marked with ìForcedî are definitely forced action, otherwise, it may
cause unit damage or risk to usersí safety.
Notice: Improper use may cause body hurt or unit damage; in some
circumstance, it may cause serious results.
: Those contents marked with ìProhibitionî are definitely prohibited action, otherwise,
it may cause unit damage or risk to usersí safety.
The following safety precautions must be observed.
This safety precautions should keep in hand for reference.
Warning
1
!
!
!

Name of Parts
3
1
2
4Repair panel
Air inlet
Air outlet
Air inlet
Note:
Do not block the air inlet and air outlet, otherwise the performance of the air
conditioner may be lowered.
1
2
3
4
2

Installation procedure Install indoor unit
1.Choose installation place
The chosen installation place should meet the following requirements and
get the userís consent.
Place air can freely circulate.
Place can perform level installation.
The condensate water can be drained smoothly.
Place where the noise and hot air will not
disturb the neighbors.
Place can ensure the space for successful
maintenance and repair.
Place where the four corners of the unit are easily installed and leaves
at least 1m height space.
Place where the wall hole is easy for drainage.
When installing multiple units, make sure to leave enough space to
avoid air short-circuit.
If the outdoor unit near the street, it should not be lower than 2.5m.
Please install in the place that can sufficiently bear the weight of the
unit. The air conditioner cannot install on a non-special metal frame
(e.g. theft guard net).
Install in the place with intensity as high as possible to prevent the
noise and vibration from spreading to other places.
Avoid the place where the strong airflow directly toward the air inlet
or air outlet.
Avoid the place where high frequency electromagnetic waves are
generated to prevent the communication of indoor and outdoor from
being affected.
Avoid the place where the combustible gas exists. The combustible
gas around the air conditioner may cause fire.
Avoid the place where the combustible gas may be leaked. If the leaked
gas gathers around the air conditioner, it may cause fire accident.
Avoid the place with to much oil, vapor and salinity, such as, seashore
and hotspring area and the area with sulfurated gas, etc. corrosive gas.
If install in these places, the air conditioner needs special maintenance.
Avoid the place where the heat source directly radiates or with other
heat sources.
>10cm
>15cm
>60cm
>10cm
>30cm
3

Installation instruction
The following is the manual mentioned
standard accessories, please check them by
yourself. Amount
6
Name
Use screw bolt (M10) and screw nut to tightly fix the outdoor unit on its bracket, and
keep it level.
When install on the wall or roof, fix the bracket firmly and reliably to prevent from
the attack of earthquake or strong wind.
In order to lower the vibration, the rubber cushion must be installed.
The installation slant degree of the unit should be less than 3*.
190 580
380
190
Installation dimension of outdoor unit (mm)
Install and fix
Installation tools
Standard accessories (self-provided installation parts)
Mark
Name of
parts
A B C
Adhesive
tape Pipe supporting
plate Connection
hose Drain hose Thermal insulation
material Plaster powder
FED
Warning
During installation, if the refrigerant leaks, please immediately take ventilation
measure.
Once the leaked refrigerant gas meet fire, poisonous gas will be generated.
After finishing installation, make sure the refrigerant gas will not lead.
1. Connection method of pipe
(1)The joint of refrigerant connection pipe is at the right side of the outdoor unit.
(2)The connection pipe can be connected out from the right side of outdoor unit.
For single system, the max length of connection pipe is 15m and the max fall is 5m.
In order to guarantee efficiency, the connection pipe should as short as possible.
Daub the refrigerant oil on the joint and flare.
1.Screwdriver 2. Steel saw
3. Pipe cutter 4. Pipe flarer
5. Knife 6. 70mm diameter drill
7. Leakage detector/soap water
8. Spanner (diameter 17,27mm)
9. Spanner (14, 17, 19, 27mm)
10. Pincers 11. Tape measure
12. Scraper 13. Refrigerant oil
14.Vacuum pump 15. Nitrogen tank
Shape
Putty
Rubber cushion
Refrigerant oil
Plastic clamp
Manual
Connection of pipe
4
1
***
1
1
4

Installation instruction
Please perform the fastening of the screw nut according to the specified torque
2. Welding method of pipe
(1)The refrigerant pipe should use clean new pipe. When performing work,
pay attention to preventing vapor, dust from entering into the pipe.
(2)When loosening and fastening the connection screw nut, do use two hands
to handle. If use one hand, it cannot reach the necessary fastening level.
External diameter of connection pipe (mm)Installation torque (N.m)Fastening torque (N.m)
29.4 (3.0kgf.m)
53.9 (5.5kgf.m)
49.0 (5.0kgf.m)
24.5 (2.5kgf.m)
*9.52
*15.88
When connect the accessory thermal insulation material with the thermal insulation
material of the onsite connection pipe, do not leave any gap. After finishing installing the
thermal insulation material as below Figure shown, then use tape to bind them properly.
When bending the pipes, give the roundness as
large as possible, to avoid crashing and flat the
pipes.
To connect the pipe, fit the center and use hand
to screw the nut, as shown in figure:
(3)Connect the connection pipe of outdoor unit
According to the connection method to connect the connection pipe and in/out
liquid pipe and gas pipe.
Fasten torque
32.7~39.9 N.m
Pipe diameter
Liquid pipe 9.52mm
62.8~74.5 N.m
Gas pipe 15.88mm
Pay attention not to let alien matters, such as
sand, water get into the pipe.
Joint Nut
Spanner
Spanner
If do not fit the center and screw the nut hard,
the screw thread may be damaged, which will
cause refrigerant leakage.
3. Cut and flaring method
Use pipe cutter to cut the pipe, the burrs must be removed.
After inserting the flarer, perform flared nut.
Flarer
Incorr
Slant Broken Uncompleted
Burrs Too long
A
Pipe diameter
Liquid pipe
Dimension A (mm)
9.52mm (3/8") 1.0-1.2
Connect pipe
Gas pipe 1.4-2.2
15.88mm (5/8")
Flaring dimensions as follows:
Correct
When connection, the connecting part
should not leave any gap, and the thermal
insulation material should be overlapped.
Thermal insulation material
Thermal insulation material (on-site
arrangement) Thickness: over 10mm
Thermal insulation material
of onsite connection pipe
150
5

Installation instruction
4.Air discharging method
According to the method of the Figure shown, discharge the air in the indoor
unit and pipe out.
(1)Remove the valve cap of little stop valve of the outdoor unit.
(2)Loosen the thick flare screw nut connected to big stop valve for about 1~1.5
circle.
(3)Use spanner (hexagon spanner) open (turn anti-clockwise) the valve core
of little stop valve for 90*, after the gas will discharge from the thick flare
for about 15 seconds, then fasten the flare screw nut according to the
specified torque.
(4)Open the little and big stop valve.
(5)Fasten the valve caps of the two valves.
(6)Use leakage detector or soap water to
check if there is leakage.
Gas pipe
Liquid pipe
5. Refrigerant charging amount
When the connection pipe (L) is less than or equal to 5m, it is not necessary
to charge additional refrigerant. If the connection pipe (L) exceeds 5m, it needs
to be added with 60g refrigerant every meter.
That is: refrigerant charging amount = (L-5)x60(g)
Only in COOLING operation mode can charge the additional refrigerant.
When charging, the refrigerant should be charged through the charging
nozzle of the low pressure valve.
When charging the refrigerant, please be careful not to let air mix into the
system.
When the length of the connection pipe of the single system exceeds 5m,
it must use external system Freon R407C to discharge the air in the connection
pipe out, then discharge the excessive refrigerant by the above method.
The air conditioner newly left factory has been charged additional 80g R407C
on the basis of the previous specified refrigerant amount.
This method is only used in the installation for the first time to discharge
the air in the connection pipe and indoor unit out.
Notice
6

The Creepage breaker must be installed.
If not installing Creepage breaker may easily cause electric shock.
After wiring, please power on the unit to detect electricity leakage.
If the power cable is damaged, in order to avoid danger, it must be changed by
the manufacturer or its repair center or the similar professional personnel. For
the power cable of indoor unit, please mate it according to the manual of indoor
unit.
Avoid the electric wire touching the high temperature part of the connection
pipe, in order not to the insulation part of the cable be melted causing accidents.
After connecting to the terminal block, the connection wire should be bent to
a U-shaped bend and use wire presser to fix.
Before performing vacuumizing the refrigerant pipe system, do not power on
the outdoor unit,
The power cable of indoor unit and the connection wire of indoor and outdoor
unit should be complied with what the operation manual of indoor unit specified.
The connection of power cable should be complied with the local wiring
regulations.
When wiring on site, choose the specification of wire and creepage breaker as
follows:
Notice
Electric wiring
Warning
Power supply
10
1PH, 220V, 50Hz 16
Below 50m
Below 20m
The minimum section area of wire
(mm2) (the connection wire of metal
pipe and synthetic resin pipe )
Capacity Fuse
Knife switch
(A) Creepage breaker
40A, 100mA, below 0.1s
40
The wiring work should commissioned to a qualified worker according to the
installation manual to perform. The air conditioner must use special power circuit.
Insufficient power capacity or improper work may cause electric shock and fire.
When wiring, the power cable must use the specified cable to firmly connect
and fix. Do not let the external force of the cable transfer to the terminal block.
Improper connection or fixation may cause heat and fire, etc. accident.
Must connect with grounding wire.
Connect with grounding wire as specified. Unreliable grounding may lead to
electric shock. Do not connect the grounding wire on the gas pipe, city water
pipe, lightning rod or telephone line.
Use the fuse with proper specification. Do not use wire or any other material to
replace fuse, otherwise it may cause damage of unit or fire.
40
7

Electric wiring
Power cable (connect through outdoor unit)
Remove the repair panel of the outdoor unit,
loosen the wire holding clamp A, then put
the active wire, null wire and grounding wire
of power cable through the wire holding
clamp A and connect to the relative terminal
block. After finishing connection, press the
wire holding clamp A to the original state.
Connect the outdoor unit power cable and
communication wire
Loosen wire holding clamp B and C, put the power
cable and communication wire connecting A system
and B system indoor units through them and connect
to the relative terminal block. After finishing
connection, press the wire holding clamp B and C
to the original state.
Connection the indoor unit power cable and communication wire
Loosen the wire holding panel, connect the power cable and communication
wire of indoor unit to the relative terminal block.
Note:
The air conditioner must use the special power circuit (Over 40A). The
wiring method must be done by the qualified electrician according to the
national wiring rules.
The grounding line and the null line of the receptacle must be strictly
separated. It is incorrect to connect the null line with the grounding line.
When connecting the indoor & outdoor wire, check the number of the
indoor & outdoor terminals, the terminals with the same number connected
together with same one wire.
All the wires should be copper core wires.
(When wiring, an appropriate distance should be kept between power wire and
communication wire. They cannot be wrapped together, otherwise, it may cause
communication disturbance, and the air conditioner cannot work normally.)
Power supply: 1PH, 220~230V, 50Hz.
The connection method of power cable is Y connection.
ABC
Terminal block
Wire holding
clamp
Instruction of wiring
Wiring method of outdoor unit:
Wiring method of indoor unit:
8

Electric wiring
Note: The pressing method when there is not terminal block
Connect the wire of the
same diameter to the two
sides of wire ends.
Do not connect the wire of
the same diameter to the
same side of the wire end.
Do not connect the wires of
different diameter together.
Terminal block of
indoor unit (A system) Terminal block of
indoor unit (B system)
4. Connect wire between indoor & outdoor unit
As the Figure shown, arrange the connection wire properly (note: the two *ends of the
connection wire are different, do not connect them reversedly).
Open the repair panel of the outdoor unit, loosen the wire holding clamp (outdoor
unit).
According to the wiring method
* and the wiring diagram to connect
* the connection wire properly.
According to the pressing method
* of connection wire, press the con-
* nection wire properly. (outdoor unit)
Reinstall the wiring cover.
2.The wiring method of straight terminal
For those connection wires whose end are not orbicular terminals, their
wiring method is:
Loosen the connecting screw, insert the end of the wire directly into the terminal block,
and then tighten screw. Pull the wire outwards slightly to confirm it is held tightly.
3.Pressing method of connection wire:
After wiring, the connection wire must be
pressed with wire holding clamp. The wire
holding clamp should press on the out co-
ver of the connection wire. As the right fi-
gure shown:
The wiring method of orbicular terminal
Wiring method
1.The wiring method of orbicular terminal
For the connection wire which end is orbicular
terminal, its wiring method is as the right figure
shown. Dismantle the screw and put it through
the ring at the end of the connection wire, then
connect it to the terminal block and tighten the
screw.
Correct pressing
Terminal block
Wire holding clamp
Wrong pressing
LN
1 2 3
Power
1PH, 220*230V, 50Hz
Terminal block of outdoor unit
1 2 3
B(C)B(N)B(L)
A(C)A(N)
A(L)
(Sketch map)
9

10
Electric wiring
1. Safety checking
*
**If the joint of pipe leaks?
**How about the thermal insulation of the joint of the pipe?
**If the electric wire connection of the indoor and outdoor unit is inserted
**firmly in the wiring board?
**If the electric wire connection of the indoor and outdoor unit is fixed
firmly?
**If the arrangement of the drain hose correct?
**If the connection of grounding wire is firm?
**If the power voltage is complied with the electric specification?
**If the noise is too large?
2. Test run
(1)Open the stop valve of gas pipe.
(2)Open the stop valve of liquid pipe.
(3)Press ON/OFF button to start operation, use wire controller to set to
COOLING operation.
(4)According to the operation manual to confirm the function of unit.
Other instructions
Note:
After finishing installation work, perform test run to confirm everything
is normal. Please explain the using method and maintenance method to
the user according to the operation manual. Additionally, please give this
manual to the user and ask them to keep it properly.

Operation and performance
3 minutes delay function
If start the unit immediately after its stop, the compressor will operate after 3
minutes have elapsed to protect the unit.
The characteristic of HEATING operation
During operation, if the outdoor temperature is too high, the fan motor of
outdoor unit will automatically change to low fan speed.
About Defrosting operation in Heating operation
During HEATING operation, when the outdoor unit frosts, in order to enhance
the heating effect, the unit will automatically start DEFROSTING operation (about
2~10 minutes), at this time, the condensate water will be drained out from outdoor
unit.
During DEFROSTING operation, the fan motor of indoor unit will be in low
fan speed or stop, the fan motor of outdoor unit will stop.
The working condition of the air conditioner
In order to use the air conditioner correctly, please operate it in the following
condition.
D.B. 18* W.B. 14*
The operation range of the air conditioner
COOLING
DEHUMIDIFYING Indoor side Maximum
Outdoor side
D.B. -7* W.B. -8*
D.B. 24* W.B. 18*
D.B. 43* W.B. 26*
D.B. 32* W.B. 23*
D.B. 18*
D.B. 27*
D.B. 15*
HEATING
Minimum
*
*
Note:
If the air conditioner operates out of this range for a long time, the protection
device will act and at the same time the outdoor unit will give alarm.
In the working condition of simultaneous COOLING and HEATING, when
the outdoor temperature T1* 28*, HEATING will not operate; when the
outdoor temperature T1* 7*, COOLING will not operate.
When wrong action occurs during operation
During operation, because of the influence of thunder, automobile and
wireless disturbance, the unit has wrong action, cut off the power switch,
after powering on again, press ìON/OFFî button, the unit can be turned on
or off.
About the HEATING capacity
HEATING operation adopts the heat pump type of absorbing the outdoor heat to
release to indoor side, so if the outdoor temperature drops, the HEATING capacity
may be lowered.
When the outdoor temperature is low, the air conditioner can be used together
with other heating devices.
For details, please refer to the operation manual of indoor unit.
Outdoor side
Indoor side
Maximum
Minimum
Maximum
Minimum
Maximum
Minimum
11

Troubleshooting
Trouble code display
E3
E5
Phenomenon of
outdoor unit trouble
The trouble of outdoor ambient
temperature sensor
The trouble of outdoor coil
temperature sensor
Over electric current protection
CT wire breaks
The flashing time of indicator light
on outdoor control panel Indoor control
panel indication
1 (A, B systems indicate together)
The communication trouble
between indoor and outdoor unit 8 (A and B system indicate individually)
The trouble of outdoor coil
temperature sensor
The trouble of electric current
overload
2 (A and B system indicate individually)
5 (A and B system indicate individually)
6 (A and B system indicate individually)
E3
E4
E5
E8
The communication trouble
between panel and indoor panel
E2
The trouble of outdoor ambient
temperature sensor
Phenomenon of indoor
unit trouble Trouble indication on remote
control type indoor unit
E5
E1
The trouble of indoor ambient
temperature sensor
The trouble of indoor coil
temperature sensor
E9
The communication trouble betw-
een indoor panel and outdoor panel
12
E8
Trouble code on wire
control type indoor unit
The compressor indicator light flashes 1
time in 0.2S/time frequency
The compressor indicator light flashes 2
time in 0.2S/time frequency
The compressor indicator light flashes 3
time in 0.2S/time frequency
E4
The compressor indicator light flashes 5
time in 0.2S/time frequency
The compressor indicator light flashes 4
time in 0.2S/time frequency
The compressor indicator light flashes 8
time in 0.2S/time frequency
The compressor indicator light flashes 9
time in 0.2S/time frequency

Troubleshooting
Symptom Cause
Blow out mist or water
overflow The fan motor of outdoor unit automatically stop to
perform defrosting.
*During operation, in operation and shortly after unit
stop, there is a sound of water flow; within 2~3
minutes after operation start, sometimes the sound
becomes larger, this is the sound of refrigerant flowing
and drainage of condensate water.
During operation, the air conditioner gives out the
sound of ìPu Chiî, it is because of the temperature
change, the sound of heat exchangerís hot expansion
and cold shrink.
Giving out noise
Not get the needed
COOLING or
HEATING effect
Auto operation, stop
Not operate
If set in ìTIMER ONî or ìTIMER OFFî mode.
If the air outlet and inlet of the outdoor unit are blocked.
(please cut off power, remove the obstacle)
If doors and windows are closed. (close doors and
windows)
If there is too much dust on the indoor air filter. (please
cut off power to clean the air filter)
If the position of the air outlet louver of the indoor unit
is suitable. (adjust the position of the louver)
If exceeding the operation range of the air conditioner.
If set in ìHEATINGî, ìCOOLINGî, ìFANî mode.
If the set temperature correct.
If the set fan speed is low.
Before contact the repair center, please check the following circumstances
If because of power failure leading to unit stop.
If the power switch is cut off. (close the power switch)
If the fuse or breaker is burnt out. (please perform by
the qualified electrician)
If the protection device acts. (the state of the operation
indicator light of the wire controller) according to the
instruction of the troubleshooting to check the cause.
Not get the needed
COOLING or
HEATING effect.
Not trouble
*
*
* *
*
**
*
Circumstances needing to further confirmation
*
*
*
*
*
*
*
*
*
*
*
*
*
When the following circumstances occur, please stop the unit and cut off
power, then contact the after-sales service center.
Bad action of button.
When fuse and breaker often blown out.
Alien articles and water enter into electric box.
Exclude the cause of protection device (refer to page 12), the unit still
cannot operate.
Other abnormal circumstances.
*
*
*
*
*
13

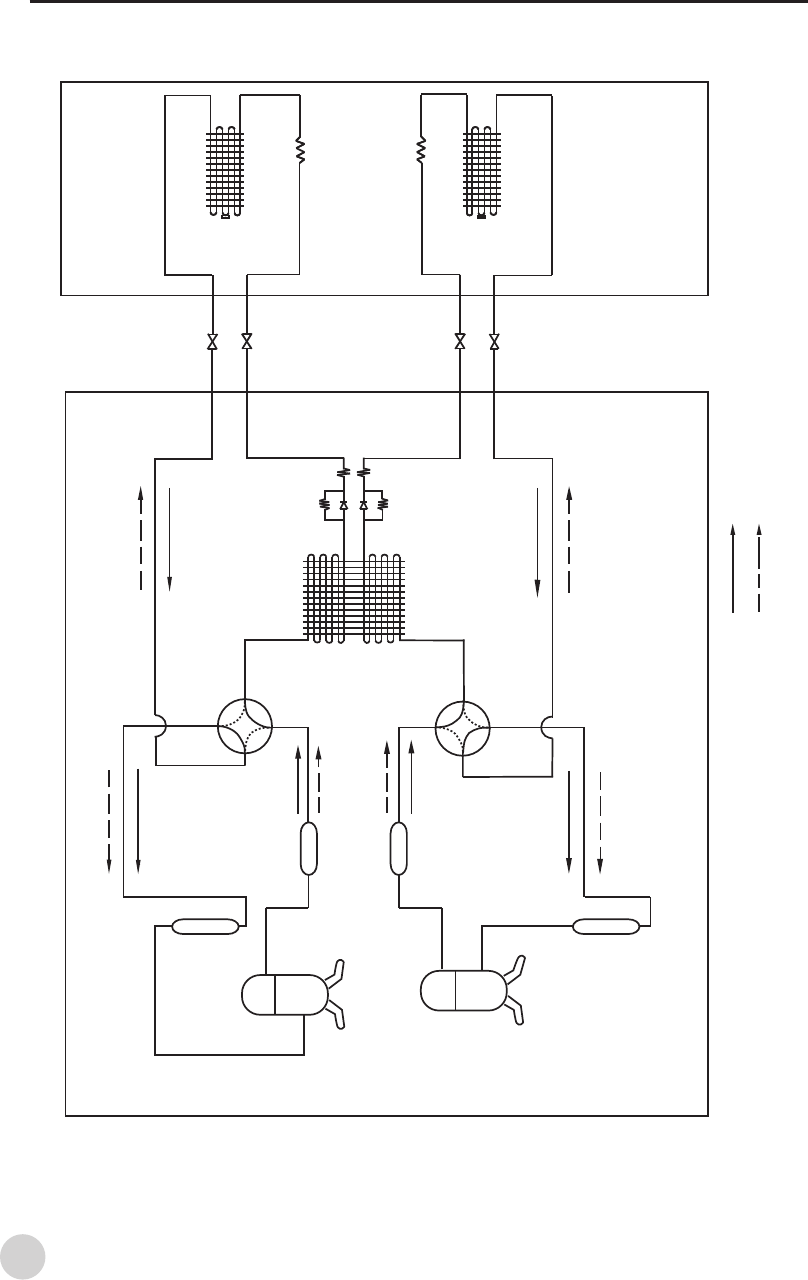
Muffler
One-way
valve
Pipe system chart
14
Indoor unit
Outdoor unit
4-way
switch valve
Compressor
Indoor heat exchanger
Outdoor heat
exchanger
HEATING operation
COOLING operation
Note: The wiring diagram is pasted inside the unit.
Stop valve
Indoor heat exchanger
Compressor
Gas and
liquid
separator
Gas and
liquid
separator
Muffler
4-way
switch valve
14