Hangzhou Gubei Electronics Technology WT1HB12 WT1HB12 User Manual WT1HB12

Hangzhou Gubei Electronics Technology Co.,Ltd WT1HB12 WT1HB12

User manual_1

Wi-Fi Module User Manual  Model: WT1HB12  V 1.5  1. Product Overview 1.1. Introduction BroadLink WT1HB12 is the industrial leading 2.4Ghz 802.11 b/g/n embedded Wi-Fi module which delivers unmatched performance and codeless development in a compact package, providing a quick, easy and cost effective way for developers and manufacturers to add Wi-Fi connectivity for home automation, lighting control, energy efficiency and other IOT applications.  WT1HBS12 combines a 2.4Ghz 802.11 b/g/n radio transceiver with MAC, baseband processing and optimized Wi-Fi protocols, configuration profile and network stack It supports UART communication with other devices and can be widely used in applications like smart home, remote monitoring and medical care. It is an ideal solution for developers and manufacturers with limited RF and embedded programming expertise as it significantly reduces RF design time and removes the burden of testing and certification.  WT1HBS12 integrates a 32-bit RISC processor and an 8 Mbit flash which is capable for most of control-type IoT application. RFreceiverRFtransmitterBasebandMAC / Packet buffer / security engineUARTSystem controlRF_INRF_OUTPRF_OUTNUARTGPIO/LEDFigure 1. WT1SBSL block diagram
2. Specifications 2.1. Absolute maximum ratings Symbol  Description  Min.  Max.  Units Ts Storage temperature -40 125 ℃ TAMBIENT Ambient Temperature  -10  70  ℃ Vdd Supply voltage 0 16 V Vio  Voltage on IO pin  -0.28  3.63  V VESD  HBM (human body model)    2000  V 2.2. Power Characteristics Symbol  Rating  MIN  TYP  MAX  Unit VDD 12V Supply Voltage 9  16 V VDD33 3.3V Supply Voltage 2.97 3.3 3.63  VDD12 1.2V Supply Voltage 1.14 1.2 1.26 V VDD15 1.5V Supply Voltage 1.425 1.5 1.575 V 2.3. DC characteristics Symbol Parameter Conditions MIN MAX UnitVIL Input Low Voltage LVTTL -0.28 0.6 VVIH Input High Voltage  3.5 5.5 VVT- Schmitt Trigger Negative Going Threshold Voltage LVTTL 0.68 1.36 V VT+ Schmitt Trigger Positive Going Threshold Voltage 1.36 1.7 V VOL Output Low Voltage |IOL| = 1.6~14 mA -0.28 0.4 VVOH Output High Voltage |IOH| = 1.6~14 mA 33.6 VRPU Input Pull-Up Resistance PU=high, PD=low 40 190 KΩRPD Input Pull-Down Resistance PU=low, PD=high 40 190 KΩ
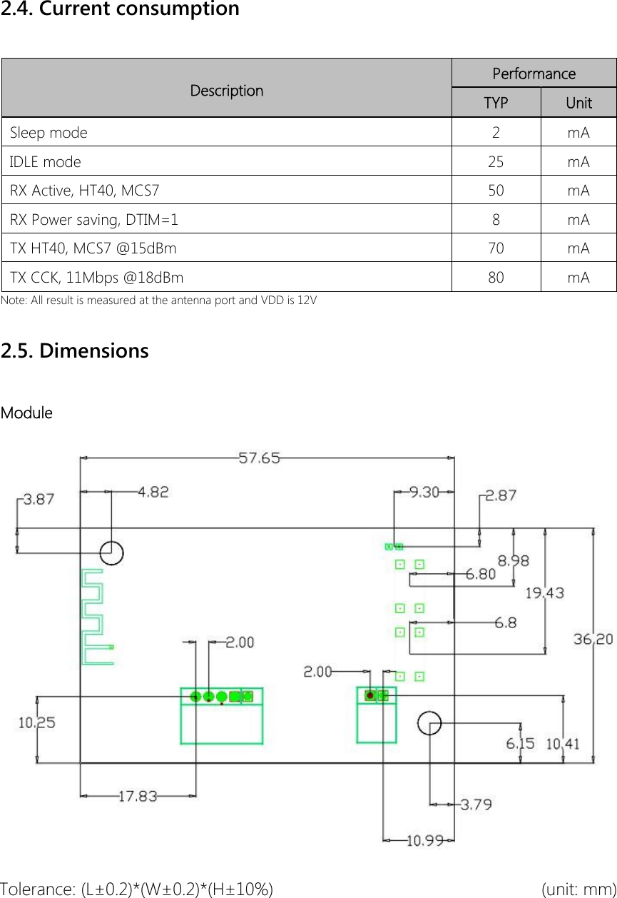
2.4. Current consumption Description Performance TYP Unit Sleep mode 2 mA IDLE mode 25 mA RX Active, HT40, MCS7 50 mA RX Power saving, DTIM=1 8 mA TX HT40, MCS7 @15dBm 70 mA TX CCK, 11Mbps @18dBm 80 mA Note: All result is measured at the antenna port and VDD is 12V 2.5. Dimensions Module Tolerance: (L±0.2)*(W±0.2)*(H±10%)  (unit: mm)
Shield case Tolerance: (L±0.1)*(W±0.1)*(H±0.1)  (unit: mm)
 3. Module Interface 3.1. PIN Definitions PIN PIN NAME DESCRIPTION TYPE NOTE Pin1 UART0_TX UART0 send data OUART0 Only used for UART DCDC works when EN > 1.5V Pin2 UART0_RX UART0 receive data IPin3 EN Enable DCDC IPin4 GND GND POWERPin5 VDD Power input POWER1. The TX and RX of UART0 are used for communication with external processor. Please refer to Chapter 2.3 DC Characteristics for more information of output power level for UART. 2. The module has built-in RC reset and watchdog circuit. 3.2. PCB Antenna The module supports PCB antenna. Within the range of 2.4-2.5GHz, the antenna output S11 is less than -10dB and gain of antenna is about 2dBi.
The actual performance of S11 may vary due to PCB production and dielectric constant difference of FR-4 board.
Appendix A Glossary(Quentin respible) ADC Analog‐to‐DigitalConverterAES AdvancedEncryptionStandardANT AntennaAP WirelessAccessPointBPSK BinaryPhaseShiftKeyingDBPSK Differential binary phase shift keying DC Direct Current CCK ComplementaryCodeKeyingCDM ChargeDeviceModelDHCP Dynamic Host Configuration Protocol CMOS ComplementaryMetalOxideSemiconductorDNS Determination of non-significance DQPSK Differential quadrature phase shift keying DSSS Demand assigned signaling and switching subsystem DTIM Digital Transmission Interface Module EMSP Enhanced Modular Signal Processor ESD Electrostatic Discharge EVM Error Vector Magnitude FCC Federal Communications Commission FER Floating Error GND Ground GPIO General Purpose Input/Output HBM Human body model IEEE Institute of Electrical and Electrionics Engineers IO Input/Output IOT Individual operation test IPv4 Internet Protocol version 4 LED Light-emitting diode LVTTL Low Voltage Transistor Transistor Logic MAC Medium Access Control layer MCS Modulation and coding scheme MCU Microcontroller Unit MIMO Multiple-Input Multiple-Output MSL Multilayer Switching Protocol NC Numerical Control NRST Negative Reset OFDM Orthogonal Frequency Division Multiplexing OSC Oscillator PCB Printed Circuit Board PIFA Planar inverted F antenna QPSK Quadrature Phase Shift Keyin RC Resistance- capacitance RF Radio Frequency RISC Reduced Instruction Set Computer RoHS Restriction of Hazardous Substances RX Receiver SDIO Serial Digital Input/Output SoC System on Chip SPDT Single-Pole Double-Throw SPI Serial Peripheral Interface
STA Spanning Tree Algorithm TCP Transfer Control Protocol TKIP Temporal Key Integrity Protocol TX Transmitter IP Internet Protocol UART Universal Asynchronous Receiver/Transmitter UDP User Datagram Protocol UFL a miniature coaxial RF connector for high-frequency signals manufactured by Hirose Electric Group VSWR Voltage Standing Wave Ratio WEP Wired Equivalent Privacy WEPA Welded Electronic Packaging Association WEP64 64 bit Wired Equivalent Privacy WEP128 128 bit Wired Equivalent Privacy WPA2 Wi-Fi Protected Access 2 XTAL External Crystal Oscillator QAM Quadrature Amplitude Modulation 802.11 b/g/n The IEEE 802.11 b/g/n 
This device complies with Part 15 of the FCC Rules / Industry Canada licence-exempt RSS standard(s). Operation is subject to the following two conditions: (1) this device may not cause harmful interference, and (2) this device must accept any interference received, including interference that may cause undesired operation.   Le présent appareil est conforme aux CNR d'Industrie Canada applicables aux appareils radio exempts de licence. L'exploitation est autorisée aux deux conditions suivantes : (1) l'appareil ne doit pas produire de brouillage, et (2) l'utilisateur de l'appareil doit accepter tout brouillage radioélectrique subi, même si le brouillage est susceptible d'en compromettre le fonctionnement.     Changes or modifications not expressly approved by the party responsible for compliance could void the user's authority to operate the equipment.   This equipment has been tested and found to comply with the limits for a Class B digital device, pursuant to part 15 of the FCC Rules. These limits are designed to provide reasonable protection against harmful interference in a residential installation. This equipment generates uses and can radiate radio frequency energy and, if not installed and used in accordance with the instructions, may cause harmful interference to radio communications. However, there is no guarantee that interference will not occur in a particular installation. If this equipment does cause harmful interference to radio or television reception, which can be determined by turning the equipment off and on, the user is encouraged to try to correct the interference by one or more of the following measures: —Reorient or relocate the receiving antenna. —Increase the separation between the equipment and receiver. —Connect the equipment into an outlet on a circuit different from that to which the receiver is connected. —Consult the dealer or an experienced radio/TV technician for help.   MPE Requirements To satisfy FCC / IC RF exposure requirements, a separation distance of 20 cm or more should be maintained between the antenna of this device and persons during device operation. To ensure compliance, operations at closer than this distance is not recommended.   Les antennes installées doivent être situées de facon à ce que la population ne puisse y être exposée à une distance de moin de 20 cm. Installer les antennes de facon à ce que le personnel ne puisse approcher à 20 cm ou moins de la position centrale de l’ antenne. La FCC des éltats-unis stipule que cet appareil doit être en tout temps éloigné d’au moins 20 cm des personnes pendant son functionnement
 Region Selection Limited by local law regulations, version for North America does not have region selection option.  Information for the OEM Integrators This device is intended for OEM integrators only. Please see the full grant of equipment document for restrictions.   Label Information to the End User by the OEM or Integrators If the FCC ID of this module is not visible when it is installed inside another device, then the outside of the device into which the module is installed must be label with “Contains FCC ID: 2ACDZ-WT1HB12 and IC: 21239-WT1HB12”

Navigation menu