Hangzhou Hikvision Digital Technology K1MC Fingerprint Access Control Terminal User Manual
Hangzhou Hikvision Digital Technology Co., Ltd. Fingerprint Access Control Terminal
User Manual

UD.6L0206D1079A01
Access Control Terminal
Quick Start Guide

Access Control Terminal·Quick Start Guide
i
Quick Start Guide
© 2015 Hangzhou Hikvision Digital Technology Co., Ltd.
This quick start guide is intended for users of the models below:
Series
Model
Standalone Access Control
Terminal
DS-K1T105E
DS-K1T105M
-C
(with Camera)
Optical IP-based
Fingerprint
Access Control Terminal
DS-K1T200EF
(with Camera)
It includes instructions on how to use the Product. The software embodied in the
Product is governed by the user license agreement covering that Product.
About this Manual
This Manual is subject to domestic and international copyright protection. Hangzhou
Hikvision Digital Technology Co., Ltd. (“Hikvision”) reserves all rights to this manual. This
manual cannot be reproduced, changed, translated, or distributed, partially or wholly,
by any means, without the prior written permission of Hikvision.
Trademarks
and other Hikvision marks are the property of Hikvision and are
registered trademarks or the subject of applications for the same by Hikvision and/or its
affiliates. Other trademarks mentioned in this manual are the properties of their
respective owners. No right of license is given to use such trademarks without express
permission.
Disclaimer
TO THE MAXIMUM EXTENT PERMITTED BY APPLICABLE LAW, HIKVISION MAKES NO WARRANTIES,
EXPRESS OR IMPLIED, INCLUDING WITHOUT LIMITATION THE IMPLIED WARRANTIES OF
MERCHANTABILITY AND FITNESS FOR A PARTICULAR PURPOSE, REGARDING THIS MANUAL.
HIKVISION DOES NOT WARRANT, GUARANTEE, OR MAKE ANY REPRESENTATIONS REGARDING THE
USE OF THE MANUAL, OR THE CORRECTNESS, ACCURACY, OR RELIABILITY OF INFORMATION
CONTAINED HEREIN. YOUR USE OF THIS MANUAL AND ANY RELIANCE ON THIS MANUAL SHALL BE
WHOLLY AT YOUR OWN RISK AND RESPONSIBILITY.
TO THE MAXIMUM EXTENT PERMITTED BY APPLICABLE LAW, IN NO EVENT WILL HIKVISION, ITS
DIRECTORS, OFFICERS, EMPLOYEES, OR AGENTS BE LIABLE TO YOU FOR ANY SPECIAL,
CONSEQUENTIAL, INCIDENTAL, OR INDIRECT DAMAGES, INCLUDING, AMONG OTHERS, DAMAGES
-
C
-C
DS-K1T200MF
-
-C

Access Control Terminal·Quick Start Guide
ii
FOR LOSS OF BUSINESS PROFITS, BUSINESS INTERRUPTION, SECURITY BREACHES, OR LOSS OF DATA
OR DOCUMENTATION, IN CONNECTION WITH THE USE OF OR RELIANCE ON THIS MANUAL, EVEN IF
HIKVISION HAS BEEN ADVISED OF THE POSSIBILITY OF SUCH DAMAGES.
SOME JURISDICTIONS DO NOT ALLOW THE EXCLUSION OR LIMITATION OF LIABILITY OR CERTAIN
DAMAGES, SO SOME OR ALL OF THE ABOVE EXCLUSIONS OR LIMITATIONS MAY NOT APPLY TO YOU.
Support
Should you have any questions, please do not hesitate to contact your local dealer.
0100001050825

Access Control Terminal·Quick Start Guide
iii
Regulatory Information
FCC Compliance
This equipment has been tested and found to comply with the limits for a Class B digital
device, pursuant to part 15 of the FCC Rules. These limits are designed to provide
reasonable protection against harmful interference in a residential installation. This
equipment generates, uses and can radiate radio frequency energy and, if not installed
and used in accordance with the instructions, may cause harmful interference to radio
communications. However, there is no guarantee that interference will not occur in a
particular installation. If this equipment does cause harmful interference to radio or
television reception, which can be determined by turning the equipment off and on, the
user is encouraged to try to correct the interference by one or more of the following
measures:
—Reorient or relocate the receiving antenna.
—Increase the separation between the equipment and receiver.
—Connect the equipment into an outlet on a circuit different from that to which the
receiver is connected.
—Consult the dealer or an experienced radio/TV technician for help.
FCC Conditions
This device complies with part 15 of the FCC Rules. Operation is subject to the following
two conditions:
1. This device may not cause harmful interference.
2. This device must accept any interference received, including interference that may
cause undesired operation.
EU Conformity Statement
This product and -
if applicable -
the supplied accessories too are
marked with "CE" and comply therefore with the applicable
harmonized European standards listed under the Low Voltage Directive
2006/95/EC, the EMC Directive 2004/108/EC, the RoHS Directive
2011/65/EU.
2012/19/EU
(WEEE directive): Products marked with this symbol
cannot be disposed of as unsorted municipal waste in the European
Union. For proper recycling, return this
product to your local supplier
upon the purchase of equivalent new equipment, or dispose of it at
designated collection points. For more information see:
www.recyclethis.info.
Please take attention that changes or modification not expressly approved by the party
responsible for compliance could void the user’s authority to operate the equipment.
This equipment should be installed and operated with a minimum distance 20cm
between the radiator and your body.

Access Control Terminal·Quick Start Guide
iv
2006/66/EC (battery directive): This product contains a battery that cannot be disposed
of as unsorted municipal waste in the European Union. See the product documentation
for specific battery information. The battery is marked with this symbol, which may
include lettering to indicate cadmium (Cd), lead (Pb), or mercury (Hg). For proper
recycling, return the battery to your supplier or to a designated collection point. For
more information see: www.recyclethis.info.
Safety Instruction
These instructions are intended to ensure that user can use the product correctly to
avoid danger or property loss.
The precaution measure is divided into Warnings and Cautions:
Warnings: Neglecting any of the warnings may cause serious injury or death.
Cautions: Neglecting any of the cautions may cause injury or equipment damage.
Warnings
All the electronic operation should be strictly compliance with the electrical safety
regulations, fire prevention regulations and other related regulations in your local
region.
Please use the power adapter, which is provided by normal company. The power
consumption cannot be less than the required value.
Do not connect several devices to one power adapter as adapter overload may cause
over-heat or fire hazard.
Please make sure that the power has been disconnected before you wire, install or
dismantle the device.
When the product is installed on wall or ceiling, the device shall be firmly fixed.
If smoke, odors or noise rise from the device, turn off the power at once and unplug
the power cable, and then please contact the service center.
If the product does not work properly, please contact your dealer or the nearest
service center. Never attempt to disassemble the device yourself. (We shall not
Warnings Follow
these safeguards to
prevent serious
injury or death.
Cautions Follow these
precautions to prevent
potential injury or
material damage.

Access Control Terminal·Quick Start Guide
v
assume any responsibility for problems caused by unauthorized repair or
maintenance.)
Cautions
Do not drop the device or subject it to physical shock, and do not expose it to high
electromagnetism radiation. Avoid the equipment installation on vibrations surface or
places subject to shock (ignorance can cause equipment damage).
Do not place the device in extremely hot (refer to the specification of the device for
the detailed operating temperature), cold, dusty or damp locations, and do not
expose it to high electromagnetic radiation.
The device cover for indoor use shall be kept from rain and moisture.
Exposing the equipment to direct sun light, low ventilation or heat source such as
heater or radiator is forbidden (ignorance can cause fire danger).
Do not aim the device at the sun or extra bright places. A blooming or smear may
occur otherwise (which is not a malfunction however), and affecting the endurance of
sensor at the same time.
Please use the provided glove when open up the device cover, avoid direct contact
with the device cover, because the acidic sweat of the fingers may erode the surface
coating of the device cover.
Please use a soft and dry cloth when clean inside and outside surfaces of the device
cover, do not use alkaline detergents.
Please keep all wrappers after unpack them for future use. In case of any failure
occurred, you need to return the device to the factory with the original wrapper.
Transportation without the original wrapper may result in damage on the device and
lead to additional costs.
Improper use or replacement of the battery may result in hazard of explosion.
Replace with the same or equivalent type only. Dispose of used batteries according to
the instructions provided by the battery manufacturer.

Access Control Terminal·Quick Start Guide
vi
Table of Contents
1 Overview ...................................................................................................... 1
1.1 Introduction ............................................................................................................. 1
1.2 Main Features .......................................................................................................... 2
1.2.1 Main Features of DS-K1T105 Series Model ....................................................... 2
1.2.2 Main Features of DS-K1T200 Series Model ....................................................... 2
2 Appearance .................................................................................................. 4
2.1 Appearance of DS-KITI05 Series Model ................................................................... 4
2.2 Appearance of DS-KIT200Series Model ................................................................... 5
2.2.1 Description of Components .............................................................................. 5
2.3 Appearance of Keys ................................................................................................. 6
2.3.1 Description of Items .......................................................................................... 6
3 Terminal Connection .................................................................................... 8
3.1 Terminal Description ................................................................................................ 8
4 Wiring Description ..................................................................................... 12
4.1 External Device Wiring Overview .......................................................................... 12
4.2 The Wiring of External Card Reader ...................................................................... 13
4.2.1 The Wiring of External RS485 Card Reader ..................................................... 13
4.3 The Wiring of Electric Lock and Door Magnetic ..................................................... 14
4.3.1 The Wiring of Electric Lock .............................................................................. 14
4.3.2 The Wiring of Door Contact ............................................................................ 15
4.4 The Wiring of Exit Button ...................................................................................... 16
4.5 The wiring of Alarm Input ...................................................................................... 17
4.6 The Wiring of External Alarm Device ..................................................................... 17
4.7 Card Reader Connection ........................................................................................ 18
4.7.1 The Wiring of Wiegand Output ....................................................................... 18
4.7.2 The Wiring of RS485 Output ........................................................................... 19
5 Activating the Access Control Terminal ....................................................... 21
5.1 Activating via SADP Software ................................................................................. 21
5.2 Activating via Client Software ................................................................................ 23
6 Basic Operation .......................................................................................... 27
6.1 User Management ................................................................................................. 28
6.1.2 Adding User ..................................................................................................... 29
6.1.2 Managing User ................................................................................................ 31
6.2 Communication Settings ........................................................................................ 34
6.2.1 Network Settings ............................................................................................. 34
6.2.2 Serial Port Settings .......................................................................................... 35
6.2.3 Wiegand Settings ............................................................................................ 36

Access Control Terminal·Quick Start Guide
vii
6.2.4 Wi-Fi Settings .................................................................................................. 37
6.3 System Settings ...................................................................................................... 38
6.3.1 Setting System ................................................................................................. 39
6.3.2 Managing Data ................................................................................................ 40
6.3.3 Restoring Settings ........................................................................................... 41
6.3.4 Door Settings ................................................................................................... 41
6.3.5 Setting the Camera .......................................................................................... 42
6.4 Time Settings ......................................................................................................... 43
6.5 Upload/Download Settings .................................................................................... 44
6.6 Testing ................................................................................................................... 45
6.7 Log Query Settings ................................................................................................. 46
6.8 System Information ............................................................................................... 47

Access Control Terminal·Quick Start Guide
1
1 Overview
1.1 Introduction
Figure 1-1 DS-K1T105 Series Standalone Access Control Terminal Front Panel
DS-K1T105 is a series of standalone access control terminal with picture
capturing function. DS-K1T105 is designed with a 2.8-inch LCD display screen,
and HD camera (2 MP optional). It supports two network communication
methods (TCP/IP, and Wi-Fi), and supports offline operation.
Figure 1-2 DS-K1T200 Series IP-Based Fingerprint Access Control Terminal Front
Panel
DS-K1T200 is a series optical IP-based fingerprint access control terminal with multiple
advanced technologies including fingerprint recognition, face detection, Wi-Fi, smart
card recognition, LCD display screen, and picture capturing technology. It is designed

Access Control Terminal·Quick Start Guide
2
with a 2.8-inch LCD display screen, and HD camera (2 MP optional). It is
equipped with optical fingerprint recognition module (supporting 1:1 mode and
1:N mode), and supports offline operation.
1.2 Main Features
1.2.1 Main Features of DS-K1T105 Series Model
Doorbell ringtone settings function.
Touch mode and blue light display technique for keypad.
Stand-alone settings for the terminal.
2.8-inch LCD display screen.
Transmission modes of wired network (TCP/TP) and Wi-Fi.
Face detection and picture capturing function implemented by built-in
camera (2 MP optional, only supports DS-K1T105E/M -C)
Supports multiple door opening modes (card, card + password, exit
button, etc.)
Supports RS485 communication for connecting to external card reader.
Supports working as a card reader, and supports Wiegand interface and
RS485 interface for accessing the controller.
Max. 100,000 valid card No., and Max. 300,000 access control events
records storage.
Supports EM card reading (DS-K1T105E/E-C)
Supports Mifare card reading, including card No. reading, & writing
function (DS-K1T105M/M-C)
Tampering detection, unlocking overtime alarm, invalid card swiping over
times alarm, and duress card alarm.
Accurate data and time display provided by built-in electronic clock and
watchdog program to ensure the basic function of the terminal.
Data can be permanently saved after power-off.
1.2.2 Main Features of DS-K1T200 Series Model
Doorbell ringtone settings function.

Access Control Terminal·Quick Start Guide
3
Touch mode and blue light display technique for keypad.
Stand-alone settings for the terminal.
2.8-inch LCD display screen.
Transmission modes of wired network (TCP/TP) and Wi-Fi.
Face detection and picture capturing function implemented by built-in
camera (2 MP optional, only supports DS-K1T200EF/MF-C)
Supports RS485 communication for connecting external card reader.
Supports working as a card reader, and supports Wiegand interface and
RS485 interface for accessing the controller.
Max. 100,000 card No., Max. 300,000 access control events records , and
Max. 9500 fingerprints storage.
Adopts the optical fingerprint module, supporting 1:N mode (fingerprint,
card + fingerprint) and 1:1 mode (card + fingerprint).
Supports multiple authentication modes (card, fingerprint, card +
fingerprint, card + password, fingerprint + password, card + fingerprint +
password, and so on.)
Supports EM card reading (DS-K1T200EF/EF-C)
Supports Mifare card reading, including card No. reading, and sector
reading & writing (DS-K1T200MF/MF-C)
Tampering detection, unlocking overtime alarm, invalid card swiping over
times alarm, duress card alarm, and so on.
Accurate data and time display provided by built-in electronic clock and
watchdog program to ensure the basic function of the terminal.
Data can be permanently saved after power-off.

Access Control Terminal·Quick Start Guide
4
2 Appearance
2.1 Appearance of DS-KITI05 Series Model
Please refer to the following content for detailed information of the DS-K1T105
series model.
Figure 2-1 Appearance of DS-K1T105 Series Model
Table 2-1 Description of DS-K1T105 Series Model
No.
Description
1
2.8-Inch LCD Display Screen
2
HD Camera with 2 MP (only DS-K1T105E/M/ -C
support)
3
Keypad
4
USB 2.0 Interface
5
Tampering Switch
6
PSAM Card Slot
7
External Wiring Terminals
8
Serial Port
9
Ethernet Port

Access Control Terminal·Quick Start Guide
5
2.2 Appearance of DS-KIT200Series Model
Please refer to the following content for detailed information of DS-K1T200
series model
Figure 2-2 Appearance of DS-K1T200 IP-Based Fingerprint Access Control
Terminal
2.2.1 Description of Components
Table 2-2 DS-K1T200 IP-Based Fingerprint Access Control Terminal
Components
No.
Description
1
2.8-Inch LCD Display Screen
2
HD Camera with 2 MP (only DS-K1T200EF/MF
-C support)
3
Keypad
4
Optical Fingerprint Reading Module
5
USB 2.0 Interface
6
Tampering Switch
7
PSAM Card Slot
8
External Wiring Terminals
9
Serial Port

Access Control Terminal·Quick Start Guide
6
No.
Description
10
Ethernet Port
2.3 Appearance of Keys
Figure 2-3 Appearance of Keys
2.3.1 Description of Items
Table 2-3 Description of Keys
No.
Description
1
Numeric Keys: Enter number in the textbox.
Direction Keys: Select icons in the menu.
2
Editing Key: Click the key to enter/exit the editing status.
3
Exiting Key: Click the key to exit the menu.
4
Confirming Key: Click the key to confirm operations.
Long-click the key to enter the login interface.
5
Deleting Key: Click the key to delete contents in the textbox.
6
Status Indicator:
Indicator for
power, ring, and
connection status
POWER
Power Status
Solid Blue: Normal Power.
Off:Power Exception.
Doorbell Ring
LINK
Normal Card/
Normal Card: Solid Blue

Access Control Terminal·Quick Start Guide
7
No.
Description
Illegal Card
Illegal Card: Solid Red
Connection
Status
Off: Network or Wi-Fi
Disconnected.
Solid Blue: Network or
Wi-Fi connected, but
client unarmed.
Flicker Blue: Network or
Wi-Fi connected, but
client armed.
(RS485 Card Reader
Mode)
Flicker Red: Connection
Exception.

Access Control Terminal·Quick Start Guide
8
3 Terminal Connection
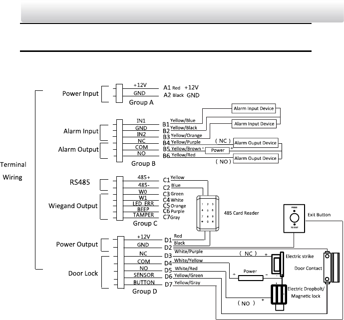
3.1 Terminal Description
Figure 3-1 Terminal Diagram of Access Control Terminal

Access Control Terminal·Quick Start Guide
9
Table 3-1 Terminal Description
Line
Group
No.
Function
Color
Termina
l Name
Description
Line
Group
A
A1
Power
Input
Red
+12V
12V DC Power
Supply
A2
Black
GND
GND
Line
Group
B
B1
Alarm
Input
Yellow/Blue
IN1
Alarm Input 1
B2
Yellow/Black
GND
GND
B3
Yellow/Orange
IN2
Alarm Input 2
B4
Alarm
Output
Yellow/Purple
NC
Alarm Output
Wiring
B5
Yellow/Brown
COM
B6
Yellow/Red
NO
Line
Group
C
C1
RS485
Commun
ication
Port
Yellow
485 +
RS485 Wiring
C2
Blue
485 -
C3
Wiegand
Output
Green
W0
Wiegand Wiring 0
C4
White
W1
Wiegand Wiring 1

Access Control Terminal·Quick Start Guide
10
Line
Group
No.
Function
Color
Termina
l Name
Description
C5
Orange
LED-ERR
Error Prompt LED
Indicator Wiring
C6
Purple
BEEP
Beep Siren Wiring
C7
Grey
TAMPER
Tampering Alarm
Wiring
Line
Group
D
D1
Power
Output
Red
+12V
Power Output
D2
Black
GND
GND
D3
Door
Lock
White/Purple
NC
Lock Wiring
D4
White/ Yellow
COM
D5
White/Red
NO
D6
Yellow/Green
SENSOR
Door Contact Signal
Input

Access Control Terminal·Quick Start Guide
11
Line
Group
No.
Function
Color
Termina
l Name
Description
D7
Yellow/Grey
BUTTON
Exit Door Wiring

Access Control Terminal·Quick Start Guide
12
4 Wiring Description
4.1 External Device Wiring Overview
Figure 4-1 External Device Connection Diagram

Access Control Terminal·Quick Start Guide
13
4.2 The Wiring of External Card Reader
4.2.1 The Wiring of External RS485 Card Reader
Figure 4-2 External RS485 Card Reader Connection Diagram
When connected to the external card reader, the terminal only
supports RS485 communication method (External Wiegand card
reader is not supported).
Set the dial-up of the external card reader as 2 when connected to the
access control terminal.

Access Control Terminal·Quick Start Guide
14
4.3 The Wiring of Electric Lock and Door
Magnetic
4.3.1 The Wiring of Electric Lock
Figure 4-3 The Installation of Electric Dropbolt, Magnetic Lock, and Electric
Strike

Access Control Terminal·Quick Start Guide
15
Signal input interface of the door status (DOOR_NC, DOOR_COM, DOOR_NO) is
used to recognize whether the door is locked. If the NC interface is connected
for opening door, the NO interface can only be connected for locking door.
4.3.2 The Wiring of Door Contact
Figure 4-4 The Installation of Door Contact

Access Control Terminal·Quick Start Guide
16
4.4 The Wiring of Exit Button
Figure 4-5 The Installation of Exit Button

Access Control Terminal·Quick Start Guide
17
4.5 The wiring of Alarm Input
Figure 4-6 Alarm Input Connection
4.6 The Wiring of External Alarm Device
Figure 4-7 The Installation Diagram of External Alarm Device

Access Control Terminal·Quick Start Guide
18
4.7 Card Reader Connection
The access control terminal can be switched into the card reader mode. It can
access to the access control as a card reader, and supports Wiegand
communication port and RS485 communication port.
When the access control terminal works as a card reader, it only supports
being connected to the controller, but does not support alarm input or output,
or the connection of external devices.
4.7.1 The Wiring of Wiegand Output
Figure 4-8 Wiegand Connection Diagram

Access Control Terminal·Quick Start Guide
19
When the access control terminal works as a card reader, you must
connect the LED-ERR and BEEP interfaces if you want to control the LED
and buzzer of the Wiegand card reader.
Set the working mode of the terminal as card reader, which can be
configured in System Parameter –> Mode Switch, if the terminal is
required to work as a card reader. The Wiegand mode can be configured
in Network Parameter -> Wiegand Mode (Wiegand 26/Wiegand 34).
The distance of Wiegand communication should be no longer than 80 m.
4.7.2 The Wiring of RS485 Output
Figure 4-9 RS485 Connection Diagram

Access Control Terminal·Quick Start Guide
20
Set the working mode of the terminal as card reader, which can be
configured in System Parameter –> Mode Switch, if the terminal requires
working as a card reader.
When the access control terminal works as a RS485 card reader, the
default RS485 address is 1. RS485 address can also be configured in
System Parameter -> Serial Port Settings.

Access Control Terminal·Quick Start Guide
21
5 Activating the Access Control
Terminal
Purpose:
You are required to activate the terminal first before using it.
Activation via SADP, and Activation via client software are supported.
The default values of the control terminal are as follows.
The default IP address: 192.0.0.64.
The default port No.: 8000.
The default user name: admin.
5.1 Activating via SADP Software
SADP software is used for detecting the online device, activating the device,
and resetting the password.
Get the SADP software from the supplied disk or the official website, and
install the SADP according to the prompts. Follow the steps to activate the
control panel.
Steps:
1. Run the SADP software to search the online devices.
2. Check the device status from the device list, and select an inactive
device.

Access Control Terminal·Quick Start Guide
22
Figure 5-1 SADP Interface
3. Create a password and input the password in the password field, and
confirm the password.
STRONG PASSWORD RECOMMENDED– We highly recommend
you create a strong password of your own choosing (using a
minimum of 8 characters, including upper case letters, lower case
letters, numbers, and special characters) in order to increase the
security of your product. And we recommend you reset your
password regularly, especially in the high security system,
resetting the password monthly or weekly can better protect your
product.
4. Click OK to save the password.
You can check whether the activation is completed on the pop-up window.
If activation failed, please make sure that the password meets the
requirement and then try again.
5. Change the device IP address to the same subnet with your computer by
either modifying the IP address manually or checking the checkbox of
Enable DHCP.

Access Control Terminal·Quick Start Guide
23
Figure 5-2 Modify Network Parameters Interface
6. Input the password and click the Save button to activate your IP address
modification.
5.2 Activating via Client Software
The client software is versatile video management software for multiple kinds
of devices.
Get the client software from the supplied disk or the official website, and
install the software according to the prompts. Follow the steps to activate the
control panel.
Steps:
1. Run the client software and the control panel of the software pops up, as
shown in the figure below.
2. Click the icon on the upper-left side of the page, select Access
Control to enter the control panel.

Access Control Terminal·Quick Start Guide
24
Figure 5-3 Control Panel Interface
3. Click the Controller Management icon to enter the Controller
Management interface, as shown in the figure below.
Figure 5-4 Device List
4. Check the device status from the device list, and select an inactive

Access Control Terminal·Quick Start Guide
25
device.
5. Click the Activate button to pop up the Activation interface.
Figure 5-5 List Selecting Interface
6. Create a password and input the password in the password field, and
confirm the password.

Access Control Terminal·Quick Start Guide
26
STRONG PASSWORD RECOMMENDED– We highly recommend you
create a strong password of your own choosing (using a minimum of 8
characters, including upper case letters, lower case letters, numbers, and
special characters) in order to increase the security of your product. And
we recommend you reset your password regularly, especially in the high
security system, resetting the password monthly or weekly can better
protect your product.
7. Click OK button to start activation.
8. Click the button to pop up the Network Parameter
Modification interface.
9. Change the device IP address to the same subnet with your computer by either
modifying the IP address manually or checking the checkbox of Enable DHCP.
10. Input the password to activate your IP address modification.

Access Control Terminal·Quick Start Guide
27
6 Basic Operation
Before You Start:
You should activate the device before the first login. Otherwise, after powered on,
the system will switch into activaon notifying interface. For detailed information
about activation, see Chapter 5.
Figure 6-1 Activation Notifying Interface
You should enter the default password for the first login.
Enter System Settings -> System Parameter –> Login Password to reset the login
password.
The default password is 12345.
Steps:
1. The device enters the initial interface automatically after powered on.
Figure 6-2 Initial Interface
2. Long-click the # key to enter the password authentication interface.

Access Control Terminal·Quick Start Guide
28
Figure 6-3 Password Authentication Interface
3. Enter the default configuration password.
Click the # key to confirm the settings. If the configuration password
authentication failed, the system will return to the initial interface, and if the
configuration password is successfully authenticated, the system will enter the
menu operation interface
Figure 6-4 Menu Operation Interface
On the menu operation interface, you can manage users, set communication
parameters, set system parameters, and so on.
6.1 User Management
Purpose:
On the user management interface, you can add and manage users.
Steps:
1. Move the cursor to User (user management) with the direction keys.
2. Click the # key to enter the user management interface.

Access Control Terminal·Quick Start Guide
29
Figure 6-5 User Management Interface
6.1.2 Adding User
Purpose:
In the Adding User menu, you can add users, register card, and record fingerprints
optionally for the corresponding person.
Steps:
1. Move the cursor to Add (add user) by using the direction keys.
2. Click the # key to enter the card registration interface.
Figure 6-6 Card Registration Interface
3. Register the card.
Register the card by swiping the card.
1) Place the card on the induction area.
2) The system displays the card No. in the textbox automatically with a beep
sound if the card No. has been recognized. .
Register the card by entering the card number into the or enter the Card No.
textbox.

Access Control Terminal·Quick Start Guide
30
1) Click the key to enter the editing mode.
2) Enter the card number into the textbox.
3) Click the key to exit the editing mode.
4. After registering the card, a dialog box about whether to register the fingerprint
pops up.
Figure 6-7 Card Registration PoP-Up Window
1) Move the cursor to the OK button, and click the # key to enter the fingerprint
registration interface.
Figure 6-8 Fingerprint Registration Interface
2) Place the finger on the fingerprint scanner, rise and rest your finger by
following the corresponding voice prompts.
The fingerprint registration function only supports device with fingerprint module.
The same fingerprint cannot be repeatedly registered.
For the optical access control terminal, you should place your finger twice to
register the fingerprint.

Access Control Terminal·Quick Start Guide
31
6.1.2 Managing User
1. Move the cursor to Manage (edit user) by using direction keys on the user
management interface.
2. Click the # key to enter the managing user interface.
Searching User
Steps:
1. Move the cursor to a user by using direction keys.
2. Click the # key to pop up an interface for selecting corresponding operations.
Figure 6-9 Managing User Interface
3. Move the cursor to Search User.
4. Click the # key to enter the searching interface.
Figure 6-10 Searching Interface
5. Enter the card number into Please enter card No. textbox.
6. Click the # key to view the basic information about the card holder.

Access Control Terminal·Quick Start Guide
32
Editing User
Steps:
1. Move the cursor to a user by using direction keys.
2. Click the # key to popup an interface for selecting corresponding operations.
(Figure 6-9)
3. Move the cursor to Editing User.
4. Click the # key to enter the editing interface.
Figure 6-11 Editing Interface
5. Edit the user information.
Adding the Fingerprint
Move the cursor to Add to enter the fingerprint registration interface. See
details in step 4 of adding user.
DS-K1T105 series model does not support this function.
Changing the Password
1) Move the cursor to Change PWD to enter the password changing
interface.
2) Enter a new password.
3) Confirm the new password.

Access Control Terminal·Quick Start Guide
33
Figure 6-12 Password Changing Interface
Changing the valid date
You can set the start/end time of the user’s permission.
Click the key to enter/exit the editing mode.
Enabling first card
Click the # key to enable first card.
After enabling first card, the door remains open during the pre-defined valid
duration.
6. Move the cursor to the OK button, and click the # key to confirm the settings.
Deleting the User
Steps:
1. Move the cursor to the user by using direction keys.
2. Click the # key to pop up an interface for selecting corresponding operations.
(Figure 6-9)
3. Move the cursor to Delete User, and click the # key to enter the deleting interface.
4. Move the cursor to Delete User, Delete PWD only orDelete FP only,.
Delete User: Delete the user and the overall information.
Delete PWD only: Only delete the password set by the user.
Delete FP only: Only delete the fingerprint information of the user.
DS-K1T105 series model does not support this function.
5. Click the # key to finish the deleting operation.
You can click * key to return to the main menu.

Access Control Terminal·Quick Start Guide
34
6.2 Communication Settings
Purpose:
On the communication settings interface, you can set network parameters, the serial
port, Wiegand parameters, and Wi-Fi.
Steps:
1. Move the cursor to Comm (communication settings) by using direction keys.
2. Click the # key to enter the communication settings interface.
Figure 6-13 Communication Settings Interface
Network Settings: It refers to network parameters of the device, including IP address,
subnet mask, and gateway address.
Serial Port Settings: When the access control terminal works as a RS485 card reader,
serial port parameters include working mode, Baud Rate, and RS485 address.
Wiegand Settings: When the access control terminal works as a Wiegand card reader,
Wiegand parameters involve whether to enable the Wiegand connection, and the
Wiegand mode.
Wi-Fi: You can enable the Wi-Fi function.
6.2.1 Network Settings
Purpose:
On the network settings interface, you can set network parameters of the device.
Steps:
1. Move the cursor to Network (network settings) by using direction keys.
2. Click the # key to enter the network settings interface.

Access Control Terminal·Quick Start Guide
35
Figure 6-14 Network Settings Interface
3. Modify network parameters of the device, including IP address, subnet mask, and
gateway address.
Click the key to enter/exit the editing mode.
4. Move the cursor to the OK button, and click the # key.
6.2.2 Serial Port Settings
Purpose:
When the access control terminal works as the RS485 card reader, you should set serial
port parameters.
Steps:
1. Move the cursor to Serial (serial port settings) by using direction keys on the
communication settings interface.
2. Click the # key to enter the serial port settings interface.
Figure 6-15 Serial Port Settings Interface

Access Control Terminal·Quick Start Guide
36
3. Modify parameters of the serial port, including working mode, Baud Rate, and
RS485 address.
Working Mode: Up serial port and down serial port are supported.
Set the working mode of the serial port as Down (downstream) if the access
control terminal is connected to the external card reader.
Baud Rate: The current suppoted Baud Rate is 19200.
RS485 Address: When the access control terminal works as a RS485 card reader, the
default RS485 address is 1.
Click the key to enter and exit the editing mode.
Click the Right/Left direction keys to choose contents.
Click the # key to switch the mode between “Yes” mode and “No” mode.
4. Move the cursor to the OK button, and click the # key.
6.2.3 Wiegand Settings
Purpose:
When the access control terminal works as the Wiegand card reader, you should set
Wiegand parameters.
Steps:
1. Move the cursor to Wiegand (Wiegand settings) by using direction keys on the
communication settings interface.
2. Click the # key to enter the Wiegand settings interface.
Figure 6-16 Wiegand Settings Interface
3. Edit parameters of the serial port, including enabling the Wiegand, and the
Wiegand mode.

Access Control Terminal·Quick Start Guide
37
Enable the Wiegand: Select whether to enable the Wiegand.
Click the # key to enable first card.
Wiegand Mode: The default Wiegand mode is Wigand 34.
Click the key to enter and exit the editing mode.
Click the Right/Left direction keys to choose contents.
Click the # key to switch the mode between “Yes” mode and “No” mode.
4. Move the cursor to the OK button, and click the # key.
6.2.4 Wi-Fi Settings
Steps:
1. Move the cursor to Wi-Fi (Wi-Fi settings) by using direction keys on the
communication settings interface.
2. Click the # key to enter the Wi-Fi settings interface.
Figure 6-17 Wi-Fi Enabling
3. Move the cursor to and click the # key to enable the WLAN.

Access Control Terminal·Quick Start Guide
38
Figure 6-18 Wi-Fi Selection
4. Move the cursor to a network, and click # key to enter the network connection
interface.
Figure 6-19 Wi-Fi Settings
5. Enter the password of the network.
6. Edit the IP mode, IP address, subnet mask, and gateway address.
7. Move the cursor to the OK button, and click the # key.
Click the key to enter and exit the editing mode.
6.3 System Settings
Purpose:
On the system settings interface, you can set system parameters, manage the data,
restore default settings, set access control parameters, and set cameras.
Steps:
1. Move the cursor to System (system parameters) by using direction keys.

Access Control Terminal·Quick Start Guide
39
2. Click the # key to enter the system parameters interface.
Figure 6-20 System Settings Interface
System Parameters: System parameters of the device include the device running mode,
login password, and prompt sound.
Data Management: It is used to manage the storage data of the device, including Delete
Card Parameters, Delete Event Only, and Delete Picture Only.
Restore Settings: The device can be restored into factory defaults or default settings.
Access Control Settings: You can set parameters of the access control terminal, including
Controller Authentication, Card Reader Authentication, Door Action Time, Delayed Door
Alarm, and Anti-passing Back.
Camera Settings: You can set the camera for the access control terminal (only supported
by terminal with the model of -C).
6.3.1 Setting System
Steps:
1. Move the cursor to System (system parameters) by using direction keys on the
system settings interface.
2. Click the # key to enter the system parameters interface.
Figure 6-21 System Parameters Interface

Access Control Terminal·Quick Start Guide
40
3. Modify system parameters, including switching the mode, entering the login
password, and enabling voice prompts.
Mode: The device mode can be switched between Controller and Card Reader.
After switching the mode, the system can automatically reboot and enter into the
interface of the new mode.
If the access control terminal works as a card reader, you should configure the serial
port settings. See details in 6.2.2.
Login Password: To reset the login password of the device, you should enter a new
password, and confirm it.
Voice Prompts: After enabling voice prompts, you can hear the voice prompts to
notify you the card status when you swipe the card. Otherwise, you will hear the
beeper in place of the voice prompts.
Beep three times: legal card.
Beep four times: illegal card.
Click the key to enter and exit the editing mode.
Click the Right/Left direction keys to choose contents.
Click the # key to switch the mode between “Yes” mode and “No” mode.
4. Move the cursor to the OK button, and click the # key.
6.3.2 Managing Data
Purpose:
On the data management interface, you can delete the storage data of the device.
Steps:
1. Move the cursor to Data (data management) by using direction keys in the system
settings Interface.
2. Click the # key to enter the data management interface.
Figure 6-22 Data Management Interface

Access Control Terminal·Quick Start Guide
41
3. Move the cursor to Delete Card Parameters, Delete Event Only, or Delete Picture
Only.
Delete Card Parameters: Delete all cards parameters registered in the device.
Delete Event Only: Delete all access events in the system.
Delete Picture Only: Delete all captured pictures in the system.
This function is only supported by terminal with the model of –C.
4. Click the # key.
6.3.3 Restoring Settings
Purpose:
On the restore settings interface, you can restore Factory Defaults or Default Settings.
Steps:
1. Move the cursor to Reset (restore settings) by using direction keys on the system
settings interface.
2. Click the # key to enter the restore settings interface.
Figure 6-23 Restore Settings Interface
3. Move the cursor to Factory Defaults or Default Settings.
Factory Defaults: After restoring factory defaults, all parameters of the device are
returned to the factory defaults.
Default Settings: After restoring defaults settings, parameters, excluding network
parameters and event parameters, are returned to the factory defaults.
4. Click the # key.
5. Move the cursor to the OK button, and click the # key.
6.3.4 Door Settings
Purpose:

Access Control Terminal·Quick Start Guide
42
On the door settings interface, you can set door parameters, including Controller
Authentication, Card Reader Authentication, Door Action Time, Delayed Door Alarm,
and Anti-passing Back.
Steps:
1. Move the cursor to ACS(door settings) by using direction keys in the system settings
interface.
2. Click the # key to enter the door settings interface.
Figure 6-24 Door Settings Interface
3. Edit door parameters.
Controller Authentication: Set the controller authentication mode for opening the
door, that is, Card Only, Fingerprint Only, Card/Fingerprint, Card & Fingerprint, Card
& Password, Password & Fingerprint, Card & Password & Fingerprint.
Card Reader Authentication: Set the card reader authentication mode for opening
the door, that is, Card Only, Fingerprint Only, Card/Fingerprint, Card & Fingerprint,
Card & Password, Password & Fingerprint, Card & Password & Fingerprint.
Door Action Time: Set the door action time: 1 ~ 255 s.
Delayed Door Alarm: Set the delayed door alarm threshold: 1 ~ 255 s.
Anti-Passing Back: Set whether to enable the function of anti-passing back.
Click the key to enter and exit the editing mode.
Click the Right/Left direction keys to choose contents.
Click the # key to switch the mode between “Yes” mode and “No” mode.
4. Move the cursor to the OK button, and click the # key.
6.3.5 Setting the Camera
Purpose:
On the camera settings interface, you can set camera parameters.

Access Control Terminal·Quick Start Guide
43
This function is only supported by terminal with the model of –C.
Steps:
1. Move the cursor to Camera (camera settings) by using direction keys in the system
settings Interface.
2. Click the # key to enter the camera settings interface.
Figure 6-25 Camera Settings Interface
3. Edit camera parameters.
Enable Face Detection: When enabling face detection, the system can detect the
face captured by the camera.
Enable Card No. Overlay: When enabling card No. overlay, captured pictures can be
overlaid on the card information.
Display Picture: When enabling to display the picture, captured pictures can display
on the screen.
Click the key to enter and exit the editing mode.
Click the Right/Left direction keys to choose contents.
Click the # key to switch the mode between “Yes” mode and “No” mode.
4. Move the cursor to the OK button, and click the # key.
6.4 Time Settings
Steps:
1. Move the cursor to Time (time settings) by using direction keys.
2. Click the # key to enter the time settings interface.

Access Control Terminal·Quick Start Guide
44
Figure 6-26 Time Settings Interface
3. Edit time parameters.
Date/Time: Edit the data and the time of the device.
DST (Daylight Saving Time): When enabling DST, you should set the bias time, the
start time, and the end time of DST.
Click the key to enter and exit the editing mode.
Click the Right/Left direction keys to choose contents.
Click the # key to switch the mode between “Yes” mode and “No” mode.
4. Move the cursor to the OK button, and click the # key.
6.5 Upload/Download Settings
Purpose:
On the upload/download interface, you can upgrade the device, upload the door
parameters, download access parameters, download captured pictures, and download
attendance record.
Steps:
1. Plug a USB disk into the access control terminal.
2. Move the cursor to Transfer (upload/download) by using direction keys.
3. Click the # key to enter the upload/download interface.

Access Control Terminal·Quick Start Guide
45
Figure 6-27 Upload/Download Interface
4. Move the cursor to Device Upgrade, Upload Access Settings, Download Access
Settings, Download Attendance Record, or Download Captured Picture.
Device Upgrade: The system can automatically read the upgrading information
from the USB, and upgrade the device.
Upload Access Settings: The system can automatically read the access parameters
from the USB, and upload them to the device.
Download Access Settings: The system can automatically download access
parameters into the USB.
Download Attendance Record: The system can automatically download
attendance records into the USB.
5. Download Captured Picture: The system can automatically download captured
pictures into the USB. Click the # key.
6.6 Testing
Purpose:
On the test interface, you can do voice test, keypad test, RTC test, and camera test.
Steps:
1. Move the cursor to Test by using direction keys.
2. Click the # key to enter the test interface.

Access Control Terminal·Quick Start Guide
46
Figure 6-28 Test Interface
3. Move the cursor to select Voice Test, Keypad Test, RTC Test, or Camera Test to do
corresponding test.
Voice Test: You can hear a voice prompt “Voice prompt succeeds” after click the #
key.
Keypad Test: On the keypad test interface, if the keypad test succeeds, the screen
will display corresponding numbers or functions of the keypad you click.
RTC Test: On the RTC test interface, if the test succeeds, the screen will display the
synchronization time.
Camera Test: On the camera test, if the camera test succeeds, the screen will
display the real-time picture the camera captures.
This function is only supported by terminal with the model of –C.
6.7 Log Query Settings
Steps:
1. Move the cursor to Log (log query settings) by using direction keys.
2. Click the # key to enter the log query interface.

Access Control Terminal·Quick Start Guide
47
Figure 6-29 Log Query Interface
3. Enter the card number.
Enter the card number by swiping the card.
Place the card close to the screen.
Enter the card number manually.
1) Click the key to enter the text editing mode.
2) Enter the card number in the textbox.
3) Click the key to exit the text editing mode.
4. Set the start/end time.
Click the key to enter and exit the editing mode.
5. Move the cursor to the OK button, and click the # key.
On the log query display interface, you can view the card number, swiping time, and
card reader ID.
6.8 System Information
Steps:
1. Move the cursor to Info (system information) by using direction keys.
2. Click the # key to enter the system information interface.

Access Control Terminal·Quick Start Guide
48
Figure 6-30 System Information Interface
3. Move the cursor to Record Capacity or Information by using Left/Right direction
keys.
Record Capacity
Card Capacity: It refers to the maximum amount of cards.
The default maximum card amount is 100,000.
Fingerprint Capacity: It refers to the maximum amount of fingerprints.
• Fingerprint capacity only supports devices with fingerprint registration
function.
• The default maximum fingerprint amounts of devices with fingerprint
registering function are as follows.
Optical device: 9500
• DS-K1T105 series model does not support this function.
Device Information
In the device information interface, you can view the device name, the serial
No., Mac address, and so on.

Access Control Terminal·Quick Start Guide
49
Figure 6-31 Device Information Interface

Access Control Terminal·Quick Start Guide
50