Harbor Freight 16000 Peak 15000 Running Watts Tractor Driven Pto Generator Product Manual
Harbor-Freight-65309-Owner-S-Manual harbor-freight-65309-owner-s-manual
Manual for the 65309 16,000 Watts Max/15,000 Watts Rated Tractor-Driven PTO Generator 65309 16000 Max Starting/15000 Running Watts Tractor-Driven PTO Generator
65309 65309
65309 to the manual 969bcb77-5141-41db-adb0-5e70e5a16933
2015-05-27
: Harbor-Freight Harbor-Freight-16000-Peak-15000-Running-Watts-Tractor-Driven-Pto-Generator-Product-Manual-723835 harbor-freight-16000-peak-15000-running-watts-tractor-driven-pto-generator-product-manual-723835 harbor-freight pdf
Open the PDF directly: View PDF
.
Page Count: 19

15,000 W, 540 RPM
PTO GENERATOR
65309
SET UP, OPERATING, AND SERVICING
INSTRUCTIONS
Using an engine indoors CAN KILL YOU IN
MINUTES.
Engine exhaust contains carbon monoxide.
This is a poison you cannot see or smell.
NEVER use inside
a home or garage,
EVEN IF doors and
windows are open.
Only use OUTSIDE
and far away from
windows, doors, and
vents.
Visit our website at: http://www.harborfreight.com
Read this material before using this product.
Failure to do so can result in serious injury.
SAVE THIS MANUAL.
Copyright© 2008 by Harbor Freight Tools®. All rights reserved. No portion of this manual or any artwork
contained herein may be reproduced in any shape or form without the express written consent of
Harbor Freight Tools. Diagrams within this manual may not be drawn proportionally. Due to continuing
improvements, actual product may differ slightly from the product described herein. Tools required for
assembly and service may not be included.
For technical questions or replacement parts, please call 1-800-444-3353.
Revised Manual 09k

SKU 65309 For technical questions, please call 1-800-444-3353. Page 2
SAVE THIS MANUAL
Keep this manual for the safety warn-
ings and precautions, assembly, operat-
ing, inspection, maintenance and cleaning
procedures. Write the product’s serial
number in the back of the manual near the
assembly diagram (or month and year of
purchase if product has no number). Keep
this manual and the receipt in a safe and
dry place for future reference.
IMPORTANT SAFETY
INFORMATION
In this manual, on the labeling,
and all other information
provided with this product:
This is the safety alert
symbol. It is used to alert
you to potential personal
injury hazards. Obey all
safety messages that
follow this symbol to avoid
possible injury or death.
DANGER indicates
a hazardous
situation which, if not
avoided, will result in death or
serious injury.
WARNING
indicates a
hazardous situation which, if
not avoided, could result in
death or serious injury.
CAUTION, used
with the safety
alert symbol, indicates a
hazardous situation which, if
not avoided, could result in
minor or moderate injury.
NOTICE is used to
address practices
not related to personal injury.
CAUTION, without
the safety alert
symbol, is used to address
practices not related to
personal injury.
WARNING! Read all instructions.
Failure to follow all instructions
listed below may result in re,
serious injury and/or DEATH.
The warnings and precautions
discussed in this manual cannot
cover all possible conditions and
situations that may occur. It must
be understood by the operator that
common sense and caution are
factors which cannot be built into
this product, but must be supplied
by the operator.
SAVE THESE INSTRUCTIONS
SET UP PRECAUTIONS
Follow precautions and instructions 1.
provided by tractor manufacturer.
Gasoline fuel and fumes are amma-2.
ble, and potentially explosive. Use
proper fuel storage and handling pro-
cedures. Do not store fuel or other
ammable materials nearby. Use only
in a well-ventilated area.
Have multiple ABC class re extin-3.
guishers nearby.
Set up and use only on a at, level, 4.
surface that is capable of supporting
this Generator, the tractor and the
forces applied during use of this tool.
SKU 65309 For technical questions, please call 1-800-444-3353. Page 3
Wear ANSI-approved safety goggles, 5.
heavy-duty work gloves, and dust
mask/respirator during set up.
Use only lubricants and fuel recom-6.
mended in the engine manual pro-
vided by the tractor manufacturer.
Permanent wiring or wiring into an 7.
existing electrical service MUST be
done by a licensed electrician, and
MUST comply with all applicable
codes.
Don’t connect the generator directly •
to a building’s wiring. A portable
electric generator that is connected
directly to utility line can ‘back feed’
into the power lines. This lower volt-
age created by the generator can
be increased to thousands of volts
by line transformers. That unex-
pected voltage can injure or even
kill a utility lineman making outage
repairs many miles away. Hard
wiring can also cause expensive
damage to utility equipment and the
generator.
A hard wired generator must be •
installed by a licensed electrician
with a UL approved cut-off switch
that will automatically disconnect
the home from the power grid when
the generator is being used. Check
with the local utility company before
having a generator hard-wired to a
building.
Make sure the generator is properly 8.
grounded to avoid electrical shocks.
Connect a 6 ga. or larger insulated
copper wire to the Ground Con-
nection on the Control Panel. Con-
nect this wire to a suitable external
ground, such as a metal stake in the
ground.
Don’t overload the generator. The 9.
total wattage used by the devices
should be less than the output rating
of the generator. If you put too many
devices on the generator, it could
seriously damage them. Overload-
ing the generator can also cause
re. This generator is rated at 15,000
Watts. NOTE: At start-up, devices
draw more power in a surge than
they do during continuous operation.
When guring total wattage of all
devices connected to this generator,
use the higher start-up rating of each
device.
Do not exceed the current limit speci-10.
ed for any one receptacle. Refer to
the Specications chart for amperage
limits on each receptacle.

SKU 65309 For technical questions, please call 1-800-444-3353. Page 4
OPERATING PRECAUTIONS
1. CARBON MONOXIDE
HAZARD
Using an engine indoors
CAN KILL YOU IN
MINUTES.
Engine exhaust contains carbon
monoxide. This is a poison you
cannot see or smell.
NEVER use inside a home or garage,
EVEN IF doors and windows are
open.
Only use OUTSIDE and far away
from windows, doors, and vents.
The exposed PTO shaft is danger-2.
ous. Do not operate the generator
without the guards in place and in
good condition. Stay away from the
PTO shaft during operation.
Drive shaft Guards must be in place 3.
and not spinning. Drive shaft must be
secured at both ends.
Keep children away from the equip-4.
ment, especially while it is operating.
Do not leave the equipment unat-5.
tended when it is running. Turn off
the equipment (and remove safety
keys, if available) before leaving the
work area.
Wear ANSI-approved safety glasses, 6.
hearing protection, and NIOSH-ap-
proved dust mask/respirator under a
full face shield during use.
People with pacemakers should 7.
consult their physician(s) before
use. Electromagnetic elds in close
proximity to a heart pacemaker could
cause pacemaker interference or
pacemaker failure. Caution is neces-
sary when near the engine’s magneto
or recoil starter.
Use only accessories that are recom-8.
mended by Harbor Freight Tools for
your model. Accessories that may be
suitable for one piece of equipment
may become hazardous when used
on another piece of equipment.
Do not operate in explosive atmo-9.
spheres, such as in the presence of
ammable liquids, gases, or dust.
Electrical sparks may ignite the dust
or fumes.
Keep the generator, tractor, and 10.
surrounding area clean and clear of
debris at all times.
Stay alert, watch what you are doing 11.
and use common sense when operat-
ing this piece of equipment. Do not
use this piece of equipment while
tired or under the inuence of drugs,
alcohol or medication.
Dress properly. Do not wear loose 12.
clothing or jewelry. Keep hair, cloth-
ing and gloves away from moving
parts. Loose clothes, jewelry or long
hair can be caught in moving parts.
Do not overreach. Keep proper foot-13.
ing and balance at all times. This en-
ables better control of the equipment
in unexpected situations.

SKU 65309 For technical questions, please call 1-800-444-3353. Page 5
Do not cover the engine or generator 14.
during operation.
Do not handle any electrical device 15.
while standing in water, while bare-
foot, or while hands or feet are wet.
ELECTRICAL SHOCK WILL RE-
SULT.
Excessively high drive speeds are 16.
dangerous. This unit was designed
for the PTO shaft to turn at 540 RPM.
Do not operate the Generator at ex-
cessively high speeds.
Extension Cords
As the distance from the supply outlet 1.
increases, you must use a heavier
gauge extension cord. Using exten-
sion cords with inadequately sized
wire causes a serious drop in voltage,
resulting in loss of power and pos-
sible tool damage. (See Table A.)
The smaller the gauge number of the 2.
wire, the greater the capacity of the
cord. For example, a 14 gauge cord
can carry a higher current than a 16
gauge cord. (See Table A.)
When using more than one exten-3.
sion cord to make up the total length,
make sure each cord contains at
least the minimum wire size required.
(See Table A.)
If you are using one extension cord 4.
for more than one tool, add the
nameplate amperes and use the sum
to determine the required minimum
cord size. (See Table A.)
If you are using an extension cord 5.
outdoors, make sure it is marked with
the sufx “W-A” (“W” in Canada) to
indicate it is acceptable for outdoor
use.
Make sure the extension cord is prop-6.
erly wired and in good electrical con-
dition. Always replace a damaged
extension cord or have it repaired by
a qualied electrician before using it.
Protect the extension cords from 7.
sharp objects, excessive heat, and
damp or wet areas.
RECOMMENDED MINIMUM WIRE
GAUGE FOR EXTENSION CORDS*
(120/240 VOLT)
NAMEPLATE
AMPERES
(at full load)
EXTENSION CORD
LENGTH
25’
50’
75’
100’
150’
0 – 2.0 18 18 18 18 16
2.1 – 3.4 18 18 18 16 14
3.5 – 5.0 18 18 16 14 12
5.1 – 7.0 18 16 14 12 12
7.1 – 12.0 18 14 12 10 -
12.1 – 16.0 14 12 10 - -
16.1 – 20.0 12 10 - - -
TABLE A
* Based on limiting the line
voltage drop to ve volts at
150% of the rated amperes.

SKU 65309 For technical questions, please call 1-800-444-3353. Page 6
SERVICE PRECAUTIONS
Wear ANSI-approved safety goggles 1.
during set up and maintenance.
Turn tractor switch off and remove 2.
key after use.
Unconditioned electrical power can 3.
damage sensitive equipment. Use a
line conditioner (sold separately) be-
tween this generator and the devices.
Maintain labels and nameplates on 4.
the equipment. These carry impor-
tant information. If unreadable or
missing, contact Harbor Freight Tools
for a replacement.
Store equipment out of the reach of 5.
children.
SAVE THESE
INSTRUCTIONS.

SKU 65309 For technical questions, please call 1-800-444-3353. Page 7
CONTROL PANEL FEATURES
20 Amp Circuit Breakers.1. Each cir-
cuit breaker protects a 125 V~ outlet
against short or overload. These are
“push to reset” type.
30 Amp Circuit Breaker.2. Protects
the 30 Amp 125 V~ outlet against
short or overload. This is “push to
reset” type.
Duplex 125 V~ GFCI Receptacles. 3.
Use these for 125 V~, 60 Hz, single
phase loads up to 20 A (combined
per duplex outlet).
Single 125 V~ Receptacle.4. Use this
for 125 V~, 60 Hz, single phase de-
vices up to 30 A.
Single 125/250 V~ Receptacle and 5.
circuit breakers. Use a 4-blade
grounded connector to operate
125/250 V~, 60 Hz, single phase
loads requiring up to 50 Amps of
current up to 12,000 Watts (12kW) of
power. Use a connector rated to 250
Volts, 50 Amps with a same-rated
4-wire set. The 50 Amp circuit break-
ers protect each hot line of the circuit.
Single 12V DC receptacle.6. Used to
power 12VDC loads at 8.3 Amps.
Volt / Frequency / Time Digital Me-7.
ter. Used to monitor the AC voltage,
frequency and operating speed.
Grounding Terminal.8. Connect to #6
AWG copper wire or larger to connect
to an earth-driven copper or brass
grounding rod.
Amp Circuit Breaker.9. Protects the
8.3 Amp 12 DC outlet against short or
overload. This is “push to reset” type.
Voltage Switch.10. 240V on the left,
120V on the right.
REV 09d

SKU 65309 For technical questions, please call 1-800-444-3353. Page 8
BASIC SPECIFICATIONS
PTO Operating
Speed 540 RPM
PTO Power At Least 25 HP
Output Shaft 1-3/8” diameter shaft with
6-tooth spline
Rated
Continuous
Output
15,000 Watts
Rated Maximum
Output 16,000 Watts
Phase 1 (single) phase
Receptacles
12 VDC, 8 A, 2-prong outlet•
2 X 125 V~, 20 A, duplex •
GFCI outlets (5-20R)
125 V~, 30 A 3-blade twist •
lock outlet (L5-30R)
125/250 V~, 50 A 4-prong •
outlet (14-50R)
UNPACKING
When unpacking, check to make sure
that the item is intact and undamaged. If
any parts are missing or broken, please
call Harbor Freight Tools at the number
shown on the cover of this manual as soon
as possible.
Included components:
Generator unita.
PTO shaftb.
PTO guardc.
SET UP INSTRUCTIONS
Read the ENTIRE IMPORTANT
SAFETY INFORMATION
section at the beginning of this
manual including all text under
subheadings therein before set
up or use of this product.
TO PREVENT
SERIOUS INJURY
FROM ACCIDENTAL
STARTING:
Turn the Power Switch of the
equipment to its “OFF”
position, wait for the engine to
cool, and disable the engine
before assembling or making
any adjustments to the
equipment
TO PREVENT
SERIOUS INJURY
FROM ELECTRICAL SHOCK:
A licensed electrician must do
all installation work, including
earth-ground connection.
Keep this generator and all
electrical wires, cords and
components dry.
Note: For additional information regarding
the parts listed in the following pages,
refer to the Assembly Diagram near
the end of this manual.
1. Attach the PTO (power Take-Off)
Shield to the Generator using the
supplied bolts and washers. Ad-
just and tighten securely, as shown
above.

SKU 65309 For technical questions, please call 1-800-444-3353. Page 9
The PTO shaft must be attached to 2.
the tractor (not included) and the
Generator. The ends of the PTO shaft
slide into the Generator Gearbox, and
the tractor PTO drive.
3. WARNING! The PTO shaft must
t properly into the PTO drive. Do not
attempt to use this generator if the
PTO shaft does not t properly. Se-
vere injury or property damage may
result if the Drive shaft comes loose
during operation.
4. When installing the PTO shaft, en-
sure that it is aligned as (seen from
above) with both the Generator and
the tractor. Also keep the vertical
difference of the Generator and
tractor as small as possible to mini-
mize the angle of the Drive shaft
U-joints.
Note: Aligning the shafts minimizes tor-
sional forces which tend to topple the
Generator. Minimizing vertical angles
reduces friction, heat and wear on the
U-joints of the PTO shaft.
Attach the generator to the tractor us-5.
ing all 3 connection points and appro-
priate hardware (not included). The
connection method must prevent the
generator from twisting during opera-
tion.
The Generator must be on a solid, 6.
level surface that is capable of sup-
porting its weight and the forces ap-
plied during use.
Check the Gearbox oil level (see 7.
maintenance section of this manual).
Before operating the Generator, it 8.
must be grounded. Grounding Ter-
minals are provided on the Control
Panel and on the Rear Vent panel of
the Generator. Use #6 AWG copper
wire or larger to connect to an earth-
driven copper or brass grounding rod.
Do not operate the Generator without
grounding.

SKU 65309 For technical questions, please call 1-800-444-3353. Page 10
OPERATING INSTRUCTIONS
Read the ENTIRE IMPORTANT
SAFETY INFORMATION
section at the beginning of this
manual including all text under
subheadings therein before set
up or use of this product.
Inspect Generator and
equipment looking for
damaged, loose, and missing
parts before set up and starting.
If any problems are found, do
not use equipment until xed
properly.
Start Procedure
Before starting the engine:
Follow the Set Up Instruc-a.
tions to prepare the equip-
ment. Follow all instructions
in the separate tractor man-
ual.
Inspect the generator and b.
tractor.
Fill the tractor engine with c.
the proper amount and type
of fuel and oil.
Set the tractor on a at surface. Set 1.
the brake on the tractor. Ensure that
it is not in gear, and cannot move dur-
ing operation.
Unplug all loads from the Generator 2.
before starting to prevent permanent
damage to connected devices.
Start and operate the tractor accord-3.
ing to the provided engine manual.
Engage the tractor PTO drive.4.
Set the tractor’s PTO speed to 540 5.
RPM.
Test each GFCI outlet by pressing the 6.
TEST button. The green light on that
outlet should go out. Then press the
RESET button. The green light on
that outlet should come back on. If
either GFCI outlet does not function
as described have a qualied electri-
cian repair the generator before use.
With the devices turned OFF, plug the 7.
devices into the appropriate outlets.
CAUTION! Do not plug in or unplug
electrical loads while the loads are
turned on.
Turn on the devices one at a time 8.
from the largest to the smallest.
Check the frequency meter reading
on the Control Panel. If the reading
has dropped below 60 Hz, do not
connect any additional loads.
Be sure that all devices are in good 9.
working order before connecting
them to the generator. If a device
begins to operate abnormally, be-
comes sluggish, or stops suddenly,
turn off the device. Then disconnect
the device and examine it for signs of
malfunction.
Note: If an overloaded circuit causes the
AC circuit breaker to switch off, re-
duce the electrical load on the circuit
and wait a few minutes before reset-
ting the circuit breaker.
The DC terminal may be used operat-10.
ing 12 VDC portable devices only.
WARNING: Do not use this generator
to charge 12 VDC batteries without a
charge controller. Directly charging a
12 Volt battery may cause the battery
to overheat and possibly explode.

SKU 65309 For technical questions, please call 1-800-444-3353. Page 11
CAUTION: Do not attempt to start an auto-
mobile engine with this generator.
Voltage feedback from the running
automobile may damage the genera-
tor.
Note: The DC terminal may be used while
the AC power is in use. An overload-
ed DC circuit will trip the DC circuit
protector (push button comes out).
If this happens, wait a few minutes
before pushing in the circuit protector
to resume operation.
Watch the Volt Meter to determine 11.
the current load on the generator.
If the Volt Meter reading falls below
110 V~ (or the voltage requirement
of attached devices), remove some
devices from the system to reduce
demand on the generator.
WARNING! TO PREVENT SERIOUS
INJURY FROM ELECTRIC SHOCK:
Use the GFCI unit properly.
If the power supply to either duplex
outlet is interrupted, there may be a
short in the attached device’s wiring
that is tripping the GFCI unit. Check
all wiring connections carefully for
moisture and damaged insulation
before pressing the reset button.
If the GFCI unit trips again
immediately or after a short while,
discontinue use immediately and
have the generator and the device
attached to that outlet serviced by
a qualied electrician.
Stopping the Generator
Turn OFF all attached devices.1.
Unplug the cords from the Generator.2.
Turn OFF the tractor engine.3.

SKU 65309 For technical questions, please call 1-800-444-3353. Page 12
SERVICING
TO PREVENT
SERIOUS INJURY
FROM ACCIDENTAL
STARTING:
Turn the Power Switch of the
equipment to its “OFF”
position, wait for the engine to
cool, and disable the engine
before assembling or making
any adjustments to the
equipment
TO PREVENT
SERIOUS INJURY
FROM EQUIPMENT FAILURE:
Do not use damaged
equipment. If abnormal noise,
vibration, or excess heating
occurs, have the problem
corrected before further use.
Maintenance Procedures
Many maintenance procedures,
including those not detailed
in this manual, will need to
be performed by a qualied
technician for safety. If you
have any doubts about your
ability to safely service the
equipment, have a qualied
technician service the
equipment instead.
Note: These procedures are in addition to
the regular checks and maintenance
explained as part of the regular op-
eration of the engine and equipment.
Perform regular visual inspection of 1.
the Generator and PTO shaft. Look
for loose or broken wires or defective
connections. Check for missing, cor-
roded or loose fasteners. Be sure all
shields and guards are in good condi-
tion. Inspect for general condition and
cleanliness.
Keep the generator clean and free of 2.
dirt, grease or debris. Clean it regu-
larly and whenever it becomes dirty.
Use a soft brush, damp soft cloth or
low pressure air to remove dirt and
debris.
CAUTION: Do not use high pressure
water spray to clean the generator.
Injected water can damage the gen-
erator.
Protect the generator from high hu-3.
midity and salt air environments.
Periodically clean the interior of the 4.
Generator Control Panel. Use com-
pressed air, a dry brush or electrical
contact cleaner to remove carbon
build up and metal corrosion.
When cleaning, check for loose wires 5.
or damage. Be sure printed circuit
boards are rmly plugged into their
sockets.
Gearbox Oil Check
Check the oil level before each use 1.
and after each 10 hours of use. To
check oil level, be sure generator is
as level as possible.

SKU 65309 For technical questions, please call 1-800-444-3353. Page 13
Gearbox
Oil Drain
Plug (21)
Oil Level
Plug (30)
Gearbox
Oil Fill
Plug (31)
2. The oil should be visible at least half-
way up the Oil Level Plug (30).
If necessary, remove the Gearbox Oil 3.
Fill Plug (31) and add SAE 90 oil to
ll to the recommended level. Re-
place the Oil Fill Plug.
Changing Gearbox Oil
After the rst 25 hours of operation, 1.
you must change the Gearbox oil.
You must also change the oil after
every 250 hours of operation, or each
6 months, whichever comes rst.
To change the oil, operate the gen-2.
erator for approximately 30 minutes
to warm the oil in the Gearbox (22).
Then shut down the tractor and gen-
erator.
Immediately after shutting down, 3.
while the oil is still warm, remove the
Oil Drain Plug (21) along with the Oil
Fill Plug (31) to help the oil to drain.
Catch the draining oil in a suitable 4.
container. Dispose of the used oil
properly.
After all the used oil has drained, 5.
replace and tighten the Oil Drain Plug
(21).
Slowly add SAE 90W Oil until the 6.
oil is visible at least halfway up the
Gearbox Oil Sight (30).
Replace the Oil Fill Plug (31) and 7.
tighten securely.
Recheck all plugs for tightness. Re-8.
start the Generator and check for
leaks.
Lubricating the PTO shaft
The PTO shaft must be lubricated 1.
frequently.
2. Use a low pressure grease gun to
inject lithium grease into the grease
ttings. The grease ttings are lo-
cated at both ends of the PTO shaft
Universal Joint Bearings (13).
Also apply Lithium grease to the 3.
Splines and telescoping parts of the
Shaft.
REV 09j

SKU 65309 For technical questions, please call 1-800-444-3353. Page 14
Storage
Wait for generator to cool, then re-1.
move from the tractor.
Clean equipment with clean dry cloth. 2.
Check and top off Gearbox oil level.3.
Lubricate PTO shaft as explained 4.
previously.
Apply a thin coat of rust preventive oil 5.
to all uncoated metal parts.
Cover and store in a dry, well-ventilat-6.
ed area out of reach of children.
For cold weather operation, store the 7.
equipment in a cool dry area to prevent
condensation and premature wear.

SKU 65309 For technical questions, please call 1-800-444-3353. Page 15
Equipment Troubleshooting
Problem Possible Causes Probable Solutions
No output or low
output
Open or shorted rotor.1.
Open or shorted stator.2.
Generator operating below correct 3.
speed.
Generator overloaded.4.
Short circuit in load. 5.
Replace rotor.1.
Replace stator.2.
Operate generator at correct 3.
speed.
Reduce load to rated output.4.
Disconnect load. Check voltage at 5.
all receptacles. Repair short.
Output voltage is too
high.
Incorrect Adjustable Voltage 1.
Regulator (AVR) setting.
Engine speed is too high.2.
Readjust Adjustable Voltage 1.
Regulator (AVR) setting.
Reduce engine speed.2.
Generator is
overheating.
Generator is overloaded.1.
Rotor is rubbing stator. 2.
Poor ventilation. 3.
Short circuit in stator. 4.
Shorted turns in rotor.5.
Reduce load.1.
Check bearings (23 and 27). Repair 2.
or replace as needed.
Ensure generator air vents are 3.
clear.
Check stator, repair or replace as 4.
needed.
Repair or replace rotor.5.
Sparking at brushes. Generator is overloaded.1.
Brushes not seated properly.2.
Brushes sticking in holder. 3.
Brushes worn to less than 3/8”.4.
Reduce load.1.
Contour and re-seat brushes.2.
Remove brushes, clean holder and 3.
reinstall brushes.
Replace brushes. NOTE: Replace 4.
brushes in pairs.
Follow all safety precautions whenever diagnosing or servicing the
equipment or generator.
PLEASE READ THE FOLLOWING CAREFULLY
THE MANUFACTURER AND/OR DISTRIBUTOR HAS PROVIDED THE PARTS LIST AND ASSEMBLY
DIAGRAM IN THIS MANUAL AS A REFERENCE TOOL ONLY. NEITHER THE MANUFACTURER OR
DISTRIBUTOR MAKES ANY REPRESENTATION OR WARRANTY OF ANY KIND TO THE BUYER THAT
HE OR SHE IS QUALIFIED TO MAKE ANY REPAIRS TO THE PRODUCT, OR THAT HE OR SHE IS
QUALIFIED TO REPLACE ANY PARTS OF THE PRODUCT. IN FACT, THE MANUFACTURER AND/
OR DISTRIBUTOR EXPRESSLY STATES THAT ALL REPAIRS AND PARTS REPLACEMENTS SHOULD
BE UNDERTAKEN BY CERTIFIED AND LICENSED TECHNICIANS, AND NOT BY THE BUYER. THE
BUYER ASSUMES ALL RISK AND LIABILITY ARISING OUT OF HIS OR HER REPAIRS TO THE
ORIGINAL PRODUCT OR REPLACEMENT PARTS THERETO, OR ARISING OUT OF HIS OR HER
INSTALLATION OF REPLACEMENT PARTS THERETO.

SKU 65309 For technical questions, please call 1-800-444-3353. Page 16
PARTS LIST
Part Description Q’ty
1 Frame 1
2 Connecting Plate 2
3 Nut m12 4
4 Washer m12 4
5 Bolt m12 x 75 4
6 Pin m22 2
7 Washer m22 2
8 Locknut m22 2
9 Drive Shaft 1
10 Shield Plate 1
11 Shield Plate Cover 1
12 U-Joint 2
13 Universal Joint Bearing 2
14 Gimbal Arm 1
15 Gimbal Pipe 1
16 Washer m72 1
17 Seal m30 x 72 x 10 1
18 Sealed Bearing 6207-2Z 1
19 Center Drive Gear 1
20 Sealed Bearing 6206-2Z 1
21 Gearbox Oil Drain Plug m16 x 1.5 1
22 Gearbox Body 1
23 Sealed Bearing 6305-2Z 1
24 Seal m35 x 72 x 8 1
25 Washer m72 1
26 Output Shaft 1
27 Sealed Bearing 6306-2Z 1
28 Gasket 1
29 Gearbox Cover Plate 1
30 Oil Level Plug 1
31 Gearbox Oil Fill Plug 1
PARTS LIST
Part Description Q’ty
32 Control Panel Frame 1
33 Control Panel Window 1
34 Control Panel Gasket 1
35 GFCI Receptacle 2
36 Meter 1
37 Locking 125V Socket 1
38 250 V Socket 1
39 Circuit Breaker 50A 2
40 Circuit Breaker 30A 1
41 T Receptacle 1
42 Circuit Breaker 20A 2
43 Gate Pin 1
44 Hinge 1
45 Control Box Cover 1
46 Adjustable Voltage Regulator
(AVR)
1
47 Bolt m8 x 12 5
48 Control Box Body 1
49 Bolt m10 x 60 4
50 Rubber Shock Absorber 4
51 Control Box Bracket 2
52 Wire 1
53 Washer m12 4
54 Bolt m12 x 180 4
55 15 KW Alternator 1
56 m60 x 40 x 25 Shock Absorber 4
57 Bolt m12 x 60 4
58 Alternator Rear Cover 1
59 Stator & Rotor 1
60 Alternator Front Cover 1
REV 09d; 09j

SKU 65309 For technical questions, please call 1-800-444-3353. Page 17
ASSEMBLY DIAGRAM

SKU 65309 For technical questions, please call 1-800-444-3353. Page 18
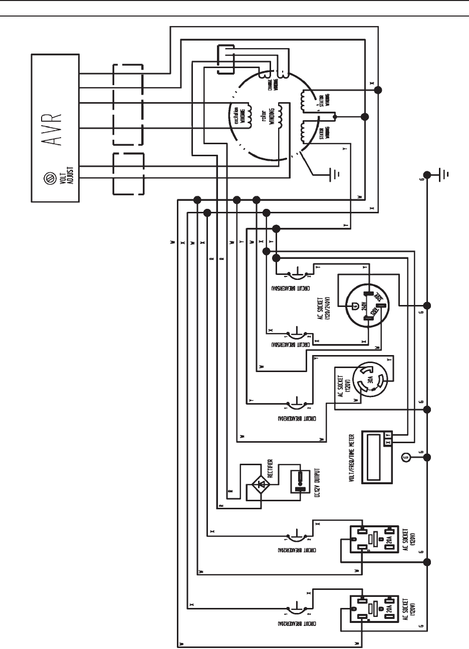
WIRING DIAGRAM

SKU 65309 For technical questions, please call 1-800-444-3353. Page 19
LIMITED 1 YEAR / 90 DAY WARRANTY
Harbor Freight Tools Co. makes every effort to assure that its products meet high
quality and durability standards, and warrants to the original purchaser that for a period
of ninety days from date of purchase that the engine/motor, the belts (if so equipped),
and the blades (if so equipped) are free of defects in materials and workmanship. Har-
bor Freight Tools also warrants to the original purchaser, for a period of one year from
date of purchase, that all other parts and components of the product are free from
defects in materials and workmanship (90 days if used by a professional contractor or
if used as rental equipment). This warranty does not apply to damage due directly or
indirectly, to misuse, abuse, negligence or accidents, repairs or alterations outside our
facilities, normal wear and tear, or to lack of maintenance. We shall in no event be liable
for death, injuries to persons or property, or for incidental, contingent, special or con-
sequential damages arising from the use of our product. Some states do not allow the
exclusion or limitation of incidental or consequential damages, so the above limitation
of exclusion may not apply to you. THIS WARRANTY IS EXPRESSLY IN LIEU OF ALL
OTHER WARRANTIES, EXPRESS OR IMPLIED, INCLUDING THE WARRANTIES OF
MERCHANTABILITY AND FITNESS.
To take advantage of this warranty, the product or part must be returned to us with
transportation charges prepaid. Proof of purchase date and an explanation of the com-
plaint must accompany the merchandise. If our inspection veries the defect, we will ei-
ther repair or replace the product at our election or we may elect to refund the purchase
price if we cannot readily and quickly provide you with a replacement. We will return re-
paired products at our expense, but if we determine there is no defect, or that the defect
resulted from causes not within the scope of our warranty, then you must bear the cost
of returning the product.
This warranty gives you specic legal rights and you may also have other rights
which vary from state to state.
3491 Mission Oaks Blvd. • PO Box 6009 • Camarillo, CA 93011 • (800) 444-3353
Record Product’s Serial Number Here:
Note: If product has no serial number, record month and year of purchase instead.
Note: Some parts are listed and shown for illustration purposes only, and are not avail-
able individually as replacement parts.