Harbor Freight 3 Hp 79Cc Ohv Horizontal Shaft Gas Engine Epa Product Manual
2015-05-27
: Harbor-Freight Harbor-Freight-3-Hp-79Cc-Ohv-Horizontal-Shaft-Gas-Engine-Epa-Product-Manual-723846 harbor-freight-3-hp-79cc-ohv-horizontal-shaft-gas-engine-epa-product-manual-723846 harbor-freight pdf
Open the PDF directly: View PDF
.
Page Count: 20

Visit our website at: http://www.harborfreight.com
Email our technical support at: predator@harborfreight.com
Using an engine indoors
CAN KILL YOU IN MINUTES.
Engine exhaust contains carbon monoxide.
This is a poison you cannot see or smell.
NEVER use inside
a home or garage,
EVEN IF doors and
windows are open.
Only use OUTSIDE
and far away from
windows, doors,
and vents.
Owner’s Manual & Safety Instructions
Save This Manual Keep this manual for the safety warnings and precautions, assembly,
operating, inspection, maintenance and cleaning procedures. Write the product’s serial number in the
back of the manual near the assembly diagram (or month and year of purchase if product has no number).
Keep this manual and the receipt in a safe and dry place for future reference.
When unpacking, make sure that the product is intact
and undamaged. If any parts are missing or broken,
please call 1-888-866-5797 as soon as possible.
Copyright© 2012 by Harbor Freight Tools®. All rights reserved.
No portion of this manual or any artwork contained herein may be reproduced in
any shape or form without the express written consent of Harbor Freight Tools.
Diagrams within this manual may not be drawn proportionally. Due to continuing
improvements, actual product may differ slightly from the product described herein.
Tools required for assembly and service may not be included.
Read this material before using this product.
Failure to do so can result in serious injury.
SAVE THIS MANUAL.
REV 15a

Page 2 For technical questions, please call 1-888-866-5797. ITEM 69733
Table of Contents
Specifications ............................................. 2
Safety ......................................................... 3
Setup .......................................................... 6
Operation .................................................... 8
Maintenance .............................................. 11
Troubleshooting ......................................... 14
Warranties ................................................. 16
Parts Lists and Diagrams .......................... 18
Specifications
Displacement 79cc
Dimensions 310L x 290W x 300H mm
12.2L x 11.4W x 11.8H IN.
Dry Weight 22 LBS. / 10 KG
Maximum Torque 3.5 FT-LBS @ 2500 RPM
Maximum RPM 3600 RPM
Compression Ratio 8.5:1
Bore x Stroke 52 mm x 37 mm
2.0 IN. x 1.5 IN.
Fuel Type 87+ octane stabilizer treated
unleaded gasoline
Engine Oil Capacity 0.37 Quart / 0.35 L
Fuel Tank Capacity 0.53 Gallon / 2.0 L
Bearing Type Ball
Mounting Base Pattern 102.0L x 104.0W-61.5W mm
4.0L x 4.9W-2.4W IN.
PTO Shaft Diameter 5/8 IN.
PTO Shaft Length 2.4 IN. / 60.1 mm
PTO Shaft Height 3.6 IN. (with base 4.0 IN.)
91 mm (with base 102. 5 mm)
PTO Shaft Keyway 3/16 IN. / 4.76 mm
Shaft End Tapped
(Diameter / Thread per inch) 5/16 IN. - 24
Shaft Rotation (From PTO) Counter Clockwise
Spark Plug E5TC (Torch™)

Page 3For technical questions, please call 1-888-866-5797.ITEM 69733
SAFETYOPERATIONMAINTENANCE SETUP
WARNING SYMBOLS AND DEFINITIONS
This is the safety alert symbol. It is used to alert you to potential
personal injury hazards. Obey all safety messages that
follow this symbol to avoid possible injury or death.
Indicates a hazardous situation which, if not avoided,
will result in death or serious injury.
Indicates a hazardous situation which, if not avoided,
could result in death or serious injury.
Indicates a hazardous situation which, if not avoided,
could result in minor or moderate injury.
Addresses practices not related to personal injury.
Symbol Definitions
Symbol Property or Statement
RPM Revolutions Per Minute
HP Horsepower
WARNING marking concerning
Risk of Eye Injury. Wear ANSI-approved
safety goggles with side shields.
Read the manual before
set-up and/or use.
WARNING marking concerning
Risk of Hearing Loss.
Wear hearing protection.
Symbol Property or Statement
WARNING marking concerning
Risk of Respiratory Injury.
Operate engine OUTSIDE and far away
from windows, doors, and vents.
WARNING marking concerning
Risk of Fire while handling fuel.
Do not smoke while handling fuel.
WARNING marking concerning
Risk of Fire.
Do not refuel while operating.
Keep flammable objects
away from engine.
Safety Warnings
WARNING! Read all instructions.
Failure to follow all instructions listed below may result in fire, serious injury and/or DEATH.
The warnings and precautions discussed in this manual cannot cover all possible conditions and
situations that may occur. It must be understood by the operator that common sense and caution
are factors which cannot be built into this product, but must be supplied by the operator.
SAVE THESE INSTRUCTIONS

Page 4 For technical questions, please call 1-888-866-5797. ITEM 69733
SAFETY OPERATION MAINTENANCESETUP
Set up Precautions
1. Gasoline fuel and fumes are flammable, and
potentially explosive. Use proper fuel storage
and handling procedures. Do not store fuel
or other flammable materials nearby.
2. Have multiple ABC class fire extinguishers nearby.
3. Operation of this equipment may create sparks
that can start fires around dry vegetation. A spark
arrestor may be required. The operator should
contact local fire agencies for laws or regulations
relating to fire prevention requirements.
4. Set up and use only on a flat, level,
well-ventilated surface.
5. Wear ANSI-approved safety goggles, heavy-duty
work gloves, and dust mask/respirator during set up.
6. Use only lubricants and fuel recommended
in the Specifications chart of this manual.
Operating Precautions
1. CARBON MONOXIDE HAZARD
Using an engine indoors CAN KILL
YOU IN MINUTES.
Engine exhaust contains carbon
monoxide. This is a poison you cannot
see or smell.
NEVER use inside a home or garage,
EVEN IF doors and windows are open.
Only use OUTSIDE and far away from windows,
doors, and vents.
2. Keep children away from the equipment,
especially while it is operating.
3. Keep all spectators at least six feet
from the Engine during operation.
4. Fire Hazard! Do not fill gas tank while engine is
running. Do not operate if gasoline has been spilled.
Clean spilled gasoline before starting engine.
Do not operate near pilot light or open flame.
5. Do not touch engine during use.
Let engine cool down after use.
6. Never store fuel or other flammable
materials near the engine.
7. Only use a suitable means of transport and
lifting devices with sufficient weight bearing
capacity when transporting the Engine.
8. Secure the Engine on transport vehicles to
prevent the tool from rolling, slipping, and tilting.
9. Industrial applications must follow
OSHA requirements.
10. Do not leave the equipment unattended when it is
running. Turn off the equipment (and remove safety
keys, if available) before leaving the work area.
11. Engine can produce high noise levels.
Prolonged exposure to noise levels
above 85 dBA is hazardous to hearing.
Always wear ear protection when operating or
working around the gas engine while it is operating.
12. Wear ANSI-approved safety glasses, hearing
protection, and NIOSH-approved dust mask/
respirator under a full face shield along
with steel-toed work boots during use.
13. People with pacemakers should consult their
physician(s) before use. Electromagnetic fields in
close proximity to a heart pacemaker could cause
pacemaker interference or pacemaker failure.
Caution is necessary when near the
engine’s magneto or recoil starter.
14. Use only accessories that are recommended
by Harbor Freight Tools for your model.
Accessories that may be suitable for one
piece of equipment may become hazardous
when used on another piece of equipment.
15. Do not operate in explosive atmospheres,
such as in the presence of flammable
liquids, gases, or dust. Gasoline-powered
engines may ignite the dust or fumes.
16. Stay alert, watch what you are doing and
use common sense when operating this
piece of equipment. Do not use this piece
of equipment while tired or under the
influence of drugs, alcohol or medication.
17. Do not overreach. Keep proper footing and
balance at all times. This enables better control
of the equipment in unexpected situations.
18. Use this equipment with both hands
only. Using equipment with only one hand
can easily result in loss of control.
19. Dress properly. Do not wear loose clothing or
jewelry. Keep hair, clothing and gloves away
from moving parts. Loose clothes, jewelry or
long hair can be caught in moving parts.

Page 5For technical questions, please call 1-888-866-5797.ITEM 69733
SAFETYOPERATIONMAINTENANCE SETUP
20. Parts, especially exhaust system components,
get very hot during use. Stay clear of hot parts.
21. Do not cover the engine or
equipment during operation.
22. Keep the equipment, engine, and
surrounding area clean at all times.
23. Use the equipment, accessories, etc., in
accordance with these instructions and in the
manner intended for the particular type of
equipment, taking into account the working
conditions and the work to be performed. Use of
the equipment for operations different from those
intended could result in a hazardous situation.
24. Do not operate the equipment with known
leaks in the engine’s fuel system.
25. WARNING: This product contains or, when
used, produces a chemical known to the State
of California to cause cancer and birth defects
or other reproductive harm. (California Health
& Safety Code § 25249.5, et seq.)
26. When spills of fuel or oil occur, they must be
cleaned up immediately. Dispose of fluids and
cleaning materials as per any local, state, or
federal codes and regulations. Store oil rags in
a bottom-ventilated, covered, metal container.
27. Keep hands and feet away from moving parts. Do
not reach over or across equipment while operating.
28. Before use, check for misalignment or binding of
moving parts, breakage of parts, and any other
condition that may affect the equipment’s operation.
If damaged, have the equipment serviced
before using. Many accidents are caused
by poorly maintained equipment.
29. Use the correct equipment for the application.
Do not modify the equipment and do not use the
equipment for a purpose for which it is not intended.
Service Precautions
1. Before service, maintenance, or cleaning:
a. Turn the engine switch to its “OFF” position.
b. Allow the engine to completely cool.
c. Then, remove the spark plug
cap from the spark plug.
2. Keep all safety guards in place and in
proper working order. Safety guards include
muffler, air cleaner, mechanical guards,
and heat shields, among other guards.
3. Do not alter or adjust any part of the
equipment or its engine that is sealed by the
manufacturer or distributor. Only a qualified
service technician may adjust parts that may
increase or decrease governed engine speed.
4. Wear ANSI-approved safety goggles,
heavy-duty work gloves, and dust
mask/respirator during service.
5. Maintain labels and nameplates on the equipment.
These carry important information.
If unreadable or missing, contact
Harbor Freight Tools for a replacement.
6. Have the equipment serviced by a qualified repair
person using only identical replacement parts.
This will ensure that the safety of the equipment
is maintained. Do not attempt any service or
maintenance procedures not explained in this
manual or any procedures that you are uncertain
about your ability to perform safely or correctly.
7. Store equipment out of the reach of children.
8. Follow scheduled engine and
equipment maintenance.
Refueling:
1. Do not smoke, or allow sparks, flames,
or other sources of ignition around the
equipment, especially when refuelling.
2. Do not refill the fuel tank while the
engine is running or hot.
3. Do not fill fuel tank to the top. Leave a little
room for the fuel to expand as needed.
4. Refuel in a well-ventilated area only.
5. Wipe up any spilled fuel and allow excess
to evaporate before starting engine.
To prevent FIRE, do not start the engine
while the smell of fuel hangs in the air.
SAVE THESE INSTRUCTIONS.
Operating Precautions (cont.)

Page 6 For technical questions, please call 1-888-866-5797. ITEM 69733
SAFETY OPERATION MAINTENANCESETUP
Set Up
Read the ENTIRE IMPORTANT SAFETY INFORMATION section at the beginning of this manual
including all text under subheadings therein before set up or use of this product.
TO PREVENT SERIOUS INJURY:
Operate only with proper spark arrestor installed.
Operation of this equipment may create sparks that can start fires around dry vegetation.
A spark arrestor may be required.
The operator should contact local fire agencies for laws or
regulations relating to fire prevention requirements.
At high altitudes, the engine’s carburetor, governor (if so equipped), and any other parts that control
the fuel-air ratio will need to be adjusted by a qualified mechanic to allow efficient high-altitude
use and to prevent damage to the engine and any other devices used with this product.
The emission control system for this Engine is warranted for standards set by the U.S. Environmental
Protection Agency. For warranty information, refer to the last pages of this manual.
WARNING! DO NOT INSTALL THIS ENGINE ON A VEHICLE.
NOT FOR HIGHWAY USE. FOLLOW ALL APPLICABLE LAWS FOR INSTALLATION AND USE.
Mounting
1. The engine needs to be mounted using all four mounting holes on its base.
These mounting holes are not in an exact rectangle - see diagram on back cover of this manual.
2. This engine includes a Mounting Plate and 4 Mounting Plate Bolts to assist in mounting the engine.
Note: The Mounting Plate only
attaches to the engine one way.
3. A mounting plate can also
be fabricated, but it needs to
attach to all four mounting holes
and must be strong enough to
withstand the forces created during
operation after repeated use.
4. After attaching the Mounting Plate
to the engine, use the mounting
plate to mount the engine away
from the equipment operator and
where it will not cause damage
by its moving or hot parts.
Mounting
Plate
Mounting
Plate Bolt

Page 7For technical questions, please call 1-888-866-5797.ITEM 69733
SAFETYOPERATIONMAINTENANCE SETUP
Engine Controls
Starter
Handle
Oil Drain Plug
Serial Number
Location
Air Filter
Muffler
Choke
Fuel Cap
Throttle
Dipstick
Engine
Switch

Page 8 For technical questions, please call 1-888-866-5797. ITEM 69733
SAFETY OPERATION MAINTENANCESETUP
Operation
Read the ENTIRE IMPORTANT SAFETY INFORMATION section at the beginning of this manual
including all text under subheadings therein before set up or use of this product.
Pre-Start Checks
Inspect engine and equipment looking for damaged, loose, and missing parts before set up
and starting. If any problems are found, do not use equipment until fixed properly.
Checking and Filling Engine Oil
NOTICE: Your Warranty is VOID if the engine’s
crankcase is not properly filled with oil before
each use. Before each use, check the oil level.
Do not run the engine with low or no engine oil.
Running the engine with no or low engine oil
WILL permanently damage the engine.
1. Make sure the engine is stopped and is level.
2. Close the Fuel Valve.
3. Clean the top of the Dipstick and the
area around it. Remove the Dipstick
by threading it counterclockwise, and
wipe it off with a clean lint free rag.
4.
Full level
Full level
Reinsert the Dipstick without threading it in and
remove it to check the oil level. The oil level
should be up to the full level as shown above.
5. If the oil level is at or below the low mark add the
appropriate type of oil until the oil level is at the
proper level. SAE 10W-30 oil is recommended
for general use. (The SAE Viscosity Grade chart
on page 12 in the Service section shows other
viscosities to use in different average temperatures.)
6. Thread the dipstick back in clockwise.
NOTICE: Do not run the engine with too little oil.
The engine will be permanently damaged.
Checking and Filling Fuel
WARNING! TO PREVENT SERIOUS
INJURY FROM FIRE:
Fill the fuel tank in a well-ventilated area
away from ignition sources. If the engine is
hot from use, shut the engine off and wait
for it to cool before adding fuel.
Do not smoke.
1. Clean the Fuel Cap and the area around it.
2. Unscrew and remove the Fuel Cap.
3. If needed, fill the Fuel Tank to about 1 inch
under the fill neck with 87 octane or higher
unleaded gasoline that has been treated with
a fuel stabilizer additive. Follow fuel stabilizer
manufacturer’s recommendations for use.
Note: Do not use gasoline containing more than
10% ethanol (E10). Do not use E85 ethanol.
Note: Do not use gasoline that has been stored in a
metal fuel container or a dirty fuel container. It can
cause particles to enter the carburetor, affecting
engine performance and/or causing damage.
4. Then replace the Fuel Cap.
5. Wipe up any spilled fuel and allow excess
to evaporate before starting engine.
To prevent FIRE, do not start the engine
while the smell of fuel hangs in the air.
Starting the Engine
Before Starting the Engine
Before starting the engine:
a. Follow the Set Up Instructions in the equipment manual to prepare the equipment.
b. Inspect the equipment and engine.
c. Fill the engine with the proper amount and type of both fuel and oil.
d. Read the Equipment Operation section in the equipment manual.

Page 9For technical questions, please call 1-888-866-5797.ITEM 69733
SAFETYOPERATIONMAINTENANCE SETUP
Manual Start
1. To start a cold engine, move the Choke to the
START position.
To restart a warm engine, leave the Choke in the
RUN position.
2. Slide the Throttle or Speed Control Lever to 1/3
away from the SLOW position (the “turtle”).
Note: Some tools have a Speed Control Lever located
elsewhere on the tool which functions the same as the
Throttle. Use the Speed Control Lever in place of the
Throttle when the tool is so equipped.
3. Turn the Engine Switch on.
4. Grip the Starter Handle of the Engine loosely and pull
it slowly several times to allow the gasoline to flow into
the Engine’s carburetor. Then pull the Starter Handle
gently until resistance is felt. Allow Cable to retract fully
and then pull it quickly. Repeat until the engine starts.
Note: Do not let the Starter Handle snap back against the engine.
Hold it as it recoils so it doesn't hit the engine.
5. Allow the Engine to run for several seconds.
Then, if the Choke lever is in the START position,
move the Choke Lever very slowly to its RUN position.
Note: Moving the Choke Lever too
fast could stall the engine.
1
5
4
2
ON
3

Page 10 For technical questions, please call 1-888-866-5797. ITEM 69733
SAFETY OPERATION MAINTENANCESETUP
IMPORTANT: Allow the engine to run at no load for five minutes with no
load after each start-up so that the engine can stabilize.
6. Adjust the Throttle as needed.
7. Break-in Period:
a. Breaking-in the engine will help to ensure proper equipment and engine operation.
b. The operational break-in period will last about 3 hours of use. During this period:
• Do not apply a heavy load to the equipment.
• Do not operate the engine at its maximum speed.
c. The maintenance break-in period will last about 20 hours of use. After this period:
• Change the engine oil.
Under normal operating conditions subsequent maintenance follows the schedule
explained in the MAINTENANCE AND SERVICING section.
Stopping the Engine
1. To stop the engine in an emergency,
turn the Engine Switch off.
2. Under normal conditions, use the following procedure:
a. Slide the Throttle or Speed Control
Lever to SLOW (the “turtle”).
b. Turn the Engine Switch off.
OFF
OFF

Page 11For technical questions, please call 1-888-866-5797.ITEM 69733
SAFETYOPERATIONMAINTENANCE SETUP
Maintenance
WARNING
TO PREVENT SERIOUS INJURY FROM ACCIDENTAL STARTING:
Turn the Power Switch of the equipment to its “OFF” position, wait for the engine to cool, and disconnect
the spark plug cap before performing any inspection, maintenance, or cleaning procedures.
TO PREVENT SERIOUS INJURY FROM EQUIPMENT FAILURE:
Do not use damaged equipment. If abnormal noise, vibration, or excess
smoking occurs, have the problem corrected before further use.
Follow all service instructions in this manual. The engine may fail critically if not serviced properly.
Many maintenance procedures, including any not detailed in this manual, will need to be
performed by a qualified technician for safety. If you have any doubts about your ability to safely
service the equipment or engine, have a qualified technician service the equipment instead.
Cleaning, Maintenance, and Lubrication Schedule
Note: This maintenance schedule is intended solely as a general guide. If performance decreases or if
equipment operates unusually, check systems immediately. The maintenance needs of each piece of equipment
will differ depending on factors such as duty cycle, temperature, air quality, fuel quality, and other factors.
Note: The following procedures are in addition to the regular checks and maintenance
explained as part of the regular operation of the engine and equipment.
Procedure Before
Each Use
Monthly or
every 20
hr. of use
Every 3 mo. or
50 hr. of use
Every 6 mo. or
100 hr. of use
Yearly or
every 300
hr. of use
Every
2 Years
Brush off outside of engine
Check engine oil level
Check air cleaner
Check deposit cup
Change engine oil
Clean/replace air cleaner *
Check and clean spark plug
1. Check/adjust idle speed
2. Check/adjust valve clearance
3. Clean fuel tank, strainer
and carburetor
4. Clean carbon build-up from
combustion chamber
** **
Replace fuel line if necessary **
*Service more frequently when used in dusty areas.
**These items should be serviced by a qualified technician.

Page 12 For technical questions, please call 1-888-866-5797. ITEM 69733
SAFETY OPERATION MAINTENANCESETUP
Checking and Filling Fuel
WARNING! TO PREVENT SERIOUS
INJURY FROM FIRE:
Fill the fuel tank in a well-ventilated area
away from ignition sources. If the engine is
hot from use, shut the engine off and wait
for it to cool before adding fuel.
Do not smoke.
1. Clean the Fuel Cap and the area around it.
2. Unscrew and remove the Fuel Cap.
3. If needed, fill the Fuel Tank to about 1 inch
under the fill neck with 87 octane or higher
unleaded gasoline that has been treated with
a fuel stabilizer additive. Follow fuel stabilizer
manufacturer’s recommendations for use.
Note: Do not use gasoline containing more than
10% ethanol (E10). Do not use E85 ethanol.
Note: Do not use gasoline that has been stored in a
metal fuel container or a dirty fuel container. It can
cause particles to enter the carburetor, affecting
engine performance and/or causing damage.
4. Then replace the Fuel Cap.
5. Wipe up any spilled fuel and allow excess
to evaporate before starting engine.
To prevent FIRE, do not start the engine
while the smell of fuel hangs in the air.
Engine Oil Change
CAUTION! Oil is very hot during operation and can
cause burns. Wait for engine to cool before changing oil.
1. Make sure the engine is stopped and is level.
2. Close the Fuel Valve.
3. Place a drain pan (not included) underneath
the crankcase’s drain plug.
4. Remove the drain plug and, if possible,
tilt the crankcase slightly to help drain
the oil out. Recycle used oil.
5. Replace the drain plug and tighten it.
6. Clean the top of the Dipstick and the
area around it. Remove the Dipstick
by threading it counterclockwise, and
wipe it off with a clean lint free rag.
7.
Full level
Full level
Add the appropriate type of oil until the oil level is at
the full level. SAE 10W-30 oil is recommended for
general use.
The SAE Viscosity Grade chart shows other
viscosities to use in different average temperatures.
10W-30
30
5W-30
-20 0 20 40 60 80 100°F
SAE Viscosity Grades
Average outdoor temperature
8. Thread the dipstick back in clockwise.
CAUTION! Do not run the engine with too little oil.
The engine will be permanently damaged.
Air Filter Element Maintenance
1. Remove the air filter cover and the air filter elements
and check for dirt. Clean as described below.
2. Cleaning:
• For “paper” filter elements:
To prevent injury from dust and debris,
wear ANSI-approved safety goggles,
NIOSH-approved dust mask/respirator, and
heavy-duty work gloves. In a well-ventilated
area away from bystanders, use pressurized
air to blow dust out of the air filter.
• For foam filter elements:
Wash the element in warm water and
mild detergent several times. Rinse.
Squeeze out excess water and allow it to dry
completely. Soak the filter in lightweight oil
briefly, then squeeze out the excess oil.
3. Install the cleaned filter. Secure the
Air Cleaner Cover before use.

Page 13For technical questions, please call 1-888-866-5797.ITEM 69733
SAFETYOPERATIONMAINTENANCE SETUP
Spark Plug Maintenance
1.
Spark
Plug
Cap
Disconnect spark plug cap from end of plug.
Clean out debris from around spark plug.
2. Using a spark plug wrench, remove the spark plug.
3. Inspect the spark plug:
If the electrode is oily, clean it using a clean, dry rag.
If the electrode has deposits on it, polish it using
emery paper. If the white insulator is cracked or
chipped, the spark plug needs to be replaced.
Recommended Spark Plugs
TORCH®E5TC
NOTICE: Using an incorrect spark
plug may damage the engine.
4. When installing a new spark plug, adjust the
plug’s gap to the specification on the Technical
Specifications chart. Do not pry against the
electrode, the spark plug can be damaged.
5. Install the new spark plug or the cleaned spark plug
into the engine. Gasket-style: Finger-tighten until
the gasket contacts the cylinder head, then tighten
about 1/2-2/3 turn more.
Non-gasket-style: Finger-tighten until
the plug contacts the head, then
tighten about 1/16 turn more.
NOTICE: Tighten the spark plug properly.
If loose, the spark plug will cause the engine to
overheat.
If overtightened, the threads in the
engine block will be damaged.
6. Apply dielectric spark plug boot protector
(not included) to the end of the spark
plug and reattach the wire securely.
Storage
When the equipment is to remain idle for longer than 20
days, prepare the Engine for storage as follows:
1. CLEANING:
Wait for Engine to cool, then clean Engine with
dry cloth. NOTICE: Do not clean using water.
The water will gradually enter the Engine
and cause rust damage. Apply a thin coat
of rust preventive oil to all metal parts.
2. FUEL:
To protect the fuel tank during storage, fill the
tank with gasoline that has been treated with
a fuel stabilizer additive. Follow fuel stabilizer
manufacturer’s recommendations for use.
Refer to Checking and Filling Fuel on page
“Checking and Filling Fuel” on page 8.
WARNING! TO PREVENT SERIOUS
INJURY FROM FIRE:
Fill tank in a well-ventilated area away from
ignition sources. If the engine is hot from
use, shut the engine off and wait for it to
cool before adding fuel. Do not smoke.
3. LUBRICATION:
a. Change engine oil.
b. Clean out area around spark plug.
Remove spark plug and pour one tablespoon of
engine oil into cylinder through spark plug hole.
c. Replace spark plug, but leave
spark plug cap disconnected.
d. Pull Starter Handle to distribute oil in cylinder.
Stop after one or two revolutions when you
feel the piston start the compression stroke
(when you start to feel resistance).
4. BATTERY:
Disconnect battery cables (if equipped).
Recharge batteries monthly while in storage.
5. STORAGE AREA:
Cover and store in a dry, level, well-ventilated
area out of reach of children. Storage area should
also be away from ignition sources, such as
water heaters, clothes dryers, and furnaces.
NOTICE: During extended storage periods the
Engine must be started every 3 months and allowed
to run for 15 – 20 minutes or the Warranty is VOID.
6. AFTER STORAGE:
Before starting the Engine during or after
storage, keep in mind that untreated gasoline
will deteriorate quickly. Drain the fuel
tank and change to fresh fuel if untreated
gasoline has been sitting for a month, if
treated gasoline has been sitting beyond the
fuel stabilizer’s recommended time period,
or if the Engine does not start.

Page 14 For technical questions, please call 1-888-866-5797. ITEM 69733
SAFETY OPERATION MAINTENANCESETUP
Troubleshooting
Problem Possible Causes Probable Solutions
Engine will not start FUEL RELATED:
1. No fuel in tank or fuel valve closed.
2. Choke not in CHOKE
position, cold engine.
3. Gasoline with more than 10%
ethanol used. (E15, E20, E85, etc.)
4. Low quality or deteriorated, old
gasoline.
5. Carburetor not primed.
6. Dirty fuel passageways.
7. Carburetor needle stuck.
Fuel can be smelled in the air.
8. Too much fuel in chamber.
This can be caused by the
carburetor needle sticking.
9. Clogged Fuel Filter.
FUEL RELATED:
1. Fill fuel tank with fresh 87+ octane stabilizer-
treated unleaded gasoline and open fuel valve.
Do not use gasoline with more than
10% ethanol (E15, E20, E85, etc.).
2. Move Choke to CHOKE position.
3. Clean out ethanol rich gasoline from fuel
system. Replace components damaged by
ethanol. Use fresh 87+ octane stabilizer-treated
unleaded gasoline only.
Do not use gasoline with more than
10% ethanol (E15, E20, E85, etc.).
4. Use fresh 87+ octane stabilizer-treated
unleaded gasoline.
Do not use gasoline with more than
10% ethanol (E15, E20, E85, etc.).
5. Pull on Starter Handle to prime.
6. Clean out passageways using fuel additive.
Heavy deposits may require further cleaning.
7. Gently tap side of carburetor float
chamber with screwdriver handle.
8. Turn Choke to RUN position.
Remove spark plug and pull the start handle
several times to air out the chamber. Reinstall
spark plug and set Choke to CHOKE position.
9. Replace Fuel Filter.
IGNITION (SPARK) RELATED:
1. Spark plug cap not
connected securely.
2. Spark plug electrode wet or dirty.
3. Incorrect spark plug gap.
4. Spark plug cap broken.
5. Circuit breaker tripped
(electric start models only).
6. Incorrect spark timing or
faulty ignition system.
IGNITION (SPARK) RELATED:
1. Connect spark plug cap properly.
2. Clean spark plug.
3. Correct spark plug gap.
4. Replace spark plug cap.
5. Reset circuit breaker. Check wiring and
starter motor if breaker continues to trip.
6. Have qualified technician diagnose/
repair ignition system.
COMPRESSION RELATED:
1. Cylinder not lubricated. Problem
after long storage periods.
2. Loose or broken spark plug.
(Hissing noise will occur
when trying to start.)
3. Loose cylinder head or damaged
head gasket. (Hissing noise will
occur when trying to start.)
4. Engine valves or tappets
mis-adjusted or stuck.
COMPRESSION RELATED:
1. Pour tablespoon of oil into spark plug hole.
Crank engine a few times and try to start again.
2. Tighten spark plug. If that does not work,
replace spark plug. If problem persists,
may have head gasket problem, see #3.
3. Tighten head. If that does not remedy problem,
replace head gasket.
4. Have qualified technician diagnose/
repair ignition system.
Follow all safety precautions whenever diagnosing or servicing the equipment or engine.

Page 15For technical questions, please call 1-888-866-5797.ITEM 69733
SAFETYOPERATIONMAINTENANCE SETUP
Problem Possible Causes Probable Solutions
Engine misfires 1. Spark plug cap loose.
2. Incorrect spark plug gap or
damaged spark plug.
3. Defective spark plug cap.
4. Old or low quality gasoline.
5. Incorrect compression.
1. Check wire connections.
2. Re-gap or replace spark plug.
3. Replace spark plug cap.
4. Use only fresh 87+ octane stabilizer-treated
unleaded gasoline.
Do not use gasoline with more than
10% ethanol (E15, E20, E85, etc.).
5. Diagnose and repair compression.
(Use Engine will not start:
COMPRESSION RELATED section.)
Engine stops
suddenly
1. Low oil shutdown.
2. Fuel tank empty or full of impure or
low quality gasoline.
3. Defective fuel tank cap
creating vacuum, preventing
proper fuel flow.
4. Faulty magneto.
5. Disconnected or improperly
connected spark plug cap.
1. Fill engine oil to proper level. Check
engine oil before EVERY use.
2. Fill fuel tank with fresh 87+ octane stabilizer-
treated unleaded gasoline.
Do not use gasoline with more than
10% ethanol (E15, E20, E85, etc.).
3. Test/replace fuel tank cap.
4. Have qualified technician service magneto.
5. Secure spark plug cap.
Engine stops when
under heavy load
1. Dirty air filter
2. Engine running cold.
1. Clean or replace element.
2. Allow engine to warm up prior
to operating equipment.
Engine knocks 1. Old or low quality gasoline.
2. Engine overloaded.
3. Incorrect spark timing, deposit
buildup, worn engine, or other
mechanical problems.
1. Fill fuel tank with fresh 87+ octane stabilizer-
treated unleaded gasoline.
Do not use gasoline with more than
10% ethanol (E15, E20, E85, etc.).
2. Do not exceed equipment’s load rating.
3. Have qualified technician diagnose
and service engine.
Engine backfires 1. Impure or low quality gasoline.
2. Engine too cold.
3. Intake valve stuck or
overheated engine.
4. Incorrect timing.
1. Fill fuel tank with fresh 87+ octane stabilizer-
treated unleaded gasoline.
Do not use gasoline with more than
10% ethanol (E15, E20, E85, etc.).
2. Use cold weather fuel and oil
additives to prevent backfiring.
3. Have qualified technician diagnose
and service engine.
4. Check engine timing.
Follow all safety precautions whenever diagnosing or servicing the equipment or engine.

Page 16 For technical questions, please call 1-888-866-5797. ITEM 69733
SAFETY OPERATION MAINTENANCESETUP
Warranties
Limited 90 Day Warranty
Harbor Freight Tools Co. makes every effort to assure that its products meet high quality and durability standards,
and warrants to the original purchaser that this product is free from defects in materials and workmanship for the
period of 90 days from the date of purchase. This warranty does not apply to damage due directly or indirectly,
to misuse, abuse, negligence or accidents, repairs or alterations outside our facilities, criminal activity, improper
installation, normal wear and tear, or to lack of maintenance. We shall in no event be liable for death, injuries
to persons or property, or for incidental, contingent, special or consequential damages arising from the use of
our product. Some states do not allow the exclusion or limitation of incidental or consequential damages, so the
above limitation of exclusion may not apply to you. THIS WARRANTY IS EXPRESSLY IN LIEU OF ALL OTHER
WARRANTIES, EXPRESS OR IMPLIED, INCLUDING THE WARRANTIES OF MERCHANTABILITY AND FITNESS.
To take advantage of this warranty, the product or part must be returned to us with transportation charges
prepaid. Proof of purchase date and an explanation of the complaint must accompany the merchandise.
If our inspection verifies the defect, we will either repair or replace the product at our election or we may
elect to refund the purchase price if we cannot readily and quickly provide you with a replacement. We will
return repaired products at our expense, but if we determine there is no defect, or that the defect resulted
from causes not within the scope of our warranty, then you must bear the cost of returning the product.
This warranty gives you specific legal rights and you may also have other rights which vary from state to state.
Emission Control System Warranty
United States Emission Control
Defects Warranty Statement
The United States Environmental Protection Agency (herein
EPA) and Harbor Freight Tools (herein HFT) are pleased to
explain the emission control system warranty on your 2014-2015
Small Off-Road Engine (herein engine). Within the United States,
new off-road, spark-ignition engines certified for model year
2014-2015, must meet similar standards set forth by the EPA.
HFT must warrant the emission control system on your engine
for the periods of time described below, provided there has been
no abuse, neglect or improper maintenance of your engine.
Your emission control system may include parts
such as the carburetor or fuel-injection system, and
the ignition system. Also included may be hoses, belts,
connectors and other emission-related assemblies.
Where a warrantable condition exists, HFT will repair your
engine at no cost to you including diagnosis, parts and labor.
Manufacturer’s Warranty Coverage
The 2014-2015 engines are warranted for two (2)
years. If any emission-related part on your engine is
defective, the part will be repaired or replaced by HFT.
Harbor Freight Tools Emission Control
Defects Warranty Coverage
Engines are warranted for a period of two (2) years relative
to emission control parts defects, subject to the provisions
set forth below. If any emission related part on your engine
is defective, the part will be repaired or replaced by HFT.
Owner’s Warranty Responsibilities
• As the engine owner, you are responsible for the performance
of the required maintenance listed in your Owner’s Manual.
HFT recommends that you retain all receipts covering
maintenance on your engine, but HFT cannot deny
warranty solely for the lack of receipts or for your failure to
ensure the performance of all scheduled maintenance.
• As the engine owner, you should, however, be aware
that HFT may deny you warranty coverage if your engine
or a part has failed due to abuse, neglect, improper
maintenance, or unapproved modifications.
• You are responsible for shipping your engine to a HFT warranty
station as soon as a problem exists. Contact the HFT Customer
Service department at the number below to make shipping
arrangements. The warranty repairs should be completed
in a reasonable amount of time, not to exceed 30 days.
If you have any questions regarding your warranty
rights and responsibilities, you should contact the
Harbor Freight Tools Customer Service Department at 1-888-866-5797.

Page 17For technical questions, please call 1-888-866-5797.ITEM 69733
SAFETYOPERATIONMAINTENANCE SETUP
Harbor Freight Tools Emission Control
Defects Warranty Provisions
1. Length of Coverage
HFT warrants to a first retail purchaser and each
subsequent purchaser that the engine is free from
defects in materials and workmanship that cause the
failure of warranted parts for a period of two (2) years
after the date of delivery to the first retail purchaser.
2. No Charge Repair or Replacement
Repair or replacement of any warranted part will be
performed at no charge to the owner if the work is
performed through a warranty station authorized by
HFT. For emissions warranty service, contact the HFT
Customer Service Department at 1-888-866-5797.
3. Consequential Damages Coverage
Coverage under this warranty shall also extend to the failure
of any engine components caused by the failure of any
warranted part while it is still covered under this warranty.
4. Coverage Exclusions
Warranty claims shall be filed in accordance with the provisions
of the HFT warranty policy explained in the box at the top of the
previous page. HFT shall not be liable for any loss of use of
the engine, for any alternative usage, for any damage to goods,
loss of time, or inconvenience. Warranty coverage shall also be
excluded for any part which fails, malfunctions, or is damaged
due to failure to follow the maintenance and operating instructions
set forth in the Owner’s Manual including, but not limited to:
a) Use of parts which are not authorized by HFT
b) Improper installation, adjustment or repair of the engine or
of any warranted part unless performed by an authorized
warranty center
c) Failure to follow recommendations on fuel use contained in
the Owner’s Manual
d) Improper or inadequate maintenance of any warranted parts
e) Repairs performed outside of the authorized warranty
service dealers
f) Alterations by changing, adding to or removing parts from
the engine.
5. Service and Maintenance
Component parts which are not scheduled for replacement
as required maintenance or are scheduled only for regular
inspection to the effect of “repair or replace as necessary”
are warranted for the warranty period. Any warranted part
which is scheduled for replacement as required maintenance
is warranted for the period of time up to the first scheduled
replacement point for that part. Any replacement part, provided
it is equivalent in durability and performance, may be used
in performance of maintenance or repairs. The owner is
responsible for commissioning a qualified technician/mechanic
to perform all required maintenance, as outlined in the
Inspection, Cleaning, and Maintenance section in this manual.
6. Warranted Parts
1) Fuel Metering System
i) Carburetor and its internal parts.
ii) Fuel pump (if so equipped).
iii) Cold start enrichment system.
2) Air Induction System
i) Intake pipe/manifold.
ii) Air cleaner.
3) Ignition System
i) Spark plug.
ii) Magneto ignition system.
4) Catalyst System (if so equipped)
i) Exhaust pipe stud.
ii) Muffler.
iii) Catalytic converter (if so equipped).
5) Miscellaneous Items Used in Above Systems
i) Vacuum, temperature and time sensitive valves and
switches.
ii) Hoses, belts, connectors, and assemblies.
PLEASE READ THE FOLLOWING CAREFULLY
THE MANUFACTURER AND/OR DISTRIBUTOR HAS PROVIDED THE PARTS LIST AND ASSEMBLY DIAGRAM
IN THIS MANUAL AS A REFERENCE TOOL ONLY. NEITHER THE MANUFACTURER OR DISTRIBUTOR
MAKES ANY REPRESENTATION OR WARRANTY OF ANY KIND TO THE BUYER THAT HE OR SHE IS
QUALIFIED TO MAKE ANY REPAIRS TO THE PRODUCT, OR THAT HE OR SHE IS QUALIFIED TO REPLACE
ANY PARTS OF THE PRODUCT. IN FACT, THE MANUFACTURER AND/OR DISTRIBUTOR EXPRESSLY
STATES THAT ALL REPAIRS AND PARTS REPLACEMENTS SHOULD BE UNDERTAKEN BY CERTIFIED AND
LICENSED TECHNICIANS, AND NOT BY THE BUYER. THE BUYER ASSUMES ALL RISK AND LIABILITY
ARISING OUT OF HIS OR HER REPAIRS TO THE ORIGINAL PRODUCT OR REPLACEMENT PARTS
THERETO, OR ARISING OUT OF HIS OR HER INSTALLATION OF REPLACEMENT PARTS THERETO.

Page 18 For technical questions, please call 1-888-866-5797. ITEM 69733
SAFETY OPERATION MAINTENANCESETUP
Parts Lists and Diagrams
Parts List
Part Description Qty.
1 Head Subassembly, Cylinder 1
2 Gasket, Cylinder Head 1
3 Cover Subassembly, Cylinder Head 1
4 Gasket, Cylinder Head Cover 1
5 Tube, Breather 1
6 Bolt 4
7 Stud 2
8 Stud 2
9 Pin 2
10 Bolt, Cylinder Head 4
11 Plug, Spark 1
12 Block, High Tension Line 1
13 Seal, Oil 1
14 Bolt, Drain Plug 1
15 Washer, Flat 1
16 Crankcase Subassembly. 1
17 Bearing 1
18 Gear Assy, Governor 1
19 Arm, Governor 1
20 Circlip 1
21 Pin 1
22 Seal, Oil 1
23 Cover, Crankcase 1
24 Bearing 1
25 Gasket, Crankcase 1
26 Pin 2
27 Dipstick Subassembly, Oil 1
28 Bolt 6
29 Crankshaft Assy. 1
30 Ring Set, Oil 1
31 Clip, Piston Pin 2
32 Piston 1
33 Pin, Piston 1
34 Rod, Connecting 1
35 Ring, The First 1
36 Ring, The Second 1
37 Camshaft Assy. 1
38 Valve, Exhaust 1
39 Valve, Intake 1
40 Seat, Valve Spring 2
41 Spring, Valve 2
42 Tappet, Valve 2
43 Lifter Subassembly, Valve 2
44 Plate Subassembly, Lifter Stopper 1
45 Bolt, Valve Adjusting 2
Part Description Qty.
46 Rocker, Valve 2
47 Nut, Valve Adjusting 2
48 Nut, Valve Lock 2
49 Starter Assy, Recoil 1
50 Bolt 3
51 Shroud 1
52 Bolt 4
53 Deflector, Crankcase Air 1
54 Bolt 1
55 Shroud, Cylinder Body 1
56 Bolt 1
57 Shield, Shroud 1
58 Plug, End 1
59 Gasket, Carburetor 2
60 Plate, Carburetor Insulator 1
61 Gasket, Air Cleaner 1
62 Carburetor Assy. 1
63 Cleaner, Air 1
64 Nut 2
65 Muffler Assy. 1
66 Gasket, Exhaust Outlet 1
67 Nut 2
68 Tank, Fuel 1
69 Strainer, Fuel 1
70 Cover, Fuel Tank 1
71 Bolt 3
72 Outlet Subassembly, Fuel Tank Oil 1
73 Tube, Fuel 1
74 Collar 2
75 Clip 1
76 Nut, Flywheel 1
77 Pulley,Starter 1
78 Impeller 1
79 Flywheel Subassembly 1
80 Bolt 2
81 Coil, Ignition 1
82 Nut 1
83 Support Subassembly, Governor 1
84 Rod, Governor 1
85 Spring, Throttle Valve Returning 1
86 Spring, Governor 1
87 Bolt 2
88 Control Assy, Throttle 1
89 Mounting Plate 1
90 Mounting Plate Bolt M8 x 16 4
Record Product’s Serial Number Here:
Note: If product has no serial number,
record month and year of purchase instead.
Note: Some parts are listed and shown for
illustration purposes only, and are not available
individually as replacement parts.

Page 19For technical questions, please call 1-888-866-5797.ITEM 69733
SAFETYOPERATIONMAINTENANCE SETUP
Assembly Diagram
30 32 33
31
34
31
35 36
17
13
16
15
14
20
19
18
21
25
88
87
87
86
83
82
85
84
64
64
63
59
59
61
60
62
55
54
53
56
51
52
52
52
52
57
58
49
50
50
50
76
77
78
79
80
80
81
38
40
42
43
44
45
46
47
42
43
45
46
47
48
39
40 41
41
48
37
9
10
10
10
12
9
7
7
4
5
6
6
6
1
88
3
2
6
10
11
26
22 27
26
24
23
28
28
28
28 28
28
29
65
66
6
7
67
70
72
73
74
74
68
69
71
75
71
71
89
90
90
90
90

3491 Mission Oaks Blvd. • PO Box 6009 • Camarillo, CA 93011 • 1-888-866-5797
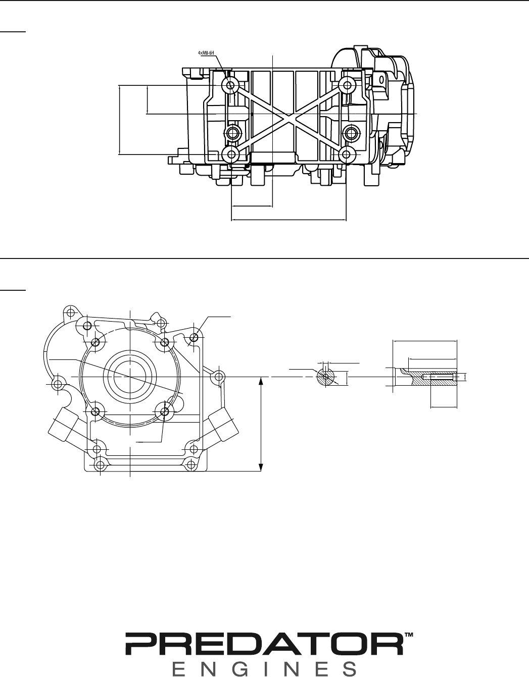
Mounting Hole Diagram
Note: Not to scale.
1 in. / 25.5mm
2.42 in. / 61.5mm
4.02 in. / 102mm
1.44 in.
/ 36.5mm
Power Take-Off Diagram
Note: Not to scale.
≥0.98 in. / 25mm
1.79 in. / 45.5mm
2.37 in. / 60.1mm
5/16-24UNF
0.1875 in. / 4.76mm
Ø0.625 in. / 16mm
0.51 in.
/ 13mm
4x5/16-24UNF
2x5/16-24UNF
3.58 in. / 91mm*
Ø3.625 in. / 92.1mm