Harbor Freight 3 In 1 Heavy Duty Tile Cutter Product Manual
Manual for the 68979 3-In-1 Heavy Duty Tile Cutter 68979 3-In-1 Heavy Duty Tile Cutter
2015-05-27
: Harbor-Freight Harbor-Freight-3-In-1-Heavy-Duty-Tile-Cutter-Product-Manual-723874 harbor-freight-3-in-1-heavy-duty-tile-cutter-product-manual-723874 harbor-freight pdf
Open the PDF directly: View PDF
.
Page Count: 8


Page 2 For technical questions, please call 1-888-866-5797. ITEM 68979
Important Safety Information
1. Assemble only according to these instructions.
Improper assembly can create hazards.
2. Wear ANSI-approved safety goggles and
heavy-duty work gloves during use.
3. Keep work area clean and well lit.
4. Keep bystanders out of the area during use.
5. Do not use when tired or when under
the influence of drugs or medication.
6. This product is not a toy. Do not allow
children to play with or near this item.
7. Use as intended only. Do not use
handle extension to increase force.
8. Inspect before every use; do not use
if parts are loose or damaged.
9. Maintain product labels and nameplates.
These carry important safety information.
If unreadable or missing, contact
Harbor Freight Tools for a replacement.
Assembly and Setup Instructions
Installing the Feet
Figure A
Foot
Nut
Bolt
1. Slide each Foot onto the lower
corners of the Base.
2. Secure the Feet to the Base
with the Bolts and Nuts.
Installing the Try Square
Figure B
Ruled Guide Try Square
Try Square Knob 1. Position the Try Square with the
scale markings upward.
2. Place the slotted arm of the Try Square
over the Ruled Guide on the Base.
3. Secure in place with the Try Square Knob.

Page 3For technical questions, please call 1-888-866-5797.ITEM 68979
Operating Instructions
Make several practice cuts on scrap tile
before attempting to make finish cuts.
Use a sturdy workbench, or place the machine
on the floor to increase your leverage.
Before beginning, mark the cut line on
the tile with a soft carpenter’s pencil,
a grease pencil or a washable marker.
Making a Straight Cut
1. Remove the Circle Cutter
assembly if it is installed.
2.
Figure C
Ruled Guide
Try Square
Try Square Knob
Cutting Line
Tile
Loosen the Try Square Knob and slide the
Try Square out so there is room for the tile.
3. With the glazed side up, place the tile against
the Ruled Guide, with the marked cutting
line directly under the Cutting Wheel.
4. Slide the Try Square to the edge of the
tile and tighten the Try Square Knob.
Note: Once the Try Square is secured at the
desired setting, you can make multiple cuts of the
same size without marking the cut line on the tile.
5.
Figure D Cutting Wheel
Swing the Breaking Bar up and out of
the way, then holding the tile firmly,
score along the marked cutting line with
the Cutting Wheel several times.
Note: Good results require applying proper
pressure and scoring the tile properly.
This depends largely upon the
operator and requires practice.
6.
Figure E
Breaking Bar
Push Bar
Slide the Push Bar handle back until the
Breaking Bar is centered over the tile,
and lower the Handle to press the
Breaking Bar onto the tile.
Note: Make sure that the score line is
aligned with the center of the Breaking Bar
and the Breaking Bar is centered over
the tile, straddling the score line.
7. Remove tile pieces from the Tile Cutter.

Page 4 For technical questions, please call 1-888-866-5797. ITEM 68979
Making an Angled Cut
Figure F
Ruled Guide
Center of Tile Cutter
Try Square Knob
Try Square
Tile
Marked
cutting line
Wing Nut
Arrow
Marker
1. Slide the Push Bar away from
the Ruled Guide area.
2. Loosen the Wing Nut on the Ruled Guide and
the Try Square Knob on the Try Square.
3. Place the tile against the Ruled Guide and
Try Square and rotate the them together
until the arrow marker and center of the Tile
Cutter is aligned with the marked cutting line.
4. Tighten in place with the Wing
Nut and Try Square Knob.
5. Place the tile against the Ruled Guide, and
make the cut following steps 4-6 on page 4.

Page 5For technical questions, please call 1-888-866-5797.ITEM 68979
Making a Circle Cut
The Tile Cutter is set up for straight
cuts. Install the Circle Cutter Assembly
for circle cuts. Remove the Circle
Cutter Assembly when finished.
Figure G
Tracks
Nut
Pressing Plate
Lever
Bar
Threaded Rod
Drill Point
Circle Cutter
Assembly
Slide Push Bar
out of the way
To install the Circle Cutter Assembly:
1. Slide the Push Bar assembly away
from the circle cutter area, towards the
Buffer Sleeves and Ruled Guide.
2. Remove the Nut holding the Pressing Plate
to the Assembly and set both pieces aside.
3. Place the Circle Cutter Assembly onto the
Tracks with the Lever pointed away from
the Buffer Sleeves and Ruler Guide.
4. Align the Drill Point with the center
of the hole in the Base.
5. Place the Pressing Plate under the Tracks
and Circle Cutter Assembly, with the threaded
rod inserted upward through the hole in
the base of the Circle Cutter Base. Re-
install the Nut and Washer and tighten.
6. Assemble the Circle Cutter Assembly onto
the Tile Cutter (see Assembly section).
Figure H
7. Mark the circle to cut and mark
the center of the circle.
8.
Figure I
Lever
Drill Point
Crank Handle
Blade
Bar
Squeeze the Lever and Bar together to lift the
Drill Point enough to slide the tile in place.
9. Center the center mark on the tile under
the Drill Point and slowly release the Lever,
adjusting the tile location as needed to
get the Drill Point centered in place.
10. Loosen the Wing Nut on the bottom of the
Blade Assembly and slide the Assembly
so that the Blade rests on the edge of
the marked circle (the circumference).
11. Tighten the Wing Nut.
12. Holding the tile firmly in place, rotate the Crank
Handle clockwise to drill into the tile and cut
the circle. Continue rotating the crank until the
circle has been completely cut through the tile.
13. Turn the Crank Handle counterclockwise
to raise the Blade above the tile, then
squeeze the Lever and Bar together
and remove the cut tile pieces.

Page 6 For technical questions, please call 1-888-866-5797. ITEM 68979
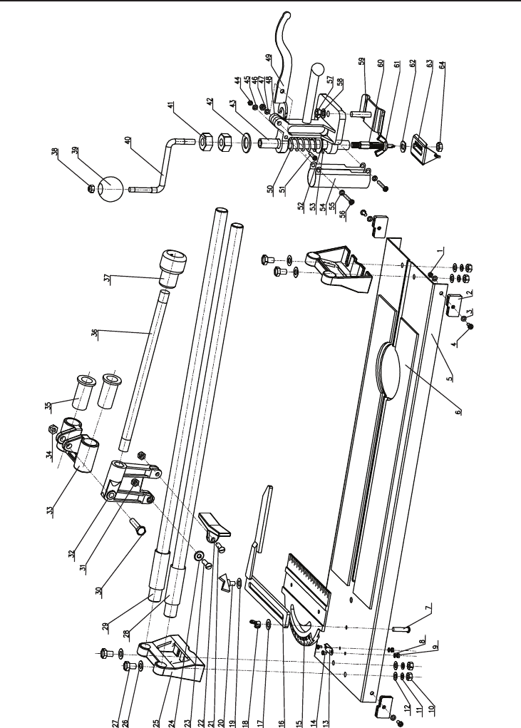
Part Description
1 Nut
2 Foot
3 Washer
4 Bolt
5 Base
6 Cushion
7 Bolt
8 Washer
9 Nut
10 Nut
11 Lock Washer
12 Washer
13 Angle Indicator
14 Bolt
15 Angle Scale
16 Width Guide
17 Washer
18 Angle Nut
19 Washer
20 Width Knob
21 Bolt
22 Breaking Bar
Part Description
23 Bolt
24 Cutting Wheel
25 Support
26 Washer
27 Bolt
28 Collar
29 Slide
30 Bolt
31 Lock Nut
32 Pivot
33 Carriage
34 Lock Nut
35 Bushing
36 Bar
37 Handle
38 Nut
39 Knob
40 Crank
41 Nut
42 Washer
43 Arbor
44 Nut
Part Description
45 Washer
46 Nut
47 Washer
48 Circle Cutter Base
49 Lever
50 Spring
51 Bolt
52 Washer
53 Pin
54 Cover
55 Washer
56 Bolt
57 Nut
58 Washer
59 Press Plate
60 Center Blade
61 Wing Nut
62 Washer
63 Blade
64 Nut
Parts List and Assembly Diagram
PLEASE READ THE FOLLOWING CAREFULLY
THE MANUFACTURER AND/OR DISTRIBUTOR HAS PROVIDED THE PARTS LIST AND ASSEMBLY
DIAGRAM IN THIS MANUAL AS A REFERENCE TOOL ONLY. NEITHER THE MANUFACTURER
OR DISTRIBUTOR MAKES ANY REPRESENTATION OR WARRANTY OF ANY KIND TO THE
BUYER THAT HE OR SHE IS QUALIFIED TO MAKE ANY REPAIRS TO THE PRODUCT, OR
THAT HE OR SHE IS QUALIFIED TO REPLACE ANY PARTS OF THE PRODUCT. IN FACT, THE
MANUFACTURER AND/OR DISTRIBUTOR EXPRESSLY STATES THAT ALL REPAIRS AND PARTS
REPLACEMENTS SHOULD BE UNDERTAKEN BY CERTIFIED AND LICENSED TECHNICIANS,
AND NOT BY THE BUYER. THE BUYER ASSUMES ALL RISK AND LIABILITY ARISING OUT OF
HIS OR HER REPAIRS TO THE ORIGINAL PRODUCT OR REPLACEMENT PARTS THERETO,
OR ARISING OUT OF HIS OR HER INSTALLATION OF REPLACEMENT PARTS THERETO.
Parts List
Record Product’s Serial Number Here:
Note: If product has no serial number, record month and year of purchase instead.
Note: Some parts are listed and shown for illustration purposes only,
and are not available individually as replacement parts.

Page 7For technical questions, please call 1-888-866-5797.ITEM 68979
Assembly Diagram

3491 Mission Oaks Blvd. • PO Box 6009 • Camarillo, CA 93011 • 1-888-866-5797
Limited 90 Day Warranty
Harbor Freight Tools Co. makes every effort to assure that its products meet high quality
and durability standards, and warrants to the original purchaser that this product is free from
defects in materials and workmanship for the period of 90 days from the date of purchase. This
warranty does not apply to damage due directly or indirectly, to misuse, abuse, negligence or
accidents, repairs or alterations outside our facilities, criminal activity, improper installation,
normal wear and tear, or to lack of maintenance. We shall in no event be liable for death,
injuries to persons or property, or for incidental, contingent, special or consequential damages
arising from the use of our product. Some states do not allow the exclusion or limitation of
incidental or consequential damages, so the above limitation of exclusion may not apply to
you. THIS WARRANTY IS EXPRESSLY IN LIEU OF ALL OTHER WARRANTIES, EXPRESS
OR IMPLIED, INCLUDING THE WARRANTIES OF MERCHANTABILITY AND FITNESS.
To take advantage of this warranty, the product or part must be returned to us with
transportation charges prepaid. Proof of purchase date and an explanation of the complaint
must accompany the merchandise. If our inspection verifies the defect, we will either repair or
replace the product at our election or we may elect to refund the purchase price if we cannot
readily and quickly provide you with a replacement. We will return repaired products at our
expense, but if we determine there is no defect, or that the defect resulted from causes not
within the scope of our warranty, then you must bear the cost of returning the product.
This warranty gives you specific legal rights and you may also
have other rights which vary from state to state.