Harbor Freight 43585 Users Manual Router

43585 115f7859-78da-4e2d-8998-1617b84e5217 Harbor Freight Tools Router 43585 User Guide |

2015-01-25

: Harbor-Freight Harbor-Freight-43585-Users-Manual-210024 harbor-freight-43585-users-manual-210024 harbor-freight pdf

Open the PDF directly: View PDF PDF.
Page Count: 12

OPERATING INSTRUCTIONS
3491 Mission Oaks Blvd., Camarillo, CA 93011
Visit our Web site at http://www.harborfreight.com
Copyright © 2000 by Harbor Freight Tools®. All rights reserved. No portion of this
manual or any artwork contained herein may be reproduced in any shape or form
without the express written consent of Harbor Freight Tools.
For technical questions please call 1-800-444-3353
1-3/4 HP PLUNGE
ROUTER WITH BRAKE
®
43585
SKU 43585 For technical questions, please call 1-800-444-3353. Page 2
SPECIFICATIONS
SAVE THIS MANUAL
You will need the manual for the safety warnings and precautions, assembly,
operating and maintenance procedures, Parts List and Diagram. Keep your
invoice with this manual. Write the invoice number on the inside of the front cover.
Keep the manual and invoice in a safe and dry place for future reference.
SAFETY WARNINGS AND PRECAUTIONS
1. KEEP WORK AREA CLEAN AND DRY. Cluttered, damp or wet work areas invite
injuries.
2. KEEP CHILDREN AWAY FROM WORK AREA. Do not allow children to handle
this product.
3. DO NOT USE THIS PRODUCT IF UNDER THE INFLUENCE OF ALCOHOL OR
DRUGS. Read warning labels on prescriptions to determine if your judgement or
reflexes are impaired while taking drugs. If there is any doubt, do not attempt to
use this product.
4. USE EYE PROTECTION. Wear ANSI-approved safety impact eye goggles. ANSI-
approved safety impact goggles are available from Harbor Freight Tools.
5. DRESS SAFELY. Do not wear loose clothing or jewelry as they can become
caught in moving parts. Wear a protective hair covering to prevent long hair from
becoming caught in the moving parts.
6. DO NOT OVERREACH. Keep proper footing and balance at all times.
ITEM DESCRIPTION
Net Weight
Electrical Requirements
Speed
Cord/Plug/Switch
Cord Length
Plug Type
Collet Size
Collet Wrenches
Router Shank
Depth Scale
15.8 Lbs.
120 VAC, 60 Hz
11 Amps
1-3/4 HP
Single Phase
20,000 RPM
UL/CE/CSA Approved
5 Ft.
2 Pole Polarized
1/2” with 3/8” & 1/4” Adapters
21mm & 23mm
1/2”
1” - 3” x 1/16”
230677
SKU 43585 For technical questions, please call 1-800-444-3353. Page 3
7. STAY ALERT. Watch what you are doing at all times. Use common sense. Do
not operate this product when you are tired or distracted from the job at hand.
8. OBSERVE WORK AREA CONDITIONS. Do not use this product in the presence
of flammable gasses or liquids. Do not use in damp or wet areas. Keep work area
well-lighted.
9. CHECK FOR DAMAGED PARTS. Before using this product, carefully check that
it will operate properly and perform its intended function. Check for damaged
parts and any other conditions that may affect its operation. Replace or repair
damaged or worn parts immediately.
10. DO NOT ABUSE THE POWER CORD. Protect the electrical power cord from
damage, either from impacts, pulling, or corrosive materials. Do not yank the tool’s
cord to disconnect it from the electrical receptacle.
11. DO NOT FORCE THE TOOL. It will do the job better and more safely at the rate
for which it was intended. Do not use inappropriate attachments in an attempt to
exceed the tool’s capacities.
12. REMOVE ADJUSTING KEYS AND WRENCHES. Be sure that keys and
adjusting wrenches are removed from the tool or machine work surface before
operation.
13. AVOID UNINTENTIONAL STARTING. Be sure that you are prepared to begin
work before turning the start switch on.
14. ALWAYS DISCONNECT THIS TOOL FROM ITS ELECTRICAL SUPPLY
SOURCE WHEN NOT IN USE, BEFORE PERFORMING MAINTENANCE OR
SERVICING, AND WHEN CHANGING ACCESSORIES SUCH AS ROUTER
BITS.
15. SECURE THE MATERIAL. ALWAYS use clamps or a vise to hold the workpiece.
16. REPLACEMENT PARTS AND ACCESSORIES. When servicing, use only
identical replacement parts. Only use accessories intended for use with this
product. Approved accessories are available from Harbor Freight Tools.
17. MAINTAIN THIS PRODUCT WITH CARE. Keep this product clean and dry, moving
parts lightly lubricated, and router bits sharp for better and safer performance.
18. STORE IDLE EQUIPMENT. When not in use, tools and equipment should be
stored and locked up in a dry location to inhibit rust. Keep out of reach of children.
19. MAINTENANCE: For your safety, service and maintenance should be performed
regularly by a qualified technician.
20. USE THE RIGHT PRODUCT FOR THE RIGHT JOB. There are certain
applications for which this tool was designed. Do not use a small tool or attachment
to do the work of a larger industrial tool. Do not use this product for a purpose for
which it was not intended.
SKU 43585 For technical questions, please call 1-800-444-3353. Page 4
SPECIFIC PRODUCT WARNINGS AND PRECAUTIONS
1. AVOID OVERLOADING THE TOOL. If the speed drops abnormally, decrease the
pressure immediately.
2. ALWAYS USE SHARPENED BITS. If the bit stops abruptly, or the bit becomes
blocked, release the trigger switch immediately.
3. USE THE LOCKING TRIGGER SWITCH PROPERLY. Be aware that the router
will continue to operate while the locking mechanism is engaged. Never lay the
router down or hand it to another person while the locking mechanism is engaged.
4. BEFORE ROUTING, RUN THE TOOL FOR ABOUT 10 SECONDS to ensure
that all moving parts are running smoothly and there are no loose parts, rattles, or
sparking that would indicate damage.
5. WARNING: Under no circumstance is the Router base ever to be removed from
the Router in order to use bits that are too large to use with the base assembly
attached. The removal of the Router base and using the Router “Free Hand” can
lead to serious bodily injury!!
6. IF USING AN EXTENSION CORD, observe the minimum gauge requirements
found in the following chart. Improper extension cord use can result in electrical
hazard and poor tool performance.
Use only UL approved extension cord.
REV 04/02; 03/06
7. AVOID WET CONDITIONS WHEN USING ELECTRICAL EQUIPMENT.
8. USE ONLY GROUNDED OUTLET with appropriate breaker switch inline.
9. ALWAYS INSPECT POWER CORDS AND EXTENSION CORDS for damage
before use. Never plug in a power cord that is not in good condition.
10. HOLD TOOL BY INSULATED GRIPPING SURFACES WHEN PERFORMING
AN OPERATION WHERE THE CUTTING TOOL MAY CONTACT HIDDEN
WIRING OR ITS OWN CORD. Contact with a “live” wire will make exposed metal
parts of the tool “live” and shock the operator.
11. PEOPLE WITH PACEMAKERS SHOULD CONSULT THEIR PHYSICIAN(S)
BEFORE USING THIS PRODUCT. Electromagnetic fields in close proximity to a
heart pacemaker could cause interference to or failure of the pacemaker. In
addition, people with pacemakers should adhere to the following:
Avoid operating power tools alone.
Don’t use a power tool with the power switch locked on.
Be certain that the tool is properly grounded. A ground fault interrupt (GFCI) system
is also a good precaution. This inexpensive device is a good safety measure
SKU 43585 For technical questions, please call 1-800-444-3353. Page 5
REV 01/05; 03/06
UNPACKING
When unpacking, check to make sure all parts shown on the Parts List
(page 11 and 12) are included. If any parts are missing or broken, please call
Harbor Freight Tools at the number shown on the cover of this manual as soon as
possible.
because it prevents a sustained electrical shock.
Properly maintain and inspect all tools before use to avoid electrical shock.
12. WARNING: Some dust created by power sanding, sawing, grinding, drilling, and
other construction activities, contains chemicals known [to the State of California]
to cause cancer, birth defects or other reproductive harm. Some examples of these
chemicals are:
• Lead from lead-based paints
• Crystalline silica from bricks and cement or other masonry products
• Arsenic and chromium from chemically treated lumber
Your risk from these exposures varies, depending on how often you do this type of
work. To reduce your exposure to these chemicals: work in a well ventilated area,
and work with approved safety equipment, such as those dust masks that are
specially designed to filter out microscopic particles. (California Health & Safety
Code § 25249.5,
et seq.
)
To Install The Router Bit:
1. Check to make sure the Router is
unplugged from the electrical power
source.
2. Fully insert the Bit (not included) into
the Collet Chuck (part #24). Firmly
tighten the Collet Chuck with the two
accessory Wrenches (parts #63 &
#64). (Figure A)
3. NOTE: When using bits with a shaft
diameter of 6mm, 8mm, 10mm, 1/4”
or 3/8” use the Chuck Sleeve (part
#77). Fully insert the Chuck Sleeve
into the Collet Chuck. Then, insert
the Bit into the Chuck Sleeve and
firmly tighten the Collet Chuck with
the two accessory Wrenches.
Figure A
OPERATING INSTRUCTIONS
NOTE: All parts below refer to the parts listed on page 11 of this manual.
SKU 43585 For technical questions, please call 1-800-444-3353. Page 6
To Adjust The Depth Of The Cut:
1. Loosen the Knob (part #46). Adjust the Stopper Pole (part #45) and the Stopper
Block (part #32) to obtain the required cutting depth. Then, retighten the Knob.
Check to make sure that, even if released with the Lock Lever, the Router stops at
the determined depth for repeated cuts. (Figure B)
2. Minute depth adjustments can be made by raising or lowering the Stopper Pole.
3. By turning the Lock Nuts (part #22) left or right, the tool can be adjusted to a
different
upper
limit. When the tip of the Router Bit is retracted more than required
in relation to the Base Plate (part #40) surface, turn the Lock Nuts to lower the
upper limit for more effective routing. (Figure C)
32 40 22
To Adjust The Triple Depth Stop:
1. Three different cutting depths can be concurrently set by adjusting the two cut-
depth setting Screws (parts #37 & #38) located on the Stopper Block (part #32).
Make sure the two Nuts (part #39) are securely tightened to prevent loosening of
the cut-depth setting Screws. (Figure B)
SKU 43585 For technical questions, please call 1-800-444-3353. Page 7
Figure F
Figure E
To Use The Straight Guide:
1. The Straight Guide is used to make parallel cuts, or to make cuts on the
edge of a work piece.
2. Assemble the Straight Guide (part #76) onto the Bar Holder Assembly (part #69),
using the Wing Bolt (part #66). NOTE: Loosely hand tighten the Wing Bolt.
(Figure D)
3. Insert the two bars of the Bar Holder Assembly fully into the Base Plate, and
securely tighten the two Wing Nuts (part #84). (Figure E)
4. Fine Adjust the desired distance from the Router Bit to the edge of the Straight
Guide by turning the Feed Screw (part #70). When the desired distance is deter-
mined, securely tighten the Wing Bolt (part #66) located on the Bar Holder
Assembly (part #69).
5. Set the Base of the Router firmly against the surface of the workpiece, and align
the Straight Guide with the edge of the workpiece. (Figure F)
Figure D
66
69
76
84
84
Caution: Always make sure the
workpiece is firmly clamped to the
work surface before using the Plunge
Router.
When using the Plunge Router, both
hands should firmly grasp the
Handles (#25 and #26) to insure
complete control of the tool while it
is being used.
SKU 43585 For technical questions, please call 1-800-444-3353. Page 8
To Use The Template Guide:
1. The Template Guide is used with a template (not provided) for producing a
large quantity of identically shaped products. A template is a mold made of
plywood or thin lumber. The template should also have openings large
enough to admit the Router Bit and the Template Guide.
2. Secure the Template Guide (part #65) to the Base of the Router with the two
accessory Machine Screws (part #67). Make sure the projected side of the Tem-
plate Guide is facing the bottom surface of the Base of the Router. (Figure G)
3. Clamp the template to the workpiece in the desired location.
4. Feed the Router in a manner so that the Template Guide moves along the
template.
67
67
65
65
Figure G
SKU 43585 For technical questions, please call 1-800-444-3353. Page 9
Figure I
To Use The Trimmer Guide:
The Trimmer Guide allows you to follow curved edges. NOTE: Because the
Trimmer Guide is narrower than the Straight Guide, it requires greater skill
and attention to produce a cut that is consistent in its relation to the edge.
1. To assemble the Trimmer Guide Assembly (part #71) attach the Roller (part #72) to
the Set Plate (part #73) using the accessory Bolt Washer (part #74) and the Wing
Bolt (part #75). (Figure I)
2. Attach the Trimmer Guide Assembly to the Bar Holder (part #69), using the acces-
sory Bolt Washer (part #74) and the Wing Bolt (part #75). (Figure J)
3. After measuring and setting the desired distance from Bit cutting depth to edge of
workpiece, carefully follow the edge of the workpiece as shown. (Figure K)
Figure J Figure K
72
73
75
74
71
74/75
74/75
SKU 43585 For technical questions, please call 1-800-444-3353. Page 10
To Follow The Best Routing Direction:
1. The Router Bit rotates clockwise. Therefore, you should adjust for this
while cutting.
2. For most materials it is best to move the Router from left to right as you face
the workpiece.
3. When cutting outside edges, move the Router counterclockwise. When cutting
inside edges, move the Router clockwise.
MAINTENANCE
NOTE: ALWAYS disconnect this tool from its electrical supply source
before performing any cleaning, maintenance, changing Router Bits or
Brushes.
1. Clean with a damp cloth and dry. If necessary, use a mild detergent.
2. For better product performance, periodically lubricate its moving parts, using a
light-grade lubricant.
3. To change the two Carbon Brushes (part #44), use a Standard screwdriver (not
provided) to remove the two Brush Caps (part #43) located on each side of the
Router.
4. Remove the old Carbon Brushes and replace with the two accessory Carbon
Brushes. Replace the Brush Caps. (Figure L)
Figure K
44 43
SKU 43585 For technical questions, please call 1-800-444-3353. Page 11
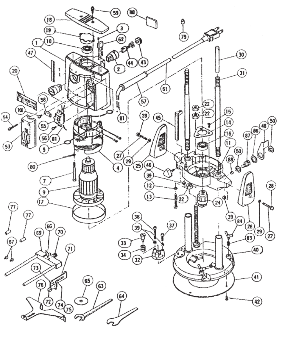
PARTS LIST
traPnoitpircseDtraPnoitpircseD
1ylbmessAgnisuoH54eloPreppotS
2redloHhsurB64bonK
3wercSteStekcoSnogaxeH74elacS
4ylbmessArotatS84reveLkcoL
5lanimreThsu
rB05gniRgniniateRepyT-E
7wercSgnippaT35revoChctiwS
9erutamrA45wercSgnippaT
01gniraeBllaB55hctiwS
11ylbmessAtekcarBdnE6
5wercSgnippaT
21rehsaWkcoLgnirpS75romrAdroC
31wercSgnippaT85pilCdroC
41revoCgniraeB95egnalF/wwercSgnippaT
51wercSdae
HtalF16droC
61gniraeBllaB26rosserppuSesioN
71rotalusnI36)mm32(hcnerW
81revoCdnE46)mm12(hcnerW
91gnihsuBgniraeB56ediuGet
alpmeT
02etalPemaN66tloBgniW
22tuNkcoL76wercSenihcaM
42kcuhCtelloC96redloHraB
52)L(eldnaH07wercSdeeF
62)R(eldnaH17ylbmess
AediuGremmirT
72wercSenihcaM27relloR
82rehsaWkcoLgnirpS37etalPteS
92rehsaWtloB47rehsaWtloB
03ediuGgnirpS57tloBgniW
13gn
irpS67ediuGthgiartS
23kcolBreppotS77eveelSkcuhC
33wercSgnippaTfleS97rotcennoC
43gnirpS08eriWlanretnI
73wercSenihcaM18la
nimreT
83wercSenihcaM38gnirpSkcoL
93tuN48tloBgniW
04ylbmessAesaB68rehsaWevaW
14esaBbuS78wercSkcoL
24wercSdaeHtalF88eceiPk
coL
34paChsurB301troppuS
44hsurBnobraC801wercSgnippaT
REV 01/05
PLEASE READ THE FOLLOWING CAREFULLY
THE MANUFACTURER AND/OR DISTRIBUTOR HAS PROVIDED THE PARTS DIAGRAM IN
THIS MANUAL AS A REFERENCE TOOL ONLY. NEITHER THE MANUFACTURER NOR DISTRIBUTOR
MAKES ANY REPRESENTATION OR WARRANTY OF ANY KIND TO THE BUYER THAT HE OR SHE IS
QUALIFIED TO MAKE ANY REPAIRS TO THE PRODUCT OR THAT HE OR SHE IS QUALIFIED TO
REPLACE ANY PARTS OF THE PRODUCT. IN FACT, THE MANUFACTURER AND/OR DISTRIBUTOR
EXPRESSLY STATES THAT ALL REPAIRS AND PARTS REPLACEMENTS SHOULD BE UNDERTAKEN
BY CERTIFIED AND LICENSED TECHNICIANS AND NOT BY THE BUYER. THE BUYER ASSUMES
ALL RISK AND LIABILITY ARISING OUT OF HIS OR HER REPAIRS TO THE ORIGINAL PRODUCT OR
REPLACEMENT PARTS THERETO, OR ARISING OUT OF HIS OR HER INSTALLATION OF REPLACE-
MENT PARTS THERETO.
SKU 43585 For technical questions, please call 1-800-444-3353. Page 12
ASSEMBLY DIAGRAM
NOTE: Some parts are listed and shown for illustration purposes only, and are
not available individually as replacement parts.
REV 01/05

Navigation menu