Harbor Freight 67536 Owner S Manual
2014-07-05
: Harbor-Freight Harbor-Freight-67536-Owner-S-Manual harbor-freight-67536-owner-s-manual harbor-freight pdf
Open the PDF directly: View PDF
.
Page Count: 16

3-1/2 CUBIC FT. CEMENT MIXER
Model
67536
SET UP AND OPERATING INSTRUCTIONS
Visit our website at: http://www.harborfreight.com
Read this material before using this product.
Failure to do so can result in serious injury.
SAVE THIS MANUAL.
Copyright© 2009 by Harbor Freight Tools®. All rights reserved. No portion of this manual or any artwork
contained herein may be reproduced in any shape or form without the express written consent of
Harbor Freight Tools. Diagrams within this manual may not be drawn proportionally. Due to continuing
improvements, actual product may differ slightly from the product described herein. Tools required for
assembly and service may not be included.
For technical questions or replacement parts, please call 1-800-444-3353.
Rev 09j

Page 2For technical questions, please call 1-800-444-3353.SKU 67536
SAVE THIS MANUAL
Keep this manual for the safety warnings
and precautions, assembly, operating,
inspection, maintenance and cleaning
procedures. Write the product’s serial number
in the back of the manual near the assembly
diagram (or month and year of purchase if
product has no number). Keep this manual
and the receipt in a safe and dry place for
future reference.
IMPORTANT SAFETY
INFORMATION
In this manual, on the labeling, and
all other information provided with
this product:
This is the safety alert
symbol. It is used to alert
you to potential personal
injury hazards. Obey all
safety messages that follow
this symbol to avoid possible
injury or death.
DANGER indicates a
hazardous situation
which, if not avoided, will result
in death or serious injury.
WARNING indicates a
hazardous situation
which, if not avoided, could
result in death or serious injury.
CAUTION, used with
the safety alert
symbol, indicates a hazardous
situation which, if not avoided,
could result in minor or moderate
injury.
NOTICE is used to
address practices not
related to personal injury.
CAUTION, without the
safety alert symbol, is
used to address practices not
related to personal injury.
General Tool Safety Warnings
WARNING Read all safety warnings
and instructions. Failure to follow the
warnings and instructions may result
in electric shock, re and/or serious
injury.
Save all warnings and instructions
for future reference.
DO NOT OVERLOAD MIXER. An 1.
overload can damage equipment.
DO NOT MOVE MIXER DURING 2.
OPERATION. The Mixer can tip over or
motor could be damaged.
KEEP SAFE CLEARANCE AROUND 3.
MIXER. Keep all persons (except
operator) at least six feet from Mixer
during operation.
KEEP WORK AREA CLEAN. Cluttered 4.
areas and benches invite accidents.
DON’T USE IN DANGEROUS 5.
ENVIRONMENT. Don’t use power tools
in damp or wet locations, or expose them
to rain. Keep work area well lighted.
KEEP CHILDREN AWAY. All visitors 6.
should be kept safe distance from work
area.
MAKE WORKSHOP KID PROOF 7.
with padlocks, master switches, or by
removing starter keys.
DON’T FORCE TOOL. It will do the job 8.
better and safer at the rate for which it
was designed.

Page 3For technical questions, please call 1-800-444-3353.SKU 67536
USE RIGHT TOOL. Don’t force tool or 9.
attachment to do a job for which it was
not designed.
RECOMMENDED MINIMUM WIRE
GAUGE FOR EXTENSION CORDS
(120 VOLT)
NAMEPLATE
AMPERES
(at full load)
EXTENSION CORD
LENGTH
25’ 50’ 100’ 150’
0 – 6 18 16 16 14
6.1 – 10 18 16 14 12
10.1 – 12 16 16 14 12
12.1 – 16 14 12 Do not use.
TABLE A
USE PROPER EXTENSION CORD. 10.
Make sure your extension cord is in good
condition. When using an extension
cord, be sure to use one heavy enough
to carry the current your product will
draw. An undersized cord will cause a
drop in line voltage resulting in loss of
power and overheating. Table A shows
the correct size to use depending on
cord length and nameplate ampere
rating. If in doubt, use the next heavier
gauge. The smaller the gauge number,
the heavier the cord.
WEAR PROPER APPAREL. Do not wear 11.
loose clothing, gloves, neckties, rings,
bracelets, or other jewelry which may get
caught in moving parts. Nonslip footwear
is recommended. Wear protective hair
covering to contain long hair.
ALWAYS USE SAFETY GLASSES. Also 12.
use face or dust mask if cutting operation
is dusty. Everyday eyeglasses only have
impact resistant lenses, they are NOT
safety glasses.
SECURE WORK. Use clamps or a vise 13.
to hold work when practical. It’s safer
than using your hand and it frees both
hands to operate tool.
DON’T OVERREACH. Keep proper 14.
footing and balance at all times.
MAINTAIN TOOLS WITH CARE. Keep 15.
tools sharp and clean for best and safest
performance. Follow instructions for
lubricating and changing accessories.
DISCONNECT TOOLS before servicing; 16.
when changing accessories, such as
blades, bits, cutters, and the like.
REDUCE THE RISK OF 17.
UNINTENTIONAL STARTING. Make
sure switch is in off position before
plugging in.
NEVER STAND ON TOOL. Serious 18.
injury could occur if the tool is tipped
or if the cutting tool is unintentionally
contacted.
CHECK DAMAGED PARTS. Before 19.
further use of the tool, a guard or other
part that is damaged should be carefully
checked to determine that it will operate
properly and perform its intended
function – check for alignment of moving
parts, binding of moving parts, breakage
of parts, mounting, and any other
conditions that may affect its operation.
A guard or other part that is damaged
should be properly repaired or replaced.
NEVER LEAVE TOOL RUNNING 20.
UNATTENDED. TURN POWER OFF.
Don’t leave tool until it comes to a
complete stop.
GROUNDING INSTRUCTIONS
TO PREVENT
ELECTRIC SHOCK
AND DEATH FROM INCORRECT
GROUNDING WIRE
CONNECTION
READ AND FOLLOW THESE
INSTRUCTIONS:

Page 4For technical questions, please call 1-800-444-3353.SKU 67536
110-120 V~ Grounded Tools: Tools
with Three Prong Plugs
In the event of a malfunction or 1.
breakdown, grounding provides a path
of least resistance for electric current
to reduce the risk of electric shock.
This tool is equipped with an electric
cord having an equipment-grounding
conductor and a grounding plug. The
plug must be plugged into a matching
outlet that is properly installed and
grounded in accordance with all local
codes and ordinances.
Do not modify the plug provided – if it will 2.
not t the outlet, have the proper outlet
installed by a qualied electrician.
Improper connection of the equipment-3.
grounding conductor can result in a risk
of electric shock. The conductor with
insulation having an outer surface that
is green with or without yellow stripes is
the equipment-grounding conductor. If
repair or replacement of the electric cord
or plug is necessary, do not connect the
equipment-grounding conductor to a live
terminal.
Check with a qualied electrician or 4.
service personnel if the grounding
instructions are not completely
understood, or if in doubt as to whether
the tool is properly grounded.
Use only 3-wire extension cords that 5.
have 3-prong grounding plugs and
3-pole receptacles that accept the tool’s
plug.
Repair or replace damaged or worn cord 6.
immediately.
125 V~ 3-Prong Plug and Outlet
(for up to 125 V~ and up to 15 A)
Grounding
Pin
This tool is intended for use on a circuit 7.
that has an outlet that looks like the one
illustrated above in 125 V~ 3-Prong
Plug and Outlet. The tool has a
grounding plug that looks like the plug
illustrated above in 125 V~ 3-Prong
Plug and Outlet.
The outlet must be properly installed and 8.
grounded in accordance with all codes
and ordinances.
Do not use an adapter to connect this 9.
tool to a different outlet.
110-120 V~ Double Insulated Tools:
Tools with Two Prong Plugs
Outlets for 2-Prong Plug
To reduce the risk of electric shock, 1.
double insulated equipment has a
polarized plug (one blade is wider than
the other). This plug will t in a polarized
outlet only one way. If the plug does not
t fully in the outlet, reverse the plug.
If it still does not t, contact a qualied

Page 5For technical questions, please call 1-800-444-3353.SKU 67536
electrician to install the proper outlet. Do
not change the plug in any way.
Double insulated tools may be used in 2.
either of the 120 volt outlets shown in the
preceding illustration. (See Outlets for
2-Prong Plug.)
Mixer Safety Warnings
FOR CEMENT AND MORTAR ONLY. 1.
DO NOT USE WITH EPOXY 2-PART
RESIN MIX.
DO NOT OPERATE WITH ANY 2.
GUARD DISABLED, DAMAGED, OR
REMOVED. Moving guards must
move freely and close instantly.
When servicing use only identical 3.
replacement parts.
Only use safety equipment that has been 4.
approved by an appropriate standards
agency. Unapproved safety equipment
may not provide adequate protection.
Eye protection must be ANSI-approved
and breathing protection must be
NIOSH-approved for the specic hazards
in the work area.
Industrial applications must follow OSHA 5.
guidelines.
Maintain labels and nameplates on 6.
the tool. These carry important safety
information. If unreadable or missing,
contact Harbor Freight Tools for a
replacement.
Avoid unintentional starting. Prepare to 7.
begin work before turning on the tool.
People with pacemakers should 8.
consult their physician(s) before use.
Electromagnetic elds in close proximity
to heart pacemaker could cause
pacemaker interference or pacemaker
failure.
WARNING: Some dust created by power 9.
sanding, sawing, grinding, drilling, and
other construction activities, contains
chemicals known [to the State of
California] to cause cancer, birth defects
or other reproductive harm. Some
examples of these chemicals are:
• Lead from lead-based paints
• Crystalline silica from bricks and
cement or other masonry products
• Arsenic and chromium from chemically
treated lumber
Your risk from these exposures varies,
depending on how often you do this type
of work. To reduce your exposure to
these chemicals: work in a well ventilated
area, and work with approved safety
equipment, such as those dust masks
that are specially designed to lter out
microscopic particles. (California Health
& Safety Code § 25249.5, et seq.)
WARNING: Handling the cord on this 10.
product will expose you to lead, a
chemical known to the State of California
to cause cancer, and birth defects or
other reproductive harm. Wash hands
after handling. (California Health &
Safety Code § 25249.5, et seq.)
The warnings, precautions, and 11.
instructions discussed in this instruction
manual cannot cover all possible
conditions and situations that may occur.
It must be understood by the operator
that common sense and caution are
factors which cannot be built into this
product, but must be supplied by the
operator.
Vibration Safety
This tool vibrates during use. Repeated
or long-term exposure to vibration may
cause temporary or permanent physical
injury, particularly to the hands, arms

Page 6For technical questions, please call 1-800-444-3353.SKU 67536
and shoulders. To reduce the risk of
vibration-related injury:
Anyone using vibrating tools regularly 1.
or for an extended period should rst
be examined by a doctor and then have
regular medical check-ups to ensure
medical problems are not being caused
or worsened from use. Pregnant
women or people who have impaired
blood circulation to the hand, past hand
injuries, nervous system disorders,
diabetes, or Raynaud’s Disease should
not use this tool. If you feel any medical
or physical symptoms related to vibration
(such as tingling, numbness, and white
or blue ngers), seek medical advice as
soon as possible.
Do not smoke during use. Nicotine 2.
reduces the blood supply to the hands
and ngers, increasing the risk of
vibration-related injury.
Wear suitable gloves to reduce the 3.
vibration effects on the user.
Use tools with the lowest vibration when 4.
there is a choice between different
processes.
Include vibration-free periods each day 5.
of work.
To reduce vibration, maintain the tool 6.
as explained in this manual. If any
abnormal vibration occurs, stop use
immediately.
SAVE THESE
INSTRUCTIONS.
SPECIFICATIONS
Electrical Input 120 V~ / 60 Hz / 1/3 HP
Motor No Load Speed 1950 RPM
Drum Speed 36 RPM
Drum Capacity 3-1/2” Cubic Feet
Drum Opening 15”
UNPACKING
When unpacking, make sure that the
item is intact and undamaged. If any parts
are missing or broken, please call Harbor
Freight Tools at 1-800-444-3353 as soon as
possible.
INSTRUCTIONS FOR PUTTING
INTO USE
Read the ENTIRE IMPORTANT
SAFETY INFORMATION
section at the beginning of this
manual including all text under
subheadings therein before set up
or use of this product.
TO PREVENT
SERIOUS INJURY
FROM ACCIDENTAL
OPERATION:
Turn the Power Switch of the tool
to its “OFF” position and unplug
the tool from its electrical outlet
before assembling or making any
adjustments to the tool.
Note: For additional information regarding the
parts listed in the following pages, refer
to the Assembly Diagram near the end of
this manual.
Rev 09j

Page 7For technical questions, please call 1-800-444-3353.SKU 67536
Assembly/Mounting
Place the Stand (27) into the Triangular 1.
Bracket (29) so that bolt holes line up.
See Figure 1. Note: Set Stand on its
side for easier assembly.
Fasten together using Hex Bolts (61), 2.
Flat Washer (37) and Hex Flange
Nut (34). Tighten with a wrench (not
included) until secure.
Insert Support Bracket (26) onto Stand 3.
so that bolt holes line up. See Figure 2.
Fasten together using Hex Bolts (61), 4.
Flat Washer (37) and Hex Flange Nut
(34). Tighten with a wrench until secure.
Place Stand upright. 5.
To attach Wheels (65) to Wheel Bracket, 6.
slide Flat Washer (64), Wheels and
second Flat Washer onto Bracket axle.
Then Insert Cotter Pins (63) into the
Bracket’s axle holes and split the ends.
See Figure 3.
With assistance, set the Lower Drum 7.
(3) with attached Arm (22) into Stand
assembly. See Figure 4.
Fasten together using Hex Bolts (54), 8.
Flat Washer (37), and Hex Flange Nut
(34). Tighten with wrench until secure.
Use Hex Bolt (31) to mount Handle 9.
Control Plate (9) to Support Bracket (10).
Fasten together with a Flat Washer (32)
and two Hex Nuts (33).
Figure 1
Stand (27)
Wheel
Bracket (29)
Hex Bolts (61)
Flat Washer (37)
Hex Flange Nut
(34)
Figure 2
Hex Bolts (61)
Flat Washer (37)
Hex Flange Nut
(34)
Support Bracket (26)
Figure 3
Figure 3
Wheel
Bracket (29)
Cotter Pin
(63)
Flat
Washer
(64)
Figure 4
Lower Drum (3)
Arm (22)
Wheels
(65)

Page 8For technical questions, please call 1-800-444-3353.SKU 67536
Attach Control Handle (7) to Support 10.
Bracket (10) shaft by inserting the Coil
Spring into lower hole of Arm.
Press down on Arm until holes align on 11.
the Pinion Shaft (17).
Insert the Hex Bolt (31) and secure with 12.
Hex Nut (33).
Tighten to a point where the Arm can still 13.
move
Place a Locking Hex Bolt next to Hex 14.
Stud and secure. See Figure 5.
Use gasket sealer (not included) to stick 15.
the Rubber Gasket (2) to the Upper
Drum (1), making sure the holes in both
align. The Gasket must be at on the
Upper Drum to ensure a proper seal.
See Figure 6.
Place the Upper Drum onto the Lower 16.
Drum (3), making sure the mounting
holes align in both.
Insert the six Screws (40) into each 17.
mounting hole. Fasten Drums together
using Plastic Washers (39) and Hex
Flange Nuts (38).
Mount each Paddle (6) inside the 18.
assembled Drum with the pointed end
facing downward. The V-shaped bend in
the Paddles should point in the direction
of the Drum rotation (clockwise).
Fasten Paddle to Drums using the Hex 19.
Bolt (35), Washer (5), and Hex Flange
Nut (34).
Use the Hex Bolt (55), Flat Washer (37), 20.
and Hex Flange Nut (34) to mount the
Motor Hood (20) to the Support Bracket
(10). See Figure 7.
Using the Hex Bolt (58), Flat Washer 21.
(48), Hex Nut (38) and Clamp (28) to
attach the Motor Bracket (25) to the
Motor Hood. See Figure 8. Tighten
connections until secure.
Figure 5
Spiral Spring (8)
Hex Nut (33)
Flat
Washers
(32)
Hex Bolt (31)
Handle Control Plate (9)
Control Handle (7)
Figure 6
Upper
Drum
(1)
Rubber
Gasket
(2)
Figure 7
Motor Bracket (25)
Hex
Flange
Nut (38)
Hex Bolts (55)
Pinion
Shaft (17)
Motor
Hood (20)

Page 9For technical questions, please call 1-800-444-3353.SKU 67536
Clean the Pinion Shaft of all plastic 22.
protective material and other debris.
Also clean out any debris from the Motor
Pulley’s (24) hub.
Smear a few drops of lubricating oil on 23.
the Pinion Shaft and Squarely push the
Drum Pulley (18) onto the Shaft so that
the groove in the Pulley engages the
Square Key (47). The Pulley should be
ush with the step on the Pinion Shaft.
See Figure 9.
Place the Motor (30) onto the Motor 24.
Bracket.
Use Hex Bolt (41), Flat Washer (37) and 25.
Hex Flange Nut (34) to secure the Motor
to the Motor Mount Plate. Hand-tighten
all four Hex Nuts since the motor will be
adjusted forward or backward later.
WARNING! 26. Do not hammer the Drum
Pulley onto the Pinion Shaft. Doing so
can damage the unit and possibly lead to
a loose tting Belt.
Once the Pulley is pushed in all the way, 27.
use an hex key wrench (not included) to
tighten the Screw (59) on the side of the
Pulley’s hub.
Attach the V-Belt (60) by placing it 28.
around the Motor Pulley (24) and then
over the Drum Pulley (18). Using a
at-edge screwdriver (not included),
push the Motor inward until the Motor is
directly under the Drum Pulley. Tighten
the Bolts securing the Motor to the Motor
Bracket (25).
Push the Motor downward until the Belt 29.
tension is tight. When proper V-Belt
(60) tension (see page 11 under “Belt
Inspection and Tensioning”) is achieved,
tighten the Hex Bolt (58).
Check if Motor and belt turns correctly. 30.
Hand turn the Drum Pulley and verify
that Motor Pulley and Drum Pulley do not
rub against any other part. Adjust Motor
location as needed.
Mount the Motor Cover (21) to the Motor 31.
Hood (20) using three Screws (40), Flat
Washers and Hex Flange Nuts (38). See
Figure 8.
CAUTION!32. Make sure that the power
cord from the Motor to the Switch (49)
does not come in contact with any
moving parts.
Motor
Cover
(21)
Hex Bolt
(58)
Flat
Washer
(48)
Clamp
(28) Figure 8
Figure 9
Motor
(30)
Motor
Bracket
(25)
Drum
Pulley
(18)
Pinion
Shaft
(17)

Page 10For technical questions, please call 1-800-444-3353.SKU 67536
Check all connections verify that all 33.
screws, nuts, and bolts are securely
tightened.
OPERATING INSTRUCTIONS
Read the ENTIRE IMPORTANT
SAFETY INFORMATION
section at the beginning of this
manual including all text under
subheadings therein before set up
or use of this product.
Tool Set Up
TO PREVENT
SERIOUS INJURY
FROM ACCIDENTAL
OPERATION:
Turn the Power Switch of the tool
to its “OFF” position and unplug
the tool from its electrical outlet
before performing any
inspection, maintenance, or
cleaning procedures.
TO PREVENT SERIOUS INJURY:
DO NOT OPERATE WITH ANY
GUARD DISABLED, DAMAGED,
OR REMOVED. Moving guards
must move freely and close
instantly.
Work Piece and Work Area Set Up
Designate a work area that is clean and 1.
well-lit. The work area must not allow
access by children or pets to prevent
distraction and injury.
Route the power cord along a safe 2.
path to reach the work area without
creating a tripping hazard or exposing
the power cord to possible damage. The
power cord must reach the work area
with enough extra length to allow free
movement while working.
There must not be objects, such as utility 3.
lines, nearby that will present a hazard
while working.
General Operating Instructions
Place the Concrete Mixer on a solid, 1.
even surface.
Connect the Power Cord (66) to 2.
an electric outlet (or properly rated
grounded three prong extension cord).
Add material to the Drum. Typical 3.
maximum quantities include: 2 gallons
water with 3 shovels of cement and 15
shovels aggregate rock (using a size 3
shovel, not included.)
Adjust the Drum angle by pulling on the 4.
Control Handle (7). First, disengage the
locking pins on the Arm (22) and push on
Arm until the desired angle is reached.
Re-engage the locking pins.
Flip the switch (49) to “ON” (I) position.5.
Once materials are mixed, tilt Drum and 6.
dump materials where needed. The
materials are dumped while the Drum is
rotating.
When nished, ip the Switch to the 7.
“OFF” (O) position and disconnect the
power cord.
Tilt the Drum angle as far down as 8.
possible to drain all uids from Drum.
Clean, then store indoors and out of 9.
children’s reach.

Page 11For technical questions, please call 1-800-444-3353.SKU 67536
MAINTENANCE AND
SERVICING
Proceduresnotspecically
explained in this manual must
beperformedonlybyaqualied
technician.
TO PREVENT
SERIOUS INJURY
FROM ACCIDENTAL
OPERATION:
Turn the Power Switch of the tool
to its “OFF” position and unplug
the tool from its electrical outlet
before performing any
inspection, maintenance, or
cleaning procedures.
TO PREVENT SERIOUS INJURY
FROM TOOL FAILURE:
Do not use damaged equipment.
If abnormal noise or vibration
occurs, have the problem
corrected before further use.
Cleaning, Maintenance, and
Lubrication
BEFORE EACH USE,1. inspect the
general condition of the tool. Check for
loose hardware, misalignment or binding
of moving parts, cracked or broken parts,
damaged electrical wiring, damaged or
cracked belts, and any other condition
that may affect its safe operation.
AFTER USE,2. immediately wash out all
debris from the inside and outside of the
Cement Mixer. Scrub the inside of the
Drum with a stiff, long handled bristle
brush for best results. Wipe external
surfaces of the tool with clean cloth. I
DO NOT apply water in or around the 3.
Motor Base Cover
PERIODICALLY 4. recheck all fasteners
and other connections for tightness.
5. WARNING! If the supply cord of
this power tool is damaged, it must be
replacedonlybyaqualiedservice
technician.
Belt Inspection and Tensioning
Retighten belt after the rst 25 hours of 1.
use. To test the tension, follow the steps
below.
Remove belt cover.2.
Examine belt for cracks, tears in the 3.
backing, or other damage. Replace belt
if damaged according to steps below:
Loosen the motor bracket bolts and a.
slide the bracket up as far as possible.
Slide the old belt off of the larger pulley b.
rst, then remove it from the motor
pulley.
Put the new belt around the small pulley c.
rst, then around the large pulley.
Move the motor bracket down the belt d.
until it is properly tensioned according to
the directions below. Tighten the motor
bracket bolts.
Check and adjust belt tension according 4.
to the steps below:
Deection
Distance
Press on the center of the longest a.
span on the belt with moderate
nger pressure. Then measure the
deection distance, the distance that
the belt moved. The belt should deect
anywhere from 1/2” to 3/4”.
= 1/2” to 3/4”

Page 12For technical questions, please call 1-800-444-3353.SKU 67536
Troubleshooting
Problem Possible Causes Likely Solutions
Tool will not start. Cord not connected.1.
No power at outlet. 2.
Internal damage or wear. 3.
Check that cord is plugged in.1.
Check power at outlet. If outlet is unpowered, 2.
turn off tool and check circuit breaker. If breaker
is tripped, make sure circuit has the correct
capacity for the tool and circuit has no other
loads.
Have technician service tool.3.
Tool operates slowly. Extension cord too long or wire size
too small.
Eliminate use of extension cord. If an extension
cord is needed, use shorter/heavier gauge cord.
See Extension Cords in GROUNDING section.
Excessive noise or
rattling.
Belt (if equipped) too loose 1.
(slipping) or too tight (bearing
damage).
Internal damage or wear. 2.
Properly tension belt. 1.
Have technician service tool.2.
Overheating/
Overloading.
Running at 100% load for 1.
extended time.
Blocked motor housing vents. 2.
Motor being strained by long or 3.
small diameter extension cord.
Allow for lighter no-load intervals. 1.
Wear ANSI-approved safety goggles and NIOSH-2.
approved dust mask/respirator while blowing dust
out of motor using compressed air.
Eliminate use of extension cord. If an extension 3.
cord is needed, use one with the proper diameter
for its length and load. See Extension Cords in
GROUNDING section.
Follow all safety precautions whenever diagnosing or servicing the tool.
Disconnect power supply before service.
Ifthebeltdeectstoomuch,b. tighten
belt by loosening the motor mounting
bolts and moving the motor away from
the other pulley slightly. Secure motor
mounting bolts and retest tension. If the
belt is too long to be properly tensioned,
it must be replaced.
Ifthebeltdeectstoolittle,c. loosen the
motor bracket bolts and lift it upward.
Secure motor mounting bracket and
retest tension.
Before use, replace belt motor cover.5.

Page 13For technical questions, please call 1-800-444-3353.SKU 67536
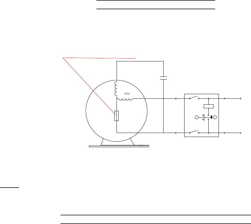
Wiring Connection Diagrams
Note: The motor may require wiring prior to use. For your safety, this work should be done
only by an electrician or qualied technician.
PLEASE READ THE FOLLOWING CAREFULLY
THE MANUFACTURER AND/OR DISTRIBUTOR HAS PROVIDED THE PARTS LIST AND ASSEMBLY
DIAGRAM IN THIS MANUAL AS A REFERENCE TOOL ONLY. NEITHER THE MANUFACTURER OR
DISTRIBUTOR MAKES ANY REPRESENTATION OR WARRANTY OF ANY KIND TO THE BUYER THAT HE
OR SHE IS QUALIFIED TO MAKE ANY REPAIRS TO THE PRODUCT, OR THAT HE OR SHE IS QUALIFIED
TO REPLACE ANY PARTS OF THE PRODUCT. IN FACT, THE MANUFACTURER AND/OR DISTRIBUTOR
EXPRESSLY STATES THAT ALL REPAIRS AND PARTS REPLACEMENTS SHOULD BE UNDERTAKEN BY
CERTIFIED AND LICENSED TECHNICIANS, AND NOT BY THE BUYER. THE BUYER ASSUMES ALL RISK
AND LIABILITY ARISING OUT OF HIS OR HER REPAIRS TO THE ORIGINAL PRODUCT OR REPLACEMENT
PARTS THERETO, OR ARISING OUT OF HIS OR HER INSTALLATION OF REPLACEMENT PARTS THERETO.
M
1
30UF/350V
120V
60HZ
CK-5
GREEN RED
1
3
2
4
CAPACITANCE
OVERLOAD
PROTECTOR
ELECTRICAL DIAGRAM
MODLE: CM120-M1
SUZHOU YMD
MACHINERY CO.,LTD

Page 14For technical questions, please call 1-800-444-3353.SKU 67536
Part Description Qty.
1 Upper Drum 1
2 Rubber Gasket 1
3 Lower Drum 1
4 Washer 8
5 Aluminum Washer 10
6 Saddle 2
7 Control Handle 1
8 Spiral Spring 1
9 Handle Control Plate 1
10 Support Bracket 1
11 Adjusting Washer 3
12 Shaft 1
13 Upper Bearing Plate 1
14 Nest Bearing Plate 1
15 Gear 1
16 Washer 2
17 Pinion Shaft 1
18 Drum Pulley 1
19 Washer 1
20 Motor Hood 1
21 Motor Cover 1
22 Arm 2
23 Washer 1
24 Motor Pulley 1
25 Motor Bracket 1
26 Support Bracket 11
27 Stand 1
28 Clamp 1
29 Wheel Bracket 1
30 Motor 1
31 Hex Bolt (M10x70) 1
32 Flat Washer 10 2
33 Hex Nut (M10) 2
Part Description Qty.
34 Hex Flange Nut (M8) 28
35 Hex Bolt (M8x20) 2
36 Set Screw (M8x16) 2
37 Flat Washer 8 18
38 Hex Flange Nut (M6) 11
39 Plastic Washer 6 7
40 Set Screw (M6x16) 10
41 Hex Bolt (M8x16) 12
42 C-Clip 38 4
43 Elastic Pin (5x35) 1
44 Bearing (#60102) 2
45 Bearing (#60206) 2
46 C-Clip 15 1
47 Square Key (5x28) 1
48 Flat Washer 6 5
49 Switch 5
50 Hex Nut (M4) 3
51 Toothed Elastic Washer 4 3
52 Flat Washer 4 3
53 Set Screw (M4x12) 3
54 Hex Bolt (M8x60) 4
55 Hex Bolt (M8x25) 4
56 Elastic Washer 14 1
57 Hex Bolt (M14x30) 1
58 Hex Bolt (M6x60) 2
59 Set Screw (5x12) 1
60 V-Belt O-850 1
61 Hex Bolt (M8x65) 4
62 Hex Bolt (M8x55) 2
63 Cotter Pin (5x45) 2
64 Flat Washer 25 4
65 Rubber Wheel 2
66 Power Cord 1
PARTS LIST

Page 15For technical questions, please call 1-800-444-3353.SKU 67536
ASSEMBLY DIAGRAM
34 5
35
36
37 34
6
5
4
41
1
2
3
39
40
38
34
6
37
36
35
34
5
31
32
7
33
13 45
45
14
34
53
52
51
50
49
38
40 48
20
21
40
39
19
47
18
42
46
16
44 17 44
16
15 43
12
11
42
9
8
57
56
23 10
66
63 64
65
64 29
34
25
37
30
25
60
41
24
59
54 37 34
38
34 22
37
55
28
48
58
55
37 22
34
37
54
61
37 34 62
37 34
64
65
64 63
27
34 37
62
34 37 61
26

Page 16For technical questions, please call 1-800-444-3353.SKU 67536
LIMITED 1 YEAR / 90 DAY WARRANTY
Harbor Freight Tools Co. makes every effort to assure that its products meet high quality
and durability standards, and warrants to the original purchaser that for a period of one year
from date of purchase that the tank is free of defects in materials and workmanship (90 days
if used by a professional contractor or if used as rental equipment). Harbor Freight Tools
also warrants to the original purchaser, for a period of ninety days from date of purchase,
that all other parts and components of the product are free from defects in materials and
workmanship. This warranty does not apply to damage due directly or indirectly to misuse,
abuse, negligence or accidents, repairs or alterations outside our facilities, normal wear and
tear, or to lack of maintenance. We shall in no event be liable for death, injuries to persons or
property, or for incidental, contingent, special or consequential damages arising from the use of
our product. Some states do not allow the exclusion or limitation of incidental or consequential
damages, so the above limitation of exclusion may not apply to you. THIS WARRANTY IS
EXPRESSLY IN LIEU OF ALL OTHER WARRANTIES, EXPRESS OR IMPLIED, INCLUDING
THE WARRANTIES OF MERCHANTABILITY AND FITNESS.
To take advantage of this warranty, the product or part must be returned to us with
transportation charges prepaid. Proof of purchase date and an explanation of the complaint
must accompany the merchandise. If our inspection veries the defect, we will either repair or
replace the product at our election or we may elect to refund the purchase price if we cannot
readily and quickly provide you with a replacement. We will return repaired products at our
expense, but if we determine there is no defect, or that the defect resulted from causes not
within the scope of our warranty, then you must bear the cost of returning the product.
This warranty gives you specic legal rights and you may also have other rights which
vary from state to state.
3491 Mission Oaks Blvd. • PO Box 6009 • Camarillo, CA 93011 • (800) 444-3353
Record Product’s Serial Number Here:
Note: If product has no serial number, record month and year of purchase instead.
Note: Some parts are listed and shown for illustration purposes only, and are not available
individually as replacement parts.