Harbor Freight 68029 Owner S Manual
Manual for the 68029 20 Gauge Wide Crown Air Stapler 68029 20 Gauge Wide Crown Stapler
2014-07-05
: Harbor-Freight Harbor-Freight-68029-Owner-S-Manual harbor-freight-68029-owner-s-manual harbor-freight pdf
Open the PDF directly: View PDF
.
Page Count: 16

20 GAUGE WIDE CROWN
AIR STAPLER
Model
68029
SET UP AND OPERATING INSTRUCTIONS
Visit our website at: http://www.harborfreight.com
Read and understand tool labels and
manual. Failure to follow warnings could
result in DEATH or SERIOUS INJURY.
SAVE THIS MANUAL.
Copyright© 2010 by Harbor Freight Tools®. All rights reserved. No portion of this manual or any artwork
contained herein may be reproduced in any shape or form without the express written consent of
Harbor Freight Tools. Diagrams within this manual may not be drawn proportionally. Due to continuing
improvements, actual product may differ slightly from the product described herein. Tools required for
assembly and service may not be included.
For technical questions or replacement parts, please call 1‑800‑444‑3353.

Page 2 For technical questions, please call 1‑800‑444‑3353. SKU 68029
SAVE THIS MANUAL
Keep this manual for the safety warnings
and precautions, assembly, operating,
inspection, maintenance and cleaning
procedures. Write the product’s serial number
in the back of the manual near the assembly
diagram (or month and year of purchase if
product has no number). Keep this manual
and the receipt in a safe and dry place for
future reference.
Safety Alert Symbol and Signal
Words
In this manual, on the labeling, and
all other information provided with
this product:
This is the safety alert
symbol. It is used to alert
you to potential personal
injury hazards. Obey all
safety messages that follow
this symbol to avoid possible
injury or death.
DANGER indicates a
hazardous situation
which, if not avoided, will result
in death or serious injury.
WARNING indicates a
hazardous situation
which, if not avoided, could
result in death or serious injury.
CAUTION, used with
the safety alert
symbol, indicates a hazardous
situation which, if not avoided,
could result in minor or moderate
injury.
NOTICE is used to
address practices not
related to personal injury.
CAUTION, without the
safety alert symbol, is
used to address practices not
related to personal injury.
Symbol Denitions
Symbol Property or statement
PSI Pounds per square inch of pressure
CFM Cubic Feet per Minute ow
SCFM Cubic Feet per Minute ow at standard
conditions
NPT National pipe thread, tapered
NPS National pipe thread, straight
WARNING marking concerning Risk of
Eye Injury. Wear ANSI-approved safety
goggles with side shields.
Warning marking concerning Risk of
Puncture Injury. Wear heavy-duty work
gloves.
Read the manual before set-up and/or
use.
WARNING marking concerning Risk of
Hearing Loss. Wear hearing protection.
WARNING marking concerning Risk
of Respiratory Injury. Wear NIOSH-
approved dust mask/respirator.
WARNING marking concerning Risk of
Explosion.
SAFETY INSTRUCTIONS
INSTRUCTIONS PERTAINING
TO A RISK OF FIRE, ELECTRIC
SHOCK, OR INJURY
TO PERSONS
Important Safety Instructions

Page 3For technical questions, please call 1‑800‑444‑3353.SKU 68029
WARNING – When using tools, basic
precautions should always be followed,
including the following:
General
a. To reduce the risks of electric shock,
re, and injury to persons, read all the
instructions before using the tool.
Work area
a. Keep the work area clean and well
lighted. Cluttered benches and dark
areas increase the risks of electric
shock, re, and injury to persons.
b. Do not operate the tool in explosive
atmospheres, such as in the presence
of ammable liquids, gases, or dust.
The tool is able to create sparks resulting
in the ignition of the dust or fumes.
c. Keep bystanders, children, and
visitors away while operating the tool.
Distractions are able to result in the loss
of control of the tool.
Personal safety
a. Stay alert. Watch what you are
doing and use common sense when
operating the tool. Do not use the
tool while tired or under the inuence
of drugs, alcohol, or medication. A
moment of inattention while operating
the tool increases the risk of injury to
persons.
b. Dress properly. Do not wear loose
clothing or jewelry. Contain long hair.
Keep hair, clothing, and gloves away
from moving parts. Loose clothes,
jewelry, or long hair increases the risk
of injury to persons as a result of being
caught in moving parts.
c. Avoid unintentional starting. Be
sure the trigger is released before
connecting to the air supply. Do not
carry the tool with your nger on the
trigger or connect the tool to the air
supply with the trigger pressed.
d. Do not overreach. Keep proper
footing and balance at all times.
Proper footing and balance enables
better control of the tool in unexpected
situations.
e. Use safety equipment. A
dust mask, non-skid safety
shoes and a hard hat must be
used for the applicable
conditions. Wear heavy-duty work
gloves during use.
f. Always wear eye protection.
Wear ANSI-approved safety
goggles with side shields.
g. Always wear hearing
protection when using the
tool. Prolonged exposure to
high intensity noise is able to
cause hearing loss.
h. Do not attach the hose or tool to your
body. Attach the hose to the structure to
reduce the risk of loss of balance if the
hose shifts.
i. Always assume that the tool contains
fasteners. Do not point the tool toward
yourself or anyone whether it contains
fasteners or not.
j. WARNING – Do not re fastener on
top of another fastener. This is able to
cause the fastener to be deected and
hit someone, or cause the tool to react
and result in a risk of injury to persons.
k. WARNING – Remove nger from the
trigger when not driving fasteners.

Page 4 For technical questions, please call 1‑800‑444‑3353. SKU 68029
Never carry the tool with nger on
trigger, the tool is able to re a fastener.
Tool use and care
a. Use clamps or another practical way
to secure and support the workpiece
to a stable platform. Holding the work
by hand or against the body is unstable
and can lead to loss of control.
b. Do not force the tool. Use the correct
tool for the application. The correct tool
will do the job better and safer at the rate
for which the tool is designed.
c. Do not use the tool if the trigger does
not turn the tool on or off. Any tool that
cannot be controlled with the trigger is
dangerous and must not be used until
repaired.
d. Disconnect the tool from the air
source before making adjustments,
doing tool maintenance, clearing
jams, touching the safety nosepiece,
leaving work area, loading, or
unloading the tool. Such precautionary
measures reduce the risk of injury to
persons.
e. Store the tool when it is idle out of
reach of children and other untrained
persons. A tool is dangerous in the
hands of untrained users.
f. Maintain the tool with care. A properly
maintained tool reduces the risk of
binding and is easier to control.
g. Check for misalignment or binding
of moving parts, breakage of parts,
and any other condition that affects
the tool’s operation. If damaged,
have the tool serviced before using.
Many accidents are caused by poorly
maintained tools. There is a risk of
bursting if the tool is damaged.
h. Use only accessories that are
identied by the manufacturer for
the specic tool model. Use of an
accessory not intended for use with the
specic tool model, increases the risk of
injury to persons.
i. Use only those fasteners listed in the
Specications chart of this manual.
Fasteners not identied for use with this
tool by the tool manufacturer are able to
result in a risk of injury to persons or tool
damage when used in this tool.
Service
a. Tool service must be performed only
by qualied repair personnel.
b. When servicing a tool, use only
identical replacement parts. Use only
authorized parts.
c. Use only the lubricants supplied
with the tool or specied by the
manufacturer.
Air source
a. Never connect to an air
source that is capable of
exceeding 200 PSI. Over
pressurizing the tool may
cause bursting, abnormal operation,
breakage of the tool or serious injury to
persons. Use only clean, dry, regulated
compressed air at the rated pressure or
within the rated pressure range as
marked on the tool. Always verify prior to
using the tool that the air source has
been adjusted to the rated air pressure
or within the rated air-pressure range.
b. Never use oxygen, carbon dioxide,
combustible gases or any bottled gas
as an air source for the tool. Such
gases are capable of explosion and
serious injury to persons.

Page 5For technical questions, please call 1‑800‑444‑3353.SKU 68029
SAVE THESE
INSTRUCTIONS.
SAFETY INSTRUCTIONS
1. Operators and others in work area
MUST wear ANSI‑approved safety
goggles with side shields during use.
The employer is responsible to enforce
the use of eye protection by the operator
and others in the work area.
2. Keep ngers away from trigger
when not driving fasteners to avoid
accidental ring.
3. Always assume the tool contains
fasteners.
4. Do not point the tool toward yourself or
anyone whether it contains fasteners or
not.
5. Do not actuate the tool unless the tool is
placed rmly against the workpiece.
6. Respect the tool as a working implement.
7. No horseplay. This tool is not a toy and
can be deadly if misused.
8. Do not load the tool with fasteners when
any one of the operating controls, such
as the Trigger is activated.
9. Do not remove, tamper with, or otherwise
cause the tool operating controls to
become inoperable.
10. Do not operate the tool if any portion of
the tool operating controls is inoperable,
disconnected, altered, or not working
properly.
11. Disconnect the tool from the air supply
when:
a. Unattended.
b. Performing any maintenance or repair.
c. Clearing a jam.
d. Moving the tool to a new location.
12. Do not make any modications to this
tool.
13. Refer to the tool maintenance
instructions for detailed information on
the proper maintenance of the tool.
14. Fire fasteners into an appropriate
work surface only. Do not attempt to
re fasteners into surfaces too hard to
penetrate. Do not drive fasteners on top
of other fasteners, or at too steep of an
angle. Fasteners can ricochet causing
personal injury.
15. Do not re fasteners too close to the
edge of a workpiece. They may split the
workpiece and y free, causing personal
injury.
16. Keep clear of the workpiece near the
area being fastened. Fasteners may
bend sideways during ring, causing
them to exit the workpiece at an
unexpected point, causing personal
injury.
17. Transport tool safely. Always disconnect
air supply when moving the tool. Carry
the tool by the handle and avoid contact
with the trigger.
18. Hold tool away from head and body.
During operation the tool may kick back
causing injury.
19. Do not re fasteners into a workpiece
that has people, utility lines, or other
objects behind or inside it.
20. Keep balance while using this tool.
Keep area below clear if working in
an elevated location, and secure air
hose to prevent falls from bystanders
accidentally pulling on it.
Specic Safety Instructions

Page 6 For technical questions, please call 1‑800‑444‑3353. SKU 68029
21. Obey the manual for the air compressor
used to power this tool.
22. Install an in-line shutoff valve to allow
immediate control over the air supply
in an emergency, even if a hose is
ruptured.
23. Do not engrave or stamp anything into
the housing to avoid weakening it.
24. WARNING: Some dust created by
power sanding, sawing, grinding,
drilling, and other construction activities,
contains chemicals known [to the State
of California] to cause cancer, birth
defects or other reproductive harm.
Some examples of these chemicals are:
• Lead from lead-based paints
• Crystalline silica from bricks and
cement or other masonry products
• Arsenic and chromium from chemically
treated lumber
Your risk from these exposures varies,
depending on how often you do this type
of work. To reduce your exposure to
these chemicals: work in a well ventilated
area, and work with approved safety
equipment, such as those dust masks
that are specially designed to lter out
microscopic particles. (California Health
& Safety Code § 25249.5, et seq.)
WARNING: The brass components of
this product contain lead, a chemical
known to the State of California to cause
birth defects (or other reproductive
harm). (California Health & Safety code
§ 25249.5, et seq.)
25. The warnings and precautions discussed
in this manual cannot cover all possible
conditions and situations that may occur.
It must be understood by operator that
common sense and caution are factors
which cannot be built into this product,
but must be supplied by the operator.
Vibration Precautions
This tool vibrates during use. Repeated
or long-term exposure to vibration may cause
temporary or permanent physical injury,
particularly to the hands, arms and shoulders.
To reduce the risk of vibration-related injury:
1. Anyone using vibrating tools regularly
or for an extended period should rst
be examined by a doctor and then have
regular medical check-ups to ensure
medical problems are not being caused
or worsened from use. Pregnant
women or people who have impaired
blood circulation to the hand, past hand
injuries, nervous system disorders,
diabetes, or Raynaud’s Disease
should not use this tool. If you feel any
symptoms related to vibration (such as
tingling, numbness, and white or blue
ngers), seek medical advice as soon as
possible.
2. Do not smoke during use. Nicotine
reduces the blood supply to the hands
and ngers, increasing the risk of
vibration-related injury.
3. Wear suitable gloves to reduce the
vibration effects on the user.
4. Use tools with the lowest vibration when
there is a choice between different
processes.
5. Include vibration-free periods each day
of work.
6. Grip tool as lightly as possible (while still
keeping safe control of it). Let the tool
do the work.
7. To reduce vibration, maintain tool as
explained in this manual. If abnormal
vibration occurs, stop immediately.
SAVE THESE
INSTRUCTIONS.

Page 7For technical questions, please call 1‑800‑444‑3353.SKU 68029
Specications
Operating Air
Pressure 70-120 PSI
Max. Air Pressure 120 PSI
Air Inlet 1/4” -18 NPT
Fastener Type Arrow T-50 Staples; 7/16”
Width Crown, 5/32" to 5/8" L
Magazine Capacity 100 Staples
Components and Controls
INITIAL ASSEMBLY
Read the ENTIRE IMPORTANT
SAFETY INFORMATION
section at the beginning of this
manual including all text under
subheadings therein before set up
or use of this product.
Note: For additional information regarding the
parts listed in the following pages, refer
to the Assembly Diagram near the end of
this manual.
Unpacking
When unpacking, make sure that the
item is intact and undamaged. If any parts
are missing or broken, please call Harbor
Freight Tools at 1-800-444-3353 as soon as
possible.
• This air tool may be shipped with a
protective plug covering the air inlet.
Remove this plug before set up.
Air Supply
TO PREVENT
EXPLOSION:
Use only clean, dry, regulated,
compressed air to power this
tool. Do not use oxygen, carbon
dioxide, combustible gases, or
any other bottled gas as a power
source for this tool.
1. Connect a regulator valve, an in-line
shut off valve and 1/4” NPT (all sold
separately) to the Quick Coupler.
Use threaded tape for all threaded
connections. The air hose must be
long enough to reach the work area
with enough extra length to allow free
movement while working. An in‑line
shutoff ball valve is an important
safety device because it controls
the air supply even if the air hose is
ruptured. The shutoff valve should be
a ball valve because it can be closed
quickly. See pages 8 and 9 for Air
Tool Setup procedures.
Note: If an automatic oiler system is not
used, add a few drops of Pneumatic
Tool Oil into the airline connection before
operation. Add a few more drops after
each hour of continual use.
2. Attach an air hose to the compressor’s
air outlet. Connect the air hose to the air
inlet of the tool. Other components, such
Trigger (31)
Exhaust Deector (3) Air Inlet
Plug (58)
Magazine
Release (49)
Drive
Guide (35)
Initial Tool Setup/Assembly
Functional Description

Page 8 For technical questions, please call 1‑800‑444‑3353. SKU 68029
Description Function
A Air Hose Connects air to tool
B Filter Prevents dirt and condensation from damaging tool or work piece
C Regulator Adjusts air pressure to tool
D Lubricator (optional) For air tool lubrication
E Coupler and Plug Provides each connections
F Leader Hose (optional) Increases coupler life
G Air Cleaner / Dryer (optional) Prevents water vapor from damaging work piece
H Air Adjusting Valve (optional) For ne tuning airow at tool
G
A
E
E H
F
B
Non-lubricated
Tools
Lubricated
Tools
A
B
C
C
DA
Air Tool & Spray Gun Portable Setup

Page 9For technical questions, please call 1‑800‑444‑3353.SKU 68029
Description Function
A Vibration Pads For noise and vibration reduction
B Anchor Bolts Secures air compressor in place
C Ball Valve Isolates sections of system for maintenance
D Isolation Hose For vibration reduction
E Main Air Line - 3/4” minimum recommended Distributes air to branch lines
F Ball Valve To drain moisture from system
G Branch Air Line -1/2” minimum recommended Brings air to point of use
H Filter Prevents dirt and condensation from damaging tool or work piece
I Air Cleaner / Dryer (optional) Prevents water vapor from damaging work piece
J Regulator Adjusts air pressure to tool
K Lubricator For air tool lubrication
L Air Hose Connects air to tool
M Coupler and Plug Provides each connections
NAir Adjusting Valve For ne tuning airow at tool
O Leader Hose Increases coupler life
I
M
M N
O
C
C
Non-lubricated
Tools
Lubricated
Tools
L
H
H
J
JKL
F
G
E
Slope
F
F
B B
A A
CD
Air Tool & Spray Gun Stationary Setup

Page 10 For technical questions, please call 1‑800‑444‑3353. SKU 68029
as a coupler plug and quick coupler, will
make operation more efcient, but are
not required.
WARNING! TO PREVENT SERIOUS
INJURY FROM ACCIDENTAL
OPERATION: Do not install a quick
coupler on the tool. A coupler contains
an air valve that will allow the air tool to
retain pressure and operate accidentally
after the air supply is disconnected.
Note: Air ow, and therefore tool
performance, can be hindered by
undersized air supply components.
3. The air hose must be long enough to
reach the work area with enough extra
length to allow free movement while
working.
4. Release the Trigger.
5. Close the in-line safety valve between
the compressor and the tool.
6. Turn on the air compressor according to
the manufacturer’s directions and allow it
to build up pressure until it cycles off.
7. Adjust air compressor’s output regulator
so that air output is enough to properly
power the tool, but the output will not
exceed the tool’s maximum air pressure
at any time. Adjust the pressure
gradually, while checking the air output
gauge to set the right pressure range.
8. The air pressure setting must not exceed
job site regulations/restrictions. The air
pressure setting must not exceed 90 PSI
when being used with work pieces that
have a thickness of less than 1-3/4”.
9. Inspect the air connections for leaks.
Repair any leaks found.
10. If the tool will not be used at this time,
turn off and detach the air supply, safely
discharge any residual air pressure, and
release the Trigger to prevent accidental
operation.
Note: Residual air pressure should not be
present after the tool is disconnected
from the air supply. However, it is a
good safety measure to attempt to
discharge the tool in a safe fashion after
disconnecting to ensure that the tool is
disconnected and unpowered.
OPERATING INSTRUCTIONS
Read the ENTIRE IMPORTANT
SAFETY INFORMATION
section at the beginning of this
manual including all text under
subheadings therein before set up
or use of this product.
Inspect tool before use, looking
for damaged, loose, and missing
parts. If any problems are found,
do not use tool until repaired.
Work Piece and Work Area Set Up
1. Designate a work area that is clean and
well-lit. The work area must not allow
access by children or pets to prevent
distraction and injury.
2. Route the air hose along a safe path to
reach the work area without creating a
tripping hazard or exposing the air hose
to possible damage. The air hose must
be long enough to reach the work area
with enough extra length to allow free
movement while working.
3. Secure loose workpieces using a vise
or clamps (not included) to prevent
movement while working.
4. There must not be hazardous objects
(such as utility lines or foreign objects)
nearby that will present a hazard while
working.
Operating Instructions

Page 11For technical questions, please call 1‑800‑444‑3353.SKU 68029
Loading the Tool
TO PREVENT
SERIOUS INJURY
FROM ACCIDENTAL OPERATION,
BEFORE LOADING:
• Wear ANSI‑approved safety
goggles with side shields. Other
people in the work area must also
wear ANSI-approved impact safety
goggles with side shields.
• Release the trigger.
• Detach the air supply.
• Attempt to re the Tool into a
piece of scrap wood to ensure
that it is incapable of ring any
fasteners.
1. Rotate Trigger Safety Lock inward to
prevent accidental ring.
2. Only use the proper size and type of
staple with this tool.
3. Depress the Magazine Release to
open Magazine. Open the Magazine
completely.
4. Turn the Stapler upside down. Place a
full clip of staples inside the Magazine
so the pointed ends of the staples are
directed away from the tool.
5. Keep ngers clear while sliding the
Magazine closed until it clicks shut.
6. Rotate Exhaust Deector to redirect
exhaust air away from you.
General Operating Instructions
1. Test the Tool before each use.
2. If an automatic oiler is not used, add a
few drops of Pneumatic Tool Oil to the
airline connection before use. Add a few
drops more after each hour of continual
use.
3. CAUTION! Place the Drive Guide
against the surface you wish to staple.
Be sure to keep your hands, ngers and
other body parts away from the Nozzle.
4. Depress the Trigger to activate the
Stapler.
5. If the tool requires more force to
accomplish the task, verify that the
tool receives sufcient, unobstructed
airow (CFM) and increase the pressure
(PSI) output of the regulator up to the
maximum air pressure rating of this tool.
CAUTION! TO PREVENT TOOL AND
ACCESSORY FAILURE, RESULTING
IN INJURY: Do not exceed the tool’s
maximum air pressure rating of
120 PSI. If the tool still does not have
sufcient force at maximum pressure
and sufcient airow, then a larger tool
may be required.
6. After use, to prevent accidents:
a. Release the Trigger.
b. Detach the air supply.
c. Attempt to re the Tool into a piece
of scrap wood to ensure that it is
disconnected and is incapable of
ring any fasteners.
d. Release the Trigger again.
e. Clean external surfaces with clean,
dry cloth.
f. Store indoors and out of reach of
children and unauthorized people.

Page 12 For technical questions, please call 1‑800‑444‑3353. SKU 68029
USER‑INSTRUCTIONS
Procedures not specically
explained in this manual must
be performed only by a qualied
technician.
TO PREVENT
SERIOUS INJURY
FROM ACCIDENTAL OPERATION,
BEFORE ANY MAINTENANCE OR
REPAIRS ARE DONE (including
clearing jams):
• Wear ANSI‑approved safety
goggles with side shields. Other
people in the work area must also
wear ANSI-approved impact safety
goggles with side shields.
• Release the Trigger.
• Detach the air supply.
• Empty the magazine and leave
it open during service. The
Magazine is spring‑loaded and
may cause parts or a fastener to
y out of the Tool.
TO PREVENT SERIOUS INJURY
FROM TOOL FAILURE:
Do not use damaged equipment.
If abnormal noise, vibration, or
leaking air is detected, have the
problem corrected before further
use.
TO PREVENT EXPLOSION:
Lubricate only with specied
lubricants. Lubricate the air inlet
using only pneumatic tool oil.
Lubricate the internal mechanism
using only white lithium grease.
Other lubricants may damage the
mechanism and may be highly
ammable, causing an explosion.
Note: These procedures are in addition to
the regular checks and maintenance
explained as part of the regular operation
of the air-operated tool.
Daily ‑ Air Supply Maintenance:
Every day, perform maintenance on the
air supply according to the component
manufacturers’ instructions. The
lubricator’s oil level needs to be
maintained and the moisture lter must
be regularly drained. Performing routine
maintenance on the air supply will allow
the tool to operate more safely and will
also reduce wear on the tool.
Clearing Jams
TO PREVENT
SERIOUS INJURY
FROM ACCIDENTAL OPERATION,
BEFORE ANY MAINTENANCE OR
REPAIRS ARE DONE (including
clearing jams):
• Wear ANSI‑approved safety
goggles with side shields. Other
people in the work area must also
wear ANSI-approved impact safety
goggles with side shields.
• Release the trigger.
• Detach the air supply.
• Attempt to re the Tool into a
piece of scrap wood to ensure
that it is disconnected and is
incapable of ring any fasteners.
• Empty the magazine and leave
it open during service. The
Magazine is spring‑loaded and
may cause parts or a fastener to
y out of the Tool.
1. If a fastener is jammed in the discharge
area, remove it with pliers.
2. If a fastener is jammed in the magazine,
pull the Magazine Bar (38) all the way
back to the engaged position. Use a
screwdriver to release the jammed
User‑Maintenance Instructions

Page 13For technical questions, please call 1‑800‑444‑3353.SKU 68029
fastener by probing the openings in the
magazine.
3. Pull out the jammed fastener and the
remainder of the fastener strip that is
still in the magazine. Dispose of the
remaining fastener strip; it may be bent
or damaged in some other way.
4. If you are unable to clear the fastener
jam using the method prescribed above,
the tool should be taken to a qualied
service technician for proper servicing.
Problem Possible Causes Likely Solutions
Tool will not re. 1. Restricted air ow.
2. Trigger is locked.
1. Open in-line shut-off valve.
2. Disengage Trigger Safety Lock.
Insufcient
fastener depth.
1. Not enough air pressure.
2. Incorrect lubrication or not
enough lubrication.
3. Mechanism contaminated.
1. Check for loose connections and make sure that
air supply is providing enough air pressure (PSI) to
the tool’s air inlet. Do not exceed maximum air
pressure of 120 PSI.
2. Lubricate using air tool oil and grease according to
directions.
3. Have qualied technician clean and lubricate
mechanism. Install in-line lter in air supply as
stated in Initial Set Up: Air Supply.
Fasteners drive
too deeply.
Too much air pressure. Reduce air supply pressure (PSI).
Tool cycles
without ring
fastener.
1. Jammed fastener.
2. Tool empty.
3. Incorrect fasteners used.
4. Magazine dirty or not
lubricated properly.
5. Insufcient air ow.
1. Clear jammed fastener according to Clearing Jams
instructions.
2. Fill with correct fasteners.
3. Empty, then ll with correct fasteners.
4. Clean and lubricate magazine and pusher rod.
5. Check for loose connections and make sure that
air supply is providing enough air ow (CFM) and
pressure (PSI) to the tool’s air inlet. Do not exceed
maximum air pressure of 120 PSI.
Frequent
jamming.
Incorrect fastener type. Conrm fastener diameter, type, length, angle, and
collation type. Correct as needed.
Severe air
leakage.
(Slight air leakage
is normal,
especially on
older tools.)
1. Cross-threaded housing
components.
2. Loose housing.
3. Damaged valve or housing.
4. Dirty, worn or damaged valve.
1. Check for incorrect alignment and uneven gaps. If
cross-threaded, disassemble and replace damaged
parts before use.
2. Tighten housing assembly. If housing cannot tighten
properly, internal parts may be misaligned.
3. Replace damaged components.
4. Clean or replace valve assembly.
Follow all safety precautions whenever diagnosing or servicing the tool.
Disconnect air supply before service.
Troubleshooting

Page 14 For technical questions, please call 1‑800‑444‑3353. SKU 68029
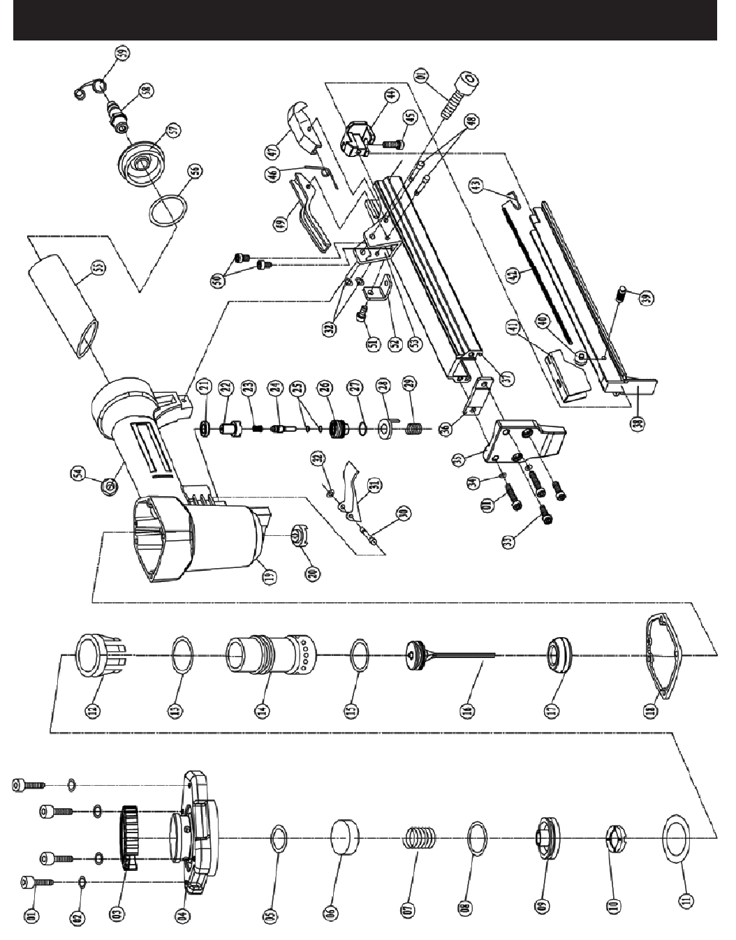
Part Description Qty
1 Hex Bolt 7
2 Washer 4
3Exhaust Deector 1
4 Cylinder Cover 1
5 O-Ring 1
6 Sealing Gasket 1
7 Compression Spring 1
8 O-Ring 1
9 Head Valve 1
10 Gasket 1
11 O-Ring 1
12 Collar 1
13 O-Ring 1
14 Cylinder 1
15 O-Ring 1
16 Piston Assembly 1
17 Bumper 1
18 Sealing Gasket 1
19 Housing 1
20 Nozzle 1
21 Gasket 1
22 Valve Sleeve 1
23 Trigger Valve Stem Spring 1
24 Trigger Valve Stem 1
25 O-Ring 2
26 Trigger Valve Seat 1
27 O-Ring 1
28 Safety Lock 1
29 Spring 1
30 Trigger Pin 1
Part Description Qty
31 Trigger 1
32 O-Ring 3
33 Hex Bolt 2
34 Lock Washer 2
35 Drive Guide 1
36 Plate 1
37 Upper Magazine 1
38 Magazine Bar 1
39 Spindle Sleeve 1
40 Wheel 1
41 Push Rod 1
42 Push Rod Spring 1
43 Spring Hook 1
44 Fixed Piece 1
45 Hex Bolt 1
46 Torsion Spring 1
47 Clip 1
48 Clip Pin 2
49 Magazine Release 1
50 Bolt 2
51 Hex Bolt 1
52 Position Piece 1
53 Position Seat 1
54 Self Lock Nut 1
55 Rubber Grip 1
56 O-Ring 1
57 End Cap 1
58 Air Inlet Plug 1
59 Plug Cap 1
PLEASE READ THE FOLLOWING CAREFULLY
THE MANUFACTURER AND/OR DISTRIBUTOR HAS PROVIDED THE PARTS LIST AND ASSEMBLY
DIAGRAM IN THIS MANUAL AS A REFERENCE TOOL ONLY. NEITHER THE MANUFACTURER OR
DISTRIBUTOR MAKES ANY REPRESENTATION OR WARRANTY OF ANY KIND TO THE BUYER THAT HE
OR SHE IS QUALIFIED TO MAKE ANY REPAIRS TO THE PRODUCT, OR THAT HE OR SHE IS QUALIFIED
TO REPLACE ANY PARTS OF THE PRODUCT. IN FACT, THE MANUFACTURER AND/OR DISTRIBUTOR
EXPRESSLY STATES THAT ALL REPAIRS AND PARTS REPLACEMENTS SHOULD BE UNDERTAKEN BY
CERTIFIED AND LICENSED TECHNICIANS, AND NOT BY THE BUYER. THE BUYER ASSUMES ALL RISK
AND LIABILITY ARISING OUT OF HIS OR HER REPAIRS TO THE ORIGINAL PRODUCT OR REPLACEMENT
PARTS THERETO, OR ARISING OUT OF HIS OR HER INSTALLATION OF REPLACEMENT PARTS THERETO.
Record Product’s Serial Number Here:
Note: If product has no serial number, record month and year of purchase instead.
Note: Some parts are listed and shown for illustration purposes only, and are not available individually as
replacement parts.
Parts List

Page 15For technical questions, please call 1‑800‑444‑3353.SKU 68029
Assembly Diagram

Page 16 For technical questions, please call 1‑800‑444‑3353. SKU 68029
Harbor Freight Tools Co. makes every effort to assure that its products meet high quality
and durability standards, and warrants to the original purchaser that this product is free from
defects in materials and workmanship for the period of one year from the date of purchase
(90 days if used by a professional contractor or if used as rental equipment). This warranty
does not apply to damage due directly or indirectly, to misuse, abuse, negligence or accidents,
repairs or alterations outside our facilities, normal wear and tear, or to lack of maintenance.
We shall in no event be liable for death, injuries to persons or property, or for incidental,
contingent, special or consequential damages arising from the use of our product. Some states
do not allow the exclusion or limitation of incidental or consequential damages, so the above
limitation of exclusion may not apply to you. THIS WARRANTY IS EXPRESSLY IN LIEU OF
ALL OTHER WARRANTIES, EXPRESS OR IMPLIED, INCLUDING THE WARRANTIES OF
MERCHANTABILITY AND FITNESS.
To take advantage of this warranty, the product or part must be returned to us with
transportation charges prepaid. Proof of purchase date and an explanation of the complaint
must accompany the merchandise. If our inspection veries the defect, we will either repair or
replace the product at our election or we may elect to refund the purchase price if we cannot
readily and quickly provide you with a replacement. We will return repaired products at our
expense, but if we determine there is no defect, or that the defect resulted from causes not
within the scope of our warranty, then you must bear the cost of returning the product.
This warranty gives you specic legal rights and you may also have other rights which
vary from state to state.
3491 Mission Oaks Blvd. • PO Box 6009 • Camarillo, CA 93011 • (800) 444-3353
Limited 1‑Year Warranty