Harbor Freight 68888 Owner S Manual
2014-07-05
: Harbor-Freight Harbor-Freight-68888-Owner-S-Manual harbor-freight-68888-owner-s-manual harbor-freight pdf
Open the PDF directly: View PDF
.
Page Count: 16

Visit our website at: http://www.harborfreight.com
Email our technical support at: tech@harborfreight.com
Read this material before using this product.
Failure to do so can result in serious injury.
SAVE THIS MANUAL.
Copyright© 2011 by Harbor Freight Tools®. All rights reserved. No portion of
this manual or any artwork contained herein may be reproduced in any shape
or form without the express written consent of Harbor Freight Tools. Diagrams
within this manual may not be drawn proportionally. Due to continuing
improvements, actual product may differ slightly from the product described
herein. Tools required for assembly and service may not be included.
When unpacking, make sure that the product is intact
and undamaged. If any parts are missing or broken,
please call 1-800-444-3353 as soon as possible.
Save This Manual Keep this manual for the safety warnings and precautions, assembly, operating,
inspection, maintenance and cleaning procedures. Write the product’s serial number in the back of the manual
near the assembly diagram (or month and year of purchase if product has no number). Keep this manual and
the receipt in a safe and dry place for future reference.
Owner’s Manual & Safety Instructions
ITEM 68888
Includes:
6 ft. welding cable with multi-angle
Electrode Holder
6 ft. Ground Cable with clamp
Five 1/16" electrodes
Handheld face shield
Chipping hammer with wire brush
Shielded Metal Arc Welder
120 volt, 20 amp, single phase input
AC Outlet for a Smooth & Easy Welding Process
• Weldable materials: steel, stainless steel, cast iron
• Material thickness: Up to 1/8" thick
• Thermal overload protection with indicator light
• Welding current: 40-70 amp AC
• Duty cycle: 30% @ 55 amp (Rated), 20% @ 70 amp (Max.)
• Electrode diameter ranges: 1/16"-3/32"
70 AMP
ARC WELDER

Page 2 For technical questions, please call 1-800-444-3353. SKU 68888
Table of Contents
Safety ......................................................... 2
Setup .......................................................... 7
Specifications ............................................. 7
Basic Welding ............................................. 8
Welding Tips ............................................... 9
Maintenance .............................................. 13
Parts List and Diagram .............................. 14
Warranty .................................................... 16
WARNING SYMBOLS AND DEFINITIONS
This is the safety alert symbol. It is used to alert you to potential personal injury hazards.
Obey all safety messages that follow this symbol to avoid possible injury or death.
Indicates a hazardous situation which, if not avoided,
will result in death or serious injury.
Indicates a hazardous situation which, if not avoided,
could result in death or serious injury.
Indicates a hazardous situation which, if not avoided,
could result in minor or moderate injury.
Addresses practices not related to personal injury.
IMPORTANT SAFETY INFORMATION
Read all safety warnings and instructions.
Failure to follow the warnings and instructions may result in electric shock, fire and/or serious injury.
Save all warnings and instructions for future reference.
General Safety
PROTECT yourself and others. Read and understand this information.
1. Before use, read and understand
manufacturer′s instructions,
Material Safety Data Sheets (MSDS′s),
employer′s safety practices, and ANSI Z49.1.
2. Keep out of reach of children.
Keep children and bystanders away while operating.
3. Place the welder on a stable location before use.
If it falls while plugged in, severe injury,
electric shock, or fire may result.
4. Do not overreach.
Keep proper footing and balance at all times.
5. Stay alert, watch what you are doing and use
common sense when operating a welder.
Do not use a welder while you are tired or under
the influence of drugs, alcohol or medication.
A moment of inattention while operating welders
may result in serious personal injury.
6. Avoid unintentional starting. Make sure you are
prepared to begin work before turning on the Welder.
7. Never leave the Welder unattended while
energized. Turn power off if you have to leave.
8. The warnings, precautions, and instructions
discussed in this instruction manual cannot
cover all possible conditions and situations
that may occur. It must be understood by the
operator that common sense and caution are
factors which cannot be built into this product,
but must be supplied by the operator.
9. This product, when used for welding and similar
applications, contains or produces a chemical
known to the State of California to cause cancer
and birth defects (or other reproductive harm).
(California Health & Safety Code § 25249.5, et seq.)
10. Handling the cord on this product will
expose you to lead, a chemical known to
the State of California to cause cancer, and
birth defects or other reproductive harm.
Wash hands after handling. (California Health
& Safety Code § 25249.5, et seq.)
SAFETY MAINTENANCEBASIC WELDING WELDING TIPSSETUP

Page 3For technical questions, please call 1-800-444-3353.SKU 68888
Fume and Gas Safety
FUMES AND GASES can be hazardous to your health.
1. Exposure to welding or cutting
exhaust fumes can increase the risk
of developing certain cancers, such as
cancer of the larynx and lung cancer.
Also, some diseases that may be linked to exposure
to welding or cutting exhaust fumes are:
• Early onset of Parkinson’s Disease
• Heart disease • Ulcers
• Damage to the reproductive organs
• Inflammation of the small intestine
or stomach • Kidney damage
• Respiratory diseases such as
emphysema, bronchitis, or pneumonia
2. Do not use near degreasing or
painting operations.
3. Keep head out of fumes.
Do not breathe exhaust fumes.
4. Use enough ventilation, exhaust at arc, or
both, to keep fumes and gases from breathing
zone and general area. If engineering controls
are not feasible, use an approved respirator.
5. Work in a confined area only if it
is well-ventilated, or while wearing
an air-supplied respirator.
6. Have a recognized specialist in
Industrial Hygiene or Environmental Services
check the operation and air quality
and make recommendations
for the specific welding situation.
Follow OSHA guidelines for
Permissible Exposure Limits (PEL’s) and
the American Conference of Governmental
Industrial Hygienists recommendations for
Threshold Limit Values (TLV’s) for fumes and gases.
Arc Ray Safety
ARC RAYS can injure eyes and burn skin.
1. Wear ANSI-approved welding eye protection
featuring at least a number 10 shade lens rating.
2. Wear leather leggings, fire resistant shoes
or boots during use. Do not wear pants with
cuffs, shirts with open pockets, or any clothing
that can catch and hold molten metal or sparks.
3. Keep clothing free of grease, oil,
solvents, or any flammable substances.
Wear dry, insulating gloves and protective clothing.
4. Wear an approved head covering to protect
the head and neck. Use aprons, cape, sleeves,
shoulder covers, and bibs designed and
approved for welding and cutting procedures.
5. When welding/cutting overhead or in confined
spaces, wear flame resistant ear plugs or
ear muffs to keep sparks out of ears.
Electrical Safety
ELECTRIC SHOCK can KILL.
1. Turn off, disconnect power, and
discharge electrode to ground before setting
down torch/electrode holder and before service.
2. Do not touch energized electrical parts.
Wear dry, insulating gloves. Do not touch electrode
holder, electrode, welding torch, or welding wire with
bare hand. Do not wear wet or damaged gloves.
3. Connect to grounded, GFCI-protected
power supply only.
4. Do not use near water or damp objects.
5. People with pacemakers should consult their
physician(s) before use. Electromagnetic fields
in close proximity to heart pacemaker could cause
pacemaker interference or pacemaker failure.
6. Do not expose welders to rain or wet conditions.
Water entering a welder will increase
the risk of electric shock.
7. Do not abuse the cord. Never use the cord
for carrying, pulling or unplugging the
welder. Keep cord away from heat, oil, sharp
edges or moving parts. Damaged or entangled
cords increase the risk of electric shock.
8. Do not use outdoors.
9. Insulate yourself from the workpiece and ground.
Use nonflammable, dry insulating material if possible,
or use dry rubber mats, dry wood or plywood, or
other dry insulating material large enough to cover
your full area of contact with the work or ground.
SAFETYMAINTENANCE BASIC WELDINGWELDING TIPS SETUP

Page 4 For technical questions, please call 1-800-444-3353. SKU 68888
Fire Safety
ARC AND HOT SLAG can cause fire.
1. Clear away or protect flammable objects.
Remove or make safe all combustible materials for a
radius of 35 feet (10 meters) around the work area.
Use a fire resistant material to cover or block all open
doorways, windows, cracks, and other openings.
2. Keep ABC-type fire extinguisher near
work area and know how to use it.
3. Maintain a safe working environment.
Keep the work area well lit.
Make sure there is adequate surrounding workspace.
Keep the work area free of obstructions,
grease, oil, trash, and other debris.
4. Do not operate welders in atmospheres
containing dangerously reactive or
flammable liquids, gases, vapors, or dust.
Provide adequate ventilation in work areas
to prevent accumulation of such substances.
Welders create sparks which may ignite flammable
substances or make reactive fumes toxic.
5. If working on a metal wall, ceiling, etc.,
prevent ignition of combustibles on the
other side by moving the combustibles to a
safe location. If relocation of combustibles is
not possible, designate someone to serve as
a fire watch, equipped with a fire extinguisher,
during the cutting process and for at least one
half hour after the cutting is completed.
6. Do not weld or cut on materials having
a combustible coating or combustible
internal structure, as in walls or ceilings, without
an approved method for eliminating the hazard.
7. Do not dispose of hot slag in containers
holding combustible materials.
8. After welding, make a thorough examination
for evidence of fire. Be aware that easily
visible smoke or flame may not be present
for some time after the fire has started.
9. Do not apply heat to a container that has held
an unknown substance or a combustible
material whose contents, when heated,
can produce flammable or explosive vapors.
Clean and purge containers before applying heat.
Vent closed containers, including castings,
before preheating, welding, or cutting.
Welder Use and Care
1. Do not use the welder if the switch does not turn
it on and off. Any welder that cannot be controlled
with the switch is dangerous and must be repaired.
2. Disconnect the plug from the power
source before making any adjustments,
changing accessories, or storing welders.
Such preventive safety measures reduce the
risk of starting the welder accidentally.
3. Prevent unintentional starting. Ensure the switch
is in the off-position before connecting to power
source or moving the welder. Carrying or energizing
welders that have the switch on invites accidents.
4. Store idle welders out of the reach of children and
do not allow persons unfamiliar with the welder or
these instructions to operate the welder. Welders
are dangerous in the hands of untrained users.
5. Use the welder and accessories in accordance
with these instructions, taking into account the
working conditions and the work to be performed.
Use of the welder for operations different from those
intended could result in a hazardous situation.
SAFETY MAINTENANCEBASIC WELDING WELDING TIPSSETUP

Page 5For technical questions, please call 1-800-444-3353.SKU 68888
Maintenance
1. Maintain welders. Check for misalignment or
binding of moving parts, breakage of parts
and any other condition that may affect the
welder’s operation. If damaged, have the
welder repaired before use. Many accidents
are caused by poorly maintained welders.
2. Have your welder serviced by a qualified
repair person using only identical
replacement parts. This will ensure that
the safety of the welder is maintained.
3. Maintain labels and nameplates on the Welder.
These carry important information.
If unreadable or missing, contact
Harbor Freight Tools for a replacement.
4. Unplug before maintenance. Unplug the Welder
from its electrical outlet before any inspection,
maintenance, or cleaning procedures.
Gas Shielded Welding - Cylinder Safety
Cylinders can explode when damaged.
1. Never weld on a pressurized or a closed cylinder.
2. Never allow an electrode holder,
electrode, welding torch, or welding
wire to touch the cylinder.
3. Keep cylinders away from any electrical circuits,
including welding circuits.
4. Keep protective cap in place over the valve
except when the cylinder is in use.
5. Use only correct gas shielding equipment
designed specifically for the type of welding
you will do. Maintain this equipment properly.
6. Protect gas cylinders from heat, being struck,
physical damage, slag, flames, sparks, and arcs.
7. Always use proper procedures to move cylinders.
SAVE THESE INSTRUCTIONS.
SAFETYMAINTENANCE BASIC WELDINGWELDING TIPS SETUP

Page 6 For technical questions, please call 1-800-444-3353. SKU 68888
SAFETY MAINTENANCEBASIC WELDING WELDING TIPSSETUP
TO PREVENT ELECTRIC SHOCK AND
DEATH FROM INCORRECT GROUNDING
WIRE CONNECTION:
Check with a qualified electrician if you are
in doubt as to whether the outlet is
properly grounded. Do not use the Welder if the
power cord or plug is damaged. If damaged, have it
repaired by a service facility before use. If the plug
will not fit the outlet, have a proper outlet installed by
a qualified electrician.
Grounded Welders
1. The grounding prong in the plug is connected
through the green wire inside the cord to the
grounding system in the Welder. The green wire
in the cord must be the only wire connected to
the Welder’s grounding system and must never
be attached to an electrically “live” terminal.
2. The Welder must be plugged into an appropriate
outlet, properly installed and grounded in
accordance with all codes and ordinances.
Grounding
Extension Cords
Symbology
1. It is advised to avoid using an extension cord if
possible. If an extension cord is used, it must be
25 feet or less with a 10 AWG or thicker size wire.
2. As the distance from the supply outlet increases,
you must use a heavier gauge extension cord.
Using extension cords with inadequately sized
wire causes a serious drop in voltage, resulting
in loss of power and possible welder damage.
3. The smaller the gauge number of the wire, the greater
the capacity of the cord. For example, a 14 gauge
cord can carry a higher current than a 16 gauge cord.
4. When using more than one extension cord to
make up the total length, make sure each cord
contains at least the minimum wire size required.
5. If you are using one extension cord for more than
one welder, add the nameplate amperes and use the
sum to determine the required minimum cord size.
6. If you are using an extension cord outdoors, make
sure it is marked with the suffix “W-A” (“W” in
Canada) to indicate it is acceptable for outdoor use.
7. Make sure the extension cord is properly wired
and in good electrical condition. Always replace
a damaged extension cord or have it repaired
by a qualified electrician before using it.
8. Protect the extension cords from sharp objects,
excessive heat, and damp or wet areas.
Workpiece Ground Cable
Electrode Cable
Overheat Shutdown Indicator
Cooling Fan
Housing Ground Point
V~ Volts Alternating Current
AAmperes
OCV Open Circuit Voltage
KVA Kilovolt Amperes
(Volts / 1000 * Amperes)
IPM Inches Per Minute
AWG American Wire Gauge

Page 7For technical questions, please call 1-800-444-3353.SKU 68888
SAFETYMAINTENANCE BASIC WELDINGWELDING TIPS SETUP
Specifications
Power Input 120V~, 60Hz, 20A (A dedicated circuit is required)
Max OCV 40V
Welding Current Range 40 - 70 A, AC
Capacity Up to 1/8" thick mild steel
Duty Cycle 30% @ 55 amps
Weldable Materials Steel, Stainless Steel, Cast Iron
Electrode Diameter 1/16" - 3/32"
Included Accessories Handheld face shield, Chipping hammer with wire brush, five 1/16" electrodes
Setup
Read the ENTIRE IMPORTANT
SAFETY INFORMATION section at the
beginning of this manual including
all text under subheadings therein
before set up or use of this product.
TO PREVENT SERIOUS INJURY FROM
ACCIDENTAL OPERATION:
Turn the Power Switch off and unplug
the welder before assembly.
Components and Controls
Grounding Clamp
Power Switch
Electrode Holder
Overload
Light
Current
Output Switch

Page 8 For technical questions, please call 1-800-444-3353. SKU 68888
SAFETY MAINTENANCEBASIC WELDING WELDING TIPSSETUP
To Prevent Serious Injury and Permanent Eye Damage:
Wear protective gear during use; an ANSI-approved welding mask shade 10, ear protection, welding
gloves and apron, NIOSH-approved respirator, and fire resistant work clothes without pockets.
Light from the arc can cause permanent damage to the eyes and skin. Do not breathe arc fumes.
Operating Instructions
Duty Cycle (Duration of Use)
Setting up the Weld
30% DUTY CYCLE
AT MIN SETTING
3 minutes welding
followed by
at least 7 minutes of rest
20% DUTY CYCLE
AT MAX SETTING
2 minutes welding
followed by
at least 8 minutes of rest
This unit has two duty cycles, one at the MIN setting and
one at the MAX setting on the Current Output Switch.
Avoid damage to the
Welder by not welding for
more than the prescribed
duty cycle time. The duty
cycle defines the number of
minutes, within a 10 minute
period, during which a
given welder can produce a particular welding current
without overheating. For example, this Welder, when set
at the MAX setting, has a 20% duty cycle and must be
allowed to rest for at least 8 minutes after every
2 minutes of continuous welding. Failure to carefully
observe duty cycle limitations can easily over-stress a
welder’s power generation system contributing to
premature welder failure.
Thermal Overload Protection - This Welder has an
internal thermal protection system to help prevent this
sort of over-stress. When the unit
overheats, it automatically shuts down
and the Overload Light turns on. The
Welder automatically returns to
service after cooling off. Rest the
Electrode Holder on an electrically
non-conductive, heat-proof surface,
such as a concrete slab, well clear of
the ground clamp while allowing the
welder to cool with the Power Switch on, so that the
internal fan will help cool the Welder. When the Welder
can be used again, use shorter welding periods and
longer rest periods to prevent needless wear.
Current Output
Switch
MIN
MAX
Overload Light
1. Make practice welds on pieces of scrap the same
thickness as your intended workpiece to practice
technique before welding anything of value.
Clean the weld surfaces thoroughly with a wire brush
or angle grinder; there must be no rust, paint, oil, or
other materials on the weld surfaces, only bare metal.
2. Use clamps (not included) to hold the workpieces
in position so that you can concentrate on proper
welding technique. The distance (if any) between the
two workpieces must be controlled properly to allow
the weld to hold both sides securely while allowing
the weld to penetrate fully into the joint. The edges
of thicker workpieces may need to be chamfered
(or beveled) to allow proper weld penetration.
clamps
workpieces
Chamfer thick workpieces.
Clean surfaces
to bare metal.

Page 9For technical questions, please call 1-800-444-3353.SKU 68888
SAFETYMAINTENANCE BASIC WELDINGWELDING TIPS SETUP
A good way to test welding technique is to examine a weld’s appearance after it has cooled and the slag has been
removed. Then, better welding can be learned by adjusting your weld technique to remedy any problems found.
TO PREVENT SERIOUS INJURY:
Continue to wear ANSI-approved safety
goggles and protective wear when
cleaning a weld.
Sparks or chips may fly when cleaning.
1. A weld will be covered by slag: use a Chipping
Hammer to knock this off. Be careful not
to damage the weld or base material.
2. Then, use a Wire Brush to further
clean the weld or use an angle grinder
(sold separately) to shape the weld.
1. Place the Welder on a level surface that
can bear its weight near the work area.
2. Secure the Grounding Clamp to a clean,
exposed metal part of the workpiece.
3. Place the uncoated end of the electrode inside
the jaws of the Electrode Holder. Electrode
types vary for welding different metals.
4. Turn the Current Output Switch to MIN for 1/16"
electrodes and to MAX for 3/32" electrodes.
IMPORTANT: A 20A dedicated circuit is required.
5. Plug the power cord into a grounded 120V
electric socket and turn the Welder on.
WARNING! To prevent serious injury
and death: If the operator is not holding
the Electrode Holder, it must be sitting on
a nonconductive, nonflammable surface.
The Stick Welder will immediately turn on
when the Power Switch is turned on.
6. Stroke the workpiece lightly to ignite the arc.
Tips for igniting the arc:
a. Stroke the surface with the electrode.
b. Strike the surface like a match with the electrode.
c. Tap the surface with the electrode.
7. When the arc ignites, tilt the electrode
forward and hold it near the workpiece.
8. When finished welding; lift the electrode from
the workpiece and turn the Welder off.
9. Place the handle down on a nonflammable,
nonconductive surface.
10. To prevent accidents disconnect the tool
from its power supply after use. Allow the
tool to cool down, clean, then store the
tool indoors out of children’s reach.
Welding
Welding Tips
Cleaning the Weld
WELDING TIPS
A typical Weld before cleaning.
base metal
weld bead
slag spatter After practice welding for a few
seconds, STOP and examine
your weld using the guidelines
starting on the next page.

Page 10 For technical questions, please call 1-800-444-3353. SKU 68888
SAFETY MAINTENANCEBASIC WELDING WELDING TIPSSETUP
Example Weld Diagrams
Good
Weld
Current
Too Low
Arc Length
Too Short
Arc Length
Too Long
TO CORRECT: TO CORRECT: TO CORRECT:
Weld slower
TO CORRECT:
Weld faster
TO CORRECT:
Increase
distance
TO CORRECT:
Decrease
distance
CLEAN WELDS FIRST! Stick welds will have a coat of slag over them until cleaned.
Weld Speed
Too Fast
Current
Too High
Weld Speed
Too Slow
A test weld on a PIECE OF SCRAP can be
tested by using the following procedure.
WEAR ANSI-APPROVED SAFETY GOGGLES
DURING THIS PROCEDURE.
WARNING! This test WILL damage the weld it is
performed on. This test is ONLY an indicator of weld
technique and is not intended to test working welds.
1. After two scraps have been welded together and the
weld has cooled, clamp one scrap in a sturdy vise.
2. Stay clear from underneath while you strike
the opposite scrap with a heavy hammer,
preferably a dead-blow hammer.
3. A GOOD WELD will deform but not break, as shown
on top.
A POOR WELD will be brittle and snap at the
weld, as shown on bottom.
clamp
SCRAP
workpiece
GOOD WELD
bends and is not brittle
dead-blow hammer
clamp
SCRAP
workpiece
POOR WELD
snaps or cracks
dead-blow hammer
Strike Test
70 AMP
ARC WELDER
OVERLOAD
MIN
CURRENT
MAX
OFF
ON
POWER
I
O
70 AMP
ARC WELDER
OVERLOAD
MIN
CURRENT
MAX
OFF
ON
POWER
I
O

Page 11For technical questions, please call 1-800-444-3353.SKU 68888
SAFETYMAINTENANCE BASIC WELDINGWELDING TIPS SETUP
EXCESS PENETRATION OR
BURN-THROUGH
PROPER PENETRATIONINADEQUATE PENETRATION
Not hot enough Too hotIdeal heat
How to increase workpiece heat
and increase penetration:
(to weld THICKER workpieces properly)
How to reduce workpiece heat
and limit penetration:
(to weld THINNER workpieces properly)
a. Increase current. b. Weld more slowly. a. Decrease current. b. Weld more quickly.
Diagnosis - Workpiece Heat Control / Weld Penetration
Gaps present between weld and previous bead or between weld and workpiece. See areas below.
POSSIBLE CAUSES AND SOLUTIONS
Profile
View
1. Incorrect welding technique:
Place stringer bead at correct place in joint.
Adjust workpiece position or weld angle to permit
proper welding to bottom of piece.
Keep arc on leading edge of weld puddle.
Hold gun at proper angles.
2. Insufficient weld heat:
Increase current.
3. Dirty workpiece:
Clean workpiece down to bare metal.
EXCESS PENETRATION OR
BURN-THROUGH
Weld droops on top and
underneath or falls through
entirely, making a hole.
PROPER PENETRATION
Weld is visible underneath and
bulges slightly on top.
INADEQUATE PENETRATION
Weld does not contact the joint
fully, just on the surface.
POSSIBLE CAUSES AND SOLUTIONS
1. Workpiece overheating:
Reduce current.
2. Welding speed too slow:
Increase welding speed and ensure
that welding speed is kept steady.
POSSIBLE CAUSES AND SOLUTIONS
1. Incorrect welding technique:
Keep arc on leading edge of weld puddle.
Hold electrode at proper angles.
2. Insufficient weld heat:
Slow down so fill material has time to melt
into the weld location. Increase current.
3. Workpieces too thick/close:
Bevel thick workpieces, allow slight
gap, and weld in several passes.
4. Insufficient weld material:
Increase amount of fill material.
Profile Views
Penetration (Workpiece Heat Control)
Weld Not Adhering Properly

Page 12 For technical questions, please call 1-800-444-3353. SKU 68888
SAFETY MAINTENANCEBASIC WELDING WELDING TIPSSETUP
POSSIBLE CAUSES AND SOLUTIONS
ToP
View
1. Dirty workpiece or electrode:
Clean workpiece down to bare metal.
Make certain that fill material and electrode are clean
and free from oil, coatings, and other residues.
2. Inconsistent welding speed:
Maintain steady weld speed.
Porosity - Small cavities or holes in the bead.
POSSIBLE CAUSES AND SOLUTIONS
ToP
View
Fine spatter is normal. Spatter that is
grainy and large is a problem.
Dirty workpiece or electrode:
Clean workpiece down to bare metal.
Make certain that electrode is clean and free
from oil, coatings, and other residues.
Excessive Spatter
POSSIBLE CAUSES AND SOLUTIONS
ToP
View
1. Workpiece overheating:
Reduce current.
2. Welding speed too slow:
Increase welding speed and ensure
that welding speed is kept steady.
3. Excessive material at weld:
Reduce amount of fill material.
Burn-Through - Base material melts away, leaving a hole in the weld.
ToP
View
ParTially ChiPPed away To show weld
Slag is a necessary part of a stick weld. It shields
the weld from impurities. Clean off the slag with the
Chipping Hammer and Wire Brush after welding.
Coat of Slag Over Weld
POSSIBLE CAUSES AND SOLUTIONS
ToP
View
1. Inaccurate welding:
Use two hands or rest hand on steady surface.
2. Inconsistent welding speed:
Maintain steady weld speed.
Crooked/Wavy Bead
POSSIBLE CAUSES AND SOLUTIONS
Profile
View
1. Improper clamping:
Clamp workpieces securely.
Make tack welds to hold workpieces.
2. Excessive heat:
Weld a small portion and allow to cool
before proceeding.
Increase weld speed.
Bend at Joint

Page 13For technical questions, please call 1-800-444-3353.SKU 68888
SAFETYMAINTENANCE BASIC WELDINGWELDING TIPS SETUP
Maintenance and Service
TO PREVENT SERIOUS INJURY, FIRE AND BURNS:
Unplug the Welder, rest the tool on a heat-proof, electrically non-conductive surface, and allow
all parts of the Welder to cool thoroughly before service.
1. Periodically remove the Right and Left side panels, and using compressed air, blow out all dust from the interior.
2. Store in a clean and dry location.
3. For optimal weld quality, clean and inspect the Contact points before each use.
Troubleshooting
IMPORTANT!
Be CERTAIN to shut off the Welder, disconnect it from power, and discharge the Electrode Holder to ground
before adjusting, cleaning, or repairing the unit.
Problem Possible Cause Solution
Power Switch Lights, but
Welder Does Not Function
When Switched ON
1. Tripped thermal
protection device.
2. Faulty connection.
1. Reduce duration or frequency of welding periods
to help reduce wear on the welder.
Refer to Duty Cycle (Duration of Use)
on page 8.
2. Qualified technician must check connection.
Power Switch Does Not
Light When Switched On
Unit is not connected
to outlet properly or
outlet is unpowered
Verify the voltage at the outlet and the connection to
the outlet.
If voltage is not present at outlet, check circuit
breaker/GFCI devices; if any are tripped, determine
and remedy cause before resetting. Verify that the
circuit is designed to supply the required input
Weak Arc Strength
1. Incorrect line voltage.
2. Improper gauge or length
of extension cord.
1. Check the line voltage and, if insufficient, have
a licensed electrician remedy the situation.
2. Extension cords are not recommended.
If possible, eliminate the use of an extension cord.
If an extension cord is needed, refer
to the guidelines on page 6.
Welding Arc Not Stable
1. Loose Electrode Handle
cable or Ground cable.
2. Damaged Electrode
Handle or loose
connection within
Electrode Handle.
3. Adjust current setting.
1. Check to ensure that all connections are tight.
2. Have a qualified technician inspect and
repair or replace, as necessary.
3. Make sure setting matches recommended setting.

Page 14 For technical questions, please call 1-800-444-3353. SKU 68888
SAFETY MAINTENANCEBASIC WELDING WELDING TIPSSETUP
Parts List and Diagrams
Part Description Qty
1 Grounding Cable 1
2 Cable Holder 3
3 Front Panel 1
4 Foot 4
5 Bottom 1
6 Back Panel 1
7 Fan Blade 1
8 Motor 1
9 Fan Bracket 1
10 Power Cord 1
11 Handle 1
12 Enclosure 1
13 Transformer 1
14 Thermal Relay 1
15 Indicator 1
16 Setting Switch 1
17 Main Switch 1
18 Welding Cable 1
Record Product’s Serial Number Here:
Note: If product has no serial number, record month and year of purchase instead.
Note: Some parts are listed and shown for illustration purposes only, and
are not available individually as replacement parts.

Page 15For technical questions, please call 1-800-444-3353.SKU 68888
SAFETYMAINTENANCE BASIC WELDINGWELDING TIPS SETUP
PLEASE READ THE FOLLOWING CAREFULLY
THE MANUFACTURER AND/OR DISTRIBUTOR HAS PROVIDED THE PARTS DIAGRAM IN THIS MANUAL
AS A REFERENCE TOOL ONLY. NEITHER THE MANUFACTURER NOR DISTRIBUTOR MAKES ANY
REPRESENTATION OR WARRANTY OF ANY KIND TO THE BUYER THAT HE OR SHE IS QUALIFIED TO
MAKE ANY REPAIRS TO THE PRODUCT OR THAT HE OR SHE IS QUALIFIED TO REPLACE ANY PARTS
OF THE PRODUCT. IN FACT, THE MANUFACTURER AND/OR DISTRIBUTOR EXPRESSLY STATES
THAT ALL REPAIRS AND PARTS REPLACEMENTS SHOULD BE UNDERTAKEN BY CERTIFIED AND
LICENSED TECHNICIANS AND NOT BY THE BUYER. THE BUYER ASSUMES ALL RISK AND LIABILITY
ARISING OUT OF HIS OR HER REPAIRS TO THE ORIGINAL PRODUCT OR REPLACEMENT PARTS
THERETO, OR ARISING OUT OF HIS OR HER INSTALLATION OF REPLACEMENT PARTS THERETO.
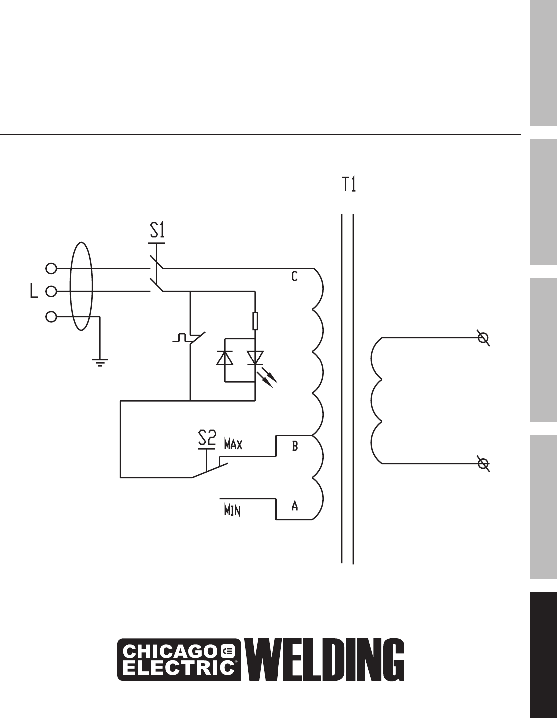
Wiring Schematic

Limited 90 Day Warranty
Harbor Freight Tools Co. makes every effort to assure that its products meet high quality and durability standards,
and warrants to the original purchaser that this product is free from defects in materials and workmanship for the
period of 90 days from the date of purchase. This warranty does not apply to damage due directly or indirectly,
to misuse, abuse, negligence or accidents, repairs or alterations outside our facilities, criminal activity, improper
installation, normal wear and tear, or to lack of maintenance. We shall in no event be liable for death, injuries
to persons or property, or for incidental, contingent, special or consequential damages arising from the use of
our product. Some states do not allow the exclusion or limitation of incidental or consequential damages, so the
above limitation of exclusion may not apply to you. THIS WARRANTY IS EXPRESSLY IN LIEU OF ALL OTHER
WARRANTIES, EXPRESS OR IMPLIED, INCLUDING THE WARRANTIES OF MERCHANTABILITY AND FITNESS.
To take advantage of this warranty, the product or part must be returned to us with transportation charges
prepaid. Proof of purchase date and an explanation of the complaint must accompany the merchandise.
If our inspection verifies the defect, we will either repair or replace the product at our election or we
may elect to refund the purchase price if we cannot readily and quickly provide you with a replacement.
We will return repaired products at our expense, but if we determine there is no defect, or that the defect resulted
from causes not within the scope of our warranty, then you must bear the cost of returning the product.
This warranty gives you specific legal rights and you may also have other rights which vary from state to state.
3491 Mission Oaks Blvd. • PO Box 6009 • Camarillo, CA 93011 • (800) 444-3353