Harbor Freight 93179 Users Manual Angle Grinder
93179 to the manual 030db74d-75e5-4d2d-bff8-cd7579efe8e6
2015-01-25
: Harbor-Freight Harbor-Freight-93179-Users-Manual-209698 harbor-freight-93179-users-manual-209698 harbor-freight pdf
Open the PDF directly: View PDF .
Page Count: 12

SKU 93179
For technical questions, please call 1-800-444-3353
Page 1
9” Angle Grinder
ASSEMBLY AND OPERATING INSTRUCTIONS
3491 Mission Oaks Blvd., Camarillo, CA 93011
Visit our Web site at http://www.harborfreight.com
Copyright © 2005 by Harbor Freight Tools®. All rights reserved.
No portion of this manual or any artwork contained herein may be reproduced in any shape or form without
the express written consent of Harbor Freight Tools.
For technical questions and replacement parts, please call 1-800-444-3353
93179
Due to continuing improvements, actual product may differ slightly from the product described herein.

SKU 93179
For technical questions, please call 1-800-444-3353
Page 2
Specifications
Save This Manual
You will need the manual for the safety warnings and precautions, assembly instructions, operating and
maintenance procedures, parts list and diagram. Keep your invoice with this manual. Write the invoice
number on the inside of the front cover. Keep the manual and invoice in a safe and dry place for future
reference. Safety Warnings and Precautions
WARNING: When using tool, basic safety precautions should always be followed to reduce the
risk of personal injury and damage to equipment.
Read all instructions before using this tool!
1. Keep your work area clean and well lit. Cluttered benches and dark areas invite accidents.
2. Do not operate power tools in explosive atmospheres, such as in the presence of flammable
liquids, gases, or dust. Power tools create sparks which may ignite the dust or fumes.
3. Keep bystanders, children, and visitors away while operating a power tool. Distractions can cause
you to lose control. Protect others in the work area from debris such as chips and sparks. Provide
barriers or shields as needed.
4. Grounded tools must be plugged into an outlet properly installed and grounded in accordance
with all codes and ordinances. Never remove the grounding prong or modify the plug in any way.
Do not use any adapter plugs. Check with a qualified electrician if you are in doubt whether the
outlet is properly grounded. If the tool should electrically malfunction or break down, grounding provides
a low resistance path to carry electricity away from the user.
5. Double insulated tools are equipped with a polarized plug (one blade is wider than the other).
This plug will fit in a polarized outlet only one way. If the plug does not fit fully in the outlet,
reverse the plug. If it still does not fit, contact a qualified electrician to install a polarized outlet.
Do not change the plug in any way. Double insulation eliminates the need for the three wire grounded
power cord and grounded power supply system.
6. Avoid body contact with grounded surfaces such as pipes, radiators, ranges, and refrigerators.
There is an increased risk of electric shock if your body is grounded.
7. Do not expose power tools to rain or wet conditions. Water entering a power tool will increase the risk
of electric shock.
8. Do not abuse the Power Cord. Never use the Power Cord to carry the tool or pull the Plug from an
outlet. Keep the Power Cord away from heat, oil, sharp edges, or moving parts. Replace damaged
Power Cords immediately. Damaged Power Cords increase the risk of electric shock.
9. When operating a power tool outside, use an outdoor extension cord marked “W-A” or “W”. These
extension cords are rated for outdoor use, and reduce the risk of electric shock.
:noitcurtsnoC gnisuoHrotoMSBAdedloM
gnisuoHraeGmunimulAtsaC :tnemeriuqeRrewoP esahPelgnISzH06,CAV021
sttaW
0231,spmAdaolon0.11
:retemaiDleehW
*
eldnipSrobrAIPT11x"8/5htiw"9
dedulcnirotpadArobrA"8/7lanoitpo :deepSrotoMMPR0056
:snoisnemiDllarevOH"2/1-5
xW"8/3-4xL"2/1-81:droCrewoPdeziralopgnorp2GWA41xL"28
REV 02/06

SKU 93179
For technical questions, please call 1-800-444-3353
Page 3
Personal Safety
10. Stay alert. Watch what you are doing, and use common sense when operating a power tool. Do
not use a power tool while tired or under the influence of drugs, alcohol, or medication. A moment
of inattention while operating power tools may result in serious personal injury.
11. Dress properly. Do not wear loose clothing or jewelry. Contain long hair. Keep your hair, clothing,
and gloves away from moving parts. Loose clothes, jewelry, or long hair can be caught in moving
parts.
12. Avoid accidental starting. Be sure the Power Switch is off before plugging in. Carrying power tools
with your finger on the Power Switch, or plugging in power tools with the Power Switch on, invites
accidents.
13. Remove adjusting keys or wrenches before turning the power tool on. A wrench or a key that is left
attached to a rotating part of the power tool may result in personal injury.
14. Do not overreach. Keep proper footing and balance at all times. Proper footing and balance enables
better control of the power tool in unexpected situations.
15. Use safety equipment. Always wear eye protection. Dust mask, nonskid safety shoes, hard hat, or
hearing protection must be used for appropriate conditions.
Tool Use and Care
16. Use clamps (not included) or other practical ways to secure and support the work piece to a stable
platform. Holding the work by hand or against your body is unstable and may lead to loss of control.
17. Do not force the tool. Use the correct tool for your application. The correct tool will do the job better
and safer at the rate for which it is designed.
18. Do not use the power tool if the Power Switch does not turn it on or off. Any tool that cannot be
controlled with the Power Switch is dangerous and must be replaced.
19. Disconnect the Power Cord Plug from the power source before making any adjustments, changing
accessories, or storing the tool. Such preventive safety measures reduce the risk of starting the tool
accidentally.
20. Store idle tools out of reach of children and other untrained persons. Tools are dangerous in the
hands of untrained users.
21. Maintain tools with care. Keep cutting tools maintained and clean. Properly maintained tools are
less likely to bind and are easier to control. Do not use a damaged tool. Tag damaged tools “Do not use”
until repaired.
22. Check for misalignment or binding of moving parts, breakage of parts, and any other condition
that may affect the tool’s operation. If damaged, have the tool serviced before using. Many
accidents are caused by poorly maintained tools.
WARNING! Some dust created by power sanding, sawing, grinding, drilling, and other construction
activities, contain chemicals known (to the State of California) to cause cancer, birth defects or other
reproductive harm. Some examples of these chemicals are: lead from lead-based paints, crystalline
silica from bricks and cement or other masonry products, arsenic and chromium from chemically
treated lumber. Your risk from these exposures varies, depending on how often you do this type of
work. To reduce your exposure to these chemicals: work in a well ventilated area, and work with
approved safety equipment, such as those dust masks that are specially designed to filter out
microscopic particles.
(California Health & Safety Code § 25249.5, et seq.)
SKU 93179
For technical questions, please call 1-800-444-3353
Page 4
Service
23. Tool service must be performed only by qualified repair personnel. Service or maintenance performed
by unqualified personnel could result in a risk of injury.
24. When servicing a tool, use only identical replacement parts. Use of unauthorized parts or failure to
follow maintenance instructions may create a risk of electric shock or injury.
Specific Safety Rules
1. Maintain labels and nameplates on the tool. These carry important information. If unreadable or
missing, contact Harbor Freight Tools for a replacement.
2. Always wear ANSI approved safety impact eye goggles and heavy work gloves when using the
tool. Using personal safety devices reduce the risk for injury. Safety impact eye goggles and heavy
work gloves are available from Harbor Freight Tools.
3. Always use the proper guard with grinding wheel. The guard protects operator from broken wheel
fragments.
4. When starting a hand-held power tool, always maintain a firm grip on the tool with both hands to
resist starting torque.
5. Always keep the extension cord away from moving parts on the tool.
6. Always use 2 hands during use.
7. WARNING! All accessories for this tool must be rated for at least 6500 RPM. Grinding wheels and
other accessories running over their rated speed can fly apart and cause injury.
8. Use only 9” diameter grinding wheels having a 5/8” or ( 7/8” if using included arbor adaptor)
center mounting hole. Never disable or modify the wheel guard.
9. WARNING! Never install a carbide tipped or steel circular saw blade for use in this tool. Never
install a wood carving blade, carving disc with chain saw cutters, or a cutting carving disc on this
tool.
10. For safest operation, it is recommended that only these accessories be used with this tool: Abrasive
cut-off discs and wheels, flap wheels, wire brushes, wire wheel brushes.
11. Never lay the tool down until the motor has come to a complete stop. The tool may create
unforeseen risk while the motor cycles down.
12. Never leave the tool unattended when it is plugged into an electrical outlet. Turn off the tool, and
unplug it from its electrical outlet before leaving.
13. WARNING! People with pacemakers should consult their physician(s) before using this product. Operation
of electrical equipment in close proximity to a heart pacemaker could cause interference or failure of the
pacemaker.

SKU 93179
For technical questions, please call 1-800-444-3353
Page 5
GROUNDING
WARNING! Improperly connecting the grounding wire can result in the risk of electric shock. Check with
a qualified electrician if you are in doubt as to whether the outlet is properly grounded. Do not modify the power
cord plug provided with the tool. Never remove the grounding prong from the plug. Do not use the tool if the
power cord or plug is damaged. If damaged, have it repaired by a service facility before use. If the plug will not
fit the outlet, have a proper outlet installed by a qualified electrician.
GROUNDED TOOLS: TOOLS WITH THREE PRONG PLUGS
1. Tools marked with “Grounding Required” have a three wire cord and three prong grounding plug. The plug
must be connected to a properly grounded outlet. If the tool should electrically malfunction or break down,
grounding provides a low resistance path to carry
electricity away from the user, reducing the risk of
electric shock. (See Figure A.)
2. The grounding prong in the plug is connected through
the green wire inside the cord to the grounding system
in the tool. The green wire in the cord must be the
only wire connected to the tool’s grounding system
and must never be attached to an electrically “live”
terminal. (See Figure A.)
3. Your tool must be plugged into an appropriate outlet,
properly installed and grounded in accordance with
all codes and ordinances. The plug and outlet should
look like those in the following illustration. (See Figure
A.)
DOUBLE INSULATED TOOLS: TOOLS WITH TWO PRONG PLUGS
4. Tools marked “Double Insulated” do not require grounding.
They have a special double insulation system which satisfies
OSHA requirements and complies with the applicable standards
of Underwriters Laboratories, Inc., the Canadian Standard
Association, and the National Electrical Code. (See Figure B.)
5. Double insulated tools may be used in either of the 120 volt
outlets shown in the following illustration. (See Figure B.)
Figure A
Figure B

SKU 93179
For technical questions, please call 1-800-444-3353
Page 6
detalusnIelbuoD
noitaicossAsdradnatSnaidanaC
.cnI,seirotarobaLsretirwrednU
tnerruCgnitanretlAstloV
serepmA
.nimrepxxxxdaolonetuniMrepsnoituloveRdaoLoN
EXTENSION CORDS
1.
Grounded
tools require a three wire extension cord.
Double Insulated
tools can use either a two or
three wire extension cord.
2. As the distance from the supply outlet increases, you must use a heavier gauge extension cord. Using
extension cords with inadequately sized wire causes a serious drop in voltage, resulting in loss of power
and possible tool damage. (See Figure C, below.)
3. The smaller the gauge number of the wire, the greater the capacity of the cord. For example, a 14 gauge
cord can carry a higher current than a 16 gauge cord. (See Figure C.)
4. When using more than one extension cord to make up the total length, make sure each cord contains
at least the minimum wire size required. (See Figure C.)
5. If you are using one extension cord for more than one tool, add the nameplate amperes and use the sum
to determine the required minimum cord size. (See Figure C.)
6. If you are using an extension cord outdoors, make sure it is marked with the suffix “W-A” (“W” in Canada)
to indicate it is acceptable for outdoor use.
7. Make sure your extension cord is properly wired and in good electrical condition. Always replace a
damaged extension cord or have it repaired by a qualified electrician before using it.
8. Protect your extension cords from sharp objects, excessive heat, and damp or wet areas.
Figure C.
SYMBOLOGY
V ~
A
Recommended Minimum Wire Gauge for 120 Volt Extension Cords*
Nameplate
Amperes (At
Full Load)
Extension Cord Length
25 Feet 50 Feet 75 Feet 100 Feet 150 Feet
0 - 2.0 18 18 18 18 16
2.1 - 3.4 18 18 18 16 14
3.5 - 5.0 18 18 16 14 12
6.1 - 7.0 18 16 14 12 12
7.1 - 12.0 16 14 12 10 X
12.1 - 16.0 14 12 10 X X
16.1 - 20.0 12 10 X X X

SKU 93179
For technical questions, please call 1-800-444-3353
Page 7
Unpacking
When unpacking, check to make sure that the product is intact and undamaged.
If any parts are missing or broken, please call Harbor Freight Tools at the number on the cover of
this manual.
Assembly
You must install the Wheel Guard (3) before using your Angle Grinder
1. Align the tabs on the Wheel Guard (3) with the indents in the underside of the Gear Housing (19) and press the
Guard into place as shown in the photo at right.
2. Rotate the Wheel Guard (3)
into position as shown in the
photo at left.
3. Tighten the Screw (5) in the
Guard Clamp (4) to hold the
Wheel Guard (3) firmly in place.
You must install the Side Handle (24) before using your Angle Grinder.
1. You can install the Side Handle (24) in either the left or right side or the top of the Gear Housing (19).
2. Decide which position is best for you, providing the firmest grip while working. Pry out the Rubber Plug
(23) which is covering the threaded hole you have selected. Place the Rubber Plug in a safe place where
you can find it again if you need it.
3. Align the threaded end of the Side Handle (24) with the threaded hole in the Gear Housing (19) and screw
it in clockwise until it is tight.
NOTE: Periodically check to be sure the handle
remains tight. Never try to reposition the Side
Handle while the tool is running.
NOTE: The wheel guard is shown in the correct
final position in the photo at right.
Installing the Side Handle (24)
Positioning the Wheel Guard (3)
Tighten the Screw (5)
in the Guard Clamp
(4)
tab
tab
press down,
then rotate

SKU 93179
For technical questions, please call 1-800-444-3353
Page 8
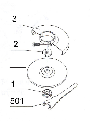
You must install the Grinding Wheel (54) before using your tool.
1. Place the Backing Washer (2) on the Arbor Spindle (7) as shown,
making sure it fits tight.
2. Place the Grinding Wheel (54) on top of the Backing Washer (2),
making sure the bore of the Grinding Wheel fits onto the step of
the Arbor Spindle (7).
3. Place the Disc Locking Nut (1) onto the Arbor Spindle (7) with the
concave recessed side against the grinding wheel.
4. Press in and hold the Spindle Lock (22). Be sure that the Spindle
Lock has engaged in the Arbor Spindle (7) and is preventing it
from turning.
5. While holding in the Spindle Lock (22) tighten the Disc Locking
Nut (1) by turning it clockwise with the Spanner (501). Tighten
securely.
6. Before using the tool, let it run for a minute, checking to be sure
there is no excess vibration. If there is excess vibration, the grinding
wheel is either not installed properly, or is damaged. Unplug the
tool, and reinstall or replace the Grinding Wheel.
7. Removing the grinding wheel is the reverse of these steps.
About Power Grinders and Grinding Wheels
While an extremely useful tool, power grinders can be dangerous if damaged or used improperly.
1. Grinding wheels are made of aggregates of a cutting material (grit) such as Aluminum Oxide, an epoxy
binder and usually a fabric matrix. During manufacture, the grit portion of the wheel is bonded to steel
flanges which provide an area to slide onto the arbor and fix in place using the arbor nut.
2. Grinding wheels come in dimensional sizes, speed ranges and grit sizes.
3. This grinder is designed to accept 9” diameter grinding wheels, with an arbor hole diameter of 5/8”. The
included adapter will allow you to use arbor sizes of 7/8”. Do not use wheels of any other size.
4. This grinder has a maximum speed of 6500 rpm. WARNING: Do not use a grinding wheel which is not
rated for at least this speed. Using lower speed rated wheels at higher speed may cause the
grinding wheel to come apart and be ejected from the grinder at high speed, possibly causing
severe personal or property damage.
5. Grinding wheels are identified by the material which makes up the grit, the recommended work piece
material, and a grit number which indicates the coarseness of the grit. Lower numbers are more coarse.
Coarse grits cut faster, but leave a rough surface. Finer grits (higher grit numbers) cut more slowly, but
leave a more finished surface. Select the grit which is appropriate to the job at hand.
6. During use, grinding wheels may become unevenly worn, cracked or chipped. Wheels which are damaged
in this way will usually cause the grinder to vibrate. WARNING: Damaged grinding wheels may break
apart during use, possibly causing injury. Never use a damaged or unevenly worn grinding wheel.
REV 02/06
54

SKU 93179
For technical questions, please call 1-800-444-3353
Page 9
Rotating the Back Handle
You can rotate the Back Handle (41, 48) by
pressing the Rotation Button (53).
1. First unplug the tool.
2. Hold the Main Body of the tool with one hand.
With the other grip the Back Handle and press in
the Rotation Button.
3. Rotate the Back Handle to the desired position.
You can rotate the handle up to 90° in either
direction. Release the Rotation Button.
WARNING: The Handle must be used at all times. to
maintain complete control of the tool. Place it on
either side or the top where it will afford the best
leverage and work visibility.
Operating the Power Switch
The Power Switch (42) has a safety lock mechanism.
1. Do not start the tool until you have observed all safety
preparations and are ready to work.
2. Slide the Safety Lock of the Power Switch forward.
3. Squeeze the Power Switch. The tool will start to operate.
4. Stop the tool by releasing the Power Switch. The Safety
Lock will return to its locked position.
Using the Angle Grinder
Before using the Angle Grinder, be sure all work area safety
precautions are being observed. Be sure to wear ANSI approved eye
protection.
1. Start the tool, and place it on the work piece at a 10 to 15° angle.
2. Guide the tool back and forth over the work piece in a steady motion. Do
not press down, but allow the weight of the tool to do the work.
3. When cutting with the Angle Grinder, first be sure the grinding
wheel has a thin cutting edge. Keep the grinding wheel straight in the
cut to prevent the wheel from being damaged.
CAUTION: This tool is not designed for wet grinding. Do not use
water or other lubricants while grinding or cutting with this tool.
NOTE: Do not cover the exhaust ports while the tool is in use.
This will reduce the efficiency of the tool, and may cause damage.
4. Do not use a cutting wheel for rough grinding. Cutting wheels are thin and may break if used for grinding.
Rotating the Back Handle
Using the Angle Grinder
Operating the Power Switch
Safety Lock
Power Switch
NOTE: The motor will heat up as it is used.
To avoid motor burn out, do not use
continually for more than 20 minutes at a
time. Allow the tool to cool down for at least
10 minutes before resuming work.
WARNING: Always use 2 hands
during use.

SKU 93179
For technical questions, please call 1-800-444-3353
Page 10
Maintenance and Inspection
1. The Armature (31) and Stator (36) comprise the main part of
the tool. Protect these electrical components from moisture
or oil intrusion.
2. Inspect the Carbon Brushes (50) regularly. Replace them if
they are more than 1/3 worn or are chipped or cracked. When
handling them, be careful not to damage them. To reduce
wear after inspection, replace them in exactly the same way
as they were removed.
3. Regularly inspect all components and fasteners to be sure
they are properly installed, not damaged, and tight. Tighten
any loose parts. Repair or replace any damaged components.
4. If the tool is damaged or does not function properly, take it
to an authorized service technician.
5. Clean the tool after each use, and store it properly. Keep it
out of reach of children and other unauthorized persons. Protect it from moisture and corrosive materials.
Inspecting the Carbon Brushes (50)

SKU 93179
For technical questions, please call 1-800-444-3353
Page 11
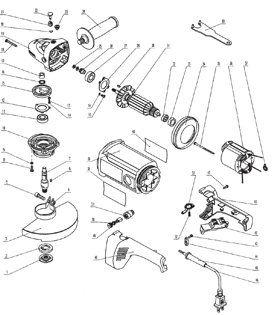
Description Part # Description Part #
DISC LOCKING NUT 1 BEARING COVER 29
BACKING WASHER 2 KEY 2.9X5X13 30
WHEEL GUARD 3 ARMATURE 31
GUARD CLAMP 4 BALL BEARING 629.2Z 32
SCREW M8X28 5 BEARING BUSHION 33
KEY 4X5X13 6 GUIDE WIND CIRCLE 34
ARBOR SPINDLE 7 SCREW ST5X80 35
SCREW M5X16 8 STATOR 36
SPRING WASHER *5 9 CONNECTION SPRING 37
GEAR HOUSING COVER 10 NAME PLATE 38
BALL BEARING 6202RS 11 HOUSING 39
BEARING COVER 12 TYPE PLATE 40
SCREW M4X10 13 BACK HANDLE(RIGHT) 41
SPRING WASHER *4 14 POWER SWITCH 42
BIG GEAR 15 SCREW ST4X14 43
CIRCLIP FOR SHAFT *15 16 CORD CLIP 44
BRONZE BUSHING 17 CORD 45
SCREW ST5X45 18 RUBBER SLEEVE 46
GEAR HOUSING 19 SCREW ST4X18 47
"E"RING 20 BACK HANDLE(LEFT) 48
SPINDLE LOCK SPRING 21 BRUSH CAP 49
SPINDLE LOCK 22 CARBON BRUSH 50
RUBBER PLUG 23 BRUSH HOLDER 51
SIDE HANDLE 24 ROTATION SPRING 52
NUT M8X1 25 ROTATION BUTTON 53
PINION 26 SPANNER 501
BALL BEARING 6202RS 27 GRINDING WHEEL 502
Parts List
NOTE: Some parts are listed and shown for illustration purposes only and are not available individually as
replacement parts.
PLEASE READ THE FOLLOWING CAREFULLY
THE MANUFACTURER AND/OR DISTRIBUTOR HAS PROVIDED THE PARTS DIAGRAM IN THIS MANUAL AS A REFERENCE
TOOL ONLY. NEITHER THE MANUFACTURER NOR DISTRIBUTOR MAKES ANY REPRESENTATION OR WARRANTY OF
ANY KIND TO THE BUYER THAT HE OR SHE IS QUALIFIED TO MAKE ANY REPAIRS TO THE PRODUCT OR THAT HE OR
SHE IS QUALIFIED TO REPLACE ANY PARTS OF THE PRODUCT. IN FACT, THE MANUFACTURER AND/OR DISTRIBUTOR
EXPRESSLY STATES THAT ALL REPAIRS AND PARTS REPLACEMENTS SHOULD BE UNDERTAKEN BY CERTIFIED AND
LICENSED TECHNICIANS AND NOT BY THE BUYER. THE BUYER ASSUMES ALL RISK AND LIABILITY ARISING OUT OF
HIS OR HER REPAIRS TO THE ORIGINAL PRODUCT OR REPLACEMENT PARTS THERETO, OR ARISING OUT OF HIS
OR HER INSTALLATION OF REPLACEMENT PARTS THERETO.
* Grinding Wheel - Part 54 - not shown
REV 02/06

SKU 93179
For technical questions, please call 1-800-444-3353
Page 12
Assembly Drawing
* Grinding Wheel - Part 54 - not shown
REV 02/06