Harbor Freight 97099 Users Manual
Harbor-Freight-1-Hp-7-In-X-12-In-Hydraulic-Feed-Metal-Cutting-Band-Saw-Product-Manual-723080 harbor-freight-1-hp-7-in-x-12-in-hydraulic-feed-metal-cutting-band-saw-product-manual-723080
Harbor-Freight-97009-Owner-S-Manual harbor-freight-97009-owner-s-manual
97099 to the manual 8474114e-fb0b-4852-9a95-114eca204f38
2015-01-25
: Harbor-Freight Harbor-Freight-97099-Users-Manual-210081 harbor-freight-97099-users-manual-210081 harbor-freight pdf
Open the PDF directly: View PDF
.
Page Count: 46

METAL CUTTING BANDSAW
7” X 12”
Model
97009
SET UP AND OPERATING INSTRUCTIONS
Diagrams within this manual may not be drawn proportionally.
Due to continuing improvements, actual product may differ slightly from the product described herein.
Distributed exclusively by Harbor Freight Tools®.
3491 Mission Oaks Blvd., Camarillo, CA 93011
Visit our website at: http://www.harborfreight.com
Read this material before using this product.
Failure to do so can result in serious injury.
SAVE THIS MANUAL.
Copyright© 2007 by Harbor Freight Tools®. All rights reserved. No portion of this
manual or any artwork contained herein may be reproduced in any shape or form
without the express written consent of Harbor Freight Tools.
For technical questions or replacement parts, please call 1-800-444-3353.

Page 2SKU 97009 For technical questions, please call 1-800-444-3353.
TABLE OF CONTENTS
Important Safety Information ...................................................................3
General Safety Rules.................................................................................4
Specic Safety Rules.................................................................................6
Grounding...................................................................................................8
Extension Cords.........................................................................................9
Symbology.................................................................................................10
Product Specications.............................................................................10
Set Up Instructions....................................................................................11
Operating Instructions..............................................................................12
Maintenance and Servicing......................................................................25
Troubleshooting Guide.............................................................................29
Parts Lists..................................................................................................30
Assembly Diagrams..................................................................................38
Electrical Schematics...............................................................................43
Warranty Information................................................................................46

Page 3SKU 97009 For technical questions, please call 1-800-444-3353.
SAVE THIS MANUAL
Keep this manual for the safety warnings and precautions, assembly, operating,
inspection, maintenance and cleaning procedures. Write the product’s serial number
in the back of the manual near the assembly diagram (or month and year of purchase if
product has no number). Keep this manual and the receipt in a safe and dry place for
future reference.
IMPORTANT SAFETY INFORMATION
In this manual, on the labeling, and all other information
provided with this product:
This is the safety alert symbol. It is used to alert you to potential
personal injury hazards. Obey all safety messages that follow this
symbol to avoid possible injury or death.
DANGER indicates a hazardous situation
which, if not avoided, will result in death or
serious injury.
WARNING indicates a hazardous situation
which, if not avoided, could result in death
or serious injury.
CAUTION, used with the safety alert
symbol, indicates a hazardous situation
which, if not avoided, could result in minor
or moderate injury.
NOTICE is used to address practices not
related to personal injury.
CAUTION, without the safety alert symbol,
is used to address practices not related to
personal injury.
DANGERDANGER
WARNINGWARNING
CAUTIONCAUTION
NOTICENOTICE
CAUTIONCAUTION

Page 4SKU 97009 For technical questions, please call 1-800-444-3353.
GENERAL SAFETY RULES
WARNING! Read all instructions
Failure to follow all instructions listed below may result in electric shock,
re, and/or serious injury. The term “power tool” in all of the warnings listed
below refers to your line-operated (corded) power tool.
SAVE THESE INSTRUCTIONS
Work area safety
Keep work area clean and well lit. Cluttered or dark areas invite accidents.
Do not operate power tools in explosive atmospheres, such as in the
presence of ammable liquids, gases or dust. Power tools create sparks
which may ignite the dust or fumes.
Keep children and bystanders away while operating a power tool.
Distractions can cause you to lose control.
Electrical safety
Power tool plugs must match the outlet. Never modify the plug in any way.
Do not use any adapter plugs with grounded power tools. Unmodied plugs
and matching outlets will reduce risk of electric shock.
Avoid body contact with grounded surfaces such as pipes, radiators, ranges
and refrigerators. There is an increased risk of electric shock if your body is
grounded.
Do not expose power tools to rain or wet conditions. Water entering a power
tool will increase the risk of electric shock.
Do not abuse the cord. Never use the cord for carrying, pulling or unplugging
the power tool. Keep cord away from heat, oil, sharp edges or moving parts.
Damaged or entangled cords increase the risk of electric shock.
When operating a power tool outdoors, use an extension cord suitable for
outdoor use. Use of a cord suitable for outdoor use reduces the risk of
electric shock.
Personal safety
Stay alert, watch what you are doing and use common sense when operating
a power tool. Do not use a power tool while you are tired or under the
inuence of drugs, alcohol or medication. A moment of inattention while
operating power tools may result in serious personal injury.
Use safety equipment. Always wear eye protection. Safety
equipment such as dust mask, heavy duty work gloves, or
hearing protection used for appropriate conditions will reduce
personal injuries.
1.
a.
b.
c.
2.
a.
b.
c.
d.
e.
3.
a.
b.
Page 5SKU 97009 For technical questions, please call 1-800-444-3353.
Avoid accidental starting. Ensure the switch is in the off-position before
plugging in.
Remove any adjusting key or wrench before turning the power tool on. A
wrench or a key left attached to a rotating part of the power tool may result in
personal injury.
Do not overreach. Keep proper footing and balance at all times. This
enables better control of the power tool in unexpected situations.
Dress properly. Do not wear loose clothing or jewelry. Keep your hair,
clothing and gloves away from moving parts. Loose clothes, jewelry or long
hair can be caught in moving parts.
Power tool use and care
Do not force the power tool. Use the correct power tool for your application.
The correct power tool will do the job better and safer at the rate for which it
was designed.
Do not use the power tool if the switch does not turn it on and off. Any power
tool that cannot be controlled with the switch is dangerous and must be
repaired.
Disconnect the plug from the power source and/or the battery pack from the
power tool before making any adjustments, changing accessories, or storing
power tools. Such preventive safety measures reduce the risk of starting the
power tool accidentally.
Store idle power tools out of the reach of children and do not allow people
unfamiliar with the power tool or these instructions to operate the power tool.
Power tools are dangerous in the hands of untrained users.
Maintain power tools. Check for misalignment or binding of moving parts,
breakage of parts and any other condition that may affect the power tool’s
operation. If damaged, have the power tool repaired before use. Many
accidents are caused by poorly maintained power tools.
Keep cutting tools sharp and clean. Properly maintained cutting tools with
sharp cutting edges are less likely to bind and are easier to control.
Use the power tool and accessories in accordance with these instructions
and in the manner intended for the particular type of power tool, taking into
account the working conditions and the work to be performed. Use of the
power tool for operations different from those intended could result in a
hazardous situation.
Service
Have your power tool serviced by a qualied repair person using only
identical replacement parts. This will ensure that the safety of the power tool
is maintained.
c.
d.
e.
f.
4.
a.
b.
c.
d.
e.
f.
g.
5.
a.

Page 6SKU 97009 For technical questions, please call 1-800-444-3353.
SPECIFIC SAFETY RULES
Maintain labels and nameplates on the tool. These carry important safety
information. If unreadable or missing, contact Harbor Freight Tools for a
replacement.
Make sure the Bandsaw is located on a at, level, sturdy surface capable of
supporting the weight of the tool, accessories, and workpieces. Always “chock”
the Wheels to prevent the Bandsaw from accidentally moving.
Make sure the Table of the Bandsaw and surrounding area are clear with the
exception of the workpiece to be cut.
Before using the Bandsaw, check to make sure the Saw Blade is properly
mounted and in good condition.
Never stand on the Bandsaw. Serious injury could result if the Bandsaw is tipped
or if the rotating Saw Blade is accidentally contacted.
Never attempt to cut more than one workpiece at a time.
When cutting a large workpiece, make sure its entire length is properly
supported. If necessary, use a roller stand (not included).
Do not lean on the Bandsaw when the tool is in its upright position.
When moving the Bandsaw, always have its Head lowered to its horizontal
position.
Allow the Saw Blade to rotate to full speed before feeding the Blade into a
workpiece. When turning off the Bandsaw, allow the Saw Blade to spin down
and stop on its own. Do not press against the Saw Blade to stop it.
To avoid injury, always wear ANSI-approved safety goggles and heavy duty work
gloves when changing the Saw Blade.
The Saw Blade becomes hot while cutting. Allow the Blade to completely cool
before handling.
Do not force the Saw Blade into the workpiece when cutting. Apply moderate
pressure, allowing the Blade to cut without being forced.
Turn off the Bandsaw and allow the Saw Blade to completely stop if the Blade is
to be backed out of an incomplete cut.
Never attempt to remove material stuck in the moving parts of the Bandsaw while
it is plugged in and running.
Keep all safety guards in place and in proper working order.
Always adjust and position the Blade Guide Arm before starting the cut.
1.
2.
3.
4.
5.
6.
7.
8.
9.
10.
11.
12.
13.
14.
15.
16.
17.
Page 7SKU 97009 For technical questions, please call 1-800-444-3353.
When cutting magnesium, use soluble oils or emulsions (oil/water mix) as water
only will greatly intensify any accidental magnesium chip re. See your industrial
coolant supplier for specic coolant recommendations when cutting magnesium.
Avoid unintentional starting. Prepare to begin work before turning on the tool.
Do not leave the tool unattended when it is plugged into an electrical outlet. Turn
off the tool, and unplug it from its electrical outlet before leaving.
Use the Vise or other practical ways to secure and support the workpiece to the
Support Plate. Holding the work by hand or against your body is unstable and
may lead to loss of control, and personal injury.
This product is not a toy. Keep it out of reach of children.
The brass components of this product contain lead, a chemical known to the
State of California to cause birth defects (or other reproductive harm). California
Health & Safety Code 25249.5, et seq.)
People with pacemakers should consult their physician(s) before use.
Electromagnetic elds in close proximity to heart pacemaker could cause
pacemaker interference or pacemaker failure. In addition, people with
pacemakers should:
• Avoid operating alone.
• Do not use with power switch locked on.
• Properly maintain and inspect to avoid electrical shock.
• Any power cord must be properly grounded. Ground Fault Circuit Interrupter
(GFCI) should also be implemented – it prevents sustained electrical shock.
Some dust created by power sanding, sawing, grinding, drilling, and other
construction activities, contains chemicals known [to the State of California] to
cause cancer, birth defects or other reproductive harm. Some examples of these
chemicals are:
Lead from lead-based paints
Crystalline silica from bricks and cement or other masonry products
Arsenic and chromium from chemically treated lumber
Your risk from these exposures varies, depending on how often you do this type
of work. To reduce your exposure to these chemicals: work in a well ventilated
area, and work with approved safety equipment, such as those dust masks that
are specially designed to lter out microscopic particles. (California Health &
Safety Code § 25249.5, et seq.)
The warnings, precautions, and instructions discussed in this instruction manual
cannot cover all possible conditions and situations that may occur. It must be
understood by the operator that common sense and caution are factors which
cannot be built into this product, but must be supplied by the operator.
18.
19.
20.
21.
22.
23.
24.
25.
26.

Page 8SKU 97009 For technical questions, please call 1-800-444-3353.
SAVE THESE INSTRUCTIONS.
GROUNDING
Improperly connecting the grounding wire can result in
electric shock.
Check with a qualied electrician if you are in doubt as to
whether the outlet is properly grounded. Do not modify
the power cord plug provided with the tool. Never remove
the grounding prong from the plug. Do not use the tool if
the power cord or plug is damaged. If damaged, have it
repaired by a service facility before use. If the plug will not
t the outlet, have a proper outlet installed by a qualied
electrician.
Grounded Tools: Tools with Three Prong Plugs
Tools marked with “Grounding Required” have a three wire cord and three prong
grounding plug. The plug must be connected to a properly grounded outlet. If
the tool should electrically malfunction or break down, grounding provides a low
resistance path to carry electricity away from the user, reducing the risk of electric
shock. (See 3-Prong Plug and Outlet.)
The grounding prong in the plug is connected through the green wire inside the
cord to the grounding system in the tool. The green wire in the cord must be the
only wire connected to the tool’s grounding system and must never be attached
to an electrically “live” terminal. (See 3-Prong Plug and Outlet.)
The tool must be plugged into an appropriate outlet, properly installed and
grounded in accordance with all codes and ordinances. The plug and outlet
should look like those in the following illustration.
(See 3-Prong Plug and Outlet.)
3-Prong Plug and Outlet Outlets for 2-Prong Plug
1.
2.
3.
WARNINGWARNING

Page 9SKU 97009 For technical questions, please call 1-800-444-3353.
Double Insulated Tools: Tools with Two Prong Plugs
Tools marked “Double Insulated” do not require grounding. They have a special
double insulation system which satises OSHA requirements and complies
with the applicable standards of Underwriters Laboratories, Inc., the Canadian
Standard Association, and the National Electrical Code.
(See Outlets for 2-Prong Plug.)
Double insulated tools may be used in either of the 120 volt outlets shown in the
preceding illustration. (See Outlets for 2-Prong Plug.)
EXTENSION CORDS
Grounded tools require a three wire extension cord. Double Insulated tools can
use either a two or three wire extension cord.
As the distance from the supply outlet increases, you must use a heavier gauge
extension cord. Using extension cords with inadequately sized wire causes a
serious drop in voltage, resulting in loss of power and possible tool damage.
(See Table A.)
The smaller the gauge number of the wire, the greater the capacity of the cord.
For example, a 14 gauge cord can carry a higher current than a 16 gauge cord.
(See Table A.)
When using more than one extension cord to make up the total length, make
sure each cord contains at least the minimum wire size required. (See Table A.)
If you are using one extension cord for more than one tool, add the nameplate
amperes and use the sum to determine the required minimum cord size.
(See Table A.)
If you are using an extension cord outdoors, make sure it is marked with the
sufx “W-A” (“W” in Canada) to indicate it is acceptable for outdoor use.
Make sure the extension cord is properly wired and in good electrical condition.
Always replace a damaged extension cord or have it repaired by a qualied
electrician before using it.
Protect the extension cords from sharp objects, excessive heat, and damp or wet
areas.
1.
2.
1.
2.
3.
4.
5.
6.
7.
8.

Page 10SKU 97009 For technical questions, please call 1-800-444-3353.
RECOMMENDED MINIMUM WIRE GAUGE FOR EXTENSION CORDS* (120/240 VOLT)
NAMEPLATE
AMPERES
(at full load)
EXTENSION CORD LENGTH
25 Feet 50 Feet 75 Feet 100 Feet 150 Feet
0 – 2.0 18 18 18 18 16
2.1 – 3.4 18 18 18 16 14
3.5 – 5.0 18 18 16 14 12
5.1 – 7.0 18 16 14 12 12
7.1 – 12.0 18 14 12 10 -
12.1 – 16.0 14 12 10 - -
16.1 – 20.0 12 10 - - -
TABLE A * Based on limiting the line voltage drop to ve volts at 150% of the rated amperes.
SYMBOLOGY
Double Insulated V~ Volts Alternating Current
Canadian Standards Association AAmperes
Underwriters Laboratories, Inc. n0 xxxx/min. No Load Revolutions per Minute
(RPM)
SPECIFICATIONS
Electrical Requirements 120 V~ / 60 Hz / 16 Amps
1 HP Single Phase Motor / 1720 RPM
Power Switch Type: Toggle
Circuit Breaker: 18 Amps (Resettable)
Power Cord Type: 14 AWG x 3C
Plug Type: 120 Volt / 3-Prong / Grounded
Stock Capacity at 90° 7” (Round) / 7” x 12” (Rectangle)
Blade Speeds
(Feet Per Minute)
90 FPM / 135 FPM / 195 FPM / 255 FPM
Blade Size
Teeth Per Inch
0.75” x 0.031” x 93” (Carbon Steel Blade)
6 TPI
Belt Type 3V-270
Miter Slot Width / Depth 11/16” Wide / 9/16” Deep
Hydraulic Ram Travel 5-5/8”
Base Mounting Holes 3/8” Diameter (Qty. 4)
Wheel Dimensions 5” Diameter x 1” Wide

Page 11SKU 97009 For technical questions, please call 1-800-444-3353.
UNPACKING
When unpacking, check to make sure that the item is intact and undamaged. If
any parts are missing or broken, please call Harbor Freight Tools at the number shown
on the cover of this manual as soon as possible.
SET UP INSTRUCTIONS
Read the ENTIRE IMPORTANT SAFETY INFORMATION section at the
beginning of this manual including all text under subheadings therein
before set up or use of this product.
Risk of accidental starting; resulting in serious personal
injury. Turn the Power Switch of the tool to its “OFF”
position and unplug the tool from its electrical outlet before
assembling or making any adjustments to the tool.
Note: For additional information regarding the parts listed in the following pages, refer
to the Assembly Diagrams near the end of this manual.
Assembly
NOTE: To assemble and locate the Bandsaw will require additional assistance
and a proper lifting device.
After the Bandsaw and its accessories are unpacked, make sure its Head is
lowered to its horizontal position. (See Figure A.)
With a proper lifting device, raise the Bandsaw approximately six inches off the
oor surface. (See Figure A.)
FIGURE A
Once the Bandsaw is lifted, insert the Wheel Rod (92-4) through the two holes
located at the bottom/right side of the Stand (77S). Slide one Wheel (92-2) on
each end of the Wheel Rod. Place one Washer (92-1) on each end of the Wheel
1.
2.
3.
4.
WARNINGWARNING

Page 12SKU 97009 For technical questions, please call 1-800-444-3353.
OPERATING INSTRUCTIONS
Read the ENTIRE IMPORTANT SAFETY INFORMATION section at the
beginning of this manual including all text under subheadings therein
before set up or use of this product.
Caution: Even though the unit is equipped with wheels and a carrying handle,
always seek help when wheeling the unit around the shop.
TO USE THE QUICK VISE
Place the workpiece between the Vise Jaws (9, 22) with the amount to be cut off
extending out past the Saw Blade (251). (See Figure C, next page.)
The Bandsaw is equipped with a quick action Vise Jaw mechanism which allows
you to instantly position the moveable Front Vise Jaw (9). (See Figure C.)
1.
2.
Rod. Insert one Cotter Pin (92-3) through the hole in each end of the Wheel Rod.
Make sure to bend the Cotter Pins to secure the Wheels in place.
(See Figure B.)
Screw in the two Levelers (93) into the two threaded mounting holes located
underneath the bottom/left side of the Stand (77S). (See Figure B.)
Carefully lower the Bandsaw to the oor surface. Then turn the two Levelers (93)
clockwise or counterclockwise to properly level the Stand (77S).
(See Figure B.)
Attach the Hand Rod (98-1) to the Stand Assembly (77S) using Screw (98-2),
washer (98-3) and Hex Nut (98-4). See Diagram on page 39.
WHEEL ROD (92-4)
WHEEL (92-2)
WASHER (92-1)
COTTER PIN (92-3)
STAND (77S)
LEVELER (93)
FIGURE B
5.
6.
7.
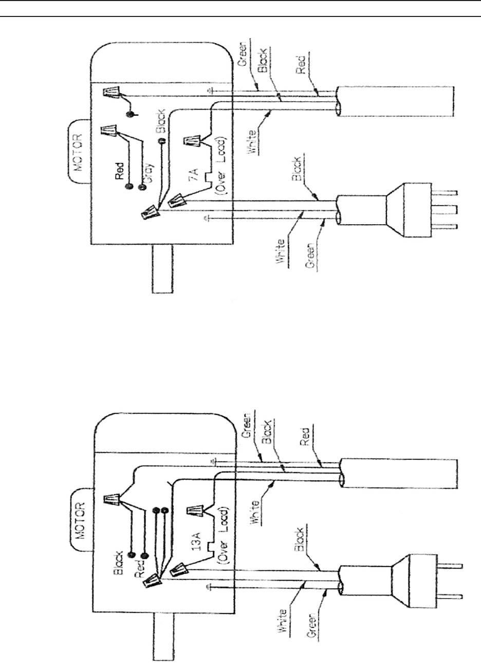
NOTE: The Bandsaw is factory pre-wired to operate on a grounded, 120 volt
system. However, if rewired, the Bandsaw is also designed to operate on a
grounded, 240 volt system. For information about how to switch the electrical
system from 120 volt to 240 volt, refer to the “Electrical Schematics” toward the
end of this manual. WARNING! Only a qualied electrician should attempt
to rewire the Bandsaw.
8.

Page 13SKU 97009 For technical questions, please call 1-800-444-3353.
Setting up the Quick Vise an angle:
Remove Screws (A and B) from base of the Rear Vise Jaw (22).
Position (D) over (B) and attach the Screw and Washer (19 and 22) and attach Screw
(B).
Attach Carriage Screw (17) onto Slot (C) through the curved slot in the Base (1).
Align edge of the Rear Vise Jaw with the indexing rule and tighten Screws at (B and
C). (See Figure E.)
5.
•
•
•
•
To operate, turn the Hand Wheel (5S) counterclockwise 1/2 turn and move the
Front Vise Jaw (9) to the desired position. Then tighten the Front Vise Jaw
against the workpiece by turning the Hand Wheel clockwise. (See Figure C.)
3.
FRONT VISE JAW (9) REAR VISE JAW (22)
HAND WHEEL (5S)
HAND WHEEL (5S)
FIGURE C
Setting up the Quick Vise for a straight (0°) cut:
Loosen the Screws (H) and (G) of Front Vise Jaw (F).
Turn the Hand Wheel (5S) counterclockwise by half a turn and slide back the
Front Vise Jaw (9).
Loosen Screw (A and B) and note that Screw (A) should be in the slot which is
parallel with the Rear Vise Jaw.
Rear Vise Jaw at the scale side should be aligned with the zero (0) on the rule.
Tighten Screws (A and B). (See Figure D.)
4.
•
•
•
•
A
B
C
22
D
9
FIGURE D
BASE (1)
GHORIGINAL POSITION (FOR 0° CUTTING)
Note: Make
sure “C” slot is
free of casting
ush so the
vise can be
positioned in
all angles.

Page 14SKU 97009 For technical questions, please call 1-800-444-3353.
A
D
B
FIGURE F
TO ADJUST THE STOP BLOCK
For repeated cuts of pre-set lengths
Loosen the Thumb Screw (38) that holds the Stop Block (41) to the Stock Stop
Rod (40). (See Figure G)
Adjust the Stop Block (41) to the desired length position. Then re-tighten the
Thumb Screw (38). (See Figure G)
1.
2.
FIGURE E
THE POSITION FOR AN ANGLE (90°) CUT.
A
D
B
Setting up the Quick Vise for cutting a 12” workpiece:
Remove both fasteners from the Rear Vise Jaw (22).
Position (B) over the outer threaded hole on the Base (1).
Position Slot (A) over the small rectangular opening across the Base (1).
Attach Screws (A and B). Align the lower edge of the Rear Vise Jaw (22) with
the “0” index mark adjacent to the 16° degree setting. Tighten the screws.
(See Figure F)
6.
•
•
•
•

Page 15SKU 97009 For technical questions, please call 1-800-444-3353.
TO CONVERT THE BANDSAW FOR VERTICAL USE
NOTE: Notching, slitting, and contour work is best done with the Bandsaw in its
vertical position.
Raise the Saw Head to its full vertical position, making sure it locks into position
by turning the Cylinder’s (216) on/off valve to its “OFF” position (the spoke to be
positioned cross the cylinder). (See Figure H.)
1.
2.
THUMB SCREW
(38)
STOCK
STOP ROD
(40)
STOP BLOCK
(41)
WORKPIECE
(NOT INCLUDED)
FIGURE G
CYLINDER (216)
FIGURE H

Page 16SKU 97009 For technical questions, please call 1-800-444-3353.
Guide the Saw Blade (251) through the slot in the Vertical Saw Table (55-2), and
secure it in position with the two Screws (266-7).
(See Figure J.)
4.
SCREWS (266-7)
VERTICAL SAW TABLE (55-2)
FIGURE J
Remove the two Screws (266-7), and remove the Deector Plate (266-3).
(See Figure I.)
3.
SAW BLADE (251)
DEFLECTOR PLATE (266-3)
SCREWS (266-7)
FIGURE I
TO ADJUST THE BLADE SPEED
When using the Bandsaw, always change the Saw Blade (251) speed to best suit
the material being cut. The illustration below shows several settings for several
types of materials. (See Figure K.)
1.
Material Speed
(Feet Per Minute)
Belt Groove Used
Motor Pulley Saw Pulley
Stainless Alloy Steels
Bearing Bronze
90 FPM Small Largest
Medium to High Carbon Steels
Hard Brass or Bronze
135 FPM Medium Large
Low to Medium Carbon Steel
Soft Brass
195 FPM Large Medium
Aluminum
Plastic
255 FPM Largest Small
FIGURE K

Page 17SKU 97009 For technical questions, please call 1-800-444-3353.
To adjust the Saw Blade (251) speed, loosen the two Hex Nuts (304) and Hex
Screws (307-2). Slide the Motor (300) forward to release tension on the Belt
(208). (See Figure L.)
2.
HEX NUT (304)
(REMAINING 3 HEX NUTS NOT SHOWN)
FIGURE L
MOTOR MOUNT PLATE (303)
BELT (208)
Remove the Belt (208) from its two Pulleys (206, 296). Place the Belt onto the
two Pulleys according to the Saw Blade (251) speed desired. Then move the
Motor (300) back to its original position and secure in place by tightening the
previously loosened two nuts and two screws. (See Figures L and M.)
3.
Saw Pulley Motor Pulley Speed
(Feet Per Minute)
90 FPM
135 FPM
195 FPM
255 FPM
TO ADJUST THE BLADE GUIDE BEARINGS
IMPORTANT: Blade Guide Bearings (266-10) adjustment is a critical factor in
the performance of the Bandsaw. It is always best to try a new Saw Blade (251)
to see if it will correct poor cutting quality before attempting to adjust the Blade
Guide Bearings. For example, if a Saw Blade becomes dull on one side sooner
1.
FIGURE M
Verify belt tension by pressing the belt between the pulleys. Deection should
be about 3.8”. In time, the belt will stretch and loose its tension. Loosen the Hex
Nut (302) and back off the Belt Tension Limiter Bolt (301). Turn the Belt Tension
Limiter Bolt (301) against the Motor Mount Bracket (307) and tighten the Hex Nut
(302).
4.

Page 18SKU 97009 For technical questions, please call 1-800-444-3353.
than the other, it will begin cutting crooked. A Saw Blade replacement will correct
this problem, whereas Blade Guide Bearings adjustment will not.
If a new Saw Blade (251) does not correct the problem, check the clearance
between the Saw Blade and Blade Guide Bearings (266-10) to obtain proper
clearance. NOTE: There should only be a maximum of 0.001 clearance
between the Saw Blade and Blade Guide Bearing. To obtain this clearance,
adjust as follows:
The Blade Guide Bearings (266-10) are mounted to the Guide Pivot Assemblies
(270S) and can be adjusted. (See Figure N.)
Loosen the Hex Socket Head Screw (269-9) while holding the Guide Pivot
Assembly (270S) with an allen wrench (not included). (See Figure N.)
Position the Guide Pivot Assembly (270S) by turning it to the desired position of
clearance. Then re-tighten the Hex Head Socket Screw (269-9).
(See Figure N.)
Adjust the second Blade Guide Bearing (266-10) in the same manner.
2.
•
•
•
•
SAW BLADE
(251)
HEX SOCKET HEAD SCREW (269-9)
BLADE GUIDE BEARING (266-10)
BLADE GUIDE BEARING (266-10)
GUIDE PIVOT ASSY.
(270S)
FIGURE N
TO ADJUST THE BLADE TRACKING
Raise the Bandsaw to its full vertical position, making sure it locks in position by
turning the Cylinder (216) to its “OFF” position. (See Figure H.)
Turn on the Bandsaw. The Saw Blade (251) is tracking properly when the back
of the Blade is just touching the edge of the Idler Wheel (250-1) ange. The back
of the Blade should not be rubbing against the ange.
(See Figure O, next page.)
If adjustment is necessary, the Blade Guide Bearings (266-10) shoud be clear of
the Saw Blade (251). (See Figure N.)
Loosen the upper Hex Head Screw (243) to a point where it is just barely snug.
(See Figure O, next page.)
1.
2.
3.
4.

Page 19SKU 97009 For technical questions, please call 1-800-444-3353.
With the Bandsaw running, turn the Adjusting Hex Head Screw (240) until the
Saw Blade (251) is tracking properly, making sure Blade tension is maintained by
turning the Adjustable Blade Knob (245) clockwise. (See Figure O.)
Make sure to retighten the upper Hex Head Screw (243) when adjusment is
complete. (See Figure O.)
5.
6.
FIGURE O
BLADE TENSIONER
KNOB (245)
ADJUSTING
HEX HEAD SCREW
(240)
HEX HEAD SCREW
(243)
TO ADJUST THE BLADE TENSION
Turn the Blade Tensioner Knob (245) clockwise to increase tension on the Saw
Blade (251). Turn the Knob counterclockwise to decrease tension on the Saw
Blade. Correct tension is aquired when the Saw Blade does not slip on the Drive
and Idler wheels (231S and 250-1). (See Figure O.)
NOTE: When the Bandsaw is not in use over long periods of time, release the
tension on the Saw Blade (251).
TO ADJUST THE FEED RATE
Note: Feed rate is adjusted by the Bleed Valve above on/off valve of the cylinder.
Turning the wheel clockwise slows down the arm’s movement.
1.
2.

Page 20SKU 97009 For technical questions, please call 1-800-444-3353.
TO ADJUST THE BLADE GUIDE BRACKETS
The Adjustable Blade Guide Knob (261) is adjusted by loosening the Knob and
sliding the Adjustable Bracket (269S) up or down to accommodate the width of
the workpiece. (See Figure Q.)
The Adjustable Bracket (269S) should be set as close as possible to the
workpiece, without interfering with the workpiece. (See Figure Q.)
Once the adjustment is made, make sure to retighten the Adjustable Blade Guide
Knob (261). (See Figure Q.)
1.
2.
3.
ADJUSTABLE BRACKET (269S)
ADJUSTABLE BLADE GUIDE
KNOB (261)
FIGURE Q
TO FILL THE COOLANT TANK
NOTE: When cutting magnesium, use soluble oils or emulsions (oil/water mix)
as water only will greatly intensify any accidental magnesium chip re. See your
industrial coolant supplier for specic coolant recommendations when cutting
magnesium.
Remove the Hose (78) at the top of the Coolant Tank (82). Then slide the
Coolant Tank out from under the Stand (77S) of the Bandsaw. (See Figure R.)
Fill the Coolant Tank to about 80% capacity with a clean, water-soluble coolant
(not included). (See Figure R.)
Slide the Coolant Tank (82) back under the Stand (77S) of the Bandsaw. Then
re-insert the Hose (78) through the top of the Coolant Tank. (See Figure R.)
IMPORTANT: The water-soluble coolant should be replaced as often as is
necessary to keep metal debris in the coolant from clogging the hoses.
1.
2.
3.
4.
5.

Page 21SKU 97009 For technical questions, please call 1-800-444-3353.
HOSE (78)
COOLANT TANK (82)
FIGURE R
BASIC BANDSAW OPERATION - VERTICAL POSITION
WARNING!
Always wear ANSI-approved safety impact eye goggles when operating
the Bandsaw. Never wear loose tting clothin.
When operating the machine, keep the Bandsaw Blade enclosure closed.
Do not plug the Power Cord into an electrical outlet until all necessary
adjustments (as previously discussed in this manual) have been made.
Cut only at workpieces when the Bandsaw is in its vertical position.
Never attempt to cut pipes or other round objects with the Bandsaw in its
vertical position.
Before cutting, turn on the Bandsaw and check for excessively loose Saw
Blade (251) tension or machine vibration. If this is found, turn off the
Bandsaw and correct the problem before using.
Always keep hands and ngers safely away from the cutting area.
Raise the Saw Head Assembly to its full vertical position, making sure it locks in
place by turning the Cylinder (216) to its “OFF” position. (See Figure S.)
Check to make sure the Motor Toggle Switch (750S4) and Coolant Pump Toggle
Switch (750S2) are both in their “OFF” positions. (See Figure S.)
Plug the Power Cable (500) into the nearest 120 volt, grounded, electrical
outlet. NOTE: If the Bandsaw has been re-wired to operate on a 240 volt
system then plug the Power Cord into the nearest 240 volt, grounded, electrical
outlet.
1.
•
•
•
•
•
•
2.
3.
4.

Page 22SKU 97009 For technical questions, please call 1-800-444-3353.
Turn the Coolant Pump Fitting (91S) to its “OPEN” position. Then turn the
Coolant Pump Toggle Switch (750S2) to its “ON” position. (See Figure S.)
Turn the Motor Toggle Switch (750S4) to its “ON” position. (See Figure S.)
Set the workpiece on the Vertical Saw Table (55-2), making sure to keep
downward pressure on the workpiece throughout the cutting process. (See
Figure S.)
When cutting a large workpiece, make sure its entire length is properly
supported. If necessary, use a roller stand (not included) with a large workpiece.
Allow the Saw Blade (251) to turn up to full speed before feeding the workpiece
into the Blade. (See Figure S.)
Feed the workpiece into the Saw Blade (251) gradually. Do not force the
Bandsaw to remove material faster than it is designed to cut. (See Figure S.)
5.
6.
7.
8.
9.
10.
SAW HEAD ASSY.
COOLANT PUMP FITTING (91S)
SAW BLADE (251)
VERTICAL SAW TABLE (55-2)
MOTOR TOGGLE SWITCH (750S4)
COOLANT PUMP
TOGGLE SWITCH
(750S2)
CYLINDER (216)
FIGURE S

Page 23SKU 97009 For technical questions, please call 1-800-444-3353.
Never attempt to remove material stuck in the moving parts of the Bandsaw
while it is plugged in and running. Turn off the Bandsaw if the workpiece is to be
backed out of an uncompleted cut.
Once the cut is made, turn the Motor Toggle Switch (750S4) to its “OFF”
position. Turn the Coolant Pump Toggle Switch (750S2) to its “OFF” position.
Turn the Coolant Pump Fitting (91S) to its “CLOSED” position. The unplug the
Power Cord (500) from its electrical outlet. (See Figure S.)
Wait until the Saw Blade (251) comes to a complete stop. Then remove the
workpiece and scrap material from the Vertical Saw Table (55-2).
(See Figure S.)
Turn the Cylinder (216) to its “ON” position. Slowly lower the Saw Head
Assembly to its horizontal position. Then turn the Cylinder to its “OFF” position
to lock the Saw Head Assembly in place. (See Figure S.)
BASIC BANDSAW OPERATION - HORIZONTAL POSITION
WARNING!
Always wear ANSI-approved safety impact eye goggles when operating
the Bandsaw.
When operating the machine, keep the Bandsaw Blade enclosure closed.
Do not plug the Power Cord into an electrical outlet until all necessary
adjustments (as previously discussed in this manual) have been made.
Before cutting, turn on the Bandsaw and check for excessively loose Saw
Blade (251) tension or machine vibration. If this is found, turn off the
Bandsaw and correct the problem before using.
Always keep hands and ngers safely away from the cutting area.
Turn the Cylinder (216) to its “ON” position, and raise the Saw Head to its full
vertical position. Then turn the Cylinder to its “OFF” position to lock the Saw
Head in place. (See Figure T, next page.)
Secure the workpiece in the Vise (9, 22) assembly. When cutting a large
workpiece, make sure its entire length is properly supported. If necessary, use a
roller stand (not included) with a large workpiece. (See Figure T, next page.)
If cutting several workpieces at the same length, you may wish to adjust the Stop
Block (41) to the desired position. (See Figure T, next page.)
Check to make sure the Motor Toggle Switch (750S4) and Coolant Pump Toggle
Switch (750S2) are both in their “OFF” positions. (See Figure T, next page.)
11.
12.
13.
14.
1.
•
•
•
•
•
2.
3.
4.
5.

Page 24SKU 97009 For technical questions, please call 1-800-444-3353.
Plug the Power Cable (500) into the nearest 120 volt, grounded, electrical
outlet. NOTE: If the Bandsaw has been re-wired to operate on a 240 volt
system then plug the Power Cord into the nearest 240 volt, grounded, electrical
outlet.
Turn the Coolant Pump Fitting (91S) to its “OPEN” position. Then turn the
Coolant Pump Toggle Switch (750S2) to its “ON” position. (See Figure T.)
Turn the Motor Toggle Switch (750S4) to its “ON” position. (See Figure T.)
Turn the Cylinder to its “ON” position, and slowly lower the Saw Head until the
Saw Blade (251) is just above the workpiece cut line. (See Figure T.)
Allow the Saw Blade (251) to turn up to full speed before feeding the Blade into
the workpiece. (See Figure T.)
Through the Hydraulic Feed System, allow the Saw Arm to lower, while it
gradually feeds the Saw Blade (251) into the workpiece. Do not force the
Bandsaw to remove material faster than it was designed to cut. NOTE: The
speed at which the Saw Arm moves downward may be increased or decreased
by adjusting the Bleed Valve on the Cylinder (216). (See Figure T.)
Never attempt to remove material stuck in the moving parts of the Bandsaw
while it is plugged in and running. Turn off the Bandsaw if the workpiece is to be
backed out of an uncompleted cut.
6.
7.
8.
9.
10.
11.
12.
FIGURE T
COOLANT PUMP FITTING
(91S)
SAW HEAD ASSY.
CYLINDER (216)
COOLANT PUMP TOGGLE SWITCH
(750S2)
MOTOR
TOGGLE SWITCH
(750S4)

Page 25SKU 97009 For technical questions, please call 1-800-444-3353.
IMPORTANT: When in the horizontal cutting mode only, the Motor Toggle Switch
(750S4) will automatically turn to its “OFF” position and shut off the Bandsaw’s
Motor when the cut has been completed. (See Figure T.)
Once the cut is made, and the motor is switched off, turn the Coolant Pump
Toggle Switch (750S2) to its “OFF” position. Turn the Coolant Pump Fitting
(91S) to its “CLOSED” position. Then unplug the Power Cable (500) from its
electrical outlet. (See Figure T.)
Wait until the Saw Blade (251) comes to a complete stop. Then raise the Saw
Head to its full vertical position. Turn the Cylinder (216) to its “OFF” position
to lock the Saw Head in place. Remove the workpiece from the Vise (9, 22)
assembly and scrap material from the Base (1) of the Bandsaw. (See Figure T.)
Turn the Cylinder (216) to its “ON” position. Slowly lower the Saw Head to its
horizontal position. Then turn the Cylinder to its “OFF” position to lock the Saw
Head in place. (See Figure T.)
13.
14.
15.
16.
MAINTENANCE AND SERVICING
Risk of serious personal injury from accidental starting or
electric shock. Turn the Power Switch of the Bandsaw to its
“OFF” position and unplug the tool from its electrical outlet
before performing any inspection, maintenance, or cleaning
procedures.
Damaged equipment can fail, causing serious personal
injury. Do not use damaged equipment. If abnormal noise or
vibration occurs, have the problem corrected before further
use.
INSPECTION, MAINTENANCE, AND CLEANING
Before each use, inspect the general condition of the Bandsaw. Check for
loose screws, misalignment or binding of moving parts, cracked or broken
parts, damaged electrical wiring, and any other condition that may affect its safe
operation. Do not use damaged equipment.
Before each use, inspect the Saw Blade (251). Using a dull Saw Blade will
cause excessive wear on the Motor of the Bandsaw and will not produce a
satisfactory cut. Replace with a new Saw Blade when needed. To replace the
Saw Blade:
NOTE: Make sure to wear heavy duty work gloves to avoid accidental injury
from the Saw Blade (251) when performing this procedure.
1.
2.
•
WARNINGWARNING

Page 26SKU 97009 For technical questions, please call 1-800-444-3353.
Turn the Cylinder (216) to its “ON” position, and raise the Saw Head to its full
vertical position. Then turn the Cylinder to its “OFF” position to lock the Saw
Head in place. (See Figure U.)
Open the Blade Back Cover (286S). (See Figure U.)
Release Saw Blade (251) tension by turning the Adjustable Blade Knob (261).
(See Figure U.)
Slip the old Saw Blade (251) off the Idler Wheel (250S), Drive Wheel (231S),
and Guide assemblies. (See Figure U.)
Place the new Saw Blade (251) between each of the Guide assemblies and
around the Idler Wheel (250S) and Drive Wheel (231S). IMPORTANT: The
teeth must be pointing downward toward the Motor. (See Figure U.)
Tighten the tension on the new Saw Blade (251) by turning the Adjustable
Blade Tensioner Knob (261) in a clockwise direction. (See Figure U.)
Close the Blade Back Cover (286S). (See Figure U.)
•
•
•
•
•
•
•
FIGURE U
ADJUSTABLE BLADE KNOB (261)
IDLER WHEEL
(250S)
UPPER GUIDE ASSY.
LOWER GUIDE ASSY.
DRIVE WHEEL
(231S)
SAW
BLADE
(251)
BLADE
BACK
COVER
(286S)
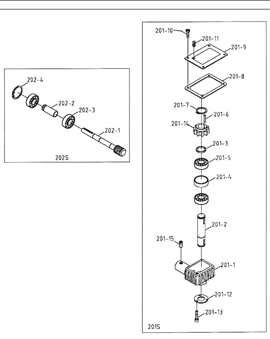
To lubricate the Worm Gear Shaft Assembly: The Worm Gear Shaft Assembly
(202S) runs in an oil bath Gear Box Assembly (201S) and should not require an
oil change more than once a year, unless the oil becomes contaminated or a leak
occurs due to improper replacement of the Gear Box Cover. To change oil in the
Gear Box Assembly:
Position the Saw Arm in the horizontal position.
Remove the four Hex Socket Head Screws, Gear Box Cover, and Gear Box
Gasket. (See Figure V.)
3.
•
•

Page 27SKU 97009 For technical questions, please call 1-800-444-3353.
Remove the old oil from inside the Gear Box Assembly (201S) and replace the
oil using 140 weight gear oil (not included). The new oil should just come to the
edge of the Gear Box (202-1). Do not overll. (See Figure V.)
Replace the Gear Box Gasket, Gear Box Cover, and four Hex Socket Head
Screws. (See Figure V.)
•
•
GEAR BOX ASSY. (201S)
HEX SOCKET HEAD SCREWS
GEAR BOX COVER
&
GEAR BOX GASKET
FIGURE V
To replace the coolant: Remove the Hose (78) at the top of the Coolant
Tank (82). Then slide the Coolant Tank out from under the Stand (77S) of the
Bandsaw. (See Figure W.)
Fill the Coolant Tank to about 80% capacity with a clean, water-soluble coolant
(not included). (See Figure W.)
Slide the Coolant Tank (82) back under the Stand (77S) of the Bandsaw. Then
re-insert the Hose (78) through the top of the Coolant Tank. (See Figure W.)
IMPORTANT: The water-soluble coolant should be replaced as often as is
necessary to keep metal debris in the coolant from clogging the hoses.
4.
•
•
•
HOSE (78)
COOLANT TANK (82)
FIGURE W

Page 28SKU 97009 For technical questions, please call 1-800-444-3353.
To clean the exterior parts of the Bandsaw, use only a clean cloth and mild
detergent or mild solvent to clean the body of the Saw. Do not immerse any
electrical part of the machine in liquid.
CAUTION! All maintenance, service, and repairs not mentioned in this
manual must only be performed by a qualied technician.
5.
6.
PLEASE READ THE FOLLOWING CAREFULLY
THE MANUFACTURER AND/OR DISTRIBUTOR HAS PROVIDED THE PARTS LIST AND
ASSEMBLY DIAGRAM IN THIS MANUAL AS A REFERENCE TOOL ONLY. NEITHER THE
MANUFACTURER OR DISTRIBUTOR MAKES ANY REPRESENTATION OR WARRANTY OF
ANY KIND TO THE BUYER THAT HE OR SHE IS QUALIFIED TO MAKE ANY REPAIRS TO
THE PRODUCT, OR THAT HE OR SHE IS QUALIFIED TO REPLACE ANY PARTS OF THE
PRODUCT. IN FACT, THE MANUFACTURER AND/OR DISTRIBUTOR EXPRESSLY STATES
THAT ALL REPAIRS AND PARTS REPLACEMENTS SHOULD BE UNDERTAKEN BY CERTIFIED
AND LICENSED TECHNICIANS, AND NOT BY THE BUYER. THE BUYER ASSUMES ALL RISK
AND LIABILITY ARISING OUT OF HIS OR HER REPAIRS TO THE ORIGINAL PRODUCT OR
REPLACEMENT PARTS THERETO, OR ARISING OUT OF HIS OR HER INSTALLATION OF
REPLACEMENT PARTS THERETO.

Page 29SKU 97009 For technical questions, please call 1-800-444-3353.
TROUBLESHOOTING
Adjust the speed and/or feed for the material being cut.
3.
4.
5.
6.
3.
4.
5.
6.

Page 30SKU 97009 For technical questions, please call 1-800-444-3353.
PARTS LIST
Part Description Specications Qty.

Page 31SKU 97009 For technical questions, please call 1-800-444-3353.
PARTS LIST - CONTINUED
Part Description Specication Qty.

Page 32SKU 97009 For technical questions, please call 1-800-444-3353.
PARTS LIST - CONTINUED
Part Description Specications Qty.
Leveler

Page 33SKU 97009 For technical questions, please call 1-800-444-3353.
PARTS LIST - CONTINUED
Part Description Specications Qty.

Page 34SKU 97009 For technical questions, please call 1-800-444-3353.
PARTS LIST - CONTINUED
Part Description Specications Qty.
Blade Tensioner Knob
0.032” x 3/4” x 93” - 10T

Page 35SKU 97009 For technical questions, please call 1-800-444-3353.
PARTS LIST - CONTINUED
Part Description Specications Qty.
259

Page 36SKU 97009 For technical questions, please call 1-800-444-3353.
PARTS LIST - CONTINUED
Part Description Specications Qty.
Belt Tension Limiter Bolt

Page 37SKU 97009 For technical questions, please call 1-800-444-3353.
PARTS LIST - CONTINUED
Part Description Specications Qty.

Page 38SKU 97009 For technical questions, please call 1-800-444-3353.
ASSEMBLY DIAGRAM

Page 39SKU 97009 For technical questions, please call 1-800-444-3353.
ASSEMBLY DIAGRAM - CONTINUED

Page 40SKU 97009 For technical questions, please call 1-800-444-3353.
ASSEMBLY DIAGRAM - CONTINUED

Page 41SKU 97009 For technical questions, please call 1-800-444-3353.
ASSEMBLY DIAGRAM - CONTINUED

Page 42SKU 97009 For technical questions, please call 1-800-444-3353.
ASSEMBLY DIAGRAM - CONTINUED

Page 43SKU 97009 For technical questions, please call 1-800-444-3353.
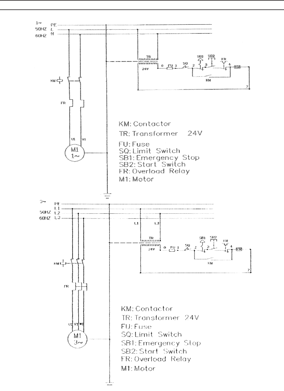
ELECTRICAL SCHEMATIC
120 VOLT
240 VOLT
120 VOLT
240 VOLT
Yellow
White
Yellow

Page 44SKU 97009 For technical questions, please call 1-800-444-3353.
ELECTRICAL SCHEMATIC - CONTINUED

Page 45SKU 97009 For technical questions, please call 1-800-444-3353.
ELECTRICAL SCHEMATIC - CONTINUED

Page 46SKU 97009 For technical questions, please call 1-800-444-3353.
LIMITED 90 DAY WARRANTY
Harbor Freight Tools Co. makes every effort to assure that its products meet high
quality and durability standards, and warrants to the original purchaser that this product
is free from defects in materials and workmanship for the period of 90 days from the date
of purchase. This warranty does not apply to damage due directly or indirectly, to misuse,
abuse, negligence or accidents, repairs or alterations outside our facilities, criminal activity,
improper installation, normal wear and tear, or to lack of maintenance. We shall in no event
be liable for death, injuries to persons or property, or for incidental, contingent, special
or consequential damages arising from the use of our product. Some states do not allow
the exclusion or limitation of incidental or consequential damages, so the above limitation
of exclusion may not apply to you. THIS WARRANTY IS EXPRESSLY IN LIEU OF ALL
OTHER WARRANTIES, EXPRESS OR IMPLIED, INCLUDING THE WARRANTIES OF
MERCHANTABILITY AND FITNESS.
To take advantage of this warranty, the product or part must be returned to us with
transportation charges prepaid. Proof of purchase date and an explanation of the complaint
must accompany the merchandise. If our inspection veries the defect, we will either
repair or replace the product at our election or we may elect to refund the purchase price
if we cannot readily and quickly provide you with a replacement. We will return repaired
products at our expense, but if we determine there is no defect, or that the defect resulted
from causes not within the scope of our warranty, then you must bear the cost of returning
the product.
This warranty gives you specic legal rights and you may also have other rights
which vary from state to state.
3491 Mission Oaks Blvd. • PO Box 6009 • Camarillo, CA 93011 • (800) 444-3353
Record Product’s Serial Number Here:
Note: If product has no serial number, record month and year of purchase instead.
Note: Some parts are listed and shown for illustration purposes only, and are not
available individually as replacement parts.