Healcerion SWM300 WiFi module User Manual
Healcerion Co.,Ltd WiFi module Users Manual
Users Manual

Version 1.3 Healcerion Co., Ltd page 1 of 9
Manual for SWM-300 Wi-Fi module
1. Introduction
SWM-300 is a Wi-Fi module compliant with 802.11 g/n(20,40MHz) MAC/baseband/radio optimized for low-
power applications. The core chipset is from Taiyo-Yuden, part number WYSBMVGX4 and Antenna is
FXP73.07.0100A Blue Diamond 2.4GHz Band made by Taoglas.
2. Hardware Architecture:
2.1 Main Module / Chipset Information
Main Module : WYSBMVGX4, Taiyo-Yuden, IEEE802.11 g/n Wireless LAN Module
Core Chipset : 88W8787, Marvell , WLAN/FM Single-Chip SoC
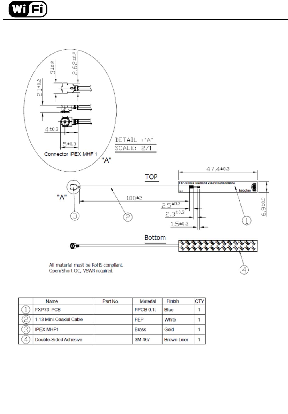
Antenna : FXP73.07.0100A, Taoglas , FXP73 Blue Diamond 2.4GHz Band Antenna
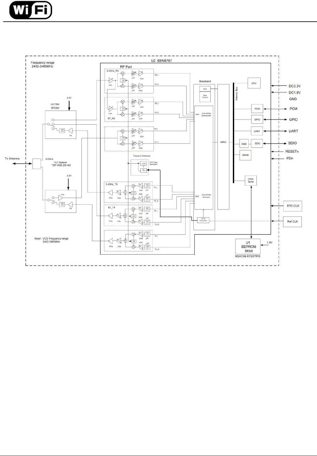
2.2 Circuit Block Diagram
The major internal and external block diagram of SWM-300 is illustrated in Figure 1.
Figure 1. SWM-300 block diagram and System Interface

Version 1.3 Healcerion Co., Ltd page 2 of 9
The major internal and external block diagram of WYSBMVGX4 is illustrated in Figure 2.
Figure 2. WYSBMVGX4 block diagram and System Interface

Version 1.3 Healcerion Co., Ltd page 3 of 9
3. Operational Description
WYSBMVGX4 is the 802.11 g/n(20,40MHz) RF Module that acts as a communication controller for
users of a wireless device to connect to Mobile Device e.g. Smartphone, Tablet, etc. This uses 802.11
g/n(20MHz) network with 11 channels,802.11 n(40MHz) network with
9 channels at 2.4GHz
- Features
• Low power dissipation
• CMOS and low-swing sine wave input clock
• 12, 13, 19.2, 24, 26, 38.4, and 52 MHz crystal clock support with auto-frequency detection using external
32.768 KHz CMOS-level sleep clock
• Sleep and standby modes for low power operation
• Fully compatible with Marvell Power Management device(s)
• 802.11 g/n(20,40MHz) compliant, with maximum data rates up to 72 Mbps (20 MHz channel) and 150
Mbps (40 MHz channel)
• 802.11g/n 1x1 SISO with on-chip Marvell SISO RF radio
• PHY data rates up to 150 Mbps
- Time base of the RF frequency
• For IF and RF frequency, a crystal(40MHz) is a clock reference.
- Synthesizer
• Synthesizer inside Transceiver. Internal voltage controlled oscillator (VCO) provides the desired LO
signal base on the phase-locked loop (PLL) with a relatively wide tuning range for this application.
- Transmission
• Base-band Processing (BBP) IC has DSSS (BPSK/QPSK/CCK) and OFDM
(BPSK/QPSK/16QAM/64QAM) modulation function, it provides transmission data rate are 1, 2, 5.5,
11Mbps on DSSS and 6, 12, 18, 24, 36, 48, 54 Mbps on OFDM. Digital data signal will be converted to
analog (TX IQ) signals through DAC in BBP IC, TX IQ pass through to low pass filter. TX I/Q signal use
direct conversion (zero-IF) architecture converter to generate carrier frequency signal. Transceiver IC and
internal PA magnify output power.
- Receiver
• Reverse direction isolation of LNA inside Transceiver IC suppresses unwanted radiation. Then RF signal
will be directly down to IF signal (RX IQ) and high frequency spurious emissions are suppressed by LPF.
At last RX IQ signal will be demodulated digital data.
- Power Control Level
• It uses open-loop power control function to limit RF output power level using a calibration file.

Version 1.3 Healcerion Co., Ltd page 4 of 9
- Integrated Network Processor
• Network processor manages Wi-Fi link operations. The network processor code is loaded automatically
from a ROM. The network processor is optimized for energy efficient communications
- Product Details
• Data Modulation OFDM (BPSK / QPSK / 16QAM / 64QAM)
• Frequency Range 2412-2462 MHz ( 20MHz)
2422-2452 MHz (40MHz)
- Permitted Output Power
• 9.45dBm ± 0.50dB
- Voltage Specifications
• Absolute maximum ratings
Item Symbol Rating Remark
Min. Typ. Max. Unit
Supply Voltage 1 VIO - 4.0 V
Supply Voltage 2 VDD18 - 1.98 V
Supply Voltage 3 VBAT - 5.6 V
Storage temperature range Tstg -30 100 Degree C
Operation temperature range Topr -20 25 70 Degree C
• Recommended operating range
Item Symbol Rating Remark
Min. Typ. Max. Unit
Supply Voltage 1 VIO 1.62/2.97 1.8/3.3 1.98/3.63 V
Supply Voltage 2 VDD18 1.71 1.8 1.89 V
Supply Voltage 3 VBAT 3.2 3.3 4.3 V

Version 1.3 Healcerion Co., Ltd page 5 of 9
4. Notice
This device complies with Part 15 of FCC Rules. Operation is Subject to following two conditions:
(1) This device may not cause harmful interference, and (2) This device must accept any interference
received including interference that cause undesired operation.
This equipment has been tested and found to comply within the limits for a Class B digital device,
pursuant to part 15 of the FCC Rules. These limits are designed to provide reasonable protection against
harmful interference in a residential installation.
This equipment generates, uses, and can radiate radio frequency energy and, if not installed and used in
accordance with the instructions, may cause harmful interference to radio communications. However, there is
no guarantee that interference will not occur in a particular installation. If this equipment does cause harmful
interference to radio or television reception, which can be determined by turning the equipment off and on, the
user is encouraged to try to correct the interference by one or more of the following measures:
• Reorient or relocate the receiving antenna
• Increase the separation between the equipment and receiver
• Connect the equipment into an outlet on a different circuit from that to which the receiver is connected
• Consult the dealer or an experienced radio/TV technician for help.
For product available in the USA/Canada market, only channel 1~11 can be operated. Selection of other
channels is not possible
IMPORTANT NOTE:
FCC Radiation Exposure Statement:
This equipment complies with FCC radiation exposure limits set forth for an uncontrolled environment.
This device and its antenna(s) must not be co-located or operation in conjunction with any other antenna or
transmitter.
Any changes or modifications not expressly approved by the manufacturer could void the user's authority to
operate this equipment.
USERS MANUAL OF THE END PRODUCT:
The end user has to be informed that the FCC radio-frequency exposure guidelines for an uncontrolled
environment can be satisfied. The end user has to also be informed that any changes or modifications not
expressly approved by the manufacturer could void the user's authority to operate this equipment. If the size of
the end product is smaller than 8x10cm, then additional FCC part 15.19 statement is required to be available in
the users manual: This device complies with Part 15 of FCC rules. Operation is subject to the following two
conditions: (1) this device may not cause harmful interference and (2) this device must accept any interference
received, including interference that may cause undesired operation.
LABEL OF THE END PRODUCT:
The final end product must be labeled in a visible area with the following " Contains FCC ID: 2ADXV-
SWM300". If the size of the end product is larger than 8x10cm, then the following FCC part 15.19 statement
has to also be available on the label: This device complies with Part 15 of FCC rules. Operation is subject to
the following two conditions: (1) this device may not cause harmful interference and (2) this device must accept
any interference received, including interference that may cause undesired operation.

Version 1.3 Healcerion Co., Ltd page 6 of 9
5. Installation
This SWM-300 module must be installed in a device and not allow the user to replace nor modify it. The final
end product must be labeled in a visible area with the following " Contains FCC ID: 2ADXVSWM300".
It is suggested that module is placed in the following areas of the user's board as far as possible, to reduce
the influence of the antenna and wireless signal.
and at the same time, please consult someone technical support staff to assist the placement of modules and
related areas of layout design
Note : Please note that the SWM-300 is supplied without any shield casing, all the components are exposed.
Therefore, must be taken for ESD (electrostatic discharge), electromagnetic environment

Version 1.3 Healcerion Co., Ltd page 7 of 9
5.1 PIN Description
6. Antenna Description
Part Nomber : FXP73.07.0100A
Overview The FXP73 Blue Diamond 2.4GHz Antenna works on WiFi, ZigBee, Bluetooth and ISM
band at 2.4 GHz. This antenna has been designed with a specific solution to cover the current
market applications that require rectangular form-factor, with easy installation through a cable
connection.
Feature
2.5dBi Gain
IPEX MHFI Connector (U.FL compatible)
100 mm Cable
47*7*0.1 mm
Characteristics

Version 1.3 Healcerion Co., Ltd page 8 of 9

Version 1.3 Healcerion Co., Ltd page 9 of 9
Mechanical