Healthrider Hrccel49010 Owners Manual
2014-07-19
: Healthrider Healthrider-Hrccel49010-Owners-Manual healthrider-hrccel49010-owners-manual healthrider pdf
Open the PDF directly: View PDF
.
Page Count: 24

CAUTION
Read all precautions and instruc-
tions in this manual before using
this equipment. Keep this manu-
al for future reference.
Model No. HRCCEL49010
Serial No.
Serial
Number
Decal
QUESTIONS?
As a manufacturer, we are com-
mitted to providing complete
customer satisfaction. If you have
questions, or if there are missing
parts, please call:
1-888-936-4266
Mon.–Fri. 8h00 until 18h30 EST
(excluding holidays).
www.healthrider.com
Visit our website at
USER’S MANUAL

TABLE OF CONTENTS
IMPORTANT PRECAUTIONS . . . . . . . . . . . . . . . . . . . . . . . . . . . . . . . . . . . . . . . . . . . . . . . . . . . . . . . . . . . . .3
BEFORE YOU BEGIN . . . . . . . . . . . . . . . . . . . . . . . . . . . . . . . . . . . . . . . . . . . . . . . . . . . . . . . . . . . . . . . . . . .4
ASSEMBLY . . . . . . . . . . . . . . . . . . . . . . . . . . . . . . . . . . . . . . . . . . . . . . . . . . . . . . . . . . . . . . . . . . . . . . . . . . .5
HOW TO USE THE ELLIPTICAL CROSSTRAINER . . . . . . . . . . . . . . . . . . . . . . . . . . . . . . . . . . . . . . . . . . . . .9
MAINTENANCE AND TROUBLESHOOTING . . . . . . . . . . . . . . . . . . . . . . . . . . . . . . . . . . . . . . . . . . . . . . . . .20
CONDITIONING GUIDELINES . . . . . . . . . . . . . . . . . . . . . . . . . . . . . . . . . . . . . . . . . . . . . . . . . . . . . . . . . . . .21
PART LIST . . . . . . . . . . . . . . . . . . . . . . . . . . . . . . . . . . . . . . . . . . . . . . . . . . . . . . . . . . . . . . . . . . . . . . . . . . .22
EXPLODED DRAWING . . . . . . . . . . . . . . . . . . . . . . . . . . . . . . . . . . . . . . . . . . . . . . . . . . . . . . . . . . . . . . . . .23
HOW TO ORDER REPLACEMENT PARTS . . . . . . . . . . . . . . . . . . . . . . . . . . . . . . . . . . . . . . . . . . .Back Cover
LIMITED WARRANTY . . . . . . . . . . . . . . . . . . . . . . . . . . . . . . . . . . . . . . . . . . . . . . . . . . . . . . . . . . .Back Cover
2
HealthRider is a registered trademark of ICON Health & Fitness, Inc.

3
IMPORTANT PRECAUTIONS
WARNING: To reduce the risk of serious injury, read the following important precau-
tions before using the elliptical crosstrainer.
1. Read all instructions in this manual before
using the elliptical crosstrainer.
2. It is the responsibility of the owner to ensure
that all users of the elliptical crosstrainer
are adequately informed of all precautions.
3. Place the elliptical crosstrainer on a level
surface, with a mat beneath it to protect the
floor or carpet. Keep the elliptical crosstrain-
er indoors, away from moisture and dust.
4. Inspect and properly tighten all parts regu-
larly. Replace any worn parts immediately.
5. Keep children under 12 and pets away from
the elliptical crosstrainer at all times.
6. The elliptical crosstrainer should not be used
by persons weighing more than 115 kg (250
lbs.).
7. Wear appropriate exercise clothing when
using the elliptical crosstrainer. Always wear
athletic shoes for foot protection.
8. Always hold the handgrip pulse sensor or the
handlebars when mounting, dismounting, or
using the elliptical crosstrainer.
9. The pulse sensor is not a medical device.
Various factors may affect the accuracy of
heart rate readings. The pulse sensor is
intended only as an exercise aid in determin-
ing heart rate trends in general.
10. Keep your back straight when using the ellip-
tical crosstrainer; do not arch your back.
11. If you feel pain or dizziness at any time
while exercising, stop immediately and
begin cooling down.
12. When you stop exercising, allow the pedals
to slowly come to a stop.
13. The elliptical crosstrainer is intended for
home use only. Do not use the elliptical
crosstrainer in a commercial, rental, or insti-
tutional setting.
WARNING: Before beginning this or any exercise program, consult your physician.
This is especially important for persons over the age of 35 or persons with pre-existing health prob-
lems. Read all instructions before using. ICON assumes no responsibility for personal injury or
property damage sustained by or through the use of this product.

4
BEFORE YOU BEGIN
Congratulations for selecting the new HealthRider®
830 elliptical crosstrainer. The HealthRider®830 is an
incredibly smooth exerciser that moves your feet in a
natural elliptical path, minimizing the impact on your
knees and ankles. And the unique HealthRider®830
features adjustable resistance and a state-of-the-art
console to help you get the most from your exercise.
Welcome to a whole new world of natural, elliptical-
motion exercise from HealthRider.
For your benefit, read this manual carefully before
you use the elliptical crosstrainer. If you have
questions, call our Customer Service Department toll-
free at 1-888-936-4266, Monday through Friday, 8h00
until 18h00 Eastern Time (excluding holidays). To help
us assist you, please mention the product model
number and serial number when calling. The model
number is HRCCEL49010. The serial number can be
found on a decal attached to the elliptical crosstrainer
(see the front cover of this manual for the location of
the decal).
Before reading further, please familiarize yourself with
the parts that are labeled in the drawing below.
Handgrip Pulse Sensor
Handlebar
FRONT
BACK
LEFT SIDE
Pedal Spring Pedal Disk
*No water bottle
is included
Wheel
Pedal
Console
Bookrack
Water Bottle Holder*

5
ASSEMBLY
Assembly requires two persons. Place all parts of the elliptical crosstrainer in a cleared area and remove the
packing materials. Do not dispose of the packing materials until assembly is completed. In addition to the
included allen wrenches, assembly requires a phillips screwdriver , an adjustable
wrench , and a rubber mallet .
As you assemble the elliptical crosstrainer, use the drawings below to identify the small parts used in assembly.
The number in parenthesis below each drawing refers to the key number of the part, from the PART LIST on
page 22. The second number refers to the quantity used in assembly. Note: Some small parts may have been
pre-assembled for shipping. If a part is not in the parts bag, check to see if it has been pre-assembled.
M4 x 16mm
Screw (52)–2
M10 x 27mm
Button Screw (67)–6
M10
Washer (69)–2
M10 Split
Washer (59)–6
M10 Nylon
Locknut (33)–4
M10 x 27mm
Pedal Bolt (27)–2
M10 Bolt Set (74)–2
M8 x 19mm Button
Screw (56)–2
M6 x 25mm
Screw (7)–1
Handlebar
Washer (55)–2
Spring Bracket
Washer (35)–2
M8 Nylon
Locknut (38)–4
M8 x 45mm Button Bolt (50)–4
M10 x 27mm
Patch Screw (40)–2 M10 x 75mm Carriage Bolt (34)–4
1. Identify the Front Stabilizer (10), which has Wheels (22)
attached to it. While another person lifts the front of the
Frame (1), attach the Front Stabilizer to the Frame
with two M10 x 75mm Carriage Bolts (34) and two
M10 Nylon Locknuts (33). Make sure that the Front
Stabilizer is turned so the Wheels are not touching
the floor.
10 33
22
22
34
34
1
1

6
2. While another person lifts the back of the Frame (1),
attach the Rear Stabilizer (9) to the Frame with two
M10 x 75mm Carriage Bolts (34) and two M10 Nylon
Locknuts (33).
34
9
1
3
2
43
44 1
73
28
59
Adjustment
Holes
Make sure the
Wire Harnesses
(44, 28) do not
get pinched and
damaged during
this step.
44
67
67
59
3. While another person holds the Upright (2) in the posi-
tion shown, connect the Extension Wire Harness (44)
to the Wire Harness (28). Carefully pull the upper
end of the Extension Wire Harness to remove any
slack. While holding the upper end of the
Extension Wire Harness, insert the Upright into the
Frame (1). Do not pinch the Wire Harnesses.
Next, turn the Upright Knob (43) counterclockwise sev-
eral turns. Pull the Knob, slide the Upright (2) down
until the Knob is aligned with one of the adjustment
holes, and then release the Knob. Do not tighten the
Knob yet.
Feed the upper end of the Extension Wire Harness (44)
through the Upright Extension (73). Attach the Upright
Extension to the Upright (2) with three M10 x 27mm
Button Screws (67) and three M10 Split Washers (59).
4. Connect the wire harness on the Handgrip Pulse
Sensor (29) to the indicated wire harness on the
Console (23). Insert both wire harnesses into the open-
ing in the bottom of the Console. Next, insert the metal
tube on the Handgrip Pulse Sensor into the opening in
the bottom of the Console. Be careful not to pinch
the wire harnesses.
Refer to the inset drawing. Align the holes in the brack-
et on the Console (23) with the holes in the metal tube
on the Handgrip Pulse Sensor (29). Tighten two M4 x
16mm Screws (52) through the bracket into the tube as
shown. 29
23
Wire Harnesses
4
233
33
Tube
52 23
Bracket
29
52
Tube
5. The Console (23) requires four “D” batteries (not
included); alkaline batteries are recommended. Press
the tab on the battery cover, and lift off the battery
cover. Insert four batteries into the battery compart-
ment. Make sure that the batteries are oriented as
shown by the diagram inside the battery compart-
ment. Reattach the battery cover.
23
Tab
Batteries
Battery
Cover
5

50
8
38
7
6. While another person holds the Console (23) in the
position shown, connect the wire harness on the
Console to the Extension Wire Harness (44). Insert the
excess wire harness into the Upright Extension (73).
Attach the Console (23) to the Upright Extension (73)
with three M10 x 27mm Button Screws (67) and three
M10 Split Washers (59). Be careful to avoid pinch-
ing the wire harnesses.
Snap the bookrack onto the Console (23) in the indi-
cated location.
6
23
67
73
59
59
7. Identify the Left Handlebar (6), which is marked with a
sticker. Insert the Left Handlebar into one of the
Handlebar Legs (5); make sure that the Handlebar
Leg is turned so the hexagonal holes are on the
indicated side. Attach the Left Handlebar to the
Handlebar Leg with two M8 x 45mm Button Bolts (50)
and two M8 Nylon Locknuts (38). Make sure that the
Nylon Locknuts are inside of the hexagonal holes.
Do not fully tighten the Button Bolts yet.
Apply a generous amount of the included grease to the
left axle on the Upright (2) and inside of the two Small
Handlebar Bushings (49) in the Left Handlebar (9).
Carefully slide an Upright Spacer (48), a Handlebar
Spacer (47), the Left Handlebar (6), and a Handlebar
Cap (46) onto the left axle on the Upright (2) as shown.
Slide a Handlebar Washer (55) onto an M8 x 19mm
Button Screw (56), and tighten the Button Screw into the
axle.
Assemble the Right Handlebar (8) and the other
Handlebar Leg (5) in the same way.
Grease
7
44
Wire Harness
67
Bookrack
67
47
49
5
2
5
55 46
56
6
48
827
26
69
11
13
8. Identify the left Pedal Spring (11), which is marked with
a sticker. Attach the Left Pedal (13) to the left Pedal
Spring with an M10 x 27mm Pedal Bolt (27), an M10
Washer (69), and a Pedal Knob (26) as shown. Note:
The Left Pedal can be attached in any of five positions
(see HOW TO ADJUST THE PEDALS AND THE
UPRIGHT on page 9).
Attach the Right Pedal (not shown) in the same way.
Make sure that both Pedals are in the same position.
Hexagonal
Holes

9. Identify the Left Rear Spring Bracket (12) on the left
Pedal Spring (11). Apply a generous amount of grease
inside of the Pedal Arm Bushings (37) in the Left Rear
Spring Bracket and to the axle on the left Disc
Crossbar (16). Slide a Spring Spacer (63) onto the
axle; make sure that the Spring Spacer is turned
so the flat side is facing the elliptical crosstrainer.
Next, slide the Left Rear Spring Bracket onto the axle.
Slide a Spring Bracket Washer (35) onto an M10 x
27mm Patch Screw (40), and tighten the Patch Screw
into the axle.
Next, hold the lower end of the left Handlebar Leg (5)
inside of the Front Spring Bracket (76) on the left
Pedal Spring (11). Apply grease to an M10 Bolt Set
(74). Attach the Handlebar Leg to the Front Spring
Bracket with the Bolt Set. Do not overtighten the
Bolt Set; the Handlebar Leg must pivot freely.
Attach the right Pedal Spring (not shown) to the right
side of the elliptical crosstrainer in the same way.
Tighten the M6 x 25mm Screw (7) into the Upright (2).
Turn the Upright Knob (43) clockwise until it is tight.
See step 7. Tighten the M8 x 45mm Button Bolts (50)
in the Handlebar Legs (5).
INSTALLING THE RECEIVER FOR THE OPTIONAL CHEST PULSE SENSOR
If you purchase the optional chest pulse sensor (refer to page 19), follow the steps below to install the receiver
and the short jumper wire included with the chest pulse sensor.
1. Remove the two short screws and the two long screws
from the back of the Console (23). Lift off the front of
the Console.
2. Plug the short jumper wire (A) into the indicated jack on
the Console (23). Connect the other end of the short
jumper wire to the wire on the receiver (B). Note: Any
other wires included with the chest pulse sensor can be
discarded.
Next, peel the paper off the adhesive pad on the back
of the receiver (B). Orient the receiver as shown, and
press it onto the Console (23) in the indicated location.
Refer to step 1 above. Reattach the front of the
Console (23) with the short and long screws. Make
sure that no wires are pinched.
8
10. Make sure that all parts of the elliptical crosstrainer are properly tightened. Note: Some hardware may
be left over after assembly is completed. To protect the floor or carpet from damage, place a mat under the
elliptical crosstrainer.
B
23
Jack
23
Short
Screws
Long
Screws
Lift
Here
1
A
Cylinder
2
37,
Grease
Grease
74 11
11
40 35
63
12
74
5
43
7
2
76
916, Grease

9
HOW TO USE THE ELLIPTICAL CROSSTRAINER
HOW TO ADJUST THE PEDALS AND THE UPRIGHT
The motion of the elliptical crosstrainer is determined
by the positions of the pedals and the upright. Follow
the instructions below to adjust the motion of the ellip-
tical crosstrainer.
To adjust the
pedals, first
loosen the pedal
knobs beneath
the pedals. Slide
the pedals for-
ward or back-
ward to one of
the five posi-
tions, and then
retighten the
knobs. Make
sure that both
pedals are in the
same position.
To adjust the
upright, first turn
the upright knob
counterclockwise a few turns to loosen it. Next, pull the
knob, raise or lower the upright to the desired height,
and then release the knob. Move the upright up and
down slightly until the pin on the knob snaps into
one of the four adjustment holes in the upright.
Make sure that the upright is not resting on top of
the pin. Then, turn the knob clockwise until it is tight.
HOW TO USE THE HANDLEBARS
The handlebars
are designed to
add upper-body
exercise to your
workouts. As you
exercise, push
and pull the han-
dlebars to work
your arms, shoul-
ders, and back.
To exercise only
your lower body,
hold the handgrip
pulse sensor as
you exercise.
HOW TO EXERCISE ON THE ELLIPTICAL
CROSSTRAINER
To mount the
elliptical cross-
trainer, hold the
handgrip pulse
sensor and
step onto the
pedal that is in
the lowest
position. Then,
step onto the
other pedal.
Push the ped-
als until they
begin to move
with a continu-
ous motion.
Note: The
pedal disks
can turn in
either direction. It is recommended that you move
the pedal disks in the direction shown by the
arrow; however, for variety, you may turn the pedal
disks in the opposite direction.
To dismount the elliptical crosstrainer, wait until the
pedals come to a complete stop. Note: The elliptical
crosstrainer does not have a free wheel; the ped-
als will continue to move until the flywheel stops.
When the pedals are stationary, step off the highest
pedal first. Then, step off the lowest pedal.
HOW TO MOVE THE ELLIPTICAL CROSSTRAINER
Stand behind
the elliptical
crosstrainer,
hold the rear
stabilizer firm-
ly, and lift the
elliptical
crosstrainer
until it can be
moved on the
front wheels.
Carefully move the elliptical crosstrainer to the desired
location and then lower it. CAUTION: To decrease
the possibility of injury, bend your legs and keep
your back straight as you lift the rear stabilizer;
make sure to lift with your legs rather than your
back.
Pedals
Pedal Disk
Handgrip
Pulse Sensor
Handlebars
Handgrip
Pulse
Sensor
Pedal
Knob
Upright
Knob
Pedal
Spring
Pedal
Upright
Wheel
Rear
Stabilizer

10
FEATURES OF THE CONSOLE
The advanced console offers a selection of features
designed to make your workouts more enjoyable and
effective. When the manual mode of the console is
selected, the resistance of the elliptical crosstrainer
can be adjusted with a touch of a button. As you exer-
cise, the console will provide continuous exercise
feedback. You can even measure your heart rate using
the built-in handgrip pulse sensor. (For information
about an optional chest pulse sensor, refer to page 19.)
The console also offers six Smart workout programs.
Each program automatically changes the resistance of
the elliptical crosstrainer and prompts you to increase
or decrease your pace as it guides you through an
effective workout.
In addition, the console features two Heart Rate work-
out programs that automatically change the resistance
of the elliptical crosstrainer and prompt you to vary
your pace to keep your heart rate near a target heart
rate as you exercise.
The console also features new iFIT.com interactive
technology. IFIT.com technology is like having a per-
sonal trainer right in your home. Using a stereo audio
cable (available at electronics stores), you can connect
the elliptical crosstrainer to your home stereo, portable
stereo, or computer and play special iFIT.com CD pro-
grams (CDs are available separately). IFIT.com CD
programs automatically control the resistance of the
elliptical crosstrainer and prompt you to vary your pace
as a personal trainer coaches you through every step
of your workout. High-energy music provides added
motivation. Each CD features two programs designed
by certified personal trainers.
In addition, you can connect the elliptical crosstrainer
to your VCR and TV and play iFIT.com video programs
(videocassettes are available separately). Video pro-
grams offer the same benefits as iFIT.com CD pro-
grams, but add the excitement of working out with a
class and an instructor.
With the elliptical crosstrainer connected to your com-
puter, you can also go to our new Web site at
www.iFIT.com and access audio programs and video
programs directly from the internet.
To purchase iFIT.com CDs and videocassettes, call
toll-free 1-888-936-4266.
E
H
I
F
D
L
J
K
A B C D
G

11
CONSOLE DESCRIPTION
Refer to the drawing on page 10. Note: If there is a
thin sheet of clear plastic on the face of the con-
sole, remove it.
A. Exercise feedback display—This display features
seven modes that give you instant exercise feed-
back: your current speed, the elapsed time (or the
time remaining in a Smart program or a Heart Rate
program), the distance that you have pedaled, the
resistance level, the approximate number of calo-
ries you have burned, the approximate number of
fat calories you have burned, and your heart rate
(when you use the handgrip pulse sensor or the
optional chest pulse sensor [refer to page 19 for
information about the chest pulse sensor]). If the
scan mode is selected, the display will change from
one mode to the next every six seconds. Or, you
can select a single mode for continuous display.
Note: The console can show speed and distance
in either miles or kilometers. To change the unit
of measurement, hold down the On/Reset button
for six seconds. The mode indicators (see E
below) will show which unit of measurement is
selected. When the batteries are replaced, it may
be necessary to reselect the desired unit of mea-
surement.
B. Increase and decrease arrows—During Smart pro-
grams, Heart Rate programs, and iFIT.com pro-
grams, these arrows will prompt you to increase or
decrease your pace to match the target pace.
C. Manual mode/program indicator—When a Smart
program is selected, the upper right corner of the
display will show a 1, 2, 3, 4, 5, or 6, depending on
which Smart program is selected. When a Heart
Rate program is selected, the upper right corner of
the display will show a 7 or 8. When the iFIT.com
mode is selected, the upper right corner will show
the letters IF. When the manual mode is selected,
the upper right corner will be blank.
D. Program profiles—These profiles show how the
resistance of the elliptical crosstrainer and the tar-
get pace will change during Smart programs and
Heart Rate programs. For example, profile number
3 shows that during Smart program 3, both the
resistance and the pace will gradually increase dur-
ing the first half of the program, and then gradually
decrease during the last half.
E. Feedback mode indicators—These indicators show
which feedback mode (scan, speed, time, distance,
resistance level, calories, fat calories, or heart rate)
is currently shown. Note: When the distance is
shown, the word Miles or the letters Kms will
appear; when your speed is shown, the letters MPH
or Km/H will appear.
F. Pace bar graphs—When the manual mode is
selected, only the left bar graph will appear. This
bar graph represents your exercise pace. As you
increase or decrease your pace, additional bars will
appear or disappear on the bar graph. When a
Smart program, a Heart Rate program, or the
iFIT.com mode is selected, both bar graphs will
appear. The left bar graph represents your exercise
pace, and the right bar graph represents a target
pace. During the program, the target pace will
periodically change. As the right bar graph
changes, simply adjust your pace so that the same
number of bars appear on both bar graphs.
Important: The target pace is a goal pace. Your
actual pace may be slower than the target pace,
especially during the first few months of your
exercise program. Make sure to exercise at a
pace that is comfortable for you.
G. Warnings—see page 3.
H. On/Reset button—When the console is off, pressing
this button will turn on the display. When the console
is on, pressing this button will reset the display.
This button is also used to select the unit of mea-
surement for speed and distance (see A at the left).
I. Display Mode button—This button is used to select
the feedback modes. The modes will be selected in
the following order: scan, speed, time, distance,
resistance level, calories, fat calories, and heart
rate (when the handgrip pulse sensor or the option-
al chest pulse sensor is used).
J. + and – buttons—These buttons control the resis-
tance of the elliptical crosstrainer. There are ten
resistance levels; level 10 is the most challenging.
These buttons are also used to enter your age
when a Heart Rate program is selected.
K. Program button—This button is used to select the
manual mode, Smart programs, and Heart Rate
programs.
L. IFIT.com button—This button is used to select the
iFIT.com mode. The indicator on the button will light
when the iFIT.com mode is selected.
To use the manual mode of the console, refer to
page 12. To use a Smart program, refer to page 13.
To use a Heart Rate program, refer to page 14. To
use iFIT.com CDs or videos, refer to page 18. To
use a program directly from our Web site, refer to
page 19.

12
Turn on the console.
Note: The console requires four “D” batteries (not
included). If you have not installed batteries, refer
to step 5 on page 6 and install batteries.
To turn on the console, press the On/Reset button
or begin pedaling.
Select the manual mode.
Each time the
console is
turned on, the
manual mode
will be select-
ed. If a Smart
program, a
Heart Rate pro-
gram, or the iFIT.com mode has been selected,
select the manual mode by pressing the Program
button repeatedly until the upper right corner of
the display is blank.
Begin exercising and adjust the resistance of
the elliptical crosstrainer.
As you exercise, adjust the resistance of the
elliptical crosstrainer as desired by pressing the +
and – buttons. There are ten resistance levels;
level 10 is the most challenging. Note: After the
buttons are pressed, it will take a few seconds for
the selected setting to be reached.
Follow your progress with the feedback modes
and the left bar graph.
When the con-
sole is turned
on, the scan
mode will be
selected. As
you exercise,
the display will
show your cur-
rent speed, the elapsed time, the distance that
you have pedaled, the current resistance level,
the approximate number of calories you have
burned, and the approximate number of fat calo-
ries. In addition, your heart rate will be shown
when you use the handgrip pulse sensor (refer to
step 5 on this page) or the optional chest pulse
sensor (refer to page 19). Note: Each time the
resistance level changes, the console will show
the resistance level for six seconds. In addition,
when a Smart program or a Heart Rate program
is selected, the display will show the time remain-
ing in the program instead of the elapsed time.
In addition, the left bar graph will appear in the dis-
play to show your exercise pace. As you increase
or decrease your pace, additional bars will appear
or disappear on the bar graph.
If desired, you can select a single feedback mode
for continuous display. Press the Display Mode
button repeatedly until only the MPH (or Km/H),
Time, Miles (or Kms), Resist., Cals., or Fat Cals.
indicator appears in the display. Make sure that
the Scan indicator does not appear.
Measure your heart rate if desired.
Note: If you wear the optional chest pulse
sensor (see page 19) and hold the handgrip
pulse sensor at the same time, the console
may not display your heart rate accurately.
If there are thin
sheets of plas-
tic on the metal
contacts on the
handgrip pulse
sensor, peel off
the plastic. To
use the handgrip
pulse sensor,
place your hands on the metal contacts. Your
palms must be on the upper contacts and your
fingers must be touching the lower contacts.
Avoid moving your hands. When your pulse is
detected, the heart-shaped indicator in the dis-
play will flash each time your heart beats. After a
moment, two dashes (– –) will appear and then
your heart rate will be shown.
For the most accurate heart rate reading, continue
to hold the handgrips for about 15 seconds. Note:
When you first hold the handgrips, the display will
show your heart rate continuously for 15 sec-
onds. The display will then show your heart rate
along with the other feedback modes.
When you are finished exercising, the console
will automatically turn off.
If the pedals are not moved and the console but-
tons are not pressed for a few minutes, the con-
sole will automatically turn off to conserve
the batteries.
6
5
4
3
2
1
HOW TO USE THE MANUAL MODE
This corner
should be blank
Metal
Contacts

13
Turn on the console.
Refer to step 1 on page 12.
Select one of the six Smart programs.
Each time the
console is turned
on, the manual
mode will be
selected. To
select a Smart
program, press
the Program but-
ton repeatedly until the number 1, 2, 3, 4, 5, or 6
appears in the upper right corner of the display.
The profiles numbered 1 through 6 on the left
side of the console show the resistance and pace
settings for the Smart programs. For example,
profile number 3 shows that when Smart program
3 is selected, both the resistance and the pace
will gradually increase during the first half of the
program, and then decrease during the last half.
Start the program.
To start the program, simply begin exercising.
Each Smart program consists of either twenty or
thirty, one-minute periods. One resistance setting
and one pace setting are programmed for each
period. (The same resistance setting and/or pace
setting may be programmed for consecutive peri-
ods.)
During the program, the resistance of the elliptical
crosstrainer will automatically change as shown
by the applicable profile on the console. If the cur-
rent resistance level is too high or too low, you
can change the resistance level by pressing the +
and – buttons. However, when the current period
of the program is completed, the resistance level
will automatically change if a different resistance
setting is programmed for the next period.
The pace set-
tings for the pro-
gram will be
shown by the
right bar graph in
the display. (The
left bar graph will
show your actual
exercise pace.) As the right bar graph changes
during the program, simply increase or decrease
your pace so that the same number of bars
appear on both bar graphs. If your pace is slower
than the current pace setting, the increase arrow
will appear in the display to prompt you to
increase your pace; if your pace is faster than the
pace setting, the decrease arrow will appear.
Important: The pace settings for the program
are intended only to provide a goal. Your actu-
al pace may be slower than the pace settings,
especially during the first few months of your
exercise program. Make sure to exercise at a
pace that is comfortable for you.
During the program, the display will show the time
remaining in the program. When no time remains,
the program will be completed. If you continue
exercising after the program is completed, the
display will continue to show your exercise feed-
back.
Follow your progress with the feedback modes.
Refer to step 4 on page 12.
Measure your heart rate if desired.
See step 5 on page 12.
When you are finished exercising, the console
will automatically turn off.
Refer to step 6 on page 12.
6
5
4
3
2
1
HOW TO USE A SMART PROGRAM
Increase Arrow

14
Each Heart Rate program helps you to keep your
heart rate near a certain percentage of your maximum
heart rate during your workout. (Your maximum heart
rate is estimated by subtracting your age from 220.
For example, if you are 25 years old, your maximum
heart rate is 195.) Heart Rate program 7 is designed
to keep your heart rate between 65% and 85% of your
maximum heart rate while you exercise; Heart Rate
program 8 is designed to keep your heart rate
between 65% and 80% of your maximum heart rate.
Follow the steps below to use a Heart Rate program.
Turn on the console.
Refer to step 1 on page 12.
Select one of the two Heart Rate programs.
Each time the
console is
turned on, the
manual mode
will be selected.
To select a
Heart Rate pro-
gram, press the
Program button repeatedly until the number 7 or 8
appears in the upper right corner of the display.
The profiles numbered 7 and 8 on the right side
of the console show the resistance settings for
the Heart Rate programs. For example, profile
number 7 shows that when Heart Rate program 7
is selected, the resistance level will gradually
increase during the program and then decrease
near the end.
Enter your age.
When a Heart Rate program is selected, the word
AGE will appear in the display. You must enter
your age to use a Heart Rate program. To enter
your age, first press the + or – button. The current
age setting will then be shown. Next, press the +
or – button repeatedly to enter your age. Once
you have entered your age, your age will be
saved in memory until the batteries are replaced.
Hold the handgrip pulse sensor.
When using a Heart Rate program, you must use
the handgrip pulse sensor (refer to step 5 on
page 12) or the optional chest pulse sensor (refer
to page 19). If you use the handgrip pulse sensor,
it is not necessary to hold the handgrips continu-
ously during the program. However, you should
hold the handgrips frequently for the program to
operate properly. Each time you hold the hand-
grips, keep your hands on the metal contacts
for at least 30 seconds. Note: When you are not
holding the handgrips, the letters PLS will appear
in the display instead of your heart rate.
Start the program.
To start the program, simply begin exercising.
Each Heart Rate program consists of twenty, one-
minute periods. One resistance setting and one
heart rate setting are programmed for each peri-
od. (The same resistance setting and/or heart
rate setting may be programmed for consecutive
periods.)
During the program, the resistance of the elliptical
crosstrainer will automatically change as shown
by the applicable profile on the console. If the cur-
rent resistance level is too high or too low, you
can adjust the resistance level by pressing the +
and – buttons. However, when the current period
of the program is completed, the resistance level
will automatically change if a different resistance
setting is programmed for the next period.
As you exercise,
the bar graphs
will help you to
keep your heart
rate near the
heart rate setting
for the current
period. The left
bar graph will show your actual exercise pace.
The right bar graph will show a target pace. When
you hold the handgrip pulse sensor (or wear the
optional chest pulse sensor), the console will
compare your heart rate to the heart rate setting
for the current period. If necessary, the right bar
graph will then change to prompt you to increase
or decrease your pace to bring your heart rate
closer to the current heart rate setting. When the
5
4
3
2
1
HOW TO USE A HEART RATE PROGRAM

15
right bar graph changes, increase or decrease
your pace so that the same number of bars
appear on both bar graphs. If your pace is slower
than the current pace setting, the increase arrow
will appear in the display; if your pace is faster
than the pace setting, the decrease arrow will
appear. Important: The pace settings for the
program are intended only to provide a goal.
Your actual pace may be slower than the pace
settings, especially during the first few
months of your exercise program. Make sure
to exercise at a pace that is comfortable for
you.
During the program, the display will show the
time remaining in the program. When no time
remains, the program will be completed. If you
continue exercising after the program is complet-
ed, the display will continue to show your exer-
cise feedback.
Follow your progress with the feedback
modes.
Refer to step 4 on page 12.
When you are finished exercising, the console
will automatically turn off.
Refer to step 6 on page 12.
HOW TO CONNECT YOUR CD PLAYER, VCR,
OR COMPUTER
To use iFIT.com CDs, the elliptical crosstrainer must
be connected to your portable CD player, portable
stereo, home stereo, or computer with CD player. See
pages 15 to 17 for connecting instructions. To use
iFIT.com videocassettes, the elliptical crosstrainer
must be connected to your VCR. See page 17 for con-
necting instructions. To use iFIT.com programs
directly from our Web site, the elliptical crosstrainer
must be connected to your home computer. See page
17 for connecting instructions.
HOW TO CONNECT YOUR PORTABLE CD PLAYER
Note: If your CD player has separate LINE OUT
and PHONES jacks, see instruction A below. If
your CD player has only one jack, see instruction B.
A. Plug one end of a 1/8” to 1/8” stereo audio cable
(available at electronics stores) into the jack
beneath the console. Plug the other end of the
cable into the LINE OUT jack on your CD player.
Plug your headphones into the PHONES jack.
B. Plug one end of a 1/8” to 1/8” stereo audio cable
(available at electronics stores) into the jack
beneath the console. Plug the other end of the
cable into a 1/8” Y-adapter (available at electronics
stores). Plug the Y-adapter into the PHONES jack
on your CD player. Plug your headphones into the
other side of the Y-adapter.
7
6
LINE OUT
PHONES LINE OUT
PHONES
Audio
Cable
Head-
phones
A
PHONES
PHONES
Audio
Cable
1/8”
Y-adapter
Headphones
B

16
HOW TO CONNECT YOUR PORTABLE STEREO
Note: If your stereo has an RCA-type AUDIO OUT
jack, see instruction A below. If your stereo has a
1/8” LINE OUT jack, see instruction B. If your
stereo has only a PHONES jack, see instruction C.
A. Plug one end of a 1/8” to RCA stereo audio cable
(available at electronics stores) into the jack
beneath the console. Plug the other end of the
cable into the AUDIO OUT jack on your stereo.
B. Refer to the drawing above. Plug one end of a 1/8”
to 1/8” stereo audio cable (available at electronics
stores) into the jack beneath the console. Plug the
other end of the cable into the LINE OUT jack on
your stereo.
C. Plug one end of a 1/8” to 1/8” stereo audio cable
(available at electronics stores) into the jack
beneath the console. Plug the other end of the
cable into a 1/8” Y-adapter (available at electronics
stores). Plug the Y-adapter into the PHONES jack
on your stereo. Plug your headphones into the
other side of the Y-adapter.
HOW TO CONNECT YOUR HOME STEREO
Note: If your stereo has an unused LINE OUT jack,
see instruction A below. If the LINE OUT jack is
being used, see instruction B.
A. Plug one end of a 1/8” to RCA stereo audio cable
(available at electronics stores) into the jack
beneath the console. Plug the other end of the
cable into the LINE OUT jack on your stereo.
B. Plug one end of a 1/8” to RCA stereo audio cable
(available at electronics stores) into the jack beneath
the console. Plug the other end of the cable into an
RCA Y-adapter (available at electronics stores).
Next, remove the wire that is currently plugged into
the LINE OUT jack on your stereo and plug the wire
into the unused side of the Y-adapter. Plug the Y-
adapter into the LINE OUT jack on your stereo.
AUDIO OUT
RIGHT
LEFT
LINE OUT
Audio
Cable
A/B
PHONES
Audio
Cable
C
1/8”
Y-adapter
Headphones
CD
VCR
Amp
LINE OUT
LINE OUT
Audio
Cable
A
CD
VCR
Amp
LINE OUT
Audio
Cable
RCA
Y-adapter
Wire removed from
LINE OUT jack
B

17
HOW TO CONNECT YOUR COMPUTER
Note: If your computer has a 1/8” LINE OUT jack,
see instruction A. If your computer has only a
PHONES jack, see instruction B.
A. Plug one end of a 1/8” to 1/8” stereo audio cable
(available at electronics stores) into the jack
beneath the console. Plug the other end of the
cable into the LINE OUT jack on your computer.
B. Plug one end of a 1/8” to 1/8” stereo audio cable
(available at electronics stores) into the jack
beneath the console. Plug the other end of the
cable into a 1/8” Y-adapter (available at electronics
stores). Plug the Y-adapter into the PHONES jack
on your computer. Plug your headphones or speak-
ers into the other side of the Y-adapter.
HOW TO CONNECT YOUR VCR
Note: If your VCR has an unused AUDIO OUT jack,
see instruction A below. If the AUDIO OUT jack is
being used, see instruction B. If you have a TV
with a built-in VCR, see instruction B. If your VCR
is connected to your home stereo, see HOW TO
CONNECT YOUR HOME STEREO on page 16.
A. Plug one end of a 1/8” to RCA stereo audio cable
(available at electronics stores) into the jack
beneath the console. Plug the other end of the
cable into the AUDIO OUT jack on your VCR.
B. Plug one end of a 1/8” to RCA stereo audio cable
(available at electronics stores) into the jack
beneath the console. Plug the other end of the
cable into an RCA Y-adapter (available at electron-
ics stores). Next, remove the wire that is currently
plugged into the AUDIO OUT jack on your VCR
and plug the wire into the unused side of the Y-
adapter. Plug the Y-adapter into the AUDIO OUT
jack on your VCR.
LINE OUT
Audio
Cable
A
PHONES
Audio
Cable
B
1/8”
Y-adapter
Headphones/Speakers
AUDIO OUT
RIGHT
LEFT
VIDEO AUDIO
ANT. IN
RF OUT
IN
OUT
CH
34
Audio
Cable
A
VIDEO AUDIO
ANT. IN
RF OUT
IN
OUT
CH
34
Audio Cable
B
Wire removed from
AUDIO OUT jack
RCA
Y-adapter

18
To use iFIT.com CDs or videocassettes, the elliptical
crosstrainer must be connected to your portable CD
player, portable stereo, home stereo, computer with
CD player, or VCR. See HOW TO CONNECT YOUR
CD PLAYER, VCR, OR COMPUTER on page 15.
Note: To purchase iFIT.com CDs and videocas-
settes, call toll-free 1-888-936-4266.
Follow the steps below to use an iFIT.com CD or
video program.
Turn on the console.
Refer to step 1 on page 12.
Select the iFIT.com mode.
Each time the
console is
turned on, the
manual mode
will be selected.
To select the
iFIT.com mode,
press the
iFIT.com button. The indicator on the button will
light and the letters IF will appear in the upper
right corner of the display.
Insert the iFIT.com CD or videocassette.
If you are using an iFIT.com CD, insert the CD
into your CD player. If you are using an iFIT.com
videocassette, insert the videocassette into your
VCR.
Press the play button on your CD player or
VCR.
A moment after the play button is pressed, your
personal trainer will begin guiding you through
your workout. Simply follow your personal trainer’s
instructions.
The program will function in almost the same way
as a Smart program (refer to step 3 on page 13).
However, an electronic “chirping” sound will alert
you when the resistance and/or the pace setting is
about to change.
Note: If the resistance of the elliptical
crosstrainer and/or the pace setting does not
change when a “chirp” is heard:
• Make sure that the indicator on the iFIT.com
button is lit.
• Adjust the volume of your CD player or VCR.
If the volume is too high or too low, the con-
sole may not detect the program signals.
• Make sure that the audio cable is properly
connected and that it is fully plugged in.
Follow your progress with the feedback modes.
Refer to step 4 on page 12.
Measure your heart rate if desired.
Refer to step 5 on page 12.
When you are finished exercising, the console
will automatically turn off.
Refer to step 6 on page 12.
7
6
5
4
3
2
1
HOW TO USE IFIT.COM CD AND VIDEO
PROGRAMS

19
HOW TO USE PROGRAMS DIRECTLY FROM
OUR WEB SITE
Our Web site at www.iFIT.com allows you to play
iFIT.com audio and video programs directly from the
internet. To use programs from our Web site, the ellip-
tical crosstrainer must be connected to your home
computer. See HOW TO CONNECT YOUR COMPUT-
ER on page 17. In addition, you must have an internet
connection and an internet service provider. A list of
specific system requirements will be found on our Web
site.
Follow the steps below to use a program from our
Web site.
Turn on the console.
Refer to step 1 on page 12.
Select the iFIT.com mode.
Each time the
console is
turned on, the
manual mode
will be selected.
To select the
iFIT.com mode,
press the
iFIT.com button. The indicator on the button will
light and the letters IF will appear in the upper
right corner of the display.
Go to your computer and start an internet
connection.
Start your Web browser, if necessary, and go
to our Web site at www.iFIT.com.
Follow the desired links on our Web site to
select a program.
Read and follow the on-line instructions for using
a program.
Follow the on-line instructions to start the
program.
When you start the program, an on-screen count-
down will begin.
Return to the elliptical crosstrainer and begin
exercising.
When the on-screen countdown ends, the pro-
gram will begin. The program will function in
almost the same way as a Smart program (refer to
step 3 on page 13). However, an electronic “chirp-
ing” sound will alert you when the resistance
and/or the pace setting is about to change.
Follow your progress with the feedback modes.
Refer to step 4 on page 12.
Measure your heart rate if desired.
Refer to step 5 on page 12.
When you are finished exercising, the console
will automatically turn off.
Refer to step 6 on page 12.
THE OPTIONAL CHEST PULSE SENSOR
The optional chest pulse sensor provides hands-free
operation and continuously monitors your heart rate
during your workouts. To purchase the optional
chest pulse sensor, call toll-free 1-888-936-4266.
10
9
8
7
6
5
4
3
2
1

20
Inspect and tighten all parts of the elliptical crosstrainer
regularly. Replace any worn parts immediately.
To clean the elliptical crosstrainer, use a damp cloth
and a small amount of mild dish soap. Important:
Keep liquids away from the console and keep the
console out of direct sunlight. During storage,
remove the batteries from the console.
BATTERY REPLACEMENT
If the console display becomes dim, the batteries
should be replaced. Refer to assembly step 5 on
page 6 for replacement instructions.
HANDGRIP PULSE SENSOR TROUBLESHOOTING
• Avoid moving your hands while using the handgrip
pulse sensor; excessive movement may interfere
with heart rate readings. Do not hold the metal con-
tacts too tightly.
• For the most accurate heart rate reading, hold the
metal contacts for about 15 seconds.
• For optimal performance of the handgrip pulse sen-
sor, clean the metal contacts with a soft cloth—do
not use alcohol, abrasives, or chemicals.
HOW TO ADJUST THE REED SWITCH
If the console does not display correct feedback, the
reed switch should be adjusted. To do this, you must
remove the Pedal Springs (11), the right Pedal Disc
(15), and the Side Shields (3, 4). Refer to step 9 on
page 8 and remove the Pedal Springs.
Next, remove the four Screws (51) from the right
Pedal Disc (15), and slide the Pedal Disc off. Remove
all Screws (52, 64) from the Right Side Shield (4) and
the two Screws (77) from beneath the Pedal Disc, and
remove the Right Side Shield. Remove all Screws
(52) from the Left Side Shield (3) and remove the Left
Side Shield.
Next, refer to the drawing below and locate the Reed
Switch (53). Loosen, but do not remove, the indicated
M4 x 16mm Self-tapping Screw (52). Slide the Reed
Switch slightly toward or away from the Magnet (58) on
the flywheel. Retighten the Screw. Turn the left Pedal
Disc (15) for a moment. Repeat until the console dis-
plays correct feedback. When the Reed Switch is cor-
rectly adjusted, reattach the Side Shields (3, 4), the
right Pedal Disc (15), and the Pedal Springs (11).
HOW TO ADJUST THE DRIVE BELT
If you can feel
the pedals slip
while you are
pedaling, even
when the
resistance is
adjusted to
the highest
level, the
Drive Belt (19)
may need to
be adjusted.
To adjust the
Drive Belt, you must first remove both side shields.
Refer to HOW TO ADJUST THE REED SWITCH at
the left and remove the side shields.
Next, loosen the M8 x 22mm Flat Head Screw (68)
and turn the M10 x 70mm Bolt (62) until the Drive Belt
(19) is tight. When the Drive Belt is tight, tighten the
Flat Head Screw. Reattach the side shields.
MAINTENANCE AND TROUBLESHOOTING
64
77
51
51
51
77
52
52
64
64
11
11
415
3
58
53
52
15
68
62 19

21
CONDITIONING GUIDELINES
The following guidelines will help you to plan your
exercise program. Remember that proper nutrition
and adequate rest are essential for successful results.
EXERCISE INTENSITY
Whether your goal is to burn fat or to strengthen your
cardiovascular system, the key to achieving the
desired results is to exercise with the proper intensity.
The proper intensity level can be found by using your
heart rate as a guide. The chart below shows recom-
mended heart rates for fat burning, maximum fat
burning, and cardiovascular (aerobic) exercise.
To find the proper heart rate for you, first find your age
on the bottom line of the chart (ages are rounded off
to the nearest ten years). Next, find the three numbers
above your age. The three numbers are your “training
zone.” The lower two numbers are recommended
heart rates for fat burning; the highest number is the
recommended heart rate for aerobic exercise.
Fat Burning
To burn fat effectively, you must exercise at a relative-
ly low intensity level for a sustained period of time.
During the first few minutes of exercise, your body
uses easily accessible carbohydrate calories for ener-
gy. Only after the first few minutes of exercise does
your body begin to use stored fat calories for energy.
If your goal is to burn fat, adjust the intensity of your
exercise until your heart rate is near the lowest num-
ber in your training zone as you exercise.
For maximum fat burning, adjust the intensity of your
exercise until your heart rate is near the middle num-
ber in your training zone as you exercise.
Aerobic Exercise
If your goal is to strengthen your cardiovascular sys-
tem, your exercise must be “aerobic.” Aerobic exer-
cise is activity that requires large amounts of oxygen
for prolonged periods of time. This increases the
demand on the heart to pump blood to the muscles,
and on the lungs to oxygenate the blood. For aerobic
exercise, adjust the intensity of your exercise until
your heart rate is near the highest number in your
training zone as you exercise.
WORKOUT GUIDELINES
Each workout should include the following three parts:
A warm-up, consisting of 5 to 10 minutes of stretching
and light exercise. A proper warm-up increases your
body temperature, heart rate, and circulation in prepa-
ration for exercise.
Training zone exercise, consisting of 20 to 30 min-
utes of exercising with your heart rate in your training
zone. (During the first few weeks of your exercise
program, do not keep your heart rate in your training
zone for longer than 20 minutes.)
A cool-down, with 5 to 10 minutes of stretching. This
will increase the flexibility of your muscles and will
help to prevent post-exercise problems.
EXERCISE FREQUENCY
To maintain or improve your condition, complete three
workouts each week, with at least one day of rest
between workouts. After a few months of regular exer-
cise, you may complete up to five workouts each week
if desired. The key to success is to make exercise a
regular and enjoyable part of your everyday life.
WARNING:
Before beginning this or any exercise pro-
gram, consult your physician. This is espe-
cially important for persons over the age of 35
or persons with pre-existing health problems.
The pulse sensor is not a medical device.
Various factors may affect the accuracy of
heart rate readings. The pulse sensor is
intended only as an exercise aid in determin-
ing heart rate trends in general.

22
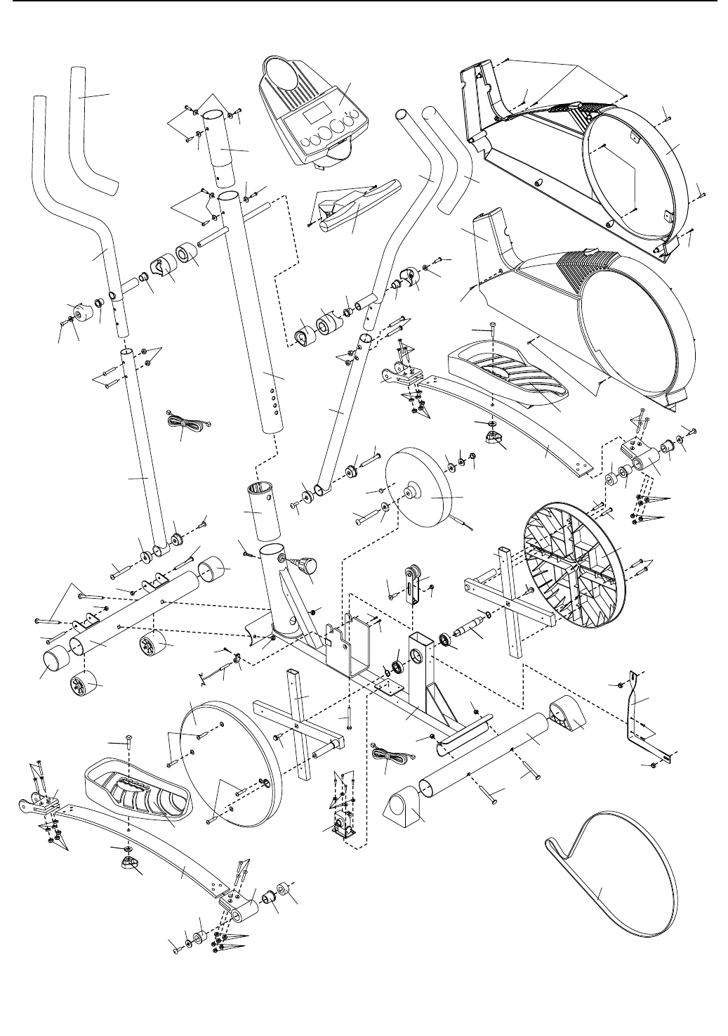
Note: # indicates a non-illustrated part. Specifications are subject to change without notice.
1 1 Frame
2 1 Upright
3 1 Left Side Shield
4 1 Right Side Shield
5 2 Handlebar Leg
6 1 Left Handlebar
7 1 M6 x 25mm Screw
8 1 Right Handlebar
9 1 Rear Stabilizer
10 1 Front Stabilizer
11 2 Pedal Spring
12 1 Left Rear Spring Bracket
13 1 Left Pedal
14 1 Right Pedal
15 2 Pedal Disc
16 2 Disc Crossbar
17 1 Flywheel
18 1 Side Shield Bracket
19 1 Drive Belt
20 2 Rear Endcap
21 2 Front Endcap
22 2 Wheel
23 1 Console
24 2 Handgrip
25 1 Idler Bracket Assembly
26 2 Pedal Knob
27 2 M10 x 27mm Pedal Bolt
28 1 Wire Harness
29 1 Handgrip Pulse Sensor
30 2 Large Snap Ring
31 2 Large Bearing
32 1 Pedal Axle
33 5 M10 Nylon Locknut
34 4 M10 x 75mm Carriage Bolt
35 2 Spring Bracket Washer
36 12 M6 x 33.5mm Bolt
37 4 Pedal Arm Bushing
38 5 M8 Nylon Locknut
39 2 M10 Washer
40 2 M10 x 27mm Patch Screw
41 2 M6 x 72mm Bolt
42 4 M5 Washer
43 1 Upright Knob
44 1 Extension Wire Harness
45 1 Resistance Control Motor
46 2 Handlebar Cap
47 2 Handlebar Spacer
48 2 Frame Spacer
49 4 Small Handlebar Bushing
50 4 M8 x 45mm Button Bolt
51 8 M6 x 30mm Screw
52 11 M4 x 16mm Self-tapping Screw
53 1 Reed Switch/Wire
54 1 Cable Clamp
55 2 Handlebar Washer
56 2 M8 x 19mm Button Screw
57 1 M10 Flat Head Bolt
58 1 Magnet
59 6 M10 Split Washer
60 4 Large Handlebar Arm Bushing
61 2 5/16” x 25.4mm Hex Bolt
62 1 M10 x 70mm Bolt
63 2 Spring Spacer
64 4 M4 x 25mm Screw
65 1 Upright Bushing
66 16 M6 Nylon Locknut
67 6 M10 x 27mm Button Screw
68 1 M8 x 22mm Flat Head Screw
69 3 M10 Washer
70 1 Right Rear Spring Bracket
71 2 M5 x 16mm Self-tapping Screw
72 2 M5 x 12mm Screw
73 1 Upright Extension
74 2 M10 Bolt Set
75 12 M6 Washer
76 2 Front Spring Bracket
77 2 M6 x 18mm Screw
78 2 M5 x 14mm Self-tapping Screw
# 1 Allen Wrench
# 1 Grease
# 1 User’s Manual
Key No. Qty. Description Key No. Qty. Description
PART LIST—Model No. HRCCEL49010 R0702A

EXPLODED DRAWING—Model No. HRCCEL49010 R0702A
23
61
30
32
31
30 31
24
8
4
3
50
5
38
44
45
6
46
560
17
2
10
33
14
12
35
18
19
1
33
13
37
43
11
65
29
51
51
51
15
51
51 34
9
33
33 20
20
16
61
54
52
53
38
25
68
62
55
56 38
50
48
47
49
24
56
55
57
39
39
33
58
22
41
21
66
41
21
22
37
66
34
26
69
27
26
69
27
60
60
60
23
52
52
64
52 77
52 77
64
37
37
49
48 47 49 49 46
11
16
52
52
35
7075
66
36 40
63
40 75
66
63
36
67
59
59
67
59
67
67
59 73
36
66
75
36
66
75
76
76
71
74
74
74
74
28
15
66
66
72
7
42
69
78
78

Part No. 187719 R0702A Printed in China © 2002 ICON Health & Fitness, Inc.
HOW TO ORDER REPLACEMENT PARTS
To order replacement parts, call toll-free 1-888-936-4266, Monday through Friday 8h00 until 18h30 Eastern Time
(excluding holidays). When ordering parts, please be prepared to give the following information:
• The MODEL NUMBER of the product (HRCCEL49010)
• The NAME of the product (HEALTHRIDER® 830 elliptical crosstrainer)
• The SERIAL NUMBER of the product (see the front cover of this manual)
• The KEY NUMBER and DESCRIPTION of the part(s) (see page 22)
LIMITED WARRANTY
ICON OF CANADA, INC., (ICON), warrants this product to be free from defects in workmanship and
material, under normal use and service conditions, for a period of one (1) year from the date of purchase.
This warranty extends only to the original purchaser. ICON's obligation under this warranty is limited to
replacing or repairing, at ICON's option, the product through one of its authorized service centers. All
repairs for which warranty claims are made must be pre-authorized by ICON. This warranty does not
extend to any product or damage to a product caused by or attributable to freight damage, abuse, mis-
use, improper or abnormal usage or repairs not provided by an ICON authorized service center, to prod-
ucts used for commercial or rental purposes, or to products used as store display models. No other war-
ranty beyond that specifically set forth above is authorized by ICON.
ICON is not responsible or liable for indirect, special or consequential damages arising out of or in con-
nection with the use or performance of the product or damages with respect to any economic loss, loss
of property, loss of revenues or profits, loss of enjoyment or use, costs of removal, installation or other
consequential damages of whatsoever nature. Some provinces do not allow the exclusion or limitation of
incidental or consequential damages. Accordingly, the above limitation may not apply to you. The war-
ranty extended hereunder is in lieu of any and all other warranties and any implied warranties of mer-
chantability or fitness for a particular purpose is limited in its scope and duration to the terms set forth
herein. Some provinces do not allow limitations on how long an implied warranty lasts. Accordingly, the
above limitation may not apply to you.
This warranty gives you specific legal rights. You may also have other rights which vary from province to
province or so specified by the retailer of your equipment.
ICON OF CANADA, INC., 900 de l’Industrie, St. Jerôme, QC J7Y 4B8