Healthrider Hrtl085081 Owners Manual NTL10850 214878
2014-07-19
: Healthrider Healthrider-Hrtl085081-Owners-Manual healthrider-hrtl085081-owners-manual healthrider pdf
Open the PDF directly: View PDF
.
Page Count: 36

CAUTION
Read all precautions and instruc-
tions in this manual before using
this equipment. Save this manual
for future reference.
Serial Number
Decal
Model No. HRTL08508.1
Serial No.
Write the serial number in the space
above for reference.
www.healthrider.com
QUESTIONS?
If you have questions, or if parts are
damaged or missing, DO NOT CON-
TACT THE STORE; please contact
Customer Care.
IMPORTANT: Please register this
product (see the limited warranty
on the back cover of this manual)
before contacting Customer Care.
CALL TOLL-FREE:
1-888-922-4222
Mon.–Fri. 6 a.m.–6 p.m. MT
Sat. 8 a.m.–4 p.m. MT
ON THE WEB:
www.healthriderservice.com
USER'S MANUAL

TABLE OF CONTENTS
WARNINGDECALPLACEMENT ..............................................................2
IMPORTANTPRECAUTIONS .................................................................3
BEFOREYOUBEGIN .......................................................................5
ASSEMBLY ...............................................................................6
OPERATIONANDADJUSTMENT ............................................................14
HOWTOFOLDANDMOVETHETREADMILL ..................................................23
TROUBLESHOOTING ......................................................................25
EXERCISEGUIDELINES ...................................................................28
PARTLIST ...............................................................................29
EXPLODEDDRAWING ......................................................................31
ORDERINGREPLACEMENTPARTS ..................................................BackCover
LIMITEDWARRANTY...............................................................BackCover
This drawing shows the locations of the
warning decals. If a decal is missing or il-
legible, call the telephone number on the
front cover of this manual and request a
free replacement decal. Apply the decal
in the location shown. Note: The decals
may not be shown at actual size.
WARNING DECAL PLACEMENT
HealthRider is a registered trademark of ICON IP, Inc.
2

1. Before beginning this or any exercise pro-
gram, consult your physician. This is espe-
cially important for persons over age 35 or
persons with pre-existing health problems.
2. It is the responsibility of the owner to ensure
that all users of this treadmill are adequately
informed of all warnings and precautions.
3. Use the treadmill only as described.
4. Place the treadmill on a level surface, with at
least 8 ft. (2.4 m) of clearance behind it and 2
ft. (0.6 m) on each side. Do not place the
treadmill on any surface that blocks air open-
ings. To protect the floor or carpet from dam-
age, place a mat under the treadmill.
5. Keep the treadmill indoors, away from mois-
ture and dust. Do not put the treadmill in a
garage or covered patio, or near water.
6. Do not operate the treadmill where aerosol
products are used or where oxygen is being
administered.
7. Keep children under age 12 and pets away
from the treadmill at all times.
8. The treadmill should be used only by per-
sons weighing 325 lbs. (147 kg) or less.
9. Never allow more than one person on the
treadmill at a time.
10. Wear appropriate exercise clothes when
using the treadmill. Do not wear loose
clothes that could become caught in the
treadmill. Athletic support clothes are recom-
mended for both men and women. Always
wear athletic shoes. Never use the treadmill
with bare feet, wearing only stockings, or in
sandals.
11. When connecting the power cord (see page
14), plug the power cord into a surge sup-
pressor (not included) and plug the surge
suppressor into a grounded circuit capable
of carrying 15 or more amps. No other appli-
ance should be on the same circuit. Do not
use an extension cord.
12. Use only a single-outlet surge suppressor
that meets all of the specifications described
on page 14. To purchase a surge suppressor,
see your local HealthRider dealer or call the
telephone number on the front cover of this
manual and order part number 146148, or see
your local electronics store.
13. Failure to use a properly functioning surge
suppressor could result in damage to the
control system of the treadmill. If the control
system is damaged, the walking belt may
slow, accelerate, or stop unexpectedly, which
may result in a fall and serious injury.
14. Keep the power cord and the surge suppres-
sor away from heated surfaces.
15. Never move the walking belt while the power
is turned off. Do not operate the treadmill if
the power cord or plug is damaged, or if the
treadmill is not working properly. (See
TROUBLESHOOTING on page 25 if the tread-
mill is not working properly.)
16. Read, understand, and test the emergency
stop procedure before using the treadmill (see
HOW TO TURN ON THE POWER on page 16).
17. Never start the treadmill while you are stand-
ing on the walking belt. Always hold the
handrails while using the treadmill.
WARNING: To reduce the risk of serious injury, read all important precautions and in-
structions in this manual and all warnings on your treadmill before using your treadmill. ICON as-
sumes no responsibility for personal injury or property damage sustained by or through the use of
this product.
IMPORTANT PRECAUTIONS
3

18. The treadmill is capable of high speeds.
Adjust the speed in small increments to
avoid sudden jumps in speed.
19. The pulse sensors are not medical devices.
Various factors, including the user's move-
ment, may affect the accuracy of heart rate
readings. The pulse sensors are intended
only as an exercise aid in determining heart
rate trends in general.
20. Never leave the treadmill unattended while it
is running. Always remove the key, unplug
the power cord, and switch the reset/off cir-
cuit breaker to the “off” position when the
treadmill is not in use. (See the drawing on
page 5 for the location of the reset/off circuit
breaker.)
21. Do not attempt to raise, lower, or move the
treadmill until it is properly assembled. (See
ASSEMBLY on page 6, and HOW TO FOLD
AND MOVE THE TREADMILL on page 23.) You
must be able to safely lift 45 lbs. (20 kg) to
raise, lower, or move the treadmill.
22. Do not change the incline of the treadmill by
placing objects under the treadmill.
23. When folding or moving the treadmill, make
sure that the storage latch is holding the
frame securely in the storage position.
24. Inspect and properly tighten all parts of the
treadmill regularly.
25. Never insert or drop any object into any
opening on the treadmill.
26. DANGER: Always unplug the power
cord immediately after use, before cleaning
the treadmill, and before performing the main-
tenance and adjustment procedures de-
scribed in this manual. Never remove the
motor hood unless instructed to do so by an
authorized service representative. Servicing
other than the procedures in this manual
should be performed by an authorized service
representative only.
27. The treadmill is intended for in-home use
only. Do not use the treadmill in any commer-
cial, rental, or institutional setting.
4
SAVE THESE INSTRUCTIONS

5
Thank you for selecting the revolutionary HealthRider®
H120T treadmill. The H120T treadmill offers an im-
pressive selection of features designed to make your
workouts at home more enjoyable and effective. And
when youʼre not exercising, the unique treadmill can be
folded up, requiring less than half the floor space of
other treadmills.
For your benefit, read this manual carefully before
using the treadmill. If you have questions after read-
ing this manual, please see the front cover of this man-
ual. To help us assist you, note the product model
number and serial number before contacting us. The
model number and the location of the serial number
decal are shown on the front cover of this manual.
Before reading further, please look at the drawing
below and familiarize yourself with the labeled parts.
BEFORE YOU BEGIN
Handrail
Console
Key/Clip
Reset/Off
Circuit Breaker
Walking Belt
Foot Rail Power Cord
Idler Roller
Adjustment Bolts
Accessory Tray
Pulse Sensor
Platform Cushion
Incline Buttons
Speed Buttons

6
ASSEMBLY
To hire an authorized service technician to assemble the treadmill, call 1-800-445-2480.
Assembly requires two persons. Set the treadmill in a cleared area and remove all packing materials. Do not
dispose of the packing materials until assembly is completed. Note: The underside of the treadmill walking
belt is coated with high-performance lubricant. During shipping, some lubricant may be transferred to the top of
the walking belt or the shipping carton. This is normal and does not affect treadmill performance. If there is lubri-
cant on top of the walking belt, simply wipe off the lubricant with a soft cloth and a mild, non-abrasive cleaner.
Assembly requires the included hex keys and your own Phillips screwdriver and
adjustable wrench .
Use the drawings below to identify the assembly hardware. The number in parentheses below each drawing is
the key number of the part, from the PART LIST near the end of this manual. The number after the parentheses
is the quantity needed for assembly. Note: If a part is not in the hardware kit, check to see if it is preattached
to one of the parts to be assembled. To avoid damaging plastic parts, do not use power tools for assem-
bly. Extra hardware may be included.
3/8" Star
Washer (11)–10
#8 x 3/4" Screw
(1)–4
3/8" Nut (12)–5
#8 x 1/2" Screw
(2)–12
#8 x 1" Tek Screw
(4)–6
Base Foot
Spacer (85)–6
3/8" x 1 1/4"
Patch Bolt (9)–4
3/8" x 2" Bolt (6)–3 3/8" x 2 3/4" Bolt (7)–4
3/8" x 1"
Patch Bolt (8)–2
1/4" x 1/2"
Bolt (3)–2 3/8" x 3/4"
Bolt (10)–2

7
2. Attach a Wheel (91) to an Extension Leg (88)
with a 3/8" x 2 3/4" Bolt (7) and a 3/8" Nut (12).
Do not overtighten the Nut; the Wheel must
turn freely.
2
1. Make sure that the power cord is unplugged.
With the help of a second person, carefully tip
the treadmill onto its left side. Partially fold the
Frame (51) so the treadmill is more stable. Do
not fully fold the Frame until the treadmill is
completely assembled.
Attach six Base Feet (86) and six Base Foot
Spacers (85) to the Base (83) and the Extension
Legs (88) in the locations shown with six #8 x 1"
Tek Screws (4); do not overtighten the
Screws.
1
7
12
91
88
83
88
88
4
86
86
86
85
51
85
85
85 86
4
85 4
86
854
4
4

8
3. With the help of a second person, hold the right
Upright (77) near the Base (83) as shown.
See the inset drawing. Tie the wire tie in the
right Upright (77) securely around the end of the
Upright Wire (76). Then, pull the other end of
the wire tie until the Upright Wire is routed com-
pletely through the right Upright.
3
77
Wire
Tie
76
4. Orient the right Upright (77) with the bend in the
plate positioned as shown.
Attach the right Upright (77) to the Base (83)
with a 3/8" x 2 3/4" Bolt (7), a 3/8" x 1" Patch
Bolt (8), and two 3/8" Star Washers (11); do not
fully tighten the Bolts yet. Be careful not to
pinch the Upright Wire (76).
4
7
11
8
Plate
77
83
5. With the help of a second person, carefully tip
the treadmill onto its right side. Partially fold the
Frame (51) so the treadmill is more stable. Do
not fully fold the Frame until the treadmill is
completely assembled.
Orient the left Upright (77) with the bend in the
plate positioned as shown.
Attach the left Upright (77) to the Base (83) with
a 3/8" x 2 3/4" Bolt (7), a 3/8" x 1" Patch Bolt (8),
and two 3/8" Star Washers (11); do not fully
tighten the Bolts yet.
Attach a Wheel (91) to an Extension Leg (88)
with a 3/8" x 2 3/4" Bolt (7) and a 3/8" Nut (12).
Do not overtighten the Nut; the Wheel must
turn freely.
With the help of a second person, tip the tread-
mill so that the Base (83) is flat on the floor.
5
8
91
12
7
11
88
83
77
Plate
7
51
76
77
Wire Tie
76
83

9
6. Set the console assembly face down on a soft
surface to avoid scratching the console assem-
bly. Identify the Right Handrail (102), which is
marked with a sticker. Hold the Right Handrail
near the console assembly.
Next, insert the console wire into the large hole
directly below the hole shown in the Right
Handrail (102) and out of the top as shown.
6
102
Console Wire
Hole
Console
Assembly
7. Locate the the speed wire in the end of the
Pulse Bar (99). Connect the speed wire in the
Right Handrail (102) to the speed wire in the
Pulse Bar. See the inset drawing. The con-
nectors should slide together easily and
snap into place. If they do not, turn one con-
nector and try again.
Locate the the incline wire in the end of the
Pulse Bar (99). Hold the Left Handrail (94) near
the console assembly. Connect the incline wire
in the Left Handrail to the incline wire in the
Pulse Bar as described above.
7
102
94
99
Console
Assembly
Speed Wires
Incline
Wires
8. Insert the speed wires and incline wires into the
area at the end of the Pulse Bar (99). Attach the
Left Handrail (94) to the console assembly with
two #8 x 1/2" Screws (2), a 3/8" x 3/4" Bolt (10),
and a 3/8" Star Washer (11). Make sure no
wires are pinched.
Attach the Right Handrail (102) to the con-
sole assembly in the same way.
8
2
11
10
94
Console
Assembly
2
10
11
102
99

10
9. Press the Left Handrail Cover (95) up against
the console assembly. See the inset drawing.
Align the lip on the Left Handrail Cover with the
lip on the console assembly. Leave a small gap
between the Left Handrail Cover and the con-
sole assembly. Make sure no wires are
pinched. Then tighten the four #8 x 1/2" Screws
(2) in the Left Handrail (94). Note: The Screws
are preattached.
Attach the Right Handrail Cover (103) to the
console assembly in the same way.
Tighten two 1/4" x 1/2" Bolts (3) into the
Handrails (94, 102) and the console assembly.
9
Console
Assembly
3
3
95
103
22
22
Lips
94
102
10. Identify the Left Accessory Tray (113) and the
Right Accessory Tray (114). Attach the Left
Accessory Tray and the Right Accessory Tray
to the console assembly with eight #8 x 1/2"
Screws (2).
2
10 2
Console
Assembly
114
113

11
11. With the help of a second person, hold the con-
sole assembly near the Uprights (77).
Connect the Upright Wire (76) to the console
wire extending from the console assembly. See
the inset drawing. The connectors should
slide together easily and snap into place. If
they do not, turn one connector and try again. IF
THE CONNECTORS ARE NOT CONNECTED
PROPERLY, THE CONSOLE MAY BE DAM-
AGED WHEN THE POWER IS TURNED ON.
Remove the wire tie from the Upright Wire (76).
Insert the excess wire into the right Upright (77)
as you set the console assembly on the
Uprights. Be careful not to pinch any wires.
Console
Assembly
11
77
Wire
Tie
Console
Wire
76
76
Console
Wire
77
12. Attach the console assembly to the Uprights
(77) with four 3/8" x 1 1/4" Patch Bolts (9) and
four 3/8" Star Washers (11). Start all four
Patch Bolts before tightening any of them. Console
Assembly
12
77
11
11
9
9
11
9
9
77
11

12
13. Attach the Right Bottom Handrail Cover (104)
and the Left Bottom Handrail Cover (96) to the
console assembly with four #8 x 3/4" Screws
(1).
Console
Assembly
1
13
96
104
1
14. Raise the Frame (51) to the position shown.
Have a second person hold the Frame until
this step is completed.
Orient the Storage Latch (80) so that the large
barrel and the Latch Knob (81) are oriented as
shown.
Attach the Latch Bracket (90) and Storage Latch
(80) to the Base (83) with two 3/8" x 2" Bolts (6)
and two 3/8" Nuts (12).
Attach the upper end of the Storage Latch (80)
to the bracket on the Frame (51) with a 3/8" x 2"
Bolt (6) and a 3/8" Nut (12). Note: It may be
necessary to move the Frame back and forth to
align the Storage Latch with the bracket.
Lower the Frame (51) (see HOW TO LOWER
THE TREADMILL FOR USE on page 24). 12
12
Large
Barrel
83
6
51
14
6
81
80
90

13
16. Make sure that all parts are properly tightened before you use the treadmill. Keep the included hex keys
in a secure place; one of the hex keys is used to adjust the walking belt (see pages 26 and 27). To protect
the floor or carpet from damage, place a mat under the treadmill.
15. With the help of a second person, carefully
lower the Uprights (77). Firmly tighten the two
3/8" x 2 3/4" Bolts (7) and the two 3/8" x 1"
Patch Bolts (8). Raise the Uprights to the verti-
cal position.
77
87
8
7
77
15

14
OPERATION AND ADJUSTMENT
THE PRE-LUBRICATED WALKING BELT
Your treadmill features a walking belt coated with high-
performance lubricant. IMPORTANT: Never apply sil-
icone spray or other substances to the walking
belt or the walking platform. Such substances will
deteriorate the walking belt and cause excessive
wear.
HOW TO PLUG IN THE POWER CORD
Your treadmill, like any other type of sophisticated
electronic equipment, can be seriously damaged by
sudden voltage changes in your homeʼs power.
Voltage surges, spikes, and noise interference can
result from weather conditions or from other appliances
being turned on or off. To decrease the possibility of
your treadmill being damaged, always use a surge
suppressor with your treadmill (see drawing 1 at
the right). To purchase a surge suppressor, see
your local HealthRider dealer or call the telephone
number on the front cover of this manual and order
part number 146148, or see your local electronics
store.
Use only a single-outlet surge suppressor that is
UL 1449 listed as a transient voltage surge sup-
pressor (TVSS). The surge suppressor must have a
UL suppressed voltage rating of 400 volts or less
and a minimum surge dissipation of 450 joules.
The surge suppressor must be electrically rated for
120 volts AC and 15 amps. There must be a moni-
toring light on the surge suppressor to indicate
whether it is functioning properly. Failure to use a
properly functioning surge suppressor could result
in damage to the control system of the treadmill. If
the control system is damaged, the walking belt
may change speed, accelerate, or stop unexpect-
edly, which may result in a fall and serious injury.
This product must be grounded. If it should malfunc-
tion or break down, grounding provides a path of least
resistance for electric current to reduce the risk of elec-
tric shock. This product is equipped with a cord having
an equipment-grounding conductor and a grounding
plug. Plug the power cord into a surge suppressor,
and plug the surge suppressor into an appropriate
outlet that is properly installed and grounded in
accordance with all local codes and ordinances.
IMPORTANT: The treadmill is not compatible with
GFCI-equipped outlets.
This product is for use on a nominal 120-volt circuit,
and has a grounding plug that looks like the plug illus-
trated in drawing 1 below. A temporary adapter that
looks like the adapter illustrated in drawing 2 may be
used to connect the surge suppressor to a 2-pole
receptacle as shown in drawing 2 if a properly
grounded outlet is not available.
The temporary adapter should be used only until a
properly grounded outlet (drawing 1) can be installed
by a qualified electrician.
The green-colored rigid ear, lug, or the like extending
from the adapter must be connected to a permanent
ground such as a properly grounded outlet box cover.
Whenever the adapter is used it must be held in place
by a metal screw. Some 2-pole receptacle outlet box
covers are not grounded. Contact a qualified elec-
trician to determine if the outlet box cover is
grounded before using an adapter.
DANGER: Improper connection
of the equipment-grounding conductor can
result in an increased risk of electric shock.
Check with a qualified electrician or service-
man if you are in doubt as to whether the
product is properly grounded. Do not modify
the plug provided with the product—if it will
not fit the outlet, have a proper outlet
installed by a qualified electrician.
1
2
Grounded Outlet Box
Grounded Outlet Box
Grounding Plug
Surge Suppressor
Surge Suppressor
Grounding Pin
Adapter
Lug
Metal Screw
Grounded Outlet
Grounding Pin

15
FEATURES OF THE CONSOLE
The treadmill console offers an impressive selection of
features designed to make your workouts more effec-
tive and enjoyable. When the manual mode of the con-
sole is selected, the speed and incline of the treadmill
can be changed with the touch of a button. As you ex-
ercise, the console will display continuous exercise
feedback. You can even measure your heart rate using
the handgrip pulse sensor.
In addition, the console features twenty speed work-
outs—five weight loss workouts, five aerobic workouts,
five performance workouts, and five endurance work-
outs. Each workout automatically controls the speed
and incline of the treadmill as it guides you through an
effective exercise session. You can even create your
own custom workouts and save them for future use.
The console also features the new iFit Interactive
Workout system. The iFit system enables the console
to accept iFit Interactive Workout Cards containing
workouts designed to help you achieve specific fitness
goals. For example, lose unwanted pounds with the 8-
week Weight Loss workout, or train for a long-distance
run with the Marathon workout. iFit workouts automati-
cally control the treadmill while the voice of a personal
trainer coaches you through every step of your workout.
To purchase iFit cards at any time, go to
www.iFit.com or call the telephone number on the
front cover of this manual. iFit cards are also avail-
able at select stores.
Whether you select the manual mode or a workout,
you can listen to your favorite workout music or audio
books with the consoleʼs premium stereo sound system.
To turn on the power, see page 16. To use the man-
ual mode, see page 16. To use a speed workout, see
page 18. To create and use a custom workout, see
pages 19 and 20. To use an iFit workout, see page
21. To use the information mode, see page 22. To
use the stereo sound system, see page 22.
IMPORTANT: If there is a sheet of clear plastic on
the face of the console, remove the plastic. To pre-
vent damage to the walking platform, wear clean
athletic shoes while using the treadmill. The first
time the treadmill is used, observe the alignment of
the walking belt, and center the walking belt if nec-
essary (see page 27).
CONSOLE
DIAGRAM
Audio
Jack

16
HOW TO TURN ON THE POWER
IMPORTANT: If the treadmill has been exposed to
cold temperatures, allow it to warm to room tem-
perature before turning on the power. If you do not
do this, you may damage the console displays or
other electrical components.
Plug in the power cord (see
page 14). Next, locate the
reset/off circuit breaker on
the treadmill frame near the
power cord. Make sure that
the circuit breaker is in the
“reset” position.
IMPORTANT: The console features a display demo
mode, designed to be used if the treadmill is dis-
played in a store. If the displays light as soon as
you plug in the power cord and switch the reset/off
circuit breaker to the reset position, the demo
mode is turned on. To turn off the demo mode,
hold down the Stop button for a few seconds. If the
displays remain lit, see THE INFORMATION MODE
on page 22 to turn off the demo mode.
Next, stand on the
foot rails of the
treadmill. Locate
the clip attached to
the key (see the
drawing at the
right), and slide
the clip securely
onto the waistband
of your clothes. Then, insert the key into the console.
After a moment, the displays will light. IMPORTANT:
In an emergency situation, the key can be pulled
from the console, causing the walking belt to slow
to a stop. Test the clip by carefully taking a few
steps backward; if the key is not pulled from the
console, adjust the position of the clip.
Note: The console can display speed and distance in
either miles or kilometers. To find out which unit of
measurement is selected or to change the unit of mea-
surement, see THE INFORMATION MODE on page
22. For simplicity, all instructions in this section refer to
miles.
HOW TO USE THE MANUAL MODE
1. Insert the key into the console.
See HOW TO TURN ON THE POWER at the left.
2. Select the manual mode.
Each time the key is in-
serted, the manual mode
will be selected. If you
have selected a workout,
press any of the speed
workout buttons (Wt.
Loss, Aerobic, Performance, or Endurance) repeat-
edly until a track appears in the matrix.
3. Start the walking belt and adjust the speed.
To start the walking belt, press the Start button,
one of the Speed increase buttons, or one of the
speed buttons numbered 1 to 12.
If you press the Start button or one of the Speed
increase buttons, the walking belt will begin to
move at 1 mph. As you exercise, change the
speed of the walking belt as desired by pressing
the Speed increase and decrease buttons on the
console or in the right handrail. Each time you
press a button, the speed setting will change by
0.1 mph; if you hold down the button, the speed
setting will change in increments of 0.5 mph. If you
press one of the numbered speed buttons, the
walking belt will gradually change speed until it
reaches the selected speed setting.
To stop the walking belt, press the Stop button. To
restart the walking belt, press the Start button, one
of the Speed increase buttons, or one of the num-
bered speed buttons.
4. Change the incline of the treadmill as desired.
To change the incline of the treadmill, press one of
the Incline increase or decrease buttons or one of
the incline buttons numbered 0 to 12.
Each time you press one of the Incline increase or
decrease buttons on the console or in the left
handrail or one of the numbered incline buttons,
the incline will gradually change until it reaches the
selected incline setting.
Reset
Clip
Key

17
5. Follow your progress with the displays.
The matrix—When you
select the manual
mode, the matrix will
display a track that rep-
resents 1/4 mile (400
meters). As you exer-
cise, the indicators around the track will appear in
succession until the entire track appears. The track
will then disappear and the indicators will again
begin to appear in succession.
The Incline/Pulse dis-
play—The Incline/Pulse
display can show the in-
cline of the treadmill.
The display will also
show your heart rate
when you use the handgrip pulse sensor.
The Time display—
The Time display will
show the elapsed time.
Note: When a speed
workout is selected, the
display will show the
time remaining in the workout instead of the
elapsed time.
The Distance
display—The Distance
display can show the
distance that you have
walked or run.
The Calorie/Speed dis-
play—The Speed dis-
play will show the ap-
proximate number of
calories you have
burned and the speed of
the walking belt for a few seconds each.
To reset the console, press the Stop button, re-
move the key, and then reinsert the key.
6. Measure your heart rate if desired.
Before using
the handgrip
pulse sensor,
remove the
sheets of clear
plastic from the
metal contacts.
In addition,
make sure that
your hands are
clean.
To measure your heart rate, stand on the foot
rails and hold the metal contacts on the handrail—
avoid moving your hands. Hold the contacts for
approximately ten seconds. When your pulse is
detected, several dashes will appear and then your
heart rate will be shown. For the most accurate
heart rate reading, continue to hold the con-
tacts for about 15 seconds.
7. Turn on the fans if desired.
The fans feature high and low speed settings.
Press the Fans button repeatedly to select a fan
speed or to turn off the fans. Note: If the fans are
on when the walking belt is stopped, the fans will
turn off automatically after a few minutes.
8. When you are finished exercising, remove the
key from the console.
Step onto the foot rails, press the Stop button, and
adjust the incline of the treadmill to the lowest
setting. The incline must be at the lowest setting
when you fold the treadmill to the storage posi-
tion, or you may damage the treadmill. Next, re-
move the key from the console and put it in a secure
place.
When you are finished using the treadmill, switch
the reset/off circuit breaker to the “off” position and
unplug the power cord. IMPORTANT: If you do
not do this, the treadmillʼs electrical compo-
nents may wear prematurely.
Contacts

18
HOW TO USE A SPEED WORKOUT
1. Insert the key into the console.
See HOW TO TURN ON THE POWER on page 16.
2. Select a speed workout.
To select a speed workout, press the Wt. Loss but-
ton, the Aerobic button, the Performance button, or
the Endurance button.
When a speed workout
is selected, the displays
will show the maximum
incline setting, the dura-
tion of the workout, and
the maximum speed
setting of the workout. In addition, a profile of the
speed settings of the workout will scroll across the
matrix.
3. Start the walking belt.
Press the Start button, one of the speed increase
buttons, or one of the numbered speed buttons to
start the workout. A moment after you press the
button, the treadmill will automatically adjust to the
first speed and incline settings of the workout. Hold
the handrails and begin walking.
Each workout is divided into one-minute segments.
One speed setting and one incline setting are pro-
grammed for each segment. Note: The same speed
and/or incline setting may be programmed for con-
secutive segments.
During the workout, the
profile will show your
progress. The flashing
segment of the profile
represents the current
segment of the workout.
The height of the flashing segment indicates the
speed setting for the current segment. At the end of
each segment, a series of tones will sound and the
next segment of the profile will begin to flash. If a
new speed and/or incline setting is programmed for
the next segment, the new speed and/or incline set-
ting will appear in the displays for a few seconds
and the treadmill will automatically adjust to the
new speed and/or incline setting.
If the speed or incline setting is too high or too low
at any time during the workout, you can manually
override the setting by pressing the speed or incline
buttons; however, when the next segment of the
workout begins, the treadmill will automatically
adjust to the speed and incline settings for the
next segment.
To stop the workout at any time, press the Stop
button. To restart the workout, press the Start but-
ton or the Speed increase button. The walking belt
will begin to move at 1 mph. When the next seg-
ment of the workout begins, the treadmill will auto-
matically adjust to the speed and incline settings for
the next segment.
The workout will continue in this way until the last
segment of the workout ends. The walking belt will
then slow to a stop.
4. Follow your progress with the displays.
See step 5 on page 17.
5. Measure your heart rate if desired.
See step 6 on page 17.
6. Turn on the fans if desired.
See step 7 on page 17.
7. When you are finished exercising, remove the
key from the console.
See step 8 on page 17.
Current Segment

19
HOW TO CREATE A CUSTOM WORKOUT
1. Insert the key into the console.
See HOW TO TURN ON THE POWER on page 16.
2. Select a custom workout.
To select a custom workout, press one of the
Custom buttons repeatedly. When a custom work-
out is selected, the displays will show the maxi-
mum incline setting, the duration of the workout,
and the maximum speed setting of the workout. In
addition, three columns of indicators will appear in
the matrix.
Note: If more than
three columns of indi-
cators scroll across
the matrix, see HOW
TO USE A CUSTOM
WORKOUT on page
20.
3. Start the walking belt and program the desired
speed and incline settings.
Press the Start button, one of the speed increase
buttons, or one of the numbered speed buttons to
start the workout. A moment after you press the
Start button, the walking belt will begin to move.
Hold the handrails and begin walking.
Each custom workout is divided into several one-
minute segments. One speed setting and one in-
cline setting can be programmed for each seg-
ment. To program speed and incline settings for
the first segment, simply adjust the speed and in-
cline of the treadmill as desired by pressing the
speed and incline buttons.
When the first segment of the workout ends, a se-
ries of tones will sound and the current speed and
incline settings will be saved in memory. Program
a speed setting and an incline setting for the sec-
ond segment in the same way.
Continue programming speed and incline settings
for as many segments as desired; custom work-
outs can have up to forty segments. When you are
finished with your workout, press the Stop button
twice. The speed and incline settings that you have
programmed and the workout time will then be
saved in memory.
4. Follow your progress with the displays.
See step 5 on page 17.
5. Measure your heart rate if desired.
See step 6 on page 17.
6. Turn on the fans if desired.
See step 7 on page 17.
7. When you are finished exercising, remove the
key from the console.
See step 8 on page 17.

20
HOW TO USE A CUSTOM WORKOUT
1. Insert the key into the console.
See HOW TO TURN ON THE POWER on page 16.
2. Select a custom workout.
To select a custom
workout, press one of
the Custom buttons re-
peatedly. When a cus-
tom workout is selected,
the displays will show
the maximum incline setting, the duration of the
workout, and the maximum speed setting of the
workout. In addition, a profile of the speed settings
of the workout will scroll across the matrix. Note: If
only three columns of indicators scroll across
the matrix, see HOW TO CREATE A CUSTOM
WORKOUT on page 19.
3. Start the walking belt.
Press the Start button, one of the speed increase
buttons, or one of the numbered speed buttons to
start the workout. A moment after you press the
Start button, the treadmill will automatically adjust
to the first speed and incline settings that you pro-
grammed previously. Hold the handrails and begin
walking.
Each custom workout is divided into several one-
minute segments. One speed setting and one in-
cline setting are programmed for each segment.
Note: The same speed and/or incline setting may
be programmed for consecutive segments.
The custom workout will function in the same way
as a speed workout (see step 3 on page 18).
If desired, you can redesign the workout while
using it. To change the speed setting or the in-
cline setting for the current segment, simply
press the speed or incline buttons. When the cur-
rent segment ends, the new setting will be saved in
memory. To increase the length of the workout,
first wait until the workout is completed. Then, press
the Start button and program speed and incline set-
tings for as many additional segments as desired.
When you have added as many segments as de-
sired, press the Stop button twice. To decrease
the length of the workout, press the Stop button
twice at any time before the workout is completed.
To stop the workout temporarily, press the Stop
button. To restart the workout, press the Start but-
ton. The walking belt will begin to move at 1 mph.
When the next segment of the workout begins, the
treadmill will automatically adjust to the speed and
incline settings programmed for the next segment.
4. Follow your progress with the displays.
See step 5 on page 17.
5. Measure your heart rate if desired.
See step 6 on page 17.
6. Turn on the fans if desired.
See step 7 on page 17.
7. When you are finished exercising, remove the
key from the console.
See step 8 on page 17.

21
HOW TO USE AN IFIT WORKOUT
To purchase iFit cards at any time, go to www.iFit.com
or call the telephone number on the front cover of this
manual. iFit cards are also available at select stores.
1. Insert the key into the console.
See HOW TO TURN ON THE POWER on page 16.
2. Insert an iFit card and select a workout.
To use an iFit workout, insert an iFit card into the
iFit slot; make sure that the iFit card is oriented so
the metal contacts are face-down and are inserted
into the iFit slot. When the iFit card is properly in-
serted, the iFit logo will light.
Next, select an iFit workout by pressing the iFit in-
crease and decrease buttons next to the iFit slot.
When an iFit workout is selected, the displays will
show the maximum incline setting, the duration of
the workout, and the maximum speed setting of the
workout. In addition, a profile of the speed settings
of the workout will scroll across the matrix.
Each iFit workout is divided into several one-
minute segments. One speed setting and one in-
cline setting are programmed for each segment.
Note: The same speed and/or incline setting may
be programmed for consecutive segments.
3. Start the walking belt.
Press the Start button or one of the Speed increase
buttons to start the workout. A moment after you
press the button, the treadmill will automatically ad-
just to the first speed and incline settings of the
workout. Hold the handrails and begin walking.
During the workout, a personal trainer will guide you
through the workout.
If the speed or incline setting for the current seg-
ment is too high or too low, you can manually over-
ride the setting by pressing the speed or incline
buttons; however, when the next segment be-
gins, the treadmill will automatically adjust to
the speed and incline settings for the next seg-
ment.
To stop the workout at any time, press the Stop
button. To restart the workout, press the Start but-
ton or the Speed increase button. The walking belt
will begin to move. When the next segment of the
workout begins, the treadmill will automatically ad-
just to the speed and incline settings for the next
segment.
4. Follow your progress with the displays.
See step 5 on page 17.
5. Turn on the fans if desired.
See step 7 on page 17.
6. When you are finished exercising, remove the
key from the console.
See step 8 on page 17.
CAUTION: Always remove iFit cards from the
iFit slot when you are not using them.
iFit Card
iFit Slot

22
THE INFORMATION MODE
The console features an information mode that keeps
track of the total distance that the walking belt has
moved and the total number of hours that the treadmill
has been used. The information mode also allows you
to select miles or kilometers to measure distance, and
to turn on and turn off the display demo mode.
To select the information mode, hold down the Stop
button while inserting the key into the console and then
release the Stop button. When the information mode is
selected, the following information will be shown:
The Time display will show
the total number of hours the
treadmill has been used.
The Distance display will
show the total number of
miles or kilometers that the
walking belt has moved.
Press the Stop button again to veiw the following infor-
mation.
An “E” for English miles or an
“M” for metric kilometers will
appear in the Incline/Pulse
display. Press the Speed in-
crease button to change the
unit of measurement if de-
sired.
The console features a dis-
play demo mode, designed to
be used if the treadmill is dis-
played in a store. While the
demo mode is turned on, the
console will function normally
when you plug in the power cord, switch the reset/off
circuit breaker to the reset position, and insert the key
into the console. However, when you remove the key,
the displays will remain lit, although the buttons will not
function. If the demo mode is turned on, a “d” will ap-
pear in the Calorie/Speed display while the information
mode is selected. To turn on or turn off the demo mode,
press the Speed decrease button.
To exit the information mode, remove the key from the
console.
HOW TO USE THE STEREO SOUND SYSTEM
To play music or audio books through the consoleʼs
stereo speakers, you must connect your MP3 player,
CD player, or other personal audio player to the con-
sole through the audio jack above the speakers.
To use the audio jack, locate the audio wire and plug it
into the audio jack on the right side of the console.
Then plug the audio wire into a jack on your MP3
player, CD player, or other personal audio player.
Make sure that the audio wire is fully plugged in.
Next, press the Play button on your MP3 player, CD
player, or other personal audio player. Adjust the vol-
ume on your personal audio player or press the
Volume increase and decrease buttons on the con-
sole.
If you are using a personal CD player and the CD
skips, set the CD player on the floor or another flat sur-
face and not on the console.

23
HOW TO FOLD AND MOVE THE TREADMILL
HOW TO FOLD THE TREADMILL FOR STORAGE
Before folding the treadmill, adjust the incline to the
lowest position. If you do not do this, you may damage the
treadmill when you fold it. Remove the key and unplug the
power cord. CAUTION: You must be able to safely lift 45
lbs. (20 kg) to raise, lower, or move the treadmill.
1. Hold the metal frame firmly in the location shown by
the arrow at the right. CAUTION: To decrease the pos-
sibility of injury, do not lift the frame by the plastic foot
rails. To raise the frame, bend your legs, keep your
back straight, and lift with your legs. Raise the frame
about halfway to the vertical position.
2. Raise the frame until the latch knob locks into the storage
position. Make sure that the latch knob is locked in
the storage position.
To protect the floor or carpet from damage, place a
mat under the treadmill. Keep the treadmill out of di-
rect sunlight. Do not leave the treadmill in the stor-
age position in temperatures above 85° F (30° C).
HOW TO MOVE THE TREADMILL
Before moving the treadmill, convert the treadmill to the
storage position as described above. Make sure that the
latch knob is locked in the storage position.
1. Hold the handrails and place one foot against one of the
wheels.
2. Tip the treadmill back until it rolls freely on the wheels.
Carefully move the treadmill to the desired location. Never
move the treadmill without tipping it back. To reduce
the risk of injury, use extreme caution while moving
the treadmill. Do not attempt to move the treadmill
over an uneven surface.
3. Place one foot against one of the wheels, and carefully
lower the treadmill until it is resting in the storage position.
Wheel
Handrails
Frame
Latch Knob
Frame

24
HOW TO LOWER THE TREADMILL FOR USE
1. Hold the upper end of the treadmill with your right hand.
Pull the latch knob to the left and hold it. Pivot the frame
downward and release the latch knob. Note: It may be
necessary to push the frame forward as you pull the latch
knob to the left.
2. Hold the metal frame firmly with both hands, and lower
it to the floor. CAUTION: To decrease the possibility of
injury, do not lower the frame by gripping only the
plastic foot rails. Do not drop the frame to the floor.
Make sure to bend your legs and keep your back
straight.
Frame
Latch Knob
Frame

25
TROUBLESHOOTING
Most treadmill problems can be solved by following the steps below. Find the symptom that applies, and
follow the steps listed. If further assistance is needed, please see the front cover of this manual.
PROBLEM: The power does not turn on
SOLUTION: a. Make sure that the power cord is plugged into a surge suppressor, and that the surge suppressor
is plugged into a properly grounded outlet (see page 14). Use only a single-outlet surge suppres-
sor that meets all of the specifications described on page 14. IMPORTANT: The treadmill is not
compatible with GFCI-equipped outlets.
b. After the power cord has been plugged in, make sure that the key is inserted into the console.
c. Check the reset/off circuit breaker located on the
treadmill frame near the power cord. If the switch pro-
trudes as shown, the circuit breaker has tripped. To
reset the circuit breaker, wait for five minutes and
then press the switch to the reset position.
PROBLEM: The power turns off during use
SOLUTION: a. Check the reset/off circuit breaker (see the drawing above). If the circuit breaker has tripped, wait
for five minutes and then press the switch to the reset position.
b. Make sure that the power cord is plugged in. If the power cord is plugged in, unplug it, wait for five
minutes, and then plug it back in.
c. Remove the key from the console. Reinsert the key into the console.
d. If the treadmill still will not run, please see the front cover of this manual.
PROBLEM: The console displays remain lit when you remove the key from the console
SOLUTION: a. The console features a display demo mode, designed to be used if the treadmill is displayed in a
store. If the displays remain lit when you remove the key, the demo mode is turned on. To turn off
the demo mode, hold down the Stop button for a few seconds. If the displays are still lit, see THE
INFORMATION MODE on page 22 to turn off the demo mode.
PROBLEM: The displays of the console do not function properly
SOLUTION: a. Remove the key from the console and UNPLUG THE
POWER CORD. Lower the Uprights (77).
Next, remove the two indicated #8 x 3/4" Screws (1).
Raise the Uprights (77) to the vertical position.
Tripped Reset
c
1
1
a
77

26
Remove the three indicated #8 x 3/4" Screws (1), and
remove the Motor Hood (58).
Next, locate the Reed Switch (62) and the Magnet
(48) on the left side of the Pulley (47). Turn the Pulley
until the Magnet is aligned with the Reed Switch.
Make sure that the gap between the Magnet and
the Reed Switch is about 1/8 in. (3 mm). If neces-
sary, carefully insert a slotted screwdriver into the in-
dicated hole and move the Reed Switch slightly.
Reattach the Motor Hood (not shown) with the five #8
x 3/4" Screws (not shown). Run the treadmill for a few
minutes to check for a correct speed reading.
PROBLEM: The incline of the treadmill does not change correctly
SOLUTION: a. Hold down the Stop button and the Speed increase button, insert the key into the console, and
then release the Stop button and the Speed increase button. Press the Incline increase or de-
crease button. The treadmill will automatically rise to the maximum incline level and then return to
the minimum level. This will recalibrate the incline system. If the incline does not calibrate, press
the Stop button, and then press the Incline increase or decrease button again. When the incline is
calibrated, remove the key from the console.
PROBLEM: The walking belt slows when walked on
SOLUTION: a. Use only a single-outlet surge suppressor that meets all of the specifications described on page 14.
b. If the walking belt is overtightened, treadmill perfor-
mance may decrease and the walking belt may be-
come damaged. Remove the key and UNPLUG THE
POWER CORD. Using the hex key, turn both idler
roller bolts counterclockwise, 1/4 of a turn. When the
walking belt is properly tightened, you should be able
to lift each edge of the walking belt 3 to 4 in. (8 to 10
cm) off the walking platform. Be careful to keep the
walking belt centered. Then, plug in the power cord,
insert the key, and run the treadmill for a few minutes.
Repeat until the walking belt is properly tightened.
c. If the walking belt still slows when walked on, please see the front cover of this manual.
Top
View
62
1/8 in.
47
48
1
581
Idler Roller Bolts
b3–4 in.
Hole

27
PROBLEM: The walking belt is off-center or slips when walked on
SOLUTION: a. If the walking belt is off-center, remove the key and
UNPLUG THE POWER CORD. If the walking belt
has shifted to the left, use the hex key to turn the
left idler roller bolt clockwise 1/2 of a turn; if the walk-
ing belt has shifted to the right, turn the left idler
roller bolt counterclockwise 1/2 of a turn. Be careful
not to overtighten the walking belt. Plug in the power
cord, insert the key, and run the treadmill for a few
minutes. Repeat until the walking belt is centered.
b. If the walking belt slips when walked on, first remove
the key and UNPLUG THE POWER CORD. Using
the hex key, turn both idler roller bolts clockwise, 1/4
of a turn. When the walking belt is correctly tightened,
you should be able to lift each edge of the walking
belt 3 to 4 in. (8 to 10 cm) off the walking platform. Be
careful to keep the walking belt centered. Then, plug
in the power cord, insert the key, and carefully walk
on the treadmill for a few minutes. Repeat until the
walking belt is properly tightened.
b
a

28
These guidelines will help you to plan your exercise
program. For detailed exercise information, obtain a
reputable book or consult your physician. Remember,
proper nutrition and adequate rest are essential for
successful results.
EXERCISE INTENSITY
Whether your goal is to burn fat or to strengthen your
cardiovascular system, exercising at the proper inten-
sity is the key to achieving results. You can use your
heart rate as a guide to find the proper intensity level.
The chart below shows recommended heart rates for
fat burning and aerobic exercise.
To find the proper intensity level, find your age at the
bottom of the chart (ages are rounded off to the near-
est ten years). The three numbers listed above your
age define your “training zone.” The lowest number is
the heart rate for fat burning, the middle number is the
heart rate for maximum fat burning, and the highest
number is the heart rate for aerobic exercise.
Burning Fat—To burn fat effectively, you must exer-
cise at a low intensity level for a sustained period of
time. During the first few minutes of exercise, your
body uses carbohydrate calories for energy. Only after
the first few minutes of exercise does your body begin
to use stored fat calories for energy. If your goal is to
burn fat, adjust the intensity of your exercise until your
heart rate is near the lowest number in your training
zone. For maximum fat burning, exercise with your
heart rate near the middle number in your training
zone.
Aerobic Exercise—If your goal is to strengthen your
cardiovascular system, you must perform aerobic exer-
cise, which is activity that requires large amounts of
oxygen for prolonged periods of time. For aerobic ex-
ercise, adjust the intensity of your exercise until your
heart rate is near the highest number in your training
zone.
WORKOUT GUIDELINES
Warming Up—Start with 5 to 10 minutes of stretching
and light exercise. A warm-up increases your body
temperature, heart rate, and circulation in preparation
for exercise.
Training Zone Exercise—Exercise for 20 to 30 min-
utes with your heart rate in your training zone. (During
the first few weeks of your exercise program, do not
keep your heart rate in your training zone for longer
than 20 minutes.) Breathe regularly and deeply as you
exercise–never hold your breath.
Cooling Down—Finish with 5 to 10 minutes of stretch-
ing. Stretching increases the flexibility of your muscles
and helps to prevent post-exercise problems.
EXERCISE FREQUENCY
To maintain or improve your condition, complete three
workouts each week, with at least one day of rest be-
tween workouts. After a few months of regular exer-
cise, you may complete up to five workouts each
week, if desired. Remember, the key to success is to
make exercise a regular and enjoyable part of your
everyday life.
EXERCISE GUIDELINES
WARNING: Before beginning any
exercise program, consult your physician.
This is especially important for persons over
age 35 or persons with pre-existing health
problems.
The pulse sensor is not a medical device.
Various factors may affect the accuracy of
heart rate readings. The pulse sensor is in-
tended only as an exercise aid in determining
heart rate trends in general.

29
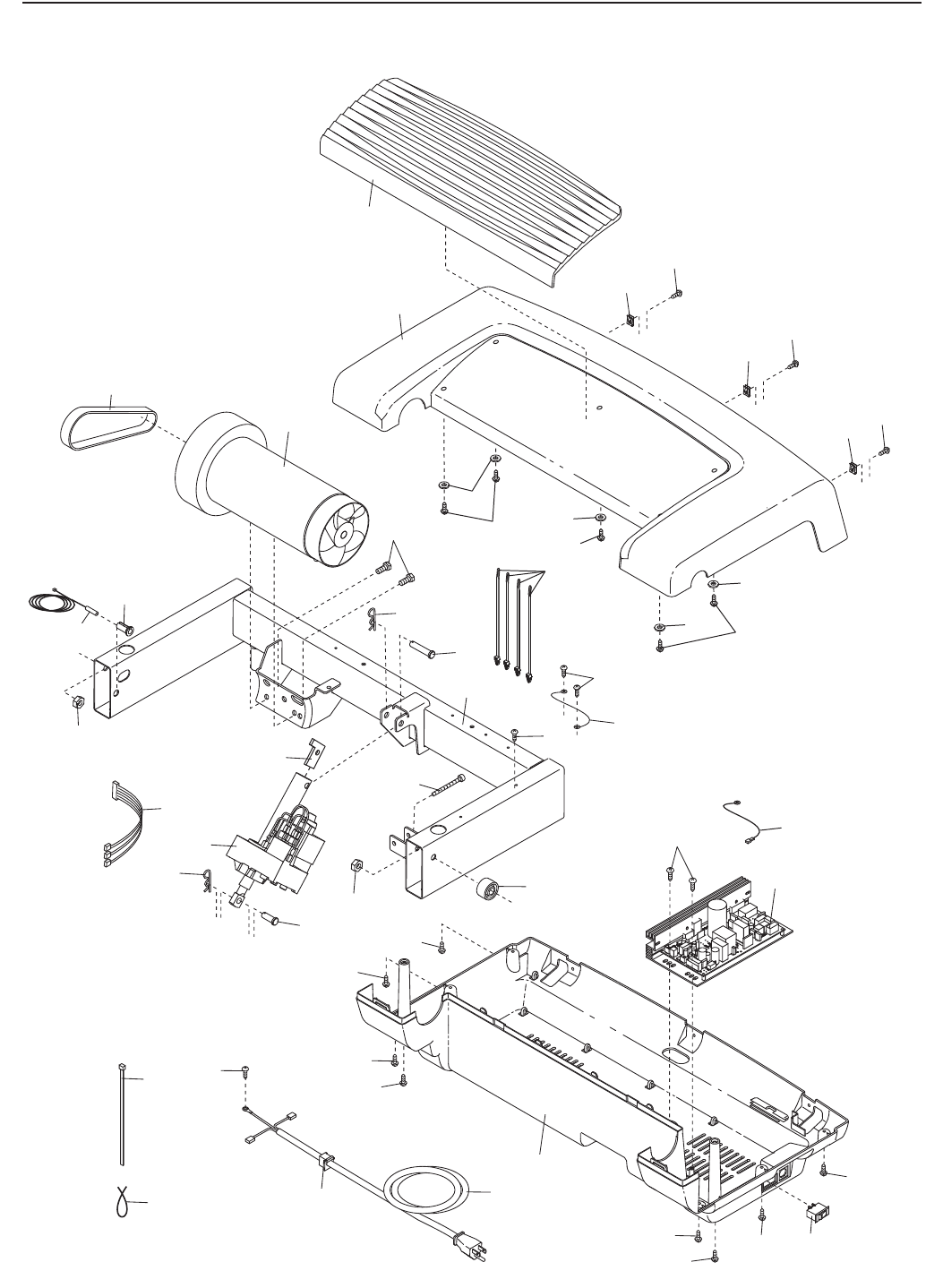
PART LIST—Model No. HRTL08508.1 R0709A
To locate the parts listed below, see the EXPLODED DRAWING near the end of this manual.
Key No. Qty. Description Key No. Qty. Description
1 16 #8 x 3/4" Screw
2 50 #8 x 1/2" Screw
321/4" x 1/2" Bolt
46#8 x 1" Tek Screw
51Controller Ground Wire
643/8" x 2" Bolt
743/8" x 2 3/4" Bolt
823/8" x 1" Patch Bolt
943/8" x 1 1/4" Patch Bolt
10 2 3/8" x 3/4" Bolt
11 10 3/8" Star Washer
12 8 3/8" Nut
13 1 Hex Key
14 1 3/16" Hex Key
15 2 1/4" x 2 1/2" Bolt
16 4 #8 Belt Guide Screw
17 2 5/16" x 4 1/2" Bolt
18 4 1/4" x 1 1/4" Bolt
19 10 #12 x 1 1/2" Screw
20 4 1/4" x 1 3/4" Bolt
21 2 Motor Bolt
22 6 #8 x 3/4" Screw
23 8 #8 x 1/2" Ground Screw
24 2 3/8" x 1 1/2" Bolt
25 2 7/16" x 1" Bolt
26 4 5/16" x 2" Bolt
27 2 Handrail Cap
28 1 Upper Clevis Pin
29 1 Lower Clevis Pin
30 2 1/4" Lock Washer
31 2 1/4" Washer
32 5 #6 Washer
33 2 5/16" Flange Nut
34 4 1/4" Flange Nut
35 2 7/16" Nut
36 3 Hood Clip
37 2 Cotter Pin
38 6 #3 x 1/4" Screw
39 4 5/16" Star Washer
40 2 Foot Rail Insert
41 1 Left Foot Rail
42 1 Warning Deal
43 4 Isolator
44 2 Belt Guide
45 1 Walking Platform
46 2 Frame Spacer
47 1 Drive Roller/Pulley
48 1 Magnet
49 1 Frame Ground Wire
50 1 Walking Belt
51 1 Frame
52 1 Right Foot Rail
53 2 Idler Roller Bracket
54 1 Idler Roller
55 1 Left Rear Foot
56 1 Right Rear Foot
57 1 Hood Accent
58 1 Motor Hood
59 1 Motor Belt
60 1 Drive Motor
61 1 Reed Switch Clamp
62 1 Reed Switch
63 1 Incline Wire
64 1 Incline Motor
65 1 1/4" x 2" Bolt
66 1 Lift Frame
67 4 Wire Tie
68 1 Lift Ground Wire
69 1 Controller
70 1 Reset/Off Circuit Breaker
71 1 Belly Pan
72 1 Power Cord
73 1 Grommet
74 8 15" Tie
75 1 Releasable Tie
76 1 Upright Wire
77 2 Upright
78 2 Foot Rail Spacer
79 1 Latch Cap
80 1 Storage Latch
81 1 Latch Knob
82 1 Incline Stop Bracket
83 1 Base
84 2 Base Cap
85 6 Base Foot Spacer
86 6 Base Foot
87 2 Caution Decal
88 2 Extension Leg
89 3 Wire Tie
90 1 Latch Bracket
91 2 Wheel
92 1 Incline Button
93 1 Incline Control Cover
94 1 Left Handrail
95 1 Left Handrail Cover
96 1 Left Bottom Handrail Cover
97 2 Handrail Ground Wire
98 1 Console Crossbar
99 1 Pulse Bar
100 1 Speed Button

30
Key No. Qty. Description Key No. Qty. Description
101 1 Speed Control Plate
102 1 Right Handrail
103 1 Right Handrail Cover
104 1 Right Bottom Handrail Cover
105 1 Audio Wire
106 1 Left Console Fan
107 1 Right Console Fan
108 1 Console
109 1 Access Door
110 1 Console Back
111 1 Key Clip
112 6 Console Clamp
113 1 Left Accessory Tray
114 1 Right Accessory Tray
115 1 Console Base
116 1 Console Plate
117 1 Small Left Pulse Sensor
118 1 Large Left Pulse Sensor
119 1 Right Small Pulse Sensor
120 1 Right Large Pulse Sensor
121 1 Key Plate
122 1 Console Cover
123 2 Console Ground Wire
*–8" White Wire, M/F
*–4" Black Wire, M/F
*–4" Red Wire, M/F
*–8" Blue Wire, M/F
*–Userʼs Manual
Note: Specifications are subject to change without notice. For information about ordering replacement parts, see
the back cover of this manual. *These parts are not illustrated.

40
42
17
2
2
43
18
24
18
2
43
16
46
48
45
47
44
31
30
15
20
33
55 34
15
30
54
2
17
53
33
31
34
56
20
14
13
52
51
43
2
43
2
24
49
23
44
16
18
18
19
19
19
19
41
19
19
19
19
53
40
50
78
78
EXPLODED DRAWING A—Model No. HRTL08508.1 R0709A
31

57
58
36
1
36
1
1
36
59
60
21
67
23
68
28
66
23
37
61
62
12
63
64
37
29
12
46
65
22
22
22
1
23
74
75 73 72
71
22
1
22 70
22
69
1
82
16 32
32
32
32
16
16
5
EXPLODED DRAWING B—Model No. HRTL08508.1 R0709A
32

33
9
11
76
11
9
9
11
11
9
80
79 77
1
84
83
26
39
81
12
6
35
25
85
86
11
7
85
86
8
87
91
85
86
4
12
12 90
6
88
87
12
91 74
86
85
76
26
39
35
25
84 1
85
86
4
85
86
4
8
11
11
7
88
4
7
4
77
EXPLODED DRAWING C—Model No. HRTL08508.1 R0709A

34
92
93
2
2
95
2
1
96 97
23
3
2
11
2
94
2
2
99
2
10
2
2
98
2102
2
11
10
3
100
101
103
2
2
2
23
97
1
104
27
27
EXPLODED DRAWING D—Model No. HRTL08508.1 R0709A

105 1
106
1
2
110
2
2
2
2
108
2
2
115
2
2
2
2
116
2
2
112
107
1
121
38
38
117
118
2
2
2
38
123
23
2
109
2
2
2
2
122
120
119
XXX
11
2
2
114
2
2
111
1
113
89 89
EXPLODED DRAWING E—Model No. HRTL08508.1 R0709A
35

Part No. 284013 R0709A Printed in USA © 2009 ICON IP, Inc.
ORDERING REPLACEMENT PARTS
To order replacement parts, please see the front cover of this manual. To help us assist you, be prepared to
provide the following information when contacting us:
• the model number and serial number of the product (see the front cover of this manual)
• the name of the product (see the front cover of this manual)
• the key number and description of the replacement part(s) (see the PART LIST and the EXPLODED
DRAWING near the end of this manual)
ICON Health & Fitness, Inc. (ICON) warrants this product to be free from defects in workmanship and
material, under normal use and service conditions. The frame and drive motor are warranted for a life-
time. Parts and labor are warranted for one (1) year from the date of purchase.
This warranty extends only to the original purchaser. ICONʼs obligation under this warranty is limited to
repairing or replacing, at ICONʼs option, the product through one of its authorized service centers. All re-
pairs for which warranty claims are made must be preauthorized by ICON. If the product is shipped to a
service center, freight charges to and from the service center will be the customerʼs responsibility. For
replacement parts shipped while the product is under warranty, the customer will be responsible for a
minimal handling charge. For in-home service, the customer will be responsible for a minimal trip charge.
This warranty does not extend to any damage to a product caused by or attributable to freight damage,
abuse, misuse, improper or abnormal usage, or repairs not provided by an ICON authorized service cen-
ter; to products used for commercial or rental purposes or as store display models; or to products trans-
ported or purchased outside the US. No other warranty beyond that specifically set forth above is autho-
rized by ICON.
ICON is not responsible or liable for indirect, special, or consequential damages arising out of or in con-
nection with the use or performance of the product; damages with respect to any economic loss, loss of
property, loss of revenues or profits, loss of enjoyment or use, or costs of removal or installation; or other
consequential damages of whatsoever nature. Some states do not allow the exclusion or limitation of in-
cidental or consequential damages. Accordingly, the above limitation may not apply to you.
The warranty extended hereunder is in lieu of any and all other warranties, and any implied warranties of
merchantability or fitness for a particular purpose are limited in their scope and duration to the terms set
forth herein. Some states do not allow limitations on how long an implied warranty lasts. Accordingly, the
above limitation may not apply to you.
This warranty gives you specific legal rights. You may also have other rights that vary from state to state.
ICON Health & Fitness, Inc., 1500 S. 1000 W., Logan, UT 84321-9813
LIMITED WARRANTY
IMPORTANT: You must register this product within 30 days of the purchase date to avoid added
fees for service needed under warranty. Go to www.healthriderservice.com/registration.