Heatcraft Refrigeration Products H Im 77D Users Manual
25005601 H-IM-77D
H-IM-77D to the manual 045f391a-bdaf-4003-8c12-8e76a4467733
2015-02-09
: Heatcraft-Refrigeration-Products Heatcraft-Refrigeration-Products-H-Im-77D-Users-Manual-564740 heatcraft-refrigeration-products-h-im-77d-users-manual-564740 heatcraft-refrigeration-products pdf
Open the PDF directly: View PDF
.
Page Count: 16

Installation and
Operation Manual
Reach-In
Unit Coolers
H-IM-77D June, 2006 Part No. 25005601
Table of Contents
Inspection ................................................................................. 2
Installation ................................................................................ 2
Expansion Valve ...................................................................... 2
Drain Line .................................................................................. 2
Motors ........................................................................................ 2
Wiring ......................................................................................... 2
Maintenance ............................................................................ 2
Electric Defrost Troubleshooting ...................................... 2
Thin Prole Air Defrost Unit Cooler .................................. 3
Thin Prole Electric Defrost Unit Cooler ..................... 4-6
Extended Thin Prole Unit Cooler ................................7, 8
V Prole Unit Cooler .............................................................. 9
High Prole Unit Cooler .....................................................10
Std. & Rev. Air Flow Wall Mullion Unit Cooler .............11
Wall Mount Back Bar Unit Cooler .............................12, 13
Dual Aire Unit Cooler ..........................................................14
Twin Flow Air Defrost Unit Cooler ..................................15
InterLink™ Replacement Parts .........................................16
(Replaces H-IM-77C, February, 2005)
© 2006, Heatcraft Refrigeration Products LLC

2
Inspection
When the equipment is received, all items should be carefully checked against
the bill of lading to make sure all crates and cartons have been received. All
units should be carefully inspected for hidden damage when received. If any
damage is found, it should be reported to the carrier immediately and a claim
should be led. The unit nameplate should be checked to make sure that the
voltage agrees with the power supply available.
Expansion Valve
Install expansion valve and feeler bulb inside cabinet of the unit.
Recommended valve sizes are given for each product family.
Installation
Installation and service of this equipment should be performed only by
qualied and experienced commercial refrigeration mechanics. Correct
application and installation of this equipment is necessary to obtain
optimum performance and customer satisfaction. Install all equipment,
piping and electrical in accordance with local and national codes and
in conformance with good practice required for proper operation. Work
safely! Prevent accidents!
The nal step in any installation is to instruct the customer or user in the
operation of the equipment. The customer should be shown how the
equipment can be made to operate properly and eciently. Maintenance
requirements should be explained.
Drain Line
After installing the fan panel assembly, connect the drain line to the tting
provided on the unit. A plastic hose or metal drain line can be used.
The drain line should be pitched sharply and exit the cabinet as quickly as
possible. Traps in the drain line should be located in a warm ambient to
prevent freeze-up.
If only a small portion of the drain line is located in the refrigerated area,
a drain line heater will not be required. If a drain line heater is required,
use approximately 15 watts per foot of pipe. Connect the heater wire to
the terminals of the heater circuit (N and 3) at the terminal block in the
junction box. The heater will then operate during the defrost cycle.
All condensate water must be disposed of properly and should not be
allowed to accumulate or cause a safety hazard.
General Information
Motors
Motors are lifetime lubricated and thermally protected. Check an
inoperative motor by disconnecting and applying correct voltage across
leads. If test fails, replace the motor.
Wiring
The nameplate on the unit is marked with the electrical characteristics to
be used for wiring the unit. The unit must be grounded. All wiring should
be done in accordance with applicable national and local codes.
Maintenance
Periodically inspect unit for grease and soil accumulation. Clean with
warm water and soap. Do not use cleaners containing ammonia. Inspect
the drain pan/fan panel occasionally for proper condensate drainage.
Keep the drain opening clean.
Timer
If the system does not go through its proper sequence , check timer
operation through a defrost cycle. Check for loose wires or terminals.
Before replacing timer, check other components.
Operation of Paragon Timer
To set time of day grasp knob which is in the center of the inner (fail-safe)
dial and rotate it in a counter-clockwise direction. This will cause the
outer (24 hour) dial to revolve. Line up the correct time of day on the
outer dial with the time pointer. Do not try to set the time control by
grasping the other (24 hour) dial. Place pins in the outer dial at the time of
day that defrost is required.
Operation of Grasslin Timer
To set the time, turn the minute hand clockwise until the time of day (and
AM or PM) on the outer dial is aligned with the triangle marker on the
inner dial. Do not rotate minute hand counter-clockwise. Move the white
tab (tripper) on the outer dial outward at each desired initiation time.
Each white tab (tripper) is a 15 minute interval and provides 15 minutes
of defrost. For longer defrost duration, move additional tabs (following in
time) from the initiation tab. For example, if a 45 minute defrost is to start
at 7:00 AM, move the tabs outward that lie between 7:00 - 7:15, 7:15 - 7:30
and 7:30 - 7:45 on the AM side of the dial. The defrost will initiate at 7:00
AM and time terminate at 7:45 AM (if temperature termination does not
occur rst).
Fan Motor
If the motor does not operate or it cycles on thermal overload, remove
motor leads from terminal block and apply correct voltage across the
leads. If motor still does not operate satisfactorily, it must be replaced.
Before starting the unit, rotate fan blades to make sure they turn freely
and have sucient clearance.
Fan Delay & Defrost Termination Control
This control is a single pole double throw switch. The red lead wire
is wired to common. The black wire is wired in series with the fan
motors. The brown wire is wired in series with the defrost termination
solenoid in the timer. The brown and red contacts close and the black
and red contacts open when the temperature is above 55ºF. The black
and red contacts close and the brown and red contacts open when the
temperature is below 35ºF.
On initial “pull down” of a warm box the fan will not start until the coil
temperature reaches approximately 35ºF. If the box is still comparatively
warm (60ºF) when the fan starts, then blowing this warm air over the coil
may cause it to warm up to 55ºF and thus stop the fan. Therefore, the fan
may recycle on initial “pull down.” This control cannot be adjusted.
If the fan motor fails to start when the control is below 35
º
F, disconnect
the fan motor leads and check the motor as described for fan motors. Also
check whether current is being supplied at “N” and “4” from the timer. The
fan delay control must be below 35
º
F when checking for a closed circuit.
Defrost Heater
If unit shows very little or no defrosting and does not heat, disconnect
heater and check to nd if it is burned out. To test, apply correct voltage
across heater or use continuity ashlight battery tester.
Drain Pan
If drain pan has an ice build-up, drain line may be frozen. The drain
line should be pitched sharply and exit cabinet as quickly as possible.
Sometimes location and ambient at the drain outside of cabinet may
cause freeze-up. A drain line heater may be required to correct the freeze-
up. Any traps in the drain line must be located in a warm ambient.
ELECTRIC DEFROST TROUBLESHOOTING
NOTE: Installation and maintenance are to be performed only by
qualied personnel who are familiar with local codes and regulations,
and experienced with this type of equipment.
CAUTION: Sharp edges and coil surfaces are a potential injury
hazard. Avoid contact with them.
WARNING: Refrigerant can be harmful if it is inhaled. Refrigerant
must be used and recovered responsibly. Failure to follow this warning
may result in personal injury or death.
WARNING: All power must be disconnected before cleaning
drain pan/fan panel. It serves as a cover of hazardous moving parts.
Operation of unit without pan in place constitutes a hazard.
NOTE: After correcting faulty condition it is essential that the coil
and unit be free of ice before placing unit back on automatic operation.

Description All Sizes Part Number
115V Motor 2500701
208/20V Motor 2500801
Fan Blade 5101B
Fan Guard 5054D
Motor Mount 91179001
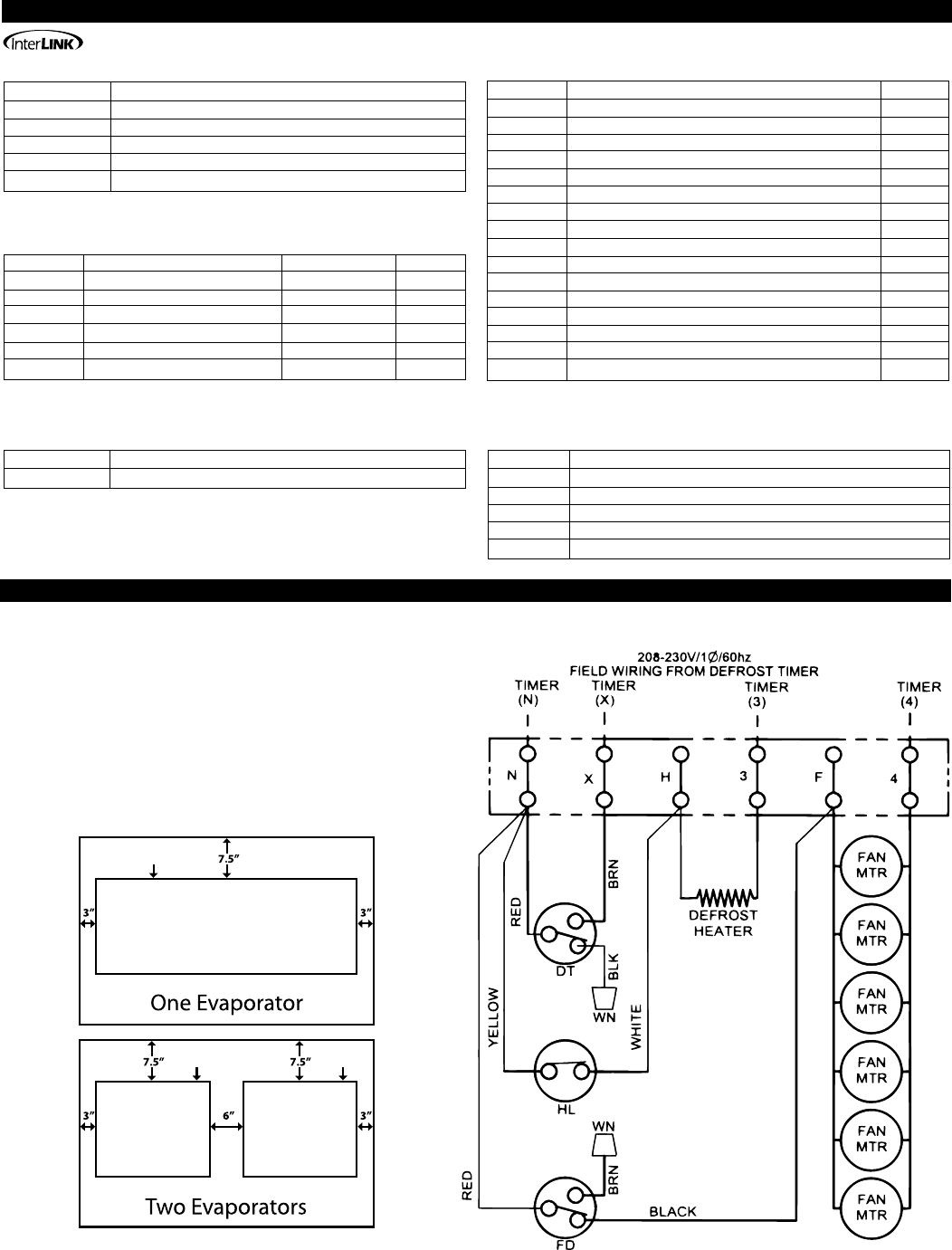
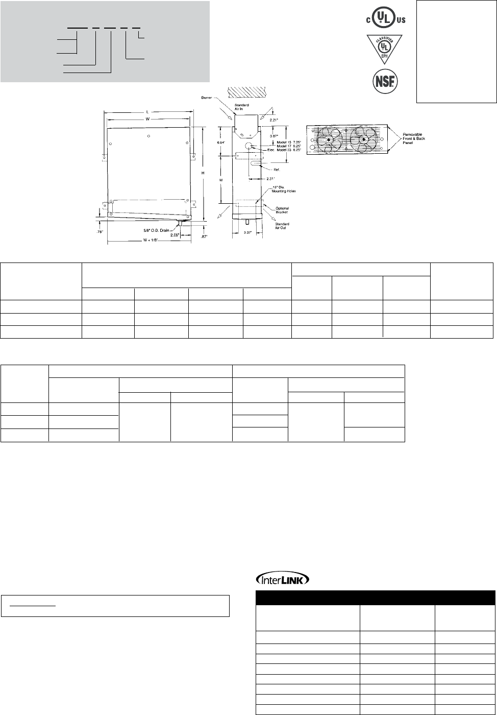
Thin Profile Air Defrost Unit Cooler
Mounting
The thin profile air defrost unit cooler is designed for
mounting from the top of the cooler. Drill holes for screws
in accordance with mounting dimensions A and B given in
Dimensional Data.
After unpacking the unit, remove the fan panel and arrange
the rear brackets as shown in the drawing. Insert the screws
for mounting the rear brackets into the top of the cooler
cabinet. Slip the rear brackets, attached to the unit, between
the screw head and cabinet and secure in place. Install the
front mounting screws. For proper drainage, the unit should
be installed level.
Connections (in.) Approx.
Model
Dimensions (in.) Coil Shipping
No. A B C D E F H J K L M W Inlet Suction Drain Wt. (lbs.)
10 14 5/8 14 15/16 1 1/2 10 1/2 11 /8 4 1/2 8 7/8 2 1/2 15/16 4 /8 16 1/2 /8 OD /8 ID 1/2 OD 14
1 18 5/8 14 15/16 1 1/2 10 1/8 10 1/4 4 1/2 8 /8 9 1/2
15/16 4 /8 20 1/2
/8 OD /8 ID 1/2 OD 17
17 22 1/8 15 15/16 14 1/2 11 1/8 12 4 1/2 9 /8 11 1/4 15/16 4 /8 24 /8 OD 1/2 ID 1/2 OD 21
2 29 /4 15 15/16 14 1/2 1 20 7/8 4 1/2 10 /4 10 1/4 15/16 4 /8 1 5/8 /8 OD 1/2 ID 1/2 OD 28
0 8 1/8 15 15/16 14 1/2 1 29 /4 4 1/2 10 /4 9 /4 15/16 4 /8 40 /8 OD 1/2 ID 1/2 OD
4 51 1/2 15 15/16 14 1/2 1 48 /4 4 1/2 10 /4 1 1/4 15/16 4 /8 5 /8 1/2 OD 5/8 ID 1/2 OD 44
55 51 1/2 15 15/16 14 1/2 1 49 6 /4 10 /4 11 15/16 4 /8 5 /8 1/2 OD 5/8 ID 1/2 OD 5
Dimensional Data
Dimensional Diagram
Thin Profile Vintage
Unit Cooler
K = Coated Coil A = 115-1-60
(Optional) B = 208/20-1-60
Size
NOMENCLATURE
TA (K) 17 B G
Expansion Valve Recommendations
25°F Sat. Suction Temp. 20°F Sat. Suction Temp.
Model BTUH @ R-22 BTUH @ R-22
Size 10°F TD Alco Sporlan 15°F TD Alco Sporlan
10 1000 1500
1 100 1950 HFS-1/4HC EFV-1/5C
17 1700 HFS-1/4HC EFV-1/5C 2550
2 200 450 EFV-1/C
0 000 4500 HFS-1/2HC
4* 400 HFES-1/2HC EFVE-1/2C 6450 HFES-1HC EFVE-1C
55* 5500 8250
* Size 4 and 55 use external equalized valves.
FOR FOOD
SERVICE
INSTALLATIONS
. . . seal any joint
between unit cooler and
cooler liner with a sealant
listed by the National
Sanitation Foundation,
Standard 51
Replacement Parts
Commercial Refrigeration Parts

4
Expansion Valve Recommendations
-10°F. Suction 10° TD -15°F. Suction 15° TD
Model BTUH R-404 BTUH R-404A
Size 10° TD Alco Sporlan 15° TD Alco Sporlan
09 900 150
12 1200 HFS1/8SZ EFS1/8Z 1800 HFS1/8SZ EFS1/8Z
16 1600 2400
21 2100 150 HFS1/4SZ EFS1/6Z
28 2800 HFS1/4SZ EFS1/6Z 4200 HFS1/2SZ EFS1/4Z
5* 500 HFES1/4SZ EFSE1/4Z 5250 HFES1/2SZ EFSE1/2Z
5* 500 HFES1/2SZ EFSE1/2Z 7950 HFES1SZ EFSE1Z
*Sizes 5 and 5 use external equalized valves.
Dimensional Diagram
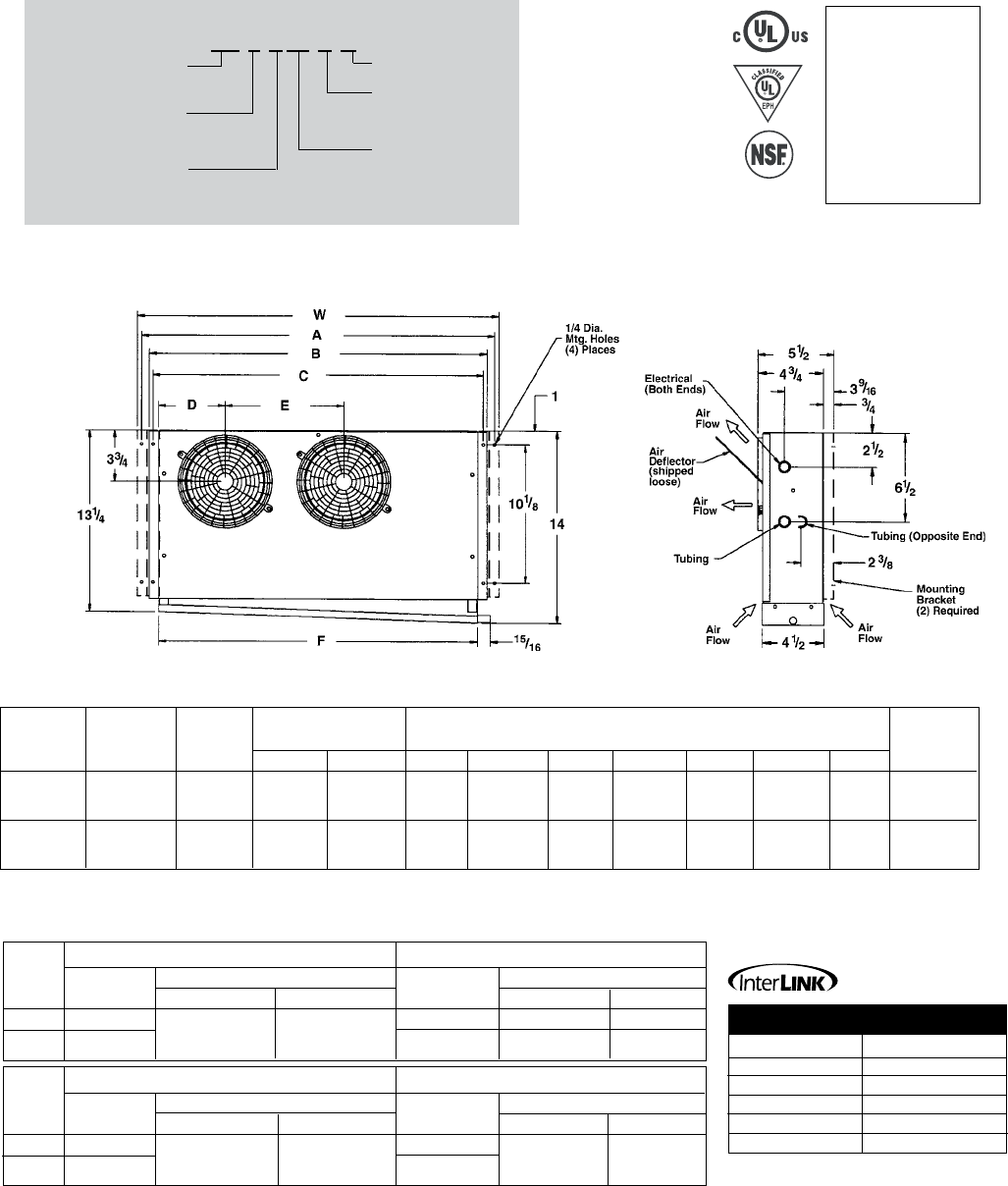
Thin Profile Electric Defrost Unit Cooler
Mounting
This unit cooler is designed for mounting from the top of the cooler. Drill holes for screws in accordance with mounting dimensions
given in Dimensional Diagram and Data.
After unpacking the unit, remove the fan panel and arrange the rear brackets as shown in the drawing. Insert the screws for
mounting the rear brackets into the top of the cooler cabinet. Slip the rear brackets, attached to the unit, between the screw head
and cabinet and secure in place. Install the front mounting screws. For proper drainage, the unit should be installed level.
Thin Profile Vintage
Electric Defrost
Size A = 115-1-60
B = 208/20-1-60
NOMENCLATURE
TL 12 A G
Dimensional Data
Connections (In.)
Approx.
Dimensions (In.) Coil
Ship Wt.
Size A B C D E F H J K L M N W Inlet Suction Drain (Lbs.)
09 145/8 14 15/16 11/2 101/2 11/8 41/2
87/8 21/2 15/16 4/8 - 161/2
/8 OD /8 ID 1/2 OD 14
12 185/8 14 15/16 11/2 101/8 101/4 41/2 8/8 91/2 15/16 4/8 - 201/2
/8 OD 1/2 ID 1/2 OD 19
16 221/8 15 15/16 141/2 111/8 12 41/2 9/8 111/4 15/16 4/8 - 24 /8 OD 1/2 ID 1/2 OD 2
21 221/8 161/2 15/16 161/2 141/2 187/8 6/4 117/8 171/4 15/16 4/8 - 24 /8 OD 1/2 ID 1/2 OD 24
28 29/4 15 15/16 141/2 1 20/4 6/4 9/4 97/8 15/16 4/8 - 15/8
/8 OD 1/2 ID 1/2 OD 27
5 5/4 161/2 15/16 161/2 141/2 1/4 6/4 115/8 18/8 15/16 6” 51/8 8/8
1/2 OD 5/8 ID 1/2 OD 8
5 461/2 161/2 11/8 161/2 141/2 44 6/4
115/8 0/8 11/2 6” 51/8 491/8
1/2 OD 7/8 ID 1/2 OD 5
FOR FOOD
SERVICE
INSTALLATIONS
. . . seal any joint
between unit cooler and
cooler liner with a sealant
listed by the National
Sanitation Foundation,
Standard 51

5
Motor Heater
Model No. of Amps. Amps.
Size Motors A* B* A* B*
09 1 0.8 0.4 4.1 2.07
12 2 1.6 0.8 5.22 2.61
16 2 1.6 0.8 6.09 .04
21 1 1.0 0.5 9.57 4.78
28 - 1.2 - 5.7
5 2 - 1.0 - 7.0
5 - 1.5 - 8.5
Part 115 Volt 208-230 Volt
Description 09 12 16 21 09 12 16 21 28 35 53
Motor 2500701 2500701 2500701 250201 2500801 2500801 2500801 25001 2500801 25001 25001
Fan Blade 5101B 5101B 5101B 2100201 5101B 5101B 5101B 2100201 5101B 2100201 2100201
Fan Guard 5054D 5054D 5054D H5028 5054D 5054D 5054D H5028 5054D H5028 H5028
Heater 459N 4540N 4541N 4545N 4542N 454N 4544N 4546N H50097 24700701 24700702
Heater Clip 554J 554J 554J 554J 554J 554J 554J 554J H5009 554J 554J
Defrost Control 5709L 5709L 5709L 5709L 5709L 5709L 5709L 5709L 5709L 5709L 5709L
Mount 91179001 91179001 91179001 2101401 91179001 91179001 91179001 2101401 91179001 2101401 2101401
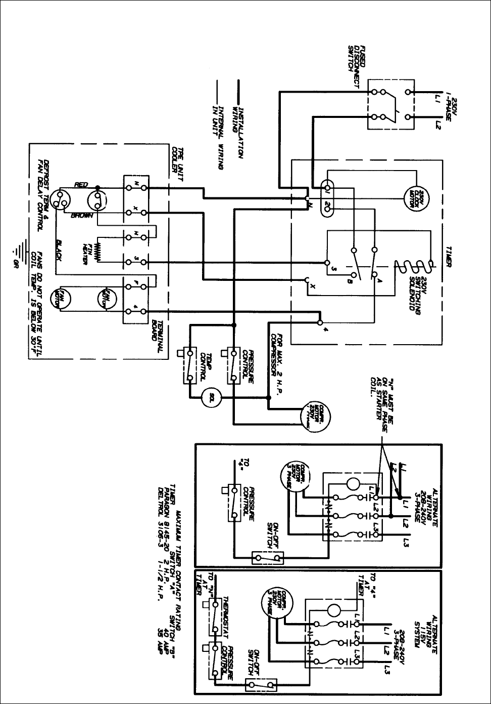
Step “A” - Normal Refrigeration Cycle
1. Power is supplied to N and 4 terminals by the timer.
2. The fan delay and defrost termination thermostat is closed in the
fan delay position and open in the defrost termination position.
3. The defrost heater is o.
4. The compressor operates in accordance with the demands of the
refrigeration system temperature and/or pressure controls.
5. The unit cooler fan operates continually.
6. Frost builds up slowly on the evaporator.
Step “B” - Defrost Cycle
1. Defrosting of the evaporator is started automatically by the timer
at predetermined times - typical settings of the timer would be 1 to
3 defrost periods per 24 hours.
2. The timer mechanically opens switch “A” which breaks the circuit to
the compressor and evaporator fan motors, thereby shutting them
o, and closes switch “B,” thereby permitting current to ow to
the heater.
3. The heater recessed in slots, gives up heat directly to the ns of the
evaporator. This heat raises coil and refrigerant temperature
to 32ºF causing the frost to melt.
4. Frost on the evaporator is melted and defrost water drips into the
heated drain pan and ows down the drain.
5. When frost has completely melted from the coil, the coil starts to
warm up beyond 32ºF.
Step “C” - Coil Re-Cooling Cycle
1. When the coil warms up to 55ºF, the defrost termination thermostat
closes which allows the current to ow to the solenoid in the timer,
which then energizes and trips the timer switch back to its normal
position (switch “A” closed, switch “B” open). The fan delay portion
of this thermostat is now open.
2. The compressor now starts.
3. Then fan motors remain o because the fan delay thermostat is
open. This prevents warm air from being blown into the
refrigerated space.
4. The evaporator coil cools down approaching operating
temperature. Superheated gas only passes to the compressor.
Step “D” - Return to Normal
Refrigeration Operation
1. When the coil temperature reaches 35ºF, the fan control switch
closes. This allows current to ow to the fan motor and the unit is
now back in operation as in Step “A.”
IMPORTANT
1. On initial “pull down” of a warm box, the fan will not start until coil
temperature reaches approximately 35ºF. If box is still
comparatively warm (60ºF) when the fan starts, then blowing this
warm air over the coil may cause it to warm up to 55ºF and thus
stop the fan. Therefore, fan may recycle several times on initial
“pull down.”
2. The timer has an adjustable fail-safe feature which will return the
system to the refrigeration cycle at the end of a predetermined
time (factory set at 24 minutes) if automatic control devices fail.
3. Frequent defrost periods are not necessary! The determining factor
for number of defrosts per day is the frost load. When frost “build-
up” results in a loss of refrigeration capacity, then a defrost is
required. One to three defrosts per day are recommended.
4. A low temperature thermostatic expansion valve with pressure
limiting feature is desirable for use with these units. Such a valve
prevents feeding of refrigerant to the coil during the defrost cycle.
Sequence of Operation
Typical Wiring Diagram for Thin Profile
Electric Defrost Unit Cooler
1. Use copper conductors only.
2. Unit must be grounded.
3. Timer-Paragon Model 8145-20 may be factory supplied,
eld installed, or eld supplied and installed.
4. Fan delay and defrost termination - Red to N, Brown to X,
Black to F. Fans will not operate until thermostat resets.
5. Heater limit: Red to N, White to H omitted on model 28;
heater is connected directly to N.
6. *Indicates electrical code: A=115/60/1, B=208-230/60/1.
Commercial Refrigeration Parts
Replacement Parts

6
Typical System Wiring Diagram
with Thin Profile Electric Defrost Unit Cooler

7
FOR FOOD
SERVICE
INSTALLATIONS
. . . seal any joint
between unit cooler and
cooler liner with a sealant
listed by the National
Sanitation Foundation,
Standard 51
NOMENCLATURE
LT A 053 A A
Vintage
A = Air Defrost A = 115-1-60
L = Electric Defrost B = 208/20-1-60
Size
Extended Thin Profile Unit Cooler
Dimensional Diagram
Extended
Thin Profile
Unit Cooler
Connections- Electric Defrost
Nozzle Selection- Electric Defrost
Air Electric Number Dimensions (Inches / mm)
Defrost Defrost of A B C D
LTA LTL Fans Inches mm Inches mm Inches mm Inches mm
05 046 2 49 /8 1254 40 7/8 108 --- --- --- ---
079 068 69 1/8 1756 60 5/8 1540 --- --- --- ---
102 09 4 88 7/8 2257 80 /8 2042 40 7/8 108 --- ---
14 115 5 108 5/8 2759 100 1/8 254 40 7/8 108 --- ---
172 1 6 128 /8 261 119 7/8 045 40 7/8 108 9 1/2 100
Number Connections (Inches) Net
Model of Coil External Weight
Size Fans Inlet Suction Equalizer Drain (Lbs.)
LTA 05 2 1/2 OD 5/8 ID 1/4 /4 MPT 48
LTA 079 1/2 OD 5/8 ID 1/4 /4 MPT 69
LTA 102 4 1/2 OD 7/8 ID 1/4 /4 MPT 85
LTA 14 5 1/2 OD 7/8 ID 1/4 /4 MPT 108
LTA 172 6 1/2 OD 1 1/8 ID 1/4 /4 MPT 124
Number Connections (Inches) Net
Model of Coil External Weight
Size Fans Inlet Suction Equalizer Drain (Lbs.)
LTL 046 2 1/2 OD 5/8 ID 1/4 /4 MPT 48
LTL 068 1/2 OD 5/8 ID 1/4 /4 MPT 69
LTL 09 4 1/2 OD 7/8 ID 1/4 /4 MPT 85
LTL 115 5 1/2 OD 7/8 ID 1/4 /4 MPT 108
LTL 1 6 1/2 OD 1 1/8 ID 1/4 /4 MPT 124
Number Air Distributor Tube Number
of Defrost OD Length of
Fans LTA (Inches) (Inches) Circuits R404A R22
2 05 /16 21 1/2 2 L-1/2 L-1/
079 /16 21 1/2 2 L-1/2 L-1/
4 102 /16 21 1/2 4 L-/4 L-1/2
5 14 /16 21 1/2 4 L-1 L-/4
6 172 /16 21 1/2 5 L-1 1/2 L-1
Number Electric Distributor Tube Number Low Temp. Medium Temp.
of Defrost OD Length of -30ºF to 0ºF SST +10ºF to +25ºF SST
Fans LTL (Inches) (Inches) Circuits R404A R22 R404A R22
2 046 /16 21 1/2 L-/4 L-1/2 L-1/2 L-1/
068 /16 21 1/2 L-/4 L-1/2 L-/4 L-1/2
4 09 /16 21 1/2 5 L-1 L-/4 L-1 L-/4
5 115 /16 21 1/2 5 L-1 1/2 L-1 L-1 L-/4
6 1 /16 21 1/2 5 L-1 1/2 L-1 L-1 1/2 L-1
Dimensional Data
Connections- Air Defrost
Nozzle Selection- Air Defrost

8
Extended Thin Profile Unit Cooler (continued)
Motor / Fan Blade / Fan Guard
Defrost Heater
Cabinet Components
Electrical Components
Drain Fitting
Mounting
This unit cooler is designed for mounting from the top of the
cooler. Drill holes for screws in accordance with mounting
dimensions given in Dimensional Diagram and Data.
After unpacking the unit, arrange the unit 7 1/2” from wall.
Insert the screws for mounting the rear brackets into the top of
the cooler cabinet. Slip the rear brackets, attached to the unit,
between the screw head and cabinet and secure in place. Install
the front mounting screws. For proper drainage, the unit should
be installed level.
Coils
Coils Coils
Wiring Diagram
Part # Description Voltage No. Fans
24723002 Defrost Heater 1100W 230V 208-230/1/60 2
24723003 Defrost Heater 1650W 230V 208-230/1/60 3
24723004 Defrost Heater 2200W 230V 208-230/1/60 4
24723005 Defrost Heater 2750W 230V 208-230/1/60 5
24723006 Defrost Heater 3300W 230V 208-230/1/60 6
23305501 Heater Clip N/A 3-7
Part # Description
25315501 Motor 115/1/60 Shaded Pole
25315601 Motor 208-230/1/60 Shaded Pole
22919001 Fan Blade 10”
23105001 Fan Guard - Wire
23105101 Motor Mount
Part # Description No. Fans
40970201 Drain Pan 2
40970301 Drain Pan 3
40970401 Drain Pan 4
40970501 Drain Pan 5
40970601 Drain Pan 6
46834201 Fan Panel - 2 Fan 2, 4, 5
46834301 Fan Panel - 3 Fan 3, 5, 6
46844201 Beacon Fan Panel - 2 Fan 2, 4, 5
46844301 Beacon Fan Panel - 3 Fan 3, 6
40931201 Panel - Side Right (Piping End) N/A
40931301 Panel - Front Access Right (Piping End) N/A
40930901 Panel - Side Left (Electrical End) N/A
40931001 Panel - Front Access Left (Electrical End) N/A
40931401 Panel - Back Right (Piping End) N/A
40931101 Panel - Back Left (Electrical End) N/A
40931601 Panel - Beacon Access N/A
Part # Description
4145W Terminal Strip - Electric Defrost Models
5709L Defrost Termination Thermostat - sealed bimetal type
5709L Fan Delay Thermostat - sealed bimetal type
2891040 Room Thermostat
5708L Heater Limit Thermostat - sealed bimetal type
Part # Description
26925101 Drain Fitting Assembly
Commercial Refrigeration Parts
Replacement Parts

9
V Profile Unit Cooler
Dimensional Diagram
Mounting
The V prole unit cooler is designed for mounting from the top or the
back wall of the cooler. Drill holes for screws in accordance with mount-
ing dimensions given in Dimensional Data.
After unpacking the unit, secure top of unit to ceiling or back wall and
arrange the rear brackets as shown in the drawing. Mount the rear
brackets to wall, if applicable, to the installation.
For proper drainage, the unit should be installed level.
V Profile Models
Description 06, 08, 12 17
115V Motor 2500701 250201
208/20V Motor 2500801 25001
Fan Blade 5101B 2100201
Fan Guard 5054D H5028
Motor Mount 91179001 2101401
Expansion Valve Recommendations
V 25°F. Evaporating Temp. 20°F. Evaporating Temp.
Profile BTUH @ R-22 BTUH @ R-22
Model 10°F. TD Alco Sporlan 15°F. TD Alco Sporlan
06 600 900
08 800 HFS 1/4 HC EFV 1/5 C 1200 HFS 1/4 HC EFV 1/5 C
12 1200 1800
17 1700 2550
Dimensional Data
V Connections (In.) Approx.
Profile Dimensions (In.) Coil Ship Wt.
Model A B C D E F H J K W Inlet Suction Drain (Lbs.)
06 4 5/16 1 1/4 4 5/16 - - /8 6 7/8 5 1/4 8 1/8 12 1/2 /8 OD /8 ID 1/2 OD 9
08 4 5/16 1 1/4 4 5/16 - - /8 6 7/8 5 1/4 8 1/8 12 1/4 /8 OD /8 ID 1/2 OD 9
12 4 1/2 18 /4 5 5/16 - - /8 8 4 7/8 8 1/8 18 /8 OD /8 ID 1/2 OD 14
17 5 1/4 14 /4 5 1/4 9 2 1/2 4 9 /4 6 1/16 10 1/2 14 /8 OD /8 ID 1/2 OD 11
NOMENCLATURE
VA (K) 08 A G
V Profile Vintage
Unit Cooler
A = 115-1-60
K = Coated Coil B = 208/20-1-60
(Optional)
Size
FOR FOOD
SERVICE
INSTALLATIONS
. . . seal any joint
between unit cooler and
cooler liner with a sealant
listed by the National
Sanitation Foundation,
Standard 51
Commercial Refrigeration Parts
Replacement Parts

10
Dimensional Data
Connections (In.) Approx.
Model Dimensions (In.) Coil Ship Wt.
No. A B C D W Inlet Suction Drain (Lbs.)
1 12 5/8 12 /8 11 7/16 1 /8 14 1/4 /8 OD /8 ID 1/2 OD 16
17 15 5/8 12 /8 14 7/16 1 /8 17 1/4 /8 OD 1/2 ID 1/2 OD 17
2 21 5/8 12 /8 21 1/16 7/8 22 /4 /8 OD 1/2 ID 1/2 OD 22
0 26 1/8 12 /8 25 1/16 1 27 /4 /8 OD 1/2 ID 1/2 OD 27
4 6 5/16 - - - 8 1/2 OD 1/2 ID 1/2 OD 40
High Profile Unit Cooler
Dimensional Diagram
Mounting
Using dimensions given in Dimensional Diagram and Data, install
mounting screws for rear hangers and slide hanger slots onto
screws before tightening. Open cabinet and install screws through
top, front mounting holes to ceiling of box.
Expansion Valve Recommendations
25°F Sat. Suction Temp. 20°F Sat. Suction Temp.
Model BTUH @ R-22 BTUH @ R-22
Size 10°F TD Alco Sporlan 15°F TD Alco Sporlan
1 100 1950 EFV-1/5C
17 1700 HFS-1/4HC EFV-1/5C 2550 HFS-1/4HC
2 200 450 EFV-1/C
0 000 4500 HFS-1/2HC
4* 400 HFES-1/2HC EFVE-1/2C 6450 HFES-1HC EFVE-1C
* Size 4 uses external equalized valve.
Description All Sizes Part Number
115V Motor 250201
208/20V Motor 25001
Fan Blade 2100201
Fan Guard H5028
Motor Mount 2101401
FOR FOOD
SERVICE
INSTALLATIONS
. . . seal any joint
between unit cooler and
cooler liner with a sealant
listed by the National
Sanitation Foundation,
Standard 51
High Profile Vintage
Unit Cooler
K = Coated Coil A = 115-1-60
(Optional) B = 208/20-1-60
Size
NOMENCLATURE
C (K) 43 B G
Commercial Refrigeration Parts
Replacement Parts

11
Standard or Connections (In.) Approx.
Reverse Flow Dimensions (In.) Coil Shipping
Models H L M W Inlet Suction Drain Wt. (Lbs.)
1 17 /4 16 7/8 12 1/4 15 5/8 /8 OD /8 OD 5/8 OD 19
17 19 /4 16 7/8 14 1/4 15 5/8 /8 OD /8 OD 5/8 OD 20
2 19 /4 2 1/4 14 1/4 22 /8 OD 1/2 OD 5/8 OD 28
Mounting
The standard ow mullion unit draws air in at the top and
discharges out the bottom. The reverse ow mullion draws air
in at the bottom and discharges out the top. The unit may be
mounted in a mullion or against a back or side wall.
When mounting to the mullion of under counter refrigerators,
mounting holes are located on both ends of the unit for attaching
to “customer furnished” mounting brackets.
When wall mounted, four “L” type brackets and eight stainless
steel sheet metal screws are provided to attach the brackets to
side panels.
IMPORTANT: A minimum of 2 inches must be provided
between the top of the unit and the top of the cabinet.
Standard & Reverse Air Flow Wall Mullion Unit Cooler
Dimensional Data
25°F Sat. Suction Temp. 20°F Sat. Suction Temp.
Model BTUH @ R-22 BTUH @ R-22
Size 10°F TD Alco Sporlan 15°F TD Alco Sporlan
1 100 1950
17 1700 HFS-1/4HC EFV-1/5C 2550 HFS-1/4HC
2 200 450
Expansion Valve Recommendations
Part Standard Reverse
Description Down Flow Up Flow
115V Motor 2500701 2500701
208/20V Motor 2500801 2500801
Fan Blade 5102C 5117C
Fan Guard (1-17) 5076E 5076E
Fan Guard (2) 5077E 5077E
Motor Mount 91179001 91179001
Drain Pan (1-17) 74422002 74422002
Drain Pan (2) 7446002 7446002
FOR FOOD
SERVICE
INSTALLATIONS
. . . seal any joint
between unit cooler and
cooler liner with a sealant
listed by the National
Sanitation Foundation,
Standard 51
A top barrier is supplied and must be used if combustible material
is above the unit. On reverse ow models the barrier may be used
to direct the air straight out or up at a 45° angle. Holes and slots
are provided to adjust the barrier. If noncombustible material is
used above the unit, the barrier may be discarded if desired.
Knockouts are provided for bringing the refrigerant piping through
either end of the cabinet. An electrical knockout is provided into
an internal junction box.
Dimensional Diagram
NOMENCLATURE
XXX K 13 A G
KM = Standard Vintage
Air Flow
RAM=
Reverse
Air Flow A = 115-1-60
K =
Coated Coil
B = 208/20-1-60
Size
EFV-1/C
EFV-1/5C
Replacement Parts
Commercial Refrigeration Parts

12
Wall Mount Back Bar Unit Cooler
Dimensional Diagram
Mounting
The Wall Mount Back Bar Unit Cooler is a low height unit designed for undercounter applications. Air is drawn in at the bottom
of the unit and discharged out the front. Two mounting angles are included with the unit and should be installed to space the
unit 3/4” o the wall. Air deector(s) are included and can be mounted over the top half of the fan guard to direct the air up.
The deector may be left o if total horizontal air movement is desired. If used, the deector can be eld formed to direct the
air where needed. Locating holes and screws are provided.
Dimensional Data
Approx.
Model BTUH Motor Data Dimensions (In.) Ship Wt.
BB 10°F TD CFM Qty. HP W A B C D E F
(Lbs.)
L10 1,000 90 1 1/150 19/4 191/8 18 171/2 71/16 - 165/8 17
M11 1,100 90 1 1/150 19/4 191/8 18 171/2 71/16 - 165/8 16
L15 1,500 180 2 1/150 261/4 255/8 241/2 24 41/16 85/8 21/8 20
M16 1,600 180 2 1/150 261/4 255/8 241/2 24 41/16 85/8 21/8 19
Low -10°F Sat. Suction Temp. -15°F Sat. Suction Temp.
Temp BTUH @ R-404A BTUH @ R-404A
Model 10°F TD Alco Sporlan 15°F TD Alco Sporlan
BBL10 1000 HFS-1/8SZ EFS-1/8Z 1500 HFS-1/8SZ EFS-1/8Z
BBL15 1500 2250 HFS-1/4SZ EFS-1/6Z
Med 25°F Sat. Suction Temp. 20°F Sat. Suction Temp.
Temp BTUH @ R-22 BTUH @ R-22
Model 10°F TD Alco Sporlan 15°F TD Alco Sporlan
BBM11 1100 HFS-1/4HC EFV-1/5C 1870 HFS-1/4HC EFV-1/5C
BBM16 1600 2720
Expansion Valve Recommendations
Description All Sizes Part No.
115V Motor 2500701
208/20V Motor 2500801
Fan Blade 5101B
Fan Guard 5054D
Motor Mount 91179001
NOMENCLATURE
BB L S 10 A G
A = 115-1-60
B = 208/20-1-60
Revision
Back Bar Unit Cooler
L = Low Temp Unit
M = Med. Temp Unit
Size
Blank = Std. Unit
S = Slave Unit
M = Master Unit
FOR FOOD
SERVICE
INSTALLATIONS
. . . seal any joint
between unit cooler and
cooler liner with a sealant
listed by the National
Sanitation Foundation,
Standard 51
NOTE: All units have /8 O.D. suction, 1/2 O.D. sweat inlet connection and 1/2 O.D. drain.
Commercial Refrigeration Parts
Replacement Parts

1
Air Defrost Wiring, Model BBM
Electric Defrost Wiring, Model BBL

14
Dual Aire Unit Cooler
Recognized Component
Underwriter’s Lab., Inc.
FOR FOOD
SERVICE
INSTALLATIONS
. . . seal any joint
between unit cooler
and cooler liner
with a sealant
listed by the
National Sanitation
Foundation,
Standard 51
Mounting
1. Drill holes in ceiling or backwall and insert #10 screws to
within 1/16” of surface.
2. Attach expansion valve drip pan to drain pan of unit.
3. Check all screws for tightness.
4. Hang unit using keyhole slots, adjusting mounting screws
as necessary. Tighten screws from inside of cabinet. Remove
drain pan to reach screws.
WARNING:
All power must be disconnected before cleaning drain pan. It also serves as cover of hazardous moving parts, and operation
of unit without pan in place constitutes a hazard.
Dimensional Diagram
Expansion Valve Recommendations
NOMENCLATURE
U K 009 0 B
U - Dual Aire
K -
Coated Coil
Size
Design
Revision
0 = 115/60/1
1 = 208-20/60/1
A = 110/50/1
C = 220/50/1
Replacement Part for Size:
Description 009 012 015
Drain Pan 66974002 66958002 66980002
Valve Drip Pan 66982001 66982001 66982001
Fan Panel 66970001 66956001 66976001
Motor (115/1) 5025S 5025S 5026S
(208-20/1) 5026T 5026T 5026T
Top Panel 6697001 66957001 66979001
Fan (115/1) 5124A 5126A 5127A
(208-20/1) 92726001 92726002 5127A
Motor Mount 91746001 91746001 91746001
*Optionally available are molded harness for motor
connection in the following lengths:
0” (418K001)
48” (418K002)
Models H W D A B C Inlet Suction Drain (Lbs.)
009 8 1/2 11 1/2 8 7/8 6 4 1/2
1/2 FN /8 ID 1/2 OD 8
012 8 1/2 17 1/2 8 7/8 12 4 9 1/2
1/2 FN /8 ID 1/2 OD 10
015 9 1/2 17 1/2 10 7/8 12 4 9 1/2
1/2 FN /8 ID 1/2 OD 12
Approx.
Dual Aire Dimensions (In.) Coil Ship Wt.
Dimensional Data
Connections (In.)
Commercial Refrigeration Parts
Replacement Parts
Model
Size
25°F Sat. Suction Temp. 20°F Sat. Suction Temp.
BTUH @
10°F TD
R-22 BTUH @
15°F TD
R-22
Alco Sporlan Alco Sporlan
009 850
HFS-1/4HC EFV-1/5C
1,275
HFS-1/4HC EFV-1/5C
012 1,150 1,725
015 1,500 2,250

15
Twin
Approx.
Flow Dimensions (In.) Fan Ship Wt.
Model A B C D E F G H J K L M Qty. Dia. (Lbs.)
09 161/8 191/8 79/16 4 25/16 99/16 2/4 47/8 41/2 85/8 21/2 25/8 1 51/2” 12
1 161/8 191/8 79/16 4 25/16 99/16 2/4 47/8 41/2 85/8 21/2 25/8 2 51/2” 14
18 161/8 191/8 79/16 4 25/16 99/16 2/4 5/4 41/2 85/8 21/2 25/8 1 8” 15
25 181/8 261/8 111/16 4 25/16 11/16 2/4 6/4 51/2 121/8 1/2 25/8 2 8” 2
5 181/8 261/8 111/16 4 25/16 11/16 2/4 6/4 51/2 121/8 1/2 25/8 2 8” 24
45 211/8 291/8 8/16 7/4 7/16 195/8 1/2 91/4 8 15/8 515/16 41/4 2 8” 4
55 211/8 291/8 8/16 7/4 7/16 105/8 1/2 81/2 8 15/8 515/16 41/4 1 12” 4
Twin Flow Air Defrost Unit Cooler
Dimensional Diagram
NOMENCLATURE
BTO K 13 A G
Twin Coil Motor Fan Fan Motor
Models 115V 208/230V Blade Guard Mount
09 2500701 2500801 5101B 5054D 91179001
1 2500701 2500801 5101B 5054D 91179001
18 250201 25001 2100201 H5028 2101401
25 250201 25001 2100201 H5028 2101401
5 250201 25001 2100201 H5028 2101401
45 250201 25001 2100201 H5028 2101401
55 506S 506T 5110E 5055F 4000001
Expansion Valve Recommendations
25°F. Sat. Suction Temp. 20°F. Sat. Suction Temp.
Model BTUH @ R-22 BTUH @ R-22
Size 10°F. TD Alco Sporlan 15°F. TD Alco Sporlan
09 900 150
1 100 HF S1/4 HC EFV 1/5 C 1950 HFS-1/4 HC EFV-1/5 C
18 1800 2700
25* 2500 750
5* 500 5250
45* 4500 6750
55* 5500 8250
HFES-
1
/
4
HC
HFES-
1
/
2
HC
EFVE- 1/C
EFVE-
1
/
2
C
HFES-
1
/
2
HC
HFES-
1
HC
EHFE-
1
/
C
EFVE-
1
C
Mounting
The Twin Flow unit cooler is designed
for mounting from the top of the cooler.
Drill holes for bolts or screws according
to dimensions given in Dimensional
Diagram and Data. Double keyhole
slots are provided so screws may
be installed first and then the unit
positioned over the screw head and
slid left or right, then tighten screws
to secure the unit.
FOR FOOD
SERVICE
INSTALLATIONS
. . . seal any joint
between unit cooler and
cooler liner with a sealant
listed by the National
Sanitation Foundation,
Standard 51
NOTE: All units have 1/2 I.D. suction, 1/2 O.D. sweat inlet connection and 1/2 O.D. drain.
Vintage
A = 115-1-60
B = 208/20-1-60
Size
K = Coated coil
Twin Flow
Dimensional Data
*Sizes 25, 5, 45 & 55 use external equalized valves.
Commercial Refrigeration Parts
Replacement Parts

Since product improvement is a continuing eort,
we reserve the right to make changes in specications without notice.
InterLink is your one-source supplier for a complete line of dependable and certied
commercial refrigeration parts, accessories and electronic controls. Every product is built to
ensure the same high performance standards with which all HRP brands are built, delivered
at the best lead times in the industry and backed by a dedicated team to serve every
customer need.
For more information, call 800-686-7278 or visit www.interlinkparts.com.
NOTE: Always give complete model numbers and serial numbers when ordering parts.
®
CLIMATE
CONTROL
Commercial Refrigeration Parts
The name behind the brands you trust.
H-IM-77D | Version 001
Commercial Refrigeration Parts