Heatcraft Refrigeration Products Parallel Compressor Systems 25000102 Users Manual
PARALLEL COMPRESSOR SYSTEMS 25000102 H-IM-PCS
25000102 to the manual a78f37d9-3d8f-464e-8a72-9879f4c00b02
2015-02-09
: Heatcraft-Refrigeration-Products Heatcraft-Refrigeration-Products-Parallel-Compressor-Systems-25000102-Users-Manual-564711 heatcraft-refrigeration-products-parallel-compressor-systems-25000102-users-manual-564711 heatcraft-refrigeration-products pdf
Open the PDF directly: View PDF
.
Page Count: 36

Parallel
Compressor
Systems
Bulletin No. H-IM-PCS October 2004 Part Number 25000102
(Replaces H-IM-72B, October 2004)
Installation and Operation
Manual

2 Part # 25000102
Table of Contents
Introduction .............................................................................................................. 3
Inspection
Unit Designation
Model Denition
System Warranty ....................................................................................................... 4
Rigging
Location of Equipment - INDOOR
Clearances
Floor & Foundation Requirements
Vibration Mounts
Figure 1. Vibration Pad & Spring Isolator
Figure 2. Vibration Pad Locations
Location of Equipment - OUTDOOR ........................................................................ 5
Ground Mounting
Roof Mounting
Unit Vibration Isolation
Compressor Spring Vibration Isolators
Figure 3. Spring Mount
Unit Access ................................................................................................................ 6
Vertical Clearance
Lateral Clearance
Decorative Fences
Units in Pits
Multiple Units
Ventilation Requirements ........................................................................................ 7
Electrical
Refrigerant Piping
Suction P-Traps
Figure 4. P-Trap requirements
Figure 5. P-Trap construction
Figure 6. Double Suction Risers ............................................................................... 8
Figure 7. Inverted Trap
Refrigerant Line Insulation
Refrigerant Line Support
Figure 8. Pipe Support
Expansion Loops ....................................................................................................... 9
Figure 9. Osets
Table 1. Expansion Chart
Table 2. Pressure Loss of Liquid Refrigerants ....................................................... 10
Table 3. Equivalent Feet of Pipe
Table 4. Weight of Refrigerants in Copper Lines During Operation ................... 11
Table 5A. Recommended Line Sizes for R-404A and R-507 ................................ 12
Table 5B. Recommended Line Sizes for
R-404A and R-507 (continued) .............................................................. 13
Table 6A. Recommended Line Sizes for R-22 ........................................................ 14
Table 6B. Recommended Line Sizes for R-22 (continued) ................................... 15
Table 7. Recommended Remote Condenser Line Sizes ....................................... 16
Leak Checking, Evacuation, and Start-up ............................................................. 17
Refrigerant Distribution ........................................................................................ 18
O-Cycle
Electric Defrost
Priority I Hot Gas Defrost
Head Pressure Control System
Electronic Control System ...................................................................................... 19
System Balancing
System Superheat (NOTE: Superheat is not preset at factory)
Evaporator Superheat
Alternative Superheat Method
Compressors ...........................................................................................................20
Copeland Compressors
Table 8. 3D/4D/6D Solid State Modules
Table 9. Typical Voltage Ranges
Table 10. Unloader Factors
Table 11. Oil Safety Switch ..................................................................................... 21
Table 12. Oil Charges
Approved Copeland Lubricants
Carlyle Compressors
Approved Carlyle Lubricants
Oil Pressure
Table 13. O6D/E Oil Pressure History
Table 14. Oil Safety Switch ..................................................................................... 22
Table 15. Part Load Performance Multipliers
Table 16. Required Dierential Pressure
Three-Phase Voltage Monitor
Sight Glass & Moisture Indicator ........................................................................... 23
Figure 10. Sight Glass
Safety Relief Devices
Figure 11. Direct Type Relief Valves
Figure 12. 3-Way Relief Valve
Table 17. Henry Relief Valve Capacity Ratings .....................................................24
Table 18. Discharge Piping Table
Series P100 Pressure Control .................................................................................25
Figure 13. P100 Pressure Controls
Auto Reset Models
Manual Reset Models
Liquid Level Switch
S-9400 Level Switch Series
Table 19. Level Switch Table
Figure 14. S-9400
S-9400 Operation
Module Replacement .............................................................................................26
Figure 15. Module Replacement
Oil Control
Low Pressure Oil System
Figure 16. Low Pressure Oil System
Oil Separators
Table 20. AC&R Models........................................................................................... 27
Temprite Models
Temprite Valve Adjustment
Table 21. Temprite Models
Figure 17. Temprite Oil System
Oil Level Regulators
Table 22. AC&R Model Regulators ......................................................................... 28
Troubleshooting Oil System
Liquid Filter-Driers & Suction Filters
Table 23. Sporlan Valve Company
Table 24. Alco Controls
Suction Filter ........................................................................................................... 29
Compressor Motor Burnout Clean-up Procedure
Sporlan Valve Company
Superior Valve Company ........................................................................................30
Table 25. Type F Filter
Table 26. Type DF (for clean-up)
Alco Controls
Table 27. Type AF Filter
Table 28. Type AFD (for clean-up)
Head Pressure Control
Valve Functions
Liquid Drain Control Method ................................................................................. 31
Recommended Valve Settings
Table 29. Pressure Range, Set Point & Change per Turn
Field Adjustment
Hot Gas Bypass Regulator Adjustment
Sporlan Valve Company
Valve Setting and Adjustment
Alco Controls ........................................................................................................... 32
Valve Setting and Adjustment
Control Settings
Table 30. Control settings for R-404A/R-507
Table 31. Control settings for R-22
Low Pressure Switch Setting for RMCC
General Maintenance Schedule.............................................................................33
SERVICE DIAGNOSIS CHART .............................................................................34-35
Service Record ........................................................................................................ 36
System Reference Data
© 2007 Heatcraft Refrigeration Products LLC
Installation and Operations Manual

Parallel Compressor Systems Installation & Operations Manual, October 2004 3
Parallel Compressor Systems
Introduction
Parallel Compressor systems are central refrigeration units
employing 2 to 8 parallel piped compressors, a control panel,
and receiver mounted on one common base frame. The system
may be designed for either Indoor or Outdoor use. The Outdoor
design may include the condenser mounted and piped.
The selection and design of the system is based on the needs
of the individual customer. The most important point in
planning an installation of the Heatcraft parallel system is the
proper selection of the system components for the particular
application.
Component parts have been selected for their dependability
and availability to keep service problems to a minimum.
Simplicity of design has also made the Heatcraft parallel
system one of the easiest to service and install. The simplicity
and compactness of the Heatcraft design make the addition of
hot gas defrost and/or heat reclaim a simple and economical
feature.
In the following pages will be found explanations of system
components, wiring and piping diagrams, control settings, and
operational guides.
Inspection
Unit inspection should be assigned to a dependable individual.
Inspect the parallel system and any accessories shipped with
them for damages or shortages before and during unloading.
All items on bill of lading should be accounted for prior to
signing the shipping receipt. Note any shortages or damage on
carrier’s delivery receipt (Specify the extent and type of damage
found). Unit should be inspected carefully for concealed
damage. Notify the Heatcraft sales representative and the
carrier of the damage immediately. Request an immediate
joint inspection with the carrier (Do not repair the unit until
inspected by carrier’s representative). Care should be exercised
when uncrating units to prevent damage.
The system is shipped with a holding charge of dry nitrogen.
Check to see that pressure is still in the unit upon receipt.
Report lack of pressure immediately to the Heatcraft service
department.
NOTE: Accessory items such as drier cores,
mounting pads, modems, etc. may be
packaged in a separate carton. Be sure
that you receive all items.
Unit Designation
Units are identied by letter, brand, compressor type, quantity
of compressors, horsepower, condenser type, control voltage,
defrost type, refrigerant/range, unit voltage and application.
Unless otherwise requested by the customer all refrigeration
circuits are numbered from one to the highest and from left to
right while facing the electrical panel.
Model Denition:
1st digit - Brand (B, C, H, or L)
2nd digit - Compressor Type
H - Hermetic
R - Reciprocating
S - Screw
O - Open
Z - Scroll®
C - Compound
3rd digit - Unit Construction
R - Remote Condenser
U - Attached Condenser
H - Hybrid
M - Multi-compressor Platform
F - Frame Hybrid (Frame + Standard Unit)
4th digit - Compressor Quantity
2 - 2 Compressors
3 - 3 Compressors
4 - 4 Compressors
Etc.
5th, 6th, & 7th digit - Horsepower
030 - 30 HP
075 - 75 HP
100 - 100 HP
Etc.
8th digit - Condenser Type
A - Air
W - Water
E - Evaporative
9th digit - Control Voltage
A - 115/1/60
B - 208-230/1/60
C - 24/1/60
10th digit - Defrost Type
A - Air/O-Cycle
E - Electric
G - Hot Gas
M - Multiple
W - Water
11th digit - Temperature Range
L - Low
M - Medium
H - High
C - Combination
X - Ultra Low
12th digit - Refrigerant Type
2 - R-22
4 - R-134A
6 - R-404A, R-507
8 - Multiple
13th digit - Unit Voltage
C - 208-230/3/60
D - 460/3/60
E - 575/3/60
J - 208/3/60
K - 230/3/60
M - 380/3/60
14th digit - Application
1 - Indoor
2 - Outdoor

4 Part # 25000102
Installation and Operations Manual
Figure 2. Vibration Pad Locations
System Warranty
This equipment is designed to operate properly and produce
the rated capacity when installed in accordance with good
refrigeration practice.
The following conditions should be adhered to when installing
this unit to maintain the manufacturers warranty:
(a) System piping must be in accordance with good
refrigeration practices
(b) Inert gas must be charged into the piping during
brazing
(c) The power supply to the unit must meet the following
conditions:
• All voltages must be +/- 10% of the n a m e p l a t e
ratings
• Phase (voltage) imbalance cannot exceed 2%
(d) All control and safety switch circuits must be properly
connected according to the wiring diagram
(e) The factory installed wiring must not be changed without
written factory approval
Rigging
Warning: Careful considerations for lifting should be made
before the unit is lifted by any means. The only part of the unit
designed to carry any of the lifting load is the welded channel
base. The unit may be lifted at the base with a forklift or by
means of cables at the four corners of the base. If cables are
used, the lifting cables should be prevented from contacting
any of the unit piping or electrical components.
Location Of Equipment - Indoor
Clearances
The parallel systems should be located so they are level and
easily serviced. The minimum suggested clearance around
the units should be 24 inches at the rear and 42 inches in the
front of panel (or as required by National or Local Codes). For
parallel system units placed end to end, 24 inches between
units is suggested.
Floor & Foundation Requirements
The total weight of a single unit will vary between 1200 pounds
and 10,000 pounds. Allowances must be made for the parallel
rack and all other equipment installed in the same area as the
parallel units. The location and installation of all equipment
should be in accordance with all local and national code
requirements.
While each unit is constructed with a welded steel base frame
adequately designed to withstand vibration, the natural
pulsating action of the interconnected motor-compressors
may cause considerable noise and vibration if the unit is not
mounted on a rm level surface and isolated from the structure
of the building.
Vibration Mounts
In ordinary ground level or basement installations, all that is
necessary to assure a vibration-free installation is to place the
unit on the concrete oor with the wae-surfaced resilient pads
supplied. See Figure 2 for suggested pad locations. Mezzanine
and other installations require some special considerations.
The equivalent of 6 inch thick properly reinforced concrete
floor must be provided for mounting parallel units above
grade. It is recommended that the suggestions previously
given for rigid oor construction on above-grade installations
be closely adhered to. If this is not possible, special vibration
NOTE: Turn each leveling nut until the tip casting
rises 1/4” to 3/8” above the bottom
casting. MOUNT ADJUSTMENT SHOULD
NEVER EXCEED 3/4”.
Figure 1. Vibration Pad and Spring Isolator

Parallel Compressor Systems Installation & Operations Manual, October 2004 5
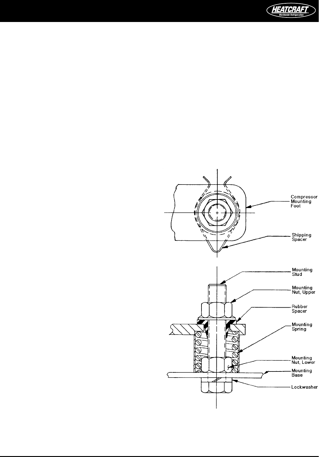
Compressor Spring Vibration Isolators
On units with this option, the compressors are secured rigidly
to make sure there is no transit damage. Before operating the
unit, it is necessary to follow these steps:
1. Remove the upper nuts and washers
2. Discard the shipping spacers
3. Install the neoprene spacers (Spacers located in the electrical
panel or tied to compressor)
4. Replace the upper mounting nuts and washers
5. Allow 1/16 inch space between the mounting nut/washer
and the neoprene spacer
Parallel Compressor Systems
Location of Equipment - Outdoor
The mounting platform or base should be level and located
so as to permit free access of supply air.
Units must not be located in the vicinity of steam, hot air
or fume exhausts.
The unit should be mounted away from noise sensitive
spaces such as oces.
The unit must have adequate support to avoid vibration and
noise transmission into the building. Sound and structural
consultants should be retained for recommendations.
Ground Mounting
The unit must be set on a at and level foundation. A single
piece concrete slab with footings extending below the frost
line and raised approximately six inches above ground level
provides a suitable base. Raising the base above ground level
provides some protection from ground water and wind blown
matter. The concrete slab should be isolated from the building
structure. Finally, before tightening mounting bolts, recheck
the level of the unit.
Roof Mounting
Rooftop installations require adequate structural beams to
support the weight of the unit and service personnel. The
design of the beams/supports must minimize deection and
attendant vibration transmission.
Due to the weights involved, a structural analysis by a qualied
engineer may be required before mounting. Also, for sound
sensitive applications, unit vibration isolators should be used.
Unit Vibration Isolation
Under certain critical conditions, it is recommended that
vibration isolators, of a suitable type, be installed under the
base. The isolators must be designed for the operating weight
of the unit. Rubber-in-shear or spring type isolators (by others)
are available for this purpose.
•
•
•
•
Figure 3. Spring Mount
absorbing spring mounts (optional equipment) must be placed
under the base frame of each unit. See Figure 1 for view of
Spring Isolator. The spring mounts are placed under the unit
and the unit carefully lowered on to the mounts. Note that no
other mounting hardware is required and any unevenness in
the oor or uneven weight distribution may be compensated
for by turning the spring mount leveling nuts with an open-
end wrench. This adjustment should be made after all piping
is installed and the system is charged with refrigerant.

6 Part # 25000102
Unit Access
Always provide sucient clearance for unit maintenance and
service. Minimum clearances for most situations are described
below (except 60 Inches of free space is required in front of the
control panel). Please note that these are minimums and more
clearance may be required by local codes.
Vertical Clearance
Overhead obstructions are not permitted. Vertical air discharge
from the condenser must have no obstructions that can cause
the discharge air to be recirculated back to the inlet side of
the unit.
Lateral Clearance (Walls or Obstructions)
The unit should be located so that air may circulate freely and
not be recirculated. For proper air ow and access, all sides of
the unit (except control panel end ) should be a minimum of
four feet (1.2 m) away from any wall or obstruction. It is preferred
that this distance be increased whenever possible. Care should
be taken to see that ample room is left for maintenance work
through access doors and panels. When the unit is in an area
where it is enclosed by three walls the unit must be installed
under the guidelines for unit installations in pits.
Decorative Fences
Fences may be installed closer than the four foot (1.2 m) lateral
minimum (except on the control panel end) requirement
whenever fences permit sucient free area to allow adequate
air ow to the unit. Once again, care should be taken to leave
ample room for unit service. Recommended service clearances
are listed above.
Units in Pits
The top of the unit should be level with the top of the pit. If the
top of the unit is not level with the top of the pit, a wider pit or
discharge stacks must be used to raise discharge air to the top
of the pit. This is a minimum requirement.
Multiple Units (Unit-to-Unit Clearance)
For units placed side by side, the minimum distance between
units is eight feet (2.4 m) to prevent air recirculation.
Installation and Operations Manual

Parallel Compressor Systems Installation & Operations Manual, October 2004 7
Ventilation Requirements
Indoor Units
If compressors or condensing units are located in a machine
room, adequate ventilation air must be provided to avoid
an excessive temperature rise in the room. To allow for peak
summer temperatures a 10°F temperature rise is recommended,
although a 15°F rise might be acceptable.
With compressors with remote condensers, approximately 10%
of the heat rejected is given o by the compressor casting and
the discharge tubing. The correct formula for calculating the
ventilation requirement of the Indoor Parallel unit is:
CFM = 10% of THR / hr
10° TD
The air intake should be positioned so that air passes over the
units. All State, Local, and National codes should be followed.
Electrical
To insure the proper operation of equipment and reduce the
possibility of interruption of refrigeration due to electrical
power failure, the following precautions must be observed:
• All electrical work must be done in accordance with the
National Electrical Code and existing local codes
• The power supply must be the same as specied on the unit
data plate
• An adequate power supply must be provided
• Voltage uctuations in excess of 10 percent must
be corrected
• Overload relays (Carrier compressors only) are selected
in accordance with specied limits as determined by the
motor-compressor manufacturer. They must not be changed
in size or shorted-out
• Control panels must be provided with a single phase, 60
Hertz supply. See the unit wiring diagram for the voltage
requirement
• Before starting up a parallel unit, insure that all fuses and
motor-protective devices are in place and that all wiring is
secure. A complete wiring diagram for troubleshooting the
unit will be found inside the control panel cover
Refrigerant Piping
The system as supplied by Heatcraft, was thoroughly cleaned
and dehydrated at the factory. Foreign matter may enter the
system by way of the eld piping required. Therefore, care must
be used during installation of the piping to prevent introduction
of foreign matter.
Install all refrigeration system components in accordance with
all applicable local and national codes and in conformance
with good practice required for the proper operation of the
system.
Proper size refrigeration lines are essential to good refrigeration
performance. Suction lines are more critical than liquid or
discharge lines. Oversized suction lines may prevent proper oil
return to the compressor. Undersized lines can rob refrigeration
capacity and increase operating cost. Consult the line sizing
charts in this manual for proper pipe sizes.
The following procedures should be followed:
1. Do not leave dehydrated compressors or lter-driers open
to the atmosphere
2. Use only refrigeration grade copper tubing, properly sealed
against contamination
3. Suction lines should slope 1/4” per 10 feet towards the
compressor
4. Discharge lines should slope 1/4” per 20 feet toward the
condenser
Suction P-Traps
• Provide P-Traps at the base of each suction riser of four (4)
feet or more to enhance oil return to the compressor. Use a
P-Trap for each 20 feet section of riser. See Figure 4 below:
*The P-Trap should be the same size as the horizontal line
See Figure 5 below
Parallel Compressor Systems
Figure 4. P-Trap Requirements
Figure 5. P-Trap Construction

8 Part # 25000102
In systems equipped with capacity control compressors,
or where multiple compressors are used with one or more
compressors cycled o for capacity control, double suction
risers should be installed. See Figure 6 below. The two
lines should be sized so that the total cross-section area
is equivalent to the cross section area of a single riser that
would have both satisfactory gas velocity and acceptable
pressure drop at maximum load conditions. The two lines
normally are dierent in size, with the larger line trapped as
shown. The smaller line must be sized to provide adequate
velocities and acceptable pressure drop when the entire
minimum load is carried in the smaller riser.
•
In operation, at maximum load conditions gas and
entrained oil will be flowing through both risers. At
minimum load conditions, the gas velocity will not be
high enough to carry oil up both risers. The entrained oil
will drop out of the refrigerant gas ow and accumulate
in the “P” trap forming a liquid seal. This will force all of the
ow up the smaller riser, there by raising the velocity and
assuring oil circulation through the system.
When connecting more than one suction line to a main
trunk line, connect each branch line with an inverted trap.
See Figure 7 below:
•
•Straight runs should be supported near each end.
Long runs require additional supports.
A general guide is:
3/8” to 7/8” every 5 feet
1-1/8” to 1-3/8” every 7 feet
1-5/8” to 2-1/8” every 10 feet
When changing directions, supports should be placed a
maximum of 2 feet in each direction.
Piping attached to a vibrating object (such as a compressor
or compressor base) must be supported in such a manner
that will not restrict the movement of the vibrating object.
Rigid mounting will fatigue the copper tubing.
Use only a suitable silver solder alloy on suction and liquid
lines.
Limit the soldering paste or ux to the minimum required
to prevent contamination of the solder joint internally. Flux
only the male portion of the connection, never the female.
After brazing, remove excess ux.
•
•
•
•
•
•
•
•
•
•
Installation and Operations Manual
When brazing refrigerant lines, an inert gas should
be passed through the line at low pressure to prevent
scaling and oxidation inside the tubing. Dry nitrogen is
preferred.
Use long radius ell’s for lower pressure drop.
Provide expansion loops in long straight refrigerant
lines that are subject to expansion and contraction. See
Expansion Loops in this manual for more information.
Refrigerant Line Insulation
Insulate suction lines from the evaporators to the parallel
unit with minimum 3/4” thickness closed-cell type
insulation on low temperature circuits. Insulate suction
lines on medium temperature circuits with minimum 1/2”
thick insulation to prevent condensation.
Long liquid lines run in areas exposed to high temperatures
should be fully insulated with minimum 1/2” insulation.
Suction and liquid lines should never be taped or
soldered together.
Refrigerant Line Support
Strap and support tubing to prevent excessive line
vibration and noise. All tubing clamps should have an
insulating material (i.e. Hydra Sorb bushing) to prevent
metal to metal contact.
•
•
•
•
•
•
•
Figure 6. Double Suction Risers
Figure 7. Inverted Trap
Figure 8. Pipe Support

Parallel Compressor Systems Installation & Operations Manual, October 2004 9
In order to compensate for the expansion of the tubing, it
is necessary to estimate the amount of expansion and then
provide osets or loops in the refrigerant piping. Normally the
area to be most concerned with is the straight line distance
from the xture to the parallel compressor unit.
A simple form of expansion loop can be made of soft tempered
copper tube by bending it to the correct size and shape. A
neater type is made by assembling hard tube with solder elbows
as in Figure 9. The correct proportions of such expansion loops
to meet various conditions are shown in Table 1.
In compensating for expansion and contraction, two items
are very important:
Liquid and suction lines can not be joined together and
should not touch at any point
Pipe hangers must be located and installed in such a
manner as not to restrict the expansion and contraction
of the tubing. All tubing clamps should have an insulating
material (i.e. Hydra Sorb bushing) to prevent metal to metal
contact
•
•
Expansion Loops
Suction, liquid and remote condenser lines are subject to
expansion and contraction and proper piping techniques
must be employed (especially on hot gas lines) to prevent line
breakage. This is critical on long straight runs of generally 70’ or
more where expansion loops must be provided and hangers
should allow for longitudinal movement of the piping.
On a refrigeration system with gas defrost, the refrigerant lines
expand and contract with temperature changes. The suction
line normally has the greatest movement since it has the
largest temperature change during defrost. If the expansion
and contraction is not planned for during the installation of
refrigeration lines, kinking and breaking of the lines could
occur.
Parallel Compressor Systems
Ref. Line
OD (in.)
Amount of Expansion (in.)
1/2 1 1-1/2 2 2-1/2 3 4 5 6
7/8 10 15 19 22 25 27 30 34 38
1-1/8 11 16 20 24 27 29 33 38 42
1-3/8 11 17 21 26 29 32 36 42 47
1-5/8 12 18 23 28 31 35 39 46 51
2-1/8 14 20 25 31 34 38 44 51 57
2-5/8 16 22 27 32 37 42 47 56 62
Figure 9. Osets
Table 1. Expansion Chart
Table of Values for “L”
NOTES: Calculations for expansion and contraction should be based on the average coecient of expansion of copper which is .0000094
per degree Fahrenheit between 77°F and 212°F. Example, the expansion for each 100 feet of length of any size of tube heated from room
temperature of 70°F to 170°F, a rise of 100°F, is:
100°F (rise °F) X 100 (linear feet) X 12 (inches) X.0000094 (coecient) = 1.128 inches
(Reprinted from Copper & Brass Research Association)

10 Part # 25000102
Installation and Operations Manual
Liquid Line Rise in Feet
Refrigerant 10’ 15’ 20’ 25’ 30’ 40’ 50’ 75’ 100’
PSIG °F PSIG °F PSIG °F PSIG °F PSIG °F PSIG °F PSIG °F PSIG °F PSIG °F
R-12 5.4 2.8 8.1 4.2 10.7 5.4 13.4 6.9 16.1 8.3 21.5 11.3 26.9 14.3 40.3 22.4 53.7 31.0
R-22 4.8 1.6 7.3 2.3 9.7 3.1 12.1 3.8 14.5 4.7 19.4 6.2 24.2 8.0 36.3 12.1 48.4 16.5
R-502 4.9 1.5 7.3 2.2 9.7 3.0 12.1 3.7 14.6 4.5 19.5 6.0 24.3 7.6 36.4 11.5 48.6 14.8
R-134A 4.9 2.0 7.4 2.9 9.8 4.1 12.3 5.2 14.7 6.3 19.7 8.8 24.6 11.0 36.8 17.0 49.1 23.7
R-404A/R-507 4.1 1.1 6.1 1.6 8.2 2.1 10.2 2.7 12.2 3.3 16.3 4.1 20.4 5.6 30.6 8.3 40.8 11.8
Table 2. Pressure Loss of Liquid Refrigerants
(In Liquid Line Risers - Expressed in Pressure Drop, PSIG, and Subcooling Loss, °F)
Based on 110°F liquid temperature at bottom of riser
Table 3. Equivalent Feet of Pipe
(Due to Value and Fitting Friction)
Copper Tube
OD, Type “L” 1/2 5/8 7/8 1-1/8 1-3/8 1-5/8 2-1/8 2-5/8 3-1/8 3-5/8 4-1/8 5-1/8 6-1/8
Globe Value (Open) 14 16 22 28 36 42 57 69 83 99 118 138 168
Angle Value (Open) 7 9 12 15 18 21 28 34 42 49 57 70 83
90° Turn Through Tee 3 4 5 6 8 9 12 14 17 20 22 28 34
Tee - Straight Through
or Sweep Below .75 1 1.5 2 2.5 3 3.5 4 5 6 7 9 11
90° Elbow or Reducing
Tee (Straight Through) 1 2 2 3 4 4 5 7 8 10 12 14 16

Parallel Compressor Systems Installation & Operations Manual, October 2004 11
Parallel Compressor Systems
Line Size
OD (in.) Refrigerant Liquid
Line
Hot Gas
Line
Suction Line at Suction Temperature
-40°F -20°F 0°F 20°F 40°F
3/8
12, 134A
22
R-507, 502, 404A
4.0
3.9
3.4
.15
.22
.31
.01
.02
.03
.01
.03
.04
.02
.04
.06
.04
.06
.09
.06
.08
.13
1/2
12, 134A
22
R-507, 502, 404A
7.4
7.4
6.4
.30
.41
.58
.01
.03
.04
.03
.05
.07
.04
.07
.13
.07
.11
.16
.11
.15
.24
5/8
12, 134A
22
R-507, 502, 404A
11.9
11.8
10.3
.47
.65
.93
.02
.05
.07
.05
.08
.11
.07
.12
.17
.12
.17
.25
.17
.25
.35
7/8
12, 134A
22
R-507, 502, 404A
24.7
24.4
21.2
.99
1.35
1.92
.05
.10
.15
.10
.16
.23
.15
.24
.37
.24
.36
.51
.36
.51
.72
1-1/8
12, 134A
22
R-507, 502, 404A
42.2
41.6
36.1
1.70
2.30
3.27
.08
.17
.26
.17
.28
.39
.26
.42
.63
.41
.61
.86
.60
.87
1.24
1-3/8
12, 134A
22
R-507, 502, 404A
64.2
63.5
55.0
2.57
3.50
4.98
.14
.27
.40
.26
.42
.58
.40
.64
.95
.61
.93
1.32
1.91
1.33
1.87
1-5/8
12, 134A
22
R-507, 502, 404A
90.9
90.0
78.0
3.65
4.96
7.07
.20
.37
.56
.37
.59
.82
.57
.90
1.35
.87
1.33
1.86
1.30
1.88
2.64
2-1/8
12, 134A
22
R-507, 502, 404A
158
156
134
6.34
8.61
12.25
.34
.65
.98
.64
1.03
1.43
.98
1.57
2.35
1.51
2.30
3.23
2.24
3.26
4.58
2-5/8
12, 134A
22
R-507, 502, 404A
244
241
209
9.78
13.70
18.92
.52
1.01
1.51
.99
1.59
2.21
1.51
2.42
3.62
2.32
3.54
5.00
3.47
5.03
7.07
3-1/8
12, 134A
22
R-507, 502, 404A
348
344
298
13.97
18.95
27.05
.75
1.44
2.16
1.41
2.28
3.15
2.16
3.45
5.17
3.31
5.05
7.14
4.96
7.18
9.95
3-5/8
12, 134A
22
R-507, 502, 404A
471
465
403
18.90
25.60
36.50
.99
1.94
2.92
1.91
3.08
4.25
2.92
4.67
6.97
4.48
6.83
19.65
6.69
9.74
13.67
4-1/8
12, 134A
22
R-507, 502, 404A
612
605
526
24.56
33.40
47.57
1.29
2.53
3.80
2.49
4.01
5.55
3.81
6.08
9.09
5.84
8.90
12.58
8.75
12.70
17.80
Table 4. Weight of Refrigerants in Copper Lines During Operation
(Pounds per 100 Lineal Feet of Type “L” Tubing)

12 Part # 25000102
Installation and Operations Manual
System
Capacity
BTU/H
Suction Line Size
Suction Temperature
20˚F
Equivalent Lengths
10˚F
Equivalent Lengths
-10˚F
Equivalent Lengths
-20˚F
Equivalent
25’ 50’ 75’ 100’ 150’ 200’ 25’ 50’ 75’ 100’ 150’ 200’ 25’ 50’ 75’ 100’ 150’ 200’ 25’ 50’ 75’
1,000 3/8 3/8 3/8 3/8 3/8 3/8 3/8 3/8 3/8 3/8 3/8 1/2 3/8 3/8 3/8 1/2 1/2 1/2 3/8 3/8 1/2
3,000 3/8 3/8 1/2 1/2 1/2 5/8 3/8 1/2 1/2 1/2 5/8 5/8 1/2 1/2 5/8 5/8 5/8 7/8 1/2 1/2 5/8
4,000 3/8 1/2 1/2 1/2 5/8 5/8 1/2 1/2 1/2 5/8 5/8 7/8 1/2 5/8 5/8 5/8 7/8 7/8 1/2 5/8 5/8
6,000 1/2 1/2 5/8 5/8 7/8 7/8 1/2 1/2 5/8 5/8 7/8 7/8 1/2 5/8 5/8 7/8 7/8 7/8 5/8 5/8 7/8
9,000 5/8 5/8 7/8 7/8 7/8 7/8 5/8 5/8 7/8 7/8 7/8 7/8 5/8 7/8 7/8 7/8 7/8 1-1/8 5/8 7/8 7/8
12,000 5/8 7/8 7/8 7/8 7/8 7/8 5/8 7/8 7/8 7/8 7/8 1-1/8 7/8 7/8 7/8 7/8 1-1/8 1-1/8 7/8 7/8 7/8
15,000 5/8 7/8 7/8 7/8 7/8 1-1/8 7/8 7/8 7/8 7/8 1-1/8 1-1/8 7/8 7/8 7/8 1-1/8 1-1/8 1-1/8 7/8 7/8 1-1/8
18,000 7/8 7/8 7/8 7/8 1-1/8 1-1/8 7/8 7/8 7/8 1-1/8 1-1/8 1-1/8 7/8 7/8 1-1/8 1-1/8 1-1/8 1-3/8 7/8 1-1/8 1-1/8
24,000 7/8 7/8 7/8 1-1/8 1-1/8 1-1/8 7/8 1-1/8 1-1/8 1-1/8 1-1/8 1-3/8 7/8 1-1/8 1-1/8 1-1/8 1-3/8 1-3/8 1-1/8 1-1/8 1-1/8
30,000 7/8 7/8 1-1/8 1-1/8 1-1/8 1-3/8 7/8 1-1/8 1-1/8 1-1/8 1-3/8 1-3/8 1-1/8 1-1/8 1-1/8 1-3/8 1-3/8 1-3/8 1-1/8 1-1/8 1-1/8
36,000 7/8 1-1/8 1-1/8 1-1/8 1-3/8 1-3/8 1-1/8 1-1/8 1-1/8 1-3/8 1-3/8 1-3/8 1-1/8 1-1/8 1-3/8 1-3/8 1-3/8 1-5/8 1-1/8 1-1/8 1-3/8
42,000 1-1/8 1-1/8 1-1/8 1-3/8 1-3/8 1-3/8 1-1/8 1-1/8 1-3/8 1-3/8 1-3/8 1-5/8 1-1/8 1-3/8 1-3/8 1-3/8 1-5/8 1-5/8 1-1/8 1-3/8 1-3/8
48,000 1-1/8 1-1/8 1-3/8 1-3/8 1-3/8 1-3/8 1-1/8 1-1/8 1-3/8 1-3/8 1-5/8 1-5/8 1-1/8 1-3/8 1-3/8 1-3/8 1-5/8 1-5/8 1-1/8 1-3/8 1-3/8
54,000 1-1/8 1-1/8 1-3/8 1-3/8 1-3/8 1-5/8 1-1/8 1-3/8 1-3/8 1-3/8 1-5/8 1-5/8 1-3/8 1-3/8 1-3/8 1-5/8 1-5/8 1-5/8 1-3/8 1-3/8 1-5/8
60,000 1-1/8 1-1/8 1-3/8 1-3/8 1-5/8 1-5/8 1-1/8 1-3/8 1-3/8 1-5/8 1-5/8 1-5/8 1-3/8 1-3/8 1-5/8 1-5/8 1-5/8 2-1/8 1-3/8 1-3/8 1-5/8
66,000 1-1/8 1-3/8 1-3/8 1-3/8 1-5/8 1-5/8 1-1/8 1-3/8 1-3/8 1-5/8 1-5/8 1-5/8 1-3/8 1-5/8 1-5/8 1-5/8 1-5/8 1-5/8 1-3/8 1-5/8 1-5/8
72,000 1-1/8 1-3/8 1-3/8 1-5/8 1-5/8 1-5/8 1-1/8 1-3/8 1-5/8 1-5/8 1-5/8 1-5/8 1-3/8 1-5/8 1-5/8 1-5/8 1-5/8 1-5/8 1-3/8 1-5/8 1-5/8
78,000 1-1/8 1-3/8 1-3/8 1-5/8 1-5/8 2-1/8 1-3/8 1-3/8 1-5/8 1-5/8 1-5/8 2-1/8 1-3/8 1-5/8 1-5/8 1-5/8 1-5/8 2-1/8 1-5/8 1-5/8 1-5/8
84,000 1-1/8 1-3/8 1-5/8 1-5/8 1-5/8 2-1/8 1-3/8 1-3/8 1-5/8 1-5/8 2-1/8 2-1/8 1-3/8 1-5/8 1-5/8 1-5/8 2-1/8 2-1/8 1-5/8 1-5/8 1-5/8
90,000 1-3/8 1-3/8 1-5/8 1-5/8 2-1/8 2-1/8 1-3/8 1-5/8 1-5/8 1-5/8 2-1/8 2-1/8 1-5/8 1-5/8 1-5/8 2-1/8 2-1/8 2-5/8 1-5/8 1-5/8 2-1/8
120,000 1-3/8 1-5/8 1-5/8 2-1/8 2-1/8 2-1/8 1-3/8 1-5/8 2-1/8 2-1/8 2-1/8 2-1/8 1-5/8 2-1/8 2-1/8 2-1/8 2-5/8 2-5/8 1-5/8 2-1/8 2-1/8
150,000 1-5/8 1-5/8 2-1/8 2-1/8 2-1/8 2-1/8 1-5/8 2-1/8 2-1/8 2-1/8 2-1/8 2-5/8 2-1/8 2-1/8 2-1/8 2-5/8 2-5/8 2-5/8 2-1/8 2-1/8 2-1/8
180,000 1-5/8 2-1/8 2-1/8 2-1/8 2-1/8 2-5/8 1-5/8 2-1/8 2-1/8 2-1/8 2-5/8 2-5/8 2-1/8 2-1/8 2-5/8 2-5/8 2-5/8 3-1/8 2-1/8 2-1/8 2-5/8
210,000 1-5/8 2-1/8 2-1/8 2-1/8 2-5/8 2-5/8 2-1/8 2-1/8 2-1/8 2-5/8 2-5/8 2-5/8 2-1/8 2-1/8 2-5/8 2-5/8 3-1/8 3-1/8 2-1/8 2-5/8 2-5/8
240,000 1-5/8 2-1/8 2-1/8 2-1/8 2-5/8 2-5/8 2-1/8 2-1/8 2-5/8 2-5/8 2-5/8 2-5/8 2-1/8 2-5/8 2-5/8 2-5/8 3-1/8 3-1/8 2-1/8 2-5/8 2-5/8
300,000 2-1/8 2-1/8 2-5/8 2-5/8 2-5/8 3-1/8 2-1/8 2-5/8 2-5/8 2-5/8 3-1/8 3-1/8 2-5/8 2-5/8 2-5/8 3-1/8 3-1/8 3-5/8 2-5/8 2-5/8 2-5/8
360,000 2-1/8 2-1/8 2-5/8 2-5/8 3-1/8 3-1/8 2-1/8 2-5/8 2-5/8 2-5/8 3-1/8 3-1/8 2-5/8 2-5/8 3-1/8 3-1/8 3-5/8 3-5/8 2-5/8 2-5/8 3-1/8
480,000 2-1/8 2-5/8 2-5/8 3-1/8 3-1/8 3-5/8 2-5/8 2-5/8 2-5/8 2-5/8 3-5/8 3-5/8 2-5/8 3-1/8 3-1/8 3-5/8 3-5/8 4-1/8 2-5/8 3-1/8 3-1/8
600,000 2-5/8 2-5/8 3-1/8 3-1/8 3-5/8 3-5/8 2-5/8 2-5/8 3-1/8 3-1/8 3-5/8 3-5/8 3-1/8 3-1/8 3-1/8 3-5/8 4-1/8 4-1/8 3-1/8 3-1/8 3-1/8
720,000 2-5/8 3-1/8 3-1/8 3-5/8 3-5/8 4-1/8 3-1/8 3-1/8 3-5/8 3-5/8 4-1/8 4-1/8 3-5/8 3-5/8 4-1/8 5-1/8 5-1/8 5-1/8 3-5/8 4-1/8 5-1/8
900,000 3-1/8 3-1/8 3-5/8 3-5/8 4-1/8 4-1/8 3-1/8 3-5/8 3-5/8 4-1/8 5-1/8 5-1/8 3-5/8 4-1/8 5-1/8 5-1/8 5-1/8 5-1/8 4-1/8 5-1/8 5-1/8
* NOTES:
1. Sizes that are highlighted indicate maximum suction line sizes that should be
used for risers. Riser size should not exceed horizontal size. Properly placed
suction traps must also be used for adequate oil return. All sizes shown are for
OD Type L copper tubing
2. Suction line sizes selected at pressure drop equivalent to 2˚F. Reduce estimate
of system capacity accordingly
3. Recommended liquid line size may increase with reverse cycle hot gas
systems
4. If system load drops below 40% of design, consideration to installing double
suction risers should be made
Table 5A. Recommended Line Sizes for R-404A/R-507*

Parallel Compressor Systems Installation & Operations Manual, October 2004 13
Parallel Compressor Systems
Suction Line Size Liquid Line Size
System
Capacity
BTU/H
Suction Temperature Receiver to
Expansion Valve
Equivalent Lengths
-20˚F
Lengths
-30˚F
Equivalent Lengths
-40˚F
Equivalent Lengths
100’ 150’ 200’ 25’ 50’ 75’ 100’ 150’ 200’ 25’ 50’ 75’ 100’ 150’ 200’ 25’ 50’ 75’ 100’ 150’ 200’
1/2 1/2 1/2 3/8 3/8 1/2 1/2 1/2 5/8 3/8 1/2 1/2 1/2 5/8 5/8 3/8 3/8 3/8 3/8 3/8 3/8 1,000
5/8 7/8 7/8 1/2 1/2 5/8 5/8 7/8 7/8 1/2 1/2 5/8 5/8 7/8 7/8 3/8 3/8 3/8 3/8 3/8 3/8 3,000
7/8 7/8 7/8 5/8 5/8 5/8 7/8 7/8 7/8 1/2 5/8 5/8 7/8 7/8 7/8 3/8 3/8 3/8 3/8 3/8 3/8 4,000
7/8 7/8 7/8 5/8 5/8 7/8 7/8 7/8 7/8 5/8 5/8 7/8 7/8 7/8 1-1/8 3/8 3/8 3/8 3/8 3/8 3/8 6,000
7/8 1-1/8 1-1/8 5/8 7/8 7/8 7/8 1-1/8 1-1/8 5/8 7/8 7/8 7/8 1-1/8 1-1/8 3/8 3/8 3/8 3/8 3/8 3/8 9,000
1-1/8 1-1/8 1-1/8 7/8 7/8 7/8 1-1/8 1-1/8 1-1/8 7/8 7/8 7/8 1-1/8 1-1/8 1-1/8 3/8 3/8 3/8 3/8 3/8 1/2 12,000
1-1/8 1-1/8 1-3/8 7/8 7/8 1-1/8 1-1/8 1-1/8 1-3/8 7/8 7/8 1-1/8 1-1/8 1-1/8 1-3/8 3/8 3/8 3/8 3/8 1/2 1/2 15,000
1-1/8 1-3/8 1-3/8 7/8 1-1/8 1-1/8 1-1/8 1-3/8 1-3/8 7/8 1-1/8 1-1/8 1-1/8 1-3/8 1-3/8 3/8 3/8 3/8 1/2 1/2 1/2 18,000
1-3/8 1-3/8 1-3/8 1-1/8 1-1/8 1-1/8 1-3/8 1-3/8 1-3/8 1-1/8 1-1/8 1-1/8 1-3/8 1-3/8 1-3/8 3/8 3/8 1/2 1/2 1/2 1/2 24,000
1-3/8 1-3/8 1-5/8 1-1/8 1-1/8 1-3/8 1-3/8 1-3/8 1-5/8 1-1/8 1-1/8 1-3/8 1-3/8 1-3/8 1-5/8 3/8 1/2 1/2 1/2 1/2 1/2 30,000
1-3/8 1-3/8 1-5/8 1-1/8 1-3/8 1-3/8 1-3/8 1-3/8 1-5/8 1-1/8 1-3/8 1-3/8 1-3/8 1-5/8 1-5/8 1/2 1/2 1/2 1/2 1/2 5/8 36,000
1-5/8 1-5/8 1-5/8 1-1/8 1-3/8 1-3/8 1-3/8 1-5/8 1-5/8 1-1/8 1-3/8 1-3/8 1-3/8 1-5/8 1-5/8 1/2 1/2 1/2 1/2 5/8 5/8 42,000
1-5/8 1-5/8 1-5/8 1-1/8 1-3/8 1-3/8 1-3/8 1-5/8 1-5/8 1-1/8 1-3/8 1-3/8 1-3/8 1-5/8 1-5/8 1/2 1/2 1/2 5/8 5/8 5/8 48,000
1-5/8 1-5/8 1-5/8 1-3/8 1-3/8 1-3/8 1-5/8 1-5/8 2-1/8 1-3/8 1-3/8 1-3/8 1-5/8 1-5/8 2-1/8 1/2 1/2 1/2 5/8 5/8 5/8 54,000
1-5/8 1-5/8 2-1/8 1-3/8 1-3/8 1-5/8 1-5/8 1-5/8 2-1/8 1-3/8 1-3/8 1-5/8 1-5/8 1-5/8 2-1/8 1/2 1/2 5/8 5/8 5/8 5/8 60,000
1-5/8 1-5/8 2-1/8 1-3/8 1-5/8 1-5/8 1-5/8 1-5/8 2-1/8 1-3/8 1-5/8 1-5/8 1-5/8 1-5/8 2-1/8 1/2 1/2 5/8 5/8 5/8 5/8 66,000
1-5/8 1-5/8 2-1/8 1-3/8 1-5/8 1-5/8 1-5/8 1-5/8 2-1/8 1-3/8 1-5/8 1-5/8 1-5/8 1-5/8 2-1/8 1/2 5/8 5/8 5/8 5/8 5/8 72,000
1-5/8 2-1/8 2-1/8 1-5/8 1-5/8 1-5/8 1-5/8 2-1/8 2-1/8 1-5/8 1-5/8 1-5/8 1-5/8 2-1/8 2-1/8 5/8 5/8 5/8 5/8 5/8 7/8 78,000
2-1/8 2-1/8 2-1/8 1-5/8 1-5/8 1-5/8 2-1/8 2-1/8 2-1/8 1-5/8 1-5/8 1-5/8 2-1/8 2-1/8 2-1/8 5/8 5/8 5/8 5/8 7/8 7/8 84,000
2-1/8 2-1/8 2-5/8 1-5/8 2-1/8 2-1/8 2-1/8 2-1/8 2-5/8 1-5/8 1-5/8 2-1/8 2-1/8 2-1/8 2-5/8 5/8 5/8 5/8 7/8 7/8 7/8 90,000
2-1/8 2-5/8 2-5/8 1-5/8 2-1/8 2-1/8 2-1/8 2-5/8 2-5/8 1-5/8 2-1/8 2-1/8 2-1/8 2-5/8 2-5/8 5/8 5/8 7/8 7/8 7/8 7/8 120,000
2-5/8 2-5/8 2-5/8 2-1/8 2-1/8 2-1/8 2-5/8 2-5/8 2-5/8 2-1/8 2-1/8 2-5/8 2-5/8 2-5/8 2-5/8 5/8 7/8 7/8 7/8 7/8 1-1/8 150,000
2-5/8 2-5/8 3-1/8 2-1/8 2-1/8 2-5/8 2-5/8 2-5/8 3-1/8 2-1/8 2-1/8 2-5/8 2-5/8 2-5/8 3-1/8 7/8 7/8 7/8 7/8 1-1/8 1-1/8 180,000
2-5/8 3-1/8 3-1/8 2-1/8 2-5/8 2-5/8 2-5/8 3-1/8 3-1/8 2-1/8 2-5/8 2-5/8 2-5/8 3-1/8 3-1/8 7/8 7/8 7/8 1-1/8 1-1/8 1-1/8 210,000
2-5/8 3-1/8 3-1/8 2-5/8 2-5/8 2-5/8 3-1/8 3-1/8 3-5/8 2-5/8 2-5/8 2-5/8 3-1/8 3-1/8 3-5/8 7/8 7/8 1-1/8 1-1/8 1-1/8 1-3/8 240,000
3-1/8 3-5/8 3-5/8 2-5/8 2-5/8 3-1/8 3-1/8 3-5/8 4-1/8 2-5/8 2-5/8 3-1/8 3-5/8 3-5/8 4-1/8 7/8 1-1/8 1-1/8 1-1/8 1-3/8 1-3/8 300,000
3-5/8 3-5/8 4-1/8 2-5/8 3-1/8 3-1/8 3-5/8 3-5/8 4-1/8 2-5/8 3-1/8 3-5/8 3-5/8 4-1/8 4-1/8 1-1/8 1-1/8 1-1/8 1-3/8 1-3/8 1-5/8 360,000
3-5/8 3-5/8 4-1/8 3-1/8 3-5/8 3-5/8 4-1/8 4-1/8 4-1/8 3-1/8 3-5/8 3-5/8 4-1/8 4-1/8 4-1/8 1-1/8 1-1/8 1-3/8 1-3/8 1-5/8 1-5/8 480,000
3-5/8 3-5/8 4-1/8 3-1/8 3-5/8 3-5/8 4-1/8 4-1/8 5-1/8 3-1/8 3-5/8 3-5/8 4-1/8 4-1/8 5-1/8 1-1/8 1-3/8 1-3/8 1-5/8 1-5/8 1-5/8 600,000
5-1/8 5-1/8 5-1/8 4-1/8 5-1/8 5-1/8 5-1/8 5-1/8 6-1/8 4-1/8 5-1/8 5-1/8 5-1/8 5-1/8 6-1/8 1-1/8 1-3/8 1-3/8 1-5/8 1-5/8 2-1/8 720,000
5-1/8 5-1/8 5-1/8 4-1/8 5-1/8 5-1/8 5-1/8 6-1/8 6-1/8 5-1/8 5-1/8 5-1/8 5-1/8 6-1/8 6-1/8 1-3/8 1-3/8 1-5/8 2-1/8 2-1/8 2-1/8 900,000
* NOTES:
1. Sizes that are highlighted indicate maximum suction line sizes that should be
used for risers. Riser size should not exceed horizontal size. Properly placed
suction traps must also be used for adequate oil return. All sizes shown are for
OD Type L copper tubing
2. Suction line sizes selected at pressure drop equivalent to 2˚F. Reduce estimate
of system capacity accordingly
3. Recommended liquid line size may increase with reverse cycle hot
gas systems
4. If system load drops below 40% of design, consideration to installing double
suction risers should be made
Table 5B. Recommended Line Sizes for R-404A/R-507 (continued)*

14 Part # 25000102
Installation and Operations Manual
System
Capacity
BTU/H
Suction Line Size
Suction Temperature
40˚F
Equivalent Lengths
20˚F
Equivalent Lengths
10˚F
Equivalent Lengths
0˚F
Equivalent
25’ 50’ 75’ 100’ 150’ 200’ 25’ 50’ 75’ 100’ 150’ 200’ 25’ 50’ 75’ 100’ 150’ 200’ 25’ 50’ 75’
1,000 3/8 3/8 3/8 3/8 3/8 3/8 3/8 3/8 3/8 3/8 3/8 3/8 3/8 3/8 3/8 3/8 3/8 1/2 3/8 3/8 3/8
3,000 3/8 3/8 3/8 1/2 1/2 1/2 3/8 1/2 1/2 1/2 5/8 5/8 3/8 1/2 1/2 1/2 5/8 5/8 1/2 1/2 1/2
4,000 3/8 3/8 1/2 1/2 1/2 1/2 3/8 1/2 1/2 1/2 5/8 5/8 1/2 1/2 1/2 5/8 5/8 5/8 1/2 1/2 5/8
6,000 1/2 1/2 1/2 5/8 5/8 5/8 1/2 1/2 5/8 5/8 5/8 5/8 1/2 5/8 5/8 5/8 7/8 7/8 5/8 5/8 5/8
9,000 1/2 5/8 5/8 5/8 7/8 7/8 1/2 5/8 5/8 5/8 7/8 7/8 5/8 5/8 7/8 7/8 7/8 7/8 5/8 7/8 7/8
12,000 5/8 5/8 5/8 7/8 7/8 7/8 5/8 5/8 7/8 7/8 7/8 7/8 5/8 7/8 7/8 7/8 7/8 7/8 5/8 7/8 7/8
15,000 5/8 5/8 7/8 7/8 7/8 7/8 5/8 7/8 7/8 7/8 7/8 7/8 7/8 7/8 7/8 7/8 1-1/8 1-1/8 7/8 7/8 7/8
18,000 5/8 7/8 7/8 7/8 7/8 1-1/8 5/8 7/8 7/8 7/8 7/8 1-1/8 7/8 7/8 7/8 7/8 1-1/8 1-1/8 7/8 7/8 1-1/8
24,000 5/8 7/8 7/8 7/8 1-1/8 1-1/8 7/8 7/8 7/8 7/8 1-1/8 1-1/8 7/8 7/8 1-1/8 1-1/8 1-1/8 1-1/8 7/8 1-1/8 1-1/8
30,000 7/8 7/8 7/8 1-1/8 1-1/8 1-1/8 7/8 7/8 7/8 1-1/8 1-1/8 1-1/8 7/8 1-1/8 1-1/8 1-1/8 1-1/8 1-3/8 7/8 1-1/8 1-1/8
36,000 7/8 1-1/8 1-1/8 1-1/8 1-1/8 1-3/8 7/8 1-1/8 1-1/8 1-1/8 1-1/8 1-3/8 7/8 1-1/8 1-1/8 1-1/8 1-3/8 1-3/8 1-1/8 1-1/8 1-1/8
42,000 7/8 1-1/8 1-1/8 1-1/8 1-1/8 1-3/8 7/8 1-1/8 1-1/8 1-1/8 1-3/8 1-3/8 1-1/8 1-1/8 1-1/8 1-3/8 1-3/8 1-3/8 1-1/8 1-1/8 1-3/8
48,000 7/8 1-1/8 1-1/8 1-1/8 1-1/8 1-3/8 7/8 1-1/8 1-1/8 1-1/8 1-3/8 1-3/8 1-1/8 1-1/8 1-3/8 1-3/8 1-3/8 1-5/8 1-1/8 1-3/8 1-3/8
54,000 7/8 1-1/8 1-1/8 1-1/8 1-3/8 1-3/8 1-1/8 1-1/8 1-1/8 1-3/8 1-3/8 1-3/8 1-1/8 1-3/8 1-3/8 1-3/8 1-5/8 1-5/8 1-1/8 1-3/8 1-3/8
60,000 7/8 1-1/8 1-1/8 1-1/8 1-3/8 1-3/8 1-1/8 1-1/8 1-1/8 1-3/8 1-3/8 1-5/8 1-1/8 1-3/8 1-3/8 1-3/8 1-5/8 1-5/8 1-1/8 1-3/8 1-3/8
66,000 7/8 1-1/8 1-1/8 1-3/8 1-3/8 1-3/8 1-1/8 1-1/8 1-3/8 1-3/8 1-3/8 1-5/8 1-1/8 1-3/8 1-3/8 1-3/8 1-5/8 1-5/8 1-1/8 1-3/8 1-5/8
72,000 1-1/8 1-1/8 1-1/8 1-3/8 1-3/8 1-3/8 1-1/8 1-3/8 1-3/8 1-3/8 1-5/8 1-5/8 1-1/8 1-3/8 1-3/8 1-5/8 1-5/8 1-5/8 1-3/8 1-3/8 1-5/8
78,000 1-1/8 1-1/8 1-3/8 1-3/8 1-3/8 1-5/8 1-1/8 1-3/8 1-3/8 1-3/8 1-5/8 1-5/8 1-1/8 1-3/8 1-5/8 1-5/8 1-5/8 2-1/8 1-3/8 1-3/8 1-5/8
84,000 1-1/8 1-1/8 1-3/8 1-3/8 1-3/8 1-5/8 1-1/8 1-3/8 1-3/8 1-3/8 1-5/8 1-5/8 1-3/8 1-3/8 1-5/8 1-5/8 1-5/8 2-1/8 1-3/8 1-5/8 1-5/8
90,000 1-1/8 1-3/8 1-3/8 1-3/8 1-5/8 1-5/8 1-1/8 1-3/8 1-3/8 1-5/8 1-5/8 2-1/8 1-3/8 1-3/8 1-5/8 1-5/8 2-1/8 2-1/8 1-3/8 1-5/8 1-5/8
120,000 1-1/8 1-3/8 1-3/8 1-5/8 1-5/8 2-1/8 1-3/8 1-3/8 1-5/8 1-5/8 2-1/8 2-1/8 1-3/8 1-5/8 1-5/8 2-1/8 2-1/8 2-1/8 1-5/8 1-5/8 2-1/8
150,000 1-3/8 1-3/8 1-5/8 1-5/8 2-1/8 2-1/8 1-3/8 1-5/8 1-5/8 2-1/8 2-1/8 2-1/8 2-1/8 1-5/8 1-5/8 2-1/8 2-1/8 2-5/8 1-5/8 2-1/8 2-1/8
180,000 1-3/8 1-5/8 1-5/8 2-1/8 2-1/8 2-1/8 1-3/8 1-5/8 2-1/8 2-1/8 2-1/8 2-1/8 1-5/8 2-1/8 2-1/8 2-1/8 2-5/8 2-5/8 1-5/8 2-1/8 2-1/8
210,000 1-3/8 1-5/8 1-5/8 2-1/8 2-1/8 2-1/8 1-5/8 2-1/8 2-1/8 2-1/8 2-1/8 2-5/8 1-5/8 2-1/8 2-1/8 2-1/8 2-5/8 2-5/8 2-1/8 2-1/8 2-1/8
240,000 1-5/8 1-5/8 2-1/8 2-1/8 2-1/8 2-5/8 1-5/8 2-1/8 2-1/8 2-1/8 2-5/8 2-5/8 2-1/8 2-1/8 2-1/8 2-5/8 2-5/8 2-5/8 2-1/8 2-1/8 2-5/8
300,000 1-5/8 2-1/8 2-1/8 2-1/8 2-5/8 2-5/8 2-1/8 2-1/8 2-1/8 2-5/8 2-5/8 2-5/8 2-1/8 2-1/8 2-5/8 2-5/8 2-5/8 3-1/8 2-1/8 2-5/8 2-5/8
360,000 2-1/8 2-1/8 2-1/8 2-5/8 2-5/8 2-5/8 2-1/8 2-1/8 2-5/8 2-5/8 2-5/8 3-1/8 2-1/8 2-5/8 2-5/8 2-5/8 3-1/8 3-1/8 2-1/8 2-5/8 2-5/8
480,000 2-1/8 2-1/8 2-5/8 2-5/8 2-5/8 3-1/8 2-1/8 2-5/8 2-5/8 2-5/8 3-1/8 3-1/8 2-1/8 2-5/8 2-5/8 3-1/8 3-1/8 3-5/8 2-5/8 2-5/8 3-1/8
600,000 2-1/8 2-5/8 2-5/8 2-5/8 3-1/8 3-1/8 2-1/8 2-5/8 3-1/8 3-1/8 3-1/8 3-5/8 2-5/8 2-5/8 3-1/8 3-1/8 3-5/8 3-5/8 2-5/8 3-1/8 3-1/8
720,000 2-1/8 2-5/8 3-1/8 3-1/8 3-1/8 3-5/8 2-5/8 3-1/8 3-1/8 3-5/8 3-5/8 4-1/8 2-5/8 3-1/8 3-5/8 3-5/8 4-1/8 4-1/8 3-1/8 3-5/8 3-5/8
900,000 2-5/8 3-1/8 3-1/8 3-1/8 3-5/8 3-5/8 3-1/8 3-1/8 3-5/8 3-5/8 4-1/8 4-1/8 3-1/8 3-5/8 3-5/8 4-1/8 4-1/8 4-1/8 3-1/8 3-5/8 4-1/8
* NOTES:
1. Sizes that are highlighted indicate maximum suction line sizes that should be
used for risers. Riser size should not exceed horizontal size. Properly placed
suction traps must also be used for adequate oil return. All sizes shown are for
OD Type L copper tubing
2. Suction line sizes selected at pressure drop equivalent to 2˚F. Reduce estimate
of system capacity accordingly
3. Recommended liquid line size may increase with reverse cycle hot
gas systems
4. If system load drops below 40% of design, consideration to installing double
suction risers should be made
Table 6A. Recommended Line Sizes for R-22*

Parallel Compressor Systems Installation & Operations Manual, October 2004 15
Parallel Compressor Systems
Suction Line Size Liquid Line Size
System
Capacity
BTU/H
Suction Temperature Receiver to
Expansion Valve
Equivalent Lengths
0˚F
Lengths
-10˚F
Equivalent Lengths
-20˚F
Equivalent Lengths
100’ 150’ 200’ 25’ 50’ 75’ 100’ 150’ 200’ 25’ 50’ 75’ 100’ 150’ 200’ 25’ 50’ 75’ 100’ 150’ 200’
3/8 1/2 1/2 3/8 3/8 3/8 3/8 1/2 1/2 3/8 3/8 3/8 1/2 1/2 1/2 3/8 3/8 3/8 3/8 3/8 3/8 1,000
5/8 5/8 5/8 1/2 1/2 1/2 5/8 5/8 5/8 1/2 1/2 5/8 5/8 5/8 7/8 3/8 3/8 3/8 3/8 3/8 3/8 3,000
5/8 5/8 7/8 1/2 1/2 5/8 5/8 5/8 7/8 1/2 5/8 5/8 5/8 7/8 7/8 3/8 3/8 3/8 3/8 3/8 3/8 4,000
5/8 7/8 7/8 1/2 5/8 5/8 7/8 7/8 7/8 5/8 5/8 7/8 7/8 7/8 7/8 3/8 3/8 3/8 3/8 3/8 3/8 6,000
7/8 7/8 7/8 5/8 7/8 7/8 7/8 7/8 7/8 5/8 7/8 7/8 7/8 1-1/8 1-1/8 3/8 3/8 3/8 3/8 3/8 3/8 9,000
7/8 7/8 1-1/8 7/8 7/8 7/8 7/8 1-1/8 1-1/8 7/8 7/8 7/8 1-1/8 1-1/8 1-1/8 3/8 3/8 3/8 3/8 3/8 3/8 12,000
7/8 1-1/8 1-1/8 7/8 7/8 7/8 1-1/8 1-1/8 1-1/8 7/8 7/8 1-1/8 1-1/8 1-1/8 1-1/8 3/8 3/8 3/8 3/8 3/8 1/2 15,000
1-1/8 1-1/8 1-1/8 7/8 7/8 1-1/8 1-1/8 1-1/8 1-1/8 7/8 1-1/8 1-1/8 1-1/8 1-1/8 1-3/8 3/8 3/8 3/8 3/8 1/2 1/2 18,000
1-1/8 1-1/8 1-3/8 7/8 1-1/8 1-1/8 1-1/8 1-3/8 1-3/8 7/8 1-1/8 1-1/8 1-3/8 1-3/8 1-3/8 3/8 3/8 1/2 1/2 1/2 1/2 24,000
1-1/8 1-3/8 1-3/8 7/8 1-1/8 1-1/8 1-3/8 1-3/8 1-3/8 1-1/8 1-1/8 1-3/8 1-3/8 1-3/8 1-5/8 3/8 3/8 1/2 1/2 1/2 1/2 30,000
1-3/8 1-3/8 1-3/8 1-1/8 1-1/8 1-3/8 1-3/8 1-3/8 1-5/8 1-1/8 1-3/8 1-3/8 1-3/8 1-5/8 1-5/8 3/8 1/2 1/2 1/2 1/2 1/2 36,000
1-3/8 1-3/8 1-5/8 1-1/8 1-1/8 1-3/8 1-3/8 1-5/8 1-5/8 1-1/8 1-3/8 1-3/8 1-5/8 1-5/8 1-5/8 3/8 1/2 1/2 1/2 1/2 5/8 42,000
1-3/8 1-5/8 1-5/8 1-1/8 1-3/8 1-3/8 1-3/8 1-5/8 1-5/8 1-1/8 1-3/8 1-3/8 1-5/8 1-5/8 2-1/8 1/2 1/2 1/2 1/2 1/2 5/8 48,000
1-3/8 1-5/8 1-5/8 1-1/8 1-3/8 1-3/8 1-5/8 1-5/8 1-5/8 1-3/8 1-3/8 1-5/8 1-5/8 2-1/8 2-1/8 1/2 1/2 1/2 1/2 5/8 5/8 54,000
1-5/8 1-5/8 2-1/8 1-1/8 1-3/8 1-3/8 1-5/8 1-5/8 2-1/8 1-3/8 1-3/8 1-5/8 1-5/8 2-1/8 2-1/8 1/2 1/2 1/2 5/8 5/8 5/8 60,000
1-5/8 1-5/8 2-1/8 1-3/8 1-3/8 1-5/8 1-5/8 1-5/8 2-1/8 1-3/8 1-5/8 1-5/8 1-5/8 2-1/8 2-1/8 1/2 1/2 5/8 5/8 5/8 5/8 66,000
1-5/8 2-1/8 2-1/8 1-3/8 1-3/8 1-5/8 1-5/8 2-1/8 2-1/8 1-3/8 1-5/8 1-5/8 2-1/8 2-1/8 2-1/8 1/2 1/2 5/8 5/8 5/8 5/8 72,000
1-5/8 2-1/8 2-1/8 1-3/8 1-5/8 1-5/8 1-5/8 2-1/8 2-1/8 1-3/8 1-5/8 1-5/8 2-1/8 2-1/8 2-1/8 1/2 1/2 5/8 5/8 5/8 7/8 78,000
1-5/8 2-1/8 2-1/8 1-3/8 1-5/8 1-5/8 2-1/8 2-1/8 2-1/8 1-3/8 1-5/8 2-1/8 2-1/8 2-1/8 2-1/8 1/2 5/8 5/8 5/8 5/8 7/8 84,000
2-1/8 2-1/8 2-1/8 1-3/8 1-5/8 1-5/8 2-1/8 2-1/8 2-1/8 1-3/8 1-5/8 2-1/8 2-1/8 2-1/8 2-1/8 1/2 5/8 5/8 5/8 7/8 7/8 90,000
2-1/8 2-1/8 2-1/8 1-5/8 1-5/8 2-1/8 2-1/8 2-1/8 2-5/8 1-5/8 2-1/8 2-1/8 2-1/8 2-5/8 2-5/8 5/8 5/8 5/8 7/8 7/8 7/8 120,000
2-1/8 2-5/8 2-5/8 1-5/8 2-1/8 2-1/8 2-1/8 2-5/8 2-5/8 2-1/8 2-1/8 2-1/8 2-5/8 2-5/8 2-5/8 5/8 7/8 7/8 7/8 7/8 7/8 150,000
2-1/8 2-5/8 2-5/8 1-5/8 2-1/8 2-1/8 2-5/8 2-5/8 2-5/8 2-1/8 2-1/8 2-5/8 2-5/8 2-5/8 3-1/8 5/8 7/8 7/8 7/8 7/8 1-1/8 180,000
2-5/8 2-5/8 2-5/8 2-1/8 2-1/8 2-5/8 2-5/8 2-5/8 2-5/8 2-1/8 2-5/8 2-5/8 2-5/8 3-1/8 3-1/8 7/8 7/8 7/8 7/8 7/8 1-1/8 210,000
2-5/8 2-5/8 3-1/8 2-1/8 2-1/8 2-5/8 2-5/8 2-5/8 3-1/8 2-1/8 2-5/8 2-5/8 2-5/8 3-1/8 3-1/8 7/8 7/8 7/8 7/8 1-1/8 1-1/8 240,000
2-5/8 3-1/8 3-1/8 2-1/8 2-5/8 2-5/8 2-5/8 3-1/8 3-1/8 2-1/8 2-5/8 3-1/8 3-1/8 3-1/8 3-5/8 7/8 7/8 1-1/8 1-1/8 1-1/8 1-1/8 300,000
3-1/8 3-1/8 3-1/8 2-1/8 2-5/8 2-5/8 3-1/8 3-1/8 3-5/8 2-5/8 2-5/8 3-1/8 3-1/8 3-5/8 3-5/8 7/8 7/8 1-1/8 1-1/8 1-1/8 1-1/8 360,000
3-1/8 3-5/8 3-5/8 2-5/8 3-1/8 3-1/8 3-1/8 3-5/8 3-5/8 2-5/8 3-1/8 3-5/8 3-5/8 3-5/8 4-1/8 1-1/8 1-1/8 1-1/8 1-1/8 1-3/8 1-3/8 480,000
3-5/8 3-5/8 4-1/8 2-5/8 3-1/8 3-1/8 3-5/8 3-5/8 4-1/8 3-1/8 3-1/8 3-5/8 3-5/8 4-1/8 4-1/8 1-1/8 1-1/8 1-1/8 1-3/8 1-3/8 1-3/8 600,000
4-1/8 4-1/8 5-1/8 3-1/8 3-5/8 4-1/8 4-1/8 5-1/8 5-1/8 3-5/8 4-1/8 4-1/8 5-1/8 5-1/8 5-1/8 1-1/8 1-1/8 1-3/8 1-3/8 1-3/8 1-5/8 720,000
4-1/8 5-1/8 5-1/8 3-5/8 4-1/8 4-1/8 5-1/8 5-1/8 5-1/8 3-5/8 4-1/8 5-1/8 5-1/8 5-1/8 6-1/8 1-1/8 1-3/8 1-3/8 1-5/8 1-5/8 1-5/8 900,000
* NOTES:
1. Sizes that are highlighted indicate maximum suction line sizes that should be
used for risers. Riser size should not exceed horizontal size. Properly placed
suction traps must also be used for adequate oil return. All sizes shown are for
OD Type L copper tubing
2. Suction line sizes selected at pressure drop equivalent to 2˚F. Reduce estimate
of system capacity accordingly
3. Recommended liquid line size may increase with reverse cycle hot
gas systems
4. If system load drops below 40% of design, consideration to installing double
suction risers should be made
Table 6B. Recommended Line Sizes for R-22 (continued)*

16 Part # 25000102
Installation and Operations Manual
Net
Evap.
Capacity
Total
Equiv.
Length
R-12 & R-134A R-22 R-502 R-507 & R-404A
Discharge
Line
(OD)
Liquid Line
Cond. to
Receiver
(OD)
Discharge
Line
(OD)
Liquid Line
Cond. to
Receiver
(OD)
Discharge
Line
(OD)
Liquid Line
Cond. to
Receiver
(OD)
Discharge
Line
(OD)
Liquid Line
Cond. to
Receiver
(OD)
3,000 50
100
3/8
1/2
3/8
3/8
3/8
3/8
3/8
3/8
3/8
3/8
3/8
3/8
3/8
3/8
3/8
3/8
6,000 50
100
1/2
1/2
3/8
3/8
3/8
1/2
3/8
3/8
3/8
1/2
3/8
3/8
1/2
1/2
3/8
3/8
9,000 50
100
5/8
5/8
3/8
3/8
1/2
1/2
3/8
3/8
1/2
1/2
3/8
3/8
1/2
5/8
3/8
3/8
12,000 50
100
5/8
7/8
1/2
1/2
1/2
5/8
3/8
3/8
1/2
5/8
3/8
3/8
1/2
5/8
3/8
3/8
18,000 50
100
7/8
7/8
1/2
1/2
1/2
5/8
3/8
3/8
5/8
5/8
1/2
1/2
5/8
5/8
1/2
1/2
24,000 50
100
7/8
7/8
5/8
5/8
5/8
5/8
1/2
1/2
5/8
7/8
5/8
5/8
7/8
7/8
5/8
5/8
36,000 50
100
7/8
1-1/8
5/8
5/8
7/8
7/8
5/8
5/8
7/8
7/8
5/8
5/8
7/8
7/8
5/8
5/8
48,000 50
100
1-1/8
1-1/8
7/8
7/8
7/8
7/8
5/8
5/8
7/8
7/8
7/8
7/8
7/8
1-1/8
7/8
7/8
60,000 50
100
1-1/8
1-3/8
7/8
7/8
7/8
7/8
7/8
7/8
1-1/8
1-1/8
7/8
7/8
7/8
1-1/8
7/8
7/8
72,000 50
100
1-1/8
1-3/8
7/8
7/8
7/8
1-1/8
7/8
7/8
1-1/8
1-1/8
7/8
7/8
1-1/8
1-1/8
7/8
7/8
90,000 50
100
1-3/8
1-3/8
7/8
7/8
7/8
1-1/8
7/8
7/8
1-1/8
1-1/8
1-1/8
1-1/8
1-1/8
1-3/8
1-1/8
1-1/8
120,000 50
100
1-3/8
1-5/8
1-1/8
1-1/8
1-1/8
1-1/8
1-1/8
1-1/8
1-1/8
1-3/8
1-3/8
1-3/8
1-1/8
1-3/8
1-1/8
1-1/8
180,000 50
100
1-5/8
2-1/8
1-3/8
1-3/8
1-3/8
1-3/8
1-3/8
1-3/8
1-3/8
1-5/8
1-3/8
1-3/8
1-3/8
1-5/8
1-3/8
1-3/8
240,000 50
100
1-5/8
2-1/8
1-5/8
1-5/8
1-5/8
1-5/8
1-3/8
1-3/8
1-5/8
1-5/8
1-5/8
1-5/8
1-5/8
1-5/8
1-5/8
1-5/8
300,000 50
100
2-1/8
2-1/8
1-5/8
1-5/8
1-5/8
1-5/8
1-5/8
1-5/8
1-5/8
2-1/8
1-5/8
1-5/8
1-5/8
2-1/8
2-1/8
2-1/8
360,000 50
100
2-1/8
2-5/8
1-5/8
1-5/8
1-5/8
2-1/8
1-5/8
1-5/8
1-5/8
2-1/8
2-1/8
2-1/8
2-1/8
2-1/8
2-1/8
2-1/8
480,000 50
100
2-1/8
2-5/8
2-1/8
2-1/8
2-1/8
2-1/8
2-1/8
2-1/8
2-1/8
2-1/8
2-1/8
2-1/8
2-1/8
2-1/8
2-1/8
2-1/8
600,000 50
100
2-5/8
3-1/8
2-1/8
2-1/8
2-1/8
2-1/8
2-1/8
2-1/8
2-1/8
2-5/8
2-5/8
2-5/8
2-1/8
2-5/8
2-1/8
2-1/8
720,000 50
100
2-5/8
3-1/8
2-5/8
2-5/8
2-1/8
2-5/8
2-5/8
2-5/8
2-1/8
2-5/8
3-1/8
3-1/8
2-1/8
2-5/8
2-5/8
2-5/8
840,000 50
100
2-5/8
3-1/8
2-5/8
2-5/8
2-1/8
2-5/8
2-5/8
2-5/8
2-5/8
2-5/8
3-1/8
3-1/8
2-5/8
2-5/8
3-1/8
3-1/8
960,000 50
100
3-1/8
3-1/8
3-1/8
3-1/8
2-5/8
2-5/8
3-1/8
3-1/8
2-5/8
2-5/8
3-1/8
3-1/8
2-5/8
3-1/8
3-1/8
3-1/8
1,080,000 50
100
3-1/8
3-5/8
3-1/8
3-1/8
2-5/8
2-5/8
3-1/8
3-1/8
2-5/8
3-1/8
3-5/8
3-5/8
2-5/8
3-1/8
3-1/8
3-1/8
1,200,000 50
100
3-1/8
3-5/8
3-5/8
3-5/8
2-5/8
3-1/8
3-1/8
3-1/8
2-5/8
3-1/8
3-5/8
3-5/8
2-5/8
3-1/8
3-5/8
3-5/8
1,440,000 50
100
3-1/8
3-5/8
3-5/8
3-5/8
2-5/8
3-1/8
3-5/8
3-5/8
3-1/8
3-1/8
4-1/8
4-1/8
3-1/8
3-5/8
3-5/8
3-5/8
1,680,000 50
100
3-5/8
4-1/8
4-1/8
4-1/8
2-5/8
3-1/8
3-5/8
3-5/8
3-1/8
3-5/8
4-1/8
4-1/8
3-1/8
3-5/8
4-1/8
4-1/8
Table 7. Recommended Remote Condenser Line Sizes

Parallel Compressor Systems Installation & Operations Manual, October 2004 17
Parallel Compressor Systems
Warning: It is illegal to knowingly vent or discharge
any CFC’s and HCFC’s to the atmosphere.
ALL CFC’s and HCFC’s must be reclaimed
or recycled.
Leak Check
1. To check the systems for leaks, leave all valves closed on
suction, liquid and hot gas manifolds. The unit is shipped
with a holding charge of dry nitrogen and should be leak
free. Build up the pressure in each circuit to a maximum of
150 psig dry nitrogen and check each individual circuit.
2. After each circuit has been checked, open all valves
to allow the pressure into the unit assembly. Check to
be sure pressure is throughout the assembly. Check all
connections and accessories for leaks.
Evacuation
1. After the system is leak checked, connect a good high
vacuum pump with fresh oil to both the low and high
side evacuation valves. Connections between the pump
and evacuation valves should be made with copper
tubing or high vacuum hose having a diameter of at least
3/8”. Evacuate the system to 1500 microns for the rst
evacuation.
2. After each evacuation, the vacuum should be broken by the
introduction of refrigerant into the system. The refrigerant
should be passed through a drier when breaking the
vacuum until the pressure is brought up to 0 psig.
3. Between the first and second evacuation, the liquid
lter driers and suction lters should be installed in each
replaceable core shell.
4. A triple evacuation is recommended. The third and nal
evacuation should achieve a value of 500 microns or less.
After this vacuum is reached, add as much refrigerant as
possible into the receiver. Now the system is ready to be
started.
Start-up
1. Set all pressure controls as recommended elsewhere in this
manual. Recheck all service valves and shut-o valves to
be sure they are open.
2. Check and be sure the condenser fan motors are running
in the correct rotation.
3. All evaporator fan motors should be checked for proper
rotation. The fans in low temperature boxes generally have
a fan delay for defrost purposes that keep the fans from
operating until the evaporator coil has reached a certain
temperature. It will be necessary to jump-out the fan
controls on freezer units to make them run through nal
charging and room temperature pull-down. The wiring
diagram for the unit will have to be consulted to determine
how to best force the fans to operate for this step.
4. With all compressor and control breakers and toggle
switches turned o, apply power to the unit. If the unit is
using a phase monitor, the green light must come on before
going any further. (See instructions for phase protector
elsewhere in this manual.) A red light indicates incorrect
phasing or voltage. Check with a volt meter to see if correct
voltage is connected to the unit. Correct the Power Supply
before proceeding.
5. Turn on the circuit breaker for the control power. If an
electronic control system is installed on the unit, it will
initiate at this time. The Heatcraft preferred controller is
manufactured by Computer Process Control (CPC). Review
the manual for the controller supplied with the system.
6. Turn on circuit breakers to all compressors. The compressors
can be started by turning on the compressor toggle
switches. Likewise, each circuit control can be started by
turning on the circuit toggle switch. It is recommended that
one compressor at a time be started and checked before
allowing them all to operate. It is also advisable to check
one circuit at a time to be certain all components work
when called upon and that the circuit wiring is correct.
7. When each circuit and compressor has been tested and
the appropriate amount of refrigerant has been added for
proper operation, allow the system to operate and pull-
down the room/xture temperatures.
8. Once the system is operating, set all regulating valves.
9. When the room and/or the fixture temperatures are
at design, the expansion valves should be set. (See
instructions elsewhere in this manual.)
10. Adjust the electronic or manual pressure controls
as necessary to maintain proper pressures and
temperatures.
11. Check the refrigerant level in the receiver. The minimum
level that should be maintained is 20%.
12. All circuit defrost controls must be set and checked. Again,
one circuit at a time should be tested.
13. Set condenser fan controls to maintain the proper discharge
pressure.
14. All safety controls should be checked and veried. Check
that the alarm circuitry is operating at this time.
15. Check the oil reservoir during the start-up and add oil as
necessary. The oil level should be between the upper and
lower reservoir sight glass. Do not add more than two
gallons of oil to a system. If more oil is needed, recheck the
piping as oil is not returning to the unit properly.
Leak Checking, Evacuation and Start-up

18 Part # 25000102
Installation and Operations Manual
Refrigerant Distribution
The distribution system is selected based upon the type of
defrost for that particular system. For each set of liquid/suction
lines a distribution system must be selected.
Liquid solenoids are recommended to be installed at the
evaporator on all systems, particularly systems with long
line runs. The solenoid will prevent continued feed to the
evaporator through the expansion valve when it is not in
operation. A solenoid is mentioned in each of the refrigerant
distribution analysis, and are shipped loose to be installed at
the evaporators.
Heatcraft oers three types of defrost: O cycle defrost, Electric
defrost and the Priority I hot gas defrost system for Racks. The
type of defrost is generally a matter of either contractor or
owner preference. Typical operation is as follows:
O-Cycle
The o-cycle system consists of liquid and suction line ball
valves for circuit isolation, liquid solenoid and defrost controller.
Defrost is initiated by the controller. The liquid solenoid closes
pumping down the circuit, the evaporator fans remain in
operation and room air melts the ice on the coil. The controller
terminates the defrost period after a predetermined time
period and opens the liquid solenoid putting the system back
into refrigeration.
Electric Defrost
The electric defrost system consists of liquid and suction line
ball valves for circuit isolation, liquid solenoid, evaporator heater
contactor, heater fusing, evaporator fan motor contactor and
fuses if three phase fans are used, and defrost controller.
Defrost is initiated by the controller. The liquid solenoid closes,
the evaporator fan contactor opens stopping the fans, and the
defrost heater contactor is energized.
When the defrost heaters warm the coil to a predetermined level
an adjustable defrost termination device within the evaporator
signals the defrost controller to end the defrost period. A fan
delay is provided at the end of each defrost cycle to allow the
evaporator to cool before the fans start. This also prevents
warm air and condensation from being discharged from the
unit. The liquid solenoid opens putting the system back into
refrigeration.
Priority I Hot Gas Defrost
For Racks Only
The Priority I Hot Gas Defrost system consists of liquid and
suction line ball valves for circuit isolation, liquid line solenoid
with by pass check valve, suction solenoid valve, hot gas
solenoid valve, liquid drain solenoid valve, liquid drain manifold,
and defrost controller.
Defrost is initiated by the defrost controller closing the liquid
solenoid and suction solenoid. The hot gas and liquid drain
solenoids open (Unlike typical systems wherein the condensed
liquid from the defrosting evaporator is returned into the
liquid manifold, the Priority I design returns the liquid to the
condenser through a liquid drain manifold).
Hot discharge gas is injected into the suction line at the
parallel rack and ows to the evaporator being defrosted. The
discharge gas will condense into liquid as it ows through the
cold evaporator.
The liquid exits the coil at the distributor side-port, then ows
through the liquid line by pass check valve into the drain
manifold and then returned to the condenser inlet.
The pressure in the condenser is controlled to be below the
returning liquid pressure by a discharge gas regulator valve. The
returning liquid pressure helps in driving refrigerate from the
condenser to the receiver to maintain liquid refrigerant ows to
the refrigerating evaporators. The Priority I system requires that
no more than 20% of the evaporators defrost at one time.
The discharge gas regulator valve (DDGR) is normally set to
maintain approximately 25 psig differential pressure. The
next part of the Priority I system consists of a small capacity
control system located at the compressor rack. The discharge
gas bypass regulator valve should be set to maintain the
normal suction pressure during normal refrigeration. There
is a desuperheating TXV mounted to prevent overheating
the suction line. The expansion valve should not require an
adjustment as it is preset to maintain 20°F superheat. See page
31 of this manual for more information on the adjustment of
the discharge gas bypass regulator valve.
Head Pressure Control System
Almost all refrigeration systems require some form of year
round head pressure control. This is due to the xed amount
of condenser surface which has been selected for summer
conditions. During the winter, the condenser is oversized for
the system and low head pressure will result. This will cause
erratic operation of the system.
The following method of head pressure control is considered
the most eective means and has the advantage of performing
well at low outside ambient temperatures. The disadvantage is
the fact that a relatively large quantity refrigerant must be used
to ood the condenser and sucient receiver storage must be
provided during summer operation.
Head pressure control system consists of a condenser drain
line valve and a discharge bypass valve. In order to maintain
moderate head pressure the condenser drain valve senses
condensing pressure. As condensing pressure falls in response
to lower ambient temperatures, the drain valve will begin to
restrict ow of liquid from the condenser lling condenser
tubes with liquid refrigerant. This results in decreased surface
area causing the discharge pressure to rise.
When pressure reaches the midpoint setting the valve begins to
open allowing liquid to ow to the receiver. Simultaneously the
discharge bypass valve installed in a line between the discharge
manifold and the receiver maintains minimum receiver pressure
to insure liquid ow.

Parallel Compressor Systems Installation & Operations Manual, October 2004 19
Parallel Compressor Systems
Electronic Control System
The electronic controller has become the standard on
parallel compressor systems. The increased capabilities of the
controllers magnify the eciency of the parallel compressor
system making it a very attractive accessory item.
The electronic control system preferred by Heatcraft is the
Computer Process Control (RMCC) controller. The RMCC oers
a complete control and monitoring package through one or
more input boards (16AI). The controller continuously monitors
the parameters for refrigerant pressures, defrost operation,
temperature control, and system alarms.
As the RMCC monitors the system in operation, it compares the
reported values against programmed set points it is to maintain,
thus cycling compressors, unloaders, condenser fans, defrost
periods and sounding alarms as required.
Interface with the actual devices being controlled is through
one or more pressure transducers, watt transducer, temperature
sensors, refrigerant sensors, humidity sensors, refrigerant level
sensor, phase loss and output boards (8R0). The 8RO boards
can be mounted remotely for lower installation cost, when
controlling devices such as air cooled condensers. These
boards are connected to the RMCC via a three wire network
and are purchased as needed for the application. Remote
communications capabilities is standard with the RMCC through
a modem that is supplied.
System Balancing
Important: In order to obtain the maximum capacity
from a system, and to ensure trouble-free
operation, it is necessary to balance each
and every system.
System Superheat
This is extremely important with any refrigeration system. The
critical value that must be checked is suction superheat
Superheat is not preset at the factory.
Suction superheat should be checked at the compressor as
follows:
1. Measure the suction pressure at the suction service valve of
the compressor and determine the saturation temperature
corresponding to this pressure from a “Temperature-
Pressure” chart.
2. Measure the suction temperature of the suction line about
one foot back from the compressor using an accurate
thermometer.
3. Subtract the Saturated temperature from the actual suction
line temperature. The dierence is Superheat.
If suction superheat is too low, it can result in liquid refrigerant
being returned to the compressor. This will cause dilution of
the oil and eventual failure of the bearings and piston rings.
In extreme cases, the compressor will fail as a result of the
diluted oil.
High suction superheat will result in excessive discharge
temperatures that can cause a breakdown of the oil. This action
results in piston ring wear, piston and cylinder wall damage.
Also, as the superheat increases, the suction pressure decreases
resulting in reduced capacity. For maximum system capacity,
suction superheat should be kept as low as is practical. Heatcraft
recommends that the superheat at the compressor be no lower
than 20°F.
If adjustments to the suction superheat need to be made, the
expansion valve at the evaporator should be adjusted. See
instructions in next section.
Evaporator Superheat
Check Your Superheat after the box temperature has reached
or is close to reaching the desired temperature, the evaporator
superheat should be checked and adjustments made if
necessary. Generally, systems with a design TD of 10°F should
have a superheat value of 6° to 10° F for maximum eciency.
To properly determine the superheat of the evaporator, the
following procedure is the method Heatcraft recommends.
1. Measure the temperature of the suction line at the point the
bulb is clamped.
2. Obtain the suction pressure that exists in the suction line at
the bulb location by either of the following methods:
a) A gauge in the external equalized line will indicate the
pressure directly and accurately
b) A gauge directly in the suction line near the evaporator
or directly in the suction header of the evaporator will
yield the same reading as above
3. Convert the pressure obtained in 2a or 2b above to saturated
evaporator temperature by using a temperature-pressure
chart.
4. Subtract the Saturated temperature from the actual suction
line temperature. The dierence is Superheat.
Alternative Superheat Method
The most accurate method of measuring superheat is found
by following the previous procedure, Temperature/Pressure
method. However, that method may not always be practical.
An alternative method which will yield fairly accurate results is
the temperature/temperature method.
1. Measure the temperature of the suction line at the point the
bulb is clamped (outlet).
2. Measure the temperature of one of the distributor tubes
close to the evaporator coil (inlet).
3. Subtract the outlet temperature from the inlet temperature.
The dierence is approximate Superheat.
This method will yield fairly accurate results as long as the
pressure drop through the evaporator coil is low.

20 Part # 25000102
Installation and Operations Manual
Voltage
Code
60 Hertz Rating 50 Hertz Rating
Rating Min. Max. Rating Min. Max.
B 230-1 207 253 - - -
C 208/230-3 187 253 200/220-3 180 240
D 460-3 414 506 380/420-3 342 462
E 575-3 518 633 500-3 450 550
K 208/230/460-3 187 506 200/380/400-3 180 440
M - - - 380/420-3 342 462
N 230/460-3 207 506 200/400-3 180 440
U 200-3 180 220 - - -
Model Factors
3D See Copeland Application Bulletin Number AE 21-1278
Moduload - Capacity Control for 3D Compressors
Full Load One Bank
Unloading
Two Bank
Unloading
Performance HT MT LT HT MT LT HT MT LT
4D
CAPACITY
POWER
AMPS
1.00
1.01
1.01
1.00
1.03
1.03
1.00
1.02
1.02
.50
.56
.60
.50
.56
.60
.50
.56
.74
-
-
-
-
-
-
-
-
-
6D
CAPACITY
POWER
AMPS
1.00
1.01
1.03
1.00
1.03
1.04
1.00
1.02
1.02
.70
.70
.75
.70
.71
.77
.70
.72
.84
.36
.40
.55
.36
.42
.60
.36
.43
.72
Compressors
The majority of the Heatcraft Parallel systems incorporate the
Copeland compressor. Other brand compressors are available
upon customer request. The compressors are solid mounted
to a base frame or mounted on the refrigerant receiver. All
reciprocating compressors incorporate oil oats. Crankcase
heaters will be installed and wired. Cylinder head cooling fans
will be installed on all low temperature reciprocating systems
or as directed by the specic compressor manufacturer. A high
pressure cutout and oil failure control are installed and wired
for each compressor.
Many compressors are available with unloading for capacity
control. The unloading of a compressor adds many capacity
steps to those normally available to an electronic controller.
Usually, the more steps available the better the load can be
matched.
Copeland Compressors
Table 8. 3D/4D/6D Solid State Modules
Control Voltage
Model
Number
Copeland
Kit
Number
Copeland
Number
T.I.
Number
115 - 230 Volts
3D-FSM
4D/6D 998-0524-00 071-0524-00 31AA-1600E
Table 9. Typical Voltage Ranges
Table 10. Unloader Factors
Refer to voltage rating of specic models
Multiply compressor rating data by above factors when used with blocked suction unloading
Refer to Copeland AE 17-1287 for Demand Cooling Restrictions on unloading

Parallel Compressor Systems Installation & Operations Manual, October 2004 21
Parallel Compressor Systems
Copeland
Part No. MFGRS. Model No.
Pressure
Di. Psi (bar) Alarm
Circuit
Cut-In Cut-Out
Sentronic 7 – 9 12 - 14 Yes
085-0062-00 Penn P45NCA-12
9 (± 2) 14
No
Ranco P30-5826 Yes
Robertshaw PD21-2502 No
085-0088-00 Robertshaw PD21-1006 Yes
Penn P45NCB-3 Yes
085-0101-00 Robertshaw LG21-2501 Yes
Model
Family
Standard Deep Sump
Initial (oz) Recharge (oz) Initial (oz) Recharge (oz)
2D 80 72 110 95
3D 115 105 190 170
4DA3-100E 140 130 - -
4DL3-150E 135 120 250 235
4DA3-200E 135 120 250 235
4DT3-220E 130 120 245 235
4DH3-250E 130 120 245 235
4DJ3-300E 140 125 255 240
6D 140 130 255 245
6DT3-300* 255 245 255 245
6DJ3-400* 255 245 255 245
O6D Models
Psi (bar)
O6E Models
Psi (bar)
Before May 1984
(Prior S/N 2084J...)
12 to 18
(.83 to 1.24)
12 to 18
(.83 to 1.24)
May 1984 to March 1994
(Between S/N 2084J... & 1094J)
16 to 22
(1.1 to 1.52)
16 to 22
(1.1 to 1.52)
Starting March 1994
(Starting S/N 1094J....)
18 to 26
(1.24 to 1.8)
18 to 34
(1.24 to 2.3)
Carlyle Compressors
Approved Carlyle Lubricants
For CFC and HCFC Refrigerants Use:
Totaline 150 / Suniso 3GS / Shrieve Zerol 150 /Texaco WFI-32-
150 / IGI Petroleum Cryol-150
For HFC Refrigerants Use:
CPI Solest 120 / ICI Emkarate™ RL68H / +Lubrizol Lubrikuhl 2916S
/ *Mobil Arctic EAL™ 68 / *Castrol SW68 + Lubrizol ISO68 also
sold under Texaco Capella HFC 68NA brand
* Medium temperature applications only
Approved Copeland Lubricants
Mineral Oil - Suniso 3GS or Equivalent
Alkyl Benzene - Copeland Ultra 200 / Shrieve Zerol 200 TD /
Soltex AB 200A / Thermal Zone 200
Oil Pressure
The O6D and O6E oil pump is a positive displacement vane
type. It produces high volume oil ow at a low oil pressure.
The compressor utilizes an internal pressure regulator valve to
maintain oil pressure at a constant 12 to 36 psi above suction
pressure.
POE - Copeland Ultra 22CC / Mobil EAL™ Arctic 22 CC / ICI
Emkarate™ RL32CF / Thermal Zone 22CC
Bitzer Screw / Copeland Contour Screw compressor lubricant:
Solest 170
Table 11. Oil Safety Switch
Table 12. Oil Charges
All controls are Manual Reset type with a 120 second nominal time delay at the rated voltage
Table 13. O6D/E Oil Pressure History

22 Part # 25000102
Installation and Operations Manual
Carlyle
Part No.
Danfoss
Part No.
Time
Delay
Pressure
Di. Psi (bar) Reset
Cut-In Cut-Out
634-2008
OR
P529-2130
60B2101
45 sec. 8 – 11
(.55 - .76)
4 - 8
(.28 - .55) Manual
634-2050
OR
P529-2100
60B2151
Carlyle
Part No.
Johnson
Part No.
Time
Delay
Pressure
Di. Psi (bar) Reset
Cut-In Cut-Out
O6DA660115 P345 45 sec. 8 – 11
(.55 - .76)
4 - 8
(.28 - .55) Manual
Compressor Model
Multiplication Factor
For 1 Bank Unloaded
Multiplication Factor
For 2 Bank Unloaded
Capacity Power EER Capacity Power EER
All 4 Cylinder Models .49 .57 .86 - - -
All 6 Cylinder Models .67 .73 .92 .32 .46 .70
Application Suction Pressure
Range Psi (bar)
P Required-Discharge Minus
Suction Pressure Psi (bar)
O6D O6E
L.T. R-502, 404A, 507 10-25 (1.7-2.7) 30 (2.1) 30 (2.1)
M.T. R-502, 404A, 507 30-60 (3.1-5.2) 40 (2.8) 45 (3.1)
L.T. R-12, 134A 10-30 (1.7-3.1) 30 (2.1) 35 (2.4)
M.T. R-22 or H.T. R-22 30-90 (3.1-7.2) 50 (3.5) 55 (3.8)
3-Phase Voltage Monitor
The microprocessor-based voltage and phase sensing circuit
constantly monitors the three phase voltages to detect harmful
power line conditions. When a harmful condition is detected, the
phase monitor output relay is deactivated after a specied trip
delay. The output relay reactivates after power line conditions
return to an acceptable level for a specied amount of time
(Restart Delay). The trip delay prevents nuisance tripping due
to rapidly uctuating power line conditions.
The Bicolor LED indicator light is green in normal conditions
and red during trip conditions. On initial start-up, if the light
is continuously red, the unit electrical phase may need to be
reversed. Each main power line should be checked for proper
voltage and imbalance prior to reversing a phase. Also check
the settings of the Voltage Monitor for proper eld condition.
For semi-hermetic compressor units, two of the three power
monitor leads on the Voltage Monitor to L1, L2, and L3 may
need to be switched. For units with Scroll® or Screw compressors,
which are rotation sensitive, two of the main power lines to the
compressor unit will have to be switched to match the correct
rotation of the compressors. The rotation of Screw and Scroll®
compressors has been properly phased in the manufacturing
plant prior to shipping.
Table 14. Oil Safety Switch
Table 15. Part Load Performance Multipliers
Multiply compressor rating data by above factors when used with blocked suction unloading
Table 16. Required Dierential Pressure for Unloader Operation

Parallel Compressor Systems Installation & Operations Manual, October 2004 23
Parallel Compressor Systems
Sight Glass & Moisture Indicator
The sight glass/moisture indicator helps determine that a unit
has sucient refrigerant charge and/or when the liquid line
lter drier cores need to be replaced.
Bubbles in the glass may indicate a shortage of refrigerant or a
restriction in the liquid line (i.e. plugged liquid line lter drier).
Moisture typically results from a leak in the refrigerant system
or service operations which open the refrigerant system to the
atmosphere.
Moisture is detrimental because it leads to the formation of
acids which attack components in the system. A change of color
in the indicating dial from green to either chartreuse or yellow
indicates unacceptable moisture in the system in which case
the liquid line lter drier cores need to be changed.
Upon changing the cores, the indicating dial should return to
green within 12 hours of returning system to operation.
Safety Relief Devices
A refrigerant Safety Relief Device is designed to prevent pressure
in a Vessel from rising above a safe limit when operating controls
fail or when the Vessel is exposed to excessive heat.
When a Vessel, containing liquid refrigerant, is shut o from
other parts of the system a rise in temperature will cause a rise in
pressure. If the Vessel is completely lled with liquid a small rise
in temperature will cause a rapid and excessive rise in pressure
due to the expansion of the liquid. If the Vessel contains both
liquid and vapor, which is normal for Refrigerant Receivers,
the pressure will rise according to the temperature-pressure
saturation characteristic of the refrigerant.
If pressure builds up high enough to cause the Vessel to rupture,
large quantities of liquid refrigerant are released. This causes
a sudden reduction of pressure so that the liquid released is
vaporized almost instantly with explosive results.
With a suitable Relief Device installed on the Vessel, the
refrigerant is released at a controlled rate and a safe pressure
is maintained in the Vessel.
After a “Direct Type” Relief Device has discharged once, it should
be replaced. The “Direct Type” Relief Device is designed to re-
close automatically at a predetermined pressure, but reliability
of the Device to reseal tightly and to operate at the designed
pressure can not be guaranteed after discharging. Be safe and
replace the Device after such an occurrence.
Figure 11. Direct Type Relief Valves
Figure 10. Sight Glass
Figure 12. 3-Way Relief Valve

24 Part # 25000102
Installation and Operations Manual
For Relief Devices set at 400 psig
• Obtain the capacity at 400 psig setting
• Locate this capacity or the nearest larger capacity in the left-hand column of the discharge piping table above and read across to obtain the maximum lengths
for each tube and pipe size
For relief devices set at 350 psig, use the above table and multiply by .75 to determine maximum lengths
For relief devices set at 425 psig, use the above table and multiply by 1.15 to determine maximum lengths
For relief devices set at 450 psig, use the above table and multiply by 1.25 to determine maximum lengths
Table 17. Henry Relief Valve Capacity Rating
Table 18. Discharge Piping Table
Type Catalog
Number
Size Connection Standard Pressure Settings PSIG
Inlet Outlet 350 400 425 450
Angle 526E 3/8 MPT 3/8 FLARE 10.2 11.6 12.3 13.0
527E 1/2 MPT 5/8 FLARE 28.5 32.4 34.4 36.3
Straight
Through
5231 3/8 MPT 3/8 FLARE 11.2 12.7 13.5 14.3
5231-A 3/8 MPT 1/2 FLARE 18.6 21.1 22.4 23.7
5231 1/2 MPT 5/8 FLARE 18.6 21.1 22.4 23.7
5232 1/2 MPT 5/8 FLARE 28.1 32.0 33.9 35.8
5240-1/2 1/2 MPT 3/4 FPT 41.2 46.8 49.1 52.5
5242-3/4 3/4 MPT 3/4 FPT 41.2 46.8 49.1 52.5
5244-1 1 MPT 1 FPT 74.0 84.2 89.3 94.4
5246-1-1/4 1-1/4 MPT 1-1/4 FPT 129.7 147.5 156.4 165.4
Maximum Length of Discharge Pipe in Feet
* For 400 PSIG Pressure Setting
Relief Device
Capacity
Lbs. Air/Min.
Soft Copper Tube (OD) Schedule 40 Pipe
3/8” 1/2” 5/8” 1/2” 3/4” 1” 1-1/4” 1-1/2” 2”
10 3-1/2 19-1/4 61 108 445
12 2-1/2 12-1/4 44 75 308
14 2 9-1/2 32 56 228
18 5-1/4 19-1/4 33 137
20 4-1/4 16 28 110 371
25 2-1/2 9-1/2 18 72 238
30 2 7 12 49 165
35 2 5-1/4 9 37 121
40 3-1/2 7 28 93 366
50 2-1/2 4 18 60 233
70 3 9 30 119 257
80 2 7 23 91 198
90 2 5 18 72 156
125 3 10 37 81 282
150 2 7 26 56 196

Parallel Compressor Systems Installation & Operations Manual, October 2004 25
Parallel Compressor Systems
Series P100 Pressure Control
The P100 series, manufactured by Johnson Control, Inc., are
encapsulated, non adjustable, single-pole single throw, direct
mount pressure controls typically used for low or high pressure
cutouts. On the Heatcraft manufactured parallel systems, the
control is used for High Pressure cutout.
There are two types available. Auto Reset Models and Manual
Reset Models.
Auto Reset Models
When pressurized to the selected actuation pressure setting,
the internal snap-acting disc reverses its shape and drives
a set of electrical contacts either open or closed. When the
pressure drops below the de-actuation pressure setting, the
disc snaps back to its preset position thus resetting the electrical
contacts.
Manual Reset Models
The snap-acting disc in the manual reset model opens the
electrical contacts when actuated by the pressure sensor. Once
the disc snaps, the contacts are held open until an external
force on the push button closes them. Because of the disc’s link
with the pressure sensor, the contacts cannot be reset until the
pressure drops to a predetermined level.
The latching mechanism inside the manual reset model is trip
free. The electrical contacts will cutout even if the reset button
is held fully depressed. The control can only be reset when the
pressure returns to a predetermined level.
Liquid Level Switch
S-9400 Level Switch Series
OPTION – Not available on all systems or receivers.
Operation
The S-9400 Series Level Switches manufactured by AC&R
Components uses light reecting from a conical glass prism as
a means of detecting the absence of a uid at the level of the
glass cone. When no uid covers the lower half of the cone,
infra-red light from the module reects from the mirror-like
inner surface of the cone back to a light detector signaling the
electronic module to switch. When uid covers the lower half
of the glass cone, the light from the module passes into the
uid. This absence of light is detected by the module which
switches into the opposite direction. The module provides a
.06/.10 dierential distance from the cone point down.
Figure 13.
Figure 14.
Table 19. Level Switch Table
Cat.
No. Voltage Resistive
Rating
Contacts
Liq. Present
S-9420 208/240
50/60 Hz .5 Amp N.C.
Cat.
No.
Wire Color
Code
Replacement
Module No.
Replacement
Sight Glass
No.
S-9420 Red & White 2-044-015 3-020-063

26 Part # 25000102
Installation and Operations Manual
Module Replacement
1. Disconnect power at the fuse box
2. Remove wiring box from the retainer
3. Remove the IRR 4000-93 Ring with an IRR P-101 or equivalent
retaining ring pliers
4. Remove the Retainer
5. Pull out the module by the leads
6. Install new Module
7. Verify the voltage rating
8. Reassemble the Retainer, Ring, and wiring
Oil Control
A proper oil control system is essential to insure compressor
lubrication. An oil control system can be very cost eective
alternative to replacing expensive compressors due to loss of
oil. Oil traveling through the system tends to build up in the
evaporator, condenser, and vessels of a refrigeration system.
This causes a lack of oil return to the compressor until nally, a
large amount returns as a “slug” of oil.
A slug of oil down the suction line can be just as damaging to
the compressor as a slug of liquid refrigerant. This delay in oil
return requires an additional amount of oil to be added to the
system, depending on the size of the system, the piping, the
temperatures, the miscibility of the refrigerant/oil mix, and the
refrigerant velocity.
By removing oil from the discharge gas of compressors, not
only is the oil level for each compressor more accurately
controlled, the eciency of the system is increased. Oil does
not change phase from liquid to gas in a refrigeration system
and therefore makes a very poor refrigerant. Oil also takes up
volume through the system that otherwise could be lled with
refrigerant. Additionally, oil tends to lm the condenser tubing
wall lowering heat transfer and as oil and refrigerant exits the
expansion valve, the oil will foam insulating the evaporator
walls and again lowering heat transfer.
IMPORTANT: An oil control system does not replace
the need for proper system design. An
oil control system will drastically reduce
the amount of oil going through the
system. Correct piping, suction traps,
and proper sizing of valves, controls, and
components must still be implemented
to insure the system will work properly.
Low Pressure Oil System
This type system is normally used for parallel compressors and
uses three basic components: Oil Separator, Oil Reservoir, and
Oil Level Regulators. The common discharge is piped to the
inlet of the oil separator and the outlet of the oil separator is
piped to the condenser. An oil return line is brought from the
oil separator to the top valve of the oil reservoir. A vent line is
installed to the suction line with a pressure valve in line to lower
the pressure in the reservoir, making a low pressure oil system.
This valve will keep the reservoir pressure a set pressure above
suction depending on the value of the valve, either 5 or 20 psig
to the oil level regulator. Mechanical oil level regulators are
rated for pressures ranging from 5 to 90 psig dierential. The
bottom valve of the oil reservoir is piped to oil level regulators
mounted on the compressor crankcases. These regulators open
to feed oil as the oil level drops and closes as the oil level raises
to the set level. In this manner, the oil level in the compressor
is kept at a constant level. Either one oil strainer per regulator
or one oil lter per separator must be used to remove debris
from the oil.
Oil Separators
There are two types of oil separator that may be used in
the Heatcraft parallel racks. One type utilizes the standard
impingement screen. This type separator works by having the
compressed mass ow enter into a large separator chamber
which lowers the velocity and then the atomized oil droplets
collect on the impingement screen surface. As the oil droplets
collect into larger particles they fall to the bottom of the
separator.
The second separator more commonly used is the coalescent
type. This type separator contains a matrix type borosilicate
coalescent lter to do the work impingement screens formerly
did. The exceptionally pure, extremely ne glass bers matrices
excite the oil molecules to collide into one another thus
agglomerating them into bigger droplets until they are forced
to the outer drain layer of the lter. These droplets fall to the
bottom of the separator reservoir and the oil is then returned
Figure 15.
Figure 16. Low Pressure Oil System

Parallel Compressor Systems Installation & Operations Manual, October 2004 27
Parallel Compressor Systems
to the compressor.
Before the oil separator is installed, an initial charge of oil must
be added to it. This initial charge of oil is the amount that is
needed to just oat the needle valve oat. This amount of oil
will stay in the oil separator when in operation and will seal
the needle and prevent damage to the oat mechanism. Oil
Precharge is very important. Failure to Precharge the separator
sump may result in damage to the oil return oat mechanism
by the turbulent hot gas bouncing the oat and causing the
needle valve to leak.
New systems from the factory have been Precharged. Use
the same type of oil that is in the compressor crankcase.
See the table below for the proper amount of oil to be
Precharged.
Temprite Models
The Temprite brand used is the coalescent lter type separator.
Because this lter is ner than a lter/drier, it will pick up any
and all euent and dirt circulating in the system down to 0.3
microns. These lters should be changed after 24 to 48 hours
of initial run time. A second lter is supplied with the system
for this purpose. If the lter becomes dirty, it will not function
at its optimum performance level. In the event of a compressor
burnout, all the euent will be contained in the oil separator.
When the Temprite coalescent separator is used, the separate oil
reservoir is not required. The oil separator serves the additional
function as the reservoir. There is a constant pressure valve
used between the oil return outlet and the oil level regulators
to maintain a low pressure oil flow to the regulators. This
valve should be adjusted to maintain oil pressure to the level
regulators at 20 psig higher than the highest suction pressure
group. This valve can be adjusted by removing the external cap
and rotating the adjusting spring in or out as required.
The valve currently used is manufactured by Parker and is a
model A7 constant pressure expansion valve with a range of 0
to 90 psig. Temprite Part No. is 67070000. An alternative valve
manufactured by Sporlan is Model ADRI - 11/4 - 0/90.
Oil Level Regulators
The AC&R adjustable oil regulators are designed to feed oil
between 1/4 and 5/8 sight glass levels. The regulator may adjust
beyond this range due to the actual oil pressure. Adjustable
regulators include an adjustment mechanism to raise or lower
the oil set point. The AC&R design eliminates the need to shut
the system down in order to adjust the oil level. The oil level may
be adjusted while the system is under pressure and running.
Adjust the oil level by removing the seal cap, the locking disk
(S-9130 & S-9190 series only), and rotating the adjustment
clockwise to lower, counter clockwise to raise the oil level.
Replace the cap and locking disk when done. Each full turn of
the adjustment mechanism moves the oil level approximately
1/16”. Oil levels on these regulators are typically factory set just
below 1/2 sight glass.
All level regulators have a operating pressure dierential range
that should not be confused with its working pressure. The
operating dierential is the dierence of pressure between
the oil feeding into the regulator and the component where
the regulator is controlling oil level. Specically, the reservoir
pressure minus the crankcase pressure. If the differential
pressure is too low for that regulator, insucient oil ow to the
compressor may result. If the dierential pressure is too high,
the regulator will overll.
Helical
Model No.
Oil
Precharge
S-5180, S-5181 4 oz. / 11 cl
S-5182, 85, 87, 88 14 oz. / 40 cl
S-5190, 92, 94 40 oz. / 114 cl
S-5200 / S-5410 series 25 oz. / 71 cl
Conventional
Model No.
Oil
Precharge
S-5500 series 12 oz. / 34 cl
S-5600 series 30 oz. / 86 cl
S-1900, S-5700 series 25 oz. / 71 cl
S-5800 series 12 oz. / 34 cl
Temprite Model
No. Oil Precharge
922R, 923R 77 oz. / 2.2 L
924R , 925R 109 oz. / 3.22 L
926R, 927R 1.8 gal./ 6.7 L
928R 3.5 gal. / 13.25 L
930R 5.7 gal . / 21.25 L
Temprite Valve Adjustment
Turn in (clockwise) to increase pressure. Turn out
(counterclockwise) to decrease pressure. Approximately 7 psi
per turn. Factory set at 40 psi ±2.
Figure 17. Temprite Oil System
Table 20. AC&R Models
Table 21. Temprite Models

28 Part # 25000102
Installation and Operations Manual
AC&R
Model
No.
Connection
Size
Operation
Pressure
Di., psig
Oil Level,
Sight Glass
S-9010 3 BOLT 5 - 30 1/2
S-9010A 4 BOLT 5 - 30 1/2
S-9015 3/4” NPTF F. 5 - 30 1/2
S-9090 3 BOLT 5 - 90 Adjustable
S-9090A 4 BOLT 5 - 90 Adjustable
S-9110 3 BOLT 5 - 30 1/2
S-9120 3 BOLT 5 - 30 1/4 +
S-9130 3 BOLT 5 - 90 Adjustable
S-9190 3 BOLT 30 - 90 Adjustable
Sporlan
Model
No. Of
Cores
Desiccant
Volume
(cu. in.)
# Core
Part No.
C-489-(G) 1 48
RC-4864
RC-4864-HH
RCW-48
C-969-(G) 2 96
C14411-(G) 3 144
C-19211-(G) 4 192
C-4021-(G) 4 192
C-4025-(G) 4 192
Troubleshooting Oil System
The oil return line should always be checked. Feeling the oil
return line and seeing how often it gets hot is the main way to
tell if the separator is working properly. It is easier if an oil line
sight glass is installed, mainly because if the oil line is hot you
don’t know if it is oil or hot gas causing it to be hot. If the oil
line cycles between hot and cold at least a few times per hour,
the separator is most likely working properly. The oat tends to
open and feed a few ounces of oil at a time and shut until the
oil builds back up. If the oil return is cycling there is no need to
drain the separator to look at the oat components.
Always check the oil reservoir level during a service call. Oil
levels in the reservoir will normally vary during periods of
varying loads: compressors shutdown, hot-gas defrost, etc. This
is normal, however if the level is consistently low or high, the
oil system should be checked thoroughly.
Compressor oil levels can be deceiving. It is sometimes hard
to tell if the regulator is feeding oil or if oil is coming down the
suction line. If the reservoir has too much pressure, often times
this pressure will force oil out of the regulator and show a low
level, even though there may be excessive oil in the compressor.
Many times the best way to check the oil in the compressor is to
shut o the oil feeding to the regulator while the compressor
is operating and wait a few minutes. If oil is pushed out of the
regulator or trapped in the motor cavity on semi-hermetic
models, the compressor will overll.
The oil line sight glass is a good way to see how the separator is
working. Look for movement in the glass. If the separator is not
feeding on single or low pressure systems, the sight glass will
have little or no movement and normally will appear empty. If
the separator is feeding, the sight glass will show a rush of oil
and foam past the glass. Most of the time, viewing this sight
glass can prevent having to open the system.
To check the oil level in the separator if the separator has a drain,
shut o the oil return line to prevent further feeding, pump
down the system, shut o the system, evacuate the separator,
and drain the oil from the bottom.
The separator should hold the pre-charge amount plus or minus
a few ounces during operation. By looking at the amount above
or below the pre-charge, any problem with the separator or
oat can be determined.
Note that there is no way to clean or repair welded oil separators.
If it is determined that the float is clogged or otherwise
malfunctioning, the entire oil separator must be replaced.
When the refrigerant and/or oil types are changed in a system,
there is the potential for leaks around o-ring seals. Most
elastomers absorb oil and refrigerant and may swell or shrink
when exposed to a new oil or refrigerant. In these cases replace
the o-rings and seals in the system as needed.
Liquid Filter-Driers & Suction Filters
A replaceable core liquid lter/drier is supplied as standard
on all Rack units and is an option in all other parallel systems.
A Schrader type access valve is installed in the ange plate of
some models. The liquid cores are always shipped loose for
eld installation. (See No. 5 of Leak Checking, Evacuation, and
Start-up section in this manual).
Table 22. AC&R Model Regulators
Table 23. Sporlan Valve Co.
Table 24. Alco Controls
“G” indicates ange plate supplied with _” FPT
# “RC__” Standard Core, “RC__HH” Burnout Core
“RCW_” High Water Capacity
* “T” indicates Liquid Line Service
# “D” Standard Capacity, “H” High Capacity
”UK” High Capacity, “W” Burnout Block
Alco
Model
No. Of
Cores
Desiccant
Volume
(cu. in.)
# Core
Part No.
STAS-489-T* 1 48
D-48
H-48
UK-48
W-48
STAS-969-T 2 96
STAS-14411-T 3 144
STAS-19211-T 4 192
STAS-19213-T 4 192
STAS-19217-T 4 192

Parallel Compressor Systems Installation & Operations Manual, October 2004 29
Parallel Compressor Systems
Suction Filter
Replaceable core suction filters are supplied as standard
on all units. The flanged shell holds replaceable pleated
lter elements suitable for installation in the suction line of
refrigeration systems. In this way any contaminants left in the
system at start-up can be removed before they circulate back
to the compressor. The suction lters are shipped loose for
eld installation. (See No. 3 of Leak Checking, Evacuation, and
Start-up section in this manual).
Compressor Motor Burnout Cleanup Procedure
Another benet of the suction lter is its use in cleanup of a
system after a burnout. Standard liquid cores can be installed in
the shell to aid in the cleanup of acids and other contaminants
from a motor burnout.
The following procedure can be used in case of a motor
burnout.
1. Determine the extent of the burnout. For mild burnout’s
where contamination has not spread through the system,
it may be economical to save the refrigerant. Normally
it is economical to save the refrigeration charge if the
system has service valves. A severe burnout exists if the oil
is discolored, an acid odor is present and contamination
products are found in the high and low side. With this
condition, extreme caution should be exercised to avoid
breathing the acid vapors and to prevent contaminated
liquid from making contact with the skin.
2. Thoroughly clean and replace all system controls, such
as expansion valves, solenoids, check valves, reversing
valves, oil separators, suction accumulators, etc. Remove
all strainers and lter-driers.
3. Install a replacement compressor and make a complete
electrical check.
4. Make sure the suction line adjacent to the compressor
is clean. Install a liquid line lter-drier or a replaceable
cartridge designed for “cleanup” into the suction line
shell.
5. Install a burnout core in the liquid line shell.
6. If the refrigerant is removed from the system, follow the
evacuation procedure found on page 17 of this manual.
7. Start the compressor and put the system in operation.
Record the pressure drop across the suction line lter and
keep for reference.
8. Replace the suction line lter-drier blocks if the pressure
drop becomes excessive.
9. Observe the system during the rst 4 hours. Repeat step
8 as often as required, until no further change in pressure
drop is observed.
10. After the system has been in operation for 48 hours, check
the condition of the oil for Acids. If the oil test indicates an
acid condition, replace the liquid and suction line lter-
driers.
11. Check the system again after approximately 2 weeks of
operation. If the oil is still discolored, or checks acid, replace
the liquid and suction line lter-driers.
12. Cleanup is complete when the oil is clean, odor free, and is
determined to be acceptable by testing for acids or other
contaminants.
13. Replace the suction line lter-drier with suction line lters
cores to minimize suction line pressure drop and to provide
maximum compressor protection.
For more detailed information on burnout cleanup procedures
and recommendations, consult the RSES Service Manual,
section 91.
Sporlan Valve Company
Replaceable Suction Filter
The correct replacement suction lter element in Sporlan Valve
replaceable shells is Sporlan part number RFE-48-BD. However
any suitable lter that is sized to t a 48 cu. inch vessel will
substitute.

30 Part # 25000102
Installation and Operations Manual
Superior Valve Company
Replaceable Suction Filter
On many parallel systems, the Superior Valve Co. suction
lter is installed.
•
Alco Controls
Alco Suction Filter
Comparable to the Superior suction lters and interchangeable
cores.
Table 28. Type AFD (for cleanup)
Replaceable Cartridges -
Head Pressure Control
In a system with variable pressure control the receiver pressure
is maintained at the desired pressure by supplying discharge
gas to it through an adjustable outlet regulator. Further power
savings may be realized by directing only the hot gas to the
top of the receiver to minimize the mixing of cold liquid and
hot gas. As a result subcooled liquid is fed to the evaporators
resulting in increased refrigeration eect and eciency. Also,
the amount of hot gas, that would otherwise condense to wary
liquid, is reduced and a lower cost, smaller regulator can be
used. In general, only one third of bypass is needed compared
to mixing the gas and liquid entering the receiver.
Valve Functions
Referring to the Figure above, Valve A is an Inlet Pressure
Regulator in the liquid drain line from the condenser, and senses
the condenser pressure. The regulator closes as the condenser
pressure drops below the set point, thus back-ooding the
condenser and reducing the inside surface area available for
condensing.
Valve B is and Outlet Pressure Regulator in the bypass line
from compressor discharge to the condenser liquid drain
line. This valve senses the receiver pressure and opens when
this pressure drops below the set point, thus maintaining the
receiver pressure.
Valve C is an In-line Check Valve in the liquid drain line to prevent
higher pressure from backing up into the condenser during low
ambient conditions when the compressor is idle.
Table 27. Type AF Filter
Replaceable Cartridges -
Table 25. Type F Filter
Replaceable Cartridges -
Table 26. Type DF (for cleanup)
Replaceable Cartridges -
Shell
No.
Catalog
No.
IBCA
No.
Cartridge
OD (in.)
Filter
Area (in2.)
2CFA F25A 51071 1-23/32 66
3CFA F35A 51072 2-5/8 115
4CFA F45A 51073 3-17/32 189
5CFA F55A 51074 4-1/16 270
Shell
No.
Catalog
No.
IBCA
No.
Cartridge
OD (in.)
Filter
Area (in2.)
2CFA DF25A 51053 1-23/32 66
3CFA DF35A 51059 2-5/8 115
4CFA DF45A 51060 3-17/32 189
5CFA DF55A 51061 4-1/16 270
Shell
No.
Filter
Core
Cartridge
OD (in.)
Filter
Area (in2.)
BTAS-2 A2F 1-29/32 66
BTAS-3 A3F 2-3/4 115
BTAS-4 A4F 3-3/4 189
BTAS-5 A5F 4-5/16 270
Shell
No.
Filter
Core
Cartridge
OD (in.)
Filter
Area (in2.)
BTAS-2 A2F-D 1-29/32 66
BTAS-3 A3F-D 2-3/4 115
BTAS-4 A4F-D 3-3/4 189
BTAS-5 A5F-D 4-5/16 270

Parallel Compressor Systems Installation & Operations Manual, October 2004 31
Parallel Compressor Systems
Liquid Drain Control Method
This method is ideal for large capacity systems since a smaller
regulator is required for liquid line than for discharge line.
During warm ambient temperature conditions valves A and
C will be open and Valve B will be closed. When the ambient
temperature at the condenser drops, the condenser pressure
will tend to become lower. As this pressure is reduced, when
the pressure becomes as low as its setting, Valve A will begin
to close, thus causing the refrigerant to back up inside the
condenser tubes, reducing the condensing surface and allowing
the pressure to be maintained. As Valve A closes, the receiver
pressure may be reduced by the cold entering liquid to a level
below the setting of Valve B, which will begin to open to bypass
sucient gas to maintain the receiver pressure at the set point
of Valve B. Check valve C will prevent the high pressure from
backing up to the condenser when the receiver pressure is
higher than the condenser pressure, as would be the case
during shutdown in a system with a warm receiver.
When the condenser pressure builds up to the setting of Valve
A, it will open allowing liquid to ow to the receiver.
To describe it again, during cold ambient temperature
conditions this liquid will be considerably subcooled and will
tend to lower the receiver pressure. Valve B will sense the drop
in pressure and open to admit hot gas into the drain line, thus
pressurizing and warming the liquid and maintaining the
receiver pressure.
Recommended Valve Settings
Regulators ordered for a Condenser Pressure Control system for
use with common refrigerants will be furnished with the ranges
and factory settings shown in Table 29. Turning the adjusting
stem in (clockwise) will raise the set point; turning the stem
out (counterclockwise) will lower the set point. See Table 29 for
ranges and amount of pressure change per turn.
Valve
Type
Range Factory
Set Point
Change Per
Turn
psig kg/cm2psig kg/cm2psig kg/cm2
A4A
ARA0 D75 to
280
5.2 to
19.7 140 9.8 53 3.7
A7A
A7A1
A72
D75 to
280
5.3 to
19.7 120 8.4 75 5.3
A9 B 80 to
220
5.6 to
15.5 120 8.4 25 1.8
Field Adjustment
Before final field adjustment of regulators for Condenser
Pressure Control, the following should be done:
1. Install gauges to read compressor discharge, condenser and
receiver pressures.
2. Fully charge the system.
3. Have other controls and components functioning
properly.
4. Have the system as fully loaded as possible.
5. Final adjustments should be made when the outdoor
ambient is below 65°F. Ideally the ambient should be near
minimum system outdoor temperature to allow the system
pressures to drop below the regulator pressure settings.
Before adjusting make sure that all manual opening stems
on the regulators are set for automatic operation. It may
be necessary to temporarily deactivate the low pressure
cut out controls to keep the compressors running during
adjustment.
6. The regulators should be preset using information in Table
29.
7. When the valves are adjusted with the system operating,
enough time must be allowed for the system to stabilize.
Check the sight glass to make sure sufficient liquid is
supplied to the evaporators.
8. Turn the condenser fans o to allow the discharge pressure
to build up. The regulator A should be adjusted to open
when the pressure reaches the desired control point. Listen
for ow through regulator A while watching the pressure
gauge.
To determine the nal setting of regulator B, allow the condenser
fans to run long enough to subcool the liquid supplied to the
receiver. Adjust the regulator until the desired receiver pressure
is obtained. Flow through the valve can be determined by
listening at the valve for gas ow or by feeling the outlet for
change in temperature. The setting of regulator B should be at
least 10 psi lower than the setting of regulator A.
Hot Gas Bypass Regulator Adjustment
Discharge Bypass Valves (DVB) respond to changes in
downstream or suction pressure. When the evaporating
pressure is above the valve setting, the valve remains closed.
As the suction pressure drops below the valve setting, the valve
responds and begins to open. As with all modulating type
valves, the amount of opening is proportional to the change in
the variable being controlled - in this case the suction pressure.
As the suction pressure continues to drop, the valve continues
to open farther until the limit of the valve stoke is reached.
On refrigeration systems discharge bypass valves are used to
prevent the suction pressure from going below the minimum
value determined by the job requirements.
Sporlan Valve Company
Valve Setting and Adjustment
A complete discussion on valve settings is given in Sporlan
Application Bulletin 90-40. The fully adjustable models ADRS(E)-
2, ADRP(E)-3, and ADRH(E)-6 are available with two adjustment
ranges - 0/30 and 0/80 psig. The standard factory settings
for these are 20 and 60 psig, respectively. The ADRI(E)-1-1/4
is available with a 0/55 psig range and the standard factory
setting is 28 psig.
To adjust these valves, remove the cap an turn the adjustment
nut with a 5/16” hex wrench for fully adjustable models
ADRS(E)-2, ADRP(E)-3, and ADRH(E)-6. The ADRI(E)-1-
1/4 model has a 3/8” adjustment screw on top of the
adjustment housing. A clockwise rotation increases the
setting and a counterclockwise rotation decreases the setting.
Adjusting these valves can be complicated because the load
Table 29. Pressure Range, Set Point &
Charge Per Turn

32 Part # 25000102
Installation and Operations Manual
must be varied during the setting procedure and it is dicult
to determine exactly when the bypass valve opens unless a
pressure gauge can be located at the valve outlet.
Therefore, sucient load must be available in some form to
raise the suction pressure above the desired valve setting. Once
this is accomplished, the load can be slowly decreased until the
DBV opens (a hissing sound and/or an accompanying pressure
rise at the outlet connection will indicate that the bypass valve
has opened).
Alco Controls
Valve Setting and Adjustment
CPHE and DGRE regulators are commonly used to prevent the
suction pressure from falling below a predetermined set point.
Complete information about these valves can be found in ALCO
CONTROLS Catalog 24-D.
The rst step after installation is to determine the set point for
the minimum suction pressure allowable for the application.
The following procedure should be followed.
1. Start the system and determine if it is operating properly:
Install a gauge on the compressor suction line and measure
the suction pressure after the system has stabilized. To make
certain that hot gas is not being bypassed, listen to the main
regulator ow or feel the outlet piping. If the piping is warm,
this would indicate hot gas is owing.
2. Stop the flow of hot gas by de-energizing the hot gas
solenoid valve or by turning the power assembly adjusting
stem full CounteRCloCkwise.
3. Reduce the evaporator load until the suction pressure lowers
to the point at which bypass is desired.
4. If the hot gas solenoid was de-energized to stop hot gas
ow, make sure it is now energized.
5. Turn the power assembly adjusting stem in a CloCkwise
direction until bypass occurs and suction pressure does
not fall below the predetermined set point. A CloCkwise turn
of the adjusting stem will increase the pressure setting; a
CounteRCloCkwise turn will decrease it. Standard pressure pilot
is adjustable from 0 to 80 psig, with one complete turn equal
to approximately 4 psi change. Adjustments should be made
in small increments, allowing for the system to stabilize after
each turn.
6. Vary the evaporator load to test at various conditions that
the suction pressure does not fall below the predetermined
set point.
7. Replace the seal cap on the adjusting stem.
Control Settings
The following tables are for use when mechanical low pressure
switches are incorporated for rack pressure control. All control
settings are approximate and should be adjusted for actual
eld conditions and equipment. All settings are based on 10°F
TD evaporator.
Low Pressure Switch Setting for RMCC
Some systems use a form of electronic control such as CPC’s
RMCC solid state controller for Rack operation. On these
systems, there is one mechanical low pressure control for each
suction group that may be on the rack. This control is for backup
emergency control in the event of a board or other electronic
component failure. This low pressure control must be set for the
minimum suction pressure that the rack would be expected to
operate at to keep from interfering with the RMCC control.
Example, for a low temperature suction group, this control
should be set for 0 - 2 psig cutout and approximately 10 psig
cutin. A medium temperature suction group can be set higher.
In the event that this control is needed to actually control the
compressors, set the cutin and cutout for the suction pressure
that you want the compressors to operate to maintain case or
box temperatures.
NOTE: This low pressure control will generally be
mounted on a compressor with the braided
stainless steel tubing connecting to the
appropriate suction group header.
Table 30. Control Settings for R-404A/R-507
Air Temp
°F
EPR
psig
LP C/I
psig
LP C/O
psig
38-42 69 72 64
34-38 64 66 57
34-36 60 62 55
33-35 59 61 53
28-32 55 58 50
24-28 48 50 35
-10-/0 21 24 15
-10-/-5 20 22 14
-15-/-10 15 17 14
-20-/-15 12 15 8
Table 31. Control Settings for R-22
Air Temp
°F
EPR
psig
LP C/I
psig
LP C/O
psig
38-42 54 57 50
34-38 50 48 43
34-36 47 50 41
33-35 45 47 40
28-32 43 45 38
24-28 36 38 25
-10-/0 13 17 8
-10-/-5 11 14 7
-15-/-10 8 10 5
-20-/-15 5 8 2

Parallel Compressor Systems Installation & Operations Manual, October 2004 33
Parallel Compressor Systems
General Maintenance Schedule
(Service/Maintenance should be performed only by a qualied
/ certied refrigeration service technician.)
Weekly
Check refrigerant charge using the liquid line sight glass
Check compressor oil level
Check compressor crankcase heater operation
Check main power and control voltage
Check appearance of area around the unit
Check system pressures
Monthly
Check the refrigerant system for leaks
Check suction lters and liquid line lter driers.
Check all anged connection bolts, ttings and line clamps
for tightness.
Inspect condenser fan blades and motor mounts for cracks,
loose set screws or mounting bolts.
Tighten all electrical connections.
Check operation and condition of contacts on compressor/
fan motor contactors. Check appearance of control panel
interior.
Check appearance of exterior conduit/junction boxes.
Check appearance of insulation.
Check operation of auxiliary equipment.
Quarterly
•
•
•
•
•
•
•
•
•
•
•
•
•
•
•
With unit in stable operation, record all operating conditions:
Suction/discharge/liquid refrigerant pressure(s) and
temperature(s).
System superheat, liquid subcooling, ambient
temperature.
Compressor amperage.
Test all operating and safety controls.
Annually
Obtain oil sample for analysis. Change oil if required.
Clean condenser coil.
Straighten condenser ns as required.
Change liquid line lter drier and suction lter cores.
•
•
•
•
•
•
•
•
Note: The above information is provided only
as a general guideline to aid servicing
personnel and equipment owners in
maintaining equipment. Due to variables
in the actual equipment application,
operating conditions, and environment
recommended service intervals may vary.

34 Part # 25000102
SERVICE DIAGNOSIS CHART
Symptom Cause Remedy
Compressor
Does Not Run
1.
2.
3.
4.
5.
6.
Motor Line open
Fuse blown
Tripped overload
Control contacts dirty or jammed in open position
Piston seized
Frozen compressor or motor bearings
1.
2.
3.
4.
5.
6.
Close starter or disconnect switch
Replace fuse
See electrical section
Repair or replace
Remove motor-compressor head, look for broken valve
and jammed parts
Repair or replace
Unit Short
Cycles
1.
2.
3.
4.
5.
6.
Control dierential set too close
Discharge valve leaking
Motor compressor
Refrigerant shortage
Refrigerant over charge
Cycling on high pres. cutout
1.
2.
3.
4.
5.
6.
Widen dierential
Replace valve plate
Check for high head pressure, tight bearings, seized
pistons, clogged air-cooled condenser
Repair leak and recharge
Remove some refrigerant
Check condenser / or non condensable in system
Compressor
Will Not Start -
Hums
Intermittently
1.
2.
3.
4.
5.
6.
7.
Improperly wired
Low voltage
Relay contacts not closing
Open circuit in start-winding
Stator winding grounded
High discharge pressure
Tight compressor
1.
2.
3.
4.
5.
6.
7.
Check wiring against diagram
Check main line voltage - determine location of voltage
drop
Check my operating manually. Replace relay if defective
Check stator leads. If leads are all right, replace stator
Check stator. If leads are all right, replace stator
Eliminate cause of excessive pressure
Check oil level. Correct binding
Unit Operates
Long Or
Continuously
1.
2.
3.
4.
5.
6.
Control contacts sticking in closed position
Insucient refrigerant in system
Dirty condenser
Air or non-condensables in system
Compressor inecient
Improper wiring
1.
2.
3.
4.
5.
6.
Clean points or replace control
Check for leaks. Repair and add charge
Clean condenser
Purge high point in system
Check valves and pistons
Check wiring and correct if necessary
Fixture
Temperature
Too High
1.
2.
3.
4.
5.
6.
7.
8.
9.
10.
Insucient refrigerant in system
Control set too high
Control wiring loose
Expansion valve or strainer plugged
Compressor inecient
Expansion valve set too high
Iced or dirty coil
Unit too small
Clogged or small refrigerant lines
Oil logged in system
1.
2.
3.
4.
5.
6.
7.
8.
9.
10.
Check for leaks. Repair and add charge
Reset control
Check wiring to control
Clean or replace
Check valves and pistons
Lower setting
Defrost or clean coil
Add unit or replace
Clear line or increase line size
Remove excessive oil, check refrigerant charge
High
Discharge
Pressure
1.
2.
3.
4.
5.
6.
Refrigerant overcharge
Non-condensables in system
Dirty condenser coil
High side restriction
Head pressure control setting
Fan not running
1.
2.
3.
4.
5.
6.
Remove the excess
Remove the non-condensables
Clean
Check all valves or remove restriction
Adjust controls
Check electrical circuit
Installation and Operations Manual

Parallel Compressor Systems Installation & Operations Manual, October 2004 35
Symptom Cause Remedy
Low
Discharge
Pressure
1.
2.
3.
4.
5.
Insucient refrigerant in system
Faulty condenser temp. regulation
Compressor suction or discharge valve ineciencies
Low suction pressure
Head pressure control valve set wrong
or no head pressure control valve
1.
2.
3.
4.
5.
Check for leaks. Repair and add charge
Check condenser control operation
Clean or replace leaky valve plates
See corrective steps for low suction pressure
Adjust valve or install a head pressure control valve
High Suction
Pressure
1.
2.
Excessive load
Expansion valve overfeeding
1.
2.
Reduce load or add additional equipment
Check remote bulb. Regulate superheat
Low Suction
Pressure
1.
2.
3.
4.
5.
6.
7.
Lack of refrigerant
Evaporator dirty or iced
Clogged liquid line lter drier
Clogged suction line or compressor
suction strainer
Expansion valve malfunctioning
Condensing temperature too low
Improper TXV
1.
2.
3.
4.
5.
6.
7.
Check for leaks. Repair and add charge
Defrost or clean coil
Replace cartridge(s)
Clean strainer or replace lters
Check and reset for proper superheat
Check means for regulating
condensing temperature
Check for proper sizing
Little or No
Oil Pressure
1.
2.
3.
4.
5.
6.
7.
8.
9.
Clogged suction oil strainer
Excessive liquid in crankcase
Low oil pressure safety switch defective
Worn oil pump
Oil pump reversing gear stuck in
the wrong position
Low oil level
Worn bearings
Loose tting on oil lines
Pump house gasket leaks
1.
2.
3.
4.
5.
6.
7.
8.
9.
Clean
Check crankcase heater. Reset TXV for
higher superheat. Check liquid line solenoid
valve for proper operation.
Replace
Replace
Reverse direction of compressor rotation
Determine where the oil is or add oil
Replace compressor
Check and tighten ttings
Replace gasket
Compressor
Loses Oil
1.
2.
3.
4.
Lack of refrigerant
Excessive compression ring blowby
Refrigerant oods back
Improper piping or traps
1.
2.
3.
4.
Check for leaks. Repair and add charge
Replace compressor
Maintain proper superheat at compressor
Correct piping
Compressor
Thermal
Protector
Switch Open
1.
2.
3.
4.
5.
Operating beyond design limits
Discharge valve partially shut
Blown valve plate gasket
Dirty condenser coil
Overcharged system
1.
2.
3.
4.
5.
Add facilities so that conditions are within
allowable limits
Open valve
Replace gasket
Clean coil
Reduce charge
Parallel Compressor Systems

SERVICE RECORD
A permanent data sheet should be prepared on each installation, with a copy for the owner and the original for the installing contractor’s
les. If another rm is to handle service and maintenance, additional copies should be prepared as necessary.
System Reference Data
The following information should be lled out and signed by the Refrigeration Installation Contractor.
Date System Installed: _______________________ Date Started: _______________________
Installer and Address: __________________________________________________________________
__________________________________________________________________
__________________________________________________________________
Job Name / Location: __________________________________________________________________
__________________________________________________________________
__________________________________________________________________
Compressor Unit Model: __________________________________________________________________
Compressor Unit Serial No.: ___________________________________________________________
Electrical : ____________________________ Phase: _______________________
Condenser Model: _______________________ Serial No.: __________________________
Design SST: Group ____________________ Group __________________ Group _________________
Compressor Model / Serial No. __________________ / __________________ Group: __________________
Compressor Model / Serial No. __________________ / __________________ Group: __________________
Compressor Model / Serial No. __________________ / __________________ Group: __________________
Compressor Model / Serial No. __________________ / __________________ Group: __________________
Compressor Model / Serial No. __________________ / __________________ Group: __________________
Compressor Model / Serial No. __________________ / __________________ Group: __________________
Evacuation: # Times __________________ Final Micron: __________________
System Suction P (Group ____): ________________________ System Discharge P: ________________________
System Suction P (Group ____): ________________________ System Discharge P: ________________________
System Suction P (Group ____): ________________________ System Discharge P: ________________________
Ambient: ________________________
Superheat at Compressors: __________________________________________________________________________
Since product improvement is a continuing eort, we reserve the right to make changes in specications without notice.
Heatcraft Refrigeration Products LLC • 2175 West Park Place Blvd., Stone Mountain, GA 30087
P: 770.465.5600 • F: 770.465.5990 • www.heatcraftrpd.com
CLIMATE
CONTROL
Commercial Refrigeration Parts
The name behind the brands you trust.
H-IM-PCS-1107 | version 000