Hexagon Metrology Spa G596611 UJB WIRELESS BASE UNIT User Manual UJB Wireless Kit
Hexagon Metrology Spa UJB WIRELESS BASE UNIT UJB Wireless Kit
Contents
- 1. Users Manual
- 2. User Manual
Users Manual

Serving Metrology Worldwide
ISO 9001
VDA 6.4
ISO 14001
© 2012 Hexagon Metrology
UJB Wireless Kit
USER’S MANUAL
M1S614EA – Translation of the original instructions
Control Systems

© Hexagon Metrology, November 2012
Third party trademarks: Hexagon Metrology S.p.A. acknowledges all trademarks and
registered trademarks that are the property of their legal owners.
Hexagon Metrology declares that the information provided in this document was correct
on the date of publication; this information may be changed without notice to bring it
into line with improvements in the performance and quality of its products.
Hexagon Metrology declines all liability for any errors that may appear in the manual.
The contents of this document are strictly confidential and the consignee is obliged to
use it exclusively for his own purposes.
This manual cannot be given, lent or copied, either wholly or in part, without written
authorization from Hexagon Metrology.
Hexagon Metrology Services Ltd.
World Headquarters Office
Cedar House
78 Portsmouth Road
Cobham, Surrey
KT11 1AN
Great Britain
Tel: +44 (0)20 8600 7240
Fax +44 (0)20 8600 7231
Internet: http://www.hexagonmetrology.com
Hexagon Metrology S.p.A.
Strada del Portone, 113
10095 Grugliasco (TO), Italy
Tel: +39 011 4025 111
Fax: +39 011 7803 254
Internet: http://www.dea.it
Hexagon Metrology, Inc.
250 Circuit Drive
North Kingstown, Rhode Island 02852, U.S.A.
Tel: +1 (401) 886 2000
Fax: +1 (401) 886 2727
Internet: http://www.brownandsharpe.com
Hexagon Metrology, GmbH
Siegmund-Hiepe-Straße 2-12
D-35578 Wetzlar, Germany
Tel: +49 (0) 6441 207 0
Fax: +49 (0) 6441 207 122
Internet: http://www.leitz-metrology.com
Hexagon Metrology (Qingdao) Co., Ltd.
188 Zhuzhou Road
Qingdao, 266101, P.R. China
Tel: +86 (532) 8870 2188
Fax: +86 (532) 8870 3060
Internet: http://www.hexagonmetrology.com.cn
Hexagon Metrology is part of Hexagon Measurement Technologies, a business area
within the Hexagon group. Internet: http://www.hexagonmetrology.net
Serving Metrology Worldwide

Contents iii
Contents
Preface v
Documentation Provided with the UJB Kit ....................................................................... vi
Consulting the documentation ........................................................................................... vi
Opening PDF files ............................................................................................... vi
Conventions ....................................................................................................................... vi
Safety Information ............................................................................................................. vi
General information 1
Introduction ........................................................................................................................ 2
Theory of operation ............................................................................................................ 3
UJB Kit composition .......................................................................................................... 4
Technical Data .................................................................................................................... 5
General Characteristics ......................................................................................... 5
Wireless communication characteristics ............................................................... 5
UJB Wireless Portable Unit characteristics .......................................................... 5
UJB Wireless Base Unit characteristics ............................................................... 6
Bluetooth radio module characteristics (optional) ................................................ 6
Compliance to standards ..................................................................................................... 6
Directives and safety standards ............................................................................ 6
FCC (Federal Communications Commission) ...................................................... 7
IC (Industry Canada) ............................................................................................ 7
UJB Kit installation and maintenance ................................................................................. 7
External Host Interface ......................................................................................... 8
Instructions for use 9
Safety precautions for the use of the UJB Kit ................................................................... 10
Commands and signals of the Portable Unit ..................................................................... 11
Unit Operation .................................................................................................................. 12
Touch Screen Functionality Reference ............................................................................. 17
UJB Wireless Portable Unit Use Instructions ................................................................... 18
Switching ON/OFF the unit ................................................................................ 18
UJB Wireless Portable Unit Command Reference ........................................................... 19
Moving the Machine Axes from the Portable Unit ............................................. 22
Managing an Emergency Condition ................................................................... 23
User Service Graphics Reference 25
User Service Reference ..................................................................................................... 26
Service Screen 1 - Build and Version info ......................................................... 26
Service Screen 2 – Audio Settings ..................................................................... 26
Service Screen 3 – Analog Monitor ................................................................... 27
Service Screen 4 – Input Monitor ....................................................................... 27
Service Screen 5 – Output Monitor .................................................................... 28
Service Screen 6 – Advanced Options................................................................ 28
Service Screen 7 – Backlight Settings ................................................................ 29
Advanced Service Graphics Reference 31
Advanced Service Reference ............................................................................................ 32

iv UJB Wireless Kit - User's manual
Service Screen 9 – Advanced Functions ............................................................. 32
Tools & Settings Screen 1 – Default Settings Editor .......................................... 33
Tools & Settings Screen 2 – Audio Settings ....................................................... 33
Tools & Settings Screen 3 – Backlight Settings ................................................. 34
Tools & Settings Screen 4 – Joystick Settings .................................................... 34
Tools & Settings Screen 5 – Reference Test ...................................................... 35
Tools & Settings Screen 6 – Protocol Settings ................................................... 35
Screen Calibration .............................................................................................. 35
UJB Portable Unit Maintenance 37
General .............................................................................................................................. 38
Touch screen and buttons ................................................................................... 38
Charging the Battery Pack ................................................................................................ 38
Inserting the Battery Pack ................................................................................... 40
Battery pack characteristics ................................................................................ 41
Battery Pack technical data ................................................................................. 41
Battery pack warnings ........................................................................................ 41
Docking Station ................................................................................................................ 42
Docking Station warnings ................................................................................... 42
AC/DC Adapter ................................................................................................................ 43
AC/DC Adapter technical data ........................................................................... 43
AC/DC Adapter use warnings ............................................................................ 43
AC/DC Adapter maintenance ............................................................................. 44
Using the UJB Kit in a dual-arm measuring system ......................................................... 44
UJB Quick Reference Guide 45

Preface v
Preface
The present document describes the UJB Wireless Kit (hereafter UJB Kit) and is intended for use by
the system’s user and by the service personnel.
A knowledge of the information given in this manual is essential in order to use the UJB kit and
perform a correct maintenance.
Users and service personnel are advised to read it carefully before using the system or proceeding with
any maintenance procedure.

vi UJB Wireless Kit - User's manual
Documentation Provided with the UJB Kit
The UJB Kit includes the following documents:
UJB Wireless Kit – Installation Instructions (the present manual)
UJB Wireless Kit – User's Manual
CE conformity declaration for the UJB Wireless kit (European version)
Consulting the documentation
Opening PDF files
The documents in PDF (Portable Document Format) format may be read using the Adobe’s Acrobat
Reader viewer. You can start Acrobat Reader directly from the compact disc or by first copying it on
your Personal Computer and then starting it. You can also install Acrobat Reader on your Personal
Computer downloading it from the Adobe’s Web site (http://www.adobe.com).
Conventions
The following conventions are used in this manual to distinguish between various kinds of
information.
Note. Notes give important information taken from the text, which may be useful in ensuring that the
equipment is used to its full potential.
C A U T I O N
Caution messages indicate potential damage to the equipment or loss of data and tell you how to avoid
the problem.
W A R N I N G
Warning messages indicate the potential for bodily harm and tell you how to avoid
the problem.
Safety Information
All the operations described in this document for which you are responsible must be performed in
respect of the national and company safety regulations.

General information 1
General information
This chapter describes the features and the technical characteristics of the UJB Kit.

2 UJB Wireless Kit - User's manual
Introduction
The Universal Jogbox (UJB) is a portable device of the Hexagon Metrology (HexMet ) measuring
systems that allows performing many operations while standing close to the CMM.
For example, you can move the machine axes using the joystick lever or perform manual
operations while self-teaching a part program under the control of the measuring software.
You can also activate CNC motion in Manual Mode at low speed, keeping one of the Enable
pushbuttons pressed.
The UJB is meant to be used together with a HexMet coordinate measuring machine (CMM),
controlled by a HexMet electronic controller consisting of proprietary hardware and firmware
(resident software).
It can also be used together with non-proprietary CMMs, provided that they are equipped with a
HexMet controller and integrated with the safety features required on the basis of a risk analysis.
A UJB cannot be used for general purposes.
In its standard version, the UJB is connected to the control system by a special cable, 7 or 15 m
long. In particularly long machines and under particular operating conditions, a cable connected
UJB may interfere with operation. It should therefore be replaced by a wireless system that makes
operation easier and safer for the user.
The wireless kit is a HexMet optional component replacing the standard UJB. It consists of a
wireless UJB Portable Unit and a Base Unit.
The operation of the two devices (standard and wireless UJB) is identical. Layout, functions and
features of the two devices are identical with the addition, in the case of the wireless version, of
some controls relative to the wireless connection and to the battery pack state.
The following figure shows a one-arm measuring system equipped with the UJB Kit.
Figure 1 UJB Kit

General information 3
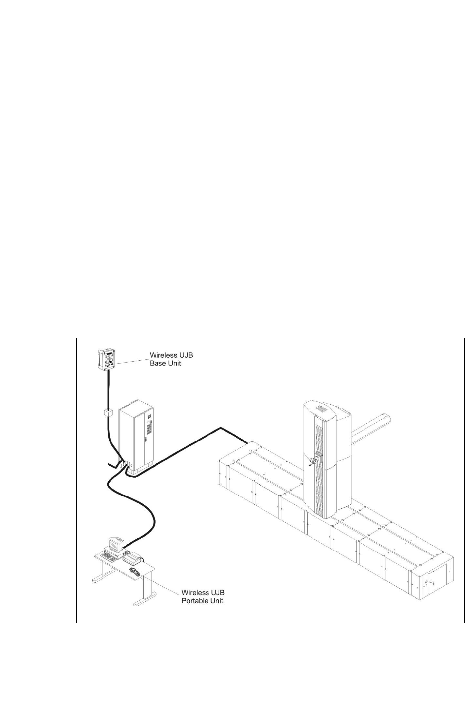
Theory of operation
The following figure shows the physical and logical connections between the Portable Unit and
the Base Unit of the UJB Kit and between Base Unit and control system.
Figure 2 UJB Kit interconnections
The transmission protocol specifically designed and developed for the UJB Kit allows
transmitting with a high degree of safety, and on a single radio channel, both the condition of the
STOP pushbutton (pressed/released) and the user’s commands issued by means of the Portable
Unit’s joystick, buttons and touch-screen.
The same single, bi-directional, half-duplex radio channel transmits to the Portable Unit’s touch-
screen the control system’s feedback relatively to the issued commands.
The transmission of a safety code univocal to each UJB Kit guarantees that the radio
communication between Portable and Base Unit is not affected by interferences coming from
other wireless devices in the same frequency range.
The Base Unit converts the data received from the Portable Unit and sends it, through the
interconnection cable, to the Control System. In practice, the Base Unit is perceived by the control
system as a standard UJB.
As soon as the Base Unit receives the STOP signal generated by the pressure of the STOP
pushbutton on the Portable Unit, it disables its own safety relays and makes the control system
enter a safety emergency condition. Immediately, the control system stops the arm, i.e. cuts the
power supply to the driving gear causing the immediate stop of the measuring system and of its
moving parts (for further details about the management of anomaly and emergency conditions,
please refer to the User’s Manual of the control system).
The Base Unit continues keeping the control system into the safety emergency condition until it
receives the signal that the user has restored both the data transmission and the STOP pushbutton.
The Base Unit generates a safety emergency condition also when the radio channel becomes
unavailable for any reason (e.g. low battery, Portable Unit shutdown, a hardware malfunction, an
interference on the radio channel, exceeding the allowable distance or poor signal quality).
The Base Unit also converts and sends through the radio connection the information addressed to
the Portable Unit that is generated by the control system.

4 UJB Wireless Kit - User's manual
UJB Kit composition
The UJB kit is made up of the following devices:
UJB Base Unit (A): connected to the Controller by means of a 3 m long cable and to
the UJB Wireless Portable Unit by radio frequency, it connects the Portable Unit to
the Controller.
UJB Wireless Portable Unit (B): a portable device of the Hexagon Metrology
(HexMet) measuring systems that allows performing many operations while
standing close to the CMM (Coordinate Measuring Machine).
UJB Wireless Docking Station (C): this pedestal allows accommodating the Portable
Unit when not in use while at the same time recharging it.
UJB Wireless AC/DC Power Supply (D): this power supply may be connected either
to the Portable Unit or to the Docking Station, according to the user’s requirements.
Figure 3 UJB Kit composition
B
C
D
A

General information 5
Figure 4 UJB Portable Unit side view
Technical Data
General Characteristics
Wireless range (with no obstacles)
40 m
UJB Kit operating temperature
range
+5°C ÷ +40°C (41°F ÷ 104°F)
Relative Humidity
50% ÷ 90% non-condensing
Altitude
Up to 1000 m above sea level
Wireless communication characteristics
Operating frequency ranges
869.700 ÷ 869.975 MHz (European version)
902.75 ÷ 923.65 MHz (USA version)
Output power
+ 5dBm max. 869.700 ÷ 869.975 MHz (European version)
-1dBm max. 902.75 ÷ 923.65 MHz (USA version)
Modulation
GFSK
Channels
12
Channel spacing
25 KHz (European version)
1.9 MHz (USA version)
Hamming distance
≥ 4
UJB Wireless Portable Unit characteristics
Power supply
Battery pack: 7.2 V, 2600 mAh
External power supply by means of AC/DC Adapter: 12Vdc, 750 mA max
See the details in "Battery Pack technical data" on page 41 and in “AC/DC
Adapter technical data” on page 43.
Autonomy (typical use)
9 ½ ÷ 10 hours
External power supply and
inserted battery recharge
By means of Docking Station power by the AC/DC Adapter or
By means of AC/DC Adapter direct connection to Portable Unit
See the details in "Charging the Battery Pack" on page 38.
TRANSCEIVER MODULE
BATTERY PACK

6 UJB Wireless Kit - User's manual
Weight
1.05 Kg (with battery pack)
External dimensions (LxDxH)
130 x 340 x 120 mm (including joystick)
Layout and functions
See the "Instructions for use" chapter from page 9.
Degrees of protection
IP41
Antenna
¼ wave, internal
UJB Wireless Base Unit characteristics
Power supply
(provided by the Control System)
5 V , 0.15A
24 V , 0.1 A
Weight
1,3 Kg (including cable)
External dimensions (LxDxH)
110 x 74 x 155 mm (excluding cable grommet)
Degrees of protection
IP54
Antenna
¼ wave, internal
Bluetooth radio module characteristics (optional)
Technology
Standard Bluetooth
Frequency range
2.402 ÷ 2.480 GHz (ISM band)
Output power
Class 1 +17 dBm
Approvals
R&TTE (Europe), FCC/CFR 47 part 15 unlicensed
FCC ID
IC
PVH090103S
5325A-090103S
Compliance to standards
Directives and safety standards
The UJB Kit complies with the directives listed below.
Directive
Description
Directive 99/05 CE
R&TTE Directive
Directive 2004/108 CE
Electromagnetic Compatibility Directive
Directive 2006/42 CE
Machines Directive
Directive 2006/95 CE
Low Voltage Directive
The UJB Kit complies with the safety standards listed below:
Safety Standard
Description
EN60204-1: 2006
Safety of machinery – Machine electrical equipment
§ 9.2.7 Cableless control
ISO13849-1
Safety of machinery – Safety-related parts of control systems:
PL=d for STOP function
PL=b for Enable function
Conformity to the ISO 13849-1 rule has been certified by the TÜV-SUD organization, certificate
n.…..

General information 7
FCC (Federal Communications Commission)
The UJB Kit complies with the limits stated by part 15 of the CFR 47 rule for unlicensed devices.
FCC ID: OYWG596266
Portable Unit
FCC ID: OYWG596611
Base Unit
FCC Declaration
Changes or modifications to the UJB Kit that are not expressly approved by the responsible party
for compliance could may void the user’s authority to operate this equipment.
Note: this equipment has been tested and found to comply with the limits for a Class B digital
device, pursuant to Part 15 of the FCC Rules. These limits are designed to provide reasonable
protection against harmful interference in a residential installation. This equipment generates, uses
and can radiate radio frequency energy and, if not installed and used in accordance with the
instructions, may cause harmful interference to radio communications. However, there is no
guarantee that interference will not occur in a particular installation. If this equipment does cause
harmful interference to radio or television reception, which can be determined by turning the
equipment off and on, the user is encouraged to try to correct the interference by one or more of
the following measures:
Reorient or relocate the receiving antenna
Increase the separation between the equipment and receiver
Connect the equipment into an outlet on a circuit different from that to which the receiver
is connected
Consult the dealer or an experienced radio/television technician for help
IC (Industry Canada)
The UJB Kit complies with the limits of the Radio Standard Specification RSS-210-(2010) rule.
IC: 10123BG596266
Portable Unit
IC: 10123BG596611
Base Unit
UJB Kit installation and maintenance
Users of the UJB Kit are only allowed to perform the ordinary maintenance operations described
in this document.
The UJB Kit’s installation and extraordinary maintenance operations must be performed by
Hexagon Metrology’s service personnel or by qualified personnel expressly authorized by
Hexagon Metrology.
If the Portable Unit or the Base Unit have to be repaired at the Hexagon Metrology’s facilities,
always send both devices, even if only one of them is not working.
Therefore you are advised to keep the UJB Kit’s packaging in a suitable location.

8 UJB Wireless Kit - User's manual
External Host Interface
The Portable Unit, in addition to the main radio module, features also a second radio module (see
the figure of the previous page) for communicating with a PC hosting a measurement software
such as PC-DMIS. The PC-side radio connection is assured by an optional USB Bluetooth
Dongle.
In this way the Portable Unit becomes a PC-DMIS’ External Host Interface providing the main
functions employed during a part-program self-learning procedure.
The UJB External Host Interface provides to measurement software such as PC-DMIS a way to
communicate directly with a UJB via touches and graphics drawn directly on the UJB’s touch-
screen. This interface provides virtually limitless possibility for the measurement software and
CMM operator to interact.
Overview
The UJB External Host Interface uses a wireless Bluetooth connection to talk directly to the host
PC running the measurement software, PC-DMIS.
There are 2 basic areas of the UJB where the operator can view graphics from the external host
(see the figure below):
The banner area at the top of the page: this can be viewed on most operational pages
(banner is not viewable in service page areas)
The dedicated external host page. The operator can access the external host page in
two ways: touching the banner or using the External Host Interface button on the
main page. From the External Host full page the operator can press the home button
and it will always return to the page he was previously on.
NOTE: for any additional information about using PC-DMIS with the Portable Unit, please refer
to the PC-DMIS software documentation.
BANNER AREA
EXTERNAL HOST
INTERFACE BUTTON

Instructions for use 9
Instructions for use
This chapter contains the procedures and information needed for a correct and efficient use of the
UJB Kit.

10 UJB Wireless Kit - User's manual
Safety precautions for the use of the UJB Kit
Given that the UJB Wireless device appears to the system as a normal cabled UJB, during its use
you must observe all the relative precautions specified in the following documents:
User’s Manuals of the utilized measuring system components (typically, measuring
machine, control system and measuring software)
Specific manuals relative to the installation and the application (if present).
In particular, it is necessary to strictly observe the following safety rules:
Always remain within direct sight of the measuring machine’s movements
commanded by means of the UJB Wireless and follow them carefully.
Before starting to use the UJB Wireless Portable Unit always check the operation of
the STOP button. If it does not work or does not cause the expected emergency
conditions, do not use the Portable Unit.
Only switch on or operate the UJB Wireless Portable Unit to perform conscious and
desired operations. An improper use of the Portable Unit could cause dangerous
situations.
Immediately intervene by pressing the STOP button whenever a dangerous situation
occurs.
Check the entire work area and intervene by pressing the STOP button whenever a
dangerous situation occurs.
Take care that no material such as dust or particles that could cause Portable Unit
faults or compromise its safe operation are deposited on its surface.
In case of malfunction, damaged parts or faults, switch off and do not use the UJB
Wireless until the problem has not been solved or removed.
If more than one UJB Wireless device is present in the same work area, take care of
placing each Portable Unit in such a way that it is manifest to what measuring
machine it is associated. In order to easily identify the correspondence between
Portable Unit and measuring machine, at installation time two identical labels have
been applied to the Portable Unit and to the measuring machine.

Instructions for use 11
Commands and signals of the Portable Unit
Figure 5 UJB Portable Unit front view
The controls available on the UJB Wireless Portable Unit are identical to those of the standard UJB with the
addition of some specific controls/signals for the battery and wireless connection management.

12 UJB Wireless Kit - User's manual
Unit Operation
Once you have completed the installation and powered up the system, the UJB will complete a
boot cycle.
Once the controller completes its boot cycle the X, Y and Z icons on the main screen will change
from grey to green. You will then be in a position to begin normal machine operation.
Press the machine start button located in the lower right quadrant of the UJB.
Depress the right or left enable buttons located in the center of the UJB to jog the machine
with your joystick.
The UJB comes with a touch screen display for ease of operation. Depressing the touch screen
icons will issue commands to the controller initiating an action. When a touch screen icon is
pressed the icon will temporarily change to a halftone colour indicating contact to the screen has
been made. A ‘blip’ will also be heard. The purpose of the halftone is to provide feedback to the
operator that a touch has been registered with the system for action and prevent a user from
mistakenly touching the input screen a second time and reversing the intended action.
The icon will change to a green state when the function is active; green icons indicate the function
is active or “On” while grey icons indicate the function is inactive or “Off”.
When powered up the touch screen will enter the Main Screen, also referred to as the “Normal
Machine Control” page (see the “Icon Cross Reference (Normal Machine Control Page)”
paragraph of page 14). Pressing the Home icon will immediately take you to the Home page (see
the figure below).
The touch screen display is divided into three sections (the Home Page is displayed):
The upper banner which when pressed will take the operator to an “External Host
page”.
Main screen icons which contain the active icon set to operate your CMM.
BANNER AREA
MAIN SCREEN
NAVIGATION BAR
Home
Machine Speed
Machine Status
Bluetooth Connection
RF Signal Level
Battery Level
CMM
OPERATION
SERVICE
WIRELESS
EXTERNAL
HOST
INTERFACE)

Instructions for use 13
The navigation bar which allows the operator to select modes of operation from the
home page or move from page to page. The navigation bar also presents status
indicators based on the mode the operator has selected.
To operate your CMM the operator will be working primarily within the main screen section. The
information provided in the table of the following page should answer any questions you may
have and help familiarize you with the symbology that has been selected for CMM operation.
For a complete listing and description of every Icon mentioned in this device please refer to the
“UJB Quick Reference Guide” at the end of this document (page 45).
Touch screen general information
Machine Start Values:
Green = ON
Grey = OFF.
Machine status indicator flashing Red/Yellow = no Mobile to Base communication.
Pressing the Home Icon in the navigation bar of the Home page or External Host
Interface page will return you to your previous screen.
Pressing the Home Icon in the navigation bar of the Main page will return you to the
Home page.
The Icons noted on this page may vary depending on your machine type and system
mode.
Battery Level indicates how much life is left in your battery.
RF Signal Level indicates the signal strength received from mobile unit.
Bluetooth Connection indicator shows the status of the Bluetooth link.
Blue = Connection Up, Black = Connection Down (only available when installed).
Machine Speed indicates the maximum percentage of speed that the machine will
run at (only available for controllers supporting speed control from the UJB).
The display does not support multi press operation at this time.
Should you find a multi key function missing from the menu please contact your
service representative for assistance.

14 UJB Wireless Kit - User's manual
Icon Cross Reference (Normal Machine Control Page)
SYMBOL
DESCRIPTION
LEGACY ICON
DONE
X JOYSTICK AXIS ENABLE
Green = ON / Grey = OFF
Y JOYSTICK AXIS ENABLE
Green = ON / Grey = OFF
Z JOYSTICK AXIS ENABLE
Green = ON / Grey = OFF
JOG MODE
RECORD/MOVE POINT
LOCK
UNLOCK
BANNER AREA
MAIN SCREEN
NAVIGATION BAR
Successive Page
Home
Previous Page
Machine Status

Instructions for use 15
OPERATOR POSITION
N/A
SLOW MODE
Green = SLOW / Grey = FAST
RUN/HOLD
PROBE ENABLE
DELETE POINT
SHIFT
MACHINE STATUS
Flashing red/yellow = BOOTING UP
Grey = BOOT COMPLETED
Green = DRIVES ON
Red = NO LINK

16 UJB Wireless Kit - User's manual
CMM Gloved Operation Screens
The gloved operation screens present the CMM movements control icons in a pattern that makes easier
to select them when wearing gloves. These pages are displayed by pressing the “Successive Page” icon
in the Normal Machine Control Page (and then scrolling them with the “Successive/previous Page”
icons).
Icon Cross Reference (Probe Function Screen)
SYMBOL
DESCRIPTION
LEGACY
ICON
CLAMPING
PROBE ENABLE
Green = ON / Grey = OFF
PROBE PRESSURE
N/A
BALANCE
N/A

Instructions for use 17
Touch Screen Functionality Reference
The Home page (see below) allows the operator selecting one of several functional categories.
These categories have several pages of features which can be accessed if the category and features
are supported.
The top part of the screen, referred to as the upper banner, functions as the access button to the
External Host Interface and can be used to present brief operator prompts or positional data.
The bottom row of icons is the navigation bar and will appear on all pages. This allows the
operator to move from page to page within any given loop or feature category to access the menu
pages. The operator can move left or right within the category by pressing the left or right arrow.
Home Menu

18 UJB Wireless Kit - User's manual
UJB Wireless Portable Unit Use Instructions
Switching ON/OFF the unit
Switch on/off the UJB Wireless Portable Unit using the ON/OFF button (see Figure 5 of page 11).
Note: the Portable Unit will start operating only after the arm will have been correctly started.
While starting the arm, always remember to first switch on the Portable Unit and then the control
system.
The procedure for starting the UJB Wireless Portable Unit while starting the arm is as follows:
1. If depressed, release the STOP button.
2. Press and hold the ON/OFF switch for a few seconds.
3. Switch on the control system.
4. If the Portable Unit and the control system have been correctly started, the UJB Wireless
(after 50-80 seconds) will be synchronized and will display the following indications:
a. The Wireless Level icon becomes red indicating the signal level received by the Portable
Unit.
b. The Machine Status icon goes from blinking in yellow/red colors to grey.
c. Some of the Normal Machine Control Page’s icons are switched off (initially all icons
are on).
5. If needed, you can now press the Machine Start button to power on the machine axes.
If the STOP button is pressed, the radio communication between Portable and Base Unit is
interrupted: this will evidently cause the interruption of the dialogue with the control system.
When the STOP button is released, after a few seconds, the communication with the Base Unit
(and the control system) will be synchronized again and the Portable Unit will be operative again.
Note: if, at the first start, the UJB Wireless Portable Unit is switched on AFTER the control
system, a functional emergency condition will be generated and the user will see the “JOGBOX
FAULT” signalization. In order to restore this emergency, switch off the control system and
repeat the procedure described above.
For further information about the arm start procedures and the emergency recovery, please refer to
the User’s Manual of the utilized control system.

Instructions for use 19
UJB Wireless Portable Unit Command Reference
Joystick
The joystick is used to move one or more of the X, Y and Z axes of the measuring machine at a desired
speed. The joystick can be deflected to the left or right, forwards or backwards, and turned clockwise
or anticlockwise. These movements can be combined with one another.
Only the X, Y and Z linear axes may be moved using the joystick. The status of the icon on each
X JOYSTICK AXIS ENABLE, Y JOYSTICK AXIS ENABLE, Z JOYSTICK AXIS
ENABLE UJB touchscreen button indicates which axis is enabled for movement (grey icon =
axis disabled; steady green icon = axis enabled).
The movements of the X, Y and Z machine axes are controlled from the UJB, and are made at the
speed set using the knob situated on the UJB. The maximum speed at which axes may be moved
depends on the status of the SLOW MODE icon.
Which axis moves, and in what direction, following each movement of the joystick, depends on
the reference system in use on the measuring machine and the status of the OPERATOR
POSITION button. For further details, see “Moving the Machine Axes from the Portable Unit”
on page 22.
To sum up, the axis movements controlled from the UJB are only made if all the conditions listed
below are satisfied:
No axis is moving when the movement is activated.
The ENABLE button is held pressed while moving the joystick.
The icons of the touchscreen buttons that refer to the axes to be moved (X
JOYSTICK AXIS ENABLE, Y JOYSTICK AXIS ENABLE and Z JOYSTICK
AXIS ENABLE buttons) are steady green.
The speed set on the UJB is not zero.
The control system is in the Run status.
STOP Pushbutton
When this pushbutton is pressed, a safety emergency condition is generated. See “Managing an
Emergency Condition” on page 23 for further details.
ENABLE
The ENABLE button must be kept pressed when the UJB is used to move the axes. If the joystick is
moved without holding this button pressed, the axes will not move (this prevents unwanted accidental
movement of machine axes).
MACHINE START
The MACHINE START button turns on the power supply for the axis drives, thus enabling machine
axes to be moved from the Part Program or the UJB.
To turn on the power supply for the drives, hold the button pressed for at least two seconds. The
drives are only supplied if there are no pending emergency conditions.
The Machine Status indicator on the touchscreen shows the current setting:
Indicator off. The drives of the axes are not powered (for example, due to an
emergency). Default setting when the control system is started up.
Indicator green. The drives of the axes are powered.
If the START button is not present on the control panel of the control system, the MACHINE
START button is always enabled. If the START button is present on the control panel, the
MACHINE START button is only enabled when the control system is in Manual status (when
the control system is in Automatic status, use the START button on the control panel of the
control system).

20 UJB Wireless Kit - User's manual
ON/OFF
This ON/OFF button is used to switch on/off the Portable Unit. The unit does not switch off
automatically, therefore always remember to switch it off when not in use, to prevent a complete
discharge of the battery. See also the details on the battery charge (Charging the Battery Pack, page
38).
MACHINE SPEED
This knob is used to set the speed of movement of the machine axes. By turning the knob, the speed
can be set to any value between zero (the machine axes remain still) and the allowed maximum speed
(which depends on the status of the control system and the setting made using the SLOW MODE
touchscreen button.
The Machine Speed indicator on the touchscreen shows the value currently applied as the percentage
of the allowed maximum speed.
Note. If the speed regulator is set to the minimum value (zero), the axes of the measuring
machine will not move. For example, the regulator must be set to an appropriate speed before the
machine axis homing procedure is started.
X JOYSTICK AXIS ENABLE
Y JOYSTICK AXIS ENABLE
Z JOYSTICK AXIS ENABLE
Each of these buttons starts or stops the movement of the corresponding axis using the UJB.
The colour of the icon of the button indicates the current setting:
Green icon. The corresponding axis can be moved using the joystick. When the control system is
started, all three icons are green.
Grey icon. The corresponding axis cannot be moved using the joystick.
DELETE POINT
The DELETE POINT button is used to respond to requests coming from the software. Its function
therefore depends on the software in use.
DONE
The DONE touchscreen button is used to respond to requests coming from the software. Its function
therefore depends on the software in use.
JOG MODE
Touchscreen button. Not used.
LOCK/UNLOCK
Touchscreen button. Not used.
RECORD MOVE – POINT
The RECORD MOVE - POINT touchscreen button is used to respond to requests coming from the
software. Its function therefore depends on the software in use.
PROBE ENABLE
The PROBE ENABLE touchscreen button only has effect during probe movement using the UJB.
The colour of the icon on the PROBE ENABLE button indicates the current setting:
Grey icon. When the probe touches an object, the axis movements are not stopped
(the contact inside the probe is always kept open).
Green icon. When the probe touches an object during a movement or point picking
operation, the axis movements are stopped. This is the normal method of using a
probe.
C A U T I O N
When the icon of the PROBE ENABLE button is grey, the control system cannot detect any
collision or contact between the probe and any object; great care must therefore be taken when
moving the probe.

Instructions for use 21
RUN/HOLD
The RUN/HOLD touchscreen button switches the control system from Run to Hold and vice versa.
The colour of the icons on the RUN/HOLD button indicates the current setting:
icon on red. The control system is in Hold.
icon on green. The control system is in Run. Default setting at control system
start-up.
The RUN/HOLD button may always be used to switch from Run to Hold.
If the control panel has the RUN and HOLD buttons, the RUN/HOLD button will only switch
from Hold to Run when the control system is in Manual status (to switch from Hold to Run when
the control system is in Automatic status, use the RUN button on the control panel).
The RUN/HOLD button has the same function as the RUN and HOLD buttons on the control
panel (if present).
SHIFT
The SHIFT touchscreen button allows selecting which set of axes the joystick will control: the choice
is between the main set of three axes (default) and the additional set of axes, typically those of the
continuous wrist.
SLOW MODE
The SLOW MODE touchscreen button sets the maximum speed for machine axes while their
movement is controlled from the UJB. Two values may be chosen (fastJogVel and slowJogVel, with
fastJogVel > slowJogVel), are configured on the control system and vary according to the type of
measuring machine in use.
When the control system is in Manual status, the maximum speed of the machine axes is set to the
lower value between the one selected using the SLOW MODE button and the manualVel setup
parameter. (The manualVel setup parameter specifies the maximum speed at which the linear axes of
the measuring machine can be moved using the joystick or Part Program when the control system is in
Manual status).
The colour of the icon in the SLOW MODE button indicates the current setting:
Grey icon. The maximum speed is fastJogVel (or manualVel as described above).
Green icon. The maximum speed is slowJogVel. Default setting at control system
start-up (or manualVel as described above).
Important Note. The measuring performance and operation of the measuring machine in use are
only guaranteed if the maximum speed is set to slowJogVel (and the icon of the PROBE
ENABLE button is green). When the axes are moved from the joystick using fastJogVel (icon
gray), to prevent problems caused by false triggering, we recommend you select “gray icon”
condition on the PROBE ENABLE touchscreen button.
OPERATOR POSITION
The OPERATOR POSITION touchscreen button is used to reconfigure the movements of the
joystick according to the position of the user with respect to the measuring machine. The status of the
OPERATOR POSITION icon influences the mapping of the joystick movements that cause the X and
Y axes to move.
For further details, see “Moving the Machine Axes from the Portable Unit” on page 22.

22 UJB Wireless Kit - User's manual
Moving the Machine Axes from the Portable Unit
Note. The information given in this section is valid when the measuring machine is configured
with the Hexagon Metrology standard reference system (commonly adopted in most applications).
If another reference system is being used, this information is to be interpreted in accordance with
the actual configuration.
The figure below shows an example that indicates where the user should be positioned with respect to
the measuring machine when the icon of the OPERATOR POSITION touchscreen button is set as
shown to the left. In this case, moving the joystick forwards (backwards) causes a movement in the +X
(–X) direction, when moving the joystick to the right (left), the movement is made in the –Y (+Y)
direction.
On the basis of the conventions indicated above, each joystick movement moves the
corresponding machine axis as indicated in the table below.
OPERATOR
POSITION
Icon
User Position
Joystick Movement
Axis Movement
In front of the CMM
Shift Right/Left
+X/-X translation
Shift Forwards/Backwards
+Y/-Y translation
Turn
Clockwise/Anticlockwise
–Z/+Z translation
Behind the CMM
Shift Right/Left
-X/+X translation
Shift Forwards/Backwards
-Y/+Y translation
Turn
Clockwise/Anticlockwise
–Z/+Z translation
To the right of the
CMM
Shift Right/Left
+Y/-Y translation
Shift Forwards/Backwards
-X/+X translation
Turn
Clockwise/Anticlockwise
–Z/+Z translation
To the left of the
CMM
Shift Right/Left
-Y/+Y translation
Shift Forwards/Backwards
+X/-X translation
Turn
Clockwise/Anticlockwise
–Z/+Z translation

Instructions for use 23
Managing an Emergency Condition
When an emergency condition arises, the control system stops the measuring system and signals
the emergency condition as follows:
It turns off the Machine Status indicator on the UJB.
It signals the condition to the software which, if correctly started, displays the
relevant information for the user.
To recover an emergency condition, you must first remove its cause (or causes) and then carry out
the recovery procedure (note that there may be several emergency conditions pending at the same
time).
The measuring system cannot be restarted or reused until all the causes that generated the
emergency condition have been removed. If the emergency condition cannot be reset and the arm
restarted after all possible causes have been removed, this means that a fatal error has occurred
(normally a hardware problem).
How to Recover an Emergency Condition (UJB)
1. Eliminate the cause (or causes) that generated the emergency condition. If the
software has been started, use also the information displayed on the PC screen to
identify the causes and take the appropriate corrective action.
2. Reset the emergency condition.
If the control system is in Manual status, press the MACHINE START pushbutton
on the UJB. If the control system is in Automatic status, press the START
pushbutton on the control panel (if the START pushbutton is not on the control
panel, use the MACHINE START pushbutton on the UJB).
Keep the button pressed for at least two seconds.
3. Check the status of the Machine Status indicator on the UJB. If the indicator is
steady green, the arm has started correctly and is ready for use. If it is off, this means
that not all causes of an emergency have been eliminated and so the procedure
should be repeated from step 1.

User Service Graphics Reference 25
User Service Graphics
Reference
The information of this chapter allows setting up various operational parameters of the UJB
Wireless and checking the correct operation of its buttons and joystick.

26 UJB Wireless Kit - User's manual
User Service Reference
Service Screen 1 - Build and Version info
This screen shows specific UJB’s firmware content information.
Service Screen 2 – Audio Settings
TEST BEEP
MUTE/
UN-MUTE
VOLUME BAR

User Service Graphics Reference 27
Service Screen 3 – Analog Monitor
This page displays the raw A/D readings for the UJB:
Joystick X Axis – Raw A/D reading of the joystick X axis
Joystick Y Axis – Raw A/D reading of the joystick Y axis
Joystick Z Axis – Raw A/D reading of the joystick Z axis
Feed Rate – Raw A/D reading of the Feed Rate potentiometer.
Service Screen 4 – Input Monitor
This screen monitors the state of the various inputs to the system: it is for reference only and no
change may be performed using it.
The mode pins are driven by the inputs identified below:
Enable – driven by pressing either the right or left enable button on the UJB (see
Figure 5, page 11).
Machine Start – driven by pressing the machine start button located on lower right
quadrant of the UJB (see Figure 5, page 11).
Mode Pin 1 - 4 – is driven by the cabling scheme. The combined setting of these
four input pins defines the machine system configuration under which the UJB will
operate.
ConBlue Present – driven when the Bluetooth module is installed.
Analog to Digital
Error Monitor:
This indicator should
always read 0.
If not, contact Hexagon
Customer Service
immediately.
CURRENT X, Y & Z
AXIS
JOYSTICK
CALIBRATIONS
CURRENT FEED
RATE OVERRIDE
CALIBRATION

28 UJB Wireless Kit - User's manual
ConBlue Link up – driven when the Bluetooth and PC-DMIS link is established.
Metha Present – driven when the Metha wireless transceiver is installed.
Service Screen 5 – Output Monitor
This screen monitors the state of the various outputs of the system: it is for reference only as no
change may be performed using it.
Back Light – drives the backlight of the LCD display.
(Reserved) – output pins that are reserved for future use.
Service Screen 6 – Advanced Options
This screen shows the state of some options: it is for reference only as no change may be
performed using it.

User Service Graphics Reference 29
Service Screen 7 – Backlight Settings
This page allows the user to modify the default timeout values of the LCD backlight.
Note: settings will immediately take effect even if the operator does not save the values.
This screen allows the user to set the backlight timeout by pressing on the two arrows to 10
seconds, 30 seconds, 1 minute, 3 minutes, 5 minutes, 10 minutes, or never. To change the default
backlight timeout act on the arrows to select your appropriate timeout value and select the “save”
button. Your defaults will be remembered on the next boot cycle.
Note: any button press or display touch will reset the backlight timer. Joystick movements will
not affect the backlight timer.

Advanced Service Graphics Reference 31
Advanced Service Graphics
Reference
The information of this chapter allows setting up various advanced operational parameters of the
UJB Wireless and checking and modifying the operation of its buttons, joystick, touch-screen and
audio devices. It also allows performing some tests on the unit.
Caution: this section is intended solely for the use of trained Hexagon service personnel.
Modifications made to the unit using these service screens may void your warranty.

32 UJB Wireless Kit - User's manual
Advanced Service Reference
Caution: this section is intended solely for the use of trained Hexagon service personnel.
Modifications made to the unit using these service screens may void your warranty.
Service Screen 9 – Advanced Functions
Default Settings Editor – This button will bring you into a series of pages where
the user can change some of the internal settings of the system to calibrate the
joystick, change the default volume, change the backlight timeout value and system
defaults.
Rotate Screen 180 Degrees – This button will rotate the screen and the joystick 180
degrees to operate the UJB in the upside down mode.
Note: this configuration can be saved as a default by pressing the save button in any
of the Advanced Settings pages.
Screen Calibration – This button will bring you to a set of pages that are used to
verify that the display appears and works properly.
Default
Settings
Editor
Rotate
Screen
180°
Screen
Calibration

Advanced Service Graphics Reference 33
Tools & Settings Screen 1 – Default Settings Editor
The default settings of the system can be overridden. The factory defaults should be optimal for
most situations.
Tools & Settings Screen 2 – Audio Settings
This page allows you to modify the default volume of the UJB. To change the default settings,
adjust the volume, up or down, to the desired level, use the test beep to hear the default volume,
then press the “save” button to save the settings. These settings will now be remembered on the
next boot cycle.

34 UJB Wireless Kit - User's manual
Tools & Settings Screen 3 – Backlight Settings
This page allows the user to modify the default timeout values the LCD backlight.
Note: settings will immediately take effect even if the operator does not save the values.
This screen allows the user to set the backlight timeout to 10 seconds, 30 seconds, 1 minute, 3
minutes, 5 minutes, 10 minutes, or always on (infinite). To change the default backlight timeout
select your appropriate timeout value and select the “save” button. Your defaults will be
remembered on the next boot cycle.
Note: any button press or display touch will reset the backlight timer. Joystick movement will not
affect the backlight timer.
Tools & Settings Screen 4 – Joystick Settings
The factory defaults for the Joystick balance should meet the needs of all users. Should your
joystick be damaged or not be properly balanced, use the Joystick Auto Balance feature to reset
zero on the UJB.
The Joystick X,Y, and Z values should all be set to 128 +/- 1 if the joystick is not touched
(optimal value is indicated by the “Target” field). If the proper target is not being reached the user
can press the “balance” button to learn the new zero of the joystick. Once the joystick is balanced,
press the “save” button to have the new settings remembered on future boot cycles. At any point
the user can return to the factory defaults by pressing the “unbalance” button and pressing the
“save” button.
Save
Settings
Balance
Unbalance

Advanced Service Graphics Reference 35
Tools & Settings Screen 5 – Reference Test
This page is reserved to the service personnel: introducing wrong data could make the Portable
Unit unusable and require the intervention of the support service to restore its functionality.
Tools & Settings Screen 6 – Protocol Settings
This page is reserved to the service personnel: introducing wrong data could make the Portable
Unit unusable and require the intervention of the support service to restore its functionality.
Screen Calibration
The screen calibration function allows the service personnel to verify that the touch screen display
appears properly.

UJB Portable Unit Maintenance 37
UJB Portable Unit Maintenance
This chapter describes the UJB Portable Unit maintenance procedures.

38 UJB Wireless Kit - User's manual
General
The UJB Portable Unit does not need you to carry out any particular maintenance procedure with the
exception of normal care and cleaning.
Pay particular attention to the removal of particles and foreign bodies deposited into the joystick’s cup.
Note: in case of faults or for any advice, please refer to the Hexagon Metrology’s Customer Service.
Touch screen and buttons
When necessary, clean using commercially available detergents or water on a soft cloth.
Charging the Battery Pack
The technology of the batteries, the extended battery life and the short recharge times make not necessary
replacing the rechargeable battery pack.
The Battery Pack may only be charged by placing the Portable Unit on its Docking Station (see “C” in
Figure 3 and the figure below) or by connecting the AC/DC Adapter’s plug to the jack connector
located next to the Portable Unit’s handle, after opening its protective cap (see the figure of the
following page). In both cases the AC/DC Adapter provides the energy needed for recharging the
battery pack and supplying the Unit’s electronic circuits.
Figure 6 AC/DC Adapter plugged into the Docking Station
The supplied batteries have an initial charge of over 80%; in any case, the long-term performance of
the batteries may be optimized by carrying out a few complete charge/discharge cycles. Also, in order
to guarantee the full battery life from the first utilization, before using the Portable Unit for the first
time, completely recharge the battery pack as described above.
You can recharge the lithium-ion polymer battery pack whenever convenient, without requiring a full
charge or discharge cycle, without affecting its life-cycle.
The lithium-ion polymer battery pack is protected against full discharge: in case of discharged battery
pack, the Portable Unit turns itself off automatically. After this, do not keep trying to switch it on with
the ON/OFF button.

UJB Portable Unit Maintenance 39
Figure 7 AC/DC Adapter plugged into the Portable Unit
The battery pack recharge also occurs when the Portable Unit is off.
The choice of the recharging method (via Docking Station or direct) depends on the type of use:
If the operator often utilizes the Portable Unit and does it for extended periods of time, it
is advisable to place it on the Docking Station when not in use. When placed on the
Docking Station, a double beep signals to the operator that the battery charge is started
(the battery level icon changes too, see the table of the following page).
If the operator initiates automatic measuring cycles by means of the control panel and for
several days does not use the Portable Unit, then connecting the AC/DC Adapter directly
to the Portable is appropriate.
The Battery Pack recharge current is managed automatically: therefore, leaving the Portable Unit
connected to the AC/DC Adapter continuously does not damage the battery pack. When the battery
pack is fully charged, the recharge current is reduced to almost zero and therefore any stress to
batteries is prevented.
A completely discharged Battery Pack is fully charged in 3 hours (typical): anyway, about 1 hour is
sufficient for the batteries to reach a charge level equal to 60-70% of full charge.
The battery life is around 9-10 hours of continuous operation with the display backlight always on.
The touch screen display shows the “Battery Level” in the lower part.
Battery
Level

40 UJB Wireless Kit - User's manual
The battery icon provides the following battery charge and status information:
100%
Charge
75%
Charge
50%
Charge
25%
Charge
10%
Charge
< 10%
Charge
Alarm
Battery
status
error
Re-
charging
When the battery life is reduced to about one hour, in addition to the 10% charge level a repetitive
beep signals the condition to the user. To stop this acoustic signal, place the Portable Unit on the
Docking Station and wait for a few minutes.
A fully discharged battery left for a long period of time will lose part of its charging capacity: if you
are not going to power the UJB for several weeks, fully charge the Battery Pack.
Inserting the Battery Pack
The following figure shows the battery pack lower/internal side with the connector that must be
inserted into the Portable Unit’s respective connector.
Figure 8 Battery pack
Figure 9 Battery pack in position
BATTERY PACK
CLAMPING SCREW
CONNECTOR

UJB Portable Unit Maintenance 41
Insert the battery pack by first mating its connector with that of the Portable Unit and then pressing
down the pack. Fasten the battery pack to the Portable unit by first pressing the clamping screw and
then tightening it, one-half turn (clockwise).
Battery pack characteristics
To power the Portable Unit use exclusively the rechargeable battery pack which is supplied with the
unit. The part code of the battery pack is: G59661300.
Battery Pack technical data
Cell type
Lithium-ion, cylindrical
Output
7.2V ≥ 2500 mAh (2 cells in series)
Battery life (typical)
9 ½ ÷ 10 hours of continuative operation
Recharge and operating temperature
+5°C ÷ +45°C (41°F ÷ 113°F)
Storage temperature
–20°C ÷ +55°C (-4°F ÷ 131°F)
Number of recharge cycles
500 cycles (average life)
Battery pack warnings
Never use a different AC/DC Adapter from the supplied one. The supplied adapter
features several protections safeguarding the correct operation and the safety of the
battery pack.
While operating the Portable Unit, do not disconnect the battery pack from the unit. The
battery pack should be disconnected only to replace it in case of fault.
Do not modify or tamper with the battery pack.
Do not spill water or other liquids on the battery pack.
In case of disposal, as for any other exhausted battery, the battery pack must be recycled
or disposed of rigorously respecting the recommended environmental protection
practices.
The lithium-ion batteries must be disposed of according to the regulations in force in the
country where it is used. Do not dispose of it by throwing it in unsorted waste, in fire or
in water.
Safety and haulage
The battery pack is protected against damages to its internal cells during transport,
because of overload or inverted current.
The single lithium-ion cells comply with the UL1642 safety standard.

42 UJB Wireless Kit - User's manual
Docking Station
The Docking Station supplied with the UJB Kit allows accommodating the Portable Unit when not in
use while at the same time recharging it, without the need of inserting/removing the AC/DC Adapter’s
plug.
When the Portable Unit is placed on its Docking Station, the display may be read from a distance.
Figure 10 Docking Station
Docking Station warnings
The Docking Station has been designed to be placed on a flat surface: therefore, do not
place it on an inclined or unstable surface.
Do not place any metal part on the Docking Station’ contacts.
Do not smear the Docking Station’s contacts with oil or grease.
Before cleaning the contacts, disconnect the mains cable from the AC/DC Adapter.
CONTACTS

UJB Portable Unit Maintenance 43
AC/DC Adapter
The supplied AC/DC Adapter must be exclusively used to supply the Portable Unit and to recharge the
battery pack.
Figure 11 AC/DC Adapter
As already stated, in order to supply the Portable Unit only use this AC/DC Adapter supplied with the
UJB Kit.
In case of fault, the replacement unit’s code is: G596614xx.
AC/DC Adapter technical data
Input voltage
90÷260 Vac, 50/60 Hz
Output
12 V , 2.5 A
Full recharge time
3 hours
Operating temperature
+5° ÷ 45°C
Degrees of protection
IP40
Marked
UR, CSA, TUV-GS
AC/DC Adapter use warnings
The advices and warnings contained in this section must be carefully observed.
Before using the Adapter
Carefully read all instructions before using the AC/DC Adapter.
Place the Adapter away from liquids and heat sources.
Place the Adapter so that the power cord is always accessible and easy to remove.
Make sure that the input power supply meets the requirements.

44 UJB Wireless Kit - User's manual
Using the Adapter
The supplied AC/DC Adapter must be exclusively used to power supply the Portable Unit and to
recharge the battery pack.
Any other use is considered improper and therefore dangerous. Hexagon Metrology cannot be held
responsible for the consequences arising from the improper, incorrect or unreasonable use of the
Adapter.
Note: using an AC/DC adapter different from the supplied one could reduce the system’s safety
conditions and will void the kit’s warranty and TUV certification.
While using the Adapter, strictly observe the following rules:
Do not touch the Adapter with wet hands and/or feet.
Do not use the Adapter while barefoot.
Do not leave the Adapter exposed to atmospheric agents.
Do not allow the Adapter to be used by those who do not know the functioning.
When not using the Adapter for prolonged period of times, disconnect it from the mains plug.
AC/DC Adapter maintenance
Problem
Suggested remedy
The power cord is damaged
Replace the power cord with one of similar characteristics
The output connector is damaged
Contact the Hexagon Metrology’s customer service
Using the UJB Kit in a dual-arm measuring system
When using the UJB Kit in a dual-arm measuring system, it is important to observe the following
rules:
Before powering the measuring system on, turn on the Portable Units and verify that the
STOP button is released on both of them.
This rule should also be observed when starting a single system of measurement in
SINGLE ARM mode. Regardless of whether the arm that is not in use is on or off, turn
on the power of both handsets and make sure that both STOP buttons are released.

UJB Quick Reference Guide 45
UJB Quick Reference Guide
This chapter provides a summarized description of the commands, buttons and symbols of the
UJB Portable Unit.

46 UJB Wireless Kit - User's manual
Icon Glossary
DONE
SHIFT
PRINT
CLAMPING
RUN
PROBE PRESSURE
HOLD
BALANCE
PROBE ENABLE
HOME PAGE
OPERATOR POSITION
EXTERNAL HOST PAGE
DELETE POINT
PAGE RIGHT
JOG MODE
PAGE LEFT
SLOW MODE
MACHINE
X-AXIS ENABLE
SERVICE PAGE
Y-AXIS ENABLE
WIRELESS PAGE
Z-AXIS ENABLE
LOCK / UNLOCK
ON/OFF
MACHINE
START
JOYSTICK
MACHINE
SPEED
TOUCHSCREEN
DISPLAY
STOP
ENABLE
MAIN SCREEN
UJB

UJB Quick Reference Guide 47
Status Indicator Icons
Battery indicator – Visible when Wireless mode is enabled
Wireless page Indicator – Visible when Wireless mode is enabled
Bluetooth Indicator – Visible when Bluetooth function is enabled
CMM Machine indicator – Green Icon = Drives ON, Grey Icon = Boot
completed; Flashing Red/Yellow = no mobile to base unit communications
Wireless Stop indicators – Visible only when wireless mode is enabled
Wireless initialization state – Visible only when wireless mode is enabled
General Operating Note
Users should be aware that during normal operation the icon will momentarily change to halftone
when the user touches an icon on the display. The purpose of the halftone is to provide feedback to the
operator that a touch has been registered with the controller for action and prevent a user from
mistakenly touching the display a second time and reversing the intended action. The touch-screen
display does not support multi press operation.
Home Screen & Icons Definitions
NOTE: Machine Start Icon Values: Green Icon = Drives ON, Grey Icon = Drives OFF
Machine status indicator flashing Red/Yellow =
No communications between the mobile and the
base unit.
Pressing the Home Icon in the navigation banner
on the Main screen will return you to the Home
screen.
Pressing the Home Icon in the navigation bar of
the Home page or PC-DMIS Capable page will
take you to the previous page.
Unit Operation
The boot cycle completes once you have
completed installation and powered up the UJB, with STOP button released, and after having switched
the control system on. When the controller completes the boot cycle the X, Y and Z Icons on the main
screen will change from green to grey.
Press the machine start button located in the lower right quadrant of the UJB, depress the right or left
enable buttons located in the center of the UJB and jog the machine with your joystick.
The UJB comes with a touch screen display for ease of operation. Depressing the Touch Screen
graphic Icons will issue commands to the controller to initiate an action. When an Icon is pressed a
halo will temporarily light the periphery of the Icon indicating a press has been initiated. The Icon will
change color when the LED is lit.
The screen is divided into 3 sections, upper banner, main screen icons and navigation section. To
operate the machine you will be primarily using the main screen. For gloved screen and probe function
screen operation please refer to CMM Gloved Operation Screens on page 16.