Hill Phoenix 05Dma Users Manual O5dma
05DMA to the manual a1d82773-0fce-4943-8435-3129acc3fcc5
2015-02-09
: Hill-Phoenix Hill-Phoenix-05Dma-Users-Manual-565192 hill-phoenix-05dma-users-manual-565192 hill-phoenix pdf
Open the PDF directly: View PDF
.
Page Count: 32

DAIRY/DELI
/PRODUCE
CASES
MODEL: O5DMA
HANDBOOK
INSTALLATION & OPERATION
P056442G
Rev. 10 12/04

CAUTION
Do not walk or put heavy
objects on top of case.
WARNING
disconnect power to the fans
before cleaning case.
HIGH
PRESSURE
HIGH
PRESSURE
WARNING
Some surfaces may be hot when
case is in operation.
HIGH
PRESSURE
WARNING
Always turn off power to lights
before servicing.
HIGH
PRESSURE
DANGER
Electrical Shock Hazard
Always disconnect power to case
when servicing or cleaning.
HIGH
PRESSURE

Welcome to the ORIGIN2display case family. We’re very pleased you
joined us.
This installation and operation handbook has been especially
prepared for everyone involved with ORIGIN2display cases – owners,
managers, installers and maintenance personnel.
You’ll find this book different than traditional manuals. The most
dramatic difference is the use of many more illustrated instructions to
make it easier to read and to help you get the most from this innovative
new design. When you follow the instructions you should expect
remarkable performance, attractive fits and finish, and long case life.
We are interested in your suggestions for improvement both in case
design and in this handbook. Please call/write to:
Hill PHOENIX
Marketing Services Department
1925 Ruffin Mill Rd.
Colonial Heights, VA 23834
Tel: 804-526-4455
Fax: 804-526-7450
or visit our web site at
www.hillphoenix.com
We wish you the very best in outstanding food merchandising and a
long trouble-free operation.

1
TABLE OF CONTENTS
GENERAL INFORMATION – PAGES 2-3
General information, first step recommendations and case dimensional drawings.
THE USE OF CASTERS – PAGE 4
Cases roll on casters–general use and caster removal.
INSTALLATION - PAGE 5
Instructions on how to trim out cases with illustrations.
REFRIGERATION PIPING - PAGE 6
Diagram showing the refrigeration components of the self contained cases.
COMPONENT DEFINITIONS - PAGE 7
Operational descriptions of the refrigeration components.
PLUMBING – PAGE 8
Information on drain connections.
ELECTRICAL HOOKUP, CONTROL SETTINGS, AND WIRING DIAGRAMS – PAGES 9-16
Complete information on electrical connections.
CASE OPERATION – PAGE 17
Recommended settings for all case controls.
DEFROST AND TEMPERATURE CONTROL – PAGE 18
Defrost data. Sensor bulb locations.
AIR FLOW AND PRODUCT LOADING – PAGE 19
Air flow and load limits.
USE AND MAINTENANCE – PAGES 20-21
Cleaning and fan information.
PARTS ORDERING – PAGES 22-24
Replacement parts identification.
NOTES - PAGES 25-26
PRODUCT WARRANTY - Inside Back Cover

2
GENERAL INFORMATION
DESCRIPTION OF CASES: The refrigerated display cases described in this handbook
are part of the Hill PHOENIX, Origin2design series. Specifically covered in this manual is
model O5DMA multi-deck dairy/deli/produce self-contained.
STORE CONDITIONS: Hill PHOENIX cases are designed to operate in an air conditioned
store with a system that can maintain 75OF (24OC) store temperature and 55 percent (maxi-
mum) relative humidity (CRMA conditions). Case operation will be adversely affected by
exposure to excessively high ambient temperatures and/or humidity.
REFRIGERATION SYSTEM OPERATION: Air cooled condensing units require ventilation for
efficient performance of condensers. Machine room temperatures must be a minimum of
65OF in winter and a maximum of 95OF in summer. Minimum condensing temperatures
should be no less than 70OF.
RECEIVING CASES: Examine fixtures carefully for shipping damage and shortages. For
information on shortages contact the Service Parts Department at 1-800-283-1109.
APPARENT DAMAGE: A claim for obvious damage must be noted on the freight bill or
express receipt and signed by the carriers agent, otherwise the carrier may refuse the claim.
CONCEALED DAMAGE: If damage is not apparent until after the equipment is unpacked,
retain all packing materials and submit a written request to the carrier for inspection within
15 days of receipt of equipment.
LOST ITEMS: This equipment has been carefully inspected to insure the highest level of
quality. Any claim for lost items must be made to Hill PHOENIX within 48 hours of receipt
of equipment.
TECHNICAL SUPPORT: If any technical questions arise regarding a refrigerated display
case contact our Customer Service Department in Richmond at 1-804-526-4455. For any
questions regarding our refrigeration systems or electrical distribution centers contact our
Customer Service Department in Conyers at 1-770-285-3200.
CONTACTING FACTORY: Should you need to contact Hill PHOENIX regarding a specific
fixture, be sure to know the case model number and serial number. This information is on
the serial plate located on the top flue panel of the case (see next page for details). Ask for
a Service Parts Representative at 1-804-526-4455.

NOTES:
z FRONT SILL HEIGHT AND OVERALL CASE HEIGHT VARYS WITH BASEFRAME HEIGHT
z A 2" MINIMUM AIR GAP IS REQUIRED BETWEEN THE REAR OF THE CASE AND A WALL
z AVAILABLE SHELF SIZES: 10", 12", 14", 16", 18", 20", 22" & 24"
FRONT OF CASE
48 in [121.9 cm] {4' case}
72 in [182.9 cm] {6' case}
96 in [243.8 cm] {8' case}
43 1/4 in
[109.9 cm]
35 1/16 in
[89.0 cm]
31 9/16 in
[80.2 cm]
9 7/8 in
[25.1 cm]
CONDENSING UNIT
6 3/16 in [15.7 cm]
3 in [7.6 cm]
JUNCTION BOX 3 in [7.6 cm]
12 in
[30.5 cm]
39 1/4 in
[99.7 cm]
DRAIN PAN
DRAIN ASSEMBLY
1 1/2 in [3.8 cm]
{END}
3 in [7.6 cm]
C
L
39 11/16 in [100.7 cm]
5 1/8 in
[13.1 cm]
COIL PLENUM
6 13/16 in [17.2 cm]*
43 1/4 in [109.9 cm]
32 in [81.3 cm]
59 in
[149.9 cm]
3rd ROW LIGHT
(OPTIONAL)
9.75" MIRROR
(OPTIONAL)
13" MIRROR
(OPTIONAL)
14 1/2 in
[36.9 cm]
18 11/16 in
[47.5 cm]
55 13/16 in
[141.7 cm]
THROAT
STANDARD
DAIRY FRONT
31 9/16 in [80.2 cm]
39 1/4 in [99.7 cm]
17 in
[43.2 cm]
21 3/16 in
[53.9 cm]
53 5/16 in [135.4 cm] THROAT 50 13/16 in [129.0 cm] THROAT
19 1/2 in
[49.6 cm]
23 11/16 in
[60.2 cm]
48 5/16 in [122.7 cm] THROAT
22 in
[55.9 cm]
26 3/16 in
[66.6 cm]
50 13/16 in [129.0 cm] THROAT
19 1/2 in
[49.6 cm]
23 11/16 in
[60.2 cm]
2 1/2" EXTENDED FRONT
W/ NOSE LIGHT 5" EXTENDED FRONT
5" EXTENDED FRONT
W/ NOSE LIGHT 7 1/2" EXTENDED FRONT
W/ NOSE LIGHT
102 7/8 in
[261.3 cm]
100 13/16 in
[256.1 cm]
19 3/16 in
[48.7 cm]
3
MODEL
O5DMA
Amp Plate &
Serial Plate
Location

4
CASES
MOVE ON
CASTERS
FOR EASIER INSTALLATION
ORIGIN2cases are manufactured and shipped to
stores with casters installed on the base frame to
make the job of moving cases easier for everyone
involved with the manufacturing, shipping and instal-
lation process.
Casters not only speed up the process, but they also
reduce the chance of damage from raising and low-
ering cases with ”J” bar to place them on dollies,
skates or rollers. In most situations, one or two per-
sons can move the case with ease.
34
12
CASTERS MAY BE DISCARDED.
ROLL OUT OF TRUCK. When there is a truck - level
delivery dock, cases may be rolled directly from the
truck to the store floor. [CAUTION] If skid boards are
required to unload cases, casters should be removed
prior to sliding them down the skid; after which they
can be reinstalled on case.
ROLL TO LINEUP POSITION. Casters may remain in
place to move the cases to staging areas around the
store, prior to final installation. When ready for final
line-up, roll the case to set position, then remove
casters.
REMOVE COTTER PIN. Removing the casters is
easy. Simply flatten and hammer out cotter pins
then lift the case with “J” bar, and the casters will
fall off.
[CAUTION] Make certain hands are out of the way.

5
The O5DMA is shipped with most of
the exterior panels and trim already installed.
The only exterior parts that need to be
installed when the case arrives are the kick-
plate and the end kickplates. If the cases are
equipped with contour front panels the upper
kickplate retainer is also shipped loose with
the case.
The kickplate, which is shipped in the
case, simply slips up and behind the front
panel and then down onto the “J” rail. See
illustration 1below for details. When
installing the upper kickplate retainer make
sure it is placed behind the front panel lip as
shown in illustration 1below.
The end kickplates, which are also
shipped in the case, are attached to the
baseframes directly under the ends with the
screws provided. There are two, smoke grey
plug buttons that are inserted into each end
kickplate to cover the screw holes, see illus-
tration 2below.
1
2
KICKPLATE
FRONT PANEL
“J” RAIL
SCREW
PLUG BUTTON
END KICKPLATE
BASEFRAME
END
KICKPLATE
FRONT PANEL LIP
“J” RAIL
UPPER KICKPLATE
RETAINER
FLAT FRONT PANELS CONTOUR FRONT PANELS
INSTALLATION

6
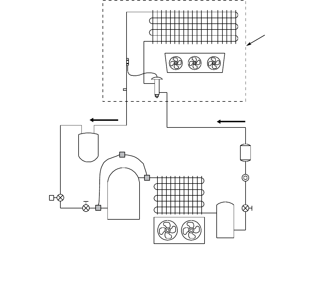
REFRIGERATION PIPING
The diagram below illustrates all of the
refrigeration components in the O5DMA.
The components surrounded by the box are
located in the case tank. Basic definitions of
these components are listed on the following
page.
If it becomes necessary to penetrate
the case bottom for any reason, make certain
it is sealed afterward with canned-foam
sealant and caulk.
The expansion valve and other controls
are located on the left-hand side of the case
and are accessible without lifting the fan
plenum. The controls cluster may be reached
by lifting only the left hand deck pan minimiz-
ing the need to unload product. The compres-
sor and condensing unit are located on top of
the case for easy access.
TXV
Bulb
Evaporator
Fans
Condenser
Fans
Service
Valve
TXV
1/4”
Access
Valve
Evaporator
Condenser
Compressor
Receiver
Service
Valve
Filter
Drier
Tank
Area
Flow Direction
Suction Line
Solenoid
Dual Pressure
Control
Flow Direction
Sight
Glass
Accumulator

7
COMPONENT DEFINITIONS
Access Valve - Access port on the evaporator that allows service personnel to check system pres-
sure.
Accumulator - A device installed on the suction line that is used to boil off small amounts of liquid
refrigerant so liquid does not reach the compressor.
Compressor - An electrically driven piston pump that pumps vapor refrigerant from a low pressure
level to a higher pressure level.
Condenser - The component in a refrigeration system that transfers the heat that was absorbed by
the refrigerant in the evaporator and the heat of compression from the system by condensing the
refrigerant.
Condenser Fans - Fan that forces air through the air cooled condenser to aid heat transfer.
Dual Pressure Control - A device that protects the compressor from low charge and high pres-
sure.
Evaporator - The component of the refrigeration system that absorbs heat from the air by boiling
liquid refrigerant to vapor.
Evaporator Fans - Fans that circulate air through the case and force air through the evaporator to
aid heat transfer.
Filter Drier - A device installed on the liquid line of a refrigeration system that removes water and
other impurities from the refrigerant in the lines during initial start-up.
Receiver - The component in a refrigeration system that stores liquid refrigerant that is not being
used by the system in low load conditions or when the system is shut down.
Service Valve - A manually operated valve in the refrigeration system that is used for various ser-
vice operations such as isolating the high or low sides of the system.
Sight Glass - A device installed on the liquid line of a refrigeration system that is used to determine
if there is water or vapor in the lines by visual inspection.
Suction LIne Solenoid -A device that prevents liquid from entering the compressor.
Thermostatic Expansion Valve (TXV) - A valve that controls the flow of liquid refrigerant to the
evaporator coil and also separates the high pressure side of the system from low pressure side of
the system.
Thermostatic Expansion Valve (TXV) Bulb - A bulb that is attached to the suction line of the evap-
orator that controls the TXV. Inside the bulb is a charge that reacts to temperature and regulates
the flow of refrigerant through the expansion valve.

8
PLUMBING
All of the plumbing components are
attached to the case at the factory so there
is no assembly required. The case drain is
located front and center of the cases for
convenient access and is specially molded
out of ABS material. The “P” trap, furnished
with the case, is molded of PVC. Should any
future maintenance issues arise care should
be given to assure that all connections are
water tight and sealed with the appropriate
PVC or ABS cement.
The case run-off is channeled to a
drain pan located underneath the case as
shown below. The water is then pumped up
to an evaporative drain pan on top of the
case where an electric heater evaporates the
run-off. When cleaning the case be sure not
to introduce water faster than the drain pump
can carry it away.
MODEL
O5DMA
CASE DRAIN
DRAIN PAN
DRAIN PUMP
EVAPORATIVE
DRAIN PAN
HEATERS

9
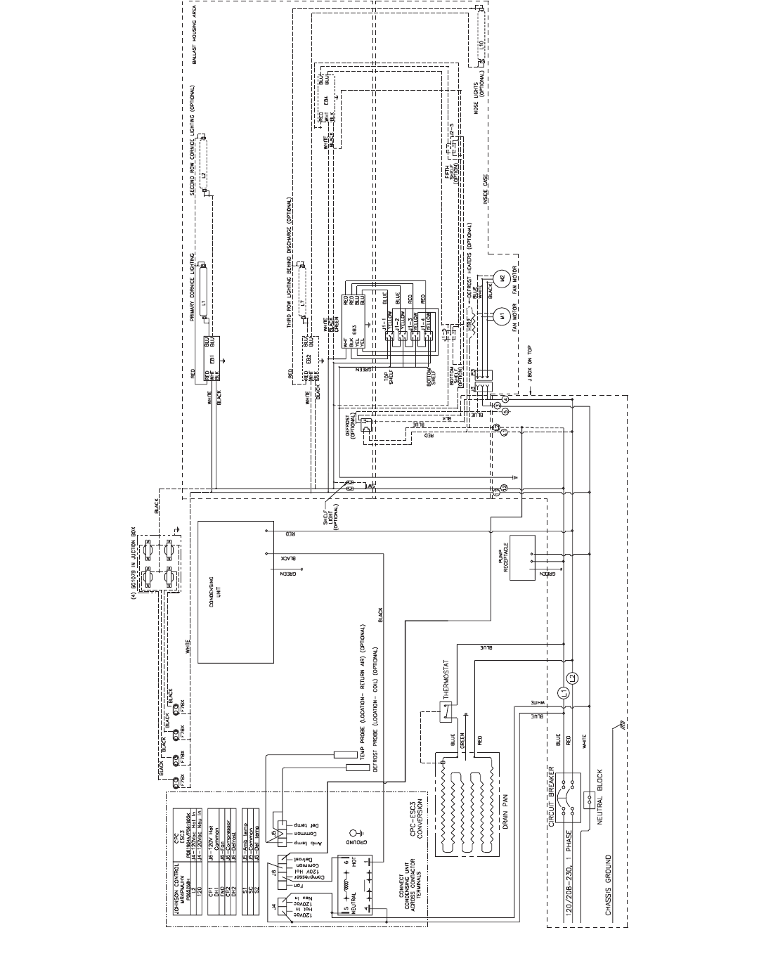
ELECTRICAL HOOKUP
The drain pump is plugged into a
receptacle mounted under the case, as
shown below. The receptacle is intended for
use with the drain pump only and not as a
power supply for peripheral equipment.
FIELD CONNECTION
JUNCTION BOX
DRAIN PUMP
RECEPTACLE
DANGER
Electrical Shock Hazard
Always disconnect power to case
when servicing or cleaning.
HIGH
PRESSURE
CONTROL
MODULE
Electrical connections for the O5DMA
are made in the field connection junction box
located at the top left rear of the case, see dia-
gram below.

10
HOW TO ACCESS BALLASTS
This display case is equipped with specially designed light reflectors in the cornice to improve
the illumination of products. Electronic ballasts operate both the cornice and shelf lights and
are located behind the reflectors.
To gain access to the ballasts the reflectors may be easily removed be removing a several
screws along the length of the reflector. See below.
1. Remove lamps by pulling
down at both ends.
2. Remove screws along length
of the reflector.
3. Reflector is now free to
remove.
4. Ballasts are located behind.
5. To replace, reverse procedure.
First insert reflector in front
channel then replace the
screws in the reflector.
BALLAST
REFLECTOR
CROSS SECTIONAL VIEW OF CORNICE LIGHT AREA
SCREWS LAMP
1
23
4
REMOVE
SCREWS
ELECTRICAL HOOKUP

11
CONTROL SETTINGS
Manual Defrost
Button
Enter
Button
Up
Button
Down
Button
Fan
Status
LED
Compressor
Status
LED
Defrost
Status
LED
Factory Settings
Parameter Description
Setpoint
HY Hysteresis (differential) [1 to 9oF/oC]
LL Setpoint Low Limit [67oF (55oC) to HL]
HL Setpoint High Limit [LL to 99oF/oC]
CC Anti-Short Cycling Timer [0 to 9 min.]
Co Deep Freeze Cycle Time [0 to 99 min.]
AH High Temperature Alarm Value (degrees above setpoint) [0 to 55oF/oC]
AL Low Temperature Alarm Value (degrees below setpoint) [-50 to 0oF/oC]
Ad Alarm Differential [1 to 9oF/oC]
At Alarm Time Delay [0 to 99 min.]
dF Defrost Type (0-electrical; 1-hot gas)
dE Defrost End Mode (0-timed defrost; 1-temperature terminated defrost)
dt Defrost Termination Temperature [32oF to 68oF (0oC to 20oC)]
di Defrost Interval [0 to 99 hours]
dd Maximum Defrost Duration [1 to 99 min.]
dC Dripping Time After Defrost [0 to 99 min.]
dU Initial Defrost Interval (time before first defrost after startup) [0 to 99 min.]
dP Defrost Display (0-displays last value before defrost; 1-displays setpoint)
dr Display Delay After Defrost [1 to 99 min.
iF Digital Input Type (0-no digital input;
1-if digital input open, compres. off w/alarm on:
2-if digital input open, alarm on (contacts closed);
3-if digital input open, fan off w/alarm on)
id Digital Input Time Delay [0 to 99 sec.]
FF Fan Function (0-fan runs parallel with compressor; 1-fan on)
Fd Fan Start-Up Delay (after defrost) [0 to 99 min.]
Fr Fan Start-Up Temp. [-22oF to 41oF/-30oC to 5oC]
SF Sensor Failure Operation (0-compressor off; 1-compressor on;
2-compressor on/off based on last 4 cycles)
So Temperature Sensor Offset [-20oto 20oF/oC]
Un Units Used (0-oC; 1-oF)
PU Display Refresh Rate [1 to 99 sec.]
Factory Control Settings
O5DMA
38
2
-10
73
0
0
20
-10
5
3
0
1
44
6
42
0
99
0
20
0
0
1
5
40
1
0
1
1
Johnson Controls

12
Error Code System Status
F2 Indicates an open or
shorted evaporator
sensor. Correct
problem to reset
control.
}
}
}
F1 Indicates an open or
shorted temperature
sensor. Cycle Power
to reset control.
A2 Digital input is closed
and digital input option
(if) 1 is selected.
A3 Digital input is open
for longer than time
delay (id) and digital
input option (if) 3 is
selected.
HI Temperature has
exceeded the high
temp. alarm value (AH).
LO Temperature has fallen
below the low temp.
alarm value (AL).
EE Program failure: control
must be replaced.
A1 Digital input was open
for longer than time
delay (id) and digital
input option (if) 1 is
selected.
Alarm output on defrost
cycle is controlled by para-
meters di (defrost initiation)
and dd (defrost duration)
Alarm output on compressor
runs according to the sensor
failure mode selected (para-
meter sf)
Alarm output is on
Fan output is off
Alarm output is on
Alarm output is on
Alarm output is on
Alarm output is on
Other outputs off
Compressor off
Alarm output on
IMPORTANT: Disconnect loads before
beginning self test. Cycle power to
resume operation.
Press the “Up” and the “Down” buttons
in sequence and hold for 5 seconds.
To Initiate Self-Test:
Press and the “Enter” and “Up” buttons
in sequence and hold for five seconds.
The compressor status LED will light.
To Initiate a deep freeze cycle:
Press the “Enter,” the “Up,” and the
“Down” buttons in sequence and hold
them all down until “- - -” is displayed.
Hold for about 10 seconds until the
current temperature is displayed.
To lock and unlock the unit:
1. Hold down the “Enter” button down
for 3 seconds. The display will change
to show the setpoint.
2. Press the “Up” or “Down” button until
you reach the new setpoint.
3. Press the “Enter” button to save the
new setpoint.
To change setpoint:
1. Hold the “Enter” button down for
about 10 seconds. The display will
change to “Hy.”
2. Press the “Up” and “Down” button
until the desired parameter is shown
3. Press the “Enter” button. The para-
meter’s current value will be shown.
4. Press the “Up” and “Down” button
until the desired value is shown.
5. Press the “Enter” button to save the
new value. After 10 seconds of inactivi-
ty, the display will return to its normal
function.
To program parameters:
Hold the Defrost button down for 3
seconds.
To Initiate Manual Defrost:
CONTROL SETTINGS
Johnson Controls

13
The ESC3 features a number of options to customize
operation and termination of a defrost cycle. A defrost
cycle can be terminated based on time or temperature.
When termination by temperature is used, a minimum
and maximum defrost time can be specified.
You may also program the ESC3 to begin a defrost cycle
after power-up (after a user-defined delay time) and initi-
ate a defrost manually (see the description for “Defrost
Key” on this page).
Alarm Control
The ESC3 has several alarm functions. In addition to
alarms based on high and low air temperatures, it will
alarm if a probe failure is detected. If you are using
defrost, the ESC3 will also generate an alarm when the
defrost cycle did not terminate as expected (such as
when the ESC3 is programmed to terminate at a temper-
ature set point and the set point was never reached).
Interface
The ESC3 features a 3 digit LED display that shows the
case temperature. Alternately, the display can be config-
ured to display the product temperature if a product tem-
perature probe is connected. The temperature can be
displayed in either °C or °F.
Three keys on the front panel provide an indication of
operating status as well as allowing setpoints to be
changed.
Alarm Key
The Alarm key illuminates when the controller has detect-
ed an alarm condition. This key is also used to reset an
alarm condition and to enter the setup mode (allowing
setpoints to be changed).
Compressor Key
The Compressor key illuminates when the compressor
output is on. When the ESC3 is in setup mode, this key is
used to select a setpoint to be modified and to change the
value of the setpoint.
Defrost Key
The Defrost key illuminates when the ESC3 is in defrost
mode. Press the defrost key for 5 seconds to go into man-
ual defrost mode. The key is also used in setup mode to
select a setpoint to be modified and to change the value
of the setpoint.
CONTROL SETTINGS
Operation
Temperature Control
Temperature control in the ESC3 is accomplished by com-
paring the temperature reading of the case temperature
probe against the temperature setpoint. The compressor out-
put is used to control the temperature. If the temperature is
above the temperature setpoint (L1) + the hysteresis setpoint
(rd), the compressor output is turned on (subject to the con-
ditions described in the compressor operation sec-tion). If
the temperature is below the temperature setpoint – the hys-
teresis set-point, the compressor output is turned off. Note
that the compressor output can also be used to control a
refrigeration solenoid to regulate the temperature in a case.
Compressor Control
Several setpoints are available that allow the operation of the
compressor output to be tailored to match individual needs.
Min On/Off Times and Minimum Cycle Time
Minimum ON/OFF compressor times can be specified, as
well as a minimum time delay between compressor cycles.
These parameters help prevent short-cycling.
Compressor Power ON Delay
The compressor power on delay set-point (c0) allows the
user to specify a delay after the power up of the controller.
The compressor output will not come on regardless of the
temperature reading, until this amount of time has expired.
Compressor Safety Cycle
If the temp sensor fails, the ESC3 can be programmed to
cycle the compressor ON for a fixed amount of time, followed
by a 15-minute OFF time, until the probe failure is fixed. You
may also specify the compressor be fully ON or OFF during
probe failure.
Fan Control
The fan output is controlled by the ESC3 based on the cur-
rent operating mode (defrost, cooling, etc.) and the setpoints
which affect fan operation. It may be set to run only when
required based on case temperature, or it may be set to be
always ON regardless of temperature. In addition to these
two basic modes, you may also turn the fans OFF during
defrost, specify the fan will be ON only when the compressor
is running, and delay fan activation after defrost drip time.
Defrost Control
The ESC3 can control the defrost function of a case. The
ESC3 executes defrost cycles at a user-defined time interval.
Electric, Off Cycle and Hot Gas defrost types are supported.
ESC3 Controls

14
Alarm Operation
Indications on the Display
If the defrost, or compressor key blinks, it means that the
corresponding function is delayed by a timing routine or
inhibited. Other two-character messages may appear on
the screen to indicate changes of state or alarm condi-
tions. Values shown in Table 1.
Viewing and Changing the Temperature Setpoint
The temperature setpoint is the comparison point for the
control temperature input. To change the set point value:
1. Press the Alarm key for more than 5 seconds until the
setpoint is displayed and blinking.
2. Press the Compressor key and Defrost keys to
raise/lower the value.
3. Press the Alarm key again to accept the new value.
Changing Other Setpoints
There are two levels of setpoints in the ESC3. The first
level does not require a password to change (unless the
buttons are locked out). The setpoints that can be
changed in this manner are identified in Table 1 (back
side) as a USER setpoint. All other setpoint do require a
password to change and are identified in Table 2 (back
side) as an OEM setpoint. To change USER-level set-
points:
1. Press the Alarm key and hold it until the letters PS are
displayed.
2. Use the Compressor and Defrost key to scroll through
the codes for the different set points (see Table 1 and
Table 2).
3. When the code is displayed for the setpoint you wish to
change, press the Alarm key. The value for that
setpoint will be displayed.
4. Press the Compressor or Defrost key to change the
value
5. Press the Alarm key to go back to the code.
At this point you must press the Alarm key to accept the
change or press the Compressor or Defrost key to scroll
to the next USER setpoint. To accept the changes, press
and hold the Alarm key until the display stops flashing. To
change OEM-level setpoints, the password must be
entered. To do this press and hold the Alarm key until the
letters PS are displayed. When PS is displayed release
the alarm key and 0 will be displayed. Press the
Compressor or Defrost keys to enter the password (22 is
the default) then press the Alarm key. PS will be dis-
played again. At this point, pressing the Compressor or
Defrost key will scroll through the legend for all setpoints.
To change the setpoints, use the identical procedure that
is used to change a USER setpoint.
Code Meaning
E0 Air probe has failed
E1 Defrost termination or product probe has failed
LO Low temperature alarm
HI High temperature alarm
Ed Defrost timeout has occurred
(did not terminate correctly)
dF Case is in defrost (not an alarm)
Table 1
K1
J4 J6 J5
R1
K2
1
5
4
6
120Vac
Neutral
Fan
Compressor
120V Hot
Defrost
Amb temp
Common
Def temp
ESC3 Case Controller
Alarm Key
Defrost Key
Compressor Key
Control Input 0.39 A, 120 Vac, 60 Hz
Common Input 11.2 A, 120 Vac, 60 Hz
Fan Output 1 FLA, 6 LRA, 120 Vac, 60 Hz
Compressor Output 1.5 HP @ 120 Vac
(K2) (external relay #841-S-1A-D
by Song Chuan)
Defrost Output 10.0 A, 120 Vac, Resistive, 60 Hz
(P/N 850-3500 only)
CONTROL SETTINGS
ESC3 Controls

15
Code Parameter Name Min Max Units
Setpoint °C/°F
PS Password 0 199
/C Offset for air temp sensor -127 127 °C/°F
(in tenths of a degree: i.e. a value of “1” adds 0.1° to value)
rd Regulator differential (superheat) set point (a “0” in this field = 0.5°C or 0.5°F) 0 19 °C/°F
dI Time between defrost cycles (defrost interval) 0 199 hours
dt Defrost temperature termination set point -50 127 °C/°F
dP Max duration of defrost if using electric or hot gas defrost, or the actual 1 199 min
duration of defrost if doing timed defrost
dd Drip time 0 15 min
d8 Alarm delay after defrost 0 15 hours
d/ Defrost probe reading (read-only) °C/°F
AL Low temperature alarm differential (subtract this value from the temperature 0 127 °C/°F
set point to get low alarm temperature set point) (0 = no low temp alarming)
AH High temperature alarm differential (add this value to the temperature set 0 127 °C/°F
point to get high alarm temperature set point) (0 = no high temp alarming)
F1 Fan on at temperature set point (used if F0 = 1) -50 199 °C/°F
Fd Fan delay after defrost drip time for each F0 value 0 15 min
H5 ID code for programming key -99 +
T External parameter programming -99 199
User Level Setpoints - O5DMA
O5DMA
38
22
0
3
6
44
42
0
1
-10
20
5
1
8

16
WIRING DIAGRAMS- MODEL
O5DMA

CASE OPERATIONS
17
Multi-Deck Self-Contained Produce/Dairy/Deli Merchandiser
O5DMA - 4’, 6’ & 8’
Model Volts Phase
Frequency
(Hz) HP
RLA2
(amps)
208 511R404AO5DMA-4’
208 56
9.6
R404AO5DMA-6’
LRA3
(amps) Refrig.
lbs of
Refrig.
Condensing Unit Data
1
1
60
60 1 3/4 10.9
4.5
2RLA - Running Load Amps.
3LRA - Locked Rotor Amps.
4’
6’
8’
Standard Fans
120 Volts
Amps
1.00
1.00
1.50
Watts
60
60
90
Drain
Pump
120 Volts
Amps
1.10
1.10
1.10
Watts
66
66
66
Condenser
Fan
208 Volts
Amps
0.85
1.10
2.60
Watts
88
114
270
Fans per
Case
2
2
3
Electrical Data
O5DMA
Model
Electric Defrost
Defrosts
Per Day
4
Model
O5DMA
Timed Off Defrost Hot Gas Defrost Reverse Air Defrost
Fail-safe
(min)
- - -
Termination
Temp. (°F)
- - -
Fail-safe
(min)
- - -
Termination
Temp. (°F)
- - -
Fail-safe
(min)
42
Termination
Temp. (°F)
47
Fail-safe
(min)
- - - 4
Termination
Temp. (°F)
- - -
Defrost Controls
All measurements are taken per CRMA specifications.
Medium Temperature Defrost Schedule
No. Per Day Hours
1 12 midnight
2 12 am - 12 pm
3 6 am - 2 pm - 10 pm
4 12 - 6 am - 12 - 6 pm
208 61 R404AO5DMA-8’ 160 212.4
208 Volts
Amps
7.21
7.21
7.21
Watts
1500
1500
1500
120 Volts
Amps
3.18
4.59
4.59
Watts
382
551
551
Evap. Pan
Heater
Maximum
Lights
4’
6’
8’
Phase
1
1
1
Volts
208
208
208
System Requirements
O5DMA
Model WireHz
3 wire + ground
3 wire + ground
3 wire + ground
60
60
60
Guidelines & Control Settings
1Average discharge air velocity at peak of defrost.
Model
24 hr Energy
Usage (kWh)
Suction Pressure @
Case Outlet (psig)
Discharge Air
(oF)
Return Air
(oF)
Discharge Air Velocity1
(FPM)
30
52 44 250
O5DMA-4’
30
52 44 250
O5DMA-6’
Superheat Set Point
@ Bulb (oF)
6-8
6-8
30
52 44 250
O5DMA-8’ 6-8
Maximum
Overcurrent
Protection
35
40
45
Minimum
Circuit
Ampacity
22.096
23.034
23.934
4NOTE: - - - not an option on this case model.

18
DEFROST AND TEMP CONTROL
The O5DMA uses timed off defrost as
its primary defrost method. The timed-off
defrost termination control probe is located in
the middle fo the coil near the top as shown in
the diagram below. Access to the probe can
be gained by removing the lower rear baffle.
The temperature control probe is located
behind the 3 1/2” plug button in the top flue
panel, also shown in the diagram below. Both of
these probes are wired to the case controller
mounted on top of the case.
Timed-Off defrost termination control
probe location (In center of coil near
top of coil).
Temperature control probe location
(Behind the 3 1/2” plug button).

19
4
3
2
1
AIR FLOW AND PRODUCT LOADING
Cases have been designed to provide maxi-
mum product capacity within the refrigerated
air envelope. It is important that you do not
overload the food product display so that it
impinges on the air flow pattern.
DISCHARGE..............1
LOAD LIMIT...............2
AIR FLOW..................3
RETURN AIR GRILL...4
MODEL
O5DMA
Overloading will cause malfunction and the
loss of proper temperature levels, particular-
ly when discharge and return air sections are
covered. Please keep products within the
load limit lines shown on these diagrams.

20
USE AND MAINTENANCE
POSITIVE DRAIN OFF
CASE CLEANING
Case is designed to facilitate cleaning. There is a wide
radius formed on the front and back of the inside bottom
that helps accelerate liquid flow and eliminates difficult-to-
clean sharp corners. All surfaces pitch to a deep-drawn
drain trough that angles toward the front and center of case
where the waste outlet is located for easy access.
The coil is covered to keep food fluids from entering, but
the cover lifts up easily when coil cleaning is desired. The
single piece fan plenum lifts up for cleaning, exposing a
major portion of the inside bottom of the tank. Make cer-
tain fan plenum is properly closed after cleaning to avoid
air leaks. Front return air grills snap out for cleaning; no
fasteners are used.
In order to keep the unit running at peak design
efficiency the air intake grill and the condenser coil should
be cleaned at least once a month.
SINGLE PIECE FAN PLENUM LIFT UP
SINGLE PIECE FAN
PLENUM SWINGS
UP FOR EASY
CLEANING
PLENUM
COIL
CLEAN HONEYCOMB
HONEYCOMB
LOOSEN
SCREW
SLIDE REAR HONEYCOMB
RETAINER BACK AND
REMOVE HONEYCOMB
DANGER
Electrical Shock Hazard
Always disconnect power to case
when servicing or cleaning.
HIGH
PRESSURE
CLEANING PROCEDURES
• A periodic cleaning schedule should be established to maintain proper sanitation, insure maximum operating efficiency, and
avoid the corrosive action of food fluids on metal parts that are left on for long periods of time. We recommend cleaning once
a week.
• To avoid shock hazard, be sure all electrical power is turned off before cleaning. In some installations, more than one
disconnect switch may have to be turned off to completely de-energize the case.
• Check waste outlet to insure it is not clogged before starting the cleaning process and avoid introducing water faster than the
case drain can carry it away.
• Avoid spraying cleaning solutions directly on fans or electrical connections.
• Provide a temporary separator between those cases which are being cleaned and those which are not.
• Allow cases to be turned off long enough to clean any frost or ice from coil and flue areas.
• Remove and clean discharge honeycomb. You may need to use spray detergent and a soft, long bristle brush.
• Use mild detergent and warm water. When necessary, water and baking soda solution will help remove case odors. Avoid
abrasive scouring powders or pads.
• Remove front panels and clean underneath the case with a broom and a long handled mop. Instructions for removing the
front panels can be found on page 6 of this manual.
• Use warm water and a disinfecting cleaning solution when cleaning underneath the cases.

21
37 37
37
37 37
FANS
The evaporator fans are equipped with either
9 watt fan motors, 1550 RPM’s, or 12 watt fan
motors, 1650 RPM’s. Both motors have a counter
clockwise rotation when viewed from the shaft end.
The fan blades are 8” in diameter and the blades are
pitched to 37 degrees on each model as shown on
the chart below. It is important that the blade
pitch be maintained as specified. Do not
attempt a field modification by altering the
blades.
Fan motors may be changed with an easy
two-step process without lifting up the plenum,
thereby avoiding the necessity to unload the entire
product display to make a change:
1. Unplug the fan motor, easily accessible out
side the plenum
2. Remove two fasteners, then lift out the
entire fan basket
NO.
FANS
BLADE
PITCH
2 2 3
37º 37º 37º
4’ 6’ 8’
MODEL O5DMA
2
1
MODEL
O5DMA-4’
& O5DMA-6’
MODEL
O5DMA-8’
WARNING
Disconnect power to the fans
before cleaning or servicing
case .
HIGH
PRESSURE

E09
E11
E10
E20
50
E06 E07
22
PARTS ORDERING
11
24
9
1
26 2
17
19
22
15
12
13
20
25
51
3
88
87
38
82
E19
81
36
86

23
Model O5DMA
Location Part Descriptions
Number
1Kickplate, PVC Extrusion, Storm Grey
2Master Bumper, Featherstone, Smoke, White, French Vanilla, Black
3Lower Front Panel, (only with curved front panel) Painted or Stainless
9Deck Pan, Painted, Unpainted, Stainless
11 Front Baffle, Aluminum, Painted White, Custom Color, or Stainless
12 Honeycomb, Discharge
13 Rear Honeycomb Retainer, Painted White, Custom Color, or Stainless
15 Upper Rear Baffle, Painted White, Custom Color, or Stainless
17 Nose Bumper, PVC Custom Color
19 Cornice, Painted, Stainless Steel
20 Lower Rear Baffle, Painted White, Custom Color, or Stainless
22 Shelves, Lighted or Unlighted, Painted White, Custom Color or Stainless
24 “J” Rail, for Kickplate
25 Top Flue Panel, Painted White, Custom Color, or Stainless
26 Front Panel, Curved (Shown) or Flat, Painted Custom Color
36 Plug Button
38 Shelf Package Stop, Plexiglas or Wire Fence
50 Lamp Shield
51 Compressor Shroud
69 Coil
75 Drain Pan, Stainless Steel (Not Shown, located on top of case)
81 Wire Racks, On Deck Pan (Not Shown)
82 Shelf Tag Moulding
83 Thermometer, Including Bracket (Not Shown)
86 Light Reflector, Specify With or Without Hole, Painted or Stainless
87 End Assembly
88 End Kickplate
E05 Light Switch, (Not Shown)
E06 Lamp Holder
E07 Lamp
E08 Ballast, (Not Shown)
E09 Fan Motor - STATE HIGH EFFICIENCY OR STANDARD
E10 Fan Blade, 8”
E11 Fan Basket, 8”
E19 Receptacle, Recessed, Shelf Light Outlet, White (Not Shown)
E20 Fan Cord-Set, High Efficiency or Standard

24
PARTS ORDERING
Procedure
1. Contact the Service Parts Department
Hill PHOENIX
1925 Ruffin Mill Road
Colonial Heights, Virginia 23834
Tel: 800-283-1109
Fax: 804-526-3897
2. Provide the following information about the part you are ordering:
• Model number and serial number of the case on which
the part is used.
• Length of part, if applicable, I.E. 4’, 6’, 8’.
• Color of part if painted, or color of polymer part.
• Whether part is for left hand or right hand application.
• Whether shelves are with or without lights.
• Quantity
*Serial plate is located on top flue panel on the right hand side of
the case (See illustrations on page 3).
3. If parts are to be returned for credit, ask the Parts Department to
furnish you with a Return Materials Authorization Number.

25
NOTES

26
NOTES

6/00
WARRANTY
HEREINAFTER REFERRED TO AS MANUFACTURER
FOURTEEN MONTH WARRANTY. MANUFACTURER’S PRODUCT IS WARRANTED TO BE FREE FROM
DEFECTS IN MATERIAL AND WORKMANSHIP UNDER NORMAL USE AND MAINTENANCE FOR A
PERIOD OF FOURTEEN MONTHS FROM THE DATE OF ORIGINAL SHIPMENT. A NEW OR REBUILT
PART TO REPLACE ANY DEFECTIVE PART WILL BE PROVIDED WITHOUT CHARGE, PROVIDED THE
DEFECTIVE PART IS RETURNED TO MANUFACTURER. THE REPLACEMENT PART ASSUMES THE
UNUSED PORTION OF THE WARRANTY.
This warranty does not include labor or other costs incurred for repairing, removing, installing, shipping,
servicing, or handling of either defective parts or replacement parts.
The fourteen month warranty shall not apply:
1. To any unit or any part thereof which has been subject to accident, alteration, negligence, misuse or
abuse, operation on improper voltage, or which has not been operated in accordance with the
manufacturer’s recommendation, or if the serial number of the unit has been altered, defaced, or removed.
2. When the unit, or any part thereof, is damaged by fire, flood, or other act of God.
3. Outside the continental United States.
4. To labor cost for replacement of parts, or for freight, shipping expenses, sales tax or upgrading.
5. When the operation is impaired due to improper installation.
6. When installation and startup forms are not properly complete or returned within two weeks after startup.
THIS PLAN DOES NOT COVER CONSEQUENTIAL DAMAGES. Manufacturer shall not be liable under any
circumstances for any consequential damages, including loss of profit, additional labor cost, loss of
refrigerant or food products, or injury to personnel or property caused by defective material or parts or for
any delay in its performance hereunder due to causes beyond its control. The foregoing shall constitute
the sole and exclusive remedy of any purchases and the sole and exclusive liability of Manufacturer in
connection with this product.
The Warranties are Expressly in Lieu of All Other Warranties, Express of Implied and All Other
Obligations or Liabilities on Our Part. The Obligation to Repair or Replace Parts or Components
Judged to be Defective in Material or Workmanship States Our Entire Liability Whether Based on Tort,
Contract or Warranty. We Neither Assume Nor Authorize Any Other Person to Assume for Us Any
Other Liability in Connection with Our Product.
MAIL CLAIM TO:
Hill PHOENIX
Display Merchandisers
1925 Ruffin Mill Road
Colonial Heights, VA 23834
804-526-4455
Hill PHOENIX
Refrigeration Systems &
Electrical Distribution Products
709 Sigman Road
Conyers, GA 30013
770-285-3200

1925 Ruffin Mill Road, Colonial Heights, VA 23834
Due to our commitment to continuous improvement all specifications are subject to change without notice.
Hill PHOENIX is a Sustaining Member of the American Society of Quality.
Visit our web site at www.hillphoenix.com
804-526-4455
ASH4021
Warning
Maintenance & Case Care
When cleaning cases the following must be performed
PRIOR to cleaning:
To avoid electrical shock, be sure all electric power is
turned off before cleaning. In some installations, more
than one switch may have to be turned off to completely
de-energize the case.
Do not spray cleaning solution or water directly on fan
motors or any electrical connections.
All lighting receptacles must be dried off prior to insertion
and re-energizing the lighting circuit.
Please refer to the Use and Maintenance section of this installation manual.