Hirschmann Car Communication 920287C 920287A User Manual Testreport ETS 300 335
Hirschmann Car Communication GmbH 920287A Testreport ETS 300 335
Users Manual

Test report no. 1911639 Page 1 of 2
EUT: 920287A
FCC ID: XTJ920287C
FCC Title 47 CFR Part 15
Date of issue: 2019-01-15
Date: 2018-06-06
Created: P4 Reviewed: P9 Released: P1
Vers. No. 1.18
TÜV NORD Hochfrequenztechnik GmbH & Co. KG
Rottland 5a, 51429 Bergisch Gladbach, Germany
Tel: +49 2207 9689-0
Fax +49 2207 9689-20
Annex acc. to FCC Title 47 CFR Part 15
relating to
Hirschmann Car Communication GmbH
920287A
Annex no. 5
User Manual
Functional Description
Title 47 - Telecommunication
Part 15 - Radio Frequency Devices
Subpart C – Intentional Radiators
ANSI C63.4-2014
ANSI C63.10-2013

Test report no. 1911639 Page 2 of 2
EUT: 920287A
FCC ID: XTJ920287C
FCC Title 47 CFR Part 15
Date of issue: 2019-01-15
Date: 2018-06-06
Created: P4 Reviewed: P9 Released: P1
Vers. No. 1.18
TÜV NORD Hochfrequenztechnik GmbH & Co. KG
Rottland 5a, 51429 Bergisch Gladbach, Germany
Tel: +49 2207 9689-0
Fax +49 2207 9689-20
User Manual / Functional Description of the test equipment (EUT)

User's manual / Operational Description
920287A
ODA
Antenna Engineering
Date: 17.12.2018
Revision:
V1.5
Name, Department Date Unterschrift
Autor
Jörg Maisenbacher
Freigabe
Verteiler HCC Antennen
Pag
e
1
/
7
Diese Unterlage ist unser Eigentum. Jede Vervielfältigung, Verwertung, Mitteilung bzw. Weitergabe an Dritte ohne unsere vorhe
rige Zustimmung ist untersagt.
Zuwiderhandlungen verpflichten zu Schadenersatz. Alle Rechte für den Fall der Patenterteilung, Gebrauchs- bzw. Geschmacksmustereintragung vorbehalten.
This document is our property. Any duplication, exploitation, transmission to a third party without our prior agreement is not allowed. In case of contravention we claim damages.
All rights for patent application, use- or design samples reserved.
920287A
Transceiver Remote Entry
User's manual / Operational Description

User's manual / Operational Description
920287A
ODA
Antenna Engineering
Date: 17.12.2018
Revision:
V1.5
Page
2
/
7
Diese Unterlage ist unser Eigentum. Jede Vervielfältigung, Verwertung, Mitteilung bzw. Weitergabe an Dritte ohne unsere vorhe
rige Zustimm
ung ist untersagt.
Zuwiderhandlungen verpflichten zu Schadenersatz. Alle Rechte für den Fall der Patenterteilung, Gebrauchs- bzw. Geschmacksmustereintragung vorbehalten.
This document is our property. Any duplication, exploitation, transmission to a third party without our prior agreement is not allowed. In case of contravention we claim damages.
All rights for patent application, use- or design samples reserved.
Table of Contents
1 Change history .......................................................................... 2
2 Overview ................................................................................... 3
2.1 Block diagram ............................................................................................ 3
2.2 Connections ............................................................................................... 3
2.3 Interaction ................................................................................................ 4
2.4 Installation ................................................................................................ 4
2.5 Operating temperature range ....................................................................... 4
2.6 Interface ................................................................................................... 4
3 Operational characteristics ........................................................ 4
3.1 General Information ................................................................................... 4
3.2 Receiver .................................................................................................... 5
3.3 Transmitter ............................................................................................... 5
3.4 Transmission ............................................................................................. 5
3.5 Frequency Generation and Stability .............................................................. 6
3.6 Further signal-sources (clock generators): ..................................................... 6
3.7 ON / OFF State of Oscillators in Dependency of Operatingmode ....................... 7
4 Operational Procedures ............................................................. 7
1 Change history
Datum Chapter Change Author Version
29.11.10
all initial release Maisenbacher
V0.1
01.09.15
Optically improved Nebel V1.1
12.12.18
all mods Nebel V1.5

User's manual / Operational Description
920287A
ODA
Antenna Engineering
Date: 17.12.2018
Revision:
V1.5
Page
3
/
7
Diese Unterlage ist unser Eigentum. Jede Vervielfältigung, Verwertung, Mitteilung bzw. Weitergabe an Dritte ohne unsere vorhe
rige Zustimm
ung ist untersagt.
Zuwiderhandlungen verpflichten zu Schadenersatz. Alle Rechte für den Fall der Patenterteilung, Gebrauchs- bzw. Geschmacksmustereintragung vorbehalten.
This document is our property. Any duplication, exploitation, transmission to a third party without our prior agreement is not allowed. In case of contravention we claim damages.
All rights for patent application, use- or design samples reserved.
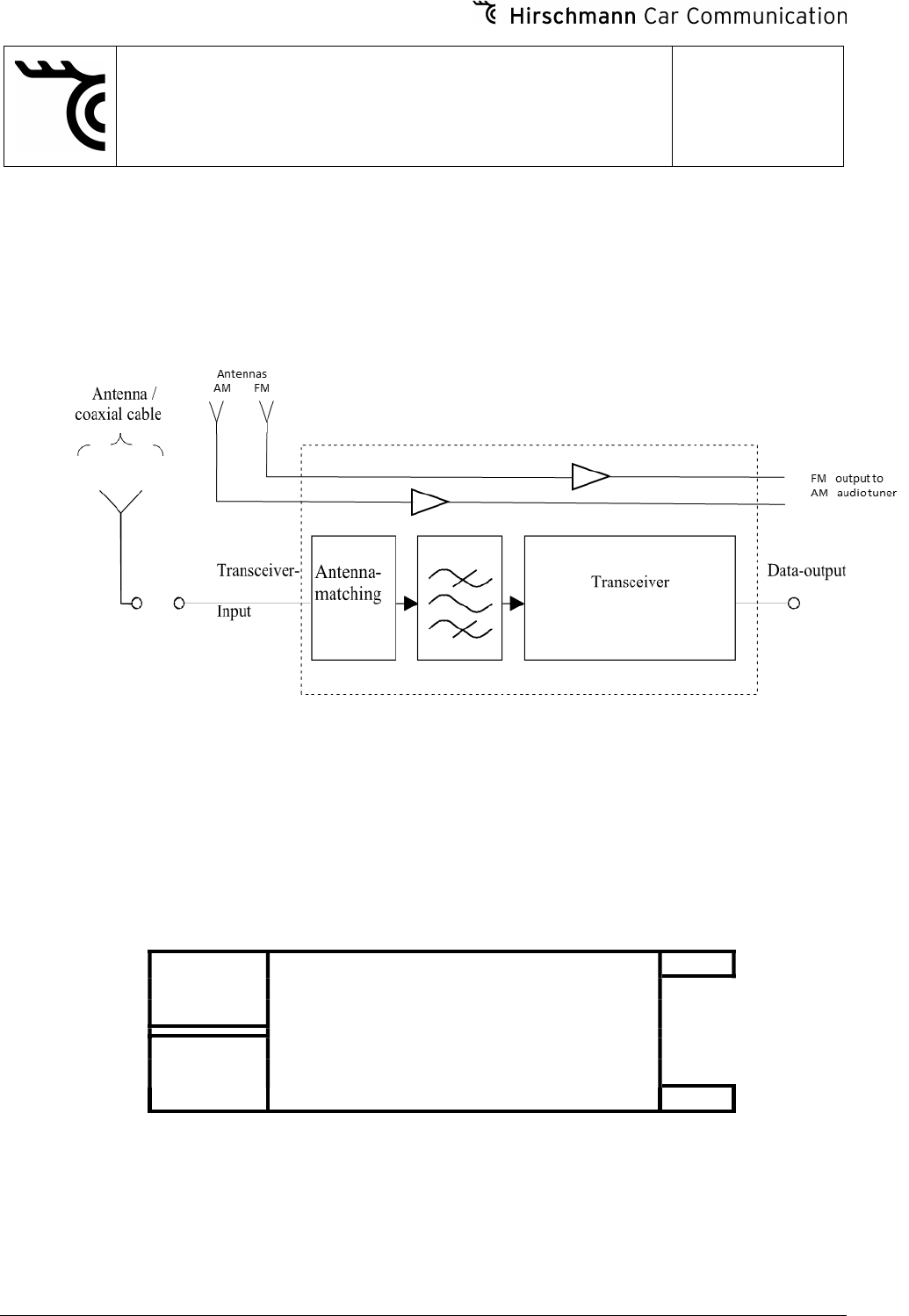
2 Overview
2.1 Block diagram
Figure 1: Blockdiagram of the remote-entry circuit
2.2 Broadcast reception amplifier
AM 530-1600kHz
FM 88-108MHz
2.3 Connections
DAT
A in/out
―
MQS
(purple)
module, top view
(black cover)
FAKRA
― AM/FM
Out
+12V
―
GND―
FM IN―
MQS
(black)
FZV IN/OUT―
―
FAKRA
―AM
-
IN
Figure 2: schematic view of module of the complete antenna amplifier (FZV IN/OUT is
RF in/output for remote-entry System)

User's manual / Operational Description
920287A
ODA
Antenna Engineering
Date: 17.12.2018
Revision:
V1.5
Page
4
/
7
Diese Unterlage ist unser Eigentum. Jede Vervielfältigung, Verwertung, Mitteilung bzw. Weitergabe an Dritte ohne unsere vorhe
rige Zustimm
ung ist untersagt.
Zuwiderhandlungen verpflichten zu Schadenersatz. Alle Rechte für den Fall der Patenterteilung, Gebrauchs- bzw. Geschmacksmustereintragung vorbehalten.
This document is our property. Any duplication, exploitation, transmission to a third party without our prior agreement is not allowed. In case of contravention we claim damages.
All rights for patent application, use- or design samples reserved.
2.4 Interaction
2.5 Installation
The remote control box is installed inside a vehicle and behind the cabin cover. Only service
personel is able to touch or handle it.
2.6 Operating temperature range
-40 … +85°C
2.7 Interface
Supply Voltage (+12V)
RF-Interface; input / output
Data-Interface 1-wire [bidirectional, digital, open-collector]
3 Operational characteristics
3.1 General Information
parameter min max
Supply voltage 7,0 18,0 V
Current consumption
Cyclic for 55ms pre-signal,
3 channels (f0-450kHz, f0,
f0+450kHz)
700 µA

User's manual / Operational Description
920287A
ODA
Antenna Engineering
Date: 17.12.2018
Revision:
V1.5
Page
5
/
7
Diese Unterlage ist unser Eigentum. Jede Vervielfältigung, Verwertung, Mitteilung bzw. Weitergabe an Dritte ohne unsere vorhe
rige Zustimm
ung ist untersagt.
Zuwiderhandlungen verpflichten zu Schadenersatz. Alle Rechte für den Fall der Patenterteilung, Gebrauchs- bzw. Geschmacksmustereintragung vorbehalten.
This document is our property. Any duplication, exploitation, transmission to a third party without our prior agreement is not allowed. In case of contravention we claim damages.
All rights for patent application, use- or design samples reserved.
Current consumption
when strong
interfering signals
Cyclic for 55ms pre-signal,
3 channels (f0-450kHz, f0,
f0+450kHz)
interfering signals > -40dBm
900 µA
Current consumption
(TX)
@+10dBm output power @
50Ohm 40 mA
Frequency range ECE 433,44 434,40 MHz
Max antenna gain -2 dBi
3.2 Receiver
parameter min max
Sensitivity
Matched to 50 Ohm
Symbol rate: 10kBaud
Manchester
FSK-Modulation 10kHz
deviation
-98 dBm
Blocking
(ratio of interfering
signal to power of
receiving signal)
150 kHz 30 dB
225 kHz 40 dB
450 kHz 45 dB
800 kHz 50 dB
1500 kHz 60 dB
2500 kHz 70 dB
5000 kHz 80 dB
3.3 Transmitter
parameter min max
Transmit power ECE +5 +10 dBm
The transmit power is referenced to the interface between module and car-antenna.
3.4 Transmission
3.4.1 Data rates
for digital 1-wire and RF:
10 kBit / sec (ECE, USA) 1,0 %

User's manual / Operational Description
920287A
ODA
Antenna Engineering
Date: 17.12.2018
Revision:
V1.5
Page
6
/
7
Diese Unterlage ist unser Eigentum. Jede Vervielfältigung, Verwertung, Mitteilung bzw. Weitergabe an Dritte ohne unsere vorhe
rige Zustimm
ung ist untersagt.
Zuwiderhandlungen verpflichten zu Schadenersatz. Alle Rechte für den Fall der Patenterteilung, Gebrauchs- bzw. Geschmacksmustereintragung vorbehalten.
This document is our property. Any duplication, exploitation, transmission to a third party without our prior agreement is not allowed. In case of contravention we claim damages.
All rights for patent application, use- or design samples reserved.
3.4.2 Modulation
Frequency modulation FSK with 10kHz deviation.
3.4.3 Channel definition
The following table shows the center-frequencies for each channel.
The frequency-separation between two adjacent channels is 450 kHz.
Channel name Center-frequency
name Short name
channel 1 CH1 ECE: 433,47 MHz
channel 2 CH2 ECE: 434,37 MHz
channel 3 CH3 ECE: 433,92 MHz
table 1: center frequencies of all channels
3.4.4 Carrier frequency
The carrier frequency has a tolerance (including influences because of temperature,
aging, manufacturing tolerance) of:
ECE: 433,47 MHz 70ppm, 433,92 MHz 70ppm, 434,47 MHz 70ppm
3.5 Frequency Generation and Stability
The RF-frequencies are created with a fractional N PLL (phase locked loop). The frequency of
the local oscillator is controlled by the fractional N Synthesizer. The discrete channel-
frequencies are configured by digital settings
The RX and TX- frequency deviation is ±10 kHz
The RX intermediate frequency (IF) is 250kHz.
RX receiver channel bandwidth is 165kHz.
The PLL is referenced to a crystal oscillator
The crystal oscillator (XTO) is operated at fXTO = 24,2879 MHz
The tolerance of the crystal is ±70ppm.
3.6 Further signal-sources (clock generators):
Slow RC Oscillator: fSRC=125kHz ±5% Sleep Time reference in polling mode.
Fast RC Oscillator: fFRC=6.36MHz±10% System clock reference CPU.

User's manual / Operational Description
920287A
ODA
Antenna Engineering
Date: 17.12.2018
Revision:
V1.5
Page
7
/
7
Diese Unterlage ist unser Eigentum. Jede Vervielfältigung, Verwertung, Mitteilung bzw. Weitergabe an Dritte ohne unsere vorhe
rige Zustimm
ung ist untersagt.
Zuwiderhandlungen verpflichten zu Schadenersatz. Alle Rechte für den Fall der Patenterteilung, Gebrauchs- bzw. Geschmacksmustereintragung vorbehalten.
This document is our property. Any duplication, exploitation, transmission to a third party without our prior agreement is not allowed. In case of contravention we claim damages.
All rights for patent application, use- or design samples reserved.
3.7 ON / OFF State of Oscillators in Dependency of Operatingmode
Polling cycle time : 50ms
active (without signal): tAKTIV= 3.05ms (typ.)
Sleep-phase: tSleep=46.95ms (typ.)
Operating mode => Init Polling TX-Mode
RX-Mode
active sleep
XTO Oscillator
(fXTO=24,2879MHz) off on off on on
FRC Oscillator
(fFRC=6.36MHz) on on off on on
SRC Oscillator
(fSRC=125kHz) off off on off off
4 Operational Procedures
After connecting supply voltage, the module is NOT in normal operating mode.
To get the module into normal operating mode (polling mode):
Connect supply voltage (12V) and GND
Pull the data line to GND for a short time (>5ms)
5 Certification
USA
This device complies with Part 15 of the FCC Rules. Operation is subject to the following two
conditions: (1) this device may not cause harmful interference, and (2) this device must
accept any interference received, including interference that may cause undesired operation.