Hitachi 50UX58K User Manual PTV Manuals And Guides 98090022
HITACHI Projection/Digital 42 and above TV Manual 98090022 HITACHI Projection/Digital 42 and above TV Owner's Manual, HITACHI Projection/Digital 42 and above TV installation guides
User Manual: Hitachi 50UX58K 50UX58K HITACHI PTV - Manuals and Guides View the owners manual for your HITACHI PTV #50UX58K. Home:Electronics Parts:Hitachi Parts:Hitachi PTV Manual
Open the PDF directly: View PDF
.
Page Count: 64

PROJECTION COLOR TV
OPERATING GUIDE
IMPORTANT SAFEGUARDS
FIRST TIME USE
THE GENIUS
REMOTE CONTROL
2-4
5-18
19-30
ULTRATEC BIT-MAP
ON-SCREEN DISPLAY 31-58
1ASK
USEFUL INFORMATION INDEX 59-63

Follow all warnings and instructions marked on this projection television.
IMPORTANT
CAUTION: TO REDUCE THE RISK OF ELECTRIC SHOCK,
DO NOT REMOVE COVER (OR BACK).
NO USER SERVICEABLE PARTS INSIDE.
REFER SERVICING TO QUALIFIED SERVICE PERSONNEL.
The lightning flash with an'owhead symbol, within an equilateral tri-
angle, is intended to alert the user to the pre6ence of uninsulateq
=dangerous voltage" within the produ_s enclosure _may be of a
sufficientmagnitude to constitute a risk of electric shock to persons.
The exclamation point within an equilateral triangle, is intended to
alert the user to the presence of important operating and msint_ _
narme (servicing) instructions in the literature accompanying the
appliance.
WARNING:
TO PREVENT FIRE OR SHOCK HAZARD, DO NOT EXPOSE
THIS PROJECTION TELEVISION TO RAIN OR MOISTURE.
NOTE: •There are no user serviceable parts inside the television.
• Model and serial numbers are indicated on back side of the television.
•This television is not intended for use in a computer room.
ICAUTION: Adjust only those conbrolsthat are covered in the instructions,as improper changes or modifica6ons not expressly I
approvedby HITACHIcould voidthe user'sauthorityto operatethe TV. I
POWER SOURCE
This projection television is designed to operate on 120 volts 60Hz, AC current.
Insert power cord into a 120 volt 60Hz outlet.
TO PREVENT ELECTRIC SHOCK, DO NOT USE THE TELEVISION'S (POLARIZED) PLUG
WITH AN EXTENSION CORD, RECEPTACLE, OR OTHER OUTLb'_r UNLESS THE BLADES
AND GROUND TERMINAL CAN BE FULLY INSERTED TO PREVENT BLADE EXPOSURE.
NEVER CONNECT THE TELEVISION TO 50HZ, DIRECT CURRENT, OR ANYTHING OTHER
THAN THE SPECIFIED VOLTAGE.
NOTE: This television receiver will display television closed captioning, (r_l or I_ ), in accordance with para- I
graph 15.119 of the FCC rules. I
CAUTION: Never remove the back cover of the television as this can expose you to very high voltages and other hazards. I
If the television does not operate properly, unplug the television and call your authodzed dealer or service shop. I
2

SAFETY'TIPS
IMPORTANT SAFEGUARDS
CAUTION: •Read all of these instructions.
• Save these instructions for later use.
• Follow all warnings and instructions marked
on the television.
SAFETY POINTS YOU SHOULD KNOW ABOUT
YOUR HITACHI PROJECTION TELEVISION
Our reputation has been built on the quality, performance, and ease of service of HITACHI televisions.
Safety is also foremost in our minds in the design of these units. To help you operate these products properly, this section illustrates safety tips which
will be of benefit to you. Please read it carefully and apply the knowledge you obtain from it to the proper operation of your HITACHI television.
Please fill out your warranty card and mail it to HITACHI. This will enable HITACHI to notify you promptly in the improbable event that a safety
problem should be discovered in your product model.
FOR YOUR PERSONALSAFETY
1. This television set is equipped with a
polarized altemating-ourrent the plug
(a plug having one blade wider than
the cther.) This plug will fit into the
power outlet only one way. This is a
safety feature. If you are unable to
insert the plug fully into the outlet, try
reversing the plug. If the plug should
still fail to fit, contact you_ electrician
to replace your obsolete outi_. Do
not detest the safety purpcee of the
poiartzad plug.
2. When the power cord or plug is
damaged or frayed, unplug the
television from the wall outlet and
refer servicing to qualified service
personnel.
3. Do not ovedoad wal outlets end
extension cords as this can result in
fire or electric shock.
8.
4. Do not allow anything to rest on or ._\
roll over the power cord, end do not _9.
place the television where the
power cord is subject to traffic or
abuse. This may result in a shock
or fire hazard.
Do not attempt to service the
television yourself as opening or
removing covers may expose you
to dangerous voltage or other
hazards. Refer all servicing to
qualified service personnel.
Never push objects of any kind Into
the television's cabinet slots as they
may touch dangerous voltage points
or short out parts that could result In
a firs or eleotd¢ shock. Never spill
liquid of any kind on the television.
If the television has been dropped or
the cabinet has been damaged,
unplug the television flora the wall
outlet and refar sewlcing to qualified
service personnel.
If liquid has been spilled into the
television set, unplug it from the
wall outlet end refer service to
qualified service personnel.
Do not subject your television to
impact of any kind. Be careful not to
damage the picture tube surface.
10. Unplug the television from the
wal outlet before cleaning. Usa a
damp cloth for cleaning. Do not
use liquid or aerosol cleaners,
11-1. Do not place the television on an
television may fall, causing
sedous injury to a child or an
stand
adult, and sedous damage to the
appiiaoce. Use only with a cert or
recommended by the
manufacturer, or sold with the
television. Wall or shelf mounting
should follow the manufacturer's
instructions, end should usa a
mounting kit approved by the
manufacturer.
11-2. An appliance and cart combination _
Quick stops, exce_ive force, and
uneven surfaces may cause the
appliance and cart combination
to ovortum.
PROTECTION AND LOCATION OF YOUR TELEVISION
12. DO not use the tolevtslon near
water, for example, near a bathtub,
washbowl, kitchen sink, or laundry
tub, tn • wet basement, or near a
swimming pool, etc.
Never expose the television to
rain or water. If the sat has been
exposed to rein or water, unplug
television from wall outlet and
refer to qualified service person-
nel.
13. Choose • place where light
(artificial or sunlight) does not
shine directly on the screen.
14.
".=.,
A
Avoid dusty piace_. Accumulated /'_ _'_"._"J_'l_ "
dust Inside the chassis may cause
failure of the television when high
humidity persistS.
15. The television has slots or openings
in the cabinet for ventilation .
purposes which provide reliable
operation of the receiver end
protect the television from
overheating. These openings must
not be blocked or covered.
• Never covor the slots or openings
with cloth or other material.
Never block the bottom ventilation [_
slots of the television by placing it on
a bed, sofa, rug, etc.
frJ-_
Never place the television nesr or _J_/'_l_
over a radiator or heat regi=er. .,,U]]]]]]]__
Never place the tslevtslon in a built-in
endosurs unless proper ventilation
is provided.
3

PROTECTION AND LOCATION OF YOUR TELEVISION
SAFETY TIPS
16-1. If an outside antenna ia connected
to the television, be sure the
antenna system is grounded so as
to provide some protection against
voltage surges and buiit-up static
charges. Section 810 of the
National Electrical Code, NFPA
No. 70-1975, provides information
with respect to proper grounding
of the mast and supporting
structure, grounding of the lead-in
wire to an antenna discharge unit,
size of grounding conductors,
location of antenna discharge unit
connection to grounding
electrode, and requirements fo_
the grounding electrode.
16-2. Note to CATV e_ instaifer:
(Only for television with CATV
reception). This reminder is
provided to cell the CATV system
instelter's attention to Article
820-40 of the NEC that provides
guidelines for proper grounding
and, in particular, specifies that
the cable ground shall be
connected to the grounding
system of the building, as close
to the point of cable entry as
practical.
=:,.
IC*_lCNI•-II)
17. An outside antenna system should
not be leceted in the vicinity of
overhead power lines or other =-i=lL_,_,.m_=_
electrical lights or power circuits,
or where it can fall into such power
lines or circuits. When installing an
outside antenna system, extreme
care should be taken to keep from
touching such power lines or
circuits as contact with them might
be fatal.
OPERATION OF YOUR TELEVISION
EXAMPLE OF ANTENNA GROUNDING AS PER NATIONAL ELECTRICAL
CODE INSTRUCTIONS.
18. For added protection for the
television during alightning storm,
or when it is unused for long
periods of tkna, unplug it from the
wall outlet and disconnect antenna.
This will prevent damage due to
lightning and power-line surges.
19. This television should be operat-
ed only from the type of power
source indicated on the marking o_ .,j',_
label. If you are not sure of the
type of power supldy at your
home, consult your dealer or local
power company. For televisions
designed to operate from battery
power, reter to the operating
instructions.
20. If the television does not operate 21. If your television is to remain
normaly by lolowing the operating unused for aperiod of time. (such
instmctian_ un_ the television as when going on a holiday), turn
from the wall outlet and refer __ the television OFF and unplug it
servicing to qualified semite from the wall outlet.
personnel. Adjust only those
controlsthat are covered in the
instructionsas improperad]ustmw_
of other controls may result in
damage and will often require
extensive work by 8qualified
service technician to re.ore me
television to normal operation.
IF THE TELEVISION DOES NOT OPERATE PROPERLY
22. If you are unable to restore
normal operation by following
the detailed procedure in yOur
operating instructions, do not
attempt any further adjustments.
Unplug the television and cell
your dealer or service technician.
23. Whenever the television is
damaged or fails, or if there is a
distinct change in pedorolance
that indicates a need for service,
unplug the tolevleicn and have it
checked by a qualified service
technician,
24. It is normalfur some televisionsto
make occasional snapping or
poppingsounds,particularlywhen
being turned on or off. If the
or PPPr_ is continuous
or frequent, unplug the set and
consult your dealer or service
technician.
FOR SERVICING AND MODIFICATION
25. Do not use attachments not
recommmnded by the television
manufacturer as they may cause
hazards.
a,,_ p. 26. If re_zcernont parts are required, 27. Upon ¢omplatlon of any service or ...
be sure the eaavice technk_an has mppim to the television, ask the
used replacement parts specified by service techn_an to perform
the manufacturer that have the routine safety checks to determine
same charectedstics as the odginal that the television is in safe
bert. Unauthorized substitutions operating conditicn.
may result in tim, electric shock, or
other hazards.
PICTURE CAUTIONS
Picture Bum Prevention
•Continuous on-screen displays such as video games, stock market quotations, computer generated graphics, and
other fixed (non-moving) pattems can cause permanent damage to projection television receivers. Such "PATTERN
BURNS" constitute misuse and are _by your HITACHI Factory Warranty.
•When using Picture-in-Picture function, the sub-picture should not be left permanently in one comer of the screen or a
=PA'I-FERNBURN •may develop over a long period of time.
Public Viewing of Copyrighted Material
Public viewing of programs broadcast by TV stations and cable companies, as well as programs from other sources, may
require prior authorization from the broadcaster or owner of the video program material.
4

ACCESSORIES
Check to make sure you have the following accessories before disposing of the packing material.
_o
_ GD (_D
(2D GD (3D
(23 GD GD
m
1, m
1. Remote Control Unit CLU-612MP (Part No. HL00712).
2. Two "AA" size, 1.5V batteries (For Remote Control Unit).
REMOTE CONTROL BATTERY INSTALLATION AND REPLACEMENT
1. Open the battery cover of the remote control by pushingthe notched part of the cover with your fingers and pulling the
cover off.
2. Insert two new "AA" size batteries for the remote control. When replacing old batteries, push them towards the springs
and liftthem out.
3. Match the batteries to the (+) and (-) marks in the battery compartment.
4. Replace the cover. BOTTOM VIEW
l,
Lift up on tab to
remove back cover.
5

HOW TO SET UP YOUR NEW HITACHI PROJECTION TV
ANTENNA
Unless your TV is connected to a cable TV system or to a centralized antenna system, a good outdoor color TV antenna is
recommended for best performance. However, if you are located in an exceptionally good signal area that is free from interference and
multiple image ghosts, an indoor antenna may be sufficienL
LOCATION
Select an area where sunlight or bright indoor illumination will not fall directly on the picture screen. Also, be sure that the location
selected allows a free flow of air to and from the perforated back cover of the seL
To avoid cabinet warping, cabinet color changes, and increased chance of set failure, do not place the "IV where temperatures can
become excessively hot, for example, in direct sunlightor near a heating appliance, etc.
VIEWING
The major benefit of the HITACHI Projection Television is its large viewing screen. To see this large screen at its best, test various
locations in the room to find the optimum spot for viewing.
The best picture is seen by sitting directly in front of the TV and about 10 to 18 feet from the screen. Picture brightness decreases as
the viewer moves to the left and rightof the receiver.
During daylight hours, reflections from outside light may appear on the screen. If so, drapes or screens can be used to reduce the
reflection or the "IV can be located in a different section of the room.
If the TV's audio output will be connected to a Hi-Fi system's extemal speakers, the best audio performance will be obtained by placing
the speakers equidistant from each side of the receiver cabinet and as close as possible to the height of the picture screen center. For
best stereo separation, place the external speakers at least four feet from the side of the "IV, place the surround speakers to the side
or behind the viewing area. Differences in room sizes and acoustical environments will require some experimentation with speaker
placement for best performance.
]
4' MINIMUm
4' MINIMUM
CAUTION:
Magnetic fields, such as those of external speakers, may cause the picture to distort if they are placed too I
close to the television. Move the magnetic field source away from the television until there is no picture I
distortion.

HOOK-UP CABLES AND CONNECTORS
Most video/audio connections between components can be made with shielded video and audio cables that have phono connectors.
For best performance, video cables should use 75-Ohm coaxial shielded wire. Cables can be purchased from most stores that sell
audio/video products. Below are illustrations and names of common connectors. Before purchasing any cables, be sure of the output
and input connector types required by the various components and the length of each cable.
300-Ohm Twin Lead Connector
This outdoor antenna cable must be connected to an antenna
adapter (300-Ohm to 75-Ohm).
"F" Type 75-Ohm Coaxial Antenna Connector
For connecting RF signals (antenna or cable TV) to the antenna
jack on the television.
Phono Connector
Used on all standard video and audio cables which connect to
inputsand outputs located on the television's rear jack panel and
front control panel.
S-video (Super Video) Connector
This connector is used on camcorders, VCRs, and laserdisc
players with an S-Video feature in place of the standard video
cable to produce a high quality picture.
ANTENNA CONNECTIONS TO REAR JACK PANEL
VHF (75-Ohm) antenna/CAW (Cable TV)
When using a 75-Ohm coaxial cable system, connect the outdoor
antenna or CATV coaxial cable to the ANT A (75-Ohm) terminal. If
you have a second antenna or cable TV system, connect the coaxial
cable to the ANT B terminal.
VHF (300-Ohm) antenna/UHF antenna
When using a 300-Ohm twin lead from an outdoorantenna, connect
the VHF or UHF antenna leads to screws of the VHF or UHF
adapter. Plug the adapter into the antenna terminal on the TV.
When both VHF and UHF antennas ere connected
Attach an optional antenna cable mixer to the TV antenna
terminal, and connect the cables to the antenna mixer. Consult
your dealer or service store for the antenna mixer.
Tooutdoorantenna
orCATVcable
To outdoorVHF
or UHF antenna
t
Tooutdoor
ToUHF ANTA/ANTB antennaor
Antenna QCATVsystem
Antenna mixer
7

FRONT VIEW
FRONT PANEL CONTROLS
POWER INPUT
©©
EXIT
CH+
oooO
O)',=,= -,,,,===.-,,,
CH÷
OPUSH
® ® @
HITACHI
Pushopendoorand
pullforward and down.
O
@
®
®
®
MENU button
This button allows you to enter the MENU, making it possible to set TV features to your preference without using the remote.
INPUT/EXIT button
Press this button to select the current antenna source, VIDEO: 1, 2, 3, or altemate antenna source. Your selection is shown in the
top right corner of the screen. This button also serves as the EXIT button when in MENU mode.
CHANNEL selector
Press these buttons until the desired channel appears in the top right corner of the TV screen. These buttons also serve as
the cursor down (T) and up (A) buttons when in MENU mode.
VOLUME level
Press these buttons for your desired sound level. The volume level will be displayed on the TV screen. These buttons also serve
as the cursor left (,) and right (1_) buttons when in MENU mode.
POWER button
Pressthisbuttonto turnthe TV onor off.
NOTE: Your HITACHI Projection TV will appear to be turned OFF if there is no video input when VIDEO: 1, 2, or 3 is selected.
Check the Power Light to make sure the TV is turned off when not in use.
To see an auto-demonstration of the on-screen displayswith HELP text displayed, press and holdthe POWER button
on the TV set for approximately five seconds. Press the POWER button on the TV again to end the auto-demonstration. I

FRONT PANEL CONTROLS
(_) POWER light
You will see a red lightwhen the TV is turned on.
QAI (Artificial Intelligence) sensor
The Artificial Intelligence sensor will make automatic picture adjustments depending on the amount of light in the room to give the
best picture. (See page 50.)
(_ REMOTE CONTROL sensor
Point your remote at this area when selecting channels, adjusting volume, etc.
(_ MAGIC FOCUS
Use this button to adjust your picture quality to optimum performance. (See page 40.)
®FRONT INPUT JACKS (for VIDEO: 3)
Use these audio/video jacks for a quick hook-up from a camcorder or VCR to instantly view your favorite show or new recording.
Press the INPUT button untilVIDEO: 3 appears in the top rightcomer of the TV screen. If you have mono sound, insertthe audio
cable into the left channel jack.
9

FRONT PANEL JACKS AND CONNECTIONS
The front panel jacks are provided as a convenience to allow you to easily connect a camcorder or VCR as shown in the following
examples:
S-INPUT
(Optional,seenote)
\
INPUT
I
I_,_ dv_
I I "
P' .m,
l
m
Im
m
S-VHS Videocamera
OUTPUT
NOTE: Completely insert connecUon cord plugs when connecting to front panel jacks. If you do not, the played back picture
may be abnormal. If you have a S-VHS VCR, use the S-INPUT cable in place of the standard video cable.
If you have a mono VCR, insert the audio cable into the left channel jack of your TV.
10

REAR PANEL JACKS
O
O
ANTA
-O
f
TO
CONVER'TER
-O g!
,IN_I" 1
t_
-®
!
OAntenna Input/Output
The remote control allows you to switch between two separate 75-Ohm RF antenna inputs, ANT A and ANT B. ANT A inputcan
be displayed as a main picture or sub-picture. ANT B can only be displayed as a main picture. (ANT B cannot be displayed as a
sub-picture.) The antenna output labeled "TO CONVERTER" allows the ANT A connection to pass directly to a different source
such as a cable box, when ANT B is displayed as a main picture.
(_ Audio/Video Inputs 1, 2
The INPUT button will step through each video source and antenna source input each time it is pressed. Use the audio and video
inputstOconnect external devices, such as VCRs, camcorders, laserdisc players, DVD players etc. (If you have mono sound, insert
the audio cable into the left channel jack.)
I NOTE:
!
You may use VIDEO, S-VIDEO, or COMPONENT: Y-CbC r inputs to connect to Input 2, but note that only one of these I
may be used at a time. I
(_ Monitor Out
These jacks provide fixed audio and video signals which are used for recording.
(_ Wireless Out
These jacks provide variable audio output to a set of wireless speakers. They can also be used for another stereo system amplifier.
With this connection, the audio can be controlledby the television's main volume and also by an independent volume feature found
in the THEATER-WIRELESS SOUND menu.
(_) Audio to HI-R
These jacks provide variable audio output to a separate stereo amplifier. With this connection, the audio to the stereo can be
controlled by the television's main volume.
(_ S-Video Inputs I and 2
Inputs 1 and 2 provide S-Video (Super Video) jacks for connecting equipment with S-Video output capability.
OComponent: Y-CbC r Input 2
Input 2 provides Y'-CbCrjacks for connecting equipment with this capability, such as a DVD player.
NOTE: DO NOT connect standard VIDEO or S-VIDEO to Input 2 when using Y-CbC r input.
When using the Y-CbC rinput jacks, connect your components audio output to the TV's Input 2 Left and Right Audio input jacks.
Your component outputs may be labeled Y, B-Y, and R-Y. In this case, connect the components B-Y output to the TV's Cb input and the
components R-Y output to the TV's Cr input.
It may be nessary to adjust TINT or turn AUTO COLOR-ON to obtain optimum picture quality when using the Y-CbC r inputs. (See pages
49 end 50)
To ensure no copyright infringement, the MONITOR OUT output will be abnormal, when using the Y-CbC r jacks.
When using the Y-CbC r jacks, Input 2 will be viewed as a blank PIP sub-picture. (See page 24.)
11

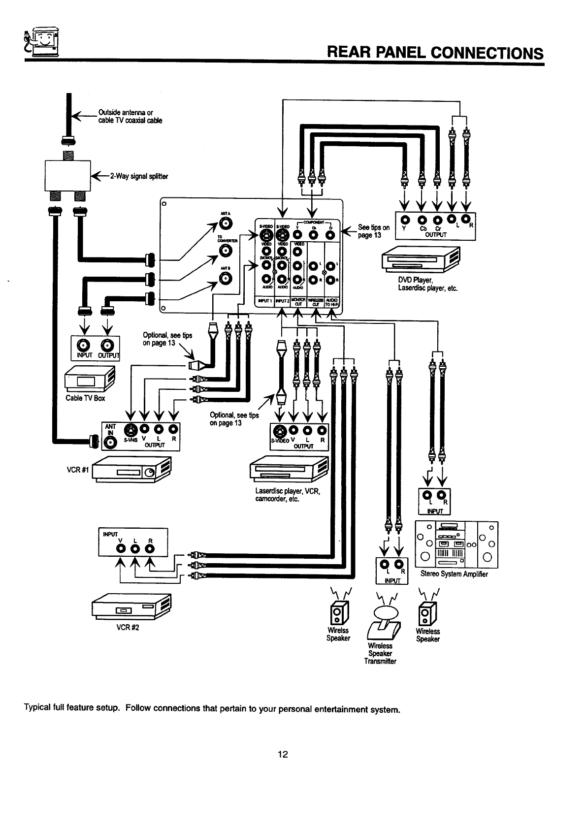
REAR PANEL CONNECTIONS
____ Outsideantennaor
cableTV coaxialcable
I__
CableTVBox
,_ 000
r_
!!!l!
0 0 0 o_o_l
DVDRayer,
Laserdiscplayer,etc.
Typical full feature setup. Follow connections that pertain to your personal entertainment system.
12

TIPS ON REAR PANEL CONNECTIONS
S-Video connections are provided for high performance laserdisc players, VCRs etc. that have this feature. Use these connections
in place of the standard video connection if your device has this feature.
If your device has only one audio output (mono sound), connect it to the left audio jack on the television.
Refer to the operating guide of your other electronic equipment for additional information on connecting your hook-up cables.
A single VCR can be used for VCR #1 and VCR #2, but note that aVCR cannot record its own video or line output (INPUT: 1in
the example on page 12.) Refer to your VCR operating guide for more information on line input-output connections.
You may use VIDEO, S-VIDEO, or COMPONENT: Y-CbC r inputs to connect to Input 2, but note that only one of these may be used
at a time.
Connect only 1component to each input jack.
COMPONENT: Y-CbC r connections are provided for high performance components, such as DVD players. Use these connections
in place of the standard video connection if your device has this feature.
When using the Y-CbC rinput jacks, connect your components audio output to the TV's Input 2 Left and Right Audio input jacks.
Your component outputs may be labeled Y, B-Y, and R-Y. In this case, connect the components B-Y output to the TV's Cb input
and the components R-Y output to the TV's Cr input.
It may be necessary to adjust TINT or turn AUTO COLOR-ON to obtain optimum picture quality when using the Y-CbC r inputs.
(See pages 49 and 50.)
To ensure no copyright infringement, the MONITOR OUT output will be abnormal, when using the Y-CbC rjacks.
When using the Y-CbC r jacks, Input 2 will be viewed as a blank PIP sub-picture. (See page 24.)
13

EXTERNAL CONNECTIONS
CONNECTING EXTERNAL AUDIO AMPMFIER
To control the audio level of an extemal audio amplifier with the remote control, connect the system as shown below.
(REAR OF TV SET)
AUDIOTO HI-FITERMINAL
TO AUDIO INPUT TERMINAL _ I
OF EXTERNAL AMPLIFIER-"'P_
EXTERNAL
SPEAKERS
i
AUDIO AMPLIFIER
"-"_ L
-O.
AUDIO
TO HI-FI
EXTERNAL
SPEAKERS
INOTE: To prevent damage to the speaker and distorted sound, set the volume control of the audio amplifier lower and adjust
the sound using the remote control of the TV set. I
14

CONNECTING EXTERNAL VIDEO SOURCES I
The exact arrangement you use to connect the VCR, camcorder, laserdisc player, and DVD player to your TV set is dependent on the
model and features of each component. Check the owner's manual of each component for the location of video and audio inputs and
outputs.
The followingconnection diagrams are offered as suggestions. However, you may need to modifythem to accommodate your particular
assortment of components and features. For best performance, video and audio cables should be made from coaxial shielded wire.
Before Operating External Video Source
The input mode ischanged every time the INPUT button is pressed as shown below. Connect an external source to the INPUT terminal,
then press the INPUT button as necessary to view the input source. (See page 23.)
INPUT MODE SELECTION ORDER
(Antenna) (Input)
VIDEO
I NOTE:
!
When the TV is set to VIDEO and a video signal is not received from the VIDEO INPUT JACK on the jack panel of the I
TV (i.e., VCR/laserdisc player, etc. is not connected or the video device is OFF), the set will appear to be OFF. I
CONNECTING A MONAURAL AUDIO VCR OR LASERDISC PLAYER
1. Connect the cable from the VIDEO OUT of the VCR or the laserdisc player to the INPUT (VIDEO) jack on the TV set below.
2. Connect the cable from the AUDIO OUT of the VCR or the laserdisc player to the INPUT (MONO)/L(AUDIO) jack.
3. Pressthe INPUTbuttonto viewthe programfromthe VCR orthe laserdiscplayer.The VIDEO modedisappearsautomaticallyafter
approximatelyeightseconds.
4. Press the INPUT button to retum to the previous channel.
TV INPUT
TERMINAL
;-VIDEO
:MONO)f,
©l
AUDIO
m
INPU'[
VCR
<*, ,,
VIDEOOUT /_JDIOOUT
I® ®1
15

CONNECTING EXTERNAL VIDEO SOURCES
CONNECTING A STEREO VCR OR STEREO LASERDISC PLAYER
1. Connect the cable from the AUDIO OUT of the VCR or the laserdisc player to the INPUT (VIDEO) jack on the TV set below.
2. Connect the cable from the AUDIO OUT R of the VCR or the laserdisc player to the INPUT(AUDIO/R) jack.
3. Connect the cable from the AUDIO OUT L of the VCR or the laserdisc player to the INPUT(AUDIO/L) jack.
4. Press the INPUT button to view the program from the VCR or laserdisc player. The mode VIDEO disappears automatically after
approximately eight seconds.
5. Press the INPUT button to return to the previous channel.
Optional, see tips _I_
on page 13
S-VHS V L R
OUTPUT
BACKOFVCR
m
S-VIDEO
"IV INPUT
TERMINAL
IjI
HITACHIMODEL
orsimUarmodel
NOTE: Completely insert the connection cord plugs when connecting to rear panel jacks. The picture that is played back willbe
abnormal if the connection is loose.
If you have an S-VHS VCR, use the S-INPUT cable in place of the standard video cable.
A single VCR can be used for VCR #1 and VCR #2, but note that a VCR cannot record its own video or line output.
(INPUT: 1 in example on page 12.) Refer to your VCR operating guide for more information on line input-output
connections.
16

CONNECTING EXTERNAL VIDEO SOURCES
CONNECTING A STEREO LASERDISC PLAYER OR DVD PLAYER TO INPUT 2.
1. Connect the cable from the Y OUT of the Laserdisc or the DVD player to the INPUT 2 (Y) jack as shown on the TV set below.
2. Connect the cable from the Cb OUT or B-Y OUT of the Laserdisc or the DVD player to the INPUT 2 (Cb) jack, as shown on the TV
set below.
3. Connect the cable from the Cr OUT or R-Y OUT of the Laserdisc or the DVD player to the INPUT 2 (Cr) jack, as shown on the TV
set below.
4. Connect the cable from the AUDIO OUT R of the Laserdisc or DVD player to the INPUT 2 (AUDIO/R) jack.
5. Connect the cable from the AUDIO OUT L of the Laserdisc or DVD player to the INPUT 2 (AUDIO/L) jack.
6. Press the INPUT button until VIDEO:2 appears, to view the program from the Laserdisc or DVD player. The mode VIDEO:2 disap-
pears automatically after approximately eight seconds.
7. Press the INPUT button to return to the previous channel.
S-VIDEO rCOMPONENTI
Y Cb Cr
000
"IVINPUT 2
TERMINAL 00000
RLY Cb Cr
[AUDIO _I-- VIDEO--I
OUTPUT
BACKOF DVD PLAYER
HITACHIMODEL
or similarmodel
NOTE: Completely insert the connection cord plugs when connecting to rear panel jacks. The picture that is played back will be
abnormal if the connection is loose,
See page 13 for tips on REAR PANEL CONNECTIONS.
17

AUDIO SYSTEM SETUP
Match the numbers below to the diagrams for speaker placement. (See page 54 for SRS functions.)
(_The television's internal speakers.
QThese speakers are connected to a separate audio amplifier. Use the AUDIO TO HI-FI output on the TV.
(_) These speakers are controlled by a wireless speaker transmitter. Use the WIRELESS OUT output on the TV.
', 1r
IN
TRANSMITrER
FORWIRELESS 0
SPEAKERS
0
0
s_s%
l\I\
iI0 t
IO, , ,
%#' %_S
®
0
II
SRS ( O _ REQUIRED OPTIONAL EFFECT
FEATURE CONNECTION CONNECTION
Exciting and realistic 3D sound experience
ON (_) (_)(_ from just two speakers.
OFF (_) (_)(_) Receive mono and stereo sound.
18

THE GENIUS REMOTE CONTROL (CLU-612MP)
In addition to controlling all the functions on your HITACHI
Projection TV, the remote control is designed to operate different
types of VCRs, CATV (cable TV)lsatellite converters, and audio
equipment with one touch. Basic operation keys are grouped
together in one area. All other controls are separated from them
and arranged in MULTI-PAGE sections, with a display that can
be switched to cover any of the three pages. FuncUons are
arranged and propedy categorized into windows, making opera-
tion simple when multiple funcUons are to be controlled.
To operate your TV, slide the MULTI-PAGE select switch on the
side of the remote to TVICABLE/DSS mode. Press the TV button
and the remote will now control your television.
To operate your cable box, slide the MULTI-PAGE select switch
on the side of the remote to TVICABLE/DSS mode. Press the
CABLE button and the remote will now control your cable box.
(See page 28 for instructions on how to program the remote to
control your cable box.)
-To operate your satellite box, slide the MULTI-PAGE select
switchon the side of the remote to TVICABLE/DSS mode. Press
the DSS button and the remote will now control your satellite box.
(See page 28 for instructions on how to program the remote to
control your satellite box.)
Tooperate your VCR, slide the MULTI-PAGE select switch on the
side of the remote to VCR mode. The remote will now control
your VCR. (See page 27 for instructionson how to program the
remote to .controlyour VCR.)
To operate your audio equipment, slide the MULTI-PAGE select
switch on the side of the remote to AUDIO mode. Press the
button which corresponds to the component you would like to
control(AMP, CD, TAPE). The remote will now control your audio
equipment. (See page 29 for instructionson how to program the
remote to control your audio equipment.)
OMULTI-PAGE select switch
This selects the button layout of the multi-page section of
the remote control.
(_) MULTI-PAGE buttons
These buttons change functions as shown on page 20.
®LIGHT button
When you are in a dark room, press this button on the side
of the remote to light up the buttons shown in (_). The light
will stay on for about eight seconds if the light button is not
pressed again. These buttons will not appear to light if the
room is too bright.
®
TV/CABLFJOSSO
VCR 0
_olo 0
INPUT
O
HITACHI
O
®
19

MULTI-PAGE WINDOWS
TV/CABLE/DSS •
VCR O
_o,o 0
SELECT
SWITCH TV/CABLE/DSS (_
VCR •
AUDIO (_
_._..__._SELECT
WITCH
When "TV/CABLF_JDSS"is set. When "VCR" is set.
TV/CABLF-JDSS O
VCR O
AUDIO •SELECT
_"--SWITCH
When "AUDIO" is set.
2O

HOW TO USE THE GENIUS REMOTE TO CONTROL YOUR TV
0
@
®
®
I
INFO
C)
\VCR 0
AUDIO 0
Exrr
GUIDE (_
L
I
O
H
T
552
INPUT
0
HITACHI
CLU-612MP
®
®
@
®
®
(_) POWER button
Press this button to tum the "IV set on or off when the remote is in "IV mode. (See page 19 for instnJctionson how to set the remote
control toTV mode.) If a Special Event Reminder is sat, it willbe displayed when the "IV is first turned on. (See page 56.)
TV button
Press this button to allow the remote to control your "IV.
CABLE button
Press this button to allow the remote to control your cable box. (See page 28.)
(_DSS button
P_ess this button to allow the remote to control your satellite box. (See page 28.)
21

HOW TO USE THE GENIUS REMOTE TO CONTROL YOUR TV
(_ PICTURE-IN-PICTURE buttons
See separate section on page 24 for a description.
(_) PIP CH button
Use the PIP CH button to select between main picture and sub-picture tuning. The channel number which is green indicates which
channel is being controlled.
(_ HELP button
Press this buttonwhen a menu is displayed to view HELP text, which gives a descdption of the displayed menu. The HELP text will
be displayed every time a MENU isdisplayed, untilthis buttonis pressed again or the AUTO HELP FUNCTION is set to OFF. (See
page 58.)
CONTRAST 1_ 411m_ll_ 100%
BRIGHTNESS _ _:_:::3 DI,50%
COLOR ,_ IIn'-'--'--Ib, 5O%
TINT .qr"_n-----lb.
SHARPNESS _m_---_'-II_ 50%
RESET []
ADVANCED
SETTINGS
MENU ITO MENU BAR TO QUIT I EXIT
f
1_IplI('-'_W( PRESS b, FOR A DEEPER
PICTURE, PRESS • TO
DECREASE CONTRAST
CONTRAST
BRIGHTNESS
COLOR
TINT
SHARPNESS
RESET
ADVANCED
SETTINGS
4_b 5O%
4_----'1b 50%
<r'-'-mml---lb,
<__'qb 50%
[]
MENU ITO MENU BAR TO QUIT JEXIT
q_) LAST CHANNEL (LST-CH) button
Use this button to select between the last two channels viewed. (Good for watching two sporting events, etc.)
LST-CH
(_ VOLUME, MUTE buttons
Press the VOLUME up (A) or down (V) button until you obtain the desired sound level.
To reduce the sound to one half of normal volume (SOFT MUTE) to answer the telephone, etc., press the MUTE button. Press the
MUTE button again to tum the soundoff completely (MUTE). To restore the sound, press the MUTE button one more time, or press
the VOLUME Up (/_O button.
MUTE MUTE
(_) CHANNEL SELECTOR buttons
CHANNEL SELECTOR buttons are used to set Family Favorites, Channel Memory, etc.
Enter two or three numbers to select channels. Enter "0" first for channels 1 to 9. For channels 100 and above, press the "1"
button, wait unUI another dash appears next to the channel display on your TV, then enter the remaining two numbers using the
number buttons.
Channel selection may also be performed by pressing CH up (A) or down (Y).
I NOTE: The IV may not receive some channels if you are not in the correct SIGNAL SOURCE mode. (See page 35.) I
22

HOW TO USE THE REMOTE TO CONTROL YOUR TV
(_ EXIT button
When in MENU mode, this button will e]dt all On-Screen Displays.
RECALL button
Press this button when no menu isdisplayed when you want to check the channel being received, the picture source, if the channel
has stereo (ST) or second audio program (SAP), the time, CHANNEL ID, if the Channel Skip (C.S.) function is activated, if SPECIAL
EVENT REMINDER is set, and if the SLEEP timer is seL
Audio Selected Main Picture Source
Audio .,...... _ J
Broadcast _B_-o A to _CHANNEL ID
s_JsA 10".0ePM9 _Tlln e
PIP l_rlr A 12_
_Sub-Pioture
Source
Channel __,_, (c.s.)
Skip _ _ _PIP
SLEEP__TIMER_SLEEPO:lS I I_l] , _SPECIAL
_" EVENT
IIIIItll|lll REMINDER
"1
-<[_--When an S-Video
Input is connected
to Video: 1.
,_na COMPONENT:
Y-CbCr Input is
connected to Video: 2.
(_) MENU, CURSOR buttons
All the On-Screen Display features can be set or adjusted by using these buttons.
The MENU button will start the On-Screen Display.
The CURSOR buttons will highlight functions or adjust and set different features.
(_) CHANNEL SKIP button
Press this buttonwhen no menu is displayed and the TV will tune to the last channel viewed. The user can change stations"SURF"
to any station they wish, and after 90 seconds, tune back to the odginal channel.
(_) SLEEP button
Press this button to display the sleep timer in the lower left comer of the screen. Every subsequent press of this button will add
15 minutes to this timer, up to a maximum of three hours. Once set, use RECALL when you want to view time remaining. If the
SLEEP button is pressed while the timer is set, it will reset to the odginal condition.
(_ INPUT button
The INPUT button will select between both antenna signals and the three sets of video input jacks each time the button is pressed.
If the Picture-in-Picture is on, the INPUT button will select between the three sets of video input jacks and both antenna sources
when main channel is chosen with the PIP CH button. If the sub-picture is chosen, the INPUT buttonwill select between the three
sets of video input jacks and the ANT A antenna source (ANT B source cannot be displayed as a PIP sub-picture and COMPO-
NENT: Y-CbC r Input 2 source will be displayed as a blank PIP Sub picture.)
INPUT INPUT
INPUT
INPUT
INPUT
23

PICTURE-IN-PICTURE (PIP)
Your HITACHI Projection TV incorporates Dual Tuner technology designed for improved viewing enjoyment. This Dual Tuner feature
allows you to view antenna inputs on both the main picture and sub-picture simultaneously,with separate tuning control for each. The
Dual Tuner can operate with only one input (ANT Aonly) or two inputs (ANT A and ANT B).
ANT A input can be viewed as both the main picture and the sub-picture simultaneously. ANT B and COMPONENT: Y-CbCr input 2
sources can only be viewed as a main picture. To select between main picture and PIP sub-picture tuning, press the PIP CH buttonon
the remote. The channel display in green color will move with every press of the PIP CH button. When the top channel display is in
green color, channel tuning is for the main picture. When the lower channel display is in green color, channel tuning is for the PIP sub-
picture. This method of picture tuning is the same for one antenna input (ANT A only) and two antenna inputs (ANT A and ANT B).
The Picture-in-Picture feature is convenient when you want to watch more than one program at the same time. You can watch a TV
program while viewing other programs from the ANT A source or any of the video inputs.
I
Back of TV
VIDEO IN
OUTPUT
Iv Ogl
Back of VCR
®
TYrO
vc_ 0
LST-OM XU_O 0
@
(9 PIP button
Press the PIP button and a sub-picture will appear in one of the two different modes (SINGLE or SURF), depending on the last
selection of the PIP mode. To change the PIP mode use the CURSOR •or •buttons and the new selection willappear the next
lime the PIP function is used.
SINGLE MODE PIP
Press the PIP button and a sub-picture appears in one comer of the screen. Press the button again to reduce the size of the sub-
picture. Press the PIP button a third time to remove the sub-picture from the screen. Use the PIP CH button to select between main
and sub-picture tuning control (indicated by a green channel display.) Press the INPUT button when sub-picture channel tuning is
being conb'olled,to change between VIDEO: 1, VIDEO: 2, VIDEO: 3, and ANT A antenna source. (ANT B source cannot be viewed
as a sub-picture and COMPONENT: Y-CbC r Input 2 source will be displayed as a blank sub-picture).
Main Picture
NOTE:
Sub
Since ANT B source cannot be viewed as a sub-picture, only single PIP mode is possible when ANT B is selected as the
main channel.
When the COMPONENT: Y-CbC r Input 2 is selected as PIP, it will appear as a blank sub-picture.
24

PICTURE-IN-PICTURE (PIP)
PICTURE-IN-PICTURE CONT.
SURF MODE PIP
This feature will automatically scan all active channel numbers (those set in memory) and display them as PIP sub-pictures, along
the rightedge of the screen. Press the PIP button a second time to remove the sub-pictures from the screen.
INOTE: 1. If no buttons are pressed when in SURF mode, auto-scanning will continuously scan.2. If a channel is tuned during this SURF scanning, sub-pictureswill be removed from the screen.
_SWAP button
If you wish to switch what is being shown on the main picture to the sub-picture, press the SWAP button.
I
I
NOTE: 1. The SWAP button will only operate when SINGLE PIP mode is chosen.
2. The SWAP function will not operate if ANT B input is set as the main channel (ANT B input cannot be displayed as I
a sub-picture.)
(_) MOVE button
To move the sub-picture to another comer, press the MOVE button. The sub-picture moves one step counterclockwise every
time the MOVE button is pressed. (Example below illustrates the MOVE operation for initial shipping conditions. If you have
customized a PIP position, the MOVE operation may differ slightly from this example.)
ANT A 10
VIDEO: 1
,$_SINGLE
OSURF
i
ANT A 10
VIDEO: 1 ANT A 10
VIDEO: 1
ANT A 10
VIDEO: 1
It is also possible to customize the PIP position. To do this, wait until the On-Screen Display disappears (about eight seconds)
and then use the CURSOR A,Y,b,,,< buttons.
AFTER
EIGHT
SECOI_
25

PICTURE-IN-PICTURE (PIP)
(_ FREEZE (FRZ) button (With PIP ON)
If you wish to freeze the sub-picture, press the FRZ button. This is convenient when trying to write down the address for a
mail order company, recording statistics for a sporting event, etc. To return the picture to motion, press the FRZ button again.
I NOTE: The FREEZE function will only operate when SINGLE PIP mode is chosen. I
(_ FREEZE (FRZ) button (With PIP OFF)
Press the FRZ button to freeze one or four frames of the picture, depending on the mode previouslyselected (SINGLE or STROBE).
To change FREEZE modes, use cursor • or • to select which type of FREEZE mode you wish to view. The new selection will
appear the next time the FREEZE function is used.
SINGLE FREEZE
Press the FRZ button to freeze one frame of the picture you are currently viewing. Press this buttonagain or PIP to retum to normal
viewing.
STROBE FREEZE
Press the FRZ button to freeze four frames of the picture you are currently viewing. Press this button again or PIP to return to
normal viewing. This feature is useful for viewing a moving picture that has many details, for example, a close play in a sporting
event or golf swing.
IAcAUTION:
A pattern bum may develop if the sub-picture is left in the same comer permanently. If the PIP feature is used I
frequently, occasionally MOVE the sub-picture to a different comer. You may also vary its position using the I
CURSOR "4, I_, A, or •buttons.
NOTE: 1. Only sound from the main picture can be heard, unless you choose sub-picture audio from THEATER-WIRELESS
SOUND mode and use the WIRELESS OUT outputs on the rear panel. (See page 55.)
2. Each freeze frame is delayed about 0.1 (1110) second.
3. The FREEZE function will display blank sub-picturas when the COMPONENT: Y-CbC r Input 2 source is set as main
channel.
26

USING THE REMOTE TO CONTROL VCR FUNCTIONS
Operating the precoded function for your VCR.
This remote is designed to operate different types of VCRs. You must first program the remote to match the remote system of your
VCR. (Refer to page 30.)
1. Set the MULTI-PAGE select switch to VCR.
2. Turn ON your VCR.
3. Aim the remote control at the front of your VCR.
4. Hold down the PROG button on the remote, enter the two digit preset code that matches your VCR as shown on page 30. The
remote will turn off your VCR when the correct two digit preset code is entered. When this occurs, the remote control is pro-
grammed for your VCR. If the VCR does not tum off after five seconds, try a different two digit preset code.
5. The remote will now control your VCR.
NOTES:
1. If your VCR cannot be operated after performing the
above procedures, your VCR's code has not been
precoded into the remote.
2. In the unlikely event that your VCR cannot be operated
alter performing the above procedures, please consult
your.VCR operating guide.
3. The remote control will remember the codes you have
programmed until the batteries are removed from the
remote control. After replacing the batteries repeat the
entire programming procedure as slated above.
4. If your VCR does not have a power function, the remote
will issue the CHANNEL UP function.
5. The MENU button will act as the VCR MENU button for
HITACHI VCRs.
6. The LST-CH button will act as your VCR ENTER button if
required.
7. The SLEEP button will act as your VCR '100' button if
required.
8. The REC button must be pressed two times to begin VCR
recording. This button will also act as the VCR record
buttonwhen the remote is in CABLE or DSS mode.
PRECODED VCR buttons
These buttons transmit the chosen precoded VCR codes.
EXCLUSIVE TV buttons
These buttons are for operating the TV.
27
HITACHI
GI..U_PI _s,,'IP
-0
--@
J

USING THE REMOTE TO CONTROL
CABLE BOX/SATELLITE FUNCTIONS
Operating the precoded function for your cable/satellite box.
This remote is designed to operate different types of cable boxes and satellite systems. You mustfirst program the remote to match the
remote system in your cable/satellite box. (Refer to page 30.)
1. Set the MULTI-PAGE select switch to TV/CABLE/DSS.
2. Turn ON your cable/satellite box.
3. Press the CABLE button on the remote to switch to CABLE mode, or the DSS button to switch to DSS mode.
4. Aim the remote control at the front of your cable/satellite box.
5. Hold down the CABLE/DSS button on the remote, enter the two digit preset code that matched your cable/satellite box as shown
on page 30. The remote will tum off your cable/satellite box when the correcttwo digit preset code is entered. When this occurs,
the remote control is programmed for your cable/satellite box. If the cable/satellite box does not tum off after five seconds, try
another two digit preset code.
6. The remote will now control your cable/satellite box.
NOTES:
1. If your cable/satellite box cannot be operated after
performingthe above procedures, your sable/satellite box
code has not been precoded into the remote.
2. In the unlikely event that your cable/satellite box cannot
-be operated after performing the above procedures,
please consult your cable/satellite box operating guide.
3. The remote control will remember the codes you have
programmed until the batteries are removed from the
remote control. After replacing the batteries repeat the
entire programming procedure as stated above.
4. Ifyour cable/satellite box does not have a power function,
the remote will issue the CHANNEL UP function.
5. The LST-CH button will act as the cable box ENTER
buttonif required.
6. The SLEEP button will act as your cable box '100' button
it required.
7. The INPUT button will act as the TV/DSS button when in
DSS mode.
(_ PRECODED CABLE BOX buttons
These buttons transmit the chosen pracoded cable codes.
(_) PRECODED SATELLITE BOX buttons
These buttonstransmit the chosen precoded satellite codes.
(_ EXCLUSIVE TV buttons
These buttons are for operating the TV. ®SLEEP
O
HITACHI
CLU.61gMP
@
®
®
J
28

USINGTHE REMOTE TO CONTROL
AUDIO EQUIPMENT FUNCTIONS
Operating the precodled function for your audio equipment.
This remote is designed to operate certain types of audio equipmenL You must first program the remote to match the remote system
of your audio equipment. (Refer to page 30.)
1. Set the MULTI-PAGE select switch to AUDIO.
2. Turn ON the audio component you wish to control with your remote control (AMP, CD, or TAPE).
3. Aim the remote control at the front of your audio equipmenL
4. Hold down the button on the remote which corresponds with the component you wish to control (AMP, CD, or TAPE), enter the two
digit preset code that matches your audio component as shown on page 30. The remote will turn off your audio component when
the correct two digit preset _._deis entered. When this occurs, the remote control is programmed for your audio component. If the
audio component does not turn off alter five seconds, try a different two digit preset code.
5. The remote will now control your audio component.
6. Repeat steps 2-5 untilall audio equipment preset codes are
programmed into the remote.
NOTES:
1. If your audio equipment cannot be operated after
performing the above procedures, your audio component
code has not been precoded into the remote.
2. In the unlikelyevent that your audio component cannot be
ope.rated alter performing the above procedures, please
consult your audio components operating guide.
3. The remote control will remember the codes you have
programmed until the battedes are removed from the
remote control. Alter replacing the batteries repeat the
entire programming procedure as stated above.
4. If your audio component does not have a power function,
the remote will issue another obvious function that the
audio component will respond to, such as CD open/close.
5. The default for AUDIO mode is AMP.
6. If you wish to control your receiver or miscellaneous audio
equipment, you must follow the remote programming
procedure shown above. You may use only the AMP
button to program these codes, but note that this button
may not be used for more than one component.
7. The LST-CH button will act as your audio component's
ENTER button if required.
8. The SLEEP button will act as your audio components
'100' button if required.
PRECODED AMP, CD, or TAPE buttons
These buttons transmit the chosen precoded audio compo-
nent codes.
2(_) EXCLUSIVE TV buttons
These buttons are for operating the TV.
®
@INPUT _L6EP
0
HITAOHI
.O
.@
@
J
29

AUDIO, CABLE/SATELLITE, AND VCR CODES
AMPLIFIER BRAND CODE
Aiwa ................... 04, 05
Carver ............ 00, 05, 06, 07
Casio ..................... 08
Cladnette .................. 08
Denon ..................... 09
Fisher .................. 07, 10
Hitachi ..................... 11
JVC ....................... 12
Kenwood .......... 13, 14, 16, 17
Uoyd's .................... 08
Magnavox ............ 03, 05, 08
Marantz .............. 08, 05, 15
MCS ...................... 15
Modulaire .................. 08
Onkyo ..................... 18
Optimus ........ 02, 03, 10, 14, 19
Panasonic .................. 15
Penney .................... 08
Philips .................. 00, 05
Pioneer ........ 02, 03, 19, 20, 21
Quasar .................... 15
Realistic ................... 08
Sansui ..................... 05
Sanyo ..................... 10
Sharp ..................... 14
Sony ...................... 04
Technics ....... 01, 15, 22, 23, 24
Victor ..................... 12
Wards ...... 02, 04, 05, 07, 19, 20
Yamaha ................. 14, 25
Yorx ...................... 08
CABLE BRAND CODE
ABC .......... 00, 07, 08, 18, 19,
.............. 21, 37, 38, 53
Antronix ................... 40
Archer ................ 12, 25, 40
Belcor ..................... 33
Cable Star .................. 33
Century .................... 12
Citizen ..................... 12
Colour Voice ............. 31, 45
Comtronics .............. 26, 29
Contec .................... 22
Dae Ryung ................. 21
Eastern .................... 15
Electdcord .................. 32
Everquest .................. 56
Focus ..................... 57
Garrard .................... 12
GC Electronics ........... 33, 40
Gemini ............ 04, 39, 44, 56
General Instrument ........ 03, 13
Gold Star ................ 11, 26
Hamlin ......... 03, 09, 14, 23, 24
Hitachi ..................... 00
Hytex ..................... 37
Jasco ..................... 12
Jerrold ...00, 08, 13, 38, 53, 55, 56
Macom .................... 36
Magnavox .................. 16
Memorex ................... 02
Movie Time ........... 30, 32, 34
NSC ................ 30, 34, 39
Oak ................. 22, 37, 50
Panasonic ............ 02, 10, 49
Paragon ................... 02
Philips ......... t2, 16, 17, 27, 31,
.............. 43, 44, 45, 47
Pioneer .............. 06, 11, 20
Popular Mechanics ........... 57
Pulsar ..................... 02
RCA ...................... 49
Realistic ................... 40
Recoton ................... 57
Regal ............. 03, 09, 23, 35
Regency ................... 15
Rembrandt .............. (30, 39
Runco ..................... 02
Sart_ung ................ 11, 26
Scientific Atlanta .... 18, 21, 42, 48
Signal .................. 26, 56
Signature .................. 00
SL Marx ................... 26
Sprucer ................. 01, 49
Starcom .............. 38, 53, 56
Stargata ................ 26, 56
Starquast .................. 56
Starsight ................ 56, 59
Sylvania ................... 19
Teleview ................... 26
Texscan ................... 19
Tocom ............... 07, 28, 55
Toshiba .................... 02
Tusa ...................... 56
TV 86 ..................... 30
Unika .................. 12, 40
United Artists................ 37
United Cable ................ 53
Universal .... 12, 25, 32, 33, 35, 40
Videoway .................. 51
Viewstar ........... 16, 29, 30, 41
Zenith ............... 02, 52, 60
Zentek ..................... 57
TAPE BRAND CODE
Aiwa ................... 58, 59
Hitachi ............ 47, 48, 49, 50
Jerrold .................. 50, 61
JVC ....................... 51
Kenwood ................... 52
Optlrnus ................... 53
Panasonic .................. 54
Pioneer .................... 53
ScientificAtlanta ............. 62
Sony ............. 55, 56, 58, 59
Starcom ................... 60
Wards ..................... 53
CD BRAND CODE
Adcom .................... 26
Aiwa ...................... 27
Califomia Audio Lab .......... 28
Carver ..................... 27
Denon ..................... 29
DKK ...................... 30
Emerson ................... 26
Fisher ..................... 31
Genexxa ................... 32
Hitachi ...26, 32, 33, 34, 35, 38, 37
JVC ....................... 38
Kenwood ............. 31, 39, 40
Krell ...................... 27
Megnavox .................. 27
Marantz ................. 27, 28
MCS ...................... 28
Mission .................... 28
NSM ...................... 27
Onkyo ..................... 41
Optirnus .............. 30, 32, 42
Panasonic .................. 28
Philips ..................... 27
Pioneer ................. 32, 42
Proton ..................... 27
QED ...................... 27
Quasar .................... 28
RCA ................... 26, 33
Realistic ................... 26
Rotal ...................... 27
SAE ...................... 27
Sansui ..................... 27
Scott ...................... 26
Sony ................... 30, 44
Technics ............. 28, 45, 46
W:tor ..................... 38
MISC BRAND CODE
Aiwa ................... 58, 59
Jerrold .................. 60, 61
Scientific Atlanta ............. 62
Sony ................... 58, 59
Starcom ................... 60
RECEIVER BRAND CODE
Aiwa ................... 04, 05
Carver ............... 05, 08, 07
Casio ..................... 08
Cladnette .................. 08
Denon ..................... 09
Fisher .................. 07, 10
Hitachi ..................... 11
JVC ....................... 12
Kenwood .......... 13, 14, 16, 17
Lloyd's .................... 08
Magnavox ............... 05, 08
Marantz ................. 05, 15
MCS ...................... 15
Modulaim .................. 08
Onkyo ..................... 18
Optimus .............. 10, 14, 19
Panasonic .................. 15
Penney .................... 08
Philips ..................... 05
Pioneer ........... 02, 19, 20, 21
Quasar .................... 15
Realistic ................... 08
Sansui..................... 05
Sanyo ..................... 10
Sha_ ..................... 14
Sony ...................... 04
Technics .......... 15, 22, 23, 24
Victor ..................... 12
Wards ......... 04, 05, 07, 19, 20
Yamaha ................. 14, 25
Yorx ...................... 08
DSS BRAND CODE
Hitachi ..................... 61
RCA ...................... 62
Sony ...................... 63
VCR BRAND CODE
Adventura .................. 00
Aiko ...................... 08
Aiwa ...................... 00
Akai ................. 01, 48. 49
American High .............. 22
Asha ...................... 45
Audiovox ................... 23
Beaumark .................. 45
Bell & Howell ................ 32
Brandt ..................... 43
Broksonic ....... 33, 34, 42, 51, 52
Calix ...................... 23
Canon ..................... 22
Capehart ................... 08
Carver ..................... 31
CCE ................... 08, 30
Citizen .................. 08, 23
Colt ....................... 30
Craig ............. 18, 23, 30, 45
Curtis Mathes ......... 01, 22, 47
Cyhernex.................. 45
Daewoo ........ 06, 08, 16, 38, 50
Daytron .................... 08
Dynatech ................... 00
Electrohome ................ 23
Electrophonic ............... 23
Emerex .................... 07
Emerson .... 00, 08, 12, 15, 23, 27,
• .28, 33, 34, 37, 42, 48, 51, 52
Fisher ............ 18, 20, 32, 45
Fuji .................... 09, 22
Funai ..................... O0
Garrard .................... O0
GE .............. 03, 22, 41, 47
Goldstar ............. 23, 24, 44
Gradlenta .................. 00
Harley David.son ............. 00
HarmardKardon .............. 24
Harwood ................... 30
Headquarter ................ 17
Hi-Q ...................... 18
Hitachi ............ 01, 02, 03, 04
Jensen .................... 01
JVC ................. 01, 13, 26
KEC ................... 08, 23
Kenwood ............. 01, 24, 26
KLH ...................... 30
Kodak .................. 22, 23
Lloyd ...................... 00
Lloyd's .................... 27
Logik ...................... 30
LXl ....................... 23
Magnavox ...... 14, 22, 29, 31, 35
Magnin .................... 45
Marantz ................. 22, 31
Marta ..................... 23
Matsushita ................. 22
MEt ....................... 22
Memorex ....... 00, 14, 17, 18, 19,
.............. 22, 23, 32, 45
MGA ................... 15, 48
MGN Technology ............. 45
Minolta ................. 02, 04
Mitsubishi ....... 15, 26, 40, 48, 49
Motorola ................ 19, 22
MTC ...... :............ 00, 45
Multitech ................ 00, 30
NEC ........... 01, 05, 24, 26, 32
Nikko ..................... 23
Noblex .................... 45
Olympus ................ 11, 22
Optimus .............. 19, 23, 32
Onon ...................... 51
Panasonic ...... 10, 11, 22, 39, 53
Penney...02, 05, 22, 23, 24, 45, 46
Pentax ............... 02, 03, 04
Philco ..................... 22
Philips ............... 22, 29, 31
Pilot ...................... 23
Pioneer .................... 26
Portland ................... 05
Protec ..................... 30
Pulsar ..................... 14
Quarter .................... 17
Quartz ..................... 17
Quasar .................... 22
Radio Shack ............. 00, 23
Radix ..................... 23
Randex .................... 23
RCA ........ 02, 03, 04, 35, 41, 47
Realistic ....... 00, 17, 18, 19, 20,
.............. 22, 23, 32, 45
Ricoh ..................... 21
Runco ..................... 14
Samsung ................ 16, 45
Sanky .................. 14, 19
Saneui .................. 01, 26
Sanyo ............ 17, 18, 32, 45
Scott ....... 15, 16, 33, 34, 37, 42
Sears ......... 02, 04, 17, 18, 20,
.............. 22, 23, 32, 46
Sharp ..................... 19
Shintom ................... 30
Shogun .................... 45
Singer ..................... 30
Sony ............. 07, 09, 21, 22
STS ...................... 02
Sylvania ........ 00, 15, 22, 29, 31
Symphonic ................. 00
Tatung ..................... 01
Teac ................... 00, 01
Technics ................ 22, 39
Teknika .............. 00, 22, 23
Telefunken ................. 43
TMK ................... 27, 45
Toshiba ........... 15, 16, 20, 37
Totevision ............... 23, 45
Unitech .................... 45
Vector ..................... 16
Vector Research .......... 05, 24
Video Concepts ........ 05, 16, 48
Vicleosonic ................. 45
Wards ......... 00, 02, 18, 19, 22,
........... 30, 35, 37, 45, 47
XR-1000 ............. 03, 22, 30
Yamaha .................... 24
Zenith ............... 09, 14, 21
3O

ULTRATEC OSD
1. Press MENU on the remote control to display the different features on your HITACHI Projection TV.
2. Press the CURSOR buttons to highlight a different feature.
3. Press EXIT on the remote control to quickly exit from a menu.
4. Press HELP on the remote control when a menu is displayed,
and text will appear giving a description of that menu.
EXIT
C:)
This part of the screen shows
what selections are available.
II
TO QUIT I EXIT
I oooooool
PThis part of the screen showswhich
remote control buttonsto use.
31

ULTRATEC OSD
Video
y
MENU LANGUAGE
PLUG & PLAY
SIGNAL SOURCE
I_UTO CHANNEL SET
CHANNEL MEMORY
CHANNEL LIST
CLOCK SET
MAGIC FOCUS
CHANNI=L ID
VIDFO ID
FAMILY FAVORITES
CHILD LOCK
4 EVENT PROGRAM
AUTO I INK
CLQRFD CAPTION
MENU BACKGROUND
FIRST TIME TOUR
CONTRAST
ADVANCED
SETTINGS
Choose English, French, or Spanish text.
Optimum hook up for your system.
Select Antenna or Cable "IV.
First time set up for channel buttons.
Channel buttons, add, skip.
Check channel name, scan, and child lock.
Set before using timer features.
Automatically match red, green, and blue
colorsto make white.
Label channels PAY1, ABC, etc.
Label video inputsVCR1, DVD1, etc.
Allows you to set and view favorite channels.
Block channel picture and sound.
Turn TV on and off once, daily, or weekly.
Automatically turn TV on with any VIDEO input.
Feature to display dialogue/text.
Select from three types of backgrounds.
Introduces you to basic TV functions.
Adjust contrast.
Adjust brightness.
Adjust color.
Adjust tint.
Adjust sharpness.
Set VIDEO settings to factory preset.
Improve picture performance.
i'
Adjust bass.
Adjust treble.
Adjust balance.
Set AUDIO settings to factory preset.
Improve sound performance.
_ITHEATERMODES
r IWiRELES S SOUND
Iicture and sound are automatically set.
Produces 3-D sound using the TV's speakers.
Select from two types of audio for wireless output.
SPECIAL
EVENT REMINDER
CALENDAR
AUTO HELP
Set -rv to remind you of birthdays, etc..
Check day, month, year, and special events.
Displays a description of the current menu.
32

SET UP
Select INITIAL SETUP when settingyourTV up for the first time.
highlightthe functiondesired.
k
Use the CURSOR •or • on the remote to
TO QUIT I EXIT
CURSOR MENU LANGUAGE
PLUG & PLAY
SIGNAL SOURCE
AUTO CHANNEL SET
CHANNEL MEMORY
CHANNEL LIST
CLOCK SET
MAGIC FOCUS
TO QUITI EXIT
I NOTE:
To see an auto-demonstration of the on-screen displays with HELP text displayed, press and hold the POWER buttonon I
the "FVset for approximately Fiveseconds. Press the POWER button on the IV again to end the auto-demonstration. I
MENU LANGUAGE IThis feature will allow you to select any one of three different languages for all on-screen displays.
CURSOR
MENU LANGUAGE I_
PLUG & PLAY
SIGNAL SOURCE
AUTO CHANNEL SET
CHANNEL MEMORY
CHANNEL LIST
CLOCK SET
MAGIC FOCUS
•ENGLISH
O FRANCAIS
O ESPAh'IOL
MENU ITO MENU BAR TO QUIT I EXIT
CURSOR MENU LANGUAGE
PLUG & PLAY
SIGNAL SOURCE
AUTO CHANNEL SET
CHANNEL MEMORY
CHANNEL LIST
CLOCK SET
MAGIC FOCUS
m_• ENGLISH
O FRANCAIS
O ESPAI_IOL
MENU ITO MENU BAR TO QUIT IEXIT
Use CURSOR • or • to select the MENU LANGUAGE of your choice.
Press EXIT to quit menu or CURSOR 4to return to previous menu.
33

IPLUG & PLAY
SET UP
IThis graphic guide funclJonwill help you to propedy set up your TV or Home Theater System. Simply answer
two questions and a graphic will be displayed, showing you the optimum setup for your personalized system.
MENU LANGUAGE
PLUG & PLAY
SIGNAL SOURCE
AUTO CHANNEL SET
CHANNEL MEMORY
CHANNEL LIST
CLOCK SET
MAGIC FOCUS
.ENU I TO MENU BAR TO QUIT I EXIT
QUESTION 1 MY TV SIGNAL
COMES FROM:
3) CABLE BOX
C) SATELLITE RECEIVER
D) SATELLITE RECEIVER
(WITH CABLE BOX)
PRESS ._ vTO SELECT
PRESS •TO ENTER
MENU I TO MENU BAR TO QUIT I EXIT
CURSOR
CURSOR
f
>
WELCOME TO HITACHI'S PLUG &
PLAY ON SCREEN SET UP GUIDE.
AFTER ANSWERING TWO SIMPLE
QUESTIONS, THIS SYSTEM WILL
SHOW YOU TYPICAL CONNECTIONS
FOR YOUR TV, VCR, CABLE OR
SATELLITE RECEIVER.
(FOR DETAILED CONNECTIONS
REFER TO OWNERS GUIDE)
PRESS •TO START
_ENU I TO MENU BAR TO QUIT I EXIT
CURSOR
QUESTION 2 I WANT TO
CONNECT A
VCR TO MY
SYSTEM.
B) NO
PRESS _ v TO SELECT
PRESS •TO ENTER
MENU I TO MENU BAR TO QUIT IEXIT
Press CURSOR •or •to highlight the correct answers to both questions.
Press CURSOR •to display the graphic guide.
Press EXIT to quit menu or CURSOR •to begin AUTO CHANNEL SET. (See page 36.)
34

SET UP
ISIGNAL SOURCE ISelect ANTENNA if you are using an indoor or outdoor antenna. Select CAW if you have cable "IV,
MENU LANGUAGE
PLUG & PLAY
SIGNAL SOURCE
AUTO CHANNEL SET
CHANNEL MEMORY
CHANNEL LIST
CLOCK SET
MAGIC FOCUS
OANTENNA
OCATV 1
OCATV 2
MENUITO MENU BAR TO QUIT IEXIT
CURSOR
MENU LANGUAGE
PLUG & PLAY
SIGNAL SOURCE
AUTO CHANNEL SET
CHANNEL-MEMORY
CHANNEL LIST
CLOCK SET
MAGIC FOCUS
_OANTENNA
OCATV 1
OCATV 2
MENUITO MENU BAR TO QUIT J EXIT
CURSOR >MENU LANGUAGE
PLUG & PLAY
SIGNAL SOURCE
AUTO CHANNEL SET
CHANNEL MEMORY
CHANNEL LIST
CLOCK SET
MAGIC FOCUS
OANTENNA
_OCATV 1
OCATV 2
MENUJTO MENU BAR TO QUIT JEXIT
Press CURSOR • or •to highlightand select the correct SIGNAL SOURCE mode.
Press EXIT to quit MENU or CURSOR •to return to previous menu.
AIR
VHF 2 ~ 13ch
UHF 14 - 69ch
RECEPTION BAND
CATV 1 OR CATV 2
CATV CHANNEL Indicated on
VHF 2 ~ 13
Mid band A - I
A-5 -A-1
Super band J ~ W
Hyper band
W+1~W+28
Ultraband
W+29-W+84
the screen
2-13
14 ~ 22
95 ~ 99
23 ~ 36
37 - 64
65 ~ 125
Reception channels for each mode are shown at the let_,
Refer to your cable or TV guide for channel identificationstandards.
If certain CATV channels are poor or not possible in CAI-V1 mode,
set SIGNAL SOURCE to CATV2.
35

SET UP
This feature will automatically store active TV channels in CHANNEL MEMORY. This will allow you to skip
unused channels when using CHANNEL UP (A) or DOWN (V).
!MENU LANGUAGE
PLUG & PLAY
SIGNAL SOURCE
AUTO CHANNEL SET
CHANNEL MEMORY
CHANNEL LIST
CLOCK SET
MAGIC FOCUS
17 BEGIN
MENUITO MENU BAR TO QUIT I EXIT
CURSOR
MENU LANGUAGE
PLUG & PLAY
SIGNAL SOURCE
AUTO CHANNEL SET
CHANNEL MEMORY
CHANNEL LIST
CLOCK SET
MAGIC FOCUS
[] BEGIN
MENU ITO MENU BAR TO QU,T IEXiT
CURSOR
f
AUTO CHANNELSET
OI INSTALLING
CHANNEL 110
50% COMPLETE
_ENU ITOMENU BAR TO QUIT I EXIT
If the EXIT button is pressed while the AUTO CHANNEL SET function is engaged, programming will stop. If two antennas are
connected, switch antenna inputs with the INPUT button and repeat AUTO CHANNEL SET for the second antenna input.
Remember to select the correct SIGNAL SOURCE mode before using AUTO CHANNEL SET for the second antenna input.
See CHANNEL MEMORY to add or erase additional channels.
36

SET UP [_
I CHANNEL MEMORY I Use this function alter AUTO CHANNEL SET to add or erase additional channels to the remote control
ICHANNEL&. or •buttons.
MENU LANGUAGE
PLUG & PLAY
SIGNAL SOURCE
AUTO CHANNEL SET
CHANNEL MEMORY i_
CHANNEL LIST
CLOCK SET
MAGIC FOCUS
CHANNEL 03
•ADD
O ERASE
MENUITOME.USA_ TOQU;TIEXiT
CURSOR
MENU LANGUAGE
PLUG & PLAY
SIGNAL SOURCE
AUTO CHANNEL SET
CHANNEL MEMORY
CHANNEL LIST
CLOCK SET
MAGIC FOCUS
CHANNEL 03
=_, • ADD
O ERAS E
NEXT CH
CH_- CH'_
MENUITO MENU BAR TO QUIT I EXIT
CURSOR
MENU LANGUAGE
PLUG & PLAY
SIGNAL SOURCE
AUTO CHANNEL SET
CHANNEL MEMORY
CHANNEL LIST
CLOCK SET
MAGIC FOCUS
CHANNEL 03
O ADD
_' • ERASE
NEXT CH
CH._ CHv
MENUITO MENU BAR TO QUIT I EXIT
Add or erase additional channels while still in CHANNEL MEMORY using CHANNEL •or •or the number buttons to change the
channel.
Press EXIT to quit menu or CURSOR •to return to previous menu.
37

CHANNEL LIST
SET UP
I This function allows you to review which channels are labeled in CHANNEL ID (ID.), which have been added
to CHANNEL MEMORY (SCAN), and which are protected by CHILD LOCK (LOCK).
MENU LANGUAGE
PLUG & PLAY
SIGNAL SOURCE
AUTO CHANNEL SET
CHANNEL MEMORY
CHANNEL LIST II_
CLOCK SET
MAGIC FOCUS
MENU ITO MENU BAR TO QUIT I EXIT
CURSOR
CHANNEL LIST ANT A
ACH ID SCAN LOCK
1 "*** ON ON
2**** ....
3**** ....
4 °*'" ....
5 **** ....
•o°
6 * ....
7 lilt ....
vS .it. ....
MENU ITO MENU BAR TO QUIT I EXIT
CURSOR
>
CHANNEL LIST ANT A
ACH ID SCAN LOCK
9 *'*" ON ON
10 .... -- --
11 i.t. ....
12 .... -- --
13 .... -- --
14 .... -- --
15 *t** ....
-,r 16 **** ....
MENU ITO MENU BAR TO QUIT I EXIT
Press CURSOR • or •to review more channels.
Press EXIT to quit menu or CURSOR < to return to previous menu.
INOTE: Each touch of CURSOR •or •will display the next eight channels. ]
38

SET UP
CLOCK SET I The time must be set before you can use the CALENDAR, 4 EVENT PROGRAM,
REMINDER, or TV TIME OUT.
MENU LANGUAGE
PLUG & PLAY
SIGNAL SOURCE
AUTO CHANNEL SET
CHANNEL MEMORY
CHANNEL LIST
CLOCK SET i_
MAGIC FOCUS
;MENUITO MENU BAR TO QUIT IEXIT
CURSOR
SPECIAL EVENT
& ir-ATO SET TIME
CLOCK SET
.... AM JAN 01 1998
MENU ITO MENU BAR TO QUIT I EXIT
CURSOR
"=TO SET TIME
V
CLOCK SET
12:00 PM MAR 12 1998
MENU ITO MENU BAR TO QUIT I EXIT
Use CURSOR • or • to set the time, date, and year.
Press CURSOR 4 or • to change position.
Press EXIT to quit menu or CURSOR .< to return to previous menu when the CURSOR is in the first position.
39

SET UP
IAGIC FOCUS
Your HITACHI Projection "IV has three color projection tubes: one for red, one for green, one for blue. When mixed together in the
proper proportion, the output of these three color tubes can produce any color. To produce these colors, however, the beams must be
precisely aligned over each other so that the colors can be mixed. The process of aligning these picture beams is called "convergence".
Over aperiod of time, the picture tubes can drift out of alignment due to normal bumps and vibrations or moving the "IV. If you move
your TV, or if, after a time, you notice color rings or halos around objects in the picture, you may want to converge (align) the colors.
Properly converged, the lines appear white, which is actually a combination of the outputs of the three color tubes. The output of
the green tube is stationary. The outputs of the red and blue tubes can be adjusted. When propedy aligned, the outputs of all three
tubes should be directly over each other to produce the white lines.
To simplify convergence, HITACHI incorporates a function called MAGIC FOCUS, which allows the TV to self-adjust. This process
will take approximately 90 seconds. If this button is pressed during this 90 second pedod, no change in picture quality will occur. Alter
this 90 second serf-adjust period, picture quality will be optimum. (Do not move the "IV during serf-adjust.)
To enter this serf-adjust mode, you may also select MAGIC FOCUS from the SETUP Menu. However, this will display a message
prompting you to press the front panel MAGIC FOCUS button.
AUTO DIGITAL
CONVERGENCE
1l_.J t_
"] MAGIC FOCUS E
7 r--7 F"
NOTE: Only a momentary press of the MAGIC FOCUS button is necessary to start AUTO DIGITAL CONVERGENCE. At
anytime during this convergence correction process, you may press the MAGIC FOCUS button to exit the MAGIC
FOCUS mode.
Do not press the MAGIC FOCUS buttonfor more than three seconds. This is only for extreme cases of misconvergence
and requires assistance from service. If one of the pictures shown below appears on the television screen, press the
MAGIC FOCUS button a second time to exit this manual set up mode.
CENTER MODE STATIC MODE
4O

CUSTOM
This selection contains advanced features which will make TV viewing easier and more enjoyable.
CHANNELID. J Use this feature to give up to 20 channels a name when ANTENNA signal source is selected and up to
60 channels a name when CATV1 signal source is selected.
CURSOR CH 03
CHANNEL ID. _ ....
VIDEO ID. r] ERASE
FAMILY FAVORITES
CHILD LOCK
4 EVENT PROGRAM
AUTO LINK
CLOSED CAPTION
MENU BACKGROUND
FIRST TIME TOUR
j MENU ITO MENU BAR TO QUIT I EXIT
CH 03
CHANNEL ID. _ ....
VIDEO ID. ['l ERASE
FAMILY FAVORITES
CHILD LOCK NEXT CH
4 EVENT PROGRAM CH_.- CHv
AUTO LINK
CLOSED CAPTION
MENU BACKGROUND
FIRST TIME TOUR
MENU,ITo MENU BAR TO QUIT I EXIT
Press CURSOR • or •to select letters.
Press CURSOR •or •to change character position.
Press CHANNEL •or •and the number buttons to select and label additional channels. The CHANNEL ID will now appear in the top
right corner of the screen.
Press EXIT to quit menu or CURSOR • to return to previous menu when the CURSOR is in the first position.
(,) represents a blank space.
Select ERASE ID to erase a CHANNEL ID.
NOTE: If ANT Aand ANT B are in the same SIGNAL SOURCE mode (see page 35), the CHANNEL ID for both antenna inputs
will be the same. CHANNEL ID will be displayed only when channel is displayed as main picture.
IVIDEO ID. I Use this feature to give a name to any of the three video inputs.
CHANNEL ID.
VIDEO ID.
FAMILY FAVORITES
CHILD LOCK
4 EVENT PROGRAM
AUTO LINK
CLOSED CAPTION
MENU BACKGROUND
FIRST TIME TOUR
MENU ITO MENU BAR
OV10V20V3
ttt=t
[] RESET
TO QUIT I EXIT
CHANNEL ID.
VIDEO ID. _ QV10V20v3
FAMILY FAVORITES .....
CHILD LOCK [] RESET
4 EVENT PROGRAM
AUTO LINK
CLOSED CAPTION
MENU BACKGROUND
FIRST TIME TOUR
MENU ITO MENU BAR TO QUIT IEXIT
Press CURSOR •to select the video input to be named.
Press CURSOR •or •to select letters.
Press CURSOR •or •to change position.
Press EXIT to quit menu or CURSOR •to return to previous menu when the CURSOR is in the first position.
(.) represents a blank space.
Select RESET to set VIDEO ID to original condition.
I
INO'_E: VIDEO ID will be displayed only input I
when VIDEO is displayed as main picture.
41

IFAMILY FAVORITES
(MENU)
CUSTOM
Thisfunctionallowsyouto groupyourfavoritechannelsintosixpersonalizedcategoriesthatyoucanrename.A totalof 24 channelscan be storedinthe FAMILYFAVORITESfunction.
CHANNEL ID.
VIDEO ID.
FAMILYFAVORITESI_
CHILD LOCK
4 EVENT PROGRAM
AUTO LINK
CLOSED CAPTION
MENU BACKGROUND
FIRST TIME TOUR
iMENUITO MENU BAR TO QUIT I EXIT
FAMILY FAVORITES
ABCD EFGH IJKL MNOP
13 15 ,_
CURSOR FAMILY FAVORITES CH 03
ABDCEFGH IJKL MNOP
10 13 15 19 MOVIES
SPORTS
NEWS*"
06 SITCOM
IMUSIC*
CUSTOM
MENU ITO MENU BAR TO QUIT I EXIT
06
CH 10
MENU ITO MENU BAR
MOVIES
SPORTS
NEWS**
SITCOM
MUSIC*
CUSTOM
FAMILY FAVORITES CH 04
UVWXEFGH IJKLMNOP
13 15 19 MOVIES
SPORTS
NEWS""
06 SITCOM
CUSTOM
TO QUIT ] EXIT MENU ITOMENU BAR TO QUIT [ EXIT
To enter a channel into a category, highlight to the left of the category title.
Press CHANNEL •or •or the number buttons to enter the desired channel. Repeat until category has been set with your favorite
channels. The channel to be added is displayed in the top right comer of the screen.
Enter channel 00 to erase a favorite channel.
To rename the categories, use the CURSOR buttons to highlightthe category you would like to rename.
Use CURSOR •or •to change a letter and CURSOR •to select the next character to change.
To reset categories and channels back to original factory preset, press RECALL while you are renaming a category.
If a CHANNEL ID is set for the channel at the top of each column, it will be displayed above that column.
INOTE:
This function cannot be accessed when ANT B is the main channel.
When the set is in a SIGNAL SOURCE different from ANT A, the message UPLEASE SWITCH TO ANT A" will appear.
42

CUSTOM
I FAMILY FAVORITES
(OPERATION) Ise this function to display FAMILY FAVORITES selections as sub-pictures or to tune the main picture to a
desired favorite channel.
CURSOR
TO SURF TO QUIT TO SURF
Select a category using CURSOR •or • buttons.
Press MENU and the category will be displayed as sub-picturesat the fight edge of the screen. This is useful for previewing a category.
Use CURSOR 4, ,, • or •buttons to highlighta favorite channel and the TV will automatically tune to that channel.
Press EXIT to remove FAMILY FAVORITES OSD from the screen.
INOTE: If a category has some blank channel enbies, these channels will appear as black sub-pictures. I
43

I
CHILD LOCK
CUSTOM
I This function will block out the picture and sound of the selected channel or video input.
It can also be used to keep the TV from being viewed for a scheduled amountof time that you set.
The code to enter CHILD LOCK is a four digit secret code number. The factory preset code is 0000.
Use the number buttons to select secret code.
CHANNEL ID.
VIDEO ID.
FAMILY FAVORITES
CHILD LOCK =_
4 EVENT PROGRAM
AUTO LINK
CLOSED CAPTION
MENU BACKGROUND
FIRST TIME TOUR
MENU ITo MENU BAR TO QUIT I EXIT
CURSOR
{.il. TosEc.TE coooT.E 1
CHILD LOCK
m*** ENTER SECRET CODE
[] CHANNEL 03
[] VIDEO LOCK
I--I QUICK LOCK
[] FRONT PANEL LOCK
TV TIME OUT
MENUITO MENU BAR TO QUIT I EXIT
1
000
CHILD LOCK
*°'* CHANGE SECRET CODE?
I_ [] CHANNEL 03
[] VIDEO LOCK
I--I QUICK LOCK
[] FRONT PANEL LOCK
TV TIME OUT
MENU ITO MENU BAR TO QUIT I EXIT
Use CURSOR • or •to highlight function and the CURSOR •button to set ON or OFF.
When CHANNEL is turned on, the picture and sound for the chosen channel will be blocked out.
When VIDEO LOCK is tumed on, the picture and sound for all video inputs will be blocked out. To lock the video inputs, you must
be tuned to any video input.
When QUICK LOCK is turned on, the picture and sound for channels 3, 4 on both ANT A/B and all video inputs will be blocked out.
When FRONT PANEL LOCK is tumed on, all buttons on the Front Panel will be deactivated, except the Power button.
When TV TIME OUT is turned on, you can set the BEGIN and END times and the "IV cannot be viewed during that time peri-
od. (Set clock first.) Use CURSOR •or •to highlight ONCE (TV will time out one time only), DAILY (TV will time out every
day), WEEKLY (TV will time out one time a week) or OFF (to disable this function) and then press cursor •to select your choice.
To change the secret code number, select CHANGE SECRET CODE. Enter a new four digit key number you prefer.
If you forget your secret code, use the factory code 7777 to erase your key number. This will reset the secret code number back to the
factory preset 0000.
Press EXIT to quit menu or cursor ,< to return to previous menu.
NOTE: 1. If ANT A and ANT B are in the same SIGNAL SOURCE mode (see page 35), when a channel is locked, it is locked
on both antenna inputs.
'2. When using TV TIME OUT make sure the clock is set (see page 39).
3. When the recall button is pressed, a special icon appears on the screen and indicates that CHILD LOCK is activated.
44

CUSTOM
I4 EVENT PROG. I This function will automatically turn the TV on and off, one time only, every day or once a week.
CHANNEL ID.
VIDEO ID.
FAMILY FAVORITES
CHILD LOCK
4 EVENT PROGRAM I_
AUTO LINK
CLOSED CAPTION
MENU BACKGROUND
FIRST TIME TOUR
VIENUITO MENU BAR TO QUIT I EXIT
CURSOR
4 EVENT PROGRAM
el 02 03 04
.... AM TV ON
.... AM TV OFF
-- CHANNEL
O ONCE
O DAILY
O WEEKLY
•OFF
_IENUITO MENU BAR TO QUIT I EXIT
4 EVENT PROGRAM
•1 02 03 04
11:00 AM TV ON
12:00 AM TV OFF
10 CHANNEL
=_ • ONCE
O DAILY
O WEEKLY
O OFF
MENU ITO MENU BAR TO QUIT I EXIT
Press CURSOR •to select PROGRAM 1, 2, 3, or 4.
Press CURSOR •or • to select the time the "IV will tum on and off.
Use CURSOR •to change position.
Press CURSOR •or •to highlightthen CURSOR •to select MODE: ONCE (TV will turn onloff one time only) or MODE: DAILY (TV
will turn on/off at the same time every day), or MODE: WEEKLY (TV will tum onloff at same time every week) and MODE: OFF (to dis-
able this function).
Press CURSOR •or •, CHANNEL (A) or (•), or number buttons to set the channel the TV will tune to when it automatically turns on.
Press EXIT to quit menu or cursor 4to return to previous menu.
If the clock is not set, you can not use this function and the screen below will appear.
4 EVENT PROGRAM
PLEASE SET
CLOCK FIRST
MENUITO MENU BAR TOQUIT I EXIT
NOTE: 1. The OFF Timer will only activate if the TV was turned on or tuned with the ON Timer and no channel selection was
made after this time. If you change the channel after the ON Timer has been activated, the OFF Timer will deactivate.
2. If no remote control button is pressed after ON "13meris activated, the "IV will automatically turn off after three hours.
CAUTION: Do not use your'IV as a deterrent when away from home by using the ON and OFF TIMERS. For safety, the
"IV should be turned off when you are away from home.
45

AUTOLINK I
CUSTOM
Use this function to automaticallyturn the TV on and tune to VIDEO: 1, 2, or 3, when itdetects a VIDEO input.
CHANNEL ID
VIDEO ID
FAMILY FAVORITES
CHILD LOCK
4 EVENT PROGRAM ev1Ov20V3
AUTO LINK m_
CLOSED CAPTION eAUTO
MENU BACKGROUND OREMO'J'E
FIRST TIME TOUR OOFF
MENU ITO ME:NU BAR TO QUIT I EXIT_
CURSOR CHANNEL ID
VIDEO ID
FAMILY FAVORITES
CHILD LOCK
4 EVENT PROGRAM a_.O v1Ov20V_
AUTO LINK
CLOSED CAPTION OAUTO
MENU BACKGROUND O REMOTE
FIRST TIME TOUR DOFF
MENU ITOMENU BAR TO QUIT IEXIT
Use CURSOR • to select Video Input.
Use CURSOR • or V, then CURSOR •, to change AUTO LINK setting.
When AUTO is selected, the TV will turn on and tune to VIDEO: 1, 2, or 3 automatically, when the VIDEO: 1, 2, or 3 input device is
turned on. This is convenient when you want to watch a movie with your VCR, laserdisc player, or DVD player.
When REMOTE is selected, the TV willturn on and tune to VIDEO: 1,2, or 3 automatically, when the VIDEO: 1,2, or 3 input device is
turned on and the VCR, laserdisc, or DVD play button on your remote control is pressed.
This is convenient when you want to record amovie with your VCR and watch it later.
SelectOFF to disablethisfunction.
PressEXITto quitmenuor CURSOR ,<to returnto previousmenu.
NOTE: 1. Once the TV has been turned on using the AUTO LINK feature, it must be reset before AUTO LINK is used again. To
do this, turn your VCR, laserdisc, or DVD player OFF. This feature is now reset and wiltturn on your TV as described
above.
2. When using REMOTE mode, any remote control button will substitute for your video input device play button.
However, intended operation is for use with your VCR, laserdisc, or DVD play button.
46

CUSTOM
i CLOSED CAPTION Ilosed captions are the dialogue, narration, and/or sound effects of a television program or home video which
are displayed on the TV screen. Your local TV program guide denotes these programsas r_ or
CHANNEL ID.
VIDEO ID.
FAMILY FAVORITES
CHILD LOCK
4 EVENT PROGRAM
AUTO LINK
CLOSED CAPTION
MENU BACKGROUND
FIRST TIME TOUR
MENUITO MENU BAR TO QUIT I EXIT
CURSOR CLOSED CAPTION
DISPLAY
I_ •OFF OON
MODE
•C.C. OTEXT
CHANNEL
01 02
_IENUITO MENU BAR TO QUIT I EXIT
DISPLAY:
MODE:
CHANNEL:
ONIOFF will turn the r_ display on or off.
c.c. (Closed Caption) is for the program you are viewing.
TEXT is for additional information such as news reports or a TV program guide. This information covers the entire
screen and viewing the "IV program is not possible. TEXT may not be available with every r_ program.
1 is used for the primary language (usually English).
2 is sometimes used for a second language (may vary by region).
Use CURSOR • or •to highlight the function to change then press CURSOR •to change the function.
Press EXIT to quit menu or CURSOR •to return to previous menu.
I NOTE: If you do not have sound, make sure MUTE is not seL I
MENU BACKGROUND I This function allows you to choose from three menu backgrounds.
CHANNEL ID.
VIDEO ID.
FAMILY FAVORITES
CHILD LOCK
4 EVENT PROGRAM
AUTO LINK
CLOSED CAPTION
MENU BACKGROUND u_
FIRST TIME TOUR
O CLEAR
•GRAY
O SHADED
MENU ITO MENU BAR TO QUIT I EXIT
CURSOR CHANNEL ID.
VIDEO ID.
FAMILY FAVORITES
CHILD LOCK
4 EVENT PROGRAM
AUTO LINK
CLOSED CAPTION
MENU BACKGROUND
FIRST TIME TOUR
MENU ITO MENU BAR
O CLEAR
u_, • GRAY
O SHADED
TO QUIT I EXIT
Use CURSOR •or •to change MENU BACKGROUND setting.
Press EXIT to quit menu or CURSOR •to return to previous menu.
Select CLEAR and no background is visible, select GRAY and a gray background is visible (no picture can be seen behind menu
screen), select SHADED and a light background is visible.
47

IFIRST TIME TOUR I
CUSTOM
This function introducesyou to the First Time Tour Setup Feature, showing you basic TV func-
tions as well as helping you set up your TV or Home Theater System. This feature will be dis-
played every time your TV is turned on, unless you set FIRST TIME TOUR to OFF.
POWER
ON
HITACHI
INTRODUCES YOU TO THE
FIRST TIME SETUP FEATURE.
SHOWING YOU THE OPTIMUM
SETUP GUIDE FOR YOUR
PERSONALIZED SYSTEM.
[] ALWAYS SHOW FIRST TIME
TOUR AT POWER ON.
MENU ICUSTOM TO TURN ON/OFF
AFTER
---> lo ---->
SECONDS
TO AUTO DEMO TURN TV
OFF, PRESS AND HOLD
TV'S POWER BUTTON.
TO QUITI EXIT
To disable this function, press the MENU button at any time during the tour, and the following screen will appear.
CHANNEL ID.
VIDEO ID.
FAMILY FAVORITES
CHILD LOCK
4 EVENT PROGRAM
AUTO LINK
CLOSED CAPTION
MENU BACKGROUND
FIRST TIME TOUR
MENUITO MENU BAR TO QUIT } EXIT
Use CURSOR • or •then CURSOR I_ to select ON or OFF.
Press EXIT to quit Menu or CURSOR <to return to previous menu.
INOTE:
1. When "IV set is turned on, the First Time Tour will always appear if it is set to ON.
2. To exit during the First Time Tour, press the MENU button.
48

VIDEO
Select VIDEO to adjust picture set'ringsand improve picture quality.
CURSOR CONTRAST
BRIGHTNESS
COLOR
TINT
SHARPNESS
RESET
ADVANCED
SETTINGS
<l_--"--Ib 50%
<1_1_-I1_ 50%
41-'-"=Bm_lk.
4_r'_--II_ 50%
[]
MENUITO MENU BAR TO QUIT I EXIT
CURSOR
II]
CONTRAST
BRIGHTNESS
COLOR
TINT
SHARPNESS
RESET
ADVANCED
SETTINGS
4_1_ 5O%
4 m_'-"_ b"50%
4 r-"--Imt----tb
4_r-'--_l_ 50%
[]
MENUITO MENU BAR TO QUIT I EXIT
Use the CURSOR • or • buttons to highlight the function to be adjusted.
Press the CURSOR 4 or •buttons to adjust the function.
Press EXIT to quit menu.
.
NOTE: •If CONTRAST is selected, you are adjusting CONTRAST. The additional menu items BRIGHTNESS, COLOR, TINT,
and SHARPNESS can be selected and adjusted in the same manner.
•Contrast and Brightness adjustments will affect only the main picture. These adjustments will not affect the sub-picture.
I
I
I
CONTRAST
BRIGHTNESS
COLOR
TINT
SHARPNESS
IRESET
IUse this function to change the contrast between black and white levels in the picture. This adjustment will
only affect the picture when ADVANCED SETTINGS ULTRA AI is OFF. (See page 50.)
lUse this function to adjust overall picture brightness.
IUse this function to adjust the level of color in the picture.
IUse this function to adjust flesh tones so they appear natural. (It may be necessary to adjust TINT to obtain
optimum picture quality when using the COMPONENT: Y-CbC r Input 2 jacks).
IUse this function to adjust the amount of fine detail in the picture.
IWhen RESET is setected, press CURSOR •to return video adjustments to factory preset conditions.
49

IADVANCED
SETTINGS
VIDEO
Iour HITACHI Projection TV has an UIb'a AI (Artificial Intelligence) function which will automatically adjust
picture settings to produce the highest quality picture possible.
When AI is highlighted, use CURSOR •to turn the AI on or off.
CURSOR CONTRAST
BRIGHTNESS
COLOR
TINT
SHARPNESS
RESET
ADVANCED
SETTINGS m_
• _D,, lOO%
,9_l_r'----_ I_ 5o%
• _1_-'---7, 5o%
4r---'_1---'11_
• _r--'--'t_. 50%
MENUITO MENU BAR TO QUIT I EXIT
CURSOR
ADVANCED SETTINGS
=_ [] ULTRA AI
[]AUTO COLOR
[]NOISE REDUCTION
n SUPER CONTRAST
COLOR TEMPERATURE
OCOOL OWARM
MENU JTO MENU BAR TO QUIT J EXIT
Use CURSOR •or •to select function.
CURSOR ADVANCED SETTINGS
r'l ULTRA AI
[] AUTO COLOR
E]NOISE REDUCTION
[] SUPER CONTRAST
COLOR TEMPERATURE
_1_ OCOOL OWARM
MENUITO MENU BAR TO QUIT IEXIT
Use CURSOR •to change the function setting. When the function has an "X"in the box, it is ON.
Press EXIT to quit menu or CURSOR •to return to previous menu.
ULTRA AI (ARTIFICIAL INTELLIGENCE)
When the AI function is on, the -rvs' intemal computer will perform the following:
1. Automatically monitor and adjust contrast depending on room lighting (sensor is located in the front panel) to produce a more
natural picture.
2. Automatically monitor and adjust color levels and maintain natural flesh tones.
3. Automatically compensate for weak or strongIV signals to produce a clear picture.
Tum the AI function off to control other PREFERENCE SETTINGS.
AUTO COLOR
The AUTO COLOR function automatically monitors and adjusts the color to maintain constant color levels even alter a program or
channel changes. It also maintains natural flesh tones while preserving fidelity of background colors. (This function will automatically
set to on and cannot be turned off when the ULTRA AI function is ON.)
INOTE: It may be necessary to set AUTO COLOR-ON to obtain optimum picture quality when using the COMPONENT: Y-CbC r Input I
I
2 jacks. I
NOISE REDUCTION
The NOISE REDUCTION function automatically reduces conspicuous noise in the picture without degrading picture quality.
(This function will automatically set to on and cannot be turned off when the ULTRA AI function is ON.)
SUPER CONTRAST
Turn on SUPER CONTRAST to improve picture detail in areas of high brightness.
C()LOR TEMPERATU RE
Set this to WARM for hotter colors with more red, or set to COOL for less intense colors with more blue.
50

AUDIO
Select AUDIO SETTINGS to adjust the "IV to your preference and to improve the sound quality.
CURSOR BASS
TREBLE ,l_'------t,_%
BALANCE ,r"---Imr_-i,
RESET r-]
ADVANCED
SETTINGS
MENUITO MENU BAR TO QUIT I EXIT
CURSOR BASS 4__1_ _%
TREBLE 4_lBl-_l_ _%
BALANCE 41'_"-'_"----Ib
RESET []
ADVANCED
SETTINGS
MENU ITO MENU BAR TO QUIT I EXIT
Use CURSOR •or •to highlightthe function to be adjusted.
Press CURSOR •or •to adjust the function.
Press EXIT to quit menu.
NOTE: I
If BASS is selected you are adjusting BASS. The additional menu items TREBLE and BALANCE can be selected and I
adjusted in the same manner. I
BASS
TREBLE
Thisfunction conb'olsthe lowfrequency audioto all speakers.
BALANCE
J This function conb'ols the high frequency audio to all speakers.
I his function will control the left to dght balance of the IV internal speakers, the AUDIO TO HI FI output, and
WIRELESS OUT outpuL
RESET I When RESET is selected, press CURSOR •to return audio adjustments to factory preset conditions.
51

AUDIO
I ADVANCEDSETTINGS IUse ADVANCED SETTINGS to improve the soundperformance of your TV, depending on listeningconditions.
CURSOR BASS 4mm'--"_,72%
TREBLE ,Im'_"1,50%
BALANCE d__
RESET []
ADVANCED
SETTINGS I_
MiZNUITOMENUBAR TOQUITI EXIT
CURSOR
ADVANCED SETTINGS
=_ • STEREO
OMONO
OSECOND AUDIO PROGRAM
[] INTERNAL SPEAKERS
IIaAUTO NOISE CANCEL
[] LOUDNESS
[] PERFECT VOLUME
[] DYNAMIC BASS
MENU_TO MENU BAR TO QUIT I EXIT
CURSOR ADVANCED SETTINGS
•STEREO
OMONO
OSECOND AUDIO PROGRAM
I_Sa INTERNAL SPEAKERS
[] AUTO NOISE CANCEL
•LOUDNESS
[] PERFECT VOLUME
i[] DYNAMIC BASS
MENU ITO MENU BAR TO QUIT I EXIT
Press CURSOR •or •to highlight a function. Press CURSOR •to change the function setting. When the function has an _X" in the
box, it is ON.
MTS MODE
Multi-Channel Television Sound will allow you to select STEREO (a stereo broadcast), MONO (monaural sound) used when receiving
a weak stereo broadcast or SAP (second audio program) which may be a secondary language, weather report, etc.
The sources received will be displayed at the top center edge of the "IV. The source you select will be displayed above the sources
received. See example below for each selection when both stereo and second audio are received (monaural is always received).
STEREO SELECTED SAP SELECTED MONO SELECTED
INTERNAL SPEAKERS
This function is useful when first setting up the external speakers, or if you prefer to use only speakers from a separate stereo system.
AUTO NOISE CANCEL
This function eliminates the noise between stations. If a channel is tuned and is noisy, this function will automatically eliminate the audio
for that channel.
LOUDNESS
This function will improve the quality of both low and high frequency sounds when listening at low volume levels.
PERFECT VOLUME
This function will automatically adjust volume so each channel has the same average volume level.
DYNAMIC BASS
Tl_isfunction allows you to enjoy spectacular bass sound that would normally be heard only with expensive home speaker systems.
52

THEATER
.
Use this function to choose picture setlJRgsfor a b'ue home THEATER experience.
I THEATER MODES I Use this function to choose from automatic picture settings to optimize your TV's performance.
CURSOR THEATERMODF.S,_ • TV
SRS O MOVIES
WIRELESS SOUND O SPORTS
r'! RESET
;MENUITO MENU BAR TO QUIT I EXIT
CURSOR
BAR T T MENU ITO MENU BAR
Use CURSOR •or •to change THEATER MODES settings.
When "IV mode is chosen, the following are automatically set:
Contrast almost maximum, Super Contrast-OFF, Color Temp.-Cool, Loudness-ON, Perfect Volume-ON, Dynamic Bass-ON.
When MOVIE mode is chosen, the following are automatically set:
Conb'ast almost center, Super Contrast-OFF, Color Temp.-Warm, Loudness-OFF, Perfect Volume-OFF, Dynamic Bass-OFF.
When SPORTS mode is chosen, the following are automatically set:
Contrast-Maximum, Super Contrast-ON, Color Temp.-Cool, Loudness-OFF, Perfect Volume-OFF, Dynamic Bass-OFF.
You can customize each of the above modes ('IV, MOVIE, and SPORTS) to your preference to increase viewing performance and
pleasure, depending upon the video program being viewed. However, if RESET is selected, all modes willreset to the initial conditions
as explained above.
When RESET is selected, it will take approximately two seconds to return to factory conditions (SPORTS mode).
Press EXIT to quit menu or CURSOR •to return to previous menu.
53

THEATER
I I
Based on the principles of the human hearing system, SRS technology delivers an exciting and realistic3D
Sound experience from just two speakers (or) the two internal speakers of your HITACHI television. If your
HITACHI television is connected to an external audio system, SRS will also create an incredible3D sound
experience from two speakers and even enhance a complete multi-speaker surround sound system.
THEATER MODES
SRS _eON
WIRELESS SOUND OOFF
MENU ITO MENU BAR TO QUIT I EXIT
THEATER MODES
SRS ,_ OON
WIRELESS SOUND OOFF
MENU ITO MENU BAR TO QUIT'I EXIT
CURSOR
THEATER MODES
SRS OON
WIRELESS SOUND =_ OOFF
_IENU ITO MENU BAR TO QUIT I EXiT
Use CURSOR •or V, then CURSOR •to set SRS ON or OFF.
Press EXIT to quit menu or CURSOR ,< to return to previous menu.
NOTE:
i
i
SRS, the SRS symbol and Sound Retrieval System are registered trademarks of SRS Labs, Inc. in the U.S. and select-
ed countries. SRS Technology is manufactured under license from SRS Labs, Inc. and is protected by USA patents
4,748,669 and 4,841,572 and additional patents worldwide.
54

THEATER
IWIRELESS
SOUND • Ihisfeature allows you to choose between two possible variable audio outputs for a separate set of wireless
speakers or another stereo amplifier. The audio outputmay be either MAIN TV AUDIO or PIP AUDIO.
THEATER MODES
SRS
WIRELESS SOUND I_
MENU ITO MENU BAR TO QUIT I EXIT
WIRELESS SOUND
WIRELESS OUT
QMAIN TV AUDIO
OPIP AUDIO
MENU ITO MENU BAR TO QUIT I EXIT
Press CURSOR •or •to highlight a function.
Press CURSOR •to select the function.
Press EXIT to quit menu or CURSOR ,< to return to previous menu.
MAIN TV AUDIO
When set to MAIN "IV AUDIO mode, your wireless speakers will play the same audio program as played on your "IV. The volume of
your wiri_lessspeakers will be controlled by the IV volume control.
PIP AUDIO
When set to PIP AUDIO mode, your wireless speakers will play the PIP sub-picture audio program. The volume of your wireless speak-
ers will now be controlled by the PIP VOLUME control, which may be vaded from 0 (min.) to 100 (max.). If no sub-picture is displayed,
the wireless speakers will play the main channel audio program with the volume being controlled by the TV volume control.
55

This function allows your IV to assist you with your busy day-to-day schedule.
INFO
IPECIAL EVENT I Use this function to set up to six special events into memory.
REMINDER IThese events can then be viewed in CALENDAR mode.
CURSOR SPECIAL
EVENT REMINDER =_
CALENDAR
AUTO HELP
MENUITO MENU BAR TO QUIT I EXIT
CURSOR SPECIAL EVENT REMINDER
O1 02 03 04 05 06
SET SPECIAL DAY JAN 01 1998
START REMINDER
O ON SPECIAL DAY
O 1 DAY BEFORE
O 1 WEEK BEFORE
•OFF
[] ERASE
MENU ITO MENU BAR TO QUIT IEXIT
Press CURSOR • to select EVENT 1 to 6.
Press CURSOR • or • to select a letter.
Press CURSOR •to change position.
Set Special Day of reminder using cursor buttons.
Highlight the day of Start Reminder using CURSOR buttons, then press CURSOR •to select.
To erase SPECIAL EVENT, select ERASE EVENT then press CURSOR •.
Press EXIT to quit menu or CURSOR •to retum to previous menu.
If the clock is not set, you can not use this function and the next screen will appear.
SPECIAL EVENT REMINDER
PLEASE SET
CLOCK FIRST
MENU ITO MENU BAR TO QUIT I EXIT
NOTE: 1. When the "IV is turned on, the SPECIAL EVENT REMINDER message will automatically appear at the selected time.
2. Each special event message can be a maximum of 20 characters.
3. When the RECALL button is pressed, a special icon appears on the right bottom side of the screen and indicates a
SPECIAL EVENT REMINDER message. Press the RECALL button again to display the SPECIAL EVENT REMINDER
message.
56

INFO
I CALENDAR I se this function to check the day, month, and year.
Dates programmed in SPECIAL EVENT REMINDER will appear blinking and special event message will
be displayed.
SPECIAL
EVENT REMINDER
CALENDAR
AUTO HELP
MENU ITO MENU BAR TO QUIT I EXIT
CURSOR CALENDAR
JAN 1998
S M T W T F S
1 2 3
4 5 6 7 8 9 10
11 12 13 14 15 16 17
18 19 20 21 22 23 24
25 26 27 28 29 30 31
MENU ITO MENU BAR TO QUIT I EXIT
Press CURSOR • or • to change the month.
Press EXIT to quit menu or CURSOR <to return to previous menu.
If the clock is not set, you can not use this function and the next screen will appear.
CALENDAR
PLEASE SET
CLOCK FIRST
MENU ITOMENU BAR TO QUIT I EXIT
NOTE: 1. Dates of SPECIAL EVENT REMINDER will appear blinking. Special event message will be displayed only if current date
is within the day of Start Reminder SpeciflcalJonsas chosen in SPECIAL EVENT REMINDER. (See page 56).
2. Aspecial icon appears next to =CALENDAR" when a Special Event Reminder is set.
57

AUTO HELP
I I
iUse this function to display a description of the current menu.
INFO
SPECIAL
EVENT REMINDER
CALENDAR
AUTO HELP e_, •ON
O OFF
MENUITO MENU BAR TO QUIT ! EXIT
CURSOR
(_ CURSOR
SPECIAL
EVENT REMINDER
CALENDAR
AUTO HELP O ON
i_, • OFF
MENUITO MENU BAR TO QUIT I EXIT
Press CURSOR _1,,I' to select ON or OFF.
Press EXIT to quit menu or CURSOR < to return to previous menu.
INOTE: You can also tum this function ON and OFF by pressing the HELP button on the remote control. I
58

CARE OF YOUR HITACHI PROJECTION TV
AND YOUR REMOTE CONTROL
DO
Dust the screen and cabinet with a soft cloth.
Clean the screen with a soft cloth moistened in warm water and dry with a soft cloth. Amild soap may be used if
the screen is extremely dirty.
Place your television away from extreme heat, humidity,and extremely dusty places.
Remove the plug from the wall outlet if your television will not be used for a long period of time, for instances,
when you go on vacation.
DO NOT
Do not clean your screen or cabinet with strong cleaners, polishes or a chemically treated cloth.
Do not place rubber or vinyl products or cellophane tape on your television.
Do not touch the screen too often.
Do not subject the remote control to shocks such as dropping it on the floor, etc. Physical damage to the precision
parts may result.
Avoid placing the remote control in a high humidity place or getting it wet. Do not leave it on or near a heater.
Excessive heat or moisture may cause the unit to cease operation.
When the batteries run down, remote control operation will become erratic or possibly stop altogether. Replace the
old batteries with two new "AA" size batteries.
Exposure of the viewing screen to prolonged direct sunlight or heat may cause the screen to permanently warp,
resulting in a distorted picture.
59

USEFUL INFO
SYMPTOMS
No Picture, no sound • • • • • • •
Sound OK, picture poor • •••••••
Picture OK, sound poor • • • • • • •
Picture blurred • • • • • •
Lines or streaks in picture • • • • •
Poor reception on some channels • • • • •
Picture roils vertically • •
No color • • • • • •
Poor color • • • • • =• •
HITACHI Projection Television incorporates advanced power surge protection technology designed to protect against
component or circuit damage due to external or internal voltage power surges.
IF YOUR TELEVISION SHOULD APPEAR TO HAVE ALOSS OF POWER, PLEASE FOLLOW THIS PROCEDURE:
1. Press the power switch (ON/OFF switch) once.
2. If there is still no power, wait 30 seconds and press the power switch again.
3. If there is still no power, unplug the power cord from the wall. Wait 30 seconds and plug the power cord back in.
Press the power switch again.
This protective technology should provide for years of lasting entertainment from your HITACHI Projection Television.
61

I
Features:
USEFUL INFO
•Superfine Picture Quality
1000 Line Horizontal Resolution
•Pure Green and Red Filter Lenses
•Artificial Intelligence System
•Remote (Controls many VCR brands, cable boxes, satellite boxes, and other audio equipment.)
• High Definition On-Screen Display (UltraTEC BiT-MAP)
• ON SCREEN PLUG and PLAY guide
• Full Set of Input Jacks, including S-Video
• COMPONENT: Y/Cb/Cr Input Jacks
•Closed Caption Decoder
•High Resolution Picture-In-Picture with Freeze
• Tuned Port Bass Reflex Speakers
•Magic Focus (Auto Digital Convergence)
• Dual Antenna Inputs
•Auto Link
•SRS (O_
Inputs:
• Power Input ............. AC 120V, 60Hz
• Power Consumption (operating)
50UX58Bt58K ................... 157W
55UX58B ...................... 157W
60UX58B/58K ............... . . . .157W
Power Consumption (maximum)
50UX58B/58K ................... 192W
55UX58B ...................... 192W
60UX58B/58K ................... 192W
Antenna input impedance ......... 75 Ohm
Channel coverage ............... 181ch.
VHF-Band ..................... 2- 13
UHF-Band .................... 14 ~69
CATV Mid Band .............. A-5 ~ A-1
Super Band ..................... J-W
Hyper Band ............... W+I - W+28
Ultra Band ............... W+29 - W+84
• Video ................ 1.0Vp-p, 75 Ohm
• S-Video
Luminance (Y) .......... 1.0Vp-p, 75 Ohm
Chrominance (C) ...... 0.286Vp-p, 75 Ohm
•Audio input level .............. 47k Ohm
• Average input level ................ 470mVrms
• Component Video
*Luminance (Y) ............... 1.0Vp-p, 75 Ohm
Chrominance (Cb,Cr) ......... 0.7Vp-p, 75 Ohm
62
Outputs:
• Video ...................... 10Vp-p 75Ohm
•Audio ................... 470mVrms, lk Ohm
Dimensions:
• Height (in.)
•Width (in.)
•Depth (in.)
• Weight (Ibs.)
Height (in.)
Width (in.)
Depth (in.)
Weight (Ibs.)
Height (in.)
Width (in.)
Depth (in.)
Weight (Ibs.)
NOTE:
50UX58B
51 15/16
43 9/16
24 3/4
190
55UX58B
56 11/16
47 _/4
29 7/t 6
267
60UX58K
61
52
26 9116
308
50UX58K
51 13/16
43 3/8
24 5/8
190
60UX58B
60 7/16
51 11/16
27 1/16
3O8
Due to improvements, specifications in this oper-
ating guide are subject to change without notice. I

RECEPTION PROBLEMS
..J
ii!ii iiiii
•IGNITION NOISE:
Black spots or horizontal streaks may appear, picture may flutter or drift.
Usually caused by interference from automobile ignition systems, neon
lamps, electrical drills, and other electrical appliances.
•GHOSTS:
Ghosts are caused by the television signal following two paths. One is the
direct path and the other is reflected from tall buildings, hillsor some other
objects. Changing the direction or position of the antenna may improve
reception. Ghosting may also be caused by defects in the antenna system
such as unshielded leads or connecting several sets to the same antenna
without using multiple antenna couplers.
• SNOW:
If your receiver is located in the fringe area of a television station where
the signal isweak, your picture may be marred by the appearance of small
dots. When the signal is extremely weak, it may be necessary to install a
special antenna to improve the picture.
•RADIO FREQUENCY INTERFERENCE:
The interference produces moving dpples or diagonal streaks, and in
some cases, causes loss of contrast in the picture.
NOTE: !
The TV set can generate sound distortion in external devices such as a radio. Please separate radio equipment from I
the TV set to a considerable distance. I
60

USEFUL INFO
HITACHI
j_ ,.ql f.__O locate an authorized
(_,_f _ HITACHI service facility
fl _iI_ '_/_v_! I- in the continental U.S.A.
/i /_TA _Ir_w" and Canada,
DIAL_TOLL FREE
7 days a week, 24 hours a day
(1-800-448-2244)
Hitachi Home Electronics (America), Inc.
Hitachi has made every effort to assure you hours of trouble free operation from your unit. However, should you require service,
a network of Hitachi Authodzed Service Facilities has been established in all 50 states and Puerto Rico. Each facility will provide
you with convenient and expedient assistance. Our service hotline operator will direct you to the Hitachi Authorized Service
Facility nearest you. Just present proof of purchase and/or delivery receipts to the Hitachi Authorized Service Facility, and ser-
vice will be rendered in accordance with the terms of the limited warranty as stated on your warranty card or operating guide.
Should you have any questions regarding warranty, service, operation, or technical assistance, please contact:
Hitachi Home Electronics (America), Inc.
3890 Steve Reynolds Blvd.
Norcross, GA 30093
Tel: 770-279-5600
Hitachi Sales Corporation of Hawaii
3219 Koapaka St.
Honolulu, HI 96819
Tel: 808-839-3621
For TVs ourchased in Canada only, please contact one of the Hitachi offices below, should you have any ques-
tions regarding service, operation, or technical assistance.
MONTREAL
9425 Trans Canada
Saint-Laurent, Quebec
H4S 1V3
TORONTO
6740 Campobello Road
Mississauga, Ontario
L5N 2L8
VANCOUVER
20800 Westminster Hwy., Unit 1103
Richmond, B.C.
V6V 2W3
Tel: (514) 956-9882
Fax: (514) 956-9761 Tel: (905) 821-4545
Fax: (905) 826-6627 Tel: (604) 214-0777
Fax: (604) 214-0772
63

HITACHI
QR25432