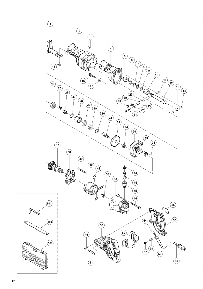
Hitachi CR13V2 1602156L User Manual RECIPROCATING SAW Manuals And Guides
User Manual: Hitachi CR13V2 CR13V2 HITACHI RECIPROCATING SAW - Manuals and Guides View the owners manual for your HITACHI RECIPROCATING SAW #CR13V2. Home:Tool Parts:Hitachi Parts:Hitachi RECIPROCATING SAW Manual
Open the PDF directly: View PDF
.
Page Count: 44











































