Hitachi Finish Nailer Nt 65Ma4 Users Manual NT65MA4_陦ィ邏・ai
NT 65MA4 to the manual 8e2ae0cb-bf53-41fb-b165-05319f93f0c9
2015-01-24
: Hitachi Hitachi-Finish-Nailer-Nt-65Ma4-Users-Manual-313448 hitachi-finish-nailer-nt-65ma4-users-manual-313448 hitachi pdf
Open the PDF directly: View PDF
.
Page Count: 4

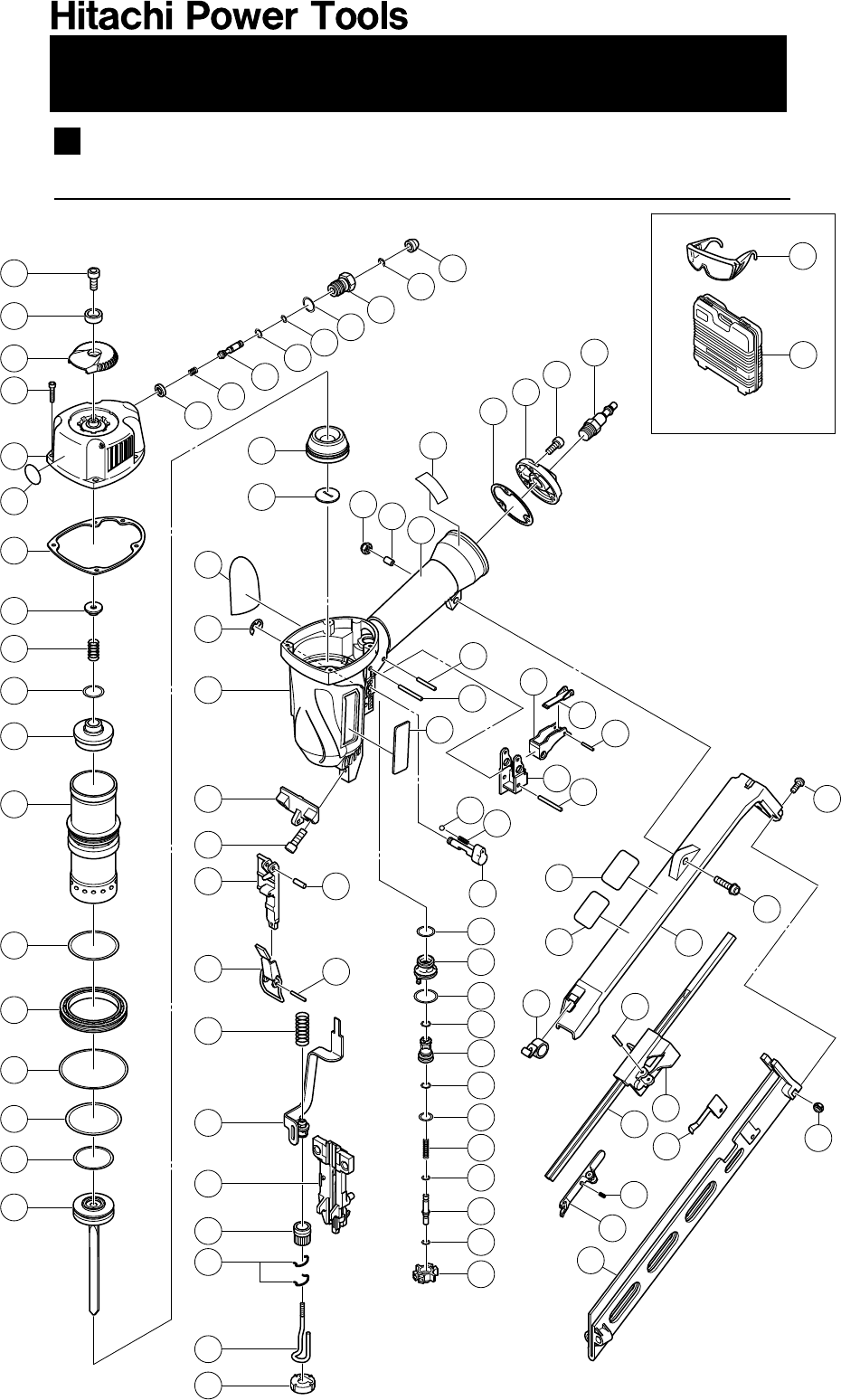
Model NT 65MA4
FINISH NAILER
LIST NO. E060
(E1)
2009㨯10㨯 5
PNEUMATIC TOOL PARTS LIST
1
2
3
4
5
6
7
8
9
10
11
12
13
14
15
16
17
18
19
20
21
22
23
24
25
26
27
28
29
30
31
32
33
34
35
36
37
38
39
40
41
42
43
44
45
46 47
49
50
51
52
53
56
55
57
61
62
63
60
56
59
64
65
66
67
68
67
69
70
71
72
71
73
75
74
76
78
77
81
80
85
84
82
83
86
46
79
58
501
502
54
48

PART
S
NT 65MA4
DESCRIPTION REMARKS
1 949-657 HEX. SOCKET HD. BOLT M6 X 12 (10 PCS.) 1
2 880-515 PLATE 1
3 884-332 TOP COVER 1
4 949-757 HEX. SOCKET HD. BOLT M5 X 20 (10 PCS.) 4
5 887-161 EXHAUST COVER 1
* 6 883-513 WARNING LABEL (A) 1 FOR EUROPE
7 887-165 GASKET 1
8 882-914 HEAD BUMPER 1
9 882-913 HEAD VALVE SPRING 1
10 883-992 O-RING (I.D. 20.8) 1
11 887-169 HEAD VALVE (A) 1
12 887-162 CYLINDER 1
13 887-176 O-RING 1
14 887-163 CYLINDER PLATE 1
15 884-339 CYLINDER O-RING (I.D. 63.1) 1
16 878-716 O-RING (P-46) 1
17 882-685 O-RING (I.D. 34.7) 1
18 884-330 PISTON 1
19 884-338 VALVE PACKING 1
20 887-177 SPRING 1
21 884-333 PLUNGER 1
22 873-093 O-RING (1AP-3) 1
23 881-715 O-RING (S3) 1
24 987-105 O-RING (S-10) 1
25 882-701 VALVE BUSHING 1
26 968-643 RETAINING RING (E-TYPE) FOR D4 SHAFT 1
27 886-743 KNOB 1
28 887-170 PISTON BUMPER 1
29 881-756 BUMPER SHEET 1
30 NAME PLATE 1
31 955-479 RETAINING RING (E-TYPE) FOR D6 SHAFT 1
32 887-160 BODY ASS'Y 1 INCLUD. 48
33 881-764 GUIDE PLATE (B) 1
34 331-967 NYLOCK HEX. SOCKET HD. BOLT M6 X 30 2
35 881-743 GUIDE PLATE (A) 1
36 884-323 LOCK LEVER 1
37 877-894 HOLDER SPRING 1
38 887-179 PUSHING LEVER (B) 1
39 881-742 BLADE GUIDE 1
40 887-172 ADJUSTER 1
41 881-765 RATCHET SPRING 2
42 884-324 PUSHING LEVER (A) 1
43 881-751 NOSE CAP (A) 1
44 949-770 ROLL PIN D4 X 14 (10 PCS.) 1
45 949-685 ROLL PIN D3 X 20 (10 PCS.) 1
46 877-371 NYLON NUT M5 3
47 881-774 SLEEVE 1
48 GRIP RUBBER 1 SUPPLIED WITH ITEM NO. 601, 602
49 CAUTION PLATE 1
50 887-171 GASKET (B) 1
- 2 - 10 - 09
*ALTERNATIVE PARTS
ITEM
NO. NO.
USED
CODE NO.

PART
S
NT 65MA4
DESCRIPTION REMARKS
51 884-343 CAP (A) 1
52 949-821 HEX. SOCKET HD. BOLT M5 X 16 (10 PCS.) 3
53 AIR PLUG NPT 1/4 1
54 886-342 HITACHI PLATE 1
55 949-864 ROLL PIN D3 X 22 (10 PCS.) 1
56 949-866 ROLL PIN D3 X 30 (10 PCS.) 2
57 887-166 TRIGGER (C) 1
58 885-689 TRIGGER ARM (C) 1
59 881-951 ROLL PIN D2.5 X 16 1
60 885-640 PUSHING LEVER GUIDE 1
61 959-155 STEEL BALL D3.97 (10 PCS.) 1
62 982-454 SPRING (C) 1
63 886-265 CHANGE KNOB (C) 1
64 877-763 FEED PISTON O-RING (I.D. 14) 1
65 884-963 VALVE BUSHING (B) 1
66 873-570 O-RING (P-18) 1
67 676-531 O-RING (P-7) 2
68 884-964 VALVE PISTON 1
69 872-654 O-RING (1AP-10) 1
70 887-178 PLUNGER SPRING 1
71 878-888 O-RING (I.D. 1.8) 2
72 885-888 PLUNGER 1
73 884-962 VALVE BUSHING (A) 1
* 74 878-183 WARNING LABEL 1 FOR EUROPE
75 LABEL 1
76 881-755 RIBBON SPRING 1
77 885-997 MACHINE SCREW M5 X 15 (BLACK) 2
78 881-773 HEX. SOCKET HD. BOLT (W/FLANGE) M5 X 20 1
79 881-752 MAGAZINE COVER 1
80 881-767 ROLL PIN D2.5 X 20 (STAINLESS) 1
81 884-327 NAIL RAIL 1
82 881-744 NAIL FEEDER (B) 1
83 881-766 NAIL STOPPER 1
84 880-321 PUSHING SPRING 1
85 881-746 NAIL FEEDER (A) 1
86 881-754 MAGAZINE 1
10 - 09 - 3 -
*ALTERNATIVE PARTS
NO.
USED
CODE NO.
ITEM
NO.

NT 65MA4
DESCRIPTION REMARKS
501 875-769 SAFETY GLASSES 1
502 884-340 CASE 1
DESCRIPTION REMARKS
601 881-768 GRIP TAPE (A) 1
602 880-407 TAPE 2
603 877-153 PNEUMATIC TOOL LUBRICANT (30CC) 1
604 874-042 PNEUMATIC TOOL LUBRICANT (120CC) 1
605 876-212 PNEUMATIC TOOL LUBRICANT (1L) 1
606 317-918 GREASE (ATTOLUB NO. 2) 500G 1
- 4 - Printed in Japan 10 - 09
(091005N)
*ALTERNATIVE PARTS
OPTIONAL ACCESSORIES
STANDARD ACCESSORIES
NO.
USED
NO.
USED
CODE NO.
CODE NO.
ITEM
NO.
ITEM
NO.