Hobart Fastrack F 8018 Users Manual 8018(12 07)
FASTRACK F-8018 F-8018
F-8018 to the manual 5abac8c0-864a-4a32-a7c0-1110e76a40f1
2015-02-05
: Hobart Hobart-Fastrack-F-8018-Users-Manual-406490 hobart-fastrack-f-8018-users-manual-406490 hobart pdf
Open the PDF directly: View PDF
.
Page Count: 8

Item # _____________________________________
Quantity ___________________________________
C.S.I. Section 11400
F-8018 – FastRack Warewashing Systems Page 1 of 8
FastRack
WAREWASHING SYSTEMS
701 S Ridge Avenue, Troy, OH 45374
1-888-4HOBART • www.hobartcorp.com
MODEL
❑ FastRack Dishwasher
OPTIONS AND ACCESSORIES
AT EXTRA COST
❑ Single point electrical connection
❑ 6” higher than standard chamber
❑ Conveyor dwell
❑ Blower dryer
❑ Prewash on curve (90° or 120°)
❑ Stainless steel vent hoods
❑ Extra push button stations
❑ Tray loops
❑ Hose reel
❑ Food waste trough
❑ Glass and cup rack shelf
❑ Empty rack storage shelf
❑ Straight or curved hanging shelves
❑ Disposer or pulper system
Specifications, Details and Dimensions on Inside and Back.
R
STANDARD FEATURES
■ Top mounted controls
■ Stainless steel anti-clogging wash arms
■ Stainless steel front panel
■ Stainless steel frame and legs
■ Automatic fill
■ Scrap screen and bucket system
■ Stainless steel pump and impeller
■ Pump intake screen
■ Door actuated drain closure
■ Door interlock switch in all doors
■ Vent fan control
■ Convertible hot water or low temp final rinse
DIRECTION OF OPERATION
❑ Clockwise, Doors In (L-R)
❑ Clockwise, Doors Out (R-L)
❑ Counter-Clockwise, Doors In (R-L)
❑ Counter-Clockwise, Doors Out (L-R)
VOLTAGE
❑ 208/60/3 – Electric Heat
❑ 240/60/3 – Electric Heat
❑ 208-240/60/3 – Steam Heat or Gas Heat
❑ 480/60/3 with 20 V. Pilot Circuit
FastRack WAREWASHING SYSTEMS

701 S Ridge Avenue, Troy, OH 45374
1-888-4HOBART • www.hobartcorp.com
Page 2 of 8 F-8018 – FastRack Warewashing Systems
FastRack
WAREWASHING SYSTEMS
SPECIFICATIONS:
■ DESIGN: Fully automatic rack transport warewashing
system utilizing any Hobart C-Line-A dishwasher or
combination thereof. Design incorporates tables and
rack transport system providing continuous closed-
circuit operation.
■ OPERATION: Direction of operation may be specified
either clockwise or counterclockwise determined by
facing doors on C-Line machine. Inspection doors on
dishmachine may be specified to face either in or out.
■ CONSTRUCTION: As Applicable:
Dishwasher: Any Hobart C-Line-A Dishwasher or
combination thereof, selected according to production
requirements. Use portion of separate specifications for
C-Line-A model(s) selected. FastRack dishwasher is
standard with stainless steel front panel, frame, legs &
feet.
Tables: Table surface is #14 gauge stainless steel with
structural cross supports. Table sections are designed
with positive alignment and sealing bolted table joint
connections. All “H” frames and other supporting
members of 15⁄8" diameter stainless steel tubing with
stainless steel adjustable feet. Inside width of tabling –
221⁄4". Radius to outside of curved sections – 36".
Loading section of table incorporates a 11⁄4" high rack
rest. Rack is disengaged from transport chain when
placed on lip, permitting stationary loading.
■ PREWASH
Straightaway Unit: RS-22A or PW-36A prewash unit in
straightaway to be specified as part of companion
C-Line-A dishwasher. Refer to individual machine
specifications.
On Curve: RS type prewash unit mounted in 90° or
120° hooded curved section of soiled dish table.
(PW-36A prewash available in straightaway only.)
Recirculating prewash with a stainless steel spray arm
above with special jets designed to effectively prewash
all type of tableware. Spray arm easily removed without
use of tools. Integral pump, motor and drain control
mounted externally on end of tank below table level.
Large, removable, perforated stainless steel strainer
screens sloped downward towards a deep perforated
stainless steel scrap basket. Basket and screens
removable at front of prewash. The scrap basket can be
removed and emptied without shutting machine down.
Prewash tank filled and replenished with overflow water
from companion machine. No fill valve required.
■ MOTORS: Refer to individual Hobart C-Line model
specifications.
■ CONTROLS: A stainless steel control center with power
“on/off” and “start/stop” switches is mounted on top of
machine. Machine control circuitry components will be
operated from a 120 volt control circuit transformer.
Electrical components are completely wired with 105°C,
600V thermoplastic insulated wire with stranded
conductors routed through Listed electrical conduit or
covered wireway built into the front of the machine
above tank water level. Extra push button station(s)
may be specified for other locations at extra cost.
■ FRC MODEL RACK TRANSPORT SYSTEM: Racks
are delivered through dishwashing machine by means
of 8,500 lb. tensile strength stainless steel endless
chain with oval driving lugs and stainless steel rollers.
The drive system transports racks without permanent
attachment, permitting instant engagement and disen-
gagement of racks for cleaning, loading, substitution of
different racks, etc.
■ TRANSPORT CHAIN DRIVE: 1⁄2 H.P. ball bearing motor
drives a speed reducer. Supplied in same electrical
specs as dishwasher. Speed reducer power train is
lubricated and cooled by an oil bath. A friction drive
clutch installed in low speed shaft of speed reducer and
directly connected to the drive sprocket shaft. Motor
has built-in overload protection with manual reset.
■ DRAIN CONNECTION: Single 2" female connection for
dishmachine. May be specified at either clean or soiled
dish end. Separate female drain connection for
disposer(s) and waste system.
■ BUILDING HOT WATER CONNECTION: Single 1" pipe
female connection. (It is recommended that the building
water temperature be 140°F.)
■ STEAM CONNECTION: If steam booster is specified,
single 11⁄2" female connection for steam injector(s) or
steam coil(s) and steam booster.
■ ELECTRICAL CONNECTION: Single electrical
connection for all motors and operating controls.
Separate electrical connections required for electric
tank heat, electric booster, electric blower dryer,
disposer and waste system in front trough.
■ RACKS: Racks are not furnished as standard equip-
ment. A study of customer requirements must be made
to determine the number and type of racks required.
Hobart racks are recommended, however, most plastic
racks available from various rack suppliers with Hobart
indexing could be used on the FRC system. For further
information, see Warewashing Rack specification sheet
Form F-7861.
■ FILL: Fill water line is equipped with vacuum breaker
on downstream side of electrically operated solenoid
valve in common piping system, for automatic mainte-
nance of tank level. Fill is interrupted whenever a door
is opened.
■ OPTIONAL EQUIPMENT AT EXTRA COST:
WASH TANK HEATING
ELECTRIC: Electric incoloy sheathed immersion
heaters removable from inside tank. Tank water
temperature is controlled by solid-state thermostat with
positive low-water protection and magnetic contactor.
(Disconnect switches not furnished.) Heating elements

701 S Ridge Avenue, Troy, OH 45374
1-888-4HOBART • www.hobartcorp.com
F-8018 – FastRack Warewashing Systems Page 3 of 8
FastRack
WAREWASHING SYSTEMS
are additionally protected by a high limit device
mounted on the surface of the element.
STEAM: One-inch stainless steel steam injectors or
stainless steel steam coils (for contaminated steam).
Tank water temperature controlled by solid-state
thermostat with positive low-water protection. Steam
supplied to machine through high temperature steam
solenoid valve and line strainer. Each tank supplied
through common steam connection.
GAS: Regulated power immersion tube gas burner
system. Tank water temperature is controlled by solid-
state thermostat and a blower with a centrifugal switch.
Positive low water protection is provided. Immersion
tube is additionally protected by a high limit device
mounted on the surface of the tube. A solid-state ignitor
board controls the gas valve and provides flame ignition
for each tank. A transformer steps the control circuit
voltage down from 120 volts to 24 volts to power the
ignitor board and gas valve.
For natural gas, gas pressure to burner (customer
connection) not to exceed 7" W.C.
For LP gas, gas pressure to burner (customer connec-
tion) not to exceed 11" W.C.
If gas pressure is higher than 7" W.C. natural
or 11" W.C. LP, a pressure regulating valve must be
supplied (by others) in the gas line to the dishwasher.
■ FINAL RINSE WATER BOOSTER HEATER: A steam
booster, electric booster or gas booster heater may be
mounted under the clean dish table or freestanding on
the floor in center of the dish tables.
Steam: A four-pass straight tube heat exchanger
having removable headers. Equipped with solenoid
valve and thermostatic control wired in flexible liquid-
tight conduit. Bucket type steam trap, pressure relief
valves for both water and steam, water pressure
reducing valve and pressure gauge for outlet water.
Maximum operating steam pressure— 50 p.s.i. For
steam pressure below 20 p.s.i., consult Hobart steam
booster sizing chart for proper size. Booster hot water
outlet connected to fill and final rinse.
Electric & Gas: Hobart electric and gas boosters are
generally mounted under clean dish table, and hot
water outlet is connected to fill and final rinse.
For proper gas ventilation, see the National Fuel Gas
Code and Hobart Installation Manual.
■ FOODWASTE REMOVAL: The FastRack system may
be equipped with a Hobart Food Waste Disposer or a
Hobart Waste Equipment System.
FOOD WASTE DISPOSER AND TROUGH - LOADING
SECTION – when specified:
Disposer: Specify Hobart food waste disposer accord-
ing to size required. Your Hobart Equipment Dealer or
Hobart Representative can help with sizing. Disposer
supplied with magnetic starter and push button station,
having NEMA 12 enclosures, also solenoid valve,
vacuum breaker and trough flushing nozzle(s). These
components factory mounted, wired and plumbed as
applicable. Control station for disposer conveniently
located.
Food Waste Trough: 10", 12" or 16" (inside width) on
front of straight soiled dish table, external of table.
Trough lengths start at 4 feet (in 6" increments). Silver
saver in trough, with cover over food waste disposer
opening. Height of trough permits locking of trays under
the 11⁄4" table lip specified at the loading section.
Tubular, sliding tray loops in (3) various sizes, may be
specified from front-mounted trough. Number of tray
loops determined by trough length.
Waste Equipment System: A food waste trough 10",
12" or 16" (inside width) with or without double
skatewheels, may be connected to a Hobart Waste
Equipment System and should be sized by your local
Hobart Representative. Trough lengths start at 4 feet
(in 6" increments).
■ OPTIONAL SHELVES AND TABLE ACCESSORIES
GLASS AND CUP RACK ADJUSTABLE SLANT
OVERSHELF: Constructed of #14 gauge stainless
steel, turned up on back and both ends, with depressed
front drain gutter and 3⁄4" drain tube. Adjustable three
ways – height, angle of tilt or slant toward operator and
front to back. Supported by extensions of stainless
steel “H” frame. Optional length from 4 feet to 9 feet
(in 1 foot increments).
EMPTY RACK STORAGE SHELF: Flat, constructed of
stainless steel tubing, with tubular back and ends.
Mounts above Glass and Cup Rack Overshelf on same
extensions of “H” frame. Adjustable height, and front to
back with Cup and Glass Rack Overshelf. Optional
length same as slant shelf.
OVERHEAD BOX SHELF – CLEAN DISH AREA:
Constructed of #14 gauge stainless steel, turned up on
back and both ends, down on front. Mounted on stain-
less steel tube extensions of “H” frame, usually on
clean end of tabling (straight or curved). Width 14",
optional length from 3 feet to 7 feet (in 1 foot
increments).
TRAY LOOPS – at soiled dish area:
Tray Loops: Three sizes are available; 16" x 20", 21" x
23" & 23" x 32" Sliding Loops are used on units with a
disposer or waste equipment trough mounted on front
edge of table. Tray loop quantity is optional.
■ HANGING SHELF: Accessory for clean dish table
(straight or curved), to facilitate unloading and sorting.
Supported at top by rolled edge which hooks onto table
edge and diagonal braces. 12" width, optional straight
length from 3 feet to 8 feet (1 foot increments). Optional
curved shelf 45°, 90° & 120°.
NOTE: All tables and accessories conform to NSF
Standard No. 2.

701 S Ridge Avenue, Troy, OH 45374
1-888-4HOBART • www.hobartcorp.com
Page 4 of 8 F-8018 – FastRack Warewashing Systems
FastRack
WAREWASHING SYSTEMS
SPECIFICATIONS (Continued):
■ HOSE AND REEL: (Optional) A spring loaded self
coiling hose reel with 40 feet of high pressure hose
with quick opening valve spray nozzle, conveniently
mounted under table, used for table clean up or
scraping dishes at soiled table section.
■ BLOWER-DRYER (Optional Equipment)
DESIGN: To promote rapid drying of tableware and
trays by forced circulation of high velocity heated air
through the unloading section of Hobart FastRack
automatic dishwashing system. Unit is built in straight
section only. Blower-dryer covers 5 foot, 6 inches
length of straight section to provide adequate drying
area.
Heavy-duty squirrel cage type industrial fan draws room
air through two 22" x 21" steam heated finned-type heat
exchangers and large area ducting. (Optional electri-
cally heated unit also available.) Heated air directed
downward to drying area through rectangular orifice
covering full width of conveyor. Baffles below conveyor
redirect air upward within drying area.
Any object which will pass through the machine will
be handled at the dryer area without necessity of
readjusting blower orifice upward or downward.
CONSTRUCTION: All sheet metal construction is
16 gauge stainless steel, heliarc-welded and bolted.
Large sliding inspection door provides access to dryer
section at rectangular orifice area. Vent is 4" x 22"
inside dimension and contains a locking type control
damper. Vent stack rises at entrance end of dryer
chamber for connection to dishroom exhaust stack.
Motor mounted to permit “V” belt adjustment.
Stainless steel wrap-around encloses entire external
component assembly, consisting of both steam coils,
vent stack, motor and blower. Adds approximately 211⁄2"
to height of machine.
STEAM COILS: Two double row heavy-duty high
efficiency finned tube type heat exchangers set in tan-
dem. Copper tubes and aluminum fins with galvanized
steel frame. 11⁄2" female I.P.S. brass steam connection
and 3⁄4" I.P.S. brass condensate return connection for
each coil. Steam requirements are 110 pounds per hour
at 20 P.S.I. or about 4.5 boiler H.P. Maximum allowable
steam pressure is 25 P.S.I.
ELECTRIC HEAT: 12 - 3500 watt Incoloy electric
heaters are used for a total of 42 KW heating capacity.
Thermostatic control and separate over temperature
protection are standard. Electrical specifications are
208/60/3, 240/60/3, and 480/60/3.
BLOWER: Industrial fan-type with squirrel cage-type
wheel. Wheel shaft supported by two heavy-duty
ball bearings. Housing of welded construction
throughout.
2 H.P. Blower “V” belt driven, delivering 1384 CFM at
2200 FPM velocity. Exhaust requirement is 1200 to
1400 CFM.
Motor: 2 H.P. grease packed ball bearings, splash-
proof enclosure, ventilated design. Furnished only in
three-phase electrical specifications of the basic
C-Line-A Model in 200-240/60 and 400-480/60. Above
250 volts, the controller circuit operates on reduced
voltage supplied by the transformer on the dishwasher.
■ PREWASH TEMPERATURE CONTROL: Control of
prewash tank temperature is accomplished by adding
cold water automatically through jet-type fill with suds
trap and airbreak or vacuum breaker. The control
components are installed on the prewash unit and
consists of a thermostat, easy-open line strainer and
solenoid valve. Prewash temperature control is required
on units with RS or PW prewash when a Blower-Dryer
is specified.
■ AUXILIARY VENTING: An extended hood with a 4" x
16" vent opening can be mounted on the entrance or
exit end of the warewasher. If a prewash in the curve
is specified, a 4" x 16" vent opening is standard
equipment but can be covered if desired.
■ VAPOR CONDENSER OPTION: Eliminates the need of
overhead watertight ducting and performs the neces-
sary exhaust function from the dishmachine. Condenser
is mounted over vent at discharge end of machine. On
larger machines, two condensers may be used – one at
each end. Not recommended where temperature of
tap water exceeds 55°F. Refer to separate Condenser
Spec. Sheet Form F-8102 for more complete details on
condenser selection. Condenser is not a make-up air
unit nor should it be used as a source of supply for
make-up air.
If the optional Hobart Condenser is not specified,
condensation-tight (water-tight) forced exhaust system
to the outside air is necessary to carry off the humidity-
laden drying air and thus maintain desirable working
conditions within the dish room. Such exhaust system
to be supplied by the user or general building contrac-
tor at time of installation.
■ SPECIAL NOTE: These specifications cover the
dishwashing machine, rack transport system and
over-shelving only. Supporting equipment such as
soiled dish holding shelves, carts, rack dollies,
silverware containers, silver sorting tables, soak sinks,
self-leveling dispensers and other related equipment
must be furnished by others to complete the
warewashing system.
■ SHIPMENT AND ASSEMBLY: System shipped in
sections. Installation and connection of all utilities to
be supervised by a factory trained, Hobart Service
Technician.
Optional features in this specification sheet are
available at extra cost.

701 S Ridge Avenue, Troy, OH 45374
1-888-4HOBART • www.hobartcorp.com
F-8018 – FastRack Warewashing Systems Page 5 of 8
FastRack
WAREWASHING SYSTEMS
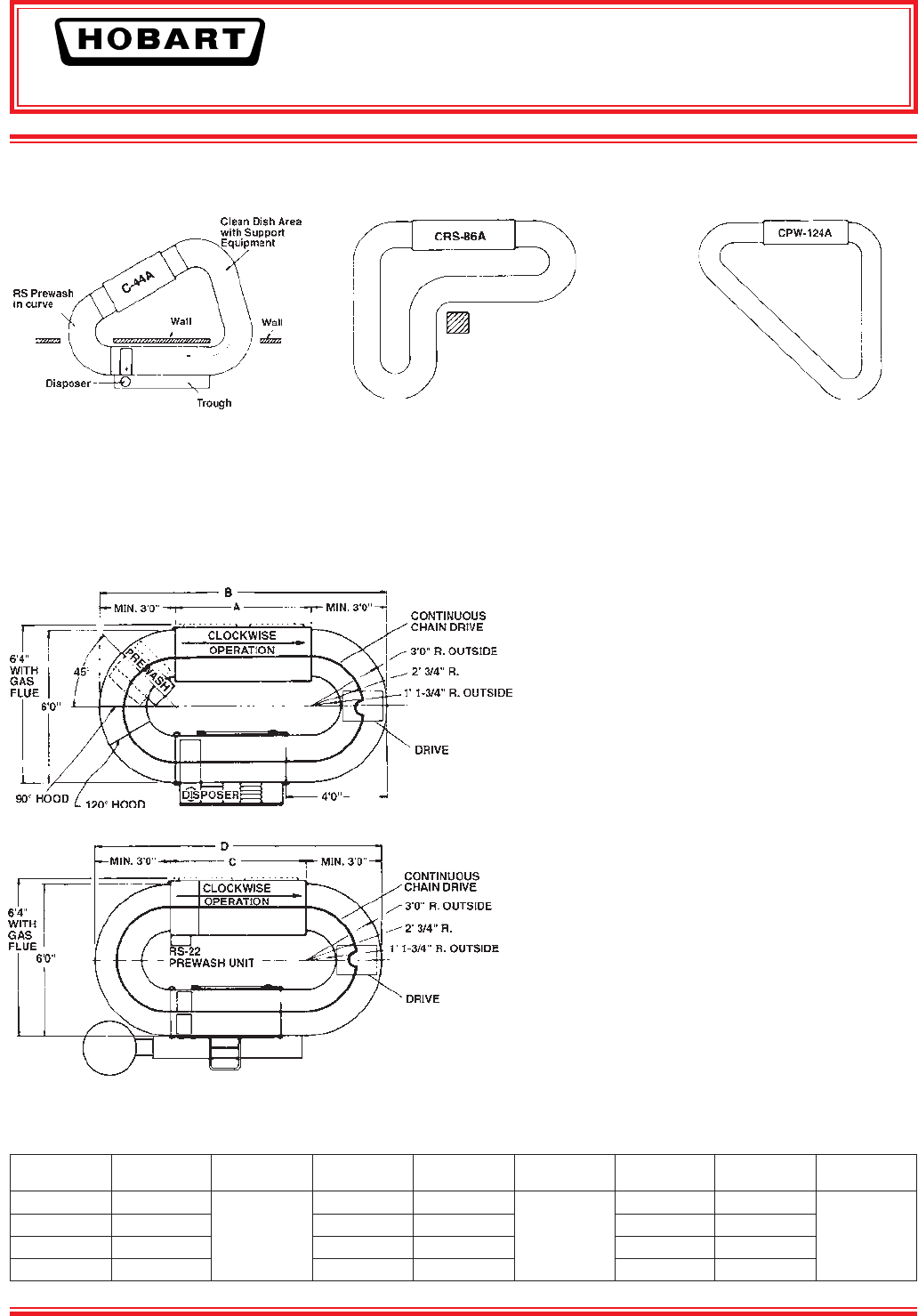
Overall dimensions indicated on the chart below are minimums required for individual C-Line-A dishwasher models. These dimensions may be increased, if
desired by adding additional lengths of straight table.
TYPICAL LAYOUTS
Another of the many various types of layouts
that may be incorporated using a FastRack
system.
Typical L-Shaped system designed to fit
around columns or other physical obstruc-
tion. Incorporates large soiled and clean
dish areas. Typically supplied with two drive
units.
A typical thru the wall layout with triangular
system isolating soiled ware from the clean
ware.
FRC “A” SERIES
FIGURE #1 Shows an FRC-A Series System with a front mounted
trough, cross trough and end-mounted disposer. Trough shown
with removable sliding grid. Prewash in the curve with 90° or
120° hood with vent.
FIGURE #2 Shows an FRC-A Series System with a prewash in the
straight section. Front-mounted trough, cross trough with pulper
system. Trough with removable sliding tray loop.
Model
No.
Dim.
A
Dim.
B
Model
No.
Dim.
C
Dim.
D
Model
No.
Dim.
C
Dim.
D
C-44A 3'8" Add "A"
dimen-
sions to
that of
the curved
sections.
CRS-66A 5'6" Add "A"
dimen-
sions to
that of
the curved
sections.
CPW-80A 6'8" Add "C"
dimen-
sions to
that of
the curved
sections.
C-54A 4'6" CRS-76A 6'4" CPW-90A 7'6"
C-64A 5'4" CRS-86A 7'2" CPW-100A 8'4"
C-88A 7'4" CRS-110A 9'2" CPW-124A 10'4"

701 S Ridge Avenue, Troy, OH 45374
1-888-4HOBART • www.hobartcorp.com
Page 6 of 8 F-8018 – FastRack Warewashing Systems
FastRack
WAREWASHING SYSTEMS
BASIC FASTRACK COMPONENTS
FRC-124A-BD-(2) CD
with WS-800 Pulper,
Steam Blower Dryer &
(1) Condenser
Clockwise Doors In
(Shown Above)
The basic components at left show a clockwise arrangement
(counterclockwise may be specified) using a C-Line -A Dishwasher,
curved clean dish table, straight soiled dish table with disposer in
trough, and curved soiled dish table. However, FastRack Ware-
washing Systems are not limited to oval configurations. The
drawings on the previous page, show examples of other typical
arrangements, such as a triangle and L-shaped.

701 S Ridge Avenue, Troy, OH 45374
1-888-4HOBART • www.hobartcorp.com
F-8018 – FastRack Warewashing Systems Page 7 of 8
FastRack
WAREWASHING SYSTEMS
FLEXIBILITY
CUSTOM-DESIGNED TO MEET YOUR NEEDS.
Each FastRack System is custom-designed and
configured to best meet your exact productivity and
space requirements — oval, triangular, L-shaped,
rectangular and other unique shapes.
FULL LINEUP OF C-LINE-A MODELS FROM
WHICH TO CHOOSE. Available in a full range of
sizes and configurations to meet your specific
warewashing needs. See our C-Line-A brochure for
complete details on the most popular warewasher in
the world.
BREAKDOWN AND SCRAPPING DESIGNED TO
FIT. Scrapping Troughs are available in specific
lengths and widths, and can be specified with
skatewheels if needed. Waste goes directly into the
trough and flows to a disposer or optional waste
pulping system.
SPACE UTILIZATION
BEST USE OF AVAILABLE SPACE. FastRack
Systems offer flexibility to meet specific space con-
straints. They can be configured to fit in restricted
and odd-shaped spaces, and/or work around
obstructions. For example, tabling can be laid out to
go around pillars or through walls.
You don’t have to shoehorn an existing machine into
a challenging space and working environment.
Instead, we help design the ideal system to make a
problem space a productive space. The result is
improved work flow and maximum productivity to
make the most efficient utilization of your dishroom
space.
PREWASH SECTION MEETS YOUR SPACE
NEEDS. Curved Prewash Sections save space and
are available in 90-degree and 120-degree vented
chambers to best fit your space requirements.
Straight-through prewash also available.
CONVEYORS SPEED WORK FLOW. Highly reliable
closed-loop conveyors are a proven design, config-
ured to meet any operational need. Conveyors are
integrated into the total design to maximize work
flow.
CHOICE OF SHELVING OPTIONS ADDS
CONVENIENCE. Single or double overhead Slant
Shelves are available in specific lengths for glass
and cup racks and are adjustable for height, angle
and tilt. Box Overhead Shelves are also available.
Prewash sections can be straight or curved.
Conveyors are designed for maximum productivity.
In-table cross troughs available with or without drain to keep food soil out of
machine.

701 S Ridge Avenue, Troy, OH 45374
1-888-4HOBART • www.hobartcorp.com
Page 8 of 8 F-8018 – FastRack Warewashing Systems
As continued product improvement is a policy of Hobart, specifications are subject to change without notice.
Printed On Recycled Paper
FastRack
WAREWASHING SYSTEMS
HIGH PRODUCTION
HIGH SPEED, HIGH VOLUME. Hobart FastRack
Systems handle high volumes with production up to
367 racks per hour or 9,175 pieces of ware per hour.
RAPID DRYING PUTS WARE BACK IN SERVICE
QUICKLY. Available Blower Dryer concentrates air
on clean ware, not over the unloading table or
employee work area. Promotes rapid drying of ware,
especially trays and other plastic ware, speeds
operation, reduces total ware inventory requirement.
OPTIONAL PULPER CUTS WASTE VOLUME UP
TO 85%. Integrated Waste Equipment systems
reduce handling costs while addressing environ-
mental concerns. These Hobart systems cut
foodservice waste volume up to 85 percent.
Removable racks for easy, thorough clean-up.
Waste Pulper cuts solid waste volume up to 85%.
Variety of storage systems helps clear working area.
Steam or electric blower dryers ensure fast ware drying.
Hanging Shelves can be attached to curved or
straight tabling and are offered in specific lengths to
add storage convenience.
LABOR SAVINGS
MAXIMIZE LABOR EFFICIENCY. Versatile, flexible
FastRack Systems help you reduce labor hours and
plan labor requirements to meet changing needs.
The system can bring the ware directly to each of
the operators — no running back and forth to load
racks and unload clean ware.
Result: significant time saving, reduced handling,
less breakage. Plus, the load and unload sections
are custom designed and configured for optimum
working space to make best use of your people —
no idle hands during slower periods, fewer people
doing more during peak rush hours.
F-8018 (REV. 12/07) LITHO IN U.S.A. (H-01)