Hobart Ft 800 Users Manual F 7964 P65
FTM-800 F-7964
FT-800 to the manual 24416411-2782-4357-97c9-bf0ad13ebffb
2015-02-05
: Hobart Hobart-Ft-800-Users-Manual-406476 hobart-ft-800-users-manual-406476 hobart pdf
Open the PDF directly: View PDF
.
Page Count: 8

Qty. Item No.
FT-800 SERIES
DISHWASHER
FOOD EQUIPMENT
FT-800 SERIES
DISHWASHER WITH
ELECTRO-
MECHANICAL
CONTROLS
OUTSTANDING
STANDARD FEATURES
• Energy saving low water
consumption design—5.7 GPM
Hot Water (180°F); 3.9 GPM
Low Temp (140°F).
• Stainless steel construction
including frame, legs, feet, drain
piping, wash arms.
• Electro-mechanical controls in
top mounted stainless steel
control center.
• 36" Load/Unload height.
• Energy efficient convertible hot
water or low temp/chemical
sanitizing.
• Door actuated drain closers.
• Sealed dial type thermometers
for wash—power rinse—final
rinse—temperature indication.
• Water and energy saving
design through reduced water
and tank heat usage and
automatic pump shut down
control through conveyor.
• Common water, drain, electric
and steam connections.
• Exclusive load end flush
system.
• Built-in integral wiring channel.
• Automatic temperature control
and positive low-water heater
and pump seal protection.
• Built-in inherent motor overload
protection with manual reset.
• Built-in vent ducts—dampers
and drip control.
• Improved washability with high
pressure prewash—wash and
power rinse systems.
• Compct modular design.
• 115 volt pilot circuit.
• Lower prewash arm.
• Automatic initial fill.
• Wash arms easily installed and
removed without tools.
• All function components
(motors, drains, etc.) located
on operators side of dish-
machine for accessibility and
ease of maintenance.
• Built-in integral prewash water
replenishment system.
• Final rinse actuator.
• Removable self-flushing stain-
less steel strainer pans and
large deep scrap buckets for
each tank.
• Door interlocks on all doors.
• Optional energy saving blower-
dryer.
Electric 20 KW—63% energy
reduction.
Steam 75 lbs./hr.—56%
energy reduction.
• Choice of electric, steam
injection or steam coil heat.
Specifications, Details, Dimensions and
Connections inside.

FT-800 SERIES
DISHWASHER
FOOD EQUIPMENT
STANDARD DESIGN FEATURES
TOP MOUNTED CONTROL PANEL –
Controls in top-mounted stainless steel control
center with master On/Off Power Switch.
WASH ARMS – Computer-designed prewash,
wash and power rinse arms. Arms designed so
they can be installed only in correct position.
FLUSH DOWN –
Exclusive load end
flush down system.
STOP/START PUSH BUTTONS – Recessed, side located waterproof Start/Stop push
buttons and flip-up hinged dishware platform on both ends of dishwasher.
DRAIN CLOSERS – Door operated drain
closers . . . front located drains, stainless steel
tank overflow tubing to prewash, and final
rinse water feed piping.
PUMP – Self-draining Hobart pump motors
with inherent motor protection and manual
overload reset push buttons on each motor.

Qty. Item No.
FT-800 SERIES
DISHWASHER
FOOD EQUIPMENT
WIRING CHANNEL – Built-in integral wireway above tank water level.
SCRAP PANS – Large one-piece sloped
scrap screens and deep removable recessed
scrap buckets for prewash, wash and power
rinse tanks.
VENT DUCTS – Built-in vent ducts with
adjustable dampers and drip shield on each
end of dishwasher. 2" x 24" load end and
4" x 24" discharge end (inside dimensions).
POSITIVE LOW WATER PROTECTION –
Solid state positive low water protection for
tank heaters.

FT-800 SERIES
DISHWASHER
FOOD EQUIPMENT
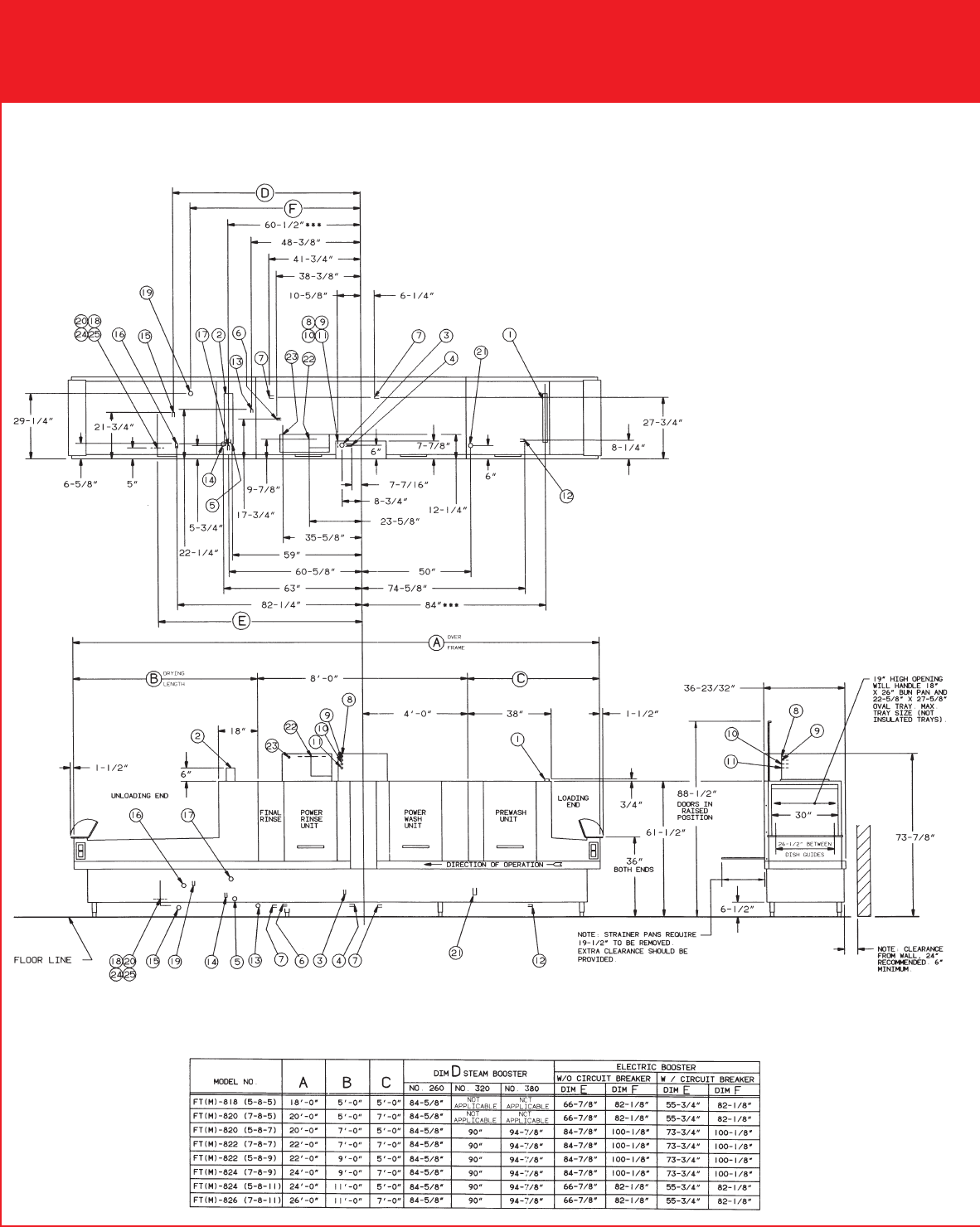
DETAILS, DIMENSIONS AND CONNECTIONS RIGHT TO LEFT OPERATION

Qty. Item No.
FT-800 SERIES
DISHWASHER
FOOD EQUIPMENT
R
701 RIDGE AVENUE
TROY, OHIO 45374-0001

FT-800 SERIES
DISHWASHER
FOOD EQUIPMENT
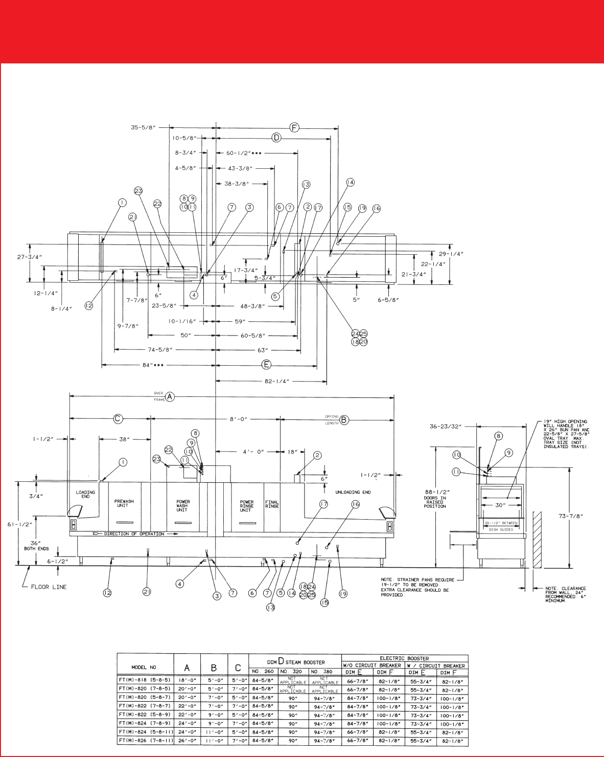
DETAILS, DIMENSIONS AND CONNECTIONS LEFT TO RIGHT OPERATION

Qty. Item No.
FT-800 SERIES
DISHWASHER
FOOD EQUIPMENT
701 RIDGE AVENUE
TROY, OHIO 45374-0001
R

FT-800 SERIES
DISHWASHER
FOOD EQUIPMENT
Printed On Recycled Paper
DESIGN: Fully automatic, flight-type dishwasher
machine, consisting of a 5' x 7' loading section
with power recirculating prewash, an 8' power
wash, power rinse and fresh water final rinse
section, and a 5', 7', 9' or 11' drying and
unloading section. Recirculating water prewash,
power wash, power rinse, and final rinse
compartments constructed with splash baffles
and flexible plastic strip curtains for effective
control and separation of spray systems. Specify
high or low temperature operation.
CONSTRUCTION: Tank and chambers are
heavy gauge stainless steel with No. 3 polish
on appearance surfaces. Stainless steel
frames, legs, and feet are standard. Three large
inspection doors with welded handles.
PUMPS: Recirculating pumps with Ni-Resist
impellers and face seal with stainless steel
metal parts and ceramic seat. Readily
removable motor-impeller assembly permits
quick inspection. All pumps are self-draining.
MOTORS: Hobart-built, grease-packed ball
bearings, splashproof design, ventilated with
inherent overload protection in each motor.
Recirculating prewash unit 2 H.P., power wash
and power rinse 3 H.P. each, conveyor 1⁄2 H.P.
Available in electrical specifications of
200-230/60/3 and 460/60/3 with manual reset.
CONTROLS: A stainless steel control center
with Power “On/Off” switch is mounted on top of
the center section. Controls use 115 volt pilot
circuit. Recessed “Start/Stop” controls at each
end of machine in stainless steel enclosure,
factory wired. Electrical components are
completely wired with 105°C, 600V thermo-
plastic insulated wire with stranded conductors
routed through covered wireway built into the
front of the machine above tank water level and
UL Listed electrical metallic tubing or liquid-tight
flexible metal conduit. Locking style electrical
connectors are used for connections between
machine sections. As an energy saving control
feature, operation of pumps, final rinse and
optional blower-dryer stop when conveyor stops.
FLIGHT TYPE CONVEYOR: Stainless steel
side links, and tie rods and conveyor tracks.
Injection molded, resilient Duraflex flight links to
accommodate flatware and trays in preferred
inclined position.
VAPOR CONTROL: Built in vent ducts with
dampers and drip shields located on both
ends of machine. Load end duct connection is
2" x 24" inside. Unload end duct connection is
4" x 24" inside.
RECIRCULATING PREWASH SECTION:
Removes soil by means of recirculated water
sprayed over dishes before they enter the power
wash zone. The unit receives its water from two
sources. The design provides for receiving all
detergent overflow water from the wash tank
and all the rinse tank overflow. Prewash
compartment is fitted with stainless steel upper
and lower wash arms having specially shaped
nozzles with large openings arranged to
effectively remove soil from all types of ware.
Prewash flushdown is supplied as standard.
Large removable one-piece perforated
stainless steel screen sloped downward to
deep perforated stainless steel basket. Baskets
and screens are removable from front of
machine.
DRAIN AND OVERFLOW: Prewash tank
equipped with bell type overflow and drain
valve. Closing the inspection door will
automatically close the drain valve.
POWER WASH AND POWER RINSE: Power
wash and power rinse tanks are equipped with
upper and lower stainless steel wash arms
with specially-shaped nozzles having large
openings and arranged to effectively direct
water jets to all ware surfaces. Wash arms are
easily removable without use of tools. Large
one-piece removable perforated stainless steel
screen sloped downward to deep perforated
stainless steel baskets. Baskets and screens
removable from front of machine.
DRAIN AND OVERFLOW: Power wash and
power rinse overflow system directs water
through internal connecting stainless steel
tubing to prewash section. Drain valve is
controlled from front of machine and is
automatically closed by closing inspection door.
TANK HEATING: Power Wash tank and Power
Rinse tank water temperatures are each
thermostatically controlled. The tank heat with
positive low water protection is automatically
activated when the Power switch is turned “On.”
If the tank is accidentally drained, the low water
protection device automatically turns the tank
heat off. Select one of the optional heats listed
under Optional Equipment—Tank Heating.
FINAL RINSE: Upper rinse arm has two rows of
nozzles above and lower arm has one row of
nozzles below dishware. Final rinse water line is
equipped with vacuum breaker on downstream
side of solenoid valve. Design provides for
collection and division of final rinse water after
use to power wash tank and power rinse tank.
Sanitizer and rinse agent dispenser injection
ports provided in final rinse piping above rinse
chamber. Final rinse water saver “Rinse Gate”
supplied as standard energy saving feature.
Machine (line) voltage, fuse protected terminal
provision for detergent and rinse agent
dispensers.
CONVEYOR DRIVE UNIT: Powered by a
Hobart-built, inherent overload protected
1⁄2 H.P. grease packed ball bearing motor. Trip
mechanism provided on unloading end of
conveyor. Jam protection is provided by load
sensing switch at drive platform. These devices
interrupt operation of the conveyor motor which
stops the conveyor, pumps and final rinse
flow. Operation is restarted automatically by
removing item which has actuated the trip
mechanism, or by operator switch if shutdown
resulted from other cause.
STANDARD EQUIPMENT: Automatic initial
fill, prewash flushing. Final rinse saver. Sealed
dial-type thermometers indicate water
temperature in Power Wash, Power Rinse and
Final Rinse. Positive low water protection for
tank heat. Plastic strip curtains throughout
machine. Stainless steel control panel. 115 volt
pilot circuit. Inspection door interlocks which
prevent pump/conveyor operation when
inspection door on prewash, wash or rinse
chambers is open. Built-in wireway. Drains are
automatically closed when inspection doors
are closed. Stainless steel framing members,
legs and adjustable feet. Common drain to
load end. Common water connection. Common
steam connection for tank heat and optional
booster on steam heated machine. Common
electric connection for motors and controls.
OPTIONAL EQUIPMENT AT EXTRA COST—
MECHANICAL: Stainless steel hang-on/
drop-in-place front and rear panels. Energy-
saving Blower-Dryer: Electric or steam heated.
Common drain to unload end. Modified
conveyor for insulated trays.
OPTIONAL EQUIPMENT AT EXTRA COST—
TANK HEATING: Regulated stainless steel
3⁄4" steam injectors in power wash and power
rinse tanks. Stainless steel steam coils.
Regulated electric immersion heaters.
OPTIONAL EQUIPMENT AT EXTRA COST—
BOOSTERS: Steam heat exchanger with
electric thermostatic control, basket type trap,
pressure relief valves for both water and steam,
pressure reducing valve and pressure gauge
for incoming water. Booster amply sized to raise
120°F inlet water to 180°F with minimum of 20
PSI flowing steam pressure (or 140°F inlet
water to 180°F with minimum of 10 PSI flowing
steam). Maximum steam pressure is 50 PSI.
Electric booster adequately sized to raise
140°F inlet water to 180°F. Pressure/tempera-
ture relief valve, pressure reducing valve and
pressure gauge for incoming water.
OPTIONAL EQUIPMENT AT EXTRA COST—
CHEMICAL SANITIZING: Chemical injection
pump for low temperature operation.
OPTIONAL EQUIPMENT AT EXTRA COST—
ELECTRICAL: Prewash thermometer.
As continued product improvement is a policy of Hobart,
specifications are subject to change without notice.
FORM F-7964 (REV. 1092) LITHO IN U.S.A. (H-01)
701 RIDGE AVENUE
TROY, OHIO 45374-0001
SPECIFICATIONS Listed by Underwriters Laboratories Inc. and National Sanitation Foundation.
Meets Requirements of A.S.S.E. Standard No. 1004.