Hobart Lx18 Ml 104349 Users Manual F 18615 Rev. H
LX18H ML-104351 a6a5c9e7-3033-492b-bd25-bebbdbe132a5
LX18 ML-104349 to the manual a6a5c9e7-3033-492b-bd25-bebbdbe132a5
2015-02-05
: Hobart Hobart-Lx18-Ml-104349-Users-Manual-406504 hobart-lx18-ml-104349-users-manual-406504 hobart pdf
Open the PDF directly: View PDF .
Page Count: 28

NSTRUCTIONS
I
LX SERIES DISHWASHER
LX SERIES DISHWASHERS
MODELS
LX18 ML-104349
LX18C ML-104350
LX18H ML-104351
LX30 ML-104352
LX30C ML-104353
LX30H ML-104354
LX40C ML-104355
LX40H ML-104356
FORM 18615 Rev. I (July 2000)
701 S. RIDGE AVENUE
TROY, OHIO 45374-0001
937 332-3000
www.hobartcorp.com

– 2 –
© HOBART CORPORATION, 1993
TABLE OF CONTENTS
GENERAL. . . . . . . . . . . . . . . . . . . . . . . . . . . . . . . . . . . . . . . . . . . . . . . . . . . . . . . . . . . . . . . . . . . . . 3
INSTALLATION . . . . . . . . . . . . . . . . . . . . . . . . . . . . . . . . . . . . . . . . . . . . . . . . . . . . . . . . . . . . . . . . 4
Unpacking. . . . . . . . . . . . . . . . . . . . . . . . . . . . . . . . . . . . . . . . . . . . . . . . . . . . . . . . . . . . . . . . . . 4
Trim Strip Accessory Kit . . . . . . . . . . . . . . . . . . . . . . . . . . . . . . . . . . . . . . . . . . . . . . . . . . . . . . 4
Location . . . . . . . . . . . . . . . . . . . . . . . . . . . . . . . . . . . . . . . . . . . . . . . . . . . . . . . . . . . . . . . . . . . 4
Leveling . . . . . . . . . . . . . . . . . . . . . . . . . . . . . . . . . . . . . . . . . . . . . . . . . . . . . . . . . . . . . . . . . . . 4
Water Requirements . . . . . . . . . . . . . . . . . . . . . . . . . . . . . . . . . . . . . . . . . . . . . . . . . . . . . . . . . 4
Plumbing Connections . . . . . . . . . . . . . . . . . . . . . . . . . . . . . . . . . . . . . . . . . . . . . . . . . . . . . . . . 5
Drain . . . . . . . . . . . . . . . . . . . . . . . . . . . . . . . . . . . . . . . . . . . . . . . . . . . . . . . . . . . . . . . . . . . . . . 5
Water Supply . . . . . . . . . . . . . . . . . . . . . . . . . . . . . . . . . . . . . . . . . . . . . . . . . . . . . . . . . . . . . . . 5
Electrical Connection . . . . . . . . . . . . . . . . . . . . . . . . . . . . . . . . . . . . . . . . . . . . . . . . . . . . . . . . . 6
Detergent and Rinse Aid . . . . . . . . . . . . . . . . . . . . . . . . . . . . . . . . . . . . . . . . . . . . . . . . . . . . . . 8
Chemical Sanitizer (Models LX18C, LX30C and LX40C Only) . . . . . . . . . . . . . . . . . . . . . . . . 8
Installation Diagram (LX18, LX18C & LX18H) . . . . . . . . . . . . . . . . . . . . . . . . . . . . . . . . . . . . . 9
Installation Diagram (LX30, LX30C & LX30H) . . . . . . . . . . . . . . . . . . . . . . . . . . . . . . . . . . . . 10
Installation Diagram (LX40C & LX40H) . . . . . . . . . . . . . . . . . . . . . . . . . . . . . . . . . . . . . . . . . 11
OPERATION . . . . . . . . . . . . . . . . . . . . . . . . . . . . . . . . . . . . . . . . . . . . . . . . . . . . . . . . . . . . . . . . . 12
Before First Use . . . . . . . . . . . . . . . . . . . . . . . . . . . . . . . . . . . . . . . . . . . . . . . . . . . . . . . . . . . . 12
Controls — Models LX18, LX18C, LX18H, LX30, LX30C, and LX30H . . . . . . . . . . . . . . . . 12
Operating Models LX18, LX18C, LX18H, LX30, LX30C, and LX30H. . . . . . . . . . . . . . . . . . 13
Diagnostic Messages . . . . . . . . . . . . . . . . . . . . . . . . . . . . . . . . . . . . . . . . . . . . . . . . . . . . . 14
Models LX18, LX18C & LX18H . . . . . . . . . . . . . . . . . . . . . . . . . . . . . . . . . . . . . . . . . . . . . . . . 14
Modified Fill and Dump . . . . . . . . . . . . . . . . . . . . . . . . . . . . . . . . . . . . . . . . . . . . . . . . . . . 14
Modified Fill and Dump — Wash/Rinse Cycle Times . . . . . . . . . . . . . . . . . . . . . . . . . . . 14
True Fill and Dump. . . . . . . . . . . . . . . . . . . . . . . . . . . . . . . . . . . . . . . . . . . . . . . . . . . . . . . 14
True Fill and Dump — Wash/Rinse Cycle Times . . . . . . . . . . . . . . . . . . . . . . . . . . . . . . . 14
Models LX30, LX30C, and LX30H — Wash/Rinse Cycle Times . . . . . . . . . . . . . . . . . . . . . 15
Controls — Models LX40H & LX40C . . . . . . . . . . . . . . . . . . . . . . . . . . . . . . . . . . . . . . . . . . . 16
Operating Models LX40H & LX40C . . . . . . . . . . . . . . . . . . . . . . . . . . . . . . . . . . . . . . . . . . . . 16
Ready Mode . . . . . . . . . . . . . . . . . . . . . . . . . . . . . . . . . . . . . . . . . . . . . . . . . . . . . . . . . . . . 17
Diagnostic Messages . . . . . . . . . . . . . . . . . . . . . . . . . . . . . . . . . . . . . . . . . . . . . . . . . . . . . 18
Models LX40H & LX40C — Wash/Rinse Cycle Times . . . . . . . . . . . . . . . . . . . . . . . . . . 18
Operator Programming . . . . . . . . . . . . . . . . . . . . . . . . . . . . . . . . . . . . . . . . . . . . . . . . . . . 18
Priming Chemical Pumps . . . . . . . . . . . . . . . . . . . . . . . . . . . . . . . . . . . . . . . . . . . . . . . . . 18
Delime Cycle . . . . . . . . . . . . . . . . . . . . . . . . . . . . . . . . . . . . . . . . . . . . . . . . . . . . . . . . . . . 18
Manager Programming . . . . . . . . . . . . . . . . . . . . . . . . . . . . . . . . . . . . . . . . . . . . . . . . . . . 19
Programmable Variables and Recommended Settings — Models LX40H & LX40C. . . 20
Preparation — All Models . . . . . . . . . . . . . . . . . . . . . . . . . . . . . . . . . . . . . . . . . . . . . . . . . . . . 20
DOs and DON’Ts For Your New Hobart Warewasher . . . . . . . . . . . . . . . . . . . . . . . . . . . . . . 21
Cleaning — All Models . . . . . . . . . . . . . . . . . . . . . . . . . . . . . . . . . . . . . . . . . . . . . . . . . . . . . . 22
MAINTENANCE . . . . . . . . . . . . . . . . . . . . . . . . . . . . . . . . . . . . . . . . . . . . . . . . . . . . . . . . . . . . . . . 23
Deliming — General. . . . . . . . . . . . . . . . . . . . . . . . . . . . . . . . . . . . . . . . . . . . . . . . . . . . . . . . . 23
Deliming — Models LX18, LX18C & LX18H. . . . . . . . . . . . . . . . . . . . . . . . . . . . . . . . . . . . . . 23
Deliming — Models LX30, LX30C & LX30H. . . . . . . . . . . . . . . . . . . . . . . . . . . . . . . . . . . . . . 24
Deliming — Models LX40H & LX40C . . . . . . . . . . . . . . . . . . . . . . . . . . . . . . . . . . . . . . . . . . . 25
Lubrication . . . . . . . . . . . . . . . . . . . . . . . . . . . . . . . . . . . . . . . . . . . . . . . . . . . . . . . . . . . . . . . . 25
TROUBLESHOOTING . . . . . . . . . . . . . . . . . . . . . . . . . . . . . . . . . . . . . . . . . . . . . . . . . . . . . . . . . . 26

– 3 –
Model LX30 Dishwasher
Installation, Operation, and Care of
LX SERIES DISHWASHERS
SAVE THESE INSTRUCTIONS
GENERAL
The LX Series dishwashers are fully automatic, front-loading
dishwashing machines which are equipped with a
3
/
4
horsepower electric motor.
All LX Series dishwashers shut down automatically four hours
after last use to conserve energy.
Standard equipment includes two 20" x 20" racks, electronic
controls, pumped drain, fill hose and drain hose.
MODEL DESCRIPTION
LX18H Washes with water from previous
rinse cycle, drains, and fills again with
fresh water for the rinse cycle. Rinse
is retained for the next wash cycle.
The LX18H has a built-in booster
heater.
LX18, LX18C Fill and drain cycle: fills, washes, drains, fills, rinses, and drains again to end
the cycle.
• LX18 requires 180°F incoming water temperature.
• LX18C is a low-temperature, chemical sanitizing machine for use with
5.25%
or 8.40% sodium hypochlorite solution (bleach) as the sanitizing
agent.
LX30 Fresh water rinse; requires 180°F incoming water temperature.
LX30H, LX40H
Fresh water rinse with a built-in booster heater. Normally the machine
requires 140°F incoming water and is heated in the booster to 180°F;
however, in the LX40H, a 70°F rise in temperature is available by using the
standard heavy cycle. This allows an incoming water temperature of
110°F. In
the LX30H, a 70°F rise is also possible; contact your local
Hobart Service
Office.
LX30C, LX40C Fresh water rinse; low temperature, chemical sanitizing models for use
with
5.25% or 8.40% sodium hypochlorite solution (bleach) as the
sanitizing
agent. LX30C equipped with electric booster water heater has 100°F minimum
water supply heated to 140°F with bleach as the sanitizing agent.
Water usage for the LX18 models is 2.6 gallons per rack (5.2 gallons per rack if the sump water
temperature cools between cycles); water usage for the LX30 and the LX40 models is 1.2 gallons per
rack. The machine uses 2.2 gallons per rack for the extended rinse cycle (available on LX40 models
in the heavy wash cycle only).

– 4 –
INSTALLATION
UNPACKING
Immediately after unpacking the dishwasher, check for possible shipping damage. If this machine is
found to be damaged, save packaging material and contact the carrier within 15 days of delivery.
Prior to installation, verify that the electrical supply agrees with the specifications on the machine data
plate.
TRIM STRIP ACCESSORY KIT (Optional)
If you ordered the trim strip accessory kit, it must be installed prior to positioning the dishwasher.
To install the trim strip, remove the protective paper from the pressure-sensitive adhesive strip.
Carefully align trim strip with front edge and both sides of top cover and secure in place by firmly
pressing trim strip down against top cover.
LOCATION
Steam generated from normal operation may escape from the door. Wood, laminates, veneers, etc.
are unsuitable materials for use in areas exposed to dishwasher steam and detergents. Stainless steel
or other moisture resistant shields are recommended for surfaces adjacent to LX sides and top.
LEVELING
The machine must be level to operate properly. Place the dishwasher in its operating location. Level
the machine before any connections are made. Using a carpenter's level placed diagonally on the rack
tracks, level the machine front-to-back and side-to-side by threading the adjustable feet in or out. After
leveling the machine, cover the exposed threads of the adjustable feet with black rubber tubing
supplied (see separate instructions furnished with machine).
WATER REQUIREMENTS
Proper water quality can improve ware washing performance by reducing spotting, lowering chemical
supply costs, enhancing effectiveness of labor, and extending equipment life. Local water conditions
vary from one location to another. The recommended proper water treatment for effective and efficient
use of this equipment will also vary depending on the local water conditions. Ask your municipal water
supplier for details about local water specifics prior to installation.
Recommended water hardness is 4 – 6 grains of hardness per gallon. Chlorides must not exceed 50
parts per million. Water hardness above 6 grains per gallon should be treated by a water conditioner
(water softener or in-line treatment). Water hardness below 4 grains per gallon also requires Water
treatment to reduce potential corrosion. Water treatment has been shown to reduce costs associated
with machine cleaning, reduce deliming of the dishwasher, reduce detergent usage, and reduce
corrosion of metallic surfaces in the booster water heater and dishwasher.
Sediment, silica, chlorides, or other dissolved solids may lead to a recommendation for particulate
filtration or reverse osmosis treatment.
If an inspection of the dishwasher or booster heater reveals lime build-up after the equipment has been
in service, in-line treatment should be considered, and, if recommended, should be installed and used
as directed. Contact your local Hobart Service Office for specific recommendations.

– 5 –
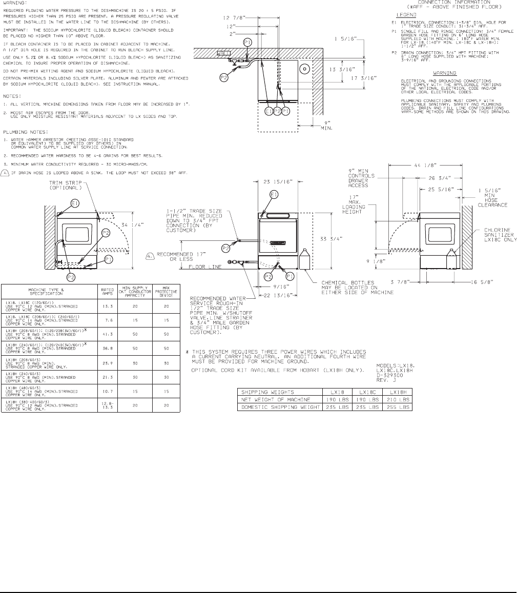
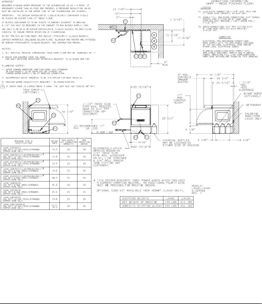
PLUMBING CONNECTIONS
WARNING: PLUMBING CONNECTIONS MUST COMPLY WITH APPLICABLE SANITARY, SAFETY,
AND PLUMBING CODES.
Drain
A drain hose is provided with a 3/4" pipe connection adapter. This should be securely plumbed into the
sink drain. Use care not to kink hose. See installation diagrams in this manual. Drain must have a
minimum flow capacity of 10 gallons per minute.
Water Supply
A water hammer arrestor (meeting ASSE-1010 Standard or equivalent) should be installed (supplied
by others) in the common water supply line at the service connection.
Water must be proper hardness. Recommended hardness range is 4 – 6 grains per gallon. Lower
hardness can promote corrosion, higher hardness may cause excessive formation of lime scale.
The plumber who connects this machine is responsible for making certain that water lines are
THOROUGHLY FLUSHED OUT BEFORE connecting to the dishwasher. This "flush-out" is necessary
to remove all foreign matter, such as chips (resulting from cutting or threading of pipes), pipe joint
compound from the lines, or, if soldered fittings are used, bits of solder or cuttings from the tubing.
Debris, if not removed, may lodge in the dishwasher's plumbing components and render them
inoperative. Manual valves or solenoid valves fouled by foreign matter, and any expenses resulting
from this fouling, are NOT the responsibility of the manufacturer.
Water supply requirements are as follows:
MODEL TEMPERATURE FLOWING PRESSURE
LX18, LX30 180°F Minimum 15 to 25 psig
LX18H, LX30H, LX40H 140°F Minimum 15 to 25 psig
LX18C, LX30C, LX40C 140°F Minimum 15 to 25 psig
LX30C w/booster 100°F Minimum 15 to 25 psig
If flowing pressure exceeds 25 psig, a pressure reducing valve (not supplied) must be installed in the
supply line. CAUTION: The water pressure regulator must have a relief by-pass. Failure to use
the proper type of pressure regulator may result in damage to the unit. If flowing pressure is less
than 15 psig, improper machine operation may result.
A manual shutoff valve (not supplied) should be installed upstream of the fill hose to accommodate
servicing the machine.
It is recommended that a line strainer (not supplied) be installed in the supply line between the manual
shutoff valve (not supplied) and the connection point on the machine. Make plumbing connections with
1/2" minimum copper piping OD (3/4" recommended), with a 3/4" male garden hose fitting (not supplied).
See installation diagrams, pages 9-11.
NOTE: Iron in the water supply can cause staining. An iron filter is recommended for iron concentration
greater than 0.1 part per million. High chloride levels in the water supply can cause pitting. A chloride
removal system is required if levels exceed 50 parts per million.

– 6 –
ELECTRICAL CONNECTION
WARNING: ELECTRICAL AND GROUNDING CONNECTIONS MUST COMPLY WITH THE
APPLICABLE PORTIONS OF THE NATIONAL ELECTRICAL CODE AND/OR OTHER LOCAL
ELECTRICAL CODES.
WARNING: DISCONNECT ELECTRICAL POWER SUPPLY AND PLACE A TAG AT THE
DISCONNECT SWITCH TO INDICATE THAT YOU ARE WORKING ON THE CIRCUIT.
ATADLACIRTCELE ◊◊
◊
◊◊
ledoMledoM ledoM ledoMledoMesahP/ztreH/stloVesahP/ztreH/stloV esahP/ztreH/stloV esahP/ztreH/stloVesahP/ztreH/stloV yticapmAtiucriCmuminiMyticapmAtiucriCmuminiM yticapmAtiucriCmuminiM yticapmAtiucriCmuminiMyticapmAtiucriCmuminiM eciveDevitcetorPmumixaMeciveDevitcetorPmumixaM eciveDevitcetorPmumixaM eciveDevitcetorPmumixaMeciveDevitcetorPmumixaM SPMASPMA SPMA SPMASPMA
reppoCdednartSC°09reppoCdednartSC°09 reppoCdednartSC°09 reppoCdednartSC°09reppoCdednartSC°09 eziSeriWeziSeriW eziSeriW eziSeriWeziSeriW
81XL C81XL
1/06/0210221
1/06/802 5141
1/06/042
H81XL )retsoobhtiw(
1/06/802
058
*1/06/)W3(802/021
1/06/042
*1/06/)W3(042/021
3/06/802 038
3/06/042
3/06/004-0830221
3/06/0845141
03XL C03XL C04XL
1/06/021
0221
1/06/802
*1/06/)W3(802/021
1/06/042
*1/06/)W3(042/021
C03XL )retsoobhtiw(
*1/06/)W3(802/021 058
*1/06/)W3(042/021
H03XL )retsoobhtiw(
H04XL )retsoobhtiw(
1/06/802
058
*1/06/)W3(802/021
1/06/042
*1/06/)W3(042/021
3/06/802048
3/06/042538
3/06/004-083 3/06/084 0221
eriwhtruoflanoitiddanA.lartuengniyrractnerrucaedulcnihcihwseriwrewopeerhteriuqersmetsys)W3(ehT* .dnuorgenihcamrofdedivorpebtsum
◊.noitidetsetal,07-APFN,edoClacirtcelElanoitaNehthtiwecnadroccanidelipmoC

– 7 –
Refer to the data plate on the front of the machine and the label inside the control drawer at the power
connection for proper selection.
Use stranded copper wire only.
1. Remove the cover plate at the upper right in the back of the machine (Fig. 1). A hole for 1" trade
size conduit is supplied in the cover plate.
Fig. 1 Fig. 2
2. Open dishwasher door and remove the 2 screws (Fig. 2) securing the controls drawer. Close the
dishwasher door and open the controls drawer fully.
3. Install 1" trade conduit and fitting to the cover plate. A 90° fitting is recommended.
4. Feed wires over top of tank to strain relief(s) at rear of drawer. At least 32" and not more than 36"
of the required wire size must extend from the end of the conduit fitting.
5. Reinstall the cover plate (3 screws, Fig. 1).
6. For 8 AWG wire, run no more than 2 wires through any strain relief (two strain reliefs are provided).
Make electrical connections per the wiring diagram supplied with the machine, and secure wires
to power terminal block and ground.
For 12 or 14 AWG wire, run 3 wires (or 4 wires if required) through the strain relief provided by
Hobart. Make electrical connections per the wiring diagram supplied with the machine. Secure
wires to the power terminal block and ground. Keep excess wire in the drawer to a minimum.
7. Tighten the set screw on the strain relief(s) until they bottom out (on the shoulder of the body).
8. Close the control drawer and replace the screws.
PL-40163-1
Screws
Cover Plate
PL-40805-1

– 8 –
DETERGENT AND RINSE AID
If manually adding detergent in an LX18, LX18C, or LX18H at the beginning of each cycle, the machine
must be programmed to the “True Fill and Dump” mode. This will ensure detergent is not dumped
before filling with fresh, hot water. Contact your local Hobart Service Office to arrange for conversion.
Use only commercial grade detergents recommended by your chemical professional. Do not use
detergents formulated for residential dishwashers.
On LX18 and LX30 models only, the detergent and rinse aid pump "ON" times are factory set. If
adjustments are required, contact your local Hobart Service Office.
Place the detergent and rinse aid containers (which are obtained from an independent supplier) in a
location where the delivery tubes will reach them.
Remove the detergent bottle cap and put the
red
delivery tube in the detergent container.
Remove the rinse aid bottle cap and place the
blue
delivery tube in the rinse aid container.
Be sure to push the delivery tube standpipes completely to the bottom of each container. Check to
make sure there are no obstructions or kinks in the delivery tubes.
CHEMICAL SANITIZER (Models LX18C, LX30C, and LX40C Only)
CAUTION: Items such as pewter, aluminum, and silver will be attacked by sodium hypochlorite
(bleach). Therefore, chemical sanitizing dishwashers should not be used to wash such items.
On models LX18C and LX30C only, the chemical sanitizer pump is factory set for use with 5.25%
sodium hypochlorite solution. If 8.40% sodium hypochlorite solution is to be used, contact your local
Hobart Service Office.
Place a one-gallon bottle of 5.25% or 8.40% sodium hypochlorite solution (bleach) in a suitable location
no higher than 10 inches off the floor. Do not premix sanitizing solution with water or any other liquid.
WARNING: NEVER PREMIX A WETTING AGENT WITH THE SANITIZING SOLUTION. MIXING
MAY CAUSE HAZARDOUS GAS TO FORM.
Remove the sanitizer bottle cap and place the
white
delivery tube in the sanitizer container. Be sure
to push the delivery tube standpipe completely to the bottom of the container. Check to make sure
there are no obstructions or kinks in the delivery tube.
Models LX18C and LX30C must be operated through four complete cycles (without dishes) to initially
charge the sanitizer delivery system. On model LX40C, run the prime cycle (see Operator Programming,
page 18).
Frequently check the clear portion of your chemical feed standpipe (at your sanitizer bottle) to make
sure there is a sufficient chemical supply.

– 9 –
INSTALLATION DIAGRAM (LX18, LX18C & LX18H) — 329300

– 10 –
INSTALLATION DIAGRAM (LX30, LX30C & LX30H) — 329301

– 11 –
INSTALLATION DIAGRAM (LX40C & LX40H) — 329302

– 12 –
OPERATION
CAUTION: Items such as pewter, aluminum, and silver will be attacked by sodium hypochlorite
(bleach). Therefore, chemical sanitizing dishwashers should not be used to wash such items.
If your dishwasher is a chemical sanitizing model, frequently check the clear portion of your chemical
feed standpipe (at your sanitizer bottle) to make sure there is a sufficient chemical supply.
BEFORE FIRST USE
This machine must be cleaned after installation and before being put into operation. Refer to Cleaning,
page 22.
CONTROLS — Models LX18, LX18C, LX18H, LX30, LX30C & LX30H (Fig. 3)
Fig. 3
Model LX18, LX18C & LX18H
Model LX30, LX30C & LX30H
OFFON LX30
WASH
FILL
°F
°C
SET
RINSE
DELIME
WASH
PL-51118
PL-51113
OFFON LX18
WASH
WASH
FILL
°F
°C
SET
RINSE

– 13 –
Operating Models LX18, LX18C, LX18H, LX30, LX30C, and LX30H Dishwashers
DO THIS DISPLAY SHOWS REMARKS
Press ON. Model number. Dishwasher performs self check. This takes
5-10 seconds.
FILL lit and sump Dishwasher fills with water. When filled,
temperature displayed pump turns on for 10 seconds.
when machine is filling. If door is opened during fill cycle, fill will
stop. After door is closed, the process
continues where it stopped.
FILL
flashes
when booster
is preheating on models If WASH is pressed during a fill cycle, a
LX18H and LX30H. This wash cycle will begin at end of fill cycle.
preheat could take up to
8 minutes. If beeper sounds and machine will not fill,
turn circuit breaker off, then on, and try
again. If problem persists, contact your
local Hobart Service Office.
When filled, sump When filled, machine will maintain a
temperature is displayed. READY state. Heat is maintained in both
booster and/or sump.
Open door; slide rack of Sump temperature. If your Model LX30 Series is equipped with
dishes into dishwasher the optional detergent pump, detergent will
and add detergent. be added automatically during wash cycle.
Close door.
Press WASH. WASH lit; sump tempera- Machine initiates a wash and rinse cycle.
ture displayed during If door is opened during wash cycle, cycle
wash cycle. will restart from beginning when door is
closed.
RINSE lit; rinse tempera-
If door is opened during rinse or drain cycle,
ture displayed during cycle will continue at point where door was
rinse cycle. opened upon closing door.
If OFF is pressed during cycle, machine will
drain and shut down.
When cycle is complete, Sump temperature. Machine will drain and shut down if the
reload machine for next programmed idle shutdown time is reached.
wash/rinse cycle, or, if
not in use, machine will
maintain READY mode.
At end of day, press OFF. Display shut down. When OFF key is pressed, machine will
drain and shut down.

– 14 –
DIAGNOSTIC MESSAGES
In the event of a problem with a temperature probe, the display will flash "P1," "P2," or "P3" every 10
seconds. The respective heaters will shut down. Other functions will continue to operate normally.
Contact your local Hobart Service Office.
Drain and fill error messages are displayed as E0, E2, E3, E4, E5, E6, or E7. In all cases, the
dishwasher will terminate current cycle operations, turn off all heat sources, and display the message
until the OFF button is pressed. (A power drain will not occur when turned off.) (See Troubleshooting,
pages 26 – 28.) If problem persists, contact your local Hobart Service Office.
MODELS LX18, LX18C & LX18H
Models LX18, LX18C and LX18H can be programmed by Hobart Service as either "True Fill and Dump"
or "Modified Fill and Dump".
Modified Fill and Dump
When programmed for "Modified Fill and Dump", water in the sump from a previous cycle is dumped
and refilled only if it is below a preset temperature. Advantages: Low water usage if cycled frequently;
and, short cycle time if cycled frequently. Disadvantages: Higher water usage if cycled infrequently;
and, longer cycle time if cycled infrequently.
Modified Fill and Dump — WASH/RINSE CYCLE TIMES (Factory Default on LX18H)
Drain* 45 Sec. Max. 22 Sec. Typical
Fill* 65 Sec. Max. 40 Sec. Typical
Wash* 115/140 Sec.
Drain 45 Sec. Max. 22 Sec. Typical
Fill 65 Sec. Max. 40 Sec. Typical
Rinse 15 Sec.
* Drain and Fill only if the sump water temperature is below 160°F in LX18 or LX18H machines,
or 130°F in LX18C chemical sanitizing machines. The slower cycle will also have a
140 second wash instead of the 115 second wash.
True Fill and Dump
When programmed for "True Fill and Dump", the sump is empty at the start and end of a cycle.
Advantages: Consistent, short cycle time; and, will not dump manual detergent charge. Disadvantage:
Uses more water.
True Fill and Dump — WASH/RINSE CYCLE TIMES (Factory Default on LX18 and LX18C)
Necessary for all installations where detergent is added manually.
Fill 65 Sec. Max. 40 Sec. Typical
Wash 70 Sec.
Drain 45 Sec. Max. 22 Sec. Typical
Fill 65 Sec. Max. 40 Sec. Typical
Rinse 15 Sec.
Drain 45 Sec. Max. 22 Sec. Typical

– 15 –
MODELS LX30, LX30C and LX30H
WASH/RINSE CYCLE TIMES
Wash 85 Sec.**
Drain* 10 Sec. Max.
Dwell 4 Sec.
Rinse 10 Sec.
Dwell 6 Sec.
* Drains off about 1 gallon of water.
**Wash time is 145 seconds for 70°F rise option.

– 16 –
CONTROLS — Models LX40H & LX40C (Fig. 4)
Fig. 4
Operating Models LX40H & LX40C
DO THIS DISPLAY SHOWS REMARKS
Press ON. Two counts of "00000" to Dishwasher performs self check. This takes
"99999", then model 5-10 seconds.
number.
FILL displayed when Dishwasher fills with water; detergent is
machine is filling. added automatically. When filled, pump
turns on for 10 seconds.
WAIT displayed when
If WASH is pressed during a fill cycle, a wash
booster is preheating. cycle will begin at the end of the fill cycle.
This preheat could take
up to 8 minutes. If door is opened during a fill cycle, the fill
will stop. After door is closed, the process
continues where it stopped.
If beeper sounds and machine will not fill,
turn circuit breaker off, then on, and try
again. If problem persists, contact your
local Hobart Service Office.
When filled, ON lit and Machine will maintain a READY state.
READY displayed. Heat is maintained in both booster and/or
sump.
OFFON LX40
CYCLE
WASH
SELECT PRIME DELIME
ON
PRIME
PROGRAM
WASH
CALL SERVICE LIGHT
NORMAL
HEAVY
DELIME
ADDRINSE AGENT RINSE
SANITIZER
DETERGENTLOW
°F
°C
PL-52242
Models LX40H & LX40C

– 17 –
Operating Models LX40H & LX40C (Continued)
DO THIS DISPLAY SHOWS REMARKS
Open door; slide rack of READY.
dishes into dishwasher.
Close door.
Press WASH. WASH lit and sump Machine initiates a wash and rinse cycle.
(Before you press WASH, temperature displayed
you can change the cycle during wash cycle. If door is opened during wash cycle, cycle
selection if desired. See will restart from beginning when door is
READY MODE below.) closed.
RINSE lit and incoming
If door is opened during drain or rinse cycle,
water temperature cycle will continue at point where door was
displayed during rinse opened upon closing door.
cycle. If OFF is pressed during the wash/rinse
cycle, the machine will drain and shut down.
When cycle is complete, READY. Machine will drain and shut down if the
reload machine for next programmed idle shutdown time is reached.
wash/rinse cycle, or, if
not in use, machine will
maintain READY mode.
At end of day, press OFF. Display shut down. When OFF is pressed, machine will
drain and shut down.
Ready Mode
When the dishwasher is in the READY mode (a cycle is not running), the selected cycle (LIGHT,
NORMAL, HEAVY) is illuminated. If the cycle selection is not locked, you can change the selection
by pressing CYCLE until the desired cycle is lit. If cycle selection is locked, there will be no response
when CYCLE is pressed.

– 18 –
DIAGNOSTIC MESSAGES
In the event of a problem with a temperature probe, the display will
flash
PROBE and CALL SERVICE
will be lit. The respective heaters will shut down. Other functions will continue to operate normally.
Contact your local Hobart Service Office.
Drain and fill error messages are displayed as PRBLM/DR1, PRBLM/FILL1, PRBLM/FILL2, PRBLM/
FILL3, PRBLM/DR2, or OP J1. In all cases, the dishwasher will terminate current cycle operations, turn
off all heat sources, and display the message until the OFF button is pressed. (A power drain will not
occur when turned off.) (See TROUBLESHOOTING in this manual.) If problem persists, contact your
local Hobart Service Office.
MODELS LX40H & LX40C — WASH/RINSE CYCLE TIMES
Cycle Wash Drain Dwell Rinse Dwell
Light 55 Sec. 10 Sec. Max. 4 Sec. 10 Sec. 6 Sec.
Normal 85 Sec. 10 Sec. Max. 4 Sec. 10 Sec. 6 Sec.
Heavy* 145 Sec. 10 Sec. Max. 4 Sec. 10 Sec. 6 Sec.
* Heavy cycle can be adjusted (see MANAGER PROGRAMMING).
OPERATOR PROGRAMMING
If machine is off, turn it ON and wait for the machine to go into READY mode. To enter the Operator
Programming Mode, press and hold "LX40" on the control panel (this is the HIDDEN key), then press
the WASH key. When the display indicates "-----" while illuminating both DETERGENT and PRIME,
release HIDDEN key and WASH. You are now in the operator programming mode. Press SELECT
to cycle through the programming options. To exit the programming mode, press SELECT until the
display shows READY.
Priming Chemical Pumps
After entering the Operator Programming Mode, use SELECT to cycle through PRIME RINSE AGENT,
PRIME SANITIZER, and PRIME DETERGENT. Press PRIME to start the priming operation. The
selected pump will run for the programmed time. During priming, the PRIME and the pump name will
be
lit. PLEAS and WAIT will be displayed. When priming is complete, the display will stop flashing
and "-----" will be displayed. You can now select another pump, DELIME, or return to normal
operation by
pressing the SELECT button.
After priming a sanitizer pump, a rinse cycle will begin automatically.
Delime Cycle
Pressing the DELIME key will begin a DELIME cycle which is explained on page 25.

– 19 –
MANAGER PROGRAMMING (Machine Must Be In READY Mode)
To enter the Manager Programming Mode, you must first enter the Operator Programming Mode by
pressing and holding "LX40" on the control panel (this is the HIDDEN key), then pressing WASH.
Once you are in the Operator Programming Mode, press SELECT until PROGRAM is lit. Press and
hold the HIDDEN key, then press WASH again to enter the Manager Programming Mode.
The possible options to edit are listed in the following table. Use SELECT to move through each
parameter. When the parameter you wish to reprogram is displayed, use UP ARROW to change the
value. After the correct value is displayed, press SELECT to lock in the displayed value and to move
to the next programming option. The programming range of values for each parameter is shown in the
table under Programmable Variables and Recommended Settings — Models LX40H & LX40C,
page 20.
PARAMETER DISPLAY SHOWS
Sump temperature. PROGRAM, with the display alternating between SUMP
and the programmed temperature.
Booster temperature ("H" model only) PROGRAM, with the display alternating between BOOST
and the programmed temperature.
°F / °C PROGRAM, and the °F or °C prompt.
Detergent pump time. PROGRAM, DETERGENT, and programmed time.
Rinse agent pump ratio. PROGRAM, RINSE AGENT and programmed ratio.
Sanitizer pump ratio ("C" Model only). PROGRAM, SANITIZER and programmed ratio.
Cycle selection lockout. PROGRAM and LOCK or UNLK.
Default cycle selection. (Default means "cycle PROGRAM, current default cycle indicator, and the
selected upon power-up.") DEFLT prompt.
Automatic delime reminder. PROGRAM, DELIME and programmed number of cycles.
Detergent prime time. PROGRAM, PRIME, and DETERGENT lit with the
programmed time displayed.
Rinse agent prime time. PROGRAM, PRIME, and RINSE AGENT lit with the
programmed time displayed.
Sanitizer prime time. PROGRAM, PRIME, and SANITIZER lit with programmed
time displayed.
Heavy wash cycle - wash time. PROGRAM, WASH and programmed time.
Heavy wash cycle - rinse time. PROGRAM, RINSE and programmed time (NORM or
EXTEN).
Idle shutdown time. PROGRAM, with display alternating between "SHDN"
and the programmed shutdown time in hours.
To exit the manager programming mode do one of the following:
1. Press OFF (machine shuts down but does not drain).
2. Press SELECT until the display shows READY.
3. Press and hold the HIDDEN key, then press WASH.

– 20 –
PROGRAMMABLE VARIABLES AND RECOMMENDED SETTINGS — MODELS LX40H & LX40C
The following functions of the dishwasher are programmable. The chart below shows the variables that
may be programmed for each function and the recommended setting for each.
RECOMMENDED
FUNCTION PROGRAMMABLE VARIABLES SETTING
Wash Setpoint H Models: 160°F - 170°F 165°F
C Models: 130°F - 150°F 130°F
Booster Setpoint 180°F - 199°F 190°F
Temperature Display Mode °F; °C°F
Sanitizer Duty Cycle (LX40C Only) OFF; 1 - 10 (In steps of 1) (10-100%) 40%
Detergent On Time OFF; 1 - 30 Seconds (In steps of 1) 7 Seconds
Rinse Agent Duty Cycle OFF; 1 - 10 (In steps of 1) (10-100%) 70%
Idle Shutdown Time 1 - 6 Hours (In steps of 1) 4 Hours
Cycle Selection (Lock/Unlock) Lock; Unlock Unlock
Default Cycle Light; Normal; Heavy Light
Delime Counter Preset *OFF; 500 - 3000 Cycles (In steps of 25) ***1500 Cycles
Detergent Prime Time **25 - 75 Seconds (In steps of 1) 35 Seconds
Rinse Agent Prime Time **25 - 75 Seconds (In steps of 1) 35 Seconds
Sanitizer Prime Time **25 - 75 Seconds (In steps of 1) 35 Seconds
Heavy Wash Time 100 - 200 Seconds (In steps of 1) 156 Seconds
Heavy Rinse Time Normal = 10 Sec.; Exten. = 20 Sec. Normal
* Disabled if OFF is programmed. Factory Setting is 1500 Cycles.
** Not available if pump is turned OFF.
*** Determined by water condition.
PREPARATION — ALL MODELS
Make sure the coarse (Fig. 5) and fine (Fig. 6) strainers are in place and free of debris. Check both
wash arms (all models) and rinse arms (models LX30, LX30H, LX30C, LX40H & LX40C only) to make
sure they spin freely and are not clogged.
Fig. 5 Fig. 6
Model LX30 Model LX30
PL-40091-1
Coarse Strainer PL-40092-1
Fine Strainer

– 21 –
Dishes must be scraped and/or rinsed to remove food particles and other debris. Never use steel wool
on ware to be loaded into the dishwasher. Place dishes in a rack. Do not stack dishes on top of each
other as water must have free access to all sides of every dish. Stand plates edgewise in a peg-type
rack (Fig.7). Cups, glasses and bowls should lay upside down in an open or compartment-type rack
(Fig. 7). Silverware and other small pieces should lay loosely on the bottom of a flat-bottom rack. See
Operator Card (supplied) for other loading patterns. Do not allow foreign objects to enter the unit,
especially metallic contaminants such as staples, paper clips, etc.
Check to see if any detergent, rinse aid, or sanitizer chemicals need to be replenished. Use only
commercial type detergents, as prescribed by your chemical professional.
Fig. 7
DOs AND DON’Ts FOR YOUR NEW HOBART WAREWASHER
DO assure proper water hardness.
DO pre-scrap dishes thoroughly.
DO use only detergents recommended by your chemical professional.
DO at the end of the day, thoroughly cleanse the machine, rinse, and dry (leave door open).
DO closely follow your chemical professional's prescribed deliming schedule.
DO use only products formulated to be safe on stainless steel.
DO NOT over-soften water (recommended water hardness is no less than 4 grains per gallon).
DO NOT use detergents formulated for residential dishwashers.
DO NOT allow food soil to accumulate on the tank bottom.
DO NOT exceed chemical manufacturer's recommended concentrations for detergent, sanitizer, rinse
aid, or lime scale remover.
DO NOT use steel wool to clean ware or warewasher surface.
DO NOT allow foreign objects to enter the unit, especially metallic contaminants.
NOTE: Failure to follow use, care, and maintenance instructions may void your Hobart warewasher
warranty.

– 22 –
3. With a damp cloth, wipe the interior of the machine, the water level probes (Fig. 9), and the water
level probe under the fine strainer. DO NOT use steel wool. Wipe the exterior of the machine.
When cleaning the inside of the door, be sure to wipe the lip at the bottom of the door. Remove
any remaining debris with a mild cleanser formulated for stainless steel and a soft cloth or brush.
4. Models LX30, LX30C, LX30H, LX40C & LX40H Only: Replace the coarse and fine strainers.
Reinstall the lower wash arm by pushing it down on the shaft, then place the lower rinse arm on the
shaft and tighten the knurled knob. Spin arms to make sure they spin freely. Repeat this procedure
with the upper wash and rinse arms.
Models LX18, LX18C & LX18H Only: Replace the coarse and fine strainers. Reinstall the upper
and lower wash arms and tighten the knurled knob. Spin arms to make sure they spin freely.
5. Use a soft damp cloth or sponge and mild cleanser to clean the control keypad and display. DO
NOT use abrasive or harsh cleaners or scouring pads.
6. Leave the door ajar overnight to allow the interior to air out and dry.
CLEANING — ALL MODELS
This machine must be cleaned at least once each working day. Use only products formulated to be
safe on stainless steel.
1. Press OFF. The machine will drain. When the display is no longer lit, open the door and remove
any debris from the bottom of the tank. Do not allow food soil to accumulate on the tank bottom.
2. Models LX30, LX30C, LX30H, LX40C & LX40H Only: Remove the lower rinse arm by
unscrewing the knurled knob (Fig. 8). Remove the lower wash arm by pulling the arm off the shaft.
Remove the upper rinse and wash arms in the same manner. Remove the coarse and fine strainers
(see Figs. 5, 6). Thoroughly clean these items in a sink.
Models LX18, LX18C & LX18H Only:
Remove the upper and lower wash arms by unscrewing the
knurled knob (Fig. 8).
Remove the coarse and fine strainers (see Figs. 5, 6). Thoroughly clean these
items in a sink.
Model LX30
Fig. 8
Model LX30
Fig. 9
PL-40093-1
Knurled Knob PL-40094-1
Water Level Probes

– 23 –
MAINTENANCE
DELIMING — GENERAL
WARNING: DELIMING SOLUTION, RINSE AGENTS, OR ANY OTHER KIND OF ACID MUST NOT
COME IN CONTACT WITH BLEACH OR RINSE SOLUTION CONTAINING BLEACH USED IN CHEMICAL
SANITIZING MACHINES. MIXING MAY CAUSE HAZARDOUS GAS TO FORM. THIS ENTIRE
PROCEDURE MUST BE FOLLOWED STEP-BY-STEP FOR SAFE AND SATISFACTORY RESULTS.
Delime the dishwasher on a regular basis as required. The regularity will depend on mineral
content of the supply water. Deliming should be done when you can see clear signs of lime deposits
(a white chalky substance) on the inside walls and on the wash arms. If you have a model LX40
dishwasher, it is equipped with an automatic delime cycle reminder. It is recommended that deliming
be done when DELIME flashes.
Inspect the machine interior for lime deposits. If deliming is necessary, a deliming agent (such as Lime
Away or LSR) should be used for best results.
Depending upon the model of your machine, carefully follow the appropriate procedure outlined below.
DELIMING — Models LX18, LX18C & LX18H
1. Remove standpipe assemblies from chemical containers and place them as close to the floor as
possible. Place a catch pan under them.
2. Cycle the machine four times to clear the lines of chemicals.
3. Remove rack from machine.
4. Close door.
5. Proceed with step 5 only if your machine is programmed for Modified Fill and Dump. If your
machine is programmed for True Fill and Dump, skip step 5 and proceed directly to step 6.
If the displayed temperature is 160°F or below (130°F for LX18C models), start a cycle and wait
for the machine to drain and fill. Open the door slowly just after the wash pump starts.
If the displayed temperature is above 160°F (130°F on LX18C), start a cycle. Open the door
slowly just after the wash pump starts.
6. Add deliming agent (carefully follow supplier's instructions). The sump holds approximately
3 gallons of water.
7. Close door. Machine will complete the wash/rinse cycle.
8. Inspect interior of machine for lime deposits. Repeat steps 4 through 8 if necessary.
9. Press ON. Run two cycles to purge the system of deliming agent. Press OFF.
10. Put standpipe assemblies back into the appropriate chemical containers (see page 8).
11. Press ON. Run four cycles to prime the chemical delivery pumps.
12. Press OFF.
CAUTION: Do not allow the deliming agent to remain in the machine longer than recommended
by the deliming agent manufacturer.

– 24 –
DELIMING — Models LX30, LX30C & LX30H
1. Remove standpipe assemblies from chemical containers and place them as close to the floor as
possible. Place a catch pan under them.
2. Cycle the machine four times to clear the lines of chemicals.
3. Remove rack from machine.
4. Add deliming agent (carefully follow supplier's instructions). The sump holds approximately
3 gallons of water.
5. Close door. Press WASH and allow machine to complete the wash/rinse cycle.
6. Press OFF.
7. Inspect the interior of the machine for lime deposits. If necessary, press ON to fill machine and
repeat steps 4 through 7.
8. Press ON. Run two cycles to purge the system of deliming agent. Press OFF.
9. Put standpipe assemblies back into the appropriate chemical containers (see page 8).
10. Press ON. Run four cycles to prime the chemical delivery pumps.
11. Press OFF.
CAUTION: Do not allow the deliming agent to remain in the machine longer than recommended
by the deliming agent manufacturer.

– 25 –
DELIMING — Models LX40H and LX40C
Models LX40H and LX40C are equipped with an automatic delime cycle reminder. After the
preprogrammed number of cycles has expired, the control will indicate the delime request by
illuminating DELIME. At this point, you must either enter a delime cycle or reprogram the number of
cycles to terminate the DELIME indication.
1. Remove rack from machine. Close door.
2. Make sure machine is in the READY mode (READY indicated in the display).
3. To select a delime cycle, you must first enter the operator programming mode. Press and hold the
HIDDEN key ("LX40" on the control panel), then press WASH. When the display indicates "-----"
while illuminating both DETERGENT and PRIME, release HIDDEN key and WASH. You are now
in the operator programming mode.
4. While in the operator programming mode, press the DELIME key to initiate a delime cycle. The
machine will shut off the heat and will drain the water from the machine. Display will show PLEAS
and WAIT. A fill cycle will then be performed.
5.
After the fill cycle, the control will prompt you to add delimer by flashing "ADD" and "CHEM" with
ADD
and DELIME lit. Open the door and add deliming agent (carefully follow supplier's instructions).
The sump holds approximately 3 gallons of water.
6. After delimer has been added, close the door. The control will flash "PRESS DELIM". Press the
DELIME key again to continue the cycle. The machine will enter the wash mode for 5 minutes, then
will begin two rinse and drain operations. The DELIME symbol will be lit and PLEAS and WAIT will
show in the display.
DO NOT interrupt the cycle. Should the process be interrupted, restart delime procedure from the
beginning.
7. After the deliming operation is completed, the DELIME and ON indicators will automatically turn off,
and power to the control will be turned off.
8. Inspect the interior of the machine for lime deposits. If necessary, turn the machine ON and repeat
steps 2 through 8.
CAUTION: Do not allow deliming agent to remain in the machine longer than recommended by
the deliming agent manufacturer.
LUBRICATION
The pump motor has permanently sealed bearings and requires no lubrication.

– 26 –
TROUBLESHOOTING
This section outlines various symptoms and possible causes that may be encountered in the event of
abnormal machine operation. If symptoms persist after possible causes have been checked, service
may be required.
SYMPTOM POSSIBLE CAUSES
No machine operation 1. Machine OFF — turn machine ON.
(No display). 2. Blown fuse or circuit breaker off at power supply.
3. Cord not plugged in (corded models only)
No machine operation 1. Display: "dr" "oP" (or "door open" on LX40 Series) — open and
(With display). close door. If problem persists, contact your local Hobart
Service Office.
2. See MACHINE WON'T FILL.
Dishes not clean. 1. Strainers clogged causing inadequate water supply to pump —
clean per instructions in CLEANING section.
2. Obstruction in wash arm(s) or wash arms won't turn — clean per
instructions in CLEANING section.
3. Rinse arms (Models LX30 & LX40 only) won't turn — check that
they spin.
4. Detergent dispenser may be clogged.
5. Soil quantity — scrape dishes before cycle.
6. Improper rack loading — see PREPARATION in this manual.
7. Low water — check water pressure.
8. Water temperature too low — note wash temperature on display
during WASH; should be above 120°F for chemical sanitizing
machines and above 150°F for other machines.
9. Incoming water supply turned off.
10. Arm plugs missing.
Spotting of silverware, 1. Improperly loaded racks.
glasses or dishes. 2. Water temperature too low.
3. Improper type or concentration of detergent — contact your
local detergent representative.
4. Hard water — install a water softener; use a rinse agent.
5. Insufficient fill — check water pressure.
Chemicals not feeding. 1. Low on chemicals — check levels.
2. Air leak at feeder hose connections — check for snugness.
3. Tubes kinked — check for smooth bends.
Food soils remain in Follow daily cleaning instructions.
dishwasher.

– 27 –
SYMPTOM POSSIBLE CAUSES
Unexpected results on 1. Etching — usually caused by any combination of high
dishes. temperatures, soft water, soft glass, or high alkaline washing
solutions.
2. Tarnishing — avoid washing silver, silver plate and pewter in
chemical sanitizing machines.
3. Pitting — stainless steel may pit with lengthy contact of foods
containing salt, fruit juices, vinegar, etc. Wash immediately.
4. Black or gray marks — may have been rubbed with aluminum.
5. Brown stains — may be due to high iron content in water supply.
6. Chipping — improper loading or ware is too delicate.
7. Fading of china patterns — usually due to high water temperature
and strong detergent. Check that china is dishwasher compatible.
8. Wooden ware damage — avoid washing in dishwasher.
9. Rust on cast iron — seasoning is lost in dishwasher. Avoid
dishwasher cleaning.
10. Plastic ware distortion — high temperatures. Check plastic
ware's instructions.
Low temperature readings. 1. Low water supply temperature — make sure it meets the
recommended limits.
2. Rapid cycle use — if incoming water temperature is low and
cycle use rate is high, the hot water supply may be insufficient
to meet the demand.
3. Heavy ware load cools wash water — do not overload racks.
4. Booster heater or sump heater set low — set for higher value on
LX40H; call Hobart Service Technician for LX18H and LX30H.
Machine won't fill or won't 1.
Low water pressure — check for clogged hose strainer; check that
fill high enough. site water pressure meets minimum flow pressures.
2. Make sure probes are clean (see Cleaning, page 22).
3. No water pressure — main water supply valves may not be
(LX18, LX30 display shows working.
"E0," "E2," "E3," or "E4". 4. Drain valve open — turn machine OFF to drain machine, then
LX40 display shows ON. Repeat twice (this assists in clearing any drain valve
"DR1 PRBLM," "FILL1 obstructions). Wait for machine to reach READY mode and
PRBLM," FILL2 PRBLM," press WASH. Slowly open door several seconds later and note
or "FILL3 PRBLM". water level. Close door; 30 seconds later, open door slowly and
Machine will not run.) check that water level is the same as it was. If not, repeat the
OFF-ON procedure. If problem persists, call your local Hobart
Service Office.
5. Delime machine.
Dishwasher makes noises Drain valve — this is normal; the drain valve operates several times
after it drains when it is to ensure it remains clear of obstructions.
turned off.

– 28 –
SYMPTOM POSSIBLE CAUSES
Machine fills too high or 1. Machine not level — see LEVELING in this manual.
leaks from door. 2. Fill solenoid valve leaking — turn the dishwasher OFF; if water
continues to come in (through the rear fill air gap on LX18
Machine won't drain. models or rinse arms of LX30 and LX40 models), call your local
(Display shows "E5" on Hobart Service Office.
LX18 and LX30 models, 3. Drain pipes restricted — check dishwasher drain line for kinks;
or "PRBLM DR2" on LX40.) ensure proper drain rate is allowed from plumbing.
4. Turn machine OFF. Wait several seconds, then turn back ON.
Repeat this procedure twice if necessary. If problem persists,
contact your local Hobart Service Office.
Some water occasionally This is normal due to expansion of water being heated in the booster
drips out of rinse arms tank.
(LX30 and LX40 models) or
from the water inlet on the
back wall (LX18 models)
when machine is idle
("H" dishwashers only.)
Machine displays "E6" on Contact your local Hobart Service Office.
LX18 and LX30 models
or "OP J1" on LX40 models.
Machine drains water This is normal operation on LX18 models if water temperature is
after pressing WASH. too low (see page 14).
Machine lights up wrench Contact your local Hobart Service Office.
and flashes "P1", P2", or
"P3" on LX18 and LX30
models), or "PROB1",
"PROB2", or "PROB3" on
LX40 models.
Machine displays "E7" on 1. Clean water sensors inside tank.
LX30 model or "CLEAN 2. Contact your local Hobart Service Office.
PROBE" on LX40 model.
FORM 18615 Rev. I (July 2000) PRINTED IN U.S.A.
SERVICE
Contact your local Hobart-authorized service office for any repairs or adjustments needed on this
equipment.