Homelite Hg1800 Owner S Manual
Homelite-Homelite-Hg1800-Users-Manual-368552 homelite-homelite-hg1800-users-manual-368552
HG1800 to the manual 2ac7359a-bc59-4fa3-8f1f-18edc9f22937
2014-07-05
: Homelite Homelite-Hg1800-Owner-S-Manual homelite-hg1800-owner-s-manual homelite pdf
Open the PDF directly: View PDF
.
Page Count: 40

DANGER: You WILL be KILLED or SERIOUSLY HURT if you do not follow the instructions in this operator’s
manual.
OPERATOR’S MANUAL
Manuel de l’opérateur
Manual del operador
ELECTRIC GENERATOR
Groupe electrogene
Generador electrico
HG1800 Series
Série HG1800
Serie HG1800
DANGER : Le non-respect des instructions fournies dans ce manuel d’utilisation entraînera des BLESSURES
GRAVES, voire MORTELLES.
PELIGRO: El incumplimiento de las instrucciones en este manual del operador puede CAUSARLE LA MUERTE
O LESIONARLE GRAVEMENTE.
To reduce the risk of injury, user must read and understand operator’s manual before using this
generator.
Para reducir el riesgo de lesiones, el usuario debe leer y comprender el manual del operador antes de
usar este generador.
Pour réduire les risques de blessures, l’utilisateur doit lire et veiller à bien comprendre le manuel
d’utilisation avant d’utiliser ce groupe.
SAVE THIS MANUAL FOR FUTURE REFERENCE
CONSERVER CE MANUEL POUR FUTURE RÉFÉRENCE
GUARDE ESTE MANUAL PARA FUTURAS CONSULTAS

2
TABLE OF CONTENTS / TABLE DES MATIERES / INDICE
ENGLISH
Safety and operation rules ............................... 3
Spark arresting muffler ..................................4
Operating voltage ......................................4
Determining total wattage ................................4
Electrical .............................................5
Generator capacity .................................5
Power management ................................5
Extension cord cable size . . . . . . . . . . . . . . . . . . . . . . . . . . . . 6
Electric motor loads ................................6
Major generator features .................................7
Control panel ..........................................7
120 V, 15 ampere duplex receptacle . . . . . . . . . . . . . . . . . . . 7
Circuit breaker ....................................7
Engine switch .....................................7
Battery charger ....................................7
Installation ............................................8
Before operation .......................................8
Grounding the generator . . . . . . . . . . . . . . . . . . . . . . . . . . . . 8
Lubrication .......................................9
Fuel .............................................9
Starting the unit ........................................ 9
Pre-start preparation ...............................9
Starting the engine .................................9
Applying load ....................................10
Shutting the generator off. . . . . . . . . . . . . . . . . . . . . . . . . . . 10
Break-in procedure ................................10
Maintenance ......................................... 10
Generator: brushes ................................10
Inspecting the brushes .............................10
Heat shield ......................................10
Engine: carburetor icing . . . . . . . . . . . . . . . . . . . . . . . . . . . . 10
Quick starting tips for units
that have been sitting a while . . . . . . . . . . . . . . . . . . . . . . 10
Fuel tank venting ......................................11
Spark arrester muffler ..................................11
Engine maintenance schedule ...........................11
Service and storage ...................................11
Infrequent service .................................11
Long term storage ................................11
Limited warranty ......................................12
Service information ....................................12
Limited 3-year engine warranty ...........................13
FRANÇAIS
Règles d’opération et de sécurité . . . . . . . . . . . . . . . . . . . . . . . . 14
Pare-étincelles ........................................15
Vérifier la tension ......................................15
Détermination de la puissance totale nécessaire .............15
Caractéristiques électriques .............................16
Capacité du générateur . . . . . . . . . . . . . . . . . . . . . . . . . . . . 16
Gestion de l’énergie ...............................16
Taille du câble du cordon prolongateur . . . . . . . . . . . . . . . . 17
Charges du moteur électrique . . . . . . . . . . . . . . . . . . . . . . . 17
Caractéristiques principales du groupe electrogene ..........18
Tableau de commande .................................18
Prise double de 120 v, 15 a . . . . . . . . . . . . . . . . . . . . . . . . . 18
Disjoncteurs .....................................18
Commutateur du moteur . . . . . . . . . . . . . . . . . . . . . . . . . . . 18
Chargeur de batterie ...............................18
Installation ...........................................19
Avant de mettre en marche ..............................19
Mise en place de l’appareil . . . . . . . . . . . . . . . . . . . . . . . . . . 19
Lubrification .....................................20
Carburant .......................................20
Demarrage de l’appareil ................................ 20
Préparatifs au démarrage . . . . . . . . . . . . . . . . . . . . . . . . . . . 20
Démarrage du moteur .............................20
Branchement des appareils . . . . . . . . . . . . . . . . . . . . . . . . . 21
Arret de l’appareil .................................21
Rodage .........................................21
Entretien ............................................ 22
Groupe electrogene: les balais . . . . . . . . . . . . . . . . . . . . . . . 22
Inspection des balais ..............................22
Écrans de chaleur .................................22
Givrage du carburateur . . . . . . . . . . . . . . . . . . . . . . . . . . . . 22
Trucs de démarrage rapide des appareils restés
longtemps hors fonction . . . . . . . . . . . . . . . . . . . . . . . . . . 22
Donner vent de reservoir de carburant .....................23
Le silencieux pare-etincelles .............................23
Le plan d’entretien de moteur ............................23
Usage et entreposage ..................................23
Usage peu fréquent ...............................23
Entreposage a long terme . . . . . . . . . . . . . . . . . . . . . . . . . . 23
Garantie limitée .......................................24
Service information ....................................24
Garantie limitée de trois ans sur le moteur ..................24
ESPAÑOL
Reglas de seguridad y de funcionamiento . . . . . . . . . . . . . . . . . . 25
Apagachispas ........................................26
Operating voltage .....................................26
Como determinar el vataje total ..........................26
Aspectos eléctricos ....................................27
Capacidad del generador . . . . . . . . . . . . . . . . . . . . . . . . . . . 27
Administración de la potencia . . . . . . . . . . . . . . . . . . . . . . . 27
Calibre del cordón de extensión. . . . . . . . . . . . . . . . . . . . . . 28
Cargas de motores eléctricos . . . . . . . . . . . . . . . . . . . . . . . 28
Caracteristicas principales del generador ...................29
Panel de control ......................................29
Receptáculo dúplex de 120 voltios, 15 amperes . . . . . . . . . 29
Interruptor .......................................29
Interruptor del motor ..............................29
Cargador de batería ...............................29
Instalacion ...........................................30
Antes de la operacion ..................................30
Puesta a tierra del generador . . . . . . . . . . . . . . . . . . . . . . . . 30
Lubricacion ......................................31
Combustible .....................................31
Arranque del unidad ................................... 31
Preparacion antes de arrancar . . . . . . . . . . . . . . . . . . . . . . . 31
Arranque del motor. . . . . . . . . . . . . . . . . . . . . . . . . . . . . . . . 31
Como aplicar una carga . . . . . . . . . . . . . . . . . . . . . . . . . . . . 32
Apagado del generador . . . . . . . . . . . . . . . . . . . . . . . . . . . . 32
Procedimiento de arranque inicial . . . . . . . . . . . . . . . . . . . . 32
Mantenimiento ........................................ 32
Generador: escobillas . . . . . . . . . . . . . . . . . . . . . . . . . . . . . 32
Para revisar las escobillas . . . . . . . . . . . . . . . . . . . . . . . . . . 32
Escudo de calor ..................................32
Motor: congelamiento del carburador . . . . . . . . . . . . . . . . . 32
Consejos para un encendido rápido en unidades que
han estado inhabilitadas durante un tiempo . . . . . . . . . . 32
Tanque del combustible descargar ........................33
Silenciador del arrestor de chispas ........................33
El horario de la mantenimientodel motor ...................33
Servicio y almacenamiento ..............................33
Servicio poco frecuente . . . . . . . . . . . . . . . . . . . . . . . . . . . . 33
Almacenamiento a largo plazo . . . . . . . . . . . . . . . . . . . . . . . 33
Garantia limitada ......................................34
Servicio al cliente .....................................34
Motor con garantía limitada de 3 años .....................35
ENGLISH / FRANÇAIS / ESPAÑOL
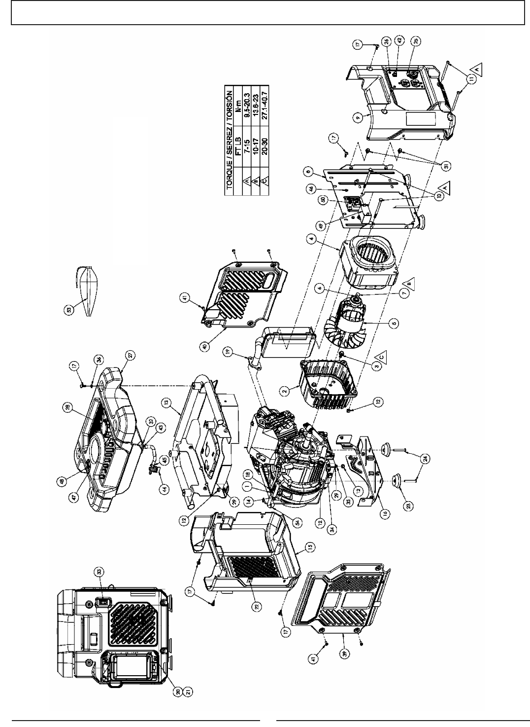
Parts drawing / schema des pièces / diagrama de piezas . . . . . . 36
Parts list / liste des pièces / lista de piezas .................37
Notes / remarques / notas ................................39

3
SAFETY INFORMATION
SAFETY AND OPERATION RULES
Read carefully and understand operator manual prior
to operation of this product. Read and understand
engine manual prior to operation. Follow all warnings
and instructions.
Know your equipment. Consider the applications,
limitations, and the potential hazards specific to your
unit.
Equipment must be placed on a firm, supporting sur-
face.
Load must be kept within rating stated on genera-
tor nameplate. Overloading will damage the unit or
shorten its life.
Engine must not be run at excessive speeds. Oper-
ating an engine at excessive speeds increases the
hazard of personal injury.
Do not tamper with parts which may increase or
decrease the governed speed.
To prevent accidental starting, always remove the
spark plug or cable from the spark plug before main-
taining the generator or engine.
Units with broken or missing parts, or without pro-
tective housing or covers, should never be operated.
Contact your service center for replacement parts.
Units should not be operated or stored in wet or
damp conditions or on highly conductive locations
such as metal decking and steel work.
Keep the generator clean and free of oil, mud and
other foreign matter.
Extension cords, power cords, and all electrical
equipment must be in good condition. Never oper-
ate electrical equipment with damaged or defective
cords.
Store the generator in a well-ventilated area with the
fuel tank empty. Fuel should not be stored near the
generator.
Your generator should never be operated under these
conditions:
a. Uncontrolled change in engine speed. (NOTE:
The optional idle control feature will reduce the
engine speed in a “No Load” condition.)
b. Electrical output loss.
c. Overheating in connected equipment.
d. Sparking.
e. Damaged receptacles.
f. Engine misfire.
g. Excessive vibration.
h. Flame or smoke.
i. Enclosed compartment.
j. Rain or inclement weather. Do not let the unit get wet when
operating.
Check the fuel system periodically for leaks or signs of dete-
rioration such as chafed or spongy hose, loose or missing
clamps, or damaged tank or cap. All defects should be cor-
rected before operation.
The generator should be operated, serviced, and refueled
only under the following conditions:
a. Start and run the generator outdoors. Do not run the gen-
erator in an enclosed area, even if doors or windows are
open; avoid areas where vapors may be trapped, such as
pits, garages, cellars, excavations and boat bilges.
b. Good ventilation for cooling. Air flow and temperatures are
important for air cooled units. Temperatures should not
exceed 104°F ambient (40°C).
c. Refuel the generator in a well lighted area. Avoid fuel spills
and never refuel while the generator is running. Allow
engine to cool for two minutes prior to refueling.
d. Do not refuel near open flames, pilot lights, or sparking
electrical equipment such as power tools, welders, and
grinders.
e. The muffler and air cleaner must be installed and in good
condition at all times as they function as flame arresters if
backfiring occurs.
f. Do not smoke near the generator.
DANGER:
DANGER indicates a potentially
hazardous situation which, if not
avoided, WILL result in death or serious
injury.
WARNING:
WARNING indicates a potentially
hazardous situation which, if not
avoided, could result in death or serious
injury.
CAUTION:
CAUTION indicates a potentially
hazardous situation which, if not
avoided, may result in minor or
moderate personal injury, or property
damage.
WARNING:
Failure to follow these instructions and warnings can result in
death, personal injury, or property damage.
DANGER:
CARBON MONOXIDE HAZARD: The engine exhaust
contains carbon monoxide, a poisonous, odorless,
invisible gas which, if breathed, can cause death or
serious personal injury. If you start to feel sick, dizzy
or weak while using the generator, shut it off and get to fresh
air right away; you may have carbon monoxide poisoning.

4
OPERATING VOLTAGE
Ensure that generator is properly grounded. (See
“Grounding the generator” section in this manual.)
Do not wear loose clothing, jewelry, or anything that
may be caught in the starter or other rotating parts.
Unit must reach operating speed before electrical
loads are connected. Disconnect loads before turn-
ing off engine.
To prevent surging that may possibly damage equip-
ment, do not allow engine to run out of fuel when
electrical loads are applied.
When powering solid state equipment, a Power Line
Conditioner should be used to avoid possible dam-
age to equipment.
Do not stick anything through ventilating slots, even
when the generator is not operating. This can dam-
age the generator or cause personal injury.
Before transporting the generator in a vehicle, drain
all fuel to prevent leakage that may occur.
Use proper lifting techniques when transporting the
generator from site to site. Improper lifting tech-
niques may result in personal injury.
To avoid burns, do not touch engine muffler or other
engine or generator surfaces which became hot dur-
ing operation.
Do not alter or modify the heat shield.
YOUR PRODUCT MAY NOT BE EQUIPPED WITH A
SPARK ARRESTING MUFFLER. If the product will be used
around flammable materials, such as agricultural crops, for-
ests, brush, grass, or other similar items, then an approved
spark arrester should be installed and is legally required in the
State of California. The California statutes requiring a spark
arrester are Sections 13005(b), 4442 and 4443. Spark Arresters
are also required on some U.S. Forest Service land and may
also be legally required under other statutes and ordinances.
An approved spark arrester is available from our product
dealers, or may be ordered from Homelite Consumer Prod-
ucts, Inc., 1428 Pearman Dairy Road, Anderson, SC 29625,
1-800-242-4672.
SPARK ARRESTING MUFFLER
A power line conditioner should be used when any of the
following solid state items:
Garage door openers
Kitchen appliances with digital displays
Televisions
Stereos
Personal computers
Quartz clocks
Copy machines
Telephone equipment
DETERMINING TOTAL WATTAGE
In order to prevent overloading and possible damage to
your generator it is necessary to know the total wattage of the
connected load. To determine which tools and/or appliances
your generator will run follow these steps:
Determine if you want to run one item or multiple items simul-
taneously.
Check wattage requirements for the items you will be running
by referring to the load’s nameplate or by calculating it (mul-
tiply amps x volts = watts).
Total the watts for each item. If the nameplate only gives volts
and amps, multiply volts x amps = watts.
1 KW = 1,000 watts
Motorized appliances or tools require more than their rated
wattage for start up.
NOTE: Allow 2-1/2 to 4 times the listed wattage for start-
ing equipment powered by electric motors.
The generator’s rated watts should match or exceed the total
number of watts required for the equipment you want to run.
Always connect the heaviest load to the generator first, then
add other items one at a time.
CAUTION:
Operating voltage and frequency requirement of all electronic
equipment should be checked prior to plugging them into this
generator. Damage may result if the equipment is not designed
to operate within a +/- 10% voltage variation, and +/- 3 hz
frequency variation from the generator name plate ratings. To
avoid damage, always have an additional load plugged into
the generator if solid state equipment (such as a television
set) is used. A power line conditioner is recommended for
some solid state applications.

5
GENERATOR CAPACITY
Make sure the generator can supply enough continuous
(running) and surge (starting) watts for the items you will
power at the same time. Follow these simple steps.
1. Selecttheitemsyouwillpoweratthesametime.
2. Total the continuous (running) watts of these items. This is
the amount of power the generator must produce to keep the
items running. See the wattage reference chart at right.
3. Estimate how many surge (starting) watts you will need.
Surge wattage is the short burst of power needed to start
electric motor-driven tools or appliances such as a circular
saw or refrigerator. Because not all motors start at the same
time, total surge watts can be estimated by adding only the
item(s) with the highest additional surge watts to the total
rated watts from step 2.
Example:
Tool or Appliance Continuous
(Running) Watts
Surge
(Starting) Watts
Window AC,
10,000 BTU 1200 1800
Refrigerator 700 2200
1/3 HP Well Pump 1000 2000
27 in. Television 500 0
Light (75 Watts) 75 0
3475 Total
Running Watts
2200 Highest
Surge Watts
Total Continuous (Running) Watts 3475
Plus Highest Additional Surge Watts + 2200
Equals Total Generator Output Required 5675
POWER MANAGEMENT
To prolong the life of the generator and attached devices,
it is important to take care when adding electrical loads to
the generator. There should be nothing connected to the
generator outlets before starting its engine. The correct
and safe way to manage generator power is to sequentially
add loads as follows:
1. With nothing connected to the generator, start the engine as
described later in this manual.
2. Plug in and turn on the first load, preferably the largest load
you have.
3. Permit the generator output to stabilize (engine runs smoothly
and attached device operates properly).
4. Plug in and turn on the next load.
5. Again, permit the generator to stabilize.
6. Repeat steps 4 and 5 for each additional load.
Never add more loads than the generator capacity. Take
special care to consider surge loads in generator capacity
as previously described.
Tool or Appliance
Typical
Continuous*
(Running)
Watts
Typical
Surge*
(Starting)
Watts
Essentials
LightBulb−75Watt 75 75
Refrigerator/Freezer 700 2200
SumpPump−1/2HP 1050 2200
WaterWellPump−1/3HP 1000 1500
Electric Water Heater 4000 0
Heating/Cooling
FurnaceFan−1/2HP 800 2350
WindowAC−10,000BTU 1200 1800
Space Heater 1800 0
Kitchen
MicrowaveOven−1000Watt 1000 0
Coffee Maker 1000 0
ElectricStove−SingleElement 2100 0
Toaster Oven 1200 0
Family Room
VCR 100 0
CD/DVD Player 100 0
Stereo Receiver 450 0
ColorTelevision−27in. 500 0
Other
Security System 500 0
Curling Iron 1500 0
GarageDoorOpener−1/2HP 875 2350
HairDryer−1/2HP 1250 0
DIY/Job Site
Quartz Halogen Work Light 1000 0
AirlessSprayer−1/3HP 600 1200
Reciprocating Saw 960 0
ElectricDrill−1/2HP 600 900
CircularSaw−7-1/4in. 1400 2300
MiterSaw−10in. 1800 1800
Planer/Jointer−6in. 1800 1800
TableSaw/RadialArmSaw−
10 in.
2000 2000
AirCompressor−1HP 1600 4500
*Wattages listed are approximate. Check tool or appliance for actual watt-
age.
ELECTRICAL
CAUTION:
Do not overload the generator’s capacity. Exceeding the
generator’s wattage/amperage capacity can damage the
generator and/or electrical devices connected to it.

6
EXTENSION CORD CABLE SIZE
Refer to the table below to ensure the cable size of the extension cords you use are capable of carrying the required
load. Inadequate size cables can cause a voltage drop, which can burn out the appliance and overheat the cord.
Current in
Amperes
Load in Watts Maximum Allowable Cord Length
At 120V At 240V #8 Wire #10 Wire #12 Wire #14 Wire #16 Wire
2.5 300 600 1000 ft. 600 ft. 375 ft. 250 ft.
5 600 1200 500 ft. 300 ft. 200 ft. 125 ft.
7.5 900 1800 350 ft. 200 ft. 125 ft. 100 ft.
10 1200 2400 250 ft. 150 ft. 100 ft. 50 ft.
15 1800 3600 150 ft. 100 ft. 65 ft.
20 2400 4800 175 ft. 125 ft. 75 ft.
25 3000 6000 150 ft. 100 ft.
30 3600 7200 125 ft. 65 ft.
40 4800 9600 90 ft.
ELECTRIC MOTOR LOADS
It is characteristic of common electric motors in normal operation to draw up to six times their running current while
starting. This table may be used to estimate the watts required to start “Code G” electric motors; however, if an elec-
tric motor fails to start or reach running speed, turn off the appliance or tool immediately to avoid equipment damage.
Always check the requirements of the tool or appliance being used compared to the rated output of the generator.
Motor Size (H.P.) Running Watts Watts Required to Start Motor
Repulsion Induction Capacitor Split Phase
1/8 275 600 850 1200
1/6 275 600 850 2050
1/4 400 850 1050 2400
1/3 450 975 1350 2700
1/2 600 1300 1800 3600
3/4 850 1900 2600 —
1 1100 2500 3300 —
ELECTRICAL

7
MAJOR GENERATOR FEATURES
Subaru OHC engine
Receptacles on endbell
Battery charger
1.3 gallon fuel tank
Spark arrester
Brushless generator
CONTROL PANEL
A . 120 V, 15 Ampere Duplex Receptacle
15 amps of current may be drawn from each half of the
receptacle. However, total power drawn must be kept within
nameplate ratings.
B. Circuit Breaker
The receptacles are protected by an AC circuit breaker. If
the generator is overloaded or an external short circuit occurs,
the circuit breaker will trip. If this occurs, disconnect all electri-
cal loads and try to determine the cause of the problem before
attempting to use the generator again. If overloading causes the
circuit breaker to trip, reduce the load. NOTE: Continuous trip-
ping of the circuit breaker may cause damage to generator
or equipment. The circuit breaker may be reset by pushing the
button of the breaker.
C. Engine Switch
The battery charger on this generator is referred to as an
unregulated taper charger - the most widely used in the market
today. The amount of current flowing will depend on the charging
voltage and battery’s state of charge. As the battery becomes
more fully charged, the output current to the battery decreases
and nearly becomes constant. Taper chargers are intended to be
used with the provision that they will be disconnected from the
battery after a maximum time on charge. Normally a period of
30 to 120 minutes is sufficient to recharge a weak battery. The
charge level of the battery should be checked periodically.
RECEPTACLE PANEL RECOIL PANEL
D. Battery Charger
NOT RECOMMENDED FOR USE WITH GEL PACK,
SEALED OR SMALL (MOTORCYCLE) BATTERIES.
This generator contains an additional circuit used for bat-
tery charging purposes. A DC accessory receptacle is provided
on the control panel. A battery charging cable equipped with a
matching plug for this receptacle has been supplied with the
unit. Line up metal prongs on plug with arrows on receptacle to
secure.
NOTE: When the battery charger circuit is in use, the AC
capacity is reduced by 180 watts. Make sure the combined load
is within the rated limits.
Before charging a storage battery, check the electrolyte fluid
level in all the cells. Add distilled water to each cell, if necessary,
to bring the level back up to the manufacturer’s required level.
CAUTION:
This battery charging system is intended to recharge weak
batteries, not to “boost start” vehicles. Do not overcharge
battery or leave battery unattended.
Use cables approved for battery charging. Connect a red
clip to the positive terminal of the battery. Connect a black clip
to the negative terminal of the battery. Connect the other end
of the cable to the DC accessory receptacle on the genera-
tor panel. After the battery is fully charged, remove the battery
charging cable from the generator and then disconnect from the
battery posts.
WARNING:
Storage batteries give off EXPLOSIVE hydrogen gas while
charging. Do not allow smoking, open flames,sparks, or spark
producing equipment in the area while charging.
DC CIRCUIT BREAKER: The maximum current available from
the battery charger circuit is 15 amps. An automatic DC circuit
breaker has been provided to protect the circuit from over-
loads and assure that the battery gets recharged. If an overload
occurs, the circuit breaker will trip. After it cools, it will auto-
matically reset itself. The battery’s maximum rate of charge will
eventually reduce to less than 15 amps and then to zero as the
battery approaches a 100 percent state of charge.
WARNING:
Battery electrolyte fluid is comprised of sulfuric acid that can
be very dangerous and cause severe burns. Do not allow this
fluid to contact eyes, skin, clothing, etc. If contact or spillage
does occur, flush the area with water immediately.
WARNING:
Do not continue to charge a battery that becomes hot or is
fully charged.

8
WARNING:
Do not use a pipe as the ground source.
INSTALLATION BEFORE OPERATION
WARNING:
To avoid possible personal injury or equipment damage,
registered electrician or an authorized service representative
should perform installation and all service. Under no
circumstances should an unqualified person attempt to wire
into a utility circuit.
WARNING:
To avoid backfeeding into utility systems, isolation of the
residence electrical system is required. Before temporary
connection of a generator to the residence electrical system
turn off the main switch. Before making permanent connections
a double throw transfer switch To avoid electrocution or
property damage, only a trained electrician should connect
generator to residence electrical system. California law requires
isolation of the residence electrical system before connecting
a generator to residence electrical systems. Temporary
connection not recommended due to backfeeding.
To avoid backfeeding into utility systems, isolation of the
residence electrical system is required.
Before temporary connection of the generator to the resi-
dence electrical system, turn off the main service/disconnect.
If your generator is to be used as a stand-by power source
in case of utility power failure, it should be installed by a reg-
istered electrician and in compliance with all applicable local
electrical codes.
Proper use requires that a double throw transfer switch be
installed by a licensed qualified electrician so that the building’s
electrical circuits may be safely switched between utility power
and the generator’s output, thereby preventing backfeed into
the power utility’s electrical system.
Always follow local codes and regulations that apply to
the installation of any item that concerns this product.
GROUNDING THE GENERATOR
The National Electric Code requires that this product be
properly connected to an appropriate earth ground to help pre-
vent electric shock. A ground terminal connected to the frame
of the generator has been provided for this purpose. Connecting
a length of heavy gauge (12 AWG min.) copper wire between
the generator Ground Terminal and a copper rod driven into the
ground should provide a suitable ground connection. However,
consult with a local electrician to insure that local codes are
being adhered to.
GROUND TERMINAL LOCATION:
ground lug

9
LUBRICATION
Operating the unit without lubricant can damage the
engine.
Fill the engine with lubricant according to the engine man-
ual. For units with a dipstick, fill lubricant to the proper level.
Units without a dipstick should be filled to the top of the opening
of the lubricant fill.
FUEL
Fill the tank with clean, fresh unleaded automotive gasoline.
Regular grade gasoline may be used provided a high octane
rating is obtained (at least 85 pump octane). We recommend
always using a fuel stabilizer. A fuel stabilizer will minimize the
formulation of fuel gum deposits during storage. The fuel sta-
bilizer can be added to the gasoline in the fuel tank, or into the
gasoline in a storage container. Do not use E85 fuel.
CAUTION:
Do not overfill the tank. Keep maximum fuel level 1/4 inch
below the top of the fuel tank. This will allow expansion in
hot weather and prevent overflow.
STARTING THE UNIT
WARNING:
Gasoline is very dangerous. Serious injury or death can result
from fire caused by gasoline contacting hot surfaces.
Do not fill fuel tank with engine running.
Do not spill fuel while refilling tank.
Do not mix oil with gasoline.
Follow all instructions and warnings in the engine
manual.
PRE-START PREPARATION
Before starting the generator, check for loose or missing
parts and for any damage which may have occurred during
shipment.
WARNING:
This generator must not be operated without all factory installed
heat shields in place. Failure to comply may cause the fuel
tank to overheat and result in personal injury from fire.
STARTING THE ENGINE
Check lubricant level and fuel.
Disconnect all electrical loads from the unit.
Open fuel shut off valve.
Adjust choke as necessary.
Set the engine switch to the “ON” position.
Pull on the starter rope with fast steady pull. As the engine
warms up, readjust the choke.
DANGER:
Provide adequate ventilation for toxic exhaust gases and
cooling air flow.
Do not start or run the generator in an enclosed area, even
if door or windows are open.
Engines give off carbon monoxide, an odorless, colorless,
poison gas.
Breathing carbon monoxide can cause nausea, fainting
or death.
CAUTION:
Allow generator to run at no load for five minutes upon each
initial start-up to permit engine and generator to stabilize.

10
APPLYING LOAD
This unit has been pretested and adjusted to handle its full
capacity. When starting the generator, disconnect all load. Apply
load only after generator is running. Voltage is regulated via the
engine speed adjusted at the factory for correct output. Read-
justing will void warranty.
CAUTION:
When applying a load, do not exceed the maximum wattage
rating of the generator when using one or more receptacles.
Also, do not exceed the amperage rating of any one
receptacle.
SHUTTING THE GENERATOR OFF
Remove entire electrical load.
Let the engine run for a few minutes without load.
Move the engine switch to the “OFF” position.
Do not leave the generator until it has completely stopped.
Close the fuel shut off valve if the engine is to be put in stor-
age or transported.
If cover is used, do not install until unit has cooled.
BREAK-IN PROCEDURE
Controlled break-in helps insure proper engine and gen-
erator operation. Follow engine procedure outlined in engine
manual.
CAUTION:
Do not apply heavy electrical load during break-in period (the
first two to three hours of operations).
MAINTENANCE
GENERATOR: BRUSHES (BRUSH TYPE UNITS ONLY)
The brushes in the generator should be inspected once
every year for chips and cracks. Brushes should be replaced
when they are worn to 1/4 inch (7 mm).
NOTE: Replace brushes in sets only, never separately.
INSPECTING THE BRUSHES:
Remove cover plate (R).
Remove 4 stator bolts (U)
and endbell.
Remove screws holding
the protective plate on the
inside of the endbell.
Disconnect the green (–) or
blue (+) brush wires from
the tab.
Remove brush mounting screws (S).
Slide brushes (T) from holders.
Replace if worn to 1/4 inch (7mm).
Do not over tighten screws.
NOTE: Replace only with brushes specified in parts list.
Other brushes may appear to be identical but may have com-
pletely different mechanical and electrical characteristics.
HEAT SHIELD:
Inspect to ensure that all heat shields and heat deflectors
are intact and in place. Do not remove any parts or modify parts.
Removing or modifying parts could cause serious damage to
the unit.
ENGINE: Carburetor Icing
During the winter months, rare atmospheric conditions may
develop which will cause an icing condition in the carburetor. If
this develops, the engine may run rough, lose power, and may
stall.
QUICK STARTING TIPS FOR UNITS THAT HAVE BEEN
SITTING FOR AWHILE:
If your unit has been sitting around for a long time period
and is hard to start, try doing some of these easy steps before
calling Customer Service.
Check the lubricant level.
Replace the old fuel.
Change the spark plug.
Check the fuel lines. Make sure the fuel valve is open.
Check all generator parts for integrity.
Clean the carburetor. (See engine manual for service
centers)

11
FUEL TANK VENTING
CAUTION:
Keep fuel tank area free of all debris, water, and ice. Do not
block vent. “Tank must breathe.”
SPARK ARRESTER MUFFLER
This engine is equipped with a spark arrest muffler. It should
periodically be cleaned to prevent the screen from becoming
clogged, which could hamper engine performance.
To clean, remove the muffler shield. Remove the four screws
and pull the plate with the screen attached. Clean off any par-
ticles with a brush and reinstall. Be sure gasket is in place.
ENGINE MAINTENANCE SCHEDULE
Check engine lubricant . . . . . . . . . . . . . . . . . Before each use
Change engine lubricant . . . . . . . After first 20 hours and then
every 50 hours of operation
Clean air filter . . . . . . . . . . . . . . . . Every 50 hours of operation
Clean spark plug. . . . . . . . . . . . . Every 100 hours of operation
Clean spark arrestor . . . . . . . . . . Every 50 hours of operation
Lubricant Type. Use new good quality lubricant such as
SC, SD, and SE grades. The lubricant to be used depends upon
the temperature at which the engine is operated:
Summer: (temperatures of over 40°F/10°C) SAE 30 or SAE
10W-30, SAE 10W-40
Winter: (temperatures of below 40°F/10°C) SAE 20 or SAE
10W-30
SERVICE AND STORAGE
INFREQUENT SERVICE
If the unit is used infrequently, difficult starting may result.
to eliminate hard starting, run the generator at least 30 minutes
every month. Also, if the unit will not be used for some time, it is
a good idea to drain the fuel from the carburetor and gas tank.
LONG TERM STORAGE
When the generator set is not being operated or is being
stored more than one month, follow these instructions:
Replenish engine lubricant to upper level.
Drain gasoline from fuel tank, fuel line and carburetor.
a) Turn the engine switch off ( O ).
b) Closefuelvalve.
c) Removethefuellinefromthepetcockbysqueezingthe
ends of the retaining clip and sliding the fuel line off.
d) Installoneendofadrainlineoverthepetcock,andplace
the other end in a fuel container large enough to catch the
fuel being drained from the tank.
e) Openfuelvalve.
f) When the fuel has drained from the tank, close the fuel
valve and reinstall fuel line on petcock.
Pour about one teaspoon of engine lubricant through the
spark plug hole, pull the recoil starter several times and
replace the plug. Then pull the starter until you feel the pis-
ton is on its compression stroke and leave it in that position.
This closes both the intake and exhaust valves to prevent the
inside of the cylinder from rusting.
Cover the unit and store in a clean, dry place that is well ven-
tilated away from open flame or sparks.
NOTE: We recommend always using a fuel stabilizer.
A fuel stabilizer will minimize the formulation of fuel gum
deposits during storage. The fuel stabilizer can be added to
the gasoline in the fuel tank, or into the gasoline in a storage
container.

12
SERVICE INFORMATION
CONTACT HOMELITE
CONSUMER PRODUCTS
CUSTOMER SERVICE AT
1-800-242-4672
or at
www.homelite.com
to obtain warranty service
information or to order
replacement parts or
accessories.
HOW TO ORDER REPLACEMENT PARTS
Even quality built equipment such as the electric generator
you have purchased, might need occasional replacement parts
to maintain it in good condition over the years. To order replace-
ment parts, please give the following information:
Model No. and Serial No. and all specifications shown on the
Model No./Serial No. plate.
Part number or numbers as shown in the Parts List section of
the Insert for your generator model.
A brief description of the trouble with the generator.
NOTE: If replacement parts are required for the engine,
contact one of the engine manufacturer’s service centers.
Homelite Consumer Products, Inc.
1428 Pearman Dairy Road
Anderson, SC 29625
1-800-242-4672
www.homelite.com
LIMITED WARRANTY
WARRANTY COVERAGE
Homelite Consumer Products, Inc., (the Company) warrants to
the original retail purchaser that this Homelite Product is free from
defects in material and workmanship and agrees to repair or replace,
at the Company’s sole discretion, any defective Product free of
charge within these time periods from the date of purchase:
Two years, if the Product is used solely for personal, family, or
household use;
One year, if the Product is used for business or commercial use.
This warranty applies only to Products sold within the United
States of America, the District of Columbia, Canada, Mexico, the
Commonwealth of Puerto Rico, the Virgin Islands, Guam, the Canal
Zone, or American Samoa.
This warranty is not transferable and does not cover damage
resulting from defects other than in material or workmanship, or
damage caused by unreasonable use, including the failure to provide
reasonable and necessary maintenance. Other items not covered
under this warranty include:
Transportation charges for sending the product to the Company
or its authorized service representative for warranty service, or for
shipping repaired or replacement products back to the customer;
these charges must be borne by the original retail purchaser.
Engine. Your Product is equipped with an engine that is covered
exclusively by a separate warranty from the engine manufacturer.
Please refer to the engine manual included with the Product for
warranty information related to the engine.
Damages caused by abuse, accident, misuse, neglect, alteration,
modification, the effects of corrosion, erosion, normal wear and
tear or repairs by other than the Company or its authorized
service representative.
Warranty is voided if the customer fails to install, maintain and
operate the product in accordance with the instructions and
recommendations of the Company as set forth in the Product’s
operator’s manual or if the Product is used as rental equipment.
The Company will not pay for repairs or adjustments to the
Product, or for any costs or labor, performed without the
Company’s prior authorization.
SAVE YOUR SALES SLIP
Proof of purchase in the form of your dated sales receipt, cash register
slip, etc. showing the serial number and the model of your Product
will be required before the Company and/or its authorized service
representatives can perform warranty service on the Product.
EXCLUSIONS AND LIMITATIONS
THIS LIMITED WARRANTY IS IN LIEU OF ALL OTHER EXPRESS
WARRANTIES. ANY IMPLIED WARRANTY OF MERCHANTABILITY,
FITNESS FOR A PARTICULAR PURPOSE, OR OTHERWISE,
APPLICABLE TO THIS PRODUCT, SHALL BE LIMITED IN
DURATION TO THE DURATION OF THIS LIMITED WARRANTY. THE
WARRANTY SERVICE DESCRIBED ABOVE IS THE EXCLUSIVE
REMEDY UNDER THIS WARRANTY. THE COMPANY SHALL NOT
BE LIABILE FOR ANY SPECIAL, INCIDENTAL OR CONSEQUENTIAL
DAMAGES.
SOME STATES DO NOT ALLOW A LIMITATION ON THE DURATION
OF IMPLIED WARRANTIES, OR THE EXCLUSION OR LIMITATION
OF INCIDENTAL, OR CONSEQUENTIAL DAMAGES, SO THE
ABOVE LIMITATION OR EXCLUSION MAY NOT APPLY TO YOU.
HOW TO OBTAIN WARRANTY SERVICE
For warranty service: Call toll free 1-800-242-7462, or write to
Homelite Consumer Products, Inc., 1428 Pearman Dairy Road,
Anderson, SC 29625.
For warranty service outside the USA, please contact your local
Homelite dealer.

13
LIMITED 3-YEAR ENGINE WARRANTY
Limited Manufacturer’s Warranty from Subaru Robin
(Effective with engines purchased from Robin America, Wood Dale, IL, after April 1, 2008)
Robin America, Inc., a division of Fuji Heavy Industries, Ltd. (herein “Subaru Robin”), warrants that each new engine
sold by it will be free, under normal use and service, from defects in material and workmanship for a period listed below
from the date of sale to the original retail purchaser. Subaru Robin’s obligation under this Limited Warranty shall be lim-
ited to the repair and replacement, at Subaru Robin’s option, of any part or parts which upon examination is/are found,
in Subaru Robin’s judgment, to have been defective in material or workmanship. It shall be a condition of Subaru
Robin’s obligation under this Limited Warranty that Subaru Robin, directly or through one of its Distributors or Service
Centers authorized to service the particular engine involved, receive prompt notice of any warranty claim and that the
engine or the part or parts claimed to be defective be promptly delivered, transportation prepaid, to such Distributor
or Service Center for inspection and repair. All repairs qualifying under this Limited Warranty must be performed by
Subaru Robin or one of its authorized Distributors or Service Centers.
WARRANTY PERIODS:
Subaru Robin Four-Cycle, Air-cooled, Gasoline Engines - Limited 3 YEAR Warranty (EX / EH Series 4.3hp or
greater)
The repair or replacement of any part or parts under this Limited Warranty shall not extend the term of the engine war-
ranty beyond the original term as set forth above.
LIMITATIONS AND EXCLUSIONS: This Limited Warranty shall not apply to:
Bent or broken crankshaft or resultant damage caused by vibration related to a bent or broken crankshaft. Also,
damage caused by loose engine mounting bolts or improper or imbalanced accessories or blades mounted to the
crankshaft.
Repairs required because of prolonged storage including damage caused by old or contaminated fuel in the fuel
tank, fuel lines or carburetor, sticky valves or corrosion and rust of engine parts.
Repair required due to overheating. (Most often caused by overloaded or clogged or damaged or missing flywheel,
fan, inlet air passages, cooling fins or air shrouds).
Dirt or grit related wear caused by improper air cleaner maintenance (most often resulting in worn piston, piston
rings, cylinders, valves, valve guides, carburetor or other internal components).
Broken or scored parts caused by low lubricant level, dirty or improper grade of lubricant.
Engine tune-ups and normal maintenance service including, but not limited to, valve adjustment, normal replace-
ment of service items, fuel and lubricant, etc.
Any engine which has been subject to negligence, misuse, accident, mis-application or over-speeding.
Any engine that has been installed, repaired, or altered by anyone in a manner which in Subaru Robin’s sole judg-
ment adversely affects its performance or reliability.
Any engine which has been fitted with or repaired with parts or components not manufactured or approved by
Subaru Robin which in Subaru Robin’s sole judgment adversely affects its performance or reliability.
Instances when normal use has exhausted the life of a component or an engine.
The customer is responsible for all transportation charges in connection with any warranty work.
Subaru Robin reserves the right to modify, alter or improve any engines or parts without incurring any obligation to
modify or replace, any engine or parts previously sold without such modification, alternation or improvement.
No person is authorized to give any other warranty or to assume any additional obligation on Subaru Robin’s behalf
unless made in writing and signed by an officer of Subaru Robin.
Some states do not allow limitations on how long an implied warranty lasts or the exclusion or limitation of incidental
or consequential damages, so the above limitation(s) or exclusion(s) may not apply to you. This warranty gives you
specific legal rights and you may also have other legal rights which vary from state to state.
THIS WARRANTY, AND SUBARU ROBIN’S OBLIGATION HERE UNDER, ARE IN LIEU OF ANY OTHER WARRANTIES
OR OBLIGATIONS OF ANY KIND, EXPRESSED OR IMPLIED, INCLUDING ANY WARRANTIES OF MERCHANTABIL-
ITY OR FITNESS FOR A PARTICULAR PURPOSE. THERE ARE NO WARRANTIES WHICH EXTEND BEYOND THE
DESCRIPTION ON THE FACE HERE-OF. SUBARU ROBIN SHALL IN NO EVENT BE LIABLE FOR ANY CONSEQUEN-
TIAL OR INCIDENTAL DAMAGES.

14
SÉCURITÉ
RÈGLES D’OPÉRATION ET DE SÉCURITÉ
Lire attentivement le guide d’utilisation et le manuel
de fonctionnement du moteur, puis s’assurer de les
comprendre avant de mettre l’appareil en marche.
Observer l’ensemble des avertissements et des
directives s’y rapportant.
Se familiariser avec l’appareil et tenir compte des
domaines d’usage, des restrictions et des risques
potentiels qui découlent de son utilisation.
On doit placer l’équipement sur un support plat et
solide.
La charge doit être dans les normesspécifiées sur
la plaque signalétique de l’appareil. Toute surcharge
abîme l’appareil et en raccourcit la durée de vie utile.
Le moteur ne doit pas tourner à des vitesses
excessives car ceci augmente les risques de
blessures personnelles. Ne touchez pas aux pièces
ce qui pourrait augmenter ou réduire la vitesse
régulée.
Afin d’empêcher les démarrages imprévus, toujours
enlever la bougie ou le câble de la bougie avant
d’ajuster le groupe électrogène ou le moteur.
Un appareil dont les pièces sont cassées, auquel il
manque des pièces ou qui n’a pas de carter ou de
coquille protectrice ne doit en aucun cas être utilisé.
Contacter notre service après-vente pour des pièces
de rechange.
Ne pas faire fonctionner ou entreposer l’appareil
dans un endroit humide ni sur une surface mouillée,
ni dans un endroit où il sera en contact avec des
surfaces conductrices telles que des planchers ou
armatures métalliques.
Garder l’appareil propre et libre de toute huile, boue
ou autre matière étrangère.
Les rallonges, les cordons d’alimentation et tout
appareil électrique doivent être en bon état. Ne
jamais faire fonctionner un appareil électrique dont
le cordon d’alimentation est abîmé ou défectueux.
Rangez le nettoyeur haute pression dans un endroit
bien ventilé, réservoir d’essence vide. On ne doit pas
ranger l’essence près du groupe électrogène.
Vous ne devez jamais utiliser votre appareil sous ces
conditions:
a. Modification irrépressible du régime moteur. (NOTA : La
fonction optionnelle de commande de ralenti per met de
réduire le régime moteur à l’état “sans charge”).
b. Perte de puissance électrique.
c. Surchauffe d’appareils connectés.
d. Jaillissement d’étincelles.
e. Prises endommagées.
f. Le moteur a des ratés.
g. Vibrations excessives.
h. Flammes ou fumée.
i. Compartiment fermé.
j. Temps mauvais ou pluvieux. Éviter d’exposer l’ap pareil à
l’humidité en cours de fonctionnement.
Vérifiez le système de carburant régulièrement pour toute
fuite ou signes de détérioration tels un tuyau spongieux ou
usé, une bride qui manque ou desserrée ou un réservoir ou
couvercle endommagé. On doit corriger ces problèmes avant
de faire fonctionner l’appareil.
Le fonctionnement, l’entretien et le ravitaillement en carburant
de l’appareil ne doivent se faire que dans les conditions
suivantes :
a. Faites démarrer et fonctionner la génératrice à l’extérieur.
Ne faites jamais fonctionner la génératrice dans un
endroit clos, même si les portes et les fenêtres sont
ouvertes. Évitez les endroits où les vapeurs peuvent être
enfermées, comme des fosses, des garages, des caves,
des excavations et des fonds de cale de bateau.
DANGER :
DANGER signifie une situation
susceptible de présenter un danger
qui, s’il n’est pas évité, CAUSERA de
sérieuses blessures, voire la mort.
AVERTISSEMENT :
L’AVERTISSEMENT indique une
situation présentant un danger potentiel
et qui, en l’absence d’intervention,
pourrait conduire à la mort ou entraîner
de graves blessures.
ATTENTION :
La mention ATTENTION sert à prévenir
l’utilisateur d’un danger potentiel qui
risque d’occasionner des dommages ou
des blessures légères ou modérées.
AVERTISSEMENT :
L’inobservation des présentes consignes et l’ignorance des
avertisse ments qui en découlent risquent de causer des
blessures et des dommages ou d’entraîner la mort.
DANGER :
RISQUE D’ÉMISSION DE MONOXYDE DE
CARBONE : L’échappement des moteurs contient
du monoxyde de carbone, un gaz toxique, inodore
et invisible qui, s’il est respiré, peut causer de
sérieuses blessures, voire la mort. Si vous ne vous sentez
pas bien, êtes pris d’étourdissement ou vous sentez faible
en utilisant la génératrice, mettez-la hors tension et respirez
de l’air frais immédiatement car vous souffrez peut-être d’un
empoisonnement au monoxyde de carbone.
b. Bonne aération pour le refroidissement. Le débit d’air
et la température sont importants pour les systèmes
à refroidissement à air. La température ne devrait pas
dépasser 104°F (40°C).
c. Refaites le plein du groupe électrogène dans un endroit
bien éclairé. Évitez les débordements de carburant et ne
refaites jamais le plein lorsque l’appareil est en marche.

15
Pour éviter les brûlures, ne touchez pas au
silencieux du moteur ou à toute autre surface du
moteur ou du générateur qui se réchauffe durant le
fonctionnement.
Ne modifiez pas l’écran de chaleur.
d. Ne faites pas le plein près de flammes nues, de
veilleuses ou d’équipement électrique projetant
des étincelles comme les outils électriques, les
soudeuses et les meuleuses.
e. Le silencieux et le filtre à air doivent toujours être
en place et en bon état puisqu’ils jouent le rôle de
coupe-flammes s’il y a des ratés.
f. Ne pas fumer près du générateur.
S’assurer que l’appareil est correctement posé sur
le sol. (Voir la section «Mise en place de l’appareil»
dans le présent manuel.)
Ne portez pas de vêtements amples, de bijoux ou
toute autre chose qui pourrait se prendre dans le
démarreur ou autres pièces rotatives.
L’appareil doit atteindre son régime de fonctionnement
avant que toute charge y soit connectée. Débrancher
toute charge avant d’arrêter le moteur.
Afin d’empêcher les pointes de tension qui
pourraient endommager les appareils branchés sur
la génératrice, ne pas laisser le moteur tomber en
panne de carburant pendant que des appareils sont
branchés dessus.
Lorsque vous utilisez de l’équipement en solide,
vous devriez utiliser un protecteur de surtension
pour éviter d’endommager l’équipement.
Ne rien mettre dans les fentes d’aération, même
quand l’appareil n’est pas en marche. Ceci pourrait
l’abîmer ou provoquer des blessures.
Avant de transporter la génératrice dans un véhicule,
le vider de tout carburant afin d’empêcher les
fuites.
Pour transporter l’appareil d’un site à l’autre, utilisez
les bonnes techniques de levage sinon vous pourriez
vous blesser.
VOTRE PRODUIT PEUT NE PAS ÊTRE MUNI D’UN
SILENCIEUX PARE-ÉTINCELLES. S’il doit être utilisé à proximité
de matériaux inflammables tels que récoltes, forêts, broussailles,
herbes ou autres, il est fortement recommandé d’installer un
pare-étincelles, par ailleurs obligatoire en Californie. Les articles
de la loi californienne relatifs à l’usage de pare-étincelles sont les
suivants : 13005(b), 4442 et 4443. L’usage d’un pare-étincelles
est également exigé sur certains des territoires du service des
Forêts américain et peut également l’être par d’autres lois et
règlements. Un pare-étincelles homologué est disponible auprès
de notre concessionnaires ou peut être commandé à Homelite
Consumer Products, Inc., 1428 Pearman Dairy Rd., Anderson,
SC 29625, Téléphone : 1-800-242-4672.
PARE-ÉTINCELLES
Il est préférable d’utiliser un filtre de secteur lors de la
mise en fonction d’un ou de plusieurs des composants à
semiconducteurs suivants:
Ouvres-portes de garage
Appareils de cuisine à affichage digital
Téléviseurs
Stéréos
Ordinateurs personnel
Pendules à quartz
Machines à photocopier
Équipement téléphonique
DÉTERMINATION DE LA PUISSANCE
TOTALE NÉCESSAIRE
Afin d’éviter à la génératrice la surcharge et les dommages
possibles, il faut connaître la puissance totale de la charge
branchée. Pour déterminer quels outils et/ou quels appareils
peuvent fonctionner avec votre générateur, suivez ces étapes :
Déterminez si vous désirez faire fonctionner un ou plusieurs
appareils simultanément.
Vérifiez les exigences normales pour démarrer et faire
fonctionner les appareils voulus en vous reportant à la plaque
signalétique de charge ou en effectuant ce calcul (multipliez
les ampères x volts = watts).
Additionnez le nombre de watts de démarrage et
de fonctionnement de chaque appareil. Toutefois, la
plaque signalétique de l’équipement vous donnera des
chiffres de consommation d’électricité plus exacts.
Si la plaque ne vous donne que des volts et des
ampères, multipliez les volts par les ampères = watts.
1KW = 1 000 watts.
Les appareils ou les outils à moteur exigent plus que leur
puissance indiquée pour le démarrage.
REMARQUE : Prévoir 2 1/2 - 4 fois la puissance indiquée
pour la mise en marche de l’appareil.
La puissance nominale du générateur devrait être égale
ou supérieure au nombre total de watts nécessaires au
fonctionnement de l’équipement à alimenter.
Branchez toujours d’abord la charge la plus lourde au
générateur, puis ajoutez les les autres une à une.
ATTENTION :
Vérifier la tension et la fréquence requises avant de brancher
tout équipement électronique sur le générateur. Le générateur
peut se trouver endommagé si les appareils branchés ne
sont pas prévus pour fonctionner à une tension égale à ±
10% et une fréquence égale à ± 3 hz de celles indiquées
sur la plaque signalétique du générateur. Pour éviter tout
dommage, toujours brancher une charge additionnelle sur
le générateur lorsqu’un appareil à circuits intégrés (tel qu’un
téléviseur) est utilisé. Une varistance peut être aussi nécessaire
pour certaines applications, dans le cas d’un ordinateur, par
exemple. Une varistance peut être aussi nécessaire pour
certaines applications de l’équipement en solide.
VÉRIFIER LA TENSION

16
CARACTÉRISTIQUES ÉLECTRIQUES
CAPACITÉ DU GÉNÉRATEUR
S’assurer que le générateur peut fournir les watts continus (de
fonctionnement) et de surtension (démarrage) suffisants pour
tous les articles alimentés au même moment. Suivre ces simples
étapes.
1. Sélectionner les articles qui seront alimentés au même
moment.
2. Faireletotaldeswattscontinus(defonctionnement)deces
articles. Ceci correspond à la somme de puissance que
le générateur doit produire pour que ces articles puissent
fonctionner. Voir le tableau de référence de wattage à droite.
3. Déterminerleswattsdesurtension(démarrage)nécessaires.
Les watts de surtension correspondent à la courte pointe de
puissance nécessaire pour démarrer les outils ou les appareils
à moteur électriques, tels que les scies circulaires ou les
réfrigérateurs. Les moteurs ne démarrant pas tous au même
moment, le total des watts de surtension peut être déterminé
en ajoutant uniquement les articles au wattage de surtension
supplémentaire le plus élevé au wattage nominal total de
l’étape 2.
Exemple :
Outil ou appareil Watts de
fonctionnement
(continu)
Watts de
surtension
(démarrage)
Climatiseur de
fenêtre, 10 000 BTU 1200 1800
Réfrigérateur 700 2200
Pompe de puits
1/2 ch 1000 2000
Télévision de 27
pouces 500 0
Éclairage (75 W) 75 0
3475 Wattage
de fonctionnement
total
2200 Wattage
de surtension
maximum
Wattage continu (fonctionnement) total 3475
Plus wattage de surtension
supplémentaire maximum + 2200
Égal à la sortie totale du générateur requise 5675
GESTION DE L’ÉNERGIE
Pour prolonger la durée de vie du générateur et des appareils
reliés, il est important d’effectuer l’ajout de charges électriques
supplémentaires au générateur avec soin. Rien ne doit être
connecté aux sorties du générateur avant le démarrage du moteur.
Une gestion correcte et en toute sécurité de l’énergie du générateur
consiste à ajouter des charges en séquence :
1. Sans appareil connecté au générateur, mettre le moteur en
marche de la façon décrite dans ce manuel.
2. Brancher et mettre en marche la première charge, de préférence
la plus importante.
3. Laisser la sortie du générateur se stabiliser (le moteur tourne
régulièrement et l’appareil relié fonctionne correctement).
4. Brancher et mettre la charge suivante en marche.
5. Une fois de plus, laisser le générateur se stabiliser.
6. Répéter les étapes 4 et 5 pour chaque charge
supplémentaire.
Ne jamais ajouter de charges supérieures à la capacité du
générateur. Bien veiller à considérer les charges de surtension
comme décrit précédemment.
Outil ou appareil
Watts
de fonc-
tionnement
continus
typiques*
Watts de
surten-
sion (dé-
marrage)
typiques*
Appareils courants
Ampoule−75watts 75 75
Réfrigérateur/congélateur 700 2200
Pompedevidange−1/2ch 1050 2200
Pompedepuits−1/3ch 1000 1500
Chauffe-eau électrique 4000 0
Chauffage/climatisation
Ventilateur de générateur d’air
chaud−1/2ch 800 2350
Climatiseur de fenêtre - 10 000 BTU 1200 1800
Radiateur d’appoint 1800 0
Cuisine
Micro-ondes - 1000 watts 1000 0
Machine à café 1000 0
Cuisinière électrique - réchaud
unique 2100 0
Grille-pain four 1200 0
Salle familiale
Magnétoscope 100 0
Lecteur de CD/DVD 100 0
Récepteur stéréo 450 0
Télévisioncouleur−27pouces 500 0
Autre
Système de sécurité 500 0
Fer à cheveux 1500 0
Télécommande d’ouvre-porte de
garage - 1/2 ch 875 2350
Sèche-cheveux−1/2ch 1250 0
Site de travail/atelier
Lampe de travail quartz-halogène 1000 0
Pulvérisateursansair−1/3ch 600 1200
Scie alternative 960 0
Perceuseélectrique−1/2ch 600 900
Sciecirculaire−185mm(7-1/4po) 1400 2300
Scieàonglet−255mm(10po) 1800 1800
Raboteuse/dégauchisseuse−152
mm (6 po) 1800 1800
Scie circulaire à table/scie circulaire
tous azimuts - 255 mm (10 po) 2000 2000
Compresseur à air - 1 ch 1600 4500
*Les wattages indiqués sont approximatifs. Vérifier le wattage
sur l’outil ou l’appareil.
ATTENTION :
Ne pas surcharger la capacité du générateur. Le dépassement
de la capacité du wattage/de l’ampérage du générateur peut
endommager le générateur et/ou les appareils électriques qui
lui sont reliés.

17
CARACTÉRISTIQUES ÉLECTRIQUES
TAILLE DU CÂBLE DU CORDON PROLONGATEUR
Voir le tableau ci-dessous pour vérifier que la taille de câble des cordons prolongateurs utilisés est capable de porter la charge
requise. Des tailles de câbles inadéquates peuvent causer une chute de tension qui peut griller l’appareil et surchauffer le cordon.
Courant
en
ampères
Charge en
watts Longueur de cordon permise maximum
À
120 V À
240 V Fil de
calibre 8 Fil de
calibre 10 Fil de
calibre 12 Fil de
calibre 14 Fil de
calibre 16
2.5 300 600 305 m (1000 pieds) 183 m (600 pieds) 114 m (375 pieds) 76 m (250 pieds)
5 600 1200 152 m (500 pieds) 91 m (300 pieds) 61 m (200 pieds) 38 m (125 pieds)
7.5 900 1800 107 m (350 pieds) 61 m (200 pieds) 38 m (125 pieds) 31 m (100 pieds)
10 1200 2400 76 m (250 pieds) 46 m (150 pieds) 31 m (100 pieds) 15 m (50 pieds)
15 1800 3600 46 m (150 pieds) 31 m (100 pieds) 20 m (65 pieds)
20 2400 4800 53 m (175 pieds) 38 m (125 pieds) 23 m (75 pieds)
25 3000 6000 46 m (150 pieds) 31 m (100 pieds)
30 3600 7200 38 m (125 pieds) 20 m (65 pieds)
40 4800 9600 27 m (90 pieds)
CHARGES DU MOTEUR ÉLECTRIQUE
Les moteurs électriques courants en fonctionnement normal tirent jusqu’à six fois leur courant de fonctionnement lors du démarrage.
Ce tableau peut être utilisé pour estimer les watts requis pour démarrer les moteurs électriques « code G » ; cependant, si un moteur
électrique ne démarre pas ou n’atteint pas sa vitesse de fonctionnement, éteindre immédiatement l’appareil ou l’outil pour éviter
d’endommager l’équipement. Toujours vérifier les exigences de l’outil ou de l’appareil utilisé par rapport à la sortie nominale du
générateur.
Taille du
moteur (ch)
Watts de
fonctionnement
Watts requis pour le démarrage du moteur
Répulsion Induction Condensateur Phase auxiliaire
1/8 275 600 850 1200
1/6 275 600 850 2050
1/4 400 850 1050 2400
1/3 450 975 1350 2700
1/2 600 1300 1800 3600
3/4 850 1900 2600 —
1 1100 2500 3300 —

18
Moteur Subaru OHC
Prises sur covre-enroulement
Chargeur de batterie
Réservoir de carburant d’une contenance de 4.9 litres
(1.3 gallon)
Pare-étincelles
Sans balais génératrice
TABLEAU DE COMMANDE
A. Prise double de 120 V, 15 A
15 ampères de courant peuvent être dessinés de chaque
moitié de la prise. La charge totale doit cependant rester dans
les limites indiquées sur la plaque signalétique.
B. Disjoncteurs
Les prises sont protégées par un disjoncteur alternatif. En
cas de surcharge ou de court-circuit extérieur, le disjoncteur
saute. Si cela se produit, débrancher tout appareil relié au groupe
électrogène et essayer de déterminer la cause du problème
avant d’essayer de le réutiliser. Si le disjoncteur saute en raison
d’une surcharge, réduire la charge. REMARQUE : Le groupe
électrogène ou les appareils branchés dessus peuvent se
trouver abîmés si le disjoncteur saute continuellement.
Appuyer sur le bouton du disjoncteur pour le réenclencher.
C. Commutateur du moteur
de la tension de chargement et de l’état de charge de la batterie.
Comme la pile devient plus entièrement chargée, le courant de
production aux diminutions de pile et devient presque constant.
Les chargeurs non régulés sont destinés à servir à la condition
d’être débranchés de la batterie après l’expiration du délai de
chargement à bloc. Il suffit normalement de 30 à 120 minutes
pour recharger une batterie à plat. Le niveau de charge de cette
dernière doit faire l’objet d’une vérification périodique.
D. Chargeur de batterie
UTILISATION NON RECOMMANDÉE AVEC LES
ENSEMBLES PILES (DE MOTOCYCLETTES) SÈCHES ET
ÉTANCHES DE PETIT FORMAT.
Ce générateur contient un circuit supplémentaire à des fins
de charge de la batterie. Une prise pour accessoires à c.c. est
fournie sur le tableau de bord. Un câble de charge de batterie
pourvu d’une fiche correspondant à la prise a été fourni avec
l’unité. Alignez les broches métalliques de la fiche avec les
flèches sur la prise pour fixer solidement.
Le chargeur de batterie intégré à la génératrice est un
chargeur non régulé du type de ceux qui sont actuellement le
plus utilisés sur le marché. Le débit de courant produit dépend
Remarque : Lorsqu’on utilise le circuit du chargeur de
pile, la capacité du courant alternatif est réduite par 180 watts.
Assurezvous que la charge combinée reste à l’intérieur des
limites de régime.
Avant de recharger une batterie, vérifiez le niveau de liquide
électrolytique dans tous les éléments. Ajoutez de l’eau distillée
à chaque élément, si nécessaire, pour ramener le niveau à celui
exigé par le fabricant.
ATTENTION :
Ce chargeur est destiné à la recharge des batteries et non
pas au démarrage des véhicules en panne. Éviter de charger
la batterie à l’excès ou de la laisser sans surveillance.
Servez-vous de câbles approuvés aux fins de chargement
de la pile. Connectez la cosse rouge à la borne d’attache
positive de la pile. Connectez la cosse noire à la borne d’attache
négative de la pile. Connecter l’autre fin du câble au DC prise
accessoire sur le panneau de générateur. Après que la batterie
soit rechargée, détachez le câble de recharge de la génératrice
et ensuite celui de la batterie.
AVERTISSEMENT :
Les accumulateurs en train de recharger dégagent du gaz
hydrogène DETONANT. Il doit être formellement interdit de
fumer ou de produire des flammes ou des étincelles à proximité
lorsque vous rechargez des accus.
LE DISJONCTEUR DE COURANT CONTINU: Le courant
maximum disponible du circuit du chargeur d’accus est 15
ampères. Un disjoncteur automatique en courant continu a été
fourni pour protéger le circuit des surcharges et pour assurer
que la batterie se recharge. Si une surcharge se produit, le
disjoncteur basculera. Après qu’il se soit refroidit, il se remettra
automatiquement. Le taux de recharge maximum de la batterie
se réduira éventuellement à moins de 15 ampères et ensuite à
zéro lorsque la batterie approche un état de recharge de 100
pour cent.
AVERTISSEMENT :
Le liquide électrolytique des batteries est composé d’acide
sulfurique qui peut être très dangereux et occasionner des
brûlures graves. Il ne faut pas que ce liquide soit en contact
avec les yeux, la peau, les vétements, etc. Si un contact
se produit, nettoyez immédiatement à grande eau la partie
atteinte.
AVERTISSEMENT :
Ne pas continuer de charger une batterie chaude ou pleinement
chargée.
CARACTÉRISTIQUES PRINCIPALES
DU GROUPE ELECTROGENE
PANNEAU DE PRISE PANNEAU DE
RECULER

19
INSTALLATION
AVERTISSEMENT :
Pour éviter toute blessure et tout dommage aux appareils, faire
effectuer l’installation électrique et toutes réparations par un
électricien licencié ou un specialiste du service après-vente
agréé. En aucune circonstance, une personne non qualifiée
ne doit-elle essayer de réaliser le câblage sur l’installation
électrique existante.
AVERTISSEMENT :
Pour éviter les retours de courant dans le secteur, il est
nécessaire d’assurer l’isolation électrique de la maison.
Avant d’effectuer la connexion temporaire du générateur
sur l’installation électrique de la maison, couper le courant
à l’interrupteur principal. Avant de réaliser des connexions
permanentes, installer un commutateur de transfert à deux
directions. Pour éviter toute électrocution ou des dommages
matériels, faire connecter le générateur à l’installation électrique
de la maison par un électricien qualifié. Les lois californiennes
exigent l’isolation de l’installation électrique de la maison avant
d’y connecter un groupe électrogène. Il n’est pas recommandé
de procéder au raccordement temporaire de l’appareil en
raison de la réalimentation.
Pour éviter les retours de courant dans l’installation électrique
de la maison, il est nécessaire d’assurer son isolation.
Avant de procéder au raccordement temporaire du
générateur au système électrique de la résidence, débrancher
le sectionneur du réseau d’alimentation principal.
Si du générateur est utilisée comme source auxiliaire en cas
de panne de courant, il doit être installé par un électricien qualifié
et en conformité avec tous les codes locaux applicables.
Pour que l’installation soit correcte, un commutateur de
transfert à deux directions doit être installé par un électricien
qualifié et licencié de façon à ce que les circuits électriques du
bâtiment puissent être commutés du secteur au générateur sans
danger, empêchant ainsi les retours de courant dans le secteur.
Toujours observer les codes et règlements locaux qui
s’appliquent à l’installation de tout appareil compatible avec
ce produit.
MISE EN PLACE DE L’APPAREIL
Selon les recommandations stipulées dans le Code national
de l’électricité, cet appareil doit faire l’objet d’un raccordement
adéquat à une prise de terre afin de prévenir tout risque
d’électrocution. Une borne de mise à la terre connecté au bâti
du générateur est prévue à cet effet. Le branchement d’un fil de
cuivre de fort calibre (AWG 12 minimum) et de bonne longueur
entre la borne de mise à la terre du générateur et un fil machine
en cuivre enfoncé dans cette dernière devrait fournir une bonne
mise à la terre. Consulter néanmoins un électricien agréé afin de
vous assurer que le tout est conforme aux codes locaux.
L’EMPLACEMENT DE BORNE
DE MIS À TERRE:
AVANT DE METTRE EN MARCHE
Borne de mise
à terre
AVERTISSEMENT :
Ne pas utiliser une conduite comme source de mise à la
terre.

20
LUBRIFICATION
Un moteur qui tourne sans huile dans le carter peut se
trouver détruit.
Remplir le moteur de lubrifiant selon les directives énoncées
dans le manuel de fonctionnement du moteur. Dans le cas des
appareils dotés d’une jauge de lubrifiant, remplir au niveau
adéquat. Les appareils qui en sont dépourvus doivent faire l’objet
d’un remplissage jusqu’à l’ouverture supérieure du goulot.
CARBURANT
Remplir le réservoir d’essence automobile sans plomb
fraîche et libre de toute impureté. De l’essence ordinaire peut
être utilisée, à condition qu’elle ait un indice d’octane élevé (85
octane minimum). Il est recommandé d’utiliser en tout temps
le stabilisateur de carburant, ce qui permettra de réduire la
formation de dépôts de gomme dans le carburant lors de son
entreposage. On peut ajouter le stabilisateur à l’essence en le
versant soit dans le réservoir de carburant, soit dans un récipient
d’entreposage. Ne pas utiliser le carburant E85.
ATTENTION :
Ne pas trop remplir le réservoir. Maintenir le niveau d’essence
maximum à un centimètre au-dessous du haut du réservoir.
Ceci permet l’expansion du carburant pendant les périodes
de chaleur et empêche l’essence de déborder.
AVERTISSEMENT :
L’essence est un produit très dangereux. Un incendie résultant
du contact de l’essence avec des surfaces chaudes peut
causer de graves blessures ou entraîner la mort.
Ne pas mettre de l’essence dans le réservoir quand le
moteur est en marche.
Ne pas renverser d’essence lors du remplissage du
réservoir.
Ne pas mélanger de l’huile à l’essence.
Nous vous invitons aussi à respecter les consignes et les
avertissements énoncés dans le manuel de fonctionnement
du moteur.
PRÉPARATIFS AU DÉMARRAGE
Avant de mettre l’appareil en marche, vérifier qu’il ne
manque aucune pièce, que toutes les pièces sont bien serrées
et que l’appareil n’a pas été abîmée pendant le transport.
AVERTISSEMENT :
Ne pas faire fonctionner ce groupe électrogène sans les écrans
de chaleur montés en usine en place. Le non-respect de cette
consigne peut entraîner la surchauffe du réservoir de carburant
et des blessures à la suite de l’incendie ainsi provoqué.
DÉMARRAGE DU MOTEUR
Vérifiez le niveau de lubrifiant et de carburant.
Débranchez toutes les charges électriques de l’appareil.
Ouvrez la vanne de fermeture de carburant.
Réglez le doseur au besoin.
Réglez l’interrupteur du moteur en position “ON”.
Tirez sur la corde de lancement d’un coup rapide et sûr.
Lorsque le moteur se réchauffe, réglez à nouveau le doseur.
DANGER :
Fournir une aération suffisante pour éliminer les gaz
d’échappement toxiques et assurer le refroidissement du
moteur.
Ne pas faire démarrer ou fonctionner l’appareil dans un
lieu fermé, même si les portes et les fenêtres sont grandes
ouvertes.
Les moteurs libèrent du monoxyde de carbone, un gaz
invisible, inodore et toxique.
L’inhalation de monoxyde de carbone peut provoquer des
nausées, des évanouissements ou même la mort.
DEMARRAGE DE L’APPAREIL

21
BRANCHEMENT DES APPAREILS
Cet appareil a été vérifié et réglé pour fonctionner à pleine
capacité. Débrancher tout appareil qui y est relié avant de le
mettre en marche. Attendre qu’il tourne avant de commencer
à brancher des appareils dessus. La tension est réglée par la
vitesse du moteur, qui a été ajustée à l’usine pour assurer la
puissance voulue. Le rajustement annulera la garantie.
ATTENTION :
Ne pas dépasser la puissance nominale du générateur
lorsqu’une ou plusiers prises sont utilisées. De plus, ne pas
dépasser l’ampérage nominal d’une prise, quelle qu’elle
soit.
ARRET DE L’APPAREIL
Retirez toute la charge électrique.
Laissez le moteur tourner quelques minutes sans charge.
Placez l’interrupteur du moteur en position “OFF”.
Ne quittez pas le générateur jusqu’à ce qu’il soit complètement
arrêté.
Fermez la vanne de fermeture du carburant (s’il y en a une) si
le moteur doit être rangé ou transporté.
Si l’on utilise, un couvercle, ne l’installez pas jusqu’à ce que
l’appareil soit refroidi.
RODAGE
Un rodage bien mené aide à assurer le bon fonctionnement
du moteur et du groupe électrogène. Suivre les recommandations
données dans le manuel du moteur.
ATTENTION :
Ne pas brancher un appareil puissant sur le générateur pendant
la période de rodage (les deux à trois premières heures de
fonctionnement).
ENTRETIEN
GROUPE ELECTROGENE: Les Balais (LES UNITES DE TYPE
DE BROSSE SEULEMENT)
Les balais du groupe électrogène doivent être inspectés une
fois par an pour vérifier s’ils ne sont pas fendillés ou autrement
abîmés. Il faut par ailleurs les remplacer quand ils ne font plus
que 7 mm.
Remarque : Toujours remplacer le jeu de balais et non
pas un seul balai à la fois.
INSPECTION DES BALAIS:
Enlever la plaque (R).
Enlever les 4 boulons du
stator (U) et le couvre-
enroulement.
Enlever les vis retenant
la tôle protectrice logée
à l’intérieur du flasque
d’extrémité.
Déconnecter les fils verts (–) ou bleus (+) des balais de la
patte.
Enlever les vis de montage des balais (S).
Faire glisser les balais (T) des porte-balais.
Remplacer les balais s’ils ne font plus que 7 mm.
Ne pas trop resserrer les vis.
REMARQUE : Remplacer les balais uniquement avec
les balais de rechange spécifiés dans la liste des pièces
détachées. D’autres balais peuvent paraître identiques
mais avoir des caractéristiques mécaniques et électriques
complètement différentes.
ÉCRANS DE CHALEUR :
Vérifier que tous les écrans de chaleur et les déflecteurs
thermiques sont intacts et en place. Ne pas procéder à
l’enlèvement ou à la modification des pièces, puisque cela
risquerait d’occasionner de graves dommages à l’appareil.
GIVRAGE DU CARBURATEUR
Pendant les mois d’hiver, des conditions atmosphériques
rares peuvent provoquer la formation de glace dans le
carburateur. Quand cela arrive, le moteur fonctionne mal, perd
de sa puissance et peut même tomber en panne. Ce problème
temporaire peut être corrigé en faisant souffler l’air chaud du
moteur sur le carburateur. Pour de plus amples renseignements,
contacter le service clientèle.
TRUCS DE DÉMARRAGE RAPIDE DES APPAREILS RESTÉS
LONGTEMPS HORS FONCTION:
Si votre appareil est resté longtemps hors fonction et que son
démarrage s’avère difficile, suivre les quelques étapes suivantes
avant de recourir à l’assistance téléphonique à la clientèle.
Vérifier le niveau de lubrifiant.
Faire une vidange de carburant complète.
Remplacer le bougie d’allumage.
Vérifier les canalisations de carburant et veiller à ce que le
robinet à essence soit ouvert.
Vérifier les pièces du groupe électrogène afin de vous assurer
de leur intégrité.
Nettoyer le carburateur (voir le manuel de fonctionnement du
moteur pour connaître l’adresse des centres de réparation).
ATTENTION :
Laisser le groupe électrogène fonctionner cinq minutes sans
aucun appareil branché dessus au moment du démarrage
initial pour permettre au moteur et au groupe électrogène de
se stabiliser.

22
DONNER VENT DE RESERVOIR
DE CARBURANT
ATTENTION :
Garder le réservoir de carburant sans domaine de tout débris,
toute eau, et toute glace. Pas le conduit de bloc. “Respire”
de réservoir.
LE SILENCIEUX PARE-ETINCELLES
Ce moteur est muni d’un silencieux pare-étincelles. Il faut
nettoyer périodiquement le silencieux pour empêcher que le tamis
devienne colmaté, ce qui pourrait entraver le fonctionnement de
la machine.
Pour nettoyer le silencieux, enlevez la tôle. Enlevez les
quatre écrous et tirez la plaque avec le tamis attaché. Nettoyez
à l’aide d’une brosse et réinstallez l’ensemble. Vérifiez que le
joint est bien en place.
LE PLAN D’ENTRETIEN DE MOTEUR
Vérifier le lubrifiant du moteur . . . . . Avant chaque utilisation
Changer le lubrifiant du moteur . . . . . Après les premières 20
heures d’utilisation et toutes les 50 heures d’utilisation
Nettoyer le filtre à air . . . . . . Toutes les 50 heures d’utilisation
Nettoyer la bougie . . . . . . . Toutes les 100 heures d’utilisation
Nettoyer le pare-étincelles . Toutes les 50 heures d’utilisation
Le type de lubrifiant. Utilisez une huile neuve et de bonne
qualité telle que les grades SC, SD et SE. L’huile à utiliser dépend
de la température à laquelle le moteur sera actionné.
L’été : (des températures de plus de 10 °C / 40 °F) SAE 30
ou SAE 10W-30, SAE 20W-40
L’hiver : (des températures de moins de 10 °C / 40 °F) SAE
20 ou SAE 10W-30
USAGE ET ENTREPOSAGE
USAGE PEU FRÉQUENT
Si la génératrice est rarement utilisée, il est possible qu’elle
soit difficile à mettre en marche. Pour éliminer ce problème, faire
tourner la génératrice pendant au moins 30 minutes toutes les
semaines. Par ailleurs, si elle ne doit pas être utilisée pendant un
certain temps, il est bon de vider le carburateur et le réservoir
de toute essence.
ENTREPOSAGE A LONG TERME
Si le groupe électrogène n’est pas utilisé ou qu’il est remisé
pendant plus d’un mois, procéder comme suit :
Remettre de le lubrifiant jusqu’au repère supérieur.
Éliminer toute essence du réservoir, de la conduite et du
carburateur.
a) Mettre le contacteur du moteur sur arrêt ( O ).
b) Fermerlerobinetdecarburant.
c) Retirerlaconduitedecarburantdupetitrobinetenserrant
les extrémités de l’attache et en glissant la conduite pour
la retirer.
d) Installeruneextrémitédutuyaudevidangesurlerobinet
et placer l’autre extrémité dans un récipient suffisamment
large pour contenir le carburant vidangé.
e) Ouvrirlerobinetdecarburant.
f) Lorsque le carburant est vidangé du réservoir, fermer le
robinet de carburant et réinstaller la conduite sur le petit
robinet.
Mettre environ une cuillerée à café de lubrifiant pour moteur
dans l’orifice des bougies, tirer sur le lanceur à plusieurs
reprises et remettre la bougie en place. Ensuite, tirer sur
le lanceur jusqu’à ce que le piston soit en position de
compression et le laisser dans cette position. Ceci ferme les
soupapes d’admission et d’échappement afin d’empêcher
l’intérieur du cylindre de rouiller.
Couvrir l’appareil et l’entreposer dans un endroit propre, sec
et bien aéré, loin de toute source de flamme ou d’étincelles.
REMARQUE : Il est recommandé d’utiliser en tout temps
le stabilisateur de carburant, ce qui permettra de réduire la
formation de dépôts de gomme dans le carburant lors de
son entreposage. On peut ajouter le stabilisateur à l’essence
en le versant soit dans le réservoir de carburant, soit dans
un récipient d’entreposage.
PARE-ÉTINCELLES

23
SERVICE CLIENTELE
CONTACTER HOMELITE
CONSUMER PRODUCTS
SERVICE CLIENTELE
À
1-800-242-4672
ou à
www.homelite.com
pour obtenir des renseignements
sur les modalités de réparation
sous garantie ou pour
commander des pièces ou des
accessoires de rechange.
COMMANDE DE PIÈCES DE RECHANGE
Même dans le cas d’appareils de haute qualité comme le
groupe électrogène en votre possession, des pièces de rechange
peuvent devenir nécessaires pour garder l’appareil en bon état
au fur et à mesure que passent les années. Pour commander
des pièces de rechange, veuillez fournir les renseignements
suivants :
Les numéros de modèle et de série ainsi que toutes les
spécifications portées sur la plaque où sont indiqués les
numéros de modèle et de série.
Les codes de pièces apparaissent dans la section
Nomenclature des pièces de rechange de l’annexe
correspondant au modèle de votre appareil.
Une brève description du problème rencontré.
REMARQUE : Si des pièces de rechange sont nécessaires
pour le moteur, contacter l’un des centres de service après-
vente du fabricant.
Homelite Consumer Products, Inc.
1428 Pearman Dairy Road
Anderson, SC 29625
1-800-242-4672
www.homelite.com
GARANTIE LIMITÉE
COUVERTURE DE LA GARANTIE
Homelite Consumer Products, Inc. (l’entreprise) garantit à l’acheteur
original au détail que ce produit de marque Homelite est exempt de tout
vice de matériau ou de fabrication et s’engage à réparer ou remplacer,
à discrétion, tout produit s’avérant défectueux au cours des périodes
indiquées ci dessous, à compter de la date d’achat :
Deux ans sur les produits utilisés uniquement par des particuliers;
Un an sur les produits à des fins d’utilisation professionnelle ou
commerciale.
Cette garantie s’applique uniquement aux produits vendus aux États-
Unis, dans le district fédéral de Columbia, au Canada, au Mexique, à
Puerto Rico, dans les îles Vierges, à Guam, dans la zone du canal de
Panama ou en Samoa américaine.
Cette garantie n’est pas transférable et ne couvre pas les dommages
attribuables à des vices autres que les vices de matériau ou de
fabrication, ou les dommages liés à une utilisation abusive, ce qui
inclut l’omission de faire subir au produit un entretien raisonnable. Les
éléments suivants ne sont pas couverts par la garantie :
Les frais de transport requis pour envoyer le produit à l’entreprise
ou à son représentant autorisé du service à la clientèle en vue de
procéder à l’entretien sous garantie du produit, ou pour réexpédier le
produit au client à la suite de sa réparation ou de son remplacement.
Il incombe à l’acheteur original d’assumer ces frais.
Le moteur. Ce produit comprend un moteur qui est couvert
exclusivement par une garantie distincte de son fabricant. Veuillez
consulter le manuel du moteur fourni avec le produit pour trouver des
renseignements sur la garantie du moteur.
Les dommages attribuables à une utilisation abusive, à un accident,
à une mauvaise utilisation, à de la négligence, à une modification,
aux effets de la corrosion ou de l’érosion, à l’usure normale ou à
des réparations effectuées par quiconque autre que le personnel de
l’entreprise ou de son représentant autorisé du service à la clientèle.
La garantie est considérée comme nulle si le produit n’est pas
installé, entretenu et utilisé conformément aux instructions et aux
recommandations de l’entreprise, qui sont décrites dans le manuel
d’utilisation du produit. La garantie s’annule également si le produit
est utilisé à des fins de location.
L’entreprise n’assumera en aucun cas les frais liés à la réparation ou
à l’ajustement du produit, ou les coûts associés à des tâches pour
lesquelles elle n’a pas donné son consentement.
CONSERVER LES FACTURES
Une preuve d’achat sous la forme d’un reçu de vente ou de caisse daté
sur lequel sont indiqués les numéros de série et de modèle du produit est
requise pour que l’entreprise ou ses représentants autorisés du service
à la clientèle puissent procéder à l’entretien sous garantie du produit.
EXCLUSIONS ET LIMITES
CETTE GARANTIE LIMITÉE REMPLACE TOUTES LES AUTRES
GARANTIES EXPRESSES. LA DURÉE DE TOUTE GARANTIE
IMPLICITE DE QUALITÉ MARCHANDE, DE QUALITÉ DE CONVENANCE
À DES FINS PARTICULIÈRES OU DE TOUT AUTRE COUVERTURE
APPLICABLE À CE PRODUIT NE PEUT EXCÉDER LA DURÉE DE LA
PRÉSENTE GARANTIE. L’ENTRETIEN SOUS GARANTIE DÉCRIT
PRÉCÉDEMMENT CONSTITUE LE SEUL RECOURS PRÉVU AUX
TERMES DE LA GARANTIE. L’ENTREPRISE NE PEUT ÊTRE TENUE
RESPONSABLE POUR AUCUN DOMMAGE SPÉCIAL, INDIRECT OU
CONSÉCUTIF.
CERTAINS ÉTATS ET CERTAINES PROVINCES NE PERMETTENT
PAS D’EXONÉRATION OU DE RÉSERVE POUR CE QUI EST DE LA
COUVERTURE DES DOMMAGES DIRECTS OU CONSÉCUTIFS ET DE
LA DURÉE DE TOUTE GARANTIE IMPLICITE; IL SE PEUT DONC QUE
L’EXONÉRATION PRÉCÉDENTE NE PUISSE S’APPLIQUER.
COMMENT BÉNÉFICIER D’UN ENTRETIEN SOUS GARANTIE
Pour bénéficier d’un entretien sous garantie, composer sans frais
le 1 800 242 7462 ou communiquer par écrit à l’adresse suivante
: Homelite Consumer Products, Inc., 1428 Pearman Dairy Road,
Anderson, SC 29625.
Pour bénéficier d’un entretien sous garantie à l’extérieur des États
Unis, veuillez communiquer avec le concessionnaire local des
produits Homelite.

24
GARANTIE LIMITÉE DE TROIS ANS SUR LE MOTEUR
Garantie limitée de Subaru Robin
(Applicable aux moteurs achetés de Robin America à Wood Dale, IL, après le 1 avril 2008)
Robin America, Inc., une division de Fuji Heavy Industries, Ltd. (désigné ci-après « Subaru Robin »), garantit à l’acheteur original que
chaque nouveau moteur qui est vendu est exempt de tout vice de matériau ou de fabrication pendant la période indiquée ci dessous
(à partir de la date d’achat) dans des conditions normales d’utilisation et sous condition d’un entretien normal. Dans le cadre de
cette garantie limitée, Subaru Robin contracte une obligation envers sa clientèle qui se limite à la réparation ou au remplacement
(au choix de l’entreprise) de toute pièce jugée, après évaluation de Subaru Robin, comme présentant des vices de matériau ou
de fabrication. Toutefois, aux termes de cette garantie, l’obligation imposée à Subaru Robin est limitée par une condition selon
laquelle l’entreprise, ou l’un de ses distributeurs ou de ses centres de réparations agréés autorisés à procéder à l’entretien du
moteur, doit recevoir la réclamation au titre de la garantie ou la pièce ou les pièces défectueuses en temps opportun, avec les frais
de transport payés au préalable, pour effectuer une inspection et une réparation. Toutes les demandes de réparation qui respectent
les conditions de la garantie limitée doivent être traitées par Subaru Robin ou par l’un de ses distributeurs ou de ses centres de
réparations agréés.
PÉRIODES DE GARANTIE :
Moteurs à essence à quatre temps, refroidis à l’air de Subaru Robin – garantie limitée de 3 ANS (séries EX et EH 4.3ch ou
plus grand)
Tel que mentionné précédemment, la réparation ou le remplacement de toute pièce en application de cette garantie limitée ne doit
pas s’étendre au delà des termes d’origine de la garantie sur le moteur.
LIMITES ET EXCLUSIONS : Cette garantie limitée ne s’applique pas aux éléments suivants :
Un vilebrequin courbé ou brisé, ou tout dommage résultant d’une vibration causée par la courbure ou le bris du vilebrequin.
Tout dommage attribuable à des boulons de montage desserrés sur le moteur, à l’utilisation d’accessoires inadéquats ou
déséquilibrés, ou à l’installation de lames sur le vilebrequin.
Les réparations requises en raison d’un entreposage prolongé, ce qui inclut les dommages causés par le carburant usé ou
contaminé contenu dans le réservoir, la canalisation d’essence et le carburateur; les valves poisseuses, et la corrosion et la rouille
des pièces du moteur.
Les réparations requises en raison d’une surchauffe (le plus souvent causée lorsqu’un volant, un ventilateur, une entrée d’air, une
ailette de refroidissement ou une grille de prise d’air sont surchargés, bouchés, manquants ou endommagés).
L’usure liée à la poussière ou au sable et causée par l’entretien inadéquat du purificateur d’air (se traduisant le plus souvent par
l’usure des pistons, des segments de piston, des cylindres, des soupapes, des guides de soupape, du carburateur ou d’autres
composants internes).
Les pièces brisées ou rayées en raison du bas niveau de lubrifiant ou de l’utilisation de lubrifiant usagée ou de calibre
inadéquat.
La mise au point du moteur ou tout entretien normal, y compris, mais non de façon limitative, le réglage des soupapes, le
remplacement normal des pièces, du carburant, de le lubrifiant, etc.
Toute défectuosité du moteur attribuable à la négligence, à une mauvaise utilisation, à un accident ou à l’emballement.
Toute installation, réparation ou modification du moteur qui, selon Suburu Robin, nuit à son rendement ou à sa fiabilité.
Toute installation ou réparation du moteur effectuée à l’aide de pièces ou de composants qui n’ont pas été fabriqués ou
approuvés par Subaru Robin. L’entreprise est libre de juger si les pièces ou les composants en question nuisent au rendement
ou à la fiabilité du moteur.
Toute situation où un composant ou un moteur est totalement usé en dépit d’une utilisation normale.
Le client doit assumer tous les frais de transport liés aux travaux relatifs aux garanties.
Subaru Robin se réserve le droit de modifier ou d’améliorer tous les moteurs et les pièces sans contracter l’obligation de modifier
ou de remplacer les moteurs et les pièces vendus avant la mise en œuvre de ces modifications ou de ces améliorations.
Nul n’est autorisé à offrir une garantie supplémentaire ou à assumer d’autres obligations au nom de Subaru Robin, à moins qu’une
preuve écrite signée par un agent de l’entreprise ne soit présentée.
Certains états permettent pas d’exonération ou de réserve pour ce qui est de la couverture des dommages directs ou consécutifs et
de la durée de toute garantie implicite; il se peut donc que l’exonération décrite précédemment ne puisse s’appliquer. La présente
garantie donne au consommateur des droits spécifiques, et celui ci peut bénéficier d’autres droits, qui varient selon les états ou
provinces.
LA PRÉSENTE GARANTIE AINSI QUE L’OBLIGATION DE SUBARU ROBIN DÉCRITE AUX PRÉSENTES REMPLACENT TOUTES
LES AUTRES GARANTIES OU OBLIGATIONS, EXPRESSES OU IMPLICITES, CE QUI INCLUT TOUTE GARANTIE DE QUALITÉ
MARCHANDE OU DE QUALITÉ DE CONVENANCE À DES FINS PARTICULIÈRES. AUCUNE GARANTIE NE VA AU DELÀ DE LA
DESCRIPTION FOURNIE AUX PRÉSENTES. SUBARU ROBIN NE PEUT EN AUCUN CAS ÊTRE TENU RESPONSABLE POUR
TOUT DOMMAGE DIRECT OU INDIRECT.

25
SEGURIDAD
Lea cuidadosamente y entienda el manual del operador
antes de utilizar este producto. Lea y entienda el
manual del motor antes de su funcionamiento. Siga
todas las advertencias e instrucciones.
Conozca su equipo. Considere las aplicaciones,
limitaciones y los riesgos potenciales específicos de
su unidad.
El equipo deberá colocarse sobre una base de
sustentación firme.
La carga debe mantenerse dentro de los valores
nominales que aparecen en la placa de identificación
del generador. Una sobrecarga dañará la unidad o
acortará su vida útil.
No se debe hacer funcionar el motor a velocidades
demasiado altas. Si se opera el motor a excesiva
velocidad aumenta el riesgo de lesiones físicas. No
toque o cambie piezas que puedan aumentar o
disminuirla velocidad regulada.
Para evitar un arranque inesperado, siempre retire la
bujía o el cable de la bujía antes de dar mantenimiento
al generador o al motor.
Nunca debe operarse una unidad con piezas
quebradas o faltantes, o sin el revestimiento o
cubiertas protectoras. Comuniquese con su centro
de servicio para solicitar los repuestos.
Las unidades no deben operarse ni almacenarse
en lugares húmedos o mojados ni altamente
conductores tales como plataformas metálicas o
estructuras de acero.
Mantenga el generador limpio y libre de aceite, barro
y cualquier otro material extraño.
Los cordones de extensión, los cordones eléctricos y
todos los equipos eléctricos deben estar en buenas
condiciones. Nunca opere un equipo eléctrico con
cordones dañados o defectuosos.
Guarde el generador en un lugar con buena
ventilación, con el tanque de combustible vacío.
No se debe almacenar combustible cerca del
generador.
Su generador no deberá operarse jamás si ocurre do
lo siguiente:
a. Cambio fuera de control en la velocidad del motor. (NOTA:
la característica opcional control en descanso reducirá la
velocidad del motor a una condición “Sin carga”).
b. Pérdida de carga eléctrica.
c. Sobrecalentamiento del equipo conectado.
d. Formación de chispas.
e. Receptáculos dañados.
f. Fallo de encendido.
g. Vibración excesiva.
h. Llamas o humo.
i. Compartimiento cerrado.
j. Lluvia o inclemencia del tiempo. No permita que la unidad
se moje cuando está funcionando.
Verifique periódicamente que no haya salideros o señales
de deterioro en el sistema de combustible, como manguera
demasiado gastada o blanda, abrazaderas flojas o faltantes,
o tanque o tapón dañados. Todos estos defectos deberán
corregirse antes de la operación.
El generador debe operarse, recibir servicio y rellenarse de
combustible solamente en las siguientes condiciones:
a. Encienda y ponga a funcionar el generador al aire libre. No
ponga a funcionar el generador en un área cerrada, aun
cuando las puertas o ventanas se encuentren abiertas;
evite áreas en donde los vapores puedan encerrarse, tales
como pozos, garajes, sótanos, excavaciones y pantoques.
b. Buena ventilación para el enfriamiento. La circulación de
aire y las temperaturas son importantes para las unidades
enfriadas por aire. Las temperaturas no deberían exceder
104°F (40°C) a temperatura ambiente.
c. Eche combustible al generador en un área bien iluminada.
Evite derramamiento de combustible y nunca rellene con
combustible mientras el generador está funcionando.
Antes de echar combustible, espere que el motor se enfríe
durante dos minutos.
d. No eche combustible cerca de llamas, luces piloto o
equipos eléctricos con chispas como herramientas
mecánicas, soldadores y rectificadoras.
PELIGRO:
PELIGRO indica una situación
potencialmente peligrosa que, si no
se evita, PROVOCARÁ muerte o una
lesión seria.
ADVERTENCIA:
ADVERTENCIA indica una situación de
peligro potencial, la cual, si no se evita,
podría ocasionar lesiones severas e
incluso la muerte.
PRECAUCIÓN:
PRECAUCIÓN indica una situación
potencialmente de riesgo, la cual, si
no se evita, puede ocasionar heridas
personales menores o moderadas o
daños materiales.
ADVERTENCIA:
El no seguir estas instrucciones y advertencias puede ocasionar
la muerte, heridas personales o daños materiales.
PELIGRO:
RIESGO DE MONÓXIDO DE CARBONO: El escape
del motor contiene monóxido de carbono, un gas
venenoso, inodoro, invisible que, si se inhala puede
provocar la muerte o una lesión personal seria. Si
comienza a sentirse indispuesto, mareado o débil mientras
uti liza el generador, apáguelo e inmediatamente vaya a un
lugar fresco; podría padecer de envenenamiento por monóxido
de carbono.
REGLAS DE SEGURIDAD Y DE FUNCIONAMIENTO

26
EL REQUERIMIENTO DE VOLTAJE
e. Deberá instalar el silenciador y filtro de aire, los
cuales deberán estar buenas condiciones en
todo momento ya que detienen el fuego en caso
de una explosión incompleta en el motor.
f. No fume cerca del generador.
Cerciórese de el generador esté conectado a tierra
correctamente (Consulte la sección Conexión a
tierra del generador).
No use ropa demasiado holgada, alhajas o cualquier
otra cosa que pueda quedar atrapada en el
arrancador u otras partes movibles.
La unidad debe alcanzar la velocidad de operación
antes de conectarse las cargas eléctricas.
Desconecte las cargas antes de apagar el motor.
Para evitar sobrecargas que podrían dañar al equipo,
no permita que el motor se quede sin combustible al
aplicarse las cargas eléctricas.
Al dar carga a un equipo de estado sólido, debe
utilizarse un protector de sobrecarga para evitar
posibles daños al equipo.
No coloque nada a través de las ranuras de
ventilación, aun cuando el generador no esté en
operación. Esto puede dañar al generador o causar
lesiones personales.
Antes de transportar el generador en un vehículo,
extraiga todo el combustible para evitar la posibilidad
de salideros o derrames.
Use técnicas correctas de alzaje al mover el
generador de un lugar a otro. De lo contrario, podrían
producirse lesiones personales.
Para evitar quemaduras, no toque el silenciador
del motor u otras superficies del generador que se
hayan calentado durante la operación.
No modifique el escudo contra el calor.
PUEDE SER QUE SU PRODUCTO NO ESTE EQUIPADO
CON UN SILENCIADOR APAGACHISPAS. Si el producto se va
a utilizar cerca de materiales inflamables como son cosechas
agrícolas, bosques, arbustos, pastos, etc., debe entonces
instalarse un apagachispas adecuado. Esto es obligatorio
en el estado de California, de acuerdo con las secciones de
estatutos 13005(b), 4442 y 4443. Los apagachispas son
también obligatorios en algunas tierras del Servicio Forestal de
los EE.UU. y quizá también según otros estatutos u ordenanzas
legales. Existen apagachispas de uso aprobado en nuestro
distribuidors. También puede encargarse a Homelite Consumer
Products, Inc., 1428 Pearman Dairy Rd., Anderson, SC 29625,
EE.UU., teléfono 1-800-242-4572.
Se deberá utilizar un acondicinador de línea de conducción
cuando se operen uno o más de los siguientes equipos de
estado sólido:
Control para abrir la cochera o garaje
Equipos de cocina con visualización digital
Televisores
Estéreos
Computadoras personales
Relojes de cuarzo
Máquinas fotocopiadoras
Equipo telefónico
A fin de evitar la sobrecarga y los posibles daños a su
generador, resulta necesario conocer el vataje total de la carga
conectada. Para determinar qué herramientas y/o equipos
electrodomésticos su generador hará funcionar, siga los pasos
a continuación:
Determine sí desea hacer funcionar un aparato o varios
aparatos simultáneamente.
Verifque los requerimientos de potencia de arranque y
de funcionamiento de los aparatos fijándose en las carga
especificada en la etiqueta, o calculándola (multiplique
amperios x voltios = watts o potencia).
Sume la potencia necesaria de arranque y de funcionamiento
de cada aparato. Sí la etiqueta sólo le da el voltaje y el
amperaje, entonces multiplique Voltios x Amperios = Watts.
1KW = 1,000 watts.
Los electrodomésticos o herramientas impulsadas por
motores requieren más potencia que lo especificado para
arrancar.
NOTA: Permita 2 1/2 - 4 veces el vataje mencionado para
arrancar al equipo.
Los vatios unitarios del generador deberían coincidir o
superar el número total de vatios que requiere el equipo que
usted desea arrancar.
Siempre conecte la carga más grande primero, y luego
agregue los demás equipos uno por uno.
PRECAUCIÓN:
El requerimiento de voltaje y frecuencia operativa de todos los
equipos electrónicos debe comprobarse antes de enchufarlos
a este generador. Pueden ocurrir daños si el equipo no está
diseñado para operar dentro de una variación de voltaje
de +/-10% y una variación de frecuencia de +/-3 hz de los
valores nominales que aparecen en la placa de identificación
del generador. A fin de evitar daños, siempre tenga una carga
adicional enchufada al generador en caso de usarse equipos
de estado sólido (tales como un aparato de televisión).
También podría resultar necesario un condicionador de la
línea eléctrica para algunas aplicaciones; por ejemplo, con
una computadora. También podria resultar necesario un
condicionador de la línea eléctrica para algunas aplicaciones
de equipo de estado sólido.
APAGACHISPAS
COMO DETERMINAR
EL VATAJE TOTAL

27
CAPACIDAD DEL GENERADOR
Cerciórese que el generador pueda suministrar suficientes vatios
de potencia continua (en marcha) y de sobrecorriente (al arrancar)
para los equipos que desee alimentar al mismo tiempo. Siga
estos pasos sencillos.
1. Seleccione los equipos que desea alimentar al mismo
tiempo.
2. Sume la potencia continua (en marcha) en vatios de estos
equipos. Esta es la cantidad de potencia que el generador
debe producir para mantener en marcha los equipos. Observe
la tabla de referencia de potencia en vatios, a la derecha.
3. Calculecuántapotenciainicial(alarranque)envatiosnecesitará.
La potencia inicial (en vatios) es la breve variación rápida
de potencia necesaria para poner en marcha los aparatos
o herramientas accionados con motor eléctrico como las
sierras circulares o los refrigeradores. Debido a que no todos
los motores arrancan al mismo tiempo, se puede calcular
la potencia inicial total en vatios sumando sólo los equipos
con el mayor valor de potencia inicial adicional a la potencia
nominal del paso 2.
Ejemplo:
Herramienta o
aparato
Potencia continua
(en marcha) en
vatios
Potencia inicial
(arranque) en
vatios
Acondicionador de
aire de ventana,
10000 BTU 1200 1800
Refrigerador 700 2200
Bomba de pozo de
1/3 HP 1000 2000
Televisor de 27 pulg 500 0
Iluminación (75 vatios) 75 0
3475 vatios,
potencia en
marcha total
2200 vatios,
potencia inicial
máxima
Potencia continua total en vatios (en marcha) 3475
Potencia inicial adicional máxima en vatios + 2200
Potencia total de salida requerida del generador 5675
ADMINISTRACIÓN DE LA POTENCIA
A fin de prolongar la vida útil del generador y los dispositivos
acoplados, es importante tener cuidado al agregar cargas eléc-
tricas al generador. NO debe haber equipo alguno conectado a
los tomacorrientes del generador antes de poner en marcha el
motor respectivo. La manera correcta y segura de administrar la
potencia del generador consiste en agregar las cargas de manera
secuencial de la manera siguiente:
1. Sin equipos conectados al generador, ponga en marcha el
motor de la manera que se describe posteriormente en este
manual.
2. Enchufe y active la primera carga, preferiblemente la máxima
carga que tenga.
3. Deje que se estabilice la salida del generador (el motor
marcha uniformemente y el dispositivo acoplado funciona
correctamente).
4. Enchufe y active la siguiente carga.
5. Nuevamente, deje que el generador se estabilice.
6. Repita los pasos 4 y 5 para cada carga adicional.
Nunca añada más cargas que las que permita la capacidad del
generador. Tenga especial cuidado al considerar las cargas de
sobrecorriente en la capacidad del generador según se describió
anteriormente.
Herramienta o aparato
Potencia
Continua*
(en marcha)
en vatios
Potencia
inicial*
(arranque)
en watts
Esenciales
Bombilla−75vatios 75 75
Refrigerador/congelador 700 2200
Bombadesumidero−1/2HP 1050 2200
Bombadepozodeagua−1/3HP 1000 1500
Calentador de agua eléctrico 4000 0
Calefacción/Refrigeración
Ventiladordecalefacción−1/2HP 800 2350
Acondicionador de aire de ventana
−10000BTU 1200 1800
Calentador de locales 1800 0
Cocina
Hornodemicroondas−1000vatios 1000 0
Cafetera 1000 0
Estufaeléctrica−Unelemento 2100 0
Horno-tostadora 1200 0
Sala de estar
Videograbadora 100 0
Reproductor de CD/lector de DVD 100 0
Receptor estéreo 450 0
Televisoracolor−27pulg 500 0
Otra
Sistema de seguridad 500 0
Pinzas rizadoras 1500 0
Abridor de puertas de garaje − 1/2
HP 875 2350
Secadordepelo−1/2HP 1250 0
Herramientas pasatiempos/Sitio
de trabajo
Lámpara de trabajo de halógeno
de cuarzo 1000 0
Rociadordeairecomprimido−1/3
HP 600 1200
Sierra alternativa 960 0
Taladroeléctrico−1/2HP 600 900
Sierra circular - 7-1/4 pulg (184 mm) 1400 2300
Sierra de ingletes − 10 pulg (254
mm) 1800 1800
Cepillodejuntas−6pulg(150mm) 1800 1800
Sierra de banco/sierra radial de
brazo−10pulg(254mm) 2000 2000
Compresordeaire−1HP 1600 4500
*Los valores de potencias en vatios indicados son aproximados. Verifique la
potencia real de cada herramienta o aparato.
PRECAUCIÓN:
No exceda la capacidad del generador. Si excede la capacidad
de corriente (amperios) y potencia (vatios) del generador puede
dañar el generador y los dispositivos eléctricos conectados
al mismo.
ASPECTOS ELÉCTRICOS

28
ASPECTOS ELÉCTRICOS
CALIBRE DEL CORDÓN DE EXTENSIÓN
Consulte el cuadro mostrado abajo para asegurarse de que el calibre de los cordones de extensión que utilice puedan con la carga
eléctrica requerida. Los cordones de calibre insuficiente pueden causar una caída de voltaje, lo cual puede quemar el dispositivo
y recalentar el cordón mismo.
Corriente en
Amperios
Carga en vatios Longitud máxima permitida del cordón
A 120 V A 240 V Conduct. #8 Conduct. #10 Conduct. #12 Conduct. #14 Conduct. #16
2,5 300 600 305 m (1000 pies) 183 m (600 pies) 114 m (375 pies) 76 m (250 pies)
5 600 1200 152 m (500 pies) 91 m (300 pies) 61 m (200 pies) 38 m (125 pies)
7,5 900 1800 107 m (350 pies) 61 m (200 pies) 38 m (125 pies) 31 m (100 pies)
10 1200 2400 76 m (250 pies) 46 m (150 pies) 31 m (100 pies) 15 m (50 pies)
15 1800 3600 46 m (150 pies) 31 m (100 pies) 20 m (65 pies)
20 2400 4800 53 m (175 pies) 38 m (125 pies) 23 m (75 pies)
25 3000 6000 46 m (150 pies) 31 m (100 pies)
30 3600 7200 38 m (125 pies) 20 m (65 pies)
40 4800 9600 27 m (90 pies)
CARGAS DE MOTORES ELÉCTRICOS
Es característico en el funcionamiento normal de los motores eléctricos comunes consumir durante el arranque hasta seis veces
su corriente de operación. Esta tabla puede emplearse para estimar la potencia necesaria (en vatios) para arrancar los motores
eléctricos de “Código G”; no obstante, si un motor eléctrico no arranca o no alcanza la velocidad de funcionamiento, apague el
dispositivo o herramienta de inmediato para evitar dañar el equipo. Siempre verifique los requisitos de la herramienta o aparato
con la salida nominal del generador.
Capacidad del
motor (H.P.)
Potencia en marcha
(vatios)
Potencia necesaria para arrancar el motor (vatios)
Inducción de repulsión Capacitor Fase dividida
1/8 275 600 850 1200
1/6 275 600 850 2050
1/4 400 850 1050 2400
1/3 450 975 1350 2700
1/2 600 1300 1800 3600
3/4 850 1900 2600 —
1 1100 2500 3300 —

29
Motor Subaru OHC
Receptáculos sobre el placa lateral
Cargador de batería
Tanque de combustible con capacidad de 4.9 litros
(1.3 galone)
Apagachispas
El generador sin escobillas
A. Receptáculo dúplex de 120 voltios, 15 amperes
15 amperes de la corriente se pueden dibujar de cada
mitad del receptáculo. Sin embargo, la potencia total extraída
debe mantenerse dentro de los valores nominales de la placa
de identificación.
B. Interruptor
Los receptáculos se protegen mediante un cortacircuitos
de CA. Si se sobrecarga el generador u ocurre un cortocircuito
externo, el cortacircuitos saltará. Si esto ocurre, desconecte
todas las cargas eléctricas y trate de determinar la causa
del problema antes de usar el generador nuevamente. Si la
sobrecarga causa que salte el cortacircuitos, reduzca la carga.
NOTA: Si salta continuamente el cortacircuitos, se podría
dañar el generador o el equipo. El cortacircuitos puede
restaurarse pulsando el botón del cortacircuitos.
C. Interruptor del motor
mercado en la actualidad. La cantidad de corriente circulante
dependerá del voltaje de la carga y del estado de carga de
la batería. Cuando la batería llega a ser más completamente
cargada, la corriente de la salida a las disminuciones de la
batería y casi llega a ser la constante. Los cargadores cónicos
están diseñados para utilizarse con la disposición de que se
desconectarán de la batería después de un tiempo máximo
de carga. Normalmente, es suficiente un periodo de 30 a 120
minutos para recargar una batería débil. El nivel de carga de la
batería debe verificarse en forma periódica.
D. Cargador de batería
NO SE RECOMIENDA SU USO CON PAQUETES
DE GELATINA, BATERÍAS SELLADAS, PEQUEÑAS
(MOTOCICLETA).
Este generador contiene un uso adicional para el circuito para
propósitos de carga de batería. En el panel de control se incluye
un receptáculo para accesorios. Con la unidad se suministra un
cable para carga de la batería equipado con un enchufe que se
ajusta a este receptáculo. Alinee las clavijas de metal del enchufe
con las flechas del receptáculo para asegurarlo.
Se refiere al cargador de la batería en este generador como
un cargador cónico no regulado, de mayor utilización en el
NOTA: Cuando el circuito cargador de la batería está en
uso, la capacidad de CA se reduce en 180 vatios. Asegúrese de
que la carga combinada esté dentro de los límites nominales.
Antes de cargar una batería de almacenaje, verifique el nivel
de fluido electrolético en todas las células. Agregue agua desti-
lada a cada célula, si fuera necesario, para traer el nivel hasta el
valor requerido por el fabricante.
PRECAUCIÓN:
Este sistema de carga de la batería sirve para volver a cargar
las baterías débiles, y no para “arrancar por refuerzo” los
vehículos. No sobrecargue la batería o deje la batería sin
atención.
Utilice cables aprobados para cargar baterías. Conecte la
grapa roja a la terminal positiva de la batería. Conecte la grapa
negra a la terminal negativa de la batería. Conecte el otro fin del
cable al DC receptáculo accesorio en el panel del generador.
Una vez que la batería esté completamente cargada, retire el
cable cargador de la batería del generador y luego desconéctelo
de las espigas de la batería.
ADVERTENICA:
Las baterías de almacenaje emiten gas hidrógeno EXPLOSIVO
al estar en carga. No permita que se fume ni la existencia de
llamas abiertas, chispas o equipos que produzcan chispas
en la zona al estar en carga.
CORTACIRCUITOS DE CC: La corriente máximo disponible del
circuito cargador de la batería es de 15 amp. Se ha provisto un
cortacircuitos de CC automático para proteger el circuito contra
sobrecarga y asegurar que la batería pueda cargarse. En caso
de ocurrir una sobrecarga, saltará el cortacircuitos. Después de
enfriarse, se repondrá automáticamente. La velocidad máxima
de carga de la batería con el tiempo se reducirá a menos de 15
amp y luego a cero al acercarse la batería a un estado de carga
del 100 por ciento.
ADVERTENICA:
El fluido electrolítico de la batería está compuesto de ácido
sulfúrico que puede ser muy peligroso y causar quemaduras
graves. No permita que este fluido entre en contacto con los
ojos, la piel, la ropa, etc. En caso de ocurrir un contacto o un
derrame, enjuague la zona con agua inmediatamente.
ADVERTENICA:
No continúe cargando una batería que se ha quedado caliente
o que esté completamente cargada.
CARACTERISTICAS PRINCIPALES
DEL GENERADOR
PANEL DE CONTROL
PANEL DE PANEL DE
RECEPTÁCULO CULATAZO

30
ANTES DE LA OPERACION
ADVERTENCIA:
Para evitar posibles lesiones físicas o daños materiales, es
necesario que la instalación y todo el servicio sea realizado
por un electricista profesional o representante de servicio
autorizado. Bajo ninguna circunstancia debe permitirse que
una persona que no está capacitada trate de manipular cables
dentro del circuito de utilidad.
ADVERTENCIA:
Para evitar la retro-alimentación hacia los sistemas de
suministro eléctrico, se requiere el aislamiento del sistema
eléctrico residencial. Antes de realizar la conexión temporal del
generador al sistema eléctrico residencial, apague el interruptor
principal. Antes de hacer las conexiones permanentes, debe
instalarse un interruptor de transferencia de dos vías. Para
evitar la electrocución o daños a la propiedad, sólo debe ser un
electricista entrenado el que conecte el generador al sistema
eléctrico residencial. Las leyes de California requieren el
aislamiento del sistema eléctrico residencial antes de conectar
un generador a los sistemas eléctricos residenciales.
Para evitar la retro-alimentación a los sistemas de suministro,
se requiere el aislamiento del sistema eléctrico residencial.
Antes de realizar la conexión temporal del generador hacia
el sistema eléctrico residencial, apague o desconecte el servicio
principal.
Si el generador va a usarse como fuente de energía de
reserva en caso de un fallo del suministro eléctrico, debe ser
instalado por un electricista certificado, de acuerdo con todos
los códigos eléctricos locales aplicables.
El uso apropiado requiere la instalación de un interruptor
de transferencia de dos vías por un electricista capacitado y
certificado para asegurar de que los circuitos eléctricos del
edificio puedan ser conmutados con seguridad entre el suministro
eléctrico y la salida del generador, evitando de este modo la
retro-alimentación hacia el sistema de suministro eléctrico.
Siempre siga los códigos y regulaciones locales que
se aplican a la instalación de cualquier elemento que tenga
relación con este producto.
PUESTA A TIERRA DEL GENERADOR
El Código Nacional de Electricidad requiere que este
producto se conecte adecuadamente a una puesta a tierra
apropiada para prevenir un choque eléctrico. Para este propósito,
se proporciona una terminal del tierra conectado al marco del
generador. Conecte una parte de cable de cobre de grueso
calibre (12AWG mínimo) entre la terminal en tierra y una varilla
de cobre conducida dentro de la tierra debería proporcionar
una conexión a tierra adecuada. Sin embargo, consulte con un
electricista local para asegurarse de que los códigos locales se
cumplen adecuadamente.
INSTALACION
LA UBICACION DE TERMINAL
DEL TIERRA:
terminal, tierra
ADVERTENCIA:
No use una cañería como la fuente de conexión a tierra.

31
LUBRICACION
El operar la unidad sin lubricante puede arruinar el motor.
Llene el motor con lubricante de acuerdo con el manual
del motor. Para unidades que cuentan con varilla del nivel del
lubricante, llene de lubricante hasta que éste llegue al nivel
adecuado. Las unidades que no cuentan con una varilla de
nivel del lubricante deben llenarse hasta la parte superior de la
apertura del depósito de lubricante.
COMBUSTIBLE
Llene el tanque con gasolina sin plomo para automóviles,
limpia y nueva. Puede usarse gasolina de grado regular siempre
y cuando se obtenga una alto valor del octanaje (por lo menos
85 de octanaje de la bomba). Recomendamos que siempre
utilice un estabilizador para combustible. Un estabilizador de
combustible minimizará la formulación de depósitos de goma
de combustible durante el almacenamiento. El estabilizador
de combustible puede agregarse a la gasolina en el tanque
de combustible o junto con la gasolina en un contenedor de
almacenamiento. No use combustible E85.
PRECAUCIÓN:
No llene demasiado el tanque. Mantenga un nivel máximo de
combustible a 1/4 de pulgada por debajo de la parte superior
del tanque de combustible. Esto permitirá la expansión durante
el clima cálido, evitando así el derrame.
ARRANQUE DEL UNIDAD
ADVERTENCIA:
La gasolina es muy peligrosa. Si la gasolina hace contacto
con superficies calientes puede ocasionar lesiones serias o
la muerte.
No llene el tanque de combustible con el motor en
marcha.
No derrame combustible al volver a llenar el tanque.
No mezcle lubricante con la gasolina.
Siga todas las instrucciones y advertencias contenidas
en el manual del motor.
PREPARACION ANTES DE ARRANCAR
Antes de arrancar el generador, verifique si hay piezas
sueltas o faltantes y si hay cualquier tipo de daño que podría
haber ocurrido durante el envío.
ADVERTENCIA:
Este generador no debe operarse sin tener colocados todos
los escudos contra el calor instalados de fábrica. Si no se hace
esto, podría recalentarse el tanque de combustible pudiendo
ocurrir un incendio que cause lesiones personales.
ARRANQUE DEL MOTOR
Controle el nivel de lubricante y combustible.
Desconecte todas las cargas eléctricas de la unidad.
Abra la válvula de cierre de combustible si tiene.
Regule el cebador si hace falta.
Coloque la llave del motor en posición de “ON”.
Hale la soga del arrancador de un tirón rápido y parejo.
Mientras se calienta el motor, vuelva a regular el cebador.
PELIGRO:
Debe suministrar una ventilación adecuada para los gases
tóxicos de escape y el flujo de aire refrigerante.
No encienda o arranque el generador en un área cerra da,
incluso si las puertas o ventanas están abiertas.
El motor despide monóxido de carbono, un gas venenoso,
inodoro e invisible.
Aspirar el monóxido de carbono puede ocasionar náusea,
desfallecimiento o la muerte.
PRECAUCIÓN:
Permita que funcione el generador sin carga durante cinco
minutos después de cada arranque inicial para permitir que
se estabilicen el motor y el generador.

32
COMO APLICAR UNA CARGA
Esta unidad ha sido previamente verificada y ajustada
para manejar su capacidad máxima. Al arrancar el generador,
desconecte todas las cargas. Aplique la carga solamente
después de que el generador esté funcionando. El voltaje se
regula por medio de la velocidad del motor ajustada en fábrica
para la salida correcta. El reajuste anulará la garantía.
PRECAUCIÓN:
Al aplicar una carga, no exceda el vataje nominal máximo del
generador al usar uno o más receptáculos. Además no exceda
el amperaje nominal de ningún receptáculo individual.
APAGADO DEL GENERADOR
Retire toda la carga eléctrica.
Deje que el motor funcione por unos minutos sin carga.
Mueva la llave del motor a la posición “OFF”.
No abandone el generador hasta que se haya detenido por
completo.
Cierre la válvula de paso del combustible si el motor debe
colocarse en depósito o transportarse.
Si le va a colocar una cubierta, espere hasta que la unidad se
haya enfriado.
PROCEDIMIENTO DE ARRANQUE INICIAL
Un procedimiento de arranque inicial controlado ayuda a
asegurar una operación correcta del motor y del generador. Siga
el procedimiento para el motor descrito en el manual del motor.
PRECAUCIÓN:
No aplique una carga eléctrica fuerte durante el período
inicial de funcionamiento (las primeras dos o tres horas de
operación).
GENERADOR: Escobillas (LAS UNIDADES DE TIPO
ESCOBILLA SOLO)
Las escobillas del generador deben ser inspeccionadas una
vez por año para verificar que no estén rajadas o resquebrajadas.
Las escobillas deben reemplazarse cuando se han desgastado
hasta un espesor de 1/4 de pulgada (7 mm).
NOTA: Reemplace las
escobillas en conjunto,
nunca de manera separada.
PARA REVISAR LAS
ESCOBILLAS:
Retire la placa de la cubierta
(R).
Retire los 4 pernos del
estator (U) y la placa
lateral.
Retire los tornillos que sostienen la placa protectora sobre la
parte interior de la armazón.
Desconecte, desde la aleta, el cable verde (-) o el cable azul
(+) de las escobillas.
Retire los tornillos de montaje de las escobillas (S).
Deslice las escobillas (T) para retirarlas de los soportes.
Reemplace las escobillas si están gastadas en 1/4 de pulgada
(7 mm).
No apriete demasiado los tornillos.
NOTA: Reemplace sólo con escobillas especificadas en
la lista de piezas. Otras escobillas pueden parecer idénticas
pero podrían tener características mecánicas y eléctricas
completamente diferentes.
ESCUDO DE CALOR:
Inspecciónelo para asegurarse de que todos los escudos
de calor y los deflectores de calor estén intactos y en su lugar.
No retire ni modifique ninguna pieza. Retirar o modificar las
piezas puede ocasionar daños serios a la unidad.
MOTOR: Congelamiento del carburador
Durante los meses de invierno, podrían desarrollarse
condiciones atmosféricas poco usuales que causen una
condición de congelamiento en el carburador. Si esto ocurre, el
motor podría funcionar mal, perder potencia y detenerse.
CONSEJOS PARA UN ENCENDIDO RÁPIDO EN UNIDADES
QUE HAN ESTADO INHABILITADAS DURANTE UN TIEMPO:
Si su unidad ha estado fuera de servicio durante un periodo
de tiempo extenso y es difícil que encienda, intente realizar
algunos de estos fáciles pasos antes de llamar a la línea directa
de información de servicio al cliente.
Verifique el nivel del lubricante.
Reemplace el combustible viejo.
Cambie la bujía de encendido.
Verifique los conductos de combustible. Asegúrese de que
esté abierta la válvula de combustible.
Verifique la integridad de todas las piezas del generador.
Limpie el carburador. (Consulte el manual del motor para
obtener información sobre los centros de servicio)
MANTENIMIENTO

33
TANQUE DEL COMBUSTIBLE
DESCARGAR
PRECAUCIÓN:
Mantenga área de tanque de combustible libre de todos
escombros, del agua, y del hielo. No bloquee abertura. “El
tanque debe respirar.”
SILENCIADOR DEL ARRESTOR
DE CHISPAS
Este motor viene equipado con un silenciador del arrestor
de chispas. Periódicamente debe limpiarse para evitar el
taponamiento de la pantalla, lo cual podría perjudicar el
rendimiento del motor.
Para limpiar, retire el escudo del silenciador. Retire los
cuatro tornillos y tire la placa con la pantalla conectada. Limpie
cualquier partícula con un cepillo y vuelva a instalar. Asegúrese
de que la junta esté en posición.
EL HORARIO DE LA
MANTENIMIENTODEL MOTOR
Verifique el nivel de lubricante del motor. Antes de cada uso
Cambie el lubricante del motor. . . . .Después de las primeras
20 horas de funcionamiento
y cada 50 horas de funcionamiento
Limpie el filtro de aire. . . . . Cada 50 horas de funcionamiento
Limpie la bujía. . . . . . . . . . Cada 100 horas de funcionamiento
Limpie el arrestor de chispas . . . . . . . . . . . Cada 50 horas de
funcionamiento
SERVICIO POCO FRECUENTE
Si la unidad no se utiliza frecuentemente, podrían ocurrir
dificultades al arrancar. Para eliminar estos problemas, haga
funcionar el generador por lo menos 30 minutos todas las
semanas. Además, si la unidad no se va a utilizar durante algún
tiempo, es conveniente extraer el combustible del carburador y
del tanque de gasolina.
ALMACENAMIENTO A LARGO PLAZO
Cuando el equipo generador no se está operando o está
almacenado durante más de un mes, siga las instrucciones
siguientes:
Vuelva a llenar de lubricante el motor hasta su nivel superior.
Saque la gasolina del tanque de combustible, la línea de
combustible y el carburador.
a) Ponga el interruptor del motor en off ( O ) (apagado).
b) Cierrelaválvuladecombustible.
c) Retireel conducto de combustible de la llave de purga;
para ello, apriete los extremos del sujetador de retención
y separe el conducto.
d) Instale un extremo del conducto de drenaje en la llave
de purga, y coloque el otro extremo en un recipiente de
combustible de la suficiente capacidad para recibir el
combustible drenado del tanque.
e) Abralaválvuladecombustible.
f) Una vez que se haya drenado todo el combustible del
tanque, cierre la válvula y vuelva a instalar el conducto en
la llave de purga.
Vierta hasta una cucharadita de lubricante para motores a
través del orificio de la bujía, tire del arrancador de reacción
varias veces y reemplace la bujía. Luego tire del arrancador
hasta que sienta que el pistón está en su carrera de
compresión y déjelo en esta posición. Esto cierra las válvulas
de entrada y escape para evitar que el interior del cilindro se
oxide.
Cubra la unidad y almacénela en un lugar limpio y seco con
buena ventilación y lejos de chispas o llamas.
NOTA: Recomendamos que siempre utilice un
estabilizador para combustible. Un estabilizador de
combustible minimizará la formulación de depósitos de
goma de combustible durante el almacenamiento. El
estabilizador de combustible puede agregarse a la gasolina
en el tanque de combustible o junto con la gasolina en un
contenedor de almacenamiento.
APAGACHISPAS
SERVICIO Y ALMACENAMIENTO
Tipo de lubricante. Utilice lubricante fresco de buena
calidad tal como los grados SC, SD y SE. El lubricante que será
usado depende de la temperatura a la cual funciona el motor:
Verano: (temperaturas mayores que 40 °F/10 °C) SAE 30 ó
SAE 10W-30, SAE 10W-40
Invierno: (temperaturas menores que 40 °F/10 °C) SAE 20
ó SAE 10W-30

34
SERVICIO AL CLIENTE
CONTACTO HOMELITE
CONSUMER PRODUCTS
SERVICIO AL CLIENTE
EN EL
1-800-242-4672
o en
www.homelite.com
para obtener información sobre
el servicio de la garantía
o para ordenar piezas de
reemplazo o accesorios.
COMO PEDIR LOS REPUESTOS
Incluso equipos de calidad como el generador eléctrico
que usted ha adquirido podrían necesitar repuestos ocasionales
para mantenerlos en buenas condiciones a través de los años.
Para pedir repuestos, por favor proporcione la información
siguiente:
No. de modelo y No. de serie y todas las especificaciones
que aparecen en la placa del No. de modelo/No. de serie.
El número de las piezas como se muestra en la Sección
Listado de Piezas del material adjunto para su modelo de
generador.
Una breve descripción del problema con el generador.
NOTA: Si se requieren repuestos para el motor,
comuníquese con uno de los centros de servicio del
fabricante del motor.
Homelite Consumer Products, Inc.
1428 Pearman Dairy Road
Anderson, SC 29625
1-800-242-4672
www.homelite.com
GARANTIA LIMITADA
COBERTURA DE LA GARANTÍA
Homelite Consumer Products, Inc., (la Compañía) garantiza al
comprador minorista original que este Producto Homelite carece de
defectos en material y mano de obra, y acuerda reparar o reemplazar,
a la entera discreción de la Compañía, cualquier Producto defectuoso
sin cargo en los siguientes períodos a partir de la fecha de la compra:
Dos años si el Producto se utiliza exclusivamente para fines
personales, familiares o domésticos.
Un año si el Producto se utiliza para fines comerciales.
Esta garantía sólo es válida para los Productos vendidos dentro del
territorio de los Estados Unidos de América, el distrito de Columbia,
Canadá, México, el Estado Libre Asociado de Puerto Rico, las Islas
Vírgenes, Guam, la Zona del Canal o Samoa Americana.
Esta garantía no es transferible y sólo cubre los daños derivados
de defectos en material o mano de obra y no los daños causados
por el uso irracional, incluida la falta de mantenimiento razonable y
necesario. Entre los artículos que no cuentan con la cobertura de
esta garantía, se encuentran:
Los gastos de transporte originados por el envío del producto a
la Compañía o a su representante de servicio autorizado para el
mantenimiento incluido en la garantía, o por el envío al consumidor
de productos reparados o reemplazados; estos cargos corren por
cuenta del comprador minorista original.
Motor. El Producto está equipado con un motor que cuenta con la
cobertura exclusiva de otra garantía de su fabricante. Consulte el
manual del motor incluido con el Producto para obtener información
sobre la garantía correspondiente al motor.
Los daños causados por el maltrato, los accidentes, el uso
indebido, la negligencia, la alteración, la modificación, los efectos
de la corrosión, la erosión, el desgaste normal o las reparaciones
realizadas por personas ajenas a la Compañía o a sus representantes
de servicio autorizados.
La garantía queda anulada si el cliente no instala, mantiene o utiliza
el producto respetando las instrucciones y las recomendaciones
de la Compañía, según se expresa en el manual del operador del
Producto, o si el Producto se utiliza como equipo de alquiler.
La Compañía no se hará cargo de las reparaciones o los ajustes
al Producto, o de cualquier tarea o gasto que no sea autorizado
previamente por esta Compañía.
GUARDE SU COMPROBANTE DE COMPRA
Antes de que la Compañía o sus representantes de servicio autorizados
puedan efectuar el servicio correspondiente cubierto por la garantía del
Producto, se solicitará como comprobante de compra una factura de
compra con fecha, un recibo de la caja registradora, etc. que incluya
el número de serie y el modelo.
EXCLUSIONES Y LIMITACIONES
ESTA GARANTÍA LIMITADA PREVALECE SOBRE CUALQUIER
OTRA GARANTÍA EXPRESA. CUALQUIER GARANTÍA IMPLÍCITA
DE COMERCIABILIDAD, IDONEIDAD PARA UN FIN ESPECÍFICO U
OTRA QUE BRINDE COBERTURA PARA ESTE PRODUCTO ESTARÁ
LIMITADA EN DURACIÓN AL PLAZO DE ESTA GARANTÍA LIMITADA.
EL SERVICIO DE GARANTÍA DESCRITO ANTERIORMENTE ES EL
ÚNICO RECURSO BAJO ESTA GARANTÍA. LA COMPAÑÍA NO SERÁ
RESPONSABLE DE CUALQUIER DAÑO ESPECIAL, INDIRECTO O
CONSECUENTE.
ALGUNOS ESTADOS NO PERMITEN LIMITACIONES EN CUANTO A
LA DURACIÓN DE UNA GARANTÍA IMPLÍCITA, O LA EXCLUSIÓN O
LIMITACIÓN DE LOS DAÑOS INDIRECTOS O CONSECUENTES; POR
LO QUE ES POSIBLE QUE LAS LIMITACIONES O EXCLUSIONES
ANTERIORES NO SE APLIQUEN EN SU CASO.
CÓMO OBTENER UN SERVICIO DE GARANTÍA
Para obtener el servicio de garantía: Llame sin cargo al
1-800-242-7462 o escriba a Homelite Consumer Products, Inc.,
1428 Pearman Dairy Road, Anderson, SC 29625.
Para obtener el servicio de garantía fuera de los EE. UU.,
comuníquese con el establecimiento Homelite local.

35
MOTOR CON GARANTÍA LIMITADA DE 3 AÑOS
Garantía limitada del fabricante proporcionada por Subaru Robin
(Válida para los motores adquiridos en Robin America, Wood Dale, IL, luego del 1 de Abril de 2008)
Robin America, Inc., una subsidiaria de Fuji Heavy Industries, Ltd. (en adelante denominada “Subaru Robin”), garantiza al comprador
minorista original que cada motor nuevo que se venda carecerá de defectos en material y mano de obra bajo condiciones normales
de servicio y uso durante el período mencionado abajo a partir de la fecha de venta. La obligación de Subaru Robin bajo esta Garantía
limitada cubre únicamente la reparación y el reemplazo, a elección de Subaru Robin, de las partes que, luego de ser examinadas,
resulten, a criterio de Subaru Robin, defectuosas en material o mano de obra. Una condición de la obligación de Subaru Robin
bajo esta Garantía Limitada será que esta empresa directamente o a través de uno de sus Distribuidores o Centros de Servicio
autorizados a realizar el servicio del motor en cuestión, reciban una notificación inmediata de cualquier reclamo de la garantía y
que el motor, o las partes presuntamente defectuosas, se envíen inmediatamente con el transporte pagado por adelantado a dicho
Distribuidor o Centro de Servicio para realizar la inspección y reparación. Todas las reparaciones que califiquen bajo esta Garantía
limitada deben ser realizadas por Subaru Robin, o uno de sus Distribuidores o Centros de Servicios autorizados.
PERÍODOS DE GARANTÍA:
Motores de gasolina Subaru Robin de cuatro tiempos refrigerados por aire: Garantía Limitada de 3 AÑOS (Serie EX o EH
4.3HP o mayores)
La reparación o el reemplazo de las partes bajo esta Garantía limitada no extenderán el plazo de garantía del motor más allá del
plazo original establecido anteriormente.
LIMITACIONES Y EXCLUSIONES: Esta Garantía limitada no cubrirá:
Cigüeñales doblados o rotos, o el daño producido por la vibración propia de un cigüeñal con estas características. Tampoco
cubrirá el daño ocasionado por pernos de montaje del motor flojos, o por paletas o accesorios inapropiados o colocados
incorrectamente que estén montados en el cigüeñal.
Reparaciones necesarias a causa de un período de almacenamiento prolongado, incluidos los daños ocasionados por el
combustible contaminado o alojado por mucho tiempo en el tanque de combustible, las tuberías o el carburador, las válvulas
pegajosas o la corrosión y el óxido en partes del motor.
Reparaciones necesarias debido al recalentamiento. (Generalmente provocado por la sobrecarga, obstrucción, daño o ante la
falta del volante, el ventilador, los conductos de entrada de aire, las aletas de enfriamiento o cubierta de paso de aire).
Desgaste propio del polvo o la arenilla ocasionado por el mantenimiento inadecuado del filtro de aire (que generalmente provoca
el desgaste de los pistones, los aros del pistón, los cilindros, las válvulas, las guías de las válvulas, el carburador u otros
componentes internos).
Piezas rotas o rayadas debido a un bajo nivel de lubricante, suciedad o un grado de lubricante inadecuado.
Servicios de mantenimiento normales y ajustes al motor, incluidos, entre otros, el ajuste de válvulas, el reemplazo normal de
artículos de servicio, combustible, lubricante, etc.
Cualquier motor que haya estado expuesto a la negligencia, al uso indebido, accidentes, al uso incorrecto o al exceso de
velocidad.
Cualquier motor que haya sido instalado, reparado o alterado por cualquier persona de manera tal que, según el criterio exclusivo
de Subaru Robin, se vea afectado su desempeño o fiabilidad.
Cualquier motor que haya sido montado o reparado con piezas o componentes que no hayan sido fabricados o aprobados
por Subaru Robin, y que, según el criterio exclusivo de esta empresa, afecten de modo adverso el desempeño o fiabilidad del
motor.
Circunstancias en las cuales el uso normal haya terminado con la vida útil de un componente o de un motor.
El cliente es responsable de todos los gastos de transporte incurridos ante la realización de tareas cubiertas por la garantía.
Subaru Robin se reserva el derecho de modificar, alterar o mejorar cualquier motor o pieza sin incurrir en ninguna obligación de
modificar o reemplazar las piezas o los motores vendidos anteriormente que no cuenten con dicha modificación, alteración o
mejora.
Ninguna persona está autorizada a otorgar cualquier otra garantía o a asumir una obligación adicional en nombre de Subaru Robin,
a menos que cuente con una autorización por escrito y firmada por un directivo de Subaru Robin.
Algunos estados no permiten limitaciones en cuanto a la duración de una garantía implícita, o a la exclusión o limitación de los
daños indirectos o consecuentes, por lo que es posible que las limitaciones o exclusiones antes mencionadas no se apliquen en
su caso. Esta garantía le otorga derechos legales específicos. Es posible que usted también tenga otros derechos específicos que
varían según cada estado.
ESTA GARANTÍA Y LA OBLIGACIÓN DE SUBARU ROBIN MENCIONADA EN ESTE DOCUMENTO PREVALECE SOBRE CUALQUIER
OTRA GARANTÍA U OBLIGACIÓN DE CUALQUIER TIPO EXPRESADA O IMPLÍCITA, INCLUIDA CUALQUIER GARANTÍA DE
COMERCIABILIDAD O IDONEIDAD PARA UN FIN EN PARTICULAR. NO EXISTEN GARANTÍAS QUE SE EXTIENDAN MÁS ALLÁ DE
LA DESCRIPCIÓN ESPECIFICADA EN EL PRESENTE DOCUMENTO. EN NINGÚN CASO, SUBARU ROBIN SERÁ RESPONSABLE
DE CUALQUIER DAÑO INDIRECTO O CONSECUENTE.

36
PARTS DRAWING / SCHEMA DES PIÈCES / DIAGRAMA DE PIEZAS

37
PARTS LIST / LISTE DES PIÈCES / LISTA DE PIEZAS
REF.
NO.
PART
NO. DESCRIPTION DESCRIPTION DESCRIPCIÓN QTY
1 Note A Engine Subaru Moteur Subaru Motor Subaru 1
2 0064143 Engine Adapter Adaptateur de moteur Adaptador motor 1
3 0000901.01 Bolt Whz 5/16-24 x 5/8 Boulon, whz Perno, whz 4
4 0063918 Stator Stator Estator 1
5 0063919 Rotor Rotor Rotor 1
6 Note B Washer, Lock 5/16 Rondelle, plate Arandela, cierre 1
7 0041483 Bolt, Rotor 5/16-24 x 5-3/4 Boulon, rotor Perno, rotor 1
8 0063911 Assy, Stator Bracket Assemblage, support de stator Ensamble, soporte estator 1
9 0063917 Endbell Couvre-enroulement Placa lateral 1
10 Note B Bolt, Hex HD 1/4-20 x 3.25 Boulon, hex Perno, hex 2
11 0064045 Screw, Torx T30 1/4-20 x 3.50 Vis, Torx T30 Tornillo, Torx T30 2
12 0040832 Nut, Nyloc 1/4-20 Ecrou, nyloc Tuerca, nyloc 8
13 0063912 Assembly, handle bracket Assemblage, support de manche Ensamble, soporte mango 1
14 Note B Washer, at 1/4 Rondelle 1/4 Arandela 1/4 1
15 0063916 Panel, recoil Panneau Panel 1
16 0063914 Bracket, recoil Support Soporte 1
17 0062015 Screw, Torx T30 1/4-20 x .63 Vis, Torx Tornillo, Torx 12
18 0047937 Washer, fender Rondelle, bourrrelet Arandela, protector 12
19 0063922 Mufer Silencieux Silenciador 1
20 0048586 Spacer Entretoise Espaciador 1
21 0063490 Screw, Torx T30 1/4-20 x 1.25 Vis, Torx Tornillo, Torx 1
22 0049846 Clip Attache Presilla 2
23 0047774 Foot, Rubber 106-W Pied, caoutchouc Pie, caucho 2
24 0062007 Screw, Torx T30 1/4-20 x 1.50 Vis, Torx T30 Tornillo, Torx T30 2
25 0064005 Panel, wired Tableau, câble Panel con cable 1
26 0062020 Screw #6-19 x .50 Vis Tornillo 4
27 Note C Assy, Fuel Tank Assemblage, réservoir Ensamble, tanque combustible 1
28 0064479 Cap, Fuel Capuchon, réservoir d’essence Tapa, combustible 1
29 Note B Bolt, Hex 1/4-20 x 1-1/4 Boulon, hex Perno, hex 1
31 0050144 Bolt, Whz 1/4-20 x 3/8 Boulon, whz Perno, whz 2
32 0062673 Fuel bushing Bague d’essence Buje de combustible 1
33 0050298 Switch, rocker Interrupteur Interruptor 1
34 0008854 Lug, Ground Patte, mise à la terre Oreja, tierra 1
35 Note B Bolt, Hex 1/4-20 x 1-1/2 Boulon, hex Perno, hex 1
36 0062093 Washer Nylon .25 ID Rondelle en nylon Arandela del nilón 4
39 0064002 Panel Side Cover Panneau de couverture côté Cubierta lateral panel 1
40 0063913 Shield, Mufer Tole, silencieux Escudo, silenciador 1
41 0062021 Screw, Torx T20 #10-24 x .50 Vis, Torx T20 Tornillo, Torx T20 8
42 0049071 Circuit Breaker, 20A Disjoncteurs Cortacircuitos 1
43 0051367.01 Fuel Filter Epurateur d’essence Filtro de combustible 1
44 0049920 Fuel Shut Off, Inline Fermeture d’essence Apagado combustible, en línea 1
45 0035857 Clamp, Hose 1/2” Crampon, tuyau Abrazadera, manguera 2
46 0055955 Screw CRPH #10-24 x .50 Vis Tornillo 1
47 0062197 Bushing, breather Bague Buje 1
48 0061835 Assembly, duck bill fuel valve Assemblage, Robinet de carburant Ensamble, Válvula combustible 1
49 0051251 Capacitor Condensateur Condensador 1
50 0048677 Bridge Diode Pont Diode Puente Diodo 1
53 0061992 Assembly, Battery Cable Câble pour batterie Batería, cable 1
54 0063921 Assembly, Fuel line Essence ligne assemblée Tubería de alimentación de combustible asamblea 1
987000357 Operator’s Manual Manuel de l’opérateur Manual del operador 1
099950001056 Risk of Fire Danger Label Étiquette de danger sur risque d’incendie Etiqueta de peligro del riesgo de incendio 1
099950001064 Starting Label Étiquette de démarrage Etiqueta de arranque 1
099950001060 Danger Hang Tag Étiquette attachées de danger Etiqueta colgada del peligro 1
099950001058 Large Danger Label Grande étiquette de danger Etiqueta grande de peligro 1
099950001059 Cord Warning Label Étiquette d’avertissement de cordon Etiqueta del cordón 1
099950001054 Logo Label (Front) Étiquette de logo (avant) Etiqueta logotipo (delantero) 1
099950001057 Hot Surface/Ground Warning Label Étiquette d’avertissement de surface
brûlante / terre Etiqueta de advertencia supercie caliente / tierra 1
099950001055 Indoor Use Danger Label Étiquette de danger si utilisé à l’intérieur Etiqueta de peligro al usar dentro 1
099950001053 Logo Label (Side) Étiquette de logo (latérale) Etiqueta logotipo (lateral) 1

38
WARNING:
To avoid possible personal injury or equipment damage, a registered electrician or an authorized service representative should
perform installation and all service. Under no circumstances should an unqualified person attempt to wire into a utility circuit.
AVERTISSEMENT :
Pour éviter toute blessure personnelle ou dommage à l’équipement, l’installation et tout entretien devralent être effectués par
un électricien qualifié ou un préposé au service autorisé. En aucun cas, une personne non-qualifiée ne devrait essayer de faire
le raccord au circuit principal.
ADVERTENCIA:
Para evitar posibles lesiones físcas o daños materiales, es necesario que la instalación y todo el servicio sea realizado por un
electricista matriculado o representatnte de servicio autorizado. Bajo ninguna circunstancia debe permitirse que una persona
que no está capacitad trate de manipular cables dentro del circuito de servicio eléctrico.
NOTE A: Homelite Consumer Products, Inc., will not provide engines as replacement parts. Engines are covered through the engine
manufacturer’s warranty. Consult the accompanying engine manual or contact our service department for assistance.
NOTE B: These are standard parts available at your local hardware store.
NOTE C: Contact your nearest Homelite® Service Center for replacement fuel tanks.
REMARQUE A : Homelite Consumer Products, Inc., ne fournit pas de moteurs dans ses pièces détachées. Les moteurs sont
couverts par la garantie du fabricant de moteurs. Consulter le manuel du moteur inclus ou contacter notre département de service
après-vente pour toute assistance.
REMARQUE B : Ces pièces sont des pièces standard disponibles en quincaillerie.
REMARQUE C : Pour commander un réservoir de rechange, contacter Centre de service Homelite® le plus proche.
NOTA A: Homelite Consumer Products, Inc., no proporcionará los motores como repuestos. Los motores están cubiertos por
medio de la garantía del fabricante del motor. Consulte el manual adjunto del motor o comuníquese con nuestro departamento de
servicio para recibir ayuda al respecto.
NOTA B: Estas son piezas estándar disponibles en su ferretería local.
NOTA C: Para hacer pedidos de tanques, localice el Centro de Servicio de Homelite® más cercano.

39
NOTES / REMARQUES / NOTAS

1428 Pearman Dairy Rd.
Anderson, SC 29625
1-800-242-4672
www.homelite.com
987000-357
7-9-08 (REV:02)
Record the model and serial numbers as indicated on your Generator’s nameplate:
Model No. _______________________ Serial No. ____________________________
Enregistrer le code du modèle et le numéro de série figurant sur la plaque signalétique du
groupe électrogène:
Nº de modèle ____________________ Nº de série ___________________________
Registre los números de modelo y de serie como se indica en la placa del nombre de su
generador:
No. de modelo ___________________ No. de serie __________________________
STOP ALTO
ARRÊT
DO NOT RETURN TO STORE! NO LO DEVUELVA A LA TIENDA!
NE PAS RETOURNER AU MAGASIN!
CALL US FIRST! ¡PRIMERO LLÁMENOS!
APPELEZ–NOUS D’ABORD!
CUSTOMER HOTLINE LÍNEA DIRECTA DE ATENCIÓN
ASSISTANCE TELEPHONIQUE
1-800-242-4672
FOR QUESTIONS OR
SERVICE INFORMATION
AL CLIENTE
1-800-242-4672
PARA la INFORMACION de
PREGUNTAS O SERVICIO
A LA CLIENTELE
1-800-242-4672
POUR L’INFORMATION DE
QUESTIONS OU SERVICE