Honda Em3500Sx Ea6 1111465 Through 9999999 Owners Manual
2014-11-13
: Honda Honda-Em3500Sx-Ea6-1111465-Through-9999999-Owners-Manual-108373 honda-em3500sx-ea6-1111465-through-9999999-owners-manual-108373 honda pdf
Open the PDF directly: View PDF
.
Page Count: 63


The generator is a potential source of electrical shock if misused. Do
not expose the generator to moisture, rain or snow. Do not let the
generator get wet, and do not operate it with wet hands.
Keep this owner’s manual handy, so you can refer to it at any time.
This owner’s manual is considered a permanent part of the generator
and should remain with the generator if resold.
The information and specifications included in this publication were in
effect at the time of approval for printing. Honda Motor Co., Ltd.
reserves the right, however, to discontinue or change specifications or
design at any time without notice and without incurring any obligation
whatever. No part of this publication may be reproduced without
written permission.
The engine exhaust from this product
contains chemicals known to the State
of California to cause cancer, birth
defects or other reproductive harm.
01/07/23 12:05:54 31ZB4800_001

1
Congratulations on your selection of a Honda generator. We are
certain you will be pleased with your purchase of one of the finest
generators on the market.
We want to help you get the best results from your new generator and
to operate it safely. This manual contains the information on how to
do that; please read it carefully.
As you read this manual, you will find information preceded by a
symbol. That information is intended to help you avoid
damage to your generator, other property, or the environment.
We suggest you read the warranty policy to fully understand its
coverage and your responsibilities of ownership. The warranty policy
is a separate document that should have been given to you by your
dealer.
When your generator needs scheduled maintenance, keep in mind
that your Honda servicing dealer is specially trained in servicing
Honda generators. Your authorized Honda servicing dealer is
dedicated to your satisfaction and will be pleased to answer your
questions and concerns.
Best Wishes,
Honda Motor Co., Ltd.
01/07/23 12:06:00 31ZB4800_002

−
−
−
−
−
−
2
A FEW WORDS ABOUT SAFETY
Safety Labels
Safety Messages
Safety Headings
Safety Section
Instructions
To help you make informed decisions about safety, we have provided
operating procedures and other information on labels and in this
manual. This information alerts you to potential hazards that could
hurt you or others.
Of course, it is not practical or possible to warn you about all the
hazards associated with operating or maintaining a generator. You
must use your own good judgement.
You will find important safety information in a variety of forms,
including:
on the generator.
preceded by a safety alert symbol and one
of three signal words, DANGER, WARNING, or CAUTION.
These signal words mean:
be or if
you don’t follow instructions.
be or if
you don’t follow instructions.
be if you don’t follow instruc-
tions.
such as
such as
This entire book is filled with important safety information please
read it carefully.
Your safety and the safety of others are very important. And using
this generator safely is an important responsibility.
how to use this generator correctly and safely.
You WILL KILLED SERIOUSLY HURT
You CAN KILLED SERIOUSLY HURT
You CAN HURT
IMPORTANT SAFET Y
INFORMATION.
GENERATOR SAFETY.
01/07/23 12:06:13 31ZB4800_003

3
CONTENTS
......................................................................................................SAFETY . 5
..............................................................SAFETY LABEL LOCATIONS . 5
.....................................................................SAFETY INFORMATION . 7
..............................................................COMPONENT IDENTIFICATION . 9
..............................................................................................CONTROLS . 11
....................................................................................Engine Switch . 11
.....................................................................................Recoil Starter . 11
................................................................................Fuel Valve Lever . 12
..........................................................................................Choke Rod . 12
...................................................................................Circuit Breaker . 13
................................................................................Circuit Protector . 13
...............................................................................Ground Terminal . 13
..............................................................................Oil Alert System . 14
........................................................................Auto-throttle System . 14
..........................................................................................Pilot Lamp . 15
..........................................................................................Volt Meter . 15
............................Voltage Selector Switch (Dual Voltage System) . 15
.....................................................................................DC Terminals . 16
..........................................................................DC Circuit Protector . 16
...................................................................................GENERATOR USE . 17
..................................Connections to a Building Electrical System . 17
.................................................................................Ground System . 17
.................................................................................AC Applications . 18
.....................................................................................AC Operation . 19
...................................................................AC Receptacle Selection . 20
.....................................................................................DC Operation . 21
....................................................Disconnecting the battery cables . 22
........................................................................Auto-throttle System . 23
....................................................................High Altitude Operation . 24
.......................................................................PRE-OPERATION CHECK . 25
..........................................................................................Engine Oil . 25
.....................................................................Fuel Recommendation . 26
........................................................................STARTING THE ENGINE . 29
........................................................................STOPPING THE ENGINE . 30
01/07/23 12:06:18 31ZB4800_004

4
......................................................................................MAINTENANCE . 31
......................................................The Importance of Maintenance . 31
..........................................................................Maintenance Safety . 32
............................................Emission Control System Information . 33
.............................................................................................Air Index . 36
.....................................................................Maintenance Schedule . 37
............................................................................Engine Oil Change . 38
...........................................................................Air Cleaner Service . 39
...........................................................Fuel Sediment Cup Cleaning . 40
............................................................................Spark Plug Service . 41
............................................................Spark Arrester Maintenance . 42
..................................................................TRANSPORTING/STORAGE . 43
.............................................................................TROUBLESHOOTING . 45
.................................................................................WIRING DIAGRAM . 47
....................................................................................SPECIFICATIONS . 48
.................................................INSTALLATION OF OPTIONAL PARTS . 49
.................................................WARRANTY SERVICE INFORMATION . 55
......................................................................................................INDEX . 56
01/07/23 12:06:21 31ZB4800_005

5
SAFETY
SAFETY LABEL LOCATIONS
If a label comes off or becomes hard to read, contact your Honda
generator dealer for a replacement.
These labels warn you of potential hazards that can cause serious
injury. Read them carefully.
01/07/23 12:06:50 31ZB4800_006

6
01/07/23 12:07:04 31ZB4800_007

7
SAFETY INFORMATION
Operator Responsibility
Carbon Monoxide Hazards
Honda generators are designed to give safe and dependable service if
operated according to instructions. Read and understand this owner’s
manual before operating your generator. You can help prevent
accidents by being familiar with your generator’s controls, and by
observing safe operating procedures.
If you run the generator in an area that is confined, or even partially
enclosed, the air you breathe could contain a dangerous amount of
exhaust gas. To keep exhaust gas from accumulating, provide
adequate ventilation.
Know how to stop the generator quickly in case of emergency.
Understand the use of all generator controls, output receptacles,
and connections.
Be sure that anyone who operates the generator receives proper
instruction. Do not let children operate the generator without
parental supervision.
Exhaust contains poisonous carbon monoxide, a colorless and
odorless gas. Breathing exhaust can cause loss of consciousness
and may lead to death.
01/07/23 12:07:12 31ZB4800_008

−
−
−
8
Electric Shock Hazards
Fire and Burn Hazards
The generator produces enough electric power to cause a serious
shock or electrocution if misused.
Using a generator or electrical appliance in wet conditions, such as
rain or snow, or near a pool or sprinkler system, or when your hands
are wet, could result in electrocution. Keep the generator dry.
If the generator is stored outdoors, unprotected from the weather,
check all electrical components on the control panel, before each
use. Moisture or ice can cause a malfunction or short circuit in
electrical components which could result in electrocution.
Do not connect to a building electrical system unless an isolation
switch has been installed by a qualified electrician.
The exhaust system gets hot enough to ignite some materials.
Keep the generator at least 3 feet (1 meter) away from buildings
and other equipment during operation.
Do not enclose the generator in any structure.
Keep flammable materials away from the generator.
The muffler becomes very hot during operation and remains hot for
a while after stopping the engine. Be careful not to touch the muffler
while it is hot. Let the engine cool before storing the generator
indoors.
Gasoline is extremely flammable and is explosive under certain
conditions. Do not smoke or allow flames or sparks where the
generator is refueled or where gasoline is stored. Refuel in a well-
ventilated area with the engine stopped.
Fuel vapors are extremely flammable and may ignite after the
engine has started. Make sure that any spilled fuel has been wiped
up before starting the generator.
01/07/23 12:07:23 31ZB4800_009

9
COMPONENT IDENTIFICATION
ENGINE SWITCH
OIL FILLER CAP
OIL DRAIN PLUG
ENGINE SERIAL NUMBER
CHOKE ROD
VOLT METER PILOT LAMP
GROUND TERMINAL
AC CIRCUIT BREAKER
VOLTAGE SELECTOR SWITCH
FUEL
VALVE
LEVER
AIR
CLEANER AC
RECEPTACLES
AUTO-THROTTLE
SWITCH
DC OUTPUT
TERMINAL
DC CIRCUIT
PROTECTOR
RECOIL
STARTER
GRIP
AC CIRCUIT
PROTECTOR
01/07/23 12:07:38 31ZB4800_010

10
MUFFLER
FRAME SERIAL NUMBER
FUEL TANK CAP FUEL METER
SPARK PLUG
CAP
Engine serial number:
Frame serial number:
Record the engine and frame serial numbers for your future
reference. Refer to these serial numbers when ordering parts, and
when making technical or warranty inquiries (see page ).
*
55
01/07/23 12:07:47 31ZB4800_011

11
CONTROLS
ENGINE SWITCH
RECOIL STARTER
Key position:
OFF:
ON:
START:
ENGINE SWITCH
START
ON
OFF
STARTER GRIP
To start and stop the engine.
To stop the engine. Key can be removed/inserted.
To run the engine after starting.
To start the engine by operating the starter motor.
Return the key to the ON position once the engine has started. Do not
use the starter for more than 5 seconds at a time. If the engine fails to
start, release the switch and wait 10 seconds before operating the
starter again.
To start the engine, pull the starter grip lightly until resistance is felt,
then pull briskly.
Do not allow the starter grip to snap back against the engine. Return it
gently to prevent damage to the starter.
01/07/23 12:08:00 31ZB4800_012

12
CHOKE ROD
FUEL VALVE LEVER
OPEN
CLOSED
OFF
ON
FUEL VALVE LEVER
CHOKE ROD
The fuel valve is located between the fuel tank and carburetor. When
the valve lever is in the ON position, fuel is allowed to flow from the
fuel tank to the carburetor. Be sure to return the fuel valve lever to the
OFF position after stopping the engine.
The choke is used to provide an enriched fuel mixture when starting a
cold engine. It can be opened and closed by operating the choke rod
manually. Pull the rod out toward CLOSED to enrich the mixture for
cold starting.
01/07/23 12:08:09 31ZB4800_013

13
CIRCUIT BREAKER
CIRCUIT PROTECTOR
GROUND TERMINAL
AC CIRCUIT BREAKER
GROUND TERMINAL
ON
OOFFFF
ON
OFF
AC CIRCUIT PROTECTOR
The AC circuit breaker will automatically switch OFF if there is a short
circuit or an overload of the generator at the AC receptacle. If the AC
circuit breaker is switched OFF automatically, check that the appliance
is working properly and does not exceed the rated load capacity of the
AC circuit before switching the AC circuit breaker ON again.
The AC circuit breaker may be used to switch the generator AC power
ON or OFF.
The circuit protectors will automatically switch OFF if there is a short
circuit or a significant overload of the generator at the 120V 20A or
120/240V 20A locking plug receptacle. If a circuit protector switches
OFF automatically, check that the appliance is working properly and
does not exceed the rated load capacity of the circuit before resetting
the circuit protector to the ON position.
The generator ground terminal is connected to the frame of the
generator, the metal non-current-carrying parts of the generator, and
the ground terminals of each receptacle.
Before using the ground terminal, consult a qualified electrician,
electrical inspector or local agency having jurisdiction for local codes
or ordinances that apply to the intended use of the generator.
01/07/23 12:08:20 31ZB4800_014

14
OIL ALERT SYSTEM
Auto-throttle System
AUTO:
OFF:
AUTO
OFF
OIL FILLER HOLE
AUTO-THROTTLE
SWITCH
UPPER
LEVEL
OIL FILLER CAP
The auto-throttle system automatically reduces engine speed when all
loads are turned off or disconnected. When appliances are turned on
or reconnected, the engine returns to the rated speed.
Recommended to minimize fuel consumption and further
reduce noise levels when no load is applied to the generator.
The auto-throttle system does not operate.
Recommended to minimize warm-up time when the
generator is started.
The Oil Alert system is designed to prevent engine damage caused
by an insufficient amount of oil in the crankcase. Before the oil level in
the crankcase can fall below a safe limit, the Oil Alert system will
automatically stop the engine (the engine switch will remain in the ON
position).
If the engine stops and will not restart, check the engine oil level (see
page ) before troubleshooting in other areas.
25
01/07/23 12:08:33 31ZB4800_015

15
VOLTAGE SELECTOR SWITCH (DUAL VOLTAGE SYSTEM)
Pilot Lamp
Volt Meter
120/240V:
120V ONLY:
120V
VOLT METER
VOLTAGE SELECTOR
SWITCH
112200224400VV
PILOT LAMP
The voltage selector switches the main power carrying windings of the
generator to produce ‘‘120V ONLY’’ or ‘‘120/240V’’. If a 240V appliance
is connected to the 4-prong receptacle, the switch must be in the ‘‘120/
240V’’ position. If only a 120V appliance is being connected to any of
the 120V 3-prong receptacles, select the ‘‘120V ONLY’’ position.
The pilot lamp is illuminated when the generator is operating normally.
It indicates that the generator is producing electrical power at the 120
or 120/240 volt receptacles. If the pilot light is illuminated, the volt
meter should be displaying 120 or 240 volts depending on the position
of the voltage selector switch.
When the auto-throttle is in the AUTO position, and there is no load
connected to the generator, the engine will run slower and the pilot
light will be dimmer than at normal operating speed.
The volt meter displays the voltage the generator is producing
depending on the position of the voltage selector switch. If the voltage
selector switch is in the ‘‘120/240V’’ position, the volt meter will
display 240 volts. If the voltage selector switch is in the ‘‘120V ONLY’’
position, the volt meter will display 120 volts.
The 120V and 120/240V receptacles can be used
simultaneously.
ONLY the 120V receptacles can be used. Do not use the
120/240V receptacle in this position. Rated power will
be available at the 120V twist lock receptacle.
01/07/23 12:08:42 31ZB4800_016

+
−
16
DC Terminals
DC CIRCUIT PROTECTOR
DC CIRCUIT
PROTECTOR
NEGATIVE TERMINAL
(BLACK) POSITIVE TERMINAL
(RED)
The DC terminals may ONLY be used for charging 12 volt automotive
type batteries.
The terminals are colored red to identify the positive ( ) terminal and
black to identify the negative ( ) terminal. The battery must be
connected to the generator DC terminals with the proper polarity
(battery positive to generator red terminal and battery negative to the
generator black terminal).
The DC circuit protector automatically shuts off the DC battery
charging circuit when the DC charging circuit is overloaded, when
there is a problem with the battery, or when the connections between
the battery and the generator are improper.
01/07/23 12:08:50 31ZB4800_017

17
GENERATOR USE
CONNECTIONS TO A BUILDING ELECTRICAL SYSTEM
Improper connections to a building electrical system can allow
electrical current from the generator to backfeed into the utility lines.
Such backfeed may electrocute utility company workers or others
who contact the lines during a power outage, and the generator may
explode, burn, or cause fires when utility power is restored. Consult
the utility company or a qualified electrician.
GROUND SYSTEM
SPECIAL REQUIREMENTS
There may be Federal or State Occupational Safety and Health
Administration (OSHA) regulations, local codes, or ordinances that
apply to the intended use of the generator. Please consult a qualified
electrician, electrical inspector, or the local agency having jurisdiction.
Connections for standby power to a building electrical system must be
made by a qualified electrician. The connection must isolate the
generator power from utility power, and must comply with all
applicable laws and electrical codes. A transfer switch, which isolates
generator power from utility power, is available through authorized
Honda generator dealers.
Honda portable generators have a system ground that connects
generator frame components to the ground terminals in the AC output
receptacles. The system ground is not connected to the AC neutral
wire. If the generator is tested by a receptacle tester, it will not show
the same ground circuit condition as for a home receptacle.
If the generator is used at a construction site, there may be
additional regulations which must be observed.
In some areas, generators are required to be registered with local
utility companies.
01/07/23 12:08:58 31ZB4800_018

18
AC APPLICATIONS
Before connecting an appliance or power cord to the generator:
Make sure that it is in good working order. Faulty appliances or
power cords can create a potential for electrical shock.
If an appliance begins to operate abnormally, becomes sluggish or
stops suddenly, turn it off immediately. Disconnect the appliance,
and determine whether the problem is the appliance, or if the rated
load capacity of the generator has been exceeded.
Make sure that the electrical rating of the tool or appliance does not
exceed that of the generator. Never exceed the maximum power
rating of the generator. Power levels between rated and maximum
may be used for no more than 30 minutes.
Limit operation requiring maximum power to 30 minutes.
Maximum power is:
For continuous operation, do not exceed the rated power.
Rated power is:
The total power requirements (VA) of all appliances connected must
be considered. Appliance and power tool manufacturers usually list
rating information near the model number or serial number.
3.5 kVA
3.0 kVA
Substantial overloading will open the circuit breaker. Exceeding the
time limit for maximum power operation or slightly overloading the
generator may not switch the circuit breaker OFF, but will shorten the
service life of the generator.
01/07/23 12:09:08 31ZB4800_019

19
AC OPERATION
VOLTAGE SELECTOR
SWITCH AC CIRCUIT
BREAKER
Start the engine (see page ).
Turn the voltage selector switch to either position.
With the voltage selector switch in the ‘‘120/240V’’ position, you can
use the 120V and 120/240V receptacles simultaneously. If you are NOT
using the 120/240V receptacle, but require more power from the 120V
locking plug receptacle, then select the ‘‘120V ONLY’’ position.
Switch ON the AC circuit breaker.
Plug in the appliance.
Most motorized appliances require
more than their rated wattage for
startup.
Do not exceed the current limit specified for any one receptacle. If an
overloaded circuit causes the AC circuit breaker to switch OFF, reduce
the electrical load on the circuit, wait a few minutes and then reset the
AC circuit breaker.
1.
2.
3.
4.
29
01/07/23 12:09:18 31ZB4800_020

+
20
AC RECEPTACLE SELECTION
Main power circuit
Main Circuit I
Main Circuit II
Receptacles powered
by each main circuit Power distribution
120V 30A
120V 20A
120/240V 20A
(LOCKING PLUG)
The generator has two separate main power producing circuits.
These two circuits supply equal power to different receptacles
shown when the voltage selector switch is in the 120/240V
position.
When two or more receptacles are used; prevent overloading by
dividing the load between the two power circuits.
The chart below shows the rated load in amperes that can be
connected to each receptacle to balance the generator.
The total rated ampere draw is 25.0A.
The table shows the specifications when the 120/240V locking
plug receptacle is used for 120V.
2and3
1
2 4=12.5A max.
1=12.5A max.
Example:
Receptacle 2 has a 10A load connected to it. Receptacle 3 has a 10
A load connected to it. Both receptacles are powered by main
power circuit I. The equation tells us that the total power draw on
circuit I is 20A. This is a substantial overload of this circuit. To
eliminate the excess power draw on circuit I, the load from
receptacle 2 should be switched to receptacle 1. Now circuit I is
powering the 10A load (less than 12.5A) and circuit II is powering
the 10A load (less than 12.5A).
01/07/23 12:09:27 31ZB4800_021

−
++
+
+
−−
−
−
21
DC OPERATION
Connecting the battery cables:
The battery gives off explosive gases; keep sparks, flames and
cigarettes away. Provide adequate ventilation when charging or
using batteries.
Wash hands after handling.
DC CIRCUIT
PROTECTOR
POSITIVE TERMINAL
(RED)
NEGATIVE TERMINAL
(BLACK)
The DC terminals may ONLY be used for charging 12 volt automotive
type batteries.
Before connecting the battery charging cable to a battery that is
installed in a vehicle, disconnect the vehicle ground battery cable
from the battery negative ( ) terminal.
Connect the positive ( ) battery cable to the battery positive ( )
terminal.
Connect the other end of the positive ( ) battery cable to the
generator positive ( ) terminal.
Battery posts, terminals and related accessories contain lead and
lead compounds.
Start the generator.
Connect the negative ( ) battery cable to the battery negative ( )
terminal.
Connect the other end of the negative ( ) battery cable to the
generator negative ( ) terminal.
Do not start the vehicle while the battery charging cable is connected
and the generator is running. The vehicle or the generator may be
damaged.
1.
2.
3.
4.
5.
6.
01/07/23 12:09:38 31ZB4800_022

−
+
+
+
+
−
−
−
−
22
Disconnecting the battery cables:
DC CIRCUIT
PROTECTOR
NEGATIVE TERMINAL
(BLACK) POSITIVE TERMINAL
(RED)
Reconnect the vehicle grounded battery cable.
Connect the vehicle ground battery cable to the battery negative ( )
terminal.
Disconnect the positive ( ) battery cable from the generator
positive ( ) terminal.
Disconnect the other end of the positive ( ) battery cable from the
battery positive ( ) terminal.
Disconnect the negative ( ) battery cable from the generator
negative ( ) terminal.
Disconnect the other end of the negative ( ) battery cable from the
battery negative ( ) terminal.
Stop the engine.
An overloaded DC circuit, excessive current draw by the battery, or a
wiring problem will trip the DC circuit protector (PUSH button extends
out). If this happens, wait a few minutes before pushing in the circuit
protector to resume operation. If the circuit protector continues to go
OFF, discontinue charging and see your authorized Honda generator
dealer.
1.
2.
3.
4.
5.
6.
7.
01/07/23 12:09:47 31ZB4800_023

23
Auto-throttle System
OFF
AUTO-THROTTLE
SWITCH
AUTO
With the switch in the AUTO position, engine speed is automatically
reduced when ALL loads are turned OFF or disconnected. When
appliances are turned ON or reconnected, the engine returns to rated
speed. In the OFF position, the auto-throttle system does not operate.
The auto-throttle system will not respond to electrical loads of less
than 1 ampere. Turn the auto-throttle to the OFF position to operate
loads of less than 1 amp.
Appliances with large start-up power demands may not allow the
engine to reach normal operating rpm when they are connected to the
generator. Turn the auto-throttle to the OFF position and connect the
appliance to the generator. If the engine still will not reach normal
operating speed, check that the appliance does not exceed the rated
load capacity of the generator.
To avoid extended warm-up periods, keep the switch OFF until the
engine reaches operating temperature.
The auto-throttle system is not effective for use with appliances that
require only momentary power. If the tool or appliance will be turned
ON and OFF quickly, the auto-throttle switch should be in the OFF
position.
01/07/23 12:09:56 31ZB4800_024

24
HIGH ALTITUDE OPERATION
At high altitude, the standard carburetor air-fuel mixture will be too
rich. Performance will decrease, and fuel consumption will increase. A
very rich mixture will also foul the spark plug and cause hard starting.
Operation at an altitude that differs from that at which this engine was
certified, for extended periods of time, may increase emissions.
High altitude performance can be improved by specific modifications
to the carburetor. If you always operate your generator at altitudes
above 5,000 feet (1,500 meters), have your servicing dealer perform
this carburetor modification. This engine, when operated at high
altitude with the carburetor modifications for high altitude use, will
meet each emission standard throughout its useful life.
Even with carburetor modification, engine horsepower will decrease
about 3.5% for each 1,000-foot (300-meter) increase in altitude. The ef-
fect of altitude on horsepower will be greater than this if no carburetor
modification is made.
When the carburetor has been modified for high altitude operation,
the air-fuel mixture will be too lean for low altitude use. Operation at
altitudes below 5,000 feet (1,500 meters) with a modified carburetor
may cause the engine to overheat and result in serious engine damage.
For use at low altitudes, have your servicing dealer return the
carburetor to original factory specifications.
01/07/23 12:10:02 31ZB4800_025

25
PRE-OPERATION CHECK
ENGINE OIL
OIL FILLER HOLE
OIL FILLER CAP
UPPER LEVEL
AMBIENT TEMPERTURE
SAE Viscosity Grades
Engine oil is a major factor affecting engine performance and service
life. Non detergent and 2-stroke engine oils will damage the engine
and are not recommended.
ChecktheoillevelBEFORE
EACH USE with the generator on
a level surface and the engine
stopped.
SAE 10W-30 is recommended for general, all-temperature use. Other
viscosities shown in the chart may be used when the average
temperature in your area is within the indicated range.
Remove the oil filler cap and wipe the dipstick clean.
Check the oil level by inserting the dipstick into the filler neck
without screwing it in.
If the level is low, fill to the top of the oil filler neck with the
recommended oil.
Use 4-stroke motor oil that
meets or exceeds the require-
ments for API service classifi-
cation SJ. Always check the API
SERVICE label on the oil contain-
er to be sure it includes the let-
ters SJ.
1.
2.
3.
01/07/23 12:10:14 31ZB4800_026

26
Gasoline is extremely flammable and is explosive under certain
conditions.
Refuel in a well-ventilated area with the engine stopped. Do not
smoke or allow flames or sparks in the area where the engine is
refueled or where gasoline is stored.
Do not overfill the fuel tank (there should be no fuel in the filler
neck). After refueling, make sure the tank cap is closed properly and
securely.
Fuel tank capacity:
Avoid repeated or prolonged contact with skin or breathing of
vapor.
KEEP OUT OF REACH OF CHILDREN.
Be careful not to spill fuel when refueling. Spilled fuel or fuel vapor
may ignite. If any fuel is spilled, make sure the area is dry before
starting the engine.
FUEL RECOMMENDATION
FUEL STRAINERFUEL TANK CAP
FUEL LEVEL GAUGE
Check the fuel level gauge.
Refill the tank if the fuel level is low. Do not fill above the shoulder of
the fuel strainer.
Never use stale or contaminated gasoline or an oil/gasoline mixture.
Avoid getting dirt or water in the fuel tank.
Use unleaded gasoline with a pump octane rating of 86 or higher.
This engine is certified to operate on unleaded gasoline.
Unleaded gasoline produces fewer engine and spark plug deposits
and extends exhaust system life.
4.49 US gal (17.0 , 3.74 Imp gal)
1.
2.
01/07/23 12:10:28 31ZB4800_027

27
Occasionally you may hear a light ‘‘spark knock’’ or ‘‘pinging’’
(metallic rapping noise) while operating under heavy loads. This is no
cause for concern.
If spark knock or pinging occurs at a steady engine speed, under
normal load, change brands of gasoline. If spark knock or pinging
persists, see an authorized Honda generator dealer.
Running the engine with persistent spark knock or pinging can cause
engine damage.
Running the engine with persistent spark knock or pinging is misuse,
and the
Distributor’s Limited Warranty
does not cover parts damaged
by misuse.
01/07/23 12:10:34 31ZB4800_028

28
Oxygenated Fuels
ETHANOL
MTBE
METHANOL
Some conventional gasolines are being blended with alcohol or an
ether compound. These gasolines are collectively referred to as
oxygenated fuels. To meet clean air standards, some areas of the
United States and Canada use oxygenated fuels to help reduce
emissions.
If you use an oxygenated fuel, be sure it is unleaded and meets the
minimum octane rating requirement.
Before using an oxygenated fuel, try to confirm the fuel’s contents.
Some states/provinces require this information to be posted on the
pump.
The following are the EPA approved percentages of oxygenates:
(methyl or wood alcohol) 5% by volume
Youmayusegasolinecontainingupto5%
methanol by volume as long as it also contains
cosolvents and corrosion inhibitors to protect the
fuel system. Gasoline containing more than 5%
methanol by volume may cause starting and/or
performance problems. It may also damage metal,
rubber, and plastic parts of your fuel system.
If you notice any undesirable operating symptoms, try another service
station or switch to another brand of gasoline.
Fuel system damage or performance problems resulting from the use
of an oxygenated fuel containing more than the percentages of
oxygenates mentioned above are not covered under warranty.
(methyl tertiary butyl ether) 15% by volume
You may use gasoline containing up to 15% MTBE
by volume.
(ethyl or grain alcohol) 10% by volume
You may use gasoline containing up to 10% ethanol
by volume. Gasoline containing ethanol may be
marketed under the name ‘‘Gasohol’’.
01/07/23 12:10:44 31ZB4800_029

29
STARTING THE ENGINE
Make sure that the AC circuit breaker is in the OFF position. The
generator may be hard to start if a load is connected.
Do not allow the starter grip to snap back against the engine. Return it
gently to prevent damage to the starter or housing.
The automatic choke will be closed if the engine is cold. If you want
to operate the choke manually, pull the choke rod out to the CLOSED
position.
Make sure the auto-throttle switch is in the OFF position, or more
time will be required for warm up.
Turn the engine switch to the ON position.
Pull the starter grip lightly until resistance is felt, then pull briskly.
With electric starter:
Connect the battery cables to the generator. (page )
Turn the engine switch to the START position and hold it there for 5
seconds or until the engine starts.
When the engine starts, allow the engine switch to return to the ON
position.
If you have manually closed the choke, push it to the OPEN position
as the engine warms up.
If you wish to use the auto-throttle system, turn the auto-throttle
switch to the AUTO position after the engine has warmed up for 2
or 3 minutes.
Turn the fuel valve lever to the ON position.
Operating the starter motor for more than 5 seconds can damage
the motor. If the engine fails to start, release the switch and wait 10
seconds before operating the starter again.
If the speed of the starter motor drops after a period of time, it is an
indication that the battery should be recharged.
1.
2.
3.
4.
5.
6.
7.
8.
1.
2.
(Optional kit) 53
01/07/23 12:10:59 31ZB4800_030

30
STOPPING THE ENGINE
In normal use:
In an emergency:
To stop the engine in an emergency, move the engine switch to the
OFF position.
Disconnect DC battery charging cables.
Turn the AC circuit breaker to the OFF position.
Turn the engine switch to the OFF position.
Turn the fuel valve lever to the OFF position.
1.
1.
2.
3.
01/07/23 12:11:06 31ZB4800_031

31
MAINTENANCE
THE IMPORTANCE OF MAINTENANCE
Maintenance, replacement, or repair of the emission control devices
and systems may be performed by any engine repair establishment
or individual, using parts that are ‘‘certified’’ to EPA standards.
Improper maintenance, or failure to correct a problem before
operation, can cause a malfunction in which you can be seriously
hurt or killed.
Always follow the inspection and maintenance recommendations
and schedules in this owner’s manual.
Good maintenance is essential for safe, economical, and trouble-free
operation. It will also help reduce air pollution.
The maintenance schedule applies to normal operating conditions. If
you operate your generator under severe conditions, such as
sustained high-load or high-temperature operation, or use it in
unusually wet or dusty conditions, consult your servicing dealer for
recommendations applicable to your individual needs and use.
To help you properly care for your generator, the following pages
include a maintenance schedule, routine inspection procedures, and
simple maintenance procedures using basic hand tools. Other service
tasks that are more difficult, or require special tools, are best handled
by professionals and are normally performed by a Honda technician
or other qualified mechanic.
01/07/23 12:11:14 31ZB4800_032

−
−
−
32
MAINTENANCE SAFETY
Failure to properly follow maintenance instructions and precautions
can cause you to be seriously hurt or killed.
Always follow the procedures and precautions in the owner’s manual.
Safety Precautions
Carbon monoxide poisoning from engine exhaust.
Burns from hot parts.
Injury from moving parts.
Some of the most important safety precautions follow. However, we
cannot warn you of every conceivable hazard that can arise in
performing maintenance. Only you can decide whether or not you
should perform a given task.
Read the instructions before you begin, and make sure you have the
tools and skills required.
To reduce the possibility of fire or explosion, be careful when
working around gasoline. Use only a nonflammable solvent, not
gasoline, to clean parts. Keep cigarettes, sparks, and flames away
from all fuel-related parts.
Remember that your servicing dealer knows your generator best and
is fully equipped to maintain and repair it.
To ensure the best quality and reliability, use only new, genuine
Honda parts or their equivalents for repair or replacement.
Make sure the engine is off before you begin any maintenance or
repairs. This will eliminate several potential hazards:
Be sure there is adequate ventilation whenever you operate the
engine.
Let the engine and exhaust system cool before touching.
Do not run the engine unless instructed to do so.
01/07/23 12:11:25 31ZB4800_033

33
EMISSION CONTROL SYSTEM INFORMATION
Source of Emissions
The U.S. and California Clean Air Acts
Tampering and Altering
The combustion process produces carbon monoxide, oxides of
nitrogen, and hydrocarbons. Control of hydrocarbons and oxides of
nitrogen is very important because, under certain conditions, they
react to form photochemical smog when subjected to sunlight.
Carbon monoxide does not react in the same way, but it is toxic.
Honda utilizes lean carburetor settings and other systems to reduce
the emissions of carbon monoxide, oxides of nitrogen, and
hydrocarbons.
Tampering with or altering the emission control system may increase
emissions beyond the legal limit. Among those acts that constitute
tampering are:
EPA and California regulations require all manufacturers to furnish
written instructions describing the operation and maintenance of emis-
sion control systems.
The following instructions and procedures must be followed in order
to keep the emissions from your Honda engine within the emission
standards.
Removal or alteration of any part of the intake, fuel, or exhaust
systems.
Altering or defeating the governor linkage or speed-adjusting
mechanism to cause the engine to operate outside its design
parameters.
01/07/23 12:11:34 31ZB4800_034

34
Problems That May Affect Emissions
If you are aware of any of the following symptoms, have your
engine inspected and repaired by your servicing dealer.
Hard starting or stalling after starting.
Rough idle.
Misfiring or backfiring under load.
Afterburning (backfiring).
Black exhaust smoke or high fuel consumption.
01/07/23 12:11:38 31ZB4800_035

35
Replacement Parts
Maintenance
Follow the maintenance schedule on page . Remember that this
schedule is based on the assumption that your machine will be used
for its designed purpose. Sustained high-load or high-temperature
operation, or use in unusually wet or dusty conditions, will require
more frequent service.
The emission control systems on your Honda engine were designed,
built, and certified to conform with EPA and California emission
regulations. We recommend the use of genuine Honda parts
whenever you have maintenance done. These original-design
replacement parts are manufactured to the same standards as the
original parts, so you can be confident of their performance. The use
of replacement parts that are not of the original design and quality
may impair the effectiveness of your emission control system.
A manufacturer of an aftermarket part assumes the responsibility that
the part will not adversely affect emission performance. The
manufacturer or rebuilder of the part must certify that use of the part
will not result in a failure of the engine to comply with emission
regulations.
37
01/07/23 12:11:43 31ZB4800_036

−
−
−
36
AIR INDEX
An Air Index Information hang tag/label was applied to this engine in
accordance with the requirements of the California Air Resources
Board.
The bar graph is intended to provide you, our customer, the ability to
compare the emissions performance of available engines. The lower
the Air Index, the less pollution.
The durability description is intended to provide you with information
relating to the engine’s emission durability period. The descriptive
term indicates the useful-life period for the engine’s emission control
system. See your
Emission Control Warranty
for additional
information.
The Air Index Information hang tag must remain on the generator until
it is sold. Remove the hang tag before operating the generator.
300 hours (0 65 cc)
500 hours (greater than 65 cc)
125 hours (0 65 cc)
250 hours (greater than 65 cc)
50 hours (0 65 cc)
125 hours (greater than 65 cc)
Extended
Intermediate
Moderate
Applicable to Emissions Durability PeriodDescriptive Term
01/07/23 12:11:54 31ZB4800_037

37
MAINTENANCE SCHEDULE
ITEM Before
each
use
First
month
or
20 Hrs.
Every
3 months
or
50 Hrs.
(1)
Performed at every indicated
month or operating hour inter-
val, whichever comes first.
REGULAR SERVICE PERIOD (3) Every
year
or
300 Hrs.
(2)
(2)
Every
6 months
or
100 Hrs.
(2)
Engine oil
Air cleaner
Sediment Cup
Spark pulg
Spark arrester
Idle speed
Valve clearance
Combustion
chamber
Fuel tank and filter
Fuel tube
Check
Change
Check
Clean
Clean
Clean-Adjust
Replace
Clean
Clean-Adjust
Check-Adjust
Clean
Clean
Check
Emission related items.
Service more frequently when used in dusty areas.
These items should be serviced by an authorized Honda generator dealer, unless the owner
has the proper tools and is mechanically proficient. See the Honda Shop Manual.
For commercial use, log hours of operation to determine proper maintenance intervals.
After every 500 Hrs. (2)
Every 2 years (Replace if necessary) (2)
(1)
(2)
(3)
01/07/23 12:12:09 31ZB4800_038

38
ENGINE OIL CHANGE
Oil capacity:
OIL DRAIN PLUG UPPER LEVEL
Drain the oil while the engine is warm to assure rapid and complete
draining.
Remove the drain plug and sealing washer, remove the oil filler cap,
and drain the oil.
Reinstall the drain plug and sealing washer. Tighten the plug
securely.
Refill with the recommended oil (see page ) and check the oil
level.
Wash your hands with soap and water after handling used oil.
Please dispose of used motor oil and containers in a manner that is
compatible with the environment. We suggest you take it in a sealed
container to your local service station or recycling center for
reclamation. Do not throw it in the trash, pour it on the ground or
down a drain.
1.2 US qt (1.1 , 1.0 Imp qt)
1.
2.
3. 25
01/07/23 12:12:21 31ZB4800_039

39
AIR CLEANER SERVICE
AIR CLEANER COVER CLIP
CLIP
AIR CLEANER ELEMENT
ELEMENT
A dirty air cleaner will restrict air flow to the carburetor. To prevent
carburetor malfunction, service the air cleaner regularly. Service more
frequently when operating the generator in extremely dusty areas.
Never run the generator without the air filter. Rapid engine wear will
result.
Unsnap the air cleaner cover clips,
remove the air cleaner cover, and
remove the element.
Wash the air filter in a solution of
household detergent and warm
water, then rinse thoroughly, or
wash in nonflammable or high
flashpoint solvent. Allow the air
filter to dry thoroughly.
Soak the air filter in clean engine
oil and squeeze out the excess oil.
The engine will smoke during
initial startup if too much oil is left
in the air filter.
Reinstall the air cleaner element
and the cover.
1.
2.
3.
4.
01/07/23 12:12:35 31ZB4800_040

40
FUEL SEDIMENT CUP CLEANING
SEDIMENT CUP
O-RING
SEDIMENT CUP
FUEL FILTER
OFF
FUEL VALVE LEVER
The sediment cup prevents dirt or water which may be in the fuel tank
from entering the carburetor. If the engine has not been run for a long
time, the sediment cup should be cleaned.
Clean the sediment cup, O-ring, and filter in nonflammable or high
flash point solvent.
Turn the fuel valve lever to the OFF position. Remove the sediment
cup, O-ring, and filter.
Reinstall the filter, O-ring, and sediment cup.
Turn the fuel valve lever ON and check for leaks.
1.
2.
3.
4.
01/07/23 12:12:46 31ZB4800_041

−−
−−
41
SPARK PLUG SERVICE
The gap should be:
Recommended spark plugs:
PLUG WRENCH
PLUG CAP
0.028 0.031 in (0.70 0.80 mm)
Measure the plug gap with a feeler gauge.
Correct as necessary by carefully bending the side electrode.
Visually inspect the spark plug. Discard it if the insulator is cracked
or chipped. Clean the spark plug with a wire brush if it is to be
reused.
0.028 0.031 in (0.70 0.80 mm)
In order to service the spark plug, you will need a spark plug wrench
(commercially available).
Use a spark plug wrench to remove the spark plug.
Remove the spark plug cap.
Clean any dirt from around the spark plug base.
If the engine has been running, the muffler will be very hot. Be careful
not to touch the muffler.
To ensure proper engine operation, the spark plug must be properly
gapped and free of deposits.
W16EPR-U (DENSO)
BPR5ES (NGK)
1.
2.
3.
4.
5.
01/07/23 12:12:58 31ZB4800_042

−
−
42
SPARK ARRESTER MAINTENANCE
SPARK ARRESTER
SCREEN
SPARK ARRESTER
Check that the spark plug washer is in good condition, and thread
the spark plug in by hand to prevent cross-threading.
Afterthesparkplugisseated,tightenwithasparkplugwrenchto
compress the washer.
If installing a new spark plug, tighten 1/2 turn after the spark plug
seats to compress the washer. If reinstalling a used spark plug,
tighten 1/8 1/4 turn after the spark plug seats to compress the
washer.
Never use spark plugs which have an improper heat range. Use only
the recommended spark plugs or equivalent.
The spark plug must be securely tightened. An improperly tightened
spark plug can become very hot and could damage the engine.
If the generator has been running, the muffler will be very hot. Allow it
to cool before proceeding.
Use a brush to remove carbon deposits from the spark arrester
screen.
Inspect the screen for breaks or tears and replace it if necessary.
Install the spark arrester in the reverse order of removal.
Clean the spark arrester as follows:
Loosen the screw by the exhaust port of the muffler and remove the
spark arrester.
The spark arrester must be serviced every 100 hours to maintain its
efficiency.
6.
7.
1.
2.
3.
01/07/23 12:13:13 31ZB4800_043

*
*
*
*
43
TRANSPORTING/STORAGE
Contact with a hot engine or exhaust system can cause serious burns
or fires. Let the engine cool before transporting or storing the
generator.
STORAGE TIME
When transporting the generator, turn the engine switch OFF and keep
the generator level to prevent fuel spillage. Fuel vapor or spilled fuel
may ignite.
Take care not to drop or strike the generator when transporting. Do not
place heavy objects on the generator.
Before storing the unit for an extended period:
1. Be sure the storage area is free of excessive humidity and dust.
2. Service according to the table below:
Less than 1 month
1 to 2 months
2 months to 1 year
1 year or more
Use gasoline conditioners that are formulated to extend storage
life.
Contact your authorized Honda generator dealer for conditioner
recommendations.
RECOMMENDED SERVICE PROCEDURE TO
PREVENT HARD STARTING
No preparation required
Fill with fresh gasoline and add gasoline
conditioner .
Fill with fresh gasoline and add gasoline
conditioner .
Drain the carburetor float bowl. (page 44 ).
Drain the fuel sediment cup. (page 40 ).
Fill with fresh gasoline and add gasoline
conditioner .
Drain the carburetor float bowl. (page 44 ).
Drain the fuel sediment cup. (page 40 ).
Remove the spark plug. Put a tablespoon of
engine oil into the cylinder. Turn the engine
slowly with the pull rope to distribute the oil.
Reinstall the spark plug.
Change the engine oil. (page 38 ).
After removal from storage, drain the stored
gasoline into a suitable container, and fill
with fresh gasoline before starting.
01/07/23 12:13:21 31ZB4800_044

44
Gasoline is extremely flammable and is explosive under certain
conditions. Perform this task in a well-ventilated area with the engine
stopped. Do not smoke or allow flames or sparks in the area during
this procedure.
DRAIN SCREW
Align the notch on the starter pulley
with the hole at the top of recoil starter.
Drain the carburetor by loosening the drain screw. Drain the
gasoline into a suitable container.
Change the engine oil. (page )
Remove the spark plug, and pour about a tablespoon of clean
engine oil into the cylinder. Crank the engine several revolutions to
distribute the oil, then reinstall the spark plug.
Slowly pull the starter grip until resistance is felt. At this point, the
piston is coming up on its compression stroke and both the intake
and exhaust valves are closed. Storing the engine in this position
will help to protect it from internal corrosion.
1.
2.
3.
4.
38
01/07/23 12:13:32 31ZB4800_045

45
TROUBLESHOOTING
Be sure there is no
spilled fuel around the
spark plug. Spilled fuel
may ignite.
DRAIN SCREW
Is there fuel in the
tank?
Is there enough oil
in the engine?
Isthereaspark
from the spark
plug?
When the engine will not start:
Is the fuel reaching
the carburetor?
If the engine still
does not start, take
the generator to an
authorized Honda
generator dealer.
Replace the
spark plug.
Refill the fuel tank.
Add the recom-
mended oil.
Take the generator
to an authorized
Honda generator
dealer.
Remove the spark
plug cap and clean
any dirt from around
the spark plug.
Remove the spark
plug and install the
sparkpluginthe
plug cap.
Set the plug side
electrode on the
cylinder head.
Crank the engine,
sparks should jump
across the gap. Clean the fuel
sediment cup.
Turn off the engine
switch and loosen
the drain screw.
Turn the fuel valve to
ON. Fuel should flow
from the drain when
the fuel valve is
turned ON.
To check:
To check:
1)
2)
YES
YES
YES
YES
NO
NO
NO
NO
1)
2)
3)
4)
Still NO spark
01/07/23 12:13:45 31ZB4800_046

46
Is the AC circuit breaker
ON.
Check the electrical ap-
pliance or equipment for
any defects.
Turn the AC circuit breaker
ON.
Take the generator to an
authorized Honda generator
dealer.
Replace the electrical ap-
pliance or equipment.
Take the electrical ap-
pliance or equipment to an
electrical shop for repair.
No electricity at the AC receptacles:
YES
DEFECTS
NO DEFECTS
NO
01/07/23 12:13:50 31ZB4800_047

47
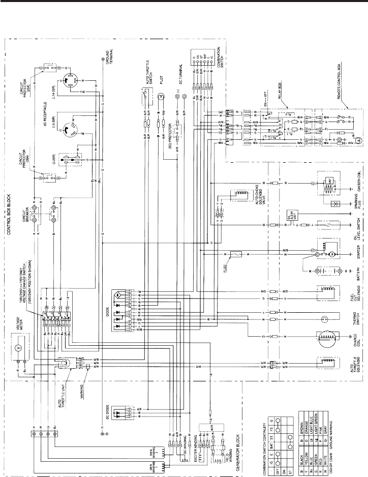
WIRING DIAGRAM
01/07/23 12:14:07 31ZB4800_048

〔〕 ××
±
±
−−
48
SPECIFICATIONS
Dimensions
Engine
Generator
ITEM SPECIFICATION MAINTENANCE
Tune-up Specifications
Model
Power product description code
Length
Width
Height
Dry weight
Model
Engine type
Displacement
BorexStroke
Compression ratio
Engine speed
Cooling system
Ignition system
Oil capacity
Fuel tank capacity
Spark plug
Model
Type Rated voltage
Rated frequency
AC output Rated ampere
Rated output
Maximum output
DC output
EA6
GX240K1
[2.9 2.3 in (73 58 mm)]
8.2 : 1
3,600 r.p.m.
Forced air
Transistorized magneto
BPR5ES (NGK)
W16EPR-U (DENSO)
120/240 V
60 Hz
25/12.5 A
3.0 kVA
3.5 kVA
23.8 in (605 mm)
19.5 in (495 mm)
19.1 in (485 mm)
143.3 lbs (65.0 kg)
14.8 cu-in (242 cm )
1.2 US qt (1.1 , 1.0 Imp qt)
4.49 US gal (17.0 , 3.74 Imp gal)
Spark plug gap
Valve clearance
Other specifications No other adjustments needed.
IN: 0.15 0.02 mm (cold)
EX: 0.20 0.02 mm (cold)
Refer to page: 41
See your authorized
Honda dealer
EM3500SX
EM3500SX
A
Specifications may vary according to the types, and are subject to
change without notice.
0.028 0.031 in (0.70 0.80 mm)
Only for charging 12V automotive batteries.
Maximum charging output = 8.3A
4-stroke, overhead valve, single cylinder
01/07/23 12:14:23 31ZB4800_049

49
INSTALLATION OF OPTIONAL PARTS
Remote Control Kit
REMOTE CONTROL
CABLE
RELAY BOX
REMOTE CONTROL
BOX
Install the relay box on the right side of the generator.
Remove the blind 8 P connector from the back of the control box
and connect the relay box connector instead.
Connect the remote control cable to the remote control and relay
box.
Connect the blind connector when not using the remote control.
Engine will not start unless the blind connector is connected.
1.
2.
3.
01/07/23 12:14:32 31ZB4800_050

50
Remote Control Box
PILOT LAMP ENGINE
SWITCH STARTER
BUTTON
RELAY BOX
Starting the engine with remote control
Turn the fuel valve to the ON position.
Turn the auto-throttle switch to the OFF position.
Turn off the engine switch at the generator and remove the key.
Turn the relay box switch to the ON position.
1.
2.
3.
4.
01/07/23 12:14:41 31ZB4800_051

51
Turn the engine switch at the remote control box to the ON position.
Press the starter button untill the pilot lamp comes on.
Stopping the engine
Turn the engine switch at the remote control box to the OFF position.
Turn the relay box switch to the OFF position.
Turn the fuel valve to the OFF position.
5.
6.
1.
2.
3.
01/07/23 12:14:45 31ZB4800_052

52
4 Wheel Kit Installation
Inside
WHEEL STOPPER
Shorter
end
Longer
end
Install the four wheels on the axle shaft.
Install the axle assembly on the generator using two bolts and nuts.
Install the shaft with wheel stopper facing engine side.
1.
2.
01/07/23 12:14:58 31ZB4800_053

+
−
−
53
BATTERY TRAY KIT
Install the battery guard on the frame.
Set the battery tray on the battery guard and tighten the bolts.
Route the starter cable under the tank and connect it to the starter
solenoid.
Connect the ground cable to the generator rear housing.
Set the battery on the battery tray and secure with the battery
bracket.
Connect the starter cable to the battery positive ( ) terminal first,
then to the negative ( ) terminal. When disconnecting, disconnect
at the battery negative ( ) terminal first.
Install the battery guard plate on the battery guard.
1.
2.
3.
4.
5.
01/07/23 12:15:02 31ZB4800_054

54
BATTERY
TRAY
BATTERY
GUARD PLATE
STARTER CABLE
STARTER CABLE
(positive)
BATTERY GUARD
BATTERY
BRACKET
BATTERY
GUARD
STARTER
SOLENOID
BATTERY
Use a battery rated at
12V-18-35AH or more
GROUND CABLE
01/07/23 12:15:13 31ZB4800_055

55
WARRANTY SERVICE INFORMATION
Servicing dealership personnel are trained professionals. They should
be able to answer any question you may have. If you encounter a
problem that your dealer does not solve to your satisfaction, please
discuss it with the dealership’s management. The Service Manager or
General Manager can help. Almost all problems are solved in this way.
If you are dissatisfied with the decision made by the dealership’s
management, contact the Honda Power Equipment Customer
Relations Office. You can write to:
American Honda Motor Co., Inc.
Power Equipment Division
Customer Relations Office
4900 Marconi Drive
Alpharetta, Georgia 30005-8847
Or telephone: (770) 497-6400
When you write or call, please give us this information:
Model and serial number (see pages and )
Name of dealer who sold the generator to you
Name and address of dealer who services your generator
Date of purchase
Your name, address, and telephone number
A detailed description of the problem
910
01/07/23 12:15:21 31ZB4800_056

56
INDEX
..............................................................COMPONENT IDENTIFICATION . 9
..............................................................................................CONTROLS . 11
........................................................................Auto-throttle System . 14
..........................................................................................Choke Rod . 12
...................................................................................Circuit Breaker . 13
................................................................................Circuit Protector . 13
..........................................................................DC Circuit Protector . 16
.....................................................................................DC Terminals . 16
....................................................................................Engine Switch . 11
................................................................................Fuel Valve Lever . 12
...............................................................................Ground Terminal . 13
..............................................................................Oil Alert System . 14
..........................................................................................Pilot Lamp . 15
.....................................................................................Recoil Starter . 11
..........................................................................................Volt Meter . 15
............................Voltage Selector Switch (Dual Voltage System) . 15
...................................................................................GENERATOR USE . 17
.................................................................................AC Applications . 18
.....................................................................................AC Operation . 19
...................................................................AC Receptacle Selection . 20
........................................................................Auto-throttle System . 23
..................................Connections to a Building Electrical System . 17
.....................................................................................DC Operation . 21
....................................................Disconnecting the battery cables . 22
.................................................................................Ground System . 17
....................................................................High Altitude Operation . 24
.................................................INSTALLATION OF OPTIONAL PARTS . 49
......................................................................................MAINTENANCE . 31
...........................................................................Air Cleaner Service . 39
.............................................................................................Air Index . 36
............................................Emission Control System Information . 33
............................................................................Engine Oil Change . 38
...........................................................Fuel Sediment Cup Cleaning . 40
.............................................................Importance of Maintenance . 31
..........................................................................Maintenance Safety . 32
.....................................................................Maintenance Schedule . 37
............................................................Spark Arrester Maintenance . 42
............................................................................Spark Plug Service . 41
.......................................................................PRE-OPERATION CHECK . 25
..........................................................................................Engine Oil . 25
.....................................................................Fuel Recommendation . 26
01/07/23 12:15:25 31ZB4800_057

57
......................................................................................................SAFETY . 5
.....................................................................SAFETY INFORMATION . 7
..............................................................SAFETY LABEL LOCATIONS . 5
....................................................................................SPECIFICATIONS . 48
........................................................................STARTING THE ENGINE . 29
........................................................................STOPPING THE ENGINE . 30
..................................................................TRANSPORTING/STORAGE . 43
.............................................................................TROUBLESHOOTING . 45
.................................................WARRANTY SERVICE INFORMATION . 55
.................................................................................WIRING DIAGRAM . 47
01/07/23 12:15:28 31ZB4800_058

58
MEMO
01/07/23 12:15:30 31ZB4800_059

59
MEMO
01/07/23 12:15:33 31ZB4800_060

60
MEMO
01/07/23 12:15:35 31ZB4800_061
