Honda Gx25 Owners Manual
GX25 37Z6J601
2014-11-13
: Honda Honda-Gx25-Owners-Manual-107281 honda-gx25-owners-manual-107281 honda pdf
Open the PDF directly: View PDF
.
Page Count: 60
- INTRODUCTION
- SAFETY MESSAGES
- CONTENTS
- SAFETY INFORMATION
- SAFETY INDICATION LOCATION
- COMPONENT & CONTROL LOCATION
- FEATURES
- BEFORE OPERATION CHECKS
- OPERATION
- SERVICING YOUR ENGINE
- HELPFUL TIPS & SUGGESTIONS
- TAKING CARE OF UNEXPECTED PROBLEMS
- FRANÇAIS
- ESPAÑOL

−
INTRODUCTION
CONTENTS
SAFETY MESSAGES
ENGLISHFRANÇAISESPAÑOL
ENGLISH
DAMAGE PREVENTION MESSAGES
OWNER’S MANUAL
MANUEL DE L’UTILISATEUR
MANUAL DEL PROPIETARIO
GX25·GX35
1
Thank you for purchasing a Honda engine. We want to help you to
get the best results from your new engine and to operate it safely.
This manual contains information on how to do that; please read it
carefully before operating the engine. If a problem should arise, or
if you have any questions about your engine, consult an
authorized Honda servicing dealer.
This manual should be considered a permanent part of the engine
and should remain with the engine if resold.
The engine exhaust from this product
contains chemicals known to the State of
California to cause cancer, birth defects
or other reproductive harm.
All information in this publication is based on the latest product
information available at the time of printing. Honda Motor Co., Ltd.
reserves the right to make changes at any time without notice and
without incurring any obligation. No part of this publication may
be reproduced without written permission.
2005 Honda Motor Co., Ltd. All Rights Reserved
The purpose of these messages is to help prevent damage to your
engine, other property, or the environment.
Your engine or other property can be damaged if you
don’t follow instructions.
This word means:
You will also see other important messages that are preceded by
the word NOTICE.
Each message tells you what the hazard is, what can happen, and
what you can do to avoid or reduce injury.
You CAN be HURT if you don’t follow
instructions.
You CAN be KILLED or SERIOUSLY
HURT if you don’t follow instructions.
You WILL be KILLED or SERIOUSLY
HURT if you don’t follow instructions.
These signal words mean:
A safety message alerts you to potential hazards that could hurt
you or others. Each safety message is preceded by a safety alert
symbol and one of three words, DANGER, WARNING, or
CAUTION.
Your safety and the safety of others is very important. We have
provided important safety messages in this manual and on the
engine. Please read these messages carefully.
We suggest you read the warranty policy to fully understand its
coverage and your responsibilities of ownership. The warranty
policy is a separate document that should have been given to you
by your dealer.
Review the instructions provided with the equipment powered by
this engine for any additional information regarding engine
startup, shutdown, operation, adjustments or any special
maintenance instructions.
United States, Puerto Rico, and U.S. Virgin Islands:
.......................INTRODUCTION .1
................SAFETY MESSAGES .1
..........SAFETY INFORMATION .2
SAFETY INDICATION
................................LOCATION .2
COMPONENT & CONTROL
................................LOCATION .2
................................FEATURES .3
BEFORE OPERATION
....................................CHECKS .4
..............................OPERATION .4
SAFE OPERATING
.....................PRECAUTIONS .4
......STARTING THE ENGINE .4
.....SETTING ENGINE SPEED .5
......STOPPING THE ENGINE .6
.....SERVICING YOUR ENGINE .6
THE IMPORTANCE OF
....................MAINTENANCE .6
......MAINTENANCE SAFETY .6
.......SAFETY PRECAUTIONS .7
MAINTENANCE
............................SCHEDULE .7
...........................REFUELING .8
...........................ENGINE OIL .8
............Recommended Oil .8
..................Oil Level Check .9
.........................Oil Change .9
......................AIR CLEANER .10
........................Inspection .10
..........................Cleaning .10
......................SPARK PLUG .11
...................COOLING FINS .11
FUEL FILTER AND FUEL
...................................TANK .12
.............SPARK ARRESTER .12
HELPFUL TIPS &
......................SUGGESTIONS .14
...STORING YOUR ENGINE .14
................TRANSPORTING .15
TAKING CARE OF ....UNEXPECTED PROBLEMS .16
TECHNICAL & CONSUMER
.......................INFORMATION .16
.....Serial Number Location .16
.....Remote Control Linkage .16
Carburetor Modifications for
.....High Altitude Operation .17
...............Oxygenated Fuels .17
Emission Control System
.........................Information .17
..............................Air Index .18
.....................Specifications .18
........Tuneup Specifications .19
Quick Reference
.........................Information .19
................Wiring Diagrams .19
.CONSUMER INFORMATION .20
Distributor/Dealer Locator
.........................Information .20
Customer Service
.........................Information .20
37Z6J601
00X37-Z6J-6010
GX25NT·GX35NT
05/12/16 14:58:13 32Z6J600_001

COMPONENT & CONTROL LOCATIONSAFETY INFORMATION
SAFETY INDICATION LOCATION
ENGLISH
OIL FILLER CAP
CHOKE LEVER
RECOIL STARTER
AIR CLEANER
ENGINE SWITCHTHROTTLE LEVER
STARTER GRIP
TOP COVER
FUEL TANK
FUEL FILLER CAP
PRIMING BULB
THROTTLE LEVER
OIL FILLER CAP/
DIPSTICK
ENGINE CONTROLS
SPARK PLUG
(inside the top cover)
MUFFLER
(inside the top cover)
Standard type:
Standard/Pump type:
Standard type:
Pump type:
Standard/Pump type:
Tiller type:
READ OWNER’S MANUAL BEFORE OPERATION.
READ OWNER’S MANUAL BEFORE OPERATION.
TANK GUARD
(applicable type)
2
Understand the operation of all controls and learn how to stop
the engine quickly in case of emergency. Make sure the operator
receives adequate instruction before operating the equipment.
Your engine’s exhaust contains poisonous carbon monoxide.
Do not run the engine without adequate ventilation, and never
run the engine indoors.
The engine and exhaust become very hot during operation.
Keep the engine at least 1 meter (3 feet) away from buildings
and other equipment during operation. Keep flammable
materials away, and do not place anything on the engine while it
is running.
Do not allow children to operate the engine. Keep children and
pets away from the area of operation.
The illustrations in this manual are based on:
The illustrations may vary accordingto the type.
GX25
05/12/16 14:58:25 32Z6J600_002

ENGLISH
FEATURES
Centrifugal Clutch (Standard/Tiller type)
STARTER GRIP
RECOIL STARTER
FUEL TANK
FUEL FILLER CAP
PRIMING BULB
AIR CLEANER
TOP COVER
THROTTLE LEVER
OIL FILLER CAP/
DIPSTICK
ENGINE CONTROLS
Tiller type:
SPARK PLUG
(inside the top cover)
MUFFLER
(inside the top cover)
CHOKE LEVER
GX25
GX35
CHOKE LEVER THROTTLE LEVER
3
The centrifugal clutch automatically engages and transmits power
when engine speed is increased above approximately 4,200 rpm.
At idle speed, the clutch is disengaged.
Do not run the engine without mounting it on equipment that
includes the centrifugal clutch drum and housing, or centrifugal
force will cause the clutch shoes to contact and damage the
engine case.
05/12/16 14:58:34 32Z6J600_003

ENGLISH
BEFORE OPERATION CHECKS OPERATION
IS YOUR ENGINE READY TO GO? SAFE OPERATING PRECAUTIONS
STARTING THE ENGINE
Check the General Condition of the Engine
Check the Engine
CHOKE LEVER
CCLLOOSSEEDD
OOPPEENN
FUEL RETURN TUBE
(clear plastic tube)
PRIMING BULB
ENGINE SWITCH
ON
ON
CLOSED
OPEN
4
For your safety, and to maximize the service life of your
equipment, it is very important to take a few moments before you
operate the engine to check its condition. Be sure to take care of
any problem you find, or have your servicing dealer correctit,
before you operate the engine.
Improperly maintaining this engine, or failure to
correct a problem before operation, can cause a
malfunction in which you can be seriously hurt or
killed.
Always perform a preoperation inspection before
each operation, and correct any problem.
Check the equipment powered by this engine.
Review the instructions provided with the equipment powered
by this engine for any precautions and procedures that should
be followed before engine startup.
Carbon monoxide gas is toxic. Breathing it can cause
unconsciousness and even kill you.
Avoid any areas or actions that expose you to carbon
monoxide.
Review the instructions provided with the equipment powered by
this engine for any safety precautions that should be observed
with engine startup, shutdown or operation.
To start a cold engine, move the choke lever to the CLOSED
position.
To restart a warm engine, leave the choke lever in the OPEN
position.
Press the priming bulb repeatedly until fuel can be seen in the
clear-plastic fuel-return tube.
Standard/Tiller type: Turn the engine switch on the equipment
to the ON position.
Pump type: Turn the engine switch to the ON position.
Before operating the engine for the first time, please review the
SAFETY INFORMATION
section on page and the
BEFORE
OPERATION CHECKS
.
Before beginning your preoperationchecks, be sure the engine is
level and the engine switch is in the OFF position.
Always check the following items before you start the engine:
Look around and underneath the engine for signs of oil or
gasoline leaks.
Remove any excessive dirt or debris, especially around the
muffler and recoil starter.
Look for signs of damage.
Check that all shields and covers are in place, and all nuts, bolts,
and screws are tightened.
Check the fuel level (see page ). Starting with a full tank will
help to eliminate or reduce operating interruptions for refueling.
Check the engine oil level (see page ). Running the engine
with a low oil level can cause engine damage.
Check the air filter element (see page ). A dirty air filter
element will restrict air flow to the carburetor, reducing engine
performance.
1.
2.
3.
4.
1.
2.
3.
4.
2
1.
2.
3.
8
9
10
05/12/16 14:58:55 32Z6J600_004

ENGLISH
Tiller type
Pump type
SETTING ENGINE SPEED
Standard/Tiller type:
Pump type:
Hot Restart
IMPORTANT SAFETY PRECAUTION
STARTER GRIP
STARTER GRIP
(EQUIPMENT SIDE)
CHOKE LEVER
CCLLOOSSEEDD
OOPPEENNTHROTTLE LEVER
Standard/Pump type:
MMIINN..
MMAAXX..
MMAAXX..
MMIINN..
THROTTLE LEVER
MMIINN..MMAAXX..
OOPPEENN
Tiller type:
5
Pull the starter grip lightly until you feel resistance, then pull
briskly. Return the starter grip gently. Turn the engine switch on the equipment to the OFF position.
Pull the starter grip 3 to 5 times.
Follow the STARTING THE ENGINE procedure on page and start
the engine with the choke lever in the OPEN position.
Turn the engine switch to the OFF position.
Move the choke lever to the OPEN position.
Pull the starter grip 3 to 5 times.
Follow the STARTING THE ENGINE procedure on page and start
the engine with the choke lever in the OPEN position.
Position the throttle lever for the desired engine speed.
The throttle lever shown here will be connected to a remote
control on the equipment powered by this engine. Refer to the
instructions provided with the equipment for remote control
information and for engine speed recommendations.
Position the throttle lever for the desired engine speed.
For engine speed recommendations, refer to the instructions
provided with the equipment powered by this engine.
Hold the throttle lever onthe equipment inthe MAX. speed
position.
Hold the throttle lever in the MAX. speed position.
Do not allow the starter grip to snap back against the engine.
Return it gently to prevent damage to the starter.
If the choke lever was moved to the CLOSED position to start the
engine, gradually move it to the OPEN position as the engine
warms up.
If the engine is operated at higher ambient temperatures, then
turned off and allowed to sit for a short time, it may not restart on
the first pull.
If necessary, use the following procedure:
Turn the engine switch to the OFF position before performing the
following procedure. This will prevent the engine from starting
and running at maximum speed when the throttle is in the MAX.
speed position. If the engine starts with the throttle in the MAX.
speed position, the equipment can move forward rapidly or the
trimmer attachment can spin at maximum speed. This may result
in personal injury.
Move the choke lever to the OPEN position.
4.
5.
4.
1.
2.
3.
1.
2.
3.
4.
4
4
05/12/16 14:59:18 32Z6J600_005

SERVICING YOUR ENGINE
THE IMPORTANCE OF MAINTENANCE
MAINTENANCE SAFETY
Maintenance, replacement, or repair of the emission control
devices and systems may be performed by any engine repair
establishment or individual, using parts that are ‘‘certified’’ to
EPA standards.
STOPPING THE ENGINE
Standard/Tiller type:
Pump type:
ENGLISH
ENGINE SWITCH
OFF
THROTTLE LEVER
MMIINN..
MMIINN..
THROTTLE LEVER
OFF
MMIINN..
6
Good maintenance is essential for safe, economical and trouble-
free operation. It will also help reduce pollution.
Improper maintenance, or failure to correct a
problem before operation, can cause a malfunction in
which you can be seriously hurt or killed.
Always follow the inspection and maintenance
recommendations and schedules in this owner’s
manual.
To help you properly care for your engine, the following pages
include a maintenance schedule, routine inspection procedures,
and simple maintenance procedures using basic hand tools. Other
service tasks that are more difficult, or require special tools, are
best handled by professionals and are normally performed by a
Honda technician or other qualified mechanic.
Failure to properly follow maintenance instructions
and precautions can cause you to be seriously hurt or
killed.
Always follow the procedures and precautions in this
owner’s manual.
Some of the most important safety precautions follow. However,
we cannot warn you of every conceivable hazard that can arise in
performing maintenance. Only you can decide whether or not you
should perform a given task.
The maintenance schedule applies to normal operating conditions.
If you operate your engine under severe conditions, such as
sustained high-load or high-temperature operation, or use in
unusually wet or dusty conditions, consult your servicing dealer
for recommendations applicable to your individual needs and use.
The throttle lever shown here will be connected to a remote
control on the equipment powered by this engine. Refer to the
instructions provided with the equipment for remote control
information and for engine speed recommendations.
Turn the engine switch to the OFF position.
To stop the engine in an emergency, simply turn the engine switch
on the equipment to the OFF position. Under normal conditions,
use the following procedure.
To stop the engine in an emergency, simply turn the engine switch
to the OFF position. Under normal conditions, use the following
procedure.
Turn the engine switch on the equipment to the OFF position.
Move the throttle lever to the MIN. position.
Move the throttle lever to the MIN. position.
2.
1.
1.
2.
05/12/16 14:59:35 32Z6J600_006

−
−
−
−
ENGLISH
MAINTENANCE SCHEDULESAFETY PRECAUTIONS
Carbon monoxide poisoning from engine exhaust.
Burns from hot parts.
Injury from moving parts.
7
Make sure the engine is off before you begin any maintenance
or repairs. This will eliminate several potential hazards:
Be sure there is adequate ventilation whenever you operate
the engine.
Let the engine and exhaust system cool before touching.
Do not run the engine unless instructed to do so.
Read the instructions before you begin, and make sure you have
the tools and skills required.
To reduce the possibility of fire or explosion, be careful when
working around gasoline. Use only a nonflammable solvent, not
gasoline, to clean parts. Keep cigarettes, sparks and flames
away from all fuel relatedparts.
Remember that an authorized Honda servicing dealer knows your
engine best and is fully equipped to maintain and repair it.
To ensure the best quality and reliability, use only new genuine
Honda parts or their equivalents for repair and replacement.
Service more frequently when used in dusty areas.
These items should be serviced by your servicing dealer,
unless you have the proper tools and are mechanically
proficient. Refer to Honda shop manual for service procedures.
For commercial use, log hours of operation to determine
proper maintenance intervals.
Failure to follow this maintenance schedule could result in non-
warrantable failures.
(1)
(2)
(3)
REGULAR SERVICE PERIOD (3)
Check-adjust
Check-adjust
Check-adjust
Perform at every
indicated month or
operating hour interval,
whichever comes first.
ITEM
First
month
or
10 hrs
Every 2
years
or
300 hrs
Engine oil
Air cleaner
Spark plug
Spark arrester
(Applicable
types)
Engine cooling
fins
Nuts, bolts,
fasteners
Clutch shoes
Idle speed
Valve
clearance
Combustion
chamber
Fuel filter
Fuel tank
Fuel tubes
Oil tube
Check level
Change
Check
Clean
Replace
Clean
Check
Check
Check
Clean
Check
Clean
Check
Check
After every 300 hrs. (2)
Every 2 years (Replace if necessary) (2)
Every 2 years (Replace if necessary) (2)
Every
year
or
100 hrs
(2)
(2)
Every 6
months
or
50 hrs
(2)
Every 3
months
or
25 hrs
(1)
Each
use
Refer
to
Page
9
10
11
12 14
11
4
Shop
manual
Shop
manual
Shop
manual
Shop
manual
12
12
Shop
manual
Shop
manual
(Retighten if necessary)
05/12/16 14:59:53 32Z6J600_007

−
ENGLISH
REFUELING
Recommended Fuel
ENGINE OIL
Recommended Oil
Standard/Tiller type:
Pump type:
AMBIENT TEMPERATURE
SAE Viscosity Grades
Standard/Pump type: Tiller type:
FUEL FILLER CAP
MAXIMUM
FUEL LEVEL
8
Unleaded gasoline Pump octane rating 86 or higher
Research octane rating 91 or higher
Pump octane rating 86 or higher
This engine is certified to operate on unleaded gasoline. Unleaded
gasoline produces fewer engine and spark plug deposits and
extends exhaust system life.
Gasoline is highly flammable and explosive, and you
can be burned or seriously injured when refueling.
Stop engine and keep heat, sparks, and flame away.
Refuel only outdoors.
Wipe up spills immediately.
Running the engine with persistent spark knock or pinging is
considered misuse, and the
Distributor’s Limited Warranty
does
not cover parts damaged by misuse.
Running the engine with persistent spark knock or pinging can
cause engine damage.
If spark knock or pinging occurs at a steady engine speed, under
normal load, change brands of gasoline. If spark knock or pinging
persists, see an authorized Honda servicing dealer.
Occasionally you may hear a light ‘‘spark knock’’ or ‘‘pinging’’
(metallic rapping noise) while operating under heavy loads. This is
no cause for concern.
Never use stale or contaminated gasoline or oil/gasoline mixture.
Avoid getting dirt or water in the fuel tank.
Fuel can damage paint and some types of plastic. Be careful notto
spill fuel when filling your fuel tank. Damage caused by spilled
fuel is not covered under the
Distributor’s Limited Warranty.
U.S.
Except U.S.
Check the fuel level by looking through the translucent fuel tank.
If the fuel level is low, refuel in a well-ventilated area with the
engine stopped. If the engine has been running, allow it to cool.
To refuel, rest the engine on the ground with the fuel filler cap
facing up, as shown. Remove the fuel filler cap, and fill the tank
with gasoline to the bottom of the filler neck. Refuel carefully to
avoid spilling fuel. Do not overfill. There should be no fuel in the
filler neck. After refueling, tighten the fuel filler cap securely.
Never refuel the engine inside a building where gasoline fumes
may reach flames or sparks. Keep gasoline away fromappliance
pilot lights, barbecues, electric appliances, power tools, etc.
Spilled fuel is not only a fire hazard, it causes environmental
damage. Wipe up spills immediately.
For information regarding oxygenated fuels, please refer to page
.
Oil is a major factor affecting performance and service life. Use
4-stroke automotive detergent oil.
Use 4-stroke motor oil that
meets or exceeds the
requirements for API service
classification SJ, SL, or
equivalent. Always check the
API service label on the oil
container to be sure it includes
the letters SJ, SL, or equivalent.
SAE 10W-30 is recommended for general use. Other viscosities
shown in the chart may be used when the average temperature in
your area is within the indicated range.
The recommended operating range of this engine is 5°C to 40°C
(23°F to 104°F).
The recommended operating range of this engine is 5°C to 40°C
(41°F to 104°F).
1.
2.
17
05/12/16 15:00:13 32Z6J600_008

ENGLISH
Oil Level Check
Oil Change
OIL FILLER NECK
OIL FILLER CAP/DIPSTICK
LOWER LIMIT
UPPER LIMIT
UPPER LIMIT
OIL FILLER CAP/DIPSTICK
OIL FILL HOLE
(bottom edge)
OIL FILL HOLE (bottom edge)
UPPER LIMIT UPPER LIMIT
FUEL FILLER CAP
9
Check the engine oil level before each use, or every 10 hours if
operated continuously.
Check the engine oil level with the engine stopped and in a level
position.
Remove the oil filler cap/dipstick and wipe itclean.
Insert and remove the oil filler cap/dipstick without screwing it
into the oil filler neck, then remove it tocheck the oil level shown
on the dipstick.
Some oil will remain in the engine after draining. When refilling
withfreshoil,startwithlessthan80cm (2.7 US oz, 2.8 lmp oz).
Slowly add enough oil to fill to the bottom edge of the oil fill
hole as shown below.
Running the engine with a low or excessive oil level can cause
engine damage.
Reinstall the oil filler cap/dipstick securely.
If any oil is spilled, make sure to wipe it up.
With the engine in a level position, fill to the bottom edge of the
oil fill hole with the recommended oil (see page ).
Reinstall the oil filler cap/dipstick and tighten securely.
Please dispose of used motor oil in a manner that is compatible
with the environment. We suggest you take used oil in a sealed
container toyour local recycling center or service stationfor
reclamation. Do not throw it in the trash, pour it on the ground, or
down a drain.
Remove the oil filler cap/dipstick and drain the oil into the
container by tipping the engine toward the oil filler neck.
Place a suitable container below the engine to catch the used oil.
Check that the fuel filler cap is tightened securely.
Drain the used oil when the engine is warm. Warm oil drains
quickly and completely.
Running the engine with a low oil level can cause engine damage.
If the oil level is near or below the lower limit mark on the
dipstick, fill to the bottom edge of the oil fill hole with the
recommended oil (see page ). To avoid overfilling or
underfilling, be sure the engine is in a level position, as shown,
while adding oil.
1.
2.
3.
4.
1.
2.
3.
4.
5.
8
8
05/12/16 15:00:32 32Z6J600_009

CleaningAIR CLEANER
Inspection
ENGLISH
AIR CLEANER BODY AIR CLEANER BODY
CHOKE LEVER
UPPER TAB
UPPER TAB
UPPER TAB
UPPER TAB
FILTER ELEMENT
FILTER ELEMENT FILTER ELEMENT
LOWER TABS
AIR CLEANER COVER
AIR CLEANER COVER
Standard/Pump type: Tiller type:
Tiller type:Standard/Pump type:
GX25
GX25
GX35
GX35
Standard/Tiller type:
Standard/Tiller type:
FILTER ELEMENT
UPPER LATCH TAB
AIR CLEANER BODY
FILTER ELEMENT
UPPER LATCH TAB
AIR CLEANER COVER
LOWER TABS
CHOKE LEVER
LOWER TABS
10
Clean the filter element in warm soapy water, rinse, and allow to
dry thoroughly. Or clean in nonflammable solvent and allow to
dry.
Dip the filter element in clean engine oil, then squeeze out all
excess oil. The engine will smoke when started if too much oil is
left in the foam.
Wipe dirt from the air cleaner body and cover, using a moist rag.
Be careful to prevent dirt from entering the carburetor.
A dirty air cleaner will restrict air flow to the carburetor, reducing
engine performance. If you operate the engine in very dusty areas,
clean the air filter element more often than specified in the
MAINTENANCE SCHEDULE.
Operating the engine without an air filter element, or with a
damaged air filter element, will allow dirt toenter the engine,
causing rapid engine wear. This type of damage is not covered by
the
Distributor’s Limited Warranty.
Press the latch tab on the top of the air cleaner cover, and remove
the cover. Inspect the filter element. Clean or replace dirty filter
elements. Always replace damaged filter elements.
Refer to this page for instructions that apply to the air cleaner and
filter service.
Reinstall the filter element and air cleaner cover.
Reinstall the filter element and air cleaner cover securely.
1.
2.
4.
3.
05/12/16 15:00:48 32Z6J600_010

−−
−
−
−
ENGLISH
COOLING FINS
Inspection
SPARK PLUG
Recommended Spark Plug:
SEALING
WASHER
SIDE ELECTRODE
COOLING FINS
SPARK PLUG CAP
SPARK PLUG
0.60 0.70 mm
(0.024 0.028 in)
SPARK PLUG CAP
5mmHEXBOLTTOP COVER
11
Inspect the spark plug.
Replace it if damaged or
badly fouled, if the sealing
washer is in poor condition,
or if the electrode is worn.
Measure the spark plug
electrode gap with a wire-
type feeler gauge. Correct the
gap, if necessary, by carefully
bending the side electrode.
The gap should be:
0.60 0.70 mm (0.024 0.028 in)
Install the spark plug carefully,
by hand, to avoid cross-
threading.
After the spark plug is seated, tighten with a 5/8-inch spark plug
wrench to compress the sealing washer.
When installing a new spark plug, tighten 1/2 turn after the spark
plug seats to compress the washer.
When reinstalling the original spark plug, tighten 1/8 1/4 turn
after the spark plug seats to compress the washer.
A loose spark plug can overheat and damage the engine.
Overtightening the spark plug can damage the threads in the
cylinder head.
Attach the spark plug cap to the spark plug.
Reconnect the spark plug cap.
Install the top cover, and tighten the 5 mm hex bolt securely.
The recommended spark plug is the correct heat range for normal
engine operating temperatures.
An incorrect spark plug can cause engine damage.
For good performance, the spark plug must be properly gapped
and free of deposits.
Remove the top cover.
Loosen the 5 mm hex bolt with a hexagon wrench, then remove
the top cover.
You may be injured from the rotating parts or burned
by the muffler.
Do not pull the recoil starter handle when the top
cover is removed.
Do not operate the engine when the top cover is
removed.
Disconnect the spark plug cap, and remove any dirt from around
the spark plug area.
Remove the spark plug with a 5/8-inch spark plug wrench.
CM5H (NGK) CMR5H (NGK)
Disconnect the spark plug cap.
Inspect the engine cooling fins, and clean out debris if necessary.
Install the top cover, and tighten the 5 mm hex bolt securely
with a hexagon wrench.
Loosen the 5 mm hex bolt, then remove the top cover.
2.
4.
3.
5.
6.
7.
8.
9.
2.
3.
1.
4.
5.
10.
11.
1.
,
05/12/16 15:01:11 32Z6J600_011

ENGLISH
Spark Arrester Cleaning & Inspection
Spark Arrester Removal
Standard/Pump type:
SPARK ARRESTER (applicable types)FUEL FILTER AND FUEL TANK
Fuel filter inspection and Fuel tank cleaning
GX25
MUFFLER
SPARK ARRESTER
SPARK ARRESTER SCREEN
FUEL FILTER
4 mm SCREWS
SPARK PLUG
ENGINE OIL FILLER CAP
FUEL FILLER NECK
12
Install the top cover, and tighten the 5 mm hex bolt securely (see
page ).
When you install the spark arrester, the spark arrester’s outlet
must point to the side opposite the spark plug.
Install the spark arrester in the reverse order of disassembly.
The spark arrester must be free of breaks and holes. Replace the
spark arrester if it is damaged.
Use a brush to remove carbon deposits from the spark arrester
screen. Be careful to avoid damaging the screen.
Remove the 4 mm screws fromthe spark arrester, andremove
the spark arrester from the muffler.
Loosen the 5 mm hex bolt, then remove the top cover (see page
).
If the engine has been running, the muffler will be hot. Allow it to
cool before servicingthe spark arrester.
The spark arrester must be serviced every 100 hours to keep it
functioning as designed.
The spark arrester may be standard or an optional part, depending
on the engine type. In some areas, it is illegal to operate an engine
without a spark arrester. Check local laws and regulations. A spark
arrester is available from authorized Honda servicing dealers.
Insert the fuel filter into the fuel tank and tighten the fuel filler
cap securely.
Remove water and dirt from in the fuel tank by rinsing the inside
of the fuel tank with nonflammable or high flash point solvent.
Inspect the fuel filter. If the fuel filter is dirty, washit gently with
nonflammable or high flashpoint solvent. If the fuel filter is
excessively dirty, replace it.
Pull the fuel filter out through the fuel filler neck by hooking the
black fuel tube with a piece of wire, such as a partly straightened
paper clip.
Wipe up spills immediately.
Handle fuel only outdoors.
Stop engine and keep heat, sparks, and flame away.
Gasoline is highly flammable and explosive, and you
can be burned or seriously injured when handling
fuel.
Check that the engine oil filler cap is tightened securely.
Remove the fuel filler cap, and drain the fuel into an approved
gasoline container by tipping the engine toward the fuel filler
neck. 1.
2.
4.
3.
5.
6.
1.
2.
3.
11
1.
2.
11
05/12/16 20:37:16 32Z6J600_012

×
×
×
×
ENGLISH
Standard Type:
Tiller type
Spark Arrester Removal
Spark Arrester Removal
Spark Arrester Cleaning & Inspection
Exhaust Filter Cleaning & Inspection
Spark Arrester Cleaning & Inspection
GX35
SPARK ARRESTER SCREEN
SPARK ARRESTER SCREEN
SPARK PLUG
MUFFLER
EXHAUST
FILTER
SPARK ARRESTER
OUTLET
46mm
SELF-TAPPING
SCREWS SPARK ARRESTER
MUFFLER
SPARK ARRESTER
3 6 mm SELF-TAPPING SCREW
13
Remove the 4 6 mm self-tapping screws from the spark
arrester, and remove the spark arrester and exhaust filter from
the muffler.
Loosen the 5 mm hex bolt, then remove the top cover (see page
).
Loosen the 5 mm hex bolt, then remove the top cover (see page
).
Use a brush to remove carbon deposits from the spark arrester
screen. Be careful to avoid damaging the screen.
The spark arrester must be free of breaks and holes. Replace the
spark arrester if it is damaged.
Install the top cover, and tighten the 5 mm hex bolt securely (see
page ).
Install the spark arrester in the reverse order of disassembly.
Remove the 3 6 mmself-tappingscrews fromthe spark
arrester, and remove the spark arrester from the muffler.
Pinch the exhaust filter, strike lightly with a finger, and remove
carbon deposits. Be careful not to strike strongly.
The exhaust filter must be free of breaks and holes. If it is
damaged or fouled excessively, have it serviced by your Honda
dealer.
Install the top cover, and tighten the 5 mm hex bolt securely (see
page ).
When you install the spark arrester, the spark arrester’s outlet
must point to the side opposite the spark plug.
Install the exhaust filter and spark arrester in the reverse order
of disassembly.
The spark arrester must be free of breaks and holes. Replace the
spark arrester if it is damaged.
Use a brush to remove carbon deposits from the spark arrester
screen. Be careful to avoid damaging the screen.
1.
2.
3.
2.
3.
1.
2.
11
1.
2.
1.
11
11
11
05/12/19 14:39:29 32Z6J600_013

×
×
HELPFUL TIPS & SUGGESTIONS
STORING YOUR ENGINE
Storage Preparation
Cleaning
Fuel
Adding a Gasoline Stabilizer to Extend Fuel Storage Life
Tiller type:
Spark Arrester Removal
Spark Arrester Cleaning & Inspection
ENGLISH
SPARK ARRESTER
MUFFLER SPARK PLUG
SPARK ARRESTER SCREEN
46mm
SELF-TAPPING
SCREWS
14
Proper storage preparation is essential for keeping your engine
trouble-free and looking good. The following steps will help to
keep rust and corrosion from impairing your engine’s function and
appearance, and will make the engine easier to start when you use
it again.
If the engine has been running, allow it to cool for at least half an
hour before cleaning. Clean all exterior surfaces, touch up any
damaged paint, and coat other areas that may rust with a light film
of oil.
Using a garden hose or pressure washing equipment can force
water into the air cleaner or muffler opening. Water in the air
cleaner will soak the air filter, and water that passes through the
air filter or muffler can enter the cylinder, causing damage.
Gasoline will oxidize and deteriorate in storage. Deteriorated
gasoline will cause hard starting, and it leaves gum deposits that
clog the fuel system. If the gasoline in your engine deteriorates
during storage, you may need to have the carburetor and other
fuel system components serviced or replaced.
The length of time that gasoline can be left in your fuel tank and
carburetor without causing functional problems will vary with
such factors as gasoline blend, your storage temperatures, and
whether the fuel tank is partially or completely filled. The air in a
partially filledfuel tank promotes fuel deterioration. Very warm
storage temperatures accelerate fuel deterioration. Fuel problems
may occur within a few months, or even less if the gasoline was
not fresh when you filled the fuel tank.
Fuel system damage or engine performance problems resulting
from neglected storage preparation are not covered under the
Distributor’s Limited Warranty
.
You can extendfuel storage life by addinga gasoline stabilizer
that is formulated for that purpose, or you can avoid fuel
deterioration problems by draining the fuel tank and carburetor.
When adding a gasoline stabilizer, fill the fuel tank with fresh
gasoline. If only partially filled, air in the tank will promote fuel
deterioration during storage. If you keep a container of gasoline
for refueling, be sure that it contains only fresh gasoline.
Add gasoline stabilizer following the manufacturer’s instructions.
After adding a gasoline stabilizer, run the engine outdoors for 10
minutes to be sure that treated gasoline has replaced the
untreated gasoline in the carburetor.
Stop the engine.
Loosen the 5 mm hex bolt, then remove the top cover (see page
).
Remove the 4 6 mmself-tappingscrews fromthe spark
arrester, and remove the spark arrester from the muffler.
Use a brush to remove carbon deposits from the spark arrester
screen. Be careful to avoid damaging the screen.
The spark arrester must be free of breaks and holes. Replace the
spark arrester if it is damaged.
Install the exhaust filter and spark arrester in the reverse order
of disassembly.
When you install the spark arrester, the spark arrester’s outlet
must point to the side opposite the spark plug.
Install the top cover, and tighten the 5 mm hex bolt securely (see
page ).
1.
2.
3.
2.
3.
1.11
1.
2.
11
05/12/16 15:02:07 32Z6J600_014

Storage PrecautionsDraining the Fuel Tank and Carburetor
Engine Oil
Removal from Storage
TRANSPORTING
ENGLISH
ENGINE OIL FILLER CAP
PRIMING BULB
FUEL FILLER NECK
FUEL RETURN TUBE
15
If your engine will be stored with gasoline in the fuel tank and
carburetor, it is important to reduce the hazard of gasoline vapor
ignition. Select a well-ventilated storage area away from any
appliance that operates with a flame, such as a furnace, water
heater, or clothes dryer. Also avoid any area with a spark-
producing electric motor, or where power tools are operated.
If possible, avoid storage areas with high humidity, because that
promotes rust and corrosion.
Keep the engine level in storage. Tilting can cause fuel or oil
leakage.
With the engine and exhaust system cool, cover the engine to
keep out dust. A hot engine and exhaust system can ignite or melt
some materials. Do not use sheet plastic as a dust cover.
A nonporous cover will trap moisture around the engine,
promoting rust and corrosion.
Gasoline is highly flammable and explosive, and you
can be burned or seriously injured when handling
fuel.
Stop engine and keep heat, sparks, and flame away.
Wipe up spills immediately.
Handle fuel only outdoors.
Make sure the engine oil filler cap is tightenedsecurely.
Remove the fuel filler cap and drain the fuel into an approved
gasoline container by tipping the engine toward the fuel filler
neck.
Press the priming bulb several times until there is no more fuel
in the fuel return tube.
Tip the engine toward the fuel filler neck again to drain the fuel.
After all fuel has drained, reinstall the fuel filler cap securely.
Change the engine oil (see page ).
Loosen the 5 mm hex bolt, then remove the top cover (see page
).
Remove the spark plug (see page ).
Apply a couple of drops of clean engine oil into the cylinder.
Install the top cover temporarily.
Pull the starter grip several times to distribute the oil in the
cylinder.
Remove the top cover, then reinstall the spark plug.
Install the top cover, and tighten the 5 mm hex bolt securely (see
page ).
Pull the starter grip slowly until resistance is felt.
Check your engine as described in the
BEFORE OPERATION
CHECKS
section of this manual (see page ).
If the fuel was drained during storage preparation, fill the tank with
fresh gasoline. If you keep a container of gasoline for refueling, be
sure it contains only fresh gasoline. Gasoline oxidizes and
deteriorates over time, causing hard starting.
If the cylinder was coated with oil during storage preparation, the
engine will smoke briefly at startup. This is normal.
If the engine has been running, allow it to cool for at least 15
minutes before loading the engine-powered equipment on the
transport vehicle. A hot engine and exhaust system can burn you
and can ignite some materials.
2.
1.
3.
1.
2.
3.
4.
5.
6.
4.
5.
7.
8.
9.
9
11
4
11
11
05/12/16 15:02:29 32Z6J600_015

−
TAKING CARE OF UNEXPECTED PROBLEMS TECHNICAL & CONSUMER INFORMATION
ENGINE WILL
NOT START
Possible Cause Correction TECHNICAL INFORMATION
Serial Number Location
Remote Control Linkage
Standard/Tiller type:
CorrectionPossible CauseENGINE LACKS
POWER
ENGLISH
CABLE ATTACHMENT FITTING
LOCK NUT
THROTTLE CABLE
ADJUST NUT
STAY
ENGINE TYPE
ENGINE SERIAL NUMBER
16
Date Purchased: ______ / ______ / ______
Engine type: ___ ___ ___ ___
Engine serial number: __ __ __ __ __ __ __ __ __ __ __
The throttle control lever is provided with a fitting for cable
attachment.
Remove the air cleaner cover (see page ) for access to the
throttle lever and cable fitting.
Attach the throttle cable as shown in the illustration.
To adjust the throttle cable, follow the equipment manufacturer’s
instructions.
Record the engine serial
number, type and purchase
date in the space below. You
will need this information when
ordering parts and when
making technical or warranty
inquiries.
Choke open.
Engine switch
OFF.(on the
equipment)
Out of fuel.
Bad fuel; engine
stored without
treating or
draining
gasoline, or
refueled with
bad gasoline.
Spark plug faulty,
fouled, or
improperly
gapped.
Spark plug wet
with fuel
(flooded engine).
Fuel filter
restricted,
carburetor
malfunction,
ignition
malfunction,
valves stuck, etc.
Check control
positions.
Check fuel.
Remove and
inspect spark
plug.
Take engine to
an authorized
Honda
servicing
dealer, or refer
to shop
manual.
Filter element
restricted.
Bad fuel; engine
stored without
treating or
draining
gasoline, or
refueled with
bad gasoline.
Fuel filter
restricted,
carburetor
malfunction,
ignition
malfunction,
valves stuck, etc.
Check air filter.
Check fuel.
Take engine to
an authorized
Honda
servicing
dealer, or refer
to shop
manual.
Clean or replace
filter element
(p. 10).
Drain fuel tank and
carburetor (p. 15).
Refuel with fresh
gasoline (P. 8).
Replace or repair
faulty components
as necessary.
Move lever to
CLOSED position
unless the engine
is warm.
Turn engine switch
to ON position.
Refuel (p. 8).
Drain fuel tank and
carburetor (p. 15).
Refuel with fresh
gasoline(p. 8).
Gap or replace
spark plug (p. 11).
Allow the spark
plug to dry. After
drying, install the
spark plug and
start the engine
(p. 4).
Replace or repair
faulty components
as necessary.
1.
2.
3.
4.
1.
2.
3.
10
05/12/16 15:02:48 32Z6J600_016

ENGLISH
Carburetor Modifications for High Altitude Operation
Tampering and Altering
The U.S., California Clean Air Acts and Environment Canada
Emission Control System Information
Source of Emissions
Problems That May Affect Emissions
Replacement Parts
METHANOL
MTBE
ETHANOL
Oxygenated Fuels
17
A manufacturer of an aftermarket part assumes the responsibility
that the part will not adversely affect emission performance. The
manufacturer or rebuilder of the part must certify that use of the
part will not result in a failure of the engine to comply with
emission regulations.
The emission control systems on your Honda engine were
designed, built, and certified to conform with EPA, California and
Canadian emission regulations. We recommend the use of
genuine Honda parts whenever you have maintenance done.
These original-design replacement parts are manufactured to the
same standards as the original parts, so you can be confident of
their performance. The use of replacement parts that are not of the
original design and quality may impair the effectiveness of your
emission control system.
Tampering with or altering the emission control system may
increase emissions beyond the legal limit. Among those acts that
constitute tampering are:
The following instructions and procedures must be followed in
order to keep the emissions from your Honda engine within the
emission standards.
EPA, California and Canadian regulations require all
manufacturers to furnish written instructions describing the
operation and maintenance of emission control systems.
Honda utilizes lean carburetor settings and other systems to
reduce the emissions of carbon monoxide, oxides of nitrogen, and
hydrocarbons.
If you notice any undesirable operating symptoms, try another
service station or switch to another brand of gasoline.
Fuel system damage or performance problems resulting from the
use of an oxygenated fuel containing more than the percentages
of oxygenates mentioned above are not covered under the
Distributor’s Limited Warranty
.
The combustion process produces carbon monoxide, oxides of
nitrogen, and hydrocarbons. Control of hydrocarbons and oxides
of nitrogen is very important because, under certain conditions,
they react to form photochemical smog when subjected to
sunlight. Carbon monoxide does not react in the same way, but it
is toxic.
Altering or defeating the governor linkage or speed-adjusting
mechanism to cause the engine to operate outside its design
parameters.
Removal or alteration of any part of the intake, fuel, or exhaust
systems.
If you are aware of any of the following symptoms, have your
engine inspected and repaired by your servicing dealer.
Black exhaust smoke or high fuel consumption.
Afterburning (backfiring).
Misfiring or backfiring under load.
Rough idle.
Hard starting or stalling after starting.
(methyl or wood alcohol) 5% by volume
You may use gasoline containing up to 5%
methanol by volume as long as it also
contains cosolvents and corrosion inhibitors
to protect the fuel system. Gasoline
containing more than 5% methanol by
volume may cause starting and/or
performance problems. It may also damage
metal, rubber, and plastic parts of your fuel
system.
(methyl tertiary butyl ether) 15% by volume
You may use gasoline containing up to 15%
MTBE by volume.
(ethyl or grain alcohol) 10% by volume
You may use gasoline containing up to 10%
ethanol by volume. Gasoline containing
ethanol may be marketed under the name
Gasohol.
The following are the EPA approved percentages of oxygenates:
Before using an oxygenated fuel, try to confirm the fuel’s contents.
Some states/provinces require this information to be posted on
the pump.
If you use oxygenated fuel, be sure it is unleaded and meets the
minimum octane rating requirements.
Some conventional gasolines are being blended with alcohol or an
ether compound. These gasolines are collectively referred to as
oxygenated fuels. To meet clean air standards, some areas of the
United States and Canada use oxygenated fuels to help reduce
emissions.
When the carburetor has been modified for high altitude operation,
the air-fuel mixture will be too lean for low altitude use. Operation
at altitudes below 1,500 meters (5,000 feet) with a modified
carburetor may cause the engine to overheat and result in serious
engine damage. For use at low altitudes, have your servicing
dealer return the carburetor to original factory specifications.
Even with carburetor modification, engine horsepower will
decrease about 3.5% for each 300-meter (1,000-foot) increase in
altitude. The effect of altitude on horsepower will be greater than
this if no carburetor modification is made.
High altitude performance can be improved by specific
modifications to the carburetor. If you always operate your engine
at altitudes above 1,500 meters (5,000 feet), have your servicing
dealer perform this carburetor modification. This engine, when
operated at high altitude with the carburetor modifications for
high altitude use, will meet each emission standard throughout its
useful life.
At high altitude, the standard carburetor air-fuel mixture will be
too rich. Performance will decrease, and fuel consumption will
increase. A very rich mixture will also foul the spark plug and
cause hard starting. Operation at an altitude that differs from that
at which this engine was certified, for extended periods of time,
may increase emissions.
05/12/16 15:03:11 32Z6J600_017

−−
−−
−−
××
××
×
×
ENGLISH
Air Index
Descriptive Term Applicable to Emissions Durability
Period
SpecificationsMaintenance
GX25 (Basic types)
GX35 (Basic types)
18
Follow the maintenance schedule on page . Remember that this
schedule is based on the assumption that your machine will be
used for its designed purpose. Sustained high-load or high-
temperature operation, or use in unusually wet or dusty conditions,
will require more frequent service.
The durability description is intended to provide you with
information relating the engine’s emission durability period. The
descriptive term indicates the useful life period for the engine’s
emission control system. See your
Emission Control System
Warranty
for additional information.
The bar graph is intended to provide you, our customer, the ability
to compare the emissions performance of available engines. The
lower the Air Index, the less pollution.
An Air Index Information hang tag/label is applied to engines
certified to an emission durability time period in accordance with
the requirements of the California Air Resources Board.
The Air Index Information hang tag/label must remain on the
engine until it is sold. Remove the hang tag before operating the
engine.
Extended
Intermediate
Moderate
300 hours [0 65 cm (0 65 cc)]
500 hours [greater than 65 cm (65 cc)]
125 hours [0 65 cm (0 65 cc)]
250 hours [greater than 65 cm (65 cc)]
50 hours [0 65 cm (0 65 cc)]
125 hours [greater than 65 cm (65 cc)]
Type W3
(Pump)
S3
(Standard)
(Without tank
guard)
192 mm
(7.6 in) 192 mm
(7.6 in) 247 mm
(9.7 in)
221 mm
(8.7 in)
230 mm
(9.1 in)
2.78 kg
(6.13 lbs)
210 mm
(8.3 in)
236 mm
(9.3 in)
2.96 kg
(6.53 lbs)
230 mm
(9.1 in)
221 mm
(8.7 in)
3.10 kg
(6.83 lbs)
25 cm (1.5 cu-in)
[3526mm(1.41.0in)]
0.81 kW (1.1 PS, 1.1 bhp) at 7,000 rpm
1.25 N·m (0.13 kgf·m, 0.92 lbf·ft) at
5,000 rpm
340 g/kWh (250 g/PSh, 0.55 lb/hph)
Forced air
Transistorized magneto
Counterclockwise
4-stroke, overhead camshaft, single cylinder
Type S3
(Standard)
(Without tank
guard)
T3
(Tiller)
T3
(Tiller) TR3
(Tiller)
GCAST
198 mm
(7.8 in)
234 mm
(9.2 in)
240 mm
(9.4 in)
3.33 kg
(7.34 lbs)
4-stroke, overhead camshaft, single cylinder
35.8 cm (2.18 cu-in)
[3930mm(1.51.2in)]
1.2 kW (1.6 PS, 1.6 bhp) at 7,000 rpm
1.9 N·m (0.19 kgf·m, 1.4 lbf·ft) at 5,500 rpm
0.10 (0.11 US qt , 0.09 Imp qt)
0.65 (0.172 US gal , 0.143 Imp gal)
360 g/kWh (265 g/PSh, 0.59 lb/hph)
Forced air
Transistorized magneto
Counterclockwise
0.08 (0.08 US qt , 0.07 Imp qt)
0.55 (0.145 US gal , 0.121 Imp gal)
198 mm
(7.8 in)
243 mm
(9.6 in)
242 mm
(9.5 in)
3.52 kg
(7.76 lbs)
198 mm
(7.8 in)
243 mm
(9.6 in)
242 mm
(9.5 in)
3.52 kg
(7.76 lbs)
Power equipment
description code
Length
Width
Height
Dry weight
(Without clutch)
Engine type
Displacement
[Bore Stroke]
Max. output
Max. torque
Engine oil
capacity
Fuel tank
capacity
Fuel consumption
Cooling system
Ignition system
PTO shaft rotation
Power equipment
description code
Length
Width
Height
Dry weight
(Without clutch)
Engine type
Displacement
[Bore Stroke]
Max. output
Max. torque
Engine oil
capacity
Fuel tank
capacity
Fuel consumption
Cooling system
Ignition system
PTO shaft rotation
GCART
7
05/12/19 14:40:01 32Z6J600_018

−
−
±
±
±
ENGLISH
Tuneup Specifications
Quick Reference Information
ITEM SPECIFICATION MAINTENANCE
Wiring Diagrams
Pump type:
Standard/Tiller type:
19
Spark plug gap
Idle speed
Valve clearance
(cold)
Other
specifications No other adjustments needed.
0.60 0.70 mm
(0.024 0.028 in)
3,100 200 rpm
IN: 0.08 0.02 mm
EX: 0.11 0.02 mm
Refer to page: 11
See your
authorized
Honda dealer
U.S.
Except
U.S.
Pump octane rating 86 or higher
Research octane rating 91 or higher
Pump octane rating 86 or higher
Unleaded gasoline (Refer to page 8)Fuel
Engine oil
Spark plug
Maintenance
CM5H (NGK)
CMR5H (NGK)
SAE 10W-30, API SJ or SL, for general use.
Refer to page 8.
Before each use:
Check engine oil level. Refer to page 9.
Check air filter. Refer to page 10.
First 10 hours:
Change engine oil. Refer to page 9.
Subsequent:
Refer to the maintenance schedule on page 7.
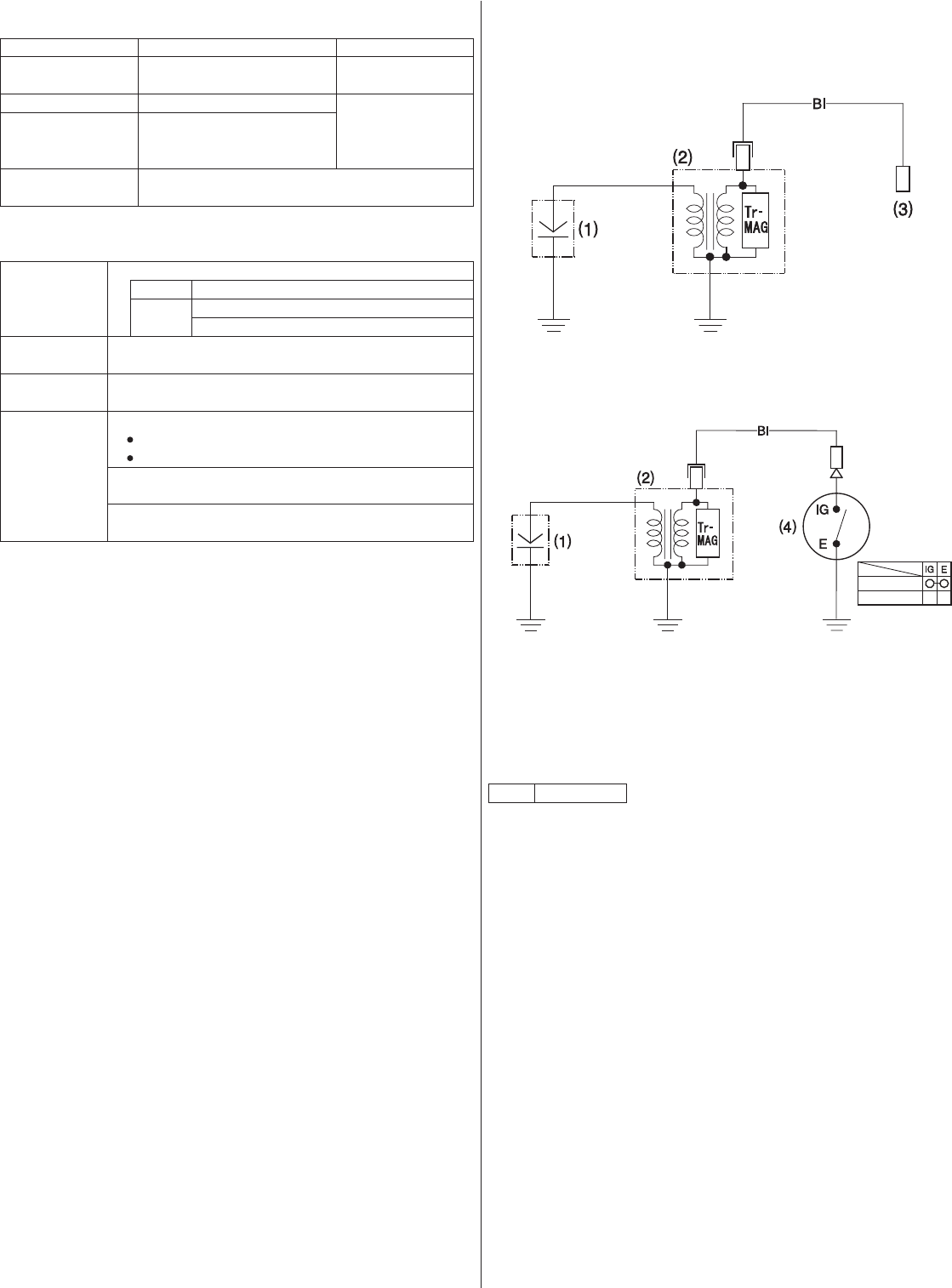
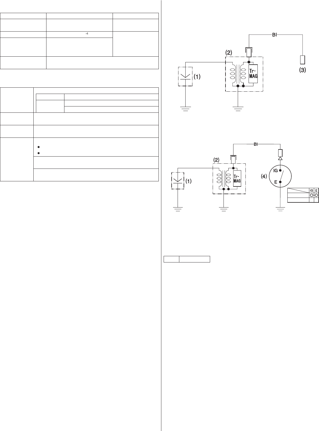
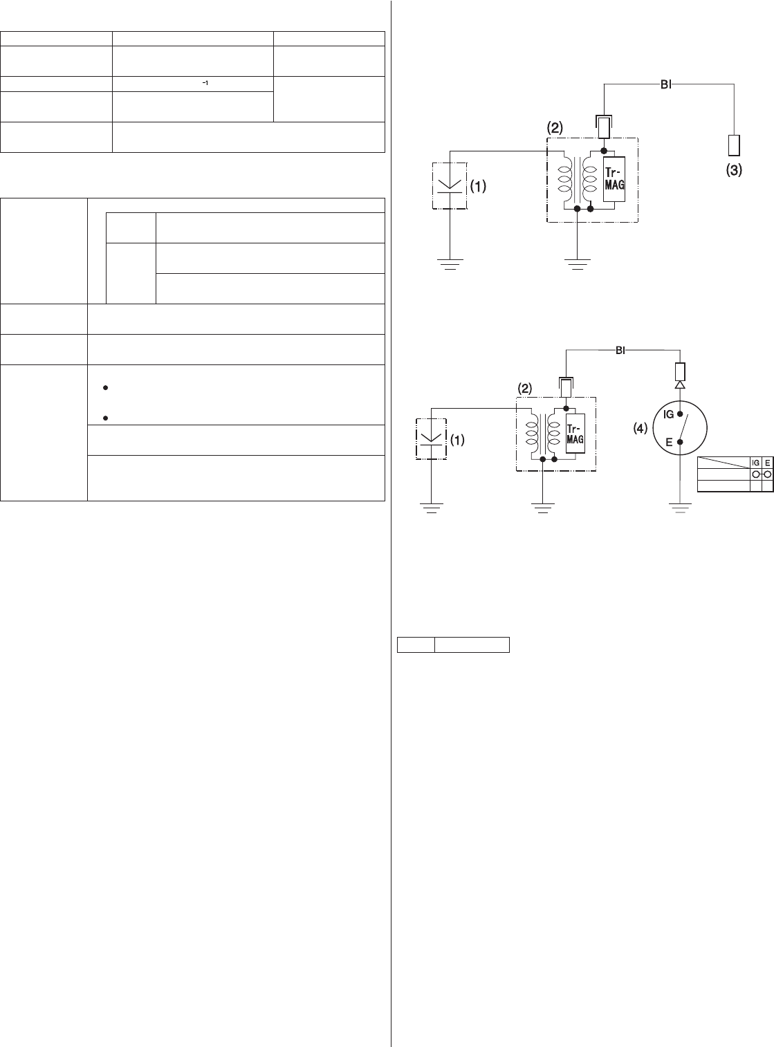
Bl Black
ENGINE SWITCH
SPARK PLUG
IGNITION COIL
Engine switch on the equipment
powered by the engine.
(1)
(2)
(3)
(4)
ON
OFF
05/12/16 15:03:56 32Z6J600_019

《》
Canada:
United States, Puerto Rico, and U.S. Virgin Islands:
Distributor/Dealer Locator Information
CONSUMER INFORMATION
For European Area:
Customer Service Information
United States, Puerto Rico, and U.S. Virgin Islands:
All Other Areas:
Honda’s Office
United States, Puerto Rico, and U.S. Virgin Islands:
American Honda Motor Co., Inc.
Canada:
Honda Canada, Inc.
For European Area:
Honda Europe NV.
All Other Areas:
ENGLISH
20
or visit our website: www.honda.ca
Call (888) 9HONDA9
Visit our website: www.honda-engines.com
visit our website: http://www.honda-engines-eu.com
Servicing dealership personnel are trained professionals. They
should be able to answer any question you may have. If you
encounter a problem that your dealer does not solve to your
satisfaction, please discuss it with the dealership’s management.
The Service Manager, General Manager, or Owner can help.
Almost all problems are solved in this way.
If you are dissatisfied with the decision made by the dealership’s
management, contact the Honda Regional Engine Distributor for
your area.
If you are still dissatisfied after speaking with the Regional Engine
Distributor, you may contact the Honda Office as shown.
If you are dissatisfied with the decision made by the dealership’s
management, contact the Honda Office as shown.
When you write or call, please provide this information:
Equipment manufacturer’s name and model number that the
engine is mounted on
Name of dealer who sold the engine to you
Name, address, and contact person of the dealer who services
your engine
Date of purchase
Your name, address and telephone number
A detailed description of the problem
Power Equipment Division
Customer Relations Office
4900 Marconi Drive
Alpharetta, GA 30005-8847
715 Milner Avenue
Toronto, ON
M1B 2K8
Telephone: (888) 9HONDA9
(888) 946-6329
(416) 299-3400
(416) 287-4776
(877) 939-0909
(416) 287-4776
Toll free
Local Toronto dialing area
Local Toronto dialing area
Toll free
Local Toronto dialing area
Facsimile:
English:
French:
Or telephone: (770) 497-6400, 8:30 am - 7:00 pm EST
European Engine Center
http://www.honda-engines-eu.com
Please contact the Honda distributor in your area for assistance.
Engine model, serial number, and type (see page )16
05/12/16 15:04:22 32Z6J600_020

INTRODUCTION
MESSAGES DE SECURITE
SOMMAIRE
FRANÇAIS
MANUEL DE L’UTILISATEUR
MESSAGES DE PREVENTION DES DOMMAGES
FRANÇAIS
GX25·GX35
1
Nous vous remercions d’avoir porté votre choix sur un moteur Honda.
Nous désirons vous aider à faire le meilleur usage de votre nouveau
moteur et à l’utiliser en sécurité. Vous trouverez dans ce manuel des
informations sur la manière d’y parvenir; veuillez le lire attentivement
avant d’utiliser le moteur. En cas de problème ou pour toute question sur
le moteur, consultez un concessionnaire Honda agréé.
Ce manuel doit être considéré comme faisant partie du moteur et
l’accompagner en cas de revente.
L’échappement du moteur contient des
substances chimiques déclarées
responsables de cancers, de malformations
congénitales ou d’autres anomalies de la
reproduction par l’Etat de Californie.
Toutes les informations de cette publication sont basées sur les dernières
informations sur le produit disponibles au moment de l’impression. Honda
Motor Co., Ltd. se réserve le droit d’apporter des modifications à tout
moment sans avertissement et sans obligation de sa part. Aucune partie
de ce document ne peut être reproduite sans autorisation écrite.
Vous SEREZ MORTELLEMENT ou
GRIEVEMENT BLESSE si vous ne suivez
pas ces instructions.
Ces mots-indicateurs signifient:
Les messages de sécurité vous avertissent de risques potentiels de
blessures pour vous et les autres. Chaque message de sécurité est précédé
d’un symbole de mise en garde et de l’une des trois mentions DANGER,
ATTENTION ou PRECAUTION.
Votre sécurité et celle des autres sont très importantes. Vous trouverez des
messages de sécurité importants dans ce manuel et sur le moteur. Veuillez
les lire attentivement.
Nous vous conseillons de lire le bulletin de garantie afin de bien
comprendre l’étendue de la garantie et vos responsabilités de propriété. Le
bulletin de garantie est un document séparé que vous avez dû en principe
recevoir de votre concessionnaire.
Pour de plus amples informations sur le démarrage, l’arrêt, l’utilisation et
les réglages du moteur ou pour des instructions sur tout entretien spécial,
consultez les instructions accompagnant l’équipement commandé par ce
moteur.
Etats-Unis, Puerto Rico et Iles vierges américaines:
Chaque message vous indique quel est le danger, ce qui peut arriver et ce
que vous pouvez faire pour éviter ou réduire les blessures.
Vous POUVEZ être BLESSE si vous ne
suivez pas ces instructions.
Vous POUVEZ être MORTELLEMENT ou
GRIEVEMENT BLESSE si vous ne suivez
pas ces instructions.
D’autres messages importants sont précédés du mot AVIS.
Votre moteur ou d’autres biens peuvent être endommagés
si vous ne suivez pas ces instructions.
L’objet de ces messages est de vous aider à ne pas causer de dommages
au moteur, à d’autres biens ou à l’environnement.
Cette mention signifie:
..............................INTRODUCTION .1
.............MESSAGES DE SECURITE .1
.....INFORMATIONS DE SECURITE .2
EMPLACEMENT D’INDICATION DE
........................................SECURITE .2
EMPLACEMENT DES PIECES ET
.................................COMMANDES .2
............................PARTICULARITES .3
CONTROLES AVANT
................................L’UTILISATION .4
...................................UTILISATION .4
CONSIGNES DE SECURITE
............................D’UTILISATION .4
........DEMARRAGE DU MOTEUR .4
REGLAGE DU REGIME
......................................MOTEUR .5
...................ARRET DU MOTEUR .6
...............ENTRETIEN DU MOTEUR .6
L’IMPORTANCE DE
...............................L’ENTRETIEN .6
............SECURITE D’ENTRETIEN .6
........CONSIGNES DE SECURITE .7
......PROGRAMME D’ENTRETIEN .7
...............PLEIN DE CARBURANT .8
...........................HUILE MOTEUR .8
................Huile recommandée .8
.Vérification du niveau d’huile .9
..........Renouvellement d’huile .9
..............................FILTRE A AIR .10
..................................Contrôle .10
...............................Nettoyage .10
......................................BOUGIE .11
AILETAGE DE ..................REFROIDISSEMENT .11
...........12
....................PARE-ETINCELLES .12
CONSEILS ET SUGGESTIONS
...........................................UTILES .14
..........REMISAGE DU MOTEUR .14
..............................TRANSPORT .15
EN CAS DE PROBLEME
...................................INATTENDU .16
.............................16
..............................................16
Tringlerie de commande à
......................................distance .16
.........17
................Carburants oxygénés .17
...................................17
...............Indice atmosphérique .18
.........................Caractéristiques .18
....19
.....19
.................Schémas de câblage .19
INFORMATION DU........................CONSOMMATEUR .20
........20
.............................................20
FILTRE A CARBURANT ET
RESERVOIR DE CARBURANT
INFORMATIONS TECHNIQUES ET DU
CONSOMMATEUR
Emplacement des numéros de
série
Modifications du carburateur pour
une utilisation à haute altitude
Informations sur le système
antipollution
Caractéristiques de mise au point
Informations de référence rapide
Informations de localisation des
distributeurs/concessionnaires
Informations d’entretien pour le
client
05/12/16 15:07:13 33Z6J600_001

EMPLACEMENT DES PIECES ET COMMANDESINFORMATIONS DE SECURITE
EMPLACEMENT D’INDICATION DE SECURITE
FRANÇAIS
Type standard/pompe:
LIRE LE MANUEL D’UTILISATEUR AVANT USAGE.
Type motoculteur:
LIRE LE MANUEL D’UTILISATEUR AVANT USAGE.
Type standard/pompe:
Type standard:
CACHE SUPERIEUR
BOUCHON DE
REMPLISSAGE/
JAUGE A HUILE
DEMARREUR A
LANCEUR
RESERVOIR D’ESSENCE PROTECTEUR DE
RESERVOIR (selon type)
COMMANDES DU MOTEUR
Type standard:
LEVIER DES GAZ
LEVIER DE STARTER
Type pompe:
LEVIER DES GAZ
BOUCHON DE
REMPLISSAGE
D’HUILE
BOUGIE (derrière le capot supérieur)
FILTRE A AIR
AMPOULE
D’AMORÇAGE
BOUCHON DE
REMPLISSAGE
D’ESSENCE
POIGNEE DE
DEMARREUR
CONTACTEUR D’ARRET MOTEUR
SILENCIEUX
(derrière le capot supérieur)
2
Comprenez bien le fonctionnement de toutes les commandes et
apprenez comment arrêter le moteur rapidement en cas d’urgence.
Veillez à ce que l’opérateur reçoive des instructions adéquates avant
l’utilisation de l’équipement.
Le moteur et les gaz d’échappement deviennent très chauds pendant le
fonctionnement. Garder le moteur à au moins 1 mètre des bâtiments et
des autres équipements pendant l’utilisation. Ne pas approcher de
matières inflammables et ne rien placer sur le moteur pendant son
fonctionnement.
Les gaz d’échappement du moteur contiennent du monoxyde de
carbone toxique. Ne pas faire tourner le moteur sans une aération
adéquate et ne jamais l’utiliser à l’intérieur.
Ne pas autoriser des enfants à utiliser le moteur. Eloigner les enfants et
les animaux de la zone d’utilisation.
Les illustrations de ce manuel sont basées sur:
Les illustrations peuvent être différentes selon le type.
GX25
05/12/16 15:07:25 33Z6J600_002

FRANÇAIS
PARTICULARITES
Embrayage centrifuge (Type standard/motoculteur)
Type motoculteur:
DEMARREUR A
LANCEUR
FILTRE A AIR
AMPOULE D’AMORÇAGE
RESERVOIR D’ESSENCE
LEVIER DES GAZ
POIGNEE DE DEMARREUR
BOUCHON DE REMPLISSAGE
D’ESSENCE
BOUGIE
(derrière le capot supérieur)
COMMANDES DU MOTEUR
BOUCHON DE
REMPLISSAGE/
JAUGE A HUILE
SILENCIEUX
(derrière le capot supérieur)
GX25
GX35
LEVIER DE STARTER
LEVIER DE STARTER LEVIER DES GAZ
CACHE SUPERIEUR
3
L’embrayage centrifuge s’engage automatiquement et transmet la
puissance lorsque le régime moteur dépasse 4.200 min (tr/mn) environ.
L’embrayage se désengage au régime de ralenti.
Ne pas faire tourner le moteur s’il n’est pas installé sur un équipement
avec tambour et carter d’embrayage centrifuge car la force centrifuge
mettrait les segments d’embrayage en contact avec le carter moteur et
provoquerait des dommages.
05/12/16 15:07:34 33Z6J600_003

FRANÇAIS
CONTROLES AVANT L’UTILISATION UTILISATION
LE MOTEUR EST-IL PRET A FONCTIONNER? CONSIGNES DE SECURITE D’UTILISATION
DEMARRAGE DU MOTEUR
Vérifier l’état général du moteur
Vérifier le moteur
MARCHE
MARCHE
FERME
OUVERT
LEVIER DE STARTER
FFEERRMMEE
OOUUVVEERRTT
AMPOULE D’AMORÇAGE
CONTACTEUR D’ARRET MOTEUR
TUBE DE RETOUR DE CARBURANT
(tube en plastique transparent)
4
Pour la sécurité et la longévité de l’équipement, il est important de
consacrer quelques instants à vérifier l’état du moteur avant l’utilisation.
Corriger tout problème constaté ou confier cette opération au
concessionnaire avant l’utilisation.
Le monoxyde de carbone est un gaz toxique. Il risque de
provoquer des évanouissements et d’être mortel.
Eviter tout endroit et toute activité exposant au monoxyde
de carbone.
Pour les consignes de sécurité à observer au démarrage, lors de l’arrêt du
moteur et pendant l’utilisation, consulter les instructions accompagnant
l’équipement commandé par ce moteur.
Pour mettre en marche un moteur froid, placer le levier de starter sur la
position FERME.
Pour remettre en marche un moteur chaud, laisser le levier de starter sur
la position OUVERT.
Actionner la pompe d’amorçage à plusieurs reprises jusqu’à ce que le
carburant soit visible dans le tuyau de retour de carburant en plastique
transparent.
Avant d’utiliser le moteur pour la première fois, lire la section
INFORMATIONS DE SECURITE
àlapage etlasection
CONTROLES
AVANT L’UTILISATION
.
Toujours vérifier les points suivants avant de mettre le moteur en marche:
Vérifier s’il n’y a pas de traces de fuites d’huile ou d’essence autour ou
sous le moteur.
Enlever toute saleté ou débris excessifs, tout particulièrement autour du
silencieux et du lanceur.
Vérifier s’il n’y a pas de signes de dommages.
S’assurer que tous les protecteurs et couvercles sont en place et que
tous les écrous, boulons et vis sont serrés.
Vérifier le niveau de carburant (voir page ). En démarrant avec un
réservoir de carburant plein, on évitera ou réduira les interruptions de
service pour faire le plein.
Un entretien incorrect de ce moteur ou l’absence de
correction d’un problème avant l’utilisation peut provoquer
un une anomalie susceptible d’entraîner des blessures
graves ou mortelles.
Toujours effectuer les contrôles avant l’utilisation avant
chaque utilisation et corriger tout problème.
Avant de commencer les contrôles avant l’utilisation, s’assurer que le
moteur est à l’horizontale et que l’interrupteur du moteur se trouve sur la
position ARRET.
Vérifier l’équipement commandé par ce moteur.
Vérifier l’élément de filtre à air (voir page ). Un élément de filtre à air
sale limite le passage d’air vers le carburateur, ce qui diminue les
performances du moteur.
Vérifier le niveau d’huile du moteur (voir page ). L’utilisation du
moteur avec un niveau d’huile insuffisant peut provoquer des
dommages au moteur.
Type pompe: Placer l’interrupteur du moteur sur la position MARCHE.
Type standard/motoculteur: Placer l’interrupteur du moteur sur la
position MARCHE sur l’équipement.
Pour les précautions et procédures à observer avant le démarrage du
moteur, consulter les instructions accompagnant l’équipement
commandé par ce moteur.
1.
2.
3.
4.
1.
2.
3.
4.
1.
2.
3.
8
9
10
2
05/12/16 15:07:55 33Z6J600_004

FRANÇAIS
Type motoculteur
Type pompe
REGLAGE DU REGIME MOTEUR
Type standard/motoculteur:
Type pompe:
Redémarrage à chaud
CONSIGNE DE SECURITE IMPORTANTE
Type standard/pompe:
(COTE EQUIPEMENT)
OOUUVVEERRTT
LEVIER DES GAZ
MMIINNII
MMAAXXII
MMIINNII
LEVIER DES GAZ
MAXI MINI
POIGNEE DE DEMARREUR
LEVIER DE STARTER
FFEERRMMEE
OUVERT
MMAAXXII
Type motoculteur:
POIGNEE DE
DEMARREUR
5
Tirer doucement la poignée de lancement jusqu’à ce que l’on ressente
une résistance, puis la tirer d’un coup sec. Ramener doucement la
poignée de lancement en arrière. Placer l’interrupteur du moteur sur la position ARRET sur l’équipement.
Placer le levier de starter sur la position OUVERT.
Tirerlapoignéedelancement3à5fois.
Suivre la procédure DEMARRAGE DU MOTEUR à la page et mettre le
moteur en marche avec le levier de starter sur la position OUVERT.
Placer l’interrupteur du moteur sur la position ARRET.
Placer le levier de starter sur la position OUVERT.
Tirerlapoignéedelancement3à5fois.
Suivre la procédure DEMARRAGE DU MOTEUR à la page et mettre le
moteur en marche avec le levier de starter sur la position OUVERT.
Placer le levier des gaz sur la position correspondant au régime moteur
désiré.
Placer le levier des gaz sur la position correspondant au régime moteur
désiré.
Maintenir le levier des gaz sur la position de régime MAX. sur
l’équipement.
Maintenir le levier des gaz sur la position de régime MAX.
Pour les recommandations de régime moteur, consulter les instructions
accompagnant l’équipement commandé par ce moteur.
Le levier des gaz représenté ici est destiné à être relié à la commande à
distance de l’équipement commandé par ce moteur. Pour les informations
sur la commande à distance et les recommandations de régime moteur,
consulter les instructions accompagnant l’équipement.
Ne pas laisser la poignée de lancement revenir d’elle-même contre le
moteur. Accompagner doucement son mouvement de retour pour ne pas
risquer d’endommager le lanceur.
Si l’on a placé le levier de starter sur la position FERME pour mettre le
moteur en marche, le ramener progressivement sur la position OUVERT
à mesure que le moteur chauffe.
Si l’on arrête le moteur un court instant après un fonctionnement à une
température ambiante élevée, il se peut qu’il ne redémarre pas dès la
première tentative.
Si nécessaire, procéder comme suit:
Placer l’interrupteur du moteur sur la position ARRET avant d’effectuer
l’opération suivante. Ceci empêchera le moteur de démarrer et de tourner
au régime maximum si le levier des gaz se trouve sur la position de régime
MAX. Si le moteur démarrait avec le levier des gaz sur la position de
régime MAX, l’équipement pourrait faire un bond en avant ou l’outil de
coupe tourner à la vitesse maximale. Il pourrait en résulter des blessures.
4.
5.
4.
1.
2.
3.
1.
2.
3.
4.
4
4
05/12/16 15:08:18 33Z6J600_005

ENTRETIEN DU MOTEUR
L’IMPORTANCE DE L’ENTRETIEN
SECURITE D’ENTRETIEN
ARRET DU MOTEUR
Type standard/motoculteur:
Type pompe:
L’entretien, le remplacement ou la réparation des dispositifs et systèmes
antipollution peuvent être exécutés par toute entreprise ou technicien de
réparation de moteurs utilisant des pièces ‘‘certifiées’’ aux normes EPA.
FRANÇAIS
LEVIER DES GAZ
MMIINNII
MMIINNII
LEVIER DES GAZ
MINI
ARRET
CONTACTEUR D’ARRET MOTEUR
ARRET
6
Un bon entretien est essentiel pour un fonctionnement sûr, économique et
sans problème. Il contribue également à réduire la pollution.
Un entretien incorrect ou l’absence de correction d’un
problème avant l’utilisation peut provoquer une anomalie
susceptible d’entraîner des blessures graves ou mortelles.
Toujours observer les recommandations et programmes de
contrôle et d’entretien figurant dans ce manuel.
Certaines des consignes de sécurité les plus importantes sont indiquées ci-
dessous. Il ne nous est toutefois pas possible de vous avertir de tous les
dangers imaginables que vous pouvez courir en exécutant l’entretien.
Vous êtes seul juge de décider si vous devez ou non effectuer un travail
donné.
Le programme d’entretien s’applique à des conditions d’utilisation
normales. Si l’on utilise le moteur dans des conditions sévères telles qu’un
fonctionnement prolongé sous une charge élevée ou par haute
température, ou dans des conditions anormalement humides ou
poussiéreuses, demander au concessionnaire des recommandations pour
des besoins et un usage particuliers.
Le levier des gaz représenté ici est destiné à être relié à la commande à
distance de l’équipement commandé par ce moteur. Pour les
informations sur la commande à distance et les recommandations de
régime moteur, consulter les instructions accompagnant l’équipement.
Placer l’interrupteur du moteur sur la position ARRET.
Pour arrêter le moteur en cas d’urgence, placer simplement l’interrupteur
du moteur sur ARRET sur l’équipement. Dans des conditions normales,
procéder comme il est indiqué ci-dessous.
Pour arrêter le moteur en cas d’urgence, placer simplement l’interrupteur
du moteur sur la position ARRET. Dans des conditions normales, procéder
comme il est indiqué ci-dessous.
Placer l’interrupteur du moteur sur la position ARRET sur l’équipement.
Placer le levier des gaz sur la position MIN.
Placer le levier des gaz sur la position MIN.
Pour permettre d’entretenir correctement le moteur, on trouvera aux pages
suivantes un programme d’entretien, des procédures de contrôle de
routine et des procédures d’entretien simples pouvant être effectuées avec
des outils à main de base. D’autres opérations d’entretien plus difficiles ou
demandant des outils spéciaux seront mieux exécutées par des
professionnels et devront normalement être confiées à un technicien
Honda ou à un autre mécanicien qualifié.
En n’observant pas correctement les instructions et
précautions d’entretien, on s’expose à de graves blessures
ou à un danger de mort.
Toujours observer les procédures et précautions de ce
manuel.
2.
1.
1.
1.
05/12/16 15:08:35 33Z6J600_006

−
−
−
−
FRANÇAIS
PROGRAMME D’ENTRETIENCONSIGNES DE SECURITE
Empoisonnement par le monoxyde de carbone de l’échappement du
moteur.
Brûlures par des pièces chaudes.
Blessures par des pièces mobiles.
7
Avant de commencer un entretien ou une réparation, s’assurer que le
moteur est arrêté. Ceci éliminera plusieurs risques potentiels:
Avant d’utiliser le moteur, s’assurer que l’aération est suffisante.
Attendre que le moteur et le système d’échappement se soient
refroidis avant de les toucher.
Pour la meilleure qualité et fiabilité, n’utiliser que des pièces Honda
d’origine neuves ou leur équivalent pour la réparation et le remplacement.
Ne pas oublier que c’est le concessionnaire Honda agréé qui connaît le
mieux le moteur et qu’il est parfaitement outillé pour son entretien et sa
réparation.
Pour diminuer les risques d’incendie ou d’explosion, être prudent
lorsqu’on travaille à proximité de l’essence. Pour le nettoyage des pièces,
utiliser uniquement un solvant ininflammable et non de l’essence. Ne
pas approcher de cigarettes, étincelles ou flammes des pièces du
système d’alimentation en carburant.
Lire les instructions avant de commencer et s’assurer que l’on dispose
de l’outillage et des compétences nécessaires pour effectuer le travail en
sécurité.
Ne faire tourner le moteur que si cela est indiqué dans les instructions.
En cas d’utilisation dans des endroits poussiéreux, augmenter la
fréquence d’entretien.
Confier l’entretien de ces points au concessionnaire à moins que l’on
ne dispose des outils appropriés et ne soit mécaniquement compétent.
Pour les procédures d’entretien, voir le manuel d’atelier Honda.
Pour une utilisation commerciale, consigner le nombre d’heures de
service afin de déterminer la périodicité d’entretien appropriée.
L’inobservation de ce programme d’entretien peut entraîner des
problèmes non couverts par la garantie.
(1)
(2)
(3)
DESCRIPTION
Premier
mois
ou
10 h
Tous les
2ans
ou
300 h
A effectuer après le nombre
de mois ou d’heures
d’utilisation indiqué en
retenant l’intervalle le plus
court des deux.
FREQUENCE D’ENTRETIEN
PERIODIQUE (3) Tous les
3mois
ou
25 h
(1)
Tous les
6mois
ou
50 h
(2)
Tous les
ans
ou
100 h
(2)
(2)
Après toutes les 300 heures (2)
Tous les 2 ans (Remplacer si nécessaire) (2)
Tous les 2 ans (Remplacer si nécessaire) (2)
Voir
page
9
10
11
12 14
11
4
Manuel
d’atelier
Manuel
d’atelier
Manuel
d’atelier
Manuel
d’atelier
12
12
Manuel
d’atelier
Manuel
d’atelier
(Resserrer si nécessaire)
Huile moteur
Filtre à air
Bougie
Pare-étincelles
(Selon types)
Ailettes de
refroidissement
du moteur
Ecrous, boulons,
fixations
Segments
d’embrayage
Régime de
ralenti
Jeu aux
soupapes
Chambre de
combustion
Filtre à carburant
Réservoir de
carburant
Tuyaux de
carburant
Tuyau d’huile
Vérifier le
niveau
Renouveler
Vérifier
Nettoyer
Vérifier-régler
Remplacer
Nettoyer
Vérifier
Vérifier
Vérifier
Vérifier-régler
Vérifier-régler
Nettoyer
Vérifier
Nettoyer
Vérifier
Vérifier
Chaque
utilisation
05/12/16 15:08:52 33Z6J600_007

−
FRANÇAIS
PLEIN DE CARBURANT
Carburant recommandé
HUILE MOTEUR
Huile recommandée
Type standard/motoculteur:
Type pompe:
Type standard/pompe: Type motoculteur:
BOUCHON DE REMPLISSAGE
D’ESSENCE
NIVEAU
MAXIMUM DE
CARBURANT
Grades de viscosité
TEMPÉRATURE AMBIANTE
8
Ce moteur est certifié pour fonctionner avec de l’essence sans plomb.
L’essence sans plomb laisse moins de dépôts dans le moteur et sur la
bougie et prolonge la durée de service du système d’échappement.
L’essence est très inflammable et explosive et l’on peut se
brûler ou se blesser grièvement en faisant le plein.
Le carburant peut endommager la peinture et certains types de plastiques.
Veiller à ne pas renverser de carburant lorsqu’on remplit le réservoir. Les
dommages causés par du carburant renversé ne sont pas couverts par la
Garantie limitée du distributeur.
Pour faire le plein de carburant, placer le moteur au sol avec le bouchon de
remplissage de carburant vers le haut, comme sur la figure. Retirer le
bouchon de remplissage de carburant et remplir le réservoir avec de
l’essence jusqu’au bas du goulot de remplissage. Faire le plein avec
précaution pour éviter de renverser du carburant. Ne pas trop remplir. Il ne
doit pas y avoir de carburant dans le goulot de remplissage. Après avoir
fait le plein, resserrer le bouchon de remplissage de carburant à fond.
Essence sans plomb Indice d’octane pompe d’au moins 86
Indice d’octane recherche d’au moins 91
Indice d’octane pompe d’au moins 86
Essuyer immédiatement tout carburant renversé.
Arrêter le moteur et ne pas autoriser de sources de
chaleur, étincelles ou flammes à proximité.
Ne faire le plein qu’à l’extérieur.
Si le cognement d’allumage ou cliquetis se produit alors que le moteur
tourne régulièrement sous une charge normale, changer de marque
d’essence. Si le phénomène persiste, consulter un concessionnaire Honda
agréé.
Un léger ‘‘cognement d’allumage’’ ou ‘‘cliquetis’’ (bruit de coups
métalliques) peut se produire occasionnellement lors d’une utilisation sous
une lourde charge. Il n’y a pas lieu de s’en inquiéter.
Ne jamais utiliser de l’essence ou un mélange d’huile/essence viciés ou
contaminés. Empêcher la pénétration de saleté ou eau dans le réservoir de
carburant.
L’utilisation du moteur avec un cognement d’allumage ou un cliquetis
persistant peut l’endommager.
L’utilisation du moteur avec un cognement d’allumage ou un cliquetis
persistant est considéré comme un mauvais usage, et la
Garantie limitée
du distributeur
ne couvre pas les pièces endommagées par un mauvais
usage.
Vérifier le niveau de carburant en regardant à travers le réservoir de
carburant transparent.
Si le niveau est bas, faire le plein dans un endroit bien aéré avec le
moteur arrêté. Si le moteur vient de tourner, le laisser se refroidir.
Ne jamais faire le plein à l’intérieur d’un bâtiment où des vapeurs
d’essence pourraient atteindre des flammes ou des étincelles. Garder
l’essence loin des veilleuses des appareils, barbecues, appareils
électriques, outils électriques, etc.
Le carburant renversé ne fait pas seulement courir des risques d’incendie;
il est également nuisible pour l’environnement. Essuyer immédiatement
tout carburant renversé.
Pour les informations sur les carburants oxygénés, voir page .
L’huile est un facteur déterminant pour la performance et la durée de
service. Utiliser une huile automobile 4 temps détergente.
Utiliser une huile moteur 4 temps
répondant ou dépassant les
prescriptions pour la classification
service API SJ, SL ou équivalente.
Toujours vérifier l’étiquette de
service API sur le bidon d’huile pour
s’assurer qu’elle porte bien la
mention SJ, SL ou équivalente.
Une huile SAE 10W-30 est recommandée pour l’utilisation générale. Les
autres viscosités indiquées dans le tableau peuvent être utilisées lorsque la
température moyenne du lieu d’utilisation se trouve dans la plage indiquée.
La plage de service recommandée de ce moteur est de 5 à 40°C.
Laplagedeservicerecommandéedecemoteurestde5à40°C.
Etats-Unis
Sauf Etats-
Unis
1.
2.
17
05/12/16 15:09:13 33Z6J600_008

FRANÇAIS
Vérification du niveau d’huile
Renouvellement d’huile
BOUCHON DE REMPLISSAGE/
JAUGE A HUILE
LIMITE
INFERIEURE
ORIFICE DE
REMPLISSAGE D’HUILE
(bord inférieur)
LIMITE SUPERIEURE
LIMITE SUPERIEURE
BOUCHON DE REMPLISSAGE/
JAUGE A HUILE
LIMITE SUPERIEURE
ORIFICE DE REMPLISSAGE
D’HUILE
BOUCHON DE REMPLISSAGE D’ESSENCE
ORIFICE DE REMPLISSAGE D’HUILE (bord inférieur)
LIMITE SUPERIEURE
9
Vérifier le niveau d’huile moteur avant chaque utilisation ou toutes les 10
heures dans le cas d’une utilisation continue.
Vérifier le niveau d’huile du moteur avec le moteur arrêté et à l’horizontale.
Une certaine quantité d’huile reste dans le moteur après la vidange. Lors
du remplissage avec de l’huile neuve, commencer par moins de 80 cm .
Ajouter progressivement une quantité d’huile suffisante pour atteindre
le bord inférieur de l’orifice de remplissage d’huile comme sur la figure
ci-dessous.
Remettre la jauge/bouchon de remplissage d’huile correctement en
place.
Si de l’huile a été renversée, l’essuyer.
Si le niveau d’huile est proche du repère de limite minimum de la jauge
ou au-dessous, faire l’appoint d’huile recommandée (voir page )
jusqu’au bord inférieur de l’orifice de remplissage d’huile. Pour ne pas
risquer un remplissage excessif ou insuffisant, s’assurer que le moteur
est à l’horizontale comme sur la figure lors de l’appoint d’huile.
Avec le moteur à l’horizontale, faire l’appoint d’huile recommandée
jusqu’au bord inférieur de l’orifice de remplissage d’huile (voir page ).
Reposer la jauge/bouchon de remplissage d’huile et la serrer à fond.
L’utilisation du moteur avec un niveau d’huile insuffisant peut provoquer
des dommages au moteur.
Retirer la jauge/bouchon de remplissage d’huile et l’essuyer.
Introduire la jauge/bouchon de remplissage d’huile sans la visser dans
le goulot de remplissage d’huile, puis la retirer pour vérifier le niveau
d’huile sur la jauge.
Vidanger l’huile usée alors que le moteur est chaud. La vidange s’effectue
plus rapidement et plus complètement lorsque l’huile est chaude.
S’assurer que le bouchon de remplissage de carburant est bien serré.
Placer un récipient approprié sous le moteur pour recueillir l’huile usée.
Retirer la jauge/bouchon de remplissage d’huile et vidanger l’huile dans
le récipient en inclinant le moteur vers le goulot de remplissage d’huile.
Jeter l’huile moteur usée d’une manière compatible avec l’environnement.
Nous conseillons de la porter dans un récipient fermé au centre de
traitement local ou à une station service pour qu’elle soit traitée. Ne pas la
jeter aux ordures ni la déverser dans la terre ou dans un égout.
L’utilisation du moteur avec un niveau d’huile insuffisant ou excessif
peut provoquer des dommages au moteur.
1.
2.
3.
4.
1.
2.
3.
4.
5.
8
8
05/12/16 15:09:31 33Z6J600_009

NettoyageFILTRE A AIR
Contrôle
FRANÇAIS
GX25
Type standard/pompe: Type motoculteur:
BOITIER DE FILTRE A AIR
BOITIER DE FILTRE A AIR
LEVIER DE STARTER
LANGUETTE
SUPERIEURE
ELEMENT FILTRANT
COUVERCLEDEFILTREAAIR
LANGUETTE
SUPERIEURE
GX35
Type standard/motoculteur:
BOITIER DE FILTRE A AIR
LEVIER DE STARTER
COUVERCLEDEFILTREAAIR
ELEMENT FILTRANT
GX25
Type standard/pompe: Type motoculteur:
ELEMENT FILTRANT ELEMENT FILTRANT
GX35
Type standard/motoculteur:
ELEMENT FILTRANT
LANGUETTE SUPERIEURE
LANGUETTES INFERIEURES
LANGUETTE
SUPERIEURE
COUVERCLEDEFILTREAAIR
LANGUETTES
INFERIEURES
LANGUETTE DE VERROUILLAGE
SUPERIEURE
LANGUETTES INFERIEURES
LANGUETTE DE
VERROUILLAGE SUPERIEURE
10
Nettoyer l’élément filtrant dans de l’eau savonneuse chaude, le rincer et
le laisser sécher complètement. On pourra également le nettoyer dans
un solvant ininflammable, puis le laisser sécher.
Tremper l’élément filtrant dans de l’huile moteur propre, puis en
exprimer toute huile en excès. S’il reste trop d’huile dans la mousse, le
moteur fumera au démarrage.
Essuyer la saleté du boîtier et du couvercle de filtre à air à l’aide d’un
chiffon humide. Veiller à ce que la saleté ne pénètre pas dans le
carburateur.
Un filtre à air sale restreint le passage d’air vers le carburateur et réduit
ainsi les performances du moteur. Si l’on utilise le moteur dans des
endroits très poussiéreux, nettoyer l’élément du filtre à air plus souvent
qu’il n’est indiqué dans le PROGRAMME D’ENTRETIEN.
Si l’on utilise le moteur sans élément de filtre à air ou avec un élément de
filtre à air endommagé, des saletés pénétreront dans le moteur qui s’usera
alors rapidement. Ce type de dommage n’est pas couvert par la
Garantie
limitée du distributeur
.
Enfoncer la languette de verrouillage en haut du couvercle de filtre à air et
retirer le couvercle. Contrôler l’élément filtrant. Nettoyer ou remplacer des
éléments filtrants sales. Toujours remplacer des éléments filtrants
endommagés.
Reposer l’élément filtrant et le couvercle de filtre à air.
Pour les instructions relatives à l’entretien du filtre à air et des éléments
filtrants, voir sur cette page.
Reposer correctement l’élément filtrant et le couvercle de filtre à air.
1.
2.
4.
3.
05/12/16 15:09:45 33Z6J600_010

−
−
FRANÇAIS
BOUGIE
Contrôle
Bougie recommandée:
AILETAGE DE REFROIDISSEMENT
CACHE SUPERIEUR
CAPUCHON DE BOUGIE D’ALLUMAGE
BOUGIE D’ALLUMAGE
ELECTRODE LATERALE
0,60 0,70 mm
RONDELLE
D’ETANCHEITE
CAPUCHON DE BOUGIE D’ALLUMAGE
AILETAGE DE REFROIDISSEMENT
BOULON SIX PANS 5 mm
11
Contrôler la bougie. La remplacer
si elle est endommagée ou très
encrassée, si sa rondelle
d’étanchéité est en mauvais état
ou si son électrode est usée.
Mesurer l’écartement des
électrodes avec un calibre
d’épaisseur à fils. Si nécessaire,
le corriger en pliant l’électrode
latérale.
L’écartement des électrodes doit
être de:
La bougie recommandée possède l’indice thermique correct pour des
températures normales de fonctionnement du moteur.
Une bougie incorrecte peut provoquer des dommages au moteur.
Pour que les performances soient bonnes, la bougie doit avoir un
écartement des électrodes correct et ne pas être encrassée.
Déposer le capot supérieur.
Desserrer le boulon six pans de 5 mm avec une clé hexagonale, puis
déposer le capot supérieur.
Vous risqueriez d’être blessé par les pièces rotatives ou
brûlé par le silencieux.
Ne pas tirer la poignée de lancement lorsque le capot
supérieur a été retiré.
Ne pas faire fonctionner le moteur lorsque le capot
supérieur a été retiré.
Déconnecter le capuchon de bougie et nettoyer toute saleté autour de la
bougie.
Déposer la bougie avec une clé à bougie de 5/8 pouce.
Fixer le capuchon de bougie sur la bougie.
Une bougie insuffisamment serrée peut surchauffer et endommager le
moteur. Un serrage excessif de la bougie peut endommager le filetage
dans la culasse.
Si elle a déjà été utilisée, la serrer de 1/8 à 1/4 de tour après qu’elle a
touché son siège pour comprimer la rondelle.
Si la bougie est neuve, la serrer de 1/2 tour après qu’elle a touché son
siège pour comprimer la rondelle.
Lorsque la bougie a touché son siège, continuer à la serrer avec une clé
à bougie de 5/8 pouce pour comprimer la rondelle d’étanchéité.
Reposer la bougie avec précaution à
la main pour éviter de foirer son
filetage.
0,60 0,70 mm
CM5H (NGK) CMR5H (NGK)
Reposer le capot supérieur et serrer à fond le boulon six pans de 5 mm.
Reconnecter le capuchon de bougie.
Reposer le capot supérieur et serrer le boulon six pans de 5 mm à fond
avec une clé hexagonale.
Desserrer le boulon six pans de 5 mm, puis déposer le capot supérieur.
Déconnecter le capuchon de bougie.
Contrôler l’ailetage de refroidissement du moteur et retirer les détritus si
nécessaire.
2.
4.
3.
5.
6.
7.
8.
9.
2.
3.
1.
4.
5.
10.
11.
1.
,
05/12/16 15:10:07 33Z6J600_011

FRANÇAIS
Nettoyage et contrôle du pare-étincelles
Dépose du pare-étincelles
Type standard/pompe:
PARE-ETINCELLES (types applicables)FILTRE A CARBURANT ET RESERVOIR DE CARBURANT
Contrôle du filtre à carburant et nettoyage du réservoir de carburant
GX25
GOULOT DE DISPOSITIF DE
REMPLISSAGE DE CARBURANT
FILTRE A ESSENCE
SILENCIEUX
PARE-ETINCELLES
BOUCHON DE REMPLISSAGE
D’HUILE MOTEUR
BOUGIE D’ALLUMAGE
VIS DE 4 mm
GRILLE DE PARE-ETINCELLES
12
Reposer le capot supérieur et serrer à fond le boulon six pans de 5 mm
(voir page ).
Lorsqu’on pose le pare-étincelles, son orifice de sortie doit être dirigé
vers le côté opposé à la bougie.
Reposer le pare-étincelles dans l’ordre inverse du démontage.
Le pare-étincelles ne doit pas être cassé ou troué. Remplacer le pare-
étincelles s’il est endommagé.
Utiliser une brosse pour retirer la calamine du tamis du pare-étincelles.
Veiller à ne pas endommager le tamis.
Retirer les vis de 4 mm du pare-étincelles et déposer le pare-étincelles
du silencieux.
Desserrer le boulon six pans de 5 mm, puis déposer le capot supérieur
(voir page ).
Si le moteur vient de tourner, le silencieux sera chaud. Le laisser se
refroidir avant de contrôler le pare-étincelles.
Le pare-étincelles doit être entretenu toutes les 100 heures pour pouvoir
continuer à fonctionner de la manière prévue.
Selon le type de moteur, le pare-étincelles peut être une pièce standard ou
en option. Dans certaines zones, il n’est pas autorisé d’utiliser un moteur
sans pare-étincelles. Se renseigner sur la réglementation locale. Un pare-
étincelles est en vente chez les concessionnaires Honda agréés.
Introduire le filtre à carburant dans le réservoir de carburant et serrer le
bouchon de remplissage de carburant à fond.
Enlever l’eau et la saleté en rinçant l’intérieur du réservoir de carburant
avec un solvant ininflammable ou à point d’éclair élevé.
Contrôler le filtre à carburant. Si le filtre à carburant est sale, le laver
doucement dans un solvant ininflammable ou à point d’éclair élevé. S’il
est très sale, le remplacer.
Tirer le filtre à carburant hors du goulot de remplissage de carburant en
accrochant le tuyau de carburant noir avec un morceau de fil métallique
tel qu’un trombone partiellement redressé.
L’essence est très inflammable et explosive et l’on peut se
brûler ou se blesser grièvement en la manipulant.
Arrêter le moteur et ne pas autoriser de sources de
chaleur, étincelles ou flammes à proximité.
Ne manipuler le carburant qu’à l’extérieur.
Essuyer immédiatement tout carburant renversé.
S’assurer que le bouchon de remplissage d’huile moteur est bien serré.
Retirer le bouchon de remplissage de carburant et vidanger le carburant
dans un récipient à essence agréé en inclinant le moteur vers le goulot
de remplissage de carburant. 1.
2.
4.
3.
5.
6.
1.
2.
3.
1.
2.
11
11
05/12/16 15:10:27 33Z6J600_012

×
×
×
×
FRANÇAIS
Type standard:
Type motoculteur
Dépose du pare-étincelles
Dépose du pare-étincelles
Nettoyage et contrôle du pare-étincelles
Nettoyage et contrôle du filtre d’échappement
Nettoyage et contrôle du pare-étincelles
GX35
VIS AUTOTARAUDEUSE 3 6 mm
PARE-ETINCELLES
SILENCIEUX
GRILLE DE PARE-ETINCELLES
ORIFICE DE SORTIE DU
PARE-ETINCELLES
FILTRE D’ECHAPPEMENT
SILENCIEUX
PARE-ETINCELLES
GRILLE DE PARE-ETINCELLES
BOUGIE D’ALLUMAGE
VIS AUTOTARAUDEUSES
46mm
13
Déposer les vis autotaraudeuses de 4 6 mm du pare-étincelles et
déposer le pare-étincelles et le filtre d’échappement du silencieux.
Desserrer le boulon six pans de 5 mm, puis déposer le capot supérieur
(voir page ).
Desserrer le boulon six pans de 5 mm, puis déposer le capot supérieur
(voir page ).
Utiliser une brosse pour retirer la calamine du tamis du pare-étincelles.
Veiller à ne pas endommager le tamis.
Le pare-étincelles ne doit pas être cassé ou troué. Remplacer le pare-
étincelles s’il est endommagé.
Reposer le capot supérieur et serrer à fond le boulon six pans de 5 mm
(voir page ).
Reposer le pare-étincelles dans l’ordre inverse du démontage.
Déposer les vis autotaraudeuses de 3 6 mm du pare-étincelles et
déposer le pare-étincelles du silencieux.
Pincer le filtre d’échappement, le tapoter légèrement avec un doigt et en
retirer les dépôts de calamine. Ne pas le tapoter fortement.
Le filtre d’échappement ne doit pas être cassé ou troué. S’il est
endommagé ou excessivement souillé, confier son entretien au
concessionnaire Honda.
Reposer le capot supérieur et serrer à fond le boulon six pans de 5 mm
(voir page ).
Lorsqu’on pose le pare-étincelles, son orifice de sortie doit être dirigé
vers le côté opposé à la bougie.
Reposer le filtre d’échappement et le pare-étincelles dans l’ordre inverse
du démontage.
Le pare-étincelles ne doit pas être cassé ou troué. Remplacer le pare-
étincelles s’il est endommagé.
Utiliser une brosse pour retirer la calamine de l’écran du pare-étincelles.
Veiller à ne pas endommager le tamis.
1.
2.
3.
2.
3.
1.
2.
1.
2.
1.
11
11
11
11
05/12/16 15:10:46 33Z6J600_013

×
×
CONSEILS ET SUGGESTIONS UTILES
REMISAGE DU MOTEUR
Préparation au remisage
Nettoyage
Type motoculteur:
Dépose du pare-étincelles
Nettoyage et contrôle du pare-étincelles
Ajout d’un stabilisateur d’essence pour prolonger la durée de stockage
du carburant
Carburant
FRANÇAIS
SILENCIEUX
PARE-ETINCELLES
GRILLE DE PARE-ETINCELLES
VIS AUTOTARAUDEUSES
46mm
BOUGIE D’ALLUMAGE
14
Une préparation au remisage appropriée est essentielle pour maintenir le
moteur en bon état de fonctionnement et lui conserver son bel aspect. Les
opérations suivantes contribueront à empêcher que la rouille et la
corrosion n’affectent le fonctionnement et l’aspect du moteur et à faciliter
le démarrage du moteur lors de sa remise en service.
Si le moteur vient de tourner, le laisser se refroidir pendant au moins une
demi-heure avant le nettoyage. Nettoyer toutes les surfaces extérieures,
faire les retouches de peinture nécessaires et enduire toutes les parties
susceptibles de rouiller d’une légère couche d’huile.
L’utilisation d’un tuyau d’arrosage ou d’un dispositif de lavage sous
pression peut faire pénétrer de l’eau dans le filtre à air ou dans l’ouverture
du silencieux. L’eau dans le filtre à air imbibe alors l’élément filtrant, et
l’eau qui traverse l’élément filtrant ou le silencieux peut pénétrer dans le
cylindre et causer des dommages.
Desserrer le boulon six pans de 5 mm, puis déposer le capot supérieur
(voir page ).
Retirer les vis autotaraudeuses de 4 6 mm du pare-étincelles et
déposer le pare-étincelles du silencieux.
Utiliser une brosse pour retirer la calamine du tamis du pare-étincelles.
Veiller à ne pas endommager le tamis.
Le pare-étincelles ne doit pas être cassé ou troué. Remplacer le pare-
étincelles s’il est endommagé.
Reposer le filtre d’échappement et le pare-étincelles dans l’ordre inverse
du démontage.
Lorsqu’on pose le pare-étincelles, son orifice de sortie doit être dirigé
vers le côté opposé à la bougie.
Reposer le capot supérieur et serrer à fond le boulon six pans de 5 mm
(voir page ).
Arrêter le moteur.
Après avoir ajouté le stabilisateur d’essence, faire tourner le moteur à
l’extérieur pendant 10 minutes pour être sûr que l’essence traitée a
remplacé l’essence non traitée dans le carburateur.
Ajouter le stabilisateur d’essence en suivant les instructions du fabricant.
Lorsqu’on ajoute un stabilisateur d’essence, remplir le réservoir de
carburant avec de l’essence fraîche. Si le réservoir n’est que partiellement
rempli, l’air à l’intérieur favorise la dégradation du carburant pendant le
remisage. Si l’on garde un bidon d’essence pour le ravitaillement, veiller à
ce qu’il ne contienne que de l’essence fraîche.
On peut prolonger la durée de vie du carburant lors du remisage en
ajoutant un stabilisateur d’essence spécialement formulé à cet effet ou l’on
peut éviter les problèmes de dégradation du carburant en vidangeant le
réservoir de carburant et le carburateur.
Les dommages du système d’alimentation en carburant ou les problèmes
de performances du moteur qui résultent d’une mauvaise préparation au
remisage ne sont pas couverts par la
Garantie limitée du distributeur
.
La durée pendant laquelle on peut laisser l’essence dans le réservoir de
carburant et le carburateur sans causer de problèmes fonctionnels dépend
de facteurs tels que la composition de l’essence ou les températures de
remisage ainsi que du degré de remplissage, partiel ou complet, du
réservoir. L’air dans un réservoir de carburant partiellement rempli
favorise la dégradation du carburant. De très fortes températures de
remisage accélèrent la dégradation du carburant. Des problèmes de
carburant peuvent survenir après quelques mois ou même plus
rapidement si l’essence n’était pas fraîche lorsqu’on a fait le plein.
L’essence s’oxyde et se dégrade lors du remisage. Une essence dégradée
rend le démarrage difficile et laisse des dépôts de gomme susceptibles de
boucher le système d’alimentation en carburant. Si l’essence dans le
moteur se dégrade pendant le remisage, une intervention sur le
carburateur et d’autres pièces du système d’alimentation en carburant ou
leur remplacement peut être nécessaire.
1.
2.
3.
2.
3.
1.
1.
2.
11
11
05/12/16 15:11:05 33Z6J600_014

Précautions de remisageVidange du réservoir de carburant et du carburateur
Huile moteur
TRANSPORT
Fin du remisage
FRANÇAIS
TUBE DE RETOUR DE CARBURANT
BOUCHON DE REMPLISSAGE
D’HUILE MOTEUR
AMPOULE
D’AMORÇAGE
GOULOT DE DISPOSITIF DE
REMPLISSAGE DE CARBURANT
15
Si l’on remise le moteur avec de l’essence dans le réservoir de carburant et
le carburateur, il est important de réduire les risques d’inflammation des
vapeurs d’essence. Choisir une zone de remisage bien aérée loin de tout
appareil à flamme tel que fourneau, chauffe-eau ou séchoir à linge. Eviter
également un endroit où un moteur électrique produisant des étincelles ou
des outils électriques sont utilisés.
Eviter dans la mesure du possible des zones de remisage très humides car
ceci favorise la rouille et la corrosion.
Garder le moteur à l’horizontale lors du remisage. Une inclinaison peut
provoquer des fuites de carburant ou d’huile.
Alors que le moteur et le système d’échappement sont froids, couvrir le
moteur pour le protéger contre la poussière. Un moteur ou un système
d’échappement chaud peut enflammer ou faire fondre certaines matières.
Ne pas utiliser une feuille en plastique pour la protection contre la
poussière.
Une bâche non poreuse emprisonne l’humidité autour du moteur et
favorise la rouille et la corrosion.
L’essence est très inflammable et explosive et l’on peut se
brûler ou se blesser grièvement en la manipulant.
Après avoir vidangé tout le carburant, reposer correctement le bouchon
de remplissage de carburant.
Tirer doucement la poignée de lancement jusqu’à ce que l’on ressente
une résistance.
Reposer le capot supérieur et serrer à fond le boulon six pans de 5 mm
(voir page ).
Déposer le capot supérieur, puis reposer la bougie.
Tirer la poignée de lancement à plusieurs reprises pour distribuer l’huile
dans le cylindre.
Reposer provisoirement le capot supérieur.
Mettre quelques gouttes d’huile moteur propre dans le cylindre.
Déposer la bougie (voir page ).
Desserrer le boulon six pans de 5 mm, puis déposer le capot supérieur
(voir page ).
Renouveler l’huile moteur (voir page ).
Arrêter le moteur et ne pas autoriser de sources de
chaleur, étincelles ou flammes à proximité.
Ne manipuler le carburant qu’à l’extérieur.
Essuyer immédiatement tout carburant renversé.
S’assurer que le bouchon de remplissage d’huile moteur est bien serré.
Retirer le bouchon de remplissage de carburant et vidanger le carburant
dans un récipient à essence agréé en inclinant le moteur vers le goulot
de remplissage de carburant.
Actionner la pompe d’amorçage à plusieurs reprises jusqu’à ce qu’il n’y
ait plus de carburant dans le tuyau de retour du carburant.
Incliner à nouveau le moteur vers le goulot de remplissage de carburant
pour vidanger le carburant.
Si le moteur vient de tourner, le laisser se refroidir pendant au moins
15 minutes avant de charger l’équipement commandé par lui sur le
véhicule de transport. Un moteur ou un système d’échappement chaud
peut provoquer des brûlures et enflammer certaines matières.
Si le cylindre a été enduit d’huile lors de la préparation au remisage, le
moteur fume brièvement au démarrage. Ceci est normal.
Si le carburant a été vidangé lors de la préparation au remisage, remplir le
réservoir avec de l’essence fraîche. Si l’on garde un bidon d’essence pour
le ravitaillement, veiller à ce qu’il ne contienne que de l’essence fraîche.
L’essence s’oxyde et se dégrade avec le temps, ce qui rend le démarrage
difficile.
Vérifier le moteur comme il est indiqué à la section
CONTROLES AVANT
L’UTILISATION
de ce manuel (voir page ).
2.
1.
3.
1.
2.
3.
4.
5.
6.
4.
5.
7.
8.
9.
11
9
11
11
4
05/12/16 19:46:36 33Z6J600_015

−
EN CAS DE PROBLEME INATTENDU INFORMATIONS TECHNIQUES ET DU
CONSOMMATEUR
LE MOTEUR NE
DEMARRE PAS
Cause possible Remède
Tringlerie de commande à distance
Type standard/motoculteur:
Cause possible Remède
INFORMATIONS TECHNIQUES
Emplacement des numéros de série
LE MOTEUR
MANQUE DE
PUISSANCE
FRANÇAIS
PIECE D’ANCRAGE DE CABLE
CONTRE-ECROU
TIRANT
TYPE DE MOTEUR
NUMERO DE SERIE DU MOTEUR
ECROU DE REGLAGE
MANETTE DE
COMMANDE DES GAZ
16
Date d’achat: ______ / ______ / ______
Type de moteur: ___ ___ ___ ___
Numéro de série du moteur: __ __ __ __ __ __ __ __ __ __ __
Le levier des gaz est doté d’une pièce d’ancrage de câble.
Starter ouvert.
Interrupteur du
moteur sur ARRET.
(sur l’équipement)
Carburant épuisé.
Carburant
impropre; moteur
remisé sans
traitement ou
vidange préalable
de l’essence ou
plein effectué avec
une essence
impropre.
Bougie
défectueuse,
encrassée ou ayant
un écartement des
électrodes
incorrect.
Bougie mouillée de
carburant (moteur
noyé).
Filtre à carburant
obstrué, anomalie
du carburateur,
anomalie
d’allumage,
soupapes grippées,
etc.
Vérifier les
positions des
commandes.
Vérifier le
carburant.
Retirer la bougie
et la contrôler.
Porter le moteur
chez un
concessionnaire
Honda agréé ou
consulter le
manuel d’atelier.
Elément filtrant
obstrué.
Carburant
impropre; moteur
remisé sans
traitement ou
vidange préalable
de l’essence ou
plein effectué avec
une essence
impropre.
Filtre à carburant
obstrué, anomalie
du carburateur,
anomalie
d’allumage,
soupapes grippées,
etc.
Vérifier le filtre à
air.
Vérifier le
carburant.
Porter le moteur
chez un
concessionnaire
Honda agréé ou
consulter le
manuel d’atelier.
Noter le numéro de série du moteur,
le type et la date d’achat dans
l’espace ci-dessous. Cette
information est nécessaire pour la
commande de pièces et les
demandes de renseignements
techniques ou de garantie.
Déposer le couvercle de filtre à air (voir page ) pour accéder au levier
des gaz et à l’ancrage de câble.
Fixer le câble des gaz comme sur l’illustration.
Pour régler le câble des gaz, suivre les instructions du fabricant de
l’équipement.
Placer le levier sur la
position FERME si le
moteur n’est pas
chaud.
Placer l’interrupteur
du moteur sur la
position MARCHE.
Faire le plein de
carburant (p. 8).
Vidanger le réservoir
de carburant et le
carburateur (p. 15).
Faire le plein avec de
l’essence fraîche
(p. 8).
Régler l’écartement
des électrodes ou
remplacer la bougie
(p. 11).
Laisser sécher la
bougie. Une fois la
bougie sèche, la
reposer et mettre le
moteur en marche
(p. 4).
Remplacer ou réparer
les pièces
défectueuses si
nécessaire.
Nettoyer ou
remplacer l’élément
filtrant (p. 10).
Vidanger le réservoir
de carburant et le
carburateur (p. 15).
Faire le plein avec de
l’essence fraîche
(p. 8).
Remplacer ou réparer
les pièces
défectueuses si
nécessaire.
1.
2.
3.
4.
1.
2.
3.
10
05/12/16 15:11:46 33Z6J600_016

FRANÇAIS
Modifications du carburateur pour une utilisation à haute altitude
Modification non autorisée et altération
Informations sur le système antipollution
Source des émissions polluantes
MTBE
ETHANOL
Carburants oxygénés
METHANOL
Pièces de rechange
Problèmes pouvant avoir une incidence sur les émissions polluantes
Les Clean Air Act des Etats-Unis et de Californie et Environnement
Canada
17
La modification non autorisée ou l’altération du système antipollution peut
entraîner une augmentation des émissions polluantes au-delà de la limite
légale. Les actions suivantes constituent notamment des modifications
non autorisées:
Si l’on constate des symptômes de fonctionnement indésirables, essayer
une autre station-service ou changer de marque d’essence.
Les dommages du système d’alimentation en carburant ou les problèmes
de performances résultant de l’utilisation d’un carburant oxygéné avec des
pourcentages de composants oxygénés supérieurs à ceux ci-dessus ne
sont pas couverts par la
garantie limitée du distributeur
.
La combustion du carburant s’accompagne d’un rejet de monoxyde de
carbone, d’oxydes d’azote et d’hydrocarbures. Il est très important de
contrôler les hydrocarbures et les oxydes d’azote car, dans certaines
conditions, ils réagissent à la lumière du soleil pour former un brouillard
photochimique. Le monoxyde de carbone ne réagit pas de la même
manière, mais il est toxique.
(éther méthyl-tertiobutylique) 15 % en volume
On peut utiliser une essence contenant jusqu’à 15
% de MTBE en volume.
(alcool éthylique ou alcool de grain) 10 % en
volume
On peut utiliser une essence contenant jusqu’à 10
% d’éthanol en volume. Les essences à l’éthanol
sont parfois commercialisées sous le nom d’alco-
essence.
Si l’on utilise un carburant oxygéné, s’assurer qu’il est sans plomb et
possède l’indice d’octane minimum spécifié.
Certaines essences conventionnelles sont mélangées à de l’alcool ou un
composé d’éther. Elles sont collectivement appelées carburants oxygénés.
Des carburants oxygénés sont utilisés dans certaines parties des Etats-
Unis et du Canada pour réduire les rejets gazeux et satisfaire ainsi aux
normes sur la pollution atmosphérique.
On peut améliorer les performances en haute altitude en effectuant
certaines modifications sur le carburateur. Si l’on utilise toujours le moteur
à des altitudes supérieures à 1.500 mètres, demander au concessionnaire
d’effectuer ces modifications du carburateur. Lors d’une utilisation en
haute altitude, le moteur satisfera aux normes antipollution pendant toute
sa durée de service si les modifications du carburateur pour une utilisation
en haute altitude ont été effectuées.
En haute altitude, le mélange air-carburant standard du carburateur
s’enrichit excessivement. Les performances diminuent alors et la
consommation de carburant augmente. Un mélange très riche encrasse
également la bougie et rend le démarrage difficile. Une utilisation
prolongée à des altitudes différentes de celles pour lesquelles ce moteur a
été certifié peut entraîner une augmentation des émissions polluantes.
Même avec un carburateur modifié, la puissance du moteur diminuera
d’environ 3,5 % pour chaque augmentation d’altitude de 300 mètres. Si le
carburateur n’est pas modifié, l’effet de l’altitude sur la puissance sera
encore plus important.
Lorsque le carburateur a été modifié pour une utilisation à haute altitude,
le mélange air-carburant est trop pauvre pour une utilisation à basse
altitude. L’utilisation à des altitudes inférieures à 1.500 mètres avec un
carburateur modifié peut provoquer une surchauffe du moteur et entraîner
d’importants dommages au moteur. Pour une utilisation à basse altitude,
faire remettre le carburateur aux spécifications d’usine d’origine par le
concessionnaire.
Avant d’utiliser un carburant oxygéné, essayer d’en connaître la
composition. Dans certains états/provinces, celle-ci est indiquée sur la
pompe à essence.
Les pourcentages de composants oxygénés autorisés par l’EPA sont les
suivants:
(alcool méthylique ou alcool de bois) 5 % en
volume
On peut utiliser une essence contenant jusqu’à 5 %
de méthanol en volume à la condition qu’elle
contienne également des cosolvants et des
inhibiteurs de corrosion pour protéger le système
d’alimentation en carburant. Une essence
contenant plus de 5 % de méthanol en volume
peut provoquer des problèmes de démarrage et/
ou de performances. Elle peut également
endommager les pièces métalliques, en
caoutchouc et en plastique du système
d’alimentation en carburant.
Le fabricant d’une pièce du marché des pièces de rechange assume la
responsabilité que cette pièce n’affectera pas la performance antipollution.
Le fabricant ou le reconstructeur de la pièce doit certifier que l’utilisation
de cette pièce n’empêchera pas le moteur de se conformer à la
réglementation sur la pollution.
Les systèmes antipollution du moteur Honda ont été conçus, fabriqués et
homologués conformément à la réglementation sur la pollution de l’EPA
(agence de protection de l’environnement), de Californie et du Canada.
Nous recommandons d’utiliser des pièces Honda d’origine lors de tout
entretien. Ces pièces de rechange ont la conception d’origine et sont
fabriquées en appliquant les mêmes normes que les pièces initiales, ce qui
garantit la fiabilité de leurs performances. L’utilisation de pièces de
rechange n’ayant pas la conception et la qualité d’origine peut nuire à
l’efficacité du système antipollution.
Fumée d’échappement noire ou consommation de carburant excessive.
Postcombustion (retours de flamme).
Ratés d’allumage ou retours de flammes en charge.
Ralenti irrégulier.
Démarrage difficile ou calage après le démarrage.
Si l’on constante l’un des symptômes suivants, faire contrôler et réparer le
moteur par le concessionnaire.
Altération ou neutralisation de la tringlerie du régulateur de régime ou
du mécanisme de réglage de régime ayant pour effet de faire
fonctionner le moteur en dehors de ses paramètres de conception.
Retrait ou altération d’une pièce quelconque des systèmes d’admission,
d’alimentation en carburant ou d’échappement.
Honda utilise des réglages pauvres du carburateur et d’autres systèmes
pour réduire les rejets de monoxyde de carbone, d’oxydes d’azote et
d’hydrocarbures.
La réglementation de l’EPA (agence de protection de l’environnement), de
Californie et du Canada exige de tous les fabricants qu’ils fournissent des
instructions écrites décrivant le fonctionnement et l’entretien des systèmes
antipollution.
Les instructions et procédures suivantes doivent être respectées afin de
maintenir les émissions polluantes du moteur Honda dans les limites
autorisées.
05/12/16 15:12:11 33Z6J600_017

−
−
−
×
××
×
FRANÇAIS
Indice atmosphérique
Durée de désignation Applicable à la période d’endurance des
pièces antipollution
CaractéristiquesEntretien
GX25 (Types de base)
GX35 (Types de base)
18
Observer le programme d’entretien de la page . Ne pas oublier que ce
programme présuppose que la machine sera utilisée pour l’application
pour laquelle elle est prévue. Une utilisation prolongée sous une charge
élevée ou par haute température, ou dans des conditions anormalement
humides ou poussiéreuses demande un entretien plus fréquent.
Une étiquette volante/autocollant d’informations sur l’indice
atmosphérique est appliquée sur les moteurs certifiés pour une période
d’endurance des pièces antipollution conformément aux exigences du
California Air Resources Board.
L’étiquette volante/autocollant d’informations sur l’indice atmosphérique
doit demeurer sur le moteur jusqu’à la vente. Retirer l’étiquette volante
avant d’utiliser le moteur.
Prolongée
Intermédiaire
Modérée
300 heures (0 65 cm )
500 heures (plus de 65 cm )
125 heures (0 65 cm )
250 heures (plus de 65 cm )
50 heures (0 65 cm )
125 heures (plus de 65 cm )
La désignation d’endurance fournit des informations relatives à la période
d’endurance des pièces antipollution du moteur. La durée de désignation
est la durée de service utile du système antipollution du moteur. Pour plus
d’informations, consulter la
Garantie du système antipollution
.
Le barre-graphe permet au client de comparer les performances
antipollution des moteurs disponibles. Plus l’indice atmosphérique est
faible, moindre est la pollution.
192 mm 192 mm 247 mm
221 mm 210 mm 221 mm
230 mm 236 mm 230 mm
Transistor magnétique
2,78 kg 2,96 kg 3,10 kg
Monocylindre, arbre à cames en tête, 4 temps
25 cm
[35 26 mm]
0,81 kW (1,1 PS) à 7.000 min (tr/mn)
1,25 N·m (0,13 kgf·m) à 5.000 min (tr/mn)
0,08
340 g/kWh (250 g/PSh)
Air forcé
Sens inverse des aiguilles d’un montre
198 mm
234 mm
240 mm
3,33 kg
Monocylindre, arbre à cames en tête, 4 temps
35,8 cm
[39 30 mm]
1,2 kW (1,6 PS) à 7.000 min (tr/mn)
1,9 N·m (0,19 kgf·m) à 5.500 min (tr/mn)
0,10
360 g/kWh (265 g/PSh)
Air forcé
Transistor magnétique
Sens inverse des aiguilles d’un montre
198 mm
243 mm
242 mm
3,52 kg
198 mm
243 mm
242 mm
3,52 kg
TR3
(Motoculteur)
T3
(Motoculteur)
S3
Type
Code descriptif
d’équipement
mécanique
Longueur
Largeur
Hauteur
Poids à sec
(Sans embrayage)
Type de moteur
Cylindrée
[Alésage Course]
Puissance maxi
Couple maxi
Contenance en
huile moteur
Capacité du
réservoir de
carburant
Consommation de
carburant
Système de
refroidissement
Système
d’allumage
Rotation de l’arbre
de prise de force
Type S3 T3
(Motoculteur) W3
(Pompe)
Code descriptif
d’équipement
mécanique
Longueur
Largeur
Hauteur
Poids à sec
(Sans embrayage)
Type de moteur
Cylindrée
[Alésage Course]
Puissance maxi
Couple maxi
Contenance en
huile moteur
Capacité du
réservoir de
carburant
Consommation de
carburant
Système de
refroidissement
Système
d’allumage
Rotation de l’arbre
de prise de force
GCART
0,55
GCAST
0,65
7
(Standard)
(Sans protecteur
de réservoir)
(Standard)
(Sans protecteur
de réservoir)
05/12/19 14:41:15 33Z6J600_018

−
±
±
±
FRANÇAIS
Caractéristiques de mise au point
Informations de référence rapide
Schémas de câblage
CARACTERISTIQUES ENTRETIENDESCRIPTION
Type pompe:
Type standard/motoculteur:
19
Carburant
Huile moteur
Bougie
Entretien
SAE 10W-30, API SJ ou SL, pour l’utilisation générale.
Voir page 8.
Avant chaque utilisation:
Vérifier le niveau d’huile moteur. Voir page 9.
Vérifier le filtre à air. Voir page 10.
Premières 10 h:
Renouveler l’huile moteur. Voir page 9.
Après:
Voir le programme d’entretien à la page 7.
Etats-Unis
Sauf Etats-
Unis
Essence sans plomb (Voir page 8)
Indice d’octane pompe d’au moins 86
Indice d’octane recherche d’au moins 91
Indice d’octane pompe d’au moins 86
0,60 0,70 mm
3.100 200 min (tr/mn)
ADM: 0,08 0,02 mm
ECH: 0,11 0,02 mm
Voir page: 11
Consulter le
concessionnaire
Honda agréé
Aucun autre réglage nécessaire.
Ecartement des
électrodes
Régime de ralenti
Jeu aux soupapes
(à froid)
Autres
caractéristiques
CM5H (NGK)
CMR5H (NGK)
ARRET
MARCHE
BOUGIE D’ALLUMAGE
BOBINE D’ALLUMAGE
Interrupteur du moteur sur l’équipement commandé par le moteur.
CONTACTEUR D’ARRET MOTEUR
(1)
(2)
(3)
(4)
Bl Noir
05/12/16 15:12:56 33Z6J600_019

《》
Canada:
Etats-Unis, Puerto Rico et Iles vierges américaines:
Informations de localisation des distributeurs/concessionnaires
INFORMATION DU CONSOMMATEUR
Pour la zone européenne:
Informations d’entretien pour le client
Etats-Unis, Puerto Rico et Iles vierges américaines:
Toutes les autres zones:
Bureau Honda
Canada:
Honda Canada, Inc.
American Honda Motor Co., Inc.
Etats-Unis, Puerto Rico et Iles vierges américaines:
Pour la zone européenne:
Honda Europe NV.
Toutes les autres zones:
FRANÇAIS
20
ou rendez-vous sur notre site Web: www.honda.ca
Appelez le (888) 9HONDA9
Rendez-vous sur notre site Web: www.honda-engines.com
rendez-vous sur notre site Web: http://www.honda-engines-eu.com
Le personnel des concessionnaires compte des professionnels qualifiés. Il
devrait pouvoir répondre à toutes vos questions. Si le concessionnaire ne
résout pas votre problème de manière satisfaisante, adressez-vous à la
direction du concessionnaire. Le responsable du service après-vente, le
directeur général ou le propriétaire pourra vous aider. Presque tous les
problèmes se résolvent de cette manière.
Si vous n’êtes pas satisfait de la décision prise par la direction du
concessionnaire, adressez-vous au distributeur régional de moteurs Honda
de votre région.
Si vous n’êtes toujours pas satisfait après avoir parlé au distributeur
régional de moteurs, vous pourrez vous adresser au bureau Honda indiqué.
Si vous n’êtes pas satisfait de la décision prise par la direction du
concessionnaire, adressez-vous au bureau Honda indiqué.
Lorsque vous écrivez ou appelez, veuillez fournir les informations
suivantes:
715 Milner Avenue
Toronto, ON
M1B 2K8
Téléphone: (888) 9HONDA9
(888) 946-6329
(416) 299-3400
(416) 287-4776
(877) 939-0909
(416) 287-4776
Télécopieur:
Anglais:
Français:
Description détaillée du problème
Vos nom, adresse et numéro de téléphone
Date d’achat
Nom, adresse et personne à contacter du concessionnaire assurant le
service après-vente de votre moteur
Nom du concessionnaire vous ayant vendu le moteur
Modèle, numéro de série et type du moteur (voir page )
Nom du fabricant et numéro de modèle de l’équipement sur lequel est
monté le moteur
Ou téléphoner au: (770) 497-6400, 8 h 30 - 19 h 00 HNE
Power Equipment Division
Customer Relations Office
4900 Marconi Drive
Alpharetta, GA 30005-8847
Sans frais
Appels locaux de la région de Toronto
Appels locaux de la région de Toronto
Sans frais
Appels locaux de la région de Toronto
European Engine Center
http://www.honda-engines-eu.com
S’adresser au distributeur Honda local pour toute assistance.
16
05/12/16 15:13:21 33Z6J600_020

INTRODUCCIÓN
MENSAJES DE SEGURIDAD
CONTENIDO
ESPAÑOL
MANUAL DEL PROPIETARIO
MENSAJES PARA PREVENCIÓN DE DAÑOS
ESPAÑOL
GX25·GX35
1
Muchas gracias por la adquisición de un motor Honda. Nos gustaría
ayudarle a obtener los mejores resultados con su nuevo motor y a
operarlo con seguridad. Este manual contiene información para ello; léalo
detenidamente antes de poner en funcionamiento el motor. En caso de
encontrarse con algún problema, o si tiene alguna pregunta sobre su
motor, consulte a un concesionario de servicio Honda autorizado.
Este manual debe considerarse como una parte permanente del motor y
debe permanecer con el motor en caso de reventa.
Los gases de escape de este producto
contienen agentes químicos que, según el
Estado de California, causan cáncer, defectos
de nacimiento u otros efectos perjudiciales
reproductivos.
Toda la información de esta publicación se basa en la información más
reciente disponible en el momento de la impresión. Honda Motor Co., Ltd.
se reserva el derecho a efectuar cambios en cualquier momento sin previo
aviso y sin incurrir en ningún tipo de obligación. No se permite la
reproducción de ninguna parte de esta publicación sin permiso por escrito.
Podrá correr el peligro de MUERTE o de
HERIDAS GRAVES si no sigue las
instrucciones.
Le aconsejamos que lea el contrato de garantía para que comprenda su
alcance y sus responsabilidades de propiedad. El contrato de garantía es
un documento independiente que le habrá entregado su concesionario.
Revise las instrucciones suministradas con el equipo que funcionará con
este motor para encontrar información adicional sobre la puesta en
marcha del motor, parada, operación, ajustes, o instrucciones especiales
para el mantenimiento.
Estados Unidos, Puerto Rico, e Islas Vírgenes Estadounidenses:
Su seguridad, así como la seguridad de los demás, son muy importantes.
Hemos incluido mensajes de seguridad importantes en este manual y en el
motor. Lea detenidamente estos mensajes.
Un mensaje de seguridad le avisa sobre los peligros potenciales que
podrían causarle lesiones a usted y a los demás. Cada mensaje de
seguridad viene precedido por un símbolo de alerta de seguridad y una
de las tres palabras, PELIGRO, ADVERTENCIA o PRECAUCION.
Estas palabras de indicación significan:
Correrá el peligro de MUERTE o de
HERIDAS GRAVES si no sigue las
instrucciones.
Podrá correr el peligro de HERIDAS si no
sigue las instrucciones.
El propósito de estos mensajes es el de ayudar a evitar daños en el motor,
en la propiedad de terceras personas, o en medio ambiente.
Pueden producirse daños en el motor o en la propiedad de
terceras personas si no sigue las instrucciones.
Esta palabra significa:
Encontrará también otros mensajes importantes que vienen precedidos
por la palabra AVISO.
Cada mensaje le explica en qué consiste el peligro, lo que puede suceder, y
lo que usted debe hacer para evitar las heridas o para reducirlas.
.........................................BUJÍA .11
....ALETAS DE ENFRIAMIENTO .11
FILTRO DE COMBUSTIBLE y .DEPÓSITO DE COMBUSTIBLE .12
...........................PARACHISPAS .12
SUGERENCIAS Y ..OBSERVACIONES DE UTILIDAD .14
.....ALMACENAJE DEL MOTOR .14
............................TRANSPORTE .15
CUIDADOS PARA PROBLEMAS
..............................INESPERADOS .16
INFORMACIÓN TÉCNICA Y DEL
..............................CONSUMIDOR .16
..Situación del número de serie .16
..........Enlace de control remoto .16
Modificaciones del carburador
....para funcionar a gran altitud .17
........Combustibles oxigenados .17
Información del sistema
de control de las emisiones
...................................de escape .17
..............................Índice de aire .18
........................Especificaciones .18
.......Especificaciones de reglaje .19
Información de referencia
.........................................rápida .19
........Diagramas de conexiones .19
INFORMACIÓN DEL
..............................CONSUMIDOR .20
Información para encontrar ..distribuidores/concesionarios .20
Información de servicio
..................................de clientes .20
..............................INTRODUCCIÓN .1
..........MENSAJES DE SEGURIDAD .1
....INFORMACIÓN DE SEGURIDAD .2
SITUACIÓN DE LA INDICACIÓN DE
....................................SEGURIDAD .2
SITUACIONES DE LOS ...COMPONENTES Y CONTROLES .2
.........................CARACTERÍSTICAS .3
COMPROBACIONES PREVIAS A LA
.....................................OPERACIÓN .4
.....................................OPERACIÓN .4
PRECAUCIONES DE SEGURIDAD
.........DURANTE LA OPERACIÓN .4
...........ARRANQUE DEL MOTOR .4
AJUSTE DE LA VELOCIDAD
.................................DEL MOTOR .5
.................PARADA DEL MOTOR .6
...............SERVICIO DE SU MOTOR .6
LA IMPORTANCIA DEL
.......................MANTENIMIENTO .6
..6
......7
PROGRAMA DE .......................MANTENIMIENTO .7
........................PARA REPOSTAR .8
.....................ACEITE DE MOTOR .8
................Aceite recomendado .8
Comprobación del nivel
....................................de aceite .9
....................Cambio del aceite .9
.........................FILTRO DE AIRE .10
..............................Inspección .10
.................................Limpieza .10
SEGURIDAD DEL MANTENIMIENTO
PRECAUCIONES DE SEGURIDAD
05/12/16 15:23:52 35Z6J600_001

SITUACIONES DE LOS COMPONENTES Y
CONTROLES
INFORMACIÓN DE SEGURIDAD
SITUACIÓN DE LA INDICACIÓN DE SEGURIDAD
ESPAÑOL
Tipo estándar/bomba:
NO UTILIZAR SIN ANTES NO HABER LEIDO EL MANUAL.
Tipo de cultivadora:
NO UTILIZAR SIN ANTES NO HABER LEIDO EL MANUAL.
Tipo estándar/bomba:
Tipo estándar:
CUBIERTA SUPERIOR
ARRANCADOR DE
RETROCESO
FILTRO DE AIRE
PERA DE CEBADURA
CONTROLES DEL MOTOR
PROTECTOR DEL DEPÓSITO
(tipo aplicable)
PALANCA DEL ESTRANGULADOR
Tipo estándar:
Tipo de bomba:
BUJÍA
(dentro de la cubierta superior)
TAPA DEL ORIFICIO DE
LLENADO DE ACEITE
SILENCIADOR
(dentro de la cubierta superior)
EMPUÑADURA DEL
MOTOR DE ARRANQUE
TAPA DE RELLENO/
VARILLA DE MEDICIÓN
DEL NIVEL DE ACEITE
DEPÓSITO DE COMBUSTIBLE
TAPA DE RELLENO
DE COMBUSTIBLE
PALANCA DEL ACELERADOR
PALANCA DEL ACELERADOR INTERRUPTOR DEL MOTOR
2
Comprenda el funcionamiento de todos los controles y aprenda a parar
con rapidez el motor en un caso de emergencia. Asegúrese de que el
operador haya recibido una instrucción adecuada antes de operar el
equipo.
El motor y el sistema de escape se calientan mucho durante la operación.
Mantenga el motor por lo menos a 1 metro de distancia de edificios y de
otros equipos durante la operación. Mantenga apartados los materiales
inflamables, y no ponga nada sobre el motor mientras esté en marcha.
Los gases de escape del motor contienen monóxido de carbono que es
venenoso. No ponga en marcha el motor si no hay una ventilación
adecuada, y no ponga nunca en marcha el motor en un lugar cerrado.
No permita que los niños operen el motor. Mantenga a los niños y
animales apartados del lugar de operación.
Las ilustraciones de este manual se basan en el modelo:
Las ilustraciones pueden variar según el tipo. GX25
05/12/16 15:24:05 35Z6J600_002

ESPAÑOL
CARACTERÍSTICAS
Embrague centrífugo (tipo estándar/cultivadora)
Tipo de cultivadora:
CUBIERTA SUPERIOR ARRANCADOR DE
RETROCESO
FILTRO DE AIRE
PERA DE CEBADURA
CONTROLES DEL MOTOR
PALANCA DEL ESTRANGULADOR PALANCA DEL ACELERADOR
EMPUÑADURA DEL MOTOR DE ARRANQUE
DEPÓSITO DE COMBUSTIBLE
TAPA DE RELLENO DE COMBUSTIBLE
BUJÍA
(dentro de la cubierta superior)
SILENCIADOR
(dentro de la cubierta superior)
TAPA DE RELLENO/
VARILLA DE
MEDICIÓN DEL
NIVEL DE ACEITE
GX25
GX35
PALANCA DEL ESTRANGULADOR PALANCA DEL ACELERADOR 3
El embrague centrífugo se aplica automáticamente y transmite la fuerza
cuando se incrementa la velocidad del motor por encima de 4.200
min (rpm) aproximadamente. A la velocidad de ralentí, el embrague no
está aplicado.
No ponga en marcha el motor sin montarlo en un equipo que incluya el
tambor y la caja del embrague centrífugo, porque la fuerza centrífuga
causaría que las zapatas del embrague se pusieran en contacto causando
daños en la caja del motor.
05/12/16 15:24:14 35Z6J600_003

ESPAÑOL
COMPROBACIONES PREVIAS A LA OPERACIÓN OPERACIÓN
¿ESTÁ PREPARADO EL MOTOR PARA FUNCIONAR? PRECAUCIONES DE SEGURIDAD DURANTE LA OPERACIÓN
Comprobación del motor
Comprobación del estado general del motor
ARRANQUE DEL MOTOR
CERRADO
ABRIR
PERA DE CEBADURA
CONEXIÓN
INTERRUPTOR DEL MOTOR CONEXIÓN
PALANCA DEL ESTRANGULADOR
CCEERRRRAADDOO
AABBRRIIRR
TUBO DE RETORNO DE COMBUSTIBLE
(tubo de plático transparente)
4
Por su propia seguridad, y para maximizar la vida de servicio de su equipo,
es muy importante emplear un poco de tiempo para comprobar el estado
del motor antes de ponerlo en funcionamiento. Antes de poner en marcha
el motor, deberá asegurarse de haber solucionado cualquier problema
encontrado, o de solicitar a su concesionario de servicio que lo solucione.
El mantenimiento inadecuado de este motor, o la falta de
reparación de un problema antes de la operación, pueden
ser causa de un mal funcionamiento en el que pueda correr
el peligro de heridas graves o de muerte.
Efectúe siempre la inspección previa a la operación antes de
cada operación, y solucione los problemas encontrados.
El gas de monóxido de carbono es tóxico. Su inhalación
puede causar la pérdida del sentido y provocar incluso la
muerte.
Evite los lugares o las acciones que le puedan exponer al
monóxido de carbono.
Presione repetidamente la pera de cebado hasta que pueda verse el
combustible por el tubo de retorno de combustible de plástico
transparente.
Tipo estándar/cultivadora: Gire el interruptor del motor del equipo a la
posición ON.
Tipo de bomba: Gire el interruptor del motor a la posición ON.
Antes de poner en marcha el motor por primera vez, revise la sección
INFORMACIÓN DE SEGURIDAD
en la página y
COMPROBACIONES
PREVIAS A LA OPERACIÓN
.
Antes de comenzar las comprobaciones previas a la operación, asegúrese
de que el motor esté nivelado y que el interruptor del motor esté en la
posición OFF.
Revise las instrucciones proporcionadas con el equipo que deba
funcionar con este motor para ver si hay precauciones y procedimientos
que deban seguirse antes de poner en marcha el motor.
Compruebe el equipo que deba funcionar con este motor.
Compruebe el elemento del filtro de aire (vea la página ). Un
elemento del filtro de aire sucio restringirá el flujo de aire al carburador,
reduciendo el rendimiento del motor.
Compruebe el nivel del aceite de motor (vea la página ). El motor
puede dañarse si se utiliza con un nivel bajo de aceite.
Compruebe el nivel de combustible (vea la página ). Si comienza el
trabajo con el depósito lleno, le ayudará a eliminar o reducir las
interrupciones de la operación para repostar.
Compruebe que todos los protectores y cubiertas estén en su ligar, y
que todas las tuercas, pernos, y tornillos estén apretados.
Busque si hay indicios de daños.
Extraiga el polvo o la suciedad excesiva, especialmente en torno al
silenciador y al arrancador de retroceso.
Mire en torno al motor y debajo del mismo para ver si hay indicios de
fugas de aceite o de gasolina.
Compruebe siempre los elementos siguientes antes de poner en marcha el
motor: Para arrancar el motor cuando está caliente, deje la palanca del
estrangulador en la posición OPEN.
Para arrancar el motor cuando está frío, mueva la palanca del
estrangulador a la posición CLOSED.
Revise las instrucciones proporcionadas con el equipo que deba funcionar
con este motor para ver si hay precauciones de seguridad que deban
observarse para poner en marcha, parar, y operar el motor.
1.
2.
3.
4.
1.
2.
3.
4.
1.
2.
3.
8
9
10
2
05/12/16 15:24:35 35Z6J600_004

ESPAÑOL
Tipo de cultivadora
Tipo de bomba
Tipo de bomba:
Tipo estándar/cultivadora:
AJUSTE DE LA VELOCIDAD DEL MOTOR
Arranque con el motor caliente
PRECAUCIÓN DE SEGURIDAD IMPORTANTE
Tipo estándar/bomba:
EMPUÑADURA DEL
MOTOR DE ARRANQUE
EMPUÑADURA DEL
MOTOR DE ARRANQUE
(LADO DEL EQUIPO)
PALANCA DEL ESTRANGULADOR
ABRIR
PALANCA DEL ACELERADOR
MÁX.
CCEERRRRAADDOO
AABBRRIIRR
MMÁÁXX..
MMÍÍNN..
MÍN.
PALANCA DEL ACELERADOR
MMÍÍNN..
MMÁÁXX..
Tipo de cultivadora:
5
Tire ligeramente de la empuñadura del arrancador hasta que note
resistencia, y entonces tire con fuerza. Deje que la empuñadura del
arrancador retorne con suavidad. Gire el interruptor del motor, en el equipo, a la posición OFF.
Gire la palanca del estrangulador a la posición OPEN.
Tire de la empuñadura del arrancador de3a5veces.
Siga el procedimiento de ARRANQUE DEL MOTOR de la página y ponga
en marcha el motor con la palanca del estrangulador en la posición OPEN.
Gire el interruptor del motor a la posición OFF.
Gire la palanca del estrangulador a la posición OPEN.
Ajuste la palanca del acelerador a la velocidad deseada del motor.
Para ver las recomendaciones de la velocidad del motor, consulte el
manual de instrucciones suministrado con el equipo que deba funcionar
con este motor.
Retenga la palanca del acelerador del equipo en la posición MAX. de
velocidad máxima.
Retenga la palanca del acelerador en la posición MAX. de velocidad
máxima.
Tire de la empuñadura del arrancador de3a5veces.
La palanca del acelerador aquí mostrada se conectará a un controlador
remoto del equipo operado con este motor. Consulte el manual de
instrucciones suministrado con el equipo para ver la información sobre el
control remoto y las recomendaciones de velocidad del motor.
Ajuste la palanca del acelerador a la velocidad deseada del motor.
Siga el procedimiento de ARRANQUE DEL MOTOR de la página y ponga
en marcha el motor con la palanca del estrangulador en la posición OPEN.
No permita que la empuñadura del arrancador retroceda con fuerza contra
el motor. Haga que retorne con suavidad para evitar daños en el
arrancador.
Si se ha movido la palanca del estrangulador a la posición CLOSED para
arrancar el motor, muévala gradualmente a la posición OPEN a medida
que se va calentando el motor.
Si el motor se tiene en funcionamiento en lugares con altas temperaturas
ambientales, y luego se para y se deja en reposo un rato, es posible que no
pueda volver a ponerse en marcha a la primera.
Si es necesario, emplee el procedimiento siguiente:
Gire el interruptor del motor a la posición OFF antes de efectuar el
procedimiento siguiente. De este modo evitará que el motor pueda
ponerse en marcha y opere a la velocidad máxima cuando el acelerador
está en la posición MAX. de velocidad máxima. Si se pone en marcha el
motor con el acelerador en la posición MAX. de velocidad máxima, es
posible que el equipo se mueva rápidamente hacia delante o que el
accesorio de la recortadora girara a la velocidad máxima. Esta situación le
haría correr el peligro de heridas personales.
4.
5.
4.
1.
2.
3.
1.
2.
3.
4.
4
4
05/12/16 15:24:58 35Z6J600_005

SERVICIO DE SU MOTOR
LA IMPORTANCIA DEL MANTENIMIENTO
PARADA DEL MOTOR
Tipo estándar/cultivadora:
Tipo de bomba:
SEGURIDAD DEL MANTENIMIENTO
El mantenimiento, reemplazo o reparación de los dispositivos y sistemas
de control de las emisiones de escape pueden efectuarse en cualquier
establecimiento de reparaciones de motores o por cualquier individuo,
empleando partes que estén ‘‘homologadas’’ según las normas EPA.
ESPAÑOL
PALANCA DEL ACELERADOR
MÍN.
PALANCA DEL ACELERADOR
DESCONEXIÓN
DESCONEXIÓN
INTERRUPTOR DEL MOTOR
MMÍÍNN..
MMÍÍNN..
6
El buen mantenimiento es esencial para conseguir una operación segura,
económica y exenta de problemas. Ayudará también a reducir la
contaminación.
La palanca del acelerador aquí mostrada se conectará a un controlador
remoto del equipo operado con este motor. Consulte el manual de
instrucciones suministrado con el equipo para ver la información sobre
el control remoto y las recomendaciones de velocidad del motor.
Gire el interruptor del motor a la posición OFF.
Para parar el motor en un caso de emergencia, simplemente gire el
interruptor del motor del equipo a la posición OFF. En situaciones
normales, emplee el procedimiento siguiente.
Para parar el motor en un caso de emergencia, simplemente gire el
interruptor del motor a la posición OFF. En situaciones normales, emplee
el procedimiento siguiente.
Gire el interruptor del motor del equipo a la posición OFF.
Mueva la palanca del acelerador a la posición MIN.
Mueva la palanca del acelerador a la posición MIN.
Si no sigue correctamente las instrucciones y precauciones
para el mantenimiento, correrá el peligro de graves heridas
odemuerte.
Siga siempre con cuidado los procedimientos y
precauciones de este manual del propietario.
A continuación se mencionan algunas de las precauciones de seguridad
más importantes. No obstante, no podemos avisarle sobre todos los
peligros concebibles que pueden surgir al realizar el mantenimiento. Sólo
usted será quien pueda decidir si debe o no llevar a cabo una tarea dada.
El programa de mantenimiento se aplica a las condiciones normales de
operación. Si opera el motor en condiciones severas, tales como con una
carga grande continuamente o a altas temperaturas, o si lo utiliza en
condiciones con mucha humedad o polvo, consulte a su concesionario de
servicio para que le diga las recomendaciones aplicables a sus
necesidades y aplicaciones individuales.
Para ayudarle a cuidar adecuadamente el motor, las páginas siguientes
incluyen un programa de mantenimiento, procedimientos de inspección
rutinarios, y simple procedimientos de mantenimiento empleando
herramientas manuales básicas. Las otras tareas de servicio que son más
difíciles, o que requieren herramientas especiales, es mejor que sean
realizadas por profesionales y normalmente las lleva a cabo un mecánico
de Honda u otro mecánico cualificado.
El mantenimiento inadecuado, o la falta de reparación de un
problema antes de la operación, pueden ser causa de un
mal funcionamiento en el que pueda correr el peligro de
heridas graves o de muerte.
Siga siempre las recomendaciones de inspección y
mantenimiento y los programas de este manual del
propietario.
2.
1.
1.
2.
05/12/16 15:25:16 35Z6J600_006

−
−
−
−
ESPAÑOL
PROGRAMA DE MANTENIMIENTOPRECAUCIONES DE SEGURIDAD
Daños debidos a las partes en movimiento.
Quemaduras en las partes calientes.
Envenenamiento por monóxido de carbono de los gases de escape
del motor.
7
Asegúrese de que el motor esté desconectado antes de comenzar
cualquier trabajo de mantenimiento o de reparación. De este modo
eliminará muchos peligros potenciales:
Para asegurar la mejor calidad y fiabilidad, emplee sólo partes nuevas
genuinas de Honda o sus equivalentes para las reparaciones y reemplazos.
Recuerde que su concesionario de servicio autorizado Honda es quien
mejor conoce su motor y que está completamente equipado para su
mantenimiento y reparación.
Para reducir la posibilidad de incendio o explosión, tenga cuidado
cuando trabaje cerca de gasolina. Emplee sólo solventes ininflamables,
y no emplee gasolina, para limpiar las partes. Mantenga apartados los
cigarrillos, las chispas y el fuego de las partes relacionadas con el
combustible.
Lea las instrucciones antes de empezar, y asegúrese de disponer de las
herramientas y conocimientos necesarios.
No ponga en marcha el motor a menos que se lo indiquen las
instrucciones.
Espere a que se enfríen el motor y el sistema de escape antes de
tocarlos.
Asegúrese de que haya una ventilación adecuada siempre que tenga
el motor en marcha.
Efectúe el servicio con más frecuencia cuando lo utilice en zonas
polvorientas.
El servicio de estas partes deberá realizarlo su concesionario de
servicio, a menos que usted disponga de las herramientas adecuadas
y posea suficientes conocimientos mecánicos. Consulte el manual de
taller Honda para ver los procedimientos de servicio.
Para aplicaciones comerciales, registre las horas de funcionamiento
para determinar los intervalos apropiados para el mantenimiento.
Si no sigue este programa de mantenimiento pueden producirse fallas que
no entran en la garantía.
(1)
(2)
(3)
PERÍODO DE SERVICIO
REGULAR (3)
ELEMENTO
Efectúelo a cada intervalo
indicado de meses o de
horas de funcionamiento,
lo que primero acontezca.
Cada
2 años
o
300
horas
Primer
mes
o
10 horas
Aceite de
motor
Filtro de aire
Bujía
Parachispas
(Tipos
aplicables)
Aletas de
enfriamiento
del motor
Zapatas del
embrague
Velocidad de
ralentí
Holgura de
válvulas
Cámara de
combustión
Filtro de
combustible
Depósito de
combustible
Tubos de
combustible
Tubo de aceite
Comprobar
el nivel
Cambiar
Comprobar
Limpiar
Comprobar-
ajustar
Reemplazar
Limpiar
Comprobar
Comprobar
Comprobar
Comprobar-
ajustar
Comprobar-
ajustar
Limpiar
Comprobar
Limpiar
Comprobar
Comprobar
Después de cada 300 horas (2)
Cada 2 años (reemplazar si es necesario) (2)
Cada 2 años (reemplazar si es necesario) (2)
Cada
3 meses
o
25 horas
(1)
9
10
11
12 14
11
4
Manual
de taller
Manual
de taller
Manual
de taller
Manual
de taller
12
12
Manual
de taller
Manual
de taller
Cada
año
o
100
horas
(2)
(2)
Cada
6 meses
o
50 horas
(2)
Tuercas, pernos,
fijadores
Cada
utilización
Consulte
la
página
(Reapretar si es necesario)
05/12/16 15:25:33 35Z6J600_007

−
ESPAÑOL
PARA REPOSTAR
Combustible recomendado
Tipo de bomba:
Tipo estándar/cultivadora:
Aceite recomendado
ACEITE DE MOTOR
Tipo estándar/bomba:
Grados de viscosidad SAE
TEMPERATURA AMBIENTAL
Tipo de cultivadora:
TAPA DE RELLENO
DE COMBUSTIBLE
NIVEL MÁXIMO DE
COMBUSTIBLE
8
Este motor está certificado para funcionar con gasolina sin plomo. La
gasolina sin plomo produce menos acumulaciones en el motor y en la
bujía y extiende la vida de servicio del sistema de escape.
Para repostar, apoye el motor sobre el suelo con la tapa de relleno de
combustible orientada hacia arriba, como se muestra. Extraiga la tapa de
relleno de combustible, y llene el depósito con gasolina hasta la parte
inferior del cuello de relleno. Reposte con cuidado para que no se derrame
combustible. No llene excesivamente. No deberá haber combustible en el
cuello de relleno. Después de repostar, apriete con seguridad la tapa de
relleno de combustible.
EE.UU.
Excepto EE.UU.
Gasolina sin plomo
Pare el motor y mantenga apartados el calor, las chispas,
y el fuego.
Si el nivel de combustible es bajo, llene el depósito en un lugar bien
ventilado con el motor parado. Si el motor ha estado funcionando,
espere a que se enfríe.
Compruebe el nivel del combustible mirando por el depósito de
combustible transparente.
Si se utiliza el motor con detonaciones o golpeteo por autoencendido
persistentes, se considera que es utilización indebida, y la
garantía
limitada del distribuidor
no cubre las partes dañadas por la utilización
indebida.
El motor puede dañarse si se utiliza con detonaciones o golpeteo por
autoencendido persistentes.
Si las detonaciones o el golpeteo por autoencendido se producen a una
velocidad estable del motor, con una carga normal, cambie de marca de
gasolina. Si las detonaciones o el golpeteo por autoencendido son
persistentes, consulte a un concesionario de servicio autorizado Honda.
Es posible que oiga de vez en cuando ligeras ‘‘detonaciones’’ o ‘‘golpeteo
por autoencendido’’ (un ruido fuerte de golpeteo) mientras opera con
grandes cargas. No se preocupe por ello.
No emplee nunca gasolina pasada o sucia ni mezcla de aceite/gasolina.
Evite la entrada de suciedad o agua en el depósito de combustible.
El combustible puede dañar la pintura y ciertos tipos de plástico. Tenga
cuidado para que no se derrame combustible mientras llena el depósito de
combustible. Lo daños causados por el combustible derramado no están
cubiertos por la
garantía limitada del distribuidor.
Frote inmediatamente el líquido derramado.
Reposte sólo al aire libre.
El margen de operación recomendado de este motor es de 5°C a 40°C.
El margen de operación recomendado de este motor es de 5°C a 40°C.
Se recomienda el SAE 10W-30 para aplicaciones generales. Las otras
viscosidades mostradas en la gráfica pueden utilizarse cuando la
temperatura media de su zona está dentro del margen indicado.
Emplee aceite de motor de 4
tiempos que satisfaga o exceda los
requisitos para la clasificación de
servicio API de SJ, SL, o equivalente.
Compruebe siempre la etiqueta de
servicio API del recipiente de aceite
para asegurarse que incluye las
letras SJ, SL, o equivalente.
El aceite es un factor muy importante que afecta el rendimiento y la vida
de servicio. Emplee aceite detergente para automóviles de 4 tiempos.
Para ver la información relacionada con combustibles oxigenados,
consulte la página .
El combustible derramado no sólo le hará correr el peligro de incendio,
sino que además causa daños en el medio ambiente. Frote
inmediatamente el líquido derramado.
No reposte nunca el motor dentro de un edificio donde los gases de la
gasolina pudieran llegar a fuegos o chispas. Mantenga la gasolina
apartada de las luces piloto de los aparatos, barbacoas, aparatos eléctricos,
herramientas eléctricas, etc.
La gasolina es muy inflamable y explosiva, y correrá el
peligro de quemaduras o de heridas graves al repostar.
1.
2.
17
Valor de octanos de bomba de 86 o más alto
Valor de octanos de investigación de 91 o más alto
Valor de octanos de bomba de 86 o más alto
05/12/16 15:25:54 35Z6J600_008

ESPAÑOL
Comprobación del nivel de aceite
Cambio del aceite
TAPA DE RELLENO/VARILLA DE
MEDICIÓN DEL NIVEL DE ACEITE
ORIFICIO DE RELLENO DE ACEITE
(borde inferior)
TAPA DE RELLENO/VARILLA DE
MEDICIÓN DEL NIVEL DE ACEITE
LÍMITE SUPERIOR
LÍMITE SUPERIOR
LÍMITE INFERIOR
ORIFICIO DE RELLENO DE ACEITE
(borde inferior)
LÍMITE SUPERIOR
LÍMITE SUPERIOR
TAPA DE RELLENO DE COMBUSTIBLE
CUELLO DEL ORIFICIO
DE LLENADO DE ACEITE
9
Compruebe el nivel del aceite de motor antes de cada utilización, o cada 10
horas si funciona continuamente.
Compruebe el nivel del aceite de motor con el motor parado y en una
posición nivelada.
Extraiga la tapa de relleno/varilla de medición del nivel de aceite y
frótela para limpiarla.
Después del drenaje quedará un poco de aceite en el motor. Cuando
rellene aceite nuevo, empiece con menos de 80 cm . Añada lentamente
suficiente aceite para llenar hasta el borde inferior del orificio de relleno
de aceite como se muestra abajo.
El motor puede dañarse si se utiliza con un nivel bajo o excesivo de
aceite.
Vuelva a instalar con seguridad la tapa de relleno/varilla de medición del
nivel de aceite.
Si se derrama algo de aceite, no se olvide de frotarlo.
Con el motor en una posición nivelada, llene aceite del recomendado
hasta el borde inferior del orificio de relleno de aceite (vea la página ).
Vuelva a instalar la tapa de relleno/varilla de medición del nivel de aceite
y apriétela con seguridad.
Tire el aceite de motor usado de manera que sea compatible con el medio
ambiente. Le aconsejamos que lleve el aceite usado en un recipiente
cerrado al centro de reciclaje de su localidad o a una gasolinera para que
se encarguen de su eliminación. No lo tire a la basura, no lo derrame a la
tierra, ni tampoco por una cloaca.
Extraiga la tapa de relleno/varilla de medición del nivel de aceite y drene
el aceite en el recipiente inclinando el motor hacia el cuello de relleno de
aceite.
Ponga un recipiente adecuado debajo del motor para recibir el aceite
usado.
Compruebe que la tapa de relleno de combustible esté apretada con
seguridad.
Si el nivel de aceite está cerca o por debajo de la marca del límite
inferior de la varilla de medición del nivel, llene aceite del recomendado
(vea la página ) hasta el borde inferior del orificio de relleno de aceite.
Para evitar el relleno excesivo o insuficiente, asegúrese de que el motor
esté en una posición nivelada, como se muestra, mientras añade aceite.
Inserte y extraiga la tapa de relleno/varilla de medición del nivel de
aceite sin enroscarla en el cuello de relleno de aceite, luego extráigala y
compruebe el nivel de aceite indicado en la varilla de medición del nivel.
Drene el aceite usado cuando el motor esté caliente. El aceite caliente se
drena con más rapidez y por completo.
El motor puede dañarse si se utiliza con un nivel bajo de aceite.
1.
2.
3.
4.
1.
2.
3.
4.
5.
8
8
05/12/16 15:26:12 35Z6J600_009

LimpiezaFILTRO DE AIRE
Inspección
ESPAÑOL
GX25
Tipo estándar/bomba: Tipo de cultivadora:
LENGÜETA
SUPERIOR
TAPA DEL FILTRO DE AIRE
GX35
Tipo estándar/cultivadora:
LENGÜETA DE
ENGANCHE SUPERIOR
CUERPO DEL FILTRO DE AIRE
TAPA DEL FILTRO DE AIRE
LENGÜETA DE
ENGANCHE SUPERIOR
GX25
Tipo estándar/bomba: Tipo de cultivadora:
ELEMENTO DEL FILTRO
GX35
Tipo estándar/cultivadora:
ELEMENTO DEL FILTRO
ELEMENTO DEL FILTRO
PALANCA DEL
ESTRANGULADOR
LENGÜETA SUPERIOR
CUERPO DEL FILTRO DE AIRE CUERPO DEL FILTRO DE AIRE
LENGÜETAS INFERIORES
LENGÜETA
SUPERIOR
ELEMENTO DEL FILTRO
TAPA DEL FILTRO DE AIRE
LENGÜETA
SUPERIOR
LENGÜETAS
INFERIORES
PALANCA DEL
ESTRANGULADOR
LENGÜETAS INFERIORES
ELEMENTO DEL FILTRO
10
Limpie el elemento del filtro en agua tibia con jabón, aclárelo, y espere a
que se seque por completo. También podrá limpiarlos en solvente
ininflamable y dejarlos secar.
Sumerja el elemento del filtro en aceite de motor limpio, y luego
exprima todo el aceite excesivo. Si se deja demasiado aceite en la
espuma, el motor producirá humo cuando se arranque.
Frote la suciedad del cuerpo del filtro de aire y la cubierta, empleando
un paño humedecido. Tenga cuidado para evitar que se introduzca
suciedad en el carburador.
Un filtro de aire sucio restringirá el flujo de aire al carburador, reduciendo
el rendimiento del motor. Si utiliza el motor en lugares muy polvorientos,
limpie el elemento del filtro de aire con mayor frecuencia que la que se
especifica en el PROGRAMA DE MANTENIMIENTO.
Si se pone en marcha el motor sin el elemento del filtro de aire, o con un
elemento del filtro de aire dañado, se introducirá suciedad en el motor,
causando el rápido desgaste del motor. Este tipo de daños no está cubierto
por la
garantía limitada del distribuidor
.
Presione la lengüeta de enganche de la parte superior de la cubierta del
filtro de aire, y extraiga la cubierta. Inspeccione el elemento del filtro.
Limpie o reemplace los elementos sucios del filtro. Reemplace siempre los
elementos del filtro si están dañados.
Vuelva a instalar con seguridad el elemento del filtro y la cubierta del
filtro de aire.
Vuelva a instalar el elemento del filtro y la cubierta del filtro de aire.
Para ver las instrucciones que se aplican al servicio de los elementos y al
filtro de aire, consulte esta página.
1.
2.
4.
3.
05/12/16 15:26:27 35Z6J600_010

−
−
−
ESPAÑOL
ALETAS DE ENFRIAMIENTO
Inspección
BUJÍA
Bujía recomendada:
SOMBRERETE DE BUJÍA
ELECTRODO LATERAL
0,60 0,70 mm
ARANDELA DE
SELLADO
SOMBRERETE DE BUJÍA
ALETAS DE ENFRIAMIENTO
PERNO HEXAGONAL DE 5 mm
BUJÍA
CUBIERTA SUPERIOR
11
Inspeccione la bujía. Reemplácela
si está dañada o muy sucia, si la
arandela de sellado está en mal
estado, o si el electrodo está
gastado.
Mida el huelgo del electrodo de la
bujía con un calibre de espesores
del tipo de alambre. Corrija el
huelgo, si es necesario, doblando
con cuidado el electrodo lateral.
El huelgo deberá ser:
Instale con cuidado la bujía, con la
mano, para evitar que se dañen las
roscas.
Después de haberse asentado la bujía, apriétela con una llave de bujías
de 5/8 pulgadas para comprimir la arandela de sellado.
Cuando instale una bujía nueva, apriétela 1/2 de vuelta después de
haberse asentado la bujía para comprimir la arandela.
Cuando vuelva a instalar la bujía original, apriétela 1/8 1/4 de vuelta
después de haberse asentado la bujía para comprimir la arandela.
Una bujía floja puede causar sobrecalentamiento y daños en el motor. El
apriete excesivo de la bujía puede dañar las roscas de la culata de
cilindros.
Instale la tapa de la bujía en la bujía.
Vuelva a conectar la tapa de la bujía.
Instale la cubierta superior, y apriete con seguridad el perno hexagonal
de 5 mm.
La bujía recomendada es del margen térmico correcto para las
temperaturas normales de operación del motor.
Una bujía incorrecta puede causar daños en el motor.
Para obtener un buen rendimiento, el huelgo de los electrodos de al bujía
deberá ser correcto y no deberá haber carbonilla acumulada.
Extraiga la cubierta superior.
Afloje el perno hexagonal de 5 mm con una llave hexagonal, y extraiga
luego la cubierta superior.
No opere el motor cuando la cubierta superior esté extraída.
Desconecte la tapa de la bujía, y saque la suciedad que pudiera haber en
tornoaláreadelabujía.
Extraiga la bujía con una llave para bujías de 5/8 pulgadas.
CM5H (NGK) CMR5H (NGK)
No tire de la empuñadura del arrancador de retroceso
cuando la cubierta superior esté extraída.
Las partes rotativas pueden causarle heridas y el silenciador
puede causarle quemaduras.
0,60 0,70 mm
Instale la cubierta superior, y apriete con seguridad el perno hexagonal
de 5 mm con una llave hexagonal.
Afloje el perno hexagonal de 5 mm, y extraiga luego la cubierta superior.
Desconectelatapadelabujía.
Inspeccione las aletas de enfriamiento del motor, y limpie la suciedad si
es necesario.
2.
4.
3.
5.
6.
7.
8.
9.
2.
3.
1.
4.
5.
10.
11.
1.
,
05/12/16 15:26:49 35Z6J600_011

ESPAÑOL
Inspección y limpieza del parachispas
Extracción del parachispas
Tipo estándar/bomba:
PARACHISPAS (tipos aplicables)FILTRO DE COMBUSTIBLE y DEPÓSITO DE COMBUSTIBLE
Inspección del filtro de combustible y limpieza del depósito de
combustible
GX25
FILTRO DE COMBUSTIBLE
PANTALLA PARACHISPAS
TAPA DE SUMINISTRO DE
ACEITE DEL MOTOR
CUELLO DE RELLENO DE COMBUSTIBLE
BUJÍASILENCIADOR
PARACHISPAS
TORNILLOS de 4 mm
12
Instale la cubierta superior, y apriete con seguridad el perno hexagonal
de 5 mm (vea la página ).
Cuando instale el parachispas, la salida del parachispas debe estar
orientada al lado opuesto al de la bujía.
Instale el parachispas en el orden inverso al del desmontaje.
El parachispas deberá estar exento de roturas y agujeros. Reemplace el
parachispas si está dañado.
Emplee un cepillo para sacar la carbonilla acumulada en la rejilla del
parachispas. Tenga cuidado para no dañar la rejilla.
Extraiga los tornillos de 4 mm del parachispas, y extraiga el parachispas
del silenciador.
Afloje el perno hexagonal de 5 mm, y extraiga luego la cubierta superior
(vea la página ).
Si el motor había estado en marcha, el silenciador estará caliente. Deje que
se enfríe antes de realizar el servicio del parachispas.
El servicio del parachispas debe realizarse cada 100 horas para que pueda
seguir funcionando como ha sido diseñado.
El parachispas puede ser el estándar o uno opcional, dependiendo del tipo
de motor. En algunas áreas, es ilegal operar un motor sin un parachispas.
Verifique las leyes y regulaciones locales. Los concesionarios de servicio
autorizados Honda tienen disponibles parachispas.
Inserte el filtro de combustible en el depósito de combustible y apriete
con seguridad la tapa de relleno de combustible.
Extraiga el agua y la suciedad del depósito de combustible lavando el
interior del depósito de combustible con solvente ininflamable o de alto
punto de inflamación.
Inspeccione el filtro de combustible. Si el filtro de combustible está
sucio, lávelo con cuidado con solvente ininflamable o de alto punto de
inflamación. Reemplace el filtro de combustible si está excesivamente
sucio.
Tire del filtro hacia fuera a través del cuello de relleno de combustible
enganchando el tubo de combustible negro con un trozo de alambre,
como pueda ser un clic para papel parcialmente enderezado.
Extraiga la tapa de relleno de combustible, y drene el combustible en un
recipiente homologado para gasolina inclinando el motor hacia el cuello
de relleno de combustible.
Compruebe que la tapa de relleno de aceite de motor esté apretada con
seguridad.
Frote inmediatamente el líquido derramado.
Manipule el combustible sólo en exteriores.
Pare el motor y mantenga apartados el calor, las chispas,
y el fuego.
La gasolina es muy inflamable y explosiva, y correrá el
peligro de quemaduras o de heridas graves al manipular el
combustible.
1.
2.
4.
3.
5.
6.
1.
2.
3.
1.
2. 11
11
05/12/16 15:27:09 35Z6J600_012

×
×
×
×
ESPAÑOL
Tipo estándar:
Tipo de cultivadora
Extracción del parachispas
Extracción del parachispas
Inspección y limpieza del parachispas
Limpieza e inspección del filtro de escape
Inspección y limpieza del parachispas
GX35
TORNILLO DE AUTOENROSQUE DE 3 6 mm
PANTALLA PARACHISPAS
SALIDA DEL PARACHISPAS
PARACHISPAS
PANTALLA PARACHISPAS
SILENCIADOR
PARACHISPAS
BUJÍA
SILENCIADOR
TORNILLOS DE
AUTOENROSQUE DE
46mm
FILTRO DE ESCAPE
13
Extraiga los tornillos de autoenrosque de 4 6 mm del parachispas, y
extraiga el parachispas y el filtro de escape del silenciador.
Afloje el perno hexagonal de 5 mm, y extraiga luego la cubierta superior
(vea la página ).
Afloje el perno hexagonal de 5 mm, y extraiga luego la cubierta superior
(vea la página ).
Emplee un cepillo para sacar la carbonilla acumulada en la rejilla del
parachispas. Tenga cuidado para no dañar la rejilla.
El parachispas deberá estar exento de roturas y agujeros. Reemplace el
parachispas si está dañado.
Instale la cubierta superior, y apriete con seguridad el perno hexagonal
de 5 mm (vea la página ).
Instale el parachispas en el orden inverso al del desmontaje.
Extraiga el los tornillos de autoenrosque de 3 6 mm del parachispas, y
extraiga el parachispas del silenciador.
Sujete el filtro de escape, golpéelo ligeramente con un dedo, y extraiga la
carbonilla acumulada. Tenga cuidado para no golpear con fuerza.
El filtro de escape deberá estar exento de roturas y agujeros. Si está
dañado o demasiado sucio, solicite el servicio a su concesionario Honda.
Instale la cubierta superior, y apriete con seguridad el perno hexagonal
de 5 mm (vea la página ).
Cuando instale el parachispas, la salida del parachispas debe estar
orientada al lado opuesto al de la bujía.
Instale el filtro de escape y el parachispas en el orden inverso al del
desmontaje.
El parachispas deberá estar exento de roturas y agujeros. Reemplace el
parachispas si está dañado.
Emplee un cepillo para sacar la carbonilla acumulada en la rejilla del
parachispas. Tenga cuidado para no dañar la rejilla.
1.
2.
3.
2.
3.
1.
2.
1.
2.
1.
11
11
11
11
05/12/16 15:27:28 35Z6J600_013

×
×
SUGERENCIAS Y OBSERVACIONES DE UTILIDAD
ALMACENAJE DEL MOTOR
Preparativos para el almacenaje
Limpieza
Tipo de cultivadora:
Extracción del parachispas
Inspección y limpieza del parachispas
Adición de un estabilizador de gasolina para extender la duración de
almacenaje del combustible
Combustible
ESPAÑOL
PARACHISPAS
PANTALLA PARACHISPAS
BUJÍA
SILENCIADOR
TORNILLOS DE
AUTOENROSQUE DE
46mm
14
Los preparativos adecuados para el almacenaje son esenciales para
mantener el motor exento de problemas y con buena apariencia exterior.
Los pasos siguientes ayudarán a evitar que la oxidación y la corrosión
afecten el funcionamiento y el aspecto exterior del motor, y facilitarán el
arranque del motor cuando lo vuelva a utilizar.
Si el motor ha estado en marcha, espere a que se enfríe por lo menos
media hora antes de efectuar la limpieza. Limpie todas las superficies
exteriores, retoque cualquier parte dañada con pintura, y revista las otras
partes que puedan oxidarse con una capa fina de aceite.
Si se emplea una manguera de jardín o un equipo de lavado a presión, el
agua puede forzarse al interior del filtro de aire o a la abertura del
silenciador. Al agua dentro del filtro de aire mojará el filtro de aire, y el
agua que pasa por el filtro de aire o el silenciador puede introducirse en el
cilindro, y ocasionar daños.
Afloje el perno hexagonal de 5 mm, y extraiga luego la cubierta superior
(vea la página ).
Extraiga el los tornillos de autoenrosque de 4 6 mm del parachispas, y
extraiga el parachispas del silenciador.
Emplee un cepillo para sacar la carbonilla acumulada en la rejilla del
parachispas. Tenga cuidado para no dañar la rejilla.
El parachispas deberá estar exento de roturas y agujeros. Reemplace el
parachispas si está dañado.
Instale el filtro de escape y el parachispas en el orden inverso al del
desmontaje.
Cuando instale el parachispas, la salida del parachispas debe estar
orientada al lado opuesto al de la bujía.
Instale la cubierta superior, y apriete con seguridad el perno hexagonal
de 5 mm (vea la página ).
Pare el motor.
Después de añadir un estabilizador de gasolina, deje en marcha el motor
al aire libre durante 10 minutos para asegurarse de que la gasolina
tratada ha reemplazado a la gasolina que no está tratada en el
carburador.
Añada el estabilizador de gasolina siguiendo las instrucciones del
fabricante.
Cuando añada un estabilizador de gasolina, llene el depósito de
combustible con gasolina nueva. Si sólo lo llena parcialmente, el aire que
quede en el depósito acelerará el deterioro durante el almacenaje. Si
conserva un recipiente de gasolina para repostar, asegúrese de que sólo
contenga gasolina nueva.
Podrá extender la vida de servicio durante el almacenaje del combustible
añadiendo un estabilizador de gasolina que esté formulado para este
propósito, o podrá evitar los problemas del deterioro del combustible
drenando el depósito de combustible y el carburador.
Los daños del sistema de combustible o los problemas de rendimiento del
motor debidos a unos preparativos inadecuados para el almacenaje no
están cubiertos por la
garantía limitada del distribuidor
.
El tiempo que puede dejarse la gasolina en el depósito de combustible y
en el carburador sin que cause problemas funcionales variará de acuerdo
con factores tales como la mezcla de la gasolina, la temperatura de
almacenaje, y de si el depósito está parcialmente o completamente lleno.
El aire de un depósito de combustible parcialmente lleno acelera el
deterioro. Las temperaturas de almacenaje muy altas acelerarán también
el deterioro del combustible. Los problemas con el combustible suelen
ocurrir después de pocos meses, o incluso menos si la gasolina no era
nueva cuando se llenó el depósito de combustible.
La gasolina se oxida y deteriora durante el almacenaje. La gasolina
deteriorada dificulta el arranque, y deja acumulaciones de suciedad que
obstruyen el sistema de combustible. Si se deteriora la gasolina del motor
durante el almacenaje, es posible que tenga que solicitar el servicio o el
reemplazo del carburador y de otros componentes del sistema de
combustible.
1.
2.
3.
2.
3.
1.
1.
2.
11
11
05/12/16 15:27:47 35Z6J600_014

Precauciones para el almacenajeDrenaje del depósito de combustible y del carburador
Aceite de motor
TRANSPORTE
Salida del almacenaje
ESPAÑOL
PERA DE CEBADURA
CUELLO DE RELLENO
DE COMBUSTIBLE
TAPA DE SUMINISTRO
DE ACEITE DEL MOTOR
TUBO DE RETORNO
DE COMBUSTIBLE
15
Si el motor debe almacenarse con gasolina en el depósito de combustible
y en el carburador, es importante reducir el peligro de que se enciendan
los gases de la gasolina. Seleccione un lugar de almacenaje bien ventilado
apartado de todos los aparatos que funcionen con fuego, como puedan ser
los hornos, calentadores de agua, o secadoras para la ropa. Evite también
los lugares con motores eléctricos que produzcan chispas, o donde se
utilicen herramientas eléctricas.
La gasolina es muy inflamable y explosiva, y correrá el
peligro de quemaduras o de heridas graves al manipular el
combustible.
Pare el motor y mantenga apartados el calor, las chispas,
y el fuego.
Incline otra vez el motor hacia el cuello de relleno de combustible para
drenar el combustible.
Presione varias veces la pera de cebado hasta que no quede
combustible en el tubo de retorno de combustible.
Extraiga la tapa de relleno de combustible y drene el combustible en un
recipiente homologado para gasolina inclinando el motor hacia el cuello
de relleno de combustible.
Asegúrese de que la tapa de relleno de aceite de motor esté apretada
con seguridad.
Frote inmediatamente el líquido derramado.
Manipule el combustible sólo en exteriores.
Tire lentamente de la empuñadura del arrancador hasta que note
resistencia.
Instale la cubierta superior, y apriete con seguridad el perno hexagonal
de 5 mm (vea la página ).
Extraiga la cubierta superior, y reinstale la bujía.
Tire varias veces de la empuñadura del arrancador para que el aceite se
distribuya por el cilindro.
Instale provisionalmente la cubierta superior.
Aplique un par de gotas de aceite de motor limpio al cilindro.
Extraiga la bujía (vea la página ).
Afloje el perno hexagonal de 5 mm, y extraiga luego la cubierta superior
(vea la página ).
Cambie el aceite de motor (vea la página ).
Después de haberse drenado todo el combustible, vuelva a instalar con
seguridad la tapa de relleno de combustible. Si el motor ha estado en marcha, espere como mínimo 15 minutos a que
se enfríe antes de cargar el equipo motorizado en el vehículo de transporte.
Si el motor y el sistema de escape están calientes pueden causarle
quemaduras y hacer que se enciendan algunos materiales.
Si se había revestido el cilindro con aceite durante los preparativos para el
almacenaje, el motor produce un poco de humo al principio. Esto es
normal.
Si se había drenado el combustible durante los preparativos para el
almacenaje, llene el depósito con gasolina nueva. Si conserva un
recipiente de gasolina para repostar, asegúrese de que sólo contenga
gasolina nueva. La gasolina se oxida y deteriora con el tiempo,
dificultando el arranque.
Compruebe el motor como se describe en la sección de
COMPROBACIONES PREVIAS A LA OPERACIÓN
de este manual (vea la
página ).
Cuando el motor y el sistema de escape estén fríos, cubra el motor para
protegerlo contra el polvo. Si el motor y el sistema de escape están
calientes pueden hacer que se enciendan o derritan algunos materiales.
No emplee un trozo de plástico como cubierta contra el polvo.
Una cubierta que no sea porosa no dejará escapar la humedad en torno al
motor, acelerando la oxidación y la corrosión.
Mantenga el motor nivelado durante el almacenaje. La inclinación podría
ocasionar fugas de combustible o de aceite.
Si es posible, evite los lugares de almacenaje con mucha humedad,
porque aceleran la oxidación y la corrosión.
2.
1.
3.
1.
2.
3.
4.
5.
6.
4.
5.
7.
8.
9.
9
4
11
11
11
05/12/16 15:28:09 35Z6J600_015

−
CUIDADOS PARA PROBLEMAS INESPERADOS INFORMACIÓN TÉCNICA Y DEL CONSUMIDOR
NO ARRANCA EL
MOTOR
Causa posible Corrección INFORMACIÓN TÉCNICA
Situación del número de serie
Enlace de control remoto
Tipo estándar/cultivadora:
CorrecciónCausa posibleLE FALTA
POTENCIA AL
MOTOR
ESPAÑOL
NÚMERO DE SERIE DE MOTOR
CONTRATUERCA
SOPORTE
CABLE DEL ACELERADOR
TIPO DEL MOTOR
TUERCA DE AJUSTE
DISPOSITIVO DE
ENGANCHE PARA EL CABLE
16
Fecha de adquisición: ______ / ______ / ______
Tipo de motor: ___ ___ ___ ___
Número de serie del motor: __ __ __ __ __ __ __ __ __ __ __
La palanca de control del acelerador está provista de un dispositivo de
enganche para colocar el cable.
Extraiga la cubierta del filtro de aire (vea la página ) para poder acceder
a la palanca del acelerador y el dispositivo de enganche del cable.
Coloque el cable del acelerador como se muestra en la ilustración.
Para ajustar el cable del acelerador, siga las instrucciones del fabricante
del equipo.
Anote el número de serie del motor,
el tipo y la fecha de adquisición en
el espacio siguiente. Necesitará esta
información cuando realice pedidos
de partes y consultas técnicas o
sobre la garantía.
Estrangulador
abierto.
Interruptor del
motor en OFF.
(en el equipo)
No hay
combustible.
Combustible
inadecuado; motor
guardado sin tratar
odrenarla
gasolina, o llenado
con gasolina
inadecuada.
Bujía defectuosa,
sucia, o con un
huelgo incorrecto.
Bujía mojada de
combustible
(motor anegado).
Filtro de
combustible
restringido, mal
funcionamiento
del carburador,
mal
funcionamiento
del encendido,
válvulas
agarrotadas, etc.
Compruebe las
posiciones de
los controles.
Compruebe el
combustible.
Extraiga e
inspeccione la
bujía.
Lleve el motor a
un
concesionario
de servicio
autorizado
Honda, o
consulte el
manual de taller.
Elemento del filtro
restringido.
Combustible
inadecuado; motor
guardado sin tratar
odrenarla
gasolina, o llenado
con gasolina
inadecuada.
Filtro de
combustible
restringido, mal
funcionamiento
del carburador,
mal
funcionamiento
del encendido,
válvulas
agarrotadas, etc.
Compruebe el
filtro de aire.
Compruebe el
combustible.
Lleve el motor a
un
concesionario
de servicio
autorizado
Honda, o
consulte el
manual de taller.
Mueva la palanca a la
posición CLOSED a
menos que el motor
esté caliente.
Gire el interruptor del
motor a la posición
ON.
Reposte (p. 8).
Drene el depósito de
combustible y el
carburador (p. 15).
Reposte con gasolina
nueva (p. 8).
Ajuste el huelgo o
reemplace la bujía
(p. 11).
Deje que se seque la
bujía. Después de
haberse secado,
instale la bujía y
ponga en marcha el
motor (p. 4).
Reemplace o repare
los componentes
defectuosos como
sea necesario.
Limpie o reemplace
el elemento del filtro
(p. 10).
Drene el depósito de
combustible y el
carburador (p. 15).
Reposte con gasolina
nueva (P. 8).
Reemplace o repare
los componentes
defectuosos como
sea necesario.
1.
2.
3.
4.
1.
2.
3.
10
05/12/16 15:28:27 35Z6J600_016

ESPAÑOL
Modificaciones del carburador para funcionar a gran altitud
Actas sobre el aire limpio de California, EE.UU., y sobre el medio
ambiente de Canadá
Información del sistema de control de las emisiones de escape
Origen de las emisiones de escape
METANOL
MTBE
ETANOL
Combustibles oxigenados
Repuestos
Problemas que pueden afectar las emisiones de escape
Manipulación indebida y alteraciones
17
Honda emplea ajustes del carburador de mezcla pobre y otros sistemas
para reducir las emisiones de monóxido de carbono, de óxidos de
nitrógeno, y de hidrocarburos.
Si nota algún síntoma anormal en el funcionamiento, pruebe otra
gasolinera o cambie a otra marca de gasolina.
Los daños en el sistema de combustible o los problemas de rendimiento
debidos al empleo de combustible oxigenado con mayor contenido que
los porcentajes de oxigenación arriba mencionados, no quedarán
cubiertos por la
garantía limitada del distribuidor
.
El proceso de combustión produce monóxido de carbono, óxidos de
nitrógeno, e hidrocarburos. El control de los hidrocarburos y de los óxidos
de nitrógeno es muy importante porque, bajo ciertas condiciones,
reaccionan para formar humo fotoquímico cuando se exponen a la luz
solar. El monóxido de carbono no reacciona del mismo modo, pero es
tóxico.
Cuando se haya modificado el carburador para funcionar a gran altitud, la
mezcla de aire-combustible será demasiado pobre para funcionar a bajas
altitudes. El funcionamiento a altitudes de menos de 1.500 metros con el
carburador modificado puede causar sobrecalentamiento del motor y
ocasionar serios daños en el motor. Para el funcionamiento a bajas
altitudes, solicite a su concesionario de servicio que reajuste el carburador
a las especificaciones originales de fábrica.
Incluso con la modificación del carburador, la potencia del motor se
reducirá aproximadamente el 3,5 % por cada 300 m de incremento de la
altitud. El efecto de la altitud en la potencia será mayor si no se han
efectuado las modificaciones en el carburador.
El rendimiento a grandes altitudes podrá mejorar mediante modificaciones
específicas en el carburador. Si siempre opera el motor a altitudes de más
de 1.500 metros, solicite a su concesionario de servicio que efectúe esta
modificación del carburador. Este motor conformará cada una de las
normas sobre las emisiones de escape durante toda su vida de servicio
cuando se opere a gran altitud con las modificaciones del carburador para
funcionar a grandes altitudes.
A grandes altitudes, la mezcla normal de aire-combustible del carburador
será demasiado rica. Se reducirá el rendimiento y aumentará el consumo
de combustible. Si la mezcla es demasiado rica, ensuciará también la bujía
y puede dificultar el arranque. El funcionamiento a una altitud distinta de la
certificada para este motor, durante períodos prolongados de tiempo,
puede ocasionar un incremento en las emisiones de escape.
(metilo o alcohol de madera) 5 % por volumen
Podrá emplear gasolina con un contenido de
metanol de hasta el 5 % por volumen siempre y
cuando contenga cosolventes e inhibidores contra
la corrosiónpara proteger el sistema de
combustible. La gasolina que contenga más del
5 % de metanol por volumen puede causar
problemas en el arranque y/o el rendimiento.
También puede causar daños en las partes
metálicas, de goma, y de plástico del sistema de
combustible.
(metilo o éter butílico terciario) 15 % por volumen
Podrá emplear gasolina con un contenido de
MTBE de hasta el 15 % por volumen.
(etilo o alcohol de grano) 10 % por volumen
Podrá emplear gasolina con un contenido de
etanol de hasta el 10 % por volumen. La gasolina
que contiene etanol puede estar comercializada
con el nombre de Gasohol.
A continuación se mencionan los porcentajes de oxigenación
homologados por EPA:
Antes de emplear un combustible oxigenado, trate de confirmar el
contenido del combustible. Algunos estados/provincias estipulan que esta
información debe mostrarse en la bomba.
Si usted emplea un combustible oxigenado, asegúrese de que no contenga
plomo y que satisfaga los requisitos mínimos de octanaje.
Algunas gasolinas convencionales se mezclan con alcohol o con un
compuesto de éter. Estas gasolinas se agrupan con la denominación de
combustibles oxigenados. Para cumplir las normas de aire limpio, algunas
zonas de los Estados Unidos y de Canadá emplean combustibles
oxigenados para ayudar a reducir las emisiones de escape.
Los fabricantes del mercado de repuestos asumen la responsabilidad de
que el repuesto no afectará adversamente el rendimiento de las emisiones
de escape. El fabricante o el remodelador del repuesto deberá certificar
que el empleo del repuesto no ocasionará fallas del motor para que éste
pueda cumplir las regulaciones sobre las emisiones de escape.
Los sistemas de control de las emisiones de escape de su motor Honda
han sido diseñados, fabricados y certificados para conformar las
regulaciones de las emisiones de escape estipuladas por EPA, de
California y Canadá. Recomendamos el empleo de repuestos genuinos de
Honda cuando se haga el mantenimiento. Estos repuestos de diseño
original están fabricados con las mismas normas que las partes originales,
por lo que podrá confiar en su rendimiento. El empleo de repuestos que no
son de diseño y calidad originales puede degradar la efectividad de su
sistemadecontroldelasemisionesdeescape.
Humo negro de escape o alto consumo de combustible.
Combustión retardada (detonaciones).
Fallos de encendido o detonaciones bajo carga.
Ralentí irregular.
Cuesta arrancar o se cala después de arrancar.
Si percibe alguno de los síntomas siguientes, solicite a su distribuidor de
servicio que inspeccione y repare el motor.
Alternación o supresión de la articulación del regulador o del
mecanismo de ajuste de la velocidad para que el motor funcione fuera
de sus parámetros de diseño.
Extracción o alternación de cualquier parte de los sistemas de admisión,
combustible, o escape.
La manipulación indebida o las alteraciones del sistema de control de las
emisiones de escape pueden incrementar las emisiones hasta sobrepasar
el límite legal. Entre los actos que constituyen manipulación indebida se
encuentran:
Deberán seguirse las instrucciones y procedimientos siguientes para
mantener las emisiones de escape del motor Honda dentro de lo
estipulado por las normas sobre las emisiones de escape.
Las regulaciones de EPA, de California y Canadá estipulan que todos los
fabricantes deben proporcionar instrucciones escritas que describan la
operación y el mantenimiento de los sistemas de control de las emisiones
de escape.
05/12/16 15:28:51 35Z6J600_017

−
−
−
××
××
ESPAÑOL
Índice de aire
EspecificacionesMantenimiento
Aplicable al período de durabilidad de
las emisiones
Término descriptivo
GX25 (Tipos básicos)
GX35 (Tipos básicos)
18
2,96 kg2,78 kg
Siga el programa de mantenimiento de la página . Recuerde que este
programa se basa en la suposición de que su máquina se utiliza para su
propósito original. El funcionamiento continuado con grandes cargas o
altas temperaturas, o la utilización en condiciones de mucha humedad o
polvo, requerirá que se realice el servicio con más frecuencia.
En los motores que están certificados para un período de durabilidad de
las emisiones de acuerdo con las estipulaciones del Consejo de recursos
de aire de California se le cuelga o adhiere una etiqueta de información
sobre el índice de aire.
W3
(Bomba)
La etiqueta de información del índice de aire que está colgada o adherida
al motor , deberá permanecer en el motor hasta el momento de su venta.
Antes de poner en funcionamiento el motor, extraiga la etiqueta colgada.
Extendido 300 horas (0 65 cm )
500 horas (más de 65 cm )
125 horas (0 65 cm )
250 horas (más de 65 cm )
Intermedio
50 horas (0 65 cm )
125 horas (más de 65 cm )
Moderado
La descripción de la durabilidad tiene el propósito de informarle sobre el
período de durabilidad de las emisiones de escape del motor. El término
descriptivo indica el período de vida de servicio del sistema de control de
las emisiones de escape del motor. Consulte la
garantía del sistema de
control de las emisiones
de escape para encontrar más información al
respecto.
El gráfico de barras tiene el propósito de proporcionarle a usted, nuestro
cliente, la posibilidad de comparar el rendimiento de las emisiones de
escape de los motores disponibles. Cuanto más bajo es el índice de aire,
menos contaminación produce.
Tipo S3
(Estándar)
(Sin el protector
del depósito)
T3
(Cultivadora)
Código de
descripción de
equipo motorizado
Longitud
Anchura
Altura
Peso en seco
(sin el embrague)
Tipo de motor
Cilindrada
[Calibre carrera]
Potencia máx.
Torsión máx.
Capacidad de aceite
de motor
Capacidad del
depósito de
combustible
Consumo de
combustible
Sistema de
enfriamiento
Sistema de
encendido
Rotación del eje
de la toma de fuerza
GCART
221 mm 210 mm 221 mm
Aire forzado
247 mm192 mm192 mm
230 mm 236 mm 230 mm
3,10 kg
4 tiempos, árbol de levas en cabeza,
monocilíndrico
25 cm
[35 26 mm]
Código de
descripción de
equipo motorizado
Longitud
Anchura
Altura
Peso en seco
(sin el embrague)
Tipo de motor
Cilindrada
[Calibre carrera]
Potencia máx.
Torsión máx.
Capacidad de aceite
de motor
Capacidad del
depósito de
combustible
Consumo de
combustible
Sistema de
enfriamiento
Sistema de
encendido
Rotación del eje
de la toma de fuerza
Tipo
Hacia la izquierda
Magneto transistorizado
Aire forzado
360 g/kWh (265 g/PSh)
0,65
0,10
1,9 N·m (0,19 kgf·m) a 5.500 min (rpm)
1,2 kW (1,6 PS) a 7.000 min (rpm)
[39 30 mm]
35,8 cm
4 tiempos, árbol de levas en cabeza,
monocilíndrico
3,33 kg 3,52 kg 3,52 kg
240 mm 242 mm 242 mm
243 mm
198 mm
243 mm
198 mm
234 mm
198 mm
GCAST
S3
(Estándar)
(Sin el protector
del depósito)
T3
(Cultivadora) TR3
(Cultivadora)
Hacia la izquierda
Magneto transistorizado
0,81 kW (1,1 PS) a 7.000 min (rpm)
1,25 N·m (0,13 kgf·m) a 5.000 min (rpm)
0,08
0,55
340 g/kWh (250 g/PSh)
7
05/12/19 14:43:44 35Z6J600_018

−
±
±
±
ESPAÑOL
Especificaciones de reglaje Diagramas de conexiones
MANTENIMIENTOELEMENTO
Información de referencia rápida
ESPECIFICACIONES
Tipo de bomba:
Tipo estándar/cultivadora:
19
Consulte la página:
11
Consulte a su
concesionario
Honda autorizado
No se requiere ningún otro ajuste.
Huelgo de bujía
Velocidad de ralentí
Holgura de válvulas
(en frío)
Otras
especificaciones
0,60 0,70 mm
3.100 200 min (rpm)
ADMISIÓN: 0,08 0,02 mm
ESCAPE: 0,11 0,02 mm
Gasolina sin plomo (Consulte la página 8)
Valor de octanos de bomba de 86 o más
alto
Valor de octanos de investigación de 91
o más alto
Valor de octanos de bomba de 86 o más
alto
Combustible
Aceite de
motor
Bujía
Mantenimiento
SAE 10W-30, API SJ o SL para aplicaciones generales.
Consulte la página 8.
Antes de cada utilización:
Compruebe el nivel de aceite de motor.
Consulte la página 9.
Compruebe el filtro de aire. Consulte la página 10.
Primeras 10 horas:
Cambie el aceite de motor. Consulte la página 9.
Subsecuentemente:
Consulte el programa de mantenimiento de la
página 7.
CMR5H (NGK)
CM5H (NGK)
EE.UU.
Excepto
EE.UU.
DESCONEXIÓN
CONEXIÓN
BUJÍA
BOBINA DE ENCENDIDO
Interruptor de encendido en el equipo que
funciona con el motor.
NegroBl
INTERRUPTOR DEL MOTOR
(1)
(2)
(3)
(4)
05/12/16 15:29:36 35Z6J600_019

《》
Canadá:
Estados Unidos, Puerto Rico, e Islas Vírgenes Estadounidenses:
Información para encontrar distribuidores/concesionarios
INFORMACIÓN DEL CONSUMIDOR
Para la zona de Europa:
Información de servicio de clientes
Estados Unidos, Puerto Rico, e Islas Vírgenes Estadounidenses:
Canadá:
Honda Canada, Inc.
Para la zona de Europa:
Honda Europe NV.
Todas las otras zonas:
American Honda Motor Co., Inc.
Estados Unidos, Puerto Rico, e Islas Vírgenes Estadounidenses:
Oficinas Honda
Todas las otras zonas:
ESPAÑOL
20
o visite nuestro sitio en la Web: www.honda.ca
Llame al (888) 9HONDA9
Visite nuestro sitio en la Web: www.honda-engines.com
visite nuestro sitio en la Web: http://www.honda-engines-eu.com
El personal de los concesionarios de servicio son profesionales entrenados.
Ellos podrán contestar a cualquier pregunta que usted les haga. Si se
encuentra con un problema que su concesionario no puede resolver para
dejarle satisfecho, comuníqueselo al jefe del concesionario. El jefe de
servicio, el director general, o el propietario podrán ayudarle. Casi todos
los problemas se resuelven de este modo.
Si no queda satisfecho con la decisión tomada por los jefes del
concesionario, póngase en contacto con el distribuidor regional de
motores Honda de su localidad.
Si todavía no está satisfecho después de hablar con el distribuidor de
motor regional, podrá ponerse en contacto con la Oficina de Honda como
se muestra.
715 Milner Avenue
Toronto, ON
M1B 2K8
Teléfono: (888) 9HONDA9
(888) 946-6329
(416) 299-3400
(416) 287-4776
(877) 939-0909
(416) 287-4776
Llamada sin cargo
Área de marcación local de Toronto
Área de marcación local de Toronto
Llamada sin cargo
Área de marcación local de Toronto
Facsímil:
Inglés:
Francés:
European Engine Center
http://www.honda-engines-eu.com
Póngase en contacto con el distribuidor Honda de su zona para que le
ayude.
O llamar por teléfono: (770) 497-6400, 8:30 am - 7:00 pm EST
Power Equipment Division
Customer Relations Office
4900 Marconi Drive
Alpharetta, GA 30005-8847
Una descripción detallada del problema
Su nombre, dirección y número de teléfono
Fecha de adquisición
Nombre, dirección, y persona de contacto del concesionario que realiza
el servicio de su motor
Nombre del concesionario que le vendió el motor
Modelo, número de serie, y tipo del motor (vea la página )
Nombre del fabricante y número de modelo del equipo al que se ha
montado el motor
Cuando escriba o llame, tenga la amabilidad de incluir la información
siguiente:
Si no queda satisfecho con la decisión tomada por los jefes del
concesionario, póngase en contacto con la Oficina de Honda como se
muestra.
16
05/12/16 15:30:02 35Z6J600_020