Honeywell Enraf 978WFI Wireless Field Interface User Manual WFI IOM
Honeywell Enraf Wireless Field Interface WFI IOM
Contents
- 1. User Manual
- 2. Manual Installation
Manual Installation

Table of Contents
Part No.: 4417781 Wireless Field Interface
Installation Manual 1 - i
CHAPTER 1 General . . . . . . . . . . . . . . . . . . . . . . . . . . . . . . . . . . . . . . . . . . . . . . . . . . . . . 1-1
1.1 Using this installation guide. . . . . . . . . . . . . . . . . . . . . . . . . . . . . . . . . . . . 1-1
1.2 Related documents . . . . . . . . . . . . . . . . . . . . . . . . . . . . . . . . . . . . . . . . . . . 1-1
1.3 Target Audience for this Manual . . . . . . . . . . . . . . . . . . . . . . . . . . . . . . . . 1-1
1.4 Contact . . . . . . . . . . . . . . . . . . . . . . . . . . . . . . . . . . . . . . . . . . . . . . . . . . . . . 1-1
CHAPTER 2 Safety . . . . . . . . . . . . . . . . . . . . . . . . . . . . . . . . . . . . . . . . . . . . . . . . . . . . . . 2-1
2.1 Safety Conventions. . . . . . . . . . . . . . . . . . . . . . . . . . . . . . . . . . . . . . . . . . . 2-1
2.1.1 Warnings . . . . . . . . . . . . . . . . . . . . . . . . . . . . . . . . . . . . . . . . . . . . . . . . . . . . 2-1
2.1.2 Cautions . . . . . . . . . . . . . . . . . . . . . . . . . . . . . . . . . . . . . . . . . . . . . . . . . . . . 2-1
2.2 Safety Instructions . . . . . . . . . . . . . . . . . . . . . . . . . . . . . . . . . . . . . . . . . . . 2-1
2.2.1 General . . . . . . . . . . . . . . . . . . . . . . . . . . . . . . . . . . . . . . . . . . . . . . . . . . . . . 2-1
2.2.1.1 EC declaration of conformity (for EU) . . . . . . . . . . . . . . . . . . . . . . . . . . . . . . 2-2
2.2.1.2 Control Drawings for FM and CSA . . . . . . . . . . . . . . . . . . . . . . . . . . . . . . . . 2-2
2.2.1.3 Users . . . . . . . . . . . . . . . . . . . . . . . . . . . . . . . . . . . . . . . . . . . . . . . . . . . . . . . 2-2
2.2.1.4 Additional information . . . . . . . . . . . . . . . . . . . . . . . . . . . . . . . . . . . . . . . . . . 2-3
2.2.1.5 Environmental Conditions . . . . . . . . . . . . . . . . . . . . . . . . . . . . . . . . . . . . . . . 2-3
2.2.2 Personal Safety . . . . . . . . . . . . . . . . . . . . . . . . . . . . . . . . . . . . . . . . . . . . . . . 2-3
2.2.2.1 General . . . . . . . . . . . . . . . . . . . . . . . . . . . . . . . . . . . . . . . . . . . . . . . . . . . . . 2-3
2.2.2.1.1 Repairs and Maintenance. . . . . . . . . . . . . . . . . . . . . . . . . . . . . . . . . . . . . . . 2-3
2.2.2.1.2 Opening of the Device . . . . . . . . . . . . . . . . . . . . . . . . . . . . . . . . . . . . . . . . . 2-3
2.2.2.1.3 Tools . . . . . . . . . . . . . . . . . . . . . . . . . . . . . . . . . . . . . . . . . . . . . . . . . . . . . . . 2-4
2.2.2.1.4 Working Environment . . . . . . . . . . . . . . . . . . . . . . . . . . . . . . . . . . . . . . . . . . 2-4
2.2.2.1.5 Required Skills . . . . . . . . . . . . . . . . . . . . . . . . . . . . . . . . . . . . . . . . . . . . . . . 2-4
2.2.2.2 Commissioning . . . . . . . . . . . . . . . . . . . . . . . . . . . . . . . . . . . . . . . . . . . . . . . 2-4
2.2.2.3 Maintenance and troubleshooting . . . . . . . . . . . . . . . . . . . . . . . . . . . . . . . . . 2-4
2.2.2.4 Grounding . . . . . . . . . . . . . . . . . . . . . . . . . . . . . . . . . . . . . . . . . . . . . . . . . . . 2-4
2.2.3 Electrical . . . . . . . . . . . . . . . . . . . . . . . . . . . . . . . . . . . . . . . . . . . . . . . . . . . . 2-4
2.2.3.1 Safety Standards . . . . . . . . . . . . . . . . . . . . . . . . . . . . . . . . . . . . . . . . . . . . . . 2-4
2.2.3.2 Accordance to Regulations . . . . . . . . . . . . . . . . . . . . . . . . . . . . . . . . . . . . . . 2-5
2.2.3.3 Explosion Safety . . . . . . . . . . . . . . . . . . . . . . . . . . . . . . . . . . . . . . . . . . . . . . 2-5
2.2.3.4 Compliance to FCC . . . . . . . . . . . . . . . . . . . . . . . . . . . . . . . . . . . . . . . . . . . . 2-5
2.2.3.5 Low-Voltage Directive . . . . . . . . . . . . . . . . . . . . . . . . . . . . . . . . . . . . . . . . . . 2-6
2.2.3.6 Reference of Applicable Standards . . . . . . . . . . . . . . . . . . . . . . . . . . . . . . . . 2-6
2.2.3.7 WFI Labels . . . . . . . . . . . . . . . . . . . . . . . . . . . . . . . . . . . . . . . . . . . . . . . . . . 2-7
2.3 Liability. . . . . . . . . . . . . . . . . . . . . . . . . . . . . . . . . . . . . . . . . . . . . . . . . . . . . 2-9
CHAPTER 3 Product Description . . . . . . . . . . . . . . . . . . . . . . . . . . . . . . . . . . . . . . . . . . 3-1
3.1 Wireless Field Interface . . . . . . . . . . . . . . . . . . . . . . . . . . . . . . . . . . . . . . . 3-1
3.2 SmartView . . . . . . . . . . . . . . . . . . . . . . . . . . . . . . . . . . . . . . . . . . . . . . . . . . 3-2
3.3 FlexConn Modules. . . . . . . . . . . . . . . . . . . . . . . . . . . . . . . . . . . . . . . . . . . . 3-3
3.4 Hardware Structure . . . . . . . . . . . . . . . . . . . . . . . . . . . . . . . . . . . . . . . . . . . 3-5
3.4.1 Housing . . . . . . . . . . . . . . . . . . . . . . . . . . . . . . . . . . . . . . . . . . . . . . . . . . . . . 3-5
3.4.2 Interior . . . . . . . . . . . . . . . . . . . . . . . . . . . . . . . . . . . . . . . . . . . . . . . . . . . . . . 3-5

Table of Contents
Wireless Field Interface Part No.: 4417781
1 - ii Installation Manual
3.5 NPT Entries . . . . . . . . . . . . . . . . . . . . . . . . . . . . . . . . . . . . . . . . . . . . . . . . . 3-6
3.6 PCB Details . . . . . . . . . . . . . . . . . . . . . . . . . . . . . . . . . . . . . . . . . . . . . . . . . 3-8
3.6.1 HCI -1WL board. . . . . . . . . . . . . . . . . . . . . . . . . . . . . . . . . . . . . . . . . . . . . . . 3-8
3.6.2 FCM-BPM module. . . . . . . . . . . . . . . . . . . . . . . . . . . . . . . . . . . . . . . . . . . . . 3-9
3.6.3 FII-SMV (HMI-TSI). . . . . . . . . . . . . . . . . . . . . . . . . . . . . . . . . . . . . . . . . . . . 3-10
3.6.4 CAN-PSX module - Power Supply . . . . . . . . . . . . . . . . . . . . . . . . . . . . . . . 3-11
3.7 Device Features. . . . . . . . . . . . . . . . . . . . . . . . . . . . . . . . . . . . . . . . . . . . . 3-12
3.7.1 Mechanical Features . . . . . . . . . . . . . . . . . . . . . . . . . . . . . . . . . . . . . . . . . . 3-12
3.7.2 Environment . . . . . . . . . . . . . . . . . . . . . . . . . . . . . . . . . . . . . . . . . . . . . . . . 3-12
CHAPTER 4 Installation . . . . . . . . . . . . . . . . . . . . . . . . . . . . . . . . . . . . . . . . . . . . . . . . . . 4-1
4.1 Installation overview . . . . . . . . . . . . . . . . . . . . . . . . . . . . . . . . . . . . . . . . . . 4-1
4.1.1 Installing the WFI device . . . . . . . . . . . . . . . . . . . . . . . . . . . . . . . . . . . . . . . . 4-1
4.1.2 Installing WFI as a line powered router . . . . . . . . . . . . . . . . . . . . . . . . . . . . . 4-1
4.2 Removing the enclosure Lid . . . . . . . . . . . . . . . . . . . . . . . . . . . . . . . . . . . 4-2
4.3 Install the power cable . . . . . . . . . . . . . . . . . . . . . . . . . . . . . . . . . . . . . . . . 4-3
4.4 Install the BPM cable. . . . . . . . . . . . . . . . . . . . . . . . . . . . . . . . . . . . . . . . . . 4-5
4.5 Install the earth cable . . . . . . . . . . . . . . . . . . . . . . . . . . . . . . . . . . . . . . . . . 4-6
4.6 Replacing the Lid. . . . . . . . . . . . . . . . . . . . . . . . . . . . . . . . . . . . . . . . . . . . . 4-8
4.7 Mounting suggestions . . . . . . . . . . . . . . . . . . . . . . . . . . . . . . . . . . . . . . . . 4-9
4.8 Mounting the Antenna. . . . . . . . . . . . . . . . . . . . . . . . . . . . . . . . . . . . . . . . 4-11
CHAPTER 5 Technical Data . . . . . . . . . . . . . . . . . . . . . . . . . . . . . . . . . . . . . . . . . . . . . . . 5-1
5.1 Weights and Dimensions . . . . . . . . . . . . . . . . . . . . . . . . . . . . . . . . . . . . . . 5-1
5.2 Fusing and Power Consumptions . . . . . . . . . . . . . . . . . . . . . . . . . . . . . . . 5-2
5.2.1 Fusing . . . . . . . . . . . . . . . . . . . . . . . . . . . . . . . . . . . . . . . . . . . . . . . . . . . . . . 5-2
5.2.2 Power Consumption . . . . . . . . . . . . . . . . . . . . . . . . . . . . . . . . . . . . . . . . . . . 5-2

General
Part No.: 4417781 Wireless Field Interface
Installation Manual 1 - 1
CHAPTER 1 GENERAL
1.1 Using this installation guide
Wireless Field Interface (WFI) adds wireless capability to the existing
Servo or Radar Gauge by supporting BPM Protocol, Compliance with
ISA100 standards. The Wireless field interface can communicate with
Servo or Radar Gauge through Honeywell Enraf field bus Bi-Phase
Mark, Process the data and forward that information wirelessly to the
OneWireless server compliant with ISA100 standards.
1.2 Related documents
Wireless Field Interface Safety instructions for installation, commis-
sioning, operation, and maintenance
Wireless Field Interface Service Manual
Control drawings for FM and CSA
1.3 Target Audience for this Manual
This manual is intended for engineers and technicians, who are
assigned to install, commission, and service the WFI. Also, all
Honeywell Enraf customers who use wireless devices.
1.4 Contact
Head Office - Delft, The Netherlands
Honeywell Enraf
Delftechpark 39, 2628 XJ Delft
PO Box 812, 2600 AV Delft
The Netherlands
Tel.: +31 (0)15 2701 100
Fax: +31 (0)15 2701 111
E-mail: enraf.helpdesk@honeywell.com
Website: http://www.honeywell.com/ps

Safety
Part No.: 4417781 Wireless Field Interface
Installation Manual 2 - 1
CHAPTER 2 SAFETY
2.1 Safety Conventions
2.1.1 Warnings
The following warning mark is used in this manual to urge attention in
order to prevent personal injuries or dangerous situations, further
described in this document.
2.1.2 Cautions
The following caution mark is used in this manual to urge attention in
order to prevent damages to the equipment, further described in this
document.
2.2 Safety Instructions
2.2.1 General
WARNING! You must strictly follow the safety instructions
mentioned in this manual and the safety instructions
shipped with the WFI device for installation, commis-
sioning, operation, and maintenance, for the safe
operation of the WFI device.
Symbol Description Remark
General warning Will always be explained by text.
Symbol Description
General caution sign
Electrostatic Discharge (ESD) sensitive device

Safety
Wireless Field Interface Part No.: 4417781
2 - 2 Installation Manual
The WFI may be located in explosion safety areas as follows:
2.2.1.1 EC declaration of conformity (for EU)
Refer to the EC declaration of conformity and the ATEX certificate(s),
shipped with the WFI device.
2.2.1.2 Control Drawings for FM and CSA
Refer to the control drawings shipped with the WFI for FM and CSA.
2.2.1.3 Users
The mechanical and electrical installation must be performed only by
trained people with the knowledge of the requirements for installation of
explosion proof equipment in hazardous areas.
The entire installation procedure for the WFI must be implemented in
accordance with national, local, and company regulations.
The entire electrical installation may be performed in accordance with
the national requirements for electrical equipment to be installed in
hazardous areas.
USA (FM) and Canada (CSA) Canada (CSA) Rest of the World
(ATEX / IECEx)
Safety
level Remarks Safety
level Remarks Safety
level Remarks
Class 1,
Division 1
WARNING!
Do NOT open
when an
explosive
atmosphere
may be
present.
Zone 1 WARNING!
Do NOT open
when an
explosive
atmosphere
may be
present.
Zone 1 WARNING!
Do NOT open
when an
explosive
atmosphere
may be
present.
CAUTION!
Seal conduit
within 18
inches.
CAUTION!
Seal conduit
within 18
inches.
Class 1,
Division 2
WARNING!
Do NOT open
when an
explosive
atmosphere
may be
present.
Zone 2 WARNING!
Do NOT open
when an
explosive
atmosphere
may be
present.
Zone 2 WARNING!
Do NOT open
when an
explosive
atmosphere
may be
present.
CAUTION!
Seal conduit
within 18
inches.
CAUTION!
Seal conduit
within 18
inches.
Safe Area -Safe
Zone
-Safe
Zone
-

Safety
Part No.: 4417781 Wireless Field Interface
Installation Manual 2 - 3
NOTE: See EN IEC 60079-14 document for more infor-
mation.
2.2.1.4 Additional information
For additional information about Honeywell Enraf solutions, see the
back cover of this manual to contact Honeywell Enraf or its
representative.
2.2.1.5 Environmental Conditions
The environmental conditions regarding the permissible ambient
temperature for the WFI is -40 °C to +65 °C (-40 °F to +149 °F). The
relative humidity is RH 10 to 95%, non-condensing.
WARNING! Do not open the enclosure when an explosive atmo-
sphere may be present.
2.2.2 Personal Safety
WARNING! In hazardous areas, it is compulsory to use personal
protection and safety gear.
Safety can be achieved by using the following
equipment:
1. Safety helmet
2. Fire-resistive overall
3. Safety shoes
4. Safety glasses
5. Working gloves
6. LEL-meter
Pay attention to the kind of product involved. If there
is any danger to your health, wear a gas mask and
take all the necessary precautions.
WARNING! Take appropriate precautions when chemical or toxic
product vapors are present (compressed air,
chemical protection suit, detection equipment).
2.2.2.1 General
2.2.2.1.1 Repairs and Maintenance
WARNING! Any repairs or parts replacements must be
performed by the manufacturer or its appointed
repair agent.
2.2.2.1.2 Opening of the Device
WARNING! It is forbidden to open the WFI device in an explosive
hazardous environment in power.
WARNING! Treat the flange surface of the cover and the housing
with care.
Keep the flange surface free of dirt.
The O-ring must be present and undamaged.

Safety
Wireless Field Interface Part No.: 4417781
2 - 4 Installation Manual
2.2.2.1.3 Tools
WARNING! Use non-sparking tools and explosion-proof testers.
Use suitable explosion-proof tools (for example,
testing devices).
2.2.2.1.4 Working Environment
WARNING! Avoid generation of static electricity. Make sure the
explosive gas mixtures are not available in the
working area.
2.2.2.1.5 Required Skills
WARNING! The technician must have technical skills to be able
to safely install the WFI device. The technician also
must be trained to work in accordance with the
national requirements for electrical equipment in
hazardous areas.
2.2.2.2 Commissioning
The commissioning of the device is conducted by qualified engineers
trained by Honeywell Enraf and with the knowledge of the (local and
national) requirements for electrical equipment in (potentially) explosive
atmospheres.
2.2.2.3 Maintenance and troubleshooting
If the WFI device does not function accurately, only a qualified service
engineer, trained by Honeywell Enraf and with the knowledge of safety
regulations for working in (potentially) explosive atmospheres are
allowed to repair the WFI device.
2.2.2.4 Grounding
Make sure the housing of the device is properly connected to ground
reference. See FIGURE 4-5 and FIGURE 4-6.
Make sure the electrical resistance of the ground connections is
below the maximum prescribed by local requirements.
2.2.3 Electrical
2.2.3.1 Safety Standards
Do not open the enclosure when an explosive atmosphere may be
present.
The entire electrical installation must be in accordance with the Inter-
national Standard EN IEC 60079-14 for electrical equipment in
hazardous areas. Alternatively as per National Electrical Code
(NFPA70) or Canadian Electrical Code requirements. All electrical
installation is dependant on applicable national and/or local regu-
lations.

Safety
Part No.: 4417781 Wireless Field Interface
Installation Manual 2 - 5
To comply with the IP66/IP67 requirements the stopping plugs,
threaded adaptors, cable glands and their interface with the housing
must also comply with IP66/IP67 requirements.
In order to withstand the explosion pressure the bolts have to be
fastened with a moment 16Nm (13.5 to 17.8 Nm). The bolts are
captured types (property class A2-70 or better) and are not user
replaceable. Contact Honeywell Enraf if you have or even suspect a
need for replacement bolts.
Use only Explosion proof (Ex d) compound cable glands or conduit
seals, (choice between the two is dependent on local requirements).
When using conduit seals, they shall be installed within 18 inches
from the enclosure.
Unused cable entries must be sealed with an approved threaded
stopping plug. Thread type (metric or NPT) and sizes vary; consult
the manual to make absolutely sure that the correct type is placed.
Improper installation of cable glands, conduit or stopping plugs will
invalidate the Ex approval.
Intrinsically safe cabling may only be connected to the outside 5 pin
socket. Connection of non-intrinsically safe signals will invalidate the
approval. The electrical data of the intrinsically safe circuits is to be
taken from the ATEX/IECEx certificate (numbers see below) which is
shipped with the instrument.
Accurate dimensions of the flame-proof joints must be used. Contact
Honeywell Enraf for information regarding the dimensions of the
flame-proof joints.
2.2.3.2 Accordance to Regulations
2.2.3.3 Explosion Safety
2.2.3.4 Compliance to FCC
This device complies with part 15 of the FCC Rules. Operation is
subject to the following two conditions:
1. This device may not cause harmful interference, and
2. This device must accept any interference received, including inter-
ference that may cause undesired operation.
Approval Certificate no. Type of protection identification
ATEX DEKRA 13ATEX0214 X II 2 G Ex d [ia] IIB T6 Gb
Ta = -40 °C ... +65 °C
(-40 °F ... +149 °F)
IECEx IECEx DEK 13.0080X Zone 1
FM Approval pending Class I, Division 1 group C, D T6
CSA 2680197 Class I, Division 1 group C, D T6
Zone 1 Ex d [ia] IIB T6

Safety
Wireless Field Interface Part No.: 4417781
2 - 6 Installation Manual
2.2.3.5 Low-Voltage Directive
The device is suitable for 2006/95/EC.
The applicable standard value is IEC 61010-1 (3rd Edition).
2.2.3.6 Reference of Applicable Standards
Standard Description
ATEX 95 Applicable for manufacturers of equipment used in places
where explosion danger may exist.
IECEx The IECEx System is an International Conformity System
where a Mark of Conformity is granted by approved IECEx
certifiers (ExCBs) located in IECEx participating countries for
equipment that is covered by an IECEx Certificate of Confor-
mity and hence has been tested and manufactured under
systems that are under ongoing surveillance by ExCBs.
FM Factory Mutual Approvals Division
The Factory Mutual Approvals Division determines the safety
and reliability of equipment, materials, or services utilized in
hazardous locations in the United States and elsewhere.
CSA Canadian Standards Association
The standards generated by CSA are the cornerstone for
determining a product's eligibility for certification in
hazardous locations in Canada.

Safety
Part No.: 4417781 Wireless Field Interface
Installation Manual 2 - 7
2.2.3.7 WFI Labels
FIGURE 2-1 Identification labels with Safety note on the WFI

Safety
Wireless Field Interface Part No.: 4417781
2 - 8 Installation Manual
FIGURE 2-2 Identification labels with Safety note on the WFI
NOTE to FM label:
Ta = -40 °F to +149 ºF

Safety
Part No.: 4417781 Wireless Field Interface
Installation Manual 2 - 9
2.3 Liability
The information in this installation guide is the copyright property of
Honeywell International Inc. Honeywell International Inc. disclaims any
responsibility for personal injury or damage to equipment caused by:
Deviation from any of the prescribed procedures.
Execution of activities that are not prescribed.
Neglect of the safety regulations for handling tools and use of elec-
tricity.
The contents, descriptions, and specifications in this manual are subject
to change without notice. Honeywell International Inc. accepts no
responsibility for any errors that may appear in this manual.
Only certified technicians are authorized to make changes to the WFI
configuration. All modifications must be in accordance with the
guidelines as set forth by Honeywell International Inc. Modifications not
authorized by Honeywell International Inc. invalidates the approval
certificates.

Product Description
Part No.: 4417781 Wireless Field Interface
Installation Manual 3 - 1
CHAPTER 3 PRODUCT DESCRIPTION
3.1 Wireless Field Interface
The Wireless Field Interface (WFI) adds a wireless capability an existing
servo or the radar gauge supporting the GPU protocol. This wireless
communication is ISA100 compliant. It consists of multiple electronic
boards, an antenna cable, and a communication antenna. The WFI
communicates with the servo or the radar gauge through the Honeywell
Enraf physical layer, processes the data, and forwards the information
wirelessly to the Wireless Device Manager (WDM). The complete
network including the WFI is based on the ISA100 wireless field device
network.
There are different ways of communication which are as follows:
The protocol tunnel (Engauge and Entis)
Function blocks (Experion integration)
FIGURE 3-1 Wireless Field Interface (WFI)

Product Description
Wireless Field Interface Part No.: 4417781
3 - 2 Installation Manual
3.2 SmartView
The SmartView is the basic tool in which the user can communicate with
the WFI modules. The SmartView can be delivered as a portable tool
and is optional. If you want to use SmartView then you can use a
SmartView board (FII-SMV) as an optional board. WFI has a provision
for an optional board.
FIGURE 3-2 Connecting WFI with Smartview
The SmartView is electrically connected to the Wireless Field Interface
through a cable. The connections to the Wireless Field Interface are
made inside the optional FlexConn module. The cable has four wires, a
shield and an optional a ground wire.
Mount an M20 cable gland to the Standalone SmartView, and connect
the other end to the external display connector located on the WFI
device.
WARNING! Intrinsically safe cabling may only be connected to
the outside 5 pin socket. Connection of non-intrin-
sically safe signals will invalidate the approval. The
electrical data of the intrinsically safe circuits is to be
taken from the ATEX/IECEx certificate (numbers see
below) which is shipped with the instrument. Any
deviation from the recommended FII-SMV cable
routing or Coax Cable routing invalidates the Ex
approvals.

Product Description
Part No.: 4417781 Wireless Field Interface
Installation Manual 3 - 3
3.3 FlexConn Modules
One of the main characteristics of the FlexConn architecture is the
placement flexibility of the FlexConn modules. Inside the enclosure, the
following modules are available.
FII-SMV or optional Module
HCI-1WL
FCM-BPM
CAN-PSX
One end of the terminating resistor is placed on the CAN-PSX module.
The other end is placed on the optional module (FII SMV board), if it is
in use.
FIGURE 3-3 FlexConn CAN bus concept
If an optional board is not used, the other end of the terminating resister
must be placed on the HCI-1WL module (the last module).
FIGURE 3-4 FlexConn CAN bus concept - Without optional board

Product Description
Wireless Field Interface Part No.: 4417781
3 - 4 Installation Manual
The stack of modules are mounted on the DIN Rail and placed vertically
inside the enclosure as shown in FIGURE 3-5.
FIGURE 3-5 FlexConn board sequencing
Module Description
HCI - 1WL Combination of 1WL Main Board, radio board and
Barrier Board
CAN-PSX Generates the power of 15 V DC with auxiliary supply.
FCM-BPM Provides an interface to a BPM based Enraf field bus to
communicate with Servo/Radar Gauge.
FII-SMV Connects the display type SmartView with a standard
CAN bus.
FII-SMV/SPARE
HCI-1WL
FCM-BPM
CAN-PSX
DIN rail

Product Description
Part No.: 4417781 Wireless Field Interface
Installation Manual 3 - 5
3.4 Hardware Structure
3.4.1 Housing
The housing of the WFI device consists of a box and a lid, which can be
removed by loosening 4 captive socket-head screws.
3.4.2 Interior
Within the rugged, sand-casted housing, the printed circuit boards of
the WFI are stacked on a din rail using plastic board-retaining clips.

Product Description
Wireless Field Interface Part No.: 4417781
3 - 6 Installation Manual
3.5 NPT Entries
The WFI has 2 flame proof and explosion proof 1/2’’ NPT entries.
When selecting cable glands or installing conduits, take care to maintain
the IP (Ingress Protection) value. See the type plate on the device.
FIGURE 3-6 WFI NPT entries

Product Description
Part No.: 4417781 Wireless Field Interface
Installation Manual 3 - 7
NOTE: 1/2’’ NPT entries are provided by default. 3/4” NPT
adaptors are provided on order.
FIGURE 3-7 WFI fitted with a 3/4 inch gland adaptors
CAUTION! Only use explosion proof or flame proof certified
materials of an appropriate IP value.
CAUTION! Unused cable entries must be sealed with an
approved threaded stopping plug. Thread type
(metric or NPT) and sizes vary; Improper installation
of cable glands, conduit or stopping plugs will
invalidate the Ex approval. If the SMV connector is
removed or is not factory installed, the entry should
be fitted with an approved flameproof stopping plug.
The temperature
rating of the glands
must be at least 20ºC
[68ºF] above
maximum operating
temperature.
Therefore, a rating of
85°C [185ºF] is
suitable for the entire
temperature range.

Product Description
Wireless Field Interface Part No.: 4417781
3 - 8 Installation Manual
3.6 PCB Details
3.6.1 HCI -1WL board
The HCI-1WL board is used to interface data between a FlexConn
system and the ISA100 network (including the antenna).
The HCI-1WL board occupies a single slot in the FlexConn rail and is a
combination of 1WL Main Board, radio board and Barrier Board.
FIGURE 3-8 HCI-1WL board layout

Product Description
Part No.: 4417781 Wireless Field Interface
Installation Manual 3 - 9
3.6.2 FCM-BPM module
The FCM-BPM module provides an interface to a BPM based Enraf
field bus. It is a communication board that is based on the Flexconn
based radar or servo gauge. See FIGURE 3-8.
FIGURE 3-9 FCM-BPM board layout

Product Description
Wireless Field Interface Part No.: 4417781
3 - 10 Installation Manual
3.6.3 FII-SMV (HMI-TSI)
The FII-SMV (HMI-TSI) module is intended to connect the display type
SmartView with a standard CAN bus. The display is an intrinsic safe
device. The interface module is located within an Ex d enclosure and
provides intrinsic safe circuits for the supply and communication to the
display module. See FIGURE 3-10.
FIGURE 3-10 FII-SMV board layout
The module implements the following functions.
Function Description
Supply 10 V Safe_+ = 10V for the SmartView display module, isolated (Ex cer-
tified)
Ex i parameters:
UO = 14.2 V
IO = 522 mA
PO = 1.7 W
CO = 4.37 μF
LO = 0.25 mH
RS485 RS485 for the SmartView display module, isolated (Ex certified)
Local service Software, processing messages from/to the SmartView display
unit and CAN-BUS
Display interface Software, processing messages from/to the SmartView display
unit and CAN-BUS

Product Description
Part No.: 4417781 Wireless Field Interface
Installation Manual 3 - 11
3.6.4 CAN-PSX module - Power Supply
The CAN Power supply (+15V DC) is intended to power up the
FlexConn modules. See FIGURE 3-11.
FIGURE 3-11 CAN-PSX board layout
The module implements the following specifications.
Item Specification
AC Input Voltage Range 65 V - 240 V AC (+10% to -15%)
Um253 Vac
(refer to IEC 60079-11)
Input Frequency 50 Hz to 60 Hz ±10%
Input Fuse Value 1.25 A
Isolation Voltage 4.3 KV
DC Input Voltage Range 24 V - 65 V DC (+10% to -15%)
Output Voltage 15 V DC ± 4%
Continuous current 1 A

Product Description
Wireless Field Interface Part No.: 4417781
3 - 12 Installation Manual
3.7 Device Features
3.7.1 Mechanical Features
FIGURE 3-12 Mechanical facilities of WFI
3.7.2 Environment
1. Restriction of Hazardous Substances
Parameter WFI
Operating temperature -40 °C ... +65 °C (-40 ºF ... +149 ºF)
Electronics designed -40 °C ... +65 °C (-40 ºF ... +149 ºF)
and
RoHS1
Storage temperature -40 °C ... +65 °C (-40 ºF ... +149 ºF)
Ingress protection IP66 / IP67 / NEMA 4X
229 mm [9.016 inches]
Shaft: 7.50 h13 mm [0.295 h 0.512 inches]
Thread: M10x1.5 g6
Type: ISO 4762
Material: A2 70
Torque: 16 Nm [11.79 lb-ft]
Ø 11 mm (2x)
[0.433 inches]

Installation
Part No.: 4417781 Wireless Field Interface
Installation Manual 4 - 1
CHAPTER 4 INSTALLATION
4.1 Installation overview
4.1.1 Installing the WFI device
Installation of the WFI involves the following steps:
1. Remove the lid
2. Install the power cable
3. Install the BPM cable
4. Install the earth cable
5. Close the lid
6. Mount the WFI device
7. Mount the antenna
4.1.2 Installing WFI as a line powered router
Installing WFI is a line powered router involves the following steps:
1. Remove the lid
2. Install the power cable
3. Install the earth cable
4. Close the lid
5. Mount the WFI device
6. Mount the antenna
These steps are further explained in the following sections.

Installation
Wireless Field Interface Part No.: 4417781
4 - 2 Installation Manual
4.2 Removing the enclosure Lid
1. Remove W&M seal if applicable.
2. Loosen the 4 captive socket-head screws with an 8 mm Allen key.
3. Pull the lid and rotate gently to aid removal.See figure 4-1.
FIGURE 4-1 Removing the WFI lid
4. Make sure the O-ring is in place.
5. Place lid on a clean surface.

Installation
Part No.: 4417781 Wireless Field Interface
Installation Manual 4 - 3
4.3 Install the power cable
The mains input enter the enclosure through a dedicated gland located
at the bottom of the enclosure.
The mains input (Line and Neutral) cable wires terminate on the PSX
module connector. The mains input earth wire terminates on one of the
PE points provided inside the enclosure. From the PE point inside the
enclosure, the PSX gets the PE connection through the wire terminated
on the PSX connector.
FIGURE 4-2 WFI - Mains cable wiring
Mains Input

Installation
Wireless Field Interface Part No.: 4417781
4 - 4 Installation Manual
The Mains or DC input cable must be connected and screwed on CAN-
PSX Module (CN2 - Pin 1 and Pin 2). 3 Ferrite beads must be added on
the mains input line.
The PE (CN2 – Pin No 3) of CAN-PSX module must be connected to
the long ground bolt (provided for internal earth) by using serrated
washers.
NOTE: The power supply can be routed through an external
explosion proof junction box.
The mains and the BPM cable must be assembled with Ferrite tubes.
Slip separate ferrite beads on the mains cable (3 ferrite tubes) and the
BPM cable (2 ferrite tubes). See figure 4-3
FIGURE 4-3 Ferrite tubes mounted on the wires
NOTE: Ferrite tubes are provided (in separate poly-bag)
along with the W&M seal.
Ferrite tube specifications
NOTE: Field wiring can be done directly without removing
the boards and metal bracket which are installed in
the factory.
Parameter Value
Type CST9.5/5.1/15-3S4
External diameter 9.5 +/-0.3 mm
Internal diameter 5.1 +/-0.15mm
Length 14.5 +/-0.45mm

Installation
Part No.: 4417781 Wireless Field Interface
Installation Manual 4 - 5
4.4 Install the BPM cable
The BPM signal lines enter the enclosure through a dedicated gland
located at the bottom of the enclosure.
The BPM signal lines from the servo gauge terminates on the FCM-
BPM module connector.
FIGURE 4-4 WFI - BPM cable wiring
The BPM cable coming from Gauge must be connected and screwed to
CN2 on FCM-BPM Module. 2 Ferrite beads must be added on the BPM
signal line.
The PE (CN2 – Pin No 4) of FCM-BPM module must be connected to
PE mounting stud.
Mains Input
BPM cable

Installation
Wireless Field Interface Part No.: 4417781
4 - 6 Installation Manual
4.5 Install the earth cable
For convenience in connecting or disconnecting internal ground when
all the boards in place, a long stud bolt is provided.
Connect Power Earth cable from PSX, Power Earth Cable from BPM
and the Power Earth cable from SMV, to the long ground bolt by using
serrated washers.
FIGURE 4-5 long Stud bolt for internal earth
One external point is available to connect to the field earth point
FIGURE 4-6 The grounding connections for the WFI
WARNING! Use of both internal and external protected earthing
is required for maintaining explosion safety unless
defined otherwise by national and/or local regu-
lations.

Installation
Part No.: 4417781 Wireless Field Interface
Installation Manual 4 - 7
The long ground bolt must be connected to the external field earth as
shown in figure 4-7
FIGURE 4-7 Connection to external earthing
WARNING! Use a cable gland with the appropriate IP grade. Use
a cable gland which is equipped with a connection for
the ground shield.
Mains Input
BPM cable
Connection to
external earthing
Connection to
earthing

Installation
Wireless Field Interface Part No.: 4417781
4 - 8 Installation Manual
4.6 Replacing the Lid
1. Ensure the O-ring of the lid is in place and not damaged.
2. Ensure the spigot faces are not damaged or contain dirt.
CAUTION! Do NOT apply sealant to faces and minimize the use
of grease!
3. Ensure cables are clear of spigot face when re-inserting the lid.
4. Rotate gently to aid insertion.
5. Mount the 3 captive socket-head screws, and the W&M bolt. W&M
Bolt must be fastened close to the sealing post on Lid cover
6. Tighten the bolts with an 8 mm Allen key. Tighten with 16 Nm.
In order to withstand the explosion pressure the bolts have to be
fastened with a moment 16Nm (13.5 to 17.8 Nm). The bolts are
captured types (property class A2-70 or better) and are not user
replaceable. Contact Honeywell Enraf if you have or even suspect a
need for replacement bolts.

Installation
Part No.: 4417781 Wireless Field Interface
Installation Manual 4 - 9
4.7 Mounting suggestions
The following mounting options can only be considered as suggestions.
You may choose other appropriate mounting options as long as the WFI
communication antenna is always pointing up.
The WFI may be mounted on a pipe railing using a mounting bracket
and M10 socket-head bolts or U-ring bolts. This mounting bracket is
not a part of the WFI product.
FIGURE 4-8 WFI mounted on pipe railing using a mounting bracket
The WFI may also be mounted using a mounting bracket on a flange
using M10 socket-head bolts. This mounting bracket is not a part of
the WFI product.
FIGURE 4-9 WFI mounted on a flange using a mounting bracket

Installation
Wireless Field Interface Part No.: 4417781
4 - 10 Installation Manual
The WFI may be mounted on a 2’’x2’’ square rail, using a mounting
bracket and 2 square U-bolts.
FIGURE 4-10 WFI mounted on a square rail
WFI can also be mounted on a L angle (square) 2’’x2’’ rail, using a
mounting bracket and 2 square U-bolts. A square pipe can be fixed
on the L section rail for uniform mounting.
FIGURE 4-11 WFI mounted on a L angle square rail

Installation
Part No.: 4417781 Wireless Field Interface
Installation Manual 4 - 11
4.8 Mounting the Antenna
The communication antenna is placed on top of the WFI enclosure as
shown in the following figure. 4 dBi and 8 dBi integral antenna’s are
supported in WFI.
FIGURE 4-12 WFI antenna
WARNING! Static electricity explosion hazard: Do not wipe with
dry cloth!
To mount the communication antenna on the WFI device, screw the
communication antenna clockwise on the lightning arrestor. See
FIGURE 4-13.

Installation
Wireless Field Interface Part No.: 4417781
4 - 12 Installation Manual
FIGURE 4-13 Mounting the communication antenna
NOTE: The lightning arrestor protects the electronics
available in the device from damage caused by
lightning. It also protects the device and can be
replaced as a preventive maintenance action. The
preventive maintenance interval depends on the
location, position of the equipment, grounding, and
other protection measures installed.
For more information about the antenna types supported, refer to the
Wireless Field Interface Service Manual.
In case you want to un-mount the antenna, unscrew the existing
communication antenna in a counter-clockwise direction at its base until
the antenna separates from the lightening arrestor.
Communication
antenna
Lightning
arrestor
1
2

Technical Data
Part No.: 4417781 Wireless Field Interface
Installation Manual 1 - 1
CHAPTER 5 TECHNICAL DATA
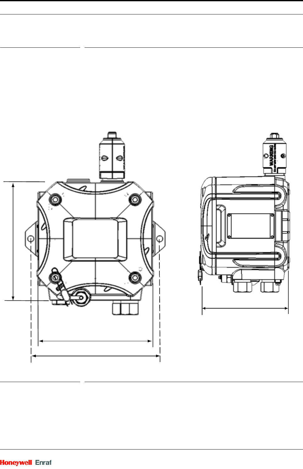
5.1 Weights and Dimensions
Following are the mechanical features of the WFI.
1. An enclosure box with a lid which can be mounted by means of 2 x
M10 socket-head bolts.
2. The width is 206mm (8.11 inches), depth is 169mm (6.654 inches),
and the height is 212 mm (8.346 inches).
FIGURE 5-1 Main dimensions of the WFI in mm [inches]
Weight: Approximately 15 kilograms (529.11 ounces)
206 [8.11]
212 [8.346]
229 [9.016]
169 [6.654]

Technical Data
Wireless Field Interface Part No.: 4417781
1 - 2 Installation Manual
5.2 Fusing and Power Consumptions
5.2.1 Fusing
All fusing is performed internally on the CAN-PSX board (includes a
1.25A, 250V rating fuse). The CAN-PSX module powers the other 3
modules and so no external fusing is required.
NOTE: Fuse is not user replaceable. Contact Honeywell
Enraf you need assistance with the fuse.
5.2.2 Power Consumption
NOTE: Ex certificates are invalidated if the total internal
power dissipation exceeds 12 W.
Typical Maximal
6.4W at 24V/ 230V
I dc = 262mA
I ac = 64.3 mA
7.4W (AC input)
6.48W (DC input)