Honeywell Aquastat L8124A Instruction Manual 95 6571 L8124A,C,E,L And M Aquastat® Relays
2014-12-11
: Honeywell Honeywell-Aquastat-L8124A-Instruction-Manual-120102 honeywell-aquastat-l8124a-instruction-manual-120102 honeywell pdf
Open the PDF directly: View PDF
.
Page Count: 8

® U.S. Registered Trademark
Copyright © 2001 Honeywell • All Rights Reserved
INSTALLATION INSTRUCTIONS
95- 6571- 11
L8124A,C,E,L and M
Aquastat® Relays
APPLICATION
These immersion type controllers are used with forced
hydronic heating systems that include domestic hot water
service. All models provide high limit, low limit and
circulator control. Table 1 lists the various models and
their applications.
These Aquastat® relays have a diaphragm powerhead
and MicroSwitch™ assembly that respond to
temperature changes in the boiler water. L8124 can
provide multizone control by using a separate circulator
and R845 Relay for each zone. L8124E and L have large
transformers and extra terminals for supplying power to
low voltage valves. L8124L includes a large transformer
and extra terminals for low voltage zone valves. L8124M
is for use in a wood-coal/gas-oil multifuel heating system.
Circulator is independently controlled by the thermostat.
Do not use these Aquastat® Relays where the pressure
can exceed 100 psi (690 kPa) on the bulb if inserted
directly or 200 psi (1380 kPa) when using an immersion
well, or where the ambient temperature can exceed
150°F (66°C) at the case or 265°F (129°C) at the sensing
element.
SPECIFICATIONS
Low Limit:
Setting: 110°F to 220°F (43°C to 104°C), adjustable.
Differential: 10°F to 25°F (6°C to 14°C), adjustable.
High Limit:
Setting: 130°F to 240°F (54°C to 116°C), adjustable.
Differential: 10°F (6°C), fixed.
WARNING
Explosion Hazard.
Can cause serious injury, death or property
damage.
Use this product only in systems with a pressure
relief valve.
Table 1. Model Descriptions.
a Multizone control can be provided by using a separate circulator and R845 Relay for each zone.
Model
Number
Burner
Control
Circuit
Can Be Used For
Multizone With
Circulatorsa
No. of V8043 Zone
Valves Powered
Without Additional
Transformer
Electrical Ratings
Burner Circuit Circulator Circuit
L8124A 120V Yes — Same as L8124A,C,L
circulator rating.
120 Vac: 7.4A (full load),
44.4A (locked rotor).
240 Vac: 3.7A (full load),
22.2A (locked rotor).
L8124C
L8124L 3
L8124E 24V 2 1.25A at 24 Vac; 30 VA
(total load) B1-B2, Tv-Z.
L8124M 120V — Same as L8124A. None.

L8124A,C,E,L AND M AQUASTAT® RELAYS
95-6571—11 2
INSTALLATION
When Installing This Product…
1. Read these instructions carefully. Failure to follow
them could damage the product or cause a
hazardous condition.
2. Check the ratings given in the instructions and on
the product to make sure the product is suitable for
your application.
3. Installer must be a trained, experienced service
technician.
4. After installation is complete, check out product
operation as provided in these instructions.
WARNING
Electrical Shock Hazard.
Can cause severe injury, death or equipment
damage.
Disconnect power supply before beginning
installation to prevent electrical shock or
equipment damage.
IMPORTANT
1. Terminals on these Aquastat Relays are
approved for copper wire only.
2. Immersion well must fit sensing element and
bulb must rest against bottom of well.
Bend the tubing, if necessary, to hold the bulb against the
bottom of the well. Do not make a sharp bend in the
tubing. A sharp bend can produce a break in the tubing
and cause loss of fill. This condition will cause the high
and low limit controllers to be continuously made.
Select models have an adjustable capillary length.
See Fig. 1.
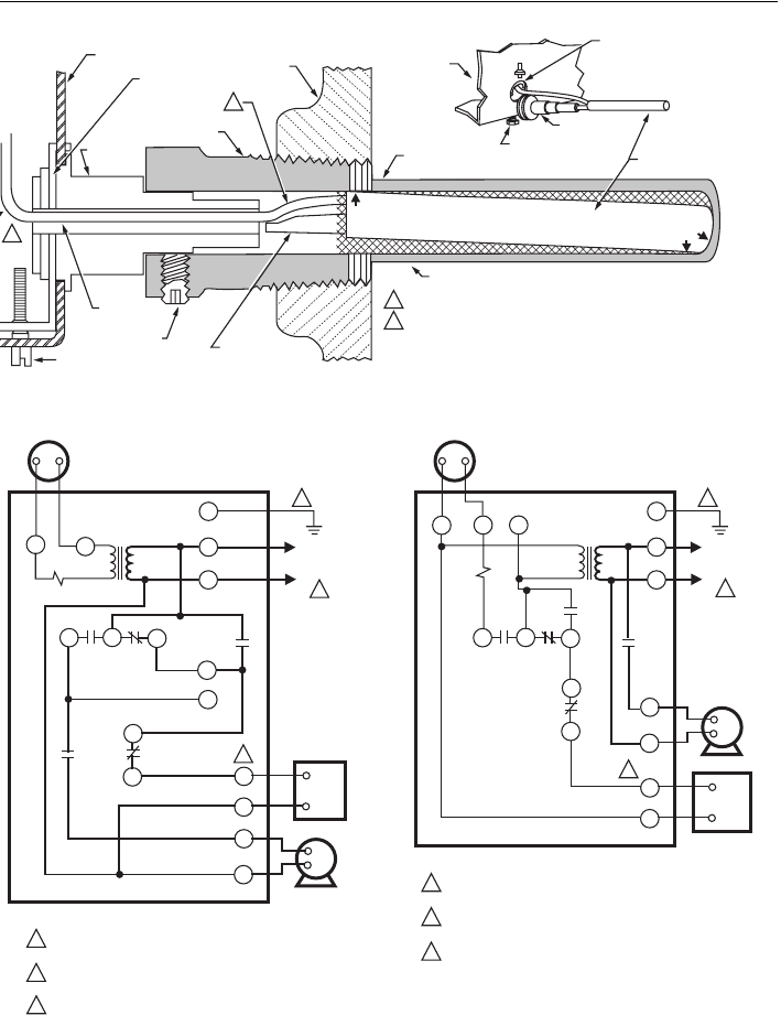
Fig. 1. Adjusting the capillary length.
Mounting
Each relay is suitable for use with an immersion well for
insertion into the boiler. (Check individual OS number
specifications to determine whether a well is supplied
with the relay.) Refer to form 68-0040, Wells and Fittings
for Temperature Controllers, to order well. A compression
fitting is available for applications where direct immersion
of the sensing bulb is desired. A 124904 Well Adapter
(see Fig. 2) can be ordered separately to adapt some
other wells to the mounting clamp. The boiler must be
provided with a tapping that allows horizontal mounting of
the well. It should be located where boiler water of
average temperature can circulate around the well.
1. Turn off all power and drain the boiler.
2. If no tapping is provided, prepare one, properly
sized and threaded, at the selected location.
3. Install the immersion well in the boiler tapping and
tighten securely.
NOTE: Do not use the case as a handle to tighten.
4. Refill boiler and check for water leakage.
5. Loosen but do not remove the clamp screw on
the bottom (L8124A,E) or on top (L8124C,L,M)
of case.
6. Insert the element in the well until it bottoms.
See Fig. 2.
7. Fit the case onto the well so that the clamp on the
case slides over the flange on the well. Securely
tighten clamp screw.
WIRING
WARNING
Electrical Shock Hazard.
Can cause severe injury, death or equipment
damage.
Disconnect power before wiring to prevent
electrical shock or equipment damage.
All wiring must comply with local electrical codes and
ordinances. The limits given in the Specifications section
must not be exceeded when applying this control.
Terminals on these Aquastat Relays are approved for
copper wire only.
Refer to the insert on the inside of the Aquastat Relay
cover or to Table 1 for electrical ratings and maximum
load information. Use manufacturer instructions when
wiring controlled equipment or refer to typical hookups in
Fig. 3 through 11.
WARNING
Explosion Hazard.
Can cause severe injury, death or property
damage.
Use this product only in systems with a pressure
relief valve.
If the B1 terminal on the device being replaced is a 1/4 in.
(6 mm) tab terminal, use the existing wiring harness
terminals to install the replacement device. If the B1
terminal on the device being replaced is a screw
terminal, insert the provided tab terminal to screw
terminal adapter on the 1/4 in. (6 mm) tab terminal of the
replacement device. After the adapter is installed, the
existing wraparound wire end may be reused to make an
electrical connection to the B1 terminal.
M8882
SENSING ELEMENT IS FACTORY FORMED FOR 1.5 IN.
INSULATION WELL ASSEMBLIES.
FOR 3 IN. INSULATION WELL ASSEMBLIES, PULL OUT
SUFFICIENT CAPILLARY TO ASSURE THAT THE CAPSULE
BOTTOMS IN THE WELL.
STRAIGHTEN CAPILLARY SUFFICIENTLY SO IT DOES NOT
INTERFERE WITH INSERTION OF THE CAPSULE INTO THE WELL.
CAUTION:
EXCESSIVE HANDLING OR SHARP BENDS
CAN DAMAGE THE CAPILLARY.
1
2
3
12
3

L8124A,C,E,L AND M AQUASTAT® RELAYS
3 95-6571—11
Fig. 2. Position of bulb in immersion well and use of well adapter when required.
Fig. 3. L8124A,C single zone connections
and internal schematic.
Fig. 4. L8124E single zone connections
and internal schematic.
CONTROLLER
CASE
IMMERSION
WELL CLAMP
ADAPTER
IMMERSION
WELL SPUD
BOILER
OLD IMMERSION
WELL ASSEMBLY
BACK
OF
CONTROLLER
CASE
IMMERSION
WELL CLAMP
SCREW
ADAPTER
SENSING
BULB
HEAT-CONDUCTIVE COMPOUND
SETSCREW
CAPILLARY
TUBE
)
IMMERSION
WELL CLAMP
IMMERSION
WELL CLAMP SCREW
SHORT TUBE
FITS IN CENTRAL
RECESS OF ADAPTER
BEND THE CAPILLARY TUBE TO HOLD THE SENSING BULB IN GOOD
THERMAL CONTACT WITH THE IMMERSION WELL AT POINTS (A) AND (B).
ASSURE THAT CAPILLARY TUBE FITS FREELY IN THE ADAPTER SO THE
TENSION OF THE CAPILLARY TUBE AT POINT (C) HOLDS THE SENSING
BULB IN GOOD THERMAL CONTACT WITH THE IMMERSION WELL AT POINT (
D
M883
1
1
2
2
(D)
(B)
(A)
M8802
L1
(HOT)
L2 1
1
2
2
POWER SUPPLY. PROVIDE DISCONNECT MEANS AND
OVERLOAD PROTECTION AS REQUIRED.
CONTROL CASE MUST BE CONNECTED TO EARTH GROUND.
USE GROUNDING SCREW PROVIDED.
B1 IS 1/4 IN. TAB TERMINAL.
LINE VOLTAGE
OIL BURNER
RELAY OR
GAS VALVE
LINE VOLTAGE
CIRCULATOR
C2
C1
B2
B1
R
B
HIGH
LIMIT
ZC
ZR
1K1
B
R
W
LOW LIMIT/
CIRCULATOR
1K
2
1
G
T
T
L8124A,C
LOW VOLTAGE
THERMOSTAT
1K2 3
3
M8803
L1
(HOT)
L2 1
3
1
2
3
2
POWER SUPPLY. PROVIDE DISCONNECT MEANS AND
OVERLOAD PROTECTION AS REQUIRED.
CONTROL CASE MUST BE CONNECTED TO EARTH GROUND.
USE GROUNDING SCREW PROVIDED.
B1 IS 1/4 IN. TAB TERMINAL.
LOW VOLTAGE
GAS VALVE
(eg, VR8300)
LINE VOLTAGE
CIRCULATOR
C2
C1
B2
B1
R
B
HIGH
LIMIT
Z
1K1
B
R
W
LOW LIMIT/
CIRCULATOR
1K 2
1
G
T
TV
L8124E
LOW VOLTAGE
THERMOSTAT
1K2
TR
TH

L8124A,C,E,L AND M AQUASTAT® RELAYS
95-6571—11 4
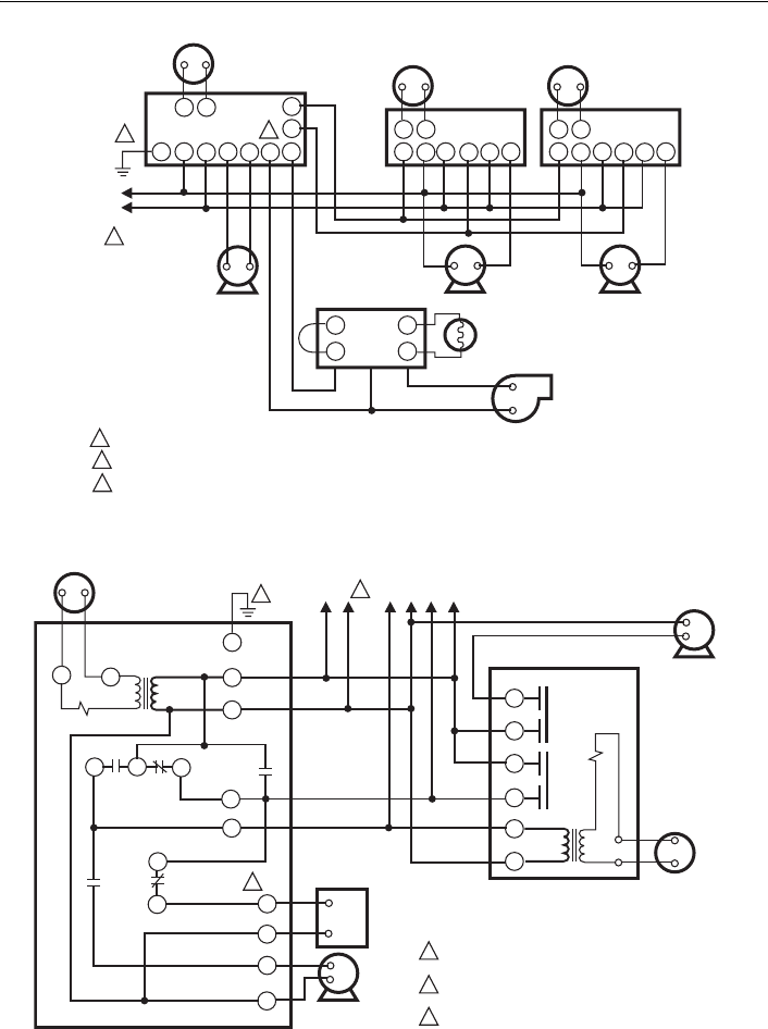
Fig. 5. L8124A in an oil-fired, forced hot water, tankless, zoned, pump system.
Fig. 6. L8124A,C multizone system with circulator connections and internal schematic.
L1
(HOT)
L2
1
23
POWER SUPPLY. PROVIDE DISCONNECT MEANS AND OVERLOAD PROTECTION AS REQUIRED.
CONTROL CASE MUST BE CONNECTED TO EARTH GROUND. USE GROUNDING SCREW PROVIDED.
B1 IS 1/4 IN. TAB TERMINAL.
TT
L2 L1 C1 C2 B2
ZR
ZC
B1
M8822
3
2
BURNER
AND
IGNITION
L8124A
G
T
T
F
F
T87F
TT
123456
T87F
R845 RELAY
R8184
TT
123456
T87F
R845 RELAY
PUMP PUMP PUMP
BLACK
WHITE
ORANGE
C554
1
M8827
L1
(HOT)
L2
1
1
2
3
2
3
POWER SUPPLY. PROVIDE DISCONNECT MEANS AND
OVERLOAD PROTECTION AS REQUIRED.
CONTROL CASE MUST BE CONNECTED TO EARTH
GROUND. USE GROUNDING SCREW PROVIDED.
B1 IS 1/4 IN. TAB TERMINAL.
LINE VOLTAGE
OIL BURNER
RELAY OR
GAS VALVE
LINE VOLTAGE
CIRCULATOR
C2
C1
B2
B1
R
B
HIGH
LIMIT
ZC
ZR
1K1
B
R
W
LOW LIMIT/
CIRCULATOR
1K
2
2
1
4
3
5
6
1
G
T
T
L8124A,C
LOW VOLTAGE
THERMOSTAT
1K2 ZONE 2
LOW VOLTAGE
THERMOSTAT
R845A RELAY ZONE 2
ZONE 2
CIRCULATOR
TO ADDITIONAL
R845A RELAYS
FOR OTHER ZONES

L8124A,C,E,L AND M AQUASTAT® RELAYS
5 95-6571—11
Fig. 7. L8124 multizone system with zone valve
connections and internal schematic.
Fig. 8. L8124E in a 24Vac, gas-fired,
forced hot water, tankless system.
M1795B
L1
(HOT)
L2 1
1
2
3
4
3
2
4
POWER SUPPLY. PROVIDE DISCONNECT MEANS AND
OVERLOAD PROTECTION AS REQUIRED.
UP TO TWO V8043F ZONE VALVES CAN BE POWERED WITH
L8124G,L. ADD ADDITIONAL TRANSFORMER FOR EVERY
TWO OR LESS VALVES.
CONTROL CASE MUST BE CONNECTED TO EARTH GROUND.
USE GROUNDING SCREW PROVIDED.
B1 IS 1/4 IN. TAB TERMINAL.
LINE VOLTAGE
OIL BURNER
RELAY OR
GAS VALVE
LINE VOLTAGE
CIRCULATOR
B2
C2
C1
ZR
B1R
B
HIGH
LIMIT
Z
1K1
B
R
W
LOW LIMIT/
CIRCULATOR
1K
2
1
G
T
TV
L8124G,L
ZONE 1
THERMOSTAT
1K2
V8043F
TH
TR TH TR
ZONE 2
THERMOSTAT
V8043F
TH
TR TH TR
ZC
L1
(HOT)
L2
1
2
3
2
3
1
TH TR
LOW VOLTAGE
GAS VALVE
(eg, VR8300)
L8124E
GL2 L1
C1 C2
TT
B2 B1
T87F
POWER SUPPLY. PROVIDE DISCONNECT MEANS AND
OVERLOAD PROTECTION AS REQUIRED.
CONTROL CASE MUST BE CONNECTED TO EARTH GROUND.
USE GROUNDING SCREW PROVIDED.
B1 IS 1/4 IN. TAB TERMINAL.
CIRCULATOR
M1796A

L8124A,C,E,L AND M AQUASTAT® RELAYS
95-6571—11 6
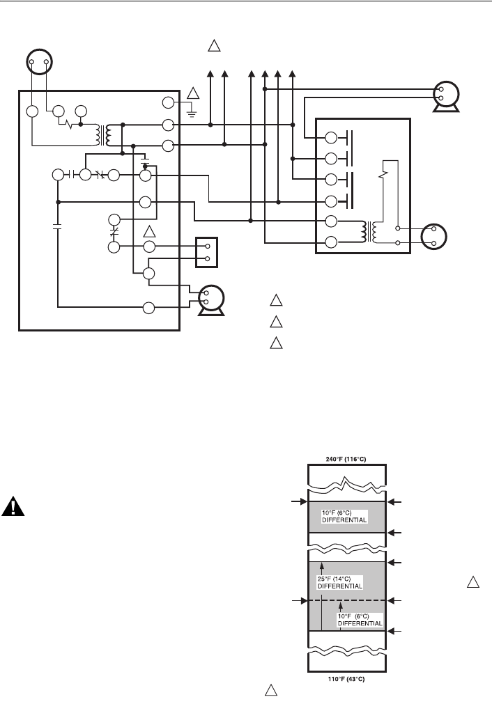
Fig. 9. L8124E in a 24 Vac, gas-fired, forced hot water, tankless, zoned pump system.
Fig. 10. L8124E multizone system with circulator connections and internal schematic.
L1
(HOT)
L2
1
2
3
POWER SUPPLY. PROVIDE DISCONNECT MEANS AND OVERLOAD PROTECTION AS REQUIRED.
CONTROL CASE MUST BE CONNECTED TO EARTH GROUND. USE GROUNDING SCREW PROVIDED.
B1 IS 1/4 IN. TAB TERMINAL.
TT
123456
M1794A
TH
1
2
3
TR
LOW VOLTAGE
GAS VALVE
(eg, VR8300)
L8124E
AQUASTAT® RELAY
GL2 L1
C1 C2
TT
B2 B1
T87F
R845 RELAY
TT
123456
T87F
R845 RELAY
TT
123456
T87F
R845 RELAY
PUMP PUMP PUMP
M8828
L1
(HOT)
L2
1
1
2
3
POWER SUPPLY. PROVIDE DISCONNECT MEANS AND
OVERLOAD PROTECTION AS REQUIRED.
CONTROL CASE MUST BE CONNECTED TO EARTH
GROUND. USE GROUNDING SCREW PROVIDED.
B1 IS 1/4 IN. TAB TERMINAL.
2
1
4
3
5
6
ZONE 1
LOW VOLTAGE
THERMOSTAT
R845A RELAY ZONE 1
ZONE 1
CIRCULATOR
TO ADDITIONAL
R845A RELAYS
FOR OTHER ZONES
2
3
LOW VOLTAGE
GAS VALVE (eg, VR8300)
C2
C1
B2
B1
R
B
HIGH
LIMIT
Z
1K1
B
R
W
LOW LIMIT/
CIRCULATOR
1K 2
1
G
T
TV
L8124E
1K2
TR
TH
THTR

L8124A,C,E,L AND M AQUASTAT® RELAYS
7 95-6571—11
Fig. 11. L8124L multizone system with circulator connections and internal schematic.
OPERATION
High Limit Controller
The high limit opens and turns off the burner when the
water temperature reaches the setpoint. The high limit
automatically resets after the water temperature drops
past the setpoint and through the 10°F (6°C) differential.
WARNING
Explosion Hazard.
Can cause serious injury, death or equipment
damage.
Use this product only in systems with a pressure
relief valve.
Low Limit and Circulator Controllers
On a temperature rise, with the adjustable differential at
the minimum setting of 10°F (6°C), the burner circuit
(R-B) breaks and the circulator circuit (R-W) makes at
the control setpoint. On a temperature drop of 10°F (6°C)
below the setpoint, the R-B circuit makes and the R-W
circuit breaks. See Fig. 12.
At any differential setting greater than 10°F (6°C), the
R-B make temperature and the R-W break temperature
remain the same (control setting minus 10°F [6°C]). The
R-B break and R-W make temperature are the setpoint
temperature plus the difference between the differential
setting and 10°F (6°C).
EXAMPLE: Setpoint of 140°F (60°C), differential set
at 25°F (14°C). On a temperature rise, R-B breaks
and R-W makes at 155°F (68°C). On a temperature
fall, R-B makes and R-W breaks at 130°F (54°C).
Fig. 12. Relationship of setpoints and differential.
M8829
L1
(HOT)
L2
1
3
1
2
3
2
POWER SUPPLY. PROVIDE DISCONNECT MEANS AND
OVERLOAD PROTECTION AS REQUIRED.
CONTROL CASE MUST BE CONNECTED TO EARTH
GROUND. USE GROUNDING SCREW PROVIDED.
B1 IS 1/4 IN. TAB TERMINAL.
2
1
4
3
5
6
LOW VOLTAGE
THERMOSTAT
ZONE 1
ZONE 2
LOW VOLTAGE
THERMOSTAT
R845A RELAY ZONE 2
ZONE 2
CIRCULATOR
TO ADDITIONAL
R845A RELAYS
FOR OTHER ZONES
LINE VOLTAGE
OIL BURNER
RELAY OR
GAS VALVE
LINE VOLTAGE
CIRCULATOR
ZONE 1
B2
C2
C1
ZR
B1R
B
HIGH
LIMIT
Z
1K1
B
R
W
LOW LIMIT/
CIRCULATOR
1K
2
1
G
T
TV
L8124L
1K2
ZC
LOW LIMIT
AND
CIRCULATOR
SETTING
HIGH LIMIT
SETTING
SWITCH BREAKS ON
TEMPERATURE RISE.
BURNER TURNS OFF.
CIRCULATOR OPERATES
ON A CALL FOR HEAT.
SWITCH MAKES ON
TEMPERATURE FALL.
BURNER OPERATES ON A
CALL FOR HEAT.
SWITCH MAKES R-W
AND BREAKS R-B ON
TEMPERATURE RISE.
SWITCH MAKES R-B AND
BREAKS R-W ON
TEMPERATURE FALL.
BURNER IS ON TO
MAINTAIN MINIMUM
WATER TEMPERATURE.
CIRCULATOR IS OFF.
M1523
SWITCH MAKES R-W
AND BREAKS R-B ON
TEMPERATURE RISE.
WHEN WATER REACHES PROPER TEMPERATURE, THE BURNER
SHUTS OFF OR THE CIRCULATOR PUMP STARTS (WHEN CALLING
FOR HEAT).
1
1

95-6571—11 G.R. Rev. 12-01 www.honeywell.com
L8124A,C,E,L AND M AQUASTAT® RELAYS
Automation and Control SolutionsAutomation and Control Solutions
Honeywell Honeywell Limited-Honeywell Limitée
1985 Douglas Drive North 35 Dynamic Drive
Golden Valley, MN 55422 Scarborough, Ontario
M1V 4Z9
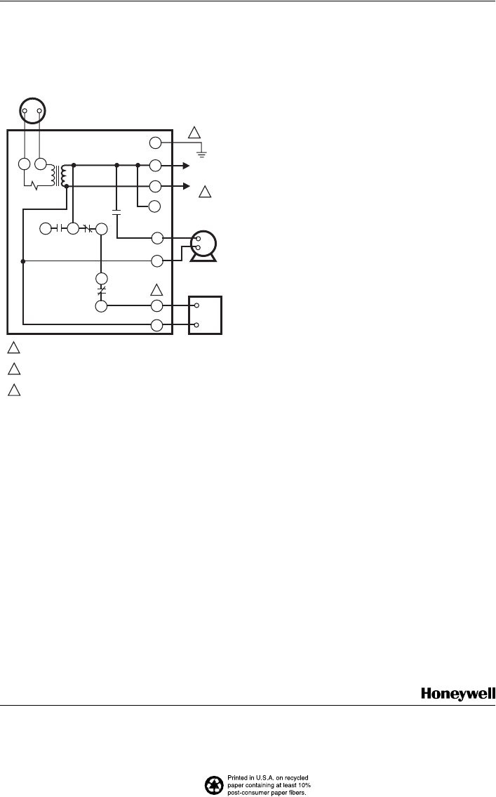
On the L8124M, the burner and circulator circuits are
separately controlled; the low limit controls the burner
circuit (R-B) as described above, while the low voltage
thermostat directly controls the circulator circuit.
See Fig. 13.
Fig. 13. L8124M single zone connections
and internal schematic.
SETTING
Follow the boiler manufacturer recommendations when
making the L8124 settings. The high limit setting must be
at least 20°F (11°C) higher than the low limit setting. Set
the indicators over the selected temperature marks. The
low limit differential is set by turning the differential
adjustment knob to the desired amount of differential.
The thermostat heat anticipator should be set at 2.0A.
CHECKOUT
Put the system into operation and observe each function
through at least one complete cycle. Be sure the control
operates as intended.
M8804
L1
(HOT)
L2 1
3
1
2
3
2
POWER SUPPLY. PROVIDE DISCONNECT MEANS
AND OVERLOAD PROTECTION AS REQUIRED.
CONTROL CASE MUST BE CONNECTED TO EARTH
GROUND. USE GROUNDING SCREW PROVIDED.
B1 IS 1/4 IN. TAB TERMINAL.
LINE VOLTAGE
OIL BURNER
RELAY OR
GAS VALVE
LINE VOLTAGE
CIRCULATOR
C2
C1
B2
B1
R
B
HIGH
LIMIT
ZC
1K1
B
R
W
LOW LIMIT
1K
L2
L1
G
TT
L8124M
LOW VOLTAGE
THERMOSTAT