Honeywell Boiler L91B Users Manual 60 2152_B
L91B to the manual d0d457b7-6e6f-4b35-aeaf-4c6be2c8f713
2015-01-23
: Honeywell Honeywell-Honeywell-Boiler-L91B-Users-Manual-261160 honeywell-honeywell-boiler-l91b-users-manual-261160 honeywell pdf
Open the PDF directly: View PDF
.
Page Count: 12

PRODUCT DATA
Put UPC Code Here
60-2152—08
L91A,B,D Proportioning
Pressuretrol® Controllers
APPLICATION
L91 Proportioning Pressuretrol® Controllers are Series 90
Modulating Pressure Controllers that provide direct control of
modulating motors or valves used on automatic burners or
steam heating systems.
FEATURES
• Models available for pressure systems up to 300 psi
(2068 kPa).
• May be used with steam, air, noncombustible gases, or
other fluids noncorrosive to brass or phos-bronze (300
psi model) bellows.
• When used with steam boilers, a steam trap (siphon
loop) is recommended.
• Wiper on controller potentiometer moves in response
to pressure changes.
• L91D has two potentiometers for unison control of two
motors.
• L91B,D models have adjustable proportioning
(throttling) range to allow selection of desired
pressure control range.
• Adjustments made with screws on case top.
• Large, easily-read scaleplates in both U.S. customary
(oz/sq. in., psi, or in. Hg) and metric (kPa, MPa, or mm
Hg) units.
• Steel case with clear plastic cover to observe pressure
settings and potentiometer action.
• Fitting with 1/4 -18 NPT threads allows rapid
installation.
• Surface mount with screws through knockout holes in
case back.
Contents
Application 1
Features 1
Specifications 2
Installation 5
Wiring 6
Checkout 8
Service Information 9

L91A,B,D PROPORTIONING PRESSURETROL® CONTROLLERS
60-2152—08 2
ORDERING INFORMATION
When purchasing replacement and modernization products from your TRADELINE® wholesaler or distributor, refer to the
TRADELINE® Catalog or price sheets for complete ordering number.
If you have additional questions, need further information, or would like to comment on our products or services, please write or
phone:
1. Your local Honeywell Automation and Control Products Sales Office (check white pages of your phone directory).
2. Honeywell Customer Care
1885 Douglas Drive North
Minneapolis, Minnesota 55422-4386
In Canada—Honeywell Limited/Honeywell Limitée, 35 Dynamic Drive, Toronto, Ontario M1V 4Z9.
International Sales and Service Offices in all principal cities of the world. Manufacturing in Australia, Canada, Finland, France,
Germany, Japan, Mexico, Netherlands, Spain, Taiwan, United Kingdom, U.S.A.
SPECIFICATIONS
Models (Table 1):
L91A: Single potentiometer; nonadjustable proportioning
range.
L91B: Single potentiometer; adjustable proportioning range.
L91D: Two potentiometers allow unison control of motors;
adjustable proportioning range.
Electrical Rating: 24 Vac.
Potentiometer Action: Wiper moves toward W on pressure
rise, toward B on pressure fall. Potentiometer is field
replaceable.
Potentiometer Resistance: 140 ohms (nominal) for L91A, B,
and D models.
Pressure Sensing Element: Brass bellows, 10-300 psi
models phos-bronze bellows.
Minimum Ambient Temperature: 32° F (0° C)
Maximum Ambient Temperature: 150° F (66° C)
Adjustment Means: Screws on controller case top; knurled
knob for main scale setting on 10 to 300 psi (0.07 to 2.07
MPa) models.
Setpoint: At low pressure end of proportioning (throttling)
range.
Main Scaleplate: Marked in both U.S. customary (oz/sq. in,
psi, or in. Hg) and metric (kPa, MPa, or mm Hg) units.
Proportioning Range Scaleplate (L91B,D only): Gradu-
ated from A to F with a MIN (minimum) value below A.
(See Table 2 for the value of each division.)
Mounting Means: Fitting on bellows has 1/4 - 18 NPT
threads (external on 0 to 16 oz/sq. in., 0 to 4 psi, and 0 to
15 psi models; internal on all other models) for mounting on
a pipe or steam trap (siphon loop).
NOTE: Some models are available with 1/4 - 19 BSP-TR
internal threads; see Table 1.
Also can be surface mounted by screws through two knockout
holes in case back.
Table 1. Models available.
Operating RangesaProportioning (Throttling) Range at Midscale
Maximum Surge
Pressure
Model
U. S.
Customary
Units Metric Units
Potentiometer
Part No.bAdjustable
U. S.
Customary
Units Metric Units psi kPa
L91A 0 to 15 psi 0 to 103 kPa 23176CB No 0.5 psi 3.4 kPa 25 172
5 to 150 psi 0.03 to 1.03 MPa 23176CB No 5 psi 0.03 MPa 225 1551
10 to 300 psib0.07 to 2.07 MPa 23176CB No 12 psi 0.08 MPa 350 2413
L91B 0 to 15 psi 0 to 103 kPa 23176CF Yes 1.5 to 12 psi 10 to 83 kPa 25 172
5 to 150 psic0.03 to 1.03 MPa 23176CB Yes 5 to 23 psi 35 to 160 kPa 225 1551
10 to 300 psic0.07 to 2.07 MPa 23176CB Yes 12 to 48 psi 85 to 330 kPa 350 2413
10 to 300 psi 0.07 to 2.07 MPa 23176CF Yes 30 to 110 psi 0.21 to 0.76 MPa 350 2413
L91D 0 to 15 psi 0 to 103 kPa 23176CF Yes 1.5 to 12 psi 10 to 83 kPa 25 172
5 to 150 psic0.03 to 1.03 MPa 23176CF Yes 13 to 52 psi 0.09 to 0.36 MPa 225 1551
10 to 300 psic0.07 to 2.07 MPa 23176CF Yes 30 to 110 psi 0.21 to 0.76 MPa 350 2413

L91A,B,D PROPORTIONING PRESSURETROL® CONTROLLERS
360-2152—08
Electrical Connections: Internal screw terminals. Hole inside
of case for 1/2 in. conduit.
Dimensions: See Fig. 1; see Fig. 2 for mounting steam trap
(siphon loop).
Weight: 1 lb, 15 oz (0.88 kg).
Finish: Gray.
Replacement Parts:
129178 Thermoplastic Cover.
23176CB Potentiometer: For all L91A models and a few L91B
models (see Table 1); 140 ohms (nominal); length of active
winding is 7/64 in. (2.8 mm).
23176CF Potentiometer: For all L91D models and most L91B
models (see Table 1); 140 ohms (nominal); length of active
winding is 1/4 in. (6.4 mm).
Accessories:
50024585-001 Steam Trap (siphon loop): 1/4 in. brass pipe
with 1/4 -18 NPT external threads on both ends.
14026 Steam Trap (siphon loop): 1/4 in. steel pipe with 1/4 -18
NPT external threads on both ends.
33312B Knurled Adjustment Knob: With setscrew; fits on main
scale pressure adjusting screw.
4074BWJ Limit Stop Assembly: To limit setpoint ranges;
includes 129564 Range Stop 107194 Range Stop Screw,
and 23466 Wrench.
Table 2. Approximate value of each division (A to B, B to C, etc.) on proportioning
(throttling) range scaleplate (L91B,D,F only)
Operating Range Value of Each Division
U.S. Customary Units Metric Units
U.S. Customary
Units Metric Units
0 to 10 oz/sq in. 0 to 7 kPa 6.2 oz/ sq in. 2.7 kPa
0 to 15 psi 0 to 103 kPa 1.8 psi 12.4 kPa
5 to 150 psi (L91B) 0.03 to 1.03 MPa 7.8 psi 0.054 MPa
5 to 150 psi (L91D) 0.03 to 1.03 MPa 6.7 psi 0.046 MPa
10 to 300 psi (L91B with 7/64 in. potentiometer) 0.07 to 2.07 MPa 16.4 psi 0.113 MPa
10 to 300 psi (L91B,D with 1/4 in. potentiometer) 0.07 to 2.07 MPa 13.8 psi 0.095 MPa

L91A,B,D PROPORTIONING PRESSURETROL® CONTROLLERS
60-2152—08 4
Fig. 1. Mounting dimensions of the L91 Proportional Pressuretrol® Controllers, in in. (mm).
M29781
L91A,B,D
ALL OTHER
MODELS
10 TO 300 PSI
0 TO 15 PSI
0 TO 16 OZ/IN 2
1/4-18 NPT
DIM A (SEE TABULATION TABLE) DIM B (SEE
TABULATION
TABLE)
DIM C (SEE
TABULATION
TABLE)
1
2
2
34
1
2
3
4
4-1/2 (114.3) (COVER)
(110.3) (CASE)
(98.8)
3-57/64
3-13/32 (86.5)
(29.4)
(27.8)
(46.0)
(53.5)
(69.9)
(30.2)
1-1/16
1-3/16
(27.0)
(98.4)
(22.2)
4-11/32
(52.8)
(94.5)
(2)
EXTERNAL THREADS ON 0 TO 15 PSI MODELS; INTERNAL THREADS ON ALL OTHER MODELS.
SOME MODELS ARE ALSO AVAILABLE WITH 1/4-19 BSP-TR INTERNAL THREADS; SEE TABLE 1.
PROPORTIONING RANGE ADJUSTING SCREW ON L91B,D MODELS ONLY.
33312B KNURLED ADJUSTMENT SCREW KNOB, 7/8 IN. [22.2 MM] DIAMETER,. KNOB IS INCLUDED WITH 10 TO 300 PSI [0.07 TO .07 MPa] MODELS;
OPTIONAL ACCESSORY FOR OTHER MODELS.
FOR 10 TO 300 PSI [0.07 TO 2.07 MPa] MODELS. DIM C INCLUDES THE KNURLED ADJUSTMENT KNOB.
TABULATION OF DIMENSIONS A, B, AND C
OPERATING RANGE DIM A DIM B DIM C
CUSTOMARY UNITS METRIC UNITS IN. MM IN. MM IN. MM
0 TO 15 PSI
5 TO 150 PSI
10 TO 300 PSI
0 TO 103 kPa
0.03 TO 1.03 MPa
0.07 to 2.07 MPa
2-7/16
1-5/8
1-1/4
61.9
41.3
31.8
1-7/32
13/16
5/8
31.0
20.6
15.9
6-7/8
5-3/4
6-1/16
174.6
146.1
154.0
1-5/32
1-3/32
1-13/16
2-1/8
3-7/8
2-3/4
7/8
2-5/64
3-23/32
13/16
(20.1)
1-1/16
(27.0)
44

L91A,B,D PROPORTIONING PRESSURETROL® CONTROLLERS
560-2152—08
INSTALLATION
When Installing This Product...
1. Read these instructions carefully. Failure to follow them
could damage the product or cause a hazardous
condition.
2. Check the ratings given in the instructions and on the
product to make sure the product is suitable for your
application.
3. Installer must be a trained, experienced service
technician.
4. After installation is complete, check out product opera-
tion as provided in these instructions.
WARNING
Electrical Shock Hazard.
Can cause severe injury, death or property damage.
1. Disconnect power supply before beginning
installation to prevent electrical shock and
equipment damage.
2. When using the controller with a compressor, install
a dampening device (such as a needle valve,
header, or surge tank) to dampen pulsations that can
damage the controller or reduce its life.
IMPORTANT
1. Locate the controller where the ambient temperature
will not exceed 150° F (66° C).
2. When the controller is used on a boiler, be sure to
connect a steam trap (siphon loop) between the
controller and the boiler.
3. Before installing controller, be sure the siphon loop
has enough water in it to fill lower trap.
4. Use pipe compound sparingly to avoid clogging the
hole in the pipe or bellows fitting.
5. Do not tighten the controller by hand by holding onto
the case and turning it.
Location and Mounting
When used with steam boilers, always mount the controller
above the water line in the boiler. A steam trap (siphon loop)
must always be connected between the controller and the
boiler (Fig. 2) to prevent boiler scale and corrosive vapors from
attacking the bellows. Before installing controller, be sure the
siphon loop has enough water in it to fill lower trap.
The controller can be mounted (1) beside the pressure gauge,
(2) in a fitting on the boiler provided by the manufacturer, or (3)
at a remote location in case of excessive vibration.
Make all pipe connections in accordance with approved
standards. Use only a small amount of pipe compound to seal
the connection joints. Excess pipe compound may clog the
small hole in the fitting and prevent the controller from
operating properly.
To avoid leaks and damage to the case, use a parallel jaw
wrench on the controller fitting. Do not tighten the controller by
hand by holding onto the case and turning it.
Fig. 2. Approximate dimensions in in. (mm) for mounting
L91 Pressuretrol® Controller beside Pressure Gauge on
Steam Trap (Siphon Loop).
Mounting Beside a Pressure Gauge
To mount the controller beside a pressure gauge (Fig. 2),
remove the gauge. In its place, install a steam trap (siphon
loop) with a tee on top. Using elbows and pipe nipples, mount
the controller and pressure gauge on the ends of the tee.
Mounting on a Boiler
If it is not convenient to mount the controller beside the
pressure gauge, install a steam trap (siphon loop) in the fitting
provided by the boiler manufacturer. If there is no fitting, mount
the steam trap at a location recommended by the boiler
manufacturer. Screw the controller directly to the steam trap, if
possible.
Mounting at a Remote Location
If there is excessive vibration at the boiler that may adversely
affect the operation of the controller, mount the controller at a
remote location. All piping from the boiler must be suitable and
solidly mounted. The piping must be properly pitched to drain
all condensation back to the boiler. If this causes the controller
to be located at an inconvenient height (on large boilers), it
may be mounted at a lower level if the connecting piping is
filled with clean water. A steam trap (siphon loop) must be
mounted between the remote piping and the controller.
PRESSURETOL
4-1/2 (114) TO
5-1/2 (140)
BOILER
STEAM TRAP
(SIPHON LOOP)
TEE
PRESSURE
GAUGE
L91
PRESSURETROL
CONTROLLER
M23884
2
1
1
2
50024585-001 STEAM TRAP IS A 1/4 IN. BRASS PIPE WITH
1/4 - 18 NPT EXTERNAL TRHEADS ON BOTH ENDS.
FITTING ON BELLOWS HAS 1/4-18 NPT EXTERNAL THREADS
ON 0 TO 16 OZ/SQ. IN. AND 0 TO 15 PSI MODELS; INTERNAL
THREADS ON ALL OTHER MODELS. SOME MODELS ARE
ALSO AVAILABLE WITH 1/4-19 BSP-TR INTERNAL THREADS;
SEE TABLE 1.

L91A,B,D PROPORTIONING PRESSURETROL® CONTROLLERS
60-2152—08 6
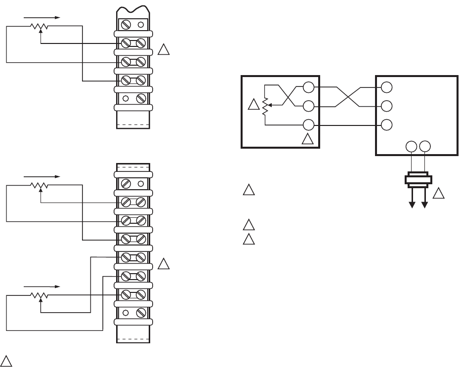
Fig. 3. L91 terminal blocks and internal schematics.
WIRING
1. Disconnect power supply before beginning installation to
prevent electric shock and equipment damage. All wiring
must comply with applicable electrical codes,
ordinances, and regulations. Use NEC Class 1 (line
voltage) wiring.
2. For normal installation, use moisture-resistant No. 14
wire suitable for at least 167°F (75°C) if you are using
the controller with a flame safeguard primary control, or
at least 194°F (90°C) if you are using it with a program-
ming control.
3. For high temperature installations, use moisture-
resistant No. 14 wire, selected for a temperature rating
above the maximum operating temperature.
4. Disconnect the power supply before beginning wiring to
prevent electrical shock and equipment damage.
5. All models have a terminal block inside the cover (Fig. 3)
and two 7/8 in. (22.2 mm) holes in one side for 1/2 in.
conduit, cable, or wires. Remove the front cover by loos-
ening the screw at the bottom of the scaleplate.
6. Refer to Fig. 4 for typical hookup. W and B connections
may be interchanged at the motor for reverse action
(cooling). Follow the burner or boiler manufacturer’s
wiring diagram if provided. Also refer to the wiring
diagrams in the motor instructions.
7. Replace the front cover when wiring is completed.
Fig. 4. Hookup of L91 Proportioning Pressuretrol®
Controller to Series 90 Modulating Motor.
Setting
In all models, the proportioning range (also called throttling
range) extends above the main scale setpoint (Fig. 5). The
proportioning range is fixed on L91A models, but is adjustable
on L91B,D models. (For values, refer to Table 1 in the
Specifications section.)
Main Scale Set Point (All models)
Adjust the main scale setpoint for the desired operating
pressure by turning the main scale adjusting screw (Fig. 7) or
knurled adjustment knob on 10 to 300 psi (0.07 to 2.07 MPa)
models, on the top of the case, until the main scale setting
indicator is at the minimum pressure desired. The
proportioning range extends above this value. The scaleplate
is marked in both customary (oz/sq in., psi, or in. Hg) and
metric (kPa, MPa, or mm Hg) units.
Use of L91 Proportioning Controller with
Limit Controllers
The L91 main scale setpoint plus the value of the differential
(proportioning range) must be less than or equal to the limit
controller’s (L404) main scale setpoint.
For example, to control system pressure between 70 and 80
psi: select an L91B, 5-150 psi operating range, adjustable
differential (proportioning, throttling range) of 5 to 23 psi and an
L404A, 10-150 psi, adjustable differential of 8 to 16 psi. Set the
L404A main scale setpoint at 80 psi and its adjustable
differential at 10 psi. The L404A settings will then provide boiler
pressure limit control between 70 and 80 psi. An L91B
differential (proportioning range) pressure of 5 psi is desired.
Therefore, an L91B main scale setpoint of between 70 and 75
psi is required (L91 main scale setpoint plus its differential
must be less than or equal to the limit controller main scale set
M8522A
L91A,B
R
W
B
ACTION ON
PRESSURE FALL
WB
1
L91D
R
W
B
R
W
B
ACTION ON
PRESSURE FALL
WB
1
1
ACTION ON
PRESSURE FALL
WB
TERMINALS ARE LABELED.
FRONT POTENTIOMETER
REAR POTENTIOMETER
M8520A
(HOT) L1 L2
3
1
2
3
2
1
R
W
B
W1
R1
B1
T1 T2
L91 PROPORTIONING
CONTROLLER
SERIES 90
MODULATING MOTOR
CLOSED
(LOW FIRE)
OPEN
(HIGH FIRE)
M9484
M9494
TRANSFORMER
WIPER MOVES TOWARD W END OF
POTENTIOMETER ON PRESSURE RISE,
AND TOWARD B END ON
PRESSURE FALL.
TERMINALS ARE LABELED.
POWER SUPPLY. PROVIDE DISCONNECT MEANS AND
OVERLOAD PROTECTION AS REQUIRED.

L91A,B,D PROPORTIONING PRESSURETROL® CONTROLLERS
760-2152—08
point). The L91B settings provide system modulation between
70 and 75 psi or between 75 and 80 psi, depending on the
exact setting of the L91B main scale setpoint.
Due to device tolerances, the scaleplate settings are
approximate and, therefore, the settings should be fine-tuned
with the system operating.
Proportioning Range (L91B,D Only)
Adjust the proportioning range (throttling range) by turning the
proportioning range adjusting screw (Fig. 6) on the top of the
case until the proportioning range setting indicator is at the
desired value. The proportioning range scale is graduated from
A to F with a MIN (minimum) value below A. The value of each
division depends on the operating range of the controller. Refer
to Table 2 in the Specifications section.
Typical Operation
Pressure variations cause the bellows to expand or contract.
Linkage between the bellows and the potentiometer wiper
causes the wiper to move across the potentiometer windings.
This varies the resistance between R and B, and between R
and W, causing an unbalance in the circuit connected to the
controller. See Fig 7.
Fig. 5. L91A,B,D operating points.
Fig. 6. Setting L91 Proportioning Pressuretrol® Controller.
A proportioning controller is used most often to regulate the
firing rate of a burner by controlling a modulating motor (Fig. 4)
or a modulating valve. The controller potentiometer, the
feedback potentiometer in the motor (or in the valve actuator),
and a balancing relay in the motor (or actuator) form an electric
bridge circuit. As long as the pressure of the controlled medium
remains at the setpoint of the controller, the circuit is balanced;
that is, equal the relay contacts are open. When the circuit is
balanced, the motor (or actuator) does not run.
If the pressure of the medium rises, the wiper in the controller
moves toward W. This unbalances the circuit, so a larger
current flows through one side of the balancing relay. The
close contacts in the relay make, causing the motor (or valve
actuator) to drive toward its closed position. As the motor (or
actuator) runs, the wiper on the feedback potentiometer moves
in a direction to balance the circuit. When the circuit is again in
balance, the balancing relay contacts open and the motor (or
actuator) stops. The valves and dampers connected to the
motor or actuator will be partially closed, decreasing the firing
rate and reducing the pressure.
Similarly, if the pressure of the controlled medium falls, the
wiper on the controller potentiometer moves toward B, and the
open contacts in the balancing relay make. The motor (or
actuator) drives toward its open position until circuit balance is
achieved. The valves and dampers will be opened wider and
the firing rate will increase, thus increasing the pressure.
A small change in the pressure of the controlled medium will
cause a change in the firing rate to compensate for it, thus
keeping the pressure constant. This process is called
modulation.
M8519A
1
1
2
2
PROPORTIONING
RANGE
(WIPER)
POTENTIOMTER
LOW-FIRE
(CLOSED)
HIGH-FIRE
(OPEN)
MAIN SCALE
SETPOINT
B
W
R
PRESSURE
RISE
FIXED ON L91A; ADJUSTABLE ON L91B,D.
L91D HAS TWO POTENTIOMETERS OPERATING IN UNISION.
M8525
PROPORTIONING RANGE
ADJUSTING SCREW (L91B,D ONLY)
CONTROLLER
POTENTIOMETER
MAIN SCALE
ADJUSTING
SCREW
WIPER ARM(S)
PROPORTIONING
RANGE
SCALEPLATE
(L19B,D ONLY)
PROPORTIONING
RANGE SETTING
INDICATOR
(L91B,D ONLY)
TERMINAL BLOCK
BELLOWS
HOUSING
MAIN
SCALEPLATE
MAIN SCALE
SETTING
INDICATOR
1 KNURLED ADJUSTMENT KNOB ON 10 TO 300 PSI
[0.07 TO 2.07 MPa] MODELS.
1

L91A,B,D PROPORTIONING PRESSURETROL® CONTROLLERS
60-2152—08 8
CHECKOUT
After the controller is installed, wired, and set, it should be
tested with the system in operation. First, allow the system to
stabilize. Then, observe the operation of the controller while
raising and lowering its setpoint. Pressure should increase
when the setpoint is raised and decrease when the setpoint is
lowered. Use accurate pressure testing equipment when
checking out the controller. Do not rely on inexpensive gauges.
The controllers are carefully calibrated at the factory.
Make sure the modulating motor or modulating valve actuator
reaches the low- and high-fire positions at the proper points. If
the motor or actuator runs in the proper direction when the
setpoint is adjusted, assume that the controller is operating
properly. If it runs in the wrong direction, reverse the B and W
wires. Observe the action of the motor or actuator until it
stabilizes. If the motor or valve is moving constantly, widen the
proportioning range (not adjustable on an L91A) incrementally
until the system is stable.
If a Controller Seems to Operate
Improperly
If the controller is suspected of operating improperly, it may be
further checked by:
1. Leaving the controller installed where it is, but discon-
necting all power to the controller motor or valve.
2. Loosening the cover screw below the main scaleplate
and removing the cover.
3. Disconnecting the wires from the controller.
4. Connecting an ohmmeter between controller terminals B
and W to measure the resistance for the potentiometer in
the controller. The ohmmeter should read about 135
ohms for an L91A,B, or D.
5. Connecting the ohmmeter between controller terminals
W and R (Fig. 8) and raising the setpoint of the controller
above the actual pressure being measured. The ohmme-
ter should read the full value of the potentiometer mea-
sured in step 4 (135 ohms for an L91A,B, or D).
6. Slowly lowering the setpoint of the controller while
observing the ohmmeter reading. The resistance should
drop to zero at some setpoint below the actual pressure.
7. Making an approximation of the proportioning range by
observing the change in setpoint required for a resis-
tance change from zero to full value.
8. When the controller is operating properly, reconnecting
the wires, replacing the cover, tightening the cover
screw, and resetting the controller to the desired value.
9. Reconnecting power to the controlled motor or valve.
Fig. 7. Checking L91 Proportioning Pressuretrol®
Controller.
CAUTION
Equipment Damage Hazard.
Failure to follow checkout instructions can damage
components or systems.
Do not put the system into service until you have
satisfactorily completed all applicable tests described in
this Checkout section, all tests in the Checkout section
of the applicable instructions, all tests for the flame
safeguard control, and any tests required by the burner
and boiler manufacturers.
DIFF.
MAIN
MIN
B
D
F
E
C
A
0
4
6
2
1
3
4
5
16
14
12
10
8
0
kPa
OZS
IN 2DIFF. IS
ADDITIVE
2
6
7
M8546A
PROPOTIONING
RANGE ADJUSTING
SCREW
(L91B,D ONLY)
INPUT OUTPUT
ZERO
ADJ
0
135
W
W
R
R
B
B
SETPOINT
INCREASE
MAIN SCALE
ADJUSTING SCREW
MAIN SCALE
SETTING
INDICATOR
INCREASES TO
135 OHMS
OHMMETER
1 KNURLED ADJUSTMENT KNOB ON 10 TO 300 PSI [0.07 TO 2.07 MPA]
MODELS.
2 TERMINALS ARE LABELED
3 135 OHMS ON L91A,B OR D.
3
2
1

L91A,B,D PROPORTIONING PRESSURETROL® CONTROLLERS
960-2152—08
SERVICE INFORMATION
CAUTION
Electrical Shock Hazard
1. Only qualified service technicians should attempt to
service or repair flame safeguard controls and
burner systems.
2. Disconnect power supply before cleaning the
potentiometer windings or wiper, or before replacing
the controller potentiometer.
Calibration
All controllers are carefully tested and calibrated at the factory
under controlled conditions. If the actual operating pressure
does not match the setpoint, move the main scaleplate slightly
up or down until the setpoint agrees with the actual pressure.
Maintenance
Keep the cover of the controller in place at all times to protect
the internal components from dirt, dust, and physical damage.
Perform routine maintenance occasionally by inspecting and
blowing or brushing away any accumulated dirt and dust. To
assure proper functioning of the controller at all times, perform
an operational check of the entire system during routine
maintenance checks. Be sure to handle controllers carefully at
the time of installation, during actual use, and during
maintenance.
Cleaning the Potentiometer Windings
or Wiper
Occasionally, the windings or wiper on the potentiometer (two
on the L91D) may need cleaning. Disconnect the power supply
before removing the cover from the controller and before
cleaning the potentiometer.
IMPORTANT
1. Use an electrical contact cleaner that does not con-
tain solvents.
2. Use extreme care to avoid bending the wiper arm,
changing the wiper tension and damaging the potenti-
ometer windings.
3. Do not use an abrasion or burnishing tool to clean the
potentiometer windings or wiper.
4. Do not use hard paper, such as a business card, or
abrasive materials (sandpaper, emery boards, file,
etc.) to clean the windings or wiper.
Solvent-type electrical contact cleaners can deteriorate plastic
components and wire insulation and leave an oily residue that
accumulates particulate matter (dust, etc.). The residue can
break down to form various carbonaceous substances that
cause early potentiometer failure.
Use of abrasive materials results in wearing of the
potentiometer windings and accumulation of particulate matter
that changes the resistance between the windings and the
wiper.
Replacing the Controller
Potentiometer (Fig. 8–10)
IMPORTANT:
1. Replace the controller potentiometer only when nec-
essary to obtain proper operation.
2. When replacing the potentiometer, be very careful not
to bend or damage the wiper arm, and not to change
the wiper tension. Any damage or change in tension
will decrease the life of the new potentiometer.
1. Disconnect all power to the controller.
2. Loosen the cover screw below the main scaleplate and
remove the cover.
3. Mark the wires to the external device (motor or valve
actuator) and disconnect them from the terminal block.
4. Remove the screw holding the terminal block bracket to
the top of the case (Fig. 8). Put this screw in a safe place
because it will be needed later.
5. While careful not to damage the potentiometer wiper or
any of the internal wiring, lift out the terminal block and
bracket.
6. Before removing any potentiometer wires, carefully note
and record (sketch) the position (off-center) of the active
winding on the potentiometer and the location and con-
nections of all wiring terminals. The new potentiometer
must be inserted and connected the same.
Example: In Fig. 9, the active winding is on the left half of
the potentiometer; the wire from the left end of the wind-
ing is connected to the (W) terminal on the terminal
block, and the wire from the right end of the winding is
connected to the (B) terminal on the terminal block.
7. Loosen the (W) and (B) screws on the terminal block,
and remove the two wires to the active winding of the
potentiometer. Leave the wire to the wiper arm intact.
8. Carefully unscrew the bolt that holds the potentiometer
to the bracket. Make sure the potentiometer wires do not
entangle with the wiper and bend it.
9. Carefully slide the old potentiometer off the bolt.
10. Carefully slide the bolt through the new potentiometer.
Make sure that:
a. The off-center position of the winding on the new
potentiometer is the same as the old potentiometer.
(Consult sketch in step 6.)
b. The wiper will contact bare wires. (Rotate the potenti-
ometer on the bolts so the surface of the winding
where the brown enamel was removed is toward
you.)
11. Screw the bolt into the potentiometer bracket. Make sure
the wiper is contacting bare wires (step 10.b); then
tighten the bolt.
12. Connect the two potentiometer wires to the (W) and (B)
terminals on the terminal block and tighten the screws.
Make sure these wires are connected to the same termi-
nals as in the old potentiometer. (Consult sketch in step
6.)
13. Carefully fit the hole in the bottom of the terminal block
bracket over the screw protruding upward from the bot-
tom of the case (Fig. 10). Insert the screw (removed in
step 4) through the hole in the top of the case (Fig. 8)
and into the top of the bracket, and tighten it.
14. Reconnect the wires from the external device (motor or
actuator) to the terminal block.
15. Replace the cover and tighten the cover screw.
16. Reconnect power to the controller.

L91A,B,D PROPORTIONING PRESSURETROL® CONTROLLERS
60-2152—08 10
Fig. 8. Removing terminal block bracket.
Fig. 9. Replacing potentiometer in L91.
Fig. 10. Replacing terminal block bracket.
DIFF.
MAIN
MIN
B
D
F
E
C
A
0
4
6
2
1
3
4
5
16
14
12
10
8
0
kPa
OZS
IN 2DIFF. IS
ADDITIVE
2
6
7
M8521A
REMOVE BRACKET SCREW
FROM TOP OF CASE
TERMINAL
BLOCK
BRACKET
TERMINAL
BLOCK
DIFF.
MAIN
MIN
B
D
F
E
C
A
0
4
6
2
1
3
4
5
16
14
12
10
8
0
kPa
OZS
IN 2DIFF. IS
ADDITIVE
2
6
7
M8547A
BARE WIRES
(ENAMEL REMOVED)
TERMINAL
BLOCK
R
W
B
POTENTIOMETER WIRES
WIPER ARM
BOLT
POTENTIOMETER
ACTIVE WINDING
POTENTIOMETER
BRACKET 1
1
2
2
THE POTENTIOMETER IN AN L91A IS MOUNTED AT A 45 DEGREE
ANGLE INSTEAD OF HORIZONTALLY. AN L91D HAS TWO
POTENTIOMETERS.
TERMINALS ARE LABELED.
DIFF.
MAIN
MIN
B
D
F
E
C
A
0
4
6
2
1
3
4
5
16
14
12
10
8
0
kPa
OZS
IN 2DIFF. IS
ADDITIVE
2
6
7
M8548A
TERMINAL
BLOCK
TERMINAL
BLOCK
BRACKET
R
W
B
FIT HOLE IN BOTTOM
OF BRACKET OVER SCREW
PROTRUDING UPWARD
FROM BOTTOM OF CASE
L91A,B,D PROPORTIONING PRESSURETROL® CONTROLLERS
11 60-2152—08

L91A,B,D PROPORTIONING PRESSURETROL® CONTROLLERS
Automation and Control Solutions
Honeywell International Inc.
1985 Douglas Drive North
Golden Valley, MN 55422
Honeywell Limited-Honeywell Limitée
35 Dynamic Drive
Toronto, Ontario M1V 4Z9
customer.honeywell.com
® U.S. Registered Trademark
© 2009 Honeywell International Inc.
60-2152-—08 K.K. Rev. 12-09
Printed in U.S.A.